//
ТехЛит.ру
- крупнейшая бесплатная электронная интернет библиотека для "технически умных" людей.
WWW.TEHLIT.RU - ТЕХНИЧЕСКАЯ ЛИТЕРАТУРА

:: Алготрейдинг::


АЛГОТРЕЙДИНГ
шаг за шагом
с нуля по урокам!

Торговые роботы на PYTHON, BackTrader,
Pandas, Pine Script для TradingView. Связка с брокерами, телеграм и легкими приложениями.


ОТКРЫТОЕ АКЦИОНЕРНОЕ ОБЩЕСТВО
ПРОЕКТНО-КОНСТРУКТОРСКИЙ И ТЕХНОЛОГИЧЕСКИЙ
ИНСТИТУТ ПРОМЫШЛЕННОГО СТРОИТЕЛЬСТВА
ОАО ПКТИпромстрой

ТЕХНОЛОГИЧЕСКАЯ КАРТА
НА ЭЛЕКТРОТЕРМООБРАБОТКУ БЕТОНА
ПРИ ЗАМОНОЛИЧИВАНИИ СТЫКОВ СБОРНЫХ
ЖЕЛЕЗОБЕТОННЫХ КОНСТРУКЦИЙ

Введено в действие Распоряжением Управления развития Генплана
№ 6 от 07.04.98

Москва - 1997

АННОТАЦИЯ

Технологическая карта на электротермообработку бетона при замоноличивании стыков сборных железобетонных конструкций разработана ОАО ПКТИпромстрой в соответствии с протоколом семинара-совещания «Современные технологии зимнего бетонирования», утвержденным первым заместителем премьера Правительства Москвы В.И. Ресиным, и техническим заданием на разработку комплекта технологических карт на производство монолитных бетонных работ при отрицательных температурах воздуха, выданным Управлением развития генплана г. Москвы.

Карта содержит организационно-технологические и технические решения по электротермообработке бетона, применение которых при замоноличивании стыков конструкций должно способствовать ускорению работ, снижению затрат труда и повышению качества возводимых конструкций в зимних условиях.

В технологической карте приведены область применения, организация и технология выполнения работ, требование к качеству и приемке работ, калькуляция затрат труда, график производства работ, потребность в материально-технических ресурсах, решения по технике безопасности и технико-экономические показатели.

Исходные данные и конструктивные решения, применительно к которым разработана карта, приняты с учетом требований СНиП, а также условий и особенностей, характерных для строительства в г. Москве.

Технологическая карта предназначена для инженерно-технических работников строительных и проектных организаций, а также производителей работ, мастеров и бригадиров, связанных с производством бетонных работ.

Технологическую карту разработали:

Ю.А. Ярымов - гл. инженер проекта, руководитель работы, А.Д. Мягков, к.т.н. - ответственный исполнитель от ЦНИИОМТП, И.Ю. Томова, А.И. Творогов, к.т.н., В.Н. Холопов, Т.А. Григорьева, Л.В. Ларионова, И.Б. Орловская, Е.С. Нечаева - исполнители.

В.В. Шахпаронов, к.т.н. - научно-методическое руководство и редактирование,

С.Ю. Едличка, к.т.н. - общее руководство разработкой комплекта технологических карт.

Технологическая карта не заменяет ППР. (см. СНиП 3.01.01.-85*)

СОДЕРЖАНИЕ

1. ОБЛАСТЬ ПРИМЕНЕНИЯ

1.1. Электротермообработка бетона при замоноличивании стыков конструкций (далее по тексту электротермообработка стыков) может производиться с использованием электродного прогрева, индукционного и инфракрасного прогрева, электрообогрева с помощью греющей опалубки и нагревательных проводов.

Выбор способа электротермообработки стыков зависит от имеющегося оборудования и материалов.

В настоящей карте для электротермообоработки стыков колонны с фундаментом применяется электродный прогрев, колонн - индукционный прогрев, стеновых панелей - обогрев с помощью металлической опалубки, оборудованной пластинчатыми нагревателями.

1.2. Электродный прогрев заключается в выделении тепла непосредственно в бетоне при пропускании через него электрического тока.

Индукционный способ термообработки бетона основан на использовании магнитной составляющей переменного электромагнитного поля для нагрева арматуры и стальной опалубки.

Электрообогрев стыков с помощью греющей опалубки заключается в непосредственной передаче тепла от греющих поверхностей опалубки к прогреваемому бетону.

1.3. В технологической карте приводятся:

- схемы электропрогрева бетона при замоноличивании стыков;

- указания по подготовке стыков конструкций к замоноличиванию, прогреву и требования к готовности предшествующих работ и строительных конструкций;

- схема организации рабочей зоны;

- методы и последовательность производства работ, описание установки и подключения электрооборудования и осуществления прогрева бетона;

- электрические параметры прогрева;

- профессиональный и численно-квалификационный состав рабочих;

- график выполнения работ и калькуляция затрат труда;

- указание по контролю качества и приемке работ;

- решения по технике безопасности;

- потребность в необходимых материально-технических ресурсах;

- рекомендации по энергосбережению;

- технико-экономические показатели.

1.4. Технологическая карта содержит организационно-технологические и технические решения перечисленных в п. 1.1 способов электропрогрева бетона при замоноличивании стыков колонн и фундамента, двух колонн и между стеновыми панелями.

1.5. Расчет параметров стыков произведен с учетом:

температуры наружного воздуха - 20 °С;

прочности бетона к моменту остывания 50 % R28.

1.6. Электрические параметры, численно-квалификационный состав рабочих, график работы и калькуляция трудовых затрат, потребность в материально-технических ресурсах и технико-экономические показатели определены, исходя из электропрогрева бетона в стыках фундамента с колонной сечением 400´400 мм, колонн сечением 400´400 мм, стеновых панелей высотой 3 м и толщиной 300 мм.

1.7. Привязка настоящей технологической карты к иным стыковым соединениям конструкций и условиям производства работ при отрицательных температурах воздуха требует внесения изменений в график работ, калькуляцию трудовых затрат, в ведомость потребности в материально-технических ресурсах.

2. ОРГАНИЗАЦИЯ И ТЕХНОЛОГИЯ ВЫПОЛНЕНИЯ РАБОТ

2.1. До начала работ по электропрогреву бетона при замоноличивании стыков выполняют следующие подготовительные операции:

устанавливают опалубку, при необходимости предварительно очистив от мусора, снега и наледи;

на ровной площадке на расстоянии не более 25 м от участка электропрогрева устанавливают комплектную трансформаторную подстанцию КТП ТО-80/86 или другие трансформаторы, используемые для этих целей;

подключают КТП ТО-80/86 к питающей сети и опробывают на холостом ходу;

устанавливают инвентарные секции шинопроводов (рис. 1);

устанавливают ограждение согласно схемы организации рабочей зоны, проводят сигнализацию и освещение рабочей зоны (рис. 2, 3, 4);

в соответствии с принятыми для разных способов электропрогрева электрическими схемами проводят подсоединение нагревательного оборудования к комплектной трансформаторной подстанции КТП ТО-80/86 (рис. 5, 6, 7);

рабочую зону оборудуют в соответствии с требованиями по технике безопасности и проводят инструктаж по технике безопасности;

в зависимости от температуры наружного воздуха определяют электрические параметры прогрева (табл. 2, 3, 4).

2.2. После укладки бетонной смеси открытые поверхности бетона укрывают гидроизоляцией (полиэтиленовая пленка) и теплоизоляцией (минераловатные маты толщиной 50 мм). Теплоизоляция сверху накрывается полиэтиленовой пленкой. Температура уложенного бетона принята 5 °С.

2.3. Перед подачей напряжения для электротермообработки бетона стыков проверяют правильность подключения, качество контактов, расположение температурных скважин (или установленных термодатчиков), правильность укладки утеплителя.

Подают напряжение в соответствии с определенными электрическими параметрами (табл. 2, 3, 4).

2.4. Каждый час от начала разогрева и до окончания изотермической выдержки замеряют температуру бетона техническими термометрами.

Набор прочности бетона при различных температурах его выдерживания определяется графиком (рис. 17).

Пример определения прочности бетона по графику приведен на рис. 18.

2.5. Прогрев бетонной смеси осуществляют в соответствии с нижеприведенным графиком температурного режима при скорости подъема температуры 5 °С/час.

Разогрев бетонной смеси и изотермическая выдержка должны соответствовать приведенным параметрам (табл. 2, 3, 4).

Остывание бетона происходит самопроизвольно после отключения напряжения.

2.6. В период подъема температуры, на стадии изотермической выдержки, а также после каждого переключения напряжения необходимо следить за показаниями измерительных приборов, состоянием контактов и отпаек.

2.7. Скорость разогрева бетона регулируют повышением или понижением напряжения на низкой стороне трансформатора.

Для замера температуры бетона используют технические ртутные термометры.

2.8. При увеличении или уменьшении температуры наружного воздуха относительно расчетной в процессе электропрогрева соответственно понижают или повышают напряжение на низкой стороне трансформатора.

2.9. Скорость остывания бетона по окончании тепловой обработки для конструкции с модулем поверхности Мп = 5 - 10 и Мп > 10 - соответственно не более 5 °С и 10 °С в час. Температуру наружного воздуха замеряют один - два раза в сутки, результаты замеров фиксируют в журнале.

2.10. Не реже двух раз в смену, а в первые три часа с начала обогрева бетона через каждый час, измеряют силу тока и напряжение питающей цепи. Визуально проверяют отсутствие искрения в местах электрических соединений.

2.11. Прочность бетона проверяют по фактическому температурному режиму. Соблюдение графика температурного режима, приведенного в п. 2.5, позволяет получить заданную прочность бетона 50 % от R28. После распалубливания прочность бетона, рекомендуется определять с помощью молотка конструкции НИИМосстроя, ультразвуковым способом или высверливанием и испытанием кернов.

2.12. Теплоизоляция и опалубка могут быть сняты не ранее того момента, когда температура бетона в наружных слоях достигает плюс 5 °С и не позже, чем слои остынут до 0 °С. Не допускается примерзание опалубки, гидро- и теплоизоляции к бетону стыка.

2.13. Для предотвращения появления трещин в бетоне стыка перепад температур между открытой поверхностью бетона и наружным воздухом не должен превышать 30 °С.

В случае невозможности соблюдения указанных условий поверхность бетона после распалубливания укрывают брезентом, толью, щитами и т.д.

2.14. Укладку бетонной смеси в стыки при отрицательных температурах воздуха производят с учетом следующих требований:

- снимать наледь с опалубки и арматуры с помощью пара или горячей воды не допускается;

- при температуре воздуха ниже -10 °С стыки отогреваются до положительной температуры;

- укладка бетонной смеси производится с обеспечением минимального охлаждения смеси при ее подаче;

температура бетонной смеси, уложенной в опалубку, должна быть не ниже +5 °С.

2.15. Электрообогрев бетонной смеси при замоноличивании стыков выполняет звено из 3-х человек (табл. 1).

Состав звена исполнителей

Таблица 1

№ п/п

Состав звена по профессиям

Кол-во чел.

1

Электромонтер V р.

1

2

Электромонтер III р.

1

3

Бетонщик III р.

1

2.16. Электропрогрев бетона при замоноличивании стыков колонн в стакане фундамента производят с помощью стержневых электродов с утеплением открытой поверхности бетона минеральной ватой толщиной 50 мм и гидроизоляцией полиэтиленовой пленкой в следующей последовательности:

- через слои гидро- и теплоизоляции в бетонную смесь забивают электроды согласно схемы (рис. 8);

- в качестве электродов приняты стальные стержни диаметром 6 мм, длиной 1000 мм;

- электроды устанавливают таким образом, чтобы их концы выступали из бетона на 10 - 20 см;

- расстояние между электродами принимают в зависимости от температуры наружного воздуха и принятого напряжения (таблица 2);

- производят коммутацию электродов между собой и подключают их к секциям шинопроводов (рис. 8);

- подают напряжение на электроды в соответствии с электрическими параметрами (таблица 1);

- разогрев бетона производят со скоростью 5 °С в час в соответствии с графиком температурного режима, приведенного в п. 2.5.

2.16.1. Сразу после подачи напряжения дежурный электрик повторно проверяет все контакты, устраняет причину короткого замыкания, если оно произошло.

2.16.2. При необходимости отключения стержневого электрода рядом устанавливают новый и подключают его.

2.16.3. Электропрогрев осуществляется на пониженном напряжении 65 - 95 В. Удельное электрическое сопротивление бетонной смеси в начале прогрева 9 Ом×м.

2.16.4. Операции по электродному прогреву выполняет звено из 3-х человек в следующей последовательности:

бетонщик и электромонтер III р. устанавливают ограждение рабочей зоны, сигнальное освещение и размещают указатели по технике безопасности;

бетонщик III р. заготавливает из стали диаметром 6 мм электроды необходимой длины и в нужном количестве;

электромонтер V р. производит разделку концов жил кабеля, подсоединяет его к трансформаторной подстанции КТП ТО-80/86;

электромонтер III р. расставляет инвентарные секции шинопроводов вдоль захватки, соединяет их между собой;

электромонтер V р. подсоединяет секции шинопроводов к трансформаторной подстанции, производит ее заземление и опробывает ее работу на холостом ходу. После укладки бетонной смеси бетонщик укрывает верхние поверхности конструкции гидро- и теплоизоляцией;

электромонтеры V и III р. расставляют электроды в конструкцию согласно выбранной схемы, производят коммутацию электродов между собой и подключают их к секциям шинопровода. Подают напряжение на электроды.

Электрические параметры электродного прогрева бетона при замоноличивании стыков колонн с фундаментом

Таблица 2

Температура наружного воздуха, °С

Расстояние между электродами, см

Напряжение питания, В

Удельная мощность, кВт/м3

в период разогрева

в период изотермического прогрева

в период разогрева

в период изотермического прогрева

1

2

3

4

5

6

-5

10

20

40

50

55

65

75

85

55*)

55*)

55

65

3,0

1,5

-10

10

30

40

50

65

75

85

95

55*)

55*)

55

65

4,0

2,0

-15

10

20

30

75

85

95

55*)

55

65

5,0

2,5

-20

10

20

85

95

55

65

6,0

3,0

*) В период изотермического прогрева регулирование температурного режима осуществляется путем включения и отключения напряжения.

2.17. Электротермообработка бетона при замоноличивании стыков колонн производится путем индукционного прогрева с применением металлической опалубки, утепленной минеральной ватой толщиной 50 мм и закрытой фанерой толщиной 3 мм в следующей последовательности:

- изготавливают шаблон с пазами для размещения витков кабеля индуктора (рис. 9);

- в пазы шаблонов последовательными витками навивают кабель КРПТ 1´25, соответствующий расчетной токовой нагрузке (рис. 10);

- устанавливают шаблоны в рабочее положение (рис. 11);

- концы индуктора подсоединяют к секции шинопровода (рис 6);

- в зависимости от температуры наружного воздуха и сечения кабеля индуктора принимают электрические параметры индукционного прогрева (табл. 3);

- течение одного часа производят отогрев опалубки и арматуры на напряжении 75 В;

- производят укладку бетонной смеси. На время укладки бетонной смеси индуктор отключают;

- подают напряжение на систему индукционного прогрева.

Разогрев бетона до 60 °С производят со скоростью 5 °С/час в соответствии с графиком температурного режима, приведенного в п. 2.5. на напряжении 75 В. Изотермический прогрев ведется на напряжении 65 В.

2.17.1. Операции по индукционному прогреву бетонируемых конструкций выполняет звено из 3-х человек в следующей последовательности:

бетонщик III р. и электромонтер III р. устанавливают ограждение рабочей зоны, сигнальное освещение и размещают указатели по технике безопасности;

бетонщик III р. укладывает кабель по шаблонам согласно схеме (рис. 9);

электромонтер V р. производит разделку концов жил кабеля, подсоединяет его к трансформаторной подстанции КТП ТО-80/86;

электромонтер III р. расставляет инвентарные секции шинопроводов вдоль захватки, соединяет их между собой;

электромонтер V р. подсоединяет секции шинопроводов к трансформаторной подстанции и производит ее заземление, опробывает работу трансформаторной подстанции на холостом ходу;

электромонтер III р. подсоединяет кабели индукторов к секциям шинопровода.

Электрические параметры индукционного прогрева бетона при замоноличивании стыков колонн.

Таблица 3

Температура наружного воздуха

Удельная мощность индуктора Вт/см2

Напряжение питания, В

Количество витков индуктора, шт.

Сила тока, А

Сечение кабеля индуктора, мм2

1

2

3

4

5

6

-5

0,06

55

65

120

25

65

77

102

25

75

89

88

16

85

101

78

16

95

113

70

10

-10

0,07

55

61

138

35

65

72

117

25

75

83

101

25

85

94

89

16

95

105

80

16

-15

0,08

55

58

155

35

65

68

132

35

75

78

115

25

85

89

101

25

95

99

91

16

В данной карте приняты: сечение кабеля индуктора - 25 мм2, напряжение - 75 В, сила тока - 115 А, количество витков индуктора - 78 (6 индукторов по 13 витков, соединенные последовательно).

Потребная электрическая мощность с учетом расчетной температуры наружного воздуха -15 °С и сечения кабеля 25 мм2 в соответствии с температурным режимом прогрева составит на шесть стыков:

на предварительный отогрев арматуры и опалубки                - 8,62 кВт×час;

на разогрев бетонной смеси до 60 °С                                        - 94,87 кВт×час;

на изотермический прогрев                                                        - 66,3 кВт×час;

общая потребность                                                                      - 169,79 кВт×час.

2.18. Электрообогрев бетона при замоноличивании стыков стеновых панелей осуществляется с помощью металлической опалубки, оборудованной пластинчатыми нагревателями, утепленной минеральной ватой толщиной 50 мм с защитным покрытием из фанеры толщиной 3 мм (рис. 12, 13, 14) в следующей последовательности:

- в зависимости от температуры наружного воздуха принимают электрические параметры обогрева (табл. 4) и в течение одного часа производят предварительный отогрев опалубки и арматуры;

- параметры обогрева определены для бетонирования шести вертикальных стыков прямоугольного сечения между стеновыми панелями резервуаров и отстойников с сечением стыка 200´300 мм, высотой 3 м с общим объемом бетона 1,08 м3 исходя из температуры наружного воздуха -20 °С и достижения прочности бетона к моменту остывания 0 °С не менее 50 % R28;

- после укладки бетона в конструкцию стыка начинают разогрев его до температуры изотермической выдержки 60 °С.

2.18.1. Предварительный отогрев опалубки и арматуры в течение одного часа, а также разогрев бетона до 60 °С ведется на напряжение 95 В, изотермическая выдержка бетона осуществляется при напряжении 75 В.

2.18.2. Электрообогрев ведется в соответствии с графиком температурного режима, приведенного в п. 2.5.

2.18.3. Раскладка щитов и подключение их к шинопроводам производятся по принятой схеме (рис. 15).

2.18.4. Операции по прогреву бетона при замоноличивании стыков стеновых панелей выполняет звено из 3-х человек в следующей последовательности:

- бетонщик III р. и электромонтер III р. устанавливают ограждение рабочей зоны, плакаты по технике безопасности, сигнальное освещение;

- электромонтер V р. производит разделку концов жил кабеля, подсоединяет его к трансформаторной подстанции КТП ТО-80/86;

- электромонтер III р. расставляет инвентарные секции шинопроводов, соединяя их между собой;

- электромонтер V р. подсоединяет секции шинопроводов к трансформаторной подстанции и производит ее заземление, опробывает работу трансформаторной подстанции на холостом ходу;

- электромонтер V и III р коммутируют щиты опалубки между собой и секциями шинопровода. Подают напряжение на щиты опалубки.

Электрические параметры электрообогрева греющей опалубкой, оборудованной пластинчатыми нагревателями

Таблица 4

Температура наружного воздуха, °С

Напряжение питания, В

Удельная мощность, Вт/м2

Сила тока, А на 3 щита опалубки

в период разогрева

в период изотермического прогрева

в период разогрева

в период изотермич. прогрева

в период разогрева

в период изотермич. прогрева

-5

65

55

310

250

8,6

8,2

-10

75

55

400

250

9,6

8,2

-15

85

65

560

310

12,0

8,6

-20

95

75

620

400

13,0

9,6

2.19. Рекомендации по энергосбережению.

В целях энергосбережения при электротермообработке бетона рекомендуется:

- не допускать возможности охлаждения бетонной смеси более чем установлено технологическим расчетом, нарушения однородности и снижения заданной подвижности на месте укладки при определении средств и продолжительности транспортирования бетонной смеси;

- применять бетонные смеси возможно более высокой относительной прочности при малой продолжительности прогрева (применение портландцемента, быстротвердеющего портландцемента);

- применять химические добавки для сокращения продолжительности термообработки бетона стыка и получения повышенной прочности, приобретаемой бетоном сразу после прогрева;

- применять максимально допустимую температуру термообработки бетона с учетом нарастания прочности бетона при остывании;

- надежно производить теплоизоляцию поверхностей бетона стыка и опалубки подвергающихся охлаждению;

- соблюдать режим электрообработки;

- следить за качеством и плотностью соединений контактов кабелей;

- сохранять теплозащитные маты в сухом состоянии.

3. ТРЕБОВАНИЯ К КАЧЕСТВУ И ПРИЕМКЕ РАБОТ

3.1. Контроль качества электротермообработки стыков при отрицательных температурах воздуха производят в соответствии с требованиями СНиП 3.01.01-85* «Организация строительного производства», СНиП 12-03-2001 «Безопасность труда в строительстве. Часть 1. Общие требования», СНиП III-4-80* «Техника безопасности в строительстве» и СНиП 3.03.01-87 «Несущие и ограждающие конструкции».

(Измененная редакция).

3.2. Производственный контроль качества электропрогрева осуществляют прорабы и мастера, с участием специалистов энергетических служб строительных организаций.

3.3. Производственный контроль включает входной контроль качества электротехнического оборудования, эксплуатационных материалов и бетонной смеси, операционный контроль качества отдельных производственных операций и приемочный контроль требуемого качества монолитной конструкции.

3.4. При входном контроле качества электротехнического оборудования, эксплуатационных материалов и бетонной смеси проверяют внешним осмотром их соответствие нормативным и проектным требованиям, а также наличие и содержание паспортов, сертификатов и других сопроводительных документов.

При операционном контроле проверяют соблюдение состава подготовительных операций, технологии наладки электрообогревающего оборудования и устройств, укладки бетона в опалубку бетонируемого стыка в соответствии с требованиями СНиП, процесс электропрогрева, температуру, силу тока и напряжение в соответствии с расчетными данными.

При приемочном контроле проверяют качество монолитного стыка в результате электротермообработки.

Скрытые работы, подлежащие освидетельствованию, оформляются по установленной форме.

Результаты операционного и приемочного контроля фиксируют в журнале работ.

Основными документами при операционном и приемочном контроле является настоящая технологическая карта и указанные в карте нормативные документы, перечни операций, контролируемых производителем работ (мастером), данные о составе, сроках и способах контроля (табл. 3).

3.5. Контроль температуры обогреваемого бетона следует производить техническими термометрами или дистанционно с помощью термодатчика, устанавливаемых в скважину (рис. 16).

Температуру бетона проверяют каждый час.

Не реже двух раз в смену, а в первые три часа с начала прогрева бетона через каждый час, измеряют силу тока и напряжение в питающей цепи. В местах соединения проводов не должно быть искрения.

3.6. При электропрогреве бетона предельные значения скорости подъема температуры и скорости остывания бетона должны быть не выше соответственно 20 °С и 10 °С в час.

3.7. Контроль прочности бетона стыка осуществляют с помощью молотка НИИМосстроя, ультразвуковым способом, либо высверливанием кернов и испытанием.


СОСТАВ И СОДЕРЖАНИЕ ПРОИЗВОДСТВЕННОГО КОНТРОЛЯ КАЧЕСТВА

Таблица 5

Кто контролирует

Прораб или мастер

Операции, подлежащие контролю

Операции при входном контроле

Подготовительные операции

Операции по укладке бетона в конструкцию стыка

Операции при приемочном контроле

Состав контроля

исправность электрооборудования

проверка изоляции проводов и работоспособности коммутационной аппаратуры, трансформаторов и др. электрооборудования, используемого в работе

устройство защитного ограждения и световой сигнализации на участке работ

очистка основания опалубки, арматуры от снега, наледи. Утепление конструкции

укладка бетона в конструкцию стыка

контроль величины силы тока и напряжения питающей цепи

контроль температуры бетона

контроль прочности бетона

проверка соответствия готовой монолитной конструкции требованиям проекта

Методы контроля

визуально-инструментальная проверка

визуально и по приборам

визуально-инструментальная

Время контроля

до начала бетонирования

в процессе бетонирования

в процессе электропрогрева бетона

после электропрогрева

Кто привлекается к контролю

энергетик строительной организации

мастер, прораб

электромонтер, лаборатория

лаборатория, технадзор


4. КАЛЬКУЛЯЦИЯ ЗАТРАТ ТРУДА

4.1. Калькуляция затрат труда составлена на электродный прогрев бетона при замоноличивании шести стыков колонны с фундаментом с общим объемом бетона 2 м3.

Таблица 6

Обоснование

Наименование работ

Ед. изм.

Объем работ

Норма времени, чел-час

Затраты труда чел-час

Состав звена

1

2

3

4

5

6

7

ЕНиР 1987

§ Е 23-6-2 п. 35

Установка трансформаторной подстанции

1 шт.

1 шт.

2,5

2,5

Электромонтеры

V р. - 1 чел.

III р. - 1 чел.

ЕНиР 1987

§ Е 1-19 п. 2 «а»

Переноска и установка на место инвентарных секций шинопровода при массе секций 10 кг

т

0,06

1,2

0,02

Электромонтер

III р. - 1 чел.

Опытные данные ЦНИИОМТП

Установка сетчатого ограждения

м2

75

0,1

7,5

Бетонщик

III р. - 1 чел.

Электромонтер

III р. - 1 чел.

Е 22-1-40 п. «а»

Заготовка электродов

10 порезов

7,2

0,08

0,60

Бетонщик

III р.- 1 чел.

Е 4-1-50 п. 2

Установка магистрали и присоединение к ней электродов, присоединение трансформатор ной подстанции, укладка электродов в тело бетона. Снятие подводящих проводов магистрали после прогрева

1 м3 прогретого бетона

2,0

0,98

2,0

Электромонтер

V р. - 1 чел.

III р. - 1 чел.

ЕНиР 1987

§ Е 23-4-14 табл. 3 п. 2

Проверка состояния кабеля мегомметром

1 кабель

2

0,24

0,48

Электромонтер

V р. - 1 чел.

ЕНиР 1987

Е4-1-54; п. 10

Устройство гидро- и теплоизоляции

100 м2

0,2

0,21

0,04

Бетонщик

III р. - 1 чел.

ЕНиР 1987

Е4-1-54 п. 12

Снятие гидро- и теплоизоляции

100 м2

0,2

0,22

0,04

Бетонщик

III р. - 1 чел.

Тарифно-квалификационный справочник

Электропрогрев бетонной смеси

час

21

1

21

Электромонтер

III р. - 1 чел.

Е 22-1-40 п. 1 «а»

Срезка электродов

10 порезов

7,2

0,08

0,6

Бетонщик

III р. - 1 чел.

4.2. Калькуляция затрат труда составлена на индукционный прогрев бетона при замоноличивании шести стыков колонны с колонной сечением 400´400 мм и общим объемом бетона 1,2 м3.

Таблица 7

Обоснование

Наименование работ

Ед. изм.

Объем работ

Норма времени, чел-час

Затраты труда чел-час

Состав звена

1

2

3

4

5

6

7

ЕНиР 1987

§ Е 23-6-2 п. 35

Установка трансформаторной подстанции

1 шт.

1 шт.

2,5

2,5

Электромонтеры

V р. - 1 чел.

III р. - 1 чел.

Опытные данные ЦНИИОМТП

Установка сетчатого ограждения, плакатов по технике безопасности, сигнальных лампочек

м2

75

0,1

7,5

Бетонщик

III р. - 1 чел.

Электромонтер

III р. - 1 чел.

Опытные данные ЦНИИОМТП

Изготовление и установка деревянных шаблонов для устройства индуктора (сеч. 50´50, h = 0,5 м)

шт.

24

0,1

2,4

Бетонщик

III р. - 1 чел.

Опытные данные ЦНИИОМТП

Укладка (навивка) кабеля вокруг колонны по шаблонам

100 м

1,25

0,55

0,69

Бетонщик

III р. - 1 чел.

ЕНиР 1987

§ Е 23-6-16 п. 3

Присоединение кабеля к индуктору и КТП

100 концов

0,17

7,5

1,3

Электромонтер

V р. - 1 чел.

ЕНиР 1987

§ Е 23-4-14 табл. 3 п. 2

Проверка состояния изоляции кабеля мегомметром

1 кабель

7

0,24

1,7

Электромонтер V р. - 1 чел.

Тарифно-квалификационный справочник

Предварительный отогрев арматуры и опалубки

час

1

1

1

Электромонтер

III р. - 1 чел.

Тарифно-квалификационный справочник

Индукционный прогрев бетона

час

21

1

21

Электомонтер

III р. - 1 чел.

ЕНиР 1987

§ Е 23-6-16 п. 3

Отсоединение кабеля от индукторов и трансформаторной подстанции

100 концов

0,17

7,5

1,3

Электромонтер

III р. - 1 чел.

Опытные данные ЦНИИОМТП

Снятие индуктора

100 м

1,25

0,55

0,69

Бетонщик

III р. - 1 чел.

4.3. Калькуляция затрат труда составлена на электрообогрев бетона при замоноличивании шести стыков стеновых панелей с общим объемом бетона 1,1 м3 с помощью металлической опалубки, оборудованной пластинчатыми электронагревателями.

Таблица 8

Обоснование

Наименование работ

Ед. изм.

Объем работ

Норма времени, чел-час

Затраты труда чел-час

Состав звена

1

2

3

4

5

6

7

ЕНиР 1987

§ Е23-6-2 п. 35

Установка трансформаторной подстанции

1 шт.

1 шт.

2,5

2,5

Электромонтеры

V р. - 1 чел.

III р. - 1 чел.

Опытные данные цнииомтп

Установка защитного ограждения

м2

60

0,1

4,5

Бетонщик

III р. - 1 чел.

Электромонтер

III р. - 1 чел.

ЕНиР 1987

§ Е 1-19 п. 2 «а»

Переноска и установка на место инвентарных секций шинопровода при массе секций 10 кг

т

0,06

1,2

0,07

Электромонтер

III р. - 1 чел.

ЕНиР

§ Е-23-6-16 п. 3

Электромонтажные работы по соединению щитов опалубки, шинопроводов и т.д.

100 концов

0,73

7,5

5,5

Электромонтер

V р. - 1 чел.

III р. - 1 чел.

ЕНиР 1987

§ Е 23-4-14 табл. 3 п. 2

Проверка состояния изоляции кабеля

1 кабель

2

0,24

0,48

Электромонтер

V р. - 1 чел.

Тарифно-квалификационный справочник

Предварительный отогрев арматуры и опалубки

час

1

1

1

Электромонтер

III р. - 1 чел.

ЕНиР 1987

§ Е4-1-54 п. 10

Устройство гидро- и теплоизоляции

100 м2

0,1

0,21

0,02

Бетонщик

III р. - 1 чел.

Тарифно-квалификационный справочник

Электрообогрев бетонной смеси

час

21

1

21

Электромонтер

III р. - 1 чел.

ЕНиР 1987

§ Е4-1-54 п. 12

Снятие гидро- и теплоизоляции

100 м2

0,1

0,22

0,02

Бетонщик

III р. - 1 чел.

ЕНиР 1987

§ Е23-6-16 п. 3

Электромонтажные работы по отсоединению щитов опалубки, шинопроводов, и т.п.

100 концов

0,73

7,5

5,5

Электромонтер

V р. - 1 чел.

III р. - 1 чел.


5. ГРАФИК ПРОИЗВОДСТВА РАБОТ

5.1. Электродный прогрев бетона при замоноличивании шести стыков колонн сечением 400´400 мм с фундаментом

5.2. Индукционный прогрев бетона при замоноличивании шести стыков колонн сечением 400´400 мм

5.3. Электрообогрев бетона при замоноличивании вертикальных стыков сборных железобетонных стеновых панелей греющей опалубкой, оборудованной пластинчатыми нагревателями


6. ПОТРЕБНОСТЬ В МАТЕРИАЛЬНО-ТЕХНИЧЕСКИХ РЕСУРСАХ

6.1. Электродный прогрев бетона при замоноличивания стыков колонн с фундаментами.

Таблица 9

№ п/п

Наименование

Марка (ГОСТ, ТУ)

Ед. изм.

Кол-во

Техническая характеристика

1.

Комплектная трансформаторная подстанция для обогрева бетона

КТП ТО-80/86

шт.

1

Мощность - 80 кВт

Макс. ток 490 А

Напряжение 55, 65, 75, 85, 95 В

2.

Токоизмерительные клещи

Ц-91

шт.

1

 

3.

Диэлектрические

ТУ 38-106359-79

 

 

 

перчатки

пар.

2

галоши

пар.

2

коврик

шт.

1

4.

Сталь арматурная - электроды

ГОСТ 5781-82*

кг

16

Æ 6 мм

5.

Инвентарное сетчатое ограждение

 

м2

75

h = 1,5 м

6.

Полиэтиленовая пленка Тс 0,1´1400

ГОСТ 10354-82*

м2

10

толщина d = 0,1 мм ширина В = 1,4 м

7.

Инветарные секции шинопроводов

-

шт.

6

Длина секции - 1,5 м, масса 10 кг

8.

Кабель

КРПТ-3´25+1´16

м

25

 

КРПТ 3´25

50

КРПТ-3´50

25

КРПТ-3´16

50

АПP-4 мм2

60

9.

Изоляционная лента

-

кг

0,5

 

10.

Прожектор

-

шт.

2

Мощность - 1000 Вт

11.

Минеральная вата

ГОСТ 9573-96

Марка - 50

м2

15

 

12.

Технические ртутные термометры

 

шт.

2

Предел измерения - 100° С

(Измененная редакция).

6.2. Индукционный прогрев бетона при замоноличивании стыков сечением 400´400 мм

Таблица 10

№ п/п

Наименование

Марка (ГОСТ, ТУ)

Ед. изм.

Кол-во

Техническая характеристика

1.

Комплектная трансформаторная подстанция

КТП ТО-80/86

шт.

1

Мощность - 80 кВт

Макс. ток - 490 А, напряжение - 55, 65, 75, 85, 95 В

2.

Кабель

КРПТ-3´25+1´16 КРПТ-1´25

м

50

170

 

3.

Инветарные секции шинопроводов

-

шт.

16

Длина секции - 1,5 м

4.

Пиломатериалы

 

м3

0,15

Доска d = 40 мм

Брус d = 50 мм

5.

Гвозди

-

кг

8,0

Длина - 100 мм

6.

Инвентарное сетчатое ограждение

ГОСТ 23407-78

п.м.

60

h = 1,2 м

7.

Диэлектрические

перчатки

ТУ 38-106359-79

пар.

2

 

галоши

пар.

2

коврик

шт.

1

8.

Противопожарный щит

 

шт.

1

С углекислотными огнетушителями

9.

Прожектор

-

шт.

2

Мощность - 1000 Вт

10.

Изоляционная лента

-

кг

0,2

 

11.

Токоизмерительные клещи

Ц-91

шт.

1

 

12.

Ртутные термометры

-

шт.

6

предел измерения t = 40 - 100 °С

6.3. Электрообогрев бетона при замоноличивании стыков стеновых панелей с помощью греющей опалубки, оборудованной пластинчатыми электронагревателями.

Таблица 11

№ п/п

Наименование

Марка (ГОСТ, ТУ)

Ед. изм.

Кол-во

Техническая характеристика

1.

Комплектная трансформаторная подстанция

КТП ТО-80/86

шт.

1

Мощность - 80 кВт

Макс. ток 490 А

Напряжение 55, 65, 75, 85, 95 В

2.

Стальные щиты греющей опалубки (1,5´0,4 м)

-

шт.

24

1500´400´50 мм

3.

Токоизмерительные клещи

Ц-91

шт.

1

 

4.

Инветарные секции шинопроводов

-

шт.

6

Длина секции - 1,5 м, масса 10 кг

5.

Кабель

КРПТ-3´25+1´16

м

25

ГОСТ 13497-68

АПР-6 мм2

70

КРПТ-3´50

25

АПР-4 мм2

20

6.

Инвентарное сетчатое ограждение

-

м2

60

h = 1,5 м

7.

Изоляционная лента

-

кг

0,5

 

8.

Полиэтиленовая пленка Тс 0,1´1400

ГОСТ 10354-82*

м2

10

толщина d = 0,1 мм

ширина В = 1,4 м

9.

Диэлектрические

ТУ 38-106359-79

 

 

 

перчатки

пар.

2

галоши

пар.

2

коврик

шт.

1

10.

Противопожарный щит

-

шт.

1

С углекислотными огнетушителями

11.

Прожектор

-

шт.

2

Мощность - 1000 Вт

12.

Минеральная вата

ГОСТ 9573-96

Марка - 50

м2

15

 

(Измененная редакция).

7. РЕШЕНИЯ ПО ТЕХНИКЕ БЕЗОПАСНОСТИ

7.1 При производстве работ по электропрогреву бетона при замоноличивании стыков помимо общих требований правил безопасного производства работ согласно СНиП 12-03-2001 «Безопасность труда в строительстве. Часть 1. Общие требования», СНиП III-4-80* «Техника безопасности в строительстве» следует руководствоваться «Правилами технической эксплуатации и безопасности электроустановок промышленных предприятий».

7.2 Электробезопасность на строительной площадке, участках производства работ и рабочих местах необходимо обеспечивать в соответствии с требованиями СНиП 12-03-2001 «Безопасность труда в строительстве. Часть 1. Общие требования». Лица занятые на строительно-монтажных работах, должны быть обучены безопасным способам ведения работ, а также уметь оказать первую доврачебную помощь при электротравме.

7.1, 7.2. (Измененная редакция).

7.3 В строительно-монтажной организации должен быть инженерно-технический работник, ответственный за безопасную эксплуатацию электрооборудования, имеющий квалификационную группу по технике безопасности не ниже IV.

7.4 При устройстве электрических сетей необходимо предусматривать возможность отключения всех электроустановок в пределах отдельных участков и объектов производства работ.

7.5 Работы, связанные с присоединением (отсоединением) проводов, должны выполняться специалистами по электротехнике, имеющими соответствующую квалификационную группу по технике безопасности.

7.6 В течение всего периода эксплуатации электроустановок на строительных площадках должны быть установлены знаки безопасности по ГОСТу 12.4.026.76*.

(Измененная редакция).

7.7 Технический персонал, проводящий прогрев бетона, должен пройти обучение и проверку знаний квалификационной комиссией по технике безопасности с получением соответствующих удостоверений. Дежурные электромонтеры должны иметь квалификацию не ниже III группы.

7.8 Рабочих, занятых на прогреве бетона, снабжают резиновыми сапогами или диэлектрическими галошами, а электромонтеров, кроме того, резиновыми перчатками. Подключение электрооборудования, замеры температуры техническими термометрами производят при отключенном напряжении.

7.9 Зона, где производится прогрев бетона, должна быть ограждена. На видном месте помещаются предупредительные плакаты, правила по технике безопасности, противопожарные средства, в ночное время ограждение зоны должно быть освещено, для чего на нем устанавливаются красные лампочки, автоматически загорающиеся при подаче напряжения в линию прогрева.

7.10 Все металлические токоведущие части электрооборудования и арматуру следует надежно заземлить, присоединив к ним нулевой провод питающего кабеля. При использовании защитного контура заземления перед включением напряжения необходимо проверить сопротивление контура, которое должно быть не более 4 Ом.

Около трансформаторов, рубильников и распределительных щитков устанавливают настилы, покрытые резиновыми ковриками.

7.11 Проверку сопротивления изоляции проводов с помощью мегомметра производит персонал, квалификационная группа по технике безопасности которого не ниже III.

Концы проводов, которые могут оказаться под напряжением, необходимо изолировать или оградить.

Участок прогрева бетона должен постоянно находиться под надзором дежурного электрика.

7.12 Запрещается:

подключать под напряжение провода с механическими повреждениями изоляции, а также ненадежно выполненными коммутационными соединениями; проводить работы по прогреву в сырую погоду, во время оттепели, без ограждения зоны прогрева;

работать при обнаруженной неисправности электропроводки; прокладывать провода непосредственно по грунту;

размещать легковоспламеняющиеся материалы вблизи установок для прогрева бетонов, доступ посторонних лиц в зону прогрева.

8. ТЕХНИКО-ЭКОНОМИЧЕСКИЕ ПОКАЗАТЕЛИ ПО ТЕРМООБРАБОТКЕ БЕТОНА ПРИ ЗАМОНОЛИЧИВАНИИ СТЫКОВ

Таблица 12

Показатели

Ед. изм.

Электродный прогрев бетона стыков колонн с фундаментом

Индукционный прогрев бетона стыков колонны с колонной

Электропрогрев греющей опалубкой бетона стыков стеновых панелей

Затраты труда на электротермообработку

ч.д.

34,78

40,08

40,59

всего

ч.д.

17,39

33,4

36,82

на 1 м3 бетона

 

 

 

 

Расход электроэнергии

 

 

 

 

всего

кВт×ч

192

169,79

176,22

на 1 м3 бетона в т.ч.

кВт×ч

96

141,49

160,2

предварительный отогрев опалубки и арматуры

кВт×ч

-

8,62

9,88

на 1 м3

кВт×ч

-

7,18

8,98

разогрев бетона

кВт×ч

132

94,87

108,68

на 1 м3 бетона

кВт×ч

66

79,05

98,9

изотермический прогрев

кВт×ч

60

66,3

57,6

на 1 м3 бетона

кВт×ч

30

55,25

52,36

Рис. 1. Инвентарная секция шинопроводов (крайняя секция):

1 - разъем; 2 - деревянная стойка; 3 - болты; 4 - токопроводы (полоса 3´40 мм).

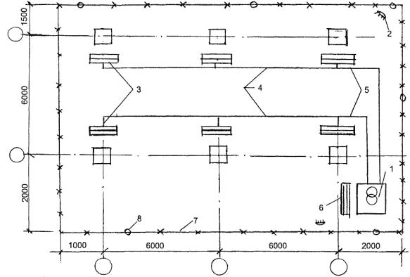
Рис. 2. Схема организации рабочей зоны при электродном прогреве бетона при замоноличивании стыков колонн с фундаментами:

1 - комплектная трансформаторная подстанция КТП ТО-80/86; 2 - прожектор; 3 - секции шинопровода; 4 - кабель КРПТ 3´2,5; 5 - кабель КРПТ 3´50; 6 - диэлектрический коврик; 7 - инвентарное ограждение; 8 - сигнальная лампа красного цвета.

Рис. 3. Схема организации рабочей зоны при индукционном прогреве бетона при замоноличивании стыков:

1 - кабель КРПТ 1´25; 2 - индуктор; 3 - прожектор; 4 - трансформаторная подстанция КТП ТО-80/86; 5 - диэлектрический коврик; 6 - инвентарное ограждение; 7 - сигнальная лампочка красного цвета.

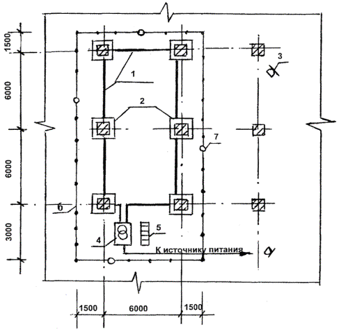
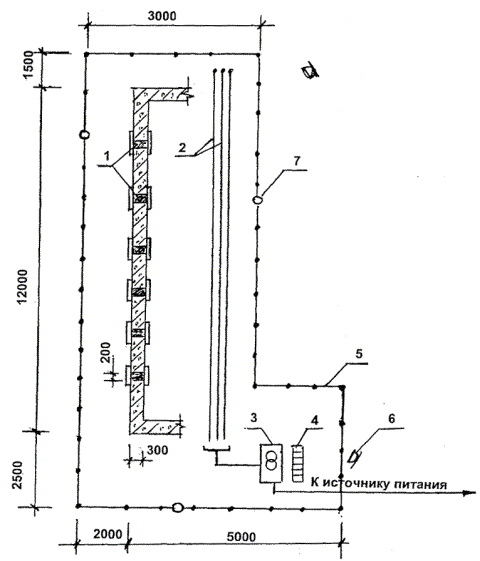
Рис. 4. Схема организации рабочей зоны электрообогрева бетона при замоноличивании стыков греющей опалубкой с пластинчатыми электронагревателями:

1 - монолитный железобетонный стык (сеч. 200´300) в металлической опалубке; 2 - инвентарные секции шинопроводов; 3 - трансформаторная подстанция КТП ТО-80/86; 4 - диэлектрический коврик; 5 - инвентарное ограждение; 6 - прожектор; 7 - сигнальная лампочка красного цвета.

Рис. 5. Электрическая схема электродного прогрева бетона при замоноличивании стыков

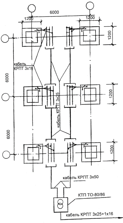
Рис. 6. Электрическая схема индукционного прогрева бетона при замоноличивании стыков

Рис. 7. Электрическая схема электрообогрева бетона при замоноличивании стыков греющей опалубкой с пластинчатыми электронагревателями

Рис. 8. Схема расстановки электродов при электродном прогреве фундамента с колонной

Рис. 9. Устройство индуктора

Рис. 10. Принципиальная схема индуктора

Рис. 11. Стык колонны с колонной. Разрезы I-I, II-II

Рис. 12. Расстановка нагревателей на стальных щитах опалубки

Рис. 13. Секция пластинчатого электронагревателя:

1 - пластинчатый нагреватель; 2 - зигзаг из стальной ленты сеч. 10´0,2 мм; 3 - асбестовый лист 500´400´8 - 2 шт.; 4 - минераловатная плита d = 50 мм (500´400); 5 - фанера - 3 мм (500´400); 6 - болтовой контакт.

Рис. 14. Пластинчатые нагреватели для обогрева монолитных конструкций в металлической опалубке

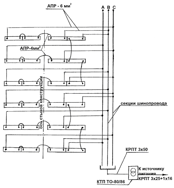
Рис. 15. Обогрев стыков греющей опалубкой с пластинчатыми электронагревателями:

1 - монолитный стык железобетонных панелей; 2 - инвентарные секции шинопроводов; 3 - металлический щит опалубки (1500´400) с пластинчатыми электронагревателями; 4 - перемычка из провода АПР-4 мм2; 5 - провода АПР-6 мм2 для подключения щитов к инвентарным секциям шинопровода; 6 - полиэтиленовая пленка; 7 - минераловатные маты толщиной 50 мм; 8 - температурная скважина Æ 20 мм.

1 - монолитная конструкция

2 - утеплитель

3 - пенал из тонкостенной стальной трубки

4 - индустриальное масло

5 - термодатчак

Рис. 16. Установка термодатчика в обогреваемой конструкции.


Рис. 17. Кривые набора прочности бетоном при различных температурах его выдерживания:

а, в - для бетона класса В25 на портландцементе активностью 400 - 500;

б, г - для бетона класса В25 на шлакопортландцементе активностью 300 - 400.


Пример: Определить прочность бетона в конструкции с Мп = 4 на портландцементе марки 400 при скорости подъема температуры 10 °С в час, температуре изотермического прогрева 70 °С, его продолжительности 12 ч и остывании со скоростью 5 °С в час до конечной температуры 8 °С.

Решение:

1. Определить величину относительной прочности за период подъема температуры

продолжительность подъема температуры (70 - 10)/10 = 6

при средней температуре (70 + 10)/2 = 40 °С.

Для этого из точки «А» (см. график) проводим перпендикуляр до пересечения с кривой прочности при 40 °С (точка «Б»).

Величина прочности за время подъема температуры определяется проекцией точки «Б» на ось ординат (точка «В») и составляет 15 %.

Определяем прирост относительной прочности при изотермическом прогреве за 12 часов как проекцию участка (точки «Л» и «К») кривой прочности при 70 °С (отрезок «В3»), что соответствует 46 % R28.

Определяем прирост прочности бетона за 12 часов остывания по кривой прочности при 38 °С как проекцию участка «ЖГ» на ось ординат. Отрезок «ЗИ» соответствует 9 % R28.

За весь цикл термообработки бетон приобретает прочность 15 + 46 + 9 = 70 % R28.

Для каждого конкретного состава бетона строительной лабораторией должен быть уточнен на опытных образцах-кубах оптимальный режим выдерживания.

Продолжительность твердения, ч

Рис. 18. Пример определения прочности бетона по графику

ЛИТЕРАТУРА

1. СНиП 3.01.01-85* «Организация строительного производства».

2. СНиП 3.03.01-87 «Несущие и ограждающие конструкции».

3. СНиП III-4-80* «Техника безопасности в строительстве»

4. Пособие по электрообогреву бетона монолитных конструкций (к СНиП III-15-76) НИИЖБ Госстроя СССР, Москва, Стройиздат, 1985 г.

5. Руководство по электротермообработке бетона. НИИЖБ Госстроя СССР, Москва, Стройиздат, 1974 г.

6. Руководство по производству бетонных работ в зимних условиях, районах Дальнего Востока, Сибири и Крайнего Севера. ЦНИИОМТП Госстроя СССР, Москва, Стройиздат, 1982 г.

7. Временные указания по индукционному прогреву железобетонных конструкций (ВСН-22-68). Техническое управление Главмосстроя, Москва, 1969 г.

8. Рекомендации по технологии возведения конструкций из монолитного бетона и железобетона. ОАО ПКТИпромстрой, Москва, 1998 г.

9. СНиП 12-03-2001 «Безопасность труда в строительстве. Часть 1. Общие требования».

(Измененная редакция).




Яндекс цитирования



   Copyright © 2007-2026,  www.tehlit.ru.

[ ѓосты, стандарты, нормативы, инструкции, правила, строительные нормы ]