//
ТехЛит.ру
- крупнейшая бесплатная электронная интернет библиотека для "технически умных" людей.
WWW.TEHLIT.RU - ТЕХНИЧЕСКАЯ ЛИТЕРАТУРА

:: Алготрейдинг::


АЛГОТРЕЙДИНГ
шаг за шагом
с нуля по урокам!

Торговые роботы на PYTHON, BackTrader,
Pandas, Pine Script для TradingView. Связка с брокерами, телеграм и легкими приложениями.


МИНИСТЕРСТВО ТРАНСПОРТНОГО СТРОИТЕЛЬСТВА СССР

МЕТОДИЧЕСКИЕ
УКАЗАНИЯ

ПО ПРОЕКТИРОВАНИЮ
ЗЕМЛЯНОГО ПОЛОТНА
НА СЛАБЫХ ГРУНТАХ

ОДОБРЕНЫ ТЕХНИЧЕСКИМ УПРАВЛЕНИЕМ
МИНИСТЕРСТВА ТРАНСПОРТНОГО СТРОИТЕЛЬСТВА СССР

ОРГТРАНССТРОЙ

МОСКВА 1968

ПРЕДИСЛОВИЕ

Настоящие «Методические указания» составлены ЦНИИСом и СоюздорНИИ в развитие действующих СНиП и должны служить руководством при проектировании земляного полотна железных и автомобильных дорог на участках торфяных болот, мокрых солончаков, илистых и других слабых грунтов.

«Методические указания» разработаны на основе анализа и обобщения отечественного и зарубежного опыта проектирования, строительства и эксплуатации земляного полотна железных и автомобильных дорог на участках слабых грунтов, различных исследований в области механики грунтов и оснований сооружений, изучения результатов полевых и лабораторных испытаний физико-механических свойств различных типов слабых грунтов, теоретических исследований в области устойчивости и осадок оснований из водонасыщенных сильносжимаемых грунтов, а также наблюдений на опытных объектах строящихся и эксплуатируемых железных и автомобильных дорог с различными конструкциями земляного полотна.

В «Методические указания» включены систематизированная методика оценки слабой толщи как основания насыпей и методика выбора конструкции земляного полотна железных и автомобильных дорог на участках слабых грунтов.

Методические указания подготовили кандидаты техн. наук И.И. Викторов (ЦНИИС) и В.Д. Казарновский (СоюздорНИИ), инженеры Л.И. Кузнецова, С.Г. Жорняк, В.А. Лебедев, В.С. Черешнева (ЦНИИС), Э.К. Кузахметова (СоюздорНИИ); в подготовке материалов участвовали кандидаты техн. наук А. А. Ткаченко (АЛТИ) и И.Е. Евгеньев (БелдорНИИ).

При составлении отдельных разделов использованы материалы, предоставленные инженерами Ю.Г. Саккаевым (СоюздорНИИ), Г.Г. Гришиным, Н.М. Голяковым, М.И. Шалыгиным (Омский филиал СоюздорНИИ), Е.В. Каганович (Казахский филиал СоюздорНИИ), кандидатами техн. наук Л.С. Амаряном (Калининский политехнический институт) и П.А. Дроздом (БелНИИ мелиорации и водного хозяйства), инженерами В.Р. Минкиным, Д.С. Невельсоном, Л.Л. Перковским, К.А. Шишелиным (Ленгипротранс).

Настоящие «Методические указания» одобрены Техническим управлением Министерства транспортного строительства.

Замечания и пожелания по «Методическим указаниям» просим присылать по адресу: г. Москва, И-329, Всесоюзный научно-исследовательский институт транспортного строительства или Московская обл., Балашиха, 6, СоюздорНИИ.

                                                Зам. Директора ЦНИИСа

                                                      по научной работе                      И. Наседкин

                                                Зам. директора СоюздорНИИ

                                                         по научной работе                   Н. Горелышев

                                                      Руководитель отделения

                                                земляного полотна и верхнего

                                                   строения пути ЦНИИСа              Б. Цвелодуб

Министерство транспортного строительства СССР

Ведомственные строительные нормы

Методические указания
по проектированию земляного полотна
на слабых грунтах

 

Внесены Всесоюзным научно-исследовательским институтом транспортного строительства (ЦНИИС) и Государственным Всесоюзным дорожным научно-исследовательским институтом (СоюздорНИИ)

Одобрены

Техническим управлением Министерства транспортного строительства СССР
12 октября 1966 г.

Срок введения -

1 июля 1967 г.

I. ОБЩИЕ ПОЛОЖЕНИЯ

1. ОБЛАСТЬ ПРИМЕНЕНИЯ. ОСНОВНЫЕ ПОНЯТИЯ. ОБЩИЕ ТРЕБОВАНИЯ К ПРОЕКТУ

1. Настоящими «Методическими указаниями» следует руководствоваться при проектировании земляного полотна железных и автомобильных дорог на участках распространения слабых грунтов.

2. К слабым относятся грунты, при использовании которых в качестве оснований насыпей даже минимально допустимом высоты необходимо учитывать в проекте возможность значительных деформаций основания в результате воздействия нагрузок от веса насыпи и транспорта.

3. Земляное полотно железных и автомобильных дорог на участках слабых грунтов проектируется в насыпях. Оно должно отвечать общим требованиям к конструкциям, грунтам, методам возведения, предусмотренным СНиП II-Д.1-62 «Железные дороги колеи 1524 мм общей сети. Нормы проектирования» и СНиП II-Д.5-62 «Автомобильные дороги общей сети СССР. Нормы проектирования». Кроме того, для учета деформаций основания необходимо соблюдать специальные требования, изложенные в разделе III настоящих «Методических указаний».

4. Изыскание и проектирование земляного полотна на участках слабых грунтов в общем случае проводится в две стадии:

I - составление проектного задания;

II - разработка рабочих чертежей.

На стадии проектного задания выявляются участки, где могут быть применены типовые решения и где требуется индивидуальное проектирование в соответствии с действующими СНиП II-Д.1-62 и II-Д.5-62.

На стадии разработки рабочих чертежей составляются проекты на участки, для которых необходимо индивидуальное проектирование.

5. Изыскания и проектирование особо сложных индивидуальных участков земляного полотна, требующих выполнения большого объема специальных обследований, должны проводиться в три стадии:

I - составление проектного задания;

II - разработка технического проекта;

III - рабочее проектирование.

6. Конструкция земляного полотна на участках слабых грунтов назначается на основе технико-экономических расчетов различных вариантов и их сравнения.

Для обоснования выбора конструкции земляного полотна проект должен содержать:

материалы подробного инженерно-геологического обследования грунтовой толщи на участках залегания слабых грунтов, включая данные по мощности и расположению в плане и профиле отдельных слоев и расчетным значениям физико-механических характеристик грунтов этих слоев, положения уровня грунтовых вод и т.п.;

исходные данные по проектируемой насыпи (высота и другие геометрические параметры, а также свойства грунтов, укладываемых в насыпь) и расчетные условия движения;

результаты инженерных расчетов, обосновывающие принятую конструкцию;

указания по порядку сооружения запроектированной конструкции.

7. Объем, состав и методы получения данных, необходимых для обоснования конструкции земляного полотна, так же как и методы расчетов, зависят от стадии проектирования. Рекомендации по методике инженерно-геологического обследования на участках слабых грунтов и расчета и конструирования земляного полотна на этих участках изложены в разделах II и III настоящих «Методических указаний».

2. ТИПЫ СЛАБЫХ ГРУНТОВ И ИХ КЛАССИФИКАЦИЯ

8. Слабые грунты следует разделять на следующие типы:

а) органические слабые грунты (торфы, некоторые виды сапропелей и т.п.), содержащие более 60 % по весу органических веществ;

б) органо-минеральные слабые грунты (заторфованные глины, заторфованные илы и т.п.), содержащие от 10 до 60 % органических веществ;

в) минеральные слабые грунты (илы, иольдиевые глины, переувлажненные глинистые грунты, грунты мокрых солончаков и т.п.), содержащие менее 10 % органических включений*.

* К слабым грунтам, кроме перечисленных, относятся лёссовидные просадочные грунты, плывуны и др., которые в данных «Методических указаниях» не рассматриваются.

9. Торф - своеобразное, относительно молодое геологическое образование, создающееся в результате отмирания болотной растительности при избыточном количестве влаги и недостаточном доступе воздуха. Для торфа в его естественном состоянии характерна высокая влажность - от 150 до 2900 %.

По внешнему виду он представляет собой волокнистую (при малой степени разложения растительных остатков) или аморфную (при высокой степени разложения) массу. Сухое вещество торфа состоит из не вполне разложившихся растительных остатков - растительного волокна, продуктов разложения растительных остатков - темного бесструктурного вещества (гумуса) и неорганических примесей (золы).

10. Сапропели представляют собой озерные отложения, образующиеся в водоемах в результате отмирания заселяющих их животных и растительных организмов и оседания минеральных частиц, заносимых водой и ветром.

В торфяных болотах сапропели нередко образуют придонные слои. Сапропелевые отложения могут быть в текучем состоянии (преимущественно современные озерные отложения верхних слоев), в пластичном (залегающие под торфяным пластом небольшой мощности), в полутвердом и твердом (наиболее глубокие сапропелевые отложения, подвергнувшиеся естественному уплотнению).

Объемный вес сапропелей в естественном состоянии достигает 1,2 - 1,3 г/см3. Содержание извести колеблется от 7 до 80 % (в известковых отложениях). Зольность сапропелевых отложений бывает различной в зависимости от преобладания в них органического вещества и составляет 6 - 20 %, доходя в сильноминерализованных сапропелях до 60 - 70 %.

Торфы и сапропели являются типичными представителями болотных грунтов. В состав болотных отложений входят также жидкие образования (прослои внутризалежных вод, вода со сплавиной и т.д.).

Визуальные характеристики перечисленных разновидностей болотных отложений и значения их физико-механических характеристик приводятся в табл. 1.


Таблица 1

Классификация болотных грунтов

Вид грунтов

Разновидность грунта

Природная влажность Wпр, %

Степень разложения R, %

Объемный вес скелета gск, г/см3

Коэффициент пористости e

Модуль деформации Е, кг/см2, при нагрузке р, кг/см2

Сопротивление сдвигу сусл, кг/см2, (по крыльчатке)

Визуальные признаки

0,6

1,0

1,5

Торфяные

А. Осушенный минерализованный и погребенный торф

До 300

-

0,20

< 5

2,4

2,6

2,7

0,5 - 0,3

Плотный, различных цветов

Б. Маловлажный (лесной) торф

300 - 600

> 50

0,20 - 0,15

5 - 8

2,4 - 1,8

2,6 - 2,1

2,7 - 2,5

0,3 - 0,2

Плотный: буровой наконечник погружается в болото усилием двух человек. Цвет черный или коричневый; сильно пачкает руку и при сжатии полностью продавливается сквозь пальцы. Вода совсем не отжимается. Остатки трав и мхов либо отсутствуют, либо встречаются в небольшом количестве

В. Средней влажности (лесотопяной) торф

600 - 900

50 - 30

0,15 - 0,10

8 - 14

1,8 - 1,3

2,1 - 1,7

2,5 - 2,0

0,2 - 0,15

Средняя плотность: буровой наконечник погружается усилием одного человека. Цвет темный или серо-коричневый; пачкает руку, при сжатии частично продавливается сквозь пальцы. Вода отжимается и небольшом количестве и имеет коричневый цвет. Наряду с остатками древесины встречается значительное количество остатков трав и мхов

Г. Очень влажный (топяной) торф

900 - 1300

30 - 10

0,10 - 0,06

14 - 20

1,3 - 0,9

1,7 - 1,4

2,0 - 1,8

0,15 - 0,10

Малая плотность. Буровой наконечник погружается под действием собственного веса и веса одной вытянутой руки. Моховые торфы - светлые, травяные - более темные, не пачкают руки и не продавливаются сквозь пальцы. Вода свободно в большом количестве отжимается из образца торфа и имеет желтый цвет. Древесные остатки либо совсем отсутствуют, либо попадаются изредка

Д. Избыточно-влажный

> 1300

-

0,06

20

< 0,9

< 1,4

< 1,8

< 0,1

Рыхлый, цвет от светло-коричневого до черного, иногда желтый. Отчетливо видны стебельки мхов. Прозрачная светло-желтая вода отжимается, как из губки; отжатый торф пружинит

Сапропелевые

Е. Маловлажный (плотный)

< 200

-

-

-

-

> 5,0

-

> 0,2

 

Ж. Влажный (рыхлый)

200 - 1000

-

-

-

-

5,0 - 1,2

-

0,2 - 0,05

Цвет от черного до зеленоватого. Пластичная жирная масса незначительной плотности, имеются включения неразложившихся остатков растений. Влажность высокая, возможны примеси частиц минерального грунта

Жидкие образования

З. Вода и жидкие образования

-

-

-

-

-

-

-

< 0,05

Неразложившиеся остатки трав и мхов находятся в воде во взвешенном состоянии. Жидкие образования имеют темную окраску, на горизонтальной поверхности растекаются подобно вязкой жидкости

Таблица 2

Строительная классификация морских илов

Вид ила

Модуль деформации Е, кг/см2, в зависимости от коэффициента консистенции В

Сопротивление сдвигу в природном состоянии сусл, кг/см2, в зависимости от коэффициента консистенции В

Коэффициент фильтрации Кф, см/сек, в зависимости от коэффициента консистенции В

наименование вида

число пластичности

1,0

1,5

2,0

2,5

3,0

3,5

1,0

1,5

2,0

2,5

3,0

3,5

1

2

3

Супесчаный

1 £ Wп < 7

£ 3

³ 44

³ 39

³ 36

³ 33

³ 31

³ 28

0,35

0,26

0,21

0,18

0,17

< 17

2 × 10-5

-1 × 10-4

 

³ 5

£ 40

£ 36

£ 33

£ 31

£ 29

£ 28

Суглинистый

7 £ Wп < 17

£ 11

£ 14

£ 12

£ 11

£10,5

£ 10

£ 10

0,27

0,22

0,17

0,13

0,11

< 0,11

(1 ¸ 3) × 10-6

(3 ¸ 14) × 10-6

14 × 10-6

12

16

13

12

10,5

9,5

9,5

13

23

18

14

11

9,0

8,0

³ 14

³ 40

³ 25

³ 18

³ 11

£8,0

£ 6,0

Глинистый

Wп ³17

£ 26

³ 12

³ 9

³ 5

³ 3

-

-

£ 0,13

£ 1,11

£ 0,09

£ 0,08

-

-

(0,6 ¸ 1,4) × 10-7

(3,6 ¸ 7,8) × 10-7

8 × 10-7

30

8

5

3,5

3

-

-

0,16

0,12

0,10

-

-

-

35

6,6

4

3,2

3

-

-

0,21

0,08

0,02

-

-

-

³ 44

-

£ 3,5

£ 3

£ 3

-

 

³ 0,24

³ 0,14

³ 0,12

-

-

-


11. Илами называются глинистые грунты в начальной стадии формирования, которые образовались как структурный осадок в воде при наличии микробиологических процессов и обладают в природном сложении влажностью, превышающей влажность на границе текучести, и коэффициентом пористости e > 1 для супесей и суглинков и > 1,5 для глин*.

·         СНиП II-А.10-62.

·         ** Чувствительность грунта - отношение его прочности при ненарушенном сложении к прочности при нарушенной структуре (при одинаковой плотности и влажности).

Илы в природном залегании характеризуются скрытотекучей консистенцией, наличием структурных связей и способностью к тиксотропным превращениям.

Скелет грунта состоит в основном из глинистого и карбонатного вещества. В состав глинистых фракций илов входят минералы групп монтмориллонита, гидрослюд и каолинита.

Содержание гумуса в илах колеблется от 1 до 10 %.

Классификация и средние расчетные характеристики илов приведены в табл. 2, которая составлена по материалам ВНИИОСПа.

12. Иольдиевые глины - послеледниковые четвертичные отложения, особая разновидность морских илов - распространены в северо-западных районах СССР и представлены глинами и суглинками голубого и зеленовато-серого цвета.

Физико-механические свойства верхней, более плотной части толщи мощностью 0,3 - 2,0 м, называемой коркой, отличаются от свойств подстилающих глин и характеризуются влажностью до 55 %, объемным весом скелета, превышающим 1, и величиной чувствительности**, доходящей примерно до 7.

У глин подстилающего слоя - высокая влажность (обычно более 60 %), значительно превышающая их верхний предел пластичности, скрытотекучая консистенция, объемный вес скелета в подавляющем большинстве случаев меньше 1 и чувствительность 200 - 600. Из этого следует, что для глин, залегающих под коркой, характерна резкая потеря прочности и переход в текучее состояние при механическом разрушении естественной структуры.

Ориентировочные показатели физико-механических свойств грунтов корки и подстилающих иольдиевых глин приводятся в табл. 3.

Таблица 3

Средние значения показателей физико-механических свойств иольдиевых глин

Вид грунта

Природная влажность Wпр, %

Объемный вес влажного грунта gW, г/см3

Сцепление с, кг/см2

Угол внутреннего трения j, град

Коэффициент в интервале сжимаемости нагрузок от 0 до 1, кг/см2

Коэффициент фильтрации Кф, см/сек

Сопротивление сдвигу по крыльчатке сусл, кг/см2

консолидированный сдвиг

быстрый сдвиг

Корка

19 - 55

1,75 - 2,10

до 0,6

17 - 22

8 - 16

0,07 - 0,09

-

0,25 - 0,57

Подстилающие слои глины

47 - 75

1,55 - 1,75

до 0,2

0

0

0,22 - 0,35

1 × 10-7

 

75 - 100

1,45 - 1,55

до 0,1

0

0

0,57 - 0,65

1 × 10-10

0,07 - 0,23

13. Мокрые солончаки - это солончаки, переувлажнение которых препятствует их разработке и уплотнению и часто не позволяет им служить надежным основанием земляного полотна.

Ориентировочные расчетные значения механических показателей грунтов мокрых солончаков в зависимости от их глинистости и консистенции приводятся в табл. 4, составленной на основе работ Казахского филиала СоюздорНИИ.

14. В северных и некоторых других районах Советского Союза на избыточно увлажненных участках, в частности в поймах рек, глинистые грунты следует относить к типу слабых грунтов из-за весьма низких механических характеристик.

Ориентировочные значения расчетных показателей переувлажненных глинистых грунтов в зависимости от консистенции приведены в табл. 5.


Таблица 4

Строительная классификация грунтов мокрых солончаков

Вид грунта

Сцепление грунта при природной плотности с, кг/см2, в зависимости от коэффициента консистенции В

Угол внутреннего трения при природной плотности j, град, в зависимости от коэффициента консистенции В

Модуль деформации Е в зависимости от коэффициента консистенции В

 

наименование

определяющий признак

0,5 - 0,75

0,75 - 1,0

1,0 - 1,5

1,5 - 2,0

³ 2,0

0,5 - 0,75

0,75 - 1,0

1,0 - 1,5

1,5 - 2,0

³ 2,0

0,5 - 0,75

0,75 - 1,0

1,0 - 1,5

1,5 - 2,0

³ 2,0

 

Супесчаный

1 £ Wп < 7

0,7 - 0,4

0,4 - 0,2

0,2 - 0,05

0,05 - 0,00

0,00

32 - 23

23 - 16

16 - 8

8 - 7

< 7

50 - 40

40 - 34

34 - 27

27 - 23

< 23

 

Суглинистый

7 £ Wп < 17

0,4 - 0,27

0,27 - 0,18

0,18 - 0,06

0,06 - 0,00

0,00

20 - 16

16 - 13

13 - 8

8 - 5

< 5

28 - 24

24 - 21

21 - 18

18 - 16

< 16

 

Глинистый

Wп ³ 17

0,4 - 0,27

0,27 - 0,18

0,18 - 0,06

0,06 - 0,00

0,00

20 - 16

16 - 13

13 - 8

8 - 5

< 5

28 - 24

24 - 21

21 - 18

18 - 16

< 16

 

Таблица 5

Расчетные значения показателей механических свойств переувлажненных глинистых грунтов

Вид грунта

Сцепление с, кг/см2, в зависимости от коэффициента консистенции В

Угол внутреннего трения j, град, в зависимости от коэффициента консистенции В

Модуль деформации Е, кг/см2, в зависимости от коэффициента консистенции В

Объемный вес влажного грунта gW, т/м3

наименование

определяющий признак

0,50 - 0,75

0,75 - 1,00

³ 1,0

0,50 - 0,75

0,75 - 1,00

³ 1,0

0,50 - 0,75

0,75 - 1,00

³ 1,0

0,50 - 0,75

0,75 - 1,00

³ 1,0

Супесь

1 £ Wп < 7

0,05

0,02

0,00

20

18

14

380

190

125

1,90

1,85

1,80

Суглинок

7 £ Wп < 17

0,15

0,10

0,05

17

13

10

190

125

60

1,90

1,85

1,80

Глина

Wп ³ 17

0,20

0,10

0,05

14

8

6

125

60

30

1,95

1,90

1,80

Примечание. Значения cW и jW получены при консолидированных испытаниях.


II. ОСОБЕННОСТИ ИЗЫСКАНИЯ ДОРОГ НА УЧАСТКАХ СЛАБЫХ ГРУНТОВ

1. ИНЖЕНЕРНО-ГЕОЛОГИЧЕСКОЕ ОБСЛЕДОВАНИЕ НА РАЗЛИЧНЫХ СТАДИЯХ ПРОЕКТИРОВАНИЯ

А. Стадия проектного задания

15. На стадии проектного задания осуществляются предварительное рекогносцировочное трассирование и выбор варианта трассы в натуре.

При рекогносцировочном трассировании используются данные аэрофотосъемки, картографические и другие фондовые материалы. На участках распространения слабых грунтов и торфяных болот выбирают варианты их обхода пли пересечения в наиболее узком и мелком месте с минимальными поперечными уклонами минерального дна и наименьшей мощностью слабых отложений, чтобы сократить объем строительных работ до минимума.

16. При обследовании заболоченной территории в труднодоступной местности на первой стадии подробных изысканий целесообразно использовать аэрометоды. Они позволяют значительно сократить сроки производства и трудоемкость обследований. Рекомендуется широко применять аэрофотосъемку, аэровизуальные и аэрогидрометрические наблюдения с инженерно-геологическим дешифрированием аэроснимков.

Для более точного и подробного дешифрирования характера растительности, выявления геоморфологических форм и микрорельефа обычную плановую аэросъемку целесообразно дополнить перспективной и спектрозональной цветной фотосъемками.

Порядок аэрофотосъемочных работ указан в соответствующих инструкциях.

17. При инженерно-геологическом обследовании торфяных болот или участков с минеральными слабыми грунтами производятся инженерно-геологическая съемка, проходка разведочных выработок, испытания крыльчаткой и лабораторные работы.

Основной задачей инженерно-геологического обследования является получение данных о распространении заболоченных участков, строении толщи слабых грунтов и их физико-механических свойствах, а также гидрогеологическом режиме участка.

В соответствии с этим при подробном обследовании должны быть определены:

общая мощность толщи слабых отложений, мощность и расположение ее слоев и рельеф кровли прочного грунта, подстилающего слабую толщу;

показатели состава и состояния слабого грунта (влажность, плотность, содержание органических веществ, гранулометрический состав, а для торфяных грунтов также степень разложения, зольность, ботанический состав);

сопротивляемость грунтов сдвигу в их природном состоянии с помощью крыльчаток, а также показатели сжимаемости и сдвиговые характеристики путем испытаний (выборочно) монолитов грунтов в лаборатории;

направление внутреннего и поверхностного стока в болоте, наивысший и минимальный уровень грунтовых вод.

Инженерно-геологическая съемка вдоль трассы и вариантов производится в масштабе 1:10000. Снимается полоса шириной до 300 м (по 150 м в каждую сторону). При близком расположении вариантов захватывается вся полоса варьирования. При съемке отмечается наличие кочек, характер растительности, уровень грунтовых вод, источник питания болота, его генезис и т.п.

18. Разведочные работы заключаются в проходке зондировочных и опорных скважин и шурфов.

Зондировочные скважины проходят на зондировочных (промежуточных) поперечниках с помощью бура геолога, бура Гикторфа (см. рис. 1 приложения 1) или 2-дюймового бурового комплекта без обсадки. В зависимости от конкретных условий на зондировочном поперечнике закладывается от 1 до 5 и более (при необходимости) скважин.

Опорные скважины диаметром 89 - 127 мм и шурфы проходят на опорных поперечниках, закладываемых для более детальной оценки свойств грунтов слабых слоев и подстилающей толщи.

19. На небольших по протяжению болотах или участках слабых грунтов (до 100 м) зондировочные поперечники из одной-трех скважин закладывают по конкурирующим вариантам трасс примерно через 25 м, сгущая у краев участка для более точного оконтуривания. По середине участка проходится один опорный поперечник из 3 - 5 скважин. При однородном строении слабой толщи в пределах участка допускается проходка одной опорной выработки, располагающейся по оси трассы в более глубоком месте.

На больших по протяжению болотах или участках слабых грунтов вдоль трассы (трасс) зондировочные поперечники из одной-трех скважин располагают, как правило, через 50 м. В местах резкого изменения рельефа минерального дна болота или кровли прочных пород, подстилающих толщу слабых минеральных грунтов, проходят дополнительные зондировочные скважины.

Для определения уклона дна закладываются поперечники из 3 - 5 зондировочных скважин, каждый с расстоянием между скважинами от 50 до 200 м. Опорные поперечники располагают по трассе или вариантам в местах изменения характера слабой толщи, но не реже чем через 300 - 500 м.

При проходке зондировочных скважин отбирают с различных глубин пробы грунтов с нарушенной структурой для определения показателей их состава и состояния (классификационные показатели). Количество проб, отбираемых из одной зондировочной скважины, зависит от строения слабой толщи, но должно быть, как правило, не менее одной на каждый метр слабого слоя.

В опорных выработках отбирают, кроме того, монолиты из каждого характерного слоя слабой толщи, а при большой мощности и однородности толщи - через 1 - 3 м.

Все опорные выработки на болотах и участках слабых грунтов должны быть заглублены в твердое минеральное дно не менее чем на 1,0 - 2,0 м. Зондировочные скважины заглубляются на 0,25 - 0,50 м.

20. Слои грунтов слабой толщи испытывают на сдвиг в условиях естественного залегания с помощью приборов типа крыльчатки. Сопротивляемость сдвигу замеряют на опорных поперечниках не менее чем по трем скважинам, на промежуточных поперечниках - минимум по одной скважине. Замеры по глубине производят, как правило, через 0,5 м слабой толщи, причем для каждого расчетного слоя на опорном поперечнике должно быть не менее 6 определений сопротивляемости сдвигу.

В целях получения дополнительных данных об исходных характеристиках и строении слабой толщи рекомендуется использовать методы статической или динамической пенетрации с определением сопротивления вдавливанию зонда. График изменения сопротивления вдавливанию по глубине дает возможность ясно выявить границы отдельных слоев залежи. По усилию вдавливания зонда с помощью корреляционных таблиц, составляемых для каждой генетической разновидности, можно определить величину плотности и сопротивление сдвигу торфа и других слабых грунтов.

Оборудование, рекомендуемое для практического использования при изысканиях, указано в приложении 1.

21. Монолиты слабых глинистых грунтов и илов отбирают с помощью задавливаемых грунтоносов типов Игумнова, Фурса и др.; монолиты торфов в скважинах - с помощью обуривающих или поршневых грунтоносов. Конструкции грунтоносов приведены на рис. 1 - 4 приложения 1.

Размеры монолитов, отбираемых в шурфах, должны быть не менее 10´10´10 см. Хранить и транспортировать монолиты слабых грунтов следует в жесткой герметической таре.

22. Для каждой разновидности торфяных грунтов необходимо определить естественную влажность, степень разложения торфа, ботанический состав, зольность, объемный и удельный вес, сопротивляемость сдвигу в природном состоянии (по крыльчатке), выборочно-компрессионные свойства и показатели сопротивления сдвигу в лаборатории.

Для илов и других слабых глинистых грунтов устанавливают естественную влажность, объемный и удельный вес, пределы пластичности, консистенцию, гранулометрический и минералогический состав, сопротивляемость сдвигу в природном состоянии (по крыльчатке), компрессионные свойства и показатели сопротивления сдвигу (выборочно в лаборатории), содержание органического вещества.

Для мокрых солончаков необходимо определять естественную влажность, объемный и удельный вес, пределы пластичности, степень и характер засоленности, сопротивляемость сдвигу в природном состоянии (по крыльчатке), а также компрессионные свойства и показатели сопротивления сдвигу (выборочно) в лаборатории.

Указания по методике полевых и лабораторных исследований физико-механических свойств слабых грунтов приводятся в приложении 1.

23. В результате инженерно-геологического обследования на первой стадии изысканий с полевыми и лабораторными испытаниями должна быть представлена для проектирования земляного полотна следующая основная документация:

продольные (по оси трассы) и поперечные инженерно-геологические разрезы основных трасс и вариантов, на которые наносят данные о физико-механических свойствах всех разновидностей грунтов и выделяют расчетные слои, однородные по своим инженерно-геологическим свойствам;

план местности в масштабе 1:1000 для глубоких болот и сложных участков слабых грунтов в горизонталях с нанесением изолиний равных мощностей слабой толщи, гидроизогипсов, элементов растительного покрова, предварительно намеченных границ типового и индивидуального проектирования;

ведомости значений физико-механических показателей грунтов в пределах каждого слоя;

пояснительная записка по установленной форме.

24. По лабораторным данным вычисляют производные показатели (коэффициент пористости, объемный вес скелета грунта, число пластичности, коэффициент консистенции), необходимые для уточнения классификационной группы грунта (предварительно установленной по визуальным признакам) и предварительной оценки (по табличным данным) механических показателей грунта, непосредственно используемых в расчете.

Классификационная группа (тип, вид, разновидность) грунта определяется по комплексу показателей (см. табл. 1 - 5).

Б. Стадия составления рабочих чертежей

25. На стадии составления рабочих чертежей дополнительно устанавливают в полевых и лабораторных условиях необходимые физико-механические характеристики грунтов, преимущественно на участках индивидуального проектирования и выполняют наиболее трудоемкие исследовательские работы (полевые испытания штампами, определение фильтрационных показателей и др.).

При этом учитываются все изменения проекта, возникшие в ходе проработки материалов проектного задания по замечаниям экспертизы и т.п.

26. Состав и характер дополнительных исследований устанавливаются при предварительном назначении конструкции земляного полотна на первой стадии проекта и основываются на конкретных требованиях расчета принятой конструкции.

Эти исследования включат в себя:

закладку дополнительных разведочных выработок;

отбор монолитов ненарушенной структуры из этих выработок;

лабораторные испытания преимущественно механических свойств слабых грунтов (сопротивление сдвигу и сжимаемость в условиях одноосного и трехосного сжатия, уплотнение во времени, определение коэффициента фильтрации под нагрузкой и т.п.);

определение осадок слабого основания пробной нагрузкой, коэффициентов фильтрации откачкой из скважин и шурфов, прочности грунтов в природном состоянии дополнительными испытаниями крыльчаткой и т.д.

27. Местоположение дополнительных выработок на поперечнике и места отбора образцов по глубине каждого слоя предварительно намечаются по материалам, полученным на первой стадии проектирования, с таким расчетом, чтобы значения основных показателей состава и состояния отбираемых монолитов в максимальной степени соответствовали расчетным значениям этих показателей для данного слоя на расчетных поперечниках.

Из каждого расчетного слоя слабой толщи монолиты должны быть отобраны в таком количестве, чтобы обеспечить возможность проведения всего комплекса испытаний, предусмотренных для данного слоя. При этом для проведения испытаний на компрессию и консолидацию рекомендуется отбирать столько монолитов, чтобы из них можно было получить 12 - 15 образцов. Такое же количество образцов необходимо для сдвиговых испытаний.

Методические указания по определению сдвиговых, компрессионных и консолидационных испытаний в полевых и лабораторных условиях приведены в приложении 1.

В. Трехстадийные изыскания

На I стадии выделяются участки сложного индивидуального проектирования и предварительно определяются типы оснований; на II стадии ведется детальная разведка участков и устанавливаются расчетные характеристики грунтов на каждом участке и на III - детализируется геолого-литологический разрез и дополняются данные по физико-механическим свойствам грунтов. Выполняется бурение для установки опытных приборов (марок, реперов и т.д.).

На III стадии производят также контрольное бурение для определения осадки насыпей, опытные работы по оценке степени консолидации основания и статические и динамические испытания.

2. РАСЧЕТНЫЕ ХАРАКТЕРИСТИКИ И ОБЩИЕ ПРИНЦИПЫ ИХ ОПРЕДЕЛЕНИЯ

29. Для назначения конструкции земляного полотна на участках слабых грунтов необходимо в результате инженерно-геологического обследования в общем случае получить расчетные назначения показателей механических свойств грунтов, характеризующих прочность (сопротивляемость сдвигу), деформативность (сжимаемость) и скорость уплотнения грунта во времени под статической нагрузкой.

В зависимости от цели и степени детальности расчета, определяемых стадией проекта, в расчете могут использоваться различные показатели.

Прочностные характеристики:

а) полная сопротивляемость грунта сдвигу при испытании крыльчаткой сусл, кг/см2;

б) параметры сопротивляемости грунта сдвигу в заданном состоянии его плотности и влажности:

угол внутреннего трения jW, град;

сцепление сW, кг/см2.

Характеристики деформативности:

а) модуль деформации, отвечающий проектной нагрузке, Е, кг/см2;

б) модуль осадки ер, кг/см2;

в) коэффициент уплотнения а, см2/кг;

г) коэффициент Пуассона m при расчете двухмерной задачи.

Характеристики уплотняемости грунтов во времени:

а) коэффициент консолидации Ск, см2/год;

б) показатель степени консолидации п, используемый совместно с экспериментальной кривой уплотнения во времени образца заданной высоты.

30. Механические характеристики грунтов, непосредственно входящие в расчет, следует, как правило, определять путем непосредственных испытаний грунтов в условиях природного залегания и в лаборатории.

Допускается на первой стадии проектирования для предварительных расчетов при отсутствии или недостаточности опытных данных использовать показатели расчетных характеристик, приведенных в табл. 1 - 5.

31. Перед непосредственным определением в лаборатории или по таблицам механических характеристик грунтов, слагающих слабую толщу, нужно установить следующие классификационные показатели этих грунтов (показатели состава и состояния):

влажность грунта в природном состоянии Wпр, %;

объемный вес влажного грунта gW, г/см3;

пределы пластичности (для минеральных и органо-минеральных грунтов) Wт, Wp, %;

степень разложения (для торфов) R, %;

содержание в грунте органических примесей (для торфов - зольность) q(z), %;

геоботанический состав (для торфов);

степень засоления (для грунтов мокрых солончаков), %;

удельный вес gг, г/см3.

В качестве дополнительной классификационной характеристики для неорганических слабых грунтов следует определять также гранулометрический состав.

На основе этих данных дополнительно вычисляют:

объемный вес скелета грунта gск, г/см3;

коэффициент пористости грунта в природном состоянии e0;

коэффициент консистенции (для минеральных и органо-минеральных грунтов) B;

число пластичности (для минеральных и органо-минеральных грунтов) Wп.

32. Основными классификационными показателями являются:

а) для минеральных и органо-минеральных слабых грунтов - коэффициент консистенции В и число пластичности Wп;

б) для органических слабых грунтов - природная влажность Wпр, %, и степень разложения R, %.

33. Расчетные значения основных классификационных показателей (показателей состава и состояния) для каждого предварительно выделенного литологически однородного слоя устанавливают путем статистической обработки полученных значений этих показателей.

При обработке данных по составу и состоянию грунта в пределах каждого слоя оценивается однородность данного слоя и уточняются границы однородных слоев в плане и по глубине. При этом за однородный слой принимается такой слой, в пределах которого значения основных классификационных показателей практически не выходят за рамки одной классификационной группы, определяемой табл. 1 - 5.

34. Однородность слоя оценивают путем построения графика рассеяния значений того или иного показателя (см. приложение 1, рис. 10 и 11), на который наносят границы классификационной группы. Слой считается однородным с точки зрения этого показателя, если не менее 90 % экспериментальных точек укладываются в пределах границы классификационной группы.

35. Для каждого однородного слоя устанавливают нормативное и расчетное значения каждого основного классификационного показателя, а затем и каждого показателя механических свойств.

Одновременно определяют нормативные и расчетные значения этих же показателей для отдельных расчетных поперечников, на которых отмечают более неблагоприятные значения показателей, чем средние значения для всего слоя.

36. Нормативные и расчетные значения показателей грунтов можно устанавливать упрощенным графоаналитическим способом или уточненным способом статистической обработки.

При упрощенном способе за нормативное значение характеристики принимается ее среднемедианное значение, устанавливаемое непосредственно по графику рассеяния. Расчетной характеристикой служит гарантированное значение, зависящее от числа опытных определений этой характеристики по предварительно построенной с помощью графика рассеяния интегральной кривой частоты ее отдельных значений в общем числе определений. При определении гарантированных значений следует руководствоваться графиком рис. 1.

Рис. 1. График для определения гарантированной частоты åгар в зависимости от числа определений п показателей физико-механических свойств грунтов

При применении уточненного способа обработки результатов расчетные характеристики Aр грунта определяются как произведение нормативной характеристики Ан и коэффициента однородности К, а в необходимых случаях - и коэффициента условий работы

Ар = Ан × К.                                                               (1)

При этом за нормативное значение характеристики Ан принимается ее среднеарифметическое значение, установленное при числе определений не менее 6.

Коэффициент однородности непосредственно механических характеристик грунтов (сцепление, модуль деформации и т.п.) К определяется по данным испытаний грунтов по формуле:

                                                              (2а)

где  - среднеквадратичное отклонение;

Ai - отдельные значения данной характеристики;

n - число опытных определений (не менее 6).

При определении расчетных значений природной влажности, коэффициента консистенции и числа пластичности (для минеральных и органо-минеральных грунтов) коэффициент однородности вычисляют по формуле:

                                                              (2б)

37. Коэффициент консистенции минеральных и органо-минеральных грунтов В устанавливают по формуле:

где Wпр - природная влажность грунта, %;

Wр - предел раскатывания, %;

Wп - число пластичности, %.

По величине коэффициента консистенции устанавливается консистенция грунта в соответствии со следующими данными:

                      Консистенция                          В

Полутвердая................................................ 0 - 0,25

Тугопластичная....................................... 0,25 - 0,50

Мягкопластичная.................................... 0,50 - 0,75

Текучепластичная.................................... 0,75 - 1,00

Текучая........................................................ ³ 1,0

38. Объемный вес влажного грунта определяют опытным путем. Для слоев, расположенных ниже горизонта грунтовых вод, объемный вес грунта gW допускается вычислять через значения удельного веса gг и влажности W по формуле:

Объемный вес грунта с учетом взвешивания определяют по формулам:

для связных грунтов (включая торф):

для несвязного грунта (например, грунт песчаной насыпи):

где п - пористость грунта,

gск - объемный вес скелета грунта.

39. Показатели сопротивляемости грунтов сдвигу определяют на лабораторных приборах прямого сдвига и трехосного сжатия (j и с), а также путем испытаний грунта в условиях природного залегания с помощью крыльчатки (сусл).

Сопротивляемость слабых грунтов сдвигу следует во всех случаях оценивать с учетом возможности их работы под нагрузкой от насыпи в течение того или иного времени в условиях незавершившейся консолидации.

Незавершившуюся консолидацию проще всего учесть, проводя испытания образцов по методу «плотность-влажность» (см. приложение 1, раздел 1).

Окончательный выбор расчетных значений показателей сопротивляемости грунтов сдвигу с и j надлежит производить на основе общего анализа результатов лабораторных и долевых опытов по изучению сопротивляемости сдвигу грунтов слабой толщи с обязательным учетом инженерно-геологической обстановки и наиболее вероятных условий сооружения земляного полотна.

40. Характеристики деформируемости грунтов для расчета осадок определяют из опытов на лабораторных компрессионных приборах и стабилометрах в соответствии с указаниями приложения 1, раздел 1.

Расчетную компрессионную кривую для каждого литологически однородного слоя определяют на основе средних характеристик сжимаемости образцов грунта, отобранных из этого слоя и имеющих показатели состава и состояния, близкие к расчетным значениям для данного слоя.

41. Коэффициент консолидации Ск устанавливают расчетным или опытным путем.

В первом случае его вычисляют по формуле:

где D - объемный вес воды;

а - коэффициент уплотнения, определяемый по компрессионной кривой ;

eсp - средний коэффициент пористости, равный ;

Kф - коэффициент фильтрации;

e1 - коэффициент пористости грунта до приложения дополнительного сжимающего напряжения Dp = (p2 - p1);

e2 - коэффициент пористости грунта после уплотнения его под дополнительным сжимающим напряжением.

Коэффициент фильтрации можно установить по результатам прямых испытаний на фильтрацию в лаборатории или в полевых условиях. Для ориентировочных расчетов допускается использовать табличные данные [22, 69 - 70].

Опытным путем коэффициент консолидации определяется непосредственно по данным лабораторных испытаний на консолидацию образцов грунта с ненарушенной структурой под соответствующими нагрузками и вычисляется по формуле:

где h - начальная высота образца, испытанного при одностороннем оттоке воды, или полувысота при двустороннем оттоке воды;

tстаб - время практического завершения интенсивной части деформации.

В этом случае испытание обычно ведется под нагрузкой, близкой по величине к проектной.

42. Для более полной характеристики уплотняемости грунтов во времени следует применять метод испытания образцов различной высоты или при различных условиях оттока воды из образцов. В этом случае характеристикой уплотняемости грунта во времени служат непосредственно кривая осадки во времени образца заданной высоты, а также показатель консолидации n, определяемый из формулы:

где t1 - время практической стабилизации деформации образца высотой h1 (или образца с односторонним оттоком воды);

t2 - время практической стабилизации деформации образца высотой h2 (или образца с двухсторонним оттоком воды).

Испытания следует проводить под несколькими различными нагрузками, меньшими и большими проектной.

Порядок проведения испытаний на консолидацию и обработки результатов изложен в приложении 1.

III. РАСЧЕТ И КОНСТРУИРОВАНИЕ ЗЕМЛЯНОГО ПОЛОТНА НА УЧАСТКАХ СЛАБЫХ ГРУНТОВ

1. ОБЩИЕ ПРИНЦИПЫ НАЗНАЧЕНИЯ КОНСТРУКЦИИ ЗЕМЛЯНОГО ПОЛОТНА НА УЧАСТКАХ СЛАБЫХ ГРУНТОВ

43. Конструкция земляного полотна на участках слабых грунтов может предусматривать:

а) полное удаление слабого грунта из основания насыпи и посадку ее на прочный подстилающий грунт;

б) сооружение насыпи непосредственно на слабом грунте с обоснованием конструкции и методов сооружения специальными инженерными расчетами.

Второй путь во многих случаях дает значительный экономический эффект, однако возможность применения этого решения должна быть надежно обоснована.

44. Проектирование земляного полотна на участках слабых грунтов в общем случае проводят в две стадии.

На стадии проектного задания выясняются принципиальная возможность и целесообразность использования слабого грунта в основании. Устанавливаются участки, где можно применить типовые решения и где требуется индивидуальное проектирование, в соответствии с действующими СНиП II-Д.1-62 и II-Д.5-62 и назначается конструкция земляного полотна. Конструкцию назначают на основе упрощенных методов расчета с использованием физико-механических характеристик грунтов, полученных, главным образом, непосредственно в полевых условиях, а также табличных данных (см. табл. 1 - 5) и результатов выборочных испытаний в лаборатории.

На стадии проектного задания все элементы конструкции окончательно назначают лишь в случае отказа от использования слабого грунта в основании. Если принимается решение об использовании слабого грунта в основании, то отдельные элементы конструкции, а в отдельных случаях и тип конструкции уточняют на стадии составления рабочих чертежей.

45. На стадии разработки рабочих чертежей составляют проекты на участки, для которых требуется индивидуальное проектирование. Составление индивидуальных проектов земляного полотна на участках слабых грунтов на стадии рабочего проектирования обязательно, независимо от общего установленного числа стадий проектирования дороги в целом во всех случаях, когда на стадии проектного задания выявлены принципиальная возможность и целесообразность использования слабого грунта в основании насыпи. В индивидуальном проекте уточняется конструкция земляного полотна, намеченная на стадии проектного задания, или решается вопрос о возможности применения более рациональной и более дешевой конструкции.

Выбор индивидуальной конструкции земляного полотна на участке слабых грунтов (насыпи на естественных основаниях, частичное или полное удаление слабого грунта или торфа в основании, насыпи на сланях с вертикальными песчаными дренами или дренажными прорезями в основании, с устройством берм, с посадкой на устойчивое минеральное основание и др., переход болота с помощью эстакады) должен обосновываться технико-экономическими расчетами.

При этом расчеты проводят используя более точные методы и уточненные значения механических характеристик грунтов, полученных при дополнительных испытаниях в поле и в лаборатории.

46. Проектирование особо сложных индивидуальных объектов земляного полотна, требующих выполнения большого объема специальных обследований, может проводиться в три стадии:

I - составление проектного задания;

II - разработка технического проекта;

III - рабочее проектирование.

47. При использовании слабых грунтов в основании насыпей необходимо учитывать в проекте возможность следующих видов деформаций:

а) деформаций, связанных с превышением касательными напряжениями, возникающими в основании насыпи от внешних нагрузок, прочности (сопротивляемости сдвигу) грунта основания. Указанные деформации проявляются в виде выдавливания или выпирания грунта основания в стороны, за пределы подошвы насыпи (нарушение устойчивости основания);

б) деформаций, связанных с воздействием на грунт основания нормальных (сжимающих) напряжений, которые возникают в основании от внешней нагрузки и вызывают сжатие (уплотнение) грунта и связанную с этим осадку основания - первичную (фильтрационную) и вторичную (пластическую);

в) упругих деформаций, которые возникают в результате воздействия на основание насыпи транспорта, движущегося по поверхности полотна, и вызывают при значительной их величине преждевременный износ верхнего строения пути железных дорог и дорожных одежд автомобильных дорог.

48. Для учета этих деформаций наряду с общими требованиями, предъявляемыми к земляному полотну железных и автомобильных дорог действующими СНиП, при проектировании насыпей на слабых грунтах должны быть соблюдены следующие специальные требования:

а) обеспечена устойчивость основания;

б) установлена и по мере возможности снижена величина осадки;

в) обеспечено завершение интенсивной части осадки в заданный срок;

г) исключены недопустимые упругие деформации насыпи при движении транспорта.

В задачу проектирования входит выбор наиболее рационального типа конструкции земляного полотна и методов обеспечения указанных специальных требований. Эти вопросы решаются на основе технико-экономического сравнения вариантов с учетом категории линии или автомобильной дороги, предполагаемых сроков строительства, типа основания по устойчивости, мощности слабой толщи и вида слагающих ее грунтов, уклона кровли пластов, подстилающих слабую толщу, и других инженерно-геологических условий, а также от протяженности участков со слабыми грунтами.

49. Необходимым условием, обеспечивающим возможность использования слабого грунта в основании проектируемой насыпи, является достаточная его устойчивость, в зависимости от которой следует различать три принципиальных типа оснований:

I - основания, не требующие специальных мероприятий по обеспечению устойчивости;

II - основания, для обеспечения устойчивости которых достаточно применение только мер технологического характера (соблюдение определенного режима отсыпки);

III - основания, которые требуют специальных конструктивных мер по обеспечению устойчивости (изменение конструкции насыпи или удаление слабого слоя).

Методы оценки степени устойчивости основания и определения типа основания в зависимости от устойчивости на различных стадиях проекта изложены в пп. 57 - 178 настоящего раздела.

50. Недопустимые упругие деформации при использовании слабых грунтов в основании насыпи исключаются назначением определенной толщины насыпного слоя (с учетом осадки).

Минимальные толщины насыпного слоя для железных дорог указаны в табл. 6.

Таблицa 6

Категория линий

Тип слабого основания

Минимальная толщина насыпи, м

I - II

Торфяное болото I типа

4

III

         »              »              »

3

IV

         »              »              »

2,5

I - II

Глинистые основания

3,5

III - IV

               »              »     

2,5

Минимальная толщина насыпного слоя для автомобильных дорог на участках торфяных болот устанавливается по табл. 7. В случае минеральных слабых грунтов значения, указанные в таблице, уменьшаются на 20 %, однако толщина насыпного слоя, как правило, не должна быть меньше 2 м.

Таблица 7

Начальная мощность слабого слоя

Минимальная толщина насыпного слоя в зависимости от типа одежды

капитальная

облегченная

переходная

2

2,5

2,0

1,5

4

3,0

2,5

2,0

6

4,0

3,5

3,0

8 и более

4,5

4,0

3,5

Примечание. Если слабый слой погребен под слоем прочного грунта, минимальная толщина насыпного слоя может быть соответственно уменьшена на толщину слоя прочного грунта.

51. Насыпи железных и автомобильных дорог на участках слабых грунтов, как правило, следует возводить из дренирующих грунтов.

Насыпи для железных дорог высотой 0,8 - 1,2 м должны возводиться из крупного и средней крупности песка, гравия, гальки и щебня.

При высоте насыпи над поверхностью более 1,2 м, кроме указанных грунтов, допускаются мелкие пылеватые пески, а также легкие супеси, содержащие более 50 % частиц крупнее 0,25 мм и менее 6 % глинистых частиц диаметром менее 0,005 мм.

В особых случаях, когда в районе проектируемой железнодорожной линии отсутствуют указанные грунты, могут быть использованы местные мелкие пылеватые пески и легкие супеси, содержащие менее 50 % частиц крупнее 0,25 мм, с усилением конструкции насыпи по индивидуальным проектам. Усиление конструкции заключается в проектировании насыпи высотой не менее 2,0 м, в уположении откосов, устройстве берм и придании большей плотности грунтам при коэффициенте уплотнения части насыпи, расположенной выше поверхности болота, не менее 0,95. Применение этих грунтов должно быть обосновано в проекте технико-экономическими расчетами.

Для насыпей высотой более 3 м допускаются глинистые грунты при условии устройства в основании насыпи капиллярного прерывателя из дренирующих грунтов.

Толщина слоя капиллярного прерывателя должна на 1,0 м превышать высоту капиллярного поднятия для используемого дренирующего грунта, а при обеспечении отвода воды от насыпи - на 0,5 м.

Для автомобильных дорог требования к грунтам верхней части земляного полотна определяются СНиП II-Д.5-62.

Нижнюю часть автодорожных насыпей, в особенности на торфяных болотах, рекомендуется устраивать из дренирующих грунтов в целях обеспечения устойчивости насыпи, ускорения осадки и исключения существенного нарушения режима болота.

При этом толщина слоя дренирующего грунта должна быть на 0,5 м больше расчетной величины осадки насыпи.

52. В исключительных случаях, если отсутствуют местные дренирующие грунты, допускается использовать в нижней части автодорожных насыпей глинистые грунты при соответствующих технико-экономических обоснованиях. При этом следует, как правило, предусматривать мероприятия по осушению слабой толщи.

53. Для проектирования земляного полотна на участках слабых грунтов должны быть известны следующие данные:

общая мощность слабых отложений и мощность и расположение отдельных слоев, расчетные значения физико-механических характеристик грунтов;

положение уровня грунтовых вод (с учетом возможных колебаний);

высота насыпи (рабочая отметка), ее геометрические параметры и объемный вес грунта, а также данные о других физико-механических свойствах грунта насыпи;

величина расчетной подвижной нагрузки.

54. При расчетах оснований земляного полотна железных и автомобильных дорог на участках слабых грунтов в общем случае учету подлежат усилия от веса насыпи, от верхнего строения пути (для железных дорог) и от подвижной нагрузки (в необходимых случаях).

Дополнительные усилия, возникающие в результате сейсмического воздействия, учитываются по специальным указаниям.

55. При проектировании железнодорожного земляного полотна различают три вида расчетных осевых и погонных нагрузок от воздействия локомотивов и подвижного состава (рис. 2, 3 и 4):

а) существующие нагрузки;

б) нагрузки ближайшей перспективы;

в) нагрузки отдаленной перспективы.

За максимальную скорость движения грузовых поездов в ближайшей перспективе следует принимать 100 км/ч, а рефрижераторных - 120 км/ч.

Максимальные скорости движения пассажирских поездов на отдельных ж.-д. линиях в ближайшей перспективе соответственно равны 120, 140 и 160 км/ч и в отдаленной перспективе - 200 - 250 км/ч.

Расчеты следует вести на нагрузки и скорости движения, планируемые на ближайшую перспективу.

Рекомендуется также проводить контрольные расчеты на нагрузки отдаленной перспективы. В этих расчетах используются характеристики грунтов основания, отвечающие состоянию их полного уплотнения под нагрузкой от веса насыпи.

Учет подвижной нагрузки осуществляется в соответствии с указаниями п. 62.

56. При проектировании земляного полотна автомобильных дорог подвижную нагрузку следует учитывать при расчете устойчивости, а также при расчете конечной величины осадки в том случае, когда полная толщина насыпного слоя (высота насыпи и осадка), определенная без учета подвижной нагрузки, оказывается менее 2,5 м, что практически может иметь место только при проектировании дорог с переходными типами покрытий (IV - V категорий).

Учет подвижной нагрузки осуществляется путем введения в расчет увеличенной высоты насыпи в соответствии с указаниями п. 62.

Рис. 2. Расчетные нагрузки электровозов

Рис. 3. Расчетные нагрузки тепловозов

Рис. 4. Расчетные нагрузки подвижного состава

2. РАСЧЕТ И КОНСТРУИРОВАНИЕ НА СТАДИИ ПРОЕКТНОГО ЗАДАНИЯ

А. Общие положения

57. Основной задачей первой стадии проектирования является выяснение возможности использования на рассматриваемых участках слабой толщи грунта в качестве основания насыпи без удаления или с удалением какого-либо из слагающих ее слоев; выявление мест, где могут применяться типовые решения и где требуется индивидуальное проектирование; определение объема и стоимости работ в соответствии с действующими нормам СНиП II-Д.1-62 и СНиП II-Д.5-62.

58. Возможность использования слабой толщи в качестве основания устанавливается по степени ее устойчивости, характеризуемой величиной коэффициента безопасности, для определения которого необходимо провести расчет осадки и устойчивости (пп. 60 - 74).

По величине коэффициента безопасности устанавливаются тип основания в соответствии с указаниями п. 71 и группа возможных конструктивных и технологических решений, отвечающих этому типу.

59. Для проведения расчетов предварительно выделяют характерные участки с примерно одинаковыми инженерно-геологическими условиями и намечают расчетные поперечники.

За расчетные принимают те из поперечников с одинаковым геологическим строением слабой толщи, для которых установлены наиболее низкие расчетные значения физико-механических характеристик того или иного слоя. Кроме того, рассматривают поперечники с максимальной общей мощностью слабой толщи, максимальной мощностью наиболее слабого слоя (или слоев), максимальной высотой насыпи.

При этом учитываются также условия расположения наиболее слабых слоев. При наличии значительного уклона кровли подстилающих слабую толщу прочных грунтов в число расчетных поперечников включают и поперечники с максимальной величиной уклона поверхности этой кровли.

Б. Расчет и классификация оснований

60. Для оценки деформаций, которые могут возникнуть при возведении насыпи типового профиля на слабой толще без применения специальных конструктивных мер, требуется провести следующие расчеты:

а) определить величину конечной осадки, задавшись требуемой высотой насыпи в предположении обеспеченной устойчивости основания;

б) проверить устойчивость основания;

в) определить тип основания в зависимости от устойчивости.

а) Расчет осадки

61. Величина осадки S, м, на первой стадии проектирования ориентировочно определяется по формуле:

                                                     (3)

где Е - модуль деформации слабой толщи, т/м2;

gн - объемный вес грунта насыпи, т/м3;

Hрасч - расчетная мощность слабой толщи, м; устанавливается по табл. 8;

hрасч - расчетная высота насыпи, м;

 - объемный вес грунта насыпи ниже уровня грунтовых вод, т/м3;

hг.в - расстояние от поверхности земли до горизонта грунтовых вод.

Расчетная высота насыпи hрасч определяется по формуле:

hрасч = h + hв + hп,

где hп - толщина условного слоя грунта, эквивалентного по воздействию на подошву насыпи подвижной нагрузке;

hв - толщина условного слоя грунта, заменяющего вес верхнего строения (для железных дорог), принимается равной 0,7 м;

h - высота насыпи (рабочая отметка).

Величина hп определяется по формуле:

где рп - величина расчетных напряжений в подошве насыпи от временной нагрузки, т/м2.

62. Для расчета на первой стадии принимаются следующие значения напряжений от временной нагрузки в зависимости от категории железных дорог:

Категория железных дорог  рп, кг/см2

I и II                                                  0

III                                                       0,1

IV                                                      0,12

Для автомобильных дорог рп вводится в расчет осадки лишь в том случае, если общая толщина насыпи или толщина насыпи и слоя прочного грунта, перекрывающего слабый слой, оказывается меньше 2,5 м, что практически (см. табл. 7) может иметь место лишь на дорогах IV - V категорий с переходными типами одежд. В этих случаях предварительно осадку S¢ оценивают по формуле (3) без учета рп, и, если оказывается, что h + S¢ < 2,5 м, расчет проводят снова, вводя значения рп, определяемые в зависимости от величины h + S, полученной по формуле:

рп = 0,2[2,5 - (h + S¢)], кг/см2,

где S¢, м, вычисляется без учета подвижной нагрузки по формуле (3).

63. При отсутствии грунтовых вод или при их глубоком залегании, а также в случае, когда осадка, вычисленная по формуле (3), окажется меньше hг.в, для определения осадки применяется формула:

                                                          (4)

64. Если горизонт грунтовых вод совпадает с поверхностью земли, для расчета осадки применяют формулу (3) в виде:

                                                        (5)

65. При слоистом строении слабой толщи модуль деформации толщи в целом определяется по формуле:

где Еi - модуль деформации i-го слоя;

Hi - мощность i-го слоя.

В расчет принимаются лишь слои, расположенные в пределах расчетной мощности слабой толщи, величина которой определяется в соответствии с указаниями п. 66.

66. Расчетная мощность слабой толщи принимается по табл. 8 в зависимости от отношения фактической мощности слабой толщи к полуширине насыпи по средней линии bср:

Таблица 8

Hрасч

< 1,5

Hфакт

От 1,5 до 2,0

0,9Hфакт + 0,05bср

От 2,0 до 4,5

0,4Hфакт + bср

более 4,5

0,18Hфакт + bср

б) Расчет устойчивости основания

67. Устойчивость основания оценивается по величине коэффициента безопасности.

Коэффициент безопасности для толщи (основания) в целом определяется минимальным значением коэффициентов стабильности, установленных для слагающих ее слоев .

Коэффициент стабильности для какого-либо слоя толщи определяется как отношение величины безопасной нагрузки pбез к проектной (расчетной) нагрузке ррасч:

                                                              (6)

Под безопасной нагрузкой для слоя понимается максимальная нагрузка на поверхности толщи, при которой в рассматриваемом слое еще не возникают зоны предельного равновесия.

Безопасная нагрузка определяется для каждого слоя толщи по формуле:

                                                              (7)

где сусл - сопротивляемость сдвигу слоя грунта, определенная с помощью прибора лопастного типа в условиях природного залегания;

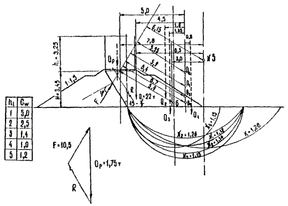
b0 - некоторая функция проектного очертания насыпи, характеризуемого отношением 2a/B и относительной глубины расположения слоя V, определяемая по графику рис. 5.

За расчетное значение функции b0 для данного слоя принимается ее максимальное значение в пределах этого слоя.

В тех случаях, когда отсутствуют данные испытаний лопастными приборами и используются табличные данные по сопротивляемости грунтов сдвигу в условиях консолидированных испытаний, необходимо в формулу (7) вместо сусл подставлять величину сцепления, взятую из табл. 1 - 5, полагая j = 0°.

68. Величина расчетной действующей нагрузки определяется для двух возможных вариантов возведения насыпи:

а) при быстрой отсыпке насыпи с запасом на осадку, когда темп отсыпки опережает скорость осадки, в связи с чем не успевает проявиться эффект взвешивания нижней части насыпи:

ррасч = gн(hрасч + S);                                                         (8)

б) при медленной отсыпке насыпи, когда интенсивность отсыпки соответствует скорости осадки и эффект взвешивания успевает проявиться:

                                          (9)

где gн - объемный вес грунта насыпи;

 - то же ниже уровня грунтовых вод;

hг.в - расстояние от поверхности грунта до горизонта грунтовых вод;

hрасч - расчетная высота насыпи.

Рис. 5. График функции b при j = 0°:

1 - 2a/B = 10,0; 2 - 2a/B = 3,0; 3 - 2а/B = 1; 4 - 2a/B = 0,6; 5 - 2a/B = 0,2

Величина hрасч устанавливается в соответствии с формулой (3) (п. 61). При этом для автомобильных дорог величина рп, определяющая толщину условного слоя, эквивалентного по воздействию подвижной нагрузке, принимается равной:

При ширине земляного полотна, м                 10        12        15

рп, кг/см2............................................................ 0,12     0,10     0,08

69. Если уровень грунтовых вод сильно колеблется, за расчетную величину hг.в в формуле (9) необходимо принимать ее наибольшие значения (наиболее низкое положение грунтовых вод).

70. В соответствии с двумя возможными схемами сооружения насыпи определяют:

а) коэффициент безопасности при быстрой отсыпке насыпи ;

б) коэффициент безопасности при медленной отсыпке насыпи, .

При определении на I стадии проектирования коэффициента безопасности при медленной отсыпке насыпи повышение несущей способности основания в результате консолидации грунта не учитывается.

в) Определение типа основания в зависимости от устойчивости

71. В зависимости от величины коэффициентов безопасности, определенных для условии быстрой и медленной отсыпки, основание (в целом) относят к одному из трех типов в соответствии с табл. 9.

К I типу слабая толща относится в том случае, когда коэффициент безопасности при быстрой отсыпке насыпи больше или равен 1, т.е. имеется возможность использовать слабую толщу в качестве основания насыпи проектируемой высоты, не опасаясь нарушения устойчивости. Окончательно конструкцию и метод сооружения принимают с учетом результатов дополнительных лабораторных испытаний грунтов на компрессию и консолидацию и соответствующих расчетов, которые осуществляются на второй стадии проектирования.

К типу IIA слабую толщу можно отнести в том случае, когда коэффициент безопасности при быстрой отсыпке меньше 1, но при медленной отсыпке больше или равен 1. Тогда слабую толщу можно использовать в качестве основания, назначая определенный режим отсыпки, что входит в задачу второй стадии проектирования, на которой окончательно решается вопрос о конструкции и методе сооружения.

К типу IIБ слабую толщу относят в том случае, когда значение коэффициента устойчивости при расчете на медленную отсыпку оказывается в пределах от 0,99 до 0,20. Тогда вопрос о возможности использования слабого грунта в основании, а также о конструкции и методах сооружения насыпи решается на второй стадии проектирования на основе данных лабораторных испытаний и расчетов.

Таблица 9

Типы слабых оснований

Тип оснований

Определяющий признак

Характеристика устойчивости

Преобладающие деформации грунта наиболее опасного слоя

Возможность использования слабой толщи в качестве основания

I

Устойчивость обеспечена при любой скорости отсыпки насыпи

Сжатие

Можно использовать в качестве основания

IIА

Устойчивость при быстрой отсыпке не обеспечена, но обеспечена при медленной отсыпке

При быстрой отсыпке - сдвиг (выдавливание, выпор), при медленной - сжатие

Можно использовать в качестве основания при условии медленной отсыпки

IIБ

Для окончательного суждения о степени устойчивости необходимы лабораторные испытания

-

-

III

Устойчивость не может быть обеспечена ни при какой степени и консолидации

Сдвиг (выдавливание, выпор)

В качестве основания использовать нельзя (необходимо удалить слабый слой)

Примечание. На первой стадии проектирования при определении  повышение сопротивляемости сдвигу в процессе уплотнения грунта основания под нагрузкой от веса насыпи не учитывается.

При разработке окончательной конструкции и методов сооружения насыпей на основаниях типов IIА, IIБ необходимо, кроме компрессионных и консолидационных, проводить сдвиговые лабораторные испытания (приложение 1).

К III типу толщу относят в том случае, если коэффициент безопасности даже при расчете на медленную отсыпку не превышает 0,2. В этом случае практически обычно невозможно обеспечить достаточную устойчивость основания и необходимо удалить слабый грунт (полностью или наиболее слабый слой) или изменить конструкцию насыпи.

72. При проектировании насыпей высотой до 3 м на торфяных болотах глубиной до 4 м без проведения испытаний грунтов лопастными приборами допускается устанавливать тип основания путем предварительного определения типа болота простейшими способами (визуально, по влажности и т.п.). Болота следует классифицировать в соответствии с табл. 10.

Таблица 10

Строительная классификация торфяных болот

Тип болота

Характер деформации

Группа слагающих пластов*

Характеристика

I

А. Сжатие

А, Г

Болота, до дна заполненные пластами болотных грунтов, преимущественно сжимающимися под воздействием нагрузки от насыпи типового поперечного профиля

Б. Сжатие при обеспечении режима отсыпки

А - Е (обязательно Б, В, Д)

II

Сжатие и выдавливание

А - З (обязательно З или Ж)

Болота, до дна заполненные пластами болотных грунтов, как сжимающимися, так и выдавливающимися под воздействием нагрузки от насыпи

III

Выдавливание

Практически только З и Ж

Болота, заполненные пластами болотных грунтов, полностью выдавливающимися под воздействием нагрузки от насыпи и покрытые сплавиной или без нее

* Наименования групп приведены в табл. 1.

73. При использовании классификации болот для определения типа основания следует болота типа IA относить к первому типу оснований, болота типа IБ - ко второму типу оснований, а болота II и III типов - к третьему типу оснований.


Таблица 11

Классификация мокрых солончаков

Типы мокрых солончаков

Характеристика

Коэффициент консистенции В

Степень засоления, %

Пределы изменения сдвиговых характеристик

Пределы изменения показателей сжимаемости

при хлоридном и сульфатно-хлоридном засолении

при хлоридно-сульфатном засолении

сцепление с, кг/см2

угол внутреннего трения j, град

коэффициент компрессии а, см2/кг, при р = 0,5 - 1,0, кг/см2

относительные деформации ер, мм/м

Солончаки глубокого переувлажнения

А. При возведении насыпей высотой до 3 м мероприятий по обеспечению устойчивости не требуется. Верхний более сухой слой в определенные периоды года можно использовать в качестве материала для возведения насыпи

0,50 - 1,50

2,0 - 7,5

1,5 - 4,0

0,15 - 0,40

10 - 25

0,010 - 0,100

10 - 30

Б. При использовании в качестве основания насыпи во всех случаях требуется проверка устойчивости и при необходимости - мероприятия по обеспечению устойчивости основания

1,50 - 4,00

4,0 - 9,2

2,5 - 5,5

0,00 - 0,15

5 - 15

0,060 - 0,150

30 - 70

Солончаки поверхностного переувлажнения

Слабый переувлажненный слой мощностью 0,3 - 1,0 м подстилается более прочным грунтом, могущим служить надежным основанием

верхний слой

1,50 - 4,00

3,0 - 7,5

2,0 - 4,0

0,00 - 0,15

5 - 10

0,100 - 0,150

30 - 70

нижележащий слой

0,25 - 0,50

2,0 - 4,0

1,0 - 2,5

0,40 - 0,75

25 - 45

0,006 - 0,030

5 - 10


74. При проектировании насыпей высотой до 3 м на мокрых солончаках тип основания ориентировочно может быть установлен по типу солончака. Тип солончака определяется в соответствии с классификацией, представленной в табл. 11.

Солончаки типа IA следует относить к первому типу оснований, солончаки типов IБ и II - ко второму типу оснований.

В. Выбор вариантов конструктивных решений

а) Общие положения

75. В зависимости от типа основания сравниваются по технико-экономическим показателям различные варианты конструктивных решений. При этом рассматривается вопрос о применении типовых конструкций или о необходимости индивидуального решения.

В зависимости от типа основания по устойчивости сопоставляются следующие варианты:

Основания I типа

Насыпи, возведенные непосредственно на естественном основании (слабой толще) без дополнительных мероприятий.

Насыпи, сооружаемые на слабой толще с дополнительными мероприятиями по ускорению осадки:

а) насыпи с временной пригрузкой;

б) устройство вертикальных песчаных дрен и дренажных прорезей;

в) частичное удаление слабого грунта.

Насыпи с полным удалением слабого грунта (механическим, гидромеханическим или взрывным способом).

Основания II типа

Применимы те же решения, что и при основаниях I типа. В тех случаях, когда слабый грунт полностью или частично используется в качестве основания насыпи, необходимо предусматривать специальные технологические или конструктивные мероприятия по обеспечению устойчивости основания.

Технологическим мероприятием этого рода является возведение насыпи с определенной интенсивностью, обеспечивающей предварительную консолидацию грунта основания.

Конструктивными мероприятиями могут быть:

уположение откосов насыпи;

сооружение насыпи с пригрузочными бермами;

частичное удаление слабого грунта;

сооружение легких насыпей;

насыпи на сланях;

насыпи на сваях.

Основания III типа

В качестве вариантов решения должны быть рассмотрены:

а) посадка насыпи на прочный грунт или удаление наиболее слабого слоя путем выдавливания слабого грунта в стороны весом насыпи;

б) посадка насыпи на прочный грунт с применением взрывов под насыпью.

76. При использовании метода отдавливания слабого грунта насыпью толщина насыпного слоя, необходимого для отдавливания слабого грунта из-под насыпи, ориентировочно может быть определена по формуле:

                                                    (10)

где cW - расчетная величина сцепления грунта основания;

jW - угол внутреннего трения грунта основания;

gн - объемный вес грунта насыпи;

bср - полуширина насыпи по средней линии;

Н - мощность слабого слоя.

Толщина насыпного слоя во всех случаях не должна быть меньше:

                                                      (11)

Если для расчета используются результаты испытания грунта крыльчаткой, необходимо вместо формул (10) и (11) применять соответственно формулы (12) и (13):

                                                              (12)

                                                            (13)

где сусл - величина сопротивляемости грунта сдвигу, определенной с помощью крыльчатки.

Учитывая уплотнение слабого грунта и снижение его влажности в процессе возведения насыпи, рекомендуется периодически контролировать величину сусл путем испытания крыльчаткой и вносить соответствующие поправки в расчет.

б) Типовые конструкции земляного полотна

77. В процессе проектирования на первой стадии выделяются участки с определенными условиями, позволяющими применять типовые решения.

Типовые конструкции и условия их применения приведены в пп. 78 - 118.

При применении типовых конструкции следует учитывать, что во всех случаях, когда конструкция предусматривает использование слабого грунта в основании, ряд элементов конструкции требует определения расчетом, т.е. привязки к местным условиям (величина осадки, количество дрен и т.д.).

Железнодорожное земляное полотно на торфяных болотах

78. На болотах I и III типов глубиной до 4 м и II типа глубиной до 3 м при соблюдении указанных ниже требований насыпи проектируются по типовым поперечным профилям.

79. Типовые профили применяются для линий I, II и III категорий (рис. 6 - 11).

На поперечниках, представленных на рис. 6 и 7, форма траншеи выторфовывания изменена по сравнению с типовой [2]. Изменение принято для возможности механизации работ.

80. При больших уклонах минерального дна, а также в случае отсыпки насыпи в воду при поперечном уклоне дна водоема круче 1:10 в непроточной воде и 1:20 при наличии течения подготовка основания ведется по индивидуальному проекту.

При этом должно быть предусмотрено устройство уступов в основании с предварительным удалением торфа или ила, а в необходимых случаях - устройство контрбанкетов из камня, присыпка низководных берм или другие меры, обеспечивающие устойчивость насыпи; при возможности заиливания дренирующих грунтов в основании насыпи предусматривается отсыпка нижней части из камня.

81. Ширина основной площадки насыпей на болотах в пределах прямых участков на перегонах принимается в зависимости от категории дороги и вида грунта насыпи с расчетом обеспечения, требуемых согласно табл. 12 норм после полной осадки.

Рис. 6. Насыпь из дренирующего грунта высотой 0,8 - 2,0 м на болотах I типа глубиной до 2,0 м с погружением на минеральное дно при поперечном уклоне основания не круче 1:10 на линиях I и II категорий.

Примечания. 1. hсп - высота сливной призмы 0,15 м плюс разность толщин балластного слоя на данной насыпи и на смежных с ней участках земляного полотна из недренирующих грунтов.

2. Возведение насыпи из мелких непылеватых песков и из супесей с содержанием более 50 % частиц крупнее 0,25 мм допускается при высоте насыпи свыше 1,2 м, при этом ширина и конструкция основной площадки принимается как для глинистых грунтов (см. рис. 10).

Ширина земляного полотна на линиях III и IV категорий принимается соответственно 6,0 и 5,5 м.

Рис. 7. Насыпь из дренирующего грунта высотой 1,2 - 3,0 м на болотах I типа глубиной до 4 м с частичным выторфовыванием при поперечном уклоне минерального дна болота не круче 1:10 на линиях I и II категорий.

Примечания. 1. При глубине болота до 2 м данный тип насыпи применяется в случае экономической целесообразности вместо приведенного на рис. 6.

2. Величина осадки насыпи S определяется на основании расчетов с использованием данных о модуле сжимаемости торфа.

Для предварительных расчетов величина S принимается равной 25 % от толщины обжимаемого слоя торфа под насыпью y.

3. При возведении насыпи из мелких непылеватых песков и из супесей с содержанием более 50 % частиц крупнее 0,25 мм и до 6 % глинистых частиц диаметром менее 0,005 мм ширина и конструкция основной площадки принимается как для глинистых грунтов (см. рис. 10).

Высота насыпи h над поверхностью болота, м

1,2 ¸ 4,5

1,5 ¸ 2,0

2,0 ¸ 2,5

2,5 ¸ 3,0

Глубина выторфовывания V, м

2,0

1,5

1,0

0,5*

* Снятие растительно-корневого слоя.

Рис. 8. Насыпь из дренирующего грунта высотой более 3 м на болоте I типа глубиной до 4 м без выторфовывания при поперечном уклоне минерального дна болота не круче 1:10 на линиях I и II категорий.

Примечания. 1. При глубине болота или высоте насыпи более 4 м величина осадки основания насыпи S устанавливается индивидуальным проектом.

2. Величину осадки S, ширину и конструкцию основной площадки определяют в соответствии с пп. 2 - 3 примечания к рис. 7.

Толщина обжимаемого слоя торфа под насыпью, м

S в % от толщины обжимаемого слоя торфа при высоте насыпи h = 3 - 4 м

до 2

60

от 2 до 4

50 - 60

Рис. 9. Насыпь из глинистых грунтов высотой более 3 м на болоте I типа глубиной до 4 м без выторфовывания при поперечном уклоне минерального дна болота не круче 1:10.

Примечания. 1. Данный тип насыпи применяется в случае технико-экономической целесообразности вместо типа, приведенного на рис. 8.

2. Значение Z равно высоте капиллярного поднятия для используемого дренирующего грунта плюс 1,0 м, а при обеспечении отвода воды от насыпи плюс 0,5 м.

3. Величина осадки насыпи S определяется аналогично п. 2 примечания к рис. 7.

4. При высоте насыпи от 6 до 12 м крутизна откосов принимается: верхних 6 м - 1:1,5, ниже - 1:2.

Таблица 12

Категория линий

Число путей

Ширина земляного полотна новых линий на болотах в пределах прямых участков пути, м, в зависимости от вида грунтов

грунты скальные, крупно-обломочные и песчаные (кроме легких и пылеватых песков)

все остальные

I

2

10,1

11,1

I и II

1

6,6

7

III

1

6,0

6,0

IV

1

5,5

5,8

Рис. 10. Насыпь из дренирующих грунтов высотой более 0,8 м на болотах глубиной до 3,0 м с погружением на минеральное дно болота при поперечном уклоне основания не круче 1:15

Примечания. 1. В основании насыпи на всю ширину ее производится вырезка растительно-корневого покрова и торфяной залежи устойчивой консистенции.

2. Возведение насыпи из мелких непылеватых песков, из супесей с содержанием более 50 % частиц диаметром крупнее 0,25 мм допускается при высоте насыпи свыше 1,2 м; при этом ширина и конструкция основной площадки насыпи принимается как для глинистых грунтов (см. рис. 10).

3. Торфоприемники устраивают глубиной а на всю толщину растительно-корневого слоя, но не менее 1.

4. Поперечный профиль дан для насыпи из песков крупных и средней крупности. При возведении насыпи из песков с углом естественного откоса меньше 34° откосы насыпи соответственно уполаживаются.

5. На линиях III и IV категорий ширина насыпи принимается 6,0 и 5,5 м.

82. В случае, если при назначении запаса на осадку, равного Sрасч, временно недопустимо искажается продольный профиль, пока осадка Sрасч не произошла, устанавливают лишь допустимую величину запаса Sдоп и расширяют основную площадку, чтобы ее осадку на величину Sрасч - Sдоп можно было компенсировать подъемкой пути на балласт.

83. Высота насыпи над поверхностью болота I типа должна приниматься следующей:

а) при полном удалении торфа - не менее 0,8 м (полное выторфовывание рекомендуется производить при глубине болота менее 2 м);

б) при частичном выторфовывании - не менее 1,2 м;

в) без выторфовывания на линиях I и II категорий - более 3 м, III категории - 2,0 м и IV категории - 1,5 м;

Рис. 11. Насыпь из дренирующих грунтов высотой более 0,8 м на болотах III типа глубиной до 4 м с погружением на минеральное дно болота с предварительным удалением плавающей торфяной корки при поперечном уклоне основания не круче 1:20.

Примечания. 1. При возведении насыпи с погружением на минеральное дно болота без удаления торфяной корки слой насыпного грунта над коркой должен быть не менее 3 м. В этом случае вдоль подошвы откоса насыпи следует предусматривать устройство продольных прорезов на всю толщину растительно-корневого слоя.

2. При возведении насыпи дренирующими грунтами, обладающими углом естественного откоса меньше 30° для сухих песков и 26° под водой, откосы проектируются с соответствующим уположением. При грунтах с коэффициентом фильтрации менее 3 м/сутки ширина и конструкция сливной призмы принимается как для глинистых грунтов (см. рис. 10).

3. Ширина бермы bб принимается: 1 м - при глубине болота до 3; 2 - при глубине более 3 м.

4. На линиях III н IV категорий ширина земляного полотна принимается 6,0 и 5,5 м.

Грунты насыпи

Крутизна откосов подводной части насыпи 1:m

Крутизна откосов надводной части насыпи 1:n

Песок мелкий

1:2

1:1,75

Песок крупный и средней крупности

1:1,75

1:1,5

Гравий, галька, щебень и камень слабовыветривающихся пород

1:1,5

1:1,5

г) возможность возведения насыпи без выторфовывания при высоте менее 3 м для линий I и II категорий должна быть обоснована проектом;

д) при затопляемом болоте бровку насыпи следует возводить над горизонтом затопления на высоту не менее 1 м;

е) высота должна удовлетворять требованиям пп. 2, 7 СНиП II-Д.1-62.

84. При возведении насыпей на болотах I типа без выторфовывания у подошвы насыпи с обеих сторон устраивают продольные прорези на всю глубину растительного корневого слоя, но не менее 1 м.

85. Глубина выторфовывания на болоте I типа ориентировочно определяется по табл. 13.

Таблица 13

Высота насыпи над поверхностью болота h, м

1,2 ¸ 1,5

1,6 ¸ 2,0

2,0 ¸ 2,5

2,5 ¸ 3,0

Глубина выторфовывания, м

2,0

1,5

1,0

0,5*

* Снятие растительно-корневого слоя.

Во всех случаях выторфовывания необходимо производить технико-экономическое сравнение этих решений с вариантами возведения насыпи высотой 3 м и более без выторфовывания.

86. Величина осадки насыпи на болоте I типа определяется на основании расчетов с использованием данных о сжимаемости торфа (компрессионных испытаний) в соответствии с пп. 123 - 131.

Для предварительных расчетов величины осадки насыпи высотой до 4 м на болотах глубиной до 4 м могут быть использованы данные табл. 14.

Таблица 14

Толщина обжимаемого слоя торфа под насыпью, м

Осадка в % от толщины обжимаемого слоя торфа при высоте насыпи 3 - 4 м

До 2

60

От 2 до 4

50 - 60

87. При сооружении насыпей на болотах I типа с полным или частичным выторфовыванием профиль траншеи назначается в зависимости от ее глубины и способа работ по выторфовыванию. Объем земляных работ подсчитывают по принятым в проекте профилям выторфовывания с учетом величины осадки насыпи (см. рис. 6 и 7).

88. Объем земляных работ за счет осадки основания при сооружении насыпей на болотах I типа без выторфовывания подсчитывают по площади поперечного сечения, схематически изображенного на рис. 8 и 9.

89. При отсыпке насыпи на болотах I типа в тех случаях, когда можно обеспечить отвод поверхностных вод, необходимо с обеих сторон насыпи устраивать водоотводные канавы шириной по дну не менее 0,8 м и глубиной не менее 0,8 м.

90. На болотах II типа глубиной до 3 м насыпи независимо от их высоты должны быть посажены на минеральное дно (см. рис. 10).

При этом возвышение бровки насыпи над уровнем болота должно быть не менее 0,8 м.

91. Для ускорения выдавливания слабого торфа следует с обеих сторон насыпи устраивать канавы и торфоприемники шириной 2 м и глубиной на всю толщину растительно-корневого слоя, но не менее 1 м.

92. На болотах II типа в лесных районах на железных дорогах III и IV категорий вместо посадки насыпей на минеральное дно разрешается возведение насыпей на сланях при условии постоянного нахождения сланей ниже уровня воды в болотах. Конструкция сланей устанавливается проектом.

Высота насыпи над сланями должна быть не менее 2 м. Применение сланей для первого пути предопределит в дальнейшем устройство второго пути на раздельном полотне.

93. Необходимо, чтобы насыпи на болотах III типа были посажены на минеральное дно болота вместе с плавающей торфяной коркой или после ее удаления (см. рис. 11).

Если оставлена торфяная корка-сплавина, слой насыпного грунта над ней должен составлять не менее 3 м.

Крутизна откосов надводной и подводной частей насыпи на болоте III типа назначается по табл. 15.

Таблица 15

Грунт насыпей

Крутизна откосов подводной части насыпи 1:m

Крутизна откосов надводной части насыпи 1:m

Песок мелкий

1:2

1:1,75

Песок крупный и средней крупности

1:1,75

1:1,5

Гравий, галька, щебень и камень соответствующих пород

1:1,5

1:1,5

Рис. 12. Насыпь из дренирующих грунтов высотой до 3 м на болотах I типа глубиной до 1 м.

Примечания. 1. Вдоль насыпи устраивается продольная осушительно-водоотводная канава при возможности обеспечения продольного уклона не менее 0,001. При мощности торфа более 0,8 м глубина канавы должна приниматься не менее толщины слоя торфа.

2. Торф вырезается до минерального дна болота на всю ширину присыпаемой части насыпи, но не менее 4 м и удаляется за пределы территории работ, либо применяются противопожарные мероприятия во избежание его возгорания.

3. На засыпаемом песчаном откосе насыпи растительность подлежит срезке и удалению.

Рис. 13. Насыпь из дренирующих грунтов высотой до 3 м на болотах I типа глубиной до 4 м.

Примечания. 1. Вдоль насыпи устраивается осушительно-водоотводная канава при возможности обеспечения отвода поверхностных вод по условиям рельефа местности.

2. Торф вырезается на всю ширину присыпаемой части насыпи, но не менее 4 м. Глубина выторфовывания под второй путь определяется по данным инженерно-геологического обследования. Ориентировочно глубину выторфовывания можно принимать равной половине фактической осадки насыпи по оси существующего первого пути. Оставшийся под насыпью торф уплотняется ее весом. Выторфовывание следует производить посекционно - отдельными участками длиной 20 - 100 м в зависимости от мощности, плотности и устойчивости торфа.

3. Вырезанный торф при наличии угрозы возгорания удаляется за пределы территории работ либо применяются противопожарные мероприятии.

4. На засыпаемом песчаном откосе насыпи растительность подлежит срезке и удалению.

Рис. 14. Насыпь из дренирующих грунтов высотой 3 - 12 м на болотах I типа глубиной до 4 м.

Примечания. 1. Вдоль насыпи устраивается продольная осушительно-водоотводная канава при возможности обеспечения продольного уклона не менее 0,001 м.

2. На засыпаемом песчаном откосе насыпи растительность подлежит срезке и удалению.

3. Для ускорения осадки торфа производится удаление растительно-корневого слоя на всю ширину присыпаемой части насыпи или у подошвы откоса проектируемой части насыпи устраивается продольный прорез на всю глубину растительно-корневого слоя.

4. Для насыпи высотой более 5,0 м требуется провести расчеты устойчивости основания.

Рис. 15. Насыпь из дренирующих грунтов высотой 0,8 - 12 м на болотах III типа глубиной до 4 м.

Примечания. 1. Насыпь из недренирующего грунта, а также из мелких непылеватых песков, отвечающих требованиям дренирующего грунта, проектируется индивидуально, при этом обязательно устройство бермы в связи с неизбежным уположением откоса в подводной части насыпи от динамического воздействия проходящих по ней поездов.

2. Торфяная корка вырезается на всю ширину присыпаемой части насыпи. Насыпь погружается до минерального дна болота.

3. На засыпаемом песчаном откосе насыпи растительность подлежит срезке и удалению.

4. Крутизна откоса подводной части насыпи назначается в соответствии с родом грунта по таблице, приведенной в данном примечании.

5. Ширина бермы bб принимается: 1 м при глубине болота до 3 м; 2 м при глубине более 3 м.

94. Насыпь под второй путь на болотах можно сооружать путем присыпки существующей насыпи, располагая второй путь на расстоянии нормального междупутья от первого и на расстоянии, превышающем нормальное междупутье, или отсыпая насыпь на самостоятельном обходе. Присыпка полотна второго пути к существующему допускается в тех случаях, когда нет угрозы возникновения деформации земляного полотна первого пути в результате пристройки второго пути. Такая присыпка не допускается при уклонах минерального дна болота круче 1:15 - 1:20, при перекосах существующего полотна и других деформациях, а также при расположении насыпей нa сланях. На болотах II и III типов нормальное междупутье может приниматься только в тех случаях, когда существующая насыпь построена на минеральном дне.

95. При присыпке насыпи второго пути к существующей насыпи на болотах I типа без выторфовывания у подошвы откоса второго пути устраивается прорезь на глубину растительного корневого слоя, но не менее 1 м с выемкой или без выемки торфа.

96. Глубина выторфовывания под второй путь определяется по данным инженерно-геологического обследования. Ориентировочно ее можно принимать равной половине фактической осадки насыпи по оси существующего первого пути.

Торф, вынутый из канав, траншей и прорезей при возведении насыпей на болотах, следует разравнивать слоем толщиной не более 0,5 м.

97. Насыпи под второй путь сооружаются по типовым поперечным профилям на линиях I и II категорий из дренирующих грунтов, а для надводной части - из грунтов однородных с телом существующего полотна (рис. 12 - 15).

Железнодорожное земляное полотно на мокрых солончаках

98. Конструкцию земляного полотна на мокрых солончаках устанавливают с учетом наивысшего уровня грунтовых вод, а также степени, характера и глубины засолений грунтов в периоды наибольшего соленакопления в верхних горизонтах почвы.

Возведение насыпей из засоленных грунтов допускается при содержании легкорастворимых солей в количестве, меньшем 8 % при хлоридном и сульфатно-хлоридном засолении и меньшем 5 % при сульфатном, хлоридно-сульфатном и содовом засолении.

Степень засоленности грунтов определяется по среднему содержанию солей в разрабатываемом слое грунта.

99. Качественный характер засоления грунтов определяется по табл. 16, где содержание ионов выражено в миллиэквивалентах на 100 г сухого грунта.

Таблица 16

Засоление

Хлоридное

> 2

-

Сульфатно-хлоридное

2 - 1

-

Хлоридно-сульфатное

1 - 0,3

-

Сульфатное

< 0,3

-

Содовое

-

> 0,3

100. На мокрых солончаках насыпи возводятся по типовым поперечникам (рис. 16 - 20).

Железнодорожное земляное полотно на иольдиевых глинах

101. На участках залегания иольдиевых глин рекомендуется применять следующие типы насыпей:

а) с пригрузочными бермами;

б) погруженные в слабое основание.

Тип насыпей выбирают на основании технико-экономических расчетов.

Рис. 16. Насыпь из дренирующих грунтов высотой до 6 м на засоленных грунтах и пухлых солончаках в условиях периодического обводнения основания грунтовыми водами с выходом их на дневную поверхность.

Примечания. 1. При дренирующих грунтах, удовлетворяющих требованиям к материалам балластного слоя, основная площадка проектируется шириной 6,0 м. При грунтах с коэффициентом фильтрации менее 3 м/сутки ширина и конструкция основной площадки принимаются как для глинистых грунтов.

2. При подготовке основания насыпи вырезке подлежат грунты с содержанием легкорастворимых в воде солей более 10 %, при этом глубина вырезки V засоленных грунтов и пухлых солончаков устанавливается по солевым профилям, составленным по данным результатов инженерно-геологического обследования и химических анализов грунтов основания.

3. Минимальная высота насыпи h1 = Z + 0,5 - V, где Z - высота капиллярного поднятия в грунте, используемом для возведения насыпи, V - глубина вырезки засоленного грунта, м.

4. При возведении насыпи из песков с углом естественного откоса 34° (для сухих песков) откосы насыпи соответственно уполаживаются.

Рис. 17. Насыпь из глинистых грунтов высотой до 6 м на засоленных и пухлых солончаках в условиях периодического обводнения основания грунтовыми водами с выходом их на дневную поверхность.

Примечания. 1. Данный тип насыпи применяется в случае экономической целесообразности вместо изображенного на рис. 16.

2. При подготовке основания насыпи вырезке подлежат грунты, указанные в п. 2 примечания к рис. 16.

3. Нижняя часть насыпи сооружается из дренирующего грунта на высоту Z, равную высоте капиллярного поднятия воды в нем плюс 0,25 м.

Рис. 18. Насыпь из глинистых грунтов высотой до 6 м на засоленных грунтах и пухлых солончаках в случае залегания грунтовых вод на глубине, превышающей высоту капиллярного поднятия.

Примечания. 1. При подготовке основания насыпи вырезке подлежат грунты, указанные в п. 2 примечания к рис. 16.

2. На засыпаемом откосе с существующей насыпи должен быть убран балластный шлейф и устроены уступы шириной не менее 1 м с уклоном 0,01 - 0,02 наружу.

3. При возведении земляного полотна из грунта, однородного с грунтом существующей насыпи, откос должен иметь крутизну не более крутизны существующего устойчивого откоса.

102. Если верхний слой слабого основания представлен более плотными грунтами (коркой) мощностью не менее 1,5 м, насыпь с бермами должна иметь минимальную толщину (с учетом осадки в болото) 3,0 м. Высота насыпи над поверхностью должна быть не менее 1,5 м.

При широких бермах минимальная толщина насыпи может быть снижена до 2,5 м. Наибольшая допустимая толщина насыпи, ширина и толщина берм устанавливаются расчетом устойчивости.

103. При наличии торфяного покрова на поперечных разрезах указывается толщина берм, а не их проектные отметки. В этом случае в проекте должна быть предусмотрена установка специальных реперов и марок, по которым контролируется отсыпка берм и ведутся наблюдения за их осадкой (пп. 182 - 186).

Рис. 19. Насыпь из глинистых грунтов высотой до 6 м на мокрых солончаках в условиях периодического обводнения основания грунтовыми водами с выходом их на дневную поверхность.

Примечания. 1. Данный тип насыпи применяется в случае экономической целесообразности вместо типа, приведенного на рис. 18.

2. Вырезке подлежат грунты, указанные в п. 2 примечания к рис. 16.

3. Нижняя часть насыпи сооружается из дренирующего грунта на высоту Z, равную высоте капиллярного поднятия воды в нем плюс 0,25 м.

4. При возведении насыпи из грунта, однородного с грунтом существующей насыпи, откос насыпи должен иметь крутизну не более крутизны существующего устойчивого откоса.

5. На засыпаемом откосе насыпи должен быть убран балластный шлейф и устроены уступы шириной не менее 1,0 м с уклоном 0,01 - 0,02 наружу.

6. Возведение насыпи под второй путь предусматривается в засушливый период года, когда грунты основания насыпи в зоне проектируемой вырезки сухие.

7. При отсутствии у существующей насыпи капилляропрерывателя, а также деформаций, связанных с засоленностью грунтов, при пристройке полотна под второй путь из грунта, однородного с грунтом существующего земляного полотна, капиллярный прерыватель устраивать не требуется.

Рис. 20. Насыпь из дренирующих грунтов высотой до 6 м на мокрых солончаках в условиях периодического обводнения основания грунтовыми водами с выходом их на дневную поверхность.

Примечания. 1. В основании насыпи вырезке подлежат те же грунты, что и в п. 2 примечания к рис. 10.

2. На засыпаемом песчаном откосе насыпи растительность подлежит срезке и удалению.

3. При дренирующих грунтах, удовлетворяющих требованиям к материалам балластного слоя, основная площадка земляного полотна устраивается горизонтальной выше отметки профильной бровки насыпи на величину hсп равную высоте сливной призмы 0,15 м плюс разность толщин балластного слоя на данной насыпи и на смежных с ней участках из недренирующих грунтов.

4. При грунтах с коэффициентом фильтрации менее 3 м/сутки ширина и конструкция основной площадки принимаются как для глинистых грунтов (см. рис. 10).

5. Возведение насыпи под второй путь предусматривается в засушливый период года, когда грунты основания насыпи в зоне проектируемой вырезки сухие.

6. При возведении насыпи из камня, щебня и гравия слабовыветривающихся пород на мокрых солончаках и засоленных грунтах вырезка засоленного грунта из основания не производится, но предусматривается запас грунта на осадку, а для насыпей высотой более 3 м проверяется устойчивость основания.

104. В тех случаях, когда слабые грунты прикрыты торфяными образованиями, представленными разложенным, сильно увлажненным торфом неустойчивой консистенции, необходимо произвести расчет на выдавливание торфа.

105. Насыпи, погруженные в основание, рекомендуется применять на участках с малой мощностью иольдиевых глин (4 - 6 м), прикрытых сверху тонкой плотной коркой толщиной 0,5 - 1 м.

106. В случае необходимости в проекте даются рекомендации по производству работ: темпы возведения земляного полотна и толщина отсыпаемых слоев, перерывы в работах для частичной консолидации грунта основания и др.

Земляное полотно автомобильных дорог на болотах

107. Типовой поперечный профиль (рис. 21) применяется при сооружении автомобильных дорог на болотах I типа глубиной до 4 м в случаях полного удаления слабого грунта в основании насыпи. Крутизну откосов ниже поверхности болота принимают от 1:0 до обратного 1:0,5 в зависимости от прочности торфа. Крутизну откосов верхней части устанавливают в зависимости от высоты насыпи в соответствии с требованиями СНиП II-Д.5-62.

108. Типовой поперечный профиль (рис. 22) применяется при сооружении дорог III - IV категорий на болотах I и II типов глубиной до 4 м при высоте насыпи до 3 м в случае полного удаления слабого грунта. Ширина траншеи выторфовывания должна быть не менее ширины земляного полотна понизу. Крутизна откосов в насыпи - 1:1,5. Призмы из торфяного грунта, удаленного из-под насыпи, укладываемые на откосы, не должны превышать отметки низа дорожной одежды.

109. Типовой поперечный профиль (рис. 23) применяется при сооружении дорог на болотах I и II типов глубиной до 4 м при частичном удалении слабого грунта. Крутизну откосов верхней части принимают в зависимости от высоты насыпи и условий устойчивости, но не круче 1:1,5. Крутизну откосов ниже поверхности болота устанавливают от 1:0 до обратного 1:0,5 в зависимости от прочности торфов. Толщина оставляемого слоя торфа устанавливается индивидуально с соблюдением требования о минимально допустимой мощности насыпного слоя, приведенных в табл. 7, стр. 32. Глубина болота в этом случае принимается с вычетом толщины удаляемого слабого слоя.

110. Типовой поперечный профиль (рис. 24) применяется на болотах II и III типов в случае преобладания в толще жидких торфов, практически не обладающих несущей способностью. На болотах II типа требуются специальные мероприятия, облегчающие посадку насыпи на минеральное дно: разрыхление верхнего слоя, устройство торфоприемников и т.п. Крутизна откосов нижней подводной части насыпи назначается в зависимости от консистенции слоев, слагающих толщу, от 1:2 при текучей консистенции до 1:0,75 при мягкопластичной консистенции.

Рис. 21. Насыпь на болотах I типа глубиной до 4 м с полным выторфовыванием механическим способом с вывозкой удаленного торфа

Рис. 22. Насыпь на болотах I типа глубиной до 4 м с полным выторфовыванием с укладкой и планировкой вынутого торфа на откосах

Рис. 23. Насыпь на болотах I и II типов с частичным выторфовыванием

Рис. 24. Насыпь на болотах II и III типов с посадкой на минеральное дно

Рис. 25. Насыпь на болотах I и II типов без выторфовывания

111. При сооружении дорог IV - V категорий на болотах со сплавиной разрешается оставлять сплавинную корку под насыпью при обеспечении минимальной толщины насыпного слоя и соответствии с табл. 7.

На дорогах III - V категорий бермы (см. рис. 24) могут не устраиваться.

112. Типовой поперечный профиль (рис. 25) можно применять на дорогах всех категорий при любой мощности слабой толщи в тех случаях, когда решено полностью использовать слабый грунт в основании насыпи. Элементы верхней части земляного полотна принимают в зависимости от высоты насыпи по СНиП II-Д.5-62. Размеры нижней части устанавливают по расчету, а очертание - в виде трапеции с меньшим основанием, равным ширине земляного полотна поверху.

113. Типовой поперечный профиль (рис. 26) применяется на болотах I и II типов глубиной до 3 м. Расстояние между прорезями и число прорезей определяют расчетом. Ориентировочно можно принимать: при ширине земляного полотна 8 м - 3 - 4 прорези, при ширине 10 - 12 м - 4 - 5 прорезей. Очертание верхней части насыпи - в соответствии с требованиями СНиП II-Д.5-62. Величина осадки определяется по расчету. Очертание нижней части насыпи принимается в виде трапеции с меньшим основанием, равным ширине земляного полотна поверху.

114. Типовой поперечный профиль (рис. 27) применяется на болотах I и II типов при глубине болот от 3 до 6 м. Расстояние между дренами, их число и размеры определяются расчетом. Ориентировочно можно принимать диаметр дрен 0,3 - 0,4 м и расстояние между ними 2 - 3 м. Очертание верхней части насыпи принимается в соответствии с требованиями СНиП II-Д.5. Величину осадки определяют расчетом. Очертание нижней части насыпи принимается в виде трапеции с меньшим основанием, равным ширине земляного полотна поверху. Дрены располагают в шахматном порядке.

115. На дорогах V категории и на временных подъездных путях можно применять типовые конструкции земляного полотна, предусматривающие устройство сланей (жестких настилов). Для постоянных и временных дорог и подъездных путей при однополосном и двухполосном движении также применяются типовые конструкции (рис. 28 - 30).

Земляное полотно автомобильных дорог на мокрых солончаках

116. Типовые поперечные профили земляного полотна, представленные на рис. 31, а и б применяются при высоте насыпи до 3 м на мокрых солончаках типа IA при наличии верхнего более сухого слоя грунта. Конструкции типа б применяются при необеспеченном водоотводе. Они отличаются от конструкций на обычных солончаках (см. ВСН 97-63) малой глубиной резервов (20 - 40 см), ограничиваемой уровнем грунтовых вод и влажностью грунта.

При удовлетворительной проходимости мокрого солончака I типа для гусеничных машин насыпь можно возводить из боковых резервов, а при отсутствии сухого грунта - из переувлажненных грунтов. В этом случае, чтобы достигнуть необходимого уплотнения, грунт осушают до допустимой влажности путем естественного подсушивания, устраивают поглощающие прослойки из песка или применяют химические добавки.

Рис. 26. Насыпь на болотах I и III типов глубиной до 3 м с дренажными прорезями

Рис. 27. Насыпь на болотах I и II типов глубиной до 6 м с вертикальными дренами

Рис. 28. Земляное полотно на сплошном деревянном настиле. Конструкция для постоянных дорог

Рис. 29. Земляное полотно на жестком колейном настиле для временных дорог и подъездных путей при однополосном движении:

1 - поперечины; 2 - подкладки; 3 - продольные лежни; 4 - колейный настил

Рис. 30. Земляное полотно на жестком колейном настиле (для временных дорог и подъездных путей при двухполосном движении)

Рис. 31. Рекомендуемые поперечные профили земляного полотна на мокрых солончаках:

а - при высоте насыпи до 3 м на мокрых солончаках типа IA и наличии верхнего более сухого слоя грунта; б - то же при необеспеченном водоотводе; в - то же, если нельзя возвести насыпь из боковых резервов; г - при содержании хлоридных и сульфатно-хлоридных солей более 5 % и более 2 % солей при сульфатном и хлоридно-сульфатном засолении

 - песок

 - грунт с битумом

117. При высоте насыпи до 3 м на мокрых солончаках типа IA, если нельзя возвести насыпь из боковых резервов, применяется поперечник типа в (см. рис. 31). Предпочтение отдают дренирующим незасоленным или слабозасоленным грунтам. При отсутствии таких грунтов для отсылки насыпи допускается применять засоленный грунт межсоровых возвышений с допустимой степенью засоления, предусмотренной ВСН 97-63.

При высоте насыпи более 3 м на солончаках типа IA, а также при высоте насыпи до 12 м на солончаках типов IБ и II поперечный профиль, изображенный на рис. 31, в, применяют лишь при достаточной устойчивости основания, проверяемой расчетом.

118. Поперечный профиль (см. рис. 31, г) применяется при возведении насыпей из грунтов, содержащих более 5 % солей при хлоридном и сульфатно-хлоридном засолении и 2 % солей при сульфатном и хлоридно-сульфатном засолении на мокрых солончаках всех типов при обеспеченной устойчивости основания и при невозможности обеспечения требуемого возвышения низа дорожной одежды над уровнем грунтовых вод (см. ВСН 97-63). В этом случае предусматривается устройство на всю ширину земляного полотна капилляропрерывающей прослойки толщиной 15 - 20 см из щебня, гравия или другого каменного материала с размером фракций 5 - 70 мм. При отсутствии каменных материалов устраивается прослойка толщиной 15 - 20 см из крупнозернистого песка. Капилляропрерывающую прослойку можно устраивать по типу изолирующей из грунта, обработанного битумом или нефтью. Толщина такой прослойки принимается в пределах 5 - 8 см. Капилляропрерывающие прослойки устраиваются на расстоянии от подошвы, несколько превышающем величину предполагаемой осадки.

3. РАСЧЕТ И КОНСТРУИРОВАНИЕ НА СТАДИИ РАБОЧЕГО ПРОЕКТИРОВАНИЯ

А. Общие положения

119. На стадии рабочего проектирования принимают окончательные решения по конструкциям земляного полотна на участках слабых грунтов на основе уточненных расчетов, учитывающих материалы дополнительных инженерно-геологических исследований.

В тех случаях, когда основание при проектировании на первой стадии отнесено к типу IIБ или к III типу (без принятия окончательной конструкции), проводится дополнительный расчет устойчивости с целью уточнения типа основания в зависимости от устойчивости.

При этом окончательно к III типу основание относят в том случае, когда коэффициент безопасности, определенный для условий медленной отсыпки и с учетом повышения сопротивляемости грунтов сдвигу при их консолидации,  окажется меньше 1. В остальных случаях основание относят ко II типу (основания I типа устанавливаются окончательно уже на первой стадии проекта).

120. При окончательном назначении конструкции земляного полотна в зависимости от типа основания рассматривают ряд вариантов, начиная с наиболее простых и экономичных с точки зрения конструкции и технологии сооружения.

Если применение простой конструкции не обеспечивает завершения интенсивной части осадки в заданный срок или устойчивости основания, разрабатываются варианты мероприятий технологического порядка, которые позволяют достичь желаемых результатов.

В случае, когда технологические меры не обеспечивают необходимых требований, рассматриваются варианты изменения конструкции основания, а затем (при необходимости) и насыпи.

Б. Насыпи, возводимые непосредственно на поверхности слабой толщи

а) Основания I типа

121. Конструкция верхней части насыпи, располагающейся над поверхностью основания I типа, принимается в соответствии с обычными типовыми поперечниками, очертание нижней части - в виде трапеции, размер меньшего основания которой соответствует ширине полотна поверху, а высота - расчетной осадке.

122. При разработке проекта насыпи на второй стадии уточняют величину конечной осадки основания; устанавливают время завершения и ход во времени интенсивной части осадки; при насыпях высотой более 6 м дополнительно проверяют устойчивость с расчетом по методу круглоцилиндрических поверхностей скольжения.

123. Осадка основания насыпи определяется как суммарная вертикальная деформация по оси насыпи всей слабой толщи в пределах активной зоны.

Величина активной зоны устанавливается в каждом конкретном случае с учетом фактической мощности слабых слоев и условий их расположения. В качестве нижней границы активной зоны могут приниматься:

кровля прочного и малосжимаемого грунта, подстилающего слабый слой при относительно небольшой его мощности;

горизонт, на котором вертикальные нормальные напряжения от внешней нагрузки не превышают структурной прочности слабого грунта, определяемой по результатам компрессионных испытаний;

горизонт, на котором вертикальные нормальные напряжения составляют 20 % величины напряжений от собственного веса толщи.

124. В пределах активной зоны выделяют расчетные слои в соответствии с геологическим строением толщи и ее деформативными свойствами. Для каждого расчетного слоя определяется величина напряжения от внешней нагрузки и характеристики грунтов, входящие в расчетные зависимости.

При выделении расчетных слоев толщи исходят также из условия, чтобы значения модуля осадки или напряжений в пределах одного слоя не изменялись более чем на ±10 %.

125. Величину осадки можно установить, используя в качестве показателей сжимаемости величину относительной деформации или модуль осадки при сжатии грунта в компрессионном приборе ер, мм/м, и величину коэффициента уплотнения или сжимаемости а, см2/кг, определяемую через коэффициент пористости также по данным испытаний на компрессию.

126. Осадку основания насыпи при использовании показателя сжимаемости ер определяют по формулам:

а) для условий одномерной задачи

                                                  (14)

б) для условий двухмерной задачи

                                    (15)

где S - осадка, м;

Нi - толщина расчетного слоя, м;

 - модуль осадки в вертикальном направлении при сжатии грунта в компрессионном приборе, мм/м;

 - то же в горизонтальном направлении;

m - коэффициент Пуассона.

127. Расчетные значения модуля осадки на том или ином горизонте устанавливают по расчетным компрессионным кривым данного слоя при значениях нормальных напряжений, соответствующих расчетным их значениям для рассматриваемых горизонтов по оси насыпи и определяемых по формуле:

pz = a × pрасч,                                                             (16)

где pрасч - расчетная удельная нагрузка на поверхности основания;

a - безразмерный коэффициент, зависящий от относительной глубины расположения рассматриваемого горизонта и определяемый в соответствии с приложением 8.

128. Расчетную нагрузку на поверхности основания определяют в разных условиях по соответствующим формулам:

а) когда подошва насыпи не опускается ниже уровня грунтовых вод, - по формуле (8);

б) когда подошва насыпи погружается ниже уровня грунтовых вод, а горизонт грунтовых вод не совпадает с поверхностью земли, - по формуле (9);

в) когда горизонт грунтовых вод совпадает с поверхностью земли, - по формуле:

                                                (17)

Величину hрасч, входящую в эти формулы, устанавливают в соответствии с указаниями пп. 61 - 62. При этом для более точного определения приведенной толщины слоя грунта, заменяющего временную нагрузку для железнодорожного земляного полотна, расчетная величина временной нагрузки рп, кг/см2, соответствующая напряжениям в земляном полотне от поездной нагрузки на уровне подошвы насыпи, может определяться по формуле:

                                         (18)

где 0,0071 + 0,0000274u = lр - коэффициент затухания напряжений по глубине от уровня основной площадки в подрельсовом сечении;

h + S - глубина расположения поверхности основания насыпи от уровня нижней постели шпалы;

u - расчетная скорость движения поездов, км/ч;

hб.п - толщина балластной призмы под шпалой;

е - основание натуральных логарифмов.

Влияние временной нагрузки на величину осадки учитывается для насыпей толщиной менее 3,5 м.

129. Учитывая зависимость величины расчетной нагрузки ррасч и модуля осадки ер от величины осадки, для расчета осадки рекомендуется применять графоаналитический метод. Для этого, задаваясь 3 - 4 значениями ррасч определяют напряжение рz в расчетных слоях, по соответствующим компрессионным кривым устанавливают значения модулей осадки для каждого слоя, вычисляют осадки расчетных слоев, а затем и общие осадки S, соответствующие выбранным значениям нагрузки. При выборе значений нагрузки ррасч следует исходить из условия, чтобы они были не менее р = gн × h, а для железнодорожных насыпей р = gн(h + hв) + рп.

По результатам вычислений строят график зависимости общей осадки от нагрузки S = f(p). Затем на эту же сетку координат наносят линейную зависимость нагрузки от величины осадки, выражаемую формулами (8), (9) или (17).

Точка пересечения построенных прямой и кривой определяет величину расчетной конечной нагрузки на основание ррасч и величину конечной осадки S.

Пример расчета осадки приведен в приложении 2.

130. Осадка основания насыпи S, определяемая с использованием коэффициента сжимаемости ai, см2/кг, вычисляется по формуле:

                                                     (19)

где ,

 - коэффициент пористости грунта, соответствующий начальному (природному) давлению;

 - коэффициент пористости, соответствующий давлению pi (внешняя нагрузка);

 - среднее вертикальное нормальное напряжение (дополнительное) для каждого слоя, кг/см2;

Hi - мощность каждого расчетного слоя, м.

Нормальное напряжение  для каждого расчетного слоя в основании насыпи определяется по формуле (16) с использованием данных приложения 8. Зная напряжения в основании, по компрессионным кривым испытаний грунтов для отдельных слоев определяют значения коэффициентов пористости e0 и  и вычисляют аi.

Пример расчета осадки приведен в приложении 3.

131. Для насыпей более сложного очертания, чем трапецеидальное, значение напряжений в заданной точке основания по оси насыпи определяется суммированием напряжений от отдельных простых элементов, на которые разбивается поперечное сечение насыпи, например, алгебраическим суммированием напряжений, найденных отдельно для трапецеидального профиля верхней и нижней частей насыпи с различной крутизной откосов.

132. Прогноз осадки во времени может осуществляться упрощенным или более точным способом. В первом случае время стабилизации интенсивной части деформации определяется по формуле:

                                                           (20)

где Нф - максимальный путь фильтрации воды из уплотняемого слоя, см;

Ск - коэффициент консолидации, определяемый экспериментально в лабораторных условиях (см. приложение 1, стр. 109).

133. Величину осадки на любой момент времени Т устанавливают по формуле:

ST = Sкон × Kвр,                                                          (21)

где Sкон - конечная осадка;

Kвр - коэффициент времени, определяемый по табл. 17 в зависимости от параметра.

                                                          (22)

134. Если в силу геологического строения толщи или различий в напряженном состоянии слоев по глубине сжимаемую толщу приходится рассматривать как слоистую, время практической стабилизации деформации основания в целом определяется в зависимости от расположения и свойств грунтов в отдельных слоях временем стабилизации деформации слоя, для которого значение Тстаб будет наибольшим. При этом в расчете можно не учитывать слои, суммарная осадка которых не превышает 10 % от общей (полной) осадки.

Максимальный путь фильтрации для каждого расчетного слоя следует устанавливать в соответствии с фактическими условиями дренирования слоев, для чего необходимо учитывать геологическое строение слабой толщи (наличие дренирующих прослоек), а также степень водопроницаемости грунта нижней части насыпи.

Таблица 17

Квр

N

Квр

N

0,05

0,005

0,55

0,59

0,10

0,02

0,60

0,71

0,15

0,04

0,65

0,84

0,20

0,08

0,70

1,00

0,25

0,12

0,75

1,18

0,30

0,17

0,80

1,40

0,35

0,24

0,85

1,69

0,40

0,31

0,90

2,09

0,45

0,39

0,95

2,80

0,50

0,49

1,00

-

135. В случае отсыпки насыпи из глинистых грунтов и отсутствия в ее основании песчаной подушки из хорошо дренирующего грунта расчетная длина пути фильтрации увеличивается на половину расчетной ширины основания насыпи.

136. Если предварительные расчеты покажут, что время стабилизации деформации достаточно мало с точки зрения конкретных сроков строительства, необходимость в уточненном прогнозе осадки отпадает. Уточненный расчет не проводится также в тех случаях, когда интенсивность осадки очень мала (менее 2 см/год).

137. Уточненный прогноз осадки осуществляется в два этапа. В первую очередь устанавливается время практической стабилизации деформации каждого слоя по формуле:

                                                         (23)

где tстаб - время практической стабилизации деформации образца, испытанного в лаборатории на консолидацию под нагрузкой, равной проектной, при высоте (максимальной длине пути фильтрации) образца h, см, и одностороннем дренировании;

Нф - максимальный путь фильтрации воды, отжимаемой из реального слоя, см;

n - показатель степени консолидации, определяемый в лаборатории (приложение 1).

При слоистой толще время стабилизации деформации основания в целом определяется в соответствии с указаниями п. 134. Если оно окажется меньше конкретных сроков строительства, дальнейшего уточнения прогноза осадки во времени не требуется.

138. В случае, когда необходим еще более точный прогноз хода осадки во времени, следует строить полную кривую осадки во времени.

Кривая общей осадки основания строится путем суммирования кривых осадок каждого слоя во времени.

При построении кривой осадки каждого слоя во времени исходят из следующих предпосылок:

а) насыпь возводится послойно, причем в расчете принимают, что каждый слой отсыпается практически мгновенно;

б) толщина каждого слоя определяется принятой технологией или величиной безопасной нагрузки (в последнем случае расчет ведется на наиболее рациональный режим отсыпки);

в) с момента отсыпки предыдущего слоя до отсыпки последующего проходит некоторый промежуток времени, в течение которого нагрузка (на поверхности) практически остается постоянной;

г) максимальная длительность воздействия каждой ступени нагрузки определяется временем, в течение которого осадка слоя достигает такой величины, при которой нагрузка снизится (за счет взвешивания) не более чем на 10 %;

д) в процессе осадки того или иного слоя насыпи величина отношения сжимающих напряжений, действующих в слое основания, к величине нагрузки на поверхности остается постоянной и определяется лишь проектным очертанием эпюры нагрузки  и относительной глубиной расположения слоя V.

Пример практического построения кривой осадки во времени приведен в приложении 2.

б) Основание II типа

139. Если при проектировании на первой стадии основание отнесено ко II типу и принято решение об использовании в основании слабого грунта, то на второй стадии назначение конструкции насыпи, а также расчет конечной величины осадки и времени ее стабилизации осуществляются теми же способами, что и в случае оснований I типа.

В отличие от оснований I типа при II типе обязательна проверка устойчивости основания по результатам лабораторных испытаний на сдвиг.

140. При проектировании насыпей высотой до 6 м устойчивость основания следует проверять, устанавливая коэффициент безопасности п. 67, в определенные моменты сооружения насыпи.

Величину безопасной нагрузки рбез для того или иного слоя на глубине z толщи вычисляют по формуле

                                                  (24)

где b - некоторая функция, определяемая по графикам рис. 5, 32 - 36 в зависимости от очертания насыпи относительной глубины расположения рассматриваемого горизонта и величины угла внутреннего трения jW грунта на данном горизонте;

gт - средневзвешенный объемный вес толщи (с учетом взвешивания), расположенной выше расчетного горизонта;

jW - угол внутреннего трения в рассматриваемый момент консолидации на данном горизонте;

сW - сцепление на данном горизонте в рассматриваемый момент консолидации.

Величина безопасной нагрузки для основания в целом определяется величиной безопасной нагрузки такого слоя, для которого рбез оказывается минимальным.

141. Устойчивость основания насыпи необходимо проверять по двум расчетным схемам при следующих условиях отсыпки насыпи:

а) при быстрой отсыпке с запасом на осадку, когда грунт основания не успевает уплотняться и практически остается в начальном состоянии по плотности влажности;

б) при медленной отсыпке, когда грунт основания успевает консолидироваться и в конечный момент возведения насыпи имеет плотность и влажность, соответствующие полному уплотнению под проектной нагрузкой.

В первом случае при определении рбез в расчет вводятся значения сW и jW, отвечающие природной влажности Wнач = Wпр.

Если устойчивость не обеспечена, делают проверку по второй расчетной схеме.

Рис. 32. График функции b при j = 5°:

;  ;  ;  ;  

Рис. 33. График функции b при j = 10°:

;  ;  ;  ;  

Рис. 34. График функции b при j = 15°:

;  ;  ;  ;   

Рис. 35. График функции b при j = 20°:

; ;  ;  ;

В этом случае в расчет вводятся значения сW и jW, отвечающие влажности, эквивалентной проектной нагрузке и определяемые по компрессионной кривой вида W = f(p).

Рис. 36. График функции b при j = 30°:

;  ;  ;  ;  

При необходимости определения рбез в некоторый промежуточный момент консолидации грунта основания достаточно в расчетную формулу подставить значения jW и сW, отвечающие влажности грунта в этот момент и учесть соответствующие ему величины осадки S и высоты насыпи h.

Величину фактической нагрузки можно определить при расчете на быструю отсыпку по формуле (8) и на медленную отсыпку по формуле (9).

142. При насыпях высотой более 6 м, а также при меньших насыпях в тех случаях, когда значение , рассчитанное по формуле, близко к 1, следует проверить устойчивость основания по методу круглоцилиндрических поверхностей скольжения (п. 143). Если в результате расчетов окажется, что устойчивость насыпи не обеспечена, необходимо изменить конструкцию в соответствии с указаниями пп. 168 - 180.

143. Расчет устойчивости по методу круглоцилиндрических поверхностей рекомендуется вести по схеме, приведенной на рис. 37,

где a-g-f-п - поверхность скольжения;

р - временная нагрузка;

Q1 - вес части насыпи, входящий в сдвигающие силы;

Q2 - вес части насыпи, входящий в удерживающие силы;

Qб - вес бермы, входящий в удерживающие силы;

Q3 и Q4 - вес частей основания, оконтуренных поверхностью скольжения;

 - сила сцепления грунта в данном слое;

li - длина участка поверхности скольжения в пределах i-го слоя;

Ni - силы реакции, нормальные к поверхности скольжения;

Тi - сила трения грунта в данном слое:

Тi = Ni × tgji;

ji - угол внутреннего трения грунта основания в данном слое;

r - радиус кривой скольжения;

F - реактивная сила, возникающая при сколе насыпи.

Величина, направление и точка приложения реактивной силы F определяются следующим образом (см. рис. 37).

Величина - из силового треугольника Qp-R-F, где Qp - равнодействующая сила веса приведенной временной нагрузки и треугольной призмы обрушения (контур a-g-c-d-е-а).

Направление принимается под углом j к нормали плоскости а-g.

Точка приложения определяется построением: находят точку пересечения сил Q и р, через которую проводят линию, имеющую направление силы F. Пересечение этой линии с плоскостью обрушения а-g даст искомую точку приложения силы F - точку к.

При этом направление реактивной силы R (рис. 38) принимается параллельным плоскости обрушения а-g. Точка же приложения силы R к вертикальной плоскости g-с располагается на той же отметке, что и центр тяжести эпюры распорных давлений g-c-b-j (точка m). Если hп - высота приведенной временной нагрузки и Н¢ - высота насыпи с балластной призмой, то точка приложения силы R будет находиться на высоте


Рис. 37. Расчетная схема для определения устойчивости слабого основания


Примечание. а) Угол внутреннего трения грунта основания близок 0.

Коэффициент устойчивости

б) Линия dj проводится от точки d под произвольным наклоном.

Рис. 38. Определение точки приложения силы F

Рис. 39. Расчет устойчивости насыпи

Грунт насыпи дренирующий

g = 1,8 т/м; j = 30°.

Временная нагрузка - тепловоз ТЭ-7

р = 15,0 т/м.

Реакция на поверхности скольжения, возникающей в насыпи,

Qp = w × g = 17,5 т;

Кривая № 1

hi

cW

li

N = 2(cW × li)

r

MN = åN × R

1

5,0

1,15

11,5

5,75

166

2

2,6

1,30

5,5

3

1,4

1,70

4,7

4

1,0

3,1

6,2

5

1,2

-

-

 

åN = 28,9

Момент удерживающих сил, ТМ

Момент сдвигающих сил, ТМ

MN = åN × R = 28,9 ´ 5,75 = 166;

Mp = p × lp = 15 × 6 = 90;

144. Коэффициент устойчивости определится по формуле:

Положение точки О, определяющее критическую кривую, находят подбором.

Вначале рассчитывают ряд кривых с центрами на вертикали, расположенной примерно посередине откоса, и выявляют по ним наименьший коэффициент устойчивости. Затем берут вторую вертикаль примерно у подошвы насыпи с несколькими центрами, по которым строится и рассчитывается новый ряд кривых. Далее намечают другие вертикали, расположенные еще дальше от насыпи. В результате выявляется наименьший коэффициент, характеризующий устойчивость насыпи.

В случаях, когда угол трения слабых грунтов основания не превышает 5°, в расчете учитываются лишь силы сцепления. Значение последних при этом определяют как функции влажности W по методу «плотность-влажность».

Устойчивость основания считается обеспеченной, если коэффициент устойчивости K для железнодорожных насыпей будет не менее 1,1; для автодорожных - 1,2. Пример расчета приведен на рис. 39.

В. Технологические меры по обеспечению устойчивости и ускорению осадки оснований насыпей, возводимых непосредственно на слабом грунте

а) Метод временной пригрузки

145. В тех случаях, когда устойчивость основания достаточна (основания I типа), но, согласно расчетам, следует ожидать слишком длительной осадки, не отвечающей срокам строительства, необходимо рассмотреть вопрос о сооружении насыпи с применением метода временной пригрузки. Этот метод заключается в том, что временно возводят насыпи большей высоты, чем требуется по проекту, с целью достижения проектной осадки в заданный промежуток времени.

Когда проектная величина осадки достигнута, излишек грунта с насыпи убирают и используют на соседнем участке.

146. Необходимая дополнительная высота насыпи (величина временной пригрузки) назначается по расчету, исходя из условия достижения расчетной величины осадки в заданный промежуток времени.

Приближенную требуемую величину временной пригрузки определяют следующим образом:

а) по установленному расчетом или опытным путем значению коэффициента консолидации Ск (см. п. 41), расчетной величине пути фильтрации Нф и заданному времени Т определяют значение параметра N (п. 133);

б) зная величину N, по табл. 17 находят требуемое значение коэффициента времени Квр;

в) определяют величину конечной осадки, соответствующей искомой величине нагрузки (общей), по формуле:

где Sрасч - расчетная величина осадки;

г) по определенной величине Sкон, используя компрессионные кривые, устанавливают искомую полную нагрузку;

д) необходимая пригрузка определяется как разность найденной полной и проектной нагрузок.

Если при испытаниях на консолидацию устанавливали значение показателя степени консолидации п, то в расчетных формулах (20) - (22) величину Нф необходимо принимать в степени п (вместо 2).

147. При необходимости получения более точных расчетов следует строить расчетную кривую осадки во времени с учетом режима нагружения (см. приложение 2), который может существенно влиять на продолжительность осадки.

В ряде случаев требуемого ускорения осадки можно достигнуть без дополнительной отсыпки грунта, лишь за счет назначения определенного режима отсыпки насыпи, благодаря тому, что фактически действующая нагрузка будет больше расчетной в связи с неполным проявлением эффекта взвешивания. Максимально допустимый (по интенсивности) режим отсыпки определяется в соответствии с указаниями (пп. 149 - 151). При заданном режиме отсыпки построением кривой осадки во времени можно установить величину необходимой дополнительной пригрузки (см. приложение 2).

148. При использовании метода временной пригрузки необходимо проверять расчетом, чтобы нагрузка на основание в любой момент возведения насыпи не превышала безопасную.

Устойчивость основания насыпи рассчитывается в соответствии с указаниями, изложенными в пп. 141 - 144, с учетом необходимого увеличения ее высоты. По результатам расчета уточняется тип основания.

Если при расчете на быструю отсыпку устойчивость окажется обеспеченной, то дальнейших расчетов не требуется и конструкция может быть осуществлена без дополнительных мероприятий.

Если устойчивость при быстрой отсыпке недостаточна, основание уже нельзя рассматривать как основание I типа.

В этом случае необходимо для дальнейших расчетов иметь данные испытаний грунта на сдвиг в лаборатории, с помощью которых проверяется устойчивость при медленной отсыпке насыпи. В тех случаях, когда устойчивость по второй схеме будет достаточна, принятая конструкция может быть осуществлена при условии соблюдения определенного режима нагружения.

Если устойчивость при второй схеме не обеспечена (), метод временной пригрузки не может быть применен без изменения конструкции (уположение откосов, устройство пригрузочных берм и т.п.).

Метод временной пригрузки может быть применен как для ускорения первичной осадки (фильтрационной), так и для ускорения вторичной осадки (пластической).

б) Метод предварительной консолидации

149. Метод предварительной консолидации применяется при возведении насыпей требуемой высоты на основаниях II типа и на основаниях I типа при использовании способа временной пригрузки в тех случаях, когда устойчивость основания в его природном состоянии недостаточна для восприятия нагрузки от насыпи увеличенной высоты.

Метод предварительной консолидации заключается в назначении определенного режима возведения насыпи, соответствующего повышению несущей способности (безопасной нагрузки) грунта основания в процессе его уплотнения под нагрузкой от веса насыпи.

Требуемый режим возведения насыпи определяется исходя из условия рфакт < рбез которое должно соблюдаться в любой момент сооружения насыпи.

150. Необходимый режим возведения насыпи устанавливают в следующем порядке:

а) по кривым зависимости сцепления и угла внутреннего трения от влажности cW = f1(W), jW = f2(W) определяют значения сдвиговых характеристик расчетного (наиболее опасного) слоя грунта, соответствующих его природной влажности Wнач = Wпp, влажности после полного уплотнения под весом проектируемой насыпи Wкон и 2 - 3 промежуточным значениям влажности;

б) по кривым зависимости осадки слоев во времени при нагрузке, соответствующей проектной, приближенно определяют общую осадку в моменты времени, когда влажность расчетного слоя достигает принятых выше промежуточных значений;

в) по полученным значениям cW и jW, используя формулу (24), вычисляют величины безопасных нагрузок, соответствующие каждому из рассмотренных моментов осадки (начальному, конечному и 2 - 3 промежуточным), и строят зависимость безопасной нагрузки от общей осадки. Полученная зависимость (приближенная) соответствует наиболее рациональному (идеальному) с точки зрения скорости уплотнения режиму отсыпки насыпи; реальный режим отсыпки не должен выходить за рамки идеального (по величине фактической нагрузки); вместе с тем не рекомендуется, чтобы он значительно отклонялся и в противоположную сторону, так как в этом случае затягиваются сроки строительства;

г) назначается режим отсыпки насыпи в виде ступенчатого увеличения нагрузки при условии, что каждая ступень выдерживается до тех пор, пока в результате осадки (при проявлении эффекта взвешивания) нагрузка снизится не более чем на 10 % по сравнению с первоначальной, т.е. нагрузкой в момент отсыпки слоя;

д) после назначения режима отсыпки насыпи необходимо проверить и уточнить зависимость безопасной нагрузки от общей осадки и сопоставить назначенный режим с этой уточненной зависимостью, внеся при необходимости соответствующие коррективы.

Пример расчета приведен в приложении 2.

151. Учитывая, что реальный процесс уплотнения основания под нагрузкой от веса насыпи может существенно отличаться от расчетного, рекомендуется в ответственных случаях при использовании метода предварительной консолидации для обеспечения более надежных результатов непосредственно контролировать ход осадки и изменение влажности грунтов основания в процессе возведения насыпи.

Осадку можно контролировать с помощью реперов-марок и бурения; изменение влажности - систематическим отбором проб грунта с различных горизонтов с помощью зонда или бурения с определением влажности грунта методом высушивания.

По полученным значениям влажности, используя расчетные зависимости угла внутреннего трения и сцепления от влажности jW = f2(W), cW = f1(W), устанавливают расчетные величины показателей cW и jW в любой момент возведения насыпи, а по соответствующим формулам определяют безопасную нагрузку рбез в этот момент времени. Одновременно при бурении фиксируется фактическая осадка основания насыпи, рассчитываются действующая нагрузка рфакт и коэффициент безопасности. В случае, если в какой-то момент коэффициент безопасности окажется меньше единицы, необходимо временно прекратить отсыпку насыпи, чтобы грунт основания уплотнился до степени, обеспечивающей возможность дальнейшего повышения нагрузки.

Г. Конструктивные мероприятия по ускорению уплотнения грунта основания насыпи

152. В тех случаях, когда изложенными выше методами технологического порядка нельзя, как показывают расчеты, обеспечить завершение осадки проектируемой насыпи или достижение требуемой прочности грунта основания в заданные сроки, следует рассмотреть вопрос о возможности и целесообразности применения конструктивных мероприятий, относящихся непосредственно к самому основанию.

Такими мероприятиями являются:

а) устройство вертикальных песчаных дрен или прорезей;

б) частичное удаление слабого грунта.

а) Основания с вертикальными дренами

153. Основное назначение вертикальных дрен - ускорение процесса уплотнения сильно сжимаемого грунта основания под воздействием нагрузки от веса насыпи за счет сокращения пути и улучшения условий фильтрации.

Ускорение уплотнения одновременно обеспечивает и ускорение роста сопротивляемости грунта основания сдвигу. Кроме того, наличие вертикальных дрен само по себе несколько повышает несущую способность основания, а также снижает величину упругих деформаций.

Применение вертикальных дрен будет наиболее эффективно (с точки зрения ускорения осадки) для грунтов, у которых основная часть осадки приходится на долю первичной (фильтрационной) и показатель степени консолидации близок к 2.

154. Вертикальные дрены применяются при мощности слабой толщи более 4 м. Их длина определяется мощностью активной зоны.

Дрены можно устраивать диаметром от 20 до 50 см, располагая их в плане в шахматном порядке или по углам сетки квадратов.

Расстояние между дренами назначается по расчету исходя из заданного срока достижения определенной степени уплотнения грунта основания. Ориентировочно при требуемом сроке завершения интенсивной части осадки порядка 4 - 6 мес. это расстояние колеблется в пределах 1,8 - 3,5 м. При относительно высоких насыпях могут назначаться различные расстояния между дренами в пределах поперечного сечения. Предварительно назначенное расстояние уточняется путем расчета на основе испытания грунта основания на компрессию и консолидацию.

155. Для расчета основания с вертикальными дренами необходимо знать:

а) начальную мощность сжимаемого слоя;

б) требуемый срок установления заданной степени консолидации (заданная степень консолидации обычно принимается равной 80 - 90 %);

в) характеристики сжимаемости грунта во времени при вертикальной и горизонтальной фильтрации.

Степень консолидации с вертикальными дренами uобщ, %, на некоторый момент времени определяется по формуле:

uобщ = 100 - 0,01(100 - uг)(100 - uв),                                            (25)

где uв - степень консолидации основания при вертикальной фильтрации воды из грунта основания;

uг - то же при горизонтальной фильтрации.

Практические расчеты срока уплотнения ведутся с помощью графиков консолидации при вертикальной и горизонтальной фильтрации (рис. 40 - 41).

156. Расчет проводится в следующем порядке:

а) выбирается диаметр дрен d для торфяных грунтов порядка 20 - 30 см, для глинистых - 40 - 50 см;

б) назначается расстояние между дренами l;

в) определяется отношение расстояния между дренами к диаметру ;

г) вычисляется величина фактора времени при фильтрации воды в горизонтальном направлении по формуле:

                                                        (26)

где Kг - коэффициент фильтрации сжимаемого слоя при фильтрации воды в горизонтальном направлении;

eср - среднее значение коэффициента пористости грунта;

D - объемный вес воды;

аг - коэффициент сжимаемости при сжатии в горизонтальном направлении;

l - расстояние между дренами;

Т - требуемый срок консолидации.

Величина Тг может быть определена по формуле с использованием результатов непосредственных испытаний на консолидацию:

                                                           (27)

где Сг - коэффициент консолидации, определенный в опыте при горизонтальной фильтрации воды из образца;

д) по графику зависимости степени консолидации слоя от фактора времени находят степень консолидации при горизонтальной фильтрации для данного п;

Рис. 40. График определения степени консолидации при горизонтальной фильтрации

Рис. 41. График определения степени консолидации при вертикальной фильтрации

е) вычисляется величина фактора времени при вертикальной фильтрации по формуле:

                                                     (28)

где Kв - коэффициент фильтрации сжимаемого слоя при фильтрации в вертикальном направлении;

ав - коэффициент сжимаемости при сжатии в вертикальной плоскости;

Н - мощность слабого слоя при односторонней или половина мощности при двухсторонней фильтрации;

либо по формуле:

                                                           (29)

где Св - коэффициент консолидации, определенный в опыте при вертикальной фильтрации;

ж) по графику зависимости степени консолидации от фактора времени находят степень консолидации при вертикальной фильтрации воды из грунта основания (см. рис. 40 - 41)

з) по найденным значениям ив и иг определяет значение иобщ.

Расчет повторяют до тех пор, пока при некотором значении l степень консолидации на заданный момент времени будет соответствовать заданному значению (например, 90 %).

157. Песок для заполнения вертикальных дрен должен иметь коэффициент фильтрации не менее 6 м/сутки. Нижняя часть насыпи в этом случае обязательно отсыпается из хорошо фильтрующего материала с коэффициентом фильтрации не менее 3 м/сутки.

158. Для устройства дрен первоначально в основании насыпи отсыпается рабочий слой из песка мощностью 0,6 - 2,0 м в зависимости от несущей способности слабых грунтов и веса механизмов.

159. Величину осадки и устойчивость насыпи следует рассчитывать, руководствуясь указаниями пп. 121 - 144. При вычислении объемов земляных работ необходимо вводить поправку на объем, занятый дренами.

160. Общая толщина насыпного слоя на основании с вертикальными дренами не должна быть меньше 2,5 м.

б) Основания с дренажными прорезями

161. При мощности слабого слоя менее 4 м вместо вертикальных дрен могут быть применены дренажные прорези, не требующие специального оборудования для их сооружения. Дренажные прорези можно устраивать только в грунтах, способных удерживать вертикальные стенки в течение времени, необходимого для заполнения прорези песком.

162. Расстояние между дренажными прорезями ориентировочно назначается в пределах 1,8 - 2,4 м и проверяется расчетом.

Песок, используемый для заполнения прорезей, должен иметь коэффициент фильтрации не менее 3 м/сутки.

163. Расчет дренажных прорезей аналогичен расчету вертикальных дрен и осуществляется с помощью номограммы (рис. 42).

в) Частичное удаление слабого грунта

164. Метод частичного удаления слабого грунта предназначен, главным образом, для ускорения первичной (фильтрационной) осадки. Этот метод можно применять также для некоторого повышения несущей способности основания за счет удаления наиболее слабого слоя.

Целесообразно рассмотреть данный метод как возможный вариант в следующих случаях:

а) грунт подчиняется законам фильтрационной консолидации (показатель степени консолидации п близок к 2);

б) сжимаемость грунта слабой толщи понижается, а прочность возрастает с глубиной.

Рис. 42. График расчета консолидации слоя водонасыщенного грунта с дренажными прорезями

165. Конечная осадка насыпи и ход ее во времени при частичном удалении слабого грунта определяется способами, аналогичными изложенным.

Величину фактически действующей нагрузки при расчете конечной величины осадки устанавливают по формуле:

pфакт = pрасч + pу = pрасч + (gн - gу) × hу,                                           (30)

где pрасч - величина, определяемая по формулам (8), (9), (17);

gн - средневзвешенное значение объемного веса (с учетом взвешивания) насыпного грунта, уложенного на месте удаленного;

gу - средневзвешенное значение объемного веса удаленного грунта (с учетом взвешивания);

hу - толщина заменяемого слоя.

166. Устойчивость насыпи при частичном удалении слабого грунта определяется методом, аналогичным изложенному в пп. 139 - 140.

Величина фактической нагрузки определяется по формулам (8), (9), (17), (30).

Д. Конструктивные мероприятия по обеспечению устойчивости основания насыпи

а) Метод предварительного осушения

167. Метод предварительного осушения предназначен для повышения несущей способности основания и снижения величины осадки отсыпаемой насыпи.

Метод может применяться при высоком горизонте грунтовых вод и возможности существенно понизить этот горизонт путем применения мелиоративных мер до начала строительства. Сущность метода заключается, главным образом, в исключении благодаря понижению грунтовых вод эффекта взвешивания толщи, в результате чего происходит ее уплотнение под воздействием нагрузки от собственного веса еще до возведения насыпи. Это снижает сжимаемость толщи и повышает сопротивляемость грунта сдвигу к моменту возведения насыпи.

Метод рекомендуется применять во всех случаях, когда это возможно, как самостоятельный или в сочетании с другими методами.

168. Если согласно расчетам, несмотря на технологические меры и изменение конструкции основания, нельзя возвести насыпь (требуемой высоты) наиболее простой конструкции из-за невозможности обеспечить устойчивость основания, необходимо рассмотреть варианты усиления конструкции самой насыпи, направленные на обеспечение требуемой устойчивости ее основания.

Такими вариантами могут быть:

а) уположение откосов насыпи;

б) устройство насыпи с пригрузочными бермами;

в) устройство легких насыпей (для автомобильных дорог);

г) насыпи на сланях;

д) эстакады.

б) Уположение откосов

169. Уположение откосов насыпи обеспечивает повышение устойчивости за счет увеличения величины безопасной нагрузки. При уположении откосов увеличивается отношение 2а/B, в связи с чем уменьшается значение функции b, входящей в формулу безопасной нагрузки (п. 140). При расчете по кругло-цилиндрическим поверхностям скольжения ориентировочно можно считать, что при уположении откосов от 1:1,5 до 1:10 у насыпей высотой h = 1 - 5 м величина напряжения на сдвиг по критической поверхности скольжения, %, снижается, как указано в табл. 18.

Таблица 18

Высота насыпи, м

Напряжение на сдвиг, %, при крутизне откосов 1:п

1:1,5

1:2

1:3

1:5

1:10

1

100

90

78

64

51

3

100

92

84

78

70

5

100

95

90

85

80

170. Практически требуемую крутизну следует устанавливать путем расчета 3 - 4 вариантов насыпи с различной крутизной откосов и построения графика зависимости безопасной нагрузки от крутизны откосов. Далее по указанному графику устанавливается величина заложения откосов, соответствующая условию равенства безопасной нагрузки проектной pбез = pрасч.

Проектную и безопасную нагрузки определяют в соответствии с указаниями пп. 67 - 68, 139 - 141 для различных расчетных схем.

в) Насыпь с пригрузочными бермами

171. Если расчеты показывают, что для обеспечения устойчивости необходимо устройство слишком пологих откосов (положе 1:3 - 1:4), то в случае насыпи высотой более 2 м следует рассмотреть в качестве варианта конструкцию насыпи с пригрузочными бермами. При этом в задачу расчета входит определение требуемой высоты и длины пригрузочных берм.

172. Максимальную толщину пригрузочных берм при быстрой их отсыпке ориентировочно можно установить из выражения:

                                                         (31)

где gн - объемный вес грунта бермы;

с - сцепление грунта основания;

Mj - некоторая функция угла внутреннего трения грунта основания, значение которой устанавливается по табл. 19.

Таблица 19

j, град

0

10

20

30

Mj

3,14

4,2

6,7

7,9

173. Требуемую высоту пригрузочных берм ориентировочно можно вычислить по формуле:

                                                        (32)

где pрасч - проектная нагрузка от насыпи заданной высоты при трапецеидальном очертании;

pбез - безопасная нагрузка трапецеидальной насыпи заданной высоты;

 - средневзвешенный объемный вес грунта пригрузочных берм.

Значения pрасч и pбез могут определяться для условий быстрой и медленной отсыпки в соответствии с указаниями пп. 140 - 141. При установлении  для условий медленной отсыпки величина осадки берм принимается приближенно равной половине величины осадки насыпи (по оси).

174. Требуемую длину пригрузочной бермы lпр ориентировочно можно определить по формулам:

а) при

                                               (33)

б) при

                                     (34)

где H - мощность слабого слоя;

bср - ширина земляного полотна по средней линии;

a - предельный условный угол видимости, зависящий от величины сцепления и угла внутреннего трения грунта слабой толщи (приложение 5).

Угол a можно установить из выражения:

                                         (35)

Практически a определяется графическим построением (см. приложение 5).

175. Правильность назначенных размеров пригрузочных берм следует проверить путем расчета устойчивости основания по методу круглоцилиндрических поверхностей скольжения.

Требуемый коэффициент запаса устанавливается в соответствии с указаниями п. 144.

176. При расчетах насыпи с бермами по методу круглоцилиндрических поверхностей скольжения вес части бермы Qб, ограниченной плоскостью среза, расположенной над площадкой возможного выпора, дает дополнительный удерживающий момент Qб × bб.

Расчет насыпи с бермами аналогичен расчету насыпи без берм. В этом случае должна быть дополнительно учтена сила трения при срезе банкета, развивающаяся в плоскости nt из-за распора. Ориентировочно , где hб - толщина бермы.

Направление силы F¢ принимают под углом j к нормали плоскости nt.

Пример расчета приведен на рис. 37.

177. При установлении необходимых размеров берм расчетом по методу круглоцилиндрических поверхностей скольжения следует рассматривать ряд вариантов берм различной длины и толщины. По длине исследуются варианты, отличающиеся между собой на 2,5 или 5,0 м.

Устанавливая толщину берм h6, рекомендуется рассматривать варианты, при которых отношение hб к толщине насыпи h0 изменяется ступенями: 0,10; 0,20; 0,30; 0,40; 0,50; 0,60.

При необходимости следует проектировать ступенчатые бермы: с большей толщиной у насыпи и меньшей с полевой стороны.

Толщина полевой бермы должна обеспечивать устойчивость насыпи без выпора слабого грунта.

г) Устройство легких насыпей

178. Для повышения степени устойчивости основания автодорожных насыпей в соответствующих случаях рекомендуется использовать для их возведения местные легкие материалы, например шлаки, при наличии их в районе строительства.

Для этой же цели при строительстве автомобильных дорог в отдельных случаях могут быть применены древесные опилки, а также смесь песка с торфом. Подбор состава такой смеси и обоснование возможности ее применения должны осуществляться на основе специальных лабораторных испытаний.

Снижение веса земляного полотна может быть также достигнуто устройством ячеистой конструкции из гравийного материала с добавкой цемента. Подобные конструкции должны проектироваться индивидуально с соответствующим технико-экономическим обоснованием.

д) Насыпи на сланях

179. В отдельных случаях, главным образом на автомобильных дорогах низких технических категорий, могут применяться конструкции земляного полотна на жестких деревянных настилах (сланях).

Назначение подобных конструкций - повышение несущей способности основания и снижение неравномерности осадки в поперечном профиле.

При устройстве жесткого настила несущая способность основания увеличивается на 10 - 20 %.

Условия применения сланей для железнодорожных насыпей указаны в п. 92.

е) Эстакады

180. Эстакады применяются на железнодорожных линиях I и II категорий, если доказана их технико-экономическая целесообразность, при отсутствии местных дренирующих грунтов, глубине торфяных болот более 5 м, подстилаемых неустойчивыми сильносжимаемыми грунтами. Эстакады можно рассматривать как вариант конструкции и на автомобильных дорогах высоких категорий при мощности слабого слоя более 6 м.

4. ТРЕХСТАДИЙНОЕ ПРОЕКТИРОВАНИЕ

181. При трехстадийном проектировании наиболее сложных и ответственных объектов работы выполняются в следующем порядке:

I - выбор типов конструкций насыпей;

II - расчет устойчивости конструкций земляного полотна по данным полевых и лабораторных исследований;

III - разработка рабочих чертежей и проекта организации работ.

IV. НАБЛЮДЕНИЯ ЗА ДЕФОРМАЦИЯМИ ОСНОВАНИЯ ПРИ СООРУЖЕНИИ

НАСЫПЕЙ НА СЛАБЫХ ГРУНТАХ

182. Во всех случаях, когда слабый грунт используется в основании насыпи, а также когда предусматривается отжатие слабого грунта весом насыпи в процессе ее сооружения, необходимо проводить наблюдения за ходом осадки основания.

Все мероприятия по наблюдению за деформациями основания должны быть включены в смету проекта.

183. За осадкой насыпи наблюдают по осадочным реперам, представляющим собой металлическую плиту или сварную решетку из полос шириной 15 - 20 см, толщиной 2 - 3 мм и размерами в плане 1´1 м. Перпендикулярно к плите в ее центре приваривается труба диаметром 1,5 - 2 дюйма и длиной 1,0 м. По мере роста осадки и толщины насыпного слоя трубу наращивают, последовательно навинчивая метровые отрезки, одновременно маркируя их масляной краской. Величину осадки устанавливают путем нивелирования, следя за перемещением верха трубы по отношению к постоянному реперу. Осадочные реперы устанавливают в створах на расчетных поперечниках, намечаемых в проекте.

Рекомендуемое минимальное количество реперов в створе:

а) при сооружении железнодорожных насыпей на однопутном пути без берм - 1 (на оси насыпи); на однопутном пути с бермами - 3 (один на оси и по одному на бермах) и на двухпутном пути - 5 (один на оси, два на бровках и два на откосах);

б) при сооружении автодорожных насыпей при ширине насыпи до 12 м без берм - 1 (на оси насыпи); при ширине насыпи до 12 м с бермами или при ширине более 12 м без берм - 3 (один на оси и по одному на бровках или на бермах); при ширине более 12 м и с бермами - 5 (один по оси, два по бровкам и два по бермам).

184. Для наблюдения за возможными горизонтальными перемещениями и выпором слабого грунта из-под насыпи устанавливают дополнительно марки или деревянные колья диаметром 5 - 10 см по створам вне насыпи. Величину вертикальных перемещений определяют нивелированием, а горизонтальных - теодолитной съемкой или промером лентой как отклонений кольев из створа, так и расстояний от кольев до постоянного репера.

185. Упругие и остаточные осадки железнодорожных насыпей под воздействием подвижной нагрузки замеряют с помощью телескопического репера, состоящего из неподвижной трубы диаметром 1,5 - 2,5 дюйма, основание которой закладывается в минеральном дне, и подвижной трубы большего диаметра, обычно 4 дюйма, заложенной в насыпи на полную ее высоту и воспринимающей ее деформации. Неподвижный репер устанавливают внутри подвижного, который может свободно перемещаться относительно неподвижного. Величина упругих и остаточных осадок при строительстве замеряется мессурой, закрепленной на неподвижном репере. Между подвижным и неподвижным реперами устраивают специальный сальник, предохраняющий систему от засорения песком и заклинивания.

Упругие и остаточные осадки можно измерять с помощью нивелира по колышкам, забиваемым на глубину 25 - 30 см на расстоянии 2 - 2,5 м от оси пути. Точность измерения составляет 1 мм.

Если после сооружения железнодорожного земляного полотна наблюдения за осадкой показали, что суточный темп осадки основания насыпи не превышает 0,5 мм, то следует приступать к испытанию подвижными нагрузками и приемке железнодорожной насыпи. Порядок испытаний и приемки изложен в приложении 6.

186. Параллельно наблюдениям за осадкой насыпи производится контрольное бурение с целью оконтуривания подошвы насыпи, а также определения изменений физико-механических свойств грунтов основания (приложение 7).

ПРИЛОЖЕНИЯ

Приложение 1

МЕТОДИКА ЛАБОРАТОРНЫХ И ПОЛЕВЫХ ОПРЕДЕЛЕНИЙ

ФИЗИКО-МЕХАНИЧЕСКИХ ПОКАЗАТЕЛЕЙ СЛАБЫХ ГРУНТОВ

1. Лабораторные методы

Целью лабораторных испытаний грунтов является определение классификационных показателей, используемых для установления по таблицам расчетных характеристик грунтов и идентификации слоев слабой толщи, а также непосредственное получение расчетных показателей сжимаемости и сопротивления сдвигу. Однако надо иметь в виду, что результаты лабораторных исследований будут достоверны лишь в случае принятия строжайших мер предосторожности при отборе, транспортировке и хранении монолитов слабых грунтов.

Конструкции пробоотборников для слабых грунтов приведены на рис. 1 - 5 данного приложения.

В лаборатории определяют следующие характеристики грунтов: влажность, объемный и удельный вес, гранулометрический (механический) состав, зольность торфа, степень разложения торфа, ботанический состав торфа, пластичность, сжимаемость, сопротивление сдвигу, водопроницаемость.

Влажность грунтов определяют в соответствии с ГОСТом 5180-64.

Торфы в практике иногда также характеризуют относительной влажностью, т.е. отношением веса воды в данной навеске торфа к весу этой навески, выраженным в процентах.

Для неоднородных торфов и илов (особенно ненарушенной структуры) при высокой естественной влажности рекомендуется производить не менее трех параллельных определений влажности, так как между ними возможны значительные расхождения. За окончательный результат принимают среднеарифметическое из двух ближних значений, либо среднеарифметическое из трех значений. При работе с монолитами для контроля влажности следует отбирать одну пробу порядка 100 г с целью получения среднего контрольного значения.

При зондировках торфяной залежи для определения влажности торфа рекомендуется ускоренный метод по ГОСТу 7302-61.

Объемный вес определяют с обязательным соблюдением требований ГОСТа 5182-64, который рекомендует методы: а) режущих колец и б) гидростатического взвешивания.

Для торфа дополнительно к перечисленным можно рекомендовать волюменометрический метод.

Для малоразложившихся торфов метод режущих колец дает большие расхождения из-за трудности правильной обработки отобранного образца обычным ножом и некоторой его деформации при перерезании неразложившихся растительных остатков во время отбора образцов. Поэтому в таких торфах образцы отбирают специальными стаканами объемом 500 см3 или 1000 см3.

Если объемный вес грунта определяется не на месте, то кольца должны быть снабжены притертыми крышками.

Волюменометрический метод заключается в измерении объема образца торфа в специальном приборе (волюменометре) системы Инсторфа. Прибор состоит из стеклянного сосуда объемом около 200 см3, диаметром около 350 мм, и сообщающейся с ним трубки диаметром 5 мм с миллиметровой шкалой. Трубка предварительно градуируется таким образом, чтобы каждому делению шкалы соответствовал определенный объем воды. Перед установлением объемного веса образец торфа взвешивают, а затем помещают в сетчатый каркас и погружают в волюменометр. По трубке устанавливают изменение уровня воды и вычисляют объем исследуемого образца.


Рис. 1. Торфяной бур ТБ-5:

1 - винт; 2 - полуконус; 3 - нож; 4 - сердечник; 5 - ложка

Рис. 2. Грунтонос конструкции Игумнова для взятия монолитов илов и других глинистых грунтов мягкопластичной и скрытотекучей консистенции:

1 - башмак; 2 - направляющая; 3 - резцы; 4 - нижний стакан; 5 - гильза; 6 - верхний стакан; 7 - диафрагма; 8 - головка с конусным переходом

Рис. 3. Грунтонос конструкции Фурса для взятия монолитов илов и других глинистых грунтов мягкопластичной и скрытотекучей консистенции:

1 - лопасть тормозная; 2 - башмак; 3 - лепесток; 4 - нижний стакан; 5 - гильза; 6 - верхний стакан; 7 - головка

Рис. 4. Универсальный грунтонос конструкции ЦНИИСа для отбора монолитов торфов и других болотных отложений со сменными коронками:

I - для слаборазложившихся торфов; II - хорошо разложившихся торфов; III и IV - для минерализованных торфов и пластичных грунтов; V - для сапропелей и илов


Рис. 5. Схема работы грунтоноса АЛТИ:

1 - отверстие под штифт во внутренней штанге; 2 - то же в наружной штанге; 3 - тренога металлическая; 4 - внутренняя штанга; 5 - наружная штанга; 6 - стакан грунтоноса; 7 - поршень с конусом

Удельный вес глинистых незасоленных и засоленных грунтов определяют с учетом требований ГОСТа 5181-64.

Удельный вес торфяных грунтов можно устанавливать по той же методике, что и для засоленных грунтов.

Для получения ориентировочных значений удельного веса торфов рекомендуются испытания в дистиллированной воде с использованием навески влажного торфа. При пересчете вес абсолютно сухой навески торфа устанавливают по формуле

где Р - вес навески влажного грунта, помещенной в пикнометр;

Wc - относительная влажность навески торфа (по отношению к сырому веществу).

Для определения удельного веса торфяных грунтов рекомендуется также использовать прибор УВД-2 конструкции Л.С. Амаряна (Калининский политехнический институт) (рис. 6). Торф в воздушно-сухом состоянии (влажность - 10 - 25 %) подвергается сжатию в закрытой камере под давлением 3500 - 4000 кг/см2. В сжатом состоянии определяется его объем с последующим пересчетом и вычислением удельного веса.

Продолжительность одного испытания составляет 10 - 12 мин (без учета времени, затрачиваемого на определение влажности обычным методом). Навеску торфа, помещенную в матрицу, уплотняют через пуансон под гидравлическим лабораторным прессом. Толщина спрессованного образца вычисляется по показанию индикатора.

Подробные указания по использованию прибора содержатся в прилагаемой к нему инструкции.

Гранулометрический (механический) состав. На результаты анализа большое влияние оказывает подготовка грунта к гранулометрическому анализу. Основным способом предварительной подготовки глинистых грунтов к гранулометрическому анализу является размачивание, кипячение в дистиллированной воде с аммиаком (или пирофосфатом натрия) и последующее растирание. Грунты, содержащие соли-электролиты, кроме кипячения, иногда подвергаются предварительной отмывке водой до полного удаления водорастворимых солей, вызывающих коагуляцию.

В зависимости от того или иного сочетания перечисленных приемов различают три схемы подготовки грунта к гранулометрическому анализу:

I - подготовка к дисперсному анализу. Грунт приводится в состояние максимальной дисперсности путем замещения всех обменных катионов катионом Na;

II - подготовка к полудисперсному анализу. Грунт приводится в состояние естественно-элементарного расчленения без энергичного химического воздействия;

III - подготовка к агрегатному анализу. В этом случае только размачиваются естественные комки в воде, и грунт в течение часа взбалтывается в специальном аппарате.

Схему подготовки грунта выбирают опытным путем. В случае незначительных расхождений в результатах останавливаются на простейшей.

Для илов с целью получения полной диспергации следует рекомендовать подготовку по I схеме с применением пирофосфата натрия. Гранулометрический состав илов рекомендуется определять на образцах с естественной влажностью, не допуская их высушивания и агрегирования. Воздушно-сухие образцы могут быть использованы только в тех случаях, когда есть уверенность в том, что высушивание их на воздухе не вызывает агрегации.

При подготовке пробы к анализу навеску (не более 5 г в случае высокодисперсных пород) следует тщательно растирать, доводя до состояния густого теста, одновременно добавляя катализатор - 4 %-ный раствор пирофосфата натрия.

Требуемое количество раствора пирофосфата натрия для оптимальной диспергации пород определяется заранее в серии градуированных пробирок. В зависимости от породы оно колеблется от 2,5 до 50 мл на 1 л суспензии. Далее густое тесто постепенно разбавляют водой и переносят всю навеску через сито с отверстиями диаметром 0,1 мм в цилиндр. Пробы суспензии отбирают пипеткой по известной методике [47].

Зольность торфа - это весовое количество золы, оставшееся от сжигания торфа, отнесенное к весу сухой навески и выраженное в процентах.

Различают два вида зольности:

а) зольность конституционную (собственную), которая получается в результате сгорания органического вещества; она обычно составляет 2 - 18 %;

б) зольность наносную, образующуюся в результате приноса в торф минеральных частиц водой извне. Такая зольность может достигать значительных величин.

Наносная зольность может быть определена путем отмучивания oт волокна декантацией.

Рис. 6. Прибор УВД-2 для определения удельного веса торфяного грунта:

1 - подставка; 2 - матрица; 3 - пуансон; 4 - основание; 5 - винт; 6 - индикатор

Обычно определяют суммарную зольность в соответствии с ГОСТом 278-54. Сущность метода заключается в сжигании навески торфа в муфельной печи и прокаливании остатка при температуре 800 ± 25 °С до постоянного веса.

Навески влажного торфа по 6 - 8 г закладывают в предварительно взвешенные тигли № 5 или № 6 (1 - 2 г сухого торфа). Тигли ставят на под холодного или нагретого до температуры не свыше 300° муфеля, помещая их в предварительно определенную термопарой при полном накале муфеля зону устойчивой температуры (800 ± 25°), закрывают дверцу и постепенно нагревают муфель до 800 ± 25°.

При этой температуре прокаливают в течение 2 ч в закрытом муфеле образовавшийся зольный остаток. Потом тигли с зольным остатком вынимают из муфеля, охлаждают сначала на воздухе (на асбестовом или этернитовом листе) в течение 5 мин, а затем в эксикаторе до комнатной температуры и взвешивают с точностью до 0,001 г на аналитических весах.

Затем производят контрольное прокаливание тиглей с зольным остатком в течение 40 мин при температуре 800 ± 25° и после охлаждения и взвешивания определяют изменение веса. Если изменение веса (в сторону уменьшения или увеличения) будет меньше 0,005 г, то испытание заканчивают и для расчета принимают последний вес.

При изменении веса на 0,005 г и более производят дополнительно контрольные прокаливания, каждое в течение 40 мин, до тех пор, пока разность в весе при двух последовательных взвешиваниях будет менее 0,005 г.

Зольность торфа z, %, вычисляется по формуле:

где а - вес тигля с золой, г;

б - вес пустого прокаленного тигля, г;

в - навеска абсолютно сухого торфа.

В случае использования навески влажного грунта одновременно с сжиганием торфа определяется влажность и затем производится пересчет веса влажной навески к абсолютно сухой.

Аналогично определяют потери после прокаливания q для органо-минеральных грунтов, при этом

q = 100 - А,

где А - отношение веса абсолютно сухой навески после и до прокаливания, %.

Степень разложения торфа или степень его гумификации выражается в процентах и представляет собой отношение количества разложившейся части торфа (гумуса), имеющейся в данной навеске, к величине всей навески.

Существующие методы определения степени разложения торфа делятся на две категории: химические и физические.

В полевых и лабораторных условиях целесообразно применение трех наиболее удобных и простых методов: а) микроскопического, б) весового и в) глазомерно-макроскопического.

Микроскопический метод самый простой и быстрый. Он заключается в следующем. Пробу торфа весом 30 - 40 г помещают на листке картона или пергамента, тщательно перемешивают и разравнивают тонким слоем. Из 10 мест образца на 3 предметных стекла помещают по 0,5 см3 торфа, разравнивают тонким слоем, добавляют несколько капель воды и покрывают покровным стеклом. Затем при увеличении в 100 раз рассматривают на каждом стекле в разных его частях до 10 полей зрения и в процентах оценивают площадь, занятую гумусом, относительно всей площади торфа. Степень разложения определяется как среднее арифметическое из всех 30 определений с округлением до 5 %.

Весовой метод основан на технических приемах и общепринятых способах измерения. Для определения степени разложения по этому методу берут пробу весом 50 г и делят на весах на две равные части. Одну из них высушивают в термостате при температуре 105 °С и взвешивают с точностью до второго знака. Вторую часть образца торфа отмучивают струей воды на сите с отверстиями 0,1 - 0,25 мм для отделения гумусовой массы. Отмучивание продолжают до тех пор, пока из сита не будет вытекать прозрачная вода. Оставшиеся в сите промытые растительные остатки высушивают в термостате до абсолютно сухого состояния при температуре 105 °С и взвешивают.

Степень разложения подсчитывается по формуле:

где R - степень разложения;

а - вес абсолютно сухого волокна из отмученной навески;

в - вес абсолютно сухого торфа неотмученной половины.

Глазомерно-макроскопический метод менее точен, но позволяет в полевых условиях установить относительную величину степени разложения отдельных слоев торфяной залежи. Он основан на определении на глаз структуры торфа, его консистенции при сжатии в руке, цвета воды, выделяемой торфом при сжатии, и его упругих свойств.

В настоящее время комплекс признаков визуального определения степени разложения дополнен еще одним показателем - мазком торфа. Этот метод предложен центральной торфяной опытной станцией. Из нескольких мест торфяного образца, вынутого из залежи, отбирается средняя проба объемом 0,5 - 1 см3. Пробу помещают на листе плотной белой бумаги или на странице полевого дневника, где в соответствующей строке указана глубина взятия. Нажимая указательным пальцем на пробу, делают горизонтальный мазок на 5 - 10 см. Следующие мазки из нижележащих горизонтов того же разреза располагают непосредственно один под другим. Получается цветная шкала степени разложения по всему профилю.

Мазки сравнительно быстро подсыхают и могут храниться без существенных изменений в течение длительного времени как документация строения торфяной залежи.

Для оценки степени разложения торфа мазки сравнивают со стандартной шкалой, приведенной в таблице данного приложения.

В проектной документации необходимо обязательно указывать, каким способом определена степень разложения, поскольку различные методы могут давать различные результаты.

Ботанический состав торфа определяется с целью установления вида торфообразователей, входящих в исследуемый тип торфа.

Перед отмучиванием (промыванием) торфа определяется степень засоренности массы минеральными наносами. В стеклянный кристаллизатор, заполненный водой, кладут немного торфа (10 - 15 г), который затем тщательно перемешивают стеклянной палочкой. Смесь отстаивается в течение 2 - 3 мин, после чего воду с волокнами осторожно сливают. По наличию песка или других минеральных примесей, остающихся на дне кристаллизатора, судят о степени засоренности торфа. После этого приступают к промыванию торфа через сито под струей воды для отделения гумуса от растительных остатков. Отмучивание образцов торфа при степени разложения до 40 % производится на сите с диаметром отверстий 0,25 мм, более 40 % - на сите с диаметром отверстий 0,1 мм. Если навеска торфа сухая, то ее перед промыванием разваривают в 10 %-ном растворе NaOH или КОН.

Торф промывают до тех пор, пока из сита не будет вытекать прозрачная вода.

Визуальные показатели для определения степени разложения в полевых условиях

Степень разложения, %

Растительные остатки

Пластично-упругие свойства

Отжимаемая вода

Мазок

До 10

Хорошо сохранились и составляют почти всю массу торфа, различные мхи и остатки осоковой растительности

Торф не мажет руку, отжатая масса пружинит и быстро принимает первоначальный объем

Отжимается легко, бесцветная или слабо окрашенная

Бесцветный или слабожелтый, с большим количеством налипшего волокна

10 - 20

Хорошо сохранились, но измельчены в большей степени

При сжатии в кулаке не продавливается между пальцами; в сжатом торфе заметна упругость

Отжимается легко, мутная, желтая, коричневатая или светло-серая

Желтый или слегка коричневый, светло-серый, имеются налипшие волокна

20 - 35

Сохранились, но определить затруднительно, часть из них гумифицирована

Несколько пластичен, при сжатии в кулаке часть торфа продавливается между пальцами, при растирании мажет руку

Отжимается с некоторым усилием, мутная, коричневатая или бурая

Коричневый или серовато-коричневый, налипшего волокна нет

35 - 50

Заметны, но распознаются трудно, много гумифицированных частиц

Пачкает руку, продавливается значительная часть торфа

Отжимается со значительным усилием, мутная, бурая или коричневая

От коричневого до темно-коричневого с серым и черным оттенком и с гладкой поверхностью

Более 50

Мало заметны или почти незаметны, преобладает гумифицированная масса

Большая часть полностью продавливается между пальцами, пачкает руку

Почти или совсем не отжимается

Темно- или черно-коричневый, хорошо сохраняет отпечатки пальцев

Промытые волокна торфа пинцетом наносят на предметное стекло микроскопа, разравнивают тонким слоем, добавляют несколько капель воды, а затем рассматривают под микроскопом при увеличении примерно в 100 раз. Сфагновые мхи целесообразно предварительно окрасить в 2 %-ном спиртовом растворе генцианвиолета и рассматривать при увеличении в 200 раз.

Отмечают все попадающиеся при передвижке стекла остатки как основных торфообразователей данного образца, так и единичных, руководствуясь [6].

Для определения в процентах количественного соотношения между растительными остатками для одной и той же пробы торфа просматривают до 10 полей зрения, определяя в каждом случае наименование встречающихся растений-торфообразователей и процент занимаемой ими площади в поле зрения микроскопа. Затем определяют среднюю величину из всех просмотров и округляют до 5 %

Вид торфа устанавливается по содержанию основных растений-торфообразователей, количество которых в данном образце превышало 15 %, причем на первом месте ставится торфообразователь, содержащийся в меньшем количестве.

К лесному типу торфа (разновидность Б, табл. 1 настоящих «Методических указаний») относятся ольховый, березовый, еловый, сосновый, ивовый торфы.

К лесотопяному типу (разновидность В) относятся древесно-травяные и древесно-моховые торфы: древесно-осоковый, древесно-тростниковый, древесно-гипновый, древесно-сфагновый.

К топяным и избыточно влажным разновидностям (группы Г и Д) относятся травяные и моховые торфы: хвощевый, тростниковый, осоковый, гипновый, сфагновый, фускум-торф, медиум-торф.

Пластичность. Границу текучести грунтов устанавливают в соответствии с ГОСТом 5184-64, границу раскатывания - по ГОСТу 5183-64.

Подготовку илов и сильноразложившихся торфов к определению пределов пластичности следует производить с соблюдением п. «б» указанных ГОСТов. В соответствии с этим пунктом для испытания берут пробу влажного грунта, к которому добавляют дистиллированную воду, или, наоборот, удаляют излишек влаги с помощью промокательной бумаги.

При этом следует учитывать, что при пересушивании слабых грунтов коллоиды коагулируют и грунты становятся менее пластичными.

Сжимаемость. Изменение объема под влиянием сжатия (компрессии) от действующих внешних нагрузок в условиях невозможности бокового расширения характеризует компрессионные свойства слабых грунтов.

Слабые грунты относятся к сильносжимаемым материалам ввиду высокой пористости. Объем грунта под нагрузкой изменяется за счет удаления из пор воды и воздуха. Влияние воздуха на компрессионные свойства слабого грунта невелико.

Сжимаемость слабого грунта должна определяться вслед за отбором образцов, пока не претерпели изменения их естественные свойства, такие, как структура, пористость и влажность в естественном состоянии.

Для упрощенных испытаний, результаты которых используются на первой стадии проектирования, необходимо иметь не менее 6 образцов из каждого расчетного слоя, значения показателей состава и состояния которых позволяли бы считать их идентичными и характеризующими слой в целом.

Компрессионные испытания слабых грунтов могут производиться на стандартных приборах, используемых для испытаний обычных грунтов, с рабочим кольцом диаметром 7,14 см и высотой 2 см. Для испытаний (особенно торфов) может быть рекомендован также компрессионный прибор с максимальной площадью образца 60 см2, высотой 3 см, с двумя мессурами на штампе, не требующими перестановки нуля.

Сжимаемость образцов слабых грунтов определяют при ненарушенной структуре с принятием мер, исключающих подсушивание образца грунта в процессе опыта (например, под водой).

Перед опытом замеряют штангенциркулем диаметр и высоту кольца с точностью до 0,1 мм и взвешивают его на технических весах с точностью до 0,01 г. Монолит грунта, предназначенный для испытания, очищают от парафина и подсохшего верхнего слоя. При наличии большого монолита из шурфа удобнее всего разрезать его ножом или упругой стальной проволокой на блоки, превышающие размерами диаметр кольца.

Кольцо устанавливают режущим краем на выровненную поверхность монолита или стенки выработки, медленно вдавливают в грунт (для торфов с небольшим поворотом кольца) и срезают грунт по наружному периметру кольца. Необходимо при этом следить, чтобы кольцо погружалось вертикально, без перекосов, которые могут вызвать нарушение структуры грунта и исказить величину объемного веса.

Ввиду небольшой прочности структурных связей слабых грунтов следует обратить особое внимание на качество вырезки образца, так как от ее тщательности зависят точность определения физических свойств грунтов и точность замера осадки.

В процессе подготовки образца грунта к испытаниям необходимо следить, чтобы грунт не выкрашивался, а также чтобы стенки кольца и боковой поверхности образца вплотную прилегали друг к другу. При нарушении естественной структуры образец бракуют.

После заполнения грунтом кольца на него устанавливают насадку, что позволяет вдавливать его с превышением высоты на 3 - 4 мм. Затем насадку снимают и осторожно прямым лезвием ножа срезают грунт в уровень с краями кольца. Эту операцию выполняют очень тщательно, чтобы получить определенный объем образца.

При зачистке поверхностей образца происходит нарушение структурных связей, приводящее к увеличению деформаций образца при испытании. Величина зоны нарушения структуры зависит от вида и состояния грунта и других показателей. Структура образца может нарушаться на глубину до 2 мм от его открытой поверхности.

Под кольцом грунт подрезают на конус и отделяют от монолита или грунтового массива. В случае мягкопластичных грунтов кольцо с грунтом отделяют от монолита стальной упругой тугонатянутой проволокой. Образец кладут на стеклянную пластинку и грунт с другой стороны образца срезают в уровень с краями кольца. Кольцо с грунтом взвешивают с точностью до 0,01 г и ставят на днище предварительно протарированного прибора.

Одновременно из грунта, непосредственно прилегающего к образцу, берут 2 - 3 пробы для определения влажности и удельного веса. Прибор в собранном виде ставят под пресс, показание индикатора устанавливают на отсчет, близкий к нулю (удобнее на нуль), и записывают в журнал как начальный.

Испытывая грунты при естественной плотности и влажности, тщательно предохраняют их от высыхания. Для этого в местах контакта деталей прибора, где может испаряться влага, прокладывают влажную вату или марлю. При испытании образцов грунта в водном окружении спустя 2 мин после приложения первой ступени нагрузки через бюретку заполняют прибор водой до появления ее в отверстиях штампа. Чтобы удалить воздух из прибора в процессе подачи воды к образцу, второй штуцер должен быть открыт, пока в нем не появятся капли воды. Уровень воды в бюретке устанавливают по верхней грани рабочего кольца и поддерживают на протяжении всего времени испытаний образца.

При предварительном насыщении грунта водой (в случае засоленных грунтов) прибор с образцом ставят под пресс и опускают винт арретира так, чтобы грунт не мог набухать. Если рычаг пресса был недостаточно закреплен и индикатор показал набухание образца, то арретиром возвращают показание индикатора на начальный отсчет. Насыщать образец лучше грунтовой водой, взятой из места отбора образцов, или специальным раствором - грунтовой вытяжкой. При небольшой минерализации можно пользоваться обычной водопроводной водой. В бюретку наливают воду теперь уже выше уровня поверхности грунта в приборе и оставляют в таком состоянии минимум на двое суток для суглинков и глин, а для жирных глин - до четырех суток.

Проведение испытания. После подготовки образца к испытаниям определяют его сжимаемость. При обычной методике нагрузки к образцам прикладывают последовательно возрастающими ступенями.

Для образцов глинистых грунтов текучей консистенции (В > 1) и сапропелей рекомендуются следующие ступени нагрузок: 0,02; 0,03; 0,05; 0,1; 0,2; 0,3; 0,5; 0,75; 1,0; 1,5; 2,0 кг/см2 и т.д. до заданной максимальной нагрузки. В зависимости от состояния грунта количество ступеней может быть сокращено. Для пластичных глинистых грунтов и торфов рекомендуются ступени нагрузки: 0,1; 0,2; 0,3; 0,5; 0,75; 1,0; 2,0 кг/см2 и т.д.

Отсчеты показаний индикатора после приложения каждой ступени нагрузки производят через 1, 2, 3, 5, 10, 20, 30 мин, 1 ч, 2 ч и далее 2 раза в сутки. Каждую ступень нагрузки выдерживают до стабилизации осадки образца. Осадка считается стабилизировавшейся, если показания индикатора изменяются не более чем на 0,01 мм за 24 ч для илов, за 12 ч для глин, торфов и суглинков и за 6 ч для супесей.

Примечание. При больших осадках образца, приводящих к сильному опусканию рычага пресса, следует выравнивать рычажную систему после завершения осадки от каждой ступени нагрузки, затем брать нулевой отсчет индикатора, после чего прикладывать следующую ступень нагрузки.

При ускоренных испытаниях каждая ступень нагрузки прикладывается через сутки, причем под последней нагрузкой образец выдерживают до тех пор, пока деформация не будет менее 0,01 мм за указанные выше интервалы времени.

Максимальная нагрузка на образец должна превышать проектную на 10 - 20 %. По достижении осадки от последней ступени нагрузку полностью снимают. Из прибора вынимают кольцо с образцом. Кольцо с влажным грунтом взвешивают без фильтров с точностью до 0,01 г.

После опыта получают значение объемного веса либо замером объема образца в кольце, либо парафинированием. Берут пробы на определение влажности.

Обработка результатов испытаний проводится в обычном порядке: вычисляют коэффициенты пористости для каждой ступени нагрузки и значения модулей осадки, строят компрессионные кривые e = f(р), и ep = f(р), вычисляют коэффициенты сжимаемости а и модуль деформации Е.

Компрессионная кривая слабого грунта в виде e = f(р) выражает зависимость между коэффициентом пористости грунта и нагрузкой. Для ее построения на оси абсцисс откладывают нагрузки в кг/см2, а на оси ординат - соответствующие им значения коэффициента пористости.

Коэффициент пористости грунта e для всех ступеней нагрузок (по заданию) вычисляют по формуле:

где e0 - начальный коэффициент пористости грунта;

Dh - величина, на которую изменилась высота образца после стабилизации уплотнения грунта от той или иной ступени нагрузки, мм;

hпр - приведенная высота образца, мм,

h - начальная высота образца, мм.

Модуль осадки ер, мм/м, определяют по формуле:

Коэффициент сжимаемости грунта а, см2/кг, вычисляют по формуле:

где p1 и p2 - нагрузки на грунт, кг/см2;

e1 и e2 - соответствующие коэффициенты пористости.

В интервалах нагрузок, для которых определялся коэффициент сжимаемости а, по результатам компрессионных испытаний (при отсутствии бокового расширения) можно вычислить компрессионный модуль деформации грунта Е, кг/см2:

На второй стадии проектирования компрессионные испытания усложняют (определяют сжимаемость во времени, проводят испытания с различными высотами образцов и различным отжатием воды) для получения расчетных данных по консолидации слабого грунта во времени и получения показателя степени консолидации п.

Для каждой сравнительной серии испытаний требуется не менее 12 образцов.

При определении консолидации образца грунта во времени каждый из образцов вначале подвергается предварительному обжатию под нагрузкой, равной средней природной нагрузке для рассматриваемого слоя. Последнюю можно определить по перегибу начального участка компрессионной кривой, построенной по результатам испытаний с малыми ступенями нагрузки. Допускается вычислять природную нагрузку по формуле:

рпр = gср × z,

где gср - средний объемный вес грунта, расположенного выше середины рассматриваемого слоя с учетом в необходимых случаях эффекта взвешивания;

z - расстояние по вертикали от поверхности грунта до середины рассматриваемого слоя.

После предварительного обжатия под природной нагрузкой каждый образец взвешивают, затем вновь помещают под природную нагрузку, после чего испытывают под одной ступенью дополнительной нагрузки. Величину ступеней назначают с учетом возможной величины реальной нагрузки (в том числе и с учетом возможной временной пригрузки). При расчете невысоких насыпей (до 5 - 6 м) обычно нужно принимать следующие ступени (величина нагрузки - сверх природной): 0,1; 0,2; 0,5; 0,75; 1,0; 2,0 кг/см2.

Процесс деформации каждого образца под воздействием приложенной к нему ступени нагрузки фиксируется по показанию мессур. Одновременно строят два графика относительной осадки во времени: один - зависимость относительной осадки от логарифма времени, другой - зависимость осадки от квадратного корня из времени (время в минутах). По графикам устанавливают величину мгновенной фильтрационной и вторичной (для торфов) осадки.

Опыт продолжают в обязательном порядке до завершения первичной осадки. Далее получают несколько точек, соответствующих участку вторичной консолидации, через которые проводят прямую линию (в полулогарифмическом масштабе). Указанную прямую экстраполируют до тех пор, пока интенсивность деформации не будет менее 0,01 мм/сутки. Осадку, соответствующую моменту достижения этой интенсивности, принимают за конечную.

По всем полученным данным строят осредненные зависимости:

а) полной относительной осадки от величины дополнительной нагрузки;

б) осадки, отвечающей моменту завершения фильтрационной консолидации от нагрузки;

в) мгновенной осадки от нагрузки.

Кроме того, строят аналогичные зависимости влажности грунта от дополнительной нагрузки и при необходимости коэффициента пористости от дополнительной нагрузки.

Для более точного определения показателя степени консолидации п, вычисляемого из формулы  проводят один из типов испытаний: а) с различными высотами образцов и б) при одностороннем и двухстороннем отжатии воды.

Испытания образцов с различной высотой рекомендуется производить на стабилометрах, что позволяет максимально увеличить интервалы между высотами образцов. Экспериментально устанавливается зависимость t = f(h) из графиков зависимости U = f(t), по которым для заданного процента консолидации определяется время сжатия каждого образца t1, t2, t3. Испытывают три образца с различными высотами, которые желательно назначать с таким расчетом, чтобы 2h1 = h2 и 2h2 = h3, например: 2,75; 5,5 и 11 см.

Указания по проведению испытаний и составлению графиков имеются в [19].

Опыты с разными условиями отжатия воды проводятся аналогичным порядком на компрессионных приборах, при одностороннем отжатии принимают меры по изоляции одной из граней образца (ставят образец на сплошную, неперфорированную пластину или закрывают ее резиновым кружком).

Сопротивление сдвигу слабых грунтов лаборатории оценивается путем испытаний в приборах прямого сдвига или трехосного сжатия.

При оценке сопротивляемости слабых грунтов сдвигу в лаборатории следует исходить из теории «плотности-влажности», в соответствии с которой сопротивляемость практически полностью водонасыщенного грунта сдвигу spW в общем виде выражается как

spW = p × tgjW + cW,

где р - полное нормальное давление на площадке сдвига, кг/см2;

jW - угол внутреннего трения, зависящий от плотности-влажности грунта в момент сдвига;

cW - сцепление, также зависящее от плотности-влажности грунта в момент сдвига, кг/см2.

При этом

cW = åW + сc,

где åW - часть полного сцепления, имеющая водно-коллоидную природу;

сc - часть полного сцепления, обусловленная наличием невосстанавливающихся связей.

Задача испытаний сводится к установлению зависимости угла внутреннего трения jW, и сцепления cW от влажности в зоне сдвига, что достигается в результате сдвига под несколькими (не менее трех) нормальными нагрузками нескольких образцов, имеющих различные плотности-влажности.

Величины нормальных нагрузок при сдвиге следует назначать с учетом величины фактической нагрузки, которая будет действовать на основание в данном конкретном случае в реальных условиях.

Максимальная нормальная нагрузка при сдвиге не должна, как правило, превышать более чем на 0,2 - 0,3 кг/см2 проектную нагрузку, определяемую по указаниям пп. 67 - 70 основного текста (с учетом возможной величины временной пригрузки, если предполагается применять этот метод).

Кроме максимальной нормальной нагрузки, назначаются еще не менее двух меньших нормальных нагрузок, под которыми будет осуществляться сдвиг. Их величины выбираются с таким расчетом, чтобы интервал от максимальной до нулевой нагрузки был разбит примерно на равные отрезки.

Под каждой из выбранных нормальных нагрузок производится сдвиг, как правило, не менее четырех идентичных образцов, имеющих различную влажность в момент сдвига.

Различия во влажности образцов в момент сдвига можно достигать следующими путями:

а) выдерживанием каждого из образцов, предназначенных для сдвига при одной и той же нормальной нагрузке, различное время под той нагрузкой, при которой производится сдвиг.

В этом случае первый образец сдвигается немедленно после приложения заданной нормальной нагрузки, второй образец сдвигается только после выдерживания его под данной нагрузкой до практически полного завершения консолидации, а два других образца перед сдвигом выдерживаются под нагрузкой с таким расчетом, чтобы их влажность в момент сдвига имела два различных промежуточных значения в интервале между влажностями первого и второго образцов.

При испытании в сдвиговых приборах предварительное выдерживание образцов под нагрузкой может проводиться как в самых сдвиговых приборах (до установки зазора), так и в приборах предварительного уплотнения;

б) выдерживанием образцов различное время под одной достаточно большой по величине нагрузкой, величина которой должна быть не меньше максимальной нормальной нагрузки при сдвиге. Предельное значение уплотняющей нагрузки определяется возможностью передать ее на образец без выдавливания грунта в щели. Чем больше нагрузка (в пределах возможного), тем меньше времени будет затрачено на испытание. В этом случае по одному образцу под каждой нормальной нагрузкой испытывается без предварительного выдерживания под уплотняющей нагрузкой;

в) выдерживанием образцов до практически полной консолидации под различными нагрузками, наибольшая из которых должна быть примерно вдвое больше максимальной нормальной нагрузки при сдвиге. Четыре образца из серии в этом случае также не подвергаются предварительному уплотнению.

Уплотняющие нагрузки должны назначаться с таким расчетом, чтобы охватывать интересующий нас диапазон влажностей, а также дать возможность уверенно экстраполировать кривые в области высоких влажностей. При выборе нагрузок предварительного уплотнения целесообразно ориентироваться на результаты компрессионных испытаний данного грунта. Таким образом, в результате предварительного уплотнения одним из указанных способов имеют: 3 образца, не подвергавшихся предварительному уплотнению, т.е. при природной (максимальной) влажности; 3 образца, максимально уплотненные (с минимальной влажностью), и две группы по 3 образца, каждая из которых имеет некоторую промежуточную (между максимальной и минимальной) влажность.

Каждый из трех образцов группы испытывается на сдвиг под одной из принятых нормальных нагрузок. Интенсивность приложения сдвигающей нагрузки (ступенчатой или непрерывной) рекомендуется назначать с таким расчетом, чтобы сдвиг образца происходил не более чем за 3 - 10 мин.

При ступенчатом приложении нагрузки (гирями) очередную ступень следует прикладывать, не дожидаясь прекращения деформации от предыдущей ступени. Достаточно убедиться, что деформация сдвига, регистрируемая мессурой, носит затухающий характер. Это устанавливается путем сопоставления 4 - 5 отсчетов по мессуре, взятых с интервалом в 3 - 5 сек.

При использовании ступенчатой нагрузки целесообразно принимать небольшие ступени - 100 - 200 г на рычаг в зависимости от консистенции грунта.

Сдвиг считается завершенным в случае получения незатухающей деформации, заканчивающейся «срывом» образца. При применении автоматического записывающего устройства момент сдвига определяется непосредственно по диаграмме.

Немедленно после завершения сдвига и извлечения образца из зоны сдвига образца отбирают пробы грунта на влажность. Если произошел «срыв», пробы следует отбирать из обеих половинок образца.

Результаты испытаний наносят в виде точек на сетку координат, по оси абсцисс которой откладывают влажность грунта W в зоне сдвига в процентах, а по оси ординат - значения сопротивляемости сдвигу spW. Точки, относящиеся к одной и той же нормальной нагрузке при сдвиге, обозначают одинаковыми значками. Далее через эти точки проводят осредняющие кривые, каждая из которых представляет собой зависимость сопротивляемости грунта сдвигу при данной нормальной нагрузке от влажности.

Полученный график перестраивают в зависимости сопротивляемости сдвигу от нормальной нагрузки spW = f(p) для различных влажностей. Последние зависимости принимаются прямолинейными (через экспериментальные точки проводят осредняющие прямые), причем угол наклона каждой из таких прямых к оси абсцисс принимается за угол трения грунта при данной влажности, а отрезки, отсекаемые ими на оси ординат, - за сцепление грунта при той же влажности.

Определенные графические значения сцепления и углов трения наносят на графики, устанавливающие зависимости сцепления и угла внутреннего трения от влажности грунта. Последние могут непосредственно использоваться для определения расчетных параметров сопротивляемости грунта сдвигу при любой интересующей проектировщика влажности, т.е. на любой стадии консолидации грунта основания.

Величина структурного сцепления сс может быть определена по сопоставлению результатов испытания на сдвиг образцов с ненарушенной структурой и аналогичных образцов, предварительно разрезанных по плоскости сдвига и выдержанных перед сдвигом под нагрузкой, эквивалентной их плотности-влажности.

При обработке результатов сдвиговых испытаний следует графики зависимости сопротивляемости сдвигу от влажности строить в полулогарифмическом масштабе (сопротивляемость сдвигу откладывается в логарифмическом масштабе, а влажность - в линейном). В этом случае зависимости spW = f(W) превращаются в прямолинейные, что упрощает осреднение и экстраполяцию, а также позволяет получать искомые зависимости при недостаточном количестве образцов.

Для получения большего числа экспериментальных точек или при недостаточном количестве монолитов можно производить два сдвига на одном образце, если его начальная высота - не менее 3 см.

Для замедления отжатия воды из образцов, испытываемых в приборах прямого сдвига без предварительного уплотнения или под нагрузками, превышающими нагрузки предварительного уплотнения, торцы образца следует закрывать резиновыми кружками.

В случае применения для испытаний грунта приборов трехосного сжатия принципы подготовки образцов и проведения испытаний остаются теми же. Различие заключается в том, что по результатам стабилометрических испытаний строят зависимости вертикального напряжения p1 в момент разрушения образца от величины влажности для 2 - 3 значений бокового давления p2. Далее с полученного графика p1 = f(W) для нескольких значений влажности снимают значения p1, соответствующие тому или иному значению р2; по полученным значениям строят круги Мора и, проводя к ним касательные, определяют величины сцепления и угла трения обычным порядком, после чего строят искомые зависимости сW = f(W) и jW = f(W).

Подготовленные образцы рекомендуется испытывать в быстром темпе (за 3 - 10 мин) в условиях закрытой системы.

Для получения ориентировочных данных о сопротивляемости слабых грунтов сдвигу в состоянии, соответствующем их природной плотности и влажности, при недостаточном количестве образцов на первой стадии проектирования может применяться методика быстрых сдвигов. В этом случае удобно использовать сдвиговые приборы с наклонными столиками. Следует прикрывать торцы образцов топкими резиновыми пластинками для снижения скорости уплотнения.

Водопроницаемостью грунтов называют способность их пропускать сквозь себя воду.

Численно водопроницаемость характеризуется показателем, называемым коэффициентом фильтрации Kф, который представляет собой скорость фильтрации при напорном градиенте I, равном единице Vф = Kф × I. Выражают коэффициент фильтрации в см/сек или в м/сутки. Коэффициент фильтрации используется при расчетах осадки во времени, песчаных дрен, дренажных устройств и т.д.

Существуют несколько методов определения коэффициента фильтрации грунтов:

а) непосредственное лабораторное в фильтрационных приборах;

б) косвенное, путем вычисления по данным компрессионных испытаний;

в) полевое с помощью опытной откачки.

Наиболее надежные результаты для расчета осадки во времени дает определение коэффициента фильтрации по данным компрессионных испытаний.

Коэффициент фильтрации у слабых грунтов определяют на образцах с ненарушенной структурой. Для анизотропных торфов и илов рекомендуется определять коэффициент фильтрации в горизонтальном и вертикальном направлениях образца.

При прямых фильтрационных испытаниях коэффициент фильтрации может быть установлен в лабораторных условиях в специальных фильтрационных приборах (например, ПВ и др.) или в компрессионном приборе, специально оборудованном бюретками с делениями и устройствами, обеспечивающими поступление воды под давлением и ее отвод.

Коэффициент фильтрации в этом случае определяют для естественного состояния образца (без нагрузки), в условиях максимальной расчетной для данного основания нагрузки и под одной-двумя промежуточными ступенями нагрузки. Фильтрацию воды начинают после полного завершения консолидации образца под заданной ступенью нагрузки.

Коэффициент фильтрации рассчитывается по формуле:

где Q - расход воды, см3/сек;

l - длина пути фильтрации, равная высоте образца грунта, см;

Н - напор, см;

F - площадь сечения образца, см2;

t - продолжительность фильтрации, сек.

2. Полевые методы

Полевые методы исследований дают возможность, во-первых, исследовать свойства слабых грунтов, образцы которых невозможно отобрать для испытания в лаборатории, и, во-вторых, более полно оценить строительные качества грунтов, образцы которых испытаны в лаборатории. Использование полевых методов исследования свойств грунтов позволяет во многих случаях снизить стоимость изысканий и, что еще важнее, стоимость строительства.

Полевые методы исследования применяются для непосредственного исследования строительных свойств слабых грунтов в условиях их естественного залегания. Они лишены ряда недостатков лабораторных методов испытаний. В лаборатории, например, даже при высокой тщательности нередко слабый грунт испытывается с некоторым нарушением структуры. Это нарушение структуры происходит в процессе отбора образца, при его транспортировке, а также при обработке в лаборатории и накладывает отпечаток на результаты лабораторных определений.

Однако надо иметь в виду, что полевые методы исследования позволяют определять свойства грунтов только в условиях их естественного залегания и не дают возможности выяснить, как изменяются эти свойства при изменении условий, например, в связи с возведением насыпи. Поэтому полная оценка строительных свойств грунтов может быть получена лишь при правильном сочетании полевых и лабораторных методов исследования.

В настоящее время широкое распространение приобрело исследование грунтов путем вращательного среза в скважинах с помощью лопастных приборов - крыльчаток (для получения параметров сопротивления сдвигу), испытание грунтов штампами (для определения модуля деформации), зондирование грунтов (для определения прочности грунтов); находит применение метод прессиометра (для нахождения модуля деформации грунта в скважинах) и др.

Метод вращательного среза, испытание грунта штампами и зондирование получили повсеместное распространение при исследовании глинистых грунтов текучей и пластичной консистенции. В последние годы их стали широко использовать при исследовании торфов.

Указания по оборудованию и порядку проведения испытаний излагаются в специальных руководствах.

Испытание грунтов на сдвиг лопастными приборами состоит в измерении максимального крутящего момента, возникающего при срезе грунта во время вращения в нем крестообразной лопасти, помещенной в грунт.

Для некоторых разновидностей избыточно увлажненных торфов и илов текучей консистенции испытание лопастным прибором - единственный метод определения сопротивления грунта сдвигу ввиду невозможности отобрать в таких грунтах образцы для лабораторных испытаний.

Испытания лопастным прибором дают возможность установить два свойства слабого грунта: сопротивление сдвигу, которое оказывается близким по величине к половине прочности на одноосное сжатие, и чувствительность (структурную прочность), которая характеризует влияние нарушения структуры на прочность грунта и определяется отношением между сопротивлением грунта сдвигу в ненарушенном и нарушенном состояниях.

При этом следует учитывать, что испытания лопастным прибором не позволяют определить раздельно величины сцепления С и угла внутреннего трения j.

При использовании данных испытаний грунта лопастными приборами в расчетах обычно принимают, что получаемое общее сопротивление сдвигу равно сцеплению грунта. В зависимости от конструкции прибора и характера слабой толщи испытания могут производиться в скважинах или без бурения скважин.

При применении прибора конструкции ЦНИИСа (см. рис. 4 настоящего приложения) испытания ведут в скважинах. Бурение скважины заканчивают выше отметки очередного испытания с таким расчетом, чтобы крыльчатка при испытании находилась ниже забоя скважины не менее чем на 5D (D - ширина лопастей крыльчатки).

Крыльчатку, опущенную на забой скважины на штангах, вдавливают в грунт до заданной отметки испытания. Вращение крыльчатки осуществляется при помощи специального устройства - головки, устанавливаемой над устьем скважины и соединенной с крыльчаткой штангами.

Вращая крыльчатку со скоростью 0,1 - 0,2° в сек, срезают грунт и фиксируют значение максимального крутящего момента. Погружение в слабый грунт тонкой лопасти не производит существенного нарушения структуры грунта.

По окончании испытания на сопротивление грунта сдвигу производят 2 - 3 полных оборота крыльчатки и фиксируют значение крутящего момента, соответствующее прочности грунта на сдвиг в нарушенном состоянии.

По окончании испытаний на данной глубине прибор снимают, крыльчатку и штанги извлекают, а скважину углубляют для последующего испытания.

Для вычисления сопротивления грунта сдвигу в полученные измерением значения крутящего момента вносят поправки по данным тарировочной таблицы, прилагаемой к каждому прибору. Сопротивление грунтов сдвигу сусл, кг/см2, определяется по формуле:

где Mmax - максимальный крутящий момент, кг × см;

k - постоянная, зависящая от ширины лопасти D и высоты крыльчатки H, см3, и вычисляемая при условии заглубления крыльчатки ниже забоя на глубину не менее 5D по формуле:

Чувствительность грунта определяется как отношение сопротивления грунта сдвигу в ненарушенном и нарушенном состояниях или отношение максимального крутящего момента к моменту, зафиксированному после 2 - 3 полных оборотов крыльчатки.

По степени чувствительности глинистые грунты подразделяются на малочувствительные (чувствительность 1 - 4), чувствительные (4 - 8) и сверхчувствительные (более 8).

Лопастной прибор конструкции ЦНИИСа приведен на рис. 7. В его состав входит крыльчатка четырех типоразмеров:

D, мм

Н, мм

55

110

75

150

75

200

100

200

Для массовых испытаний при зондировании торфяных залежей пластов сапропелем и илов рекомендуется использовать разработанный в Калининском политехническом институте портативный прибор - сдвигомер-крыльчатку конструкции канд. техн. наук Л.С. Амаряна СК-8 (рис. 8). Этот прибор позволяет проводить испытания без бурения скважин. Вес прибора с одной штангой - 3,7 кг. Вес одной штанги - 1 кг, длина - 100 см.

Крутящий момент от сопротивления вращению крыльчатки Мкр измеряется по величине деформации пластины фиксируемой индикатором часового типа.

Рис. 7. Лопастной прибор конструкции ЦНИИСа:

1 - лопасть крыльчатки; 2 - штанга; 3 - соединительная муфта; 4 - центрирующая муфта; 5 - стойка прибора; 6 - головка прибора

Рис. 8. Сдвигомер-крыльчатка СК-8:

1 - крыльчатка; 2 - устройство для учета трения штанг о грунт; 3, 4, 6 - штанги, соединенные резьбовыми переходниками; 5 - измерительная головка с рукояткой; 7 - индикатор часового типа

Сопротивляемость грунта сдвигу cycл устанавливается по формуле:

где k - постоянная прибора;

 при повороте крыльчатки у поверхности толщи или на дне скважины;

 при срезе в толще грунта обеими торцовыми поверхностями крыльчатки;

H и D - высота и диаметр крыльчатки.

Порядок работы с прибором изложен в инструкции, прилагаемой к прибору.

При помощи сдвигомера осуществляется зондирование торфяной залежи вручную на полную ее глубину. Отсутствие обсадной трубы у прибора не вносит ошибок в измеряемую величину потому, что его конструкция при помощи муфт, помещенных в конусе, позволяет отключать крыльчатку от штанг и отдельно измерять величину крутящего момента, идущего на преодоление сопротивления трению штанг о залежь. Это значение Мкр трения вычитается при измерении полного Мкр.

Кривые изменения сопротивления сдвигу cycл совмещенные со стратиграфической колонкой торфяной залежи, позволяют выявить неоднородность в строении залежи, отметить наиболее опасные слабые слои.

Минимальные значения cycл, определенные при исследовании торфов описанной крыльчаткой, колебались в пределах от 0,06 до 0,09 кг/см2, а максимальные - от 0,15 до 0,25 кг/см2.

Для исследования торфяных грунтов следует также рекомендовать разработанный в БелдорНИИ лопастной прибор.

Сдвигающее усилие фиксируется с помощью специального динамометрического устройства, помещаемого в верхней части штанг.

В приборе используются два типа крыльчатки: четырехлопастная с H = 200 мм и D = 100 мм и двухлопастная с H = 120 мм и D = 100 мм.

Исследования грунтов штампами с поверхности, в шурфах и скважинах. В некоторых наиболее ответственных случаях целесообразно прибегать к испытанию пробными нагрузками.

Исследования слабых грунтов статической нагрузкой имеют целью установить зависимость между давлениями на грунт и деформациями, которые происходят в нем под действием этих давлений.

При исследовании определяют:

осадку грунта под нагрузкой;

упругую деформацию слабого грунта;

значение критической (разрушающей) нагрузки;

характер протекания осадки грунта во времени под нагрузкой.

По результатам исследований вычисляют модуль деформации слабого грунта, устанавливают его несущую способность.

Многочисленные эксперименты показывают большое влияние размера штампа на величину осадки. В СССР стандартным считается квадратный штамп площадью 5000 см2. Применение во всех случаях испытаний грунта в шурфах штампа площадью 5000 см2 нельзя признать целесообразным.

При испытании слабых сильносжимаемых грунтов (глинистых текучепластичной консистенции, илов и торфов) следует отдавать предпочтение штампу большего размера (F = 10000 см2). На результаты испытаний указанных грунтов нередко оказывает влияние выпор (выдавливание) слабого грунта из-под штампа. Возможность этого выпора и его влияние на результаты испытания тем меньше, чем больше размеры штампа.

Штампы больших размеров рекомендуется также применять, если испытываемый слой слабого грунта неоднороден и представляет собой чередование небольших прослоек грунтов с различными свойствами или содержит включение или гнезда, состоящие из грунтов, которые по своим свойствам резко отличаются от исследуемого слабого грунта. В таких случаях чем больше размеры штампа, тем более достоверны получаемые значения модуля деформации испытываемого слоя слабого грунта.

При статических испытаниях для нагружения штампа в шурфах применяются установки двух типов: с гидравлическими домкратами и с нагружаемой платформой и грузом.

Испытания грунтов производят в соответствии с действующими техническими условиями, инструкциями и технологическими картами.

Ввиду того, что испытания грунтов статическими нагрузками в шурфах требуют сравнительно больших затрат и длительного времени, их обычно производят на последних стадиях проектирования и инженерно-геологических изысканий, когда уже имеются геологические разрезы участков слабых грунтов, данные о грунтовых водах и физико-механических свойствах грунтов.

Место и глубину испытаний устанавливают с учетом ширины земляного полотна и глубины активной зоны.

Испытаниям подвергают все основные несущие слои. Если в пределах активной зоны залегает один мощный однородный слой, то испытания производят с поверхности. При неоднородном основании, сложенном несколькими слоями, состоящими из грунтов с различными свойствами, испытывают все слои. Мощность испытываемого слоя, однако, не должна быть менее 1,5 - 2 диаметров или сторон штампа. При наличии более тонких слоев или их чередовании могут быть получены только средние значения показателей деформируемой толщи.

Если мощность активной зоны (считая от поверхности земли) больше глубины, допустимой для производства испытаний в шурфах, глубоко расположенные слои испытывают в скважинах.

Сечение шурфа для производства испытания может быть любым (в зависимости от грунта, глубины испытания и имеющейся установки).

Надежность результатов испытания, помимо выбора пункта и отметки, зависит от тщательного соблюдения соответствующих инструкций и в первую очередь от правильной установки штампа, размеров ступеней нагрузки и постоянства заданного давления.

При установке штампа необходимо обращать внимание на зачистку площадки, ее горизонтальность, устройство пригрузки вокруг штампа.

Несоблюдение указаний о пригружении грунта вокруг штампа при испытании мягко- и текучепластичных грунтов приводит к выпору (выдавливанию) грунта из-под штампа, перекосу штампа, а значит, к преувеличению осадок и невозможности использования результатов испытания.

Нагружение штампа производят ступенями. Размер ступеней нагрузки назначается в зависимости от сжимаемости испытываемых слабых грунтов и темпов отсыпки насыпи. Чем более сжимаемым является грунт и более интенсивной предполагается отсыпка, тем меньше должен быть размер ступеней. Обычно нагружение штампа ведут с таким расчетом, чтобы первые несколько ступеней (3 - 4) нагрузки соответствовали давлению на грунт от 0,25 до 1,0 кг/см2. Нагрузки последующих ступеней для более точного установления точек перегиба кривой, выражающей зависимость осадки от давления, рекомендуется принимать равными половине нагрузки первых ступеней.

При использовании для нагружения штампов гидравлических домкратов очень важно следить за сохранением постоянства заданного давления, так как вследствие осадки грунта под штампом давление неизбежно падает.

Для измерения осадок разрешается пользоваться любыми приборами, позволяющими производить измерения с точностью до 0,1 мм.

Испытания желательно проводить до так называемого критического или предельного давления. За критическое принимают такое давление, при котором наблюдается значительное увеличение осадки по сравнению с осадкой на предыдущей ступени нагрузки при небольшом увеличении нагрузки, или осадка, не затухающая в течение длительного времени и протекающая с одинаковой скоростью.

В процессе испытания составляют график S = f(t), иллюстрирующий протекание осадки во времени и график S = f(p), выражающий зависимость осадки от удельного давления. Эти графики позволяют контролировать ход испытания, обнаруживать недостатки в его выполнении и устанавливать критическое давление по указанным выше признакам.

По результатам испытания грунта статическими нагрузками дают оценку его сжимаемости, количественной характеристикой которой служит модуль деформации Е.

Суммарная осадка, зафиксированная при всех ступенях нагрузки, называется полной осадкой. Полная осадка, или деформация, состоит из остаточной и упругой деформации, которые определяют путем наблюдений при разгрузке штампа.

Если испытание проводили правильно и давление на грунт было доведено до критического ркр или близкого к нему, график S = f(p) имеет криволинейный характер, причем угол наклона возрастает с увеличением давления.

Полная осадка, так же как остаточная и упругая деформация, служит только для качественной характеристики грунта. Величина полной осадки при равных критических давлениях указывает на большую или меньшую сжимаемость грунта.

Главной количественной характеристикой грунта, получаемой в результате испытания и входящей во все виды расчетов осадок насыпей, является модуль деформации Е.

Модуль деформации Е определяется котангенсом угла наклона кривой S = f(p).

Вычисление модуля деформации по данным испытаний статическими нагрузками производят по формуле:

где E1-2 - модуль сжимаемости в интервале удельных давлений на грунт от р1 до p2, кг/см2;

S2 и S1 - осадки штампа при давлениях р2 и p1, см;

D - диаметр круга равновеликого площади штампа, см;

m - коэффициент Пуассона, принимаемый для суглинков 0,33 - 0,37, для пластичных глин - 0,38 - 0,45.

При вычислении модуля деформации в интервале от 0 до р2 формула принимает вид:

Исследование грунтов статическим зондированием производят с помощью установки статического зондирования путем вдавливания в грунт конуса на штангах, свободно перемещающихся в трубе, погружаемой одновременно с конусом. Наружный диаметр трубы равен диаметру основания конуса. Штанги с конусом и трубу вдавливают домкратом, при этом измеряют сопротивление грунта погружению конуса и общее усилие, необходимое для погружения конуса и трубы. В установках для статического зондирования применяется конус с диаметром основания 36 мм, площадью основании 10 см2 и углом при вершине 60°.

Установка позволяет измерять сопротивление грунта погружению конуса и суммарное сопротивление вдавливанию, состоящее из сопротивления трения грунта по поверхности трубы и сопротивления грунта погружению конуса. По разности этих сопротивлений можно определить сопротивление грунта трению по поверхности трубы.

Результаты испытаний представляются в виде двух графиков, обычно совмещаемых в одном чертеже; одни изображает сопротивление грунта под острием в кг/см2 в зависимости от глубины зондирования, второй - общее сопротивление трения при погружении трубы до данной глубины, выраженное в кг.

Разработкой установок для статического зондирования занимаются ВСЕГИНГЕО, Фундаментпроект, Башкирский институт по строительству, ЦНИИС, ДИИТ и др.

По результатам статического зондирования грунта можно установить характер напластования, консистенцию глинистых грунтов и плотность песчаных, а также оценить и сопротивляемость сдвигу.

Для зондирования пластов болотных грунтов может применяться пенетрометр П-4 конструкции Л.С. Амаряна (Калининский политехнический институт), представленный на рис. 9. Штанги прибора П-4 унифицированы со штангами сдвигомера-крыльчатки СК-8.

Определение сопротивления вдавливанию пенетрометра осуществляется путем его внедрения на требуемую глубину с фиксацией максимального усилия, например, через 20 см по деформации пружины, предварительно протарированной. Деформация пружины устанавливается по показанию индикатора.

При больших глубинах пенетрации, когда влияние трения штанг о грунт может оказаться заметным, необходимо его учесть. Для этой цели нужно слегка (примерно на 20 - 30 мм) приподнять прибор, тогда стержень выдвинется из конуса. Затем осуществляется повторное задавливание штанг с фиксацией показания индикатора. Так как в пределах 20 - 30 мм штанги перемещаются без конусного наконечника, то индикатор зафиксирует лишь трение штанг о грунт. Затем необходимо из общего показания индикатора вычесть число делений, соответствующее трению о грунт.

Подробно методика испытаний пенетрометром изложена в инструкции, прилагаемой к прибору.

Основные параметры пенетрометра П-4:

    наибольший диаметр конуса, см........................................... 5,05

    угол при вершине конуса, град.............................................. 30

    максимальное усилие вдавливания, кг................................. 250

Глубина зондирования - практически не ограничена.

Вес прибора с одной штангой, кг.............................................. 3,5

Сопротивление вдавливанию s определяется по формуле

где P - усилие вдавливания, кг;

Fк - максимальная площадь поперечного сечения конуса, Fк = 20 см2.

Рис. 9. Пенетрометр П-4 конструкции Л.С. Амаряна:

1 - конусный наконечник; 2 - стержень; 3 - штанга; 4 - упор; 5 - рукоятка; 6 - индикатор

Статическое зондирование позволяет не только определить границы различных напластований грунтов, но и обнаружить весьма тонкие прослойки неоднородного грунта в пределах одного пласта.

В настоящее время разрабатывается шкала для определения консистенции методом зондирования.

По удельному сопротивлению грунта s погружению конуса площадью 10 см2 различают следующие типы консистенции:

s, кг/см2

Консистенция

20 - 50

Тугопластичная

10 - 20

Мягкопластичная

< 10

Текучепластичная

Для зондирования торфяной залежи может быть рекомендован также пенетрометр, разработанный в БелдорНИИ.

3. Пример статистической обработки результатов определения физико-механических характеристик грунтов и установление их расчетного значения

Требуется установить расчетную влажность торфяного слоя грунта по 22 значениям влажности в различных его точках: 505, 565, 560, 550, 580, 595, 555, 560, 570, 560, 540, 565, 555, 565, 560, 570, 560, 545, 560, 550, 590, 530 %.

Для определения расчетной влажности используем упрощенный способ Н.Н. Маслова - З.В. Пильгуновой.

1) По имеющимся значениям влажности строим график рассеяния (рис. 10).

2) Отбрасывая две крайние точки (10 % от общего числа), устанавливаем среднемедианное (нормативное) значение влажности слоя, которое в данном случае будет находиться между значениями, соответствующими 10 и 11 точкам, считая снизу или сверху. Поскольку 10 и 11 точки имеют одно и то же значение влажности 560 %, получаем Wcp.мед = 560 %.

Рис. 10. График рассеяния значений природной влажности торфяного слоя

3) Оцениваем однородность слоя.

В соответствии с табл. 1 основного текста настоящих «Методических указаний» данный торф по среднемедианному значению влажности относится к разновидности Б, маловлажный, лесной. Влажность в этой группе может колебаться от 300 до 600 %. Таким образом, в данном случае отклонения влажности (максимальное - 590, минимальное - 530) не превышают отклонений, характерных для данной разновидности, а значит, этот слой можно считать однородным по влажности.

4) Строим интегральную кривую накопленной частоты значений природной влажности (рис. 11).

Рис. 11. График накопленной частоты значений природной влажности торфяного слоя

5) Поскольку в данном случае в расчет принималось 20 из 22 точек, расчетная влажность должна соответствовать накопленной частоте, равной 15 %, т.е. расчетная влажность может быть превышена лишь в 15 % случаев. По интегральной кривой для накопленной частоты, равной 15 %, находим, что Wpacч = 575 %.

Приложение 2

ПРИМЕРЫ РАСЧЕТА НАСЫПИ НА СЛАБОМ ГРУНТЕ

Исходные данные

1. Насыпь (рис. 1): расчетная высота, м - 4; ширина поверху, м - 12; откосы - 1:1,5; объемный вес грунта насыпи, т/м3 - 2; объемный вес во взвешенном состоянии, т/м3 - 1.

Рис. 1. Расчетный поперечник

2. Основание насыпи: верхний 4-метровый слой торфа подстилается 2-метровым слоем ила, ниже которого расположена плотная супесь; горизонт грунтовых вод совпадает с поверхностью толщи. Объемный вес торфа gW = 0,94 т/м3, ила gW = 1,53 т/м3.

Полученные в лаборатории расчетные компрессионные кривые, кривые консолидации и зависимости сцепления и угла внутреннего трения от влажности представлены для слоя торфа на рис. 2 и для слоя ила на рис. 3. Полевые испытания показали, что сопротивляемость сдвигу супеси весьма высока (> 1 кг/см2), а сжимаемость достаточно мала по сравнению с вышележащими слоями.

1. Расчет конечной величины осадки

Поскольку сжимаемость супеси мала, осадку за счет ее сжатия в расчете не учитываем, и общая осадка определится как сумма осадок слоя торфа и ила.

Проведем расчет, исходя из условий одномерной задачи. Для этого используем формулу:

где S - осадка, м;

 - модуль осадки по компрессионной кривой;

Н - мощность выделенного слоя.

Рис. 2. Зависимость влажности и модуля осадки от нагрузки для первого слоя (торф)

Рис. 3. Зависимость влажности и модуля осадки от нагрузки для второго слоя (ил)

В данном случае расчетные слои предопределены прежде всего геологическим строением толщи. Однако и в пределах однородного слоя может возникнуть необходимость выделить слои, однородные с точки зрения напряженного состояния.

Проверим, есть ли необходимость делить слой торфа на несколько слоев, отличающихся по величине вертикальных нормальных напряжений. С этой целью найдем по соответствующим данным приложения 8 значение относительной величины напряжения на нижней грани слоя торфа.

При ширине насыпи поверху 12 м, высоте 4 м и откосах 1:1,5, а = 1,5 × 4 м = 6 м и .

Для низа слоя торфа .

При  и U = 0,67 для оси симметрии W = 0 по данным приложения 8 находим:

Возьмем три различные нагрузки: соответствующую половине нагрузки от насыпи заданной высоты, полную и в два раза большую. Нагрузка от насыпи заданной высоты (4 м) составит:

р0 = 4 м × 2 т/м3 = 8 т/м2 = 0,8 кг/см2.

Соответственно в два раза меньшая и в два раза большая нагрузки будут равны 0,4 кг/см2 и 1,6 кг/см2.

Если на поверхности слоя торфа приложить нагрузку 0,4 кг/см2, на нижней грани слоя по оси симметрии вертикальные нормальные напряжения составят:

pz = 0,97 × 0,4 кг/см2 = 0,39 кг/см2;

при р0 = 0,8 кг/см2 pzн = 0,78 кг/см2 и при р0 = 1,6 кг/см2 pzн = 1,55 кг/см2.

По расчетной компрессионной кривой вида ep = f(p) слоя торфа находим ер (см. рис. 2):

При pz, кг/см2

ер, мм/м

В среднем, мм/м

0,40

300

295

0,39

290

0,80

450

447

0,78

445

1,60

545

544

1,55

542

Отсюда видно, что модули осадки для поверхностных и нижних частей слоя торфа в принятом диапазоне нагрузок практически не меняются, различие - менее 10 %, т.е. слой можно не разделять на отдельные слои.

Аналогично для слоя ила:

для верхней грани слоя ;

для нижней грани ;

при ; U = 1,0 и W = 0; по данным приложения 8 находим

При нагрузке на поверхности р0 = 0,4 кг/см2 вертикальные нормальные напряжения в нижнем слое составят:

на верхней грани pzв = 0,97 × 0,4 кг/см2 = 0,39 кг/см2;

на нижней грани рzн = 0,91 × 0,4 кг/см2 = 0,36 кг/см2.

Аналогично при р0 = 0,8 кг/см2 pzв = 0,78 кг/см2; рzн = 0,73 кг/см2;

при р0 = 1,6 кг/см2 pzв = 1,56 кг/см2; рzн = 1,46 кг/см2.

По расчетной компрессионной кривой вида ерz = f(p) для данного слоя (см. рис. 3) находим:

При рz, кг/см2

ерz, мм/м

В среднем, мм/м

0,39

30

28

0,36

27

0,78

68

65

0,73

63

1,56

128

125

1,46

122

Поскольку нагрузка от веса насыпи будет не менее р0 = 0,8 кг/см2, различие в модулях осадки для верха и низа слоя не превысит 8 %, т.е. нижний слой также может считаться однородным по деформируемости с учетом напряженного состояния.

Определим теперь осадку верхнего S1, нижнего S2 слоя и общую осадку Sобщ при принятых выше трех нагрузках: 0,4; 0,8 и 1,6 кг/см2.

При нагрузке 0,4 кг/см2:

S1 = ерz × H1 = 295 мм/м × 4 м = 1180 мм = 118 см,

S2 = ерz × H2 = 28 мм/м ´ 2 = 56 мм = 5,6 см,

Sобщ = S1 + S2 = 123,6 см » 124 см.

При нагрузке 0,8 кг/см2:

S1 = 447 мм/м × 4 = 1788 мм = 178,8 см,

S2 = 65 мм/м × 2 = 130 мм = 13,0 см

Sобщ = 191,8 см @ 192 см

При нагрузке 1,6 кг/см2:

S1 = 544 мм/м ´ 4 = 2176 мм = 217,6 см,

S2 = 125 мм/м ´ 2 = 250 мм = 25,0 см

Sобщ = 242,6 см » 243 см

Полученные значения S1, S2 и Sобщ наносим на сетку координат (рис. 4) и через точки проводим кривые:

S1 = f(p0); S2 = f(p0) и Sобщ = f(p0).

Sрасч = 2,10 м

p0 = 1,0 кг/см2

Рис. 4. Расчет осадки графоаналитическим методом

На ту же сетку координат необходимо нанести линию, выражающую зависимость нагрузки на основание от величины осадки.

Поскольку в данном случае уровень грунтовых вод совпадает с поверхностью земли, зависимость р0 = f(S) выражается формулой (17):

где nн - объемный вес грунта насыпи;

 - то же с учетом взвешивания;

S - осадка;

h - высота насыпи.

При nн = 2 т/м3, h = 4 м и  т/м3 имеем р0 = 0,8 + 0,1 - S кг/см2. Наносим эту зависимость на график и по точке пересечения ее с кривой Sобщ = f(p0) определяем конечную нагрузку от веса насыпи (см. рис. 4).

Sрасч = 2,1 м;

ррасч = 1,0 кг/см2.

2. Проверка устойчивости основания

При быстрой отсыпке насыпи (рис. 5, а):

1. Определяем величину расчетной нагрузки по формуле:

p0 = nн(h + S),

р0 = 2 т/м3 (4 м + 2,10 м) = 12,2 т/м2 = 1,22 кг/см2.

Рис. 5. Расчетные схемы для случаев быстрой (а) и медленной (б) отсыпки насыпи

2. Определяем величину безопасной нагрузки для каждого из слоев по формуле:

где cW - сцепление рассматриваемого слоя;

gт - объемный вес грунта толщи выше расчетного горизонта (с учетом взвешивания);

Z - глубина расположения расчетного горизонта;

j - угол внутреннего трения грунта рассматриваемого слоя;

b - функция, определяемая по графикам рис. 32 - 36 настоящих «Методических указаний».

Для верхнего слоя (торф) объемный вес с учетом взвешивания практически равен нулю. Поэтому формула безопасной нагрузки упрощается:

Для определения b необходимо знать величину  и величину , где b - полуширина насыпи по подошве.

Величина ,

где B - ширина насыпи поверху.

Максимальная величина

При расчете на быструю отсыпку за расчетные величины сцепления и угла внутреннего трения принимаются значения, отвечающие природной влажности грунта.

В данном случае для слоя торфа имеем Wпp = 628 % и по графикам рис. 6 при W = 628 % определяем расчетные значения сцепления и угла внутреннего трения:

сW = 0,17 кг/см2;

jW = 7,1°.

Поскольку j = 7,1°, b необходимо определять по интерполяции с графиков рис. 32 - 36 основного текста «Методических указаний» для jW = 5° и jW = 10° при .

По графикам видим, что b достигает максимальных значений при V большем, чем 0,33. Поэтому за расчетный горизонт принимаем нижнюю грань слоя (т.е. горизонт, где b имеет наибольшее значение в пределах рассматриваемого слоя).

По графику для jW = 10° при V = 0,33 и  находим b = 0,192.

По графику для jW = 5° при V = 0,33 и  находим b = 0,231.

Тогда расчетное значение b1 для первого слоя будет равно ..

Рис. 6. Зависимость угла трения и сцепления от влажности для первого слоя (торф)

Рис. 7. Зависимость угла внутреннего трения и сцепления от влажности для второго слоя (ил)

Безопасная нагрузка для первого слоя составит:

и коэффициент стабильности

Для второго слоя влажность при быстрой отсыпке составляет Wпp 65 %, откуда по графикам рис. 7

сW = 0,30 кг/см2;

jW = 6,8°.

Поскольку объемный вес грунта слабого слоя с учетом взвешивания не равен 0 (), безопасную нагрузку следует определять по полной формуле (34).

Рассмотрим три горизонта в пределах этого слоя: верх слоя (Z = 4 м и ), середину (Z = 5 м и ) и низ (Z = 6 м и ).

Для первого горизонта, интерполируя значения, определенные с графиков рис. 32 - 33 для j = 5° и j = 10°, находим:

Отсюда ;

             .

Для второго горизонта аналогично по тем же графикам (при , j = 5° и j = 10°, V1 = 0,42), интерполируя, находим .

Тогда ;

          .

Наконец, для третьего горизонта V3 = 0,5 аналогично получаем:

Коэффициент стабильности для второго слоя монотонно увеличивается по глубине. Поэтому за расчетное значение коэффициента стабильности слоя принимаем величину, отвечающую верхней грани слоя Kбез = 1,13.

За расчетный коэффициент безопасности для основания в целом необходимо принять минимальное значение коэффициента безопасности, определенного для слоев. В данном случае это значение коэффициента стабильности для верхнего слоя Kбез = 0,65.

Расчет показывает, что устойчивость нижнего слоя обеспечена даже при быстрой отсыпке, в то время как устойчивость верхнего слоя при быстрой отсыпке не обеспечена. Поэтому необходимо проверить устойчивость основания (верхнего слоя) при медленной отсыпке насыпи.

При медленной отсыпке насыпи (см. рис. 5, б) за расчетные значении cW и jW принимают значения, соответствующие влажности грунта при полном уплотнении под воздействием расчетной величины нагрузки от веса насыпи.

Расчетная величина нагрузки, определенная выше при расчете осадки, составляет 1,0 кг/см2. При внешней нагрузке p0 = 1,0 кг/см2 вертикальные нормальные напряжения в верхнем слое составят: рz1 = а1ср × р0 = 0,985 × 1,0 = 0,99 кг/см2.

По компрессионной кривой вида W = f(p) (см. рис. 2) находим влажность грунта первого слоя, отвечающую этому напряжению Wкон = 350 %.

По графикам рис. 6 определяем расчетные значения cW и jW, соответствующие этой влажности:

cW = 0,4 кг/см2;

jW = 13,7°.

Теперь необходимо установить значение функции b для верхнего слоя при j = 13,7°. Расчетным горизонтом для верхнего слоя является его нижняя грань (см. выше). При  и  по графикам рис. 33 - 34, интерполируя значения b для j = 10° и j = 15°, находим:

Отсюда ;

Таким образом, при медленной отсыпке устойчивость основания обеспечена.

По табл. 9 устанавливаем, что в данном случае основание (толща) относится к типу IIА, слабый грунт может быть использован в качестве основания, но необходимо решить вопрос о режиме отсыпки и времени завершения интенсивной осадки.

3. Расчет осадки во времени

Из графика рис. 4 находим, что расчетная конечная осадка нижнего слоя равняется 0,14 м что составляет лишь  от общей осадки. Поэтому в целях упрощения расчета осадкой нижнего слоя пренебрегаем и ведем расчет лишь на верхний слой.

Анализ полученных в лаборатории кривых уплотнения грунта верхнего слоя во времени показал, что при нагрузках, не намного отличающихся от расчетной, осадки во времени складываются из трех осадок:

S = Sy + SI + SII,

где Sy - упругая осадка, протекающая весьма быстро (в процессе загружения);

SI - первичная осадка, т.е. осадка, связанная с фильтрационной консолидацией;

SII - вторичная осадка.

Упругая и первичная осадки составляют 80 % от полной осадки, а вторичная - 20 %. Время практического завершения фильтрационной осадки tстаб равняется 0,5 ч. Вторичная осадка протекает в течение 400 ч после завершения первичной, причем эта зависимость выражается следующим образом:

St общ = (Sy + SI) + h × alg(t - tстаб),

где а - коэффициент, равный 0,015;

h - начальная высота образца.

Относительная деформация, соответствующая моменту завершения первичной осадки, составляет 0,36. Начальная высота образца - 2,5 см. Отток воды - в обе стороны. Объединяя в целях упрощения упругую осадку и рассматривая их вместе с первичной, определяем приближенно время завершения первичной осадки. Для этого предварительно рассчитаем по формуле коэффициент консолидации для образца, испытанного в лаборатории:

В данном случае hрасч равняется полувысоте образца, так как отжатие воды в опыте происходило в обе стороны:

Время завершения фильтрационной осадки слоя мощностью 4 м при односторонней (вверх) фильтрации воды составит:

При такой длительности уплотнения в большинстве случаев необходимо рассмотреть вопрос о методах ускорения осадки.

4. Расчет режима возведения насыпи

Расчет устойчивости (см. п. 2 приложения) показал, что устойчивость верхнего слоя при слишком быстрой отсыпке насыпи будет нарушена (Kбез = 0,65). Однако отсыпку можно вести медленно с таким расчетом, чтобы нагрузка на основание в любой момент времени не превышала безопасной величины, соответствующей значениям jW и cW, достигнутым к этому моменту времени.

Здесь, как и выше, ведем расчет лишь на верхний слой, так как устойчивость нижнего слоя обеспечена, а осадка его не превышает 10 % общей осадки.

Определим прежде всего значения безопасной нагрузки на несколько моментов процесса консолидации. При этом учтем, что безопасные нагрузки на начальный момент уплотнения и момент завершения полной осадки нами уже определены при расчете устойчивости ; .

Определим значения безопасной нагрузки для двух-трех промежуточных моментов, например, для момента, приблизительно соответствующего завершению фильтрационной консолидации и момента достижения 50 %-ной фильтрационной осадки и момента достижения 25 %-ной фильтрационной осадки.

Полная осадка верхнего слоя при расчетной нагрузке составляет 1,93 м (см. рис. 4). Поскольку фильтрационная осадка завершается в данном случае примерно при 80 % от полной осадки, осадка в момент завершения фильтрационной консолидации составит 1,93 × 0,80 = 1,54 м, а относительная осадка .

В условиях практически полного водонасыщения влажность грунта, соответствующая относительной осадке l, определяется по формуле:

где Wнач - начальная влажность (в единицах);

g0 - удельный вес грунта.

При l = 0,385 Wнач = 6,28 и g0 = 1,60 г/см3;

По графикам рис. 6 для W = 362 % находим:

сW = 0,40 кг/см2;

jW = 13,3°.

Отсюда:

Аналогично для осадки, равной половине величины, соответствующей завершению фильтрационной консолидации (0,77 м), находим:

сW = 0,26 кг/см2; jW = 9,1°.

Наконец, при осадке, меньшей в два раза (0,38 м), имеем:

W = 6,28 - 0,66 = 6,62 = 562 %;

сW = 0,21 кг/см2; jW = 7,8°;

Момент времени

Осадка, м

рбез, кг/см2

Начальный

0

0,79

0,38

1,0

0,76

1,3

Завершение фильтрационной осадки

1,54

2,31

Полное уплотнение слоя

1,93

2,4

Строим график зависимости рбез от осадки кривая АВСДЕ (рис. 8), который позволяет назначить необходимый режим возведения насыпи, привязывая его пока что не ко времени, а к величине, достигнутой в тот или иной момент осадки.

Как отмечалось выше, режим отсыпки будет допустимым лишь в том случае, когда фактически действующая нагрузка в любой момент сооружения насыпи (или в любой момент осадки) не будет превышать безопасной нагрузки. Отсюда следует, что график зависимости фактически действующей нагрузки рфакт от осадки при допустимом режиме должен всегда располагаться ниже кривой, выражающей зависимость рбез = f(S).

При этом необходимо учесть, что значительное отклонение зависимости pфакт = f(S) от рбез = f(S) влечет за собой увеличение длительности осадки. Поэтому наиболее рациональным следует считать случай, когда рфакт в любой момент осадки равняется рбез. В таком случае полученная кривая представляет собой график наиболее рационального (идеального) режима возведения насыпи, привязанного к величине осадки, достигнутой в тот или иной момент. Теперь необходимо, во-первых, перейти от идеального графика к реальному и, во-вторых, привязать режим отсыпки не к осадке, а ко времени.

В этой связи прежде всего учитываем, что в реальных условиях отсыпка ведется слоями и, следовательно, реальный график должен иметь ступенчатый характер, а не быть непрерывной кривой.

Построим этот график, рассуждая следующим образом.

Поскольку безопасная нагрузка на основание в его природном состоянии составляет, как найдено выше, , при объемном весе грунта насыпи gн = 2 т/м3 на основание можно отсыпать сразу слой толщиной:

После отсыпки этого слоя (полагаем, что он отсыпан мгновенно) будет происходить процесс консолидации основания под нагрузкой от насыпного слоя, причем нагрузка будет по мере роста осадки снижаться (вследствие проявления эффекта взвешивания) в соответствии со следующей линейной зависимостью:

                                                   (а)

где h0 - толщина отсыпанного слоя.

Приведенное выше выражение соответствует случаю, когда горизонт грунтовых вод совпадает с поверхностью грунта. Если горизонт грунтовых вод оказывается ниже поверхности земли до того момента, пока подошва насыпного слоя не доходит в процессе осадки до горизонта грунтовых вод, нагрузка по мере осадки не снижается и остается постоянной p = gн × h0.

Рис. 8. Определение ступеней нагрузки при наиболее рациональном режиме отсыпки насыпи

Лишь при превышении осадкой величины расстояния от поверхности земли до горизонта грунтовых вод нагрузка начинает снижаться по мере осадки в соответствии с зависимостью:

Поскольку в нашем случае h0 × gн = 0,79 кг/см2 и , то р = 0,79 кг/см2 - S × 0,001 кг/см2.

Наносим эту зависимость на график рис. 8 в виде пунктирной линии AM.

Время выдерживания приложенной ступени нагрузки или время выдерживания отсыпанного слоя без увеличения его толщины нужно определять, исходя из следующих основных условий:

1) величина фактически действующей нагрузки не должна быть ниже безопасной более чем на 10 %;

2) нагрузка в процессе осадки слоя должна снижаться не более чем на 10 %.

Кроме того, во всех случаях необходимо, чтобы время выдерживания слоя не превышало времени завершения интенсивной части осадки под нагрузкой от веса отсыпанного слоя.

Для того чтобы удобнее было контролировать выполнение первого условия, построим кривую, ординаты точек которой были бы на 10 % меньше ординат соответствующих точек кривой рбез = f(S) (кривая А¢В¢С¢Д¢Е¢ на рис. 8).

Построение искомой фактической зависимости нагрузки от осадки начнем с ее конечного участка. Для этого учтем, что в соответствии с расчетом осадки (см. выше) конечная нагрузка на поверхность основания насыпи составит 1,0 кг/см2. В этот момент конечная осадка поверхности основания достигнет величины 2,10 м. Наносим эту точку на график рис. 8 (точка F). Точка является конечной точкой графика зависимости нагрузки, действующей на основание в процессе осадки после отсыпки полного объема грунта (после полной досыпки насыпи).

Эта зависимость выражается в данном случае формулой:

                                                      (б)

где рнач - нагрузка на основание в момент завершения отсыпки насыпи;

S - осадка, начиная с момента завершения отсыпки.

Соображения, высказанные в замечаниях к формуле (а), относятся и к данной формуле.

Наносим эту зависимость на график рис. 8, для чего через точку F проводим прямую, параллельную прямой AM, так как угловые коэффициенты у обеих функций одинаковы.

Поскольку мы считаем, что в момент завершения отсыпки насыпи нагрузка на основание должна равняться безопасной, проведенную линию продолжаем до пересечения с кривой рбез = f(S) в точке р6. Отрезок р6F представляет собой конечный участок искомой фактической зависимости нагрузки от осадки при наиболее рациональном режиме загружения.

Теперь вернемся к начальному участку. Нагрузка от первоначально отсыпанного слоя составит 90 % от безопасной нагрузки уже при осадке 0,18 м (в точке p1¢ пересечения прямой AM с кривой А¢В¢С¢Д¢Е¢). В этот момент необходимо повысить нагрузку до величины безопасной р2. После этого нагрузка будет снова постепенно снижаться в процессе осадки (линия р2М1) и достигнет величины 90 % от безопасной при осадке 0,31 м (точка p2¢).

Рассуждая аналогично, получаем некоторую ломаную линию p1p1¢ р2p2¢ р3p3¢ ... р6F6, представляющую собой искомую реальную зависимость нагрузки от осадки. Необходимо учесть, что в данном случае после приложения нагрузки р6 не следует дожидаться снижения ее величины до 90 %, так как можно раньше завершить всю отсыпку, а именно: в момент, соответствующий осадке 0,61 м, так как в этот момент величина полной проектной нагрузки не превышает величины безопасной нагрузки.

Полученный график показывает, что нагрузка на основание должна прикладываться следующим образом:

1) отсыпка производится непрерывно до нагрузки p1 = 0,79 кг/см2;

2) после достижения осадки в 0,18 м нагрузка повышается до p2 = 0,87 кг/см2, при этом фактическое приращение в момент приложения нагрузки (рис. 9) составит р2 - p1¢ = 0,87 - 0,77 = 0,10 кг/см2;

3) после достижения осадки 0,31 м нагрузка повышается до р3 = 0,94 кг/см2; приращение р3 - p2¢ = 0,94 - 0,85 = 0,09 кг/см2;

4) при осадке 0,43 м нагрузка повышается до p4 = 1,02 кг/см2; приращение р4 - p3¢ = 1,02 - 0,93 = 0,09 кг/см2;

5) при осадке 0,55 м нагрузка повышается до p5 = 1,10 кг/см2; приращение р5 - p4¢ = 1,10 - 1,01 = 0,09 кг/см2;

6) при осадке 0,61 м нагрузка повышается до р6 = 1,15 кг/см2; приращение 1,15 - 1,10 = 0,05 кг/см2.

Переводя установленные приращения нагрузок в величину толщины слоев, получаем:

Слой

Толщина, м

1

2

3

4

5

6

 

Итого 6,10

Теперь необходимо выяснить вопрос о том, через какие промежутки времени следует прикладывать указанные ступени нагрузки. Для этого надо провести консолидационные расчеты при различных ступенях нагрузки. Для простоты расчета можно положить, что в процессе консолидации под какой-нибудь ступенью нагрузки величина этой ступени не меняется. Поэтому необходимо прежде всего полученную эпюру заменить расчетной с горизонтальными ступенями (см. пунктир на рис. 8).

Конечный участок р6F заменяется горизонтальными отрезками по тому же принципу, т.е. чтобы расчетная нагрузка не отличалась от фактической более чем на 10 % (рассматривать этот участок следует для установления времени завершения осадки).

Таким образом, в соответствии с расчетной эпюрой необходимо знать процесс консолидации грунта под следующими нагрузками: р1 = 0,79 кг/см2; р2 = 0,87 кг/см2; р3 = 0,94 кг/см2; р4 = 1,02 кг/см2; р5 = 1,10 кг/см2; р6 = 1,15 кг/см2; р7 = 1,05 кг/см2.

Рис. 9. Расчетная кривая сжатия грунта верхнего слоя во времени на стадии первичной осадки:

S - осадка в момент времени Т (до завершения фильтрационной консолидации); (Sу + SI) = Sф - осадка, соответствующая моменту завершения фильтрационной консолидации Тстаб

0,05

0,10

0,21

0,50

0,75

1,0

0,28

0,45

0,58

0,84

0,95

1,0

Примечание. Расчетная кривая уплотнения во времени получена путем обработки и осреднения кривых консолидации для образцов грунта, испытанных в лаборатории под нагрузками 0,5; 0,8; 1,0; 1,2 кг/см2 (при однократном приложении).

Зная закономерность уплотнения данного грунта во времени (см. рис. 9), и учитывая, что для верхнего слоя Тстаб = 5,8 года = 71 мес., строим кривые общей осадки слоя во времени для указанных ступеней нагрузок на стадии фильтрационной консолидации.

Для этого предварительно заполняем следующую таблицу:

Нагрузка р, кг/см2

Полная осадка слоя Sкон

Осадка на стадии фильтрационной консолидации Sср = 0,8Sкон, м

Осадка в момент времени Т/Тста6 Sт = Sк · Kвр (в скобках соответственна время, мес.)

0,018

0,05

0,10

0,21

0,50

0,75

(1,3)

(3,6)

(7,1)

(14,9)

(35,5)

(53,4)

0,79

1,76

1,41

0,15

0,39

0,63

0,82

1,19

1,33

0,87

1,82

1,45

0,15

0,41

0,65

0,84

1,22

1,38

0,94

1,88

1,50

0,16

0,42

0,68

0,87

1,26

1,43

1,02

1,94

1,56

0,16

0,43

0,70

0,90

1,30

1,48

1,05

1,96

1,57

0,17

0,44

0,71

0,91

1,32

1,49

1,10

1,98

1,58

0,17

0,45

0,71

0,92

1,34

1,51

1,15

2,01

1,61

0,17

0,45

0,72

0,93

1,36

1,53

Затем наносим значения осадок на график (рис. 10) и строим кривые осадки во времени для каждой нагрузки.

Далее рассуждаем следующим образом.

Первая ступень - нагрузка в 0,79 кг/см2 должна действовать до достижения осадки в 0,18 м (см. выше). Откладываем на оси ординат (см. рис. 10) 0,18 и проводим горизонтальную пунктирную линию до пересечения с кривой 1, отвечающей р = 0,79 кг/см2. Получаем некоторую точку А, которой соответствует время примерно 1,6 мес. Это и будет необходимое время выдерживания первой ступени нагрузки.

Через 1,6 мес. можно отсыпать второй слой, повысив нагрузку до 0,87 кг/см2. При этом грунт основания будет уже консолидироваться в соответствии с кривой 2, отвечающей р = 0,87 кг/см2 до достижения осадки в 0,31 м. Ход осадки будет отображаться здесь отрезком кривой 2, заключенным между значениями S = 0,18 м и S = 0,31 м. Время воздействия этой ступени составит, как видно из графика, 2,6 мес. - 1,4 мес. = 1,2 меc.

После достижения осадки в 0,31 м нагрузка будет увеличена до 0,94 кг/см2 и осадка будет проходить в соответствии с отрезком кривой 3, заключенным между значениями S = 0,31 м и S = 0,43 м. Время действия третьей ступени составит 3,7 мес. - 2,5 мес. = 1,2 мес. (см. рис. 10).

Аналогично четвертая ступень р = 1,02 кг/см2 будет действовать в интервале от S = 0,43 м до S = 0,55 м и время ее действия составит 5,0 мес. - 3,6 мес. = 1,4 мес.

Время действия пятой ступени р = 1,10 кг/см2 (от S = 0,55 м до S = 0,61 м) составит 5,7 мес. - 4,9 мес. = 0,8 мес.

Далее отсыпка завершается и осадка следует кривой 7 р = 1,15 кг/см2 до осадки 1,0 м, а затем - кривой 6 р = 1,05 кг/см2 до завершения.

Перенося и соединяя последовательно указанные отрезки кривых осадки во времени, получаем расчетную составную кривую осадки во времени при данном режиме нагружения (см. пунктирную линию на рис. 10).

Рис. 10. Определение времени выдерживания различных ступеней нагрузки:

Кривые осадки слоя во времени в зависимости от нагрузки р, кг/см2, соответственно:

1 - 0,79; 2 - 0,87; 3 - 0,94; 4 - 1,02; 5 - 1,10; 6 - 1,15; 7 - 1,05

Таким образом, общее время выдерживания ступеней составит 1,6 + 1,2 + 1,2 + 1,4 + 0,8 = 6,2 мес.

По результатам расчета строим график отсыпки насыпи во времени, представленный на рис. 11.

Рис. 11. График отсыпки насыпи во времени при наиболее рациональном режиме

Аналогичным образом можно решить и обратную задачу - проверить возможность осуществления заданного режима отсыпки.

Приложение 3

ПРИМЕР РАСЧЕТА ВЕЛИЧИНЫ И СРОКОВ ЗАВЕРШЕНИЯ

ОСАДКИ НАСЫПИ НА СЛАБОМ ГРУНТЕ

Требуется определить величину конечной осадки и сроки стабилизации насыпи, возведенной на слабом слое без специальной его подготовки и с устройством песчаных дрен (при обеспеченной устойчивости).

Исходные данные

Насыпь: высота, м - 4,0; ширина основной площадки, м - 0,5; откосы - 1:1,5; грунт - песчаный.

Основание: слой торфа мощностью 2,0 м; слой водонасыщенного глинистого грунта мощностью 10 м (верхняя толща 3,0 м - глина текучепластичная; нижняя толща 7,0 м - глина скрытотекучей консистенции).

Уровень грунтовых вод совпадает с поверхностью болота.

Объемный вес:

грунта тела насыпи gн = 1,8 т/м3; ; gт = 0,97 т/м3;

глин текучепластичной консистенции g¢г = 1,76 т/м3, ;

глин скрытотекучей консистенции g²г = 1,60 т/м3; .

Мощность сжимаемого слоя (активной зоны) принимается равной сумме толщин слоев слабого грунта в основании 2 + 3 + 7 = 12 м, так как нормальное давление от внешней нагрузки в нижнем слое, равное 0,5 кг/см2, превышает структурную прочность грунта.

Принимаем осадку насыпи (в соответствии с ориентировочными расчетами) равной 1,50 м, тогда максимальное давление в основании на уровне подошвы насыпи будет:

где h - проектная высота насыпи;

р = (1,80 × 4,0 + 0,8 × 1,50)0,1 = 0,84 кг/см2.

Для подсчета величины нормальных напряжений в основании насыпи по ее оси используются данные приложения 8.

Необходимые данные приведены в следующей таблице и на эпюре (рис. 1).

Глубина от поверхности, м

0,6

1,5

2,5

3,5

4,5

5,5

6,5

7,5

8,5

9,5

10,5

11,5

Напряжения в долях от р, кг/см2

1,0

0,99

0,97

0,93

0,88

0,83

0,77

0,73

0,69

0,64

0,60

0,57

0,84

0,83

0,81

0,77

0,74

0,70

0,65

0,61

0,58

0,54

0,50

0,48

Влияние временной нагрузки на осадку при толщине насыпи более 3,5 м не учитывается.

1. Осадка насыпи за счет сжатия слоя торфа.

Пользуясь компрессионной кривой (рис. 2), определим коэффициент сжимаемости:

Тогда

Рис. 1. Эпюра распределения сжимающих напряжений рz по оси насыпи

2. Осадка насыпи за счет сжатия слоя глины текучепластичной консистенции.

Бытовое давление для середины слоя рбыт = 0,11 кг/см2.

1. Расчет осадки основания насыпи

(с использованием показателя сжимаемости а)

Мощность расчетных слоев принимается равной 1 м.

Осадку основания насыпи рассчитывают методом последовательного приближения, так как общая мощность насыпного слоя (толщина тела насыпи) зависит от величины конечной осадки. (В данном примере промежуточные расчеты опущены).

Для условия одномерной задачи осадка определится по формуле:

где а - коэффициент сжимаемости грунта, вычисленный по формуле:

e0 - eр - изменение коэффициента пористости, соответствующее величине уплотняющего давления;

р2 - р1 - уплотняющее давление от веса насыпи;

 - площадь эпюры распределения сжимающих напряжений.

Рис. 2. Компрессионная кривая торфа

Рис. 3. Компрессионная кривая глины текучепластичной консистенции

Рис. 4. Компрессионная кривая глины скрытотекучей консистенции

Расчетные слои выделяются в соответствии с геологическим строением толщи и ее деформативными свойствами. Мощность их рекомендуется принимать не более одной десятой мощности активной зоны.

Конечную осадку насыпи подсчитываем как сумму осадок каждого из выделенных слоев.

Деформативные свойства грунта основания характеризуются для торфа (см. рис. 2), глин текучепластичной консистенции (рис. 3) и глин скрытотекучей консистенции (рис. 4).

Нормальное напряжение от веса насыпи рzcp = 0,77 кг/см2;

e0 = 1,35;

eр = 1,26;

Тогда

3. Осадка насыпи за счет уплотнения толщи глин скрытотекучей консистенции. Бытовое давление для середины слоя рбыт = 0,44 кг/см2.

Нормальное напряжение от веса насыпи рzcp = 0,58 кг/см2.

e0 = 1,80;

eр = 1,55;

Тогда

Полная конечная осадка основания насыпи:

S = S1 + S2 + S3 = 87 + 12 + 61 = 160 см.

2. Расчет времени консолидации грунта основания

Постепенное уменьшение влажности (пористости) под действием нагрузки (веса насыпи) вызовет уплотнение толщи грунта основания.

При фильтрации грунтовой воды только через верхнюю поверхность время, потребное на уплотнение (консолидацию) грунта основания определится по формуле:

где T - время уплотнения, сек;

gв - удельный вес воды, кг/см3;

aв - коэффициент сжимаемости в вертикальном направлении, см2/кг;

H - мощность расчетного слоя, см (при односторонней фильтрации);

Kв - коэффициент фильтрации в вертикальном направлении (средний за процесс уплотнения), см/сек;

eср - средний коэффициент пористости;

Тв - фактор времени.

где  - коэффициент консолидации.

В случае консолидации, обусловленной движением грунтовой воды к дренажным скважинам (только в горизонтальном направлении), соответствующие формулы приобретают вид:

где l - зона влияния одной дренажной скважины (в расчетах принимается равной расстоянию между дренами).

Величина фактора времени Tг для случая устройства вертикального дренажа зависит от , где d - диаметр скважины.

С учетом комбинированного вертикального и радиального оттока воды имеем:

u = 100 - 0,01(100 - uв) × (100 - uг),

где u - степень уплотнения при комбинированном дренировании, %;

uв - степень уплотнения при вертикальном дренировании, %;

uг - степень уплотнения при радиальном дренировании, %.

Решение уравнений uв = f1(Tв) и uг = f2(Tг) дано графически (см. рис. 40 - 41 основного текста).

А. Сроки стабилизации для случая вертикальной фильтрации

Расчетные данные

Для торфа Kф = 10-6 см/сек; а = 7,8 см2/кг, eср = 9,5.

Для глины текучепластичной консистенции Kф = 10-6 см/сек;

а = 0,12 см2/кг; eср = 1,30.

Для глин скрытотекучей консистенции Kф = 10-7 см/сек;

а = 0,425 см2/кг; eср = 1,69.

1. Время уплотнения слоя торфа.

Из графика (см. рис. 41 основного текста) видно, что 50 %-ной консолидации соответствует фактор времени Тв = 0,22.

Тогда время уплотнения на 50 % от полной осадки указанного слоя Т = 0,22 · 11,1 = 2,44 мес.

Из того же графика 80 % уплотнения соответствует фактор времени Тв = 0,55. Тогда время уплотнения Т = 0,55 · 11,1 = 6,1 мес.

2. Время уплотнения слоя глины текучепластичной консистенции

В данном случае в формуле принимается Кв = 10-8 см/сек, т.е. коэффициент фильтрации расчетного слоя.

Н приближенно принято равным мощности расчетного слоя (300 см), сложенной с толщиной полностью обжатого торфа (112 см), т.е. H = 412 см.

По-прежнему 50 %-ной консолидации соответствует фактор времени Тв = 0,22.

Тогда время уплотнения Т = 0,22 × 342 = 75,2 мес. = 6,3 года.

Время уплотнения указанного слоя на 70 % Т = 0,40 × 342 = 137 мес. = 11 лет и т.д.

3. Время уплотнения слоя глины скрытотекучей консистенции.

В этом случае принимается также Kв = 10-8 см/сек, т.е. коэффициент фильтрации вышележащего слоя как лимитирующего сроки фильтрации.

H принято равным мощности расчетного слоя (700 см), сложенной с толщиной вышележащего слоя глины (300 см) и толщиной полностью обжатого торфа (112 см).

Тогда время уплотнения указанного слоя даже на 50 % от полной величины осадки Т = 0,22 × 7555 = 1660 мес. » 140 лет.

При более точном расчете следует построить график зависимости между Kф торфа и его пористостью и по нему определить толщину торфа, обжатого до такой степени, что его Kф будет равен Kф нижележащего глинистого слоя.

Сложив эту расчетную мощность торфа с толщиной нижележащего слоя, получим величину расчетного пути фильтрации.

Итак, сроки консолидации глинистых слоев, дающих более 40 % осадки основания, весьма длительные.

Б. Сроки стабилизации для случая комбинированного горизонтального и вертикального дренирования (устройства вертикальных песчаных дрен)

С целью достижения заданных сроков консолидации, отвечающих срокам строительства, на основании пробных расчетов принимаем:

расстояние между дренами, м - 2,0;

диаметр дрен, мм - 425;

длина дрен, м - 12,0.

Коэффициенты фильтрации для всех слоев в горизонтальном направлении приняты соответственно равными коэффициентам фильтрации в вертикальном направлении.

1. Время уплотнения слоя торфа.

Выше подсчитано время уплотнения торфяной толщи, соответствующее 50 %-ной консолидации слоя при фильтрации только через подошву насыпи. Подсчитаем за то же время степень консолидации, обусловленную движением воды к дренажным скважинам (только в горизонтальном направлении).

По графику (см. рис. 40 основного текста) фактору времени Тг = 0,22 соответствует степень консолидации иг = 83 %.

Тогда степень консолидации, обусловленная вертикальной и горизонтальной фильтрацией за время 2,4 мес., будет равна:

и = 100 - 0,01(100 - 50) × (100 - 83) = 93 %.

2. Время уплотнения слоя глин текучепластичной консистенции.

а) При горизонтальном дренировании

Из графика (рис. 40 основного текста) видно, что 50 %-ной консолидации соответствует фактор времени Tг = 0,08.

Время достижения 50 %-ного уплотнения слоя Т = 0,08 × 71 = 5,68 мес.

б) Найдем степень консолидации за то же время за счет вертикального дренирования.

Фактору времени Тв = 0,019 соответствует степень консолидации uв = 10 %.

в) Степень консолидации за срок 5,7 мес. с учетом вертикального и горизонтального дренирования

u = 100 - 0,01(100 - 50) × (100 - 10) = 55 %.

Для 85 %-ной консолидации при горизонтальном дренировании фактор времени Тг = 0,22 и время уплотнения Т = 0,22 × 71 = 15,6 мес.

Степень консолидации с учетом только вертикального дренирования за то же время:

Фактору времени Тв = 0,051 соответствует степень консолидации uв = 27 %.

Итак, за 15,6 мес. слой глины текучепластичной консолидации уплотнится на u = 100 × 0,01(100 - 35) × (100 - 27) = 90 %.

3. Время уплотнения толщи глин скрытотекучей консистенции:

а) При горизонтальном дренировании

Пользуясь темп же графиками, находим:

Консолидация, %

Фактор времени

Время уплотнения, мес.

50

0,08

0,08 × 24,4 = 1,95

70

0,12

0,13 × 24,4 = 3,17

90

0,27

0,27 × 24,4 = 6,6

Учет вертикального дренирования в данном случае даст заведомо ничтожную поправку к срокам уплотнения слоя глины.

Приложение 4

1. Расчет основания с вертикальными дренами

По расчету, проведенному выше (см. приложение 2), время завершения осадки слоя составляет Тстаб = 5,8 года.

При такой длительности уплотнения необходимо рассмотреть вопрос о методах ускорения осадки.

Наиболее эффективным способом ускорения консолидации водонасыщенных грунтов, уплотнение которых подчиняется законам фильтрационной консолидации, является вертикальное дренирование. Проведем расчет вертикальных дрен, исходя из условия достижения 90 %-ной консолидации за 6 мес.

Назначаем диаметр дрен 300 мм при длине 6 м (полная мощность слабой толщи).

Задаемся расстоянием между дренами 2,10 м, тогда отношение

Определяем фактор времени при фильтрации воды в горизонтальном направлении (к дренам). При этом в целях упрощения будем считать, что фильтрационные характеристики и характеристики сжимаемости одинаковы в вертикальном и горизонтальном направлениях, т.е. Kв » Kг; аг » ав.

Так как в данном примере известна величина коэффициента консолидации при вертикальной фильтрации, полученная непосредственно из опыта на консолидацию, то величину Тг можно вычислить по формуле .

По графику рис. 40 основного текста определяем иг при Т = 0,35 для n = 7 (путем графической интерполяции между кривыми, соответствующими п = 4 и п = 8) uг = 90 %.

Фактор времени при вертикальной фильтрации  равен

По графику рис. 41 основного текста определяем, что при Tв = 0,063 uв = 29 %.

Общая степень консолидации по формуле uобщ = 100 - 0,01(100 - uг) × (100 - uв) составляет uобщ = 100 - 0,01(100 - 90) × (100 - 29) = 93 %, что достаточно близко заданному значению uобщ = 90 %.

Значит за 6 мес. при диаметре дрен 300 мм при расстоянии между ними 2,10 м будет достигнута 93 %-ная консолидация слабого основания.

Вместо графиков uг = f1(Tг) и uв = f2(Tв) (см. рис. 40 и 41 основного текста) для расчета консолидации можно пользоваться номограммой (см. рисунок данного приложения), где по предварительно вычисленным Tг, n и Tв графически находят соответственно uг, uв и общую степень консолидации uобщ.

2. Расчет величины временной пригрузки

Ускорение осадки может быть достигнуто путем применения временной пригрузки.

Ориентировочно рассчитаем необходимую величину временной пригрузки для достижения за 6 мес. осадки, соответствующей 90 %-ной фильтрационной консолидации под проектной нагрузкой. Поскольку полная расчетная осадка верхнего слоя составляет 1,93 м, полная фильтрационная осадка составит 1,93 × 0,8 = 1,54 м и 90 % от этой величины составит 1,39 м.

Номограмма для консолидационного расчета оснований с вертикальными дренами

Расчет ведем в соответствии с указаниями, изложенными в пп. 147 - 148.

Для расчета должны быть известны:

1) величина коэффициента консолидации;

2) расчетный максимальный путь фильтрации воды из грунта основания;

3) зависимость полной осадки от нагрузки (строится на основе компрессионной кривой).

Величина коэффициента консолидации определена выше при расчете осадки во времени (приложение 2) Ск = 3,54 см2.

Определяем значение N по формуле:

Зная величину N, определяем требуемое значение коэффициента времени Kвp по табл. 17 основного текста Kвp = 0,35.

Определим теперь величину конечной осадки, которую мы получили бы при приложении некоторой искомой нагрузки, для которой осадка в 1,39 м достигается при значении Kвp = 0,35:

В данном случае значение Sкон получилось совершенно нереальным, так как полная мощность слоя - 4 м, следовательно, нагрузка, при которой такой слой даст осадку 3,57 м (ер » 890 мм/м), либо слишком велика, либо вообще недостижима. Это свидетельствует о том, что при условиях данной задачи заданного ускорения осадки, применяя только метод временной пригрузки, получить нельзя.

Определим, сколько потребуется времени для достижения заданной осадки 1,39 м при увеличении нагрузки по сравнению с проектной на 0,4 кг/см2 (2-метровый слой временной пригрузки).

По рис. 4 (приложение 2) находим, что при нагрузке 1,4 кг/см2 конечная осадка верхнего слоя составляет 2,12 см.

Отсюда

При Kвр = 0,655 N = 0,85 (по табл. 17), откуда

Следовательно, при величине временной пригрузки 0,4 кг/см2, что соответствует 2-метровому дополнительному слою, требуемая осадка будет достигнута за 21,25 мес.

При использовании метода временной пригрузки необходимо проверить степень устойчивости основания с учетом увеличения нагрузки. Нужно учитывать устойчивость не только верхнего слоя, но и нижнего.

Дополнительно рассмотрим вопрос о применении метода временной пригрузки для ускорения полной расчетной величины осадки в случае одновременного применения конструкции с вертикальными песчаными дренами.

При проведенном выше расчете конструкции с вертикальными песчаными дренами было установлено, что при диаметре дрен 300 мм и расстоянии между дренами 2,10 м за 6 мес. будет достигнута степень консолидации в 93 %. При полной фильтрационной осадке 1,54 м это составит 1,54 м · 0,93 = 1,43 м.

Однако полная осадка верхнего слоя составляет 1,93 м, причем осадку в процессе консолидации, равную 1,93 × 0,2 = 0,39 м, нельзя ускорить только за счет применения дрен.

Вместе с тем, применяя в сочетании с вертикальными дренами метод временной пригрузки, мы можем ускорить достижение проектной величины осадки.

Предположим, что требуется за 6 мес. получить не 90 % фильтрационной части осадки, а 85 % полной проектной величины осадки, т.е. 1,93 ´ 0,85 = 1,64 м (расчет ведем, как и прежде, только на верхний слой). Определим, какова должна быть величина пригрузки, чтобы получить требуемую осадку в заданный срок. Поскольку при заданной конструкции дрен за 6 мес. достигается 93 % консолидации, т.е. 93 % фильтрационной части осадки, определим, чему должна соответствовать полная фильтрационная осадка, если 1,64 м составляют 93 % ее величины.

Поскольку фильтрационная часть составляет 80 % от полной осадки, то полная осадка будет равна

Из графика рис. 4 приложения 2 видим, что осадке верхнего слоя 2,2 м соответствует нагрузка, равная 1,6 кг/см2. Отсюда требуемая величина временной пригрузки составит:

1,6 - 1,0 = 0,6 кг/см2,

что соответствует 3-метровому слою насыпного грунта.

При практическом осуществлении метода временной пригрузки необходимо учитывать устойчивость основания.

Приложение 5

ПРИМЕР ОРИЕНТИРОВОЧНОГО ОПРЕДЕЛЕНИЯ РАЗМЕРОВ

БОКОВЫХ ПРИГРУЗОЧНЫХ БЕРМ

Задание. Проектируется насыпь высотой 6 м, шириной поверху 12 м, с крутизной откосов 1:1,5, объемным весом грунта насыпи 2,0 т/м3. Основание насыпи представлено 2-метровым слоем торфа и 8-метровым слоем иольдиевых глин, подстилаемых плотной супесью (рис. 1). Сопротивляемость сдвигу торфяного грунта в природном состоянии сусл = 0,2 кг/см2, а в состоянии полного уплотнения под нагрузкой от веса насыпи сцепление составляет сW = 0,3 кг/см2 и угол внутреннего трения jW = 15°. Сопротивляемость сдвигу иольдиевых глин в природном состоянии сусл = 1,0 кг/см2, а в состоянии полного уплотнения под воздействием нагрузки от насыпи cW = 0,18 кг/см2 и jW = 10°. Супесь, подстилающая иольдиевую глину, имеет сопротивляемость сдвигу в природном состоянии более 1,0 кг/см2. Расчеты показали, что безопасная нагрузка для основания при быстрой отсыпке рбез = 0,35 кг/м2 и регламентируется слоем иольдиевой глины; расчетная осадка насыпи составляет 1,0 м, а безопасная нагрузка при медленной отсыпке равняется 0,8 кг/см2.

Рис. 1. Расчетный поперечник

При осадке в 1,0 м фактическая нагрузка на основание при быстрой отсыпке составит:

р = (6 + 1)2,0 т/м3 = 1,4 кг/см2

и при медленной отсыпке (считая горизонт грунтовых вод совпадающим с поверхностью земли):

р = 6 м · 2,0 т/м3 + 1,0 м × 1,0 т/м3 = 1,3 кг/см2.

Отсюда коэффициент безопасности при быстрой отсыпке составит:

а при медленной отсыпке

т.е. устойчивость основания при заданной конструкции насыпи не обеспечена.

Требуется. Рассмотреть вариант обеспечения устойчивости основания путем устройства боковых пригрузочных берм и определить ориентировочно необходимые размеры берм, полагая объемный вес грунта берм выше уровня воды равным 1,8 т/м3 и ведя расчет на медленную отсыпку.

Решение. Прежде всего устанавливаем ориентировочно требуемую высоту пригрузочных берм, используя формулу (32):

Полагая приближенно, что увеличение сцепления и угла внутреннего трения при уплотнении грунта основания нагрузкой от веса насыпи пропорционально величине этой нагрузки (т.е. толщина насыпного слоя), получаем, что сцепление грунта основания под бермами при полном уплотнении от их веса составит (учитывая, что при высоте насыпи 6 м конечное сцепление скон равно 0,18 кг/см2)

При высоте насыпи 6 м конечная величина угла внутреннего трения - 10°. Полагая аналогично, что увеличение угла внутреннего трения пропорционально толщине насыпного слоя, получаем при толщине призм 2,8 м (считая jнач = 0)

При полученных значениях jкон и скон определяем по формуле (31) максимальную высоту пригрузочных берм, допустимую с точки зрении устойчивости основания под самими бермами,

что больше требуемой высоты (2,8 м). Таким образом, конструкция с пригрузочными бермами высотой 2,8 м может быть осуществлена.

Определяем теперь требуемую длину пригрузочных берм. Для этого предварительно вычислим величину bср и определим a:

Величину a устанавливаем по формуле 35. При этом в расчет вводим значения a и с, соответствующие грунту, расположенному под бермами в состоянии полного уплотнения под нагрузкой от их веса, т.е. принимаем с = 0,14 кг/см2 и j = 5°.

Вычисляем  и .

Наносим зависимость

на график рис. 2 и по первой слева точке пересечения построенных прямой и кривой  определяем величину a = 22°.

Рис. 2. График зависимостей y1 = f1(a) и y2 = f2(a)

Вычисляем величину

так как H = 10 м < 62,5, то для определения длины берм используем формулу (34):

Таким образом, устройство пригрузочных берм высотой 2,8 м и длиной 26 м должно обеспечить устойчивость насыпи проектной высоты при условии медленной отсыпки.

Полученные результаты следует проверить и при необходимости уточнить, применяя метод расчета устойчивости по круглоцилиндрическим поверхностям скольжения.

Приложение 6

ИСПЫТАНИЕ И ПРИЕМКА ЖЕЛЕЗНОДОРОЖНЫХ НАСЫПЕЙ,

ВОЗВОДИМЫХ НА СЛАБЫХ ГРУНТАХ

1. Насыпи, возведенные на слабых грунтах, должны быть проверены пробным испытанием подвижной нагрузкой. Насыпь следует испытывать статической и динамическом нагрузками при непромерзшем слабом грунте основания и грунте насыпи после ее отсыпки до проектной отметки.

2. Испытанию статической нагрузкой подвергают насыпи, на которых осуществляются мероприятия по наблюдению за деформациями основания (пп. 182 - 186).

На этих насыпях устанавливают полногрузные 6- или 4-осные вагоны на срок не менее чем трое суток. В период испытаний ведутся ежедневные наблюдения за осадкой верха и низа насыпи, где установлены осадочные репера, за выпором слабого грунта основания путем нивелирования реперов и кольев. Если осадка насыпи носит затухающий характер, статические испытания считаются завершенными. При испытании насыпи следует вести журнал по прилагаемой ниже форме (стр. 172).

Форма журнала испытаний статической нагрузкой насыпей, отсыпанных на слабых грунтах

Дата

Характеристика участка

Результаты испытаний

Пикет и плюс

Протяженность участка, м

Мощность насыпного слоя, мм

Конструкция насыпи

Мощность слабого основания, м

Осадка насыпи, м

Вид испытательного поезда

Нагрузки на ось, т

Время выстойки, сутки

Деформации насыпи, мм

осадка насыпи

выпор основания

 

 

 

 

 

 

 

 

 

1

 

 

 

 

 

 

 

 

 

 

 

2

 

 

 

 

 

 

 

 

 

 

 

3

 

 

 

 

 

 

 

 

 

 

 

Итого

 

 

3. Динамической нагрузкой испытывают насыпи на слабых основаниях, возведенные без замены слабого грунта основания и с частичной его заменой, с мощностью слабого грунта под насыпью свыше 3 м.

В качестве начальной подвижной нагрузки следует применять состав из платформ с грунтом, равномерно загруженных, с давлением на ось 13 т.

Между передней платформой и локомотивом необходимо ставить 3 - 5 порожних вагонов или платформ. Первые заезды осуществляются вагонами вперед. Испытательные поезда должны быть составлены так, чтобы обеспечить последовательное повышение нагрузки с доведением ее до контрольной (не менее 22 т на ось вагона).

Испытание должно состоять из нескольких циклов, последовательных заездов испытательного поезда с постепенно возрастающими скоростями по примерным ступеням, указанным в таблице.

Форма журнала испытаний динамической нагрузкой насыпей, отсыпаемых на слабых грунтах

Дата

Пикет и плюс

Характеристика основания насыпи и способы производства работ по возведению насыпи

Конструкция насыпи

Характеристика испытательного поезда

Нагрузка на ось (средние и груженые вагоны), m

№ циклов и заездов в цикле

Скорость заездов, км/ч

Величина осадки, мм

Состояние пути

Примечание

пути

земляного полотна

упругая земляного полотна

остаточная

 

 

 

 

 

 

 

 

 

 

 

 

 

 

Цикл

Нагрузка на ось в % от контрольной

Скорость, км/ч

I

60

15

30

45

60

II

80

15

30

45

60

III

100

15

30

45

60

После каждого цикла заездов в зависимости от величины осадки и состояния пути определяется порядок продолжения испытаний. По окончании испытаний нивелированием устанавливают величины осадки и необходимые размеры досыпки.

О результатах испытаний составляется акт, в котором отмечается пригодность насыпи для нормальной или временной эксплуатации. Насыпь можно считать пригодной для нормальной эксплуатации, если не наблюдаются местные просадки и перекосы пути, упругие осадки не превышают для линий I и II категорий 3 мм, для линий III категории - 5 мм и для IV категории - 7 мм, или величин, указанных в проекте, а остаточные деформации в течение каждого цикла имеют затухающий характер.

При испытании насыпи ведется журнал по прилагаемой ниже форме.

4. Насыпи, возведенные на слабых грунтах, по всем остальным показателям принимают так же, как и обычные, в соответствии с техническими условиями.

5. Затраты, связанные с производством испытаний, должны предусматриваться в смете строительства линии.

Приложение 7

ПОРЯДОК СОСТАВЛЕНИЯ ПАСПОРТА ДЛЯ НАСЫПЕЙ,

ВОЗВОДИМЫХ НА СЛАБЫХ ГРУНТАХ

Дли каждой насыпи, возводимой на слабом грунте, должен быть составлен паспорт.

Паспорт составляется на основании контрольного бурения после испытания насыпи подвижной нагрузкой. В паспорт включают продольный и поперечный профили, а также пояснительную записку. Количество поперечных профилей назначается в зависимости от рельефа дна болота, но не менее чем один поперечник на каждые 200 м.

При контрольном бурении закладываются на каждом поперечнике буровые скважины в количестве не менее:

а) трех для однопутного пути без берм (рис. 1) (по одной скважине на откосах и на оси пути);

б) пяти для однопутного пути с бермами (рис. 2) (по одной скважине на бермах, по одной на откосах и на оси пути);

в) четырех для второго пути (рис. 3) (по одной скважине на бровках старой насыпи, по оси и на откосе новой насыпи).

Скважины заглубляются в минеральное дно болота не менее чем на 1 м. При наличии сланей под насыпью существующего пути скважины доводятся до верха сланей.

Рис. 1. Схема расположения контрольных буровых скважин при возведении однопутной насыпи без берм на слабых грунтах

Рис. 2. Схема расположения контрольных буровых скважин при возведении однопутной насыпи с бермами на слабых грунтах

Ежегодно в процессе рабочего движения поездов и временной эксплуатации при наличии продолжающихся осадок насыпи, а также перед сдачей линии в постоянную эксплуатацию производят контрольное бурение по тем же створам с занесением результатов в паспорт.

Рис. 3. Схема расположения контрольных буровых скважин при сооружении второго пути на слабых грунтах

В случае ускорения стабилизации слабых грунтов основания песчаными дренами, прорезями и т.п. при контрольном бурении необходимо отбирать пробы грунта основания для определения изменений физико-механических свойств грунтов в процессе консолидации.

В пояснительной записке указываются способы возведения насыпи, вид грунтов, продольный профиль пути, глубина выторфовывания, имевшие место деформации, а также прикладываются журналы испытаний подвижной нагрузкой (см. приложение 6) или выписки из них.

Паспорта насыпей на болотах включаются в документацию при сдаче линии в эксплуатацию.

Приложение 8

ГРАФИКИ ДЛЯ ОПРЕДЕЛЕНИЯ НАПРЯЖЕНИЙ В ОСНОВАНИИ

НАСЫПИ ТРАПЕЦЕИДАЛЬНОГО ОЧЕРТАНИЯ

Настоящие графики позволяют определить величину большего и меньшего главных напряжений, возникающих в заданной точке грунтового массива от нагрузки, приложенной с поверхности и распределенной по закону равнобочной трапеции.

Дли точки с заданными относительными координатами  и  (где z и x - соответственно вертикальная и горизонтальная координаты точки в абсолютных единицах) при заданной характеристике очертания эпюры нагрузки  по графикам устанавливают значения главных напряжений s1 и s2 в долях от нагрузки на поверхности р0.

 и                                      (см. рис. 1)

Рис. 1. Схема нагрузки, изменяющейся по закону равнобочной трапеции

Значения a1 и a2 определяют непосредственно по изолиниям или по интерполяции.

Рис. 2. Графики значений  при

Рис. 3. Графики значений  при

Рис. 4. Графики значений  при

Рис. 5. Графики значений  при

Рис. 6. Графики значений  при

Рис. 7. Графики значений  при

Рис. 8. Графики значений  при

Рис. 9. Графики значений  при

Рис. 10. Графики значений  при

Рис. 11. Графики значений  при

Рис. 12. Графики значений  при

Рис. 13. Графики значений  при

Рис. 14. Графики значений  при

Рис. 15. Графики значений  при

Рис. 16. Графики значений  при

Для определения главных напряжений при составлении графиков использованы следующие выражения:

(смысл величин а, В, Ri и bi ясен из рисунка).

Для оси симметрии w = 0 по графикам могут быть определены значения вертикального и горизонтального нормальных напряжений.

ИСПОЛЬЗОВАННАЯ ЛИТЕРАТУРА

1. Акройд Т. Лабораторные испытания грунтов в строительстве. М., Автотрансиздат, 1959.

2. Альбом типовых поперечных профилей земляного полотна вновь строящихся железных дорог колеи 1524 мм общей сети Союза ССР. М., Moсгипротранс, ЦНИИ МПС, 1964.

3. Альбом типовых поперечных профилей земляного полотна вторых путей железных дорог колеи 1524 мм общей сети Союза ССР. Проект. М., Мосгипротранс, 1965.

4. Арсеньев А.А., Гайдук В.А., Кузнецова Я.П. Постройка дорог облегченного типа на болотах. М., Дориздат, 1942.

5. Арсеньев А.А. Проектирование устойчивых насыпей на болотах для дорог с покрытиями различного типа. В сб. «Исследование деформации полотна автомобильных дорог». М., Дориздат, 1947.

6. Атлас растительных остатков, встречаемых в торфе. Под ред. С.Н. Тюремнова. М., Госэнергоиздат, 1959.

7. Бабков В.Ф., Гербурт-Гейбович А.В. Основы грунтоведения и механика грунтов. М., Автотрансиздат, 1956.

8. Баркан Д.Д. Экспериментальные исследования сотрясений грунта, вызываемых паровозом. Инженерный сборник института механики. АН СССР, т. III, вып. I, 1946.

9. Березанцев В.Г. и др. Механика грунтов, основания и фундаменты. М., Трансжелдориздат, 1961.

10. Бируля А.К. Проектирование автомобильных дорог, ч. 1. М., Автотрансиздат, 1961.

11. Викторов И.И. О дальнейшем усовершенствовании основных требований к проектированию железнодорожных насыпей на болотах. В сб. «Проектирование и сооружение земляного полотна ВНИИТС». Вып. 40. М., Трансжелдориздат, 1961.

12. Возведение земляного полотна на слабом основании. ВИНИТИ. Экспресс-информация, № 12, 1961.

13. Герсеванов Н.М., Польшин Д.Г. Теоретические основы механики грунтов и их практическое применение. М., Стройиздат, 1948.

14. Гольдштейн М.Н. Механические свойства грунтов. М., Госстройиздат, 1952.

15. Горбунов - Посадов М.И. Расчет конструкций на упругом основании. М., Госстройиздат, 1953.

16. Горькова И.М. Структурные и деформационные особенности осадочных пород. М., изд. «Наука», 1965.

17. Грушевой Н.Г. Земляное полотно зарубежных железных дорог. М., Трансжелдориздат, 1961.

18. Денисов Н.Я. О природе деформаций глинистых пород. М., Речиздат, 1951.

19. Дрозд П.А. Прочность и оптимальная высота песчаных насыпей на торфе при статических нагрузках. Сб. «Осушение и использование торфяно-болотных почв». Минск, 1963.

20. Дружинин М.К., Горелик А.М. Испытание слабых грунтов в полевых условиях. Журн. «Транспортное строительство», № 8, 1961.

21. Евгеньев И.Е. Земляное полотно с вертикальными дренами на болотах. М., Транспорт, 1964.

22. Евстафьев Л.С. Водопроницаемость торфа естественной влажности. Труды Инсторфа. Вып. 18, 1939.

23. Ершов В.А. Устойчивость песчаных насыпей в связи с колебаниями, вызываемыми железнодорожным и автомобильным транспортом. Основания и фундаменты. Труды ЛИСИ. Вып. 37, Л., 1962.

24. Ершов В.А. О необходимой плотности железнодорожных насыпей с учетом динамических воздействий. Сооружение и эксплуатация земляного полотна из пылеватых грунтов. Сб. трудов совещания в г. Иркутске в сентябре 1962 г.

25. Иванов Н.Н., Бабков В.Ф., Орнатский Н.В., Маслов Н.Н. Вопросы дорожного строительства на V международном конгрессе по механике грунтов и фундаментостроению. М., Научно-техническое изд-во министерства автомобильного транспорта и шоссейных дорог РСФСР, 1963.

26. Иванов И.Н., Пономарева П.М. Строительные свойства грунтов. М., Лесгострансиздат, 1932.

27. Иванов К.Е., Гидрология болот. М., Гидрометеоиздат, 1953.

28. Инструкция по сооружению земляного полотна автомобильных дорог (ВСН 97-63). М., Транспорт, 1964.

29. Казарновский В.Д. К вопросу об оценки устойчивости насыпей на болотах и слабых грунтах. Труды СоюздорНИИ. Вып. 1, 1964.

30. Канатов И.И. О минимальной высоте насыпей на болотах I типа. Журнал «Транспортное строительство», № 1, 1956.

31. Канатов И.И. Вопросы проектирования ж.-д. земляного полотна на болотах. В сб. «Проектирование и сооружение земляного полотна». ВНИИТС. Вып. 40, М., Трансжелдориздат, 1961.

32. Качественная оценка земляного полотна на болотах (под ред. Кузнецовой Н.П.). М., Дориздат, 1941.

33. Коншин Г.Г. Определение напряжений в земляном полотне. Журн. «Транспортное строительство», № 3, 1965.

34. Корчунов С.С. О методе определения объемного веса торфа. «Торфяная промышленность», № 8, 1948.

35. Кузнецова Н.П. Итоги изучения болот с точки зрения дорожного строительства. В сб. «Проектирование и возведение земляного полотна железных и автомобильных дорог». Изд. АН СССР, 1960.

36. Лундин К.П. Осадка торфа под насыпями. М., Госиздат, 1935.

37. Маслов Н.Н., Казарновский В.Д. Определение сопротивляемости грунтов сдвигу методом плотности-влажности». «Автомобильные дороги», № 12, 1962.

38. Маслов Н.Н. Основы механики грунтов и инженерной геологии. М., Автотрансиздат, 1961.

39. Маслов Н.Н. Прикладная механика грунтов. М., Машстройиздат, 1949.

40. Материалы Всесоюзного совещания по строительству на слабых водонасыщенных глинистых грунтах. Таллин, 1965.

41. Медков Е.И. Расчеты осадки оснований сооружений с учетом фаз сопротивления грунтов. Труды МИИТа. Вып. 197, 1965.

42. Методические указания по анализу торфа и торфоминерально-аммиачных удобрений. Л., ВНИИТП, 1964.

43. Методические указания по определению физико-механических свойств грунтов в полустационарной лаборатории изыскательских экспедиции. ЦНИИС, 1961.

44. Методические указания по определению сопротивления грунтов сдвигу в скважинах. М., Оргтрансстрой, 1961.

45. Механика грунтов для инженеров-дорожников (перевод с англ. под ред. проф. Бабкова В.Ф.). М., Автотрансиздат, 1957.

46. Морарескул Н.Н. О сопротивлении торфов сдвигу. Труды ЛИСИ, 1958.

47. Москва-Волга канал. Торф в строительстве. М., Госстройиздат, 1940.

48. Муратов П.Г. Основные типы локомотивов на перспективу. Журн. «Железнодорожный транспорт», № 4, 1964.

49. Опыт сооружения дорожных насыпей на слабых грунтах в США. ВИНИТИ. Экспресс-информация, № 16, 1965.

50. Опыт сооружения вертикальных песчаных дрен при строительстве в Шлезвиг-Гольштейне. ВИНИТИ. Экспресс-информация, № 8, 1965.

51. Опыт строительства автомобильных дорог на торфяных грунтах в Швейцарии. ВИНИТИ. Экспресс-информация, № 44, 1964.

52. Ордуянц К.С. Устройство железнодорожных насыпей на болотах. М., Трансжелдориздат, 1946.

53. Отжатие ила насыпью. ВИНИТИ. Экспресс-информация, № 46, 1964.

54. Петров Ю.В. Исследование осадок торфяных оснований железнодорожных насыпей методом центробежного моделирования. В сб. «Проектирование и сооружение земляного полотна. ВНИИТС. Вып. 40. М., Трансжелдориздат, 1961.

55. Печкуров А.Ф. Уплотнение торфа под нагрузкой. Труды института мелиорации, водного и болотного хозяйства АН БССР, т. VII, 1956.

56. Предварительная консолидация при строительстве дорог на болотах. ВИНИТИ. Экспресс-информация, № 5, 1960.

57. Посадка насыпи на минеральное дно болота с помощью взрывов. ВИНИТИ. Экспресс-информация, № 47, 1964.

58. Рекомендации по конструкциям и способам возведения земляного полотна на мокрых солончаках. М., СоюздорНИИ, 1966.

59. Роза С.А. Расчет осадки сооружений гидростанций. М., Госэнергоиздат, 1959.

60. Руденко В.И. К вопросу о сопротивлении сдвигу глинистых грунтов в условиях незавершенной консолидации. Сб. докладов и сообщений на научно-техническом совещании по строительству автомобильных дорог. М., СоюздорНИИ, 1963.

61. Савельев В.И. Сопротивление илов сдвигу. Журн. «Гидротехническое строительство», № 11, 1951.

62. Сидоров Н.Н. Предварительное выторфовывание при сооружении железнодорожных насыпей на болотах. Сб. ЛИИЖТа. Вып. 144. М., Трансжелдориздат, 1952.

63. Сидоров Н.Н. Расчет осадок насыпей на торфяных болотах. Сб. трудов ЛИИЖТа. Вып. 143, М., Трансжелдориздат, 1950.

64. Сипидин В.П., Сидоров Н.Н. Исследование грунтов в условиях трехосного сжатия. М., изд. литературы по строительству, 1963.

65. СНиП II-Б.1-62. Основания зданий и сооружений. Нормы проектирования. М., изд. литературы по строительству, 1964.

66. СНиП II-Д.5-62. Автомобильные дороги общей сети СССР. Нормы проектирования. М., изд. литературы по строительству, 1964.

67. СНиП II-Д.1-62. Строительные нормы и правила железных дорог колеи 1524 мм общей сети. М., изд. литературы по строительству, 1964.

68. Соколов В.А. К вопросу учета динамических нагрузок от подвижного состава при расчете устойчивости откосов земляного полотна. Тр. Новосибирского института железнодорожного транспорта, вып. XII, 1955.

69. Сооружение насыпи на слабом грунте. ВИНИТИ. Экспресс-информация, № 9, 1965.

70. Сорокина Г.В., Павлова Л.А. Строительная классификация морских плов. М., Союзморниипроект, 1962.

71. Сорокина Г.В., Павлова Л.А. Строительная классификация морских илов. Сб. трудов, ВНИИОСП, № 54, 1964.

72. Справочник по торфу. М., Госэнергоиздат, 1954.

73. Строительство автомобильных дорог, ч. 1, под ред. проф. Иванова Н.Н. 1964.

74. Строительство дорог на торфе. ВИНИТИ. Экспресс-информация, № 36, 1960.

75. Строительство дорог на болотах. ВИНИТИ. Экспресс-информация, № 10, 1960.

76. Строительные нормы и правила СНиП II-А.10-62. Строительные конструкции и основания. Основные положения проектирования. М., изд. литературы по строительству, 1962.

77. Строительные нормы и правила СНиП II-Б.3-62. Основания гидротехнических сооружений. М., изд. литературы по строительству, 1962.

78. Строительные нормы и правила СНиП II-И.4-62. Плотины земляные насыпные. Изд. литературы по строительству, 1964.

79. Тейлор Д. Основы механики грунтов. Госстройиздат, 1960.

80. Терцаги К. и Пек Р. Механика грунтов в инженерной практике. М., Госстройиздат, 1958.

81. Терцаги К. Теория механики грунтов. М., Госстройиздат, 1961.

82. Технические указания по проектированию автомобильных дорог лесозаготовительных предприятий. Л., 1963.

83. Технические условия сооружения железнодорожного земляного полотна. СН 61-59. М., Госстройиздат, 1960.

84. Технические условия проектирования железнодорожных, автодорожных и городских мостов и труб. СН 200-62. М., Трансжелдориздат, 1962.

85. Типовые поперечные профили земляного полотна автомобильных дорог. М., Союздорпроект, 1966.

86. Ткаченко А.А. Расчет упругих осадок насыпей автомобильных дорог на болотах. Известия ВУЗ, «Лесной журнал», № 2, Архангельск, 1961.

87. Ткаченко А.А. Дорожно-строительная классификация болот. Известия ВУЗ, «Лесной журнал», № 5, Архангельск, 1962.

88. Ткаченко А.А. Расчет осадок насыпей автомобильных дорог на болотах. Известия ВУЗ, «Лесной журнал», № 6, Архангельск, 1959.

89. Ткаченко А.А. Исследование осадок насыпей магистральные узкоколейных дорог на болотах. Труды АЛТИ, т. 17, 1957.

90. Ткаченко А.А., Журавлева Л.И. Руководство по проектированию земляного полотна железных и автомобильных дорог на болотах. Архангельск, АЛТИ, 1965.

91. Троицкая М.Н. Пособие к лабораторным работам по механике грунтов. Изд. МГУ, 1961.

92. Трофименков Ю.Г. и др. Полевые методы исследования строительных свойств грунтов. М., Стройиздат, 1964.

93. Указания по инженерно-геологическому обследованию болот при изысканиях автомобильных дорог. М., Союздорпроект, 1959.

94. Указания по проектированию земляного полотна автомобильных дорог на болотах. М., Союздорпроект, 1964.

95. Указания по составу и содержанию инженерно-геологических исследований индивидуальных мест земляного полотна. Л., Ленгипротранс, 1963.

96. Указания по технологии производства работ при сооружении железнодорожного земляного полотна ВСН 57-61, 1961.

97. Указания по технологии сооружения насыпей на болотах I типа (проект). ЦНИИС, 1964.

98. Флорин В.А. Основы механики грунтов, т. I. М., Госстройиздат, 1959; т. II, М., Госстройиздат, 1961.

99. Цытович Н.А. Механика грунтов. М., Госстройиздат, 1963.

100. Чаповский Е.Г. Лабораторные работы по грунтоведению и механике грунтов. М., Госгеолтехиздат, 1958.

101. Шахунянц Г.М. Земляное полотно железных дорог. М., Трансжелдориздат, 1953.

СОДЕРЖАНИЕ

Предисловие. 1

I. Общие положения. 2

1. Область применения. Основные понятия. Общие требования к проекту. 2

2. Типы слабых грунтов и их классификация. 3

Ii. Особенности изыскания дорог на участках слабых грунтов. 11

1. Инженерно-геологическое обследование на различных стадиях проектирования. 11

2. Расчетные характеристики и общие принципы их определения. 14

Iii. Расчет и конструирование земляного полотна на участках слабых грунтов. 18

1. Общие принципы назначения конструкции земляного полотна на участках слабых грунтов. 19

2. Расчет и конструирование на стадии проектного задания. 24

3. Расчет и конструирование на стадии рабочего проектирования. 49

4. Трехстадийное проектирование. 71

Iv. Наблюдения за деформациями основания при сооружении насыпей на слабых грунтах. 71

Приложение 1. Методика лабораторных и полевых определений физико-механических показателей слабых грунтов. 72

Приложение 2. Примеры расчета насыпи на слабом грунте. 99

Приложение 3. Пример расчета величины и сроков завершения осадки насыпи на слабом грунте. 118

Приложение 4. Расчеты основания с вертикальными дренами и величины временной пригрузки. 124

Приложение 5. Пример ориентировочного определения размеров боковых пригрузочных берм.. 128

Приложение 6. Испытание и приемка железнодорожных насыпей, возводимых на слабых грунтах. 130

Приложение 7. Порядок составления паспорта для насыпей, возводимых на слабых грунтах. 132

Приложение 8. Графики для определения напряжений в основании насыпи трапецеидального очертания. 133

Использованная литература. 145

 




Яндекс цитирования



   Copyright © 2007-2026,  www.tehlit.ru.

[ ѓосты, стандарты, нормативы, инструкции, правила, строительные нормы ]