//
ТехЛит.ру
- крупнейшая бесплатная электронная интернет библиотека для "технически умных" людей.
WWW.TEHLIT.RU - ТЕХНИЧЕСКАЯ ЛИТЕРАТУРА

:: Алготрейдинг::


АЛГОТРЕЙДИНГ
шаг за шагом
с нуля по урокам!

Торговые роботы на PYTHON, BackTrader,
Pandas, Pine Script для TradingView. Связка с брокерами, телеграм и легкими приложениями.


ОТКРЫТОЕ АКЦИОНЕРНОЕ ОБЩЕСТВО

ПРОЕКТНО-КОНСТРУКТОРСКИЙ И ТЕХНОЛОГИЧЕСКИЙ
ИНСТИТУТ ПРОМЫШЛЕННОГО СТРОИТЕЛЬСТВА
ОАО ПКТИПРОМСТРОЙ

УТВЕРЖДАЮ

ГЕНЕРАЛЬНЫЙ ДИРЕКТОР, К.Т.Н.

____________ С.Ю. ЕДЛИЧКА

«_05_» _______06______ 2003 Г.

ТЕХНОЛОГИЧЕСКАЯ КАРТА
НА УСТРОЙСТВО
ШТУКАТУРНЫХ ПОКРЫТИЙ ФАСАДОВ

42-03 ТК

ГЛАВНЫЙ ИНЖЕНЕР

______________ А.В. КОЛОБОВ

НАЧАЛЬНИК ОТДЕЛА

______________ Б.И. БЫЧКОВСКИЙ

2003

В технологической карте представлена технология устройства штукатурных покрытий фасадов при строительстве, реконструкции и ремонте жилых, гражданских и общественных зданий. Технологическая карта разработана в соответствии с действующими нормативными документами и на основании изучения опыта работы организаций по устройству штукатурных покрытий фасадов на строительных объектах.

В карте приведена технология производства штукатурных работ; представлены разделы по организации и технологии строительного процесса, по безопасности и охране труда, качеству работ; приведена потребность в машинах, механизмах и приспособлениях с целью ускорения производства работ, снижения затрат труда, совершенствования организации и повышения качества работ.

Карта предназначена для производителей работ, мастеров и бригадиров, занимающихся устройством штукатурных покрытий фасадов при строительстве, реконструкции и ремонте жилых, гражданских и общественных зданий, а также работников технического надзора заказчика и инженерно-технических работников строительных и проектно-технологических организаций, связанных с производством и контролем качества штукатурных работ.

В разработке карты принимали участие сотрудники ОАО ПКТИпромстрой:

- Кулькова И.В. - исполнитель работы, компьютерная обработка и графика;

- Черных В.В. - технологическое сопровождение разработки;

- Холопов В.Н. - проверка работы;

- Бычковский Б.И. - техническое руководство, нормоконтроль, корректура разработки;

- к.т.н. Едличка С.Ю. - общее техническое руководство разработкой технологической документации.

Технологическая карта не заменяет ППР. (см. СНиП 3.01.01.-85*)

СОДЕРЖАНИЕ

1 ОБЛАСТЬ ПРИМЕНЕНИЯ

1.1 Технологическая карта разработана на устройство штукатурных покрытий фасадов (далее - штукатурные работы) с применением известковых, известково-цементных и цементно-песчаных растворов при строительстве, реконструкции и ремонте жилых, гражданских и общественных зданий.

1.2 Состав и содержание карты включает требования, предъявляемые к штукатурным составам и готовности поверхности фасадов к штукатурным работам, решения по технологии и организации выполнения штукатурных работ с обеспечением их качества, средства механизации и инструмент, необходимые штукатурам для производства работ, мероприятия по безопасности и охране труда.

1.3 Штукатурка - отделочный слой на поверхностях различных конструкций зданий и сооружений, который выравнивает эти поверхности, придает им определенную форму, защищает конструкции от влаги, выветривания, огня, повышает сопротивление теплопередаче, уменьшает воздухопроницаемость и звукопроводность ограждающих конструкций.

1.4 Правильно выполненная штукатурка не только долговечна, но и придает поверхностям более красивый вид.

1.5 Штукатурки бывают обычные и декоративные.

1.5.1 Обычные штукатурки служат основанием под окрашивание. Их выполняют из неокрашенных известковых, цементно-известковых, известково-гипсовых или цементных растворов. Все растворы, кроме известково-гипсовых, применяют для оштукатуривания по кирпичу и бетону. Известково-гипсовыми растворами оштукатуривают только деревянные поверхности.

Известковые растворы приготовляют из извести и песка. Известковое тесто должно быть выдержано в творильных ямах или на заводах готовых растворов не менее трех недель. Количество песка, вводимого в известковое тесто, составляет 1 - 4 ч. и зависит от жирности известкового теста. Состав раствора должен быть 1:1; 1:1,5; 1:2; 1:2,5 и т.д. Во всех случаях раствор должен быть нормальной консистенции, так как жирные растворы сильно трескаются, а тощие не имеют надлежащей прочности.

Известково-гипсовые растворы приготовляют из известкового раствора с добавлением в него гипса для ускорения схватывания. Обычно на одну часть гипса берется 2 - 3 ч. известкового раствора.

Цементно-известковые растворы состоят из цемента и известкового раствора. Составы растворов могут быть разными: 1:1:6; 1:2:8; 1:1:9; 1:1:11; 1:3:12; 1:3:15 (на 1 ч. цемента берут от 1 до 3 ч. извести и от 6 до 15 ч. песка). Лучшие растворы для оштукатуривания фасадов состава 1:1:6 и 1:2:8. Состав раствора указывается в проекте или назначается техническим персоналом строительства.

Цементные растворы применяют составов от 1:1 до 1:6, т.е. на 1 ч. цемента берут от 1 до 6 ч. песка.

1.5.2 Декоративные штукатурки выполняют из предварительно окрашенных растворов с заполнителями разной крупности или с использованием цветных цементов.

Растворы окрашивают введением в них сухих строительных красок. Краски должны быть свето- и щелочестойкими. Они не должны разрушать вяжущих веществ или понижать их прочность. Заполнителями таких растворов могут служить крупные пески, мраморная или гранитная крошка, крошка красного кирпича.

В зависимости от применяемых материалов и способа обработки штукатурки подразделяются на известково-песчаные, терразитовые и каменные, а также штукатурки, обрабатываемые путем травления кислотой.

Известково-песчаные цветные штукатурки применяют для отделки кирпичных стен, а также поверхностей из материалов, имеющих марку 50 и ниже, например, легкий бетон, туф, ракушечник, пористые бетонные блоки. Эти штукатурки наносят на грунты с небольшим количеством цемента. Их нельзя наносить на поверхности из плотного бетона, так как они могут со временем отслаиваться.

Терразитовые штукатурки применяют для отделки стен, колонн, цоколей и других частей капитальных зданий.

Каменные штукатурки имитируют облицовочный природный камень (гранит, мрамор, известняк, туф). Этими штукатурками отделывают поверхности из тяжелого, плотного бетона, кирпича, т.е. материалов, имеющих марку не ниже 100. При нанесении каменных штукатурок на поверхности, выполненные из менее прочного материала, они отслаиваются. Каменные штукатурки наносят на цементные грунты.

При оштукатуривании фасадов декоративными растворами большую роль играет правильное устройство лесов и расположение мест их крепления. Леса надо крепить в таких местах, которые по окончании работ можно было бы аккуратно заделать.

1.6 До начала штукатурных работ на фасадах зданий, подлежащих ремонту, необходимо произвести экспертную оценку состояния объекта и выполнить работы по ремонту всех наружных частей здания, подлежащих отделке.

1.7 Привязка технологической карты к конкретным объектам и условиям производства работ состоит в уточнении объемов работ, данных потребности в трудовых и материально-технических ресурсах и корректировке графика производства работ.

1.8 Выполнение отделочных работ на фасадах зданий и сооружений необходимо производить только при наличии Паспорта на колористическое решение фасада, выдаваемого Службой Главного художника г. Москвы («Москомархитектура») и Государственным Унитарным предприятием «Энлаком».

1.9 Карта предназначена для производителей работ, мастеров и бригадиров, занимающихся устройством штукатурных покрытий фасадов при строительстве, реконструкции и ремонте жилых, гражданских и общественных зданий, а также работников технического надзора заказчика и инженерно-технических работников строительных и проектно-технологических организаций, связанных с производством и контролем качества штукатурных работ.

1.10 Карта предусматривает обращение ее в сфере информационных технологий с включением карты в базу данных по технологии и организации строительных процессов автоматизированного рабочего места технолога строительного производства (АРМ ТСП), подрядчика и заказчика.

2 ОРГАНИЗАЦИЯ И ТЕХНОЛОГИЯ СТРОИТЕЛЬНОГО ПРОЦЕССА

2.1 До начала работ по устройству штукатурных покрытий фасадов должны быть:

- выполнены наружная гидроизоляция и кровля с деталями и примыканиями;

- устроены полы на балконах;

- установлены и закреплены все металлические обрамления архитектурных деталей на фасадах зданий;

- установлены крепежные устройства для водосточных труб;

- тщательно очищены фасады зданий от пыли, грязи, жировых и битумных пятен, а также от выступающих солей;

- произведена (при необходимости) на бетонных поверхностях, подлежащих оштукатуриванию, нарезка и насечка, огрунтовка семипроцентым раствором поливинилацетатной эмульсии, промывка десятипроцентным раствором технической соляной кислоты;

- исправлены все обнаруженные дефекты и отклонения от допусков, установленных СНиП 3.03.01-87 «Несущие и ограждающие конструкции».

2.2 Гладкие бетонные поверхности монолитных конструкций и сборных конструкций заводского изготовления оштукатуриванию не подлежат.

2.3 В сухую погоду при температуре воздуха +23 °С и выше подлежащие оштукатуриванию участки стен из мелкоштучных стеновых материалов (кирпич, блоки и т.д.) необходимо увлажнять.

2.4 Поверхности, подлежащие оштукатуриванию, проверяются провешиванием в вертикальной и горизонтальной плоскостях с установкой инвентарных съемных марок.

2.5 Прочность основания, подлежащего оштукатуриванию, должна быть не менее прочности штукатурного покрытия согласно СНиП 3.04.01-87 «Изоляционные и отделочные покрытия».

2.6 Поверхности, подлежащие оштукатуриванию, не должны иметь отклонений, превышающих следующие значения:

- отклонения поверхности и углов кладки от вертикали на один этаж кирпичных стен не более 10 мм;

- то же, на всю высоту здания................................................................... не более 30 мм;

- неровности на вертикальных поверхностях кладки, обнаруженные при наложении рейки длиной 2 м до 10 мм;

- отклонения рядов кладки от горизонтали на 10 м длины стены........ до 15 мм.

2.7 Перед нанесением штукатурного состава на поверхность фасадов необходимо:

- проверить качество подготовки поверхности, подлежащей оштукатуриванию, в соответствии с указанием настоящей карты;

- установить и испытать все средства механизации с составлением акта;

- подготовить инструмент и технологическую оснастку.

2.8 Для оштукатуривания фасадов должны применяться известковые, известково-цементные и цементно-песчаные растворы, обладающие разной прочностью, пористостью и впитывающей способностью. Рекомендуемые растворы и вяжущие в зависимости от конструктива и условий эксплуатации приведены в таблице 1.

2.9 При ремонте отштукатуренных поверхностей (восстановление отслоившихся и устранение непрочных участков) применяются растворы, соответствующие качеству и прочности основной штукатурки. Восстановленные участки штукатурки выравниваются в общей плоскости фасада, поверхности фасада придается фактура, аналогичная имеющейся.

Таблица 1 - Рекомендуемые штукатурные растворы

Условия эксплуатации

Рекомендуемые растворы

Рекомендуемые вяжущие

Наружные стены, цоколи, карнизы и т.п., подвергающиеся систематическому увлажнению

Цементные и цементно-известковые

Пуццолановый портландцемент, шлакопортландцемент, портландцемент марок 300 - 400

Наружные каменные и бетонные стены, не подвергающиеся систематическому увлажнению

Известковые и цементно-известковые

Известь, известково-шлаковые и т.п., местные вяжущие, портландцемент марки 300

2.10 Для восстановления отштукатуренных поверхностей недопустимо применение растворов, имеющих большую прочность, чем основная штукатурка или использование цементно-песчаных растворов, для ремонта известковых или известково-цементных штукатурок, так как под действием внешних факторов произойдет отслоение отремонтированных участков. Для заделки трещин шириной более 1 мм после их расшивки применяют полимерцементный раствор. Для обновления декоративных штукатурных поверхностей применяется жидкий терразитовый раствор.

2.11 Составы растворов для штукатурных работ и их марки должны предусматриваться проектом. Выбор и применение штукатурных растворов должен производиться в зависимости от влажностных условий, в которых будет находиться здание в период эксплуатации.

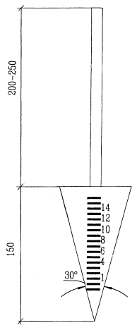
2.12 В качестве заполнителя для обычных штукатурных растворов, применяется песок, отвечающий требованиям ГОСТ 8736-93* «Песок для строительных работ. Технические условия». Максимально допустимый размер зерен песка для подготовительных слоев не должен превышать 2,5 мм, а для накрывочного слоя - 1,2 мм. Растворы процеживаются и в зависимости от способа их нанесения и назначения должны иметь подвижность, определяемую погружением изображенного на рисунке 1 стандартного конуса, показатели которого при применении растворов для обрызга, грунта и накрывки даны в таблице 2.

Рисунок 1 - Конус стандартный

Таблица 2 - Показатели подвижности раствора

Наименование раствора

Погружение стандартного конуса, см

для механизированного способа нанесения

для ручного способа нанесения

Раствор для обрызга

9 - 14

8 - 12

Раствор для грунта

7 - 8

7 - 8

Раствор для накрывки:

 

 

- содержащий гипс

9 - 12

9 - 12

- без гипса

7 - 8

7 - 8

2.13 Вода для приготовления растворов должна удовлетворять требованиям ГОСТ 23732-79.

2.14 Качество готовых растворов должно удовлетворять требованиям СП 82-101-98 «Приготовление и применение растворов строительных».

2.15 В течении срока, необходимого для перекачивания раствора и нанесения на поверхность фасада, раствор не должен расслаиваться, а содержащийся в нем песок не должен выделяться в виде осадка.

2.16 Раствор, поступающий в промежуточный бункер штукатурной установки, процеживается через механическое сито с ячейками 3´3 мм для обрызга и грунта и через сито с ячейками 1,5´1,5 мм для накрывочного слоя.

2.17 Оштукатуривание поверхности наружных кирпичных стен фасадов состоит из следующих последовательных технологических операций, включающих:

- подготовку поверхности к оштукатуриванию согласно п. 2.1;

- прием и транспортирование штукатурных растворов на рабочее место;

- нанесение штукатурных растворов механизированным способом;

- разравнивание слоев намета;

- разделку лузг, уселков, рустов, углов, откосов и т.д.;

- нанесение накрывочного слоя механизированным способом;

- затирку накрывочного слоя машиной СО-86А (или СО-112А).

2.18 Транспортирование штукатурных растворов и нанесение их на оштукатуриваемую поверхность производится с помощью штукатурных агрегатов, состоящих из штукатурных установок и растворонасосов, а для приготовления, процеживания и транспортирования растворов применяется штукатурный агрегат СО-57Б, технические характеристики которых представлены в таблицах 3 и 4.

Таблица 3 - Технические характеристики установок для транспортирования растворов

Показатели

Марки установок

СО-48В

СО-49В

СО-50А

Марка растворонасосов

СО-29

СО-30

СО-10

Подача, м3

2

4

6

Дальность подачи раствора, м

 

 

 

по горизонтали

100

160

250

по вертикали

20

35

50

Вибросито:

 

 

 

производительность, м3

4

4

6

вместимость бункера, м3

0,16

0,16

0,3

размер ячейки сетки, мм

5´5

5´6

5´5

Внутренний диаметр растворопровода, мм

38

50

63

Общая масса комплекта, кг

470

560

508

Таблица 4 - Техническая характеристика штукатурного агрегата СО-57Б

Наименование

Ед. изм.

Показатели

Производительность агрегата

м3

2

Растворосмеситель

 

 

Объем готового замеса

л

65

Вместимость смесительного барабана по загрузке

л

80

Частота вращения вала смесительного барабана

с-1

0,53

Электродвигатель:

 

 

мощность

кВт

1,5

напряжение

В

220/380

Растворонасос

 

 

Подача

м3

2

Давление

МПа

1,5

Наибольшая вязкость раствора по конусу СтройЦНИИ

см

7

Дальность подачи раствора:

 

 

по горизонтали

м

100

по вертикали

м

20

Электродвигатель:

 

 

мощность

кВт

2,2

напряжение

В

220/380

Вибросито

 

 

Электродвигатель:

 

 

мощность

кВт

0,75

напряжение

В

220/380

Масса агрегата

кг

750

2.19 Оштукатуривание поверхности фасадов выполняется путем:

- обрызга, нанесения одного слоя грунта и последующей его затирки - при выполнении простой штукатурки;

- обрызга, нанесения одного слоя грунта и накрывочного слоя с последующим его разравниванием и затиркой - при выполнении улучшенной штукатурки;

- обрызга, нанесения слоя грунта, одного - двух накрывочных слоев с последующим разравниванием и затиркой или нанесением декоративного слоя с последующим его офактуриванием - при выполнении высококачественной штукатурки.

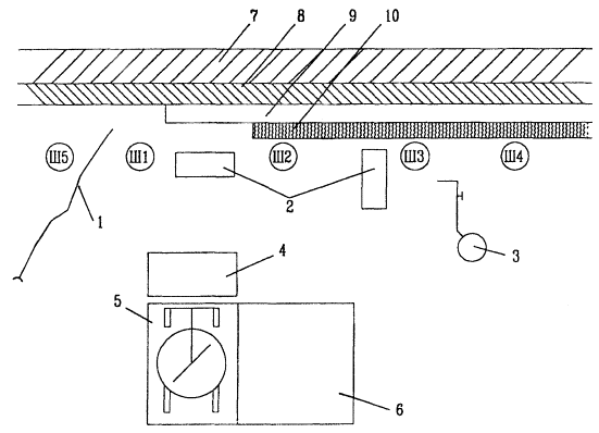
Нанесение обрызга и грунта осуществляется с помощью форсунки. Схема приема и подачи раствора дана на рисунке 2.

1 - штукатурная станция (агрегат); 2 - растворонасос; 3 - эстакада; 4 - бункер для извести; 5 - растворопровод металлический; 6 - стояк для подачи раствора на этажи.

Рисунок 2 - Схема приема и подачи раствора

2.20 Улучшенная и высококачественная штукатурка выполняется по маякам. При этом толщина маяков должна быть равна толщине штукатурного накрытия без накрывочного слоя.

2.21 При устройстве однослойных покрытий их поверхность разравнивается сразу после нанесения раствора, а в случае применения затирочных машин - после его схватывания.

2.22 Устройство многослойного штукатурного покрытия включает в себя следующие операции:

- нанесение обрызга толщиной слоя для кирпичных стен до 5 мм. Поверхность после нанесения обрызга не разравнивается;

- нанесение грунта после того, как обрызг начнет затвердевать (1 - 2 часа), толщина слоя грунта не должна превышать 5 мм для цементных растворов и 7 мм - для известковых. Разравнивание каждого слоя грунта производится вслед за его нанесением с помощью правил или полутерков, размеры которых выбираются в зависимости от площади обрабатываемой поверхности. По ходу работ проверяется качество работ с помощью контрольного правила;

- нанесение накрывочного слоя толщиной до 2 мм для штукатурного покрытия и до 7 мм - для накрывочного слоя декоративной отделки. Затирка нанесенного накрывочного слоя производится через 30 - 40 минут с помощью затирочной машины СО-86А (СО-112А), технические характеристики которых даны в таблице 5. Для повышения прочности затираемого слоя в воду, поступающую под рабочие диски затирочной машины, может добавляться 3,5 - 5 % водный раствор эмульсии ПВА. Отделанная поверхность должна отвечать требованиям раздела 3 настоящей технологической карты.

Таблица 5 - Технические характеристики штукатурно-затирочных машин

Показатели

Марки машин

СО-86А

СО-112А

Производительность, м3

50

50

Диаметр затирочного диска, мм

200

200

Частота вращения диска, с-1

12

12

Электродвигатель

 

 

тип

Трехфазный асинхронный

Трехфазный асинхронный

мощность, кВт

0,2

0,2

напряжение, В

36

36

частота вращения, с-1

193

193

частота, Гц

200

200

Габариты, мм

280´270´210

280´270´230

Масса (без рукавов, кабеля и затирочных дисков), кг

2,5

2,2

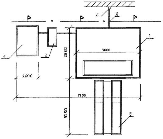
2.23 Штукатурные работы выполняются в соответствии с рекомендуемыми в настоящей карте схемой организации рабочего места, представленной на рисунке 3, и необходимыми средствами механизации и инструментов, изложенными в разделе 5.

Работы выполняет бригада штукатуров в следующем составе:

- штукатуры 4 разряда (1 человек) и 3 разряда (1 человек) выполняют подготовку поверхности фасада под штукатурку и провешивают поверхность с установкой маяков;

- штукатуры 4 разряда (2 человека), 3 разряда (2 человека) и 2 разряда (1 человек) производят нанесение обрызга;

- штукатуры 4 разряда (2 человека) наносят первый и второй слой грунта;

- штукатур 5 разряда (1 человек) производит разравнивание слоя грунта, наносит накрывочный слой и производит его затирку.

1 - водопроводный шланг; 2 - противни; 3 - краскопульт; 4 - приемный ящик; 5 - растворомешалка; 6 - ящик для цемента; 7 - стена; 8 - обрызг из цементно-песчаного раствора; 9 - слой грунта из цементно-песчаного раствора; 10 - накрывочный слой из декоративного раствора.

Рисунок 3 - Схема организации рабочего места

2.24 При производстве работ, в зависимости от высоты здания, используются средства подмащивания:

- при высоте до 4 - 6 м - передвижные сборно-разборные вышки-туры;

- при высоте свыше 6 м - инвентарные металлические трубчатые леса или люльки.

Особенности производства штукатурных работ в зимнее время.

2.25 При производстве работ в зимнее время перед нанесением раствора с поверхности фасада удаляется иней, снег и наледь. Наледь, не поддающаяся очистке, предварительно отогревается.

2.26 При температуре наружного воздуха в пределах минус 10 ÷ минус 20 °С в штукатурный раствор добавляется 3 % поташа от массы воды затворения или смесь из 2 %-ной поваренной соли и 2 %-ного хлористого кальция.

2.27 Штукатурный раствор к месту работы подается в утепленных ящиках. Раствор наносится на сухую, очищенную от грязи и пыли, поверхность. При отрицательной температуре смачивание кладки перед нанесением штукатурки не допускается. При затирке допускается умеренное смачивание.

2.28 В зимних условиях перетирку старой штукатурки производить не рекомендуется.

2.29 Размеры захваток для штукатурных работ в зимних условиях принимаются с таким расчетом, чтобы штукатурка на захватке полностью заканчивалась до перерыва в работе и ко времени затирки раствор не замораживался.

2.30 Работы выполняются сверху вниз в соответствии с технологической последовательностью.

2.31 Растворопроводы, располагаемые на открытом воздухе или в неотапливаемых помещениях, утепляются.

2.32 Применение горячей воды для ускорения прогрева промороженных стен или удаления с них наледи не допускается.

2.33 При производстве штукатурных работ в зимнее время могут использоваться панельно-линейные переносные электронагреватели мощностью до 6 кВт, размерами 850´350´240 мм. При этом леса завешиваются негорючим теплоизоляционным материалом.

3 ТРЕБОВАНИЯ К КАЧЕСТВУ И ПРИЕМКЕ РАБОТ

3.1 Контроль качества штукатурных работ должен осуществляться специальными службами строительных организаций, а также производителями работ, мастерами и бригадирами.

3.2 Производственный контроль качества штукатурных работ должен включать входной контроль рабочей документации, материалов и оборудования, операционный контроль производства штукатурных работ и приемочный контроль оштукатуренной поверхности.

3.3 При входном контроле рабочей документации производится проверка ее комплектности и достаточности содержащейся в ней технической информации для производства работ.

При входном контроле качества подлежащей оштукатуриванию поверхности фасада выборочно техническим осмотром проверяется качество поверхности и точность геометрических параметров.

При кладке стен впустошовку глубина не заполняемых раствором швов с лицевой стороны не должна превышать 15 мм в стенах и 10 мм (только вертикальных швов) в столбах. Отклонения в размерах и положении каменных конструкций от проектных не должны превышать:

- толщина конструкций: стен                                                 +15 мм;

столбов                                           +10 мм;

- ширина простенков                                                              ± 15 мм;

- ширина проемов                                                                   +15 мм;

- смещение оконных проемов по вертикали                            20 мм;

- смещение осей конструкций от разбивочных осей              10 мм;

- отклонение поверхности и углов кладки от вертикали:

на один этаж                                                               10 мм;

на здание высотой более 2-х этажей                        30 мм.

Цементно-песчаный раствор и сухие цементно-песчаные смеси должны соответствовать требованиям нормативно-технической документации и поступать на объект в полной заводской готовности. Сухие штукатурные смеси должны поступать на объект в бумажных мешках или в специальном автотранспорте.

Маркировка смеси в мешках производится на каждом мешке в любой его части. Маркировка должна содержать: наименование смеси, номер рецепта, назначение смеси, состав смеси, среднюю массу смеси в мешке, способ применения, количество воды затворения, срок хранения.

Растворы штукатурные должны проходить без остатка через сетку с размерами ячеек, мм:

- для обрызга и грунта                                                               - 3

- для накрывочного слоя и однослойного покрытия             - 1,5

Подвижность раствора должна составлять 5 - 12 см погружения стального конуса.

3.4 Операционный контроль осуществляется в ходе выполнения штукатурных работ и обеспечивает своевременное выявление дефектов с целью принятия мер по их устранению и предупреждению и включает в себя проверку качества подготовки основания, подлежащего оштукатуриванию, влажности оштукатуриваемой поверхности, прочности сцепления наносимой штукатурки с основанием, толщину наносимых слоев штукатурки.

При операционном контроле проверяется соблюдение технологии выполнения штукатурных работ, соответствие выполняемых работ строительным нормам и правилам.

3.5 При приемочном контроле производится проверка качества готовой оштукатуренной поверхности. На готовой поверхности должны отсутствовать трещины, следы от затирочного инструмента, наплывы раствора, пятна, высолы, раковины и т.п.

При приемочном контроле проверяется:

- прочность сцепления штукатурки с основанием оштукатуриваемых стен;

- отклонения оштукатуренной поверхности от вертикали и горизонтали;

- неровности поверхности плавного очертания;

- отклонения откосов проемов, пилястр, столбов от вертикали и горизонтали;

- отклонения радиуса криволинейной поверхности;

- отклонения ширины откосов от проектной.

3.6 Размеры отклонений оштукатуренной поверхности должны соответствовать требованиям СНиП 3.04.01-87 «Изоляционные и отделочные покрытия» и представлены в таблице 6.

Таблица 6 - Допускаемые отклонения оштукатуренной поверхности

№ п/п

Наименование

Допускаемые отклонения, мм

при простой штукатурке

при улучшенной штукатурке

при высококачественной штукатурке

1

2

3

4

5

1

Отклонения оштукатуренной поверхности от вертикали (мм/1 м)

3

2

1

2

Неровности поверхности плавного очертания (на 4 м2)

не более 3 мм, глубиной до 5 мм

не более 2 мм, глубиной до 3 мм

не более 2 мм, глубиной до 2 мм

3

Отклонения поверхности по горизонтали(мм/1 м)

3

2

1

4

Отклонения оконных и дверных откосов, пилястр, столбов, лузг от вертикали и горизонтали (мм/1 м)

4 мм (до 10 мм на весь элемент)

2 мм (до 5 мм на весь элемент)

1 мм (до 3 мм на весь элемент)

5

Отклонения радиуса криволинейных поверхностей, проверяемых лекалом, от проектной величины (на весь элемент) не должен превышать

10

7

5

6

Отклонения ширины откоса от проектной не должен превышать

5

3

2

7

Отклонение тяг от прямой линии в пределах между углами пересечения тяг и раскрепами не должен превышать

6

3

2

8

Допускаемая толщина однослойной штукатурки

до 20 мм

9

Допускаемая толщина каждого слоя при устройстве многослойных штукатурок без

 

полимерных добавок обрызга

до 5 мм

грунта из цементных растворов

до 5 мм

грунта из известковых растворов

до 7 мм

накрывочного слоя штукатурного покрытия

до 2 мм

накрывочного слоя декоративной отделки

до 7 мм

3.7 Состав и содержание производственного контроля представлен в таблице 7.

3.8 Работы на устройство штукатурных покрытий фасадов выполнять в соответствии с правилами производства и приемки работ согласно:

- СНиП 3.03.01-87 «Несущие и ограждающие конструкции»;

- СНиП 3.04.01-87 «Изоляционные и отделочные покрытия»;

- ГОСТ 28013-98 Растворы строительные. Общие технические условия;

- СП 82-101-98 Свод правил на приготовление и применение растворов строительных.


Таблица 7 - Состав и содержание производственного контроля

Кто контролирует

Производитель работ (мастер)

Вид контроля

Входной

Операционный

Приемочный

Состав контроля

Проверка техдокументации

Проверка качества поверхности, подлежащей оштукатуриванию

Качество поступивших растворов

Наличие маркировки

Качество подготовки основания

Влажность поверхности

Прочность соединения наносимой штукатурки с оштукатуренной поверхностью

Толщина наносимого слоя

Отсутствие следов от затирочного инструмента, наплывов раствора, пятен, высолов, трещин, раковин, бугров, пропусков и т.п.

Отклонение оштукатуренной поверхности от вертикали

Неровности поверхностей плавного очертания

Отклонение оштукатуренной поверхности по горизонтали

Отклонение радиуса криволинейных поверхностей от проектной величины

Отклонения ширины откосов от проектной

Отклонения оконных и дверных откосов от вертикали и горизонтали

Допускаемая толщина штукатурки

Метод контроля

Регистрация

Технический осмотр

Измерительный, периодически 3 - 4 раза в смену

Технический осмотр

Инструментальный выборочный, визуальный сплошной

Инструментальный

Инструментальный, визуальный

Визуальный сплошной

Измерительный, не менее 5 измерений контрольной двухметровой рейкой на 50 - 70 м2 поверхности или на отдельном участке меньшей площади в местах, выявленных визуальным осмотром

Измерительный, 3 измерения на один элемент

Измерительный, не менее 5 измерений на 70 - 100 м2 поверхности покрытия

Время контроля

До начала штукатурных работ

 

В процессе работы

После выполнения оштукатуривания

Кто привлекается к контролю

 

Лаборатория

 

Лаборатория

 


4 ТРЕБОВАНИЯ БЕЗОПАСНОСТИ И ОХРАНЫ ТРУДА, ЭКОЛОГИЧЕСКОЙ И ПОЖАРНОЙ БЕЗОПАСНОСТИ

4.1 К работам по отделке фасадов на высоте с использованием средств подмащивания допускаются лица не моложе 18 лет, имеющие профессиональные навыки, прошедшие медицинское освидетельствование и признанные годными, получившие знания по безопасным методам и приемам труда согласно ГОСТ 12.0.004-90 «ССБТ. Организация обучения безопасности труда. Общие положения», сдавшие экзамены квалификационной комиссии в установленном порядке и получившие соответствующие удостоверения.

4.2 В процессе эксплуатации лесов должно производиться систематическое наблюдение за состоянием всех соединений, креплений к стене, настилов и ограждений.

4.3 Леса должны быть оборудованы лестницами или трапами для подъема и спуска людей.

4.4 Рабочий настил у внешнего ряда стоек лесов должен иметь ограждение.

4.5 Леса должны быть оборудованы грозозащитными устройствами и обязательно заземлены.

4.6 Зазор между стеной существующего здания и рабочим настилом установленных лесов не должен превышать 150 мм.

4.7 На лесах должны быть вывешены плакаты со схемами размещения нагрузок и их допускаемой величиной.

4.8 К работе с пневматическим инструментом допускаются лица не моложе 18 лет, прошедшие специальное обучение и получившие удостоверения на право работ с этим инструментом, а также аттестованные по первой группе техники безопасности и не имеющие медицинских противопоказаний по данному виду работ.

4.9 Каждый работник, пользующийся пневматическим инструментом, должен знать инструкцию и правила технической эксплуатации инструмента.

4.10 Работники, занятые производством штукатурных работ, должны быть обеспечены индивидуальными и коллективными средствами защиты по ГОСТ 12.4.011-85*.

4.11 Перед началом работ машины и механизмы проверяются на холостом ходу. Корпуса всех механизмов должны быть заземлены, токопроводящие провода надежно изолированы, а пусковые рубильники закрыты.

4.12 К управлению механизмами допускаются лица, прошедшие специальное обучение и сдавшие экзамены по безопасности и охране труда.

4.13 Разборка, ремонт и чистка форсунок машин, используемых при оштукатуривании, разрешается лишь после снятия давления и отключения машин от сети.

4.14 Рабочее место штукатура-оператора (сопловщика) необходимо обеспечить звуковой сигнализацией для связи с рабочим местом машиниста штукатурных машин.

4.15 При механизированной затирке поверхностей штукатурам необходимо работать в защитных очках.

4.16 Запрещается работа растворонасосов, компрессоров при давлении, превышающем указанное в их паспортах.

4.17 Материальные и воздушные шланги растворонасоса необходимо периодически испытывать на удвоенное рабочее давление. Растворонасосы должны эксплуатироваться в строгом соответствии с их техническими возможностями, указанными в паспорте.

4.18 При работе растворонасоса запрещается перегибать подающие шланги. Продувку шлангов чистым воздухом для устранения пробок разрешается производить только после удаления из помещения людей. По окончании работ запрещается снимать воздушный клапан и переходной патрубок, не убедившись в том, что давление упало до нуля.

4.19 Переносные токоприемники, инструменты, машины, светильники и др., применяемые при выполнении штукатурных работ, должны иметь напряжение не более 42 В.

4.20 Лебедки, устанавливаемые на земле и предназначенные для подъема люлек, загружаются балластом, масса которого должна быть не менее двойной массы люльки с полной расчетной нагрузкой.

4.21 Для выполнения работ с подъемников должна быть подготовлена площадка, к которой предъявляются следующие требования:

- наличие подъездного пути;

- уклон не должен превышать 3°;

- свеженасыпанный грунт должен быть уплотнен;

- размеры площадки должны обеспечить установку подъемника на полностью выдвинутые все опоры.

4.22 Лебедки с электрическим приводом должны иметь колодочный тормоз, автоматически действующий при отключении двигателя, с коэффициентом запаса не менее 2.

4.23 При эксплуатации подъемников необходимо принять меры, предотвращающие их опрокидывание или самопроизвольные перемещения.

4.24 Находящиеся в работе подъемники должны быть снабжены табличкой или надписью с обозначением регистрационного номера, грузоподъемности и даты следующего испытания.

4.25 При устройстве штукатурных покрытий фасадов необходимо руководствоваться требованиями:

- СНиП 12-03-2001 Безопасность труда в строительстве. Часть 1. Общие требования;

- СНиП 12-04-2002 Безопасность труда в строительстве. Часть 2. Строительное производство;

- ГОСТ 12.0.004-90 ССБТ. Организация обучения безопасности труда. Общие положения;

- ГОСТ 12.1.004-91* ССБТ. Пожарная безопасность. Общие требования;

- ГОСТ 12.4.011-89 ССБТ. Средства защиты работающих. Общие требования и классификация;

- ГОСТ Р 12.4.026-2001 Цвета сигнальные, знаки безопасности и разметка сигнальная.

5 ПОТРЕБНОСТЬ В МАТЕРИАЛЬНО-ТЕХНИЧЕСКИХ РЕСУРСАХ

5.1 Потребность в машинах, оборудовании, механизмах и инструментах определяется с учетом выполняемых работ и технических характеристик согласно таблице 8. Потребность определена для бригады штукатуров в количестве 17 человек.

Таблица 8 - Ведомость потребности машин, механизмов, оборудования и приспособлений

№ п/п

Наименование

Тип, марка, ГОСТ

Техническая характеристика

Назначение

Кол. на 1 звено

1

2

3

4

5

6

1

Штукатурная станция

СО-114А

 

Для приема и транспортирования раствора к рабочему месту

1

2

Штукатурный агрегат

СО-57Б

Длина, мм 2710

Для механизированного оштукатуривания поверхности

1

Масса, кг 750

3

Растворонасос в комплекте с виброситом и растворопроводом

СО-50А

Производительность, м3/ч 6

Для транспортирования штукатурных растворов и нанесения их на поверхность с помощью сопла (форсунки)

1

4

Безкомпрессорная форсунка

 

 

Для работы на известковых и сложных растворах с осадкой конуса 7 - 8 см и выше

2

5

Машина штукатурно-затирочная

СО-86А

 

Для затирки накрывочного слоя

6

6

Крошкомет ручной

 

 

Для производства работ по нанесению фактурного слоя.

1

7

Преобразователь тока

ИЭ-3401

 

Для преобразования частоты тока

2

8

Кельма штукатурная

КШ

 

Для нанесения и разравнивания раствора

17

ГОСТ 9533-81

9

Отрезовка

ОШ

 

Для разделки архитектурных деталей, заделки раковин, трещин

9

ГОСТ 9533-81

10

Сокол дюралюминиевый

 

 

Для переноса раствора и разравнивания штукатурного слоя

17

11

Ковш для отделочных работ

КШ-0,6

 

Для набрасывания раствора на оштукатуриваемую поверхность

9

12

Лопата растворная

ЛР

 

Для перелопачивания раствора

8

13

Кисть маховая

КМ

 

Для смачивания и промывки поверхности водой

10

ГОСТ 10597-87*

14

Кисть-макловица

КМА

 

Для смачивания поверхности водой

8

ГОСТ 10597-87*

15

Терка деревянная

Т

 

Для затирки и уплотнения накрывочного слоя

17

ГОСТ 25782-90

16

Терка деревянная с основанием из ревертекса

ГОСТ 25782-90

 

Для затирки накрывочного слоя

17

17

Терка поролоновая

ГОСТ 25782-90

 

Для затирки накрывочного слоя при высококачественной штукатурке

8

18

Гладилка стальная большая

ГБК-1

Ширина, м 0,5

Для разравнивания и заглаживания накрывочного слоя

9

19

Гладилка стальная малая

 

 

То же

9

20

Гладилка для терразитовой штукатурки

 

 

Для заглаживания поверхности накрывочного слоя

9

21

Полутерка деревянная

ГОСТ 25782-90

Длина 350 и 800 мм

Для выравнивания и уплотнения штукатурного намета

17

22

Полутерок деревянный

 

 

Для разравнивания слоя раствора, нанесенного механизированным способом

9

23

Правило окованное

ГОСТ 25782-90

 

Для разравнивания штукатурного раствора, нанесенного механизированным способом и проверки горизонтальности и вертикальности оштукатуренной поверхности

4

24

Правило лузговое

ПЛ800

 

Для отделки лузг при штукатурных работах

4

ГОСТ 25782-90

25

Правило усеночное

ПУ800

 

Для отделки усенок при штукатурных работах

4

ГОСТ 25782-90

26

Правило прижимное

ГОСТ 25782-90

 

Для выравнивания поверхностей

9

27

Маяк дисковый

 

 

Для провешивания стен

36

28

Шаблон для устройства откосов

 

 

Для оштукатуривания оконных и дверных откосов

4

29

Рейкодержатель универсальный

 

 

Для крепления маячных деревянных реек к оштукатуриваемой поверхности и направляющих правил при оштукатуривании откосов и колонн

9

30

Рейкодержатель винтовой

 

 

Для крепления реек при оштукатуривании оконных и дверных откосов в зданиях с бетонными стенами

5

31

Рейкодержатель дуговой

 

 

Для закрепления деревянных реек при оштукатуривании вертикальных поверхностей колонн, столбов, пилястр

4

32

Рейкодержатель штыревой

 

 

Для крепления реек при оштукатуривании дверных и оконных откосов в каменных зданиях

17

33

Скребок

 

 

Для очистки поверхности от грязи и наплывов раствора

5

34

Бучарда штукатурная

 

 

Для насечки бетонной поверхности

3

35

Молоток штукатурный

МШТ

 

Для выполнения различных операций

9

ГОСТ 11042-90

36

Молоток для насечки поверхности

 

 

Для насечки поверхностей бетонных и кирпичных стен

4

37

Расшивка для терразитовой штукатурки

 

 

Для разделки вогнутых швов

9

38

Линейка для расшивки швов при обработке терразитовой штукатурки

 

 

Для направления движения расшивки при обработке швов

9

39

Ножницы ручные для резки металла

ГОСТ 7210-75*Е

 

Для резки металлической сетки и листовой стали толщиной до 1 мм

3

40

Острогубцы (кусачки)

 

 

Для перекусывания проволоки

3

41

Пила-ножовка поперечная по дереву

ПИ-3

 

Для распиловки древесины

5

42

Быстроразъемное соединение

 

 

Для соединения материальных шлангов

4

43

Скарпели

 

Диаметр 8 и 10 мм

Для пробивки отверстий, гнезд и борозд, скалывания бетона и раствора

9

44

Уровень строительный

УС5-200

Длина, мм 300

Для проверки горизонтальности и вертикальности поверхности

4

ГОСТ 9416-83

Масса, кг 0,24

45

Уровень гибкий

 

 

Для проверки горизонтальности расположения и замеров разности уровней поверхностей элементов

2

46

Рулетки измерительные металлические

Р20Н2

 

Для линейных измерений

4

ГОСТ 7502-98

47

Шнур разметочный

 

 

Для провешивания поверхностей, разметки и проверки прямых линий

9

48

Угольник специальный

МСМ-82

 

Для определения углов

4

49

Угольник деревянный 90°

ГОСТ 3749-77*

 

Для разметки и проверки прямых углов

4

50

Метр складной металлический

ТУ 12-156-76

 

Для линейных измерений

9

51

Рейка с отвесом

 

 

Для провешивания вертикальных плоскостей

2

52

Поэтажная емкость

 

Вместимость 0,35 м3

Для приема и хранения раствора

2

53

Очки защитные

ЗП-2

 

Для предохранения глаз рабочего при производстве штукатурных работ механизированным способом

4

ГОСТ 12.4.011-89

54

Ведро

 

 

Для подноски и хранения воды

9

5.2 Потребность в средствах индивидуальной защиты, обеспечивающих наибольшую производительность звена при наиболее благоприятных и безопасных условиях производства работ при устройстве штукатурных покрытий фасадов, приведена в таблице 9.

Таблица 9 - Перечень средств индивидуальной защиты

№ п/п

Наименование

Тип, марка, ГОСТ, ТУ, организация-изготовитель

Ед. изм.

Количество на звено

Примечание

1

Пояс предохранительный

ГОСТ 12.4.011-89

шт.

2

Для безопасной работы строителей

2

Каска строительная

ГОСТ 12.4.087-84

шт.

4

-

3

Очки защитные

ГОСТ 12.4.011-89

шт.

4

Для предохранения глаз рабочего

4

Рукавицы

Тип Г ГОСТ 12.4.010-75*

шт.

4

-

6 ТЕХНИКО-ЭКОНОМИЧЕСКИЕ ПОКАЗАТЕЛИ

6.1 Калькуляция затрат труда составлена на процесс высококачественного оштукатуривания стен, включающего в себя операции по провешиванию поверхности, подлежащей оштукатуриванию, нанесению обрызга, нанесению грунта с разравниванием, затирки поверхности, установке и снятию правил (при разделке узлов), подбору отскоков раствора с наброской его на поверхность вручную, перестановке рукавов по ходу работ, нанесению накрывочного слоя, установке инвентарных маяков или устройству их из раствора, нанесению второго слоя грунта с разравниванием и снятием инвентарных маяков или вырубки маяков из раствора.

6.2 Трудоемкость выполнения работ по устройству штукатурных покрытий фасадов, характеризующая использование материально-технических и трудовых ресурсов, определена в калькуляции затрат труда и машинного времени по «Единым нормам и расценкам на строительные, монтажные и ремонтно-строительные работы», введенным в действие в 1987 г. и представлена в таблице 10.

6.3 В качестве единицы измерения для составления калькуляции затрат труда и машинного времени и построения календарного плана производства работ принято выполнение высококачественной штукатурки на 100 м поверхности фасада.

6.4 Продолжительность работ на устройство штукатурных покрытий фасадов определяется календарным планом работ, представленным в таблице 10.

Технико-экономические показатели составляют:

- затраты труда, чел.-час......................................................... 66,4

- затраты машинного времени, маш.-ч................................. 9,9

- продолжительность работ, час............................................ 25

Таблица 10 - Калькуляция затрат труда на производство работ по устройству высококачественной штукатурки фасадов

Измеритель конечной продукции - 100 м3 поверхности

№ п/п

Обоснование (ЕНиР и др. нормы)

Наименование технологических процессов

Ед. изм.

Объем работ

Норма времени

Затраты труда

рабочих, чел.-ч

машиниста, чел.-ч (работа машин, маш.-ч)

рабочих, чел.-ч

Машиниста, чел.-ч (работа машин, маш.-ч)

1

Е 8-1-1

Подготовка поверхности под оштукатуривание

100 м2

1

16

-

16

-

табл. 2, N.1а

2

Е 8-1-2

Провешивание поверхностей с установкой маяков

100 м2

1

12

-

12

-

табл. 3, N.1а

3

Е 8-1-2

Нанесение обрызга растворонасосом

100 м2

1

5,5

3,3

5,5

3,3

табл. 5б, N.2а

(3,3)

(3,3)

4

Е 8-1-2

Нанесение слоев грунта растворонасосом с разравниванием

100 м2

1

18,5

3,3

18,5

3,3

табл. 5б, N.4а

(3,3)

(3,3)

5

Е 8-1-2

Нанесение накрывочного слоя растворонасосом

100 м2

1

3,4

3,3

3,4

3,3

табл. 5б, N.6а

(3,3)

(3,3)

6

Е 8-1-2

Затирка поверхности с разделкой углов

100 м2

1

11

-

11

 

табл. 3, N.8а

Итого:

 

 

 

66,4

9,9

(9,9)


Таблица 11 - График производства работ

Измеритель конечной продукции - 100 м2 поверхности


7 ПЕРЕЧЕНЬ НОРМАТИВНО-ТЕХНИЧЕСКОЙ ЛИТЕРАТУРЫ

1. СНиП 3.01.01-85* Организация строительного производства. Издание 1995 г.

2. СНиП 3.03.01-87 Несущие и ограждающие конструкции;

3. СНиП 3.04.01-87 Изоляционные и отделочные покрытия;

4. СНиП 12-03-2001 Безопасность труда в строительстве. Часть 1. Общие требования;

5. СНиП 12-04-2002 Безопасность труда в строительстве. Часть 2. Строительное производство;

6. ГОСТ 12.0.004-90 Организация обучения безопасности труда. Общие положения;

7. ГОСТ 12.1.004-91* ССБТ. Пожарная безопасность. Общие требования;

8. ГОСТ 12.4.011-89 ССБТ. Средства защиты работающих. Общие требования и классификация;

9. ГОСТ 3749-77* Угольники поверочные 90°. Технические условия;

10. ГОСТ 7210-75*Е Ножницы ручные для резки металла. Технические условия;

11. ГОСТ 7502-98 Рулетки измерительные металлические. Технические условия;

12. ГОСТ 8736-93 Песок для строительных работ. Технические условия;

13. ГОСТ 9416-83 Уровни строительные. Технические условия;

14. ГОСТ 9533-81 Кельмы, лопатки и отрезовки. Технические условия;

15. ГОСТ 10597-87* Кисти и щетки малярные. Технические условия;

16. ГОСТ 11042-90 Молотки стальные строительные. Технические условия;

17. ГОСТ 19596-87* Лопаты. Технические условия;

18. ГОСТ 23732-79 Вода для бетонов и растворов. Технические условия;

19. ГОСТ 25782-90 Правила, терки и полутерки. Технические условия;

20. ГОСТ 28013-98 Растворы строительные. Общие технические условия;

21. ЕНиР. Единые нормы и расценки на строительные, монтажные и ремонтно-строительные работы. Сборник 8. Отелочные покрытия строительных конструкций. Выпуск 1. Отделочные работы.

22. ПОТ РМ-016-2001 Межотраслевые правила по охране труда (правила безопасности) при эксплуатации электроустановок;

23. ППБ 01-93* Правила пожарной безопасности в Российской Федерации;

24. СП 12-135-2002 Безопасность труда в строительстве. Отраслевые типовые инструкции по охране труда;

25. СП 82-101-98 Свод правил на приготовление и применение растворов строительных.




Яндекс цитирования



   Copyright © 2007-2026,  www.tehlit.ru.

[ ѓосты, стандарты, нормативы, инструкции, правила, строительные нормы ]