//
ТехЛит.ру
- крупнейшая бесплатная электронная интернет библиотека для "технически умных" людей.
WWW.TEHLIT.RU - ТЕХНИЧЕСКАЯ ЛИТЕРАТУРА

:: Алготрейдинг::


АЛГОТРЕЙДИНГ
шаг за шагом
с нуля по урокам!

Торговые роботы на PYTHON, BackTrader,
Pandas, Pine Script для TradingView. Связка с брокерами, телеграм и легкими приложениями.


МИНИСТЕРСТВО ТРАНСПОРТНОГО СТРОИТЕЛЬСТВА

ВСЕСОЮЗНЫЙ НАУЧНО-ИССЛЕДОВАТЕЛЬСКИЙ ИНСТИТУТ
ТРАНСПОРТНОГО
СТРОИТЕЛЬСТВА

УТВЕРЖДАЮ

Зам. директора института

Г.Д. ХАСХАЧИХ

1 ноября 1983 г.

РЕКОМЕНДАЦИИ
ПО
ПРИМЕНЕНИЮ ПОДПОРНО-ОСЕДАЮЩИХ СТЕН
ПРИ
СТРОИТЕЛЬСТВЕ ДОРОГ
В
УСЛОВИЯХ ПОДМЫВА ЗЕМЛЯНОГО ПОЛОТНА

Одобрены Главным управлением пути МПС
и
ГУЖДС Поволжья и Юга Минтрансстроя

Москва 1983

ПРЕДИСЛОВИЕ

В настоящих Рекомендациях освещены вопросы проектирования и строительства подпорно-оседающих стен, обосновано технико-экономическое преимущество этих конструкций по сравнению с берегозащитными подпорными стенами, установлены сферы целесообразного применения, предложены методы расчета устойчивости подпорно-оседающих стен по предельным состояниям, учитывающие специфику их работы, даны способы прогнозирования величины погружения оседающих массивов в зависимости от гидрологических условий и фракционного состава русловых отложений, методика оценки ледового воздействия и сейсмики.

Полностью весь комплекс расчетов устойчивости приведен впервые. Последовательность расчетов иллюстрирована примерами. В Рекомендациях даны также объем и содержание изыскательских и инженерно-геологических работ и отдельные положения технологии производства работ.

Рекомендации предназначены для индивидуального проектирования подпорно-оседающих стен в качестве одного из способов защиты земляного полотна на прижимных участках трассы.

Рекомендации составлены кандидатами техн. наук Ф.И. Целиковым, А.И. Песовым, Е.А. Яковлевой (ЦНИИС), инженерами Р.Г. Геворковым, В.К. Дандуровым, С.А. Антоняном (Армгипротранс), кандидатами техн. наук И.Я. Мелик-Бахтамян и Н.Е. Тевдорашвили (Грузинский политехнический институт).

Зав. отделением

земляного полотна и верхнего

строения пути                             П.Г. Пешков

1. ОБЩИЕ ТРЕБОВАНИЯ

1.1. Подпорно-оседающие стены, являющиеся бесфундаментной разновидностью продольных берегоукрепительных сооружений, рекомендуется использовать для защиты от размыва земляного полотна железных и автомобильных дорог, расположенных в зонах примыкания к речным потокам (на прижимных участках) (рис. 1). Поскольку в процессе размыва грунта в подошве защищаемого откоса (берегового склона) оседающие массивы опускаются под влиянием силы тяжести в образующуюся воронку размыва и тем самым предохраняют откос (береговой склон) от дальнейших (боковых) деформаций, то эти массивы после их опускания (или предварительно) наращивают на соответствующую величину. В некоторых случаях предварительно нарощенные участки оседающих массивов целесообразно устраивать в виде противовесов (см. рис. 1), целью которых является повышение общей устойчивости подпорно-оседающей стены против опрокидывания и сдвига.

Одевающие стены предпочтительны из сборных элементов. В некоторых случаях их делают из каменной кладки на цементном растворе. Оседающие массивы изготавливают монолитными или сборно-монолитными.

1.2. Подпорно-оседающие стены рекомендуются для защиты от размыва берегов горных и полугорных рек, а также подтопляемых откосов насыпей строящихся и вновь проектируемых железных и автомобильных дорог (в частности, в случаях уширения проезжей части их за счет русла реки на прижимных участках) в местах со сложными рельефными, гидрологическими и другими особыми условиями прохождения трассы, труднодоступных для осуществления изыскательских и строительных работ, при расчетных скоростях течения в пределах от 4 до 8 м/с и наличии в русле реки, в зоне предполагаемых оснований подпорно-оседающих стен, гравийно-галечно-валунного материала. При этом за расчетную скорость течения Vр принимают среднюю скорость течения на вертикали у подошвы защищаемого откоса (берегового склона) при расчетном уровне воды заданной вероятности превышения.

Рис. 1. Конструкция подпорно-оседающей стены:

1 - каменная наброска; 2 - сборно-монолитный оседающий массив; 3 - противовес; 4 - монолитная часть стены с парапетом; 5 - сборная одевающая стена

1.3. При проектировании подпорно-оседающих стен следует учитывать, что основным преимуществом их по сравнению с выполняющими те же защитные функции в аналогичных гидрологических условиях берегозащитными подпорными стенами (рис. 2) является отсутствие в них фундамента. В связи с этим исключается необходимость проведения трудоемких и дорогостоящих работ по устройству ограждения, отрытию котлована с водоотливом и бетонированию фундамента, которые в совокупности составляют около 40 % от общей стоимости строительства подпорной стены. Общая стоимость строительства при замене подпорных стен на подпорно-оседающие снижается в некоторых случаях в 2 раза, а трудоемкость более чем в 3 раза. При этом надежность защиты от размыва подпорно-оседающими стенами получается не меньше.

Рис. 2. Конструкция берегозащитной подпорной стены:

1 - сборные бетонные блоки; 2 - крепление котлована; 3 - монолитный бетонный фундамент; 4 - ряжевое ограждение

1.4. Рекомендуемая крутизна внешних поверхностей оседающих массивов к горизонту находится в диапазоне 50 - 65°. При крутизне менее 50° возможно отклонение в процессе подмыва оседающих массивов от заданного направления в сторону реки. При крутизне, превышающей 65°, осложняется проблема обеспечения устойчивости подпорно-оседающих стен в процессе эксплуатации.

1.5. Верх оседающих массивов до начала размыва должен возвышаться над расчетным уровнем высокой воды (заданной вероятности превышения) на величину не менее DНзап

DНзап = Dhнаб + 0,5,                                                     (1)

где Dhнаб - набег воды на откос (для рек со значительными скоростями (более 4 м/с)

                                                   (2)

Здесь Vр - расчетная скорость течения, м/с;

aт - угол между направлением течения и направлением защищаемого берега (откоса), град;

0,5 - технический запас, м.

1.6. Рекомендуется проектировать одевающие стены и оседающие массивы подпорно-оседающих стен преимущественно из сборных элементов, массу которых подбирают из условия грузоподъемности наиболее распространенных стреловых кранов на автомобильном ходу.

Конструкция сборных элементов должна быть по возможности простой, обеспечивающей надежное стыкование их между собой. В качестве элементов для монтажа одевающей стены целесообразно применять сборные пустотелые блоки, заполняемые в процессе строительства скальными обломками или местным грунтом. Оседающие массивы рекомендуется делать из сборных сплошных железобетонных элементов, надежно соединяемых (омоноличиваемых) на месте строительства. Нижняя грань оседающих массивов делается заостренной и усиливается металлическим уголком.

Одевающие стены необходимо разделять сквозными вертикальными швами на всю высоту их на секции длиной 6 - 20 м. Следует также предусматривать отверстия для выхода грунтовых вод из застенного пространства.

Внешнюю поверхность одевающих стен рекомендуется покрывать толем (для лучшего скольжения оседающих массивов в процессе опускания их при подмыве).

1.7. Подпорно-оседающие стены с одевающей стеной из каменной кладки рекомендуется применять лишь в порядке исключения, в случае необходимости срочной защиты берега или откоса, когда нет возможностей для индустриального изготовления сборных элементов и соответствующих машин и механизмов для их монтажа.

1.8. Толщину одевающих стен и оседающих массивов подбирают методом последовательных приближений (итерации) из условия устойчивости подпорно-оседающей стены при расположении оседающих массивов после их опускания на заданную или расчетную глубину, определяемую по методике, изложенной в гл. 3 настоящих Рекомендаций.

Минимальную толщину оседающих массивов рекомендуется принимать равной 0,6 - 0,8 м, ширину их по фронту назначать в пределах от 1,5 до 2 м. Длину массивов устанавливают в зависимости от высоты укрепляемого откоса, расчетного уровня паводковых вод, угла наклона массивов к горизонту и предполагаемой глубины размыва, прогнозируемой в соответствии с указаниями п. 3 настоящих Рекомендаций. В случае невозможности или затруднительности прогнозирования глубины размыва ее условно принимают равной 2 м.

1.9. При установлении длины элементов оседающих массивов необходимо учитывать глубину размыва; для этого целесообразно осуществлять соответствующее удлинение их (частичное или полное) в процессе строительства подпорно-оседающих стен. При невозможности по тем или иным причинам удлинить оседающие массивы при строительстве подпорно-оседающих стен можно сделать это в период эксплуатации сооружения.

1.10. При значительной глубине меженных вод или с целью снижения величины опускания оседающих массивов в процессе эксплуатации, а также при недостаточной изученности рельефа и фракционного состава дна русла рекомендуется предварительно создавать искусственное основание (наброску) под оседающими массивами из обломков, крупность которых принимают в зависимости от скорости течения, соответствующей расчетному горизонту воды при производстве работ по монтажу нижних участков оседающих массивов. Ориентировочно этот горизонт может быть принят соответствующим уровню воды с расчетным расходом десятилетней повторяемости.

1.11. Расчетный размер (диаметр) камня dк указанной в п. 1.10 наброски, которая должна обеспечить устойчивость оседающих массивов в процессе их строительства, рекомендуется определять по формуле

                                           (3)

где V - расчетная скорость при горизонте воды, принятом в качестве расчетного в процессе монтажа нижних участков оседающих массивов (средняя по вертикали, проведенной у подошвы каменной наброски), м/с;

А - коэффициент, учитывающий устойчивость камня на откосе, рекомендуется принимать А = 1 на участках крутых поворотов (R < 300 м) и А = 1,15 - во всех остальных случаях;

gк и g - соответственно удельный вес камня и воды, кН/м3;

aн - угол наклона поверхности откоса наброски к горизонту, град.

Количество обломков с расчетным диаметром dк должно быть не менее 50 % от общего объема наброски. Ширину наброски поверху на уровне подошвы одевающей стены принимают равной 2 - 3 м, а крутизну откоса - равной углу естественного откоса материала наброски.

Для наброски рекомендуется прочный камень, не имеющий выветрелых и размокаемых включений.

1.12. Для повышения устойчивости оседающих массивов против опрокидывания и скольжения (при необходимости его, выявляемой в процессе расчетов, выполняемых в соответствии с гл. 3 настоящих Рекомендаций) можно осуществлять наращивание их противовесами - бетонными ящиками, заполняемыми обломками скальных пород или местным грунтом (см. рис. 1). Направление внешней грани противовеса может совпадать с направлением внешней поверхности массива, быть вертикальным или наклонным в сторону реки; очертание ее может быть прямолинейным или ломаным. Высоту противовесов целесообразно делать равной величине прогнозируемого размыва.

1.13. Начало участка защиты откоса (берегового склона) подпорно-оседающими стенами, с целью предотвращения повреждения одевающих стен с торца, целесообразно защищать путем заделки первых секций оседающих массивов в откос (береговой склон) или посредством постройки шпоры, располагаемой с верховой стороны участка защиты и отклоняющей поток в сторону.

2. СОДЕРЖАНИЕ И ОБЪЕМ ИЗЫСКАТЕЛЬСКИХ И ИНЖЕНЕРНО-ГЕОЛОГИЧЕСКИХ РАБОТ

2.1. Для составления проекта защиты откоса (берегового склона) подпорно-оседающими стенами требуется предварительно осуществить следующие топографо-геодезические и гидрометрические работы:

а) сбор сведений и изучение материалов о режиме реки (в частности, о гидрографе прохождения паводков);

б) съемку местности в пределах долинного участка реки в масштабе 1:500 или 1:1000;

в) съемку поперечных профилей земляного полотна (или берега реки) и морфостворов в масштабе 1:100 или 1:200;

г) съемку продольного профиля участка реки в масштабе: горизонтальном 1:500 или 1:1000, вертикальном 1:50 или 1:100;

д) промер глубин реки на участке поперечных профилей земляного полотна и морфостворов;

е) измерение скорости течения реки при паводках в береговой зоне.

Помимо указанного осуществляется сбор и анализ сведений о работе ближайших берегоукрепительных сооружений; ближайших существующих и проектируемых ГЭС и других гидротехнических сооружениях для суждения о возможных изменениях гидрологического режима на перспективу; существующих и проектируемых коммуникациях, о наличии строительных материалов; метеоданных.

Все гидрометрические работы выполняют в соответствии с «Наставлением по изысканиям и проектированию железнодорожных и автомобильных мостовых переходов через водотоки» (НИМП-72) [1].

2.2. Границы съемки продольного профиля реки должны охватывать весь участок предполагаемого укрепления, а также участки вверх по течению (на длину трехкратной ширины реки) и вниз по течению (на протяжении одной ширины реки) с захватом противоположного берега.

В случаях, когда осуществление промерных работ невозможно (из-за большой скорости течения реки или недоступности противоположного берега, предназначенного для закрепления троса, к которому подвешивают промерную люльку), ограничиваются промерными работами в доступных местах укрепляемого берега, а заложение морфостворов снимают с плана местности, нанося в неизвестных точках ориентировочные глубины воды, исходя из скорости течения в межень и уклона реки.

2.3. Инженерно-геологическими обследованиями должны быть установлены - характер и глубина залегания коренных пород на склонах долины у берега и в русле реки, толщина и род делювиального покрова склона, грунты насыпной части земляного полотна, мощность и гранулометрический состав аллювиальных отложений у берега и в русле реки. Желательно также получить данные о характере русловых процессов и устойчивости русла реки.

2.4. Для расчетов устойчивости и конструирования подпорно-оседающих стен требуется получение следующих физико-механических параметров грунтов:

удельного веса частиц грунта засыпки (удельного веса);

взвешенного удельного веса грунта засыпки (взвешенного объемного веса грунта);

удельного веса того же грунта (объемного веса грунта);

пористости грунта засыпки;

естественной влажности грунта засыпки;

расчетных значений углов внутреннего трения грунта засыпки и грунта основания подпорно-оседающей стены;

коэффициента фильтрации грунта засыпки;

гранулометрического (фракционного) состава грунта в подошве оседающего массива.

2.5. Помимо параметров, указанных в п. 2.4, для расчетов устойчивости и конструирования подпорно-оседающих стен необходимо дополнительно иметь следующие сведения:

расположение и характер подвижной нагрузки на призме обрушения;

расчетную сейсмичность участка береговой зоны, где предполагается устройство подпорно-оседающей стены;

толщину льда и его прочностные параметры (в частности, прочность на изгиб).

2.6. При проведении инженерно-геологических изысканий рекомендуется учитывать требования главы СНиП [2], Методических рекомендаций, указаний и государственных стандартов [3 - 6].

3. РАСЧЕТ ПОДПОРНО-ОСЕДАЮЩИХ СТЕН

3.1. Расчет на прочность (несущую способность) грунта основания, как правило, не производится в связи с тем, что для оседающих массивов он лишен смысла, а несущая способность грунта под подошвой одевающих стен обычно бывает достаточной, поскольку грунт здесь представлен преимущественно гравийно-галечноалунным материалом. Проверку одевающей стены на прочность по материалу можно осуществлять по общепринятому способу расчета прочности подпорных стен.

Расчет подпорно-оседающих стен включает в себя:

а) оценку устойчивости их на опрокидывание и сдвиг, в том числе с учетом сейсмических воздействий;

б) прогноз вероятной глубины размыва (величины осадки массивов);

в) определение возможного ледового воздействия.

Специфика расчета устойчивости подпорно-оседающих стен обусловлена тем, что они (в отличие от обычных подпорных стен, в том числе и гидротехнических) находятся не только в условиях гидростатического воздействия, но и заведомо ориентированы на деформации (оседание) в процессе эксплуатации. В связи с изложенным проверку устойчивости подпорно-оседающих стен следует осуществлять не только для условий первоначального положения оседающего массива, но и с учетом опускания его в наинизшее проектное положение.

3.2. Устойчивость подпорно-оседающих стен рекомендуется рассчитывать по первому предельному состоянию (на опрокидывание и скольжение). Расчет выполняют как для плоской задачи. При этом рассматривают участок стены длиной 1 м. Нагрузки, действующие на стену и на поверхность грунта за стеной, приводятся к рассматриваемому участку стены.

3.3. Расчет устойчивости подпорно-оседающей стены против опрокидывания осуществляется по формуле

                                                        (4)

где Муд - расчетное значение обобщенного момента удерживающих сил (с учетом коэффициента безопасности по грунтам) относительно выбранной точки, кН×м;

Мопр - расчетное значение обобщенного момента опрокидывающих сил (с учетом коэффициентов перегрузки) относительно той же точки, кН×м;

Кн - коэффициент надежности, который принимается равным для сооружений

1-го класса................................. 1,25

2-го............................................. 1,20

3-го............................................. 1,15

4-го............................................. 1,10;

nc - коэффициент сочетания нагрузок;

m - коэффициент условий работы.

Значения коэффициентов перегрузки n для рассматриваемых условий приведены в таблице.

Классификация нагрузок

Нагрузки

Коэффициент перегрузки, n

Постоянные

От собственной массы строительных конструкций

1,05 (0,95)

 

От бокового давления грунта

1,2 (0,8)

 

От воздействия воды

1,0

Кратковременные

От воздействия железнодорожного подвижного состава

1,3

Особые

От сейсмического воздействия

1,0

Примечания: 1. При определении нагрузок от грунта (вертикального давления от веса грунта и бокового давления грунта), в случаях использования расчетных значений угла внутреннего трения, сцепления и удельного веса грунта (т.е. нормативных их значений, измененных на коэффициент безопасности по грунтам) коэффициент перегрузки принимается равным 1.

2. Значения коэффициентов перегрузки, указанные в скобках, принимаются в тех случаях, когда их использование создает наиневыгоднейшие условия для устойчивости.

3.4. Коэффициент сочетания нагрузок nc учитывает вероятность неблагоприятного сочетания временных нагрузок или воздействий и должен вводиться при наличии двух или более кратковременных воздействий.

При воздействии на сооружение постоянных и одной кратковременной нагрузки nc = 1.

При воздействии же постоянных и двух или более кратковременных нагрузок, расчетные значения последних следует умножать на nc = 0,9.

Особые сочетания нагрузок состоят из основных сочетаний, дополненных одной из особых нагрузок (сейсмического воздействия, влияния взрыва). В этом случае величины кратковременных нагрузок умножают на коэффициент сочетания nc = 0,8.

3.5. Коэффициент условий работы m, учитывающий вид предельного состояния, приближенность расчетных схем и другие факторы, принимают для бетонных и железобетонных сооружений на полускальном и нескальном основаниях, равным m = 1. Для поверхностей сдвига, проходящих по контакту бетон-скала или в массиве основания частично по трещинам, частично по монолиту, m = 0,95.

3.6. При использовании выражения (4) к опрокидывающим силам следует относить силы активного давления грунта на тыловую грань стены, давление воды на эту же грань и противодавление на нижние грани стены, а также сейсмические силы, к удерживающим относят все остальные силы.

При определении Мопр моменты опрокидывающих сил или их составляющих, не совпадающих с направлением опрокидывания, учитывают со знаком минус. Аналогично учитывают при определении Муд моменты удерживающих сил или их составляющих, совпадающих с направлением опрокидывания.

3.7. Расчет устойчивости подпорно-оседающей стены против скольжения осуществляется по формуле

                                                     (5)

где Nуд - проекция расчетных значений обобщенных удерживающих сил на предполагаемую плоскость скольжения (с учетом коэффициента безопасности по грунтам), кН;

Nсдв - проекция расчетных значений обобщенных сдвигающих сил на предполагаемую плоскость скольжения (с учетом коэффициентов перегрузки), кН;

значения всех остальных коэффициентов такие же, как и в формуле (4).

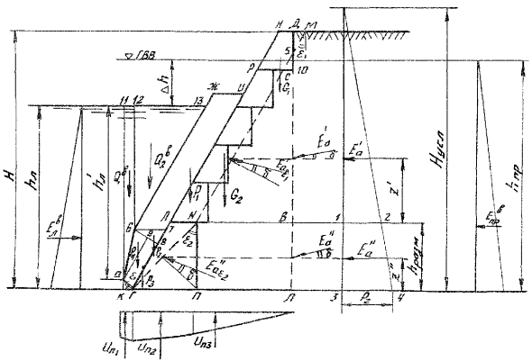
3.8. Схема приложения нагрузок на подпорно-оседающую стену при первоначальном положении оседающего массива (до его опускания в воронку размыва) для случая горизонтального очертания поверхности застенной засыпки и отсутствия внешней нагрузки на этой поверхности представлена на рис. 3. Эти нагрузки включают в себя:

активное давление грунта засыпки на тыловую грань одевающей стены 5 - 10 (условно спрямленную) -  кН;

гидростатическое давление воды с тыловой и лицевой стороны подпорно-оседающей стены Епрв и Елв, кН;

вертикальное давление воды на лицевую грань Q1в, Q2в, кН;

противодавление воды uп1, uп2, uп3, кН;

собственный вес подпорно-оседающей стены, складывающийся в рассматриваемом случае из веса элементов оседающего массива Р1, Р2, Р3, Р4, кН и веса одевающей стены G1, G2, кН.

3.9. Расчет устойчивости подпорно-оседающей стены применительно к схеме на рис. 3 целесообразно осуществлять для наиневыгоднейшего случая, когда горизонт воды справа hпр (за тыловой гранью) соответствует расчетному горизонту высоких вод принятой повторяемости, а горизонт слева hл (у лицевой грани) ниже горизонта высоких вод на Dh (перепад высот, который обычно берется в пределах от 0,25 до 0,5 м).

Рис. 3. Схема приложения нагрузок на подпорно-оседающую стену при первоначальном положении оседающего массива (до его опускания) для случая горизонтальной засыпки и отсутствия внешней нагрузки на поверхности

Поскольку одна часть грунта засыпки находится во взвешенном состояния, а другая - в сухом, то для упрощения расчета предлагается вычислять условную высоту засыпки Нусл, получаемую после приведения грунта естественной влажности к одному удельному весу со взвешенным грунтом по формуле

                                            (6)

где gест, gвзв - соответственно удельный вес грунта засыпки, находящегося в естественном и взвешенном состоянии, кН/м3;

остальные обозначения очевидны из рис. 3.

Удельный вес грунта во взвешенном состоянии определяют

gвзв = (gуд - gв) × (1 - Vпор),                                                  (7)

где gуд - удельный вес частиц грунта, кН/м3;

gв - удельный вес воды, кН/м3;

Vпор - объем пор в единице объема грунта (пористость) в долях единицы.

3.10. Для определения активного давления грунта засыпки на тыловую грань одевающей стены  предварительно определяют активное давление грунта Еа (кН) на фиктивную тыловую грань

                                                    (8)

где lа - коэффициент активного давления грунта, определяемый в рассматриваемом случае по формуле

                                         (9)

где j - угол внутреннего трения грунта засыпки, град;

d - угол трения о боковую поверхность стены, град.

При расчетах рекомендуется использовать расчетные значения j, получаемые путем деления нормативных значений их на коэффициент безопасности (в соответствии с указаниями СНиП по нормам проектирования оснований зданий и сооружений [5], а также ГОСТа по статистической обработке результатов определений грунтовых характеристик [6]).

При предварительных расчетах, а также для окончательных расчетов объектов III и IV классов капитальности допускается пользоваться нормативными значениями j.

Аналогичные требования можно распространить на значения удельного веса грунта.

Сила Еa прикладывается к фиктивной грани АД на расстоянии z от подошвы стены (точки А на рис. 3); при этом в рассматриваемом случае

                                                              (10)

Искомое давление Еa, в кН, на условную тыловую грань 5 - 10 определяют по выражению

                                             (11)

где e - угол наклона тыловой условной грани 5 - 10 подпорно-оседающей стены к вертикали, град;

Точку приложения силы  принимают расположенной на уровне точки приложения силы Еa, а направление ее берут под углом d к нормали, проведенной к условной тыловой грани 5 - 10. При tg e × tg j ³ 1 принимают  = 0.

3.11. Давления воды (в кН) на тыловую (Епрв) и лицевую (Елв) грани стены вычисляют по формулам:

                                                        (12)

                                                           (13)

где hпр, hл - уровни воды соответственно с тыловой и лицевой стороны, м.

Равнодействующие давлений воды во всех случаях прикладываются к центру тяжести соответствующих эпюр их распределения.

3.12. Вертикальное давление воды (в кН) на лицевую грань определяют по выражениям:

                                                            (14)

                                                            (15)

где S1, S2 - соответственно площади 0-11-12-6 и 6-12-13 на рис. 3, м2.

Противодавление воды (в кН) можно определить по формулам:

                                                  (16)

                                                                (17)

                                                           (18)

Равнодействующие сил противодавления прикладываются к центрам тяжести соответствующих эпюр их распределения. Учитывают лишь противодавление взвешивания; фильтрационное противодавление не учитывается, в связи с его незначительностью для рассматриваемых условий.

3.13. Собственный вес подпорно-оседающей стены вычисляют, как правило, отдельно для оседающего массива и одевающей стены, поскольку их обычно делают из разных материалов. Для упрощения расчетов сечение подпорно-оседающей стены иногда бывает целесообразно разделить на отдельные простые фигуры (элементы). В частности, (см. рис. 3) оседающий массив разделен на 4 части с весом Р1, Р2, Р3, Р4; одевающая стена разбита на два элемента с весом G1 и G2 (с учетом конфигураций после проведения условной тыловой грани 3 - 10).

Вычисляют веса (в кН) отдельных элементов подпорно-оседающей стены (см. рис. 3):

                                                             (19)

                                                            (20)

                                                            (21)

                                                            (22)

                                                           (23)

                                                          (24)

где S1, S2, S3, S4 - площади фигур, составляющих сечение оседающего массива, м2;

goм - удельный вес материала оседающего массива, кН/м3;

1, 2 - площади фигур, на которые разбито сечение одевающей стены, м2;

gос - удельный вес материала одевающей стены, кН/м3.

3.14. Оценка устойчивости подпорно-оседающей стены, применительно к схеме на рис. 3, по первой группе предельных состояний на опрокидывание (в соответствии с формулой (4)) осуществляется в следующей последовательности.

Прежде всего, в соответствии с указаниями пп. 3.3 - 3.5, определяем расчетные значения нагрузок и воздействий, перечисленных в п. 3.8. При этом принимаем наиневыгоднейшее сочетание коэффициентов перегрузки в соответствии с таблицей, т.е. нагрузку от активного давления грунта, поскольку она способствует нарушению устойчивости, принимаем с наибольшим коэффициентом (n = 1,2), а нагрузки от собственного веса элементов подпорно-оседающей стены, в связи с тем, что они противодействуют опрокидыванию - с наименьшим коэффициентом (n = 0,95). Нагрузки от воздействия воды, в соответствии с указаниями таблицы, принимают с коэффициентом перегрузки n = 1.

Таким образом, для расчетов принимаем

Для выполнения дальнейших расчетов силу  раскладывают на горизонтальную  и вертикальную  составляющие:

                                                     (25)

                                                     (26)

Затем вычисляют численные значения моментов опрокидывающих и удерживающих сил относительно точки 0 или t. Вычисление моментов целесообразно делать как относительно точки 0, так и t, а за окончательный брать наиневыгоднейший результат в соответствии с формулой (4).

Применительно к расчетной схеме на рис. 3 моменты опрокидывающих и удерживающих сил (кН×м) относительно точки 0 определяют по выражениям:

             (27)

                 (28)

где l1 - l11 - расстояния от точек приложения соответствующих сил до точки О (плечи сил), определяемые аналитически или графическим путем, м.

Зная величины Муд и Мопр, формуле (4) производят оценку устойчивости подпорно-оседающей стены на опрокидывание.

В связи с отсутствием кратковременных нагрузок и сейсмических воздействий в рассматриваемых на рис. 3 условиях принимаем коэффициент сочетания нагрузок nc = 1.

Коэффициент условий работы в рассматриваемых условиях (как для железобетонных сооружений на нескальных основаниях) принимают равным m = 1.

Таким образом, в рассматриваемой на рис. 3 расчетной схеме выражение (4) примет вид:

                                                            (29)

3.15. Для оценки устойчивости подпорно-оседающей стены, изображенной на рис. 3, против скольжения (по формуле (5)) определяют расчетные значения сдвигающих и удерживающих сил в проекции на плоскость ot:

  (30)

   (31)

где jт - угол трения подошвы массива оt по грунту (практически равный углу внутреннего трения грунта), град.

После этого, принимая во внимание формулу (5) и значения n = 1, m = 1 (из тех же соображений, которые приведены в п. 3.14), производят оценку устойчивости подпорно-оседающей стены против скольжения по выражению

                                                            (32)

3.16. Если условия (29) и (32) не выполняются, то следует проектировать подпорно-оседающую стену заново с целью повышения устойчивости и достижения выполнения указанных условий. Для этого можно увеличить толщину оседающего массива, изменить угол его наклона, нарастить оседающий массив противовесом, увеличить габариты одевающей стены.

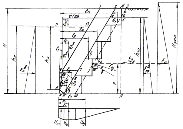
3.17. Схема приложения нагрузок на подпорно-оседающую стену после опускания оседающего массива на проектную (заданную) глубину размыва hразм для случая горизонтального очертания поверхности застенной засыпки и отсутствия внешней нагрузки на этой поверхности приведена на рис. 4.

Для удобства практических расчетов тыловая поверхность стены заменена условной ломаной гранью МNt. Это создает некоторую специфику в определении величины активного давления грунта засыпки. Остальные нагрузки и воздействия определяют аналогично вышеизложенному (см. пп. 3.12, 3.13).

Последовательность определения активного давления принимается следующей.

Строится эпюра напряжений на фиктивную грань ДА для всей высоты Нусл, которую определяют по формуле (6). При этом ордината эпюры в верхней части р1 = 0 (поскольку в рассматриваемой схеме нет внешней нагрузки), а ординату р2 на уровне подошвы (в точке А) определяют

Р2 = gвзв × Нусл × lа,                                                      (33)

где lа вычисляют по формуле (9).

Силу активного давления Еа здесь разделяют на две части Е¢а и Е²а, приходящиеся на верхний и нижний участки стены.

Величина верхней силы

                                          (34)

Высоту приложения z¢ этой силы (считая от точки B фиктивной грани) находят

                                                 (35)

Давление  на верхний участок условной тыловой грани определяют по выражению

                      (36)

где e1 - угол наклона к вертикали верхнего участка условной тыловой грани, град.

Рис. 4. Схема приложения нагрузок на подпорно-оседающую стену после опускания оседающего массива на проектную (заданную) глубину размыва hразм для случая горизонтальной засыпки и отсутствия внешней нагрузки на поверхности

Точку приложения силы  принимают на уровне точки приложения силы , а направление ее - под углом d к нормали, проведенной к верхнему участку условной тыловой грани МN (см. рис. 4).

Величину нижней силы Е²а устанавливают равной части 1-2-4-3 площади эпюры давления грунта на вертикальную фиктивную грань АД; приложена она в центре тяжести участка эпюры 1-2-4-3 на высоте z², считая от точки А фиктивной грани.

Давление  на нижний участок условной тыловой грани

                     (37)

где e2 - угол наклона к вертикали нижнего участка условной тыловой грани, град.

Точку приложения силы  принимают на уровне точки приложения силы , а направление ее берут под углом d к нормали, проведенной к нижнему участку тыловой грани Nt (см. рис. 4). Давление воды на тыловую и лицевую грани стены вычисляют по формулам (12) и (13).

Вертикальное давление воды определяют в соответствии с формулами (14) и (15).

Противодавление воды в рассматриваемом случае определяют:

 - по формуле (16)

                                     (38)

                                         (39)

Собственный вес элементов подпорно-оседающей стены в этом случае определяют по формулам (19) - (24). При этом за 1 принимают площадь НД10Р, а за Ω2 - площадь РСNЛ.

3.18. Оценивать устойчивость подпорно-оседающей стены применительно к схеме на рис. 4 следует аналогично пп. 3.14 - 3.16.

При этом

                            (40)

                           (41)

Горизонтальные составляющие сил активного давления равны:

                       (42)

                      (43)

а вертикальные их составляющие:

                       (44)

                       (45)

При вычислении моментов опрокидывающих сил по формуле (27) и сдвигающих сил по формуле (29) вместо горизонтальных и вертикальных составляющих одной силы  в схеме на рис. 3 вводят соответствующие составляющие сил  и .

3.19. Схема приложения нагрузок на подпорно-оседающую стену после опускания оседающего массива на проектную (заданную) глубину размыва hразм для случая наклонной под углом a к горизонтальной поверхности застенной засыпки с приложенной к ней равномерно распределенной нагрузкой интенсивностью q, кН/м, изображена на рис. 5.

В этом случае рекомендуется такая последовательность операций при выполнении расчетов устойчивости.

Определяется расчетное значение интенсивности нагрузки

qp = q × n,                                                           (46)

где n - коэффициент перегрузки, принимаемый при учете подвижных временных нагрузок от железнодорожного состава (в соответствии с данными таблицы n = 1,3;

для нагрузок от колонны автомобилей n = 1,4;

для нагрузок от транспортных единиц автомобильных и городских дорог n = 1,1.

После этого строят эпюру распределения давлений на фиктивную грань ДА с учетом Hусл, определяемой по формуле (6). При этом ордината в верхней части этой эпюры (см. рис. 5)

р1 = qp × l¢a,                                                           (47)

а на глубине Нусл на уровне подошвы оседающего массива в точке А

р2 = (gвзв × Нусл + qp) × l¢а.                                                 (48)

Здесь

                                   (49)

qp - интенсивность равномерно распределенной нагрузки с учетом коэффициента перегрузки, кН/м;

a - угол наклона поверхности застенной засыпки к горизонту, град.

Затем определяют активное давление Е¢a на верхний участок фиктивной грани ДВ

                   (50)

где l¢a вычисляют по формуле (49).

Сила Е¢a прикладывается от точки В на расстоянии z¢ (см. рис. 5), определяемом в этом случае по формуле

                            (51)

Активное давление E²a на нижнем участке фиктивной грани (АB) принимают равным площади части эпюры давления 1-2-4-3 на вертикальную фиктивную грань ДА (см. рис. 3), а точка его приложения помещается в центре тяжести этого участка эпюры, находящегося графическим путем или аналитически. После ее нахождения определяют расстояние силы Е²а до подошвы z².

Весь последующий процесс определения величины сил  и , а также приложения к участкам условной тыловой грани, вычисления расчетных значений и хода расчетов на опрокидывание и скольжение одинаков с изложенным выше для схемы на рис. 4.

3.20. Схема приложения нагрузок на подпорно-оседающую стену после опускания оседающего массива на проектную (заданную) глубину размыва hразм для случая изменяющегося очертания поверхности застойной засыпки с приложением к ней произвольной нагрузки приведена на рис. 6.

Рис. 5. Схема приложения нагрузок, на подпорно-оседающую стену с засыпкой, имеющей наклонную поверхность, с приложенной к ней равномерно распределенной нагрузкой

Рис. 6. Схема к расчету подпорно-оседающей стены при меняющемся очертании поверхности засыпки и произвольной нагрузке

В рассматриваемых условиях расчеты устойчивости рекомендуется выполнять в изложенной ниже последовательности.

Силу активного давления грунта на фиктивную грань ДА определяют методом попыток как наибольшее из значений Еi, подсчитанных по формуле

                                               (52)

где Gi - сумма веса Gгр предполагаемой призмы обрушения АДДi (с учетом взвешивания грунта) и равнодействующей расположенной на ней нагрузки (с учетом своих коэффициентов перегрузки);

qi - угол между предполагаемой плоскостью обрушения и горизонтальной плоскостью (см. рис. 6).

Значение qi, которому соответствует наибольшее значение Еi, определенное по формуле (52), принимают за расчетный угол.

Активную силу от веса призмы обрушения Егр после этого определяют

                                                  (53)

При этом считают, что сила Егр является равнодействующей, эпюра которой имеет вид треугольника. Расстояние zгр от точки приложения этой силы до подошвы массива (точка А) вычисляют по формуле

zгр = Нусл / 3.                                                           (54)

Силу Еq от нагрузки q, расположенной на призме обрушения и распределенной по ширине a (см. рис. 6) определяют по формуле

                                                  (55)

Расстояние zq от точки приложения силы Еq до точки А определяют по выражению

zq = Н + ho - х × tg q,                                                    (56)

где ho - разность отметок уровня поверхности грунта под центром полосы шириной a и точкой Д (см. рис. 6);

x - расстояние между фиктивной гранью стены и осью полосы нагрузки шириной a. Если часть полосы железнодорожной нагрузки оказывается за пределами призмы обрушения, то под размером «a» следует понимать ширину той части полосы, которая расположена на призме обрушения.

После установления величины сил Еq и Егр и их положения вычисляются значения этих сил при приложении к условной осредненной тыловой грани Dt (см. рис. 6), угол наклона которой к вертикали обозначен через e3 по формулам:

                     (57)

                    (58)

После этого последовательность расчетов такая же, как и для расчетных схем на рис. 4 и 5.

3.21. Учет сейсмического воздействия при расчетах устойчивости подпорно-оседающих стен сводится к тому, что в дополнение к силам, приведенным в расчетных схемах на рис. 3 - 6, вводят дополнительные усилия (рис. 7):

а) сейсмического давления несвязного грунта засыпки;

б) сейсмических сил инерции массы элементов самой стены;

в) дополнительного инерционного давления воды.

Рис. 7. Схема приложения нагрузок и воздействий на подпорно-оседающую стену в условиях сейсмического воздействия

Дополнительное сейсмическое давление грунта засыпки учитывают путем увеличения соответствующего активного давления

                                        (59)

где Еа - активное давление грунта (кН), вычисленное в зависимости от схемы расчета, по формулам (8), (34), (37), (50);

Qc - активное давление грунта с учетом сейсмики, кН;

j - расчетное значение угла внутреннего трения грунта, град;

Кc - коэффициент сейсмичности, равный для расчетной сейсмичности:

7 баллов............................ Kc = 0,025

8........................................ Кc = 0,050

9........................................ Кc = 0,100

Поскольку во время землетрясения сила сейсмического воздействия может иметь любое направление, то условно принимают направление активного давления грунта с учетом сейсмики горизонтальным (наиболее неблагоприятным с точки зрения устойчивости) и в последующем не делают поправки на наклон грани e, как для условий отсутствия сейсмики (хотя это и не исключает проверок на устойчивость с учетом указанной поправки).

Сейсмические силы инерции Soi (в кН), вызываемые массой элементов самой подпорно-оседающей стены, рекомендуется определять по формуле

Soi = 1,5 × Goi × Kc,                                                    (60)

где Goi - вес отдельных элементов, сейсмическую силу инерции которых определяют в кН.

Эти силы прикладываются в центре тяжести соответствующих элементов подпорноседающей стены и направляются горизонтально в речную сторону (см. рис. 7).

Дополнительное инерционное давление воды åРz (в кН) для рассматриваемых условий определяют по формуле:

                                                      (61)

Оно прикладывается в центре тяжести эпюры инерционного давления воды горизонтально по направлению в сторону реки (см. рис. 7).

3.22. При расчетах устойчивости подпорно-оседающей стены в условиях сейсмического воздействия следует величины кратковременных нагрузок (например, от веса подвижного состава) умножать на коэффициент сочетания nc = 0,8.

После установления величины и направления нагрузок, вызываемых сейсмическим воздействием (см. рис. 7), последующий расчет устойчивости осуществляется аналогично изложенному для схем, изображенных на рис. 3 - 6.

3.23. Прогнозируемую глубину размыва у основания подпорно-оседающих стен, необходимую для расчета величины опускания оседающего массива, hразм, м, рекомендуется вычислять по формуле Рекомендаций [7]

                                       (62)

в которой Vp - расчетная скорость потока у подошвы защищаемого откоса (берегового склона), м/с;

hп - глубина потока у подошвы защищаемого откоса (берегового склона), м;

g - ускорение силы тяжести (9,8 м/с2);

d - средний диаметр фракций грунта, глубину размыва которого прогнозируют, м.

В случае, если глубина размыва по расчету получается большой, то ее можно уменьшить за счет, например, предварительной отсыпки на дно реки в месте расположения оседающих массивов бермы из более крупных камней, чем те, которые находятся в естественном русле.

3.24. Оценка ледового воздействия на возможность смещения оседающего массива (или его элемента в процессе монтажа) осуществляется по формуле

Рн < Qм × tg jт,                                                         (63)

где Qм - вес оседающего массива (или его элемента в процессе монтажа), кН;

jт - угол внутреннего трения подошвы массива о грунт основания, град;

Рн - равнодействующая ледового воздействия, кН;

                                                       (64)

Здесь Рв и Рг - соответственно вертикальная и горизонтальная составляющие ледового воздействия, [8] на рис. 8, кН;

Рис. 8. Схема воздействия льдины на оседающий массив подпорно-оседающей стены:

1 - льдина; 2 - оседающий массив

                                                           (65)

где sи - предел прочности льда на изгиб (ориентировочно sи = 0,6 МПа. Более точно sи берут по справочникам и другим данным);

в - ширина льдины в сечении 1-1 (для расчетов берется 1 м), м;

h - толщина льда, м;

l - расстояние от откоса до места излома, м.

Ориентировочно принимается

l = (3 ÷ 6) × h;                                                           (66)

                                                          (67)

где aм - угол наклона поверхности оседающего массива к горизонту, град.

В случае, если условие (63) не выполняется, необходимо соответственно увеличить величину Qм. При этом предполагают возможность смещения оседающего массива (или его элемента) в направлении течения при косом ударе в него льдин.

4. ТЕХНОЛОГИЯ ПРОИЗВОДСТВА РАБОТ

4.1. Работы по сооружению подпорно-оседающих стен начинают с подготовки основания, выравниваемого слоем щебня толщиной 10 - 15 см. На выровненное основание устанавливают автокраном блоки нижнего ряда одевающей стены.

После установки нижнего ряда блоков одевающей стены их засыпают (если они пустотелые) скальными обломками или местным грунтом. Грани блоков со стороны засыпки (насыпи) обмазывают двумя слоями горячего битума.

При наличии в основании после его подготовки выступающих глыб допускается местная замена блоков монолитным бетоном.

4.2. Вслед за установкой нижнего ряда блоков одевающей стены, их засыпки и обмазки тыловой грани битумом производят отсыпку грунта за застенным пространством слоями толщиной 35 - 40 см, разравниваемых бульдозером и уплотняемых. Затем устанавливают второй (и последующие) ряд блоков, и все указанные выше операции повторяют.

4.3. Блоки одевающей стены в каждой ее секции кладут на слой цементного раствора. Швы между смежными боковыми гранями блоков в секции также заполняют цементным раствором и тщательно затирают. Между смежными секциями оставляют температурные швы.

Монтаж нижних рядов блоков рекомендуется выполнять в период установившегося меженного горизонта воды. Верхнюю часть одевающей стены обычно выравнивают до проектных отметок монолитным бетоном и в необходимых случаях завершают парапетом.

4.4. Внешнюю плоскость одевающих стен покрывают толем для облегчения опускания оседающих массивов. Допускается устанавливать толевую прокладку не по всей поверхности одевающей стены, а лишь в местах укладки монолитного бетона.

4.5. При монтаже оседающих массивов в первую очередь устанавливают автокраном их нижние блоки (при вариантах сборно-монолитных конструкций оседающих массивов), после установления нескольких рядов блоков одевающей стены.

Установку верхних блоков оседающих массивов и их омоноличивание осуществляют после завершения работ по возведению одевающей стены. После этого на оседающие массивы устанавливают противовесы (там, где они предусмотрены).

4.6. Примеры расчетов устойчивости подпорно-оседающих стен, глубины размыва и оценки сейсмического воздействия приведены в приложении.

Приложение

ПРИМЕРЫ РАСЧЕТОВ

Пример расчета устойчивости подпорно-оседающей стены при первоначальном положении оседающего массива (до его опускания в воронку размыва) для случая горизонтального очертания поверхности застенной засыпки и отсутствия внешней нагрузки на этой поверхности (применительно к рис. 3)

Требуется рассчитать1 устойчивость стены, изображенной на рис. 3, против опрокидывания и скольжения при следующих условиях:

1 При расчетах использовались численные значения величин в старой системе единиц.

Общая высота стены..................................................................... Н = 10 м

Удельный вес грунта засыпки в естественном состоянии........ gест = 1,8 тс/м3 (18 кН/м3)

Объем пор грунта засыпки........................................................... Vпор = 0,2

Удельный вес частиц грунта........................................................ gуд = 2,0 тс/м3 (20 кН/м3)

Угол внутреннего трения грунта засыпки................................... j = 30°

Угол трения о боковую поверхность стены ............................... d = 15°

Горизонт воды справа................................................................... hпр = 9 м

Горизонт воды слева..................................................................... hл = 8,5 м

Удельный вес материала оседающих массивов

и одевающей стены....................................................................... gвм = gос = 2,5 тс/м3 (25 кН/м3)

Угол наклона подпорно-оседающей стены к

вертикали....................................................................................... e = 30°

Толщина оседающего массива...................................................... 1,7 м

Толщина одевающей стены

(после проведения условной тыловой грани)............................ 1,3 м

Прежде всего, по формулам (7) и (6) определяем значения gвзв и Нусл

gвзв = (2,5 - 1,0) ´ (1 - 0,2) = 2,20 тс/м3;

Нусл = 9 + (10 - 9) ´ 1,8 / 1,2 = 10,5 м.

Для вычисления активного давления грунта засыпки по формуле (8) предварительно по выражению (9) определяем коэффициент активного давления грунта

Следовательно,

Еа = (1,20 ´ 10,52) / 2 ´ 0,30 = 19,8 тс.

Давление на условную тыловую грань определяем по выражению (11):

 = 19,8 ´ (1 - tg 30° ´ tg 30°)2 = 19,8 ´ 0,446 = 8,8 тс.

Точку приложения сип Еa и  находим по формуле (10)

z = 10,5 / 3 = 3,5 м.

Давление воды на тыловую и лицевую грани стены определяем по формулам (12) и (13):

Епрв = (1 ´ 92) / 2 = 40,5 тс;

Елв = (1 ´ 8,52) / 2 = 36 тс.

Вертикальное давление воды по выражениям1 (14) и (15):

Q1в = (8 + 6) / 2 ´ 0,3 ´ 1 = 2,1 тс;

Q2в = (6 + 3,5) / 2 ´ 1 = 10,5 тс;

1 Размеры при вычислении площадей S1 и S2 в формулах (14) и (15) получены графически.

Противодавление воды по формулам (16) - (18):

 = 1 / 2 ´ 1 ´ (8,2 + 8,5) ´ 0,6 = 5,0 тс;

 = 1 ´ 8,5 ´ 1,5 = 12,8 тс;

 = (1 ´ 8,5) / 2 ´ 6 = 25,5 тс.

Собственный вес элементов2 подпорно-оседающей стены применительно к рис. 3 согласно формулам (19) - (24):

Р1 = 9,5 ´ 1,7 ´ 2,5 = 40,4 тс;

Р2 = (1,7 ´ 1,1) / 2 ´ 2,5 = 2,3 тс;

P3 = 0,7 ´ 2,3 ´ 2,5 = 4,0 тс;

Р4 = 2,3 ´ 1,0 ´ 2,5 = 5,7 тс;

G1 + G2 = 12,7 ´ 1,3 ´ 2,5 = 41 тс.

2 Размеры элементов при вычислении по формулам (19) и (24) получены графически.

Далее, в соответствии с указаниями п. 3.14 Рекомендаций определяем расчетные значения нагрузок и воздействий

= 8,8 ´ 1,2 = 10,6 тс;

Р1p = 40,4 ´ 0,95 = 38,4 тс;                           Р2p = 2,3 ´ 0,95 = 2,2 тc;

P3p = 4,0 ´ 0,95 = 3,8 тс;                               Р4p = 5,7 ´ 0,95 = 5,4 тс;

G1p + G2p = 41 ´ 0,95 = 39 тс;

остальные нагрузки и воздействия (Епрв; Елв; Q1в; Q2в; uп1; uп2; uп3) имеют коэффициент перегрузки n = 1 (согласно таблице Рекомендаций).

Для выполнения дальнейших расчетов усилие  в соответствии с выражениями (25) и (26) раскладываем на горизонтальную и вертикальную составляющие:

 = 10,6 ´ cos (30° - 15°) = 10,2 тс;

 = 10,6 ´ sin (30° - 15°) = 2,7 тс.

После установления расчетных численных значений всех усилий, приведенных на рис. 3, вычислим значения моментов опрокидывающих и удерживающих сил1 относительно точки t.

1 Предварительные сопоставительные расчеты устойчивости на опрокидывание в рассматриваемом случае показали, что устойчивость стены при опрокидывании вокруг точки t меньшая, чем при опрокидывании вокруг точки 0.

Момент опрокидывающих сил относительно точки t в рассматриваемом случае2 следующий:

2 Плечи соответствующих сил получены графическим путем.

 =

= 10,2 ´ 3,8 + 2,7 ´ 3,5 + 40,5 ´ 3 - 5,0 ´ 0,3 + 12,8 ´ 0,7 + 25,5 ´ 3,3 =

= 38,8 + 9,4 + 121,5 - 1,5 + 8,9 + 84,0 = 261,1 тс×м;

 =

= 39 ´ 3,7 + 38,4 ´ 2,8 + 2,2 ´ 1,0 + 3,8 ´ 0,3 + 10,5 ´ 0,2 - 2,1 ´ 0,5 + 36,0 ´ 2,8 =

= 144,0 + 108,0 + 2,2 + 1,1 + 2,1 - 1,1 + 101,0 = 357,3 тс×м.

В соответствии с формулой (29)

(Кн принят как для второго класса сооружений).

В соответствии с п. 3.15 и формулами (30) и (31) определим расчетные значения сдвигающих и удерживающих сил в проекции на плоскость оt:

Nсдв = 10,2 ´ cos 30° - 10,2 ´ sin 30° ´ tg 30° + 2,7 ´ sin 30° + 2,7 ´ cos 30° ´ tg 30° + 40,5 ´ cos 30° - 40,5 ´ sin 30° ´ tg 30° + (5,0 + 12,8 + 25,5) ´ sin 30° + (5,0 + 12,8 + 25,5) ´ cos 30° ´ tg 30° = 10,2 ´ 0,865 - 10,2 ´ 0,50 ´ 0,58 + 2,7 ´ 0,50 + 2,7 ´ 0,865 ´ 0,58 + 40,5 ´ 0,865 - 40,5 ´ 0,50 ´ 0,58 + 43,3 ´ 0,50 + 43,3 ´ 0,865 ´ 0,58 = 8,8 - 3,0 + 1,3 + 1,3 + 35,0 - 11,8 + 21,6 + 21,8 = 75,0 тс.

Nуд = (38,4 + 2,2 + 3,8 + 5,4 + 39,0 + 2,1 + 10,5) ´ sin 30° + (38,4 + 2,2 + 3,8 + 5,4 + 39,0 + 2,1 + 10,5) ´ cos 30° ´ tg 30°+ 36 ´ cos 30° - 36 ´ sin 30° ´ tg 30° = 101,4 ´ 0,50 + 101,4 ´ 0,865 ´ 0,58 + 36 ´ 0,885 - 36 ´ 0,50 ´ 0,58 = 50,5 + 51,0 + 31,2 - 10,5 = 122,2 тс.

В соответствии с формулой (32)

Таким образом, подпорно-оседающая стена при первоначальном положении оседающего массива применительно к схеме на рис. 3, для заданных исходных условий вполне устойчива как против опрокидывания, так и против скольжения.

Пример расчета устойчивости подпорно-оседающей стены после опускания оседающего массива на проектную (заданную) глубину размыва для случая горизонтального очертания поверхности застойной засыпки и отсутствия внешней нагрузки на этой поверхности (применительно к рис. 4)

Требуется рассчитать устойчивость стены, изображенной на рис. 4, против опрокидывания и скольжения при следующих условиях:

Общая высота стены, считая от верха одевающей стены до подошвы оседающего массива после его опускания................................................................................................................ Н = 12 м

Глубина размыва............................................................................................... hразм = 3 м

Толщина оседающего массива......................................................................... 1,3 м

Толщина одевающей стены

(после провидения условной тыловой грани)............................................... 1,0 м

Угол наклона к вертикали верхнего участка условной тыловой грани....... e1 = 30°

Угол наклона к вертикали нижнего участка условной тыловой граны....... e2 = 45°

Горизонт воды справа...................................................................................... hпр = 11 м

Горизонт воды слева........................................................................................ hл = 10,5 м

Характеристика грунта засыпки и материала элементов стены такие же, как в первом примере (т.е. gест = 1,8 тс/м3; Vпор = 0,2; gуз = 2 тс/м3; j = 30°; d = 15°; gом = 2,5 тс/м3; gвзв = 1,20 тс/м3).

Расчет начинаем с вычисления по формуле (6) величины

Нусл = 11 + (12 - 11) ´ 1,8 / 1,2 = 11 + 1,5 = 12,5 м.

Определяем величину напряжения на уровне подошвы массива по выражению (33):

р2 = 1,20 ´ 12,5 ´ 0,30 = 4,5 тс/м2.

По формуле (34) определяем величину верхней части силы активного давления

Е¢а = 1,20 ´ (12,5 - 3,0)2 / 2 ´0,30 = 16,1 тс.

Высота приложения силы Е¢a по формуле (35)

z¢ = (12,5 - 3,0) / 3 = 3,17 м.

Давление  на верхний участок условной тыловой грани

 = 16,1 ´ (1 - tg 30° ´ tg 30°)2 = 7,2 тс.

Величину нижней части силы активного давления грунта устанавливаем равной площади части эпюры 1-2-3-4.

Предварительно определяем величину напряжения на уровне выше подошвы на высоту hразм. (см. рис. 4):

Величина давления

Е²а = (3,44 + 4,50) / 2 ´ 3,0 = 11,9 тс.

Давление  на нижний участок условной тыловой грани по формуле (37)

 = 11,9 ´ (1 - tg 45° ´ tg 30°) = 2,1 т.

Противодавление воды1, согласно выражениям (16), (38), (39):

 = 1 / 2 ´ 1 ´ (10,5 + 10,2) ´ 0,5 = 5,2 т;

 = 1 / 2 ´ 1 ´ 10,5 + (10,5 - 3,0) ´ 3,0 = 27,0 тс;

 = 1 / 2 ´ 1 ´ (10,5 - 3,0) ´ 4,5 = 16,9 тс.

1 Размеры при вычислении определены графическим путем.

Определяем давление воды на тыловую и лицевую грани стены

Епрв = (1 ´ 112) / 2 = 60,5 тс;

Елв = (1 ´ 0,52) / 2 = 55,0 тс;

Вертикальное давление воды1

1 Размеры при вычислении определены графическим путем.

Собственный вес элементов подпорно-оседающей стены, применительно к рис. 4, составит:

Р1 = 8,5 ´ 1,3 ´ 2,5 = 27,6 тс;

Р2 = (1,3 ´ 0,8) / 2 ´2,5 = 1,3 тс;

Р3 = 0,6 ´ 2,3 ´ 2,5 = 3,5 тс;

Р4 = (2,3 ´0,7) / 2 ´ 2,5 = 2,0 тс;

G1 + G2 = 10,2 ´ 1,0 ´ 2,5 = 25,5 тс.

Расчетные значения нагрузок и воздействий

Р1p = 27,6 ´ 0,95 = 26,2 тс; Р2p = 1,3 ´ 0,95 = 1,2 тс;

Р3p = 3,5 ´ 0,95 = 3,3 тс; Р4p = 2,0 ´ 0,95 = 1,9 тс;

G1p + G2p = 25,5 ´ 0,95 = 24,2 тс.

Горизонтальные и вертикальные составляющие активного давления грунта верхней и нижней части застенной засыпки:

После установления расчетных значений нагрузок и воздействий вычисляем моменты опрокидывающих и удерживающих1 сил относительно точки t.

1 Размеры плеч определены графическим путем

 = 8,3 ´ 6,17 + 2,2 ´ 1,4 + 2,2 ´ 4,5 + 1,3 ´ 1,5 - 5,2 ´ 0,20 + 27,0 ´ 1,3 + 16,9 ´ 4,5 + 60,5 ´ 3,67 = 51,0 + 3,1 + 9,9 + 1,9 - 1,0 + 35,0 + 76,0 + 222,0 = 397,8 тс×м.

 26,2 ´ 3,0 + 1,2 ´ 1,0 + 3,3 ´ 0,4 + 1,9 ´ 0,1 + 24,2 ´ 5,0 + 55 ´ 10,5 / 3 - 3,5 ´ 0,2 + 16,9 ´ 1,3 = 78,5 + 1,2 + 1,3 + 0,2 + 121,0 + 193,0 - 0,7 + 22,0 = 415,5 тс×м.

Таким образом, устойчивость рассматриваемой стены с необходимой надежностью не обеспечивается.

Для увеличения Муд предусмотрим на оседающем массиве противовес по типу, изображенному на рис. 1. Примем его высоту равной 2,5, ширину понизу 1,5, а поверху 3 м. Удельный вес материала противовеса gоп = 2,5 тс/м3.

Таким образом, вес противовеса

Рдопр = 14 ´ 0,95 = 13,3 тс.

Дополнительное увеличение моментов удерживающих сил DМуд = 13,3 ´ 4,5 = 60 тс×м.

Следовательно, в этих условиях

Муд = 415,5 + 60 = 475,5 тс×м;

т.е. устойчивость стены против опрокидывания обеспечивается. Затем определяем соотношение сдвигающих и удерживающих сил в проекции на плоскость оt:

= (26,2 + 1,2 + 3,3 + 1,9 + 24,2 + 3,5 + 16,9 + 13,3) ´ sin 30° + (26,2 + 1,2 + 3,3 + 1,9 + 24,2 + 3,5 + 16,9 + 13,3) ´ cos 30° ´ tg 30° + Елв ´ cos 30° - Елв ´ sin 30° ´ tg 30° = 45,3 + 45,5 + 47,6 - 16,0 = 122,4 тс;

= 8,3 × cos 30° - 8,3 × sin 30° × tg 30° + 2,2 × sin 30° + 2.2 × cos 30° × tg 30° + 2,2 × cos 30° - 2,2 × sin 30° × tg 30° + 1,3 × sin 30° + 1,3 × cos 30° × tg 30° + (52,2 + 27,0 + 16,9) × sin 30° - (5,2 + 27,0 + 16,9) × cos 30° × tg 30° = 7,2 - 2,4 + 1,1 + 1,1 + 1,9 - 0,6 + 0,6 + 0,6 + 24,5 + 24,6 = 61,0 тс;

Таким образом, после установки противовеса принятой массы подпорно-оседающая стена при опускании массивов на проектную глубину размыва сохраняет устойчивость с необходимой надежностью.

Пример расчета устойчивости подпорно-оседающей стены после опускания оседающего массива на проектную (заданную) глубину размыва при горизонтальном очертании поверхности застенной засыпки и отсутствии на ней внешней нагрузки при учете сил сейсмического воздействия для случая расчетной сейсмичности 9 баллов

Требуется рассчитать устойчивость стены, рассматриваемой в предшествующем примере (с противовесом) с учетом воздействия дополнительных сил, возникающих при сейсмическом воздействии (расчетной сейсмичности 9 баллов).

Все габаритные размеры стены и угол ее наклона, расположение горизонтов воды, характеристики грунта и материала элементов стены аналогичны им в предшествующем примере.

Прежде всего по формуле (59) определяем активное давление грунта засыпки с учетом сейсмического воздействия отдельно для верхнего и нижнего участка тыловой грани на рис. 4.

В результате получаем (см. предшествующий пример):

Следовательно, дополнительное силовое воздействие активного давления грунта за счет сейсмических сил в рассматриваемом примере составит:

для верхнего участка  = 18,9 - 16,1 = 2,8 тс;

для нижнего участка  = 14,0 - 11,9 = 2,1 тс.

Точки приложения этих сил считаем совпадающими с силами Е¢а и Е²а.

Сейсмические инерционные силы от массы элементов подпорно-оседающей стены, в соответствии с выражением (60) будут:

Soод.ст = (G¢1 - G¢2) ´ 1,5 ´ Кc = 24,4 ´ 1,5 ´ 0,1 = 3,62 тс;

Soос.м = SРо ´ 1,5 ´ Кс = (26,2 + 1,2 + 3,3 + 1,9) ´ 1,5 ´ 0,1 = 32,6 ´ 1,5 ´ 0,1 = 4,9 тс;

Soпригруза = 13,3 ´ 1,5 ´ 0,1 = 2,0 тс.

Дополнительное инерционное давление воды определим из выражения (61)

SPz = (0,1 ´ 1 ´ 112) / 2 = 6,0 тс.

Момент опрокидывающих сил относительно точки t с учетом сейсмических сил Мопрс составит1

Мопрс = Мопр + Soод.ст × 7,7 + Soос.м × 5,5 + Soпригруза × 10,4 + Q¢c × 6,17 + DQ²c × 1,4 = 397,9 + 3,62 ´ 7,7 + 4,9 ´ 5,5 + 2,0 ´ 10,4 + 6 ´ 3,7 + 2,8 ´ 6,17 + 2,1 ´ 1,4 = 397,9 + 28,0 + 27,0 + 20,8 + 22,2 + 17,3 + 2,9 = 516 тс×м,

1 Размеры плеч определены графическим путем.

где Мопр = 397,9 тс×м - момент статических опрокидывающих сил (из предшествующего примера).

Таким образом, в этом случае

т.е. с учетом сейсмических воздействий при землетрясении интенсивностью 9 баллов рассматриваемая в примере подпорно-оседающая стена может опрокинуться, несмотря на создание пригруза. Необходимо дальнейшее повышение ее устойчивости. Это можно осуществить за счет уположения ее по отношению к горизонту до 50° (вместо первоначально принятого угла наклона к горизонту в 60°).

В этом случае e1 = 40°; e2 = 54° (см. рис. 4).

Уположение при сохранении тех же значений Н, hразм, hп и hл (при сохранении тех же толщин оседающего массива и одевающей стены) вызовет изменение нагрузок и воздействий.

Хотя Е¢а, z¢, Е²a и не изменится (поскольку не меняются значения Н, hп, hл, j и d, а также lа), но

16,1 ´ (1 - tg 40° ´ tg 30°) = 4,3 тс;

11,9 ´ (1 - tg 54° ´ tg 30°) = 0,52 тс.

4,3 ´ 1,2 = 5,2 тс;

0,52 ´ 1,2 = 0,6 тс;

5,2 ´ cos (40° - 15°) = 4,7 тс;

5,2 ´ sin (40° - 15°) = 2,2 тс;

0,6 ´ cos (54° - 15°) = 0,4 тс;

0,6 ´ sin (54° - 15°) = 0,5 тс;

Епрв = 60,5 тс (без изменения); Елв = 55,0 тс (без изменения).

Р1 = 9 ´ 1,3 ´ 2,5 = 29 тс; Р1р = 29 ´ 0,95 = 27,7 тс;

Р2 = 1,3 тс; Р2р = 1,2 тс (без изменения)

Р3 = 3,5 тс; Р3р = 3,3 тс (без изменения)

Р4 = 2,0 тс; Р4р = 1,9 тс (без изменения)

(G1 + G2) = 11,5 ´ 1,0 ´ 2,5 = 28,7 тс;

(G1p + G2p) = 28,7 ´ 0,95 = 27 тс;

Pдопр = 13,3 тс (без изменения).

Вычислим Мопр и Муд относительно точки t от статических воздействий:

Мопр = 4,7 ´ 6,17 + 0,4 ´ 1,4 + 2,2 ´ 6,1 + 0,5 ´ 1,9 - 5,2 ´ 0,20 + 36 ´ 1,8 + 28,0 ´ 5,2 + 60,5 ´ 3,67 = 29,0 + 0,6 + 13,4 + 1,0 - 1,0 + 64,6 + 145,0 + 222,0 = 474,6 тс×м;

Муд = 27,6 ´ 4,5 + 1,2 ´ 1,5 + 3,3 ´ 0,9 + 1,9 ´ 0,5 + 27 ´ 7,0 ´ 55 ´ 10,5 / 3 - 7,1 ´ 0,1 + 22,4 ´ 2 + 13,3 ´ 6,5 = 125,0 + 1,8 + 3,0 + 1,0 + 190,0 + 193,0 - 0,7 + 44,8 + 86,0 = 643,8 тс×м.

Но это все без учета сейсмического воздействия.

С учетом сейсмики добавляются к опрокидывающим воздействиям следующие значения:

DQ¢c = 2,8 тс; Soод.ст. = 3,6 тс; Soпригруза = 2,0 тс;

DQ²c = 2,1 тс; Soод= 4,9 тс; Pz = 6,0 тс;

В этом случае величина опрокидывающего момента возрастает и относительно точки t составит

Мопрс = Мопр + 3,6 ´ 7,7 + 4,9 ´ 5,5 + 2,0 ´ 10,4 + 6 ´ 3,7 + 3,8 ´ 6,17 + 2,1 ´ 1,4 = 398,0 + 28,0 + 27,0 + 20,8 + 22,2 + 17,3 + 2,9 = 398,0 + 118,0 = 516 тс×м;

Таким образом, при наклоне подпорно-оседающей стены к горизонту, равном 50°, обеспечивается устойчивость ее против опрокидывания с необходимой надежностью в случае опускания массивов на глубину 3 м.

Оценим устойчивость против скольжения.

 

= 105,6 ´ 0,640 + 105,6 ´ 0,765 ´ 0,58 + 55,0 ´ 0,765 - 55,0 ´ 640 ´ 0,58 = 67,5 + 46,6 + 42,0 - 16,6 = 139,5 тс;

= 4,7 ´ 0,765 - 4,7 ´ 0,640 ´ 0,58 + 2,2 ´ 0,640 + 2,2 ´ 0,765 ´ 0,58 + 0,4 ´ 0,765 - 0,4 ´ 0,640 ´ 0,58 + 0,5 ´ 0,640 + 0,5 ´ 0,765 ´ 0,58 + (5,2 + 36,0 + 28,0) ´ 0,640 + (5,2 + 36,0 + 28,0) ´ 0,765 ´ 0,58 + (2,8 + 2,1 + 3,6 + 4,9 + 6,0 + 2,0) ´ 0,765 - (2,8 + 2,1 + 3,6 + 4,9 + 6,0 + 2,0) ´ 0,640 ´ 0,58 = 3,6 - 1,7 + 1,4 + 1,0 + 0,3 - 0,2 + 0,3 + 0,2 + 44,3 + 30,6 + 16,4 - 7,9 = 88,3 тс;

т.е. устойчивость против скольжения также обеспечивается.

Итак, для районов с расчетной сейсмичностью 9 баллов устойчивость стены, изображенной на рис. 4, обеспечивается при условии изменения угла наклона ее к горизонту от 60 до 50° (и при установке противовеса расчетной массой 13,3 тс).

Пример расчета глубины размыва у основания подпорно-оседающей стены, необходимой для прогноза величины опускания оседающего массива

Требуется рассчитать глубину размыва русла реки в месте расположения оседающих массивов проектируемой подпорно-оседающей стены при расчетной скорости потока у подошвы защищаемого откоса Vр = 5 м/с, расчетной глубине потока hп = 9 м. Средний диаметр фракций грунта русла d = 0,1 м.

По формуле (62)

Пример расчета величины ледового воздействия

Требуется оценить возможность смятения оседающего массива, имеющего вес Gм = 16 тс, при ледовом воздействии, если

толщина льда......................................................................... h = 1 м;

угол наклона оседающего массива к горизонту................. aм = 60°

угол внутреннего трения подошвы массива о грунт......... jт = 300

удельный вес материала массива........................................ gом = 2,5 тс/м3

сопротивление льда на изгиб.............................................. sи = 60 тс/м2

Прежде всего по формуле (65) определяем

В соответствии с выражением (63)

Qм × tg jт = 16 ´ tg 30° = 16 ´ 0,58 = 9,3 тс > 6,6 тс, следовательно, массив рассматриваемого веса устойчив против ледового воздействия в указанных условиях.

Если же массив будет полностью затоплен (взвешен) водой, то его вес уменьшится и будет равен

16 - (16 / 2,5 ´ 1) = 16 - 6,4 = 9,6 тс, т.е. Qмвзв × tg jт = 9,6 ´ 0,58 = 5,6 тс < 6,8 тс.

В этом случае (в рассматриваемых условиях) он может быть перемещен ледовым воздействием.

СПИСОК ЛИТЕРАТУРЫ

1. Наставление по изысканиям и проектированию железнодорожных и автодорожных мостовых переходов через водотоки (НИМП-72). М., Транспорт, 1972.

2. СНиП II-9-78. Строительные нормы и правила. Нормы проектирования. Инженерные изыскания для строительства. Основные положения. М., Стройиздат, 1979.

3. Методические рекомендации по инженерно-геологическим изысканиям новых железнодорожных линий и реконструкции существующих железных дорог. М., ЦНИИС, 1976.

4. Методические указания по инженерно-геологическим исследованиям глинистых грунтов при изысканиях железных дорог. М., ЦНИИС, 1969.

5. СНиП II-15-74. Строительные нормы и правила. Нормы проектирования. Основания зданий и сооружений. М., Стройиздат, 1975.

6. ГОСТ 20522-75. Грунты. Метод статистической обработки результатов определений характеристик. М., Изд-во стандартов, 1975.

7. Рекомендации по укреплению откосов сооружений мостовых переходов и насыпей на прижимных участках рек наброской из каменных материалов. М., ЦНИИС, 1979.

8. Самочкин В.Н. Воздействие ледяного покрова на откосы берегов и сооружений. Труды НИИЖТа, вып. 124, Новосибирск, НИИЖТ, 1971.

СОДЕРЖАНИЕ

 




Яндекс цитирования



   Copyright © 2007-2026,  www.tehlit.ru.

[ ѓосты, стандарты, нормативы, инструкции, правила, строительные нормы ]