//
ТехЛит.ру
- крупнейшая бесплатная электронная интернет библиотека для "технически умных" людей.
WWW.TEHLIT.RU - ТЕХНИЧЕСКАЯ ЛИТЕРАТУРА

:: Алготрейдинг::


АЛГОТРЕЙДИНГ
шаг за шагом
с нуля по урокам!

Торговые роботы на PYTHON, BackTrader,
Pandas, Pine Script для TradingView. Связка с брокерами, телеграм и легкими приложениями.


МИНИСТЕРСТВО ВНУТРЕННИХ ДЕЛ РОССИЙСКОЙ ФЕДЕРАЦИИ

ГЛАВНОЕ УПРАВЛЕНИЕ ВНЕВЕДОМСТВЕННОЙ ОХРАНЫ

ПОВЫШЕНИЕ ИМИТОСТОЙКОСТИ
СПИ «ФОБОС»

РЕКОМЕНДАЦИИ

Р 78.36.015-2003

МОСКВА 2003

Данный документ разработан сотрудниками НИЦ «Охрана» и утвержден начальником ГУВО МВД России полковником милиции М.И. Суходольским 13 марта 2003 года.

Введение

Основным недостатком используемых во вневедомственной охране систем централизованного наблюдения (СЦН) является их незащищенность от преднамеренной подмены оконечного оборудования вне охраняемого объекта.

Целью настоящих рекомендаций является оказание помощи подразделениям вневедомственной охраны и специалистам служб безопасности в проведении работ по модернизации СПИ «Фобос» с целью повышения имитостойкости путем внедрения нового модуля узла центрального ретранслятора (УЦР-А) взамен ранее применяемого и использования устройства оконечного автоматизированного УО 059-5-1 «УО-А» и устройств оконечных серии «Редут».

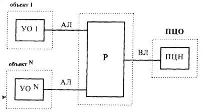
1 Структура построения СЦН с использованием абонентских линий, переключаемых на период охраны

В большинстве случаев существующие СЦН, использующие телефонную сеть для связи между разнесенными устройствами, имеют структуру, приведенную на рисунке 1.

АТС

УО - устройство оконечное; Р - ретранслятор; ПЦО - пункт централизованной охраны; ПЦН - пульт централизованного наблюдения; АЛ - абонентская линия; ВЛ - выделенная линия.

Рисунок 1

Устройства оконечные (УО), установленные на охраняемых объектах, через абонентские линии (АЛ) подключены к ретранслятору (Р) СЦН. Ретранслятор выполняет циклический опрос состояний подключенных на охрану УО и, при изменении этих состояний, формирует соответствующие извещения для передачи их на пульт централизованного наблюдения (ПЦН). Извещения от ретранслятора на ПЦН передаются по выделенным линиям связи (ВЛ).

Такую структуру построения имеют системы «Фобос», «Центр-КМ», «Нева-10М», использующие для сбора и контроля за состоянием шлейфов сигнализации абонентские линии городской телефонной сети, переключаемые на период охраны.

Как известно, в СПИ «Фобос», оценка состояния охраняемого направления осуществляется путем измерения величины постоянного тока, протекающего через абонентскую линию и шлейф сигнализации. Такое измерение осуществляется в ретрансляторе системы с помощью четырехуровнего компаратора, на выходе которого формируются сигналы одного из возможных состояний охраняемого направления: «Норма», «Тревога», «Авария», «Замыкание». Преднамеренная подмена УО с имитатором шлейфа вне охраняемого объекта системой не распознается.

Один из возможных путей повышения имитостойкости систем, использующих указанный принцип оценки состояния объектов, является увеличение точности измерения величины постоянного тока.

Для повышения имитостойкости СПИ «Фобос» в 1998 году организован серийный выпуск ретрансляторов с новым узлом центральным ретранслятора (УЦР-А), удовлетворяющим указанным требованиям.

С его помощью производится оценка суммарного сопротивления шлейфа сигнализации и абонентской линии по каждому направлению с точностью не хуже 200 Ом и выдачей сигнала «Тревога» при скачкообразном изменении этого сопротивления за указанные пределы.

В настоящих рекомендациях приводится перечень мероприятий для повышения имитостойкости выпущенных до 1998 года СПИ «Фобос» и СПИ «Фобос-А», выпускаемых в настоящее время.

2 Рекомендации по проведению мероприятий

2.1 Модернизация СПИ 040539-100/300-1 «Фобос»

Модернизация СПИ 040539-100/300-1 «Фобос», выпущенной до 1998 года и эксплуатируемой в составе с пультом централизованного наблюдения ПЦН 049-300-1, сводятся к замене модуля УЦР на модуль УЦР-А. Замена модуля не требует дополнительных регулировочных настроек в системе. Установка модуля УЦР-А не изменяет порядок работы операторов пульта управления.

Замену модуля УЦР проводить при выключенном напряжении питания ретранслятора в согласованном с дежурным пульта управления порядке, принятом при проведении регламентных работ или ремонте.

2.2 Мероприятия, проводимые на объекте

Мероприятия, проводимые на объекте, заключаются в замене точного (4,32 к ± 1 %) резистора подключаемого в ШС устройства оконечного УО 059-1-1 на резистор, величина сопротивления которого может лежать в пределах от 3,3 до 5,6 кОм. Предварительно, до установки на объект, на резисторе должна быть устранена маркировка номинала сопротивления. Удаление маркировки может производиться любым способом без нарушения проводящего слоя. Необходимый комплект резисторов, устанавливаемых в шлейф сигнализации, входит в комплект поставки на устройство оконечное (УО).

3 Перспективы и методы повышения имитостойкости СПИ «Фобос»

Принципиально вопрос о повышении имитостойкости можно решить путем введения индивидуального кодирования сигналов, поступающих от УО к ретранслятору, по каждому охраняемому направлению.

В настоящее время для СПИ «Фобос» с ручной тактикой взятия/снятия объектов под охрану серийно выпускается устройство оконечное «Редут-1». УО такого типа формирует случайным образом индивидуальный код УО при взятии объекта под охрану и постоянно контролируется системой.

При изменении индивидуального кода в составе телеграмм, поступающих от УО (что возможно при замене УО на аналогичный), системой будет сформировано тревожное сообщение.

Следует отметить, что применение устройства «Редут-1» не потребует дополнительной доработки ретранслятора СПИ «Фобос», если ранее в нем был установлен модуль УЦР-А и на имеющихся в ретрансляторе платах УЛК имеются переключатели типа DP-10.

3.1 Доработка ретранслятора

При внедрении и эксплуатации устройств оконечных «Редут-1» в составе СПИ «Фобос» выпуска до 1999 г. при подключении устройства на используемом направлении необходимо - в плате УЛК выпуска до 1999 г., в соответствии со схемой электрической принципиальной (Дв5.281.003 ЭЗ) и сборочным чертежом (ЕИЯГ.687245.001 СБ) платы УЛК удалить конденсаторы С5 (К53-14 емкостью 10 мкФ) и С6 (К10-7В емкостью 68 нФ). Ячейка узла линейных комплектов показана на рисунке 1. Удаляемые конденсаторы выделены штриховкой.

Рисунок 2

При эксплуатации устройства оконечного «Редут-1» в составе СПИ «Фобос» выпуска после 1999 г. при подключении устройства на используемом направлении необходимо в плате УЛК (с установленными на платах переключателями) установить движок переключателя в положение OFF.

При эксплуатации устройств оконечных УО 059-1-1 движок переключателя должен быть установлен в положение ON.

При проведении ремонта плат модулей УЛК техническому персоналу необходимо на вновь устанавливаемых в ретранслятор на замену платах УЛК удалить конденсаторы К53-14 емкостью 10 мкФ (С5) и К10-7 В емкостью 68 нФ (С6) или установить движок переключателя в положение OFF на тех направлениях, где они существовали ранее на заменяемых платах УЛК.

4 Модернизация СПИ «Фобос» в автоматизированный вариант системы «Фобос-А»

Модернизация СПИ «Фобос» в автоматизированный вариант системы «Фобос-А» обеспечивает имитостойкость системы при использовании в качестве объектового оборудования серию имитостойких устройств оконечных типа «УО-А», «Редут-1», «Редут-1С».

Состав оборудования, необходимого для проведения модернизации, приведен в таблице 1.

Таблица 1

Наименование оборудования

Кол-во

Примечание

1 Устройство оконечное автоматизированное

УО 059-5-1 «УО-А» ЕИЯГ.425633.001

 

Количество может быть любым от 1 до 120 на один ретранслятор

2. АРМ ДПУ/ПК в составе:

*

 

2.1 Персональный компьютер

1 шт.

 

2.2 Устройство сопряжения ретранслятор - ЭВМ

ЕИЯГ.687243.007

1 шт.

 

2.3 Кабель ЕИЯГ.685632.001

1 шт.

Обеспечивает связь между выделенной линией связи с ретранслятором, платой сопряжения и ЭВМ

2.4 Комплект программных средств на одно рабочее место ДПУ, в том числе:

 

 

АРМ ДПУ

2 дискеты

 

АРМ АБД

1 дискета

 

АРМ АС

2 дискеты

 

ключ защиты ПО

1 шт.

 

3 Плата УЦР-А ЕИЯГ.687245.015

1 шт.

Устанавливается в каждый ретранслятор, если планируется применение УО-А

4 Плата УФ-А ЕИЯГ.687245.016

1 шт.

Устанавливается только в «ведущий» ретранслятор

* Персональный компьютер должен иметь следующие характеристики:

- IBM совместимый компьютер с процессором Pentium 100 и выше;

- ОЗУ емкостью не менее 8 Мбайт;

- ОС MS-DOS версии 6.22 или Microsoft Windows 95/98 с эмуляцией ОС MS-DOS;

- свободный последовательный СОМ-порт.

Пульт оператора заменяется на автоматизированное рабочее место дежурного пульта управления с реализацией функций оператора на персональном компьютере (АРМ ДПУ/ПК)

4.1 Подготовка к работе

4.1.1 Перед установкой системы и её составных частей необходимо ознакомиться с руководством по эксплуатации на систему и руководствами по эксплуатации на её составные части. Установку составных частей системы производить согласно порядку установки, приведенному в руководствах по эксплуатации на составные части системы, и в соответствии с приложением А.

4.1.2 Установить плату сопряжения в системный блок ЭВМ. Перед установкой платы в системный блок его необходимо отключить от сети питания.

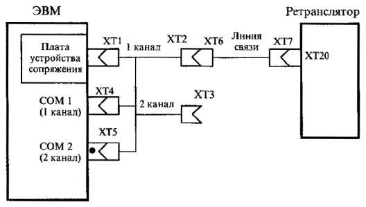
4.1.3 Подключить внешние линии связи между ретранслятором и ЭВМ в соответствии со схемой, приведенной в приложении Б.

4.1.4 Включить ретранслятор, ЭВМ и произвести запуск драйвера последовательного порта phobos.exe на последовательный порт СОМ1 или COM2 согласно порядка, указанного в документе «Автоматизированное рабочее место дежурного пульта управления системы передачи извещений «Фобос» с реализацией функций оператора на персональном компьютере (АРМ ДПУ/ПК). Руководство по эксплуатации».

Примечание. Установку номера последовательного порта обмена COM1 или COM2 определяет пользователь.

4.1.5 После запуска драйвера на устройстве должны попеременно включаться индикаторы HL1, HL3 или HL2, HL4.

4.1.6 При установке номера порта обмена должно соблюдаться следующее подключение разъемов ХТ2, ХТ3 соединительного кабеля к линии связи с ретранслятором:

1) 1 канал: СОМ1 - ХТ2 к линии связи;

2) 2 канал: COM2 - ХТ3 к линии связи.

При работе системы обмен информацией между ретранслятором и ЭВМ осуществляется только по одному каналу связи, при этом второй канал связи находится в резерве.

4.1.7 Заменить плату УЦР на УЦР-А в ретрансляторах, к которым будут подключаться устройства оконечные автоматизированные УО 059-5-1 («УО-А») и устройства оконечные серии «Редут».

4.1.8 При установке УО-А или УО серии «Редут» на подключенном направлении в ретрансляторе, в плате УЛК выпуска до 31.12.1998 г., необходимо в соответствии со схемой электрической принципиальной (Дв5.281.003 ЭЗ) и сборочным чертежом (ЕИЯГ.687245.001 СБ) платы УЛК удалить конденсаторы К53-14 емкостью 10 мкФ и К10-7В емкостью 68 нФ, соответствующие выбранному направлению (например, С5 и С6 для направлений 00, 20, 40, ..., 100). Если плата УЛК выпуска после 01.01.1999 г., то необходимо перевести переключатель на переднем крае платы в положение, при котором конденсаторы отключены (например, S1.1 для направлений 00, 20, 40, ..., 100).

4.1.9 Произвести на охраняемом объекте замену устройства оконечного УО 059-1-1 на УО-А. Схема подключения УО-А приведена в приложении В.

После выполнения п.п. 4.1.1 - 4.1.9 СПИ может работать в полуавтоматическом режиме, когда заявка на взятие передается путем непосредственного общения по телефону с оператором ПЦО, а снятие производится автоматически путем набора кода на клавиатуре УО-А. Этот режим можно использовать на начальном этапе введения автоматизации, когда число УО-А не превышает 10, или при отсутствии возможности выделить коммутируемую телефонную линию с отдельным номером для автоматизированного приема заявки на взятие.

4.1.10 Заменить в «ведущем» ретрансляторе плату УФАМ на УФ-А.

4.1.11 Подключить к контактам 2, 10 ответного разъема ХТ20 «ведущего» ретранслятора выделенную абонентскую линию от кросса АТС согласно схемы, приведенной в приложении Г. При необходимости можно подключить вторую линию для передачи заявки на взятие к контактам 3, 12 ответного разъема ХТ20 «ведущего» ретранслятора согласно схемы, приведенной в приложении Г. Если ретранслятор выпуска до 31.12.1998 г., то перед подключением выделенных абонентских линий передачи заявки необходимо убедиться в наличии связей внутри ретранслятора в соответствии с таблицей 2.

Таблица 2

Номер контакта ответного разъема ХТ20 ведущего ретранслятора

Номер контакта разъема ХТ1 платы УФ-А

2

В28

10

В12

3

А24

12

А28

4.2 Порядок работы

Порядок работы осуществляется согласно методики, изложенной в соответствующих разделах руководства по эксплуатации на составные части системы:

«Автоматизированное рабочее место дежурного пульта управления системы передачи извещений «Фобос» с реализацией функций оператора на персональном компьютере (АРМ ДПУ/ПК). Руководство по эксплуатации»;

«Система передачи извещений «Фобос». Руководство по эксплуатации»;

«Устройство оконечное автоматизированное УО 059-5-1 «УО-А» Руководство по эксплуатации»;

«Ретранслятор системы передачи извещений «ФОБОС». Руководство по эксплуатации»;

«Устройство сопряжения ретранслятор-ЭВМ. Паспорт».

Приложение А

Структурная схема системы передачи извещений СПИ 01040539-120/900-1 «Фобос-А»

Примечания:

1 Ретранслятор1-Р04059-20/100-1/1, ретрансляторы2 ... 8-Р 04059-20/100-1.

2 В качестве объектового устройства подключают УО (см. приложение А) для работы с ручной тактикой взятия/снятия или УО-А для работы с автоматизированной тактикой.

Приложение Б

Схема соединения платы сопряжения с ретранслятором

Приложение В

Схема подключения внешних цепей к УО-А

Приложение Г

Схема подключения ретранслятора

* только для ретранслятора Р 04059-20/100-1/1

СОДЕРЖАНИЕ

Введение. 1

1 Структура построения СЦН с использованием абонентских линий, переключаемых на период охраны.. 1

2 Рекомендации по проведению мероприятий. 2

3 Перспективы и методы повышения имитостойкости СПИ «Фобос». 2

3.1 Доработка ретранслятора. 3

4 Модернизация СПИ «Фобос» в автоматизированный вариант системы «Фобос-А». 3

Приложение А. Структурная схема системы передачи извещений СПИ 01040539-120/900-1 «Фобос-А». 6

Приложение Б. Схема соединения платы сопряжения с ретранслятором.. 7

Приложение В. Схема подключения внешних цепей к УО-А.. 7

Приложение Г. Схема подключения ретранслятора. 8

 




Яндекс цитирования



   Copyright © 2007-2026,  www.tehlit.ru.

[ ѓосты, стандарты, нормативы, инструкции, правила, строительные нормы ]