//
ТехЛит.ру
- крупнейшая бесплатная электронная интернет библиотека для "технически умных" людей.
WWW.TEHLIT.RU - ТЕХНИЧЕСКАЯ ЛИТЕРАТУРА

:: Алготрейдинг::


АЛГОТРЕЙДИНГ
шаг за шагом
с нуля по урокам!

Торговые роботы на PYTHON, BackTrader,
Pandas, Pine Script для TradingView. Связка с брокерами, телеграм и легкими приложениями.


ФЕДЕРАЛЬНОЕ АГЕНТСТВО
ПО ТЕХНИЧЕСКОМУ РЕГУЛИРОВАНИЮ И МЕТРОЛОГИИ

НАЦИОНАЛЬНЫЙ СТАНДАРТ РОССИЙСКОЙ ФЕДЕРАЦИИ

ГОСТ Р
52322-2005

(МЭК 62053-21:2003)

Аппаратура для измерения
электрической энергии переменного тока
Частные требования

Часть 21

СТАТИЧЕСКИЕ СЧЕТЧИКИ
АКТИВНОЙ ЭНЕРГИИ
КЛАССОВ ТОЧНОСТИ 1 и 2

IEC 62053-21:2003

Electricity metering equipment (а. с.) -
Particular requirements -
Part 21:
Static meters for active energy (classes 1 and 2)
(MOD)

Москва

Стандартинформ

2005

Предисловие

Задачи, основные принципы и правила проведения работ по государственной стандартизации в Российской Федерации установлены ГОСТ Р 1.0-92 «Государственная система стандартизации Российской Федерации. Основные положения» и ГОСТ Р 1.2-92 «Государственная система стандартизации Российской Федерации. Порядок разработки государственных стандартов»

Сведения о стандарте

1 ПОДГОТОВЛЕН ОАО «НИИ Электромера», ОАО «Московский завод электроизмерительных приборов» на основе аутентичного перевода стандарта, указанного в пункте 4, который выполнен ОАО «НИИ Электромера»

2 ВНЕСЕН Техническим комитетом по стандартизации ТК 232 «Аппаратура для измерения электрической энергии и контроля нагрузки»

3 УТВЕРЖДЕН И ВВЕДЕН В ДЕЙСТВИЕ Приказом Федерального агентства по техническому регулированию и метрологии от 15 марта 2005 г. № 53-ст

4 Настоящий стандарт является модифицированным по отношению к международному стандарту МЭК 62053-21:2003 «Аппаратура для измерения электрической энергии (переменный ток). Частные требования. Часть 21. Статические счетчики активной энергии (классы точности 1 и 2)» (IEC 62053-21:2003 «Electricity metering equipment (a. c.) - Particular requirements - Part 21: Static meters for active energy (classes 1 и 2)»). При этом дополнительные и измененные положения, учитывающие потребности национальной экономики, выделены в тексте стандарта курсивом

5 ВВЕДЕН ВПЕРВЫЕ

Информация об изменениях к настоящему стандарту публикуется в указателе «Национальные стандарты», а текст изменений - в информационных указателях «Национальные стандарты». В случае пересмотра или отмены настоящего стандарта соответствующая информация будет опубликована в информационном указателе «Национальные стандарты»

СОДЕРЖАНИЕ

1. Область применения. 3

2. Нормативные ссылки. 3

3. Термины и определения. 3

4. Стандартные значения электрических величин. 3

5. Механические требования. 3

6. Климатические условия. 4

7. Электрические требования. 4

7.1. Потребляемая мощность. 4

7.2. Влияние кратковременных перегрузок током.. 4

7.3. Влияние самонагрева. 5

7.4. Испытание напряжением переменного тока. 5

8. Требования к точности. 6

8.1. Пределы погрешности, вызываемой изменением тока. 6

8.2. Пределы погрешности, вызываемой другими влияющими величинами. 7

8.3. Проверка начального запуска, стартового тока и отсутствия самохода. 10

8.4. Постоянная счетчика. 11

8.5. Условия проверки точности. 11

8.6. Интерпретация результатов испытаний. 12

9. Дополнительные требования. 12

9.1. Требования к импульсному выходному устройству. 12

Приложение А. Схема испытательной цепи для определения влияния постоянного тока, четных и нечетных гармоник, а также субгармоник. 13

Приложение В. Электромагнит для испытания на влияние внешних магнитных полей. 17

Библиография. 18

ГОСТ Р 52322-2005

(МЭК 62053-21:2003)

НАЦИОНАЛЬНЫЙ СТАНДАРТ РОССИЙСКОЙ ФЕДЕРАЦИИ

Аппаратура для измерения электрической энергии переменного тока

Частные требования

Часть 21

СТАТИЧЕСКИЕ СЧЕТЧИКИ АКТИВНОЙ ЭНЕРГИИ КЛАССОВ ТОЧНОСТИ 1 и 2

Electricity metering equipment (a. c.) - Particular requirements. Part 21. Static meters for active energy (classes 1 and 2)

Дата введения - 2005-07-01

в части счетчиков, разработанных до 1 июля 2005 г., - 2006-07-01

1. Область применения

Настоящий стандарт распространяется на статические (электронные) счетчики ватт-часов (далее - счетчики) классов точности 1 и 2 для измерения электрической активной энергии в сетях переменного тока частотой 50 или 60 Гц и устанавливает требования к изготовлению и испытаниям счетчиков.

Стандарт распространяется на счетчики, применяемые внутри помещения, и счетчики для наружной установки, содержащие измерительный элемент и счетный(е) механизм(ы), заключенные вместе в корпус счетчика. Он также распространяется на индикатор(ы) функционирования и испытательный(е) выход(ы). Если счетчик имеет измерительный элемент для энергии более чем одного вида (счетчики на энергию разных видов) либо если в корпус счетчика заключены другие функциональные элементы, такие как показатели максимума, электронные регистраторы тарифов, переключатели по времени, приемники дистанционного управления, интерфейсы передачи данных и т.д., то тогда применяют соответствующие стандарты или нормативные документы на эти элементы.

Стандарт не распространяется на:

а) счетчики ватт-часов с напряжением между зажимами свыше 600 В (линейное напряжение для многофазных счетчиков);

б) переносные счетчики;

в) интерфейсы к счетному механизму счетчика;

г) эталонные счетчики.

Приемочные испытания проводят по ГОСТ 25990.

Требования к надежности установлены в международных стандартах МЭК 62059-11 [1] и МЭК 62059-21 [2].

Требования к надежности и методика испытаний счетчиков на надежность должны быть установлены в технических условиях на счетчики конкретного типа. Средняя наработка до отказа не должна быть меньше межповерочного интервала.

2. Нормативные ссылки

В настоящем стандарте использованы нормативные ссылки на следующие стандарты:

ГОСТ 25990-83 Счетчики электрической активной энергии класса точности 2,0. Приемочный контроль

ГОСТ Р 52320-2005 (МЭК 62052-11:2003) Аппаратура для измерения электрической энергии переменного тока. Общие требования. Испытания и условия испытаний. Часть 11. Счетчики электрической энергии

Примечание - При пользовании настоящим стандартом целесообразно проверить действие ссылочных стандартов по указателю «Национальные стандарты», составленному по состоянию на 1 января текущего года, и по соответствующим информационным указателям, опубликованным в текущем году. Если ссылочный стандарт заменен (изменен), то при пользовании настоящим стандартом следует руководствоваться замененным (измененным) стандартом. Если ссылочный стандарт отменен без замены, то положение, в котором дана ссылка на него, применяют в части, не затрагивающей эту ссылку.

3. Термины и определения

В настоящем стандарте применены термины и определения по ГОСТ Р 52320.

4. Стандартные значения электрических величин

По ГОСТ Р 52320.

5. Механические требования

По ГОСТ Р 52320.

6. Климатические условия

По ГОСТ Р 52320.

7. Электрические требования

Дополнительно к ГОСТ Р 52320 счетчики должны удовлетворять следующим требованиям.

7.1. Потребляемая мощность

Потребляемая мощность в цепях напряжения и тока должна быть определена любым соответствующим методом в нормальных условиях, приведенных в 8.5. Суммарная максимальная погрешность измерений потребляемой мощности не должна превышать 5 %.

7.1.1. Цепи напряжения

Активная и полная потребляемая мощность в каждой цепи напряжения счетчика при номинальном напряжении, нормальной температуре и номинальной частоте не должна превышать значений, приведенных в таблице 1.

Таблица 1 - Потребляемая мощность в цепях напряжения для одно- и многофазных счетчиков, включая источник питания

Счетчик

Источник питания подсоединен к цепи напряжения

Источник питания не подсоединен к цепи напряжения

Цепь напряжения

2,0 Вт и 10,0 В · А

0,5 В · А

Вспомогательный источник питания

-

10,0 В · А

Примечания

1. Для согласования трансформаторов напряжения со счетчиками изготовитель должен указать, является ли нагрузка индуктивной или емкостной (только для трансформаторных счетчиков).

2. Приведенные значения являются средними. Допускаются импульсные источники питания с пиковыми значениями мощности, превышающими указанные, при этом необходимо обратить внимание на соответствие мощности трансформаторов напряжения, к которым подключается счетчик.

3. Для многофункциональных счетчиков см. МЭК 62053-61 [3].

7.1.2. Цепи тока

Полная мощность, потребляемая каждой цепью тока счетчика непосредственного включения при базовом токе, номинальной частоте и нормальной температуре, не должна превышать значений, приведенных в таблице 2.

Таблица 2 - Потребляемая мощность в цепях тока

Класс точности одно- и многофазного счетчика

1

2

Мощность, В · А

4,0

2,5

Примечания

1. Номинальный вторичный ток - это значение вторичного тока, указанного на трансформаторе тока, на котором основаны характеристики трансформатора. Стандартные значения максимального вторичного тока равны 120 %, 150 % и 200 % номинального вторичного тока.

2. Для согласования трансформаторов тока со счетчиками изготовитель должен указать, является нагрузка индуктивной или емкостной (только для трансформаторных счетчиков).

Полная мощность, потребляемая каждой цепью тока счетчика, включенного через трансформатор тока, не должна превышать значений, приведенных в таблице 2, при токе, равном номинальному вторичному току соответствующего трансформатора, при нормальной температуре и номинальной частоте счетчика.

7.2. Влияние кратковременных перегрузок током

Кратковременные перегрузки током не должны вызывать повреждения счетчика. Счетчик должен нормально функционировать при возвращении к своим начальным рабочим условиям, а изменение погрешности не должно превышать значений, приведенных в таблице 3.

Испытательная цепь должна быть практически безындуктивной. Испытание для многофазных счетчиков должно быть проведено поочередно для каждой фазы.

После воздействия кратковременных перегрузок током с подключенным напряжением на зажимах счетчик, находящийся только под напряжением, должен быть выдержан до достижения первоначальной температуры (около 1 ч).

а) Счетчик непосредственно включения

Счетчик должен выдерживать кратковременные перегрузки током, превышающим в 30 раз максимальный ток с допустимым отклонением от 0 % до минус 10 % в течение одного полупериода при номинальной частоте.

б) Счетчик, предназначенный для включения через трансформатор тока

Счетчик должен выдерживать в течение 0,5 с ток, превышающий в 20 раз максимальный ток с допустимым отклонением от 0 % до минус 10 %.

Примечание - Это требование не относится к счетчикам, имеющим коммутирующие контакты в цепях тока. В этом случае следует учитывать требования соответствующего стандарта.

Таблица 3 - Изменения погрешности, вызываемые кратковременными перегрузками током

Включение счетчика

Значение тока

Коэффициент мощности

Пределы изменения погрешности, %, для счетчиков класса точности

1

2

Непосредственное

Iб

1

1,5

1,5

Через трансформаторы тока

Iном

1

0,5

1,0

7.3. Влияние самонагрева

Изменение погрешности, вызываемое самонагревом при токе Iмакс, не должно превышать значений, приведенных в таблице 4.

Таблица 4 - Изменение погрешности, вызываемое самонагревом

Коэффициент мощности

Пределы изменения погрешности, %, для счетчиков класса точности

1

2

1,0

0,7

1,0

0,5 (при индуктивной нагрузке)

1,0

1,5

Испытание должно быть проведено следующим образом: цепи напряжения включают под напряжение, равное номинальному, не менее чем на 2 и 1 ч для счетчиков классов точности 1 и 2 соответственно при обесточенных цепях тока. Затем цепи тока нагружают максимальным током.

Погрешность счетчика должна быть измерена при коэффициенте мощности, равном 1, сразу после приложения тока и затем через промежутки времени, достаточно короткие для точного построения кривой изменения погрешности в зависимости от времени. Испытание следует проводить в течение, по крайней мере, 1 ч и до тех пор, пока изменение погрешности в течение 20 мин не будет превышать 0,2 %.

Такое же испытание должно быть проведено затем при коэффициенте мощности, равном 0,5 (при индуктивной нагрузке).

Кабель, используемый для подачи питания на счетчики, должен иметь длину примерно 1 м и такое поперечное сечение, чтобы плотность тока была в диапазоне 3,2 - 4,0 А/мм2.

7.4. Испытание напряжением переменного тока

Испытание счетчиков напряжением переменного тока следует проводить в соответствии с таблицей 5.

Таблица 5 - Испытание напряжением переменного тока

Испытание

Класс защиты счетчика

Среднеквадратическое значение испытательного напряжения, кВ

Точки приложения испытательного напряжения

А

I

2

а) Между всеми цепями тока и напряжения, а также вспомогательными цепями с номинальным напряжением выше 40 В, соединенными вместе, с одной стороны, и «землей» - с другой стороны

2

б) Между цепями, которые не предполагается соединять вместе во время работы

Б

II

4

а) Между всеми цепями тока и напряжения, а также вспомогательными цепями с номинальным напряжением выше 40 В, соединенными вместе, с одной стороны, и «землей» - с другой стороны

2

б) Между цепями, которые не предполагается соединять вместе во время работы

-

в) Визуальный контроль на соответствие требованиям 5.7 ГОСТ Р 52320

Испытательное напряжение должно быть практически синусоидальным частотой 45 - 65 Гц и должно быть приложено в течение 1 мин. Выходная мощность источника испытательного напряжения должна быть не менее 500 В · А.

Во время испытаний относительно «земли» вспомогательные цепи с номинальным напряжением 40 В или ниже должны быть соединены с «землей».

Испытания необходимо проводить при закрытом корпусе счетчика и установленных кожухе и крышках зажимов.

Испытания необходимо проводить при закрытом корпусе счетчика, а при испытаниях с целью утверждения типа, кроме того, и при установленной крышке зажимов.

Во время испытаний не должно быть искрения, пробивного разряда или пробоя.

8. Требования к точности

Испытания и условия испытаний приведены в ГОСТ Р 52320.

8.1. Пределы погрешности, вызываемой изменением тока

В нормальных условиях, приведенных в 8.5, допускаемые основные погрешности счетчика не должны превышать пределов для соответствующего класса точности, установленных в таблицах 6 и 7.

Если счетчик предназначен для измерения энергии в двух направлениях, значения, установленные в таблицах 6 и 7, действительны для каждого направления.

Таблица 6 - Пределы допускаемой основной погрешности (для одно- и многофазных счетчиков с симметричными нагрузками)

Значение тока для счетчиков

Коэффициент мощности

Пределы допускаемой основной погрешности, %, для счетчиков класса точности

с непосредственным включением

включаемых через трансформатор

1

2

0,05 Iб £ I < 0,10 Iб

0,02 Iном £ I < 0,05 Iном

1,00

± 1,5

± 2,5

0,10 Iб £ I £ Iмакс

0,05 Iном £ I £ Iмакс

± 1,0

± 2,0

0,10 Iб £ I < 0,20 Iб

0,05 Iном £ I <0,10 Iном

0,50 (при индуктивной нагрузке)

± 1,5

± 2,5

0,80 (при емкостной нагрузке)

-

0,20 Iб £ I £ Iмакс

0,10 Iном £ I £ Iмакс

0,50 (при индуктивной нагрузке)

± 1,0

± 2,0

0,80 (при емкостной нагрузке)

-

По требованию потребителя:

0,25 (при индуктивной нагрузке)

± 3,5

-

0,20 Iб £ I £ Iб

0,10 Iном £ I £ Iном

0,50 (при емкостной нагрузке)

± 2,5

Таблица 7 - Пределы допускаемой основной погрешности (для многофазных счетчиков с однофазной нагрузкой при симметрии многофазных напряжений, приложенных к цепям напряжения)

Значение тока для счетчиков

Коэффициент мощности

Пределы допускаемой основной погрешности, %, для счетчиков класса точности

с непосредственным включением

включаемых через трансформатор

1

2

0,10 Iб £ I < Iмакс

0,05 Iном £ I < Iмакс

1,0

± 2,0

± 3,0

0,20 Iб £ I £ Iмакс

0,10 Iном £ I £ Iмакс

0,5 (при индуктивной нагрузке)

± 2,0

± 3,0

Разность между значениями погрешности при однофазной нагрузке счетчика и при симметричной многофазной нагрузке при базовом токе I6 и коэффициенте мощности, равном 1, для счетчиков с непосредственным включением и при номинальном токе Iном и коэффициенте мощности, равном 1, для счетчиков, включаемых через трансформатор, не должна превышать 1,5 % и 2,5 % для счетчиков классов точности 1 и 2 соответственно.

Примечание - При испытании на соответствие требованиям таблицы 7 испытательный ток должен подаваться в цепь тока каждого измерительного элемента поочередно.

8.2. Пределы погрешности, вызываемой другими влияющими величинами

Дополнительная погрешность, вызываемая изменением влияющих величин по отношению к нормальным условиям, приведенным в 8.5, не должна превышать пределов для соответствующего класса точности, установленных в таблице 8.

Таблица 8 - Влияющие величины

Влияющая величина

Значение тока (при симметричной нагрузке, если не оговорено особо) для счетчиков

Коэффициент мощности

Класс точности счетчика

с непосредственным включением

включаемых через трансформатор

1

2

Изменение температуры окружающего воздуха1)

0,1 Iб £ I £ Iмакс

0,05 Iном £ I £ Iмакс

1,0

Средний температурный коэффициент, % / К, не более

0,05

0,10

0,2 Iб £ I £ Iмакс

0,1 Iном £ I £ Iмакс

0,5 (при индуктивной нагрузке)

0,07

0,15

Изменение напряжения ± 10 %2), 3)

0,05 Iб £ I £ Iмакс

0,02 Iно £ I £ Iмакс

1,0

 

 

 

Пределы дополнительной погрешности, %

0,70

1,00

0,10 Iб £ I £ Iмакс

0,05 Iном £ I £ Iмакс

0,5 (при индуктивной нагрузке)

1,00

1,50

Изменение частоты ± 2 % 3)

0,05 Iб £ I £ Iмакс

0,02 Iном £ I £ Iмакс

1,0

0,50

0,80

0,10 Iб £ I £ Iмакс

0,05 Iном £ I £ Iмакс

0,5 (при индуктивной нагрузке)

0,70

1,00

Обратный порядок следования фаз

0,10 Iб

0,10 Iном

1

1,5

Несимметрия напряжения4)

Iб

Iном

2,0

4,0

Гармоники в цепях тока и напряжения5)

0,5 Iмакс

0,5 Iмакс

0,8

1,0

Постоянная составляющая и четные гармоники в цепи переменного тока 7)

-

3,0

6,0

Нечетные гармоники в цепи переменного тока 5)

0,5 Iб6)

0,5 Iном6)

Субгармоники в цепи переменного тока 5)

Постоянная магнитная индукция внешнего происхождения 5)

Iб

Iном

2,0

3,0

Магнитная индукция внешнего происхождения 0,5 мТл8)

Радиочастотные электромагнитные поля

Iб

Iном

Функционирование вспомогательных частей 9)

0,05 Iб

0,05 Iном

 

0,5

1,0

Кондуктивные помехи, наводимые радиочастотными полями

Iб

Iном

2,0

3,0

Наносекундные импульсные помехи

Iб

Iном

4,0

6,0

Устойчивость к колебательным затухающим помехам 10)

-

Iном

1

Пределы дополнительной погрешности, %

2,0

3,0

1) Средний температурный коэффициент необходимо определять для всего рабочего диапазона. Рабочий температурный диапазон следует разделить на поддиапазоны по 20 К. Затем средний температурный коэффициент нужно определять путем проведения измерений для этих поддиапазонов: 10 К выше и 10 К ниже середины поддиапазона. Во время проведения испытания температура ни в коем случае не должна выходить за пределы указанного рабочего диапазона.

2) Для диапазонов напряжения от минус 20 % до минус 10 % и от плюс 10 % до плюс 15 % пределы дополнительной погрешности могут в три раза превышать значения, приведенные в таблице. При напряжении ниже 0,8 Uном погрешность счетчика может меняться от плюс 10 % до минус 100 %.

3) Рекомендуется проводить испытание при Iб для счетчиков с непосредственным включением и при Iном для счетчиков, включаемых через трансформатор.

4) Многофазные счетчики с тремя измерительными элементами должны измерять энергию и регистрировать показания в пределах граничных значений дополнительной погрешности, представленных в таблице, если прерываются:

- в трехфазной четырехпроводной сети - одна или две фазы;

- в трехфазной трехпроводной сети (если счетчик предназначен для такой работы) - одна из трех фаз.

Это относится только к прерываниям фаз и не относится, например, к таким случаям, как перегорание предохранителей трансформаторов.

5) Условия испытаний приведены в 8.2.1 - 8.2.4.

6) Коэффициент искажения формы кривой напряжения должен быть не более 1 %.

Условия испытаний приведены в 8.2.2.

7) Это испытание не распространяется на счетчики, работающие от трансформатора. Условия испытания приведены в приложении А, пункт А.1.

8) Магнитная индукция внешнего происхождения 0,5 мТл, создаваемая током частоты, одинаковой с частотой подаваемого на счетчик напряжения, и при наиболее неблагоприятных фазе и направлении не должна вызывать дополнительную погрешность, превышающую значение, установленное в таблице. Магнитная индукция может быть создана путем помещения счетчика в центр круглой катушки средним диаметром 1 м прямоугольного поперечного сечения, небольшой радиальной толщиной по сравнению с диаметром и имеющей 400 ампер-витков.

9) Вспомогательную часть внутри корпуса счетчика, (например, электромагнит многотарифного счетного механизма) включают под напряжение прерывисто.

Желательно, чтобы присоединение к вспомогательной части маркировалось для обеспечения правильного его подключения. Если эти подключения выполнены с помощью штепсельных вилок и розеток, то должна быть предусмотрена защита от возможности неправильного подключения счетчика.

Однако при наличии подобных маркировок или соединений, обеспечивающих защиту от возможностей неправильного подключения счетчика, дополнительная погрешность не должна превышать указанную в таблице, если счетчик испытывается с соединениями, создающими наиболее неблагоприятное условие.

10) Это испытание относится только к счетчикам, включенным через трансформатор.

Проверку дополнительной погрешности, вызываемой одной из влияющих величин, следует проводить независимо от всех других влияющих величин, находящихся в нормальных условиях, согласно таблице 11.

8.2.1. Проверка точности при наличии гармоник

Условия испытаний:

- ток основной частоты I1 = 0,5 Iмакс;

- напряжение основной частоты U = Uном;

- коэффициент мощности основной частоты 1;

- напряжение пятой гармоники U5 = 10 % Uном;

- ток пятой гармоники I5 = 40 % тока основной частоты;

- коэффициент мощности гармоники 1;

- напряжения основной и высших гармоник находятся в фазе при пересечении положительного нулевого уровня.

Активная мощность пятой гармоники равна

Р5 = 0,1 U1 ´ 0,4 I1 =0,04 Р1.                                             (1)

Суммарная активная мощность основной и высших гармоник составляет 1,04 Р1.

8.2.2. Испытания на влияние нечетных гармоник и субгармоник

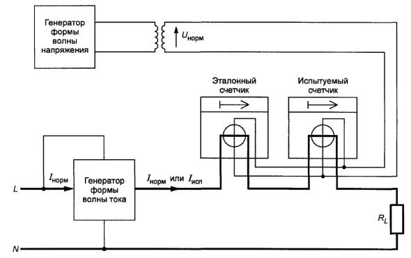
Испытание необходимо проводить, используя схему, приведенную на рисунке А.4, или другие средства, способные генерировать ток требуемой формы, как показано на рисунках А.5 и А.7 соответственно.

Дополнительная погрешность, когда счетчик подвергается испытаниям током, форма которого определена на рисунках А.5 и А.7, и током нормальной (синусоидальной) формы, не должна превышать пределов, указанных в таблице 8.

Примечание - Значения, указанные на рисунках, только для частоты 50 Гц. Для других частот эти значения нужно соответственно изменять.

8.2.3. Испытания на влияние постоянной составляющей и четных гармоник

Испытание необходимо проводить, используя схему, приведенную на рисунке А.1, или другие средства, способные генерировать ток требуемой формы, как показано на рисунке А.2.

Дополнительная погрешность, когда счетчик подвергается испытаниям током, форма которого определена на рисунке А.2, и током нормальной (синусоидальной) формы, не должна превышать пределов, указанных в таблице 8.

Примечание - Значения, указанные на рисунках, только для частоты 50 Гц. Для других частот эти значения нужно соответственно изменять.

8.2.4. Постоянная магнитная индукция внешнего происхождения

Постоянная магнитная индукция может быть создана с помощью электромагнита (согласно приложению В), по которому проходит постоянный ток. Это магнитное поле должно быть приложено ко всем доступным для прикосновения поверхностям счетчика, установленного в нормальное рабочее положение. Значение приложенной магнитодвижущей силы должно быть 1000 ампер-витков.

8.3. Проверка начального запуска, стартового тока и отсутствия самохода

Условия испытаний и значения влияющих величин должны соответствовать 8.5 со следующими дополнениями.

8.3.1. Начальный запуск счетчика

Счетчик должен функционировать не позднее чем через 5 с после того, как к его зажимам будет приложено номинальное напряжение.

8.3.2. Проверка без тока нагрузки (отсутствие самохода)

После приложения напряжения при отсутствии тока в цепи тока испытательный выход счетчика не должен создавать более одного импульса.

Для этого испытания цепь тока должна быть разомкнутой, а к цепям напряжения должно быть приложено напряжение, равное 115 % номинального значения.

Минимальный период испытания Dt, мин, должен составлять:

- для счетчиков класса точности 1

                                                     (2)

- для счетчиков класса точности 2

                                                     (3)

где k - число импульсов выходного устройства счетчика на 1 кВт · ч, [(имп/(кВт · ч))];

т - число измерительных элементов;

Uном - номинальное напряжение, В;

Iмакс - максимальный ток, А.

Для трансформаторных счетчиков постоянная k должна соответствовать значениям вторичных величин (токов и напряжений).

8.3.3. Проверка стартового тока (чувствительности)

Счетчик должен начать и продолжать регистрировать показания при значениях тока (а в случае многофазных счетчиков - при симметричной нагрузке), установленных в таблице 9.

Если счетчик предназначен для измерения энергии в двух направлениях, то это испытание должно быть проведено для каждого направления.

Таблица 9 - Стартовые токи

Включение счетчика

Класс точности счетчика

Коэффициент мощности

1

2

Непосредственное

0,004 I6

0,005 I6

1

Через трансформаторы тока

0,002 Iном

0,003 Iном

8.4. Постоянная счетчика

Связь между количеством импульсов, формируемых на испытательном выходе, и показанием на дисплее должна соответствовать маркировке на щитке.

8.5. Условия проверки точности

Проверку точности проводят при соблюдении следующих условий:

а) счетчик должен быть испытан с установленным кожухом. Все части, требующие заземления, должны быть заземлены;

б) до проведения любых испытаний цепи должны быть под напряжением в течение времени, достаточного для достижения тепловой стабильности;

в) дополнительно для многофазных счетчиков:

- порядок следования фаз должен соответствовать указанному на схеме подключений счетчика,

- напряжения и токи должны быть практически симметричными в соответствии с требованиями таблицы 10;

г) нормальные условия указаны в таблице 11;

д) требования к испытательному оборудованию должны соответствовать МЭК 60736 [4].

Таблица 10 - Требования к симметрии токов и напряжений

Напряжение и ток многофазных счетчиков

Допускаемые отклонения для счетчиков классов точности 1 и 2

Напряжения между фазой и нейтралью, а также между любыми двумя фазами не должны отличаться от соответствующего среднего значения более чем на

± 1 %

Токи в токовых цепях не должны отличаться от среднего значения более чем на

± 2 %

Значения сдвига фаз для каждого их этих токов от соответствующих напряжений между фазой и нейтралью, независимо от фазового угла, не должны отличаться друг от друга более чем на

Таблица 11 - Нормальные условия

Влияющая величина

Нормальное значение

Допускаемое отклонение для счетчиков класса точности

1

2

Температура окружающего воздуха

Нормальная температура или, если она не установлена, 23 °С1)

± 2 °С

Напряжение

Номинальное напряжение

± 1,0 %

Частота

Номинальная частота

± 0,3 %

± 0,5 %

Порядок следования фаз

LI - L2 - L3

-

Несимметрия напряжения

Все фазы подключены

-

Форма кривой (постоянный ток и четные гармоники, нечетные гармоники и субгармоники)

Синусоидальные напряжения и токи

Коэффициент искажения менее:

2 %

3 %

Постоянная магнитная индукция внешнего происхождения

0

-

Магнитная индукция внешнего происхождения при номинальной частоте

0

Значение индукции, которое создает изменение погрешности, не более:

± 0,2 %

± 0,3 %

но которое в любом случае должно быть не более 0,05 мТл2)

Радиочастотные электромагнитные поля, от 30 кГц до 2 ГГц

0

Менее 1 В/м

Функционирование вспомогательных частей

Отсутствие функционирования вспомогательных частей

-

Кондуктивные помехи, наводимые радиочастотными полями, от 150 кГц до 80 МГц

0

Менее 1 В

1) Если испытания проводят при температуре, отличающейся от нормальной температуры с учетом допускаемых отклонений, то результаты должны быть скорректированы введением соответствующего температурного коэффициента счетчика.

2) Испытание состоит:

а) для однофазного счетчика - из определения погрешностей сначала счетчика, нормально присоединенного к сети, а затем при изменении на обратное присоединение цепей тока, а также цепей напряжения. Половина разности между двумя значениями погрешности представляет собой значение изменения погрешности. Так как фаза внешнего поля неизвестна, испытание следует проводить при токе 0,1 Iб, соответственно 0,05 Iном, и коэффициенте мощности, равном 1, а также при токе 0,2 Iб, соответственно 0,1 Iном, и коэффициенте мощности, равном 0,5;

б) для трехфазного счетчика - из проведения трех измерений при токе 0,1 %, соответственно 0,05 Iном, и коэффициенте мощности, равном 1, после каждого из которых присоединения к цепям тока и напряжения переключают, создавая сдвиг фаз на 120°, но без изменения порядка следования фаз. Наибольшую разность между значениями каждой из погрешностей, определенных таким образом, и их средним значением принимают за значение изменения погрешности.

8.6. Интерпретация результатов испытаний

Из-за недостоверности измерений и других причин, оказывающих влияние на результаты измерений, некоторые результаты испытаний могут оказаться вне допустимых пределов, приведенных в таблицах 6 и 7. Однако если путем перемещения оси абсцисс параллельно самой себе на значение не более установленного в таблице 12 все результаты испытаний приходят в соответствие с пределами, установленными в таблицах 6 и 7, счетчик считают годным.

Таблица 12 - Интерпретация результатов испытаний

Класс точности счетчика

1

2

Допускаемое перемещение оси абсцисс, %

0,5

1,0

9. Дополнительные требования

Дополнительно к требованиям, установленным в ГОСТ Р 52320 (раздел 9), счетчики должны удовлетворять следующим требованиям.

9.1. Требования к импульсному выходному устройству

Импульсное выходное устройство должно иметь два состояния, отличающиеся импедансом выходной цепи.

В состоянии «замкнуто» сопротивление выходной цепи передающего устройства должно быть не более 200 Ом, в состоянии «разомкнуто» - не менее 50 кОм.

Предельно допустимое значение тока, которое должна выдерживать выходная цепь передающего устройства в состоянии «замкнуто», должно быть не менее 30 мА.

Предельно допустимое значение напряжения на выходных зажимах передающего устройства в состоянии «разомкнуто» должно быть не менее 24 В.

Действительное значение сопротивления выходной цепи передающего устройства следует определять соответственно как частное от деления остаточного падения напряжения на предельно допустимый ток и предельно допустимого напряжения на остаточный ток.

Методы измерения остаточного падения напряжения и остаточного тока должны быть установлены в технических условиях на счетчики конкретного типа.

Приложение А

(обязательное)

Схема испытательной цепи для определения влияния постоянного тока, четных и нечетных гармоник, а также субгармоник

Примечание - Значения, приведенные на рисунках А.2, А.3 и А.5 - А.8, даны только для частоты 50 Гц. Для других частот эти значения нужно соответственно изменять.

А.1. Однополупериодное выпрямление (постоянный ток и четные гармоники)

Рисунок А.1 - Схема испытательной цепи для однополупериодного выпрямления

Примечания

1. Для обеспечения точности измерения компенсирующий импеданс должен быть равен импедансу испытуемого счетчика.

2. Компенсирующий импеданс может для удобства заменяться счетчиком того же типа, что и испытуемый счетчик.

3. Выпрямительные диоды должны быть одного типа.

4. Для улучшения условий симметрии в оба участка цепи может быть введен дополнительный резистор R. Значение его сопротивления должно быть приблизительно в 10 раз больше сопротивления испытуемого счетчика.

Рисунок А.2 - Форма тока при однополупериодном выпрямлении

Рисунок А.3 - Распределение гармоник при однополупериодном выпрямлении (анализ Фурье не завершен)

А.2. Фазовое управление (нечетные гармоники)

Рисунок А.4 - Схема испытательной цепи (справочная)

Примечание - Эталонный счетчик должен измерять суммарную активную энергию (основной и высших гармоник) при наличии гармоник.

Включение на 5 и 15 мс

Рисунок А.5 - Форма тока при фазовом управлении

Рисунок А.6 - Распределение гармоник при фазовом управлении (анализ Фурье не завершен)

А.3. Управление «пачками периодов» (субгармоники)

Схему испытательной цепи см. на рисунке А.4.

Испытательный цикл: два периода «включено» / два периода «выключено»

Рисунок А.7 - Форма тока при управлении «пачками периодов»

Рисунок А.8 - Распределение гармоник (анализ Фурье не завершен)

Приложение В

(обязательное)

Электромагнит для испытания на влияние внешних магнитных полей

Для определения влияния внешних магнитных полей используют электромагнит, приведенный на рисунке В.1.

Примеры обмотки: 500 витков проволоки диаметром 0,6 мм, сечением 0,28 мм или 1000 витков проволоки диаметром 0,4 мм, сечением 0,126 мм2. Удельные потери 1 Вт/кг.

Рисунок В.1 - Электромагнит для испытания на влияние внешних магнитных полей

Библиография

[1] МЭК 62059-11:2002 Аппаратура для измерения электрической энергии (переменный ток). Надежность. Часть 11. Общие положения

Electricity metering equipment (a. c.) - Dependability - Part 11: General concepts

[2] МЭК 62059-21:2002 Аппаратура для измерения электрической энергии (переменный ток). Надежность. Часть 21. Сбор данных о надежности счетчика в условиях эксплуатации

Electricity metering equipment (a. c.) - Dependability - Part 21: Collection of meter dependability data from the field

[3] МЭК 62053-61:1998 Аппаратура для измерения электрической энергии (переменный ток). Частные требования. Часть 61. Требования к напряжению и потребляемой мощности

Electricity metering equipment (a. c.) - Particular requirements - Part 61: Power consumption and voltage requirements

[4] МЭК 60736:1982 Испытательная аппаратура для счетчиков электрической энергии Testing equipment for electrical energy meters

Ключевые слова: аппаратура, измерение электрической энергии, переменный ток, статические счетчики, активная энергия, счетчики ватт-часов, измерительный элемент, счетный механизм, индикаторы функционирования

 




Яндекс цитирования



   Copyright © 2007-2026,  www.tehlit.ru.

[ ѓосты, стандарты, нормативы, инструкции, правила, строительные нормы ]