//
ТехЛит.ру
- крупнейшая бесплатная электронная интернет библиотека для "технически умных" людей.
WWW.TEHLIT.RU - ТЕХНИЧЕСКАЯ ЛИТЕРАТУРА

:: Алготрейдинг::


АЛГОТРЕЙДИНГ
шаг за шагом
с нуля по урокам!

Торговые роботы на PYTHON, BackTrader,
Pandas, Pine Script для TradingView. Связка с брокерами, телеграм и легкими приложениями.


ГОСУДАРСТВЕННЫЙ КОМИТЕТ СССР ПО НАРОДНОМУ ОБРАЗОВАНИЮ

 

МОСКОВСКИЙ ОРДЕНА ТРУДОВОГО КРАСНОГО ЗНАМЕНИ АВТОМОБИЛЬНО-ДОРОЖНЫЙ ИНСТИТУТ

 

М.В. Немчинов

 

ПРОЕКТИРОВАНИЕ

ВОДОСТОКА

В ГОРОДАХ

Учебное пособие

 

Утверждено в качестве

учебного пособия

редсоветом МАДИ

 

МОСКВА 1988

 

СОДЕРЖАНИЕ

СОДЕРЖАНИЕ

ВВЕДЕНИЕ

1. ОРГАНИЗАЦИЯ СТОКА ПОВЕРХНОСТНЫХ ВОД

2. ПРОЕКТИРОВАНИЕ ВОДОСТОЧНОЙ СЕТИ ГОРОДА

3. ГИДРАВЛИЧЕСКИЙ РАСЧЕТ ЛОТКА ПРОЕЗЖЕЙ ЧАСТИ

4. РАЗМЕЩЕНИЕ ДОЖДЕПРИЕМНЫХ КОЛОДЦЕВ

5. ПРОДОЛЬНЫЙ ПРОФИЛЬ КОЛЛЕКТОРА

5.1. Гидравлический расчет движения воды в коллекторе

6. СМОТРОВЫЕ КОЛОДЦЫ

7. ВЫПУСКИ ВОДОСТОЧНОЙ СЕТИ

8. ГИДРОЛОГИЧЕСКИЙ РАСЧЕТ КОЛЛЕКТОРА

9.ГИДРАВЛИЧЕСКИЙ РАСЧЕТ КОЛЛЕКТОРА

10. РАСЧЕТ ЭЛЕМЕНТОВ КОНСТРУКЦИЙ ВОДОСТОЧНОЙ СЕТИ

10.1. Расчет прочности труб

10.2. Основания под водосточные трубы

10.3. Расчет прочности смотровых и дождеприемных колодцев

11. РЕГУЛИРОВАНИЕ ПОВЕРХНОСТНОГО СТОКА. РЕГУЛИРУЮЩИЕ ПРУДЫ

12. ОТКРЫТАЯ СИСТЕМА ВОДООТВОДА

13. ЗАКЛЮЧЕНИЕ МАЛЫХ ПРОТОКОВ В ТРУБЫ

ЛИТЕРАТУРА

ПРИЛОЖЕНИЕ

 

В учебном пособии рассмотрены основные вопросы организации поверхностного стока, включая характеристики дождей и вертикальную планировку городских территорий и улиц, принципы размещения и гидравлический расчет водоприемных колодцев, расчет лотка проезжей части и движения воды в коллекторе водостока. Изложены нормативные данные по проектированию основных элементов водостока и водосточной сети; гидрологический и гидравлический расчет водосточного коллектора; расчёт конструктивных элементов водосточной сети (по прочности); методы регулирования поверхностного стока. Даны таблицы для расчета коллектора водосточной сети.

Пособие предназначено для студентов специальности 2910, изучающих курс "Подземные инженерные сети".

ВВЕДЕНИЕ

Современная улица представляет собой сложное инженерное сооружение, в состав которого входит подземное, наземное и надземное оборудование, непосредственно связанное с движением транспорта и пешеходов, благоустройством и внешним видом улицы. Обязательным элементом оборудования являются устройства по отводу поверхностных и грунтовых вод.

Основным принципом водоотвода в городах является направление поверхностных вод со всех территорий города к улицам. Поэтому улицы следует рассматривать как сборные и отводящие каналы поверхностных вод. Под организованным водоотводом подразумевается организация стока дождевых и талых вод, включающая: организацию стока воды по городской территории, отведение собранных поверхностных вод в водоемы или другие места за пределами городских территорий, очистку наиболее загрязненной части поверхностного стока.

Для отвода поверхностных вод строят водосточные сети. Грунтовые воды отводятся с помощью дренажных систем.

1. ОРГАНИЗАЦИЯ СТОКА ПОВЕРХНОСТНЫХ ВОД

Поверхностный сток образуется дождевыми и талыми водами, а также водой от поливки и мойки улиц. При этом дождевые (ливневые, обложные) осадки в городах дают сток при слое осадков более 2 мм ввиду наличия значительных по площади водонепроницаемых покрытий (покрытий дворов, проезжей части улиц, крыши домов). В центральной части ETC число дней с осадками более 2 мм по многолетним данным в среднем составляет 70 дней в год.

Основными параметрами, характеризующими дожди, являются: интенсивность, продолжительность и повторяемость. Обычно рассматривают среднюю интенсивность дождя (рис.1), которая определяется из выражения

и измеряется обычно в мм/мин. Здесь hb - количество выпавших осадков за один дождь, tg - продолжительность дождя, а - интенсивность дождя по слою. Используется еще один показатель - интенсивность дождя по объему:

q=166,7∙а (л/с на 1 га территории),

где К=166,7 - переводной коэффициент (для размерности)

Продолжительность дождя определяется в часах или минутах. Строгой закономерности выпадения дождей разной интенсивности не наблюдается. Однако установлена обратная пропорциональность между максимальной интенсивностью и продолжительностью дождей (рис. 2). Эта зависимость справедлива для дождей одинаковой вероятности появления.

Повторяемость дождей определяется в годах для дождей определенной интенсивности. Дожди большой интенсивности повторяются реже, чем меньшей интенсивности. Кривая связи этих показателей аналогична графику интенсивность - продолжительность дождя; обычно она изображается на клетчатке вероятности, т.е. в логарифмической системе координат: в этом случае кривая выпрямляется и её легко экстраполировать.

Организация стока поверхностных вод преследует цель сбора и удаления с территории города и улиц дождевых и талых вод. Достигается это путем вертикальной планировки городских территорий, сбора воды в лотки проезжей части проездов, затем улиц. Из лотков улиц вода поступает в систему водоотвода, которая может быть открытой или закрытой. Открытая система включает лотки, кюветы, канавы. В соответствии с действующими правилами (СНиП) в городах должна предусматриваться закрытая система водоотвода.

Из схемы вертикальной планировки (рис. 3) видно, что сначала стекающая вода попадает в дворовую (или внутриквартальную) сеть лотков проезжей части, а затем поступает на улицу. Внутри квартала также требуется устройство водосборной сети (например, в углу, где вертикальная отметка минимальная и откуда нет стока).

Системы городской канализации подразделяют на общесплавные, раздельные и полураздельные.

Общесплавная система канализации пропускает ливневые и талые, а также производственные и фекальные воды. Весь сток поступает на очистные сооружения, за исключением части расхода отводных береговых коллекторов, которые во время сильных дождей сбрасываются непосредственно через ливнеспуски. Эта система канализации довольно удобна, так как все сточные воды отводятся одной системой труб и каналов. Имеет она и некоторые санитарные преимущества. Её недостаток обусловливается резким увеличением размеров очистных сооружений и диаметра труб.

Рис. 1. Диаграмма хода дождя

 

Рис.2. Связь интенсивности и продолжительности дождя (при одинаковой вероятности появления)

При полной раздельной системе предусматривается устройство двух самостоятельных сетей: для отвода фекальных и производственных вод и для отвода поверхностного стока - самостоятельная сеть ливневой канализации. Сброс фекальных вод в проточные водоемы, реки, водотоки осуществляется после их полной очистки.

При полураздельной системе канализации также устраиваются две самостоятельные системы уличных сетей, но с общими (общесплавными) отводящими коллекторами. При этом все бытовые и производственные сточные воды, весь талый и дождевой сток расчетной повторяемости поступают на очистные сооружения. При полураздельной системе отпадает необходимость устройства многочисленных отдельных очистных сооружений на городской территории.

Закрытая система водоотвода может включать:

- защитную (нагорную) сеть, перехватывающую поверхностные воды, стекающие к городу с возвышенной местности. Эта сеть может быть закрытой, но чаще устраивается открытой в виде нагорных каналов;

- водосборную (первичную) сеть, собирающую поверхностные воды, выпадающие на территории города;

- водоотводящую сеть, транспортирующую собранные поверхностные воды к водоему или другому месту сброса вод;

- водосточные сети специального назначения (например, водостоки, перехватывающие воду на оползневых склонах, дренажи различного назначения - для понижения уровня грунтовых вод, сопутствующие подземным коммуникациям, профилактические).

Вся водосточная сеть города слагается из бассейнов. Границы бассейна являются границами площади стока дождевых вод, притекающих к водосточной сети данного бассейна. Сеть водостоков в пределах отдельного бассейна разделяется на главный коллектор бассейна, боковые коллекторы и водостоки отдельных улиц. Главные коллекторы бассейнов располагаются по направлению основных тальвегов бассейна и имеют отдельные выпуски в проточные водотоки или коллекторы полураздельной канализации. Русла ручьев и малых речек, расположенных в пределах города, включаются в систему водоотвода в виде открытых или закрытых протоков на всем их протяжении или на отдельных участках.

Рис.3. Вертикальная планировка квартала

2. ПРОЕКТИРОВАНИЕ ВОДОСТОЧНОЙ СЕТИ ГОРОДА

Проект водосточной сети разрабатывается на основе генерального плана застройки города, генеральной схемы развития водосточной подземной сети. Проект водосточной сети включает:

- план бассейна с указанием направления стока по всем улицам, на котором показывается проектируемая сеть с выделением расчетных участков и точек; генплан района застройки (с геологией) с указанием размещения дождеприемных, смотровых и других колодцев;

- продольные профили коллекторов и сточных веток;

- конструктивные чертежи элементов и сооружений водосточной сети;

- расчетно-пояснительную записку, включающую гидрологический и гидравлический расчеты сети, ведомость объемов работ и сметно-финансовый расчет.

Проектирование водосточной сети города включает следующие операции:

1. Установление границ бассейнов, трасс главных коллекторов, мест выпуска воды.

2. Начертание сети коллекторов в каждом бассейне и установление границ частных бассейнов.

3. Размещение водоприемных колодцев на улицах и площадях в соответствии с трассами коллекторов.

4. Определение расчетных точек и расчетных участков на коллекторах.

5. Определение длины каждого расчетного участка и площади бассейна стока для расчетных участков.

6. Установление продольных уклонов каждого расчетного участка и составление профилей по трассам коллекторов.

7. Гидрологический и гидравлический расчеты коллекторов.

8. Разработка конструкции водосточной сети.

В начальной стадии проектирования вся территория города разбивается на систему бассейнов, в каждом из которых намечается главный коллектор с выпуском воды в водоем или другое место сброса вод. Границы бассейнов устанавливаются по рельефу местности. Обычно используют схемы или проекты вертикальной планировки, где указаны направления стока и водоразделы. Следует помнить, что рассматривается будущий рельеф местности (рис.4).

В каждом бассейне различают частные бассейны стока. Общий является бассейн системы, имеющей главный коллектор. Частными являются отдельные бассейны, определяющие поверхностный сток по расчетным участкам сети. Желательно, чтобы площадь общих бассейнов находилась в пределах 75…100 га. В этом случав диаметры коллекторов обычно не превышают 800…1200 мм.

Начальные точки водосточных коллекторов, принимающих дождевые воды из первых водоприемных колодцев, намечаются из условия длины свободного пробега воды, т.е. с учетом расстояния от водораздела до первого водоприемного колодца, в пределах которого вода стекает по открытым лоткам. При этом должна учитываться допустимая высота наполнения лотков, при которой будет обеспечен пропуск расходов стока. Допустимое наполнение - 5 см.

Главные коллекторы обычно проектируют по тальвегам и по кратчайшим направлениям от наиболее удаленной точки бассейна до места сброса воды. Однако во всех случаях положение главного коллектора должно быть увязано с планировкой улично-дорожной сети города (существующей или перспективной), Наиболее целесообразно главные коллекторы прокладывать по магистральным улицам.

При относительно плоском бассейне желательно главный коллектор трассировать посередине бассейна. В водосточной сети на всех её участках должно быть самотечное движение воды. Поэтому все коллекторы (главные и второстепенные) прокладываются в направлении падения продольных уклонов.

Проектирование сети водостоков должно вестись вариантным методом. Выбор окончательного варианта проводится на основе технико-экономического сравнения вариантов. Основной задачей при проектировании является полное обслуживание всей территории города, всех улиц при наименьшей длине сети и наинизшей ее строительной стоимости.

В зависимости от ширины проезжей части на улице предусматривают прокладку одного или двух коллекторов. Критерием является длина водосточной ветки от дождеприемного колодца до коллектора (не более 40 м). Размещение коллектора в пределах улицы подчиняется общему размещению подземных коммуникаций в её поперечном профиле. Целесообразно размещать водосточный коллектор на удалении 1,5…2,0 м от лотка проезжей части.

Рис. 4. Бассейны водосточной сети города

 

3. ГИДРАВЛИЧЕСКИЙ РАСЧЕТ ЛОТКА ПРОЕЗЖЕЙ ЧАСТИ

В различных случаях важно знать или наполнение сооружения поверхностного водоотвода, или скорость протекания воды в нем. В городских условиях для сооружений закрытой системы водоотвода наиболее важно знать их наполнение. Глубины и скорости определяются, как правило, только для конечных точек расчетных участков (между дождеприемными колодцами - для лотка проезжей части).

Для определения скорости течения воды по лотку используем формулу Шези:

где С - коэффициент, который, по формуле Маннинга, равен

R - гидравлический радиус потока, n - коэффициент гидравлической шероховатости (для лотков на улицах города коэффициент гидравлической шероховатости может быть принят равным 0,02), J - уклон потока (продольный уклон улицы по лотку проезжей части).

Перепишем формулу Шези с учетом формулы Маннинга и величины коэффициента гидравлической шероховатости:

Расход воды


В выражениях для скорости и расхода потока множители перед уклоном принято объединять, обозначать единым показателем и называть:

для скорости  - скоростная характеристика расчетного сечения потока;

для расхода  - расходная характеристика расчетного сечения потока.

W и K зависят от геометрического очертания и размеров поперечного сечения потока.

Имеются стандартные поперечные сечения водоотводных сооружений. Для лотка проезжей части поперечное сечение имеет вид, показанный на рис.5.

Допустим, задана форма потока, протекающего по стандартному поперечному сечению. Для разных глубин можно вычислить характеристики потока W и K, построить график их зависимости от глубины (рис.6).

Порядок расчета лотка (и любого другого водоотводного сооружения) следующий.

1. Подсчитывается расход потока по формуле

где q - интенсивность расчетного дождя, л/с на 1 га территории; F - площадь бассейна, га; ψ - коэффициент стока; η - коэффициент, учитывающий неравномерность выпадения дождя.

2. По величине расхода и уклона лотка проезжей части подсчитывают расходную характеристику расчетного сечения потока К.

3. Значение расходной характеристики Kф откладывают на оси абсцисс графика рисунка и графически находят фактическую глубину потока hф, соответствующую расходу Qф.

4. Из точки пересечения горизонтальной линии, проведенной на уровне hф, с кривой W находим по графику значение скоростной характеристики потока Wф, а затем подсчитываем и фактическую скорость потока:

где J - уклон лотка.

Рис.5. Схема к расчету лотка проезжей части

 

 

 

 

 

 

 

 

 

                                                                                     

Рис.6. Расходная и скоростная характеристики потока

Графики расходной и скоростной характеристик строятся для различных поперечных сечений водоотводных сооружений (рис.7).

Для построения кривых расходной и скоростной характеристик используются следующие зависимости (рис.8):

площадь поперечного сечения потока:

смоченный периметр:

гидравлический радиус:

Зная гидравлический радиус, легко вычислить K и W

На основе расчета скорости протекания потока в водоотводном сооружении решается вопрос об его укреплении. Допустимые скорости течения воды указаны в табл.1.

4. РАЗМЕЩЕНИЕ ДОЖДЕПРИЕМНЫХ КОЛОДЦЕВ

Водоприемные колодцы предназначены для приема поверхностных вод, стекающих с территории кварталов и улиц. Для приема воды на колодцах установлены водоприемные решетки. Водоприемные колодцы помещаются на улицах и площадях: а) в пониженных местах, не имеющих стока; б) на перекрестках улиц в лотках проезжей части; в) у въездов и выездов в кварталы и микрорайоны; г) в лотках проезжей части между перекрестками. В этом случае расстояние между колодцами назначается по нормам (от 50 до 80 м, в зависимости от уклона) или определяется расчетом. Первый водоприемный колодец устанавливается от водораздельной линии на удалении 50…200 м. Расстояние между дождеприемными колодцами легко определить на основании гидравлического расчета лотка проезжей части. Размещение колодцев на перекрестках показано на рис.9; основная цель - обеспечить удобство пешеходам при переходе улиц и отвести воду из лотков проезжей части.

Рис.7. Поперечное сечение кюветов

Рис.8. Схема к расчету гидравлического радиуса потока

Рис.9. Схемы размещения водоприемных колодцев на перекрестках улиц

Таблица 1

Значения средней неразмывающей скорости потока Vнр (м/с) при глубине потока h (м)

Показатель

Значения Vнр при h

0,5

1

3

5

Для неоднородных несвязных грунтов

Средний диаметр частиц грунта dср, мм

 

 

 

 

0,1

0,36

0,43

0,56

0,64

0,3

0,39

0,47

0,62

0,70

0,5

0,45

0,54

0,71

0,81

1,0

0,54

0,64

0,84

0,96

2,0

0,64

0,76

1,00

1,14

3,0

0,71

0,84

1,10

1,25

Для связных грунтов (при содержании легкорастворимых солей менее 0,2% массы плотного остатка абсолютно сухого грунта)

Удельное сцепление 105 Па (кГс/см2)

 

 

 

 

0,005

0,39

0,43

0,49

0,52

0,010

0,44

0,48

0,55

0,50

0,050

0,71

0,77

0,89

0,98

0,125

1,03

1,13

1,30

1,37

0,250

1,42

1,55

1,78

1,88

0,400

1,79

1,96

2,25

2,38

0,600

2,16

2,38

2,72

2,88

Для скальных (осадочных и изверженных) грунтов

Временное сопротивление грунта сжатию 105 Па (кГс/см2)

а

 

 

 

1000

8,9

10,9

14,1

15,5

500

6,3

7,7

10,0

11,0

200

4.0

4,9

6,3

6,9

100

3,0

3,6

4,8

5,2

50

2,2

2,7

3,6

3,9

25

1,7

2,1

2,7

3,0

Для закрепленных русел

Бетонная облицовка при бетоне марки (по прочности на сжатие)

 

 

 

 

M100

12,5

13,8

16,0

17,0

M150

14,0

15,6

18,0

19,1

М200

15,6

17,3

20,0

21,2

М300

19,2

21,2

24,6

26,1

Двойное мощение на слое щебня при крупности камней, см

 

 

 

 

15-20

3,0

3,5

4,3

4,7

20-30

3,1

3,7

4,7

5,1

Одерновка плашмя

1,0

1,25

1,5

1,5

 

Пропускная способность одной горизонтальной водоприемной решетки определяется из выражений:

1. При напоре воды

 

2. При напоре

 

 

где - полный напор; Н - глубина потока воды на подходе к решетке, м; V - скорость течения воды, м/с; W - площадь всех отверстий решетки, м2; l - длина водосливного фронта, м (равна периметру решетки, а при примыкании решетки одной стороной к борту люка - сумме длин трех ее сторон).

Для полного использования пропускной способности решеток целесообразно с низовой стороны колодца устраивать обратный уклон на участке длиной 1,5 м.

Протяжение веток от водоприемного колодца до коллектора обычно не должно превышать 40 м. Уклон веток должен быть не менее 0,005. Рекомендуемый уклон - 0,02…0,03. Диаметр веток в зависимости от обслуживаемой площади принимается 200…300 мм. Глубина заложения колодца зависит от глубины заложения коллектора водосточной сети, но не менее глубины промерзания. В центральных районах СССР глубина заложения водоприемных коллекторов чаще всего находится в пределах 1,5…1,8 м.

В случае нулевого продольного уклона (или очень малого - менее 0,004) приходится на поверхности проезжей части устраивать пилообразный продольный профиль в лотках.

5. ПРОДОЛЬНЫЙ ПРОФИЛЬ КОЛЛЕКТОРА

Продольный профиль коллектора устанавливает положение коллектора в вертикальной плоскости (т.е. высотное положение), отметки лотка и шелыги трубы (шелыга - верхняя часть трубы, лоток - нижняя часть), глубину заложения трубы и продольный уклон для каждого расчетного участка. Наименьшая глубина заложения принимается по местным условиям. Рекомендуется закладывать в начальных точках водосточной сети лоток коллектора при его диаметре до 500 мм на 0,3 м ниже наибольшей глубины промерзания грунта, а при диаметре коллектора более 500 мм - соответственно на 0,5 м ниже глубины промерзания. Нормальная глубина заложения водосточных коллекторов 2…3 м, предельная (при открытом способе производства работ) - 5…6 м. Во всех случаях от поверхности земли до верха трубы должно быть не менее 0,7 м.

Расчет движения воды в коллекторе и проверку достаточности продольного уклона или диаметра трубы можно выполнить следующим образом.

5.1. Гидравлический расчет движения воды в коллекторе

Уличные коллекторы, как правило, имеют круглое поперечное сечение. Вода в них протекает с одинаковой скоростью при одинаковых условиях: площади поперечного сечения, продольном уклоне и т.д. Так как водосточные коллекторы изготавливают из достаточно прочного материала (бетон, железобетон), то скорость протекания воды в них является определяющим фактором. Для коллекторов имеет значение наполнение их или колодцев (смотровых).

Рассмотрим движение воды в коллекторе. Так как поперечное сечение коллектора круглое, то при полном его заполнении водой гидравлический радиус потока

 

где ω - площадь поперечного сечения коллектора,

 

d - диаметр коллектора;

χ - смоченный периметр,

 

Независимо от материала, из которого изготовлен коллектор, через некоторое время после начала его эксплуатации стенки коллектора покрываются слизью. Поэтому коэффициент гидравлической шероховатости стенок всех труб можно принять равным примерно 0,014.

При равномерном течении воды её скорость определяют по формуле Шези:

 

где С - коэффициент в формуле Шези,

R - гидравлический радиус,

J - уклон потока.

Значения коэффициента С зависят от условий протекания потока. Для труб широко используется формула Маннинга:

 

где n - коэффициент гидравлической шероховатости стенок русла. Подставляя формулу Маннинга в выражение для скорости потока, получаем:

 

Расход потока

Обычно все множители, кроме продольного уклона потока, в этих выражениях объединяют и называют:

для скорости:

 - скоростная характеристика потока,

для расхода:

 - расходная характеристика потока.

Подставив в эти выражения величину коэффициента гидравлической шероховатости стенок трубы коллектора (для периода эксплуатации), приводим выражения для скоростной и расходной характеристик потока в коллекторе к виду:

Возможны два случая расчета коллектора:

1) коллектор заполнен частично и работает без напора;

2) коллектор заполнен целиком, уровень воды в смотровых колодцах поднят выше трубы коллектора, т.е. коллектор работает под напором.

Расчетная схема показана на рис.10.

Рис.10. Схема к расчету водосточного коллектора

На схеме обозначены:

Jкол - уклон коллектора; Jфакт - фактический уклон потока в коллекторе (для второго случая расчета).

Граничным состоянием между первым и вторым случаями расчета коллектора является случай полного заполнения трубы коллектора (но чтобы вода в смотровых колодцах не поднялась выше трубы). Расход потока, соответствующий этому случаю наполнения, называется напорным.

 

. Таким образом, . Если фактический расход потока меньше предельного (Qф<Qнап), то глубина потока h меньше диаметра трубы d и коллектор работает без напора. В противном случае Qфакт>Qнап, т.е.  Тогда глубина потока в коллекторе равна диаметру (h=d) и фактический уклон потока будет больше уклона коллектора:

Jфакт>Jкол

Величина фактического уклона потока может быть определена из выражения

Если пьезометрическая линия, соединяющая уровни воды в колодцах, будет выходить на поверхность улицы, то это приведет к её затоплению. В таком случае необходимо либо понизить коллектор (если это возможно), либо увеличить диаметр коллектора, величина которого очень сильно влияет на пьезометрический уклон.

6. СМОТРОВЫЕ КОЛОДЦЫ

Размещаются смотровые колодцы на водосточной сети в местах изменения направления уклона и диаметра коллекторов, а также в местах присоединения боковых коллекторов и веток дождеприемных колодцев. На прямых участках смотровые колодцы размещаются в зависимости от диаметра коллектора.

Диаметр водостока, м

Расстояние между колодцами, м

0,3

50-60

0,4-0,6

60-70

0,7-1,0

60-80

1,2-1,5

70-100

более 1,5

80-130

Смотровые колодцы обычно устраивают по типовым чертежам.

При значительных продольных уклонах местности на трассе коллектора устраиваются быстротоки, водобойные колодцы или применяются чугунные или стальные трубы.

7. ВЫПУСКИ ВОДОСТОЧНОЙ СЕТИ

По санитарным соображениям, выпуски водосточной сети желательно устраивать вне границ застройки города, ниже его по течению. Но это не всегда экономически выгодно. Устройство выпусков на территории города позволяет:

уменьшить площадь бассейнов (увеличивая их число);

соответственно уменьшить размеры основных коллекторов каждого бассейна;

вести строительство водосточной сети отдельными участками в соответствии с очередностью застройки районов города. Однако в любом случае необходимо учитывать санитарные требования.

Выпуск на водосточной сети обычно устраивается незатопленным. Но иногда (по архитектурным соображениям) делают и затопленные выпуски. Тогда шелыга трубы должна быть на выходе ниже уровня воды и толщины ледяного покрова.

8. ГИДРОЛОГИЧЕСКИЙ РАСЧЕТ КОЛЛЕКТОРА

Гидрологическим расчетом определяются расчетные расходы на расчетных участках и в расчетных сечениях коллекторов водосточной сети. Каждый коллектор разбивается на расчетные участки. Каждый участок рассчитывается на пропуск расхода, формирующегося на низовом конце этого участка. Схема разбивки коллектора на участки показана на рис.11. Границы участков определяются местами присоединения боковых коллекторов или изменением уклонов. Диаметр трубы коллектора (отверстие) определяется по расходу в низовом сечении.

Рис. 11. Схема разбивки коллектора на расчетные участки

Расчетный расход от дождевых вод находят по формуле

(1)

где q - расчетная интенсивность дождя, л/с на 1 га территории водосбора;  - коэффициент стока; F - площадь стока, га; η - коэффициент, учитывающий неравномерность интенсивности дождя по площади бассейна. Этот коэффициент учитывается, если площадь бассейна превышает 300 га. Для этой площади он равен 0,96. При большей площади величина коэффициента η уменьшается. Например, для бассейна с площадью 2000 га он равен 0,87.

Расчетная интенсивность дождя определяется из условия, что продолжительность дождя равна времени добегания воды от наиболее удаленной точки бассейна до рассматриваемого (расчетного) сечения коллектора. При этом рассматривается дождь определенной вероятности повторения.

Продолжительность дождя, равная времени добегания воды, названа критической продолжительностью, а интенсивность такого дождя называется предельной интенсивностью. Предельная интенсивность дождя в настоящее время определяется по формуле

л/с на 1 га

(2)

где t - продолжительность дождя, мин; А - расчетный параметр, являющийся функцией вероятности выпадения дождя (повторяемости), климатических характеристик местности и интенсивности дождя двадцатиминутной продолжительности (при вероятности превышения один раз в год).

(3)

где q20 - интенсивность дождя продолжительностью 20 мин при вероятности выпадения один раз в год (для данной местности), л/с на 1 га; c - коэффициент, учитывающий климатические особенности районов СССР (для Европейской части СССР он изменяется от 0,85 до 1,5; в центральной части ETC c=0,85); Р - период однократной повторяемости дождя с расчетной интенсивностью (в годах); n - числовой параметр (устанавливается по данным наблюдений за осадками).

Для определения интенсивности дождя двадцатиминутной продолжительности построены специальные карты. Для района г. Москвы q20=80 л/с на 1 га. В случае отсутствия карт интенсивность дождя двадцатиминутной продолжительности можно подсчитать по формуле

л/с на 1 га

где Н - среднегодовое количество атмосферных осадков в мм за период не менее 15 лет; dв - средневзвешенная величина дефицита влажности за период не менее 5 лет (определяется по месячным количествам жидких осадков, мм).

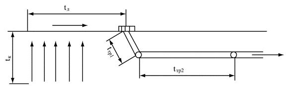
Продолжительность расчетного дождя t принимается равной продолжительности добегания воды от наиболее удаленной точки бассейна до расчетного сечения и складывается из времени добегания воды от наиболее удаленных точек квартала и микрорайона до лотка проезжей части улицы (tk), времени протекания воды по лотку до ближайшего водоприемного колодца (tл), времени протекания воды по трубам водосточной сети до рассматриваемого расчетного сечения (tтp). Таким образом, (рис.12):

Рис. 12. Схема к определению продолжительности расчетного дождя

Время добегания воды от наиболее удаленной точки квартала или микрорайона до лотка проезжей части, называемое временем поверхностной концентрации - tк, принимают равным 5…10 мин (без расчета). Меньшая продолжительность добегания принимается при наличии преимущественно водонепроницаемых поверхностей и при наличии в кварталах и микрорайонах водосточной сети с выпуском воды непосредственно в коллектор городской водосточной сети. При наличии озелененной территории, грунтовых участков в естественном или спланированном состоянии время добегания принимается равным 10 мин и даже может быть увеличено до 20 мин (в зависимости от состояния поверхности стока - наличия неровностей, ям и т.п.).

Продолжительность протекания воды по лотку проезжей части улицы (tл) определяют из выражения

где lл - длина пробега воды по лотку, м; Vл - скорость течения воды, м/с.

Продолжительность протекания воды по трубам до расчетного сечения определяется как сумма продолжительности пробега по расчетным участкам до рассматриваемого сечения по формуле

где lтр - длина расчетных участков водостока, м; Vтр - скорость течения воды в трубах, м/с; K - коэффициент, учитывающий влияние уклона местности на скорость течения воды.

При уклоне менее 1% K=2,0; от 1 до 3% - 1,5; более 3% - 1,2.

Если по расчету продолжительность расчетного дождя оказывается менее 10 мин, то в расчете принимается дождь продолжительностью 10 мин. При расчетной продолжительности дождя от 10 до 25 мин в формулу для определения расчетного расхода (1) вводится поправочный коэффициент Kр, величина которого зависит от продолжительности дождя и коэффициента стока (табл.2).

Применение этого коэффициента целесообразно для верховых участков водосточной сети, где за сравнительно небольшой промежуток времени не успевает сформироваться сток со всего бассейна.

Таблица 2

Значения коэффициента Kр

Коэффициент стока

Значения коэффициента Kр при продолжительности дождя (мин)

10-15

15-20

20-25

0,70

0,90

0,95

1,0

0,50

0,75

0,80

0,90

0,35

0,60

0,75

0,90

 

Выпадающие на территории города атмосферные осадки далеко не полностью стекают и поступают в водосточную сеть. Часть осадков впитывается в почву, часть остается в виде смачивающего слоя на водонепроницаемых поверхностях и испаряется в атмосферу. При определении расчетного расхода этот факт учитывается с помощью коэффициента стока. Коэффициент стока имеет переменную величину, которая зависит от продолжительности и интенсивности дождя, характера покрытия на поверхности территории, уклона стока. В случае преобладания водонепроницаемых поверхностей стока принимают не зависящим от интенсивности и продолжительности дождя:

 

Тип поверхности

Коэффициент стока

Кровли, асфальто- и цементобетонные покрытия

0,95

Участки зеленых насаждений - парки, сады, газоны (в зависимости от грунта)

0,10-0,20

 

Для каждого бассейна выводится средний коэффициент стока - по типовому для данного бассейна участку - например, по жилому району или микрорайону с прилегающими улицами. Средний коэффициент стока определяют исходя из частных коэффициентов стока для разных поверхностей на рассматриваемой территории:

где Ψ - частные коэффициенты стока для разных поверхностей; f - площадь отдельных поверхностей; F - общая площадь бассейна.

Для различных районов города эти коэффициенты стока известны (примерно). Например, для новых районов г. Москвы со значительной озелененной территорией принят коэффициент стока Ψср=0,41…0,45, для центральных районов, характеризуемых сплошной старой застройкой, коэффициент стока принят равным от 0,60 до 0,90.

Переменность величины коэффициента стока объясняется тем, что по мере хода дождя происходит насыщение поверхности стока водой и ее впитывание постепенно прекращается или стабилизируется (например, на песчаных и супесчаных грунтах). В этом случае коэффициент стока необходимо подсчитать по формуле

При переменном значении коэффициента стока формула расчетного расхода принимает вид:

где Z - среднее значение коэффициента стока. Частные значения коэффициента стока зависят от местных климатических условий (характеризуемых параметром А) и параметра n. Средние значения коэффициента стока Z для водонепроницаемых поверхностей (кровли, асфальто - и цементобетонов) приведены в табл.3.

Таблица 3

Значения среднего коэффициента стока

 

Параметр А

300

600

1000

1200

1500

Менее 0,65

0,32

0,26

0,25

0,24

0,23

0,65 и более

0,33

0,29

0,26

0,25

0,24

 

Для спланированных грунтовых поверхностей Z=0,064, для участков зеленых насаждений Z=0,028.

При нормальных условиях работы коллектор водосточной сети должен полностью пропускать расчетные расходы. В зависимости от условий работы коллектора и с учетом последствий при выпадении дождей, превышающих расчетный уровень, устанавливается период однократного выпадения дождей с расчетной интенсивностью.

Период однократного выпадения (или вероятность выпадения расчетного дождя) с расчетной интенсивностью принимается в зависимости от назначения обслуживаемой водостоком территории, вертикальной планировки этой территории, площади бассейна (табл.4).

Таблица 4

Вероятность выпадения расчетного дождя

Характер бассейна города

q20, л/с на 1 га

50-70

70-90

90-100

более 100

Плоский рельеф (средний уклон меньше 0,006) при площади бассейна:

 

 

 

 

до 150 га

0,25-0,33

0,33-1,0

0,5-1,5

1-2

более 150 га

0,33-0,50

0,5-1,5

1-2

2-3

Крутой рельеф при площади бассейна:

 

 

 

 

до 20 га

0,35-0,5

0,5-1,5

1-2

2-3

более 100 га

5

5

10

10-20

 

При переполнении водосточная сеть пропускает только часть расхода дождевого стока. Остальная часть воды течет по лоткам улиц. Однако не должна быть превышена предельно допускаемая высота затопления улиц. Такой предельной высотой принято считать высоту затопления, превышение которой на 0,1 м вызовет (или может вызвать) затопление подвалов и полуподвалов в зданиях.

Значения продолжительности периода однократного переполнения водосточной сети принимаются в зависимости от условий расположения коллектора в рельефе местности (табл.5).

Благоприятным считается расположение коллектора на плоском рельефе, на водоразделе, в верховой части склона; неблагоприятным - в тальвеге с крутыми склонами или малым уклоном тальвега, при отводе воды из замкнутого пониженного места и в других подобных случаях.

Таблица 5

Продолжительность периода однократного переполнения водосточной сети (в годах)

Местоположение коллектора на городской территории

Расположение коллектора на рельефе

благоприятное

среднее

неблагоприятное

Парковые территории

1

3

5

На площадях и улицах местного значения

5

10

25

На скоростных дорогах и магистральных улицах

10

25

50

 

Нормируются и наименьшие периоды превышения расчетной интенсивности дождя.

Соотношение предельного расхода (или точнее - расхода предельного периода) и расчетного расхода водостока зависит от пропускной способности лотков улицы, величины расхода предельного периода и регулирующего влияния свободной емкости водосточной сети города (или района):

где Qp - расчетный расход; Qпред - расход предельного периода; K - переходный коэффициент, К=K1∙К2, где K1 - коэффициент уменьшения расхода за счет пропуска его части по лоткам проезжей части улиц, К2 - коэффициент уменьшения расхода за счет регулирующего влияния свободной емкости сети водостоков. Коэффициент K2 в среднем принимают равным 0,75. Коэффициент K1 определяют из выражения

где Qул - пропускная способность лотков проезжей части улицы при предельно допустимой глубине затопления.

9.ГИДРАВЛИЧЕСКИЙ РАСЧЕТ КОЛЛЕКТОРА

Гидравлическим расчетом определяется скорость течения воды в трубах и, в конечном итоге, устанавливаются размеры (диаметр) коллектора водосточной сети.

Расчет коллектора производится по основным формулам гидравлики:

формуле Шези -

формуле для расхода потока -

где Q - максимальный расчетный расход, м3/с или л/с; V - средняя скорость течения воды в трубе, м/с; ω - площадь живого сечения трубы, м2 (принимается напорный режим, когда труба заполнена целиком); R - гидравлический радиус потока: R=ω/χ, χ - смоченная поверхность (длина смоченной поверхности); J - продольный уклон коллектора на расчетном участке (гидравлический уклон - он может отличаться от геометрического); С - коэффициент в формуле Шези. Его можно принять по формуле Н.Н.Павловского:

где

n - коэффициент гидравлической шероховатости внутренних стенок трубы. Внутренняя поверхность труб быстро покрывается слоем отложений, которые нивелируют гидравлическую шероховатость стенок. Поэтому в расчетах при значениях гидравлического радиуса до 0,4 и n в пределах от 0,012…0,014 можно пользоваться частным случаем формулы Н.Н.Павловского - формулой Маннинга:

Выражения для определения скорости и расхода потока можно несколько преобразовать и ввести понятия скоростной и расходной характеристики потока:

где W - скоростная характеристика; K - расходная характеристика потока. Значения этих характеристик подсчитываются по уже известным формулам.

Гидравлический расчет водосточных коллекторов производится обычно в табличной форме.

Коллекторы прямоугольного поперечного сечения рассчитываются по методике для круглых труб. Расчет водосточной сети производится, как правило, при самотечном режиме протекания воды. Но можно выполнять расчет и для напорного режима. Примером такого расчета является проверка гидравлического уклона коллектора и возможности (вероятности) затопления улицы.

10. РАСЧЕТ ЭЛЕМЕНТОВ КОНСТРУКЦИЙ ВОДОСТОЧНОЙ СЕТИ

10.1. Расчет прочности труб

Целью расчета является определение глубины заложения трубы или подбор сечения стенки, обеспечивающего необходимую прочность трубы. При расчете по методу предельных состояний расчетным является условие

Мрасчпр

где Мрасч - расчетный изгибающий момент в сечении стенки трубы;

Мпр - предельный изгибающий момент в сечении стенки трубы.

Величина расчетного момента определяется от общей (постоянной и временной) нагрузки, действующей на трубу. Постоянная нагрузка включает вес грунта над трубой и собственный, вес трубы, временная возникает от действия колесной нагрузки (при передаче её через грунт). Постоянная нагрузка определяется следующим образом. Трубы водосточной сети в подавляющем большинстве случаев укладываются открытым способом в траншею с последующей засыпкой её грунтом. Так как за стенками траншеи грунт имеет ненарушенную структуру, то на трубу действует только "засыпной" грунт, нагрузку от которого можно определить из выражения

где γ - массовая плотность грунта (табл.6).

Таблица 6

Значения коэффициента γ

Наименование грунта

γ, т/м3

Песчаный и супесчаный малой влажности

1,6

Песчаный и супесчаный водонасыщенный

2,0

Суглинок малой влажности

1,7

Суглинок пластичный

 

Н - высота засыпки над верхом трубы, м (рис.13); Вт - расчетная ширина траншеи на уровне верха трубы: принимается с учетом переходной ширины Впер=(1,8-2,2)Dнар; если действительная ширина траншеи больше Впер, то принимается Втпер, если меньше, то принимается Вт=BDнap - наружный диаметр трубы; Kт - коэффициент вертикальной нагрузки от грунта в траншее. Определяется по формуле

где е - основание натуральных логарифмов (=2,718); А - коэффициент, зависящий от внутреннего трения в грунте. Он принимается: для сухих песчаных грунтов =0,166, для водонасыщенных песчаных грунтов =0,162, для водонасыщенных глинистых грунтов =0,122.

Рис.13. Схема к определению постоянной нагрузки на коллектор

Постоянная нагрузка от веса трубы невелика и не имеет решающего значения. При расчете тонкостенных труб ею можно пренебречь. Для бетонных и железобетонных труб, обладающих значительной собственной массой, нагрузку от веса трубы заменяют весом равномерно распределенного эквивалентного слоя засыпки (G). Значение нагрузки от веса трубы определяют по формуле

где G0 - собственный вес трубы; rср=(Dвн + ) /2 - средний радиус трубы; Dвн - внутренний диаметр трубы, м; δ - толщина стенок трубы, м; γ - плотность материала трубы.

Временная нагрузка на трубу принимается равной нагрузке на заднее спаренное колесо расчетного автомобиля, приложенной на поверхности земли. Для учета условий передачи нагрузки от колес через грунт засыпки при определении временной нагрузки используют формулы теории упругости (принимая нагрузку от колес в виде сосредоточенной силы).

Расчетная величина сосредоточенной силы, приложенной на поверхности грунта,

где Р0 - статическая нагрузка; Kg - коэффициент динамичности.

H, м

0,75

1,00

1,50

2,0

3,0

Kg

1,20

1,15

1,0

0,9

0,8

 

Расчетные значения вертикальных напряжений по глубине определяют по формуле Буссинеска:

ёё

где H - расстояние от поверхности грунта (глубина расположения) до точки, в которой определяется напряжение; Р - расчетная нагрузка; K - коэффициент.

где r - горизонтальная проекция расстояния от точки, в которой определяется вертикальное напряжение, до точки приложения силы.

Временную статическую нагрузку на звено трубы Р0 определяют, вычисляя объем эпюры вертикальных напряжений по площади горизонтальной проекции трубы. Объем эпюры давлений на трубу определяют, разбивая её на простейшие тела: параллелепипеды, цилиндры, пирамиды (рис.14).

Полная расчетная нагрузка на звено трубы равна сумме постоянной и временной нагрузок, приходящихся на звено трубы длиной 1 м:

В зависимости от расчетной нагрузки определяют расчетный изгибающий момент в стенках трубы:

а) для хрупких труб (бетонных, керамических, асбоцементных)

б) для железобетонных труб при безнапорном режиме работы

где rсp - средний радиус трубы; N - коэффициент опирания трубы: при укладке трубы на бетонное или железобетонное основание N=2,50; на плоское дно - 1,12; когда дну траншеи придается вогнутая форма с углом охвата трубы 90º - 1,50.

Предельный изгибающий момент в стенках трубы при их работе на изгиб равен:

а) для бетонных труб

б) для железобетонных труб

Рис.14. Вертикальная нагрузка на трубу коллектора

При этом положение нейтральной оси определяется из условия

где Rp - расчетное сопротивление бетона осевому растяжению,

Kδ - коэффициент однородности бетона; b=L - длина рассчитываемого звена трубы; h=δ - толщина стенки трубы; m - коэффициент условий работы стенки трубы, m=1; ma -коэффициент условий работы арматуры (принимается в зависимости от вида арматуры); Ru - расчетное сопротивление бетона сжатию при изгибе; x - высота сжатой зоны; h0 - полезная высота сечения стенки трубы.

Асбоцементные и керамические трубы по прочности подбирают путем сопоставления величины разрушающей нагрузки с усилением, возникающим от действия постоянной и временной нагрузок:

где K - коэффициент запаса (для керамических и асбоцементных труб K=2,0); Pp - разрушающая нагрузка, принимаемая по ГОСТ; N - коэффициент опирания трубы.

10.2. Основания под водосточные трубы

Рассчитывают для бетонных и железобетонных труб, обычно для звена длиной 1 м. Целью расчета является подбор сечения основания, которое гарантировало бы основание от разрушения. Расчет бетонных и железобетонных оснований на прочность производится по методу предельных состояний и сводится к удовлетворению условия (А). Расчетный момент определяют как для бесконечной или полубесконечной балки, лежащей на упругом основании. Расчетной нагрузкой является временная нагрузка от колес автомобилей.

10.3. Расчет прочности смотровых и дождеприемных колодцев

Цель расчета - подбор сечения крышки, стенок и днища колодцев, гарантирующих их от разрушения. Для упрощения расчет крышки колодца производится как для балки на двух опорах или как для плиты, опертой по контуру. В качестве расчетной нагрузки рассматривают давление от колеса, приходящееся на расчетный элемент.

Стенки колодцев рассчитывают как плиты, опертые на стенки, на воздействие нагрузки от автомобилей.

11. РЕГУЛИРОВАНИЕ ПОВЕРХНОСТНОГО СТОКА. РЕГУЛИРУЮЩИЕ ПРУДЫ

При большой протяженности главных коллекторов водосточной сети и значительных размерах бассейна стока сечения коллекторов достигают таких размеров, что значительно усложняется их строительство и одновременно резко возрастает их стоимость. В целях уменьшения размеров поперечного сечения крупных коллекторов целесообразно осуществлять регулирование поверхностного стока. Одним из средств регулирования является использование в качестве регулирующей емкости прудов. Пруды могут быть естественные (природные) или искусственные. Одновременно эти пруды, как правило, играют и декоративную роль.

Идея регулирующих прудов заключается в устройстве обводного коллектора, принимающего часть расхода воды. Другая часть расхода сбрасывается в пруд, который является регулирующей емкостью, задерживающей воду на некоторое время (рис.15). Для поступления воды в пруд из коллектора устраивается камера с водосливом - водовыпуск из коллектора. Для сброса воды из пруда устраивается водосборное сооружение - водосброс. Для обеспечения возможности полного опорожнения пруда в эксплуатационных целях (например, для очистки и т.п.) устраиваются донные выпуски.

Рис.15. Регулирующий пруд и обводной коллектор

Расположение, форма и размеры пруда - существующего или искусственного - обычно устанавливаются архитектурно-планировочным решением территории города. Очень часто планировочные условия определяют или сильно влияют на емкость пруда и его регулирующую способность. Тем не менее, во всех случаях, должны быть учтены требования водосточной сети города. Может быть запроектирован не один пруд, а каскад прудов в направлении падения рельефа.

Проектирование регулирующих прудов включает:

1. Определение емкости и габаритов (размеров пруда).

2. Установление нормального к максимального горизонтов.

3. Определение расхода обводного коллектора и расчет регулирующей емкости пруда.

4. Определение расчетного расхода коллектора ниже пруда.

Уравнение баланса стока с учетом регулирующего влияния пруда имеет следующий вид:

W=Wпр+Wобв, м3,

где W - полный объем стока, Wпр - объем воды, задерживаемый прудом, Wобв - объем воды, пропускаемый по обводному коллектору.

Размеры пруда и его емкость в основном определяются планировочными требованиями, а они устанавливаются на основе решений, принятых при разработке генплана или проекта детальной планировки. В зависимости от этих параметров выполняется гидрологический расчет регулирующего пруда.

Типовой гидрограф дождя обычно изображают в виде, показанном на рис.16. Он показывает объем стока, расчетный расход, объем воды, сбрасываемой в пруд, пропускаемый через обводной коллектор. Используется гидрограф и для определения ряда коэффициентов, применяемых в расчете.

Рис.16. Гидрограф стока

Полный объем стока определяют по формуле

W=60∙Qptp,  м3,

где Q - незарегулированный расход (т.е. расход, поступающий к месту расположения пруда выше расположенной части бассейна стока), м3; tр - расчетное время стекания воды с бассейна до пруда, мин; W - объем стока воды за период дождя или паводка.

Регулирующие пруды рассчитываются на дождевой сток, так как интенсивность дождя обычно значительно выше интенсивности снеготаяния и поэтому расход дождевого стока превышает расход талых вод.

Регулирующая емкость пруда, т.е. объем воды, задерживаемый прудом, может быть определен по формуле

Wпр=60∙KQptp,   м3,

где Qp - расчетный расход в месте водовыпуска из коллектора в пруд; tp - расчетное время стока воды со всего бассейна до места водовыпуска воды в пруд; K - коэффициент, зависящий от коэффициента регулирования α.

Объем воды, задерживаемой прудом, может быть определен и иначе. По условиям рельефа, в зависимости от архитектурно-планировочных требований, может задаваться отметка нормального (т.е. обычного в период между дождями) уровня воды и максимального. Разность этих отметок позволяет подсчитать объем воды, который может быть удержан прудом.

Соотношение полного объема стока и объема воды, задерживаемого прудом, позволяет подсчитать значение коэффициента регулирования:

где n - показатель степени, обычно принимается равным 2/3. Величину коэффициента α не следует принимать менее 0,15.

Величина коэффициента K принимается в зависимости от коэффициента регулирования по табл.7.

Таблица 7

Значения коэффициента

α

К

α

К

0,9

0,02

0,3

0,59

0,7

0,13

0,2

0,85

0,5

0,30

0,1

1,15

 

Зарегулированный расход, т.е. расход, пропускаемый по обводному коллектору, определяется с учетом коэффициента регулирования:

Qобв= αQp.

Расчет коллектора ниже регулирующего пруда производится из условия пропуска расхода, определяемого из выражения

Q=αQp+Qн+Qосвоб,

где αQр - расход, пропускаемый по обводному коллектору без сброса воды в пруд; Qн - расчетный расход с площади, расположенной ниже пруда (этот расход определяется без учета времени притока воды с площади выше пруда); Qосвоб - средний расход при освобождении пруда (определяется как для водослива).

Освобождение пруда от сброшенного объема воды должно осуществляться не более чем за 24 часа после окончания дождя. При заполнении пруда талыми водами дополнительный объем воды должен сбрасываться в коллектор ниже пруда не позднее утра следующего за наполнением дня.

Минимальная глубина пруда (при нормальном уровне воды) не должна быть менее 1,5 м. Береговые откосы пруда укрепляются в соответствии с общим уровнем благоустройства и назначением территории (набережные, одернованные откосы и др.). При проектировании прудов следует предусматривать водообмен в них в летнее время. Расчетная повторяемость сброса воды в декоративные пруды допускается 1…5 раз в год.

12. ОТКРЫТАЯ СИСТЕМА ВОДООТВОДА

Далеко не всегда и не везде существует закрытая система водоотвода, включающая: лотки, кюветы и канавы, а иногда и крупные каналы на территории города.

Лотки служат для направления стекающей воды с территории кварталов и микрорайонов, с территории зеленых насаждений к кюветам и канавам. Кюветы являются обычно элементами дорог, канавы служат для сброса и отведения в водоемы или иные места поверхностных вод (дождевых и талых). В открытой системе водоотвода с территории города канавы являются основным элементом. При неблагоприятных природных условиях (при наличии оползней, оврагов, при крутом рельефе) лотки и канавы применяют в качестве одного из мероприятий по ограждению склонов от размыва, по организации) стока поверхностных вод на откосах. В этих случаях канавы обычно играют роль нагорных, перехватывающих верховой сток. Поперечное сечение лотков, кюветов и канав показано на схемах рис.17.

Рис.17. Элементы открытой системы водоотвода

Для обеспечения нормальной эксплуатации городских улиц во время дождей, таяния снега глубина наполнения лотка ограничивается - она не должна превышать 4-5 см от верха бортового камня. Проезжая часть не должна затапливаться на ширину более 2-3 м.

Вообще открытые канавы на территории города нежелательны. Но при открытой системе водоотвода они устраиваются. Форма канав обычно трапециевидная: наименьшая ширина по дну - 0,3 м, наименьшая глубина - 0,4 м. Наибольшая глубина воды в канавах в пределах города -1м. Возвышение бровки над наивысшим горизонтом воды должно быть Не менее 0,2 м. Минимальный продольный уклон по дну канавы - 0,005. В южных районах (IV и V климатических зонах) можно минимальный продольный уклон уменьшить до 0,3%. В городах канавы обычно устраивают с укрепленными откосами и дном. Типы укрепления: мощение камнем по грунту или по щебню в один слой; крепление плитами - бетонными или каменными (тесанными); асфальтирование откосов и дна; бетонное укрепление - монолитное, сборное, железобетонное (монолитное, сборное). Крутизна откосов принимается в зависимости от вида грунта и крепления откосов:

Таблица 8

Допустимая крутизна откосов

Грунт русла канав и кюветов

Предельная крутизна откосов

Пески пылеватые

1 : 3

Пески мелкие, средние и крупные:

 

рыхлые и средней плотности

1 : 2

плотные

1 : 1,5

Супеси

1 : 1,5

Суглинки и глины

1 : 1,25

Выветрившаяся скала

1 : 0,25

 

Гидравлический расчет канав и кюветов выполняется по уже известным Формулам путем определения скоростной и расходной характеристик потока. Рассчитывают расход (для определения ширины и глубины канавы-кювета) и скорость течения воды (для решения вопроса о типе укрепления).

Сброс воды из кюветов и канав осуществляется непосредственно в водоем или в городскую подземную водосточную сеть. Подсоединение к подземной сети осуществляется к смотровому колодцу через оголовок с решеткой или просто через решетку в стенке колодца.

Расчетные расходы нагорных канав определяются притоком поверхностных вод с бассейнов, расположенных вне городской территории. Расчетными расходами являются ливневые. Период перенаполнения принимают в пределах от 2 до 20%, т.е. переполнение допускается от 1 раза в 50 лет до 1 раза в 5 лет - в зависимости от размеров возможного затопления и характера последствий. Если имеются наблюдения за долевыми осадками, то расчетный расход определяется по уже известным формулам. Если наблюдений нет, то используют эмпирические формулы.

Для определения среднего расхода может быть использована формула

Q0=MF, л/с,

где Q0 - среднегодовое значение расхода воды; М - модуль стока, т.е. количество воды, притекающей за 1 с, отнесенное к единице площади водосброса (л/с на 1 км2); F - площадь бассейна.

Значение модулей стока принимается в зависимости от географических и климатических условий. Например, для района Москвы модуль стока определяется в 6 л/с. км2.

Расчетная скорость определяется не только из условия не размываемости стенок русла и дна, но и из условия заиления канав. Поэтому можно написать неравенство:

Vнер>Vрасч>Vзаил,

где V - расчетная (допустимая) скорость; Vнер - не размывающая скорость; Vзаил - не заиливающая скорость.

Предельная не заиливающая скорость находится в пределах от 0,3 до 0,5 м/с. Неразмывающая скорость зависит от типа грунта или укрепления:

для грунтов - при глубине потока от 0,4 до 1,0 м - от 0,5 до 2 м/с;

при цементобетонном укреплении - от 5 до 7 м/с.

Таблица 9

Коэффициент гидравлической шероховатости

Грунт или материал

Коэффициент гидравлической шероховатости

Плотная земля с одерновкой или без нее

0,02-0,03

Тесовый камень, бут

0,017

Каменная наброска

0,03

Булыжное мощение

0,025

Асфальтобетон, асфальтовый раствор

0,014

Цементобетон

0,014

 

13. ЗАКЛЮЧЕНИЕ МАЛЫХ ПРОТОКОВ В ТРУБЫ

На территории многих городов и районов протекают малые протоки: речки, ручьи. Каждый из протоков имеет свой бассейн стока поверхностных вод. Как правило, малые протоки имеют и малый летний расход. Благоустройство городских территорий требует заключения таких рек и ручьев в трубы, прокладываемые под поверхностью земли.

Естественное русло каждого малого протока является тальвегом, собирающим и отводящим воду с территории своего бассейна. По этому тальвегу целесообразно проложить коллектор. В практике проектирования водосточной сети малые протоки обычно включают в сеть коллекторов соответствующего бассейна стока. Однако, при заключении протока в коллектор, возможно изменить положение русла и трассировать коллектор в соответствии с планировочным решением данного района города (т.е. чтобы коллектор проходил под улицей) (см. рис.18).

Рис.18. Спрямление русла ручья коллектором

При проектировании коллектора с заключенным в нем протоком расчетный расход определяется в зависимости от распространения бассейна стока в пределах городской территории или за ее пределами. При нахождении истока, и бассейна стока в пределах городской территории расчетный расход определяется обычным способом. При расположении части бассейна вне городской территории возможны разные случаи. Если эта "загородная" площадь бассейна невелика и не вызывает резкого увеличения расчетного расхода, то последний определяется обычным для проектирования городских водостоков способом. Если загородная часть бассейна протока велика и сток с нее значительно превышает сток с городской территории, то расчетный расход определяется с учетом стока с городской территории и пропуска транзитного расхода с внегородской части бассейна стока. При этом сеть рассчитывается на периоды переполнения с повторяемостью 1 раз в 10-50 лет, а иногда и 1 раз в 100 лет.

В зависимости от пропускаемых расходов коллекторы для пропуска малых протоков могут иметь сечение до 3-3,5 м в диаметре. На практике обычно применяются коллекторы прямоугольного сечения высотой до 3 м и шириной от 2 ,5 до 4 м и более. При более значительных размерах проектируются и сооружаются двухсекционные коллекторы. На рис.19 показан малый коллектор для пропуска стока из водосливной канализации. Для коллекторов чаще всего применяются сборные конструкции из стеновых блоков, плиты днища и плиты перекрытия. Применяют и сборные конструкции из объемных элементов замкнутого сечения. Могут быть и другие конструктивные решения. Например: использование шпунтового ряда (ж/бетонного), для укрепления стенок траншеи в качестве стенок коллектора. По верху шпунта устраивается обвязка. Дно и перекрытие устраивают из плоских плит.

Рис.19. Конструкция водосточного коллектора

КОНТРОЛЬНЫЕ ВОПРОСЫ

1. Приведите формулы для расчета пропускной способности водоприемного колодца.

2. Перечислите виды и составные элементы городской водосточной сети.

3. Напишите формулы для определения интенсивности расчетного дождя.

4. Приведите формулы для гидравлического расчета водосточного коллектора.

5. Приведите формулы для гидрологического расчета водосточного коллектора.

6. Перечислите состав проекта водосточной сети и последовательность его разработки.

ЛИТЕРАТУРА

1. Алисов Б.П. Климат СССР. - М.: Высшая школа, 1969, - 104 с.

2. Бакутис В.Э. Инженерная подготовка городских территорий, -М,: Высшая школа, 1970. - 376 с.

3. Бакутис В.Э., Нецветаев Л.П. Городские водосточные сети, -М.: Высшая школа, 1970. - 90 с.

4. Гидротехнические сооружения. Справочник проектировщика / Под ред. В.П.Недриги. - М.: Стройиздат, 1983. - 543 с.

5. Глушков Г.И., Кузовщиков Н.И., Чутков А.А. Методические указания по проектированию водоотвода и дренажа на аэродромах. - М.: МАДИ, 1984. - 56 с.

6. Дубровин Е.Н., Ланцберг Ю.С. Изыскания и проектирование городских дорог. - М.: Транспорт, 1981.

7. Изыскания и проектирование аэродромов, - М.: Транспорт, 1981.

8. Инженерное благоустройство городских территорий. Программа и краткие методические указания / ВЗИСИ. - М.: Высшая школа, 1969. - 46 с.

9. Ицкович М.Л. Инженерное обеспечение городской застройки. - М.: Высшая школа, 1972. - 160 с.

10. Клиорина Г.И., Осин В.А., Шумилов М.С. Инженерная подготовка городских территорий. - М.: Высшая школа, 1984. - 270 с.

11. Тригони В.Е., Длигач Т.М. Методические указания по гидравлическому расчету на ЭВМ коллектора водосточной сети аэродрома. - М.: МАДИ, 1982. - 18 с.

12. Уйма Адам. Исследование отвода поверхностных вод с аэродромов. Автореферат … канд. техн. наук. М., 1982. - 15 с.

13. СНиП II-32-74. Часть П. Глава 32. Канализация. Наружные сети и сооружения. - М.: Стройиздат, 1976. - 88 с.

14. Технические указания на проектирование наружных сетей водостоков в г.Москве. ВСН 9-63 Мосгорисполкома. М., Мосгорисполком, 1963. - 50 с.

 

ПРИЛОЖЕНИЕ

ТАБЛИЦА

гидравлического расчета коллекторов городских водостоков круглого сечения при полном наполнении. (Величина скорости, м/с, вычислена по формуле , где  - гидромодуль скорости;  взято по формуле Павловского, где  при n=0,014. Величина расхода м3/с вычислена по формуле , где K - гидромодуль расхода).

Диаметр

d, м

i=0,001

i=0,002

i=0,003

i=0,004

i=0,005

V

Q

V

Q

V

Q

V

Q

V

Q

0,20

0,31

0,010

0,44

0,014

0,54

0,017

0,62

0,019

0,69

0,022

0,25

0,36

0,018

0,51

0,025

0,62

0,031

0,72

0,035

0,80

0,040

0,30

0,41

0,029

0,57

0,040

0,70

0,050

0,81

0,057

0,91

0,064

0,40

0,49

0,062

0,70

0,087

0,85

0,107

0,98

0,123

1,10

0,138

0,45

0,53

0,085

0,75

0,120

0,92

0,147

1,06

0,169

1,19

0,190

0,50

0,57

0,112

0,81

0,158

0,99

0,194

1,14

0,224

1,28

0,251

0,60

0,64

0,18

0,91

0,26

1,12

0,32

1,29

0,36

1,44

0,41

0,70

0,71

0,27

1,01

0,39

1,24

0,48

1,43

0,55

1,60

0,62

0,80

0,78

0,39

1,10

0,55

1,35

0,68

1,56

0,78

1,74

0,88

0,90

0,84

0,54

1,19

0,76

1,46

0,93

1,69

1,07

1,89

1,20

1,00

0,90

0,71

1,28

1,00

1,56

1,23

1,81

1,42

2,02

1,59

1,10

0,96

0,93

1,36

1,30

1,67

1,58

1,93

1,83

2,16

2,05

1,20

1,02

1,16

1,45

1,63

1,77

2,00

2,04

2,31

2,28

2,58

1,30

1,08

1,43

1,52

2,02

1,86

2,47

2,15

2,86

2,41

3,20

1,40

1,13

1,74

1,60

2,46

1,96

3,01

2,26

3,48

2,53

3,90

1,50

1,19

2,10

1,68

2,97

2,06

3,63

2,38

4,20

2,66

4,70

1,60

1,24

2,48

1,75

3,51

2,14

4,30

2,47

4,96

2,77

5,56

1,70

1,28

2,90

1,81

4,10

2,21

5,02

2,55

5,79

2,86

6,48

1,80

1,34

3,40

1,89

4,80

2,31

5,88

2,67

6,80

2,99

7,60

1,90

1,39

3,95

1,97

5,59

2,41

6,84

2,79

7,91

3,12

8,85

2,00

1,43

4,50

2,02

6,36

2,48

7,79

2,86

9,00

3,20

10,06

Диаметр

d, м

i=0,006

i=0,007

i=0,008

i=0,009

i=0,010

V

Q

V

Q

V

Q

V

Q

V

Q

0,20

0,76

0,024

0,82

0,026

0,88

0,027

0,93

0,029

0,98

0,031

0,25

0,88

0,043

0,95

0,047

1,02

0,050

1,08

0,053

1,14

0,056

0,30

1,00

0,070

1,08

0,076

1,15

0,081

1,22

0,086

1,28

0,091

0,40

1,21

0,151

1,30

0,163

1,39

0,175

1,48

0,185

1,59

0,195

0,45

1,31

0,208

1,41

0,224

1,51

0,240

1,60

0,254

1,69

0,268

0,50

1,40

0,275

1,51

0,297

1,61

0,317

1,71

0,336

1,81

0,355

0,60

1,58

0,45

1,71

0,48

1,82

0,51

1,94

0,55

2,04

0,58

0,70

1,75

0,67

1,89

0,73

2,02

0,78

2,14

0,82

2,26

0,87

0,80

1,91

0,96

2,07

1,04

2,21

1,11

2,34

1,18

2,47

1,24

0,90

2,07

1,32

2,24

1,42

2,39

1,52

2,54

1,61

2,67

1,70

1,00

2,21

1,74

2,39

1,88

2,55

2,01

2,71

2,13

2,86

2,24

1,10

2,36

2,24

2,55

2,42

2,72

2,55

2,89

2,75

3,05

2,90

1,20

2,51

2,83

2,71

3,06

2,89

3,27

3,07

3,47

3,23

3,66

1,30

2,64

3,51

2,85

3,79

3,04

4,04

3,23

4,29

3,41

4,52

1,40

2,77

4,27

3,00

4,61

3,20

4,92

3,40

5,23

3,58

5,51

1,50

2,91

5,15

3,14

5,56

3,36

5,94

3,57

6,30

3,76

6,64

1,60

3,03

6,09

3,27

6,58

3,50

7,03

3,71

7,46

3,91

7,86

1,70

3,13

7,11

3,38

7,67

3,61

8,20

3,83

8,70

4,04

9,17

1,80

3,28

8,33

3,54

9,00

3,78

9,63

4,01

10,20

4,23

10,75

1,90

3,42

9,73

3,69

10,47

3,95

11,19

4,19

11,88

4,41

12,51

2,00

3,51

11,03

3,79

11,92

4,05

12,73

4,30

13,51

4,53

14,24

Диаметр

d, м

i=0,012

i=0,014

i=0,016

i=0,018

i=0,020

V

Q

V

Q

V

Q

V

Q

V

Q

0,20

1,07

0,034

1,16

0,036

1,24

0,039

1,32

0,041

1,38

0,043

0,25

1,24

0,061

1,34

0,066

1,44

0,071

1,52

0,075

1,57

0,079

0,30

1,41

0,099

1,52

0,107

1,63

0,115

1,72

0,122

1,82

0,128

0,40

1,70

0,214

1,84

0,231

1,97

0,247

2,09

0,262

2,20

0,276

0,45

1,85

0,293

1,99

0,316

2,13

0,339

2,26

0,360

2,38

0,379

0,50

1,98

0,388

2,13

0,419

2,28

0,448

2,42

0,476

2,55

0,501

0,60

2,23

0,63

2,41

0,68

2,58

0,73

2,74

0,77

2,88

0,81

0,70

2,47

0,95

2,67

1,03

2,85

1,10

3,03

1,17

3,20

1,23

0,80

2,70

1,36

2,91

1,46

3,12

1,57

3,31

1,66

3,49

1,75

0,90

2,92

1,86

3,16

2,01

3,38

2,15

3,58

2,28

3,78

2,40

1,0

3,13

2,46

3,37

2,65

3,61

2,84

3,83

3,01

4,04

3,17

1,10

3,34

3,17

3,60

3,42

3,86

3,66

4,09

3,89

4,31

4,10

1,20

3,54

4,00

3,82

4,32

4,09

4,62

4,34

4,90

4,57

5,17

1,30

3,73

4,95

4,02

5,34

4,31

5,72

4,54

6,07

4,82

6,40

1,40

4,92

6,03

4,23

6,52

4,53

6,97

4,80

7,39

5,06

7,79

1,50

4,12

7,27

4,44

7,84

4,75

8,40

5,04

8,91

5,31

9,39

1,60

4,28

8,61

4,62

9,29

4,95

9,95

5,25

10,55

5,53

11,12

1,70

4,42

10,04

4,77

10,83

5,11

11,60

5,42

12,30

5,17

12,96

1,80

4,63

11,77

4,99

12,70

5,35

13,69

5,67

14,43

5,98

15,20

1,90

4,83

13,70

5,21

14,78

5,58

15,83

5,92

16,79

6,24

17,69

2,00

4,96

15,59

5,35

16,81

5,73

18,00

6,08

19,10

6,41

20,13

Диаметр

d, м

i=0,022

i=0,024

i=0,026

i=0,028

i=0,030

V

Q

V

Q

V

Q

V

Q

V

Q

0,20

1,45

0,046

1,52

0,048

1,58

0,049

1,64

0,051

1,70

0,053

0,25

1,69

0,083

1,76

0,086

1,83

0,090

1,90

0,093

1,97

0,097

0,30

1,90

0,135

1,99

0,14

2,07

0,146

2,15

0,152

2,23

0,157

0,40

2,31

0,290

2,41

0,303

2,51

0,315

2,60

0,327

2,69

0,338

0,45

2,50

0,397

2,61

0,415

2,72

0,432

2,82

0,448

2,92

0,464

0,50

2,68

0,526

2,80

0,549

2,91

0,572

3,02

0,593

3,13

0,614

0,60

3,02

0,85

3,16

0,89

3,29

0,93

3,41

0,96

3,53

1,00

0,70

3,35

1,29

3,50

1,35

3,64

1,40

3,78

1,46

3,91

1,51

0,80

3,66

1,84

3,82

1,92

3,98

2,00

4,13

2,08

4,27

2,15

0,90

3,96

2,52

4,14

2,63

4,31

2,74

4,47

2,84

4,63

2,94

1,00

4,24

3,33

4,42

3,48

4,60

3,62

4,78

3,75

4,94

3,89

1,10

4,52

4,30

4,72

4,49

4,91

4,67

5,10

4,85

5,28

5,02

1,20

4,79

5,42

5,00

5,66

5,21

5,89

5,41

6,12

5,60

6,33

1,30

5,05

6,71

5,28

7,01

5,49

7,29

5,70

7,57

5,90

7,84

1,40

5,31

8,17

5,54

8,53

5,77

8,88

5,99

9,22

6,20

9,54

1,50

5,57

9,85

5,82

10,29

6,06

10,70

6,29

11,11

6,51

11,50

1,60

5,80

11,66

6,06

12,18

6,30

12,68

6,55

13,16

6,78

13,62

1,70

5,99

13,60

6,26

14,20

6,51

14,78

6,76

15,34

7,00

15,88

1,80

6,27

15,94

6,55

16,65

6,81

17,33

7,07

17,98

7,32

18,68

1,90

6,55

18,56

6,84

19,38

7,12

20,17

7,38

20,94

7,64

21,67

2,00

6,72

21,10

7,02

22,05

7,31

22,95

7,58

23,82

7,85

24,66

 




Яндекс цитирования



   Copyright © 2007-2026,  www.tehlit.ru.

[ ѓосты, стандарты, нормативы, инструкции, правила, строительные нормы ]