//
ТехЛит.ру
- крупнейшая бесплатная электронная интернет библиотека для "технически умных" людей.
WWW.TEHLIT.RU - ТЕХНИЧЕСКАЯ ЛИТЕРАТУРА

:: Алготрейдинг::


АЛГОТРЕЙДИНГ
шаг за шагом
с нуля по урокам!

Торговые роботы на PYTHON, BackTrader,
Pandas, Pine Script для TradingView. Связка с брокерами, телеграм и легкими приложениями.


Стальные трубопроводы

с заводской

теплогидроизоляцией

 

Руководство НПО "Стройполимер" по проектированию и монтажу

 

Москва 2002

 

Четвертая редакция, дополненная и переработанная.

Разработчики: А.Ф. Аникин, Ю.И. Арзамасцев, А.Я. Добромыслов, А.Г. Гузенёв,

М.Г. Евдокимов, P.O. Коваленко, Д.В. Овчинников, В.В. Перелыгин, Н.Л. Савельев,

В.Н. Степанов, В.А. Устюгов.

Разработчики выражают благодарность:

Тепловые сети ОАО «МОСЭНЕРГО» главному инженеру В.М. Липовских,

начальнику ПТО А.В. Новикову, заместителю начальника СТН В.К. Смирнову,

ведущему инженеру производственной лаборатории Ю.В. Вишневскому;

МГП «МОСГОРТЕПЛО» заместителю генерального директора В.К. Ильину;

ОАО «МОСПРОЕКТ-1» главному специалисту А.В. Фишеру;

ОАО «МОСИНЖПРОЕКТ» начальнику мастерской Ю.И Юнусову;

ЗАО «Теплосеть+» генеральному директору В.М. Гордиенко;

ВНИПИЭнергопром заведующему отделом Г.Х. Умеркину;

CANUSA SYSTEMS Ltd. представителю компании В.А. Муравьеву.

Содержание

1. Введение

2. Качество продукции. Гарантийные обязательства

2.1.Качество продукции и услуг. Гарантийные обязательства.

2.2 Преимущества теплопроводов в ППУ изоляции

3. Технические характеристики трубопроводов и применяемых материалов

4. Проектирование трубопроводных систем

4.1. Основные положения.

4.2. Расчетный участок теплотрассы

4.3. Соглашение об установке неподвижной опоры на входе в здание

4.4. Особенности расчета температурных напряжений и схем компенсации при бесканальной прокладке трубопроводов

4.5 Сила трения между трубопроводом и грунтом, возникающая при термическом расширении трубопровода

4.6 Формулы для расчета напряжений и перемещений

4.6.1 Участок трубопровода постоянного диаметра

4.6.2. Участок трубопровода переменного диаметра

4.7 Дополнительные компенсаторы

4.8.0беспечение перемещений компенсаторов в грунте

4.9 Некоторые приемы снижения уровня напряжений в трубопроводах теплотрассы

4.10 Размеры железобетонных щитов неподвижных опор

4.11. Глубина заложения

4.12 Учет конкретных условий строительства теплотрассы

4.13. Пример расчета.

5. Система оперативного дистанционного контроля состояния изоляции

5.1. Назначение системы контроля

5.2 Структуры системы контроля. Описание, приборы

5.3. Схемы расположения сигнальных проводов в трубах и фасонных деталях.

5.4.Принципы проектирования системы контроля.

5.5. Требования к монтажу системы. Инструменты для сборки проводов

5.6. Обнаружение мест протечки. Эксплуатация системы контроля

6. Транспортировка и хранение труб и деталей в ППУ изоляции

7. Монтаж и испытания трубопроводов

7.1. Разработка траншей и котлованов

7.2. Подготовка к монтажу

7.3. Монтаж трубопроводов

7.4. Теплогидроизоляция стыковых соединений

7.4.1 .Технология и материалы теплогидроизоляции стыка с применением скорлуп.

7.4.2. Теплогидроизоляция стыка заливкой жидких компонентов в кожух из оцинкованной стали с последующей гидроизоляцией термоусаживаемой лентой.

7.4.3. Материалы и технология тепло-гидроизоляции с применением термоусаживае-мого кожуха «SUPERCASE»

7.4.4 Технология и материалы теплогидроизоляции стыка теплогидроизолированных труб в оцинкованной оболочке.

7.4.5.Технология заделки стыка теплогидроизоляции на стартовом компенсаторе

7.5. Установка арматуры

7.6. Монтаж компенсаторов

7.7. Испытании трубопроводов

7. 8.Требования безопасности

8. Сортамент труб и фасонных деталей с теплогидроизоляцией

8.1. Трубопроводы систем теплоснабжения (бесканальная прокладка)

8.2.Трубопроводы систем теплоснабжения (прокладка надземная, в каналах, в подвалах зданий

8.3.Трубопроводы систем теплоснабжения (бесканальная прокладка)

8.4.Трубопроводы систем горячего водоснабжения (прокладка надземная, в каналах, в подвалах зданий)

8.5. Дополнительные комплектующие

8.6. Инструмент

1. Введение

НПО «Стройполимер» предприятие с высоким научно-техническим и технологическим потенциалом, специализирующееся на производстве труб из полимерных материалов и фасонных деталей к ним для отопления, водоснабжения и канализации зданий и сооружений. Объединение также выпускает стальные и полипропиленовые трубы и фасонные детали пенополиуретановой теплоизоляции с полиэтиленовой или стальной гидрозащитной оболочкой. Учебный центр «Стройполимер» проводит работу по подготовке и повышению квалификации специалистов соответствующего профиля.

Современное оборудование, прогрессивные технологии и материалы, а также многолетний опыт работы позволяют Объединению выпускать продукцию, отвечающую самым строгим требованиям по надежности, долговечности и экологической безопасности. НПО Стройполимер» имеет на своей территории постоянно действующую выставку выпускаемой продукции.

Продукция Объединения отмечена дипломами и наградами отечественных и международных ярмарок и выставок. Все изделия сертифицированы соответствующими государственными органами Российской Федерации. Высокий профессионализм сотрудников НПО «Стройполимер» обеспечивает надлежащий уровень сервисных услуг и гарантирует квалифицированную помощь и консультации по самым разнообразным вопросам проектирования и строительства трубопроводных систем.

Основная деятельность.

Основная сфера деятельности НПО «Стройполимер» состоит в обеспечении строительных компаний деталями и комплектующими материалами необходимыми для строительства как наружных, так и внутренних систем теплоснабжения, водоснабжения, канализации, и включает в себя:

- производство и поставку труб, фасонных изделий, запорной арматуры из полимерных материалов для внутренних и наружных сетей холодного и горячего водоснабжения, канализации, технологических трубопроводов;

- производство и поставку трубопроводных систем теплоснабжения, горячего водоснабжения с заводской теплогидроизоляцией: стальная труба в пенополиуретановой теплоизоляции и полиэтиленовой оболочке для подземной бесканальной прокладки; стальная труба в пенополиуретановой теплоизоляции и оболочке из оцинкованной стали для надземной прокладки; полипропиленовая труба в пенополиуретановой теплоизоляции полиэтиленовой оболочке для подземной бесканальной прокладки либо в оболочке из оцинкованной стали для канальной или надземной прокладки;

- производство защитной полиэтиленовой оболочки для прокладки волоконно-оптических линий передачи информации.

Кроме того, бригады монтажников нашего Объединения выполнят:

- монтаж трубопроводов;

- работы по реконструкции подземных трубопроводов без разработки траншей.

Производственные мощности НПО «Стройполимер» расположены в пос. Фрязево Ногинского района Московской области. Общая площадь производственных помещений, оснащенных современным оборудованием, составляет 9000м2. Складские помещения снабжены удобными автомобильными и железнодорожными подъездными путями. Головной офис НПО «Стройполимер» находится в центре Москвы, на Волгоградском проспекте. Непосредственно рядом с офисом расположены два дополнительных склада готовой продукции.

Услуги:

Специалисты НПО «Стройполимер» оказывают полный спектр услуг, связанных с основной деятельностью предприятия. Здесь Вы сможете:

- прослушать теоретический курс обучения по проектированию и монтажу трубопроводных систем;

- получить практический опыт выполнения наиболее сложных и ответственных технологических операций монтажа трубопроводов;

- посетить наш завод для ознакомления с производством и технологией изготовления компонентов трубопроводов непосредственно в условиях производства;

- получить консультации по проекту Вашей трубопроводной системы, либо с помощью наших специалистов подготовить новый проект;

- получить консультации и рекомендации по реконструкции и ремонту существующей трубопроводной системы;

- получить консультации по монтажу, испытанию и эксплуатации трубопроводов и систем контроля изоляции;

- быстро и качественно оформить Ваш заказ.

Качество нашей продукции, минимальные сроки выполнения заказов, обеспечение доставки по адресу Заказчика, одинаковое внимание как к большим по объему, так и к малым заказам, а также умеренные цены - гарантия успешного и выгодного сотрудничества с НПО «Стройполимер».

2. Качество продукции. Гарантийные обязательства

2.1. Качество продукции и услуг. Гарантийные обязательства.

При производстве продукции используются стальные трубы, соответствующие «Правилам устройства и безопасной эксплуатации трубопроводов пара и горячей воды», защитная оболочка трубопроводов в ППУ изоляции изготавливается из полиэтилена низкого давления (высокой плотности) марки 273.

Трубы и фасонные детали, выпускаемые НПО «Стройполимер», соответствуют ГОСТ 30732-2001, ТУ5769-007-41989945-98, ТУ5769-008-41989945-98, что подтверждено сертификатами соответствия, выданными Госстандартом РФ от 23.03.01.

Соответствие нормам гигиенической безопасности подтверждено гигиеническим сертификатом № 77.01.02.490.П.55320.12.8, выданным Министерством здравоохранения Российской Федерации.

Строительство и реконструкция сетевых трубопроводов выполняются в соответствии с требованиями СНиП 3.05.03-85 «Тепловые сети», СНиП III-42-80 «Магистральные трубопроводы» СНиП 3.05.05-84 «Технологическое оборудование и технологические трубопроводы» и «Правилами устройства и безопасной эксплуатации трубопроводов пара и горячей воды» на основе лицензии ФЛЦ № 002025-1.

Подготовка специалистов по проектированию и монтажу трубопроводов осуществляется на основе лицензии № Б 986337.

Проектирование теплосетей в ППУ изоляции выполняется на основе лицензии Госгортехнадзора «Лицензия на проектирование объектов котлонадзора» от 29.08.01, в соответствии со СНиП 2.04.07-86 «Тепловые сети» и СНиП 2.04.14-88 «Тепловая изоляция оборудования и трубопроводов».

В соответствии с техническими условиями, НПО «Стройполимер» предоставляет пятилетнюю гарантию на поставляемые трубы и фасонные детали.

2.2 Преимущества теплопроводов в ППУ изоляции

При оценке оптимальности проекта теплотрассы необходимо учитывать такие параметры, как: стоимость материалов, стоимость строительства теплотрассы, гарантийный срок службы, периодичность ремонтов, затраты на ремонт, потери тепла и др. Такая оценка в финансовом выражении позволяет минимизировать расходы по обеспечению теплом некоторой группы потребителей на длительный (20-30лет) период времени и является наиболее правильной. Преимущество теплопроводов бесканальной прокладки по сравнению с традиционной канальной прокладкой для типовой внутриквартальной городской теплотрассы наглядно показано в таблице 2.1. Даже не переводя данные этой таблицы в денежный эквивалент, видно, что бесканальная теплосеть имеет явные преимущества.

Однако предприятия, желающие построить теплосеть, часто оценивают проект только по величине первоначальных затрат, включающих: стоимость проекта, стоимость материалов и стоимость строительных работ. Сравнение этой части затрат для трубопроводов канальной и бесканальной прокладки выполнено в документе «Технико-экономическая оценка вариантов подземной прокладки трубопроводов», Москва, 1999.

Величина этих затрат для бесканальной прокладки почти в два раза ниже по сравнению с канальной прокладки.

Анализ показывает, что применение традиционных материалов и способов прокладки требует ежегодного ремонта теплотрасс с полной заменой труб и теплоизоляции через 10-15 лет, в то время как правильно спроектированные и смонтированные трубопроводы в ППУ изоляции могут служить без ремонта 25-30 лет.

Повышение долговечности, качества и надежности трубопроводных систем в ППУ изоляции определяются конструкцией этих систем, допускающих применение специализированных технологических линий, обеспечивающих высокое качество и стабильность технологических режимов при нанесении тепло- и гидроизоляции в заводских условиях, а также более высоким качеством применяемых материалов.

Оснащение трубопроводных систем в ППУ изоляции системой контроля за протечками, которая указывает точное место расположения дефектного участка трубопровода, позволяет своевременно обнаружить и устранить повреждения теплоизоляции, выполняя при этом минимальный объем земляных работ.

Повышенные потери тепла одинаково невыгодны как владельцу теплосети, несущему дополнительные расходы на строительство более мощной трубопроводной системы и большие расходы на оплату тепла, так и владельцу энергосистемы, продающей это тепло. Кроме того, страдает окружающая среда, воспринимающая дополнительные, ничем не оправданные выбросы тепла.

3. Технические характеристики трубопроводов и применяемых материалов

НПО «Стройполимер» выпускает стальные трубопроводы и фасонные детали в пенополиуретановой теплоизоляции с полиэтиленовой или стальной гидрозащитной оболочкой, предназначенные для строительства сетей централизованного теплоснабжения с расчетными параметрами теплоносителя Р=1,6 и 2,5 МПа, Т=130°С, допускающие кратковременный перегрев до 150°С. Все элементы теплосети соответствуют ГОСТ 30732-2001, ТУ 5769-008-41989945-98 и ТУ 5769-007-41989945-98. Трубопроводы и фасонные детали представляют собой трехслойную систему, в которой внутренняя стальная труба воспринимает давление и температуру транспортируемой воды, наружная полиэтиленовая (или стальная) оболочка выполняет функцию гидрозащиты от грунтовых вод или атмосферной влаги, слой пенополиуретановой теплоизоляции располагается в кольцевом зазоре между стальной трубой и гидрозащитной оболочкой. Для удобства сварки стальных труб и последующей герметизации гидрозащитной оболочки все элементы теплосети имеют неизолированные концы длиной 150 или 210мм. Кроме того, трубопроводы и фасонные детали оснащены проводами системы контроля влажности, которые прокладываются внутри слоя пенополиуретановой (ППУ) теплоизоляции. Изготовление такой системы выполняется в заводских условиях на специализированных технологических линиях, что гарантирует высокое качество и стабильность технических характеристик выпускаемой продукции.

Номенклатура теплогидроизолированных труб и фасонных деталей, выпускаемых НПО «Стройполимер», составляет полный типовой комплект элементов, достаточный для строительства теплосети любой сложности диаметром от 32 до 426мм, и включает в себя:

- трубы,

- отводы,

- тройники одноплоскостные и двухплоскостные,

- переходы,

- тройники-спускники,

- неподвижные опоры,

- стартовые компенсаторы,

- воздушники,

- запорную арматуру,

- концевые заглушки,

- элементы изоляции стыковых соединений,

- заглушки теплоизоляции,

- полуцилиндры из ППУ,

- жидкие компоненты для заливки ППУ изоляции в местах стыков,

- уплотнительные манжеты для прохода теплопровода сквозь стены и фундаменты строительных конструкций,

- амортизирующие прокладки для компенсации температурных расширений на углах поворота,

- элементы системы оперативного дистанционного контроля за влажностью теплоизоляции,

- ряд комбинированных элементов по специальному заказу.

Физико-механические свойства применяемых материалов

№ п/п

Конструкционный материал

Физическая характеристика

Величина

ТУ

ГОСТ

1

Гидрозащитная оболочка на основе

 

1.1

Полиэтиленовой трубы

Предел текучести при растяжении, МПа (кгс/см2), не менее

21(210)

19(190)

Относительное удлинение при разрыве, %, не менее

210

350

1.2

Трубы из оцинкованной листовой стали

Толщина цинкового покрытия, мкм, не менее

80

-

2

Теплоизоляция из пенополиуретана

Кажущаяся плотность, кг/м3, не менее

60

60

Прочность на сжатие, МПа, (кгс/см2)

0,3(3,0)

0,3(3,0)

Водопоглощение при 90-минутном кипячении, %по объему, не более

10

10

Объемная доля закрытых пор, %, не менее

88

88

Коэффициент теплопроводности, Вт/м . К, при Т=50°С, не более

0,033

0,033

Прочность на сдвиг в осевом направлении, МПа, не менее, при температурах:

 

 

20°С

0,12

-

60°С

0,12

-

23±2°С

-

0,12

140±2°С

-

0,08

3.

Труба стальная

Модуль упругости, Н/мм2

2.08·105

-

Коэффициент температурного расширения, 1/°С

1,2·105

-

Предел текучести, Н/мм2

230

-

Максимальное напряжение в трубопроводах при оптимальном проекте теплотрассы, Н/мм2

150

-

Коэффициент теплопроводности, Вт/м°С

75

-

Плотность, кг/м3

7800

-

4. Проектирование трубопроводных систем

4.1. Основные положения.

Проекты теплотрасс выполняются на основе целого ряда нормативных документов и включают в себя тепловые, гидравлические и прочностные расчеты. Учитывая тот факт, что специализированные проектные организации имеют большой опыт выполнения таких расчетов применительно к проектированию теплотрасс традиционной канальной прокладки, в настоящем разделе основное внимание уделено выполнению расчетов статической прочности трубопроводов бесканальной прокладки, которые существенным образом отличаются от традиционных. Главным отличием прочностных расчетов бесканальных трубопроводов является необходимость учитывать силу трения между полиэтиленовой оболочкой трубопровода и грунтом, возникающую при разогреве-охлаждении стальной трубы.

Строгий и достаточно точный расчет перемещений и напряжений в трубопроводах бесканальных тепловых сетей возможен лишь на основе классических подходов механики деформируемого твердого тела с применением численных методов (метод конечных элементов) решения соответствующих краевых задач теории упругости и теории пластичности и результатов экспериментальных исследований поведения бесканальных трубопроводов в грунте. Результаты такого расчетно-экспериментального исследования могут послужить основой для разработки норм прочности, доступных и удобных для использования в инженерной практике проектирования бесканальных тепловых сетей. Практическая реализация такой программы исследований требует привлечения высококлассных специалистов в области механики деформирования и разрушения конструкций и весьма солидного финансирования этих исследований. Отметим, что подобные исследования к настоящему времени уже выполнены в Германии.

К сожалению, уровень понимания остроты этой проблемы в Российской Федерации недостаточен для принятия надлежащих решений, что сильно замедляет продвижение в этом направлении и вызывает большие трудности при выполнении практических проектов теплотрасс, особенно в удаленных от центра регионах России.

В настоящих методических рекомендациях расчеты прочности бесканальных трубопроводов предельно упрощены и основаны на ряде упрощающих допущений и новом для бесканальной прокладки понятии «расчетного участка». Приведены некоторые новые формулы, отсутствующие в аналогичных руководствах других фирм-поставщиков материалов для строительства бесканальных тепловых сетей.

Трубопроводы бесканальной прокладки работают в условиях знакопеременных нагружений, обусловленных изменениями температуры теплоносителя. При этом уровень осевых напряжений в стальной трубе может превышать предел текучести, что, строго говоря, требует проведения расчетов малоцикловой прочности как для применяемых марок сталей, так и для соответствующих сварных соединений. Срок службы такого трубопровода определяется числом циклов знакопеременного нагружения, величиной размаха напряжений в этих циклах и сопротивлением сталей малоцикловому разрушению. Однако, учитывая определенную сложность выполнения расчетов малоцикловой прочности и тот факт, что любая теплотрасса может быть спроектирована так, что напряжения в стальной трубе не превысят предела текучести данной марки стали, расчеты прочности, приведенные в этом разделе, ограничиваются расчетами на статическую прочность. В случае необходимости выполнения расчетов малоцикловой прочности следует обратиться к специальной нормативной документации.

Расчеты статической прочности трубопроводов основаны на критериальной зависимости σэдоп и, кроме того, включают в себя расчетное определение изменения длины трубопроводов, вызванное соответствующими изменениями температуры теплоносителя, для выбора тех или иных компенсирующих элементов, а также расчетное определение монтажных температур. Расчетная температура теплоносителя Трасч обычно равна 130°С. Если трубопровод смонтирован и засыпан грунтом при температуре Тмонт = +10°С, то осевые напряжения в трубопроводе σх = 0. При последующем разогреве трубопровода до температуры Трасч=130°С в материале стальной трубы развиваются температурные напряжения, σх величина которых может достигать σх.а.ΔТ=2,08·105.12.10-6·120 = 300 Н/мм2, (здесь Е - модуль упругости стали, а - коэффициент температурного расширения стали, ΔТ - изменение температуры), что заметно превышает предел текучести применяемых сталей. Однако в правильно спроектированном и построенном трубопроводе можно добиться такого состояния, при котором типичные колебания температуры теплоносителя от +11оС до +130°С будут вызывать изменения осевой составляющей напряжений в интервале от -150 [Н/мм2] до +150 [Н/мм2]. Такие условия работы являются наилучшими для трубопроводов тепловых сетей, и предлагаемые рекомендации по проектированию нацелены на достижение именно этих условий работы трубопроводов. Разумеется, могут возникать такие ситуации, когда даже в правильно спроектированных трубопроводах напряжения будут превышать предел текучести материала (первый разогрев трубопроводов, ремонт в холодное время и т.п.). Тем не менее, число температурных циклов, нагружающих материал стальной трубы выше предела текучести, может быть существенно сокращено, что повышает надежность и долговечность теплосети.

Анализ и обобщение международного опыта проектирования трубопроводов в ППУ изоляции, прокладываемых бесканальным методом, а также методических рекомендаций по проектированию различных фирм-поставщиков позволяет сформулировать отмеченные выше упрощающие допущения в явном виде следующим образом:

1. Три элемента трубопровода в ППУ изоляции: стальная труба, пенополиуретановая теплоизоляция и полиэтиленовая гидрозащитная оболочка представляют собой единое тело (так называемая скрепленная система).

2. Механические усилия и напряжения в пенополиуретановой теплоизоляции и в полиэтиленовой оболочке пренебрежимо малы по сравнению с усилиями и напряжениями в стальной трубе,

3. Деформации и перемещения всех трех компонентов трубопровода одинаковы и равны деформациям и перемещениям стальной трубы.

4. Трубопровод в ППУ изоляции рассматривается как идеально упругое тело.

5. Принимается, что сложный процесс взаимодействия трубопровода с грунтом с достаточной точностью моделируется одной единственной величиной - коэффициентом трения между полиэтиленовой оболочкой и грунтом, имеющим постоянное значение μ = 0,4.

6. Осевые усилия в стальной трубе, которые возникают от изгиба компенсирующих плеч Г-образных, Z-образных и П-образных компенсаторов, сжатия-растяжения сильфонных и стартовых компенсаторов, а также от действия давления теплоносителя, пренебрежимо малы по сравнению с осевыми усилиями в стальной трубе, возникающими от действия сил трения между оболочкой и грунтом и не оказывают влияния на температурные изменения длины трубопровода.

7. При расчетах перемещений точек трубопровода, вызванных изменениями его температуры, пренебрегают влиянием коэффициента Пуассона.

Рекомендации по проектированию предлагаемые различными фирмами-поставщиками компонентов бесканальных трубопроводов, основаны на этих допущениях и отличаются, главным образом, формой представления информации.

Предлагаемые в настоящем альбоме рекомендации по проектированию также основаны на перечисленных выше допущениях. Вместе с тем представлен ряд новых формул, позволяющих повысить точность расчета напряжений в трубопроводах и точность расчета перемещений точек, расположенных на прямолинейных участках трубопровода со ступенчатым изменением диаметра трубы, а также уточняющих вычисления силы трения для участков трубопровода с переменной глубиной траншеи. Приводится анализ области применимости и точности наиболее популярной формулы для вычисления величины Lmах, представляющей собой максимально допустимое расстояние между опорой и компенсатором, при котором напряжения в стальной трубе не превышают допустимых. Кроме того, изложен вопрос о расчете монтажных температур трубопроводов при установке стартовых компенсаторов, а также при монтаже трубопроводов с предварительным нагревом.

4.2. Расчетный участок теплотрассы

При бесканальной прокладке трубопроводов в ППУ изоляции трубопроводы укладываются непосредственно в грунт. В процессе разогрева и охлаждения трубопроводы испытывают подкрепляющее воздействие грунта, что необходимо учитывать в расчетах. Подкрепляющее действие грунта позволяет наряду с приведенными выше допущениями сделать еще один важный шаг к упрощению расчетов, который можно сформулировать следующим образом:

Возможно выполнить такое разделение произвольной теплотрассы на отдельные участки, при котором температурные расширения (сокращения) отдельного участка не оказывают никакого влияния на работу других участков. Такое разделение позволяет производить расчеты прочности и схем компенсации отдельно взятого участка теплотрассы независимо от расчетов других участков теплотрассы. Далее такой участок будем называть расчетным. Более того, такой участок теплотрассы можно не только рассчитывать независимо от других участков теплотрассы, но и строить как самостоятельный объект. При строительстве такого участка как самостоятельного объекта необходимо соблюдать проектные требования (см. раздел 4.12).

Трубопроводы и фасонные детали, поставляемые НПО «Стройполимер» (см. раздел 8), позволяют строить теплотрассы произвольной конфигурации, составленные из прямолинейных участков. В этом случае расчетным является участок теплотрассы, составленный из прямолинейных отрезков трубопроводов, границами которого могут служить неподвижные опоры и естественные компенсаторы в произвольном сочетании.

Здесь под естественными компенсаторами понимаются компенсаторы, образованные одним или несколькими отводами с углом поворота более 45% которые служат для изменения направления теплотрассы в соответствии с ее проектной конфигурацией. Эти отводы одновременно выполняют функцию компенсации температурных расширений, т.е. представляют собой Г-образные компенсаторы, а при определенных расстояниях между ними могут образовывать Z-образные или П-образные компенсаторы. Все другие компенсаторы, которые включаются в теплотрассу исключительно для выполнения функции компенсации температурных расширений (и, вообще говоря, ухудшают все остальные показатели теплотрассы, такие как: надежность, гидравлическое сопротивление, тепловые потери, стоимость материалов, время монтажа, стоимость монтажных работ и т.п.), будем называть дополнительными.

Если расчетный участок заканчивается естественным компенсатором, то при его анализе необходимо проверить, достаточна ли его компенсирующая способность для поглощения температурных расширений трубопроводов рассматриваемого расчетного участка. В том случае, когда естественный компенсатор не способен поглотить температурные расширения расчетного участка из-за недостаточной длины компенсирующих плеч, то под расчётным участком следует понимать участок, составленный из двух смежных расчетных участков, разделенных этим естественным компенсатором.

Если расчетный участок содержит одно или несколько тройниковых ответвлений, то трубопроводы ответвлений также включаются в этот расчетный участок, причем одним концом трубопровода ответвления является тройник, а другой конец может заканчиваться неподвижной опорой или естественным компенсатором.

Под неподвижной опорой понимается фактически установленная неподвижная опора.

В том случае, когда уровень напряжений на опорах некоторого расчетного участка превышает допустимое значение, либо этот расчетный участок содержит отводы с углом меньше 45° или естественные компенсаторы с недостаточной компенсирующей способностью, на этом расчетном участке необходимо установить дополнительные компенсаторы.

Пример разделения теплотрассы на расчетные участки показан на рис.4.1. В соответствии с изложенным, теплотрассу рис.4.1 можно разделить на следующие расчетные участки: 1-2; 2-3-4-5; 5-6; 6-7 и 7-8.

 

рис.4.1

4.3. Соглашение об установке неподвижной опоры на входе в здание

Тепло и горячая вода доставляются потребителю по трубопроводам, проложенным бесканальным способом вне здания (наружная сеть), и по трубопроводам, проложенным внутри здания (внутренняя сеть). Эти две части одной и той же тепловой сети стыкуются обычно в подвальном помещении здания и, с точки зрения расчетов прочности, представляют конструкцию, которая при изменениях температуры теплоносителя работает как единое целое. Однако часто бывает так, что проект наружной части теплосети разрабатывает одна проектная организация, а проект внутренней части теплосети - другая. При этом может возникать несогласованность этих частей проекта в расчетах прочности и схем компенсации вблизи места сопряжения трубопроводов, и, как следствие, возможно нарушение нормальной работы или поломка трубопроводов теплосети. Для того чтобы исключить подобные ситуации, принято соглашение, согласно которому проект наружной части теплосети должен предусматривать установку неподвижных опор на входе в здание и тем самым защищать трубопроводы внутренней части теплосети от температурных расширений наружных трубопроводов. Очевидно, что с точки зрения обеспечения прочности трубопроводов, неподвижная опора в этом случае может быть вовсе не нужна и лишь увеличивает общую стоимость теплотрассы.

В настоящее время существует также соглашение о том, что неподвижная опора на входе в здание устанавливается в том случае, когда прямолинейный участок трубопровода, непосредственно входящий в здание, имеет длину более 10м (см. рис.4.1).

4.4. Особенности расчета температурных напряжений и схем компенсации при бесканальной прокладке трубопроводов

Главной причиной появления напряжений и перемещений трубопроводов, проложенных в грунте, являются температурные воздействия. С увеличением температуры элементы трубопровода расширяются и в них возникают механические напряжения. Целесообразно рассмотреть два предельных случая температурного нагружения трубопроводов. В первом случае труба нагрета равномерно по длине и по толщине стенки и расширение происходит свободно, т.е. труба не закреплена. В этом случае длина трубы увеличивается до максимального размера, соответствующего температуре разогрева, а напряжения в трубе отсутствуют. Второй предельный случай состоит в том, что концы разогреваемой трубы неподвижны, например, зафиксированы с помощью неподвижных опор. В этом случае увеличение длины трубопровода не происходит, но в трубе возникают максимальные по величине сжимающие напряжения. В реальности трубопроводы в ППУ изоляции засыпаны грунтом, на них могут быть установлены неподвижные опоры, поэтому свободного расширения в данном случае быть не может, и в трубах возникают температурные напряжения. Однако отмеченные выше две крайние ситуации встречаются редко. Чаще имеют место промежуточные условия температурного нагружения, когда трубопровод частично расширяется, и в нем возникают температурные напряжения.

Пример 1. Свободное расширение трубопровода (рис.4.2). Температура трубы длиной L увеличена на величину ΔТ, причем труба расширяется свободно. Тогда удлинение трубы ΔL можно вычислить по формуле:

Δ1=α..АT..L                                                                            (1)

в которой α - коэффициент температурного расширения.

рис.4.2

 

рис.4.3

Отсюда величина относительного удлинения трубы, или ее деформация, равна:

                                                                   (2)

При значениях L = 10м, ΔТ = 100°С, a = 12·10-6 получим: ΔL = 0,012м = 12мм. При этом никаких напряжений в трубе нет, т.е. s=0.

ПРИМЕР 2. Оба конца той же трубы жестко закреплены (рис. 4.3). Температура трубы увеличивается на величину ΔТ. Ее удлинение и деформация равны нулю, т.е. ΔL = 0 и, соответственно,

                                                                    (3)

В материале стальной трубы возникают постоянные по всей длине трубы температурные напряжения, которые равны:

σ = -Е.a ..ΔТ,                                                                         (4)

где Е - модуль упругости материала стальной трубы.

При значениях ΔТ = 100°С, α = 12.10-6, как и в примере 1, и Е = 2,08.105 Н/мм2 получим ΔL = 0, σ = 240 Н/мм2.

Вопрос о вычислении перемещений, деформаций и напряжений, вызванных температурными изменениями, требует некоторых пояснений. В соответствии с принятыми допущениями (см. раздел 4.1), труба рассматривается как идеально упругое тело. В этом случае осевые механические напряжения в стальной трубе подчиняются закону Гука, который записывается и используется в расчетах в обычном виде: σ = Е ε. Применяя это выражение к вычислению напряжений в примерах 1 и 2, получим, что напряжения в примере 1 отличны от нуля, а в примере 2 равны нулю, что полностью противоречит существу дела. Для преодоления этой особенности температурных нагружений в теории упругости используется метод устранения деформаций. Применительно, например, к примеру 2, этот метод состоит в том, что сначала мы (мысленно) предоставили возможность нагретой трубе свободно расшириться, а затем сжали ее до первоначального размера, например, с помощью некоторого механического устройства, и тем самым сообщили трубе деформацию, в точности равную температурной, но противоположную по знаку. Теперь ясно, что в трубе появятся напряжения, несмотря на то, что первоначальный размер трубы не изменился и деформации равны нулю. Знак (-) у напряжения появился в соответствии с общепринятым в теории упругости правилом знаков для напряжений. Аналогичный подход используется и при вычислении перемещений точек трубопровода. При этом формулы (14), (15), (17), (18), для вычисления перемещений, приведенные в разделе 4.7, составлены из двух частей. Первый член в этих формулах отражает изменение длины свободно расширяющегося трубопровода и по существу совпадает с формулой (1), а второй член этих формул отражает тормозящее влияние грунта.

4.5 Сила трения между трубопроводом и грунтом, возникающая при термическом расширении трубопровода

Расчетные методики, используемые при проектировании теплосетей всеми ведущими фирмами, исходят из предположения о том, что взаимодействие трубопровода с грунтом полностью и с достаточной точностью отражается лишь одним единственным коэффициентом - коэффициентом трения между грунтом и полиэтиленовой оболочкой изоляции. Этот коэффициент принимается постоянным и равным μ = 0,4. Принимается также, что стальная труба жестко связана с полиэтиленовой трубой через недеформируемый слой пенополиуретана. Таким образом, стальная труба в ППУ изоляции и полиэтиленовой оболочке деформируется как единое целое при изменении температуры стальной трубы. При этом считается, что все нагрузки, действующие на такой трубопровод, полностью передаются на стальную трубу и воспринимаются только стальной трубой (рис.4.4А). Конечно, для деформирования пенополиуретана и полиэтиленовой трубы также необходимо прикладывать некоторые усилия. Однако в силу того, что модули упругости этих материалов на три порядка ниже чем у конструкционной стали, этими усилиями вполне можно пренебречь. Сила трения между грунтом и трубопроводом, действующая на единицу длины трубопровода (т.е. на один метр), рассчитывается по формуле:

 [H/м]                                    (5)

рис.4.4А

рис.4.4Б

Здесь D - внешний диаметр полиэтиленовой трубы [м], h - расстояние от поверхности почвы до оси трубопровода [м], ρ = 1800 [кг/м3] - плотность грунта, μ = 0,4 - коэффициент трения, Ко = 0,5 - калибровочный коэффициент.

Суммарная сила трения Fтр, действующая на прямолинейный участок трубопровода длины L диаметром D при постоянной глубине траншеи h, т.е. при постоянной силе f , равна простому произведению:

F тр = f L                                                                             (6)

Часто глубина траншеи (величина h в формуле (5)) оказывается переменной по длине прямолинейного участка трубопровода. Тогда и сила трения f, действующая на один метр трубы, очевидно является величиной переменной.

Для переменной глубины траншеи в простейшем случае можно принять, что глубина траншеи h изменяется линейно по длине прямолинейного участка трубопровода. Тогда в формуле (5) величина f - fср представляет собой среднее значение силы трения, соответствующее среднему значению глубины траншеи hср = 0.5.(ho+h1), где h0 и h1 значения глубины траншеи на концах рассматриваемого прямолинейного участка (рис. 4.4Б). В этом случае формула (6) запишется в виде:

F TP = f CP.L                                                                           (6΄)

Если глубина траншеи h постоянна по длине трубопровода, т.е. h0 =h1, то формула (6') совпадает с формулой (6), т.е. (6) является частным случаем формулы (6').

ПОНЯТИЕ МНИМОЙ ОПОРЫ. Трение между трубопроводом и грунтом, возникающее при разогреве и охлаждении, приводит к понятию мнимой неподвижной опоры. Температурное расширение трубопровода происходит по всем направлениям равномерно. Поэтому на прямолинейном участке трубопровода, засыпанного грунтом, концы которого являются свободными или заканчиваются компенсаторами (см. допущение №6 раздела 4.1), естественным образом возникает неподвижная точка, от которой стальная труба расширяется в обоих направлениях (рис.4.5). В этом случае говорят, что в данной точке возникает мнимая неподвижная опора. В частности, если длина такого участка равна и, толщина слоя засыпки (глубина траншеи) постоянна и диаметр трубопровода на этом участке не изменяется, то мнимая неподвижная опора возникает в средней точке этого участка, т.е.

                                                                                  (7)

 

 

рис.4.5

4.6 Формулы для расчета напряжений и перемещений

Как отмечено в разделе 4.1. расчет трубопроводов сводится к определению температурных напряжений в стальной трубе, определению величин перемещений в местах установки компенсаторов для обеспечения свободного перемещения этих точек трубопровода и определению значений монтажных температур. В настоящем разделе приведены формулы для выполнения этих расчетов. Максимальные напряжения в материале стальной трубы возникают, очевидно, в точках установки неподвижных опор, либо в точках возникновения мнимых опор. Расчет прочности производится именно для этих точек. Поэтому для расчета прочности необходимо знать места установки неподвижных опор и вычислить положение мнимых опор.

Перемещения трубопровода рассчитывают для того, чтобы определить толщину компенсирующего слоя, которая должна гарантировать свободу перемещений компенсаторов трубопровода при рабочих изменениях температуры. Максимальные перемещения на прямолинейном участке трубопровода имеют место, очевидно, на углах поворота трубопровода, П-образных и Z-образных компенсаторах или сильфонных компенсаторах. Кроме того, необходимо обеспечивать свободу перемещений в местах ответвлений, а также выполнять расчет величины перемещений при монтаже стартовых компенсаторов.

Напряженное состояние трубопроводов теплосети определяется двумя величинами: напряжением в осевом направлении трубы σх и окружным напряжением σt. При проведении расчетов прочности иногда в качестве характеристики напряженного состояния трубопровода используют лишь одну из этих величин. В этом случае вычисляют обе величины и сравнивают большую из них с допустимой величиной σдоп, которая определяется характеристиками материала, конкретными условиями его работы, либо соответствующими нормами расчетов на прочность. В случае температурных нагружений бесканальной прокладки стальных трубопроводов в ППУ изоляции большее значение всегда имеет компонента σх. Однако для более полного учета напряженного состояния трубопровода необходимо принимать во внимание обе компоненты напряжений. При этом используют обычное критериальное уравнение строительной механики:

σэ < σдоп                                                                                                            (8)

В этом уравнении σэ - эквивалентное напряжение, которое включает в себя обе компоненты напряжений σt и σх, т.е. более полно учитывает характер нагружения материала стальной трубы, σдоп - характеристика материала стальной трубы. Для условий работы прямолинейных участков трубопроводов теплосетей величина σэ определяется по формуле:

                                                      (9)

в которой σх - напряжение, действующее вдоль оси трубопровода, равное:

,                                                                         (10)

а σt - окружное (тангенциальное) напряжение, которое вычисляется как:

.                                                                       (11)

Буквенные значения в формулах (10), (11) означают следующее:

σt - хР/мм2] – окружное (тангенциальное) напряжение

σх - [Н/мм2] – напряжение в осевом направлении

Р - [Н/мм2] – давление теплоносителя

F - [H] – сила, растягивающая (сжимающая) трубопровод, направленная вдоль оси трубы

Sст - [мм2] - площадь поперечного сечения стенки стальной трубы;

R - [м] - внутренний радиус стальной трубы;

δ - [м] - толщина стенки стальной трубы.

Сила F в формуле (10) представляет собой силу трения между полиэтиленовой оболочкой трубопровода и грунтом, которая вычисляется по формуле (6) или (6'). Условия прочности для стальной трубы будут выполнены, если выполняется неравенство (8).

Замечание. Выше приведена классическая схема расчета прочности для бесканальной прокладки трубопроводов теплосетей в ППУ изоляции, основанная на допущениях, перечисленных в разделе 4.1. Часто при проектировании теплотрассы удобно пользоваться понятием максимально допустимой длины Lmах прямолинейного участка трубопровода, заключенного между неподвижной опорой и компенсатором. Величина Lmах вычисляется из условия, что осевое напряжение в точке трубы на неподвижной или мнимой опоре равна 150 [Н/мм2]. Это условие гарантирует, что на участке трубопровода между неподвижной или мнимой опорой и компенсатором осевые напряжения σх < 150 [Н/мм2], что соответствует наилучшим условиям работы трубопровода, отмеченным в разделе 4.1. Для вычисления Lmах используется следующая формула, которая может быть легко получена из формулы (10):

.                                                                      (13)

После, вычисления величины Lmах она сравнивается с фактической длиной трубопровода между опорой и компенсатором и, если фактическая длина оказывается меньше величины Lmах, то для этого участка гарантированы наилучшие условия работы.

В данном случае при вычислении длины Lmах принимается в расчет только одна компонента напряженного состояния, а именно компонента σх, обусловленная температурным нагружением трубопровода, что не приводит к заметной перегрузке материала стальной трубы. Применительно к трубопроводам теплосетей это означает, что в расчет принимается только температурное нагружение и не учитывается нагружение трубопровода внутренним давлением теплоносителя. Однако при анализе статической прочности по критерию (8) необходимо вычислять обе компоненты напряженного состояния трубопровода.

Для оценки влияния компоненты σt на точность вычисления σэ рассмотрим условный пример теплотрассы (рис.4.6).

 

Рис.4.6

Предположим, что участок трубопровода проложен на глубине 1м.

Стальная труба имеет диаметр 100 мм;

диаметр полиэтиленовой оболочки 200мм.;

толщина стенки стальной трубы 3,5 мм;

температура монтажа 0°С;

рабочая температура теплоносителя 130 °С;

расчетное давление теплоносителя 16 атм.

Тогда по формуле (13) получим, что величина Lmax = 50м. На таком расстоянии от неподвижной опоры требуется установить компенсатор (см. рис.4.6). Более подробный анализ напряжений для участка трубопровода длиной 50м между опорой и компенсатором, выполненный по критерию (8), показывает, что эквивалентное напряжение в материале стальной трубы в точке установки неподвижной опоры и на мнимой опоре для различных режимов нагружения трубопровода равны:

σэ =163 Н/мм2 - разогрев трубопровода + внутреннее давление;

σэ =140 Н/мм2 - охлаждение трубопровода + внутреннее давление.

Сравнение полученных значений показывает, что пренебрежение величиной σt, приводит к погрешности вычисления σэ примерно на 11%.

Заметим также, что формула (13) не может применяться к прямолинейным участкам трубопровода со ступенчатым изменением диаметра.

4.6.1 Участок трубопровода постоянного диаметра

Положение мнимой опоры. Положение мнимой опоры на прямолинейном участке трубопровода постоянного диаметра определяется формулой (7).

Напряжения. Температурные напряжения в трубопроводе необходимо вычислять на основе критериального уравнения (8), в котором величина σэ рассчитывается по уравнениям (9), (10), (11), а сила F представляет собой силу трения между полиэтиленовой оболочкой трубопровода и грунтом, вычисляемую по формулам (5), (6), (6').

Перемещения. Величина перемещения точки врезки компенсатора,  определяется температурным расширением прямолинейного участка трубопровода, расположенного между неподвижной или мнимой опорой и этим компенсатором (точка 3 рис.4.7). Формулы (14), (15), (17), (18) для вычисления перемещений, приведенные далее, получены с учетом допущения №7 раздела 3.1.

Перемещения неподвижной опоры (точка 1, ) принимаются равными нулю. При изменении температуры трубопровода на величину ΔТ смещение точки 3 составит:

 

рис.4.7

,                                      (14)

Здесь f - известная нам сила трения на единицу длины трубопровода между полиэтиленовой оболочкой и грунтом, вычисляемая по формуле (5), L - расстояние между опорой и компенсатором, Е - модуль упругости стали, Sст - площадь поперечного сечения стенки стальной трубы. Если между опорой и компенсатором находится гройниковое ответвление, как показано на рис.4.7, то его перемещение (т.е. перемещение точки 2) можно вычислить с помощью аналогичной, но чуть более сложной формулы:

,                                      (15)

в которой L1 - расстояние от свободного конца трубы до тройника, а L2 - расстояние от опоры до тройника.

Рекомендации других поставщиков представляют эту формулу в виде, предложенном фирмой «Logstor-Ror»:

,                                 (15а)

в которой Lт - расстояние от опоры до тройника. Здесь использовано обозначение Lmах = L1+L2, L2 = LT.

4.6.2. Участок трубопровода переменного диаметра

Формулы этого раздела являются обобщением формул раздела 4.6.1 и не приводятся в рекомендациях по проектированию других фирм-поставщиков трубопроводов.

Часто прямолинейный участок трубопровода, содержащий тройниковое ответвление, составляется из отрезков труб разного диаметра. Примером может служить отрезок трубопровода между точками 1 и 3 (рис.4.8), диаметр которого изменяется в точке 2. В этом случае сила трения между трубопроводом и грунтом, приходящаяся на единицу длины трубопровода, изменяется скачком вместе с изменением диаметра полиэтиленовой оболочки трубопровода. Для расчета положения мнимой опоры, напряжений на опорах и перемещений компенсаторов требуются более сложные формулы, которые приведены в этом разделе. Формулы раздела 4.6.1 являются частным случаем формул, приведенных ниже.

Положение мнимой опоры. Для определения места расположения мнимой опоры прямолинейного отрезка трубопровода переменного диаметра необходимо использовать формулу:

,                                                           (16)

Здесь f1, и f2 - силы трения на единицу длины труб диаметрами D1, и D2, соответственно, вычисляемые по формуле (5), причем f2 - сила трения на единицу длины для участка, на котором суммарная сила трения F имеет большее значение. В данном примере формула (16) записана для случая, когда F1 > F2. Величина L0 отсчитывается от компенсатора, как показано на рис. 4.8. Ясно, что в случае трубопровода постоянного диаметра будем иметь f1, = f2, L = L1+L2, и формула (16) переходит в формулу (7).

Напряжения. Если неподвижная или мнимая опора расположена на прямолинейном участке трубопровода с переменным диаметром труб, то отличие в вычислении температурных напряжений состоит лишь в том, что сила трения F представляет собой сумму сил трения на участках различного диаметра, т.е. F = F1+F2.

 

рис.4.8

С учетом обозначений рис.4.9, для вычисления осевых напряжений в стальной трубе на неподвижной опоре в точке 1 необходимо вычислить силу трения по формулам (5), (6), (6') между оболочкой трубопровода и грунтом на участке трубопровода между точками 2 и 3, аналогичным путем вычислить силу трения на участке 1 - 2 и далее сумму этих сил F = F1+F2 подставить в формулу (10). В остальном процедура вычисления напряжений такая же, как и для участка с постоянным диаметром трубы (см. раздел 4.6.1).

Перемещения. Запишем теперь формулы для вычисления величин перемещений точек трубопровода в местах установки компенсаторов и тройниковых ответвлений, находящихся на прямолинейном участке трубы при ступенчатом изменении ее диаметра. С учетом обозначений рис.4.9 получим величину перемещения точки 3:

,    (17)

Здесь f1, L1 и Sст1 - сила трения на единицу длины трубопровода, длина и площадь поперечного сечения стенки стальной трубы для участка трубопровода диаметром D1; f2, L2, S ст2 - то же для участка трубопровода с диаметром D2. Из формулы (17) можно, очевидно, получить формулу (14) как частный случай. Для этого достаточно положить f1 = f2 = f, L = L1+L2, Sст = Sст1 = Sст2.

 

 

рис.4.9

Перемещение точки тройникового ответвления (т.е. перемещение точки 2) в данном случае определяется по формуле:

,                                     (18)

Здесь приняты обозначения такие же, как в (17).

Частным случаем формулы (18) является формула (15), если положить, что f1 = f2 = f

4.7 Дополнительные компенсаторы

Если естественные компенсаторы теплотрассы и известные методы строительства теплотрасс не обеспечивают уровень напряжений в пределах допустимых, то необходимо устанавливать дополнительные компенсаторы. Уровень механических напряжений в трубопроводах теплосети определяется количеством и расположением неподвижных и мнимых опор, а также количеством и расположением естественных компенсаторов. Для снижения напряжений НПО «Стройполимер» предлагает использовать дополнительные компенсаторы двух типов:

1. Обычные компенсаторы в ППУ изоляции, составленные из отводов, т.е. Г-образные, П-образные и Z-образные компенсаторы.

2. Стартовые компенсаторы.

Правильное применение того или иного типа компенсатора требует предварительного расчета величины температурного расширения соответствующего участка трубопровода. Вычисление величин перемещений точек трубопроводов в местах установки компенсаторов,  производится по формулам (14), (15) либо (17), (18).

Г-образные, П-образные и Z-образные компенсаторы. Выбор размеров и обоснование применения как естественных, так и дополнительных Г-образных, П-образных и Z-образных компенсаторов производится с помощью номограмм рис.4.10, 4.11, 4.12 для соответствующего типа компенсатора и диаметра стальной трубы. Правильность применения компенсатора,  определяется сравнением фактической длины компенсирующих плеч компенсатора с длиной плеч, указанной в номограммах для данного диаметра стальной трубы, с величиной перемещения, которую должен поглотить компенсатор:  если фактическая длина плеч компенсатора,  равна или превышает длину, определяемую номограммой, то компенсатор способен выполнить свою функцию.

 

рис.4.10

 

Рис.4.11

 

Рис.4.12

 

 

Рис.4.13

Компенсирующая способность тройниковых ответвлений может определяться по аналогии с Г-образными компенсаторами.

Стартовые компенсаторы. Стартовый компенсатор отличается от других компенсаторов тем, что выполняет свою функцию только один раз, при первом разогреве трубопровода, после чего производится его фиксация сварным швом, и компенсатор превращается в отрезок обычной трубы. Основным условием для определения места установки стартового компенсатора остается, как и прежде, условие σх< ± 150[Н/мм2]. В данном случае, однако, выполнить это условие удается не всегда. Рассмотрим этот вопрос на отдельных примерах.

Пример А. Предположим сначала, что мы имеем прямолинейный участок трубопровода, на концах которого установлены неподвижные опоры (рис. 4.13а). Расчетная температура теплоносителя Трасч. = 130°С, температура монтажа Тмонт = +10°С. При засыпке траншеи при температуре Тмонт осевые напряжения в трубопроводе σх = 0, а при последующем разогреве трубопровода до Трасч=130°С в материале стальной трубы развиваются температурные напряжения σх, величина которых, вычисленная по формуле (4), составляет σх = Е.α.ΔТ = 2,08.105.12.10-6.120=300 Н/мм2, что существенно превышает предел текучести материала стальных труб. Этот пример показывает, что при колебаниях температуры трубопровода в процессе его эксплуатации между +10°С и +130оС, осевая компонента напряжения изменяется от нуля до 300 Н/мм2. Поэтому наилучшие условия для работы трубопровода (рис.4.13) будут обеспечены, если осевые напряжения в трубопроводе будут равны нулю (σх = 0) при температуре трубопровода составляющей половину заданного интервала, т.е. при Ттр = (10+130)/2 = 70оС. В этом случае при разогреве трубопровода от +70оС до рабочей температуры +130оС осевые напряжения в трубе будут сжимающими и равными σх = 150 Н/ммг, а при охлаждении трубопровода от +70оС до +10°С осевые напряжения будут растягивающими и равными σх = 150 Н/мм2. Стартовые компенсаторы используются в схемах, подобных рис.4.13, для обеспечения именно таких условий работы трубопровода. Это достигается в том случае, когда стартовый компенсатор поглощает половину удлинения трубопровода, которое имело бы место при разогреве незакрепленного неподвижными опорами и грунтом трубопровода от температуры + 10°С до +130оС. Указанная величина удлинения трубопровода вычисляется по формуле (1), в которую надо подставить длину L трубопровода между неподвижными опорами и величину ΔТ=60°С, т.е. ΔL = αL-(Трасч-Тмонт)/2. Далее необходимо решить вопрос о том, какое количество стартовых компенсаторов требуется для поглощения вычисленной величины ΔL, и как расположить эти компенсаторы на трубопроводе. Заметим, что при установке стартовых компенсаторов допускают нарушение условия σэ < σт при первом разогреве трубопровода и нескольких последующих циклах разогрев-охлаждение, где σT - предел текучести стали. В процессе этих циклов осевая компонента напряжения выравнивается по длине трубопровода и в пределе стремится к значению σх - ±150 Н/мм2. При определении числа компенсаторов необходимо принять некоторое предельное значение для σх(монт), выше которого трубопровод нагружаться не будет, а также учитывать компенсирующую способность (ход) компенсатора и максимальное значение температуры Тстрой, до которой реально может быть разогрет трубопровод на стройплощадке. Подбор числа стартовых компенсаторов производится в следующей последовательности:

1. .Сначала по формуле ΔL = αLрасчмонт)/2 вычисляем величину удлинения трубопровода, которую должны поглотить стартовые компенсаторы, и проверяем условие ΔLсильф. > ΔL.

2. Если компенсирующая способность одного стартового компенсатора достаточна для поглощения удлинения ΔL трубопровода, т.е.. ΔLсильф = ΔL принимаем для расчета один стартовый компенсатор и располагаем его в средней точке трубопровода между опорами. Далее для каждого из двух участков трубопровода, разделенного стартовым компенсатором, вычисляем силу трения fтр, действующую на один метр длины трубопровода по формулам (6) или (6΄), и величину нагрева трубопровода ΔТ1, которая требуется для достижения перемещения точки трубопровода в месте установки компенсатора на величину ΔL/2. Для вычисления ΔТ необходимо использовать формулу (14) или (17), в которые вместо ΔL3 следует подставить половину вычисленного в п.1 значения ΔL, т.е. ΔL/2.

3. Сравниваем полученное значение ΔT с реальными возможностями по разогреву трубопровода при монтаже, т.е. проверяем условие ΔT < ΔTстрой. Если это условие не выполнено, т.е. реальная возможность разогреть трубопровод до такой температуры отсутствует, необходимо увеличить число стартовых компенсаторов. Если техническая оснащенность строительной организации позволяет выполнить такой разогрев или на стройплощадке имеется горячая вода соответствующей температуры, то далее следует проверить, превышает или нет расчетное напряжение σх величину σх(монт), т.е. должно быть σх  < σх(монт). Для вычисления σх используется формула (10). Если это условие не выполнено, необходимо увеличить число стартовых компенсаторов, если σх<σх(монт), то один стартовый компенсатор достаточен для данного участка трубопровода.

4. Если хотя бы одно из условий ΔLильф > ΔL, ΔТ < ΔТстрой, σох<σаХ(М0Нт) не выполнено, принимаем два стартовых компенсатора. При этом компенсаторы располагаем так, как показано на рис. 4.13Б и повторяем расчет по схеме п. 2,3. Если оба стартовых компенсатора имеют одинаковую компенсирующую способность (ход) то, учитывая симметрию участка, все вычисления можно выполнить только для одного компенсатора.

Если необходимо установить белее двух стартовых компенсаторов или компенсаторы имеют различный ход, то места их установки подбираются расчетом до тех пор, пока не будут выполнены все три условия, приведенные выше.

Пример Б. Рассмотрим теперь схему расчета стартовых компенсаторов для прямолинейного участка без установки неподвижных опор (рис.4.14).

 

рис.4.14

Здесь также необходимо стремиться к достижению условия σх= ± 150[Н/мм2], а также учитывать условия ΔLсильф > ΔL, ΔТ < ΔТстрой

Отрезок трубопровода (рис.4.14) между точками 1 и 2 содержит два участка длиной Lmах, прилегающие к точкам 1 и 2. При изменениях температуры теплоносителя величина осевых напряжений на этих участках не превышает σх = + 150[Н/мм2]. Если длина L участка между точками 1 и 2 превышает 2Lmах, т.е. L >2Lmах, то на участке между точками a и b осевые напряжения превысят величину σх, т.е. σх>± 150[Н/мм2]. Для того, чтобы после установки стартовых компенсаторов уровень осевых напряжений на этом участке после нескольких циклов разогрев-охлаждение стремился к величине σх =±150[Н/мм2], необходимо обеспечить такие условия монтажа стартовых компенсаторов, при которых стартовые компенсаторы поглотили бы половину удлинения участка а-b при его разогреве от +10°С до +130оС .

Принципиально схема расчета стартовых компенсаторов такая же, как и при их установке между двумя неподвижными опорами.

1. Сначала вычисляем величину удлинения участка трубопровода между точками (а и b), которую должны поглотить стартовые компенсаторы, по формуле ΔL = α.LаЬ-(Трасчмонт)/2 и проверяем условие Δсильф > ΔL.

2. Если компенсирующая способность одного стартового компенсатора достаточна для поглощения удлинения ΔL трубопровода, т.е. ΔLсильфL, принимаем для расчета один стартовый компенсатор и располагаем его в средней точке трубопровода между точками а и b (рис.4.14А). Для каждого из двух участков трубопровода, разделенного стартовым компенсатором, по формулам (6) вычисляем силу трения fтр, действующую на один метр длины трубопровода, или (6') и величину нагрева трубопровода ΔТ, которая требуется для достижения перемещения точки трубопровода в месте установки компенсатора на величину ΔL/2. Для вычисления ΔТ необходимо использовать формулу (14) или (17), в которые вместо ΔL3 следует подставить половину вычисленного в п.1 значения ΔL т.е. ΔL/2.

3. Сравниваем полученное значение ΔТ с реальными возможностями по разогреву трубопровода при монтаже, т.е. проверяем условие ΔТ < ΔТстрой. Если это условие не выполнено, т.е. реальная возможность разогреть трубопровод до такой температуры отсутствует, необходимо увеличить число стартовых компенсаторов. Если техническая оснащенность строительной организации позволяет выполнить такой разогрев или на стройплощадке имеется горячая вода соответствующей температуры, то далее следует проверить, превышает или нет расчетное напряжение σх величину σх(монт), т.е. должно быть σх < σх(монт). Для вычисления σх используется формула (10). Если это условие не выполнено, необходимо увеличить число стартовых компенсаторов, если σх > σх(монт) то один стартовый компенсатор достаточен для данного участка трубопровода.

4. Eсли хотя бы одно из условий: ΔLсильф_> ΔL, ΔТ < ΔТстрой, σх < σх(монт) не выполнено, принимаем два стартовых компенсатора. При этом компенсаторы располагаем так, как показано на рис. 4.14Б, и повторяем расчет по схеме п. 2,3. Если оба стартовых компенсатора имеют одинаковую компенсирующую способность (ход), то, учитывая симметрию участка, все вычисления можно выполнить только для одного компенсатора.

Если необходимо установить более двух стартовых компенсаторов или компенсаторы имеют различный ход, то места их установки подбираются расчетом до тех пор, пока не будут выполнены все три условия, приведенные выше.

4.8.0беспечение перемещений компенсаторов в грунте

При изменениях температуры теплоносителя необходимо обеспечить расчетные перемещения плеч Г-образных, Z-образных и П-образных компенсаторов, засыпанных грунтом. Для этой цели НПО «Стройполимер» предлагает использовать подушки из вспененного полиэтилена. Низкое сопротивление сжатию этого материала гарантирует свободное перемещение компенсирующих плеч и нормальную работу трубопроводов. В то же время трубопроводы должны быть обсыпаны песком по всей ширине траншеи. Схема установки подушек показана на рис.4.15. Количество подушек, устанавливаемых по диаметру трубопровода, определяется расчетной величиной перемещения компенсатора и допустимой величиной смятия материала подушки. Количество подушек, устанавливаемых по длине компенсирующего плеча, должно обеспечивать покрытие 2/3 длины плеча. Перемещение компенсатора величиной 15мм и менее не требует применения компенсирующих подушек.

 

Рис.4.15

4.9 Некоторые приемы снижения уровня напряжений в трубопроводах теплотрассы

Трубопроводы теплотрассы могут содержать особые точки двух типов, в которых возможно превышение допустимого уровня напряжений:

1. Точки расположения неподвижных и мнимых опор.

2. Точки тройниковых ответвлений и повороты теплотрассы, не обладающие достаточной компенсирующей способностью.

Снижение уровня напряжений в материале стальной трубы в опорных точках достигается установкой подходящего типа компенсатора на расчетном расстоянии от опоры. Обычно для определения этого расстояния используют формулу (13) для вычисления Lmax.

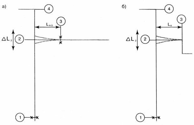
В точках тройниковых ответвлений основная труба взаимодействует с трубой ответвления (рис.4.16).

Если трубопровод ответвления имеет большую длину (более 12м), то необходимо защищать основную трубу от расширения ответвления. В качестве такой защиты обычно применяют неподвижную опору, как показано на рис.4.16а (точка 3), или компенсатор, как показано на рис.4.16б.

Рис.4.16 (а, б)

При этом расстояние Lн.о.. на рис.4.16 а не должно быть более 12 м, а расстояние Lк - не более 24 м. На основной трубе по некоторым соображениям может быть установлена неподвижная опора, например, как на рис.4.16 (точка 1), удаленная от тройника (точка 2) на некоторое расстояние. В этом случае необходимо определить перемещение тройника по одной из формул (15) или (18) и выбрать по номограммам раздела 4.7 длины плеч Lн.о... или Lк, достаточные для того, чтобы поглотить перемещения основной трубы ΔL. Если опору на основной трубе целесообразно установить непосредственно рядом с тройником, то защиту основной трубы от расширения трубопровода ответвления можно выполнить с помощью Z-образного компенсатора, как показано на (рис.4.17). Вместо Z-образного компенсатора на трубопроводе ответвления, очевидно, можно использовать П-образный или сильфонный компенсатор.

 

 

Рис.4.17

 

Рис.4.18

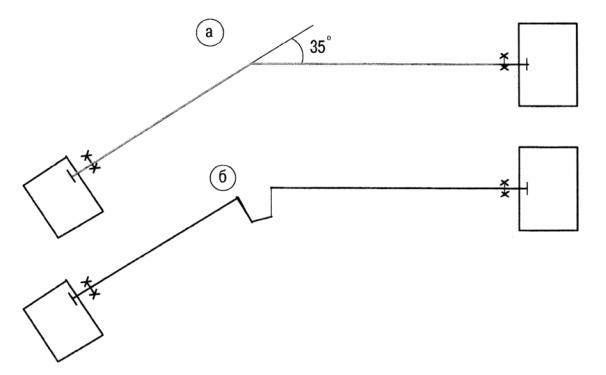
Часто трассировка теплотрассы включает углы поворота менее 45° (рис.4.18 а).

Участки трубопровода с такими углами поворота не обладают способностью самокомпенсации. Если длина участков трубопроводов между опорами и отводом 35° велика, то для снижения уровня изгибающих напряжений на этом отводе рекомендуется схема рис.4.18 б с установкой П-образного компенсатора.

Если длина одного из участков трубопровода, примыкающих к отводу с углом меньше 45°, мала, (рис.4.19, точка 2), то защита такого отвода может быть выполнена установкой неподвижной опоры у отвода, как показано на рис.4.19, с контролем уровня напряжений на этой опоре.

 

Рис.4.19

4.10 Размеры железобетонных щитов неподвижных опор

Неподвижная опора трубопровода состоит из элементов трубопровода, содержащих металлическую опорную плиту, силовой арматуры и бетона. Эти элементы собираются вместе на стройплощадке при заливке бетона в опалубку, как показано на рис.4.20 (решетка силовой арматуры вынесена за пределы щита).

Размеры опорной поверхности щита определяются усилием, которое передается от трубопроводов теплотрассы на щит количеством труб, проходящих через щит, и прочностными характеристиками грунта. Максимальное усилие, передаваемое на железобетонный щит одной трубой, определяется диаметром полиэтиленовой оболочки, длиной прямолинейного участка трубопровода и глубиной траншеи и рассчитывается как сила трения Fтр по формуле (6) или (6'). Общее усилие, воспринимаемое щитом, является суммой сил ΣFтр от каждого трубопровода. За исключением особых случаев (болотистые почвы, скальный грунт и т.п.) принимают, что сопротивление грунта составляет 150 кН/м2 (15 тс/м2). Тогда площадь опорной поверхности щита Sщ = А . С+2(А+С) . В вычисляют из условия равновесия:

Sщгр ΣFтр/150,                                                                 (19),

где Кгр - поправочный коэффициент на прочность грунта Кгр =1,15. Размеры щита А и С принимают в зависимости от числа труб, проходящих через щит, Fтр вычисляют по формуле (6) или (6'). Размер В железобетонного щита зависит от диаметра и количества прутков силовой арматуры, а также от прочностных характеристик применяемой марки бетона. Таким образом, размеры А, В и С опорного щита зависят от целого ряда параметров и должны рассчитываться индивидуально для каждого конкретного случая.

Рис.4.20

4.11. Глубина заложения

Минимальную глубину заложения труб с теплоизоляцией из ППУ в полиэтиленовой оболочке следует принимать не менее 0.5 м вне пределов проезжей части и 0.7 м - в пределах проезжей части, считая до верха изоляции.

Максимальную глубину заложения теплоизолированных труб следует определять расчетом с учетом устойчивости слоя ППУ на действие статической нагрузки

Примечание. При необходимости контрольных расчетов глубин заложения теплопроводов с изоляцией из ППУ в ПЭ оболочке для конкретных условий прокладки расчетное сопротивление пенополиуретана следует принимать 0,1 МПа, полиэтиленовой оболочки - 1,6 МПа.

При необходимости подземной прокладки теплопроводов с теплоизоляцией из ППУ в ПЭ оболочке на глубине больше допустимой их следует прокладывать в каналах (тоннелях).

4.12 Учет конкретных условий строительства теплотрассы

Для того, чтобы теплотрасса максимально удовлетворяла условиям длительной эксплуатации и требованиям нормативных документов, проект теплотрассы должен учитывать также конкретные условия ее строительства, такие как:

- возможность или невозможность работать с открытой траншеей на данной конкретной стройплощадке в течение всего периода проведения монтажных работ и испытания трубопроводов;

- учет технической оснащенности строительной организации;

- учет наличия или отсутствия источников тепла или электроэнергии на стройплощадке для прогрева трубопроводов перед засыпкой;

- сезонный характер строительных работ.

Учет перечисленных условий строительства теплотрассы может быть осуществлен путем создания проектов, ориентированных на следующие общепринятые способы укладки трубопроводов в траншею:

1. Прокладка труб в холодном состоянии без дополнительных компенсаторов.

2. Прокладка труб с предварительным нагревом без дополнительных компенсаторов.

3. Прокладка труб с использованием стартовых компенсаторов.

4. Прокладка труб в холодном состоянии с использованием дополнительных компенсаторов.

Заметим, что в рекомендациях по проектированию трубопроводов в ППУ изоляции молчаливо предполагается, что перечисленные способы укладки трубопроводов в траншею автоматически относятся ко всей теплотрассе, что вводит проектировщика в заблуждение. Очевидно, что ни один из перечисленных способов не годится, если теплотрасса содержит отвод с углом поворота менее 45° или естественные Г-образные, Z-образные, П-образные компенсаторы с недостаточной длиной компенсирующих плеч. Таким образом, эти способы укладки трубопроводов в траншею должны рассматриваться только совместно с концепцией расчетного участка (см. раздел 4.2.).

1. Прокладка труб в холодном состоянии без дополнительных компенсаторов. Этот способ прокладки дает самый простой и дешевый проект теплотрассы. В данном случае температурные расширения смонтированных трубопроводов поглощаются только естественными компенсаторами, не устанавливают никаких дополнительных компенсирующих элементов и не производят предварительного (перед обратной засыпкой) разогрева трубопроводов. Смонтированные трубы просто засыпают грунтом в холодном состоянии, несмотря на то, что при разогреве температурные напряжения в трубах могут существенно (в 2 раза) превышать значение = 15ОН/мм2. Если теплотрасса включает прямолинейный участок большой длины, то на этом участке возникает отрезок трубопровода, который остается неподвижным при разогреве и охлаждении трубы. На этом отрезке трубопровода напряжения примерно в два раза превышают σх = 150Н/мм2 при разогреве трубопровода и снижаются до нуля при охлаждении трубопровода до температуры монтажа. Время, в течение которого траншея остается открытой, минимально, так как в этом случае имеется возможность прокладки теплотрассы отдельными участками с выполнением обратной засыпки траншеи сразу после испытаний трубопроводов и подписания акта скрытых работ.

Примером такого способа монтажа может служить теплотрасса, показанная на рис. 4.1, если смонтировать ее трубопроводы и фасонные элементы в точности так, как показано на рисунке,  и засыпать траншею без разогрева труб. Обязательным является требование установки компенсационных подушек на естественных компенсаторах и тройниковых ответвлениях для того, чтобы обеспечить свободу перемещений компенсирующих плеч в грунте.

Этот способ прокладки может оказаться неприменимым для теплотрасс с особыми точками, такими как отводы с углом поворота меньше 45° либо естественные компенсаторы с малой длиной компенсирующих плеч. В этом случае можно использовать концепцию расчетного участка (раздел 4.2) следующим образом. Из всей теплотрассы выделяют расчетный участок, содержащий такую особую точку, и изменяют конфигурацию только этого расчетного участка в соответствии с рекомендациями раздела 4.9. Таким образом, дополнительные опоры или компенсаторы появляются только на расчетных участках теплотрассы, содержащих особые точки, а в остальной ее части никаких изменений не требуется.

2. Прокладка труб с предварительным нагревом без дополнительных компенсаторов. При данном способе прокладки трубопровод состоит из тех же элементов, что и в предыдущем случае. Однако перед обратной засыпкой траншеи производится разогрев труб до температуры Т=(Трабмонт)/2 [оС], гдеТраб. - рабочая температура теплоносителя, указанная в проекте теплотрассы. Таким образом, траншея должна оставаться открытой в течение всего периода монтажа и испытания трубопроводов по всей трассе. В этом случае после засыпки траншеи и разогреве трубопровода в материале стальных труб возникают сжимающие напряжения, а при охлаждении - растягивающие напряжения, абсолютная величина которых может незначительно превышать значение 150 [Н/мм2]. Стоимость материалов, необходимых для строительства теплотрассы, совпадает со стоимостью материалов по способу 1. Для разогрева трубопроводов требуется источник тепла, в качестве которого можно использовать имеющуюся горячую воду. При ее отсутствии строительная организация должна располагать специальной установкой для разогрева воды, воздуха либо для генерации водяного пара.

Этот способ прокладки также может оказаться неприменимым для теплотрасс с особыми точками, такими как отводы с углом поворота меньше 45° либо естественные компенсаторы с малой длиной компенсирующих плеч. В этом случае можно использовать концепцию расчетного участка (раздел 4.2), и рекомендации раздела 4.9, также как при укладке труб по способу 1.

3. Прокладка труб с использованием стартовых компенсаторов. Этот способ прокладки позволяет производить монтаж и засыпку траншеи по участкам. Однако длина участка траншеи, который должен оставаться открытым, обычно больше, чем при монтаже по способу 1. При нескольких первых нагревах и охлаждениях трубопровода в точках установки фактических неподвижных опор или в точках возникновения мнимых опор температурные напряжения превышают 150 [Н/мм2], а при последующих температурных циклах стремятся по величине к напряжениям способа 2. Стоимость материалов увеличивается на величину стоимости стартовых компенсаторов с соответствующим увеличением стоимости элементов для заделки дополнительных стыков и стоимости работ по монтажу стартовых компенсаторов. В этом случае также требуется источник тепла, обеспечивающий разогрев трубопровода до рабочей температуры. Если теплотрасса включает участок, содержащий особую точку, то стартовый компенсатор должен устанавливаться в непосредственной близости от нее (возможно, по обе стороны от особой точки).

4. Прокладка труб в холодном состоянии с использованием дополнительных компенсаторов. Здесь, кроме естественных компенсаторов теплотрассы, предполагается использование дополнительных сильфонных либо обычных Г-образных, П-образных или Z-образных компенсаторов. Температурные напряжения при этом способе прокладки могут быть сведены к минимуму. Температура трубопроводов при обратной засыпке соответствует температуре монтажа, т.е. источник тепла не требуется. Траншея может быть засыпана по мере готовности очередного участка. Стоимость материалов и комплектующих возрастает на величину стоимости компенсаторов, материалов для заделки дополнительных стыков при соответствующем увеличении затрат на производство монтажных работ.

Учитывая важность вопроса, проект теплотрассы должен содержать явное указание на способ укладки трубопроводов в траншею, принятый при проектировании теплотрассы, либо должен содержать гарантирующие нормальную работу трубопроводов требования и указания, допускающие использование различных способов прокладки трубопроводов для всей теплотрассы или для отдельных расчетных участков. В последнем случае проект теплотрассы должен, по сути, включать в себя четыре различных проекта, в соответствии с принятыми способами прокладки трубопроводов (см. таблицу).

Таблица сравнения эффективности различных способов монтажа по наиболее важным параметрам

Способ монтажа

Величина напряжений

Время до засыпки траншеи

Стоимость материалов

Дополнительные затраты

1.

Без дополнительных компенсирующих элементов. Засыпка в холодном состоянии.

Максимальные. Достигают 300 [Н/мм2]

Минимальное. Возможность засыпки траншеи по участкам малой длины.

Минимальная

Не требуются

2.

Без дополнительных компенсирующих элементов. Разогрев перед засыпкой.

Может незначительно превышать σэ= 150 [Н/мм2]

Максимальное. Засыпка траншеи только после окончательной сборки испытания трубопроводов и их разогрева.

Такая же, как и по способу 1.

Требуется оборудование для разогрева либо горячая вода на монт. площадке

3.

Стартовые компенсаторы. Разогрев перед засыпкой.

Может незначительно превышать σэ=150 [Н/мм2] после нескольких циклов разогрев-охлаждение

Промежуточное между способами 1. и 2 Возможность засыпки траншеи по участкам

Выше, чем по способам 1., 2

Требуется оборудование для разогрева либо горячая вода на монт. площадке

4.

Дополнительные компенсирующие элементы. Засыпка в холодном состоянии

Удовлетворяет условию σэ150 [Н/мма] после нескольких циклов разогрев охлаждение

Такое же, как по способу 1

Максимальная

Не требуются

4.13. Пример расчета.

рис.4.21

В заключение этого раздела приведем пример расчета стартового компенсатора, расположенного между двумя неподвижными опорами (рис. 4.21).

Данные для расчета:

Расстояние между опорами L = 96м, диаметр стальной трубы d = 159мм, толщина стенки δ = 4-5мм, диаметр полиэтиленовой оболочки D = 250мм, глубина заложения трубопровода h = 1,2м, расчетная температура Трасч = 130°С, температура окружающего воздуха при монтаже теплотрассы составляет Тмонт = +10°С/

Требуется определить величину удлинения трубопровода, которую должен поглотить стартовый компенсатор, т.е. определить настройку компенсатора перед его монтажом на трубопроводе.

Первый шаг расчета состоит в том, чтобы определить величину Lmах для того, чтобы убедиться в том, что одного стартового компенсатора в данном случае будет достаточно. Воспользуемся формулой для Lmах:

Lmax = 150.Sст/fтр,

в которой Sст - площадь поперечного сечения стенки стальной трубы, fтр - сила трения, возникающая между оболочкой и грунтом. Тогда получим:

Sст = πδ.(dнар+dвн)/2 = π.4,5 . (159 + 150)  / 2 = 2184 мм;

fтр = 0,75.D.ρ.g.h = 0,75.π.0,4 . 0,250 . 1800 . 9,81 . 1,2 = 4993 Н/м;

Lmax = 150 . 2184 / 4993 = 65,6 м.

Отсюда видно, что расстояние от опоры до компенсатора может составлять не более 65,5м. В нашем случае при установке стартового компенсатора в средней точке участка между опорами это расстояние составляет 48м, что заведомо меньше величины Lmax. При заданных температурных условиях величина удлинения трубопровода, которую должен поглотить стартовый компенсатор, определяется по формуле:

ΔL = α.L.ΔТ, где α - коэффициент температурного расширения стали, L - длина прямолинейного участка трубопровода между опорами, ΔТ = 60°С. Подставляя численные значения величин, входящих в эту формулу, получим:

ΔL = 12.10-6.96.60 = 0,069 м или ΔL = 69 мм.

5. Система оперативного дистанционного контроля состояния изоляции

5.1. Назначение системы контроля

Для сохранения уникальных свойств пенополиуретана как теплоизолятора, необходимо содержать его в сухом состоянии. Влага, попавшая в ППУ из рабочей трубы сквозь дефекты сварных швов или извне, через пробоины в гидрозащитной оболочке увеличивает тепловые потери, вызывает коррозию наружной поверхности стальной трубы. Позднее обнаружение намокшего ППУ приводит к выходу из строя участка теплотрассы.

На сегодняшний день известны различные способы обнаружения протечек:

- визуальный - парение на поверхности земли, появление промоины с кипятком в месте разрыва теплопровода, резкое падение давления в системе;

- эхолокация позволяет отследить пульсацию теплоносителя через свищи;

- термографические приборы покажут место на трассе с повышенной теплопотерей.

Система оперативного дистанционного контроля (далее СОДК), использующая провода, расположенные в пространстве между стальной трубой и гидрозащитной оболочкой, применяется на трех этапах:

I. .При производстве труб и фасонных деталей в ППУ, - для контроля местоположения.

II. При монтаже трубопровода в ППУ, - для проверки качества теплоизоляции стыков (с использованием контрольно-монтажного прибора).

III. В процессе эксплуатации в ППУ СОДК подает сигнал уже при незначительном намокании теплоизолятора. Анализ показаний приборов позволяет принять решение о сроках проведения ремонта.

Таким образом, система контроля за влажностью пенополиуретановой теплоизоляции предназначена для своевременного обнаружения фактов попадания влаги в кольцевой зазор между стальной трубой и гидрозащитной оболочкой; она позволяет устанавливать места протечки с точностью, обеспечивающей минимальные объемы земляных работ и минимальные неудобства для населения при проведении ремонтно-восстановительных работ на теплотрассе. Кроме того, система контроля способна обнаружить места обрыва проводов самой системы контроля,  и нарушение электрического контакта со стальной трубой. Система контроля не может дать ответ на вопрос, какая из двух труб (основная или труба оболочки) имеет повреждение. Это определяется при вскрытии и обследовании места дефекта.

СОДК может эксплуатироваться как в режиме периодического, так и в режиме непрерывного контроля. Для разных режимов эксплуатации система комплектуется различными приборами. Она является неотъемлемой частью теплотрассы. Надежность функционирования системы контроля обусловлена тем, что она не имеет каких-либо механических или подвижных элементов, которые изнашиваются в процессе эксплуатации и нуждаются в замене.

Системы операционного дистанционного контроля, основанные на использовании проводов, расположенных в изоляционном слое между оболочкой и рабочей трубой, стали весьма ценным инструментом для осуществления мониторинга теплопровода и обнаружения в изоляции влаги.

5.2 Структуры системы контроля. Описание, приборы

По принципу действия наибольшее распространение получила система контроля, основанная на улавливании отраженного импульса.

Эта система способна зафиксировать изменение электрических характеристик слоя теплоизоляции, связанных с его увлажнением, и представляет собой самый простой, надежный и недорогой метод установления факта протечки. К основным функциональным элементам систем контроля относятся:

- провода системы контроля, прокладываемые в межтрубном пространстве до его заполнения ППУ;

- терминалы и клеммные коробки для коммутации проводов и подключения детекторов;

- кабельные выводы от проводов, расположенные на гидрозащитной оболочке, которые выполняются в заводских условиях в виде отдельных элементов трубопровода и снабжаются 3-х или 5-ти жильным кабелем длиной не менее 5 метров;

- соединительные кабели;

- ковера, металлические ящики или шкафы, в которых размещаются терминалы;

- концевые заглушки изоляции;

- приборы системы контроля, которые могут включать в себя детектор для обнаружения факта увлажнения теплоизоляции и рефлектометр (локатор) для установления точного места протечки;

- специальные материалы (обжимные гильзы, припои, паяльные пасты, держатели проводов), обеспечивающие качественное соединение проводов системы контроля и фиксированное расстояние между проводами и стальной трубой в местах заделки стыков при монтаже трубопроводов.

Система контроля использует в качестве сигнальной линии медные неизолированные проводники. Работа системы основана на сравнении электрического сопротивления теплоизоляции, а при поиске места дефекта используется метод улавливания отраженного импульса.

На теплогидроизолированных трубах производства НПО «Стройполимер» в ППУ изоляцию закладываются два медных провода. Они располагаются вдоль рабочей трубы на центрирующих опорах из полипропилена. Эти провода в дальнейшем стыкуются в местах сочленения элементов и образуют единую сигнальную петлю, повторяющую общий контур трубопровода. Дистанционный контроль состояния теплогидроизоляции трубопроводов заключается в отслеживании электрических параметров этой петли. Провода сигнальной петли медные, сечением 1,5мм2, прокладывают с угловым смещением в 180 град. Удельное сопротивление медного провода приблизительно равно 0,012-0,015 Ом на погонный метр. Один из проводов основной (условно луженый), второй - возвратный (транзитный). В траншее труба ориентируется таким образом, чтобы по ходу движения воды к потребителю справа находился основной провод.

На строительной площадке из обоих проводов (для каждого трубопровода (подача-возврат) в отдельности) выполняется воспринимающая (сигнальная) петля. На стыковых соединениях основной провод соединяется с основным, возвратный- с возвратным. На концах трубопровода провода соединяются между собой (закольцовываются).

В тройниковых ответвлениях провода ответвления включаются в разрыв сигнального провода - таким образом вся сеть контролируется как единое целое.

Способ контроля.

Сопротивление сухого ППУ приближается к бесконечности.

В том месте, где появляется влага между одним из сигнальных проводов и трубой, уменьшается сопротивление изоляции Rиз. Детектор сравнивает эту величину с эталонной (у детекторов «Вектор» Rэт = 5 КОм), если Rэт > Rиз, детектор выдает сигнал аварии «Изоляция».

НПО «Стройполимер» комплектует свои теплотрассы российскими детекторами «Вектор».

Приборная часть.

Переносной прибор контроля

«Вектор 2000-1».

Прибор предназначен для контроля сопротивления ППУ изоляции - измерения целостности сигнальной петли. Используется на тех участках, где постоянное наблюдение невозможно или в нем нет необходимости.

Технические данные:

-         Питание - 9 Вольт от сети постоянного тока от встроенного источника питания.

-         Длина контролируемой петли 2500м (5000 метров медной проволоки).

Наличие визуальной индикации.

- Три светодиода контроля состояния: «НОРМА», «ИЗОЛЯЦИЯ», «ПЕТЛЯ».

- Габариты 155х95х35мм.

- Режим самотестирования.

Новые модификации детекторов имеют цифровую шкалу для индикации величины сопротивления изоляции.

 

Стационарный прибор контроля «Вектор 2000-4».

Прибор устанавливается в ЦТП, предназначен для контроля сопротивления ППУ изоляции, измерения целостности сигнальной петли.

Технические данные:

- Питание220 Вольт от сети переменного тока.

- Возможность одновременного контроля четырех линий по 2500м. Длина контролируемой сети до 10 км.

- Наличие визуальной индикации.

- Три светодиода контроля состояния: «НОРМА», «ИЗОЛЯЦИЯ», «ПЕТЛЯ» для каждого канала.

- Габариты 155х95х35мм.

- Режим самотестирования.

 

Контрольно-монтажный прибор КМ Р 3050.

Высоковольтный тестер применяется для измерения величины сопротивления изоляции и омического сопротивления сигнальной петли до монтажа, во время монтажа и после него.

Технические данные:

Измеренные значения показываются на цифровом дисплее.

- Питание: 6x1,5 В.

- Надежность 1ЕС 348.

 

 

Воспринимающие петли прямых трубопроводов 1. Петля I, подача. 2. Петля II, возврат. 3.Основной провод. 4.Транзитный провод.

 

 

Воспринимающие петли с ответвлением 1. Петля I, подача. 2. Петля II, возврат, 3.Основной провод. 4.Транзитный провод. 5.Провода ответвления.

 

 

Схема системы контроля. 1. Концевой терминал КСП-10. 2. Концевой терминал с выходом на детектор КСП-10-2. 3. Промежуточный терминал КСП-10-4. 4. Двойной концевой терминал КСП-10-3. 5.Металлические заглушки изоляции. 6. Термоусаживаемые заглушки изоляции. 7. Детектор.

 

- Проверка изоляции: Напряжение:250 В, 500 В, 1000 В.

- Сопротивление: 20 МОм, 200 МОм, 2000 МОм.

- Сила тока: 1,3 мА при коротком замыкании.

- Проверка электрической цепи на обрыв:

  Сила тока: 200 мА;

Диапазон измерений: 20 Ом, 200 Ом, 2000 Ом.

 

Импульсный рефлектометр «Рейс 105Р».

Прибор используется для локализации места повреждения методом импульсной рефлектометрии.

Технические данные:

Питание220 Вольт от сети переменного тока или аккумуляторы 4x1,5В.

 

Концевой терминал.

КСП 10.

Концевой терминал для пары труб устанавливается в точках контроля на концах трубопровода. Содержит 10 клемм. Служит для подсоединения двух 3-х жильных кабелей.

 

КСП 12.

Концевой терминал для четырех труб устанавливается в точках контроля на концах трубопровода. Содержит 12 клемм. Служит для подсоединения четырех 3-х жильных кабелей.

 

Концевой терминал с выходом на детектор.

КСП 10-2 (для двухтрубных трубопроводов).

Терминал устанавливается на концах трубопровода в точках контроля, в которых предусмотрено подключение детектора. Содержит 10 клемм и два разъема для подключения детектора. Служит для подсоединения двух 3-х жильных кабелей.

 

КСП 12-2 (для четырехтрубных трубопроводов).

Терминал устанавливается на концах трубопровода в точках контроля, в которых предусмотрено подключение детектора. Содержит 12 клемм и четыре разъема для подключения детектора. Служит для подсоединения четырех 3-х жильных кабелей.

 

Промежуточный терминал. КСП 10-4.

Терминал подключается к промежуточным кабельным выводам. Содержит 10 клемм для подсоединения двух 5-ти жильных кабелей в промежуточной точке контроля.

 

Объединяющий терминал. КСП 12-3.

Терминал используется для объединения в одну петлю трех участков трубопроводов. Служит для подсоединения трех 3-х жильных кабелей.

 

Объединяющий терминал КСП 12-5.

Терминал используется для объединения в одну петлю четырех участков трубопроводов (двух ответвлений, выполненных в одной камере, и магистральных труб). Содержит 12 клемм. Служит для подсоединения четырех 3-х жильных кабелей.

 

Проходной терминал КСП 12-4.

Терминал устанавливается возле камер. Содержит 12 клемм. Служит для подсоединения четырех 3-х жильных кабелей в местах разрыва ППУ изоляции в тепловой камере (два от подающей трубы, два от обратной).

 

Двойной концевой терминал КСП 10-3.

Терминал подключается к промежуточным кабельным выводам для разграничения зон ответственности двух производителей трубопроводов в точках врезки на границе проектов. Служит для подсоединения двух 5-ти жильных кабелей.

5.3. Схемы расположения сигнальных проводов в трубах и фасонных деталях.

5.4. Принципы проектирования системы контроля.

Проект системы контроля является неотъемлемой частью проекта теплотрассы.

Проектирование систем ОДК необходимо осуществлять с возможностью присоединения проектируемой системы, как к действующим системам, так и к системам, планируемым в перспективе.

При проектировании системы следует предусматривать объединение в одну цепь сети трубопроводов длиной до пяти км, исходя из максимального диапазона измерения детектора повреждений.

В качестве основного провода следует использовать условно луженый провод, проходящий справа по ходу подачи теплоносителя потребителю.

Все ответвления следует включать в разрыв основного провода. Запрещается подключать ответвления в разрыв возвратного (транзитного) провода, проходящего слева. На обратной трубе основной провод - правый по ходу подачи воды потребителю.

Для контроля состояния изоляции используется стационарный детектор.

При отсутствии электропитания или невозможности доступа в ЦТП контроль следует выполнять переносным детектором.

К каждому кабельному выводу следует предусматривать в проекте соответствующий терминал, а при необходимости - ковер.

Промежуточные контрольные точки рекомендуется предусматривать через 250-300 метров трубопровода, с установкой промежуточных кабельных выводов, коверов и промежуточных терминалов.

Для трубопроводов длиной менее 100 метров допускается установка концевых терминалов с одной стороны. С противоположного конца сигнальные провода закольцовываются.

Если планируется продолжение строительства теплотрассы (удлинение) в перспективе, следует предусмотреть установку промежуточного кабельного вывода на границе проектов и двойного концевого терминала, для объединения или разъединения проектов.

В начале ответвлений длиной более 30-40 метров следует устанавливать промежуточный кабельный вывод.

Максимальная длина соединительного кабеля от трубопровода до терминала 10 метров. В случае, если необходима большая длина кабеля, устанавливается дополнительный терминал возможно ближе к трубопроводу.

Установка терминалов с разъемами для подключения детекторов в помещениях с повышенной влажностью (тепловые камеры, подвалы домов) не допускается.

Располагать терминалы следует в наземных или настенных коверах,  установленного образца. В помещениях ЦТП терминалы устанавливаются без коверов.

Конструкция ковера должна исключать процесс образования конденсата на терминале и обеспечивать вентиляцию внутреннего объема ковера.

Следует предусматривать меры по защите ковера от просадки грунта.

Соединительный кабель в грунте и подвале прокладывается в защитном металлорукаве или оцинкованной трубе диаметром 50 мм.

На углах поворота трассы,  предусматривается установка реперных столбов, на прямых участках на расстоянии около 100 м.

Проект каждой теплотрассы включает в себя чертеж системы контроля, на котором указаны:

- электрическая принципиальная схема соединения проводов системы контроля;

- характерные точки (начало и конец трубопровода в ППУ изоляции, тройниковые ответвления, неподвижные опоры, точки контроля);

- расстояния (в виде таблицы) между характерными точками теплотрассы;

- места установки кабельных выводов и футляров;

- распайка проводов в терминалах;

- типы примененных приборов;

- условные обозначения, используемые на схеме.

- другая информация, необходимая для правильного монтажа и последующей эксплуатации системы.

Важным моментом при проектировании систем контроля является определение оптимальных расстояний между кабельными выводами и правильное расположение футляров, обеспечивающее нормальную эксплуатацию систем контроля и возможность включения системы контроля отдельной теплотрассы в общую систему контроля за теплоснабжением микрорайона.

Основные требования к проекту системы контроля сводятся к следующему:

- проект системы контроля должен быть согласован с эксплуатационной организацией, принимающей трассу на баланс;

- принципиальная электрическая схема (ПЭС) и спецификация заказанного оборудования по системе контроля должны содержать в штампе фамилии и инициалы разработчиков;

- сигнальный кабель от подающего трубопровода необходимо маркировать изоляционной лентой или краской;

- на ПЭС необходимо указывать расстояние от конечных точек контролируемого участка теплотрассы до места подсоединения ближайших кабельных выводов;

- сигнальные провода, изображенные на ПЭС, должны точно повторять конфигурацию теплотрассы, включая отводы, спускники и т.д.;

- перечень элементов, прилагаемый к ПЭС, выполняется в форме таблицы и должен содержать полный список приборов, оборудования, материалов и инструментов, необходимых для проведения монтажных, наладочных и эксплуатационных работ. Каждый элемент, включенный в этот перечень, должен иметь:

обозначение по каталогу поставщика;

полное наименование элемента;

количество;

примечание.

- характерные точки теплотрассы и места расположения контрольных точек необходимо указывать на принципиальной электрической схеме и плане трассы;

- данные по расстояниям между характерными точками должны быть сведены в таблицу, которая имеет следующие графы:

- участок (от одной до другой характерной точки, их номера на монтажной схеме);

- диаметр труб;

- длина участка расчетная;

- длина подающей трубы по факту;

- длина обратной трубы по факту;

- примечание.

- на схеме стыков и ПЭС необходимо указать место расположения неподвижных опор, футляров, переходов;

- допустимые типы используемого кабеля 1NYМЗx1,5 мм2 и 1NYМ5х1,5 мм2.

Цветовая маркировка проводов кабельного вывода следующая:

NYМ 3x1,5 1 - коричневый (или черный), 2 - синий, 3 - желто-зеленый;

NYМ 5x1,5 1 - коричневый, приходящий/возвратный*), 2 - синий, уходящий/возвратный, 3 - желто-зеленый - масса трубы (крепится к приваренному на трубу болту М8 с помощью гайки с шайбой), 4 - черный, приходящий основной, 5 - черно-белый, уходящий основной

*) приходящий - провод со стороны врезки, уходящий - провод со стороны абонента.

Правильно спроектированная система контроля и качественное выполнение монтажных работ - залог надежной работы теплотрассы в течение многих лет.

Cхемы подключения кабельных выводов

5.5. Требования к монтажу системы.

Инструменты для сборки проводов

Система контроля является важнейшим элементом трубопровода с ППУ изоляцией. Используется как при подземной (бесканальной), так и при надземной прокладке. Она своевременно предупреждает потребителя об увлажнении теплоизоляции, позволяет найти место намокания изоляции, а также место обрыва сигнальной петли.

Монтаж системы контроля должен выполняться в полном соответствии с проектом теплотрассы, инструкциями и рекомендациями поставщиков. Установку коверов по месту следует выполнять с учетом удобства дальнейшего обслуживания, вне возможной зоны обрушения траншеи.

После присыпки песком и трамбовки над парой трубопроводов укладывается сигнальная лента. По окончании монтажа необходимо произвести испытания системы, выполнить замеры электрических параметров проводников и теплоизоляции в объеме, определяемом проектом теплотрассы, и зафиксировать эти параметры в приемо-сдаточной документации. Два сигнальных провода устанавливаются в пенополиуретановую теплоизоляцию трубопроводов и фасонных деталей в заводских условиях и поставляются на монтажную площадку в готовом виде. При транспортировке и монтаже труб провода нужно защищать от повреждений, от нагревания сварочным пламенем.

ВАЖНО.

Проверка изоляции контрольно-монтажным прибором должна выполняться на отключенной цепи (отсоединить все детекторы от сигнальных проводов, обнулить потенциал, кратковременно прижав провода к стальной трубе). Запрещается выполнять замеры при подключенных детекторах.

При выполнении работ с контрольно-монтажным прибором запрещается: касаться проводов во избежание электрического шока, использовать приборы контроля изоляции в загазованных местах (в присутствии опасных газов и испарений). Проверку изоляции трубопровода следует выполнять испытательным напряжением 500 В.

На строительной площадке при заливке стыков должна находиться аптечка первой помощи.

Монтаж системы ОДК выполняется после сварки труб и испытаний сварных швов на стальной трубе. Правила монтажа системы ОДК заключаются в следующем.

5.5.1. Трубы укладываются в траншее так, чтобы на каждом стыке провода располагались в горизонтальной плоскости (на «3» и на «9 часов»), а основной провод был расположен на всех трубах справа по ходу подачи воды потребителю. На один конец трубы одевается, в соответствии с руководством по монтажу (см. раздел.7 настоящего альбома), неразборная муфта. Перед началом монтажа контрольных проводов стальная труба очищается от пыли и влаги. Торцы пенополиуретана зачищаются - они должны быть сухими и чистыми.

5.5.2. С помощью пассатижей аккуратно выпрямляются и растягиваются скрученные в спираль провода и, не допуская изломов, располагаются параллельно трубе. Он зачищаются с помощью наждачной бумаги от остатков пены и краски, а затем тщательно обезжириваются. Если не используются элементы с закольцовкой сигнальных проводов, на концах всех ответвлений провода следует накоротко замкнуть. Затем, следует проверить, чтобы между проводами был контакт и,  чтобы они не касались трубы.

5.5.3. На ближайшем к закольцовке стыке, прибором КМР-3050, произвести замеры омического сопротивления сигнальной петли. Испытательным напряжением 500В проверить сопротивление изоляции между сигнальной петлей и стальной трубой.

5.5.4. Соединить на этом стыке соответствующие провода (основной - с основным, возвратный - с возвратным), лишние концы проводов обрезать. Вставить концы проводов в обжимную гильзу, чтобы оба провода были видны в центральном отверстии гильзы. Поместить гильзу с проводами в обжимные клещи.

5.5.5. Опрессовать гильзу обжимными клещами на обоих концах. После этого полученные соединения можно облудить с помощью бескислотного флюса, пропановой горелки, припоя ПОС-61. Проверить прочность соединения сигнальных проводов допускается натягом (с усилием не более 5Н). Второй провод соединяется аналогично. Провода фиксируются в держателях провода. На один стык используются два держателя для основного провода и два - для возвратного. Держатели провода располагаются по линии соединяемых проводов и крепятся к трубе при помощи специальной клеющей ленты.

5.5.6. По окончании всех описанных операций следует произвести необходимые измерения, закончить монтаж муфты в соответствии с инструкцией по монтажу для используемого типа муфты и перейти к следующему стыковому соединению.

5.5.7. По мере наращивания смонтированных стыков следует контролировать электрические параметры сигнальной петли с помощью прибора КМР-3050. Полученные значения заносить в протокол: сопротивление участка изоляции, сопротивление шлейфа. Сопротивление не должно на много превышать 1,5 Ом на 100 метров проводов (50 м труб). Причиной слишком большого сопротивления может быть плохое или неправильное соединение проводов при монтаже. Необходимо найти неисправность, устранить ее и повторить проверку.

5.5.8. Можно считать общее сопротивление изоляции в сигнальной цепи, охватывающей 2000 м проводов (1000 м труб), приемлемым, если оно больше 200 КОм. Слишком низкое сопротивление указывает на наличие шунта между проводами или наличие влаги в изоляции.

5.5.9. Особое внимание следует уделять подсоединению тройниковых ответвлений. Все тройниковые ответвления должны включаться в разрыв основного провода.

5.5.10. После заполнения стыков пеной должны быть завершены следующие работы:

- выполнено измерение действительной величины сопротивления проводов;

- выполнено функциональное испытание и моделирование неисправностей;

- подписаны акты сдачи-приемки системы контроля.

При монтаже систем контроля используются следующие инструменты:

- опрессовочные клещи для обжатия гильз;

- пассатижи;

- паяльник;

-контрольно-монтажный прибор КМР-3050 (или аналог) для проверки состояния изоляции и воспринимающей петли во время монтажных работ.

5.6. Обнаружение мест протечки. Эксплуатация системы контроля

Расстояние до места протечки регистрируется электронным прибором - импульсным рефлектометром, который указывает точное место повреждения. Увлажнение ППУ изоляции из-за некачественного сварного соединения или повреждения оболочки трубы вызывает изменение диэлектрических свойств изоляции, которое посылает отраженный сигнал на рефлектометр. Правильно настроенная система дает точность измерения этого расстояния с погрешностью +/-1% по сравнению с реальным расстоянием от точки измерения до точки появления течи. Это значит, что погрешность будет меньше, чем длина одной стандартной трубы, что, в свою очередь, позволяет достаточно точно определить местонахождение дефектного места.

Желательно устанавливать стационарную, постоянно действующую систему электронного определения протечки для обеспечения непрерывного контроля, но возможно использование и переносных приборов контроля для периодических замеров. При проведении периодического контроля страдает важнейшая характеристика своевременность проведения ремонта трубопровода.

Аппаратура автоматического и периодического контроля применяется на всех участках тепловой сети, магистралях и ответвлениях, не оставляя на трассе «белых пятен». В случаях каких-либо повреждений это всегда позволит определить место нахождения дефектного участка. Система может быть расширена и усовершенствована, что позволит подсоединить несколько отдельных участков теплотрасс к центральному узлу (пункту) контроля.

При поиске мест протечки полезным является учет расположения характерных точек теплотрассы, таких как:

- повороты трассы;

- ответвления;

- стыки;

- задвижки;

- спускники;

- кабельные выводы;

- футляры;

- неподвижные опоры;

- шаровые задвижки.

6. Транспортировка и хранение труб и деталей в ППУ изоляции

Транспортировка.

Доставка на строительную площадку теплогидроизолированных труб должна производиться автотранспортом с удлиненным прицепом.

Транспортировку теплогидроизолированных труб и деталей следует выполнять при температуре не ниже - 25°С.

Разгрузка.

Разгрузку теплогидроизолированных труб и деталей диаметром до 300 мм следует производить с использованием траверс и мягких полотенец, располагаемых на трубах на 1/3 от их концов, диаметром 300-1000 мм с использованием полотенец или строп, в том числе с захватом по неизолированным концам стальных труб.

Погрузочно-разгрузочные работы с теплогидроизолированными трубами и деталями следует производить при температуре не ниже -25°С.

При выполнении погрузочно-разгрузочных работ запрещается сбрасывать изолированные трубы, фасонные изделия, элементы и детали с транспортных средств.

 

 

 

 

Складирование.

Складирование и хранение теплогидроизолированных труб на приобъектных складах и стройплощадках должно выполняться в штабелях на подготовленной и выровненной площадке. Нижний ряд труб должен располагаться на песчаных подушках высотой не менее 300 мм, шириной 0,7-0,9 м, с шагом не более 5,0 м.

Высота штабеля теплогидроизолированных труб должна быть не более 2 м. Должны быть предусмотрены меры против раскатывания труб.

Различные виды теплогидроизолированных фасонных изделий должны храниться отдельно.

 

 

Теплогидроизолированные трубы, фасонные изделия и детали при хранении более двух недель должны быть защищены от воздействия прямых солнечных лучей (располагаться в тени, под навесом или прикрыты рулонным материалом).

Полуцилиндры из ППУ, термоусаживающиеся муфты и манжеты, компоненты «А» и «Б» ППУ должны храниться в закрытых помещениях или под навесом в заводской упаковке при положительной температуре.

 

7. Монтаж и испытания трубопроводов

7.1. Разработка траншей и котлованов

Строительство тепловых сетей следует выполнять в соответствии с проектами организации и производства работ, технологическими картами прокладки трубопроводов, а также с учетом общих требований СНиП 3.05.03-85 «Тепловые сети», СНиП 2.04.07-86* «Тепловые сети», «Правил устройства и безопасной эксплуатации трубопроводов пара и горячей воды», утвержденных коллегией Госгортехнадзора России (Постановление № 45 от 18.07.1994 г.), СНиП III-42-80* «Магистральные трубопроводы», СНиП 3.05.05-84 «Технологическое оборудование и технологические трубопроводы», а также в соответствии с требованиями техники безопасности и противопожарной безопасности.

Последовательность операций при строительстве теплотрассы зависит от метода прокладки трубопроводов, указанного в проекте, и включает следующие типовые операции:

- разметка трассы в плане в соответствии с чертежом геоподосновы и монтажной схемой, предъявление разметки приемной комиссии;

- подготовка траншей по ширине и глубине с учетом песчаной подсыпки, при необходимости укрепление стенок траншей, проверка глубины траншей по геодезическим отметкам, составление акта;

- раскладка труб, фасонных изделий и других комплектующих элементов;

- проверка целостности проводов системы контроля в трубопроводах и других элементах теплотрассы («прозвон» проводов);

- устройство неподвижных опор;

- сборка труб и сварка стыков труб;

- гидравлическое испытание или радиографический контроль сварных швов, составление актов испытаний;

- соединение проводов системы контроля в местах стыковых соединений;

- тепло-гидроизоляция стыков труб;

- оформление акта на скрытые работы;

- установка компенсирующих подушек, обсыпка трубопроводов слоем песка, обратная засыпка траншей кроме мест установки стартовых компенсаторов, трамбовка грунта;

- при монтаже с использованием стартовых компенсаторов нагрев теплопровода до проектной температуры, фиксация стартовых компенсаторов сварным швом, сборка проводов системы контроля на стыках стартовых компенсаторов, оформление акта, установка теплогидроизоляции на стартовый компенсатор, акт на скрытые работы;

- обратная засыпка траншей и трамбовка грунта в местах установки стартовых компенсаторов.

Организационно-техническая подготовка к строительству тепловых сетей должна осуществляться в соответствии с требованиями СНиП 3.01.01-85 и предусматриваться в ПОС.

Разработку траншей и котлованов и работы по устройству оснований для бесканальной прокладки теплопроводов с изоляцией из ППУ следует производить с учетом требований СНиП 3.02.01-87 «Земляные сооружения. Основания и фундаменты». В водонасыщенных грунтах следует устраивать сопутствующий дренаж несовершенного типа, сооружаемый только на время строительства. Наименьшую ширину траншей К по дну при 2-трубной бесканальной прокладке тепловых сетей следует принимать для труб диаметром:

до 250 мм - 2d1+а+0,6 м;

до 500 мм - 2d1+а+0,8 м;

до 1000 M - 2d1+a+1,0 м

(где d1 - наружный диаметр оболочки теплоизоляции, м; а - расстояние в свету между оболочками теплоизоляции труб).

Минимальную ширину дна траншеи при канальной прокладке теплопроводов следует принимать согласно СНиП 3.05.03-85.

Размеры приямков под сварку и изоляцию стыков труб следует принимать: ширина -2d1+a+1,2 м; длина - 1,2 м; глубина - 0,7 м.

На дне траншеи следует устраивать песчаную подушку толщиной не менее 15 см.

При обратной засыпке теплопровода, обязательно устройство над верхом теплоизоляции защитного слоя из песчаного грунта толщиной не менее 15 см, не содержащего твердых включений (щебня, камней, кирпичей и пр.), с подбивкой пазух между теплопроводами и основанием и послойным уплотнением как между трубами, так и между трубами и стенками траншеи.

После сварки концов стальных труб и испытания теплопровода производится его засыпка экскаватором (кроме мест стыков) по защитному слою местным (не мерзлым) грунтом.

После теплогидроизоляции стыков теплопроводов, предварительного нагрева теплопроводов и замыкания пусковых компенсаторов производят засыпку песком приямков с послойным уплотнением грунта в приямках и вокруг стыка ручной или механической трамбовкой.

 

 

7.2. Подготовка к монтажу

Перед укладкой теплоизолированные трубы, соединительные детали и элементы подвергают тщательному осмотру с целью обнаружения трещин, сколов, глубоких надрезов, проколов и других механических повреждений полиэтиленовой оболочки и теплоизоляции. При обнаружении трещин в оболочке, глубоких надрезов их заделывают путем экструзионной сварки или путем наложения кольцевых заплаток из термоусаживаемой ленты.

Трубы и фасонные детали раскладывают на бровке или дне траншеи с помощью крана или трубоукладчика таким образом, чтобы провода системы ОДК располагались в горизонтальной плоскости.

Опускание в траншею изолированных труб следует производить плавно, без рывков и ударов о стенки и дно каналов и траншей. Перед укладкой труб в траншею в обязательном порядке следует проверить целостность проводников-индикаторов системы ОДК и замерить сопротивление между ними и металлической трубой.

Теплопроводы, укладываемые на песчаное основание, не должны опираться на камни, кирпичи и другие твердые включения, которые следует удалить, а образовавшиеся углубления засыпать песком.

 

7.3. Монтаж трубопроводов

Монтаж трубопроводов производится, как правило, на дне траншеи. Допускается производить сварку прямых участков труб в секции на бровке траншеи.

Монтаж теплопроводов с тепло гидроизоляцией из ППУ в полиэтиленовой оболочке производится при температуре наружного воздуха не ниже минус 15°С.

Резку стальных труб (в случае необходимости) производят газорезкой, при этом теплоизоляция снимается механизированным ручным инструментом на участке длиной 300 или 420 мм (в зависимости от диаметра стальной трубы), а торцы теплоизоляции в ходе резки закрываются увлажненной тканью или жесткими экранами.

Сварку стыков труб и контроль сварных соединений трубопроводов следует производить в соответствии с требованиями СНиП 3.05.03-85. При производстве сварочных работ необходимо обеспечить защиту пенополиуретана и гидроизоляционной оболочки, а также концов проводов, выходящих из изоляции, от попадания на них искр.

Проход сквозь стены зданий и камер.

Проход трубопровода сквозь стены зданий и камер осуществляется с помощью металлической заглушки изоляции, на которую надеваются газонепроницаемые манжеты стенового ввода с последующим бетонированием в строительной конструкции.

Сопряжение бесканальных участков теплопроводов с каналом должно осуществляться путем устройства торцевой стенки с сальниковым уплотнением вокруг изолированных теплопроводов и песчаной обсыпки.

Строительные конструкции.

Строительные конструкции (камеры, камеры-павильоны, проходные и непроходные каналы, прокладки теплопроводов в футлярах и щитовых тоннелях) при прокладке тепловых сетей с пенополиуретановой теплоизоляцией в полиэтиленовой оболочке должны применяться, как при прокладке трубопровода в канале.

Конструкции железобетонных щитов неподвижных опор для бесканальной прокладки тепловых сетей должны разрабатываться по индивидуальным чертежам и рассчитываться на необходимое усилие, с учетом местных грунтов.

 

 

7.4. Тепло гидроизоляция стыковых соединений

Тепло гидроизоляция сварных швов на трассе производится после гидравлического испытания трубопровода согласно СНиП 3.05.03-85 («Тепловые сети»).

Внимание!!!

Перед монтажом труб необходимо проверить сопротивление изоляции изделий относительно стальной трубы. Сопротивление изоляции каждого элемента должно быть более 10 МОм.

Для изоляции стыковых соединений применяются следующие технологии:

1. Тепло-гидроизоляция стыка пенополиуретановыми скорлупами и термоусаживаемой лентой, (используется при надземной прокладке).

2. Тепло-гидроизоляция стыка с применением жидких компонентов (полиол, изоционат), оболочки из оцинкованной стали и термоусаживаемой ленты «Canusa» (CSS) шириной 650 мм.

3. Тепло-гидроизоляция стыка с применением жидких компонентов и термоусаживаемых кожухов «SUPERCASE» (CSC).

После сварки концов стальных труб и гидравлических испытаний трубопровода должна быть произведена очистка наружной поверхности участка стыка от следов ржавчины и окалины с помощью металлических щеток,

7.4.1 .Технология и материалы теплогидроизоляции стыка с применением скорлуп.

1. Удалить слой ППУ с торцевой поверхности труб на глубину 3 ÷ 30 мм до сухого материала;

2. Произвести соединение сигнальных проводов, обязательна пайка;

3. На поверхность стальной трубы нанести небольшое количество перемешанных жидких компонентов ППУ;

4. Скорлупы установить на место стыка (рис.1) и сжать монтажными лентами;

 

рис.1

5. Обработать наждачной бумагой и протереть этанолом (ацетоном) края ПЭ оболочки, прилегающие к стыку на расстоянии не менее 200 мм. Поверхности должны быть чистыми и сухими. Если поверхность трубы оболочки влажная, то ее просушить газовой пропановой горелкой. Нагрев трубы оболочки выполнять непосредственно перед изоляцией стыка термоусаживаемой пленкой, это резко повышает ее адгезионные свойства. Нагрев производить до температуры не более 60°С, при этом использовать индикатор температуры;

6. Термоусаживаемую ленту «Canusa» наложить на стык с учетом перекрытия оболочки на 6 ÷ 8 см (см. рис.2). Прогреть оболочку и адгезив с одного края, прижать. Затем прогреть адгезив верхнего края и прижать к нижнему;

 

рис.2

7. На шов ленты наложить фиксатор, назначение которого исключить расхождение ленточного шва в процессе термоусадки (фиксатор изготовлен из специально обработанного полиэтилена). Приложить фиксатор после прогрева места установки пропановой горелкой (см. рис.2), выдержать шов как можно ближе к средней линии ленты-фиксатора. Фиксатор прогреть горелкой до полного прилипания, незначительные морщины и неполное прилипание края ленты-фиксатора допускаются.

8. Пропановой горелкой выполнить термоусадку ленты (см. рис.3). Пламя горелки регулировать в зависимости от температуры окружающего воздуха так, чтобы оно было желтым (высотой примерно 50 см). Обязательно использовать индикатор температуры. Место стыка должно остыть до температуры 37°С, прежде чем его можно подвергать механическим нагрузкам.

 

рис.3

7.4.2. Теплогидроизоляция стыка заливкой жидких компонентов в кожух из оцинкованной стали с последующей гидроизоляцией термоусаживаемой лентой.

1. Выполнить очистку наружной поверхности стыкового соединения, предварительно удалив слой ППУ с торцевой поверхности труб на глубину около 3 ÷ 30 мм (до сухого материала);

2. Соединить провода системы контроля, закрепить провод в держателях, держатели с трубой;

3. Наложить оцинкованный лист стали (-0,5 мм) на стык, с заходом на концы труб оболочек не менее 20 мм с каждой стороны, затянуть его лентами-зажимами и зафиксировать винтами-саморезами (рис.4);

4. Смешать полиуретановые компоненты в объеме и пропорции, указанной заводом-изготовителем, и залить в отверстие в металлическом кожухе. Закрыть заливочное отверстие металлической пластиной и закрепить ее винтами-саморезами. После 30 минут, необходимых для полимеризации, снять бандажные ленты;

 

рис.4

5. Подготовить поверхность ПЭ оболочек по обе стороны от стыка, удалить грязь, обезжирить, зачистить наждачной шкуркой и активировать поверхности оболочек путем прогрева их газовой горелкой до температуры приблизительно 60°С;

6. Прогреть поверхность, на которую будет укладываться термоусаживаемая лента. Этот процесс нужно выполнять одновременно с прогревом ПЭ оболочек, прилегающих к стыку.

7. Наложить термоусаживаемую ленту «Canusa» шириной 650 мм на стыковое соединение с расчетом закрытия боковых поверхностей прилегающих ПЭ оболочек приблизительно на 150 мм. Лента накладывается с перекрытием шва на 80 мм;

8. На шов ленты наложить фиксатор и далее произвести процесс термоусадки ленты (см. рис.3);

 

7.4.3. Материалы и технология тепло гидроизоляции с применением термоусаживаемого кожуха «SUPERCASE»

Внимание!!! Установка кожуха «SUPER-CASE» на трубы производится до электрической сварки стыковых соединений.

 

   1.

 

1. Материалы:

Canusa Supercase (CSC) - это термоусаживаемый кожух, используемый для герметизации стыков труб теплоснабжения. Поставляемый комплект, включает кожух из радиационно-сшитого ПЭ, рулон адгезивной ленты, центраторы, две заплатки, две сварные пробки.

 

2.

 

2. Необходимое оборудование:

Баллон с пропаном, газовая горелка, наждачная бумага (зерно 40-60), проволочная щетка, монтажный нож, безворсовая ткань, этанол (ацетон), термометр, маркер, дрель-миксер, перчатки.

 

3.

 

3. Технология. Интенсивность пламени горелки:

Отрегулировать огонь горелки в соответствии с погодными условиями:

а) желтый огонь при малом ветре и средних температурах;

б) синий огонь при сильном ветре и низких температурах.

 

4.

 

4. Подготовка стыка трубы

Удостовериться в том, что на внутренней поверхности CSC нет грязи и влаги. До сварки стальной трубы кожух CSC следует сместить на 1 метр от стыка для того, чтобы не повредить кожух во время сварки рабочей трубы.

 

 

5.

 

5. Подготовка стальной трубы

Зачистить поверхность рабочей трубы. Удалить лишнюю (влажную) пену с торцов трубы на глубину около 30 мм.

 

6.

 

6. Используя треугольный скребок, удалить с торцевой поверхности оболочки заусенцы и грязь.

 

7.

 

7, Пропитанной спиртом тканью очистить поверхность оболочки (на длине, равной длине CSC + 50 мм с каждой стороны) и внутри CSC для того, чтобы удалить грязь и обезжирить.

 

8.

 

8. Подготовка оболочки:

Обработать оболочку и внутреннюю поверхность CSC шкуркой или проволочной щеткой так, чтобы поверхность была шероховата. Это необходимо для лучшей адгезии кожуха с оболочкой.

Тканью удалить с поверхности трубы грязь и обезжирить.

 

9.

 

9. Позиция № 1.

Расположить муфту CSC по центру стыка и обозначить маркером края кожуха на оболочке.

 

10.

 

10. Отверстие для воздуха:

Просверлить небольшое отверстие (5 мм) в кожухе для того, чтобы через него во время усадки мог выходить воздух.

 

11.

 

 

11. Позиция № 2

Сместить муфту CSC на один метр от стыка.

 

12.

 

12. Адгезивная лента

Необходимая длина адгезивной ленты (L) равна длине окружности оболочки +50 мм нахлеста

 

13.

 

13. Предварительный нагрев

Подогреть оболочку до 40оС. Проверить температуру по всей окружности с помощью термометра

 

14.

 

14. Адгезивная лента.

Удалить с адгезивных лент нижнюю (толстую) защитную пленку

 

15. 

15. Применение адгезивной ленты. Обмотать оболочку адгезивной лентой так, чтобы лента перекрыла маркировку на поверхности трубы на 5 мм. Наложить адгезивную ленту сетчатой стороной вниз.

 

16.

 

16. Применение адгезивной ленты и установка центратора

С наложенных адгезивных лент частично снять верхнюю (тонкую) защитную пленку.

Нарезать центраторы по 40 мм. Разместить центраторы с каждой стороны на поверхности оболочки на позиции «11», «13 часов».

 

17.

 

17. Размещение кожуха CSC

Разместить CSC по центру стыка так, чтобы края кожуха почти накрывали адгезивную ленту.

 

18.

 

18. Установка кожуха CSC

Полностью удалить (вытянуть из под муфты) защитную пленку с адгезивных лент.

 

19.

 

19. Установка кожуха CSC №2

Усадить пропановой горелкой один край муфты CSC. Для того чтобы не повредить кожух, усаживать следует круговыми непрерывными движениями по окружности трубы. Исключить усадку пятнами.

 

20.

 

20. Установка кожуха CSC №3

По завершении усадки край кожуха примет форму оболочки.

 

21.

 

21. Проверка качества усадки

Проверить усадку кожуха по всей окружности трубы. Если край кожуха имеет задир, дополнительно прогреть эту область

 

22.

 

22. Применение стягивающей ленты

Для оболочек диаметром 315 мм и выше рекомендуется обматывать края кожуха стягивающей лентой. Использование такой ленты обеспечивает кожуху равномерное охлаждение и соответствие формы.

 

23.

 

23. Завершение установки кожуха CSC.

Провести усадку другого края кожуха в соответствии с п.п. 19-21.

 

24.

24. Проверка заделки стыка

Поверхность кожуха должна остыть до 50°С. Испытания опрессовкой должны проводиться на протяжении 3 мин. при давлении воздуха в 0,3 бар. В случае утечки следует дополнительно прогреть некачественную область кожуха, а затем вновь повторить испытания. Рекомендуется использовать опрессовочное приспособление поставки НПО «Стройполимер».

 

25.

 

25. Подготовка отверстий.

Увеличить диаметр отверстия для воздуха и просверлить еще одно отверстие.

Внимание!!! - Диаметр отверстий должен соответствовать диаметру пробок, уменьшенному на 2 мм.

 

                                                                                                                                                26.

26. Заполнение № 1

Заполнение жидкой смесью должно происходить в соответствии с рекомендациями поставщика продукта. Закрыть отверстия резиновыми (деревянными) пробками.

 

27.

27. Установка сварных пробок.

Удалить пробки из отверстий после того, как застынет пена (через 5-7 мин). Зачистить отверстия и приварить полиэтиленовые пробки. Приварка пробок выполняется специальным сварочным аппаратом поставки НПО «Стройполимер».

 

28.

 

28. Подготовка отверстий № 1.

Ножовкой спилить выступающую часть пробок. С помощью напильника зачистить поверхность распила, чтобы удалить задиры и заусенцы.

 

29.

 

29. Подготовка отверстий № 2

Обезжирить поверхность оболочки пропитанной спиртом (ацетоном) тканью.

30. Подготовка отверстий № 3

Сделать поверхность кожуха в области пробок шероховатой, используя шкурку.

 

31.

 

31. Подготовка отверстий № 4.

Удалить грязь и остатки изоляции, обезжирить кожух.

 

32.

 

32. Установка заплаток № 1.

Подогреть кожух в области заделанных отверстий до 40°С.

33. Установка заплаток № 2

Удалить защитную пленку с заплатки.

 

34.

 

34. Установка заплаток № 3

С помощью горелки подогреть заплатку со стороны адгезивного покрытия. Неровности на заплатке со стороны адгезива при прогреве должны исчезнуть

 

35.

 

35. Установка заплаток № 4.

Расположить заплатку по центру отверстия

 

36.

 

36. Установка заплаток № 5.

Прижать заплатку к кожуху рукой или роликом. Придерживать заплатку на месте до тех пор, пока она не склеится с поверхностью.

Прогреть обратную сторону заплатки (10-20 сек.) мягким огнем. Нагревание следует прекратить, когда из-под заплатки покажется валик расплавленного адгезива.

.

                                                                                                                                                          37.

37. Установка заплаток № 6.

Разгладить поверхность заплатки с помощью ролика.

 

38.

 

38. Установка заплаток № 7. Заплатку можно считать установленной, когда по всей ее окружности выступит адгезив.

39. Завершение установки кожуха CSC.

Тщательно проверить выполненную работу. Удостовериться в том, что края кожуха полностью прилегают к оболочке и нет задиров.

Засыпать стык трубы, заделанный с помощью кожуха CSC, следует через 30 - 40 мин после усадки. К этому времени адгезив уже застынет и усадка завершится полностью.

7.4.4 Технология и материалы теплогидроизоляции стыка теплогидроизолированных труб в оцинкованной оболочке.

После сварки концов стальных труб и гидравлических испытаний трубопровода должна быть проведена очистка наружной поверхности участка стыка от следов ржавчины и окалины с помощью металлических щеток.

На поверхность стальной трубы наносится небольшое количество перемешанных жидких компонентов в количестве и пропорции, указанной заводом изготовителем.

Установить пенополиуретановые скорлупы на стыковое соединение (рис.1).

При этом на стыковые поверхности скорлуп также наносятся жидкие компоненты для более полного закрытия технологических зазоров.

Прилегающие к стыку части оцинкованной оболочки обезжириваются спиртосодержащей жидкостью.

На стыковое соединение с установленными скорлупами накладывается термоусаживаемая лента шириной 650 мм и производится ее термоусадка при помощи пропановой горелки. Лента накладывается на стык с учетом перекрытия шва на 10 см. (рис. 2).

Стык герметизируется в соответствии п. 7.4.1.

Далее поверх усаженной ленты накладывается оцинкованный кожух и фиксируется при помощи замкового соединения (допускается дополнительно закрепить кожух, используя стальную бандажную ленту).

 

7.4.5.Технология заделки стыка теплогидроизоляции на стартовом компенсаторе

Полиэтиленовая муфта (рис.7.4.4 поз.1) устанавливается на полиэтиленовую оболочку трубопровода до установки и приварки стартового компенсатора.

Размеры комплектующих и количество жидких компонентов теплоизоляции принимаются для каждого диаметра трубопровода в соответствии с разделом 8 настоящего альбома.

Теплогидроизоляция стыка на стартовом компенсаторе выполняется после проведения сварки, испытания сварных швов приварки компенсатора, фиксации стартового компенсатора сварным швом и охлаждения трубопровода. Перед сборкой стыка также необходимо соединить провода системы дистанционного контроля в соответствии с разделом 5.1 настоящего альбома.

Гидроизоляция стыкового соединения выполняется в следующей последовательности:

1. Герметизация торцов полиэтиленовой муфты.

1.1. Удалить поверхностный слой пенополиуретана на торцах полиэтиленовых труб стыкуемого трубопровода на глубину не менее 20 мм.

1.2. Обезжирить концы полиэтиленовых труб обтиранием ветошью, смоченной в спирте, на расстоянии не менее 250 мм от их торцов.

1.3. Обезжирить наружную поверхность полиэтиленовой муфты (рис.7.4.4 поз.1).

1.4. Обработать обезжиренные поверхности наждачной бумагой №6 или проволочной щеткой для придания поверхности дополнительной шероховатости.

1.5. Разместить полиэтиленовую муфту на стыке с равномерным распределением нахлеста муфты на обеих стыкуемых оболочках.

1.6. Прогреть пламенем пропановой горелки оболочку трубы и полиэтиленовую муфту в месте их соединения на ширину термоусаживаемой пленки (350мм) с учетом нахлеста пленки на оболочку трубы на 180 мм и нахлеста пленки на полиэтиленовую муфту на 170 мм. Температура пламени горелки контролируется по его цвету: желтое пламя в безветренную теплую погоду, синее пламя при ветреной и холодной погоде. Температура прогрева (40°С) полиэтиленовых элементов контролируется рукой.

 

 

1.7. Установить термоусаживаемую ленту (рис.7.4.4 поз.3) шириной 350 мм на подготовленную поверхность оболочки трубы и муфты с перехлестом концов ленты 100 мм. Лента должна накрывать оболочку трубы на ширину 180 мм и полиэтиленовую муфту на ширину 170 мм.

1.8. Место перехлеста концов термоусаживаемой ленты закрыть фиксатором (рис.7.4.4. поз.4) и закрепить фиксатор прогревом пламенем пропановой горелки.

1.9. Пламенем горелки выполнить усаживание ленты (рис.7.4.4. поз.2) по длине и по окружности ленты.

1.10. Повторить операции 1.6-1.9 на втором конце полиэтиленовой муфты.

2. Опрессовка стыкового соединения гидроизоляции.

2.1. Выдержать стыковое соединение до охлаждения до температуры 50°С.

2.2. Разметить и просверлить два технологических отверстия в полиэтиленовой муфте, в соответствии с чертежом заделки стыка.

2.3. Произвести опрессовку заделанного стыка давлением 0,3 бар с помощью опрессовочного приспособления. Время испытания 3 мин.

Падение давления не допускается.

3. Теплоизоляция стыка.

3.1. Перемешать жидкие компоненты пенополиуретановой теплоизоляции (полиол+изоционат) и залить их в полость стыка через технологические отверстия

3.2. При появлении пены в технологических отверстиях полиэтиленовой муфты плотно закрыть эти отверстия резиновыми пробками.

3.3. Выдержать 20мин.

3.4. Удалить резиновые пробки из отверстий, удалить излишки пены с поверхности полиэтиленовой муфты.

4. Гидроизоляция технологических отверстий.

4.1. Прогреть наружную поверхность полиэтиленовой муфты (рис.7.4.4. поз.1) пламенем пропановой горелки до температуры 40°С.

4.2. С помощью термоусаживаемой ленты (рис.7.4.4. поз.5) закрыть технологические отверстия в муфте.

4.3. Место перехлеста концов термоусаживаемой ленты закрыть фиксатором (рис.7.4.4. поз.6) и закрепить фиксатор прогревом пламенем пропановой горелки.

4.4. Выполнить усаживание ленты (рис.7.4.4. поз.5) равномерным ее прогревом пламенем горелки по длине ленты.

Все другие работы на трубопроводе вблизи стыкового соединения, засыпку траншеи и т.п. производить после охлаждения стыка до температуры окружающего воздуха.

7.5. Установка арматуры

Для тепловых сетей применяется теплогидроизолированная арматура с концами под сварку.

Запорная арматура может устанавливаться в камерах (колодцах), размеры которых указываются в проектах, или непосредственно в грунт под ковер при применении шаровых кранов, эксплуатируемых по гарантиям заводов-изготовителей на менее 5 лет без ревизии.

При установке арматуры, не предусмотренной проектом, отступления от проекта согласовываются с проектным институтом.

Запорная арматура устанавливается:

1) по ходу монтажа трубопроводов до закрепления расчетных участков -при монтаже секционирующей арматуры;

2) перед или после гидравлических испытаний (закрепления в опорах) после вырезки бочонков, равных длине арматуры и с учетом удлинения (укорочения) трубопровода;

3) длина вырезаемого бочонка определяется следующим образом: вырезается первый шов, трубопровод выдерживается в течение 10 минут, замеряется длина корпуса запорной арматуры, отмеряется мелом положение второго шва, вырезается бочонок.

Монтаж запорной арматуры производится в не перекрытые камеры крановым оборудованием, определенным в ППР, а в перекрытые камеры - по отдельным технологическим картам.

Конструкция узлов управления должна обеспечивать максимальные удобства и безопасность эксплуатационного обслуживания при условии надежности и долговечности смонтированного оборудования, изделий и строительных конструкций, для чего при проектировании необходимо руководствоваться следующими требованиями:

1. Шаровые краны ответвлений, спускников и воздушников должны располагаться от основных трубопроводов на минимальном расстоянии, определяемом габаритными размерами поставляемых фасонных деталей с заводской изоляцией.

2. Строительные конструкции узлов не должны препятствовать максимальным расчетным температурным перемещениям трубопроводов.

3. Строительные конструкции узлов не должны нагружать элементы трубопроводов.

4. Конструкция узлов должна обеспечивать визуальное определение положения арматуры (открыто, закрыто) с поверхности.

5. Для шаровых кранов Ду < 150 мм следует принимать управление Т-образным ключом, при этом расстояние от верха управляющей головки до верхнего обреза люка должно быть в пределах 200-500 мм.

6. Для шаровых кранов Ду = 200 - 350 мм должны применяться переносные планетарные редукторы, при этом расстояние от верха управляющей головки крана до верхнего обреза люка должно быть в пределах 200 - 250 мм.

7. Для шаровых кранов Ду > 400 мм должны применяться герметичные стационарные редукторы, при этом указанное в п.6 расстояние должно быть в пределах 200-500 мм.

8. Для всех типоразмеров шаровых кранов, расстояние по горизонтали от оси управляющей головки до внутренней поверхности люка должно быть не менее 150 мм с учетом максимальных расчетных температурных перемещений.

9. Расстояние по вертикали, от оси штока шарового крана воздушника до верхнего обреза люка не должно превышать 500 мм,  от соединительной муфтовой головки не менее 200 мм.

10. Максимальная величина патрубка воздушника от основного трубопровода до шарового крана не должна превышать 400 мм.

11. Уровень песчаной засыпки внутри узлов управления должен быть ниже на 200 мм верха головок управления шаровых кранов, верха изоляции патрубков воздушников. Строительные конструкции должны исключать «замыв» грунтом отметки выше указанного уровня песчаной засыпки.

12. Верхняя поверхность управляющих элементов запорной арматуры, установленной на подающем трубопроводе, должна покрываться красной светоотражающей краской.

13. В спецификациях должна предусматриваться комплектация узлов управления Т-образными ключами, планетарными редукторами с переходным оборудованием, выбросными шлангами воздушников с патрубками и муфтами, штоковыми ключами воздушников по одной единице на типоряд применяемого оборудования на объекте и на 20 единиц однотипного оборудования.

14. Каждый узел должен быть оборудован асбестоцементным столбиком-маркером сечением 150x150 мм, высотой надземной части не менее 700 мм. В том случае, когда узел управления оборудуется надземным терминалом системы контроля состояния изоляции, установка реперного столбика не требуется.

7.6. Монтаж компенсаторов

Монтаж Г-образных, П-образных и Z-образных компенсаторов.

П-образные и Z-образные компенсаторы обычно собирают с помощью отводов с углом поворота 90°. Г- образные компенсаторы образуются отводами, которые могут иметь другие углы поворота. Во всех случаях отводы поставляются с предварительно установленной теплогидроизоляцией и проводами системы контроля. Поэтому монтаж этих компенсаторов принципиально ничем не отличается от монтажа обычных прямых стыков на трубопроводах. При сборке компенсаторов этого типа необходимо производить и обрезку труб таким образом, чтобы обеспечить проектные расстояния между осями труб в местах установки соответствующих отводов. При обрезке труб необходимо производить обрезку проводов системы контроля с учетом того, что при соединении проводов системы контроля может потребоваться большая длина проводников.

Монтаж сильфонных компенсаторов.

Сильфонные компенсаторы монтируются на прямолинейных участках трубопровода и выполняют функцию, аналогичную функции П- образных компенсаторов. До установки сильфонного компенсатора трубопроводы трассы должны быть смонтированы на всем прямолинейном участке теплотрассы, включая и место установки компенсатора. Прямолинейный участок трассы должен быть засыпан грунтом, кроме мест установки сильфонных компенсаторов, независимо от того, есть или нет фактически неподвижные опоры на этом участке. Грунт должен быть утрамбован. Монтаж сиильфонного компенсатора следует выполнять в такой последовательности:

- разметить трубопровод в месте установки компенсатора по размеру компенсатора в состоянии поставки и с учетом растяжки компенсатора, в соответствии с проектной документацией и паспортом на компенсатор;

- вырезать участок трубопровода (катушку) по разметке с припуском 3- 5мм на обработку торцов трубы. Подготовить кромки трубы под сварку;

- установить компенсатор в рабочее положение сносно трубопроводу, проверить параллельность кромок компенсатора кромкам трубопровода, при необходимости произвести доработку кромок труб.

- выполнить приварку компенсатора к трубопроводу. Зачистить сварные швы;

- произвести испытания сварных швов в составе трубопровода;

- соединить провода системы контроля;

- выполнить заделку стыков теплогидроизоляции с обеспечением свободного хода сильфонного компенсатора.

- выполнить обсыпку компенсатора слоем песка, выполнить обратную засыпку и трамбовку грунта.

Монтаж стартовых компенсаторов.

Стартовые компенсаторы монтируются также на прямолинейных участках трубопровода, но выполняют функцию компенсации только один раз, при первом разогреве трубопроводов теплотрассы. При установке стартового компенсатора необходимо убедиться в возможности разогрева трубопроводов до температуры, указанной в проектной документации. Трубопроводы трассы должны быть смонтированы на всем прямолинейном участке теплотрассы. До разогрева трубопровода прямолинейный участок трассы, кроме мест установки компенсаторов, должен быть засыпан грунтом, независимо от того есть или нет фактически неподвижные опоры на этом участке. Грунт должен быть утрамбован.

Монтаж стартового компенсатора рекомендуется выполнять в следующей последовательности:

- растянуть компенсатор на величину, указанную в проекте, и зафиксировать это положение компенсатора сварными прихватками;

- подготовить кромки трубы под приварку компенсатора;

- установить компенсатор в рабочее положение сносно трубопроводу, проверить параллельность кромок компенсатора кромкам трубопровода, при необходимости произвести доработку кромок труб;

- выполнить приварку компенсатора к трубопроводу. Зачистить сварные швы;

- произвести испытания сварных швов в составе трубопровода;

- удалить прихватки на компенсаторе абразивным инструментом;

- разогреть трубопровод теплотрассы. При разогреве следить за перемещениями концов труб и размером компенсатора согласно разметке, при достижении заданного размера компенсатора остановить разогрев и заварить фиксирующий сварной шов на компенсаторе при разогретом трубопроводе.

- соединить провода системы контроля;

- выполнить заделку стыка теплогидроизоляции с применением комплектующих элементов;

- выполнить обсыпку компенсатора слоем песка, выполнить обратную засыпку и трамбовку грунта.

7.7. Испытании трубопроводов

Общие условия.

Испытания и промывка теплопроводов производятся в соответствии с требованиями СНиП 3.05.03-85 «Тепловые сети» (п.п. 8.2-8.7). Теплопроводы должны подвергаться предварительному и окончательному испытанию на прочность и герметичность.

Предварительные испытания трубопроводов на прочность и герметичность следует выполнять, как правило, гидравлическим способом.

Для гидравлического испытания должна применяться вода с температурой не ниже +5°С и не выше +40°С. Гидравлическое испытание трубопроводов должно производиться при положительной температуре окружающего воздуха.

Предварительные испытания могут производиться строительно-монтажной организацией без участия заказчика. Результаты испытаний должны регистрироваться в журнале работ.

Методика испытаний.

Предварительное испытание теплопроводов следует производить отдельными участками по мере окончания монтажно-сварочных работ до установки оборудования: пусковых, сильфонных компенсаторов, запорной арматуры, но после того, как сваренный участок теплопровода уложен и концы испытываемого участка заварены заглушками. Использование запорной арматуры для отсечки испытываемого участка не допускается.

Окончательное испытание теплопроводов производится строительно-монтажной организацией в присутствии представителей заказчика и эксплуатирующей организации. По результатам испытаний составляется акт.

Испытания проводятся после завершения строительно-монтажных работ и установки на тепловых сетях запорной арматуры: пусковых, сильфонных компенсаторов, кранов для воздушников, задвижек для спускников и другого оборудования и приборов.

Испытания теплопроводов на прочность и герметичность, их продувку, промывку необходимо производить по технологическим схемам (согласованным с эксплуатирующими организациями), разработанным строительной организацией в составе проекта производства работ.

Промывка теплопровода должна осуществляться в соответствии со СНиП 3.05.03-85, как правило, технической водой.

Допускается промывка хозяйственно-питьевой водой с обоснованием в проекте производства работ (ППР).

Допускается гидравлическая промывка с повторным использованием промывочной воды путем пропуска ее через временные грязевики, устанавливаемые по ходу движения воды на концах подающего и обратного теплопроводов.

О результатах проведения испытаний на прочность и герметичность, а также проведения промывки (продувки) составляются акты по формам, приведенным в СНиП 3.05.03-85 «Тепловые сети».

При проектировании новых и реконструкции действующих тепловых сетей меры по охране окружающей среды следует принимать в соответствии с требованиями СНиП 3.01.01-85 и СНиП 3.05.03-85.

7. 8. Требования безопасности

Безопасность при производстве работ.

При производстве работ необходимо соблюдать требования СНиП III-4-80 «Техника безопасности в строительстве», включая изменения, касающиеся погрузочно-разгрузочных, земляных, электросварочных и газопламенных работ, гидравлических и пневматических испытаний (в части установления опасных зон). Настоящим разделом устанавливаются специальные требования безопасности, определенные специфическими свойствами материалов теплоизоляции труб и фасонных изделий, деталей и элементов, специальными методами производства монтажных работ.

К работам по устройству тепловых сетей с теплоизоляцией из пенополиуретана в полиэтиленовой оболочке допускаются лица, достигшие 18 лет, прошедшие медицинское освидетельствование, специальное обучение, вводный инструктаж и инструктаж на рабочем месте по технике безопасности.

Все работы по заливке стыков труб смесью пенополиуретана (приготовление смеси ППУ, заливка смеси в стык) должны производиться в спецодежде с применением индивидуальных средств защиты (костюм хлопчатобумажный, спец обувь, перчатки резиновые, рукавицы хлопчатобумажные, очки защитные).

Примечание. При заливке ППУ стыков трубопроводов, прокладываемых в проходных каналах (тоннелях), необходимо пользоваться респиратором типа РУ-60М.

На месте заливки стыков ППУ должны находиться средства для дегазации применяемых веществ (5-10%-ный раствор аммиака, 5%-ный раствор поваренной соли, 5%-ный раствор борной кислоты, 2%-ный раствор питьевой соды, раствор йода, бинт, вата, жгут). Необходимо помнить, что компонент «Б» смеси ППУ (изоционат) относится к ядовитым веществам.

Пожарная безопасность.

При хранении теплоизолированных труб, фасонных изделий, деталей и элементов на объекте строительства и на месте монтажа, учитывая горючесть пенополиуретана и полиэтилена, следует соблюдать правила противопожарной безопасности (ГОСТ 12.1.004-76). Запрещается разводить огонь и проводить огневые работы в непосредственной близости (не ближе 2 м) от места складирования изолированных труб, хранить рядом с ними горючие и легковоспламеняющиеся жидкости.

При загорании теплоизоляции труб, фасонных изделий, деталей и элементов следует использовать обычные средства пожаротушения; при пожаре в закрытом помещении следует пользоваться противогазами марки БКФ (ГОСТ 12.121.4-83).

При сушке или сварке концов стальных труб, свободных от теплоизоляции, торцы теплоизоляции следует защищать жестяными разъемными экранами толщиной 0,8-1 мм для предупреждения возгорания от пламени пропановой горелки или искр электродуговой сварки.

При термоусадке полиэтиленовых муфт и манжет пламенем пропановой горелки необходимо тщательно следить за нагревом муфт и манжет и полиэтиленовых оболочек труб, не допуская пережогов полиэтилена или его загорания.

Отходы пенополиуретана и полиэтилена при разрезании изолированных труб или освобождении стальных труб от изоляции должны быть сразу после окончания рабочей операции собраны и складированы в специально отведенном на стройплощадке месте на расстоянии не менее двух метров от теплоизолированных труб и деталей.

Безопасность при хранении.

Теплоизоляция труб и деталей (вспененный пенополиуретан и полиэтилен) не взрывоопасна, при обычных условиях не выделяет в окружающую среду токсичных веществ и не оказывает при непосредственном контакте вредного влияния на организм человека. Обращение с ней не требует особых мер предосторожности (класс опасности 4 по ГОСТ 12.1.007-76).

8. Сортамент труб и фасонных деталей с теплогидроизоляцией

В восьмой главе альбома представлен сортамент промышленно изолированных изделий, производимых НПО «Стройполимер», а также набор инструментов, необходимых для монтажа трубопроводов в ППУ изоляции. Для удобства работы с сортаментом все изделия классифицированы по области применения и способу прокладки:

- в части 8.1 приведен сортамент стальных труб и фасонных изделий в полиэтиленовой оболочке, используемых при бесканальной прокладке трубопроводов;

- в части 8.2 приведен сортамент стальных труб и фасонных изделий в оцинкованной оболочке, используемых для надземной прокладки, прокладки в каналах или технических помещениях. Оболочка из оцинкованной стали используется в соответствии с требованиями пожарной безопасности;

- в части 8.3 приведен сортамент оцинкованных труб и фасонных изделий в полиэтиленовой оболочке, используемых при бесканальной прокладке трубопроводов;

- в части 8.4 приведен сортамент оцинкованных труб и фасонных изделий в оцинкованной оболочке, используемых для надземной прокладки, прокладки в каналах или технических помещениях.

В части 8.5 приведены комплектующие, общие для всех четырех типов трубопроводов: комплекты материалов для заделки стыковых соединений, манжеты стенового ввода и.т.д.

Часть 8.6 содержит перечень основных инструментов, необходимых для монтажа труб и наладки системы контроля за увлажнением изоляции.

В настоящее время промышленно изолированные трубы производства НПО «Стройполимер» комплектуются двумя типами стыковых соединений. Первый тип - заливка жидких компонентов в оцинкованный кожух с последующей гидроизоляцией термоусаживаемой лентой (разъемная муфта). Второй тип - неразъемная термоусаживаемая муфта из сшитого полиэтилена, надеваемая на оболочку до заварки стыка на металлической трубе (неразъемная муфта). При ее монтаже также используются жидкие компоненты. Кроме того, для теплоизоляции стыков на трубопроводах наружной прокладки (части 8.2, 8.4) могут применяться скорлупы из пенополиуретана.

Отдельные фасонные изделия имеют в таблицах два типоразмера, что связано с применением двух вариантов стыковых соединений разъемного и неразъемного. С неразъемной муфтой применяются элементы с большими габаритными размерами, соответственно изделия с меньшими размерами монтируются совместно с разъемной муфтой.

НПО «Стройполимер» изготавливает трубы и фасонные изделия, согласно ГОСТ 30732-2001, диаметром от 57 до 108 с типом изоляции 2 и диаметром от 133 до 426 с типом изоляции 1. Под заказ могут изготавливаться изделия всех типоразмеров, указанных в этом ГОСТе.

Для изготовления теплогидроизолированной конструкции используются стальные трубы по следующим ГОСТ:

- ГОСТ 20295 «Трубы стальные сварные для магистральных газонефтепроводов», сталь20, группа В;

- ГОСТ 10704 «Трубы стальные электросварные, прямошовные», сталь 10, 20, группа В;

- ГОСТ 8731 «Трубы стальные бесшовные горячедеформированные», сталь 10, 20, группа В;

- ГОСТ 8733 «Трубы стальные бесшовные, холоднодеформированные», сталь 10, 20, группа В.

Все вышеперечисленные марки труб соответствуют требованиям Госгортехнадзора по устройству и безопасной эксплуатации трубопроводов пара и горячей воды.

Для трубопроводов горячего и холодного водоснабжения диаметром от Ду25 до Ду40 поставляются оцинкованные стальные трубы по ГОСТ 3262, для больших диаметров по ГОСТ 10705.

Для сварки оцинкованных труб НПО «Стройполимер» поставляет специальные электроды, не нарушающие коррозионной стойкости гальванопокрытий.

Наружная, гидрозащитная оболочка из оцинкованной стали изготавливается по специальной технологии с силиконовым герметизатором, который располагается в канале скрепления (фальца) стального листа и препятствует проникновению влаги во внутрь, обеспечивая тем самым 100%-ную герметизацию трубы.

Трубы и фасонные изделия НПО Стройполимер могут изготавливаться со встроенным греющим кабелем для защиты транспортируемой жидкости от замерзания.

8.1. Трубопроводы систем теплоснабжения (бесканальная прокладка)

Труба теплоизолированная в полиэтиленовой оболочке

 

Код изделия:

Труба CTdxs-n-ППУ-ПЭ (Т)

Ст - труба стальная

D - диаметр стальной трубы

S - толщина стенки стальной трубы

N - тип изоляции по ГОСТ 30732

ППУ - теплоизоляция из пенополиуретана

ПЭ - оболочка гидрозащитная полиэтиленовая

(Т) трубопровод теплоснабжения

 

Пример условного обозначения:

Труба Ст57хЗ,5-2-ППУ-ПЭ (Т)

 

Код изделия

Диаметр стальной трубы d [мм]

Диаметр полиэтиленовой оболочки D [мм]

Толщина полиэтиленовой оболочки [мм]

Толщина слоя теплоизоляции [мм]

L1[мм]

Приблизительная масса 1 метра трубы [кг]

Ст32х3-1-ППУ-ПЭ(Т)

32

90

3,0

26,0

150

3,2

Ст38х3-1-ППУ-ПЭ(Т)

38

110

3,0

33,0

150

4,0

Ст45х3-2-ППУ-ПЭ (Т)

45

125

3,0

37,0

150

5,2

Ст57х3,5-2-ППУ-ПЭ (Т)

57

140

3,0

38,5

150

6,5

Ст76х3,5-2-ППУ-ПЭ (Т)

76

160

3,0

39,0

150

8,5

Ст89х4-2-ППУ-ПЭ (Т)

89

180

3,0

42,5

150

11,0

Ст108х4-2-ППУ-ПЭ(Т)

108

200

3,2

42,8

150

13,3

Ст133х5-1-ППУ-ПЭ(Т)

133

225

3,5

42,5

150

19,4

Ст159х5-1-ППУ-ПЭ(Т)

159

250

3,9

41,6

150

23,3

Ст219х6-1-ППУ-ПЭ(Т)

219

315

4,9

43,1

150

38,0

Ст273х7-1-ППУ-ПЭ(Т)

273

400

6,3

57,2

210

56,6

Ст325х7-1-ППУ-ПЭ(Т)

325

450

7,0

55,5

210

67,8

Ст426х7-1-ППУ-ПЭ(Т)

426

560

8,8

58,2

210

101,7

Примечание: Трубы изготавливаются длиной от 6 до 12 метров.

Труба теплоизолированная с усилениями полиэтиленовой оболочки

 

 

Код изделия:

Труба Crdxs-n-ППУ-ПЭ-У (Т)

Ст - труба стальная

D - диаметр стальной трубы

S - толщина стенки стальной трубы

n - тип изоляции по ГОСТ 30732

ППУ – теплоизоляция из пенополиуретана

ПЭ – оболочка гидрозащитная полиэтиленовая

У - усиления оболочки

(Т) - трубопровод теплоснабжения

 

Пример условного обозначения:

Труба Ст57хЗ,5-2-ППУ-ПЭ-У (Т)

 

Код изделия

Диаметр стальной трубы d [мм]

Диаметр полиэтиленовой оболочки мм

[t]

мм

Толщина полиэтиленовой оболочки [мм]

Толщина слоя теплоизоляции [мм]

L1 [мм]

Приблизительная масса 1 метра трубы [кг]

Ст 32x3-1 -ППУ-ПЭ-У (Т)

32

90

6,0

3,0

26,0

150

3,2

Ст 38x3-1-ППУ-ПЭ-У (Т)

38

110

6,0

3,0

33,0

150

4,0

Ст45х3-2-ППУ-ПЭ-У (Т)

45

125

6,0

3,0

37,0

150

5,2

Ст57х3,5-2-ППУ-ПЭ-У (Т)

57

140

6,0

3,0

38,5

150

7,7

Ст76х3,5-2-ППУ-ПЭ-У (Т)

76

160

6,0

3,0

39

150

10,1

Ст89х4-2-ППУ-ПЭ-У (Т)

89

180

6,0

3,0

42,5

150

12,0

Ст108х4-2-ППУ-ПЭ-У (Т)

108

200

6,4

3,2

42,8

150

15,7

СП 33x5-1-ППУ-ПЭ-У (Т)

133

225

7,0

3,5

42,5

150

19,4

Ст159x5-1-ППУ-ПЭ-У (Т)

159

250

4,9

3,9

41,6

150

26,9

Ст219x6-1-ППУ-ПЭ-У (Т)

219

315

6,3

4,9

43,1

150

38,0

Ст273х7-1-ППУ-ПЭ-У (Т)

273

400

7,0

6,3

57,2

210

56,6

Ст325х7-1-ППУ-ПЭ-У (Т)

325

450

8,8

7,0

55,5

210

75,4

Ст426х7-1-ППУ-ПЭ-У (Т)

426

560

8,8

8,8

58,2

210

101,7

Отвод в полиэтиленовой оболочке

 

 

Код изделия:

Отвод Ст dxs-a-n-ППУ-ПЭ-L (T)

Ст - труба стальная

D - диаметр стальной трубы

S - толщина стенки стальной трубы

a - угол отвода

n - тип изоляции по ГОСТ 30732

ППУ – теплоизоляция из пенополиуретана

ПЭ – оболочка гидрозащитная полиэтиленовая

L - длина плеча отвода

(Т) - трубопровод теплоснабжения

 

Пример условного обозначения:

Отвод Ст57хЗ,5-140-2-ППУ-ПЭ-1000 (Т)

 

Код изделия

Диаметр стальной трубы d [мм]

Диаметр полиэтиленовой оболочки D [мм]

Толщина полиэтиленовой оболочки [мм]

L [мм]

Приблизительная масса отвода [кг]

Углы 30°, 45о ,60о, 75о и 90о

L=500 [мм]

L=800 [мм]

L=1000(*) [мм]

Ст 32х3-α-1 -ППУ-ПЭ-L (Т)

32

90

3,0

150

3,6

5,5

6,8

Ст 38х3-α-1 -ППУ-ПЭ-L (Т)

38

110

3,0

150

4,5

6,9

8,5

Ст45х3-α-2-ППУ-ПЭ-L- (Т)

45

125

3,0

150

5,9

9,1

11,2

Ст57х3,5-α-2-ППУ-ПЭ-L- (Т)

57

140

3,0

150

8,8

13,5

16,5

Ст76х3,5-α-2-ППУ-ПЭ-L- (Т)

67

160

3,0

150

11,7

17,8

21,8

Ст89х4-α-2-ППУ-ПЭ-L- (Т)

89

180

3,0

150

13,8

20,9

25,7

Ст108х4-α-2-ППУ-ПЭ-L- (Т)

108

200

3,2

150

18,2

27,6

33,9

Ст133х5-α-1 -ППУ-ПЭ-L (Т)

133

225

3,5

150

22,5

34,2

41,9

Ст159х5-α-1 -ППУ-ПЭ-L (Т)

159

250

3,9

150

-

47,6

58,3

Ст219х6-α-1-ППУ-ПЭ-L (Т)

219

315

4,9

150

-

67,0

82,2

Ст273х7-α-1-ППУ-ПЭ-L (Т)

273

400

6,3

210

-

99,6

122,3

Ст325х7-α-1-ППУ-ПЭ-L (Т)

325

450

7,0

210

-

-

163,1

Ст426х7-α-1 -ППУ-ПЭ-L (Т)

426

560

8,8

210

-

-

219,8

Примечания

1. Отводы с другими длинами плеч и углами поворота поставляются на заказ.
2.При проектировании участков теплотрассы с использованием укороченных отводов, следует учитывать технологию заделки стыковых соединений.
3.*) Отводы диаметром 426 мм имеют минимальную длину плеча L=1200

Отвод вертикальный в полиэтиленовой оболочке

 

Код изделия:

Отвод CTdxs-a-n-ППУ-ПЭ-L-B (T)

Ст - труба стальная

D - диаметр стальной трубы

S - толщина стенки стальной трубы

а - угол отвода

n - тип изоляции по ГОСТ 30732

ППУ - теплоизоляция из пенополиуретана

ПЭ – оболочка гидрозащитная полиэтиленовая

L - длина плеча отвода

В - отвод вертикальный

(Т) - трубопровод теплоснабжения

 

Пример условного обозначения:

Отвод Ст 57хЗ,5-140-2-ППУ-ПЭ-1000-В (Т)

 

Код изделия

Диаметр стальной трубы d [мм]

Диаметр полиэтиленовой оболочки mm

Толщина полиэтиленовой оболочки [мм]

L1 [мм]

Приблизительная масса отвода [кг]

L=500 [мм]

L=800 [мм]

L=1000 [мм]

L=1200 [мм]

Ст32х3-α-1-ППУ-ПЭ-L-В (Т)

32

90

3,0

150

3,6

5,5

6,8

-

Ст38х3-α-1-ППУ-ПЭ-L-В (Т)

38

110

3,0

150

4,5

6,9

8,5

 

Ст45х3-α-2-ППУ-ПЭ-L-В (Т)

45

125

3,0

150

5,9

9,1

11,2

-

Ст57х3,5-α-2-ППУ-ПЭ-L-В (Т)

57

140

3,0

150

8,8

13,5

16,5

-

Ст76х3,5-α-2-ППУ-ПЭ-L-В (Т

76

160

3,0

150

11,7

17,8

21,8

-

Ст89х4-α-2-ППУ-ПЭ-L-В (Т)

89

180

3,0

150

13,8

20,9

25,7

-

Ст108х4-α-2-ППУ-ПЭ-L-В (Т)

108

200

3,2

150

18,2

27,6

33,9

-

Ст133х5-α-1-ППУ-ПЭ-L-В (Т)

133

225

3,5

150

22,5

34,2

41,9

-

CT159x5-α-1-nny-n3-L-B (T)

159

250

3,9

150

-

47,6

58,3

-

Ст219х6-α-1-ППУ-ПЭ-L-В (Т)

219

315

4,9

150

-

67,0

82,2

-

Ст273х7-α-1-ППУ-ПЭ-L-В (Т)

273

400

6,3

210

-

99,6

122,3

-

Ст325х7-α-1-ППУ-ПЭ-L-В (Т)

325

450

7,0

210

-

-

163,1

-

Ст426х7-α-1 -ППУ-ПЭ-L-B (Т)

426

560

8,8

210

-

-

-

268,5

Примечания

1. Отводы с другими длинами плеч и углами поворота поставляются на заказ.
2.При проектировании участков теплотрассы с использованием укороченных отводов, следует учитывать технологию заделки стыковых соединений

 

Z-образный элемент в полиэтиленовой оболочке

 

 

Код изделия:

Z-образный элемент Стс1-n-ППУ-ПЭ-Lz(Т)

Ст - труба стальная

D - диаметр стальной трубы

N - тип изоляции по ГОСТ 30732

ППУ – теплоизоляция из пенополиуретана

ПЭ - оболочка гидрозащитная полиэтиленовая

Lz - плечо Z- элемента

(Т) - трубопровод теплоснабжения

 

Пример условного обозначения:

Z-образный элемент Ст57-2-ППУ-ПЭ-2000 (Т)

 

Код изделия

Диаметр стальной трубы d [мм]

Диаметр полиэтиленовой оболочки D [мм]

Толщина полиэтиленовой оболочки [мм]

L[мм]

Lz min/max [мм]

L1 [мм]

Ст32-1-ППУ-ПЭ-Lz(Т)

32

90

3,0

1000

500/2000

150

Ст38-1-ППУ-ПЭ-Lz (Т)

38

110

3,0

1000

500/2000

150

Ст45-2-ППУ-ПЭ-Lz (Т)

45

125

3,0

1000

500/2000

150

Ст57-2-ППУ-ПЭ-Lz (Т)

57

140

3,0

1000

500/2000

150

Ст76-2-ППУ-ПЭ-Lz (Т)

76

160

3,0

1000

500/2000

150

Ст 89-2-ППУ-ПЭ-Lz (Т)

89

180

3,0

1000

500/2000

150

Ст108-2-ППУ-ПЭ-Lz (Т)

108

200

3,2

1000

500/2000

150

Ст133-1-ППУ-ПЭ-Lz (Т)

133

225

3,5

1000

600/2000

150

Ст159-1-ППУ-ПЭ-Lz (Т)

159

250

3,9

1000

700/2000

150

Ст219-1-ППУ-ПЭ-Lz (Т)

219

315

4,9

1200

800/2000

150

Ст 273-1 -ППУ-ПЭ-Lz (Т)

273

400

6,3

1200

1000/2000

210

Ст 325-1-ППУ-ПЭ-Lz (Т)

325

450

7,0

1200

1100/2100

210

Ст 426-1-ППУ-ПЭ-Lz (Т)

426

560

8,8

1200

1500/2200

210

Примечание: Z-образные элементы с другими размерами поставляются на заказ.

Переход в полиэтиленовой оболочке

 

 

Код изделия:

Переход Ст d1-d2-n-ППУ-ПЭ (Т)

Ст - труба стальная

dдиаметр стальной трубы

d2 - диаметр стальной трубы

n - тип изоляции по ГОСТ 30732

ППУ – теплоизоляция из пенополиуретана

ПЭ - оболочка гидрозащитная полиэтиленовая

(Т) - трубопровод теплоснабжения

 

Пример условного обозначения:

Переход Ст 76-57-2-ППУ-ПЭ (Т)

 

 

d2[мм]

32

38

45

57

76

89

108

133

159

219

273

325

D2[мм]

90

110

125

140

160

180

200

225

250

315

400

450

d1[мм]

D1[мм]

n

 

 

 

 

 

 

 

 

 

 

 

 

32

90

1

 

 

 

 

 

 

 

 

 

 

 

 

38

110

1

*

 

 

 

 

 

 

 

 

 

 

 

45

125

2

*

*

 

 

 

 

 

 

 

 

 

 

57

140

2

*

*

*

 

 

 

 

 

 

 

 

 

76

160

2

 

*

*

 

 

 

 

 

 

 

 

89

180

2

 

 

*

*

 *

 

 

 

 

 

 

 

108

200

2

 

 

 

*

*

 *

 

 

 

 

 

 

133

225

1

 

 

 

*

*

*

 *

 

 

 

 

 

159

250

1

 

 

 

*

*

*

*

*

 

 

 

 

219

315

1

 

 

 

*

*

*

*

*

*

 

 

 

273

400

1

 

 

 

 

 

 

 

*

*

*

 

 

325

450

1

 

 

 

 

 

 

 

*

*

 *

 

426

560

1

 

 

 

 

 

 

 

 

*

*

*

*

Примечание:
1.Размер L1=150 мм для диаметров стальной трубы d=32÷219 мм, L=210 мм - для остальных диаметров.
2.Изделия с другими d1, d2, D1, D2, L1 изготавливаются по заказу.

 

 

Неподвижная опора в полиэтиленовой оболочке

 

Код изделия:

Неподвижная опора CT d-Hxs-n-ППУ-ПЭ-L(T)

Ст - труба стальная

D - диаметр стальной трубы

Н - размер опорного фланца

S - толщина опорного фланца

N - тип изоляции по ГОСТ 30732

ППУ – теплоизоляция из пенополиуретана

ПЭ оболочка гидрозащитная полиэтиленовая

L - общая длина неподвижной опоры

(Т) - трубопровод теплоснабжения

 

Пример условного обозначения:

Неподвижная опора Ст 57-235х15-2-ППУ-ПЭ-3000 (Т)

 

Код изделия

Диаметр стальной трубы d [мм]

Диаметр полиэтиленовой оболочки D [мм1

Толщина полиэтиленовой оболочки [мм]

Н [мм]

S

[мм]

L1, [мм]

Максимальное осевое усилие

Pmax[T]

Приблизительная масса опоры мм [кг]

Ст 32-190x15-1 -ППУ-ПЭ-L (Т)

32

90

3,0

190

15

150

2,6

9,5

Ст 38-215x15-1 -ППУ-ПЭ-L (Т)

38

110

3,0

215

15

150

3,0

11,9

Ст 45-215x15-2-ППУ-ПЭ-L (Т)

45

125

3,0

215

15

150

3,8

15,7

Ст 57-235x15-2-ППУ-ПЭ-L (T)

57

140

3,0

235

15

150

7,5

23,0

Ст 76-275х20-2-ППУ-ПЭ-L (Т)

76

160

3,0

275

20

150

7,5

30,5

Ст 89-295х20-2-ППУ-ПЭ-L (Т)

89

180

3,0

295

20

150

12,5

36,0

Ст 108-315х20-2-ППУ-ПЭ-L(Т)

108

200

3,2

315

20

150

20,5

47,0

Ст 133-350x20-1 -ППУ-ПЭ-L (Т)

133

225

3,5

350

20

150

26,5

58,0

Ст 159-400x30-1-ППУ-ПЭ-L (Т)

159

250

3,9

400

30

150

36,0

81,0

Ст 219-460x30-1 -ППУ-ПЭ-L (Т)

219

315

4,9

460

30

150

50,0

163,5

Ст 273-550x30-1 -ППУ-ПЭ-L (Т)

273

400

6,3

550

30

210

75,0

240,5

Ст 325-650x40-1 -ППУ-ПЭ-L (Т)

325

450

7,0

650

40

210

90,0

325,0

Ст 426-750x40-1-ППУ-ПЭ-L (Т)

426

560

8,8

750

40

210

120,0

437,0

Примечание: Изделия длиной L=2000мм рекомендуется применять совместно с разъемной конструкцией узла герметизации стыкового соединения. Изделия длиной L=3000мм рекомендуется применять совместно с неразъемной герметизирующей муфтой.

 

 

Стартовый компенсатор

Код изделия:

Стартовый компенсатор Ст Ду-Р-Е (Т)

Ст - труба стальная

Ду - условный проход

Р - рабочее давление, МПа

Е - осевой ход

(Т) - трубопровод теплоснабжения

 

Пример условного обозначения:

Стартовый компенсатор Ст 65-25-80 (Т)

 

Код

Ду, [мм]

Р, [МПа]

Присоединительные размеры, [мм]

Габаритные размеры, [мм]

Осевой ход (сжатие) А, [мм]

Эффективная площадь

Жесткость сильфона С, [кН/м]

Масса, [кг]

d

S

D

D1

L

КС 50-25-80

50

25

57

3,5

95

 

360

80

40

35

5,0

КС 65-25-80

65

76

3,5

121

 

360

60

125

7,0

КС 80-25-80

80

89

3,5

146

 

370

92

290

11,5

КС 100-25-110

100

108

4

159

 

415

110

110

400

16,0

КС 125-25-110

125

133

4

168

96

450

110

400

20,0

КС 150-25-110

150

159

4,5

219

117

480

180

420

34,0

КС 200-25-140

200

219

6

250

143

575

140

275

450

50,0

КС 250-25-140

250

273

7

325

199

670

510

700

80,0

КС 300-25-140

300

325

7

402

249

700

700

900

115,0

КС 400-25-140

400

426

7

480

351

750

968

936

165,0

 

Тройник в полиэтиленовой оболочке

Код изделия:

Тройник Ст-d1-d2-n-ППУ-ПЭ-v-(Т)

Ст - труба стальная

d1 - диаметр магистральной трубы

d2 - диаметр ответвления

n - тип изоляции по ГОСТ 30732

ППУ - теплоизоляция из пенополиуретана

ПЭ - оболочка гидрозащитная полиэтиленовая

V - вариант изготовления тройника

(Т) - трубопровод теплоснабжения

 

Пример условного обозначения:

Тройник Ст76-57-2-ППУ-ПЭ-2 (T)

 

 

d2[мм]

32

38

45

57

76

89

108

133

159

219

273

325

426

D2[мм]

90

110

125

140

160

180

200

225

250

315

400

450

560

L [мм] - вариант 1

1000

1000

1000

1000

1000

1000

1500

1500

1500

1550

2000

2000

2000

L [мм] - вариант 2

2000

2000

2000

2000

2000

2000

2000

2000

2000

2200

2200

2500

2500

d1,[мм]

D1,[мм]

n

 

 

 

 

 

 

 

 

 

 

 

 

 

32

90

1

*

 

 

 

 

 

 

 

 

 

 

 

 

38

110

1

*

*

 

 

 

 

 

 

 

 

 

 

 

45

125

2

*

*

*

 

 

 

 

 

 

 

 

 

 

57

140

2

*

*

*

*

 

 

 

 

 

 

 

 

 

76

160

2

*

*

*

*

*

 

 

 

 

 

 

 

 

89

180

2

*

*

*

*

*

*

 

 

 

 

 

 

 

108

200

2

*

*

*

*

*

*

*

 

 

 

 

 

 

133

225

1

*

*

*

*

*

*

*

*

 

 

 

 

 

159

250

1

*

*

 *

*

*

*

*

*

*

 

 

 

 

219

315

1

*

*

*

*

*

*

*

*

*

 

 

 

273

400

1

*

*

*

*

*

*

*

*

*

*

*

 

 

325

450

1

*

*

*

*

*

*

*

*

*

*

*

*

 

426

560

1

*

*

*

*

*

*

*

*

*

*

*

*

*

Примечание:

1. Размер L1=150ммдля диаметров стальной трубы d=32÷219мм, L=210мм для остальных диаметров.
2. Изделия со стандартными патрубками (вариант
1)       применять совместно с разъемной конструкцией узла герметизации стыкового соединения. Изделия с удлиненными патрубками (вариант
2)       применять совместно с неразъемной герметизирующей муфтой.
 3. Размер L2 рассчитывается по следующей формуле L2=L/2

 

Тройниковое ответвление в полиэтиленовой оболочке

 

 

Код изделия: Тройниковое ответвление

Cт d1-d2-n-ППУ-ПЭ-м (Т)

Ст - труба стальная

d1 - диаметр магистральной трубы

d2 - диаметр ответвления

n - тип изоляции по ГОСТ 30732

ППУ – теплоизоляция из пенополиуретана

ПЭ - оболочка гидрозащитная полиэтиленовая

L - вариант изготовления

(Т) - трубопровод теплоснабжения

 

Пример условного обозначения:

Тройниковое ответвление Ст 76-57-2-ППУ-ПЭ-1 (Т)

 

 

d2[мм]

32

38

45

57

76

89

108

133

159

219

273

325

426

D2[мм]

90

110

125

140

160

180

200

225

250

315

400

450

560

L [мм] - вариант 1

1000

1000

1000

1000

1000

1000

1500

1500

1500

1550

2000

2000

2000

L [мм] - вариант 2

2000

2000

2000

2000

2000

2200

2200

2400

2500

2600

2700

2700

2800

d1,[мм]

D1,[мм]

n

 

 

 

 

 

 

 

 

 

 

 

 

 

32

90

1

L2 вариант 1

L2 вариант 2

800

1200

 

 

 

 

 

 

 

 

 

 

 

 

38

110

1

L2вариант 1 L2вариант 2

800

1200

800

1200

 

 

 

 

 

 

 

 

 

 

 

45

125

2

L2 вариант 1

L2 вариант 2

800

1200

800

1200

800

1200

 

 

 

 

 

 

 

 

 

 

57

140

2

L2 вариант 1

L2 вариант 2

900

1200

900

1200

900

1200

900

1200

 

 

 

 

 

 

 

 

 

76

160

2

L2  вариант 1

L2  вариант 2

900

1200

900

1200

900

1200

900

1200

1000 1200

 

 

 

 

 

 

 

 

89

180

2

L2 вариант 1

L2 вариант 2

1000 1200

1000 1200

1000 1200

1000 1200

1000 1200

1000 1200

 

 

 

 

 

 

 

108

200

2

L2 вариант 1

L2 вариант 2

1000 1200

1000 1200

1000 1200

1000 1200

1000 1200

1000 1200

1000 1200

 

 

 

 

 

 

133

225

1

L2 вариант 1

L2 вариант 2

1000 1400

1000 1400

1000 1400

1000 1400

1000 1400

1000 1400

1000 1500

1000 1500

 

 

 

 

 

159

250

1

L2 вариант 1

L2 вариант 2

*

1000 1400

1000 1400

1000 1400

1000 1400

1000 1400

1000 1500

1000 1500

1100 1500

 

 

 

 

219

315

1

L2 вариант 1

L2 вариант 2

*

*

*

1000 1400

1000 1400

1000 1400

1000 1500

1000 1500

1100 1500

1100 1800

 

 

 

273

400

1

L2 вариант 1

L2 вариант 2

*

*

*

*

*

1000 1500

1000 1500

1000 1500

1100 1500

1100 1800

1200 1900

 

 

325

450

1

L2 вариант 1

L2 вариант 2

*

*

*

*

*

+

*

1000 1500

1100 1500

1100 1800

1200 1900

1200 1900

 

426

560

1

L2 вариант 1

L2 вариант 2

*

 *

*

*

*

*

1100 1500

1100 1500

1100 1800

1200 1900

1500 2000

1500 2000

Примечание: 1.Размер L1=150ммдля диаметров стальной трубы d=32÷219мм, L1=210мм для остальных диаметров. Размер H=D1/2+D2/2+50
2. Изделия со стандартными пaтрубками (вариант 1) применять совместно с разъемной конструкцией узла герметизации стыкового соединения. Изделия с удлиненными патрубками (вариант 2) применять совместно с неразъемной герметизирующей муфтой.
З. В таблице на пересечениях типоразмеров указан размер L2 для двух вариантов изготовления тройникового ответвления.

 

Тройник параллельный в полиэтиленовой оболочке

 

Код изделия:

Тройник параллельный Ст d1-d2-n-ППУ-ПЭ-v(Т)

Ст - труба стальная

d1 - диаметр магистральной трубы

d2 - диаметр ответвления

n - тип изоляции по ГОСТ 30732

ППУ – теплоизоляция из пенополиуретана

ПЭ - оболочка гидрозащитная полиэтиленовая

v - вариант изготовления параллельного тройника

(Т) - трубопровод теплоснабжения

 

Пример условного обозначения:

Тройник параллельный Ст76-57-2-ППУ-ПЭ-1(Т)

 

 

d2[мм]

32

38

45

57

76

89

108

133

159

219

273

325

426

D2[мм]

90

110

125

140

160

180

200

225

250

315

400

450

560

L [мм] - вариант 1

1000

1000

1000

1000

1000

1000

1500

1500

1500

1550

2000

2000

2000

L [мм] - вариант 2

2000

2000

2000

2000

2000

2200

2200

2400

2500

2600

2700

2700

2800

d1,[мм]

D1,[мм]

Н[мм]*

n

 

 

 

 

 

 

 

 

 

 

 

 

 

32

90

100

1

*

 

 

 

 

 

 

 

 

 

 

 

 

38

110

100

1

*

*

 

 

 

 

 

 

 

 

 

 

 

45

125

100

2

*

*

*

 

 

 

 

 

 

 

 

 

 

57

140

100

2

*

*

*

*

 

 

 

 

 

 

 

 

 

76

160

100

2

*

*

*

*

*

 

 

 

 

 

 

 

 

89

180

100

2

*

*

*

*

*

*

 

 

 

 

 

 

 

108

200

100

2

*

*

*

*

*

*

*

 

 

 

 

 

 

133

225

150

1

*

*

 *

*

*

*

*

*

 

 

 

 

 

159

250

150

1

*

*

*

*

*

*

*

*

*

 

 

 

 

219

315

200

1

*

*

*

*

*

*

*

*

*

*

 

 

 

273

400

200

1

*

*

*

*

*

*

*

*

*

*

*

 

 

325

450

275

1

*

*

*

*

*

*

*

*

*

*

*

*

 

426

560

350

1

*

*

*

*

*

*

*

*

*

*

*

*

*

Примечание: 1.Размер мм для диаметров стальной трубы d=32÷219мм, L1=210 мм - для остальных диаметров. Размер H=D1/2+D2/2+H*.
2.Изделия со стандартными патрубками (вариант 1) применять совместно с разъемной конструкцией узла герметизации стыкового соединения. Изделия с удлиненными патрубками (вариант 2) применять совместно с неразъемной герметизирующей муфтой.

 

Тройник с шаровым краном воздушника в полиэтиленовой оболочке

 

Код изделия:

Тройник с шаровым краном воздушника

Ст d-d1-n-ППУ-ПЭ-L.-Н-(Т)

Ст - труба стальная

D - диаметр магистральной трубы

d1 - диаметр воздушника

n - тип изоляции по ГОСТ 30732

ППУ – теплоизоляция из пенополиуретана

ПЭ - оболочка гидрозащитная полиэтиленовая

L - длина тройника

Н - высота воздушника

(Т) - трубопровод теплоснабжения

 

Пример условного обозначения:

Тройник с шаровым краном воздушника Ст 76-25-2-ППУ-ПЭ-1200-Н (Т)

 

 

d1[мм]

32

38

45

57

D1 [мм]

90

110

125

140

d [мм]

D [мм]

n

 

 

 

 

32

90

1

*

 

 

 

38

110

1

*

 

 

 

45

125

2

*

 

 

 

57

140

2

*

 

 

 

76

160

2

*

 

 

 

89

180

2

*

*

 

 

108

200

2

*

*

 

 

133

225

1

*

*

*

 

159

250

1

*

*

*

 

219

315

1

*

*

*

*

273

400

1

*

 

*

*

325

450

1

*

 

 

*

426

560

1

*

 

 

 

Примечание:

1.Размер L1=150мм для диаметров стальной трубы d=32÷219мм, L1=210мм - для остальных диаметров. Размер Н определяется проектом.
2.Изделия длиной L=1200 мм применять совместно с разъемной конструкцией узла герметизации стыкового соединения. Изделия длиной L=2200 мм применять совместно с неразъемной герметизирующей муфтой.

 

Тройник с шаровым краном для спуска воды в полиэтиленовой оболочке

 

Код изделия:

Тройник с шаровым краном для спуска воды

CT d-d1-n-ППУ-ПЭ-LH(T)

Ст - труба стальная

d - диаметр магистральной трубы

d1 - диаметр воздушника

n - тип изоляции по ГОСТ 30732

ППУ – теплоизоляция из пенополиуретана

ПЭ - оболочка гидрозащитная полиэтиленовая

L - длина тройника

(Т) - трубопровод теплоснабжения

 

Пример условного обозначения:

Тройник с шаровым краном для спуска воды Ст 76-32-2-ППУ-ПЭ-1200Н (Т)

 

 

d1 [мм]

32

38

45

57

76

89

108

D1 [мм]

90

110

125

140

160

180

200

d [мм]

D [мм]

n

 

 

 

 

 

 

 

32

90

1

245

 

 

 

 

 

 

38

110

1

250

 

 

 

 

 

 

45

125

2

255

285

 

 

 

 

 

57

140

2

260

290

 

 

 

 

 

76

160

2

270

300

300

 

 

 

 

89

180

2

275

305

305

345

 

 

 

108

200

2

285

315

315

355

415

 

 

133

225

1

300

330

330

370

430

 

 

159

250

1

310

340

340

380

440

450

 

219

315

1

340

370

370

410

470

480

 

273

400

1

370

400

400

440

500

510

530

325

450

1

395

425

425

465

525

535

550

426

560

1

445

475

475

515

575

585

605

Примечание:

1. Размер L1=150мм для диаметров стальной трубы d=32÷219мм, L1=210 мм для остальных диаметров. Размер Н определяется проектом.
2. Изделия длиной L=1200 мм применять совместно с разъемной конструкцией узла герметизации стыкового соединения. Изделия длиной L=2200 мм применять совместно с неразъемной герметизирующей муфтой.

 

Кран шаровой в полиэтиленовой оболочке

 

Код изделия:

Кран шаровой CT d-H-n-ППУ-ПЭ-v(T)

Ст - труба стальная

D - диаметр шарового крана

Н - высота штока крана

Т - тип изоляции по ГОСТ 30732

ППУ - теплоизоляция из пенополиуретана

ПЭ - оболочка гидрозащитная полиэтиленовая

V - вариант изготовления шарового крана

(Т) - трубопровод теплоснабжения

 

Пример условного обозначения:

Кран шаровой Ст 57-1000-2-ППУ-ПЭ-2200 (Т)

 

Код изделия

d [мм]

D [мм]

D1 [мм]

Толщина полиэтиленовой оболочки [мм]

Вариант 1

Вариант 2

L2 [мм]

L[мм]

L2[мм]

L[мм]

Ст32-Н-1-ППУ-ПЭ-v(Т)

32

90

90

3,0

450

1500

800

2200

Ст38-Н-1-ППУ-ПЭ-v(Т)

38

110

90

3,0

450

1500

800

2200

Ст45-Н-2-ППУ-ПЭ-v(Т)

45

125

110

3,0

450

1500

800

2200

Ст57-Н-2-ППУ-ПЭ-v(Т)

57

140

110

3,0

450

1500

800

2200

Ст76-Н-2-ППУ-ПЭ-v(Т)

76

160

125

3,0

400

1500

750

2200

Ст 89-Н-2-ППУ-ПЭ-v(Т)

89

180

125

3,0

400

1500

750

2200

Ст108-Н-2-ППУ-ПЭ-v(Т)

108

200

140

3,2

400

1500

800

2300

Ст133-Н-1-ППУ-ПЭ-v(Т)

133

225

140

3,5

400

1500

800

2300

Ст159-Н-1-ППУ-ПЭ-v(Т)

159

250

140

3,9

650

2000

800

2300

Ст219-Н-1-ППУ-ПЭ-v(Т)

219

315

160

4,9

650

2000

1000

2700

Ст273-Н-1 -ППУ-ПЭ-v(Т)

273

400

160

6,3

465

2000

815

2700

Ст325-Н-1-ППУ-ПЭ-v(Т)

325

450

160

7,0

415

2000

865

2900

Ст426-Н-1-ППУ-ПЭ-v(Т)

426

560

160

8,8

400

2000

900

2900

Примечание:

1. Размер L1=150 мм для диаметров стальной трубы d=32÷219 мм, L1=210мм для остальных диаметров.
2. Кран шаровой со стандартными патрубками (вариант 1) применять совместно с разъемной конструкцией узла герметизации стыкового соединения.
З. Кран шаровой с удлиненными патрубками (вариант 2) применять совместно с неразъемной герметизирующей муфтой.
4. Высота штока Н определяется проектом теплотрассы.
5. Кран шаровой d=219мм может комплектоваться переносным редуктором. Краны d=273, d=325, d=426мм поставляются со стационарным редуктором.

Кран шаровой с воздушником в полиэтиленовой оболочке

 

Код изделия:

Кран шаровой с воздушником Ст d-d2-Н-n-ППУ-ПЭ-v(Т)

Ст - труба стальная

D - диаметр шарового крана

d2 - диаметр воздушника

Н - высота штока крана

n - тип изоляции по ГОСТ 30732

ППУ – теплоизоляция из пенополиуретана

ПЭ - оболочка гидрозащитная полиэтиленовая

v - вариант изготовления шарового крана с воздушником

(Т) - трубопровод теплоснабжения

 

Пример условного обозначения:

Кран шаровой с воздушником Ст 57-25-1000-2-ППУ-ПЭ-1 (Т)

 

Код изделия

d[мм]

D[мм]

D1[мм]

Толщ. Пэ. обол [мм]

L4 [мм]

Вариант 1

Вариант 2

L2[мм]

L3[мм]

L[мм]

L2[мм]

L3[мм]

L [мм]

Ст 32-d2-H-1-ППУ-ПЭ-L (Т)

32

90

90

3,0

240

300

480

1500

650

830

2200

Ст 38-d2-H-1-ППУ-ПЭ-L (Т)

38

110

90

3,0

255

300

473

1500

650

823

2200

Ст 45-d2-Н-2-ППУ-ПЭ-L (Т)

45

125

110

3,0

255

300

473

1500

650

823

2200

Ст 57-d2-H-2-ППУ-ПЭ-L (T)

57

140

110

3,0

275

300

463

1500

650

813

2200

Ст 76-d2-H-2-ППУ-ПЭ-L (T)

76

160

125

3,0

305

300

448

1500

650

798

2200

Ст 89-d2-H-2-ППУ-ПЭ-L (T)

89

180

125

3,0

310

300

445

1500

650

795

2200

Ст 108-d2-Н-2-ППУ-ПЭ-L (Т)

108

200

140

3,2

320

250

440

1500

650

840

2300

Ст 133-d2-H-2-ППУ-ПЭ-L (T)

133

225

140

3,5

390

250

440

1500

650

840

2300

Ст 159-d2-H-2-ППУ-ПЭ-L(T)

159.

250

140

3,9

390

500

690

2000

650

840

2300

Ст 219-d2-H-2-ППУ-ПЭ-L (T)

219

315

160

4,9

320

400

630

2000

750

980

2700

Ст 273-d2-H-2-ППУ-ПЭ-L (T)

273

400

160

6,3

440

400

570

2000

750

920

2700

Ст 325-d2-H-2-ППУ-ПЭ-L (T)

325

450

160

7,0

480

380

550

2000

880

1050

3000

Ст 426-d2-H-2-ППУ-ПЭ-L (T)

426

560

160

8,8

560

380

760

2500

680

1110

3200

Примечание:

1. Размер L1=150мм для d = 32÷219мм, L1= 210мм для d=273÷426мм.
2. Размер Н определяется проектом теплотрассы.
З. Кран шаровой с воздушником со стандартными патрубками (вариант 1) применять совместно с разъемной конструкцией узла герметизации стыкового соединения. Кран шаровой с воздушником с удлиненными патрубками (вариант 2) применять совместно с неразъемной герметизирующей муфтой.

Элемент трубопровода с кабелем вывода в полиэтиленовой оболочке

 

Код изделия:

Элемент трубопровода с кабелем вывода Ст d-n-ППУ-ПЭ (Т)

Ст - труба стальная

D - диаметр стальной трубы

N - тип изоляции ГОСТ 30732

ППУ - теплоизоляция из пенополиуретана

ПЭ - оболочка гидрозащитная полиэтиленовая

(Т) - трубопровод теплоснабжения

 

Пример условного обозначения:

Элемент трубопровода с кабелем вывода Ст 57-2-ППУ-ПЭ (Т)

 

Код изделия

Диаметр стальной трубы d [мм]

Диаметр полиэтиленовой оболочки D [мм]

Толщина полиэтиленовой оболочки [мм]

L1 [мм]

Приблизительная масса изделия [кг]

Ст32-1-ППУ-ПЭ(Т)

32

90

3,0

150

7,4

Ст38-1-ППУ-ПЭ(Т)

38

110

3,0

150

8,9

Ст45-2-ППУ-ПЭ(Т)

45

125

3,0

150

11,4

Ст57-2-ППУ-ПЭ (Т)

57

140

3,0

150

14,0

Ст76-2-ППУ-ПЭ(Т)

76

160

3,0

150

17,9

Ст89-2-ППУ-ПЭ(Т)

89

180

3,0

150

22,9

Ст108-2-ППУ-ПЭ(Т)

108

200

3,2

150

27,6

Ст133-1-ППУ-ПЭ(Т)

133

225

3,5

150

38,8

Ст159-1-ППУ-ПЭ(Т)

159

250

3,9

150

46,6

Ст219-1-ППУ-ПЭ(Т)

219

315

4,9

150

76,0

Ст273-1-ППУ-ПЭ(Т)

273

400

6,3

210

113,2

Ст325-1-ППУ-ПЭ(Т)

325

450

7,0

210

135,6

Ст426-1-ППУ-ПЭ(Т)

426

560

8,8

210

203,5

Примечание: Длина кабеля NYM 5x1,5 - 10 метров.

Концевой элемент трубопровода с кабелем вывода в полиэтиленовой оболочке

 

 

Код изделия

Концевой элемент трубопровода с кабелем вывода Ст d-n-ППУ-ПЭ (Т)

Ст - труба стальная

d - диаметр стальной трубы

n - тип изоляции по ГОСТ 30732

ППУ – теплоизоляция из пенополиуретана

ПЭ - оболочка гидрозащитная полиэтиленовая

(Т) - трубопровод теплоснабжения

 

Пример условного обозначения:

Концевой элемент трубопровода с кабелем вывода Ст 57-2-ППУ-ПЭ (Т)

 

Код изделия

Диаметр стальной трубы d[мм]

Диаметр полиэтиленовой оболочки D[мм]

Толщина полиэтиленовой оболочки [мм]

L1

[мм]

Приблизительная масса изделия [кг]

Ст32-1-ППУ-ПЭ(Т)

32

90

3,0

150

8,0

Ст38-1-ППУ-ПЭ(Т)

38

110

3,0

150

9,9

Ст45-2-ППУ-ПЭ (Т)

45

125

3,0

150

13,1

Ст57-2-ППУ-ПЭ (Т)

57

140

3,0

150

16,3

Ст76-2-ППУ-ПЭ (Т)

76

160

3,0

150

21,2

Ст89-2-ППУ-ПЭ (Т)

89

180

3,0

150

27,4

Ст108-2-ППУ-ПЭ (Т)

108

200

3,2

150

33,2

Ст133-1-ППУ-ПЭ(Т)

133

225

3,5

150

48,5

Ст159-1-ППУ-ПЭ(Т)

159

250

3,9

150

58,3

Ст219-1-ППУ-ПЭ(Т)

219

315

4,9

150

94,9

Ст273-1-ППУ-ПЭ(Т)

273

400

6,3

210

141,5

Ст325-1-ППУ-ПЭ(Т)

325

450

7,0

210

169,5

Ст426-1-ППУ-ПЭ(Т)

426

560

8,8

210

254,3

Примечание: Длина кабеля NYM-3x1,5 - 10 метров.

Концевой элемент трубопровода с торцевым кабелем вывода в полиэтиленовой оболочке

 

Код изделия

Концевой элемент трубопровода с торцевым кабелем вывода Ст-d-n-ППУ-ПЭ-т(Т)

Ст - труба стальная

D - диаметр стальной трубы

П - тип изоляции по ГОСТ 30732

ППУ - теплоизоляция из пенополиуретана

ПЭ - оболочка гидрозащитная полиэтиленовая

(Т) - трубопровод теплоснабжения

 

Пример условного обозначения:

Концевой элемент трубопровода с торцевым кабелем вывода Ст57-2-ППУ-ПЭ-т (Т)

 

Код изделия

Диаметр стальной трубы d [мм]

Диаметр полиэтиленовой оболочки D [мм]

Толщина полиэтиленовой оболочки [мм]

L1 [мм]

Приблизительная масса изделия [кг]

Ст32-2-ППУ-ПЭ-т(Т)

32

90

3,0

150

7,7

Ст38-2-ППУ-ПЭ-т(Т)

38

110

3,0

150

9,5

Ст45-2-ППУ-ПЭ-т(Т)

45

125

3,0

150

12,5

Ст57-2-ППУ-ПЭ-т(Т)

57

140

3,0

150

15,6

Ст76-2-ППУ-ПЭ-т(Т)

76

160

3,0

150

20,3

Ст89-2-ППУ-ПЭ-т(Т)

89

180

3,0

150

26,3

Ст108-2-ППУ-ПЭ-т(Т)

108

200

3,2

150

31,9

Ст133-1-ППУ-ПЭ-т(Т)

133

225

3,5

150

46,6

Ст159-1-ППУ-ПЭ-т(Т)

159

250

3,9

150

55,9

Ст219-1-ППУ-ПЭ-т(Т)

219

315

4,9

150

91,2

Ст273-1-ППУ-ПЭ-т(Т)

273

400

6,3

210

135,8

Ст325-1-ППУ-ПЭ-т(Т)

325

450

7,0

210

162,7

Ст426-1-ППУ-ПЭ-т(Т)

426

560

8,8

210

244,1

Примечание: Длина кабеля NYM-3x1,5 - 10 метров.

Концевой элемент трубопровода в полиэтиленовой оболочке

 

Код изделия

Концевой элемент трубопровода Ст d-n-ППУ-ПЭ-т(Т)

Ст - труба стальная

D - диаметр стальной трубы

n - тип изоляции по ГОСТ 30732

ППУ - теплоизоляция из пенополиуретана

ПЭ - оболочка гидрозащитная полиэтиленовая

v -вариант изготовления концевого элемента трубопровода

(Т) - трубопровод теплоснабжения

 

Пример условного обозначения:

Концевой элемент трубопровода Ст 57-2-ППУ-ПЭ-1 (Т)

 

Код изделия

Диаметр стальной трубы d [мм]

Диаметр полиэтиленовой оболочки D [мм]

Толщина полиэтиленовой оболочки [мм]

Вариант 1

Вариант2

Приблизительная масса изделия L=2000 [кг]

L [мм]

L2 [мм]

L [мм]

L2 [мм]

Ст32-1-ППУ-ПЭ-v(Т)

32

90

3,0

2000

650

1500

300

6,8

Ст38-1-ППУ-ПЭ-v(Т)

38

110

3,0

2000

650

1500

300

7,5

Ст45-2-ППУ-ПЭ-v(Т)

45

125

3,0

2000

650

1500

300

8,3

Ст57-2-ППУ-ПЭ-v(Т)

57

140

3,0

2000

650

1500

300

11,6

Ст76-2-ППУ-ПЭ-v(Т)

76

160

3,0

2000

650

1500

300

15,2

Ст89-2-ППУ-ПЭ-v(Т)

89

180

3,0

2000

650

1500

300

18,0

Ст108-2-ППУ-ПЭ-v(Т)

108

200

3,2

2000

650

1500

300

23,6

Ст133-1-ППУ-ПЭ-v(Т)

133

225

3,5

2000

650

 

 

29,1

Ст159-1-ППУ-ПЭ-v(Т)

159

250

3,9

2000

650

 

 

40,4

Ст219-1-ППУ-ПЭ-v(Т)

219

315

4,9

2000

650

 

 

60,8

Ст273-1-ППУ-ПЭ-v(Т)

273

400

6,3

2000

650

 

 

113,2

Ст325-1-ППУ-vПЭ(Т)

325

450

7,0

2000

650

 

 

150,8

Ст426-1-ППУ-vПЭ(Т)

426

560

8,8

2000

650

 

 

203,4

Примечание: Изделия с укороченной металлической заглушкой изоляции (вариант 2) преимущественно применяются в узлах спуска воды. Размер L1=150 мм для труб диаметром d 32÷210 мм, L1 = 210 мм для труб диаметром d=273÷426мм.

Заглушка трубопровода в полиэтиленовой оболочке

 

Код изделия

Заглушка трубопровода Ст d-n-ППУ-ПЭ (Т)

Ст -труба стальная

D - диаметр стальной трубы

n - тип изоляции по ГОСТ 30732

ППУ - теплоизоляция из пенополиуретана

ПЭ - оболочка гидрозащитная полиэтиленовая

(Т) - трубопровод теплоснабжения

 

Пример условного обозначения:

Заглушка трубопровода Ст 57-2-ППУ-ПЭ (Т)

 

Код изделия

Диаметр стальной трубы d [мм]

Диаметр полиэтиленовой оболочки D [мм]

Толщина полиэтиленовой оболочки

[мм]

мм

L1[мм]

Лента термо-усажи-ваемая, [мм]

Фиксатор ленты [мм]

Ст32-1-ППУ-ПЭ(Т)

32

90

3,0

240

175

360

225

Ст38-1-ППУ-ПЭ(Т)

38

110

3,0

240

180

425

225

Ст45-2-ППУ-ПЭ(Т)

45

125

3,0

240

185

470

225

Ст57-2-ППУ-ПЭ (Т)

57

140

3,0

240

190

525

225

Ст76-2-ППУ-ПЭ(Т)

76

160

3,0

260

200

590

225

Ст89-2-ППУ-ПЭ(Т)

89

180

3,0

260

205

650

225

Ст108-2-ППУ-ПЭ(Т)

108

200

3,2

260

210

740

225

Ст133-2-ППУ-ПЭ(Т)

133

225

3,5

280

215

820

225

Ст159-2-ППУ-ПЭ(Т)

159

250

3,9

280

225

900

225

Ст219-2-ППУ-ПЭ(Т)

219

315

4,9

300

235

1105

225

Ст273-2-ППУ-ПЭ(Т)

273

400

6,3

300

245

1375

225

Ст325-2-ППУ-ПЭ(Т)

325

450

7,0

320

260

1530

225

Ст426-2-ППУ-ПЭ(Т)

426

560

8,8

320

280

1905

225

Примечание: Ширина термоусаживаемой ленты 225 мм.

8.2.Трубопроводы систем теплоснабжения (прокладка надземная, в каналах, в подвалах зданий)

Труба теплоизолированная в оцинкованной оболочке

 

Код изделия

Труба CTdxs-n-ППУ-Ц(T)

Ст - труба стальная

d - диаметр стальной трубы

s - толщина стенки стальной трубы

n - тип изоляции

ППУ - теплоизоляция из пенополиуретана

Ц - оболочка гидрозащитная стальная оцинкованная

(Т) - трубопровод теплоснабжения

 

Пример условного обозначения:

Труба Ст57х3,5-2-ППУ-Ц (Т)

 

Код изделия

Диаметр стальной трубы d [мм]

Диаметр оцинкованной оболочки D [мм]

Толщина оцинкованной оболочки [мм]

Толщина слоя теплоизоляции [мм]

L1[мм]

Приблизительная масса 1 метра трубы [кг]

Ст32х3-2-ППУ-Ц (Т)

32

100

0,55

0,033

150

5,0

Ст38х3-2-ППУ-Ц (Т)

38

125

0,55

42,0

150

6,3

Ст45х3-2-ППУ-Ц (Т)

45

125

0,55

39,0

150

6,7

Ст57х3,5-2-ППУ-Ц (Т)

57

140

0,55

40,5

150

9,9

Ст76х3,5-2-ППУ-Ц (Т)

76

160

0,6

41,0

150

12,7

Ст89х4-2-ППУ-Ц (Т)

89

180

0,6

44,5

150

14,8

Ст108х4-2-ППУ-Ц (Т)

108

200

0,6

45,0

150

18,8

Ст133х5-1-ППУ-Ц (Т)

133

225

0,7

45,0

150

22,7

Ст159x5-1-ППУ-Ц (Т)

159

250

0,7

44,5

150

30,3

Ст219х6-1-ППУ-Ц (Т)

219

315

0,7

47,0

150

41,4

Ст273х7-1-ППУ-Ц (Т)

273

400

0,8

62,5

210

59,4

Ст325х7-1-ППУ-Ц (Т)

325

450

1,0

61,5

210

77,6

Ст426х7-1-ППУ-Ц (Т)

426

560

1,0

66,0

210

101,8

Примечание: Трубы изготавливаются длиной от 6 до 12 метров.

Отвод в оцинкованной оболочке

 

Код изделия:

Отвод Ст dxs-α-n-ППУ-Ц-L (T)

Ст - труба стальная

D - диаметр стальной трубы

S - толщина стенки стальной трубы

α - угол отвода

n - тип изоляции

ППУ - теплоизоляция из пенополиуретан

Ц - оболочка гидрозащитная стальная оцинкованная

L - длина плеча отвода

(Т) - трубопровод теплоснабжения

 

Пример условного обозначения:

ОтводСт57х3,5-140-2-ППУ-Ц-1000 (Т)

 

Код изделия

Диаметр стальной трубы d [мм]

Диаметр оцинкованной оболочки D [мм]

Толщина оцинкованной оболочки [мм]

мм

Приблизительная масса отвода [кг]

Углы 30° , 45° ,60°, 75° и 90°

L=500 [мм]

L=800 [мм]

L=1000(*) [мм]

Ст32х3-α-2-ППУ-Ц-L (Т)

32

100

0,55

150

5,4

8,4

10,4

Ст 38х3-α-2-ППУ-Ц-L (Т)

38

125

0,55

150

6,8

10,5

13,0

Ст45х3-α-2-ППУ-Ц-L (Т)

45

125

0,55

150

7,4

11,4

14,1

Ст57х3,5-α-2-ППУ-Ц-L. (Т)

57

140

0,55

150

11,0

17,0

21,0

Ст76х3,5-α-2-ППУ-Ц-L (Т)

76

160

0,6

150

14,2

21,8

26,9

Ст89х4-α-2-ППУ-Ц-L (Т)

89

180

0,6

150

16,6

25,5

31,5

Ст108х4-α-2-ППУ-Ц-L (Т)

108

200

0,6

150

21,3

32,5

40,1

Ст133х5-α-1-ППУ-Ц-L (Т)

133

225

0,7

150

25,8

39,4

48,4

Ст159х5-α-1-ППУ-Ц-L (Т)

159

250

0,7

150

-

52,9

65,1

Ст219х6-α-1-ППУ-Ц-L (Т)

219

315

0,7

150

-

72,4

88,9

Ст273х7-α-1-ППУ-Ц-L (Т)

273

400

0,8

210

-

104,0

127,8

Ст325х7-α-1-ППУ-Ц-L (Т)

325

450

1,0

210

-

-

167,6

Ст426х7-α-1-ППУ-Ц-L (Т)

426

560

1,0

210

-

-

-

Примечание:

1. Отводы с другими длинами плеч и углами поворота поставляются на заказ.
2 *) отводы диаметром 426 мм имеют минимальную длину плеча L=1200

 

Отвод вертикальный в оцинкованной оболочке

 

Код изделия:

Отвод Ст dxs-α-n-ППУ-Ц L-B (T)

Ст - труба стальная

D - диаметр стальной трубы

S - толщина стенки стальной трубы

α - угол отвода

n - тип изоляции

ППУ - теплоизоляция из пенополиуретана

Ц - оболочка гидрозащитная стальная оцинкованная

L - длина плеча отвода

В - отвод вертикальный

(Т) - трубопровод теплоснабжения

 

Пример условного обозначения:

ОтводСт57х3,5-90-2-ППУ-Ц-1000-В (Т)

 

Код изделия

Диаметр стальной трубы d [мм]

Диаметр оцинкованной оболочки D [мм]

Толщина оцинкованной оболочки [мм]

L1

[мм]

Приблизительная масса отвода [кг]

L=500 [мм]

L=800

[мм]

L=1000 [мм]

L=1200

[мм]

Ст32х3-α-2-ППУ-Ц-L-В (Т)

32

100

0,55

150

5,4

8,4

10,4

-

Ст38х3-α-2-ППУ-Ц-L-В (Т)

38

125

0,55

150

6,8

10,5

13,0

-

Ст45х3-α-2-ППУ-Ц-L-В (Т)

45

125

0,55

150

7,4

11,4

14,1

-

Ст57х3,5-α-2-ППУ-Ц-L-В (Т)

57

140

0,55

150

8,8

13,5

16,5

-

Ст76х3,5-α-2-ППУ-Ц-L-В (Т)

76

160

0,6

150

11,7

17,8

21,8

-

Ст89х4-α-2-ППУ-Ц-L-В (Т)

89

180

0,6

150

13,8

20,9

25,7

-

СтЮ8х4-α-2-ППУ-Ц-L-В (Т)

108

200

0,6

150

18,2

27,6

33,9

-

Ст133х5-α-1-ППУ-Ц-L-В (Т)

133 .

225

0,7

150

22,5

34,2

41,9

-

Ст159х5-α-1-ППУ-Ц-L-В (Т)

159

250

0,7

150

-

47,6

58,3

-

Ст219х6-α-1-ППУ-Ц-L-В (Т)

219

315

0,7

150

-

67,0

82,2

-

Ст273х7-α-1-ППУ-Ц-L-В (Т)

273

400

0,8

210

-

99,6

122,3

-

Ст325х7-α-1-ППУ-Ц-L-В (Т)

325

450

1,0

210

-

-

163,1

-

Ст426х7-α-1-ППУ-Ц-L-В (Т)

426

560

1,0

210

-

-

-

268,5

Примечание: Отводы с другими длинами плеч и углами поворота поставляются на заказ.

Z-образный элемент в оцинкованной оболочке

 

Код изделия:

Z-образный элемент Cт d-ППУ-Ц-Lz (T)

Ст - труба стальная

D - диаметр стальной трубы

n - тип изоляции

ППУ – теплоизоляция из пенополиуретана

Ц - оболочка гидрозащитная стальная оцинкованная

Lz - лечо Z-образного элемента

(Т) - трубопровод теплоснабжения

 

Пример условного обозначения:

Z-образный элемент

Ст57-2-ППУ-Ц-2000 (Т)

 

Код изделия

Диаметр стальной трубы d [мм]

Диаметр оцинкованной оболочки D [мм]

Толщина оцинкованной оболочки [мм]

L[мм]

Lz, min/max [мм]

L1 [мм]

Ст32-2-ППУ-Ц-Lz(Т)

32

100

0,55

1000

500/2000

150

Ст38-2-ППУ-Ц-Lz(Т)

38

125

0,55

1000

500/2000

150

Ст45-2-ППУ-Ц-Lz(Т)

45

125

0,55

1000

500/2000

150

Ст57-2-ППУ-Ц-Lz(Т)

57

140

0,55

1000

500/2000

150

Ст76-2-ППУ-Ц-Ц (Т)

76

160

0,6

1000

500/2000

150

Ст89-2-ППУ-Ц-Lz(Т)

89

180

0,6

1000

500/2000

150

Ст108-2-ППУ-Ц-Lz (Т)

108

200

0,6

1000

50/20000

150

Ст133-1-ППУ-Ц-Lz (Т)

133

225

0,7

1000

600/2000

150

Ст159-1-ППУ-Ц-Lz (Т)

159

250

0,7

1000

700/2000

150

Ст219-1-ППУ-Ц-Lz (Т)

219

315

0,7

1200

800/2000

150

Ст273-1-ППУ-Ц-Lz (Т)

273

400

0,8

1200

1000/2000

210

Ст325-1-ППУ-Ц-Lz (Т)

325

450

1,0

1200

1100/2100

210

Ст426-1-ППУ-Ц-Lz (Т)

426

560

1,0

1200

1500/2200

210

Примечание: Z-образные элементы с другими размерами поставляются на заказ.

Переход в оцинкованной оболочке

Код изделия:

Переход Ст d1-d2-n-ППУ-Ц (Т)

Ст - труба стальная

d1 - диаметр стальной трубы

d2 - диаметр стальной трубы

n - тип изоляции

ППУ - теплоизоляция из пенополиуретана

ПЭ - оболочка гидрозащитная стальная оцинкованная

(Т) - трубопровод теплоснабжения

 

Пример условного обозначения:

Переход Ст 76-57-2-ППУ-Ц (Т)

 

 

d2[мм]

32

38

45

57

76

89

108

133

159

219

273

325

D2[мм]

100

125

125

140

160

180

200

225

250

315

400

450

d1[мм]

D1[мм]

n

 

 

 

 

 

 

 

 

 

 

 

 

32

100

1

 

 

 

 

 

 

 

 

 

 

 

 

38

125

1

*

 

 

 

 

 

 

 

 

 

 

 

45

125

2

*

*

 

 

 

 

 

 

 

 

 

 

57

140

2

*

*

*

 

 

 

 

 

 

 

 

 

76

160

2

*

*

*

*

 

 

 

 

 

 

 

 

89

180

2

 

*

*

*

 

 

 

 

 

 

 

108

200

2

 

 

*

*

*

*

 

 

 

 

 

 

133

225

1

 

 

 

 

*

*

*

 

 

 

 

 

159

250

1

 

 

 

 

 

*

*

*

 

 

 

 

219

315

1

 

 

 

 

 

 

*

*

*

 

 

 

273

400

1

 

 

 

 

 

 

 

*

*

*

 

 

325

450

1

 

 

 

 

 

 

 

 

*

*

*

 

426

560

1

 

 

 

 

 

 

 

 

*

*

*

*

Примечание: Размер L=150мм для стальных труб диаметром d=32÷219мм, L=210мм для остальных диаметров. Переходы с другими типоразмерами поставляются по заказу.

Неподвижная опора в оцинкованной оболочке

Код изделия:

Неподвижная опора Ст d-Hxs-n-ППУ-Ц (Т)

Ст - труба стальная

D - диаметр стальной трубы

Н - размер опорного фланца

S - толщина опорного фланца

n - тип изоляции

ППУ - теплоизоляция из пенополиуретана

Ц - оболочка гидрозащитная стальная оцинкованная

(Т) - трубопровод теплоснабжения

 

Пример условного обозначения:

Неподвижная опора

Ст57-235х15-2-ППУ-Ц (Т)

 

Код изделия

Диаметр стальной трубы d [мм]

Диаметр оцинкованной оболочки D [мм]

Толщина оцинкованной оболочки [мм]

Н[мм]

s [мм]

L [мм]

Максимальное осевое удлинение Рmax [Т]

Приблизительная масса опоры [кг]

Ст32-200x15-2-ППУ-Ц (Т)

32

100

0,55

190

15

150

2,6

22,8

Ст38-200x15-2-ППУ-Ц (Т)

38

125

0,55

215

15

150

3,0

25,4

Ст45-210х15-2-ППУ-Ц(Т)

45

125

0,55

215

15

150

3,8

26,4

Ст57-235х15-2-ППУ-Ц (Т)

57

140

0,55

235

15

150

7,5

23,0

Ст76-275х20-2-ППУ-Ц (Т)

76

160

0,6

275

20

150

7,5

30,5

Ст89-295х20-2-ППУ-Ц (Т)

89

180

0,6

295

20

150

12,5

36,0

Ст108-315х20-2-ППУ-Ц (Т)

108

200

0,6

315

20

150

20,5

40,0

Ст133-340x20-1 -ППУ-Ц (Т)

133

225

0,7

350

20

150

26,5

48,0

Ст159-400x30-1-ППУ-Ц (Т)

159

250

0,7

400

30

150

36,0

81,0

Ст219-460x30-1 -ППУ-Ц (Т)

219

315

0,7

460

30

150

50,0

153,5

Ст273-550x30-1 -ППУ-Ц (Т)

273

400

0,8

550

30

210

75,0

240,5

Ст325-650x40-1 -ППУ-Ц (Т)

325

450

1,0

650

40

210

90,0

325,0

Ст426-750x40-1 -ППУ-Ц (Т)

426

560

1,0

750

40

210

120,0

417,0

 

Неподвижная опора с торцевым кабелем вывода в оцинкованной оболочке

 

Код изделия:

Неподвижная опора с торцевым кабелем вывода Cт d-Hxs-n-ППУ-Ц-КВ (Т)

Ст - труба стальная

d - диаметр стальной трубы

Н - размер опорного фланца

S - толщина опорного фланца

n - тип изоляции

ППУ - теплоизоляция из пенополиуретана

Ц - оболочка гидрозащитная стальная оцинкованная

(Т) - трубопровод теплоснабжения

 

Пример условного обозначения:

Неподвижная опора с торцевым кабелем вывода

Ст 57-235х15-2-ППУ-Ц-КВ (Т)

 

Код изделия

Диаметр стальной трубы d [мм]

Диаметр оцинкованной оболочки D [мм]

Толщина оцинкованной оболочки [мм]

Н[мм]

s [мм]

мм

Максимальное осевое усилие

Pmax[T]

Приблизительная масса опоры [кг]

Ст32-200x15-2-ППУ-Ц (Т)

32

100

0,55

190

15

150

2,6

22,8

Ст38-200x15-2-ППУ-Ц (Т)

38

125

0,55

215

15

150

3,0

25,4

Ст45-210х15-2-ППУ-Ц (Т)

45

125

0,55

215

15

150

3,8

26,4

Ст57-235x15-2-ППУ-Ц (Т)

57

140

0,55

235

15

150

7,5

23,0

Ст76-275х20-2-ППУ-Ц (Т)

76

160

0,6

275

20

150

7,5

30,5

Ст89-295х20-2-ППУ-Ц (Т)

89

180

0,6

295

20

150

12,5

36,0

Ст108-315х20-2-ППУ-Ц (Т)

108

200

0,6

315

20

150

20,5

40,0

Ст133-340x20- 1-ППУ-Ц (Т)

133

225

0,7

350

20

150

26,5

48,0

Ст159-400x30- 1-ППУ-Ц (Т)

159

250

0,7

400

30

150

36,0

81,0

Ст219-460x30-1 -ППУ-Ц (Т)

219

315

0,7

460

30

150

50,0

153,5

Ст273-550x30-1-ППУ-Ц (Т)

273

400

0,8

550

30

210

75,0

240,5

Ст325-650x40-1 -ППУ-Ц (Т)

325

450

1,0

650

40

210

90,0

325,0

Ст426-750x40-1 -ППУ-Ц (Т)

426

560

1,0

750

40

210

120,0

417,0

Примечание: Кабель NYM 5x1,5 - 10 метров.

Направляющая опора в оцинкованной оболочке

 

Код изделия:

Направляющая опора Ст d-Н-n-ППУ-Ц (Т)

Ст - труба стальная

d - диаметр стальной трубы

Н - диаметр направляющего фланца

n - тип изоляции

ППУ - теплоизоляция из пенополиуретана

Ц - оболочка гидрозащитная стальная оцинкованная

(Т) - трубопровод теплоснабжения

 

Пример условного обозначения:

Направляющая опора

Ст 57-235-2-ППУ-Ц (Т)

 

Код изделия

Диаметр стальной трубы d [мм]

Диаметр оцинкованной оболочки D [мм]

Толщина оцинкованной оболочки [мм]

Н [мм]

L [мм]

Приблизительная масса опоры [кг]

Ст32-130-2-ППУ-Ц (Т)

32

100

0,55

130

150

22,8

Ст38-160-2-ППУ-Ц (Т)

38

125

0,55

160

150

25,4

Ст45-160-2-ППУ-Щ Т)

45

125

0,55

160

150

26,4

Ст57-198-2-ППУ-Ц (Т)

57

140

0,55

198

150

23,0

Ст76-220-2-ППУ-Ц (Т)

76

160

0,6

220

150

30,5

Ст89-220-2-ППУ-Ц ( Т)

89

180

0,6

220

150

36,0

Ст108-248-2-ППУ-Ц (Т)

108

200

I0,6

248

150

47,0

Ст133-248-1-ППУ-Ц (Т)

133

225

0,7

248

150

58,0

Ст159-300-1-ППУ-Ц (Т)

159

250

0,7

300

150

81,0

Ст219-348-1-ППУ-Ц (Т)

219

315

0,7

348

150

163,5

Ст273-490-1-ППУ-Ц (Т)

273

400

0,8

490

210

240,5

Ст325-590-1-ППУ-Ц (Т)

325

450

1,0

590

210

325,0

Ст426-675-1-ППУ-Ц (Т)

426

560

1,0

675

210

437,0

Примечание: совместно с элементом направляющей опорой используется неподвижный элемент направляющей опоры, приведенный в разделе 8.5.

Направляющая опора с торцевым кабелем вывода в оцинкованной оболочке

Код изделия:

Направляющая опора с торцевым кабелем вывода Cт-d-H-n-ППУ-Ц-КВ (Т)

Ст - труба стальная

d - диаметр стальной трубы

Н - диаметр направляющего фланца

n - тип изоляции

ППУ - теплоизоляция из пенополиуретана

Ц - оболочка гидрозащитная стальная оцинкованная

(Т) - трубопровод теплоснабжения

 

Пример условного обозначения:

Направляющая опора с торцевым кабелем вывода

Ст 57-235-2-ППУ-Ц-КВ (Т)

 

Код изделия

Диаметр стальной трубы d [мм]

Диаметр оцинкованной оболочки D [мм]

Толщина оцинкованной оболочки [мм]

Н [мм]

L [мм]

Приблизительная масса опоры [кг]

Ст32-130-2-ППУ-Ц-КВ (Т)

32

100

0,55

130

150

22,8

Ст38-160-2-ППУ-Ц-КВ (Т)

38

125

0,55

160

150

25,4

Ст45-160-2-ППУ-Ц-КВ (Т)

45

125

0,55

160

150

26,4

Ст57-198-2-ППУ-Ц-КВ (Т)

57

140

0,55

198

150

23,0

Ст76-220-2-ППУ-Ц-КВ (Т)

76

160

0,6

220

150

30,5

Ст89-220-2-ППУ-Ц-КВ (Т)

89

180

0,6

220

150

36,0

Ст108-248-2-ППУ-Ц-КВ (Т)

108

200

0,6

248

150

47,0

Ст133-248-1-ППУ-Ц-КВ (Т)

133

225

0,7

248

150

58,0

Ст159-300-1-ППУ-Ц-КВ (Т)

159

250

0,7

300

150

81,0

Ст219-348-1 -ППУ-Ц-КВ (Т)

219

315

0,7

348

150

163,5

Ст273-490-1-ППУ-Ц-КВ (Т)

273

400

0,8

490

210

240,5

Ст325-590-1-ППУ-Ц-КВ (Т)

325

450

1,0

590

210

325,0

Ст426-675-1-ППУ-Ц-КВ (Т)

426

560

1,0

675

210

437,0

Примечание:1.Совместно с направляющей опорой используется неподвижный элемент направляющей опоры, приведенный в разделе 8.5.

Тройник в оцинкованной оболочке

Код изделия:

Тройник стандартный Ст d1-d2-n-ППУ-Ц (Т)

Ст - труба стальная

d1 - диаметр магистральной трубы

d2 - диаметр ответвления

n - тип изоляции

ППУ - теплоизоляция из пенополиуретана

Ц - оболочка гидрозащитная стальная оцинкованная

(Т) - трубопровод теплоснабжения

 

Пример условного обозначения:

Тройник

Ст 76-57-2-ППУ-Ц (Т)

 

 

d1[мм]

32

38

45

57

76

89

108

133

159

219

273

325

426

 

D1[мм]

100

125

125

140

160

180

200

225

250

315

400

450

560

d[мм]

D[мм]

n

 

 

 

 

 

 

 

 

 

 

 

 

 

32

100

2

*

 

 

 

 

 

 

 

 

 

 

 

 

38

125

2

*

*

 

 

 

 

 

 

 

 

 

 

 

45

125

2

*

*

*

 

 

 

 

 

 

 

 

 

 

57

140

2

*

*

*

*

 

 

 

 

 

 

 

 

 

76

160

2

*

*

*

*

*

 

 

 

 

 

 

 

 

89

180

2

*

*

*

*

*

*

 

 

 

 

 

 

 

108

200

2

*

*

*

*

*

*

*

 

 

 

 

 

 

133

225

1

*

*

*

*

*

*

*

*

 

 

 

 

 

159

250

1

*

*

*

*

*

*

*

*

*

 

 

 

 

219

315

1

*

*

*

*

*

*

*

*

*

*

 

 

 

273

400

1

*

*

*

*

*

*

*

*

*

*

*

 

 

325

450

1

*

*

*

*

*

*

*

*

*

*

*

*

 

426

560

1

*

*

*

*

*

*

*

*

*

*

*

*

*

Примечание: Размер L-150мм -  для диаметров стальной трубы d=32÷219мм, L=210мм - для остальных диаметров.

Тройниковое ответвление в оцинкованной оболочке

Код изделия:

Тройниковое ответвление Ст d1-d2-n-ППУ-Ц (Т)

Ст - труба стальная

d1 - диаметр магистральной трубы

d2 - диаметр ответвления

n - тип изоляции

ППУ - теплоизоляция из пенополиуретана

Ц - оболочка гидрозащитная стальная оцинкованная

(Т) - трубопровод теплоснабжения

 

Пример условного обозначения:

Тройниковое ответвление

Ст 76-57-2-ППУ-Ц (Т)

 

 

d2[мм]

32

38

45

57

76

89

108

133

159

219

273

325

426

D2[мм]

100

125

125

140

160

180

200

225

250

315

400

450

560

L [мм]

1000

1000

1000

1000

1000

1000

1500

1500

1500

1500

2000

2000

2000

d1[мм]

D1[мм]

n

 

 

 

 

 

 

 

 

 

 

 

 

 

32

100

2

1000

 

 

 

 

 

 

 

 

 

 

 

 

38

125

2

1000

1000

 

 

 

 

 

 

 

 

 

 

 

45

125

2

1000

1000

1000

 

 

 

 

 

 

 

 

 

 

57

140

2

1000

1000

1000

1000

 

 

 

 

 

 

 

 

 

76

160

2

1000

1000

1000

1000

1000

 

 

 

 

 

 

 

 

89

180

2

1000

1000

1000

1000

1000

1000

 

 

 

 

 

 

 

108

200

2

1000

1000

1000

1000

1000

1000

1000

 

 

 

 

 

 

133

225

1

1000

1000

1000

1000

1000

1000

1000

1000

 

 

 

 

 

159

250

1

*

1000

1000

1000

1000

1000

1000

1000

1000

 

 

 

 

219

315

1

*

*

*

1000

1000

1000

1000

1000

1000

1200

 

 

 

273

400

1

*

*

*

*

*

1000

1000

1100

1100

1200

1500

 

 

325

450

1

*

*

*

*

*

*

1100

1100

1200

1500

1500

 

426

560

1

*

*

*

*

*

*

*

1100

1100

1200

1500

1500

1500

Примечание: 1. Размер L1=150мм - для диаметров стальной трубы d=32÷219мм, L1=210мм для остальных диаметров. Размер H=D1/2+D2/2+50.
2. На пересечениях типоразмеров указана величина L2.
3. Изделия с другими типоразмерами поставляются по заказу.

 

Тройник параллельный в оцинкованной оболочке

Код изделия:

Тройник параллельный Ст d1-d2-n-ППУ-Ц (Т)

Ст - труба стальная

d1 - диаметр магистральной трубы

d2 - диаметр ответвления

n - тип изоляции

ППУ – теплоизоляция из пенополиуретана

Ц - оболочка гидрозащитная стальная оцинкованная

(Т) - трубопровод теплоснабжения

 

Пример условного обозначения:

Тройник параллельный

Ст 76-57-2-ППУ-Ц (Т)

 

 

d2[мм]

32

38

45

57

76

89

108

133

159

219

273

325

426

D2[мм]

100

125

125

140

160

180

200

225

250

315

400

450

560

L[мм]

1000

1000

1000

1000

1000

1000

1500

1500

1500

1500

2000

2000

2000

d1[мм]

D1[мм]

Н*[мм]

 

 

 

 

 

 

 

 

 

 

 

 

 

32

100

100

*

 

 

 

 

 

 

 

 

 

 

 

 

38

125

100

*

*

 

 

 

 

 

 

 

 

 

 

 

45

125

100

*

*

*

 

 

 

 

 

 

 

 

 

 

57

140

100

*

*

*

*

 

 

 

 

 

 

 

 

 

76

160

100

*

*

*

*

*

 

 

 

 

 

 

 

 

89

180

100

*

*

*

*

*

*

 

 

 

 

 

 

 

108

200

100

*

*

*

*

*

*

*

 

 

 

 

 

 

133

225

150

*

*

*

*

*

*

*

*

 

 

 

 

 

159

250

150

*

*

*

*

*

*

*

*

*

 

 

 

 

219

315

200

*

*

*

*

*

*

*

*

*

*

 

 

 

273

400

200

*

*

*

*

*

*

*

*

*

*

*

 

 

325

450

275

*

*

*

*

*

*

*

*

*

*

*

*

 

426

560

350

*

*

*

*

*

*

*

*

*

*

*

*

*

Примечание: Размер L1=150мм для диаметров стальной трубы d=32÷219мм, L1=210мм для остальных диаметров. Размер H=D1/2+D2/2+H*

Тройник с шаровым краном воздушника в оцинкованной оболочке

Код изделия:

Тройник с шаровым краном воздушника Ст d-d1-n-ППУ-Ц (Т)

Ст - труба стальная

d - диаметр магистральной трубы

d1 - диаметр воздушника

n - тип изоляции

ППУ - теплоизоляция из пенополиуретана

Ц - оболочка гидрозащитная стальная оцинкованная

(Т) - трубопровод теплоснабжения

 

Пример условного обозначения:

Тройник с шаровым краном воздушника

Ст 76-25-2-ППУ-Ц (Т)

 

 

d1 [мм]

32

38

45

57

D1[мм]

100

125

125

140

d [мм]

D[мм]

n

 

 

 

 

32

100

2

320

 

 

 

38

125

2

335

 

 

 

45

125

2

340

335

 

 

57

140

2

345

340

 

 

76

160

2

355

350

 

 

89

180

2

365

360

360

 

108

200

2

375

370

370

 

133

225

1

385

380

380

400

159

250

1

400

395

395

415

219

315

1

430

425

425

445

273

400

1

460

455

455

470

325

450

1

485

480

480

500

426

560

1

535

530

530

550

Примечание: 1.Размер L1=150мм для диаметров стальной трубы d=32÷219мм, L1=210мм для остальных диаметров.
2.На пересечениях типоразмеров указаны минимальные значения высоты воздушника Н.

Тройник с шаровым краном для спуска воды в оцинкованной оболочке

Код изделия:

Тройник с шаровым краном для спуска воды Ст d-di-n-ППУ-Ц (Т)

Ст труба стальная

d - диаметр магистральной трубы

d1 - диаметр спускного крана

n - тип изоляции

ППУ - теплоизоляция из пенополиуретана

Ц - oболочка гидрозащитная стальная оцинкованная

(Т) - трубопровод теплоснабжения

Пример условного обозначения:

Тройник с шаровым краном для спуска воды Ст 76-25-2-ППУ-Ц (Т)

 

d1[мм]

32

45

57

76

89

108

D1[мм]

90

110

140

160

180

200

d[мм]

D[мм]

n

 

 

 

 

 

 

32

90

2

245

 

 

 

 

 

38

110

2

250

 

 

 

 

 

45

125

2

255

 

 

 

 

 

57

140

2

260

290

 

 

 

 

76

160

2

270

300

340

 

 

 

89

180

2

275

305

345

405

 

 

108

200

2

285

315

355

415

 

 

133

225

1

300

330

370

430

440

 

159

250

1

310

340

380

440

450

470

219

315

1

340

370

410

470

480

500

273

400

1

370

400

440

500

510

530

325

450

1

395

425

465

525

535

555

426

560

1

445

475

515

575

585

605

Примечание: 1. Размер L1=150мм для диаметров стальной трубы d=32+219мм, L1=210мм для остальных диаметров.
2. На пересечениях типоразмеров указаны минимальные значения размера Н.

Кран шаровой в оцинкованной оболочке

Код изделия:

Кран шаровой Ст d-n-ППУ-Ц (Т)

Ст - труба стальная

d - диаметр шарового крана

n - тип изоляции

ППУ - теплоизоляция из пенополиуретана

Ц - оболочка гидрозащитная стальная оцинкованная

(Т) - трубопровод теплоснабжения

 

Пример условного обозначения:

Кран шаровой

Ст 57-2-ППУ-Ц (Т)

 

Код изделия

d [мм]

D [мм]

D1 [мм]

Толщина оцинкованной оболочки [мм]

L2 [мм]

L[мм]

Hmin [мм]

Ст32-2-ППУ-Ц(Т)

32

100

90

0,55

450

1500

133

Ст38-2-ППУ-Ц(Т)

38

125

90

0,55

450

1500

137

Ст45-2-ППУ-Ц(Т)

45

125

110

0,55

450

1500

158

Ст57-2-ППУ-Ц (Т)

57

140

110

0,55

450

1500

164

Ст76-2-ППУ-Ц(Т)

76

160

125

0,6

400

1500

164

Ст89-2-ППУ-Ц(Т)

89

180

125

0,6

400

1500

174

Ст108-2-ППУ-Ц(Т)

108

200

140

0,6

400

1500

212

Ст133-1-ППУ-Ц(Т)

133

225

140

0,7

400

1500

221

Ст159-1-ППУ-Ц(Т)

159

250

140

0,7

650

2000

245

Ст219-1 -ППУ-Ц(Т)

219

315

160

0,7

650

2000

289

Ст273-1-ППУ-Ц(Т)

273

400

160

0,8

465

2000

306

Ст325-1-ППУ-Ц(Т)

325

450

160

1,0

415

2000

336

Ст426-1-ППУ-Ц(Т)

426

560

160

1,0

400

2000

445

Примечание: 1.Размер L1=150 мм для диаметров стальной трубы d=32÷219 мм, L1=210мм для остальных диаметров.
2.Кран шаровой d=219мм, может комплектоваться переносным редуктором. Краны диаметрами d=273, d=325, d=426мм поставляются со стационарным редуктором.

Кран шаровой с воздушником в оцинкованной оболочке

Код изделия:

Кран шаровой с воздушником Cт-d-d2-n-ППУ-Ц (T)

Ст - труба стальная

d - диаметр шарового крана

d2 - диаметр воздушника

n - тип изоляции

ППУ - теплоизоляция из пенополиуретана

Ц - оболочка гидрозащитная стальная оцинкованная

(Т) - трубопровод теплоснабжения

 

Пример условного обозначения:

Кран шаровой с воздушником

Ст 57-25-2-ППУ-Ц (Т)

 

Код изделия

d [мм]

D [мм]

D1[мм]

Толщина оцинкованной оболочки [мм]

L4 [мм]

L2 [мм]

L3[мм]

L [мм]

Hmin

[мм]

Ст32-d2-2-ППУ-Ц (Т)

32

100

90

0,55

40

300

480

1500

133

Ст38-d2-2-ППУ-Ц (Т)

38

125

90

0,55

255

300

473

1500

137

Ст45-d2-2-ППУ-Ц (Т)

45

125

110

0,55

255

300

473

1500

158

Ст57-d2-2-ППУ-Ц (Т)

57

140

110

0,55

275

300

463

1500

164

Ст76-d2-ППУ-Ц (Т)

76

160

125

0,6

305

300

448

1500

164

Ст89-d2-2-ППУ-Ц (Т)

89

180

125

0,6

310

300

445

1500

174

Ст108-d2-2-ППУ-Ц (Т)

108

200

140

0,6

320

250

440

1500

212

Ст133-d2-1-ППУ-Ц (Т)

133

225

140

0,7

390

250

440

1500

221

Ст159-d2-1-ППУ-Щ Т)

159

250

140

0,7

390

500

690

2000

245

Ст219-d2-1-ППУ-Ц (Т)

219

315

160

0,7

320

400

630

2000

289

Ст273-d2-1-ППУ-Ц (Т)

273

400

160

0,8

440

400

570

2000

306

Ст325-d2-1-ППУ-Ц (Т)

325

450

160

1,0

480

380

550

2000

336

Ст426-d2-1-ППУ-Ц (Т)

425

560

160

1,0

560

380

760

2500

445

Примечание: Размер L1=150мм для d = 32÷219 мм, L1= 210 мм для d=273÷426мм.

Элемент трубопровода с кабелем вывода в оцинкованной оболочке

Код изделия:

Элемент трубопровода с кабелем вывода Ст d-n-ППУ-Ц (Т)

Ст - труба стальная

d - диаметр стальной трубы

n - тип изоляции

ППУ - теплоизоляция из пенополиуретана

Ц - оболочка гидрозащитная стальная оцинкованная

(Т) - трубопровод теплоснабжения

 

Пример условного обозначения:

Элемент трубопровода с кабелем вывода

Ст 57-2-ППУ-Ц  (Т)

 

Код изделия

Диаметр стальной трубы d [мм]

Диаметр оцинкованной оболочки D [мм]

Толщина оцинкованной оболочки [мм]

L [мм]

Приблизительная масса изделия [кг]

Ст32-2-ППУ-Ц(Т)

32

100

0,55

150

3,7

Ст38-2-ППУ-Ц(Т)

38

125

0,55

150

4,5

Ст45-2-ППУ-Ц(Т)

45

125

0,55

150

5,7

Ст57-2-ППУ-Ц(Т)

57

140

0,55

150

7,0

Ст76-2-ППУ-Ц (Т)

76

160

0,6

150

9,0

Ст89-2-ППУ-Ц (Т)

89

180

0,6

150

11,5

Ст108-2-ППУ-Ц(Т)

108

200

0,6

150

14,0

Ст133-1-ППУ-Ц(Т)

133

225

0,7

150

19,4

Ст159-1-ППУ-Ц(Т)

159

250

0,7

150

23,3

Ст219-1-ППУ-Ц(Т)

219

315

0,7

150

38,0

Ст273-1-ППУ-Ц(Т)

273

400

0,8

210

56,6

Ст325-1-ППУ-Ц{Т)

325

450

1,0

210

68,2

Ст426-1-ППУ-Ц(Т)

426

560

1,0

210

101,5

Примечание: Длина кабеля NYM 5x1,5 - 10 метров.

Концевой элемент трубопровода с кабелем вывода в оцинкованной оболочке

Код изделия

Концевой элемент трубопровода с кабелем вывода Ст d-n-ППУ-Ц (Т)

Ст - труба стальная

d - диаметр стальной трубы

n - тип изоляции

ППУ - теплоизоляция из пенополиуретана

Ц - оболочка гидрозащитная стальная оцинкованная

(Т) - трубопровод теплоснабжения

 

Пример условного обозначения:

Концевой элемент трубопровода с кабелем вывода

Ст 57-2-ППУ-Ц (Т)

 

Код изделия

Диаметр стальной трубы d [мм]

Диаметр оцинкованной оболочки D [мм]

Толщина оцинкованной оболочки [мм]

L [мм]

L1[мм]

L2[мм]

Приблизительная масса изделия [кг]

Ст32-2-ППУ-Ц(Т)

32

100

0,55

1600

150

1000

10,2

Ст38-2-ППУ-Ц(Т)

38

125

0,55

1600

150

1000

11,4

Ст45-2-ППУ-Ц (Т)

45

125

0,55

1600

150

1000

14,8

Ст57-2-ППУ-Ц(Т)

57

140

0,55

1600

150

1000

19,2

Ст76-2-ППУ-Ц (Т)

76

160

0,6

1600

150

1000

25,3

Ст89-2-ППУ-Ц (Т)

89

180

0,6

1600

150

1000

29,9

Ст108-2-ППУ-Ц(Т)

108

200

0,6

1600

150

1000

39,3

Ст133-1-ППУ-Ц(Т)

133

225

0,7

1800

150

1100

48,5

Ст159-1-ППУ-Ц(Т)

159

250

0,7

1800

150

1100

67,3

Ст219-1-ППУ-Ц(Т)

219

315

0,7

1800

150

1100

94,9

Ст273-1-ППУ-Ц(Т)

273

400

0,8

2000

210

1200

141,4

Ст325-1-ППУ-Ц(Т)

325

450

1,0

2000

210

1200

188,4

Ст426-1-ППУ-Ц(Т)

426

560

1,0

2000

210

1200

254,3

Примечание: Длина кабеля NYM-3x1,5 - 10 метров.

Концевой элемент трубопровода с торцевым кабелем вывода в оцинкованной оболочке

Код изделия

Концевой элемент трубопровода с торцевым кабелем вывода

Ст d-n-ППУ-Ц-т (Т)

Ст - труба стальная

d - диаметр стальной трубы

n - тип изоляции

ППУ - теплоизоляция из пенополиуретана

Ц - оболочка гидрозащитная стальная оцинкованная

(Т) - трубопровод теплоснабжения

 

Пример условного обозначения:

Концевой элемент трубопровода с торцевым кабелем вывода

Ст 57-2-ППУ-Ц-т (Т)

 

Код изделия

Диаметр стальной трубы d [мм]

Диаметр оцинкованной оболочки D [мм]

Толщина оцинкованной оболочки [мм]

L [мм]

L1[мм]

Приблизительная масса изделия [кг]

Ст32-2-ППУ-Ц-т (Т)

32

100

0,55

1200

150

7,0

Ст38-2-ППУ-Ц-т (Т)

38

125

0,55

1200

150

7,8

Ст45-2-ППУ-Ц-т (Т)

45

125

0,55

1200

150

8,5

Ст57-2-ППУ-Ц-т (Т)

57

140

0,55

1200

150

11,9

Ст76-2-ППУ-Ц-т (Т)

76

160

0,6

1200

150

17,8

Ст89-2-ППУ-Ц-т (Т)

89

180

0,6

1200

150

22,6

Ст108-2-ППУ-Ц-т (Т)

108

200

0,6

1200

150

23,4

Ст133-1-ППУ-Ц-т (Т)

133

225

0,7

1200

150

36,4

Ст159-1-ППУ-Ц-т (Т)

159

250

0,7

1200

150

37,8

Ст219-1-ППУ-Ц-т (Т)

219

315

0,7

1200

150

71,3

Ст273-1-ППУ-Ц-т (Т)

273

400

0,8

1500

210

89,1

Ст325-1-ППУ-Ц - т (Т)

325

450

1,0

1500

210

116,4

Ст426-1-ППУ-Ц-т (Т)

426

560

1,0

1500

210

152,7

Примечание: Длина кабеля NYM-3x1,5 - 10 метров.

Концевой элемент трубопровода в оцинкованной оболочке

Код изделия:

Концевой элемент трубопровода Ст d-n-ППУ-Ц (Т)

Ст - труба стальная

d - диаметр стальной трубы

n - тип изоляции

ППУ - теплоизоляция из пенополиуретана

Ц - оболочка гидрозащитная стальная оцинкованная

(Т) - трубопровод теплоснабжения

 

Пример условного обозначения:

Концевой элемент трубопровода

Ст 57-2-ППУ-Ц (Т)

 

Код изделия

Диаметр стальной трубы d [мм]

Диаметр оцинкованной оболочки D [мм]

Толщина оцинкованной оболочки [мм]

L [мм]

L1 [мм]

Приблизительная масса заглушки [кг]

Ст32-2-ППУ-Ц(Т)

32

100

0,55

1200

150

7,0

Ст38-2-ППУ-Ц(Т)

38

125

0,55

1200

150

7,6

Ст45-2-ППУ-Ц(Т)

45

125

0,55

1200

150

8,8

Ст57-2-ППУ-Ц(Т)

57

140

0,55

1200

150

11,9

Ст76-2-ППУ-Ц(Т)

76

160

0,6

1200

150

17,8

Ст89-2-ППУ-Ц(Т)

89

180

0,6

1200

150

22,6

Ст108-2-ППУ-Ц(Т)

108

200

0,6

1200

150

23,4

Ст133-1-ППУ-Ц(Т)

133

225

0,7

1200

150

36,4

Ст159-1-ППУ-Ц(Т)

159

250

0,7

1200

150

37,8

Ст219-1-ППУ-Ц(Т)

219

315

0,7

1200

150

71,3

Ст273-1-ППУ-Ц(Т)

273

400

0,8

1500

210

89,1

Ст325-1-ППУ-Ц(Т)

325

450

1,0

1500

210

116,4

Ст426-1-ППУ-Ц(Т)

426

560

1,0

1500

210

152,7

Заглушка трубопровода в оцинкованной оболочке

Код изделия

Заглушка трубопровода Ст d-n-ППУ-Ц (Т)

Ст - труба стальная

d - диаметр стальной трубы

n - тип изоляции

ППУ - теплоизоляция из пенополиуретана

Ц - оболочка гидрозащитная стальная оцинкованная

(Т) - трубопровод теплоснабжения

 

Пример условного обозначения:

Заглушка трубопровода

Ст 57-2-ППУ-Ц (Т)

 

Код изделия

Диаметр стальной трубы d [мм]

Диаметр оцинкованной оболочки D [мм]

Толщина оцинкованной оболочки [мм]

L [мм]

L1 [мм]

Лента термоусаживаемая, [мм]

Фиксатор ленты [мм]

Ст32-2-ППУ-Ц (Т)

32

100

0,55

240

175

395

225

Ст38-2-ППУ-Ц (Т)

38

125

0,55

240

180

470

225

Ст45-2-ППУ-Ц (Т)

45

125

0,55

240

185

470

225

Ст57-2-ППУ-Ц  (Т)

57

140

0,55

240

190

525

225

Ст76-2-ППУ-Ц (Т)

76

160

0,6

260

200

590

225

Ст89-2-ППУ-Ц (Т)

89

180

0,6

260

205

650

225

Ст108-2-ППУ-Ц (Т)

108

200

0,6

260

210

740

225

Ст133-2-ППУ-Ц (Т)

133

225

0,7

280

215

820

225

Ст159-2-ППУ-Ц (Т)

159

250

0,7

280

225

900

225

Ст219-2-ППУ-Ц (Т)

219

315

0,7

300

225

1105

225

Ст273-2-ППУ-Ц (Т)

273

400

0,8

360

300

1375

225

Ст325-2-ППУ-Ц (Т)

325

450

1,0

380

320

1530

225

Ст426-2-ППУ-Ц (Т)

426

560

1,0

420

340

1905

225

Примечание.

1 .Ширина ленты 225 мм.
2.Рекомендуется окожушивать термоусаживаемую муфту оцинкованным листом.

8.3.Трубопроводы систем теплоснабжения (бесканальная прокладка)

Труба оцинкованная в полиэтиленовой оболочке

Код изделия:

Труба Ц dxs-n-ППУ-ПЭ (ТЗ)

Ц - труба стальная оцинкованная

d - диаметр стальной трубы

s - толщина стенки стальной трубы

n - тип изоляции по ГОСТ 30732

ППУ - теплоизоляция из пенополиуретана

ПЭ - оболочка гидрозащитная полиэтиленовая

(ТЗ) - трубопровод горячего водоснабжения

 

Пример условного обозначения:

Труба Ц 57х3,5-2-ППУ-ПЭ (ТЗ)

 

Код изделия

Диаметр стальной трубы d [мм]

Диаметр полиэтиленовой оболочки D [мм]

Толщина полиэтиленовой оболочки [мм]

Толщина слоя теплоизоляции [мм]

Приблизительная масса 1 метра трубы [кг]

Ц25x3-1 -ППУ-ПЭ (ТЗ)

33,5

90

3,0

26,0

3,2

Ц32x3-1-ППУ-ПЭ (ТЗ)

42,3

110

3,0

33,0

4,0

Ц40хЗ-2-ППУ-ПЭ (ТЗ)

48

125

3,0

37,0

5,2

Ц57хЗ,5-2-ППУ-ПЭ (ТЗ)

57

140

3,0

38,5

6,5

Ц76хЗ,5-2-ППУ-ПЭ (ТЗ)

76

160

3,0

39,0

8,5

Ц89х4-2-ППУ-ПЭ (ТЗ)

89

180

3,0

42,5

11,0

Ц108х4-2-ППУ-ПЭ (ТЗ)

108

200

3,2

42,8

13,3

Ц133х5-1-ППУ-ПЭ (ТЗ)

133

225

3,5

42,5

19,4

Ц159х5-1-ППУ-ПЭ (ТЗ)

159

250

3,9

41,6

23,3

Примечание. Трубы изготавливаются длиной от 6 до 12 метров.

Труба оцинкованная с усилениями полиэтиленовой оболочки

 

Код изделия:

Труба Ц dxs-n-ППУ-ПЭ-У (ТЗ)

Ц - труба стальная оцинкованная

d - диаметр стальной трубы

s - толщина стенки стальной трубы

n - тип изоляции по ГОСТ 30732

ППУ - теплоизоляция из пенополиуретана

ПЭ - оболочка гидрозащитная полиэтиленовая

У - усиления оболочки

(ТЗ) - трубопровод горячего водоснабжения

 

Пример условного обозначения:

Труба Ц 57х3,5-2-ППУ-ПЭ-У (ТЗ)

 

Код изделия

Диаметр стальной трубы d [мм]

Диаметр полиэтиленовой оболочки D [мм]

Толщина полиэтиленовой оболочки δ [мм]

Толщина слоя теплоизоляции [мм]

L1 [мм]

t [мм]

Приблизительная масса 1 метра трубы [кг]

Ц25х3-1-ППУ-ПЭ-У (ТЗ)

33,5

90

3,0

26,0

150

6

3,2

Ц32х3-1-ППУ-ПЭ-У (ТЗ)

42,3

110

3,0

33,0

150

6

4,0

Ц40х3-2-ППУ-ПЭ-У (ТЗ)

48

125

3,0

37,0

150

6

5,2

Ц57х3,5-2-ППУ-ПЭ-У (ТЗ)

57

140

3,0

38,5

150

6

7,7

Ц76х3,5-2-ППУ-ПЭ-У (ТЗ)

76

160

3,0

39

150

6

10,1

Ц89х4-2-ППУ-ПЭ-У (ТЗ)

89

180

3,0

42,5

150

6

12,0

Ц108х4-2-ППУ-ПЭ-У (ТЗ)

108

200

3,2

42,8

150

6,4

15,7

Ц133x5-1-ППУ-ПЭ-У (ТЗ)

133

225

3,5

42,5

150

7

19,4

Ц159х5-1-ППУ-ПЭ-У (ТЗ)

159

250

3,9

41,6

150

4,9

26,9

Отвод оцинкованный в полиэтиленовой оболочке

Код изделия:

Отвод Ц dxs-α-n-ППУ-ПЭ-У (ТЗ)

Ц - труба стальная оцинкованная

в - диаметр стальной трубы

s - толщина стенки стальной трубы

α - угол отвода

n - тип изоляции по ГОСТ 30732

ППУ - теплоизоляция из пенополиуретана

ПЭ - оболочка гидрозащитная полиэтиленовая

L - длина плеча отвода

(ТЗ) - трубопровод горячего водоснабжения

 

Пример условного обозначения:

Отвод Ц 57х3,5-140-2-ППУ-ПЭ-1000 (ТЗ)

 

Код изделия

Диаметр стальной трубы d [мм]

Диаметр полиэтиленовой оболочки D [мм]

Толщина полиэтиленовой оболочки [мм]

L1 [мм]

Приблизительная масса отвода [кг]

Углы 30°, 45° ,60°, 75° и 90°

L=500 [мм]

L=800 [мм]

L=1000 Гмм1

Ц25x3-1 -ППУ-ПЭ-L(ТЗ)

33,5

90

3,0

150

3,6

5,5

6,8

Ц32x3-1 -ППУ-ПЭ-L (ТЗ)

42,3

110

3,0

150

4,5

6,9

8,5

Ц40х3-2-ППУ-ПЭ-L (ТЗ)

48

125

3,0

150

5,9

9,1

11,2

Ц57х3,5-2-ППУ-ПЭ-L (ТЗ)

57

140

3,0

150

8,8

13,5

16,5

Ц76х3,5-2-ППУ-ПЭ-L (ТЗ)

76

160

3,0

150

11,7

17,8

21,8

Ц89х4-2-ППУ-ПЭ-L(ТЗ)

89

180

3,0

150

13,8

20,9

25,7

Ц108х4-2-ППУ-ПЭ-L(ТЗ)

108

200

3,2

150

18,2

27,6

33,9

Ц133x5-1 -ППУ-ПЭ-L (ТЗ)

133

225

3,5

150

22,5

34,2

41,9

Ц159x5-1 -ППУ-ПЭ-L (ТЗ)

159

250

3,9

150

-

47,6

58,3

Примечания

1. Отводы с другими длинами плеч и углами поворота поставляются на заказ.

2.Припроектировании участков теплотрассы с использованием укороченных отводов, следует учитывать технологию заделки стыковых соединений.

Отвод вертикальный оцинкованный в полиэтиленовой оболочке

Код изделия:

Отвод вертикальный Ц dxs-α-n-ППУ-ПЭ-L-B (ТЗ)

Ц - труба стальная оцинкованная

d - диаметр стальной трубы

s - толщина стенки стальной трубы

α - угол отвода

n - тип изоляции по ГОСТ 30732

ППУ - теплоизоляция из пенополиуретана

ПЭ - оболочка гидрозащитная полиэтиленовая

L - длина плеча отвода

(ТЗ) - трубопровод горячего водоснабжения

 

Пример условного обозначения:

Отвод вертикальный

Ц 57x3,5-140-2-ППУ-ПЭ-1000-В (ТЗ)

 

Код изделия

Диаметр стальной трубы d [мм]

Диаметр полиэтиленовой оболочки D [мм]

Толщина полиэтиленовой оболочки [мм]

L1[мм]

Приблизительная масса отвода [кг]

Углы 30°, 45° ,60°, 75° и 90°

L=500 [мм]

L=800 [мм]

L=1000

[мм]

Ц25x3-1-ППУ-ПЭ-L-B (ТЗ)

33,5

90

3,0

150

3,6

5,5

6,8

Ц32x3-1-ППУ-ПЭ-L-B (ТЗ)

42,3

110

3,0

150

4,5

6,9

8,5

Ц40хЗ-2-ППУ-ПЭ-L-В (ТЗ)

48

125

3,0

150

5,9

9,1

11,2

Ц57хЗ,5-2-ППУ-ПЭ-L-В (ТЗ)

57

140

3,0

150

8,8

13,5

16,5

Ц76хЗ,5-2-ППУ-ПЭ-L-В (ТЗ)

76

160

3,0

150

11,7

17,8

21,8

Ц89х4-2-ППУ-ПЭ-L-В (ТЗ)

89

180

3,0

150

13,8

20,9

25,7

Ц108х4-2-ППУ-ПЭ-L-В (ТЗ)

108

200

3,2

150

18,2

27,6

33,9

Ц133x5-1-ППУ-ПЭ-L-B (ТЗ)

133

225

3,5

150

22,5

34,2

41,9

Ц159х5-1-ППУ-ПЭ-L-В (ТЗ)

159

250

3,9

150

-

47,6

58,3

Примечания.

1. Отводы с другими длинами плеч и углами поворота поставляются на заказ.

2.При проектировании участков теплотрассы с использованием укороченных отводов следует учитывать технологию заделки стыковых соединений.

 

Z-образный элемент оцинкованный в полиэтиленовой оболочке

Код изделия:

Z-образный элемент Ц d-n-ППУ-ПЭ-Lz(T3)

Ц - труба стальная оцинкованная

d - диаметр стальной трубы

n - тип изоляции ГОСТ 30732

ППУ - теплоизоляция из пенополиуретана

ПЭ - оболочка гидрозащитная полиэтиленовая

Lz - плечо Z-образного элемента

(ТЗ) - трубопровод горячего водоснабжения

 

Пример условного обозначения:

Z-образный элемент

Ц 57-2-ППУ-ПЭ-2000 (ТЗ)

 

Код изделия

Диаметр стальной трубы d [мм]

Диаметр полиэтиленовой оболочки D [мм]

Толщина полиэтиленовой оболочки [мм]

L [мм]

Lz min/max [мм]

L1 [мм]

Ц25-1-ППУ-ПЭ-Lz (TЗ)

33,5

90

3,0

1000

500/2000

150

Ц32-1-ППУ-ПЭ-Lz (ТЗ)

42,3

110

3,0

1000

500/2000

150

Ц40-2-ППУ-ПЭ-Lz (ТЗ)

48

125

3,0

1000

500/2000

150

Ц57-2-ППУ-ПЭ-Lz (ТЗ)

57

140

3,0

1000

500/2000

150

Ц76-2-ППУ-ПЭ-Lz (ТЗ)

76

160

3,0

1000

500/2000

150

Ц89-2-ППУ-ПЭ-Lz (ТЗ)

89

180

3,0

1000

500/2000

150

Ц108-2-ППУ-ПЭ-Lz (ТЗ)

108

200

3,2

1000

500/2000

150

Ц133-1-ППУ-ПЗ-Lz (ТЗ)

133.

225

3,5

1000

600/2000

150

Ц159-1-ППУ-ПЭ-Lz (ТЗ)

159

250

3,9

1000

700/2000

150

Примечание: Z-образные элементы с другими размерами поставляются на заказ.

Переход оцинкованный в полиэтиленовой оболочке

Код изделия:

Переход Ц d1-d2-n-ППУ-ПЭ (ТЗ)

Ц - труба стальная оцинкованная

d1 - диаметр стальной трубы

d2 - диаметр стальной трубы

n - тип изоляции по ГОСТ 30732

ППУ – теплоизоляция из пенополиуретана

ПЭ - оболочка гидрозащитная полиэтиленовая

(ТЗ) - трубопровод горячего водоснабжения

 

Пример условного обозначения:

Переход

Ц 76-57-2-ППУ-ПЭ (ТЗ)

 

 

d1[мм]

Ду25

Ду32

Ду40

57

76

89

108

133

D1[мм]

90

110

125

140

160

180

200

225

d [мм]

D[мм]

n

 

 

 

 

 

 

 

 

25

90

1

 

 

 

 

 

 

 

 

32

110

1

*

 

 

 

 

 

 

 

40

125

2

*

*

 

 

 

 

 

 

57

140

2

*

*

*

 

 

 

 

 

76

160

2

 

*

*

*

 

 

 

 

89

180

2

 

*

 

*

*

 

 

 

108

200

2

 

*

 

 

*

*

 

 

133

225

1

 

*

 

 

*

*

*

 

159

250.

1

 

*

 

 

*

*

*

*

Примечание: Размер L=150 мм. Изделия с другими типоразмерами поставляются по заказу.

Неподвижная опора, оцинкованная в полиэтиленовой оболочке

Код изделия:

Неподвижная опора

Ц d-Hxs-n-ППУ-ПЭ-L (T3)

Ц - труба стальная оцинкованная

d - диаметр стальной трубы

Н - диаметр опорного фланца

S - толщина опорного фланца

n - тип изоляции по ГОСТ 30732

ППУ - теплоизоляция из пенополиуретана

ПЭ - оболочка гидрозащитная полиэтиленовая

L - общая длина неподвижной опоры

(ТЗ) - трубопровод горячего водоснабжения

 

Пример условного обозначения:

Неподвижная опора

Ц 57-235х15-2-ППУ-ПЭ-3000 (ТЗ)

 

Код изделия

Диаметр стальной трубы d [мм]

Диаметр полиэтиленовой оболочки D [мм]

Толщина полиэтиленовой оболочки [мм]

Н [мм]

S [мм]

L1 [мм]

Максимальное осевое усилие Pmax[T]

Приблизительная масса опоры L=3000мм [кг]

Ц 25-190x15-1-ППУ-ПЭ-L (ТЗ)

33,5

90

3,0

190

15

150

2,6

9,5

Ц 32-215x15-1-ППУ-ПЭ-L (ТЗ)

42,3

110

3,0

215

15

150

3,0

11,9

Ц 40-215x15-2-ППУ-ПЭ-L (ТЗ)

48

125

3,0

215

15

150

3,8

15,7

Ц 57-235x15-2-ППУ-ПЭ-L (ТЗ)

57

140

3,0

235

15

150

7,5

23,0

Ц 76-275x20-2-ППУ-ПЭ-L (ТЗ)

76

160

3,0

275

20

150

7,5

30,5

Ц 89-295х20-2-ППУ-ПЭ-L (ТЗ)

89

180

3,0

295

20

150

12,5

36,0

Ц 108-315х20-2-ППУ-ПЭ-L (ТЗ)

108

200

3,2

315

20

150

20,5

47,0

Ц 133-340x20-1-ППУ-ПЭ-L (ТЗ)

133

225

3,5

350

20

150

26,5

58,0

Ц 159-400x30-1-ППУ-ПЭ-L (ТЗ)

159

250

3,9

400

30

150

36,0

81,0

Примечание: Изделия длиной L=2000 мм рекомендуется применять совместно с разъемной конструкцией узла герметизации стыкового соединения. Изделия длиной L=3000мм рекомендуется применять совместно с неразъемной герметизирующей муфтой.

Тройник оцинкованный в полиэтиленовой оболочке

Код изделия:

Тройник Ц d1-d2-n-ППУ-ПЭ-v(TЗ)

Ст - труба стальная

d1 - диаметр магистральной трубы

d2- - диаметр ответвления

n - тип изоляции по ГОСТ 30732

ППУ - теплоизоляция из пенополиуретана

ПЭ - оболочка гидрозащитная полиэтиленовая

v - вариант изготовления тройника

(ТЗ) - трубопровод горячего водоснабжения

 

Пример условного обозначения:

Тройник Ц 76-57-2-ППУ-ПЭ-1 (ТЗ)

 

 

d2[мм]

Ду25

Ду32

Ду40

57

76

89

108

133

159

D2[мм]

90

110

125

140

160

180

200

225

250

L [мм] вариант 1

1000

1000

1000

1000

1000

1000

1500

1500

1500

L [мм] вариант 2

2000

2000

2000

2000

2000

2200

2200

2400

2500

d1[мм]

D1[мм]

n

 

 

 

 

 

 

 

 

 

Ду25

90

1

*

 

 

 

 

 

 

 

 

Ду32

110

1

*

*

 

 

 

 

 

 

 

Ду40

125

2

*

*

*

 

 

 

 

 

 

57

140

2

*

*

*

*

 

 

 

 

 

76

160

2

*

*

*

*

*

 

 

 

 

89

180

2

*

*

*

 

*

*

 

 

 

108

200.

2

*

*

*

*

*

*

*

 

 

133

225

1

*

*

*

*

*

*

*

*

 

159

250

1

*

*

*

*

*

*

*

*

*

Примечание:

1.Размер L1=150мм.
2.Изделия со стандартными патрубками (вариант 1) применять совместно с разъемной конструкцией узла герметизации стыкового соединения. Изделия с удлиненными патрубками (вариант 2) применять совместно с неразъемной герметизирующей муфтой.
3.Размер L2 рассчитывается по следующей формуле L2=L/2

 

Тройниковое ответвление оцинкованное в полиэтиленовой оболочке

Код изделия:

Тройниковое ответвление Ц d1-d2-n-ППУ-ПЭ-v (ТЗ)

Ц - труба стальная оцинкованная

d1 - диаметр магистральной трубы

d2 - диаметр ответвления

n - тип изоляции по ГОСТ 30732

ППУ - теплоизоляция из пенополиуретана

ПЭ - оболочка гидрозащитная полиэтиленовая

v - вариант изготовления

(ТЗ) - трубопровод горячего водоснабжения

 

Пример условного обозначения:

Тройниковое ответвление

Ц 76-57-2-ППУ-ПЭ-1 (ТЗ)

 

 

d2[мм]

Ду25

Ду32

Ду40

57

76

89

108

133

159

D2[мм]

90

110

125

140

160

180

200

225

250

L [мм] вариант 1

1000

1000

1000

1000

1000

1000

1500

1500

1500

L [мм] вариант 2

2000

2000

2000

2000

2000

2000

2000

2000

2000

d1[мм]

D1[мм]

 

 

 

 

 

 

 

 

 

 

Ду25

90

L2 вариант 1

L2 вариант 2

800

1200

 

 

 

 

 

 

 

 

Ду32

110

L2 вариант 1

L2 вариант 2

800

1200

800

1200

 

 

 

 

 

 

 

Ду40

125

L2 вариант 1

 L2 вариант 2

800

1200

800

1200

800

1200

 

 

 

 

 

 

57

140

L2 вариант 1

L2 вариант 2

900

1200

900

1200

900

1200

900

1200

 

 

 

 

 

76

160

L2 вариант 1

L2 вариант 2

900

1200

900

1200

900

1200

900

1200

1000

1200

 

 

 

 

89

180

L2 вариант 1

L2 вариант 2

1000

1200

1000

1200

1000

1200

1000

1200

1000

1200

1000

1200

 

 

 

108

200

L2 вариант 1

L2 вариант 2

1000

1200

1000

1200

1000

1200

1000

1200

1000

1200

1000

1200

1000

1200

 

 

133

225

L2 вариант 1

L2 вариант 2

1000

1400

1000

1400

1000

1400

1000

1400

1000

1400

1000

1400

1000

1500

1000

1500

 

159

250

L2 вариант 1

L2 вариант 2

*

1000

1400

1000

1400

1000

1400

1000

1400

1000

1400

1000

1500

1000

1500

1100

1500

Примечание: 1.Размер L1=150мм. Размер H=D1/2+D2/2+50.
2.Изделия со стандартными патрубками (вариант 1) применять совместно с разъемной конструкцией узла герметизации стыкового соединения. Изделия с удлиненными патрубками (вариант 2) применять совместно с неразъемной герметизирующей муфтой.
3.В таблице на пересечениях типоразмеров указан размер L2 для двух вариантов изготовления тройникового ответвления.

Тройник параллельный оцинкованный в полиэтиленовой оболочке

Код изделия:

Тройник параллельный Ц d1-d2-n-ППУ-ПЭ-v (ТЗ)

Ц - труба стальная оцинкованная

d1 - диаметр магистральной трубы

d2 - диаметр ответвления

n - тип изоляции по ГОСТ 30732

ППУ - теплоизоляция из пенополиуретана

ПЭ - оболочка гидрозащитная полиэтиленовая

v - вариант изготовления параллельного тройника

(ТЗ) - трубопровод горячего водоснабжения

 

Пример условного обозначения:

Тройник параллельный

Ц 76-57-2-ППУ-ПЭ-1 (ТЗ)

 

 

d2[мм]

Ду25

Ду32

Ду40

57

76

89

108

133

159

D2[мм]

90

110

125

140

160

180

200

225

250

L [мм] вариант 1

1000

1000

1000

1000

1000

1000

1500

1500

1500

L [мм] вариант 2

2000

2000

2000

2000

2000

2200

2200

2400

2500

d1[мм]

D1[мм]

Н* [мм]

 

 

 

 

 

 

 

 

 

Ду25

90

100

*

 

 

 

 

 

 

 

 

Ду32

110

100

*

*

 

 

 

 

 

 

 

Ду40

125

100

*

*

*

 

 

 

 

 

 

57

140

100

*

*

*

*

 

 

 

 

 

76

160

100

*

*

*

*

*

 

 

 

 

89

180

100

*

*

*

*

*

*

 

 

 

108

200

100

*

*

*

*

*

*

*

 

 

133

225

150

*

*

*

*

*

*

*

*

 

159

250

150

*

*

*

*

*

*

*

*

*

Примечание: 1.Размер L1=150мм. Размер H=D1/2+D2/2+H*.
2. Изделия со стандартными патрубками (вариант 1) применять совместно с разъемной конструкцией узла герметизации стыкового соединения. Изделия с удлиненными патрубками (вариант 2) применять совместно с неразъемной герметизирующей муфтой.

 

 

 

Тройник оцинкованный с шаровым краном воздушника в полиэтиленовой оболочке воздушника

Код изделия:

Тройник с шаровым краном воздушника

Ц d-d1-n-ППУ-ПЭ-L-H-(ТЗ)

Ст - труба стальная

d - диаметр магистральной трубы

d1 - диаметр воздушника

n - тип изоляции по ГОСТ 30732

ППУ - теплоизоляция из пенополиуретана

ПЭ - оболочка гидрозащитная полиэтиленовая

L - длина тройника

Н - высота воздушника

(ТЗ) - трубопровод горячего водоснабжения

 

Пример условного обозначения:

Тройник c шаровым краном воздушника

Ц 76-25-2-ППУ-ПЭ-2200-Н - (ТЗ)

 

 

d1[мм]

Ду20

Ду25

Ду32

ДУ40

D1[мм]

 

 

 

 

d [мм]

D [мм]

n

90

90

110

125

Ду25

90

1

*

 

 

 

Ду32

110

1

*

 

 

 

Ду40

125

2

*

*

 

 

57

140

2

*

*

 

 

76

160

2

*

*

*

 

89

180

2

*

*

*

 

108

200

2

*

*

*

 

133

225

1

*

*

*

 

159

250

1

*

*

*

*

Примечание: 1.Размер L1=150мм.
2.Размер Н определяется проектом.
3.Изделия длиной L=1200 применять совместно с разъемной конструкцией узла герметизации стыкового соединения. Изделия длиной L=2200 применять совместно с неразъемной герметизирующей муфтой.

 

Тройник оцинкованный с шаровым краном для спуска воды в полиэтиленовой оболочке

 

Код изделия:

Тройник с шаровым краном для спуска воды Ц d-d1-n-ППУ-ПЭ-L (ТЗ)

Ц - труба стальная оцинкованная

d - диаметр магистральной трубы

d1 - диаметр спускного крана

n - тип изоляции по ГОСТ 30732

ППУ - теплоизоляция из пенополиуретана

ПЭ - оболочка гидрозащитная полиэтиленовая

L - длина тройника

(ТЗ) - трубопровод горячего водоснабжения

 

Пример условного обозначения:

Тройник с шаровым краном для спуска воды

Ц 76-32-2-ППУ-ПЭ-1200 (ТЗ)

 

 

d1 [мм]

Ду25

Ду32

Ду40

57

76

D1 [мм]

 

 

 

 

 

d [мм]

D [мм]

n

90

110

125

140

160

Ду25

90

1

245

 

 

 

 

Ду32

110

1

250

 

 

 

 

Ду40

125

2

255

285

 

 

 

57

140

2

260

290

 

 

 

76

160

2

270

300

300

 

 

89

180

2

275

305

305

345

 

108

200

2

285

315

315

355

415

133

225

1

300

330

330

370

430

159

250

1

310

340

340

380

440

Примечание:

1.Размер L1=150мм.
2.В таблице на пересечениях типоразмеров указаны минимальные значения величины Н.
3.Изделия длиной L =1200мм применять совместно с разъемной конструкцией узла герметизации стыкового соединения. Изделия длиной L=2200мм применять совместно с неразъемной герметизирующей муфтой.

 

Кран шаровой с оцинкованными патрубками в полиэтиленовой оболочке

Код изделия:

Кран шаровой Ц d-H-n-ППУ-ПЭ-v (ТЗ)

Ц - труба стальная оцинкованная

d - диаметр шарового крана

Н - высота штока крана

n - тип изоляции по ГОСТ 30732

ППУ - теплоизоляция из пенополиуретана

ПЭ - оболочка гидрозащитная полиэтиленовая

v - вариант изготовления шарового крана

(ТЗ) - трубопровод горячего водоснабжения

Пример условного обозначения:

Кран шаровой Ц 57-1000-2-ППУ-ПЭ-1 (ТЗ)

Код изделия

d [мм]

D [мм]

D1 [мм]

Толщина полиэтиленовой оболочки [мм]

Вариант 1

Вариант 2

L2[мм]

L[мм]

L2[мм]

L[мм]

Ц25-Н-1-ППУ-ПЭ-v (ТЗ)

33,5

90

90

3,0

450

1500

800

2200

Ц32-Н-1-ППУ-ПЭ-v (ТЗ)

42,3

110

90

3,0

450

1500

800

2200

Ц40-Н-2-ППУ-ПЭ-v(ТЗ)

48

125

110

3,0

450

1500

800

2200

Ц57-Н-2-ППУ-ПЭ-v (ТЗ)

57

140

110

3,0

450

1500

800

2200

Ц76-Н-2-ППУ-ПЭ-v (ТЗ)

76

160

125

3,0

400

1500

750

2200

Ц89-Н-2-ППУ-ПЭ-v (ТЗ)

89

180

125

3,0

400

1500

750

2200

Ц108-Н-2-ППУ-ПЭ-v (ТЗ)

108

200

140

3,2

400

1500

800

2300

Ц133-Н-1-ППУ-ПЭ-v (ТЗ)

133

225

140

3,5

400

1500

800

2300

Ц15Э-Н-1-ППУ-ПЭ-v (ТЗ)

159

250

140

3,9

650

2000

800

2300

Примечание:

1.Кран шаровой со стандартными патрубками (вариант 1) применять совместно с разъемной конструкцией узла герметизации стыкового соединения. Кран шаровой с удлиненными патрубками (вариант 2) применять совместно с неразъемной герметизирующей муфтой.
2.Высота штока Н определяется проектом теплотрассы.

 

Кран шаровой с воздушником с оцинкованными патрубками в полиэтиленовой оболочке

Код изделия

Кран шаровой с воздушником Ц d-d2-H-n-ППУ-ПЭ-v (ТЗ)

Ц - труба стальная оцинкованная

d - диаметр шарового крана

d2 - диаметр воздушника

Н - высота штока крана

n - тип изоляции по ГОСТ 30732

ППУ - теплоизоляция из пенополиуретана

ПЭ - оболочка гидрозащитная полиэтиленовая

v - вариант изготовления шарового крана с воздушником

(ТЗ) - трубопровод горячего водоснабжения

 

Пример условного обозначения:

Кран шаровой с воздушником

Ц 57-25-1000-2-ППУ-ПЭ-1 (ТЗ)

 

Код изделия

d [мм]

D [мм]

D1 [мм]

Толщ. Пэ. обол [мм]

L4 [мм]

Вариант 1

Вариант 2

L2[мм]

L3 [мм]

L [мм]

L2 [мм]

L3 [мм]

L [мм]

Ц25-d2-Н-2-ППУ-ПЭ-v (ТЗ)

33,5

90

90

3,0

240

300

480

1500

650

830

2200

Ц32-d2-H-2-ППУ-ПЭ-v (ТЗ)

42,3

110

90

3,0

255

300

473

1500

650

823

2200

Ц40-d2-H-2-ППУ-ПЭ-v (ТЗ)

48

125

110

3,0

255

300

473

1500

650

823

2200

Ц57-d2-H-2-ППУ-ПЭ-v (ТЗ)

57

140

110

3,0

275

300

463

1500

650

813

2200

Ц76-d2-H-2-ППУ-ПЭ-v (ТЗ)

76

160

125

3,0

305

300

448

1500

650

798

2200

Ц89-d2-H-2-ППУ-ПЭ-v (ТЗ)

89

180

125

3,0

310

300

445

1500

650

795

2200

Ц108-d2-H-2-ППУ-ПЭ-v (ТЗ)

108

200

140

3,2

320

250

440

1500

650

840

2300

Ц133-d2-H-2-ППУ-ПЭ-v (ТЗ)

133

225

140

3,5

390

250

440

1500

650

840

2300

Ц159-d2-H-2-ППУ-ПЭ-v (T3)

159

250

140

3,9

390

500

690

2000

650

840

2300

Примечание:

1 .Размер Н определяется проектом теплотрассы.
2.Размер L1=150 мм.
3.Кран шаровой с воздушником со стандартными патрубками (вариант 1) применять совместно с разъемной конструкцией узла герметизации стыкового соединения. Кран шаровой с воздушником с удлиненными патрубками (вариант 2) применять совместно с неразъемной герметизирующей муфтой.

 

Элемент трубопровода с кабелем вывода оцинкованный в полиэтиленовой оболочке

Код изделия:

Элемент трубопровода с кабелем вывода Ц d-n-ППУ-ПЭ (ТЗ)

Ц - труба стальная оцинкованная

d - диаметр стальной трубы

n - тип изоляции

ППУ - теплоизоляция из пенополиуретана

ПЭ - оболочка гидрозащитная полиэтиленовая

(ТЗ) - трубопровод горячего водоснабжения

 

Пример кодировки:

Элемент трубопровода с кабелем вывода

Ц 57-2-ППУ-ПЭ (ТЗ)

 

Код изделия

Диаметр стальной трубы d [мм]

Диаметр полиэтиленовой оболочки D [мм]

Толщина полиэтиленовой оболочки [мм]

L1 [мм]

Ст25-1-ППУ-ПЭ (ТЗ)

33,5

90

3,0

150

Ст32-1-ППУ-ПЭ (ТЗ)

42,3

110

3,0

150

Ст40-2-ППУ-ПЭ (ТЗ)

48

125

3,0

150

Ст57-2-ППУ-ПЭ (ТЗ)

57

140

3,0

150

Ст76-2-ППУ-ПЭ (ТЗ)

76

160

3,0

150

Ст89-2-ППУ-ПЭ (ТЗ)

89

180

3,0

150

Ст108-2-ППУ-ПЭ (ТЗ)

108

200

3,2

150

Ст133-1-ППУ-ПЭ (ТЗ)

133

225

3,5

150

Ст159-1-ППУ-ПЭ (ТЗ)

159

250

3,9

150

Примечание: Длина кабеля NYM 5x1,5 - 10 метров.

Концевой элемент трубопровода с кабелем вывода оцинкованный в полиэтиленовой оболочке

Код изделия

Концевой элемент трубопровода с кабелем вывода Ц d-n-ППУ-ПЭ (ТЗ)

Ц - труба стальная оцинкованная

d - диаметр стальной трубы

n - тип изоляции по ГОСТ 30732

ППУ - теплоизоляция из пенополиуретана

ПЭ - оболочка гидрозащитная полиэтиленовая

(ТЗ) - трубопровод горячего водоснабжения

 

Пример условного обозначения:

Концевой элемент трубопровода с кабелем вывода

Ц 57-2-ППУ-ПЭ (ТЗ)

 

Код изделия

Диаметр стальной трубы d [мм]

Диаметр полиэтиленовой оболочки D[мм]

Толщина полиэтиленовой оболочки [мм]

L1 [мм]

Приблизительная масса изделия [кг]

Ц25-1-ППУ-ПЭ (ТЗ)

33,5

90

3,0

150

8,0

Ц32-1-ППУ-ПЭ (ТЗ)

42,3

110

3,0

150

9,9

Ц40-2-ППУ-ПЭ (ТЗ)

48

125

3,0

150

13,1

Ц57-2-ППУ-ПЭ (ТЗ)

57

140

3,0

150

16,3

Ц76-2-ППУ-ПЭ (ТЗ)

76

160

3,0

150

21,2

Ц89-2-ППУ-ПЭ (ТЗ)

89

180

3,0

150

27,4

Ц108-2-ППУ-ПЭ (ТЗ)

108

200

3,2

150

33,2

Ц133-1-ППУ-ПЭ {ТЗ)

133

225

3,5

150

48,5

Ц 159-1-ППУ-ПЭ (ТЗ)

159

250

3,9

150

58,3

Примечание: Длина кабеля NYM-3x1,5 - 10 метров. Изделие с другими размерами поставляется по заказу.

Концевой элемент трубопровода с торцевым кабелем вывода оцинкованный в полиэтиленовой оболочке

Код изделия

Концевой элемент трубопровода с торцевым кабелем вывода Ц d-n-ППУ-ПЭ-т (ТЗ)

Ц - труба стальная оцинкованная

d - диаметр стальной трубы

n - тип изоляции по ГОСТ 30732

ППУ - теплоизоляция из пенополиуретана

ПЭ - оболочка гидрозащитная полиэтиленовая

(ТЗ) - трубопровод горячего водоснабжения

 

Пример условного обозначения:

Концевой элемент трубопровода с торцевым кабелем вывода

Ц 57-2-ППУ-ПЭ-т (ТЗ)

 

Код изделия

Диаметр стальной трубы d d[мм]

Диаметр полиэтиленовой оболочки D [мм]

Толщина полиэтиленовой оболочки [мм]

L1 [мм]

Приблизительная масса изделия [кг]

Ц25-1-ППУ-ПЭ-т (ТЗ)

33,5

90

3,0

150

7,7

Ц32-1-ППУ-ПЭ-т (ТЗ)

42,3

110

3,0

150

9,5

Ц40-2-ППУ-ПЭ-т (ТЗ)

48

125

3,0

150

12,5

Ц57-2-ППУ-ПЭ-т (ТЗ)

57

140

3,0

150

15,6

Ц76-2-ППУ-ПЭ-т (ТЗ)

76

160

3,0

150

20,3

Ц89-2-ППУ-ПЭ-т (ТЗ)

89

180

3,0

150

26,3

Ц108-2-ППУ-ПЭ-т (ТЗ)

108

200

3,2

150

31,9

Ц133-1-ППУ-ПЭ-т (ТЗ)

133

225

3,5

150

46,6

Ц159-1-ППУ-ПЭ-т (ТЗ)

159

250

3,9

150

55,9

Примечание: Длина кабеля NYM-3x1,5 - 10 метров. Изделие с другими размерами поставляются по заказу.

Концевой элемент трубопровода оцинкованный в полиэтиленовой оболочке

Код изделия

Концевой элемент трубопровода Ц d-n-ППУ-ПЭ-v (ТЗ)

Ц - труба стальная оцинкованная

d - диаметр стальной трубы

n - тип изоляции

ППУ - теплоизоляция из пенополиуретана

ПЭ - оболочка гидрозащитная полиэтиленовая

v - вариант изготовления концевого элемента трубопровода

(ТЗ) - трубопровод горячего водоснабжения

 

Пример кодировки:

Концевой элемент трубопровода

Ц 57-2-ППУ-ПЭ-1 (ТЗ)

 

Код изделия

Диаметр стальной трубы d [мм]

Диаметр полиэтиленовой оболочки D [мм]

Толщина полиэтиленовой оболочки [мм]

Вариант 1

Вариант2

Приблизительная масса изделия L=2000 [кг]

Lмм]

L2[мм]

L [мм]

L2 [мм] 

Ц25-1-ППУ-ПЭ-v(ТЗ)

33,5

90

3,0

2000

650

1500

300

6,8

Ц32-1-ППУ-ПЭ-v(ТЗ)

42,3

110

3,0

2000

650

1500

300

7,5

Ц48-2-ППУ-ПЭ-v(ТЗ)

48

125

3,0

2000

650

1500

300

8,3

Ц57-2-ППУ-ПЭ-v(ТЗ)

57

140

3,0

2000

650

1500

300

11,6

Ц76-2-ППУ-ПЭ-v(ТЗ)

76

160

3,0

2000

650

1500

300

15,2

Ц89-2-ППУ-ПЭ-v(ТЗ)

89

180

3,0

2000

650

1500

300

18,0

Ц108-2-ППУ-ПЭ-v(ТЗ)

108

200

3,2

2000

650

1500

300

23,6

Ц133-1-ППУ-ПЭ-v(ТЗ)

133

225

3,5

2000

650

 

 

29,1

Ц159-1-ППУ-ПЭ-v(ТЗ)

159

250

3,9

2000

650

 

 

40,4

Примечание:

1.Изделия с укороченной металлической заглушкой изоляции (вариант 2) преимущественно применяются в узлах спуска воды.
2.Размер L1=150мм.

 

Заглушка трубопровода оцинкованная в полиэтиленовой оболочке

Код изделия

Заглушка трубопровода Ц d- n-ППУ-ПЭ (ТЗ)

Ц - труба стальная оцинкованная

d - диаметр стальной трубы

n - тип изоляции по ГОСТ 30732

ППУ - теплоизоляция из пенополиуретана

ПЭ - оболочка гидрозащитная полиэтиленовая

(ТЗ) - трубопровод горячего водоснабжения

Пример условного обозначения:

Заглушка трубопровода Ц 57-2-ППУ-ПЭ (ТЗ)

Код изделия

Диаметр стальной трубы d [мм]

Диаметр полиэтиленовой оболочки D [мм]

Толщина полиэтиленовой оболочки [мм]

L [мм]

L1 [мм]

Лента термоусаживаемая, [мм]

Фиксатор ленты [мм]

Ц25-1-ППУ-ПЭ(ТЗ)

33,5

90

3,0

240

175

360

225

Ц32-1-ППУ-ПЭ(ТЗ)

42,3

110

3,0

240

180

425

225

Ц40-2-ППУ-ПЭ(ТЗ)

48

125

3,0

240

185

470

225

Ц57-2-ППУ-ПЭ(ТЗ)

57

140

3,0

240

190

525

225

Ц76-2-ППУ-ПЭ(ТЗ)

76

160

3,0

260

200

590

225

Ц89-2-ППУ-ПЭ(ТЗ)

89

180

3,0

260

205

650

225

Ц108-2-ППУ-ПЭ (ТЗ)

108

200

3,2

260

210

740

225

Ц133-2-ППУ-ПЭ (ТЗ)

133

225

3,5

280

215

820

225

Ц159-2-ППУ-ПЭ (ТЗ)

159

250

3,9

280

225

900

225

Примечание: Ширина термоусаживаемой ленты 225 мм.

8.4.Трубопроводы систем горячего водоснабжения (прокладка надземная, в каналах, в подвалах зданий)

Труба оцинкованная в оцинкованной оболочке

Код изделия

Труба Ц dxs-ППУ-ПЭ-Ц (T3)

Ц - труба стальная оцинкованная

d - диаметр стальной трубы

s - толщина стенки стальной трубы

n - тип изоляции

ППУ - теплоизоляция из пенополиуретана

Ц - оболочка гидрозащитная стальная оцинкованная

(ТЗ) - трубопровод теплоснабжения

 

Пример условного обозначения:

Труба Ц 57х3,5-2-ППУ-Ц (ТЗ)

 

Код изделия

Диаметр стальной трубы d [мм]

Диаметр оцинкованной оболочки D [мм]

Толщина оцинкованной оболочки [мм]

Толщина слоя теплоизоляции [мм]

L1[мм]

Приблизительная масса 1 метра трубы [кг]

Ц25х3-2-ППУ-Ц(Т)

33,5

100

0,55

0,033

150

5,0

Ц32х3-2-ППУ-Ц(Т)

42,3

125

0,55

42,0

150

6,3

Ц40х3-2-ППУ-Ц(Т)

48

125

0,55

39,0

150

6,7

Ц57х3,5-2-ППУ-Ц(Т)

57

140

0,55

40,5

150

9,9

Ц76х3,5-2-ППУ-Ц(Т)

76

160

0,6

41,0

150

12,7

Ц89х4-2-ППУ-Ц(Т)

89

180

0,6

44,5

150

14,8

Ц108х4-2-ППУ-Ц(Т)

108

200

0,6

45,0

150

18,8

Ц133х5-1-ППУ-Ц(Т)

133

225

0,7

45,0

150

22,7

Ц159х5-1-ППУ-Ц(Т)

159

250

0,7

44,5

150

30,3

Примечание. Трубы изготавливаются длиной от 6 до 12 метров.

Отвод оцинкованный в оцинкованной оболочке

Код изделия:

Отвод Ц dxs-α-n-ППУ-Ц-L (ТЗ)

Ц - труба стальная оцинкованная

d - диаметр стальной трубы

s - толщина стенки стальной трубы

α - угол отвода

n - тип изоляции

ППУ - теплоизоляция из пенополиуретана

Ц - оболочка гидрозащитная стальная оцинкованная

L - длина плеча отвода

(ТЗ) - трубопровод теплоснабжения

 

Пример условного обозначения:

Отвод Ц57х3,5-140-2-ППУ-Ц-1000 (ТЗ)

 

Код изделия

Диаметр стальной трубы d [мм]

Диаметр оцинкованной оболочки D [мм]

Толщина оцинкованной оболочки [мм]

L1[мм]

Приблизительная масса отвода [кг]

Углы 30°, 45° ,60°, 75° и 90°

L=500 [мм]

L=800[мм]

L=1000 [мм]

Ц25х3-α-2-ППУ-Ц-L (ТЗ)

33,5

100

0,55

150

5,4

8,4

10,4

Ц32х3-α-2-ППУ-Ц-L (ТЗ)

42,3

125

0,55

150

6,8

10,5

13,0

Ц40х3-α-2-ППУ-Ц-L (ТЗ)

48

125

0,55

150

7,4

11,4

14,1

Ц57х3,5-α-2-ППУ-Ц-L (ТЗ)

57

140

0,55

150

11,0

17,0

21,0

Ц76х3,5-α-2-ППУ-Ц-L (ТЗ)

76

160

0,6

150

14,2

21,8

26,9

Ц89х4-α-2-ППУ-Ц-L (ТЗ)

89

180

0,6

150

16,6

25,5

31,5

Ц108х4-α-2-ППУ-Ц-L (ТЗ)

108

200

0,6

150

21,3

32,5

40,1

Ц133х5-α-1 -ППУ-Ц-L (ТЗ)

133

225

0,7

150

25,8

39,4

48,4

Ц159х5-α-1 -ППУ-Ц-L (ТЗ)

159

250

0,7

150

-

52,9

65,1

Примечания Отводы с другими длинами плеч и углами поворота поставляются на заказ.

Отвод вертикальный оцинкованный в оцинкованной оболочке

Код изделия:

Отвод Ц dxs-α-n-ППУ-Ц-L-B (ТЗ)

Ц - труба стальная оцинкованная

d - диаметр стальной трубы

s - толщина стенки стальной трубы

α - угол отвода

n - тип изоляции

ППУ - теплоизоляция из пенополиуретана

Ц - оболочка гидрозащитная стальная оцинкованная

L - длина плеча отвода

В - отвод вертикальный

(ТЗ) - трубопровод теплоснабжения

 

Пример условного обозначения:

Отвод Ц57х3,5-14О-2-ППУ-Ц-1000-В (ТЗ)

 

Код изделия

Диаметр стальной трубы d [мм]

Диаметр оцинкованной оболочки D [мм]

Толщина оцинкованной оболочки

[мм]

Приблизительная масса отвода [кг]

L=500 [мм]

L=800 [мм]

L=1000 [мм]

Ц 25х3-α-2-ППУ-Ц-L-В (ТЗ)

33,5

100

0,55

5,4

8,4

10,4

Ц 32х3-α-2-ППУ-Ц-L-В (ТЗ)

42,3

125

0,55

6,8

10,5

13,0

Ц 40х3-α-2-ППУ-Ц-L-В (ТЗ)

48

125

0,55

7,4

11,4

14,1

Ц 57х3,5-α-2-ППУ-Ц-L-В (ТЗ)

57

140

0,55

8,8

13,5

16,5

Ц 76x3,5-α-2-ППУ-Ц-L-В (ТЗ)

76

160

0,6

11,7

17,8

21,8

Ц 89х4-α-2-ППУ-Ц-L-В (ТЗ)

89

180

0,6

13,8

20,9

25,7

Ц 108х4-α-2-ППУ-Ц-L-В (ТЗ)

108

200

0,6

18,2

27,6

33,9

Ц 133х5-α-1-ППУ-Ц-L-В (ТЗ)

133

225

0,7

22,5

34,2

41,9

Ц 159х5-α-1-ППУ-Ц-L-В(ТЗ)

159

250

0,7

-

47,6

58,3

Примечания Отводы с другими длинами плеч и углами поворота поставляются на заказ.

Z-образный элемент оцинкованный в оцинкованной оболочке

Код изделия:

Z-образный элемент Ц d-n-ППУ-Ц-Lz (ТЗ)

Ц - труба стальная оцинкованная

d - диаметр стальной трубы

n - тип изоляции

ППУ - теплоизоляция из пенополиуретана

Ц - оболочка гидрозащитная стальная оцинкованная

Lz - плечо Z-образного элемента

(ТЗ) - трубопровод теплоснабжения

Пример условного обозначения:

Z-образный элемент Ц57-2-ППУ-Ц-2000 (ТЗ)

Код изделия

Диаметр стальной трубы d [мм]

Диаметр оцинкованной оболочки D[мм]

Толщина оцинкованной оболочки [мм]

L [мм]

Lz min/max [мм]

Приблизительная масса Z-элемента [кг]

Ц25-2-ППУ-Ц-Lz (ТЗ)

33,5

100

0,55

1000

500/2000

7,9

Ц32-2-ППУ-Ц-Lz (ТЗ)

42,3

125

0,55

1000

500/2000

8,6

Ц40-2-ППУ-Ц-Lz (ТЗ)

48

125

0,55

1000

500/2000

9,4

Ц57-2-ППУ-Ц-Lz (ТЗ)

57

140

0,55

1000

500/2000

12,4

Ц76-2-ППУ-Ц-Lz (ТЗ)

76

160

0,6

1000

500/2000

15,9

Ц89-2-ППУ-Ц-Lz (ТЗ)

89

180

0,6

1000

500/2000

18,5

Ц108-2-ППУ-Ц-Lz (ТЗ)

108

200

0,6

1000

500/2000

25,4

Ц133-1-ППУ-Ц-Lz (ТЗ)

133

225

0,7

1000

600/2000

39,7

Ц159-1-ППУ-Ц-Lz (ТЗ)

159

250

0,7

1000

700/2000

54,5

Примечание: Z-образные элементы с другими размерами поставляются на заказ.

Переход оцинкованный в оцинкованной оболочке

Код изделия:

Переход Ц d1-d2-n-ППУ-Ц (ТЗ)

Ц - труба стальная оцинкованная

d1 - диаметр стальной трубы

d2 - диаметр стальной трубы

n - тип изоляции

ППУ - теплоизоляция из пенополиуретана

ПЭ - оболочка гидрозащитная стальная оцинкованная

(ТЗ) - трубопровод теплоснабжения

 

Пример условного обозначения:

Переход Ц 76-57-2-ППУ-Ц (ТЗ)

 

 

d1[мм]

Ду25

Ду32

Ду40

57

76

89

108

133

159

D2[мм]

 

 

 

 

 

 

 

 

 

d[мм]

D[мм]

N

100

125

125

140

160

180

200

225

250

Ду25

100

2

 

 

 

 

 

 

 

 

 

Ду32

125

2

*

 

 

 

 

 

 

 

 

ДУ40

125

2

*

*

 

 

 

 

 

 

 

57

140

2

*

*

*

 

 

 

 

 

 

76

160

2

 

*

*

*

 

 

 

 

 

89

180

2

 

 

*

*

*

 

 

 

 

108

200

2

 

 

 

*

*

*

 

 

 

133

225

1

 

 

 

*

*

*

*

 

 

159

250

1

 

 

 

*

*

*

*

*

 

Примечание: Размер L=150мм.

Неподвижная опора оцинкованная в оцинкованной оболочке

Код изделия:

Неподвижная опора Ц d-Hxs-n-ППУ-Ц (ТЗ)

Ц - труба стальная оцинкованная

d - диаметр стальной трубы

Н - размер опорного фланца

s - толщина опорного фланца

n - тип изоляции

ППУ - теплоизоляция из пенополиуретана

Ц - оболочка гидрозащитная стальная оцинкованная

(ТЗ) - трубопровод теплоснабжения

 

Пример условного обозначения:

Неподвижная опора

Ц 57-235х15-2-ППУ-Ц (ТЗ)

 

Код изделия

Диаметр стальной трубы d [мм]

Диаметр оцинкованной оболочки D[мм]

Толщина оцинкованной оболочки

[мм]

Н[мм]

s [мм]

L[мм]

Максимальное осевое усилие

Рmax[T]

Приблизительная масса опоры [кг]

Ц 25-200x15-2-ППУ-Ц (ТЗ)

33,5

100

0,55

190

15

150

2,6

22,8

Ц 32-200x15-2-ППУ-Ц (ТЗ)

42,3

125

0,55

215

15

150

3,0

25,4

Ц 40-210x15-2-ППУ-Ц (ТЗ)

48

125

0,55

215

15

150

3,8

26,4

Ц 57-235x15-2-ППУ-Ц (ТЗ)

57

140

0,55

235

15

150

7,5

23,0

Ц 76-275х20-2-ППУ-Ц (ТЗ)

76

160

0,6

275

20

150

7,5

30,5

Ц 89-295х20-2-ППУ-Ц (ТЗ)

89

180

0,6

295

20

150

12,5

36,0

Ц 108-315х20-2-ППУ-Ц (ТЗ)

108

200

0,6

315

20

150

20,5

40,0

Ц 133-340х20-2-ППУ-Ц (ТЗ)

133

225

0,6

350

20

150

26,5

48,0

Ц 159-400х30-2-ППУ-Ц (ТЗ)

159

250

0,6

400

30

150

36,0

81,0

 

Неподвижная опора с торцевым кабелем вывода оцинкованная в оцинкованной оболочке

Код изделия:

Неподвижная опора с торцевым кабелем вывода Ц d-Hxs-n-ППУ-Ц-КВ (ТЗ)

Ц - труба стальная оцинкованная

d - диаметр стальной трубы

Н - размер опорного фланца

s - толщина опорного фланца

n - тип изоляции

ППУ - теплоизоляция из пенополиуретана

Ц - оболочка гидрозащитная стальная оцинкованная

(ТЗ) - трубопровод теплоснабжения

 

Пример условного обозначения:

Неподвижная опора с торцевым кабелем вывода

Ц 57-235х15-2-ППУ-Ц-КВ (ТЗ)

 

Код изделия

Диаметр стальной трубы d [мм]

Диаметр оцинкованной оболочки D [мм]

Толщина оцинкованной оболочки

[мм]

Н [мм]

s

[мм]

L1 [мм]

Максимальное осевое усилие Pmax[T]

Приблизительная масса опоры [кг]

Ц 25-200х15-2-ППУ-Ц-КВ (ТЗ)

33,5

100

0,55

190

15

150

2,6

22,8

Ц 32-200x15-2-ППУ-Ц-КВ (ТЗ)

42,3

125

0,55

215

15

150

3,0

25,4

Ц 40-210x15-2-ППУ-Ц-КВ (ТЗ)

48

125

0,55

215

15

150

3,8

26,4

Ц 57-235х15-2-ППУ-Ц-КВ (ТЗ)

57

140

0,55

235

15

150

7,5

23,0

Ц 76-275х20-2-ППУ-Ц-КВ (ТЗ)

76

160

0,6

275

20

150

7,5

30,5

Ц 89-295х20-2-ППУ-Ц-КВ (ТЗ)

89

180

0,6

295

20

150

12,5

36,0

Ц 108-315х20-2-ППУ-Ц-КВ (ТЗ)

108

200

0,6

315

20

150

20,5

40,0

Ц 133-340х20-2-ППУ-Ц-КВ (ТЗ)

133

225

0,7

350

20

150

26,5

48,0

Ц 159-400х30-2-ППУ-Ц-КВ (ТЗ)

159

250

0,7

400

30

150

36,0

81,0

Примечание:

1 .Кабель NYM 5x1,5 - 10 метров.
2.Размер L= 150 мм.

 

Направляющая опора оцинкованная в оцинкованной оболочке

Код изделия:

Направляющая опора Ц d-H-n-ППУ-Ц (ТЗ)

Ц - труба стальная оцинкованная

d - диаметр стальной трубы

Н - диаметр направляющего фланца

n - тип изоляции

ППУ - теплоизоляция из пенополиуретана

Ц - оболочка гидрозащитная стальная оцинкованная

(ТЗ) - трубопровод теплоснабжения

 

Пример условного обозначения:

Направляющая опора

Ц 57-235-2-ППУ-Ц (ТЗ)

 

Код изделия

Диаметр стальной трубы d [мм]

Диаметр оцинкованной оболочки D[мм]

Толщина оцинкованной оболочки [мм]

Н [мм]

Приблизительная масса опоры [кг]

Ц25-130-2-ППУ-Ц (ТЗ)

33,5

100

0,55

130

22,8

Ц32-160-2-ППУ-Ц (ТЗ)

42,3

125

0,55

160

25,4

Ц40-160-2-ППУ-Ц (ТЗ)

48

125

0,55

160

26,4

Ц57-198-2-ППУ-Ц (ТЗ)

57

140

0,55

198

23,0

Ц76-220-2-ППУ-Ц (ТЗ)

76

160

0,6

220

30,5

Ц89-220-2-ППУ-Ц (ТЗ)

89

180

0,6

220

36,0

Ц108-248-2-ППУ-Ц (ТЗ)

108

200

0,6

248

47,0

Ц133-248-2-ППУ-Ц (ТЗ)

133

225

0,7

248

58,0

Ц159-300-2-ППУ-Ц (ТЗ)

159

250

0,7

300

81,0

Примечание: 1.Совместно с элементом направляющей опорой используется неподвижный элемент направляющей опоры, приведенный в разделе 8.5.
2.Размер L1 = 150 мм.

Направляющая опора с торцевым кабелем вывода оцинкованная в оцинкованной оболочке

Код изделия:

Направляющая опора с торцевым кабелем вывода Ц d-H-n-ППУ-Ц-КВ (ТЗ)

Ц - труба стальная оцинкованная

d - диаметр стальной трубы

Н - диаметр направляющего фланца

n - тип изоляции

ППУ - теплоизоляция из пенополиуретана

Ц - оболочка гидрозащитная стальная оцинкованная

(ТЗ) - трубопровод теплоснабжения

 

Пример условного обозначения:

Направляющая опора с торцевым кабелем вывода

Ц 57-235-2-ППУ-Ц-КВ (ТЗ)

 

Код изделия

Диаметр стальной трубы d [мм]

Диаметр оцинкованной оболочки D [мм]

Толщина оцинкованной оболочки [мм]

Н[мм]

Приблизительная масса опоры [кг]

Ц25-130-2-ППУ-Ц-КВ (ТЗ)

33,5

100

0,55

130

22,8

Ц32-160-2-ППУ-Ц-КВ (ТЗ)

42,3

125

0,55

160

25,4

Ц40-160-2-ППУ-Ц-КВ (ТЗ)

48

125

0,55

160

26,4

Ц57-198-2-ППУ-Ц-КВ(ТЗ)

57

140

0,55

198

23,0

Ц76-220-2-ППУ-Ц-КВ (ТЗ)

76

160

0,6

220

30,5

Ц89-220-2-ППУ-Ц-КВ (ТЗ)

89

180

0,6

220

36,0

Ц108-248-2-ППУ-Ц-КВ (ТЗ)

108

200

0,6

248

47,0

Ц133-248-2-ППУ-Ц-КВ (ТЗ)

133

225

0,7

248

58,0

Ц159-300-2-ППУ-Ц-КВ (ТЗ)

159

250

0,7

300

81,0

Примечание: 1.Совместно с направляющей опорой используется неподвижный элемент направляющей опоры, приведенный в разделе 8.5.
2.Размер L1 = 150 мм.

Тройник оцинкованный в оцинкованной оболочке

Код изделия:

Тройник Ц d1-d2-n-ППУ-Ц (ТЗ)

Ц - труба стальная оцинкованная

d1 - диаметр магистральной трубы

d2 - диаметр ответвления

n - тип изоляции

ППУ - теплоизоляция из пенополиуретана

Ц - оболочка гидрозащитная стальная оцинкованная

(ТЗ) - трубопровод теплоснабжения

 

Пример условного обозначения:

Тройник Ц 76-57-2-ППУ-Ц (ТЗ)

 

 

d1[мм]

Ду25

Ду32

Ду40

57

76

89

108

133

159

D1[мм]

 

 

 

 

 

 

 

 

 

d[мм]

D[мм]

n

100

125

125

140

160

180

200

225

250

Ду25

100

2

*

 

 

 

 

 

 

 

 

Ду32

125

2

*

*

 

 

 

 

 

 

 

Ду40

125

2

*

*

*

 

 

 

 

 

 

57

140

2

*

*

*

*

 

 

 

 

 

76

160

2

*

*

*

*

*

 

 

 

 

89

180

2

*

*

*

*

*

*

 

 

 

108

200

2

*

*

*

*

*

*

*

 

 

133

225

1

*

*

*

*

*

*

*

*

 

159

250

1

*

*

*

*

*

*

*

*

*

Примечание: Размер L1=150мм.

Тройниковое ответвление оцинкованное в оцинкованной оболочке

Код изделия:

Тройниковое ответвление Ц d1-d2-п-ППУ-Ц (ТЗ)

Ц - труба стальная оцинкованная

d1 - диаметр магистральной трубы

d2 - диаметр ответвления

n - тип изоляции

ППУ - теплоизоляция из пенополиуретана

Ц - оболочка гидрозащитная стальная оцинкованная

(ТЗ) - трубопровод теплоснабжения

 

Пример условного обозначения:

Тройниковое ответвление Ц 76-57-2-ППУ-Ц (ТЗ)

 

 

d2[мм]

Ду25

Ду32

Ду40

57

76

89

108

133

159

D2[мм]

100

125

125

140

160

180

200

225

250

L [мм]

1000

1000

1000

1000

1000

1000

1500

1500

1500

d1[мм]

D1[мм]

n[мм]

 

 

 

 

 

 

 

 

 

Ду25

100

2

1000

 

 

 

 

 

 

 

 

Ду32

125

2

1000

1000

 

 

 

 

 

 

 

Ду40

125

2

1000

1000

1000

 

 

 

 

 

 

57

140

2

1000

1000

1000

1000

 

 

 

 

 

76

160

2

1000

1000

1000

1000

1000

 

 

 

 

89

180

2

1000

1000

1000

1000

1000

1000

 

 

 

108

200

2

1000

1000

1000

1000

1000

1000

1000

 

 

133

225

1

1000

1000

1000

1000

1000

1000

1000

1000

 

159

250

1

*

1000

1000

1000

1000

1000

1000

1000

1000

Примечание: 1.Размер L1=150мм. Размер Н= D1/2+D2/2+50
2.В таблице на пересечениях типоразмеров указана величина L2.

Тройник параллельный оцинкованный в оцинкованной оболочке

Код изделия:

Тройник параллельный Ц-d1-d2-n-ППУ-Ц (ТЗ)

Ц - труба стальная оцинкованная

d1 - диаметр магистральной трубы

d2 - диаметр ответвления

n - тип изоляции

ППУ - теплоизоляция из пенополиуретана

Ц - оболочка гидрозащитная стальная оцинкованная

(ТЗ) - трубопровод теплоснабжения

Пример условного обозначения:

Тройник параллельный Ц 76-57-2-ППУ-Ц (ТЗ)

 

d2 [мм]

Ду25

Ду32

Ду40

57

76

89

108

133

159

D2[мм]

100

125

125

140

160

180

200

225

250

L[мм]

1000

1000

1000

1000

1000

1000

1500

1500

1500

d1[мм]

D1[мм]

n[мм]

 

 

 

 

 

 

 

 

 

Ду25

100

100

*

 

 

 

 

 

 

 

 

Ду32

125

100

*

*

 

 

 

 

 

 

 

ДУ40

125

100

*

*

*

 

 

 

 

 

 

57

140

100

*

*

*

*

 

 

 

 

 

76

160

100

*

*

*

*

*

 

 

 

 

89

180

100

*

*

*

*

*

*

 

 

 

108

200

100

*

*

*

*

*

*

*

 

 

133

225

150

*

*

*

*

*

*

*

*

 

159

250

150

*

*

*

*

*

*

*

*

*

Примечание: Размер L1=150мм. Размер H=D1/2+D2/2+H*

Тройник с шаровым краном воздушника оцинкованный в оцинкованной оболочке

Код изделия:

Тройник с шаровым краном воздушника Ц d-d1-n-ППУ-Ц (ТЗ)

Ц - труба стальная оцинкованная

d - диаметр магистральной трубы

d1 - диаметр воздушника

n - тип изоляции

ППУ - теплоизоляция из пенополиуретана

Ц - оболочка гидрозащитная стальная оцинкованная

(ТЗ) - трубопровод теплоснабжения

 

Пример условного обозначения:

Тройник с шаровым краном воздушника

Ц 76-25-2-ППУ-Ц (ТЗ)

 

 

d1[мм]

Ду25

Ду32

Ду40

D1[мм]

 

 

 

d[мм]

D[мм]

n

100

100

125

Ду25

100

2

320

 

 

Ду32

125

2

335

 

 

Ду40

125

2

340

 

 

57

140

2

345

 

 

76

160

2

355

350

 

89

180

2

365

360

 

108

200

2

375

370

 

133

225

1

385

380

380

159

250

1

400

395

395

Примечание: 1.Размер L1=150мм.
2.На пересечениях типоразмеров указаны минимальные значения высоты воздушника Н.

Тройник с шаровым краном для спуска воды оцинкованный в оцинкованной оболочке

Код изделия:

Тройник с шаровым краном для спуска воды Ц d-d1-n-ППУ-Ц (ТЗ)

Ц - труба стальная оцинкованная

d - диаметр магистральной трубы

d1 - диаметр спускного крана

n - тип изоляции

ППУ - теплоизоляция из пенополиуретана

Ц - оболочка гидрозащитная стальная оцинкованная

(ТЗ) - трубопровод теплоснабжения

Пример условного обозначения:

Тройник с шаровым краном для спуска воды Ц 76-25-2-ППУ-Ц (ТЗ)

 

d1[мм]

Ду25

Ду32

Ду40

57

76

D1[мм]

100

125

125

140

160

d[мм]

D[мм]

n

 

 

 

 

 

Ду25

100

2

245

 

 

 

 

Ду32

125

2

250

280

 

 

 

Ду40

125

2

255

285

 

 

 

57

140

2

260

290

 

 

 

76

160

2

270

300

300

 

 

89

180

2

275

305

305

345

 

108

200

2

285

315

315

355

 

133

225

1

30

330

330

370

430

159

250

1

310

340

340

380

440

Примечание: 1.Размер L1=150мм.
2.В таблице на пересечениях типоразмеров указаны минимальные значения размера Н.

Кран шаровой с оцинкованными патрубками в оцинкованной оболочке

Код изделия:

Кран шаровой Ц d-n-ППУ-Ц (ТЗ)

Ц - труба стальная оцинкованная

d - диаметр шарового крана

n - тип изоляции

ППУ - теплоизоляция из пенополиуретана

Ц - оболочка гидрозащитная стальная оцинкованная

(ТЗ) - трубопровод теплоснабжения

 

Пример условного обозначения:

Кран шаровой Ц 57-2-ППУ-Ц (ТЗ)

 

Код изделия

d [мм]

D [мм]

D1 [мм]

Толщина оцинкованной оболочки [мм]

L2[мм]

L[мм]

Н min [мм]

Ц25-2-ППУ-Ц (ТЗ)

33,5

100

90

0,55

450

1500

133

Ц32-2-ППУ-Ц (ТЗ)

42,3

125

90

0,55

450

1500

137

Ц40-2-ППУ-Ц (ТЗ)

48

125

110

0,55

450

1500

158

Ц57-2-ППУ-Ц (ТЗ)

57

140

110

0,55

450

1500

164

Ц76-2-ППУ-Ц (ТЗ)

76

160

125

0,6

400

1500

164

Ц89-2-ППУ-Ц (ТЗ)

89

180

125

0,6

400

1500

174

Ц108-2-ППУ-Ц (ТЗ)

108

200

140

0,6

400

1500

212

Ц133-1-ППУ-Ц (ТЗ)

133

225

140

0,7

400

1500

221

Ц159-1-ППУ-Ц (ТЗ)

159

250

140

0,7

650

2000

245

Примечание: Размер L1=150

 

Кран шаровой с воздушником с оцинкованными патрубками в оцинкованной оболочке

Код изделия:

Кран шаровой с воздушником Ц d-d2-n-ППУ-Ц(ТЗ)

Ц - труба стальная оцинкованная

d - диаметр шарового крана

d2 - диаметр воздушника

n - тип изоляции

ППУ - теплоизоляция из пенополиуретана

Ц - оболочка гидрозащитная стальная оцинкованная

(ТЗ) - трубопровод теплоснабжения

 

Пример условного обозначения:

Кран шаровой с воздушником

Ц 57-25-2-ППУ-Ц (ТЗ)

 

Код изделия

d

[мм]

D

[мм]

D1

[мм]

Толщина оцинкованной оболочки [мм]

L4

[мм]

L2

[мм]

L3

[мм]

L

[мм]

Hmin

[мм]

Ц25-d2-2-ППУ-Ц (ТЗ)

33,5

100

90

0,55

240

300

480

1500

133

Ц32-d2-2-ППУ-Ц (ТЗ)

42,3

125

90

0,55

255

300

473

1500

137

Ц40-d2-2-ППУ-Ц (ТЗ)

48

125

110

0,55

255

300

473

1500

158

Ц57-d2-2-ППУ-Ц (ТЗ)

57

140

110

0,55

275

300

463

1500

164

Ц76-d2-2-ППУ-Ц (ТЗ)

76

160

125

0,6

305

300

448

1500

164

Ц89-d2-2-ППУ-Ц (ТЗ)

89

180

125

0,6

310

300

445

1500

174

Ц108-d2-2-ППУ-Ц (ТЗ)

108

200

140

0,6

320

250

440

1500

212

Ц133-d2-2-ППУ-Ц (ТЗ)

133

225

140

0,7

390

250

440

1500

221

Ц159-d2-2-ППУ-Ц (ТЗ)

159

250

140

0,7

390

500

690

2000

245

Примечание: Размер L1=150ммы.

Элемент трубопровода с кабелем вывода оцинкованный в оцинкованной оболочке

Код изделия:

Элемент трубопровода с кабелем вывода Ц d-n-ППУ-Ц (ТЗ)

Ц - труба стальная оцинкованная

d - диаметр стальной трубы

n - тип изоляции

ППУ - теплоизоляция из пенополиуретана

Ц - оболочка гидрозащитная стальная оцинкованная

(ТЗ) - трубопровод теплоснабжения

 

Пример условного обозначения:

Элемент трубопровода с кабелем вывода

Ц 57-2-ППУ-Ц (ТЗ)

 

Код изделия

Диаметр стальной трубы d [мм]

Диаметр оцинкованной оболочки D [мм]

Толщина оцинкованной оболочки [мм]

Приблизительная масса изделия [кг]

Ц25-2-ППУ-Ц (ТЗ)

33,5

100

0,55

3,7

Ц32-2-ППУ-Ц (ТЗ)

42,3

125

0,55

4,5

Ц40-2-ППУ-Ц (ТЗ)

48

125

0,55

5,7

Ц57-2-ППУ-Ц (ТЗ)

57

140

0,55

7,0

Ц76-2-ППУ-Ц (ТЗ)

76

160

0,6

9,0

Ц89-2-ППУ-Ц (ТЗ)

89

180

0,6

11,5

Ц108-2-ППУ-Ц (ТЗ)

108

200

0,6

14,0

Ц133-1-ППУ-Ц (ТЗ)

133

225

0,7

19,4

Ц 159-1-ППУ-Ц (ТЗ)

159

250

0,7

23,3

Примечание: 1.Длина кабеля NYM 5x1,5 - 10 метров. Размер L=150мм.
2.Размер L=150 мм.

Концевой элемент с торцевым кабелем вывода оцинкованный в оцинкованной оболочке

Код изделия

Концевой элемент трубопровода с торцевым кабелем вывода Ц d-n-ППУ-Ц-т (ТЗ)

Ц - труба стальная оцинкованная

d - диаметр стальной трубы

n - тип изоляции

ППУ - теплоизоляция из пенополиуретана

Ц - оболочка гидрозащитная стальная оцинкованная

(ТЗ) - трубопровод теплоснабжения

 

Пример условного обозначения:

Концевой элемент трубопровода с торцевым кабелем вывода

Ц 57-2-ППУ-Ц-т (ТЗ)

 

Код изделия

Диаметр стальной трубы d [мм]

Диаметр оцинкованной оболочки D [мм]

Толщина оцинкованной оболочки [мм]

Приблизительная масса изделия [кг]

Ц25-2-ППУ-Ц-т (ТЗ)

33,5

100

0,55

7,0

Ц32-2-ППУ-Ц-т (ТЗ)

42,3

125

0,55

7,8

Ц48-2-ППУ-Ц-т (ТЗ)

48

125

0,55

8,5

Ц57-2-ППУ-Ц-т (ТЗ)

57

140

0,55

11,9

Ц76-2-ППУ-Ц-т (ТЗ)

76

160

0,6

17,8

Ц89-2-ППУ-Ц-т (ТЗ)

89

180

0,6

22,6

Ц108-2-ППУ-Ц-т (ТЗ)

108

200

0,6

23,4

Ц133-1-ППУ-Ц-т (ТЗ)

133

225

0,7

36,4

Ц 159-1-ППУ-Ц-т (ТЗ)

159

250

0,7

37,8

Примечание: 1.Длина кабеля NYM-3x1,5 - 10 метров.
2.Размер кабеля L1=150 мм.

Концевой элемент трубопровода с кабелем вывода оцинкованный в оцинкованной оболочке

Код изделия

Концевой элемент трубопровода с кабелем вывода Ц d-n-ППУ-Ц (ТЗ)

Ц - труба стальная оцинкованная

d - диаметр стальной трубы

n - тип изоляции

ППУ - теплоизоляция из пенополиуретана

Ц - оболочка гидрозащитная стальная оцинкованная

(ТЗ) - трубопровод теплоснабжения

 

Пример условного обозначения:

Концевой элемент трубопровода с кабелем вывода

Ц 57-2-ППУ-Ц (ТЗ)

 

Код изделия

Диаметр стальной трубы d [мм]

Диаметр оцинкованной оболочки D [мм]

Толщина оцинкованной оболочки

[мм]

L [мм]

L2 [мм]

Приблизительная масса изделия [кг]

Ц25-2-ППУ-Ц (ТЗ)

33,5

100

0,55

1600

1000

10,2

Ц32-2-ППУ-Ц (ТЗ)

42,3

125

0,55

1600

1000

11,4

Ц40-2-ППУ-Ц(ТЗ)

48

125

0,55

1600

1000

14,8

Ц57-2-ППУ-Ц (ТЗ)

57

140

0,55

1600

1000

19,2

Ц76-2-ППУ-Ц (ТЗ)

76

160

0,6

1600

1000

25,3

Ц89-2-ППУ-Ц (ТЗ)

89

180

0,6

1600

1000

29,9

Ц108-2-ППУ-Ц (ТЗ)

108

200

0,6

1600

1000

39,3

Ц133-1-ППУ-Ц (ТЗ)

133

225

0,7

1800

1100

48,5

Ц159-1-ППУ-Ц (ТЗ)

159

250

0,7

1800

1100

67,3

Примечание: Длина кабеля NYM-3x1,5 - 10 метров. Размер L1= 150 мм.

Концевой элемент трубопровода оцинкованный в оцинкованной оболочке

Код изделия:

Концевой элемент трубопровода Ц d-n-ППУ-Ц(ТЗ)

Ц - труба стальная оцинкованная

d - диаметр стальной трубы

n - тип изоляции

ППУ - теплоизоляция из пенополиуретана

Ц - оболочка гидрозащитная стальная оцинкованная

(ТЗ) - трубопровод теплоснабжения

 

Пример условного обозначения:

Концевой элемент трубопровода

Ц 57-2-ППУ-Ц (ТЗ)

 

Код изделия

Диаметр стальной трубы d [мм]

Диаметр оцинкованной оболочки D [мм]

Толщина оцинкованной оболочки [мм]

Приблизительная масса заглушки [кг]

Ц25-2-ППУ-Ц (ТЗ)

33,5

100

1,0

7,0

Ц32-2-ППУ-Ц (ТЗ)

42,3

125

1,0

7,6

Ц40-2-ППУ-Ц (ТЗ)

48

125

1,0

8,8

Ц57-2-ППУ-Ц (ТЗ)

57

140

1,0

11,9

Ц76-2-ППУ-Ц (ТЗ)

76

160

1,0

17,8

Ц89-2-ППУ-Ц (ТЗ)

89

180

1,0

22,6

Ц108-2-ППУ-Ц (ТЗ)

108

200

1,0

23,4

Ц133-1-ППУ-Ц (ТЗ)

133

225

1,0

36,4

Ц159-1-ППУ-Ц (ТЗ)

159

250

1,0

37,8

Примечание: Размер L = 150 мм.

Заглушка трубопровода оцинкованная в оцинкованной оболочке

Код изделия

Заглушка трубопровода Ц d-n-ППУ-Ц (ТЗ)

Ц - труба стальная оцинкованная

d - диаметр стальной трубы

n - тип изоляции

ППУ - теплоизоляция из пенополиуретана

Ц - оболочка гидрозащитная стальная оцинкованная

(ТЗ) - трубопровод теплоснабжения

 

Пример условного обозначения:

Заглушка трубопровода

Ц 57-2-ППУ-Ц (ТЗ)

 

Код изделия

Диаметр стальной трубы d [мм]

Диаметр оцинкованной оболочки D [мм]

Толщина оцинкованной оболочки [мм]

L[мм]

L1 [мм]

Лента термоусаживаемая, [мм]

Фиксатор ленты

[мм]

Ц25-2-ППУ-Ц (ТЗ)

33,5

100

0,55

240

175

395

225

Ц32-2-ППУ-Ц (ТЗ)

42,3

125

0,55

240

180

470

225

Ц40-2-ППУ-Ц (ТЗ)

48

125

0,55

240

185

470

225

Ц57-2-ППУ-Ц (ТЗ)

57

140

0,55

240

190

525

225

Ц76-2-ППУ-Ц (ТЗ)

76

160

0,6

260

200

590

225

Ц89-2-ППУ-Ц (ТЗ)

89

180

0,6

260

205

650

225

Ц108-2-ППУ-Ц (ТЗ)

108

200

0,6

260

210

740

225

Ц133-2-ППУ-Ц (ТЗ)

133

225

0,7

280

215

820

225

Ц159-2-ППУ-Ц (ТЗ)

159

250

0,7

280

225

900

225

Примечание. 1.Ширина термоусаживаемой ленты 225 мм.
2.Рекомендуется окожушивать термоусаживаемую ленту оцинкованным листом.

8.5. Дополнительные комплектующие

Комплект материалов для заделки стыка «SUPERCASE»

 

Коды материалов комплекта:

Наименование

Поз.1. Кожух

Поз.2. Адгезивная лента

Поз.3. Центратор

Поз.4. Полиэтиленовая пробка

Поз.5. Заплатка

Поз.6. Крепежная лента

 

Код изделия

Наружный диаметр стальной трубы d [мм]

Наружный диаметр гидрозащитной оболочки трубопровода D [мм]

Длина кожуха поз.1 [мм]

Количество полиола на один стык[кг/л]

Количество изоционата на один стык [кг/л]

Количество комплектующих на один стык

Поз.1 [шг]

Поз.2 [мм]

Поз.3 [шт]

Поз.4 [шт]

Поз.5 [шт]

Поз.6 [м]

ППУ ПЭ З2-SC

32

90

500

0,12

0,11

0,16

0,13

1

2x315

-

2

2

-

ППУ ПЭ З8-SC

38

110

500

0,13

0,12

0,18

0,15

1

2x380

-

2

2

-

ППУ ПЭ 45-SС

45

125

500

0,15

0,14

0,25

0,20

1

2x430

-

2

2

-

ППУ ПЭ 57-SС

57

140

500

0,18

0,17

0,29

0,24

1

2x480

-

2

2

-

ППУ ПЭ 76-SС

76

160

500

0,23

0,22

0,37

0,30

1

2x550

4

2

2

-

ППУ ПЭ 89-SС

89

180

700

0,31

0,29

0,49

0,40

1

2x610

4

2

2

-

ППУ ПЭ 108 SC

108

200

700

0,34

0,32

0,54

0,44

1

2x675

4

2

2

-

ППУ ПЭ 133 SC

133

225

700

0,39

0,38

0,63

0,51

1

2x755

4

2

2

-

ППУ ПЭ 159-SС

159

250

700

0,43

0,40

0,69

0,56

1

2x835

4

2

2

-

ППУ ПЭ 219-SС

219

315

700

0,61

0,58

0,97

0,79

1

2x1045

4

2

2

-

ППУ ПЭ 273-SС

273

400

700

1,24

1,17

1,86

1,51

1

2x1330

4

2

2

5

ППУ ПЭ 325-SC

325

450

800

1,58

1,49

2,52

2,05

1

2x1490

4

2

2

5

ППУ ПЭ 426-SС

426

560

800

2,49

2,35

3,99

3,24

1

2x1835

4

2

2

5

 

Комплект материалов для заделки стыка на трубопроводе с полиэтиленовой оболочкой СПМ-П

 

Номер позиции

Наименование

Кол-во на 1 стык [шт]

Поз.1

Кожух стальной оцинкованный внутренний

1

Поз. 2*

Бандажная лента

2

Поз. З

Заглушка отверстия стальная оцинкованная

1

Поз.4

Лента термоусаживаемая

1

Поз.5

Фиксатор ленты

1

*Поз.6

Винты-саморезы

10

 

Код комплекта материалов

Диаметр стальной трубы d [мм]

Диаметр полиэтиленовой оболочки D [мм]

L1 [мм]

L2[мм]

L3[мм]

L4[мм]

Колич полиола на 1 стык [кг/л]

Количество изоционата на 1 стык [кг/л]

ППУ ПЭ32-СПМ-П

32

90

400

650

365

100

0,12

0,11

0,16

0,13

ППУ ПЭ38-СПМ-П

38

110

400

650

430

100

0,13

0,12

0,18

0,15

ППУ ПЭ45-СПМ-П

45

125

400

650

475

100

0,15

0,14

0,25

0,20

ППУ ПЭ57-СПМ-П

57

140

400

650

525

100

0,18

0,17

0,29

0,24

ППУ ПЭ76-СПМ-П

76

160

400

650

590

100

0,22

0,21

0,36

0,29

ППУ ПЭ89-СПМ-П

89

180

400

650

650

100

0,28

0,26

0,44

0,36

ППУ ПЭ108-СПМ-П

108

200

400

650

740

100

0,32

0,30

0,51

0,41

ППУ ПЭ133-СПМ-П

133

225

400

650

820

100

0,37

0,35

0,59

0,48

ППУ ПЭ159-СПМ-П

159

250

400

650

900

100

0,42

0,40

0,68

0,55

ППУ ПЭ219-СПМ-П

219

315

400

650

1105

100

0,57

0,54

0,92

0,75

ППУ ПЭ273-СПМ-П

273

400

520

650

1375

100

0,95

0,87

1,53

1,24

ППУ ПЭ325-СПМ-П

325

450

520

650

1530

100

1,58

1,49

2,52

2,05

ППУ ПЭ426-СПМ-П

426

560

520

650

1905

100

2,11

1,99

3,37

2,74

Примечание: * бандажные ленты поставляются по отдельному заказу

Комплект материалов для заделки стыка на трубопроводе с оцинкованной оболочкой СПМ-Ц

 

Номер позиции

Наименование

Кол-во на 1 стык [шт]

Поз.1

Кожух стальной оцинкованный внутренний

1

*Поз.2

Бандажная лента стальная оцинкованная

2

Поз.З

Заглушка отверстия стальная оцинкованная

1

Поз.4

Лента термоусаживаемая

1

Поз,5

Фиксатор ленты

1

Поз.6

Кожух защитный стальной оцинкованный наружный

1

Поз.7

Замок кожуха защитного

1

Поз.8

Винты-саморезы

20

 

Код комплекта материалов

Диаметр стальной трубы d [мм]

Диаметр оцинков. оболочки D [мм]

L1 [мм]

L2 [мм]

L3[мм]

L4 [мм]

L5 [мм]

Количество полиола на 1 стык [кг]

Количество изоционата на 1 стык [кг]

ППУПЭ32-СПМ-Ц

32

90

400

650

365

100

700

0,12

0,11

0,16

0,13

ППУПЭ38-СПМ-Ц

38

110

400

650

430

100

700

0,13

0,12

0,18

0,15

ППУПЭ45-СПМ-Ц

45

125

400

650

475

100

700

0,15

0,14

0,25

0,20

ППУПЭ57-СПМ-Ц

57

140

400

650

525

100

700

0,18

0,17

0,29

0,24

ППУПЭ76-СПМ-Ц

76

160

400

650

590

100

700

0,22

0,21

0,36

0,29

ППУПЭ89-СПМ-Ц

89

180

400

650

650

100

700

0,28

0,26

0,44

0,36

ППУПЭ108-СПМ-Ц

108

200

400

650

740

100

700

0,32

0,30

0,51

0,41

ППУПЭ133-СПМ-Ц

133

225

400

650

820

100

700

0,37

0,35

0,59

0,48

ППУПЭ159-СПМ-Ц

159

250

400

650

900

100

700

0,42

0,40

0,68

0,55

ППУПЭ219-СПМ-Ц

219

315

400

650

1105

100

700

0,57

0,54

0,92

0,75

ППУПЭ273-СПМ-Ц

273

400

520

650

1375

100

700

0,95

0,87

1,53

1,24

ППУПЭ325-СПМ-Ц

325

450

520

650

1530

100

700

1,58

1,49

2,52

2,05

ППУПЭ426-СПМ-Ц

426

560

520

650

1905

100

700

2,11

1,99

3,37

2,74

Примечание: * бандажные ленты поставляются по отдельному заказу.

Комплект материалов для заделки стартового компенсатора

 

Код изделия:

ППУ ПЭ d-Кт-Ск (Т)

d - диаметр стальной трубы

Т - теплоснабжение

Пример условного обозначения:

ППУ ПЭ 108-Кт-Ск (Т)

Поз.1 - полиэтиленовая муфта

Поз.2 - пробка

Поз.3 - Лента термоусаживаемая для герметизации торца муфты

Поз.4 - Фиксатор ленты

Поз.5 - Лента термоусаживаемая для герметизации отверстий

Поз.6 - Фиксатор ленты

 

Код изделия

Наружный диаметр стальной трубы d [мм]

Наружный диаметр гидрозащитной оболочки трубопровода D [мм]

Длина полиэтиленовой муфты LM [мм]

Длина термоусаживаемых элементов LT [мм]

Количество полиола на один стык [кг/л]

Количество изоционата на один стык [кг/л]

Количество комплектующих на один стык

Поз.1

Поз.2

Поз.3

Поз.4

Поз.5

Поз.6

ППУ П Э57~Кт-Ск(Т)

57

140

890

600

0,25/0,24

0,4/0,32

1

2

2

2

2

2

ППУ ПЭ 76-Кт-Ск (Т)

76

160

890

650

0,3/0,28

0,48/0,39

1

2

2

2

2

2

ППУ ПЭ 89-Кт-Ск (Т)

89

180

1000

710

0,36/0,34

0,58/0,47

1

2

2

2

2

2

ППУ ПЭ 108-Кт-Ск(Т)

108

200

945

800

0,46/0,44

0,74/0,60

1

2

2

2

2

2

ППУ ПЭ 133-Кт-Ск(Т)

133

225

980

1000

0,58/0,55

0,923/0,75

1

2

2

2

2

2

ППУ ПЭ 159-т-(Т)

159

250

1100

1100

0,74/0,70

1,19/0,97

1

2

2

2

2

2

ППУ ПЭ 219-Кт-Ск(Т)

219

315

1105

1250

0,98/0,92

1,57/1,28

1

2

2

2

2

2

ППУ ПЭ 273-Кт-Ск(Т)

273

400

1320

1400

1,98/1,87

3,17/2,58

1

2

2

2

2

2

ППУ ПЭ 325-Кт-Ск(Т)

325

450

1350

1550

2,35/2,22

3,75/3,05

1

2

2

2

2

2

ППУ ПЭ 426-Кт-Ск(Т)

426

560

1400

1900

3,17/2,99

5,07/4,12

1

2

2

2

2

2

 

Жидкие компоненты пенополиуретана

Полуцилиндры пенополиуретановые для теплоизоляции стыковых соединений

Код изделия: ППУ ПЭ d х D

 

Пример условного обозначения:

ППУ ПЭ 219x315

 

 

Код изделия

Диаметр стальной трубы [мм]

Диаметр оболочки [мм]

Толщина стенки полуцилиндра [мм]

ППУ ПЭ 57x140

57

140

40

ППУ ПЭ 76x160

76

160

40

ППУ ПЭ 89x180

89

180

40

ППУ ПЭ 108x200

108

200

50

ППУ ПЭ 133x225

133

225

50

ППУ ПЭ 159x250

159

250

50

ППУПЭ219х315

219

315

50

ППУ ПЭ 273x400

273

400

60

ППУ ПЭ 325х450

325

450

60

Примечание: Держатель провода и гильза опрессовочная входят в комплект материалов для заделки стыка.

Манжета стенового ввода

 

Код изделия:

Манжета стенового ввода

ППУ ПЭ D х D1

ППУ - теплоизоляция из пенополиуретана

ПЭ - гидрозащитная оболочка полиэтилен

D - диаметр гидрозащитной оболочки

D1 - наружный диаметр манжеты

 

Пример условного обозначения:

ППУ ПЭ 315x360

 

Код манжеты

D [мм]

D1[мм]

ППУ ПЭ 90x130

90

130

ППУ-ПЭ 110x150

110

150

ППУ-ПЭ 125x160

125

160

ППУ-ПЭ 140x175

140

175

ППУ-ПЭ 160x194

160

194

ППУ-ПЭ 180x214

180

214

ППУ-ПЭ 200x238

200

238

ППУ-ПЭ 225x270

225

270

ППУ-ПЭ 250 х 295

250

295

ППУ-ПЭ 315x360

315

360

ППУ-ПЭ 400x445

400

445

ППУ-ПЭ 450 х 495

450

495

 

Заглушка изоляции термоусаживаемая

Код изделия:

Заглушка изоляции термоусаживаемая ППУ ПЭ dxD

ППУ - теплоизоляция из пенополиуретана

ПЭ - гидрозащитная оболочка полиэтилен

d - диаметр стальной трубы

D - диаметр наружной оболочки

 

Пример условного обозначения:

ППУ ПЭ 57 х 140

 

Код манжеты

d [мм]

D [мм]

ППУ ПЭ 32x90

32

90

ППУ-ПЭ 38х110

38

110

ППУ-ПЭ 45x125

45

125

ППУ-ПЭ 57x140

57

140

ППУ-ПЭ 76x160

76

160

ППУ-ПЭ 89x180

89

180

ППУ-ПЭ 108x200

108

200

ППУ-ПЭ 133x225

133

225

ППУ-ПЭ 159x250

159

250

ППУ-ПЭ 219x315

219

315

ППУ-ПЭ 273х400

273

400

ППУ-ПЭ 325x450

325

450

ППУ-ПЭ 426х560

426

560

 

Подушка полиэтилен вспененный

 

Код изделия:

ПодПВсп

Под - подушка

П - полиэтилен

Всп - вспененный

 

Неподвижный элемент направляющей опоры

 

Код изделия:

Неподвижный элемент направляющей опоры Ст d-H

Ст - труба стальная

d - диаметр стальной трубы

Н - диаметр направляющего элемента

n - тип изоляции

 

Пример условного обозначения:

Неподвижный элемент направляющей опоры

Ст 57-235

 

Код изделия

Диаметр стальной трубы d [мм]

Диаметр оцинкованной оболочки D [мм]

Н [мм]

А [мм]

В [мм]

Приблизительная масса опоры [кг]

Ст 32-200

32

100

147

170

180

7,0

Ст 38-200

38

125

180

170

180

7,0

Ст 45-210

45

125

180

170

180

7,0

Ст 57-235

57

140

206

170

180

7,0

Ст 76-275

76

160

228

180

230

10,0

Ст 89-295

89

180

228

190

230

11,0

Ст 108-315

108

200

256

200

230

11,5

Ст 133-340

133

225

256

210

280

12,5

Ст 159-400

159

250

309

225

280

15,0

Ст 219-460

219

315

358

270

320

21,0

Ст 273-550

273

400

510

300

320

30,0

Ст 325-650

325

450

620

325

380

32,0

Ст 426-750

426

560

695

380

420

36,0

 

Опора скользящая

 

Код изделия:

Опора скользящая ППУ-Ц-d

Пример условного обозначения:

Опора скользящая

ППУ-Ц-159

 

Код изделия

Диаметр стальной трубы d [мм]

Диаметр оцинкованной оболочки D [мм]

А [мм]

В [мм]

Н [мм]

Приблизительная масса опоры [кг]

ЛПУ-Ц-32

32

100

85

250

110

7,0

ППУ-Ц-38

38

125

100

250

120

7,0

ППУ-Ц-45

45

125

100

250

120

7,0

ППУ-Ц-57

57

140

120

250

170

7,0

ППУ-Ц-76

76

160

120

250

180

7,5

ППУ-Ц-89

89

180

180

300

190

7,5

ППУ-Ц-108

108

200

180

300

200

8,5

ППУ-Ц-133

133

225

180

300

215

8,5

ППУ-Ц-159

159

250

180

340

225

10,0

ППУ-Ц-219

219

315

280

340

260

15,0

ППУ-Ц-273

273

400

280

340

300

19,0

ППУ-Ц-325

325

450

380

340

325

25,0

ППУ-Ц-426

426

560

380

340

380

31,0

8.6. Инструмент

Переносной детектор «Вектор» 2000-1»

 

Код изделия: ДПМК 2000-1

Технические данные:

Напряжение питания 9 В;

Длина контролируемого участка до 2000 метров;

Индикация повреждения сигнальных проводов более 600 Ом (+10%);

Индикация намокания ППУ изоляции менее5кОм (+10%);

Потребляемый ток в режиме «Вкл» 1,5 мА;

Эксплуатационная температура окружающей среды -45+45°С

Эксплуатационная влажность окружающей среды не более 98% (25°С);

Габаритные размеры 70x135x24 мм;

Масса не более 100 г.

 

Стационарный детектор «Вектор- 2000-4»

 

Код изделия: ДСЧК 2000-4

Технические данные:

Напряжение питания 220 В (+10-15%);

Количество контролируемых трубопроводов от 2 до 4

Длина контролируемого участка до 2500 метров;

Индикация повреждения сигнальных проводов более 600 Ом(+10%);

Индикация намокания ППУ изоляции менее 5 кОм (+10%);

Потребляемый ток в рабочем режиме 30 мА;

Эксплуатационная температура окружающей среды-45 +50°С

Эксплуатационная влажность окружающей среды не более 98% (25°С);

Габаритные размеры 145x220x75 мм;

Масса не более 1 кг.

 

Контрольно-монтажный прибор «Robin KMP 3O5ODL»

 

Код изделия: КМР 3050

Технические данные:

Жидкокристаллический дисплей; Два микропроцессора;

Напряжение питания 9 В (6 шт.АА);

Измерительное напряжение 250В,500В, 1000В;

Диапазоны измерений сопротивления 20 Ом, 200 Ом, 2000 Ом;

Диапазоны измерений ППУ изоляции 20 МОм, 200Мом, 2GOм

Настройка «автоноль»;

Эксплуатационная влажность окружающей среды не более 98%(25°С).

 

Импульсный рефлектометр «Рейс 105Р»

Код изделия: ИРФ1

 

Технические данные:

Диапазоны измеряемых расстояний

(при коэффициенте укорочения 1,5): 12.5, 25, 50, 100, 200, 400, 800, 1600, 3200,

6400, 12800,25600 м.

Коэффициент укорочения: Установка или измерение в пределах 1,00...7,00

Выходное сопротивление: 20...470 Ом, плавно регулируемое;

Время хранения информации во внутренней памяти: не менее 10 лет

Отображение информации: Рефлектограммы и результаты обработки отображаются в графическом виде

Дисплей: Встроенный, на основе ЖК панели 128x64 точки Калибровка: Автоматическая

Питание: Сеть переменного тока 200...240 В, 47...400 Гц. Встроенные аккумуляторы.

Энергопотребление: не более 2,5 Вт

Условия эксплуатации: Диапазон рабочих температур: -10°С... +50°С

Габаритные размеры: 106 х 224 х 40 мм

Масса: Не более 0,7 кг (со встроенными аккумуляторами)

Низкая погрешность измерения - более 0,2 %;

Большая внутренняя память (более 200 рефлектограмм);

Связь с компьютером по интерфейсу RS-232.

 

Приспособление для настройки монтажной длины стартового компенсатора

 

Код изделия: ПКС

П - приспособление

КС - компенсатор стартовый

 

Спиральновитые трубы из оцинкованной стали

НПО «Стройполимер» производит и поставляет новую продукцию - спиральновитые трубы из оцинкованной стали, которые применяются:

- в качестве гидрозащитной оболочки при индустриальном изготовлении прямых участков трубопроводов и фасонных изделий в пенополиуретановой изоляции (ППУ), предназначенных для надземной и канальной прокладки тепловых сетей централизованного теплоснабжения;

- для монтажа систем вентиляции зданий и сооружений и дымоходов

Отличительной особенностью спиральновитых труб производства НПО«Стройполимер» от имеющихся аналогов является наличие специального силиконового шнура, который располагается в канале скрепления (фальце) стального листа, препятствует проникновению влаги внутрь, обеспечивая тем самым 100%-ную герметизацию трубы.

НПО «Стройполимер» производит спиральновитые трубы любой длины из оцинкованной стали с толщиной стенок – от 0.4 до 1.2мм.

Диаметры труб - от 100 до 1250 мм.

Трубы выдерживают давление до 6 бар.

 

Трубы для водоснабжения из полипропилена

Трубы и соединительные детали из полимерного материала - полипропилена «Рандом сополимер» предназначены для монтажа внутренних систем холодного и горячего водоснабжения и технологических трубопроводов. В соответствии с СП 40-101-96, срок эксплуатации трубопроводов из полипропилена «Рандом сополимер» в системах холодного водоснабжения не менее 50 лет, а в системах горячего при температуре 75°С не менее 25 лет.

Трубы из полипропилена «Рандом сополимер» соединяются методом контактной термической сварки. Специальные комбинированные соединительные детали позволяют соединять полипропиленовые трубы с металлическими и арматурой. Применение труб из полипропилена повышает скорость монтажа в 2-4 раза, снижает себестоимость трубопровода на 30%, позволяет повысить его надежность и экологическую чистоту по сравнению с металлическим.

НПО«Стройполимер» производит трубы и соединительные детали из полипропилена диаметром от 16 до 125 мм.

 

 

Трубопроводы с теплогидроизоляцией

 

 

Тепловые сети - наиболее ответственный и технически сложный участок системы трубопроводов городского хозяйства и промышленности. Высокие рабочие температуры и давление определяют повышенные требования к надежности и безопасности сетей теплоснабжения. Традиционные технологии и материалы, применяемые при строительстве и ремонте тепловых сетей, приводят к необходимости полной замены труб и теплоизоляции через 10-15 лет, потерям до 25% транспортируемого тепла.

Новые энергосберегающие технологии и материалы, в частности пенополиуретан (ППУ) , на которых производство теплогидроизолированных труб позволяют обеспечить безаварийное и эффективное теплоснабжение. Отличительные особенности трубопровода с ППУ изоляцией - бесканальная прокладка, потери тепла в з-4 раза ниже нормативных, длительный срок эксплуатации - 30 лет. Стоимость прокладки трубопроводов с ППУ изоляцией по сравнению с традиционными методами (с устройством каналов) снижается на 20-30%.

 

 

Канализационные трубы из полипропилена

 

 

Канализационные трубы из полипропилена применяются в безнапорных системах канализации. Обладают по сравнению с трубами из ПВХ и полиэтилена повышенной теплостойкостью, а в сравнении с чугунными - химической стойкостью, небольшой массой, технически гладкой поверхностью. Системы канализации из полипропилена обеспечивают работоспособность при залповых сбросах химически агрессивных стоков с температурой до 95оС.

 

 

 

Срок эксплуатации на менее 50 лет. Оригинальная конструкция уплотнения раструба обеспечивает надежное и герметичное соединение труб, позволяет быстро и легко производить монтаж трубопровода. НПО «Стройполимер» поставляет трубы диаметром 40. 50. 110 мм, а также необходимые фасонные и крепежные детали.

 

 

 




Яндекс цитирования



   Copyright © 2007-2026,  www.tehlit.ru.

[ ѓосты, стандарты, нормативы, инструкции, правила, строительные нормы ]