//
ТехЛит.ру
- крупнейшая бесплатная электронная интернет библиотека для "технически умных" людей.
WWW.TEHLIT.RU - ТЕХНИЧЕСКАЯ ЛИТЕРАТУРА

:: Алготрейдинг::


АЛГОТРЕЙДИНГ
шаг за шагом
с нуля по урокам!

Торговые роботы на PYTHON, BackTrader,
Pandas, Pine Script для TradingView. Связка с брокерами, телеграм и легкими приложениями.


МОСКОВСКИЙ ОРДЕНА ТРУДОВОГО КРАСНОГО ЗНАМЕНИ АВТОМОБИЛЬНО-ДОРОЖНЫЙ ИНСТИТУТ

 

Кафедра аэропортов и конструкций

 

Утверждаю

Зав. кафедрой д-р техн. наук,

проф. _________ В.Е. Тригони

7 сентября 1992 г.

 

МЕТОДИЧЕСКИЕ УКАЗАНИЯ
ПО ПРОЕКТИРОВАНИЮ ИСКУССТВЕННЫХ ПОКРЫТИЙ АЭРОДРОМОВ

 

МОСКВА 1992

СОДЕРЖАНИЕ

1. ЦЕЛЬ И ЗАДАЧИ ПРОЕКТИРОВАНИЯ

2. ИСХОДНЫЕ ДАННЫЕ ДЛЯ ПРОЕКТИРОВАНИЯ

3. МЕТОДИКА РАСЧЕТА НЕЖЕСТКИХ АЭРОДРОМНЫХ ПОКРЫТИЙ

4. МЕТОДИКА РАСЧЕТА АЭРОДРОМНЫХ ПОКРЫТИЙ ЖЕСТКОГО ТИПА

4.1. Расчет однослойных бетонного и армобетонного покрытий

4.2. Определение толщины искусственных оснований из упрочненных материалов под плиты однослойных бетонных и армобетонных покрытий

4.3. Определение эквивалентного коэффициента постели слоистых оснований жестких покрытий

4.4. Расчет двухслойных бетонных покрытий

4.5. Проверка конструкций аэродромных покрытий на морозоустойчивость

4.6.Представление данных о прочности покрытий по методу "ACN-PCN"

ПРИЛОЖЕНИЕ Примеры расчета аэродромных покрытий

Пример 1. Расчет нежесткого аэродромного покрытия

Пример 2. Расчет армобетонного покрытия на жестком основании

Пример 3. Расчет жесткого двухслойного покрытия

Литература

1. ЦЕЛЬ И ЗАДАЧИ ПРОЕКТИРОВАНИЯ

Целью курсового проекта является закрепление студентами теоретических знаний, полученных по разделу "Проектирование искусственных покрытий на аэродромах".

При выполнении курсового проекта студент должен решить следующие задачи:

1. Разработать не менее двух вариантов конструкций аэродромных покрытий и обосновать расчетом толщины конструктивных слоев, в том числе морозозащитного слоя. Один из вариантов конструкций аэродромных покрытий (по согласованию с руководителем) рассчитать с применением ЭВМ.

2. Решить вертикальную планировку искусственных покрытий.

3. Запроектировать водоотводную и дренажную системы аэродрома.

4. Интерпретировать графически результаты аналитических расчетов на двух листах: на первом листе - проект вертикальной планировки искусственных покрытий и водоотвода, на втором - конструкции аэродромных покрытий и детали проекта согласно индивидуальному заданию.

2. ИСХОДНЫЕ ДАННЫЕ ДЛЯ ПРОЕКТИРОВАНИЯ

При разработке курсового проекта исходными данными являются:

1. Класс аэродрома (группа участков аэродромных покрытий), географическое положение объекта и тип гидрогеологических условий местности.

2. Расчетный тип самолета и нормативная нагрузка на основную (условную) опору.

3. Число взлетов воздушного судна за проектный срок службы покрытия или за сутки.

4. Расчетные характеристики материалов, применяемых для устройства конструктивных слоев.

Географическое положение объекта, класс аэродрома, гидрогеологические условия на летном поле (тип грунта, уровень расположения грунтовых вод) и число взлетов указаны в задании.

Расчетные характеристики грунтов и материалов, применяемых для устройства аэродромных покрытий, приведены в СНиП 2.05.08-85.

3. МЕТОДИКА РАСЧЕТА НЕЖЕСТКИХ АЭРОДРОМНЫХ ПОКРЫТИЙ

В основу расчета нежестких аэродромных покрытий принята расчетная модель в виде слоистого линейно деформируемого полупространства, на поверхности которого действует нагрузка от одиночного колеса, расположенная равномерно по площади круга. Воздействие на покрытие реальных многоколесных опор воздушных судов при расчете заменяют воздействием условной эквивалентной нагрузки Fе от одиночного колеса.

Согласно [I] величину одноколесной эквивалентной нагрузки Fe принимают равной Fd при ttot<a/2 или Fe=Fn при ttot>2ad, а в остальных случаях определяют по формуле

(1)

где Fn - нормативная нагрузка на основную (условную) опору расчетного воздушного судна, кН; принимается согласно заданию; nk - число колес на главной опоре; ttot - суммарная толщина слоев нежесткого покрытия, м; при расчете по предельному относительному прогибу ttot принимают равной общей толщине конструкции, при расчете прочности на растяжение при изгибе - суммарной толщине слоев из асфальтобетона; Fd - расчетная нагрузка на колесо, кН;

(2)

Kd - коэффициент динамичности, принимаемый равным 1,1; γf - коэффициент разгрузки, принимаемый для групп участков покрытий А и Б равным 1,0 и для остальных участков - равным 0,85; а - минимальное расстояние между пневматиками ближайших колес на главной опоре (в свету), м;

(3)

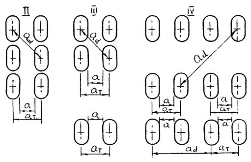
aт и ad - соответственно расстояние между осями ближайших и самых удаленных колес на главной опоре (рис.1); Рa - внутреннее давление воздуха в пневматиках колеса, МПа.

Диаметр круга, равновеликого площади отпечатка пневматика одноколесной эквивалентной нагрузки, определяется по формуле

(4)

Рис. 1. Схема к определению эквивалентной одноколесной нагрузки для нежестких аэродромных покрытий;
I-V - расчетные схемы опор

Конструкции нежестких аэродромных покрытий для категорий нормативной нагрузки

I

II

III

IV

V

VI

Для магистральных РД

 

многослойный асфальтобетон (при толщине одного слоя 5см)

щебень фракционированный, обработанный вязким битумом в установке

щебень 1 и 2 классов, обработанный битумом по способу пропитки

щебень 1 и 3 классов, укладываемый по принципу заклинки

рядовой щебень 1-4 классов

подобранные гравийные материалы, обработанные дегтем или жидким битумом (смешение на месте)

гравийные материалы, подобранные по составу

песчано-гравийная смесь

песчано-битумный коврик или песчаный асфальтобетон толщиной 5 см

Рис. 2. Рекомендуемые конструкции нежестких покрытий для различных категорий нормативных нагрузок (цифры указывают толщину слоев в сантиметрах)

Расчет нежестких аэродромных покрытий капитального типа производят по двум предельным состояниям: по относительному прогибу всей конструкции и по прочности на растяжение при изгибе конструктивных слоев из материалов, обработанных вяжущими. Облегченные покрытия рассчитывают только по предельному относительному прогибу.

Конструкцию нежесткого аэродромного покрытия необходимо предварительно назначить с учетом величины расчетной нагрузки, дорожно-климатической зоны объекта, типа гидрогеологических условий местности, минимально допускаемой толщины конструктивных слоев, наличия местных строительных материалов и имеющегося отечественного и зарубежного опыта проектирования нежестких покрытий.

Минимально допускаемую толщину конструктивных слоев нежестких покрытий принимают по [I, табл. 23 и 24]. Параметры прочности и деформативности асфальтобетона, материалов, применяемых для устройства искусственных оснований, и грунтов определяют по [I, приложения 4 и 9]. При этом нежесткое покрытие следует проектировать таким образом, чтобы модули упругости материалов конструктивных слоев плавно убывали сверху вниз, а отношение модулей упругости материалов смежных слоев не превышало 3,5-5.

Марку и тип асфальтобетонных смесей в зависимости от категории нормативной нагрузки, группы участков аэродромных покрытий и дорожно-климатической зоны объекта принимают по ГОСТ 9128-84. Тип гидрогеологических условий и дорожно-климатическую зону объекта определяют по [I, приложения 1 и 2].

В первом приближении конструкция нежесткого аэродромного покрытия в зависимости от категории расчетной нагрузки может быть принята по рис. 2 (согласована с руководителем) и в дальнейшем уточнена расчетом.

Расчет нежестких покрытий по предельному относительному прогибу выполняют исходя из условия

(5)

где λd - расчетный относительный прогиб нежесткого покрытия; γс - коэффициент условий работы, принимаемый для групп участков аэродромных покрытий: А-1, Б и В-1,05; Г-1,1; λu - предельный относительный прогиб покрытия, принимаемый по [I, приложение 10, рис 8] в зависимости от типа грунта, давления воздуха в пневматиках колес и приведенной повторяемости приложения нагрузки Nr; для покрытий облегченного типа найденное значение Nr увеличивают на 20%.

В курсовом проекте приведенную повторяемость приложения нагрузки вычисляют по формуле

(6)

где N - среднесуточное число взлетов воздушного судна на последнем году проектного срока службы покрытия (на десятый год эксплуатации для асфальтобетонных покрытий и на пятый год для покрытий облегченного типа); nа - число осей в расчетной опоре; при расчете нежесткого покрытия по предельному относительному прогибу значение Na принимают равным 1,0.

Расчетный относительный прогиб нежесткого покрытия определяют по формуле

(7)

где Eed - эквивалентный модуль упругости конструкции нежесткого покрытия;

(8)

Emt - средний модуль упругости, МПа, конструкции, включающей покрытия, искусственное основание и насыпь.

(9)

ψk - коэффициент, определяемый по [I, приложение 10, рис. 7] в зависимости от отношений  и ; E1,E2En - расчетные модули упругости материалов отдельных конструктивных слоев, МПа; t1,t2tn - толщины отдельных конструктивных слоев; Е - модуль упругости естественного основания.

Расчет нежестких покрытий капитального типа по прочности на растяжение при изгибе выполняют из условия

(10)

где σr - наибольшее растягивающее напряжение при изгибе в материале конструктивного слоя нежесткого покрытия, возникающее при воздействии расчетной нагрузки, МПа:

(11)

γс - коэффициент условия работы, принимаемый для асфальтобетонных покрытий на участках: А-1; Б и В-1,1; Г-1,2; Rd - расчетное сопротивление растяжению при изгибе, МПа, значение Rd для асфальтобетона принимают по [I, приложение 9, табл.2];  - удельное растягивающее напряжение; значение  для асфальтобетона определяют по [I, приложение 10, рис. 9] в зависимости от отношений  и ; Еаb - средний модуль упругости слоев из асфальтобетона, вычисленный по формуле аналогичной (9); Ее - эквивалентный модуль упругости основания под асфальтобетоном, включающего грунтовое основание, МПа,

(12)

Еm - средний модуль упругости слоев оснований под асфальтобетоном (без учета грунтового основания), МПа, вычисляемый по формуле аналогичной формуле (9); ψk - коэффициент, определяемый по [I, приложение 10, рис. 7] в зависимости от отношений  и .

Пример расчета нежесткого покрытия приведен в приложении методических рекомендаций (см. пример 1).

4. МЕТОДИКА РАСЧЕТА АЭРОДРОМНЫХ ПОКРЫТИЙ ЖЕСТКОГО ТИПА

4.1. Расчет однослойных бетонного и армобетонного покрытий

Расчет прочности бетонных и армобетонных покрытий выполняют исходя из обеспечения условия [I]:

md<mu

(13)

где md - расчетный изгибающий момент, возникающий в сечении плиты от воздействия колес главной опоры воздушного судна; mu - предельный изгибающий момент для расчетного сечения плиты.

Значение расчетного изгибающего момента определяют по формуле

(14)

где K - переходной коэффициент, учитывающий увеличение изгибающего момента в краевой зоне плиты; в соответствии с требованиями СНиП 2.05.08-85 значение K для бетонных и армобетонных покрытий со стыковыми соединениями или конструктивным краевым армированием принимают равным 1,2; для бетонных и армобетонных покрытий без стыковых соединений и краевого армирования плит - равным 1,5; KN - коэффициент, учитывающий увеличение изгибающего момента в плите вследствие неравномерного накопления остаточных осадок в основании из материалов, не обработанных вяжущими; Значение KN для участков группы А и перронов принимают, равным 1,1; для оснований, обработанных вяжущими, а также участков групп Б (кроме перронов), В и Г независимо от вида оснований принимают равным 1,0; mc,max - максимальный изгибающий момент при центральном загружении плиты;

(15)

m1 - изгибающий момент от действия колеса, центр отпечатка которого совпадает с расчетным сечением;

(16)

F(α) - функция, значение которой принимают по [I, приложение 10.] в зависимости от отношения

(17)

Rе - радиус круга, равновеликого площади отпечатка пневматика колеса;

(18)

Ра - внутреннее давление воздуха в пневматиках колес, МПа.

- упругая характеристика плиты;

(19)

B - жесткость сечения плиты покрытия, кН·м2/м, отнесенная к единице её ширины.

(20)

Eb - начальный модуль упругости бетона, МПа, принимаемый по [I, приложение 9], t - толщина плиты, м, значением которой необходимо задаться. KS - коэффициент постели однородного грунтового основания, МН/м3; KS(ℓ) - эквивалентный коэффициент постели для слоистого основания, МН/м3. mx(y)i - изгибающий момент, возникающий в расчетном сечении от действия других колес;

(21)

 - единичные изгибающие моменты, возникающие в расчетном сечении от воздействия i-го колеса опоры воздушного судна, определяемые по [I, приложение 10] в зависимости от приведенных координат

 (см. рис.2 на с. 20 [I]).

В расчет вводят наибольшую из сумм единичных изгибающих моментов  или ; при этом отрицательные их значения отбрасываются.

Величину предельного изгибающего момента определяют по формуле

(22)

где γс - коэффициент условий работы покрытий, принимаемый по [I, табл. 31] в зависимости от широты расположения объекта и группы участков аэродромных покрытий; Rbtb - расчетное сопротивление бетона растяжению при изгибе; Ku - коэффициент, учитывающий число приложений нагрузок u от воздушных судов, определяемый по [I, приложение 10, рис. 3] или по формуле

(23)

u - расчетное число приложений нагрузок от воздушного судна. Расчетное число приложений нагрузок от колес опоры воздушного судна за проектный срок службы покрытия может быть найдено по формуле

(24)

где Тз - продолжительность периода отрицательных температур в сутках; n - заданный срок службы покрытий в годах; na - количество спаренных осей на главной опоре шасси воздушного судна; N - число взлетов воздушного судна в сутки; Ф(х) - параметр, учитывающий расположение нагрузок от отдельных участков аэродромных покрытий воздушных судов: по данным А.П. Степушина [2], максимальные значения параметров Ф(х) для современных типов воздушных судов составляют 0,47÷0,86.

4.2. Определение толщины искусственных оснований из упрочненных материалов под плиты однослойных бетонных и армобетонных покрытий

В том случае, когда в основании однослойных бетонных и армобетонных покрытий предусматривают устройство искусственных оснований из материалов, обработанных вяжущими, расчетное значение изгибающего момента определяют по формуле

(25)

где B - жесткость плиты однослойного покрытия, определяемая по формуле (20); Bf - жесткость слоя искусственного основания;

(26)

Ef - модуль упругости материала искусственного основания, принимаемый по [I, приложение 9, табл. 4]; tf - толщина слоя искусственного основания, которую предварительно назначают; Р - коэффициент, определяемый по формуле

(27)

θ0 - параметр, определяемый по [I, приложение II, рис. 1] в зависимости от отношения жесткостей

 

4.3. Определение эквивалентного коэффициента постели слоистых оснований жестких покрытий

Эквивалентный коэффициент постели слоистого основания вычисляют по формуле [I]

(28)

где

(29)

(30)

KS1, KS2, KS3 - расчетные значения коэффициентов постели соответственно первого (считая сверху), второго и третьего слоев основания; t1, t2 - толщины соответственно первого и второго слоев основания, м; Dr - условный диаметр круга передачи нагрузок на основание, принимаемый для монолитных покрытий, рассчитываемых на внеклассную и первую категории нормативных нагрузок, равным 3,6 м; на II - 3,2 м; на III - 2,9 м; IV - 2,4 м; на V и VI - 2,2 м; для сборных покрытий из ПАГ-14 - 1,4 м; из плит ПАГ-18 - 1,75 м.

4.4. Расчет двухслойных бетонных покрытий

Конструкции двухслойных покрытий (в том числе с верхним слоем из армобетона) рассчитываются на прочность исходя из условий:

(31)

(32)

где md,sup и md,inf - расчетные изгибающие моменты соответственно в верхнем и нижнем слоях двухслойного покрытия; mu,sup и mu,inf - предельные изгибающие моменты соответственно для верхнего и нижнего слоев двухслойного покрытия.

Расчетные изгибающие моменты в плитах верхнего и нижнего слоев определяют по формулам:

при совмещенных швах

(33)

(34)

при несовмещенных швах

(35)

(36)

где mc,max - максимальный изгибающий момент в центре условной однослойной плиты, имеющий суммарную жесткость BΣ=Bsup+Binf, вычисляемый по формуле (15); Bsup, Binf - жесткости плит соответственно нижнего и верхнего слоев, вычисляемые по формуле (29); K' - коэффициент, принимаемый равным: 1,5 - при отсутствии стыковых соединений в верхнем и нижнем слоях; 1,4 - при устройстве стыковых соединений только в нижнем слое; 1,2 - при устройстве стыковых соединений в верхнем и нижнем слоях или только в верхнем слое, но с параметрами, принятыми по толщине покрытия, соответствующей суммарной жесткости BΣ; K1 - коэффициент, учитывающий концентрацию изгибающих моментов в верхнем слое двухслойного покрытия над краями и углами плит нижнего слоя, определяемый в зависимости от отношений жесткостей Binf/Bsup по табл.1.

Таблица 1

K1

0

1,20

0,15

1,04

1

1,25

2

1,50

3

1,75

4

2,00

5

2,25

6

2,50

7

2,75

8

3,00

Величину предельного изгибающего момента для верхнего слоя определяют по формуле (22), а для нижнего слоя - с учетом поправочного коэффициента Km по формуле

(37)

Значение поправочного коэффициента Km определяют по графику рис. 3 в зависимости от толщины верхнего слоя tsup.

Рис. 3. График определения поправочного коэффициента Кm при расчете двухслойных покрытий и толщины слоя усиления бетонного покрытия

Пример расчета жесткого двухслойного покрытия приведен в приложении (см. пример 3).

4.5. Проверка конструкций аэродромных покрытий на морозоустойчивость

Морозоустойчивость конструкций аэродромного покрытия на пучинистых грунтах проверяют в том случае, если грунты к началу промерзания имеют показатель текучести IL>0 или если уровень грунтовых вод находится ниже расчетной глубины промерзания.

1,0 м - для мелких песков;

1,5 м - для супесей и пылеватых песков и супесей;

2,5 м - для суглинков, суглинков пылеватых, крупнообломочных грунтов с глинистым заполнителем;

3,0 м - для глин.

Проверку морозоустойчивости конструкций выполняют, исходя из условия:

(38)

где Sf=hлуч - расчетное значение равномерной деформации пучения поверхности грунтового основания; Su=[hлуч] - предельно допустимое значение вертикальной деформации пучения, принимаемое по табл. 2.

Таблица 2

Тип аэродромного покрытия

Предельное значение вертикальных деформаций оснований для участков

ИВПП

МРД

МС, РД и др.

1

2

3

4

Капитальное с жёстким покрытием:

бетонным, армобетонным, железобетонным монолитным,

0,02

0,03

0,04

железобетонным сборным

0,03

0,04

0,05

Капитальное с нежестким покрытием

0,03

0,04

0,06

Облегченное с нежестким покрытием

0,04

0,05

0,08

Расчетное значение равномерной деформации пучения грунтового основания Sf определяют по формуле

(39)

где Hi - высота промерзающего слоя основания за вычетом слоев, лежащих выше i -го слоя, м (рис.4);

Рис. 4. Схема к определению расчетной равномерной деформации пучения основания

Рис. 5. График для определения коэффициента mz

Рис. 6. Картограмма для определения Нf

mzi - коэффициент, учитывающий снижение интенсивности пучения по глубине, определяемой по рис. 5 в зависимости от отношения Hi/Hf; Hf - высота промороженной толщи покрытия и основания до изотермы начала пучения, м, определяемая по рис. 6; Kfi - коэффициент морозного пучения i-го слоя, принимаемый по СНиП 2.05.08-85 (приложение 7, табл.3).

Если полученная в результате расчета величина равномерной деформации пучения основания Sf превышает предельно допустимое значение Su или меньше её более чем на 5%, то необходимо изменить толщину морозозащитного слоя (как правило, из крупнозернистого песка), повторить расчет и проверить выполнение условия (38),

4.6.Представление данных о прочности покрытий по методу "ACN-PCN"

Информация о прочности покрытий должна содержать следующее данные: классификационное число покрытия (РСN); тип покрытия; прочность основания, допустимое давление в шинах, метод оценки прочности покрытия.

Число РСН следует определять по табл.3.

Таблица 3

Тип самолета

Давление в шинах, МПа

Жесткие покрытия

Нежесткие покрытия

А

В

С

Д

А

В

С

Д

Ил-62

1,12

43

52

62

71

50

57

67

83

Ил-76

0,61

29

32

30

33

24

27

34

45

Ил-86

0,92

25

31

38

46

34

36

43

61

Ту-154

0,93

18

25

31

37

20

23

21

38

Ty-134

0,83

10

12

15

18

12

12

15

20

Примечание. Буквами А, В, С, Д обозначен код прочности основания.

Для обозначения типа покрытия применяются две буквы: R - для жестких и F - для нежестких покрытий.

Прочность основания характеризуется четырьмя кодами в соответствии с табл.4

Таблица 4

Код основания

Коэффициент постели основания, МН/м3

Модуль упругости основания, МПа

А

более 120

более 130

В

120-60

130-60

С

60-25

60-40

Д

менее 25

менее 40

Для обозначения допустимого давления в шинах используются данные о толщине асфальтобетонного слоя (табл.5).

Таблица 5

Суммарная толщина асфальтобетонных слоев, см.

Допустимое давление в шинах, МПа

Код допустимого давления в шинах

более 25

более 1,5

W

16-25

до 1,5

X

7-15

до 1,0

Y

менее 5

до 0,5

Z

Для жестких покрытий давление в шинах не ограничивается (код W).

Информация o методе оценки кодируется с помощью двух букв. Буквой Т обозначается техническая (расчетная) оценка прочности, а буквой U - оценка, составленная на основе опыта эксперта.

Итоговая информация о прочности покрытия представляется в виде одной строки. Например, если жесткие покрытие, уложенное на основание с коэффициентом постели 72 МН/м3, характеризуется значением РСN=81, которое получено в результате расчета по вышеизложенной методике; то кодовая строка будет иметь следующий вид:

PCN 81/P/B/W/T.

Для нормальной эксплуатации покрытия необходимо, чтобы рассчитанная величина РСN превышала классификационный номер самолета "АСN"; величина которого является паспортной характеристикой любого воздушного судна.

ПРИЛОЖЕНИЕ Примеры расчета аэродромных покрытий

Пример 1. Расчет нежесткого аэродромного покрытия

Требуется запроектировать конструкцию нежесткого покрытия из асфальтобетона на участке МРД в аэропорту Барнаул.

Исходные данные: Дорожно-климатическая зона объекта - III. Проектный срок службы асфальтобетона - 10 лет. Местность по условиям увлажнения относится к первому типу.

Характеристики нагрузок

Расчетная нагрузка от воздушного судна типа Ту-154Б с нормативной нагрузкой на опору Fn=456 кН; внутреннее давление воздуха в пневматиках Ра=0,85 МПа; главная опора шасси выполнена по схеме тройной тандем; число осей в расчетной опоре n0=3; геометрические параметры главной опоры aт=0,62 м; ad=1,22 м; a=0,27 м (рис. 1). Среднесуточное число вылетов воздушных судов на последнем году проектного срока службы покрытия: самолет Ту-154 - 15 вылетов.

Характеристики материалов для строительства основания и покрытия

Асфальтобетонные смеси: плотная, марки 1 и пористая. Модуль упругости плотного асфальтобетона - 10·102 МПа; пористого - 6·102 МПа. Сопротивление растяжению при изгибе Rd плотного асфальтобетона марки 1 - 2,4 МПа, пористого - 1,5 МПа [I, приложение 9, табл.2, 3].

Щебень, обработанный вязким битумом смешением в установке, с пределом прочности на сжатие исходной скальной породы менее 80 МПа (до 60 МПа), Е=5·102 МПа [I, приложение 9, табл.5];

Щебень из природного камня, уложенный по принципу расклинцовки, с пределом прочности при сжатии равным 80 МПа, E=3,5·10 МПа [I, приложение 9, табл. 6].

Грунт естественного основания - глина. Модуль упругости грунта - 34 МПа [I, приложение 4, с.35].

Расчетные коэффициенты

Коэффициент динамичности Kd=1,1 [I, п. 5.49].

Коэффициент разгрузки γf=1,0.

Коэффициент условий работы:

      при расчете по предельному относительному прогибу

                γf=1,05 [I, п. 5.60];

      при расчете асфальтобетона на растяжение при изгибе

                γf=1,0 [I, п. 5.63].

Конструирование

С учетом наличия строительных материалов и данных [I] табл. 23 и 24 для расчета принимаем конструкцию покрытия; показанную на рис 7.

Рис. 7. Схема конструкций нежесткого покрытия

Рис. 8. Расчетная схема передачи нагрузки от Ту-154 на покрытие

1. Определение одноколесной эквивалентной нагрузки

а) вычисляем расчетную нагрузку на колесо по формуле (2) для расчета покрытия по предельному относительному прогибу

б) определяем параметр "а" (см. рис. 1, п.3) по формуле(3) при aт=0,62 м

в) вычисляем одноколесную эквивалентную нагрузку по формуле (1) при ad=1,22 м

Величина одноколесной эквивалентной нагрузки для Ту-154Б при расчете асфальтобетона на растяжение при изгибе будет равна расчетной нагрузке на колесо Fе=Fd=83,6 кН, поскольку суммарная толщина асфальтобетона t1+t2=0,14 м<a/2=0,16 м (см. п.3).

2. Вычисление диаметра круга, равновеликого площади отпечатка пневматика одноколесной эквивалентной нагрузки, по формуле (4)

а) для расчета конструкции по предельному относительному прогибу

б) для расчета асфальтобетона на прочность на растяжение при изгибе

3. Определение приведенной повторяемости приложения нагрузок по формуле (6).

Для расчета прочности конструкции по предельному относительному прогибу Nr=15·1=15, а для расчета прочности, асфальтобетона на растяжение при изгибе Nr=15·3=45.

4. Расчет принятой конструкции нежесткого покрытия (рис.7) по предельному относительному прогибу

а) определяем средний модуль упругости многослойной конструкции по формуле (9)

б) вычисляем отношения:

в) по вычисленным отношениям с помощью номограммы по [I, приложение 10, рис. 7] находим коэффициент

Ψk(0,096;1,28)=0,40;

г) вычисляем эквивалентный модуль упругости конструкции нежесткого покрытия по формуле (8)

д) определяем расчетный относительный прогиб покрытия по формуле (7)

е) определяем предельный относительный прогиб покрытия по [I, приложение 10, рис. 8]:

при Ра=0,85 МПа и Nr=15 находим λu=0,0056;

ж) проверяем выполнение условия прочности (5) при γс=1,0:

Таким образом, условия прочности покрытия по предельному относительному прогибу обеспечено.

5. Расчет прочности асфальтобетона на растяжение при изгибе

а) определяем средний модуль упругости асфальтобетонных слоев

б) определяем средний модуль упругости слоев основания под асфальтобетоном по формуле (9)

в) вычисляем отношения

г) по номограмме [I, приложение 10, рис. 7] находим коэффициент

Ψk(0,13;1,80)=0,55;

д) определяем эквивалентный модуль упругости основания под асфальтобетоном

е) вычисляем отношения

ж) по номограмме [I, приложение 10, рис. 9], по вычисленным отношениям Eabе=5,39 и tab/De=0,40 определяем удельное растягивающее напряжение при изгибе в асфальтобетоне ;

3) вычисляем наибольшее растягивающее напряжение в нижнем слое асфальтобетона по формуле (11)

и) проверяем выполнение условия прочности (10) для нижнего слоя из пористого асфальтобетона:

при Nr<50, Rd=1,5 МПа и γc=1,0

имеем σr=1,10 МПа< γc·Rd=1,5 МПа.

Это значит, что прочность асфальтобетона на растяжение при изгибе обеспечена.

6. Проверка конструкции покрытия на морозоустойчивость

а) по картограмме рис. 6 методических указаний для г. Барнаула определяем высоту промерзающей толщи Нf=2,1 м;

б) определяем высоту промерзающего слоя грунтового основания

Hi=Hf-(tab+tщ+tn)=2,1-(0,14+0,33+0,30)=1,33 м;

в) вычисляем отношение

г) определяем коэффициент mzi, учитывающий снижение интенсивности пучения по глубине. При Hi/Hf=0,63 по рис. 5 методических указаний находим mzi=0,68;

д) определяем коэффициент морозного пучения Kf для глин. При первом типе гидрологических условий по [I, приложение 7,табл.3] находим Kf=0,03;

е) вычисляем расчетное значение деформации пучения по формуле (39)

ж) определяем предельное значение вертикальной деформации основания. Для капитального нежесткого покрытия на участке МРД по табл. 2 методических указаний находим Su=0,04 м;

з) проверяем выполнение условия (38):

Sf=0,0027<Su=0,04.

Поскольку неравенство (38) выполняется, то морозоустойчивость конструкции обеспечена.

Пример 2. Расчет армобетонного покрытия на жестком основании

Исходные данные:

аэропорт расположен во второй дорожно-климатической зоне, севернее 50° северной широты;

продолжительность периода отрицательных температур 151 сутки;

грунт естественного основания - суглинок с содержанием глинистых частиц от 10 до 20%.

Расчетный коэффициент постели грунта KS=50 МН/м3 [I, приложение 4, с.35];

тип гидрогеологических условий - 1;

высота промороженной толщи покрытия и основания Hf=1,20 м;

интенсивность движения воздушных судов - 10 самолетов в сутки.

Характеристики бетона

Бетон тяжелый, приготовленный из песка, с модулем крупности свыше 2,0.

Класс бетона по прочности на растяжение при изгибе Bbtb=4,0 МПа.

Расчетное сопротивление растяжению при изгибе Rbtb=3,43 МПа

Начальный модуль упругости бетона Eb=3,24·104 МПа.

Характеристики искусственного основания

Грунтоцемент, приготовленный из оптимальной грунтовой смеси способом смешения на месте с цементом М400 (при дозировке равной 12% от веса грунта).

Расчетное сопротивление растяжению при изгибе

Rbtb=0,6 МПа [I, приложение 9, табл. 4].

Модуль упругости Е=29·102 МПа.

Значение расчетных коэффициентов:

разгрузки γf=1,0 (1, табл.30);

динамичности Kd=1,2;

условий работы γf=0,9;

KN=1,0 (для оснований из материалов, обработанных вяжущими).

Расчет на прочность

1. Определяем расчетную нагрузку на колесо по формуле (2)

2. Вычисляем радиус круга, равновеликого площади отпечатка пневматика колеса по формуле (18)

3. Задаемся толщиной плиты t=0,28 м и вычисляем жесткость расчетного сечения по формуле (20)

4. Вычисляем упругую характеристику плиты по формуле (19)

5. Определяем величину изгибающего момента в расчетном сечении от действия колеса 1 (см. рис.8), центр отпечатка которого совпадает с расчетным сечением, по формуле (16):

а) вычисляем отношение

б) по вычисленному отношению Re/=0,17 находим значение f(α)=0,2224 [I, приложение 10, табл.1];

в) подставляя найденное значение f(α) в (16), определяем изгибающий момент

m1=Fd·f(α)=95·0,2224=21,13 кНм/м

6. Определяем единичные изгибающие моменты mx(y)i в расчетном сечении от действия 2, 3, 4, 5 и 6-го колес (см. рис.8); результаты вычислений записываем в табличной форме.

Таблица 6

№№ колес на схеме рис. 8

Абсолютные координаты, м

Приведенные координаты

Единичные изгибающие моменты

yi

xi

ξi

ηi

mxi

myi

2

0,98

0,00

0,94

0,00

0,0037

0,0590

3

0,98

0,62

0,94

0,60

0,0089

0,0314

4

0,00

0,62

0,00

0,60

0,0949

0,0338

5

1,03

0,62

0,99

0,60

0,0061

0,0302

6

1,03

0,00

0,99

0,00

0,0015

0,0551

7. Вычисляем максимальный изгибающий момент в центре плиты по формуле (15)

8. Определяем расчетный изгибающий момент по формуле (14)

9. Вычисляем расчетное число приложений нагрузок по формуле (24) и коэффициент Ku по формуле (23):

10. Определяем предельный изгибающий момент по формуле (22)

11. Проверяем выполнение условия прочности (13)

md=49,24>mu=46,38 кНм/м

Поскольку расчетный момент превышает предельный, то необходимо увеличить толщину плиты или применить упрочненное основание. Принимаем второе решение.

12. Задаемся толщиной искусственного основания из цементогрунта равной 15 см и вычисляем его жесткость по формуле аналогичной (20)

13. Определяем расчетный изгибающий момент в плите на искусственном основании из материала, обработанного вяжущим, по формуле (25):

а) вычисляем отношение

б) по графику в [I, приложение II, рис. 1] при B/Bf=72,66 находим параметр θ=0,18;

в) вычисляем коэффициент Р по формуле (27)

г) подставляя вычисленный параметр в (25), определяем расчетный изгибающий момент

14. Проверяем выполнение условия прочности (13)

md=47,11<mu=47,19 кН·м/м

Таким образом, прочность конструкции обеспечена, так как неравенство (13) выполняется с точностью до 2%.

Расчет на морозоустойчивость:

а) определяем высоту промерзающего слоя основания

Hi=Hf-(tb+tf)=1,20-(0,28+0,15)=0,77 м;

б) вычисляем отношение

в) по вычисленному отношению Hi/Hf=0,64 определяем коэффициент mzi, учитывающий снижение интенсивности пучения по глубине; по графику в [I, приложение 7, рис. 2] находим mzi=0,69;

г) определяем коэффициент морозного пучения для суглинка с содержанием глинистых частиц от 10 до 20%. При первом типе гидрогеологических условий по [I, приложение 7, табл.3] находим Kf=0,02;

д) вычисляем расчетное значение деформации пучения по формуле (39)

Sf=0,77·0,69·0,02=0,01 м;

е) проверяем выполнение условия (38)

SfSu или 0,01≤0,02

Таким образом, морозоустойчивость конструкции обеспечена.

Пример 3. Расчет жесткого двухслойного покрытия

Исходные данные:

аэропорт расположен во II дорожно-климатической зоне, севернее 50° северной широты;

группа участков покрытия - А;

класс аэродрома - 1;

расчетное воздушное судно типа Ил-62 с нормативной нагрузкой на опору Fn=784 кН;

внутреннее давление в шинах - 1,1 МПа;

схема главной опоры - двойной тандем с расстояниями aт=0,80 м и bт=1,65 м;

проектный срок службы покрытия - 20 лет;

число приложений нагрузок за проектный срок службы - 1·106;

грунт естественного основания - супесь легкая;

расчетный коэффициент постели грунта KS=60 Мн/м3;

тип гидрогеологических условий - 1;

глубина промороженной толщи покрытия и основания до начала изотермы пучения Hf=1,4 м;

глубина горизонта подземных вод к началу промерзания грунта - 3,0 м.

Характеристика бетона

для верхнего слоя покрытия из армобетона применяем тяжелый бетон класса Bbtb=4,0 с расчетным сопротивлением растяжению при изгибе. Rbtb=3,43 МПа и начальным модулем упругости Еbзим=3,24·104 МПа;

для нижнего слоя применяем бетон класса Bbtb=2,8 с расчетным сопротивлением растяжению при изгибе Rbtb=2,26 МПа и начальным модулем упругости Ebinf=2,6·104 МПа.

Характеристики искусственного основания

верхний слой основания: щебень из природного камня с пределом прочности на сжатие 80 МПа, уложенный по принципу расклинцовки; коэффициент постели KS=3,5·102 МН/м3 [I, приложение 9, табл. 6];

нижний слой основания: крупнозернистая песчано-гравийная смесь (частиц крупнее 10 мм свыше 50%) с коэффициентом постели KS2=2,8·102 МН/м3 [I, приложение 9, табл.6].

Расчетные коэффициенты

разгрузки γf=1,0 [I, п. 5.49, табл.30];

динамичности Kd=1,25 (там же);

      KN=1,0;

      Kn=1,0;

условий работы γc=0,9 [I, табл.31].

Расчет конструкции жесткого двухслойного покрытия состоит из следующих этапов:

I. Задаемся толщинами конструктивных слоев (см. рис.9; швы плит верхнего и нижнего слоев не совмещены).

II. Определяем эквивалентный коэффициент постели слоистого основания при условном диаметре круга передачи нагрузки на основание Dr=3,6 м (см. п. 4.3. методических указаний):

а) вычисляем коэффициенты α2 и α3 по формулам (29) и (30)

б) подставив вычисленные значения коэффициентов α2 и α3 в (28), получим

Рис. 9. Схема к расчету конструкции жесткого двухслойного покрытия

Расчет на прочность

1. Определяем расчетную нагрузку на колесо по формуле (2)

2. Вычисляем радиус круга, эквивалентного площади отпечатка колеса по формуле (18)

3. Определяем жесткость сечений плит верхнего и нижнего слоев по формуле (20);

а) для верхнего слоя

б) для нижнего слоя

суммарная жесткость составит

B=Bsпр+Binf=74,35+38,84=113,19 МНм2

4. Вычисляем упругую характеристику условной однослойной плиты, имеющей жесткость В=113,19 Мн м2/м, по формуле (19)

5. Определяем максимальный изгибающий момент mc,max в центре условной однослойной плиты:

а) вычисляем отношение α=Re/=0,266/1,034=0,257;

б) находим единичный изгибающий момент  от воздействия колеса, центр отпечатка которого совпадает с расчетным сечением,

в) определяем единичные изгибающие моменты от воздействия других колес главной опоры воздушного судна; результаты расчета сводим в табл. 7.

Таблица 7

№№ колес на схеме [I, с. 20]

Абсолютные координаты, м

Приведенные координаты

Единичные изгибающие моменты

xi

yi

2

0,80

0,00

0,00

0,77

0,0748

0,0153

3

0,80

1,65

1,59

0,77

отрицат.

0,0117

4

0,00

1,65

1,59

0,00

отрицат.

0,0243

Σ

0,0748

0,0513

г) вычисляем mс,max.

6. Определяем расчетные изгибающие моменты в плитах верхнего и нижнего слоев двухскатного покрытия с несовмещенными швами:

а) вычисляем отношения

б) находим коэффициент

(по табл. 1 методических указаний при Binf/Bsap=0,52);

в) подставив полученные значения отношений жесткостей слоев и коэффициента K1 в формулы (35) и (36), получим

7. Вычисляем предельные величины изгибающих моментов для плит:

а) верхнего слоя по формуле (22):

б) нижнего слоя по формуле (37) при

 (см. рис. 3);

8. Проверяем выполнение условий прочности (31) и (32):

mdsup=46,82 кН·м/м,  musup=46,30 кН·м/м

или

mdsupmusup с точностью до 1,1%,

mdinf=21,69 кН·м/м<muinf=29,19 кН·м/м,

т.е. условие прочности для нижнего слоя обеспечено.

Расчет на морозоустойчивость

а) определяем высоту промерзающего слоя основания

Hi=1,6-(0,3+0,26+0,25+0,2)=0,59 м;

б) вычисляем отношение

в) определяем коэффициент mzi:

при Hi/Hf=0,37 по графику рис. 5 находим mzi=0,53;

г) по [I, приложение 7, табл.3] находим коэффициент морозного пучения грунта Kf=0,03;

д) вычисляем расчетное значение деформации пучения по формуле (39)

Sf=0,59·0,53·0,03=0,0094 м=0,01 м;

е) проверяем выполнение условия (38)\

Sf<Su  или  0,01<0,02

Следовательно, морозоустойчивость принятой конструкции покрытия обеспечена.

Литература

1. СНиП 2.05.08-85. Аэродромы. М.: ЦИТП Госстроя СССР, 1985. 59 с.

2. Степушин А.П. Повторность воздействия самолетных нагрузок на отдельных участках аэродромных покрытий. Труды /МАДИ, Вып.136. М.: Ротапринт ВНИЭСХ, 1977. С.81-90.

3. СНиП 2.01.01-82. Строительная климатология и геофизика. М.: Стройиздат, 1983. 136 с.




Яндекс цитирования



   Copyright © 2007-2026,  www.tehlit.ru.

[ ѓосты, стандарты, нормативы, инструкции, правила, строительные нормы ]