//
|
|
СТАНДАРТ ОРГАНИЗАЦИИ НАСТИЛЫ СТАЛЬНЫЕ ПРОФИЛИРОВАННЫЕ ДЛЯ ПОКРЫТИЙ ЗДАНИЙ И СООРУЖЕНИЙ Проектирование, изготовление, монтаж СТО 0043-2005 Москва 2005 Предисловие 1 РАЗРАБОТАН ЗАО «ЦНИИПСК им. Мельникова» и ЗАО «Хилти Дистрибьюшн Лтд» 2 ВНЕСЕН организациями-разработчиками 3 ПРИНЯТ на Научно-техническом совете Центрального научно-исследовательского и проектного института строительных металлоконструкций (ЗАО «ЦНИИПСК им. Мельникова») 25 ноября 2004 г. 4 ВВЕДЕН впервые 5 Разработка, согласование, утверждение, издание (тиражирование), изменение или пересмотр и отмена настоящего стандарта производится организациями-разработчиками Содержание: Введение Настоящий стандарт разработан в соответствии с Федеральным законом «О техническом регулировании» № 184-ФЗ и предназначен для разработчиков стандарта, организаций, разрабатывающих проектную и иную документацию на металлические конструкции зданий и сооружений с применением профилированного настила, а также организаций, производящих изготовление и монтаж таких конструкций. Стандарт может применяться организациями, выполняющими работы в области установленной стандартом, если эти организации имеют сертификаты соответствия, выданные Органом по сертификации в системе добровольной сертификации. Организации-разработчики не несут никакой ответственности за использование данного стандарта организациями, не имеющими сертификатов соответствия. Стальной профилированный настил представляет собой несущую конструкцию, состоящую из гофрированных листовых профилей, соединенных между собой по продольным краям и надежно закрепленных на опорах, расположенных поперек гофров. В настоящем стандарте рассматриваются наиболее экономичные виды профилированного настила с трапециевидными гофрами, изготовленные из оцинкованной стали толщиной от 0,6 до 1,0 мм. Необходимость разработки стандарта обоснована тем, что результаты проведенных экспериментальных исследований и зарубежный опыт применения профилированных настилов за последнее десятилетие не нашли отражения в отечественных нормативных документах и рекомендациях. Основной целью стандарта является создание обобщающего нормативного документа, учитывающего особенности действительной работы профилированного настила в покрытиях зданий и прогрессивный опыт его применения. СТАНДАРТ ОРГАНИЗАЦИИ
Утвержден и введен в действие Приказом ЗАО «ЦНИИПСК им. Мельникова» от 25 апреля 2005 г. №74 и приказом ЗАО «Хилти Дистрибьюшн Лтд.» от 19 апреля 2005 г. № 01-04/Gen Дата введения 2005-05-101 Область примененияНастоящий стандарт организации (далее - СТО) устанавливает требования, необходимые при проектировании, изготовлении и монтаже стальных профилированных настилов для покрытий зданий и сооружений, и распространяется на профилированные настилы из оцинкованной стали, включенные в ГОСТ 24045-94. СТО не распространяется на профилированный настил покрытий, находящийся в особых условиях эксплуатации (в зданиях, подвергающихся интенсивным температурным воздействиям или воздействиям агрессивных сред), а также в покрытиях специальной конструкции (предварительно напряженных, пространственных, висячих). 2 Нормативные ссылкиВ настоящем стандарте использованы ссылки на следующие нормативные документы: ГОСТ 380-94* Сталь углеродистая обыкновенного качества. Марки ГОСТ 14918-80* Сталь тонколистовая оцинкованная с непрерывных линий. Технические условия ГОСТ 24045-94 Профили стальные листовые гнутые с трапециевидными гофрами для строительства. Технические условия ГОСТ Р 52146-2003 Прокат тонколистовой холоднокатаный и горячекатаный оцинкованный с полимерным покрытием с непрерывных линий СНиП II-23-81* Стальные конструкции, Москва, 1991 СНиП 2.01.07-85* Нагрузки и воздействия, 2003 Пособие по проектированию стальных конструкций (к СНиП II-23-81*) СНиП 2.03.11-85 Защита строительных конструкций от коррозии 3 Термины и определенияВ настоящем стандарте применены следующие термины: 3.1 стандарт организации; СТО: Стандарт, утвержденный и применяемый организацией для разработки проектной и иной документации на стальные профилированные настилы покрытия зданий; 3.2 стальной профилированный настил (далее настил): Гофрированные листовые профили, соединенные между собой по продольным краям и закрепленные на опорных конструкциях покрытия, расположенных поперек гофров настила 3.3 редуцированная площадь сечения профиля: Рабочая расчета площадь сечения настила, определяемая с учетом потери местной устойчивости продольно сжатых участков профилей настила в закритической стадии его работы при поперечном изгибе; 3.4 продольное ребро жесткости: Дополнительный продольный риф в полках профиля, повышающий их рабочую ширину в закритической стадии; 3.5 уступ на стенках профиля: Продольное ребро эквивалентной жесткости, обеспечивающее устойчивость стенок гофров в надопорных зонах настила; 3.6 диафрагма из профилированного настила: Настил, выполняющий функцию горизонтальных связей покрытия в плоскости его закрепления на опорах. В диафрагмах настил должен крепиться на опорах в каждой волне, причем соединения профилей настила между собой и на опорах являют расчетными; 3.7 самонарезающий винт (болт): Метиз для крепления настила к стальным конструкциям. Этот метиз может устанавливаться в просверленное отверстие меньшего диаметра или в сплошной металл, благодаря самосверлящей конструкции винта; 3.8 дюбель: Стальной гвоздь с шайбой для крепления настила к стальным, бетонным и каменным конструкциям с помощью пристрелки специальным пистолетом; 3.9 комбинированная заклепка: Метиз для соединения профилей настила между собой внахлест, состоящий из алюминиевого или стального корпуса и стального стержня. 4 Общие положения4.1 Профилированный настил допускается применять без дополнительного защитного покрытия только в неагрессивной среде. В слабоагрессивной среде настил должен иметь защитное лакокрасочное или полимерное покрытие в соответствии с ГОСТ Р 52146. В среднеагрессивной среде профилированный настил применять не допускается. 4.2 Перечень основных профилеразмеров настила с трапециевидными гофрами по ГОСТ 24045 и ширина заготовок для их изготовления приведены в таблице 1. 4.3 Применение профилей одной марки, но разной толщины в настиле покрытия одного здания не допускается. Таблица 1- Стандартные типы профилированных настилов
4.4 Профили настила следует изготовлять из рулонной оцинкованной стали любой степени раскисления по ГОСТ 380*, групп ХП и ПК с цинковым покрытием первого класса с двух сторон по ГОСТ 14918. 4.5 Наиболее распространенные виды защитно-декоративных покрытий профилированного настила приводятся в СНиП 2.03.11. 4.6 Механические характеристики материала профилей определяются заводом-изготовителем по результатам стандартных испытаний и должны быть указаны в сертификатах на готовые профили. При расчете настилов расчетное сопротивление стали при растяжении, сжатии и изгибе принимается не менее Ry = 250 МПа (2450 кгс/см2), расчетное сопротивление срезу Rs = 130 МПа (1330 кгс/см2). 5 Расчетные характеристики настилов5.1 Основные характеристики поперечного сечения профилей по ГОСТ 24045 приведены в таблице 2. Справочные значения моментов инерции и сопротивления в таблице 2 определяли при расчетной ширине плоских участков сжатых полок профилей, равной 40t при определении моментов сопротивления и 60t - при определении моментов инерции. Криволинейные участки, стенки гофров и растянутые полки настила включены в расчетную площадь сечения полностью. 5.2 В связи с тем, что в закритической стадии работы настила на поперечный изгиб редуцированная площадь сечения профиля является переменной величиной, зависящей от уровня максимальных напряжений в сжатых полках, более точные значения моментов инерции и сопротивления, чем в таблице 2, следует определять методом итерации с учетом расчетных значений этих напряжений (см. СТО 0047-2005 приложение А). 6 Расчет профилированного настила6.1 Прочность и жесткость (прогиб) профилированных настилов при поперечном изгибе проверяются по методике, приведенной в п.п. 6.2 и 6.3. Устойчивость гладких стенок гофров над средними опорами при неразрезных схемах раскладки настилов проверяется по методике, приведенной в п.6.4. Устойчивость стенок ступенчатого поперечного сечения в неразрезных настилах из профилей Н75-750-0,8(0,9), Н114-600-0,8(0,9) и Н114-750-0,8(0,9) проверяется над средними опорами в соответствии с пп. 6.5 и 6.6 с учетом требований СНиП II-23-81* к стенке сжато-изогнутого элемента, укрепленной продольным ребром жесткости. Таблица 2 - Обозначение профиля для настилов и их геометрические характеристики
6.2 Прочность изгибаемого настила следует проверять по формуле: где М - расчетное значение изгибающего момента в рассматриваемом сечении; Wmin - минимальный расчетный момент сопротивления в рассматриваемом сечении, принимаемый по таблице 2; Ry - расчетное сопротивление стали при изгибе; γn - коэффициент надежности по назначению. 6.3 Прогиб настила fр от нормативной нагрузки, определяемый как для балки с моментом инерции Ix по таблице 2, следует проверять по формуле:
где L - расчетный пролет настила. 6.4 Устойчивость стенок гофров над средними опорами неразрезного настила высотой не более 60 мм проверяется по формуле:
где σ - нормальное напряжение от изгиба, определяемое по формуле (1); σlok - местное напряжение от реакции средней опоры, определяемое по формуле (4); σо - нормальное критическое напряжение, определяемое по формуле (5); σcr - местное критическое напряжение, определяемое по формуле (6); т = 1 - при опирании настила на прогон из двутавра, двух швеллеров или гнутосварного замкнутого профиля; т = 0,9 - при опирании настила на прогон из одиночного швеллера;
где Bo- опорная реакция на одну стенку гофра; z - ширина расчетного участка стенки гофра, равная b = 2r, но не более 1,5 h; b - ширина полки прогона или другого элемента несущих конструкций покрытия, на который опирается настил; r - радиус сопряжения стенок гофров с полками профиля;
где ko - коэффициент, зависящий от характера напряжений в участке и принимаемый по таблице 3; ko1 - коэффициент, определяемый по формуле (7); ho = h - 2(r + t) - расчетная высота гофра. Таблица 3 - Коэффициенты А и ko для расчета настила
где Ry - в МПа; A - коэффициент, зависящий от размеров сечения стенки и определяемый по таблице 3; k - коэффициент, определяемый по таблице 4 в зависимости от ширины опоры настила при условии, что b ≤ (1,5h – 2r);
Таблица 4
Если
6.5 При проверке устойчивости стенок ступенчатого поперечного сечения в гофрах неразрезного профилированного настила уступ на стенке рассматривается как продольное ребро эквивалентной жесткости (рисунок 1).
б)
Рисунок 1 - Расчетная схема ступенчатой стенки гофра при проверке ее местной устойчивости 6.6 Продольное ребро жесткости в виде уступа делит стенку гофра на два расчетных отсека, высоты которых ho1 и ho2 равны расстояниям от выкружек уступа соответственно до нижней и верхней полок настила (рисунок 1 в). Устойчивость каждого из отсеков стенки в надопорных зонах настила считается обеспеченной, если выполняются условия:
где ho - наибольшая по условиям устойчивости ширина сжатоизогнутой пластины, зависящая от значения коэффициента α, определяемого по формулам:
здесь:
y - расстояние от опорной полки гофра до горизонтальной оси уступа на стенке, принимаемое по ГОСТ 24045-94; Wx1 Wx2 - моменты сопротивления сечения настила, принимаемые по таблице 2; σt - наибольшее растягивающее напряжение в надопорном сечении настила, принимаемое со знаком "минус". При
При
где γ - коэффициент, учитывающий местное смятие и определяемый по формуле:
β - коэффициент, зависящий от характера напряжений в надопорном сечении стенки и определяемый по формуле:
здесь τо = τ1 - среднее касательное напряжение в отсеке 1, определяемое по формуле:
τo = τ2 - среднее касательное напряжение в отсеке 2, определяемое по формуле:
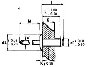
В интервале 0,5 < α < 1,0 значение hо определяется линейной интерполяцией между значениями hо при α= 0,5 и α = 1,0. Если hо1, > hо или hо2 > hо, устойчивость стенок гофров считается не обеспеченной и расчетную нагрузку на настил следует уменьшить. 7 Соединения настила7.1 Соединения настила самонарезающими винтами компании Hilti7.1.1 Для соединения тонких профилированных листов между собой используют самосверлящие самонарезающие винты марок S-МD 01Z, S-МD 03Z и S-МD 51Z (рисунок 2).
Рисунок 2 - Самосверлящие винты S-МD 51Z с полиэтиленовой шайбой для соединения двух или трех листов толщиной от 0,6 до 0,8 мм Эти винты применяют для соединения двух или трех листов общей толщиной не более 2,75 мм при длине винта 19 мм. 7.1.2 Для крепления профилированных листов к стальным несущим элементам покрытия (фермам, балкам, прогонам) используют самонарезающие самосверлящие винты марок S-МD 05-Z, S-МD 21-Z, S-МБ 53-Z, S-МD 55-Z, S-МD 51-LZ. 7.1.3 Самонарезающие самосверлящие винты диаметром от 4,8 до 6,3 мм изготовляют из высокопрочной углеродистой стали с цинковым покрытием и применяют для крепления настила к основному металлу толщиной от 1,25 до 12,0 мм с временным сопротивлением не менее 370 МПа. Крепление настила выполняется непосредственно к опорной конструкции или через слой утеплителя при длине винта от 38 до 55 мм (рисунок 3).
Рисунок 3 - Удлиненные винты S-МD 51LZ, для крепления настила к опорной конструкции через слой утеплителя. 7.1.4 Самосверлящие винты класса S-MDS диаметром от 4,8 до 5,5 мм и длиной не более 100 мм изготовляют из нержавеющей стали и применяют для крепления настила в агрессивной среде. 7.1.5 Самонарезающие винты S-МР 52Z и S-МР 53Z диаметром 6,3 мм с цинковым покрытием используют для крепления профилированных листов к металлическим конструкциям, в которых перед установкой винта необходимо просверлить отверстие меньшего диаметра (таблица 5). Длина этих винтов не превышает 100 мм (рисунок 4). Таблица 5 - Требуемые диаметры отверстий под винты S-МРZ
Рисунок 4 - Самонарезающие винты S- МР 52Z без сверла 7.1.6 Самонарезающие винты могут поставляться с уплотняющими шайбами диаметром 16 мм из полимерного материала или без них. Для кровельного профилированного настила винты должны использоваться с шайбами. Наконечник самосверлящего винта выполнен в форме сверла, длина которого зависит от толщины базового металла. Винты с коротким сверлом используют для соединения листов общей толщиной от 0,75 до 3,0 мм, со сверлом средней длины - для толщин не более 6,0 мм, с длинным сверлом - для толщин от 5,0 до 12,0 мм. После установки винта сверло должно выступать из базового материала не менее чем на 2,0 мм. Винты устанавливаются с помощью электрических шуруповертов Hilti SТ 1800 или SТ 2500, снабженных ограничителем заворачивания винта до требуемой глубины (для винтов с уплотнительными шайбами) или регулятором крутящего момента (для винтов без шайб). 7.1.7 Опорные соединения профилированного настила на самонарезающих винтах должны рассчитываться на срез и растяжение (рисунок 5).
Рисунок 5 - Предельные состояния винтового соединения 7.1.8 Расчетное срезающее усилие Nb, которое может быть воспринято одним винтом, определяется по формуле:
где t - толщина более тонкого из соединяемых профилей в мм; d - диаметр винта, мм
Ru - расчетное сопротивление стали настила в кH/мм2. 7.1.9 Расчетное сопротивление Vb, одновинтового соединения настила при растяжении (выдергивании) принимается как соответствующее меньшее из значений, приведенных в таблицах 6 и 7. В таблице 6 даны предельные растягивающие усилия Vb1 на один винт при отрыве настила от опоры. Таблица 6 - Предельные растягивающие усилия на один винт
В таблице 7 даны предельные растягивающие усилия Vb2 на один винт при его выдергивании из основного металла опоры. Таблица 7 - Предельные растягивающие усилия на один винт
7.1.10 Количество винтов в опорном соединении настила при действии срезающего усилия N определяется по формуле:
7.1.11 Количество винтов в опорном соединении настила при действии растягивающего (выдергивающего) усилия V определяется по формуле:
где Vb - меньшее из значений Vb1 и Vb2 по таблицам 6 и 7. 7.1.12 Винты в соединении настила, работающие одновременно на срез и растяжение, следует рассчитывать на срез и растяжение отдельно. 7.2 Крепление настила с помощь дюбелей компании Hilti7.2.1 Для крепления профилированного настила к металлическим конструкциям используют дюбели двух марок Х-ЕNР-19 и ЕNР2К-20 (рисунок 6). Дюбели Х-ЕNР-19 (ЕNР2К-20) диаметром 4,5 мм являются универсальными и могут быть использованы для крепления стальных листов толщиной от 0,6 до 4,0 мм к стальной конструкции толщиной от 3 до 8 мм (для дюбелей ENР2К-20) или от 6 мм и более (для дюбелей Х-ЕNР-19).
Рисунок 6 - Дюбель Х-ЕNP-19 Дюбели ЕNР2К диаметром 3,7мм применяются для крепления профилированного настила к стальной конструкции толщиной от 3 до 8 мм (рисунок 7).
Рисунок 7 - Дюбели Hilti 7.2.2 Высокопрочные дюбели - гвозди должны изготовляться из стали, твердость которой в 2-3 раза больше, чем у основного металла, в который они устанавливаются. Временное сопротивление стали дюбелей при растяжении (предела прочности) должно быть около 2000 МПа при твердости по Роквеллу не менее 55. Такие дюбели применяются для крепления пакета из стальных листов общей толщиной не более 4 мм и к несущей конструкции из стали с пределом прочности от 340 до 630 Н/мм2 (рисунок 8).
Рисунок 8 - Правильное положение дюбеля в соединении 7.2.3 Область применения дюбелей ограничивается толщиной и прочностью основного металла. Зависимость максимальной толщины основного металла от его прочности для дюбелей ЕNР2 приводится на рисунке 9а, для дюбелей ЕNP2К - на рисунке 9б.
Рисунок 9 - Зависимость предельной толщины базового материала от его прочности 7.2.4 Дюбельное соединение профилированного настила работает на срез и растяжение по одной из четырех схем (рисунок 10).
Рисунок 10 - Типовые схемы дюбельных соединений профилированного настила Несущая способность дюбельного соединения зависит от толщины прикрепляемого настила и схемы, по которой оно работает (таблица 8). Глубина установки дюбеля в основном металле рекомендуется от 22 до 27мм. 7.2.5 Требуемое количество дюбелей в соединении настила определяется по формулам: на срез
на растяжение
где V и N - срезающее и отрывающее усилие на соединение; VR1 и NR1 - несущая способность однодюбельного соединения на срез и отрыв; γm = 1,25 - коэффициент условия работы; α1 = 1,1 - коэффициент, учитывающий многократное воздействие ветровой нагрузки. Таблица 8 - Предельные усилия на дюбельные соединения
7.2.6 Дюбели должны иметь цинковое покрытие от 5 до 15 μкм, обеспечивающее их защиту от коррозии в течение 25 лет в слабоагрессивной среде. 7.2.7 Кроме одной или двух металлических шайб, в комплект с дюбелями, применяемыми для крепления кровельных профилированных настилов включены защитный колпачок из нержавеющей стали и неопреновая шайба (рисунок 11).
Рисунок 11 - Дюбельное соединение кровельного настила Уклон кровли из профилированного настила, закрепленного дюбелями с неопреновыми шайбами, должен быть не менее 6°. 7.2.8 Дюбели забиваются в базовый материал при помощи порохового монтажного пистолета Hilti DХ 76 МХ (с магазином для дюбелей в ленте по 10 шт.) или DХ 76 F15 (для установки одиночных дюбелей). Монтажный пистолет обладает пятью степенями защиты от непроизвольного выстрела: - ствол пистолета во время выстрела должен быть расположен перпендикулярно к поверхности соединяемых элементов; - выстрел может быть произведен только в том случае, если усилие, прижимающее пистолет к соединяемым элементам, превышает 5 кгс; - выстрел не произойдет без предварительного нажатия на спусковой крючок пистолета до упора; - для выполнения выстрела необходимо последовательно произвести все выше приведенные действия; - выстрел не произойдет при падении пистолета. Для исключения сквозного прострела базового материала в монтажном пистолете используется поршневой принцип действия. 7.2.9 Для установки дюбеля ширина нижней полки настила с трапециевидными гофрами должна быть не менее 38 мм. Расстояние от дюбеля до ближайшей стенки гофра должно быть не менее 20 мм. Расстояние от края базовой конструкции до ближайшего дюбеля должно быть не менее 10 мм. Шаг дюбелей вдоль гофров настила должна быть не менее 45 мм, поперек гофров - не менее 20 мм. Расстояние от дюбеля до края настила - не менее 20 мм. 7. 3 Соединения листов настила комбинированными заклепками7.3.1 Комбинированные заклепки «BRALO» состоят из алюминиевого или стального корпуса и стального стержня из калиброванной стали диаметром 2,5-2,8 мм (рисунок 12).
Рисунок 12 - Заклепочное соединение двух листов Корпус заклепки из алюминиевого сплава диаметром от 2,4 до 6,4 мм и длиной до 50 мм имеет бортик диаметром от 5 до 13 мм. Стальной корпус заклепки диаметром от 3,2 до 4,8 мм и длиной до 12 мм имеет бортик от 6 до 9,5 мм. 7.3.2 Максимальная толщина пакета из соединяемых листов зависит от диаметра и длины корпуса заклепки. Несущая способность одной стандартной заклепки в соединении профилированных листов внахлест приводится в таблице 13. 7.3.3 Шаг заклепок в соединениях принимается не более 500 мм, кроме профилированных настилов, выполняющих функцию диафрагм жесткости в покрытиях зданий и сооружений. Таблица 13 - Предельные усилия для однозаклепочного соединения
7.3.3 Шаг заклепок в соединениях принимается не более 500 мм, кроме профилированных настилов, выполняющих функцию диафрагм жесткости в покрытиях зданий и сооружений. 8 Учет жесткости диафрагм из профилированного настила8.1 Общие положения8.1.1 При проектировании легких металлических конструкций одноэтажных производственных зданий с уклоном кровли не более 10° стальной профилированный настил покрытия, кроме основных функций ограждающей конструкции, выполняет функцию горизонтальных связей на отдельных участках покрытия, называемых диафрагмами жесткости. 8.1.2 Диафрагмы жесткости должны воспринимать приходящуюся на них часть расчетных горизонтальных нагрузок, действующих на здание в продольном и поперечном направлениях и заменять (частично или полностью) горизонтальные связи покрытия. Поперечные диафрагмы жесткости располагаются в крайних шагах стропильных ферм или поперечных рам здания (отсека) длиной не более 72 м. При длине здания (отсека) более 72 м между крайними диафрагмами равномерно располагаются промежуточные диафрагмы аналогичной конструкции через каждые 36-60 м. Продольные диафрагмы жесткости в зданиях с числом пролетов не более трех располагаются вдоль крайних рядов колонн, в зданиях с числом пролетов более трех, также и вдоль средних рядов колонн с таким расчетом, чтобы расстояние между смежными диафрагмами не превышало двух пролетов. 8.1.3 Размеры поперечных диафрагм жесткости в плане следует принимать с учетом условия:
где L и B - пролет и ширина диафрагмы соответственно. Пролет поперечных диафрагм равен пролету стропильных ферм или поперечных рам, ширина этих диафрагм принимается кратной шагу стропильных ферм или поперечных рам (рисунок 13).
Рисунок 13 - Расчетная схема здания (отсека) с продольными и поперечными диафрагмами 8.2 Расчетные характеристики жесткости диафрагм из профилированного настила8.2.1 Жесткость диафрагмы из профилированного настила характеризуется величиной сдвигающей силы, вызывающей единичное смещение рассматриваемого прямоугольного участка настила по линии ее действия. Эта жесткость называется сдвиговой, обозначается С и имеет размерность Н/мм (рисунок 14).
Рисунок 14 - К расчету параметров жесткости диафрагм (а) и поперечной рамы (б) 8.2.2 Расчетная сдвиговая жесткость профилированного настила определяется при следующих допущениях: а) значение С изменяется прямо пропорционально расчетной длине рассматриваемого участка настила, параллельной направлению сдвигающей силы, и обратно пропорционально его ширине; б) сдвиговая жесткость настила не зависит от направления действия сдвигающей силы (вдоль или поперек гофров); в) настил, прогоны и их соединения работают упруго при одновременном и раздельном действии сдвигающих сил в плоскости диафрагм и вертикальных нагрузок на покрытие; г) поперечная нагрузка на настил не влияет на его сдвигающую жесткость. 8.2.3 Сдвиговую жесткость участка настила рекомендуется рассчитывать по формуле:
где Сo, - сдвиговая жесткость прямоугольной и панели-эталона из профилированных листов рассматриваемого настила (приложение Б, таблица Б 1); bo и αo - соответственно ширина и длина эталонных панелей, на которые разбивается рассматриваемый участок диафрагм; α и b - расчетные размеры рассматриваемого участка настила, параллельные сторонам панели-эталона αo и bo соответственно; Ko - коэффициент, учитывающий тип опорных креплений настила; γo - коэффициент, учитывающий характер сдвигающей силы: при ветровых нагрузках γo = 1,0; при крановых и сейсмических нагрузках - γo = 0,8; βo - коэффициент, учитывающий конструкцию покрытия и принимаемый по таблице 14. Таблица 14 - Значения коэффициентов βo
8.3 Основные расчетные положения8.3.1 В соединениях листов настила на опорах и между собой распределение продольной силы между крепежными элементами принимается равномерным. 8.3.2 Прочность соединений настила с поперечными опорами проверяется по формуле (рисунок 15).
Рисунок 15 - Расчетные усилия в соединениях настила на опорах и в пролете
где Nx и Ny - расчетные срезающие усилия на один крепежный элемент, направленные соответственно параллельно и перпендикулярно горизонтальной нагрузке; ρ - расчетное растягивающее (отрывающее) усилие на один крепежный элемент или сварную точку при ветровом отсосе; [N1] и [ρ1] - допускаемые усилия на один крепежный элемент соответственно при срезе и растяжении (отрыве). Значения [N1] и [ρ1] определяются экспериментальным путем, и должны быть предоставлены производителем метизов крепления. 8.3.3 Прочность соединений профилированных листов настила между собой в пролете проверяется по формуле:
где N - расчетная продольная сила, действующая на соединение; n - число крепежных элементов; m - коэффициент условия работы, принимаемый равным 0,9 для заклепочных соединений и 0,8 - для соединений на самонарезающих винтах. Допускаемое срезающее усилие [N2] на одну стандартную комбинированную заклепку или самонарезающий винт в соединениях листов приводится в разделе 7. 8.3.4 В поперечных диафрагмах расчетные срезающие усилия на соединения можно определять как в однопролетной балке двутаврового сечения с гофрированной стенкой из профилированного настила и поясами в виде верхних поясов стропильных ферм или ригелей поперечных рам, расположенных по продольным краям этих диафрагм. При изгибе диафрагм в своей плоскости допускается, что стенка из профилированного настила воспринимает только сдвигающие усилия, а верхние пояса ферм или ригелей испытывают дополнительное сжатие или растяжение (рисунок 16). Погонное сдвигающее усилие в настиле от равномерно распределенной горизонтальной нагрузки qr в плоскости диафрагмы определяется по формуле:
Расчетная продольная сила, действующая на соединения листов настила между собой в поперечных диафрагмах, имеет вид:
где e - шаг крепежных элементов. Максимальное дополнительное усилие в верхних поясах ферм или ригелей на продольных краях этих диафрагм от нагрузки qr равно:
Рисунок 16 - Расчетная схема поперечной диафрагмы 8.3.5 В продольных диафрагмах расчетные срезающие усилия на соединения настила определяются с учетом взаимных перемещений поперечных рам в направлении нагрузки согласно принятой расчетной схеме (рисунок 17). По этой схеме каждая продольная диафрагма здания (отсека) рассматривается как неразрезная равнопролетная балка на упругоподатливых опорах, которыми являются поперечные рамы.
Рисунок 17 - Расчетная схема продольной диафрагмы 8.3.6 В зданиях (отсеках) со свободными торцами при действии горизонтальной нагрузки в плоскости одной из поперечных рам перемещение любой из них на уровне ригеля определяется по формуле:
где b1 и b2 - произвольные постоянные, определяемые по приложению Г
К - параметр единичной жесткости поперечных рам, равный горизонтальной силе на уровне ригеля, вызывающей его единичное перемещение в плоскости рамы (см. рисунок 14 6); С - сдвиговая жесткость участка продольной диафрагмы между смежными поперечными рамами, определяемая по указаниям раздела 8.1; j и i - порядковые номера нагруженной и рассматриваемой рамы при нумерации от одного торца здания (отсека) к другому, начиная с i = 0. При действии силы Q на поперечную раму, расположенную в середине длины здания (отсека), взаимное смещение нагруженной и ближайшей к ней поперечных рам можно записать как:
где β1 и β2 - коэффициенты, определяемые по таблице Д 1 в приложении Д. Расчетные срезающие усилия в соединениях настила продольной диафрагмы принимаются в зависимости от значения максимальной сдвигающей силы
В зданиях (отсеках) при действии сил Q на каждую поперечную раму смещение ригеля любой из них можно вычислить по формуле:
где α1 и α2 - произвольные постоянные, определяемые по приложению Г. В этом случае перемещение ригеля поперечной рамы в середине длины здания (отсека) является наибольшим и имеет вид:
где βm - коэффициент, определяемый по таблице 2 приложения Д. 8.3.7 Для расчетной оценки горизонтального прогиба диафрагм с профилированным настилом при изгибе в своей плоскости рекомендуется прямоугольные участки настила между несущими элементами, к которым он прикреплен, заменить крестовой решеткой из фиктивных стержней-связей, шарнирно соединенных с этими элементами (см. рисунок 16 б). Условная площадь сечения этих стержней определяется из условия равенства сдвиговых жесткостей каждой связевой панели и соответствующего ей участка настила:
где С и α - обозначения те же, что в формуле (21);
E - модуль упругости стали. При односторонней нагрузке крестовая решетка из фиктивных связей может быть заменена раскосной, у которой условная площадь растянутого раскоса равна F = 2 Fус (см. рисунок 16 б). Прогиб диафрагм в середине пролета от расчетных горизонтальных нагрузок может быть определен как прогиб эквивалентной связевой фермы с бесконечно жесткими поясами и деформируемой раскосной решеткой по формуле:
где Np - усилия в элементах решетки эквивалентной связевой фермы от расчетной нагрузки; N1 - усилия в тех же элементах от единичной нагрузки, приложенной к середине пролета фермы; F - площадь сечения элементов решетки. 8.4 Конструктивные требования8.4.1 Профилированный настил в составе диафрагм жесткости крепится на всех опорах в каждой волне. 8.4.2 Шаг точечных соединений профилированных листов настила между собой в пролете рекомендуется принимать постоянным, но не более 500 мм. 8.4.3 Конструкция опирания прогонов, поддерживающих настил в составе диафрагм, должна практически исключать возможное закручивание их опорных сечений (варианты конструктивных решений жесткого узла опирания прогонов приводятся в приложении В). 8.4.4 В диафрагмах не рекомендуется выполнять отверстия с размерами более 1,0 м. Расстояние от краев диафрагм до отверстия должно быть не менее b/4. Если размеры отверстия в диафрагме превышают 1 м, то при определении ее сдвиговой жесткости С по формуле (21) расчетная длина α снижается пропорционально соотношению площадей этого отверстия и рассматриваемого участка настила. Приложение А
| ||||||||||||||||||||||||||||||||||||||||||||||||||||||||||||||||||||||||||||||||||||||||||||||||||||||||||||||||||||||||||||||||||||||||||||||||||||||||||||||||||||||||||||||||||||||||||||||||||||||||||||||||||||||||||||||||||||||||||||||||||||||||||||||||||||||||||||||||||||||||||||||||||||||||||||||||||||||||||||||||||||||||||||||||||||||||||||||||||||||||||||||||||||||||||||||||||||||||||||||||||||||||||||||||||||||||||||||||||||||||||||||||||||||||||||||||||||||||||||||||||||||||||||||||||||||||||||||||||||||||||||||||||||||||||||||||||||||||||||||||||||||||||||||||||||||||||||||||||||||||||||||||||||||||||||||||||||||||||||||||||||||||||||||||||||||||||||||||||||||||||||||||||||||||||||||||||||||||||||||||||||||||||||||||||||||||||||||||||||||||||||||||||||||||||||||||||||||||||||||||||||||||||||||||||||||||||||||||||||||||||||||||||||||||||||||||||||||||||||||||||||||||||||||||||||||||||||||||||||||||||||||||||||||||||||||||||||||||||||||||||||||||||||||||||||||||||||||||||||||
|
Обозначение профиля |
Предельная нагрузка, кг/м2, при расчетной схеме |
||||
|
шаг опор, м |
схема 1 |
схема 2 |
схема 3 |
схема 4 |
|
|
|
|
|
|
||
|
НС35-1000-0,8 |
1,5 |
627 |
670 |
762 |
752 |
|
3,0 |
78 |
198 |
153 |
164 |
|
|
С44-1000-0,7 |
1,5 |
658 |
474 |
540 |
518 |
|
3,0 |
82 |
211 |
264 |
245 |
|
|
НС44-1000-0,7 |
3,0 |
81 |
248 |
285 |
273 |
|
Н57-750-0,7 |
3,0 |
290 |
262 |
309 |
295 |
|
4,0 |
91 |
170 |
199 |
190 |
|
|
Н57-750-0,8 |
3,0 |
337 |
365 |
426 |
409 |
|
4,0 |
106 |
205 |
256 |
245 |
|
|
Н60-845-0,7 |
3,0 |
323 |
230 |
269 |
257 |
|
4,0 |
102 |
172 |
184 |
175 |
|
|
Н60-845-0,8 |
3,0 |
388 |
324 |
378 |
360 |
|
4,0 |
122 |
203 |
254 |
241 |
|
|
Н60-845-0,9 |
3,0 |
439 |
427 |
504 |
482 |
|
4,0 |
138 |
240 |
300 |
286 |
|
|
Н75-750-0,8 |
3,0 |
582 |
527 |
659 |
615 |
|
4,0 |
248 |
296 |
370 |
345 |
|
|
Н75-750-0,9 |
3,0 |
645 |
617 |
771 |
720 |
|
4,0 |
293 |
347 |
434 |
405 |
|
|
Н114-750-0,8 |
4,0 |
588 |
588 |
735 |
см. примечание |
|
6,0 |
193 |
261 |
см. примечание |
см. примечание |
|
|
Н114-750-0,9 |
4,0 |
659 |
659 |
824 |
см. примечание |
|
6,0 |
218 |
293 |
см. примечание |
см. примечание |
|
|
Н114-750-1,0 |
4,0 |
733 |
733 |
916 |
см. примечание |
|
6,0 |
244 |
325 |
см. примечание |
см. примечание |
|
|
Н114-600-0,8 |
4,0 |
602 |
612 |
765 |
см. примечание |
|
6,0 |
201 |
272 |
см. примечание |
см. примечание |
|
|
Н114-600-0,9 |
4,0 |
685 |
689 |
862 |
см. примечание |
|
6,0 |
228 |
306 |
см. примечание |
см. примечание |
|
|
Н114-600-1,0 |
4,0 |
771 |
771 |
917 |
см. примечание |
|
6,0 |
258 |
345 |
см. примечание |
см. примечание |
|
|
Примечание - В соответствии с ГОСТ 24045-94 профилированные листы должны изготавливать: для листов Н и НС - длиной от 3 до 12 м., кратной 250 мм.; для листов НС и С - длиной от 2,4 до 12 м., кратной 300 мм. По согласованию изготовителя и потребителя возможно изготовление листов более 12 м. |
|||||
|
Обозначение профиля |
Толщина, мм |
Размеры эталонной панели, мм |
Со, Н/мм |
ГОСТ, ТУ |
|
|
ао |
во |
||||
|
НС35-1000 |
0,7 |
3000 |
3000 |
900 |
|
|
0,8 |
1300 |
||||
|
Н57-750 |
0,7 |
6000 |
3000 |
1300 |
- « - |
|
0,8 |
1900 |
||||
|
Н60-845 |
0,7 |
6000 |
3000 |
1200 |
- « - |
|
0,8 |
1800 |
||||
|
0,9 |
2600 |
||||
|
Н75-750 |
0,8 |
6000 |
3000 |
1400 |
- « - |
|
0,9 |
2100 |
||||
|
Н114-750 |
0,8 |
6000 |
6000 |
500 |
- « - |
|
0,9 |
700 |
||||
|
1,0 |
900 |
||||
|
Н114-600 |
0,8 |
6000 |
6000 |
600 |
- « - |
|
0,9 |
850 |
||||
|
1,0 |
1100 |
||||

Примечания:
1 Болты принимать диаметром не менее d = 20 мм.
2 Высота сварных швов не менее h = 4мм.
,
,
где
,
m - порядок номер рамы в середине блока
,
![]()
где x1 = x2-1
Q – эквивалентная горизонтальная сила, приложенная на уровне ригеля рамы с порядковым номером ''j"
C и K - параметры жесткости в плоскостях диафрагмы покрытия и поперечной рамы соответственно.
|
Соотношение
жесткостей |
Коэффициенты β1 и β2 при числе рам в блоке |
|||||||||
|
t + 1 = 3 |
t + 1 = 5 |
t + 1 = 7 |
t + 1 = 9 |
t + 1 = 11 |
||||||
|
β1 |
β2 |
β1 |
β2 |
β1 |
β2 |
β1 |
β2 |
β1 |
β2 |
|
|
1 |
0,5 |
0,191 |
0,459 |
0,175 |
0,448 |
0,171 |
0,447 |
0,17 |
0,447 |
0,17 |
|
2 |
0,428 |
0,214 |
0,344 |
0,172 |
0,338 |
0,169 |
0,335 |
0,167 |
0,333 |
0,166 |
|
3 |
0,399 |
0,225 |
0,31 |
0,175 |
0,287 |
0,162 |
0,28 |
0,158 |
0,278 |
0,156 |
|
4 |
0,383 |
0,233 |
0,287 |
0,175 |
0,257 |
0,157 |
0,248 |
0,15 |
0,243 |
0,147 |
|
5 |
0,375 |
0,24 |
0,271 |
0,174 |
0,238 |
0,15 |
0,226 |
0,145 |
0,22 |
0,14 |
|
6 |
0,37 |
0,246 |
0,26 |
0,173 |
0,225 |
0,15 |
0,211 |
0,14 |
0,2 |
0,13 |
|
7 |
0,37 |
0,254 |
0,25 |
0,17 |
0,217 |
0,15 |
0,2 |
0,138 |
0,19 |
0,13 |
|
8 |
0,37 |
0,26 |
0,245 |
0,17 |
0,21 |
0,148 |
0,195 |
0,138 |
0,185 |
0,13 |
|
9 |
0,36 |
0,26 |
0,24 |
0,17 |
0,2 |
0,14 |
0,18 |
0,13 |
0,17 |
0,12 |
|
10 |
0,35 |
0,255 |
0,23 |
0,168 |
0,19 |
0,138 |
0,17 |
0,12 |
0,165 |
0,12 |
|
Коэффициент βm при числе рам |
||||||
|
С/К |
3 |
5 |
7 |
9 |
11 |
13 |
|
1 |
0,333 |
0,714 |
0,889 |
0,958 |
0,984 |
0,994 |
|
2 |
0,200 |
0,530 |
0,754 |
0,875 |
0,937 |
0,969 |
|
3 |
0,143 |
0,420 |
0,651 |
0,799 |
0,885 |
0,935 |
|
4 |
0,112 |
0,348 |
0,570 |
0,73 |
0,833 |
0,898 |
|
5 |
0,091 |
0,296 |
0,506 |
0,670 |
0,785 |
0,861 |
|
6 |
0,076 |
0,257 |
0,455 |
0,619 |
0,740 |
0,825 |
|
7 |
0,067 |
0,225 |
0,409 |
0,571 |
0,697 |
0,788 |
|
8 |
0,057 |
0,199 |
0,369 |
0,528 |
0,655 |
0,752 |
|
9 |
0,052 |
0,184 |
0,347 |
0,499 |
0,630 |
0,729 |
|
10 |
0,048 |
0,172 |
0,326 |
0,477 |
0,606 |
0,706 |
1 Федеральный закон «О техническом регулировании» от 27 декабря 2002г. № 184-ФЗ.
2 Рекомендации по учету жесткости диафрагм из стального профилированного настила в покрытиях одноэтажных производственных зданий при горизонтальных нагрузках, ЦНИИПСК им. Мельникова, Москва, 1980.
3 Eurocode 3. Design of Steel Structures. 1.3 Supplementary rules for cold formed thin gauge member and sheets. ENV, 1996.
4 СТО 0047-2005 (02494680, 17523759). Перекрытия сталежелезобетонные с монолитной плитой по стальному профилированному настилу. Стандарт организации, Москва, 2005.
Ключевые слова: стальной профилированный настил, покрытия зданий, проектирование, изготовление, монтаж
|
|
|
|