//
|
|
ПЕТЛИ ДЛЯ ОКОННЫХ И ДВЕРНЫХ БЛОКОВ Технические условия МЕЖГОСУДАРСТВЕННАЯ НАУЧНО-ТЕХНИЧЕСКАЯ КОМИССИЯ ПО СТАНДАРТИЗАЦИИ, ТЕХНИЧЕСКОМУ НОРМИРОВАНИЮ И СЕРТИФИКАЦИИ В СТРОИТЕЛЬСТВЕ (МНТКС) Предисловие Цели, основные принципы и основной порядок проведения работ по межгосударственной стандартизации установлены ГОСТ 1.0-92* «Межгосударственная система стандартизации. Основные положения» и МСН 1.01-01-96 «Система межгосударственных нормативных документов в строительстве. Основные положения» Сведения о стандарте 1 РАЗРАБОТАН учреждением «Центр по сертификации оконной и дверной техники» с участием ФГУП «Центральное проектно-конструкторское и технологическое бюро» Госстроя России, фирмой «Fiskars», Финляндия и фирмой «Dr. Hahn», Германия, ЗАО «ТБМ» 2 ВНЕСЕН Техническим комитетом по стандартизации ТК465 «Строительство» 3 ПРИНЯТ Межгосударственной научно-технической комиссией по стандартизации, техническому нормированию и сертификации в строительстве (МНТКС) (протокол № 28 от 13 октября 2005 г.) За принятие проголосовали:
4 Приказом Федерального агентства по техническому регулированию и метрологии от 24 апреля 2006 г. № 76-ст межгосударственный стандарт ГОСТ 5088-2005 введен в действие в качестве национального стандарта Российской Федерации с 1 января 2007 г. 5 ВЗАМЕН ГОСТ 5088-94 Содержание: МЕЖГОСУДАРСТВЕННЫЙ СТАНДАРТ
Дата введения - 2007-01-01 1 Область примененияНастоящий стандарт распространяется на металлические петли (далее - петли), применяемые в оконных и дверных блоках из различных материалов. Стандарт не распространяется на петли, устанавливаемые на оконные и дверные блоки специального назначения, в части дополнительных требований к пожаробезопасности и взломоустойчивости. 2 Нормативные ссылкиВ настоящем стандарте использованы ссылки на следующие стандарты: ГОСТ 2.601-95 Единая система конструкторской документации. Эксплуатационные документы ГОСТ 9.308-85 Единая система защиты от коррозии и старения. Покрытия металлические и неметаллические неорганические. Методы ускоренных коррозионных испытаний. ГОСТ 9.401-91 Единая система защиты от коррозии и старения. Покрытия лакокрасочные. Общие требования и методы ускоренных испытаний на стойкость к воздействию климатических факторов ГОСТ 397-79 Шплинты. Технические условия ГОСТ 538-2001 Изделия замочные и скобяные. Общие технические условия ГОСТ 1145-80 Шурупы с потайной головкой. Конструкция и размеры ГОСТ 11648-75 Шайбы упорные быстросъемные. Технические условия ГОСТ 15140-78 Материалы лакокрасочные. Методы определения адгезии ГОСТ 15150-69 Машины, приборы и другие технические изделия. Исполнения для различных климатических районов. Категории, условия эксплуатации, хранения и транспортирования - в части воздействия климатических факторов внешней среды ГОСТ 15878-79 Контактная сварка. Соединения сварные. Конструктивные элементы и размеры ГОСТ 24705-2004 (ИСО 724:1993) Основные нормы взаимозаменяемости. Резьба метрическая. Основные размеры ГОСТ 30777-2001 Устройства поворотные, откидные и поворотно - откидные для оконных и балконных дверных блоков. Технические условия. Примечание - При пользовании настоящим стандартом целесообразно проверить действие ссылочных стандартов по указателю «Национальные стандарты», составленному по состоянию на 1 января текущего года, и по соответствующим информационным указателям, опубликованным в текущем году. Если ссылочный стандарт заменен (изменен), то при пользовании настоящим стандартом следует руководствоваться замененным (измененным) стандартом. Если ссылочный стандарт отменен без замены, то положение, в котором дана ссылка на него, применяется в части, не затрагивающей эту ссылку. 3 Термины и определенияВ настоящем стандарте применены термины по ГОСТ 538, а также следующие термины с соответствующими определениями: петля: Изделие, служащее для соединения створки, форточки, фрамуги (полотна) с оконной (дверной) коробкой, а также для соединения спаренных створок (полотен) оконных (балконных дверных) блоков и обеспечивающее открывание - закрывание створки, форточки, фрамуги (полотна) оконного (дверного) блока. правая петля: Петля, устанавливаемая на оконном (дверном) блоке, створка (полотно) которого закрывается против хода часовой стрелки. левая петля: Петля, устанавливаемая на оконном (дверном) блоке, створка (полотно) которого закрывается по ходу часовой стрелки. универсальная петля: Петля, устанавливаемая на оконном (дверном) блоке, створка (полотно) которого закрывается как по ходу, так и против хода часовой стрелки. 4 Типы, размеры и условные обозначения4.1 По назначению петли подразделяют для установки на: - оконные и балконные дверные блоки; - дверные блоки. 4.1.1 В зависимости от массы открывающейся створки (полотна): - для оконных блоков: до 50 кг, от 51 до 80 кг, от 81 до 130 кг, - для дверных блоков: до 60 кг, от 61 до 120 кг, от 121 до 250 кг. Примечание - Петли для оконных блоков массой более 130 кг и для дверных блоков более 250 кг относятся к изделиям специального назначения. 4.1.2 По вариантам конструктивного исполнения (типы) петли подразделяют: - по способу установки на оконный (дверной) блок: петли накладные - ПН, петли врезные - ПВ, петли ввертные - ПВв, петли комбинированные - ПК, - по варианту открывания оконной створки (дверного полотна): петля левая - Л, петля правая - П, петля универсальная. 4.2 Основные детали петель представлены на рисунках А.1, А.2 приложения А. 4.3 Условные обозначения типов петель и рекомендуемая область их применения приведены в таблице 1. Примеры петель и их комплектующих приведены в приложении Б. Таблица 1
Устанавливают следующую структуру условного обозначения петель:
Пример условного обозначения петли накладной типа ПН1, высотой 110 мм, правой: ПН1 - 110-П ГОСТ 5088-2005 То же, врезной типа ПВ4, высотой 90 мм, универсальной, исполнения 1: ПВ4 - 90-1 ГОСТ 5088-2005 В условное обозначение петель допускается включать буквенные и цифровые обозначения в соответствии с конструкторской документацией (далее - КД) на петли. При экспортно-импортных поставках допускается применять обозначения петель, принятые у поставщика и оговоренные в договоре (контракте). 5 Технические требования5.1 Общие положения5.1.1 Петли должны соответствовать требованиям ГОСТ 538, настоящего стандарта и изготавливаться по конструкторской и технологической документации на петли конкретного типа. Внешний вид изделий: цвет, допустимые дефекты поверхности (риски, царапины и др.) должен соответствовать образцам - эталонам, утвержденным в установленном порядке. Разность цвета и дефекты поверхности, различимые невооруженным глазом с расстояния (0,6 - 0,8) м при естественном освещении не менее 300 лк, не допускаются. 5.1.2 Петли должны быть безопасными в эксплуатации и рассчитаны на эксплуатационные нагрузки в соответствии с областью их применения. При производстве и применении петли должны быть рассчитаны на прочность в соответствии с действующей нормативной документацией. 5.2 Размеры и предельные отклонения.5.2.1 Размеры деталей петель устанавливают в КД, а контролируемые размеры в технологической документации предприятия - изготовителя. Предельные отклонения сопрягаемых и несопрягаемых размеров - по ГОСТ 538. Форму карт врезных и накладных петель устанавливают в рабочих чертежах на конкретный тип петли. 5.2.2 Овальность осей (полуосей) в местах подвижных соединений с картами петель должна быть не более 0,1, а трубок карт петель - 0,3 мм. 5.2.3 Зазор между осью или полуосью и трубкой петли в местах подвижных соединений должен быть не менее 0,1 и не более 0,5 мм. 5.2.4 Отклонение от перпендикулярности опорных поверхностей осей петель типов ПН1 - ПН4 и ПВ1 относительно осей вращения должно быть не более 0,25 мм. 5.2.5 Зазор между трубкой и плоскостью карты петли - не более 0,5 мм. 5.2.6 Продольный и поперечный люфты в шарнирах петель типов ПН8 и ПН9 должны быть не более 0,3 мм. 5.2.7 Зазор между плоскостью карты петли и ее изогнутым концом (трубкой) должен быть не более 0,5 мм при толщине карты петли до 2,2 мм и 1,0 мм - при толщине более 2,2 мм. 5.3 Требования к конструкции5.3.1 Конструкция петель должна быть прочной и надежной и обеспечивать возможность их ремонта и замены. 5.3.2 В конструкциях накладных петель рекомендуется предусматривать регулировочные винты для их регулировки в разных плоскостях. При этом конструкция стальных регулируемых петель должна обеспечивать регулировку петли ± 2 мм в горизонтальной и вертикальной плоскостях; для конструкции петель из алюминиевого профиля - ± 5 мм. Регулировочные винты должны располагаться в местах, доступных для осуществления регулировки. 5.3.3 Конструкция петель должна обеспечивать надежное крепление к створкам (полотнам) и коробкам. Расположение и размеры отверстий для установки петель указывают в рабочих чертежах на конкретные виды оконных (дверных) блоков. Пример расчета и выбора типа ввертных петель для оконного блока из древесины приведен в приложении В. 5.3.4 Вращение карт накладных, врезных петель и стержней ввертных петель должно быть без заедания вокруг осей и полуосей. Для обеспечения вращения без заедания карт вокруг осей и полуосей петель рекомендуется применять подшипники. 5.3.5 Крепление полупетель к створке (полотну) и коробке осуществляется через конструкционные отверстия, крепежные пластины или сваркой. 5.3.6 Для повышения безопасности и охранных свойств дверных блоков в карте петли могут быть предусмотрены дополнительные противосъемные элементы (рисунок Б.3 приложения Б). 5.3.7 Накладные петли, предназначенные для установки на стеклянные элементы дверных блоков, должны устанавливаться через прокладки, исключающие возможность соприкосновения металлических деталей петель и стекла. 5.3.8 Метрическая резьба на стержнях ввертных петель должна быть полной, без вмятин и срывов ниток и соответствовать требованиям ГОСТ 24705. 5.3.9 Конструкция петель типов ПН8 и ПН9 должна предусматривать возможность регулировки усилия закрывания полотна дверного блока, при этом сила открывания дверного блока должна быть не менее 2 и не более 4 кгс на расстоянии 700 мм от оси петли. 5.3.10 Головка оси или полуоси петель должна иметь сферическую форму или форму усеченного конуса. Фаска на торце оси петель типов ПН1 - ПН4, ПН6 - ПН9 и ПВв1 - ПВв3 должна быть (2 - 3) × 30°. 5.3.11 Петли типов ПН7, ПВ2 - ПВ4 комплектуют шплинтами 2 × 16 по ГОСТ 397 или быстросъемными упорными шайбами 5 - 080 по ГОСТ 11648. 5.3.12 Петли типов ПН1 - ПН4, ПН6 и ПВ1 изготовляют правыми и левыми (на рисунках Б.1, Б.4, Б.5, Б.7, Б.9, Б.15 приложения Б приведены правые петли). 5.3.13 Соединения карт петель с осями и полуосями в накладных петлях типа ПН7 и врезной петле типа ПВ1 должны быть неразъемными. 5.3.14 Соединение деталей петли допускается производить контактной сваркой по ГОСТ 15878. Сварные швы должны быть зачищены и не должны иметь непроваренных участков и прожогов. Допускается другой вид соединения деталей петли, обеспечивающий ее прочность. 5.3.15 Требования к конструкциям петель, предназначенным для установки на оконных блоках с поворотно-откидными, поворотными и откидными устройствами, - по ГОСТ 30777. 5.4 Требования к надежности и сопротивлению нагрузкам5.4.1 При испытании на безотказность петли должны выдерживать число циклов «открывание - закрывание» в соответствии с таблицей 2. Таблица 2
5.4.2 Соединение стержней с втулками или скобами во ввертных петлях должно выдерживать усилие отрыва не менее 800 Н. 5.4.3 Сопротивление статическим и динамическим нагрузкам петель определяют в готовых оконных (дверных) блоках с учетом их конструкции и материала, а также применяемых крепежных изделий. 5.5 Требования к материалам и комплектующим5.5.1 Для изготовления петель следует применять следующие материалы: сталь, латунь, пластмассу и специальный алюминиевый профиль по действующей нормативной документации. Прокладки, применяемые в петлях для дверных блоков из закаленного стекла, должны изготавливаться из атмосфероморозостойких эластичных полимерных материалов. 5.5.2 Материалы и комплектующие детали, применяемые для изготовления петель, должны быть стойкими к климатическим воздействиям. Полимерные и синтетические материалы должны иметь санитарно-эпидемиологическое заключение, оформленное в установленном порядке. 5.5.3 Детали петель, изготовленные из некоррозионно-стойких материалов, должны иметь защитное, защитно-декоративное антикоррозионное покрытие. Требования к покрытиям и коррозионной стойкости - по ГОСТ 538. 5.5.4 Петли к створкам (полотнам) и коробкам крепят шурупами, винтами, самонарезающими шурупами (винтами) с антикоррозионным покрытием либо сваркой. Петли из алюминиевых профилей крепят винтами, вворачиваемыми в специальные закладные элементы. 5.5.5 Сварные соединения петель должны быть прочными и соответствовать следующим требованиям (контролируемым визуально): - металл шва и граничной зоны не должен иметь трещин. Кратеры швов в местах остановки (окончания) сварки должны быть переварены (заварены); - поверхность швов должна быть гладкой или равномерно - чешуйчатой без резких переходов к основному металлу; - швы должны быть плотными по всей длине и не иметь прожогов, сужений, наплавов, непроваров, шлаковых включений и пр. Временное сопротивление разрыву металла сварного соединения петель должно быть не ниже требований, предъявляемых к основному металлу. 5.6 Комплектность5.6.1 Петли должны поставляться комплектно в соответствии с ГОСТ 538. Комплект поставки должен включать в себя полный набор элементов, необходимых для установки и эксплуатации петель на оконном или дверном блоке. Рекомендуется включать в комплект поставки шаблоны для установки петель. К каждой партии петель, а также при реализации петель через розничную торговую сеть должна прикладываться этикетка по ГОСТ 2.601. Один экземпляр инструкции по монтажу и техническому обслуживанию должен быть вложен в каждый ящик с петлями. 5.6.2 По согласованию с заказчиком допускается поставка петель без крепежных изделий. 5.7 Маркировка и упаковка5.7.1 Маркировка петель - по ГОСТ 538. На петли наносят буквы П или Л - для правых и левых петель, на универсальные петли обозначение не наносят. 5.7.2 Требования к упаковке петель - по ГОСТ 538. Дополнительные требования к упаковке, при необходимости, могут быть установлены в договоре на поставку. 6 Правила приемки6.1 Приемку петель осуществляют в соответствии с требованиями настоящего стандарта и ГОСТ 538. Петли принимают партиями. При приемке петель на предприятии - изготовителе партией считают число петель одного наименования, изготовленных в пределах одной смены и оформленных одним документом о качестве. Партией считают также число петель одного конструктивного исполнения, изготовленных по одному заказу. 6.2 Качество петель на соответствие требованиям настоящего стандарта подтверждают: - входным контролем материалов и комплектующих деталей; - операционным производственным контролем; - приемочным контролем готовых петель; - периодическими и сертификационными испытаниями; - типовыми испытаниями; - квалификационными испытаниями. 6.3 Порядок проведения входного и операционного производственного контроля на рабочих местах устанавливают в технологической документации на петли. 6.4 Приемочный контроль качества готовой продукции и периодические испытания проводят в соответствии с таблицей 3. План контроля и порядок проведения приемочного контроля - по ГОСТ 538. Таблица 3
6.5 Периодические испытания изделий проводят один раз в два года. Испытания проводят на образцах, прошедших приемочный контроль. 6.6 Сертификационные испытания изделий рекомендуется проводить в объеме периодических испытаний. 6.7 Типовые испытания изделий проводят после внесения изменений в конструкцию, материалы или технологию изготовления для оценки эффективности и целесообразности внесения изменений. Объем типовых испытаний определяют характером внесенных изменений. Типовым испытаниям подвергают изделия, прошедшие приемочный контроль. 6.8 Квалификационные испытания изделий проводят по всем показателям при постановке продукции на производство. 6.9 Сертификационные и периодические испытания проводят в испытательных центрах (лабораториях), аккредитованных на право проведения испытаний указанных изделий. 6.10 Каждая партия изделий должна сопровождаться документом о качестве. 6.11 Приемка изделий потребителем не освобождает изготовителя от ответственности при обнаружении скрытых дефектов, приведших к нарушению эксплуатационных характеристик изделий в течение гарантийного срока службы. 7 Методы контроля7.1 Соответствие материалов и комплектующих изделий требованиям нормативных документов устанавливают сравнением показателей сопроводительных документов с требованиями НД на материалы и комплектующие изделия. 7.2 Размеры петель и предельные отклонения определяют универсальным инструментом, а также используют программные методы контроля технологического процесса предприятий - изготовителей. 7.3 Внешний вид изделий, сварных швов, комплектность, наличие маркировки, упаковку проверяют визуально на соответствие требованиям настоящего стандарта, КД и образцу-эталону. 7.4 Качество покрытий проверяют по ГОСТ 538; адгезию - ГОСТ 15140; коррозионную стойкость покрытий - ГОСТ 9.308, ГОСТ 9.401. 7.5 Работу подвижных деталей петли проверяют вручную, повторяя не менее пяти раз цикл работы петли. 7.6 Испытания изделий на безотказность, сопротивление статическим и динамическим нагрузкам проводят на специальном оборудовании (стендах) по согласованным и утвержденным программам и методикам. После проведения испытаний петли должны сохранять работоспособность. 8 Транспортирование и хранение8.1 Петли перевозят всеми видами транспорта в соответствии с правилами перевозки грузов, действующими на данном виде транспорта. 8.2 При хранении и транспортировании петли защищают от воздействия атмосферных осадков и предохраняют от механических повреждений. 8.3 Условия хранения изделий - по группе 2 ГОСТ 15150. 9 Указания по монтажу и эксплуатации9.1 Выбор конструкции петель, необходимое число для установки на оконном (дверном) блоке и монтаж следует проводить в соответствии с рекомендациями и расчетными программами предприятий - изготовителей. 9.2 Монтаж петель следует производить в соответствии с инструкцией по монтажу, входящей в комплект поставки. Монтаж изделий следует производить с применением специальных шаблонов. 9.3 Смазку и регулировку петель в процессе эксплуатации производят в соответствии с инструкцией по эксплуатации, входящей в комплект поставки. 10 Гарантии изготовителя10.1 Предприятие - изготовитель гарантирует соответствие петель требованиям настоящего стандарта при условии соблюдения потребителем правил транспортирования, хранения, монтажа, эксплуатации, а также области применения, установленной в нормативной и проектной документации. 10.2 Гарантийный срок эксплуатации петель не менее 24 мес. со дня ввода в эксплуатацию оконных (дверных) блоков или со дня продажи петель через торговую сеть. Приложение А
| |||||||||||||||||||||||||||||||||||||||||||||||||||||||||||||||||||||||||||||||||||||||||||||||||||||||||||||||||||||||||||||||||||||||||||||||||||||||||||||||||||||||||||||||||||||||||||||||||||||||||||||||||||||||||||||||||||||||||||||||||||||||||||||||||||||||||||||||||||||||||||||||||||||||||||||||||||||||||||||||||||||||||||||||||||||||||||||||||||||||||||||||||||||||||||||||||||||||||||||||||||||||||||||||||||||||||||||||||||||||||||||||||||||||||||||||||||||||||||||||||||||||||||||||||||||||||||||||||||||||||||||||||||||||||||||||||||||||||||||||||||||||||||||||||||||||||||||||||||||||||||||||||||||||||||||||||||||||||||||||||||||||||||||||||||||||||||||||||||||||||||||||||||||||||||||||||||||||||||||||
|
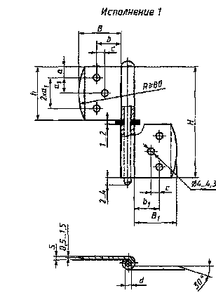
Типоразмеры ПН1-70, ПН1-85 |
Типоразмеры ПН1-110, ПН1-130, ПН1-150 |

В миллиметрах
|
Типоразмер |
N |
B |
R |
a |
а1 |
b |
b1 |
d |
h |
s |
Шуруп по ГОСТ 1145 |
|
|
Размеры |
Число |
|||||||||||
|
ПН1-70 |
70 |
22 |
8 |
10 |
25 |
10 |
6 |
7 |
33,5 |
2,0 |
4 × 25 |
6 |
|
ПН1-85 |
85 |
27 |
10 |
10 |
32,5 |
13 |
7 |
8 |
41 |
2,0 - 2,5 |
4 × 30 |
6 |
|
ПН1-110 |
110 |
27 |
10 |
10 |
30 |
13 |
7 |
8 |
53,5 |
2,5 - 2,8 |
4 × 30 |
8 |
|
ПН1-130 |
130 |
30 |
12 |
12,5 |
35 |
16 |
8 |
8 |
63,5 |
2,5 - 3,0 |
5 × 30 |
8 |
|
ПН1-150 |
150 |
35 |
15 |
15 |
40 |
19 |
9 |
9 |
73,5 |
3,0 |
5 × 30 |
8 |
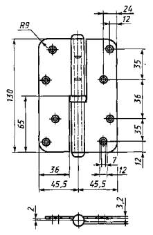
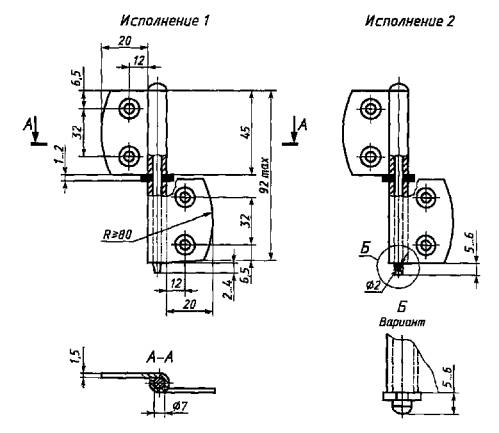
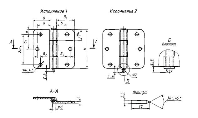
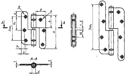
Рисунок Б.1 - Пример накладной петли типа ПН1
|
|
|
|
Рисунок Б.2 - Пример накладной петли типоразмера ПН1-110 |
Рисунок Б.3 - Пример противосъемной накладной петли типоразмера ПН1-110 |
|
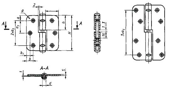
Типоразмеры ПН2-70, ПН2-85 |
Типоразмеры ПН2-110, ПН2-130, ПН2-150 |
|
|
|
Размеры в миллиметрах
|
Типоразмер |
N |
B |
R |
a |
а1 |
b |
b1 |
d |
h |
s |
Шуруп по ГОСТ 1145 |
|
|
Размеры |
Число |
|||||||||||
|
ПН2-70 |
70 |
22 |
8 |
10 |
25 |
10 |
6 |
7 |
34 |
2,0 |
4 × 25 |
6 |
|
ПН2-85 |
85 |
27 |
10 |
10 |
32,5 |
13 |
7 |
8 |
34 |
2,0 - 2,5 |
4 × 30 |
6 |
|
ПН2-110 |
110 |
27 |
10 |
10 |
30 |
13 |
7 |
8 |
38 |
2,5 - 2,8 |
4 × 30 |
8 |
|
ПН2-130 |
130 |
30 |
12 |
12,5 |
35 |
16 |
8 |
8 |
42 |
2,5 - 3,0 |
5 × 30 |
8 |
|
ПН2-150 |
150 |
35 |
15 |
15 |
40 |
19 |
9 |
9 |
46 |
3,0 |
5 × 30 |
8 |
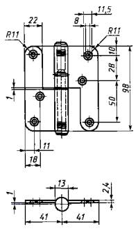
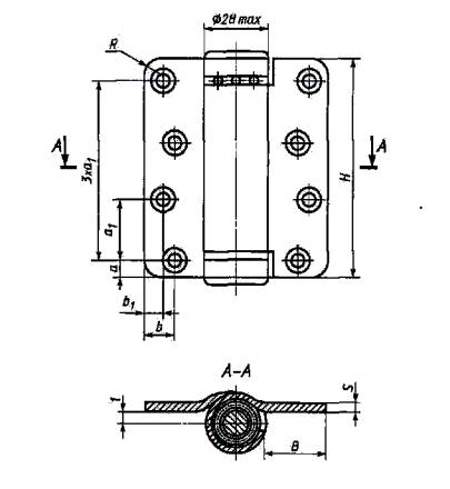
Рисунок Б.4 - Пример накладной петли типа ПН2
|
Типоразмер ПН3-85 В |
Типоразмеры ПН3-110, ПН3-130, ПН3-150 |
||||||||||||
|
Размеры в миллиметрах |
|||||||||||||
|
Типоразмер |
N |
B |
R |
a |
а1 |
b |
b1 |
d |
h |
s |
Шуруп по ГОСТ 1145 |
||
|
Размеры |
Число |
||||||||||||
|
ПН3-85 |
85 |
27 |
10 |
10 |
32,5 |
13 |
7 |
8 |
41 |
2,0 - 2,5 |
4 × 30 |
6 |
|
|
ПН3-110 |
110 |
27 |
10 |
10 |
30 |
13 |
7 |
8 |
53,5 |
2,5 - 2,8 |
4 × 30 |
8 |
|
|
ПН3-130 |
130 |
30 |
12 |
12,5 |
35 |
16 |
8 |
8 |
63,5 |
2,5 - 3,0 |
5 × 30 |
8 |
|
|
ПН3-150 |
150 |
35 |
15 |
15 |
40 |
19 |
9 |
9 |
73,5 |
3,0 |
5 × 30 |
8 |
|
Рисунок Б.5 - Примеры накладной петли типа ПН3

Рисунок Б.6 - Пример накладной петли типоразмера ПН3 - 130


Рисунок Б.7 - Примеры накладной петли типа ПН4

Размеры в миллиметрах
|
Типоразмер |
N |
B |
a |
а1 |
b |
b1 |
d |
s |
Шуруп по ГОСТ 1145 |
|
|
Размеры |
Число |
|||||||||
|
ПН5-40 |
40 |
16 |
6 |
- |
6 |
- |
4 |
1,5 - 1,6 |
3 × 25 |
4 |
|
ПН5-60 |
60 |
20 |
8 |
22 |
12 |
7 |
5 |
1,6 - 2,0 |
3 × 25 |
6 |
Рисунок Б.8 - Пример накладной петли типа ПН5

Размеры в миллиметрах
|
Типоразмер |
N |
a |
b |
c |
s |
Шуруп по ГОСТ 1145 |
|
|
Размеры |
Число |
||||||
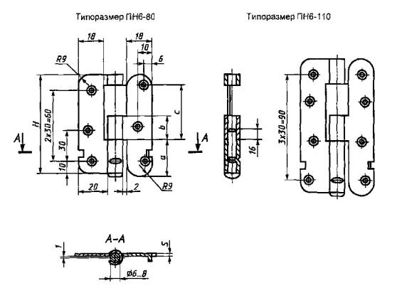
|
ПН6-80 |
80 |
31 |
20 |
39 |
2,5 |
4 × 25 |
6 |
|
ПН6-110 |
110 |
38 |
25 |
44 |
2,5 - 2,8 |
4 × 25 |
8 |
Рисунок Б.9 - Пример накладной петли типа ПН6

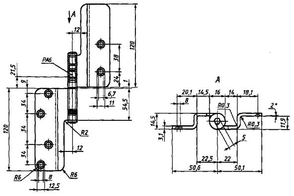
Рисунок Б.10 - Пример накладной петли типа ПН7

Рисунок Б.11 - Пример накладной петли типа ПН7 для дверных блоков из алюминиевых сплавов
Размеры в миллиметрах
|
Типоразмер |
N |
B |
R |
a |
а1 |
b |
b1 |
s |
Шуруп по ГОСТ 1145 |
|
|
Размеры |
Число |
|||||||||
|
ПН8-110 |
110 |
27 |
10 |
10 |
30 |
13 |
7 |
2,8 |
5 × 30 |
8 |
|
ПН8-130 |
130 |
30 |
10 |
12,5 |
35 |
16 |
8 |
2,8 - 3,0 |
5 × 30 |
8 |
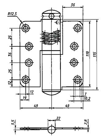
Рисунок Б.12 - Пример накладной петли типа ПН8

Рисунок Б.13 - Пример накладной петли типоразмера ПН-115

*Для дверных блоков с толщиной полотна 52 мм.
Рисунок Б.14 - Пример накладной петли типа ПН9

Размеры в миллиметрах
|
Типоразмер |
H |
B |
B1 |
a |
b |
b1 |
h |
s |
Число штифтов |
|
ПН1-80 |
80 |
35 |
28 |
25 |
28 |
21 |
39 |
2,0 - 2,5 |
4 |
|
ПН1-100 |
100 |
42 |
35 |
35 |
34 |
27 |
49 |
2,5 - 2,8 |
4 |
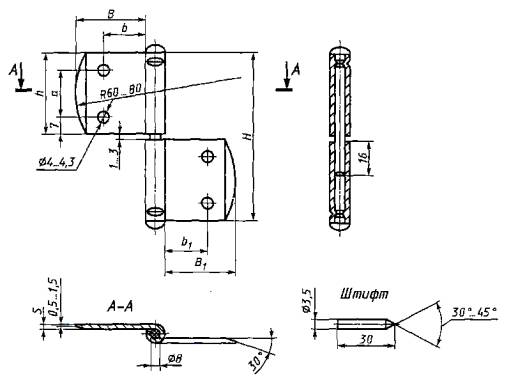
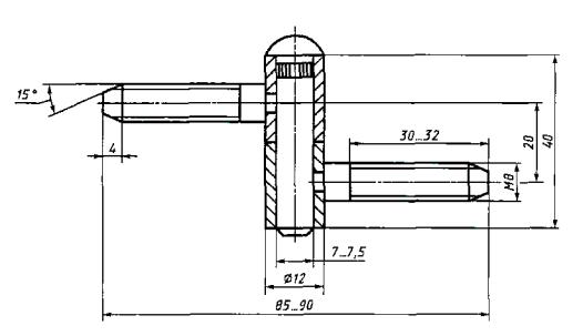
Рисунок Б.15 - Пример врезной петли типа ПВ1
|
|
|
* При установке петель на автоматизированных линиях по согласованию с потребителем допускается применять штифты длиной 35 мм для створок оконных блоков для жилых и 45 мм - для общественных зданий.
** Длину штифтов указывают при заказе.
Размеры в миллиметрах
|
Типоразмер |
HMAX |
B |
B1 |
a |
а1 |
b |
b1 |
C |
h |
d |
s |
Число штифтов |
|
ПН2-75 |
75 |
30 |
25 |
6 |
12,5 |
23 |
15 |
- |
37 |
7 |
2,0 - 2,5 |
4 |
|
ПН2-100 |
100 |
35 |
30 |
7,5 |
17 |
25 |
18 |
- |
49 |
7 |
2,5 |
4 |
|
ПН2-125 |
125 |
45 |
35 |
10 |
20,75 |
32 |
22 |
6 |
61,5 |
8 - 9 |
2,5 |
6 |
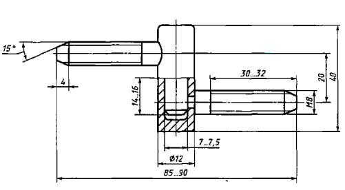
Рисунок Б.16 - Пример врезной петли типа ПВ2

*Для оконных блоков с тройным остеклением; штифты - 4 шт; длину штифтов указывают при заказе.
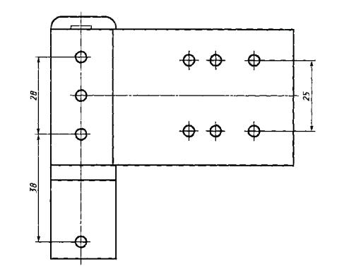
Рисунок Б.17 - Пример врезной петли типа ПВЗ

Размеры в миллиметрах
|
Типоразмер |
H |
B |
B1 |
B2 |
a |
a1 |
b |
b1 |
d |
s |
Число штифтов |
|
ПН4-60 |
60 |
30 |
22 |
- |
7,5 |
22,5 |
23 |
15 |
6 |
2,0 |
4 |
|
ПН4–75 |
75 |
35 |
27 |
5 |
10 |
27,5 |
28 |
20 |
7 |
2,0 - 2,5 |
6 |
|
ПН4-90 |
90 |
35 |
27 |
5 |
10 |
35 |
28 |
20 |
7 |
2,5 |
6 |
Рисунок Б.18 - Пример врезной петли ПВ4

Рисунок Б.19 - Пример врезной петли типоразмера ПВ4-100

Рисунок Б.20 - Пример ввертной петли типа ПВв1

Рисунок Б.21 - Пример ввертной петли типа ПВв3

Рисунок Б.22 - Пример ввертной петли типа ПВв3

Рисунок Б.23 - Пример накладной петли из алюминиевого профиля для оконных и дверных блоков из алюминиевых сплавов и поливинилхлоридных профилей максимальной массой 80 кг

Рисунок Б.24 - Пример накладной петли из алюминиевого профиля для дверных блоков из алюминиевых сплавов и поливинилхлоридных профилей

Рисунок Б.25 - Пример накладной петли из алюминиевого профиля для дверных блоков из алюминиевых сплавов и поливинилхлоридных профилей

Рисунок Б.26 - Пример комплекта шаровых безосевых петель для металлических дверей

Рисунок Б.27 - Пример комбинированной петли для дверного блока с полотном из закаленного стекла

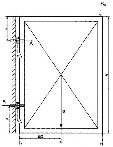
Рисунок В.1 - Схема определения
нагрузок, действующих на ввертные
петли в деревянном оконном блоке, при плоском нагружении створки
Предельные заданные нагрузки, действующие на петли, рассчитывают по формулам:
; (1)
(2)
где Рпр - предельная внешняя сосредоточенная нагрузка, действующая в плоскости створки;
Рг - горизонтальное (вырывающее) усилие, действующее на петлю;
Рв - вертикальная нагрузка (среза), действующая на стержень петли;
Н - высота створки;
В - ширина створки;
а - расстояние, определяющее место установки петли в блоке;
G - масса створки.
Расчетные нагрузки для конкретной петли рассчитывают по формулам:
; (3)
;
(4)
где
- расчетная горизонтальная нагрузка
для конкретной петли;
-
расчетная вертикальная нагрузка для конкретной петли;
-
диаметр стержня ввертной петли;
-
глубина нарезки (резьбы);
- коэффициент полноты
нарезки резьбы;
-
предельное значение напряжения, возникающее в древесине при ее смятии (предел
прочности) поперек волокон;
-
предельное значение напряжения (предел прочности), возникающее в древесине при
ее смятии вдоль волокон.
Условием
для выбора петли является:
.
При расчетах необходимо учитывать не только массу и габаритные размеры конкретной створки (полотна), но и характеристики материалов оконного (дверного) блока.
Ключевые слова: петли, петли накладные, петли врезные, петли ввертные, блоки оконные, блоки дверные.
|
|
|
|