//
ТехЛит.ру
- крупнейшая бесплатная электронная интернет библиотека для "технически умных" людей.
WWW.TEHLIT.RU - ТЕХНИЧЕСКАЯ ЛИТЕРАТУРА

:: Алготрейдинг::


АЛГОТРЕЙДИНГ
шаг за шагом
с нуля по урокам!

Торговые роботы на PYTHON, BackTrader,
Pandas, Pine Script для TradingView. Связка с брокерами, телеграм и легкими приложениями.


МИНИСТЕРСТВО СТРОИТЕЛЬСТВА РОССИЙСКОЙ ФЕДЕРАЦИИ

ДЕПАРТАМЕНТ ЖИЛИЩНО-КОММУНАЛЬНОГО ХОЗЯЙСТВА

АКАДЕМИЯ КОММУНАЛЬНОГО ХОЗЯЙСТВА им. К. Д. ПАМФИЛОВА

 

 

УТВЕРЖДАЮ

Директор Академии

д. т. н., профессор

В.Ф. ПИВОВАРОВ

1 " июля 1996 г.

 

ТЕХНИЧЕСКИЕ РЕШЕНИЯ
по крышным
котельным на природном газе с гелиоустановкой горячего водоснабжения дает децентрализованного теплоснабжение зданий

 

Москва 1996

СОДЕРЖАНИЕ

1. ВВЕДЕНИЕ

2. ОБОСНОВАНИЕ ПРИМЕНЕНИЯ КРЫШНЫХ КОТЕЛЬНЫХ ПРИ ДЕЦЕНТРАЛИЗОВАННОМ ТЕПЛОСНАБЖЕНИИ ЗДАНИЙ ЖИЛИЩНО-КОММУНАЛЬНОГО НАЗНАЧЕНИЯ

3. ТЕХНИЧЕСКИЕ РЕШЕНИЙ ПО КРЫШНОЙ КОТЕЛЬНОЙ

3.1. Принципиальные схемы и основное и вспомогательное тепломеханическое и газовое оборудование, гелиоустановка, автоматизация их работы

3.2. Типы теплогенераторов, теплообменников, насосов и регуляторов

3.3. Газоснабжение

3.4. Дымоудаление

3.5. Химводоподготовка

3.6. Объемно-планировочные и конструктивные решения

3.7. Электроснабжение, электрооборудование и электрическое освещение

3.8. Отопление и вентиляция помещения котельной

3.9. Водопровод и канализация

3.10. Обеспечение безопасности эксплуатации (с автоматизацией защиты и диспетчеризацией)

3.11. Обеспечение высокой экономичности эксплуатации (с автоматизацией регулирования и контроля)

4. ТЕХНИЧЕСКИЕ РЕШЕНИЯ ПО РЕКОНСТРУКЦИИ ВНУТРЕННИХ СИСТЕМ ЗДАНИЯ

Список использованной литературы

 

 

Работа содержит технические решения по крышным котельным на природном газе для децентрализованного теплоснабжения здании. При этом источником теплоты являются индивидуальные автоматизированные котельные с теплогенераторами па природном газе, в том числе с гелиоустановкой горячего водоснабжения, размещаемые на крыше здания. Система не имеет наружных тепловых сетей. Крышная котельная обеспечивает теплотой и горячей водой системы отопления, горячего водоснабжения, вентиляции, кондиционирования воздуха с высокими энергетическими показателями, экономичностью и степенью безопасности эксплуатации при отсутствии постоянного обслуживания.

Технические решения предназначены для проектных и эксплуатационных организаций независимо от их ведомственной принадлежности.

Разработаны отделом энергетики АКХ им. К. Д. Памфилова (кандидаты техн. наук В.П. Великанов, А.М. Кожуринчев, В.С. Фаликов).

Замечания и предложения просьба направлять по адресу: 123371, г. Москва, Волоколамское шоссе, 116, отдел энергетики.

1. ВВЕДЕНИЕ

До настоящего времени в Российской Федерации вопросу развития децентрализованного теплоснабжения уделялось недостаточное внимание, что привело к значительному отставанию уровня применяемого оборудования для малоэтажной и многоэтажной застройки, в том числе для котельных, располагаемых на крышах зданий, в то время как за рубежом (во Франции, Италии, Германии и во многих других странах) на крышах и под крышами зданий в одно- и многоблочном исполнении (без наружных тепловых сетей) оно успешно применяется в течение более 20 лет наряду с крупными системами централизованного теплоснабжения.

На Украине крышные котельные получили довольно широкое распространение.

В настоящее время в РФ применение крышных котельных обеспечено нормативными документами, утвержденными в декабре 1995 г. Минстроем России: "Инструкцией по проектированию крышных котельных" [1] в виде дополнения к СНиП II-35-76 [2] и СНиП 2.04.08-87 [3] и "Техническими условиями по устройству и эксплуатации крышных котельных на природном газе" [4].

В настоящих технических решениях приведены рекомендуемые схемы, устройство и оборудование крышных котельных, в том числе с гелиоустановкой горячего водоснабжения.

2. ОБОСНОВАНИЕ ПРИМЕНЕНИЯ КРЫШНЫХ КОТЕЛЬНЫХ ПРИ ДЕЦЕНТРАЛИЗОВАННОМ ТЕПЛОСНАБЖЕНИИ ЗДАНИЙ ЖИЛИЩНО-КОММУНАЛЬНОГО НАЗНАЧЕНИЯ

Принятые решения Госгортехнадзора о ликвидации подвальных, встроенных в жилые и общественные здания (больницы, поликлиники, школы, детские учреждения) котельных, сыграло положительную роль в перевооружении объектов малой теплоэнергетики. Предпринятые меры способствовали ликвидации около 1500 указанных котельных, что составило свыше 40 % от общей их численности. Эта работа осуществлялась, в основном за счет перевода тепловых нагрузок потребителей на источники централизованного теплоснабжения.

Однако в последние годы, несмотря на общую тенденцию постоянного повышения уровня централизации за счет создания новых и реконструкции старых систем теплоснабжения, темпы работ по ликвидации подвальных котельных резко снизились, и в настоящее время их эксплуатируется около 2000.

Больше всего подвальных котельных эксплуатируется в областях и населенных пунктах, относящихся к Центральному промышленному (137), Московскому городскому (102), Северо-Западному (248), Тульскому (156), Ростовскому (407), Ставропольскому (95), Воронежскому (272), Средне-Волжскому (186) и Нижегородскому (90) округам.

Сохранение большого числа местных котельных малой мощности во многом определяется специфическими условиями ряда городов старой застройки, имеющих архитектурно-историческую ценность, где прокладка новых и замена ветхих тепловых сетей практически исключена, а также сельских местностей с низкой плотностью застройки.

Кроме того, применяемые на практике традиционные режимы работы централизованного теплоснабжения имеют следующие недостатки:

практическое отсутствие регулирования отпуска тепла на отопление зданий в переходные периоды, когда особенно большое влияние на тепловой режим отапливаемых помещений оказывают ветер, солнечная радиация, бытовые тепловыделения;

перерасход топлива и перетоп зданий в теплые периоды отопительного сезона;

большие потери тепла при его транспортировке (около 10 %), а во многих случаях - намного больше;

нерациональный расход электроэнергии на перекачку теплоносителя, обусловленный самим принципом центрального качественного регулирования;

длительная эксплуатация подающих трубопроводов теплосети в неблагоприятном режиме температур, характеризующемся нарастанием коррозионных процессов и др.

Четырехтрубная квартальная тепловая сеть не только увеличивает стоимость транспортировки тепла, но и значительно усложняет их эксплуатацию. При распространенных на практике подземных прокладках тепловых сетей оказались невозможными контроль и своевременная ликвидация коррозионных повреждений труб горячего водоснабжения, которые часто прокладываются неоцинкованными, сварные соединения оцинкованных труб тоже подвержены активной коррозии.

Усиленной коррозии труб горячего водоснабжения (ГВС) в закрытых системах теплоснабжения способствует отсутствие на ЦТП какой-либо обработки водопроводной воды, поступающей в системы ГВС. В результате коррозии труб ГВС подземные каналы заливаются водой, от коррозии страдают также трубы системы отопления, которые, как правило, прокладываются совместно с трубами ГВС.

В этой связи задача повышения эффективности существующих систем децентрализованного теплоснабжения является несомненно актуальной.

К преимуществам предлагаемого способа теплоснабжения зданий с использованием крышных котельных можно отнести:

сокращение капвложений (в 2-3 раза) и затрат на эксплуатацию за счет исключения тепловых сетей;

экономию топлива (не менее 30 % от годового расхода); сокращение вредных выбросов от котельных.

Опыт применения крышных котельных выявил еще целый ряд преимуществ, это:

освобождение подвальных помещений, которые могут быть использованы для различных целей;

расположение котельной на крыше имеет преимущество в случае взрыва, так как стены котельной делаются в виде легких перегородок, что защитит само здание;

устраняется необходимость сооружения больших дымовых труб по всей высоте здания. Достаточно на котельной установить наружную дымовую трубу небольшой высоты;

оборудование котельной на крыше подвергается воздействию менее высокого давления, чем в случае установки ее в основании здания. Увеличивается долговечность оборудования и уменьшаются расходы на текущий ремонт;

строительство децентрализованных крышных котельных намного уменьшает потери топлива по сравнению с котельными, отапливающими централизованно кварталы города;

крышные котельные открывают широкие возможности применения экономичных и прогрессивных решений по отоплению и ГВС с использованием средств автоматизации и учета расхода тепла и воды. Капитальные затраты на сооружение котельной тепловой мощностью 1 Гкал/ч около 500 000 тыс. руб., включая стоимость оборудования котельной, проектных и строительно-монтажных работ;

годовой расход топлива на теплоснабжение здания может быть уменьшен примерно еще на 20-25 %, обеспечивая летом около 80 % нагрузок ГВС, так как современная типология жилых и общественных зданий, их планировочное и конструктивное решение позволяет наиболее оправданно с технической, экономической и экологической точек зрения располагать гелио-коллекторы на кровле здания рядом с крышными котельными без ущерба для окружающей среды (без омертвления земли под солнечными коллекторами).

3. ТЕХНИЧЕСКИЕ РЕШЕНИЙ ПО КРЫШНОЙ КОТЕЛЬНОЙ

3.1. Принципиальные схемы и основное и вспомогательное тепломеханическое и газовое оборудование, гелиоустановка, автоматизация их работы

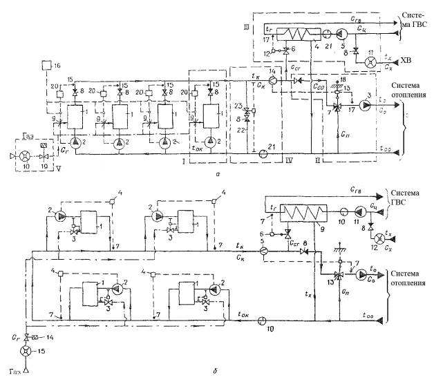
3.1.1. Принципиальные тепловые схемы котельной и автоматизация работы ее оборудования.

Теплогенераторы на природном газе, которыми оснащается крышная котельная, представляют собой полностью законченные изделия из конструкций унифицированного типа. С их помощью путем наращивания можно обеспечить любую заданную тепловую мощность котельной.

Возможны две основные принципиальные схемы соединения между собой теплогенераторов: параллельная и последовательная.

Параллельная схема (рис. 1,а) представляет собой включение теплогенераторов 1 (включая их обвязку с циркуляционным насосом 2 и обратным клапаном 8) параллельно друг другу. При этом каждый из них может быть и рабочим, и резервным теплогенератором. С целью поддержания постоянства расхода волы через теплогенераторы 1 (в пределах допустимого диапазона изменения расхода воды через них), каждый из них оборудуется циркуляционным насосом 2, а вся группа теплогенераторов - общей рециркуляционной линией 22 с обратным клапаном и регулятором перепада давлений 23 на выходе этой группы.

Подача газа в теплогенераторы производится от общего газопровода через газовые регулирующие заслонки 9 с электроприводом, управляемые регуляторами температуры 20, получающими импульсы от датчиков температуры 15, контролирующих температуру воды после теплогенераторов. Заслонки снабжены конечными выключателями, с помощью которых включаются или выключаются насосы 2 одновременно с началом открытия или при полном закрытии заслонок 9 соответственно.

С целью снижения затрат на средства управления работой теплогенераторов при переменной тепловой мощности котельной целесообразно принять режим ее работы, обеспечивающий отпуск тепла при постоянной температуре воды на выходе tк=tк.рас, т. е. равной расчетной температуре теплогенератора. Изменение суммарной тепловой мощности, потребляемой системами отопления, вентиляции и ГВС здания, приводит к изменению суммарного расхода воды Gк и температуры обратной воды tок. При этом изменяется число включенных в. работу теплогенераторов: n–1 - включены на полную мощность, а n-й является регулирующим. Требуемая последовательность их включения задается с помощью переключателя 16. Постоянная температура на выходе каждого теплогенератора tк поддерживается регулятором 20, воздействующим на газовые заслонки 9.

Последовательная схема (рис. 1,б) представляет собой включение теплогенераторов 1 с их обвязкой и насосом 2 последовательно друг относительно друга. Причем каждый из теплогенераторов оборудуется рециркуляционной линией, что обеспечивает поддержание расхода воды через них в требуемых пределах. Благодаря последовательному включению нагрев обратной воды от систем теплопотребления здания с температурой tок до температуры воды tк в подающем трубопроводе осуществляется ступенчато. Каждая из ступеней нагрева обеспечена регулированием температуры воды на выходе с помощью автоматического регулятора 4 с датчиком температуры 7, который включает или отключает циркуляционный насос 2 соответственно при снижении или увеличении температуры на выходе данного теплогенератора от заданного диапазона ее изменения.

Подача газа в теплогенераторы производится от общего газопровода через регулятор расхода газа с мембранным приводом, который перекрывает или открывает подачу газа соответственно при отключении или включении насоса 2 под воздействием регулятора температуры 4. Таким образом, для каждого теплогенератора обеспечивается двухпозиционное регулирование температуры в заданном ее диапазоне. Диапазоны регулирования температуры задаются регуляторам 4, причем они различны для каждого теплогенератора и увеличиваются от первого из них по ходу воды до последнего. При изменении, например, уменьшении суммарной тепловой мощности, когда уменьшается расход Gк и температура tок, уменьшается количество включенных в работу теплогенераторов, причем сначала отключается последний из них (n-й), затем (n–1)-й и т. д. При увеличении нагрузки включение теплогенераторов происходит в обратном порядке.

Выбор той или иной схемы котельной определяется техническими характеристиками теплогенераторов.

3.1.2. Принципиальные схемы улов присоединения систем теплопотребления здания и автоматизация работы их оборудования

Из котельной тепло отпускается в системы отопления, вентиляции и ГВС здания. Схемы присоединения этих систем в котельной показаны на рис. 1,а,б.

Система отопления (см. рис. 1,а) присоединяется через смесительный узел отпуска тепла, состоящий из трехходового регулирующего клапана 7, управляемого регулятором температуры воды на отопление 13, и циркуляционного насоса отопления 3. С помощью датчиков температуры смешанной воды 17 и наружного воздуха 18 регулятор 13 своим клапаном 7 поддерживает заданный температурный график для системы отопления, а с помощью насоса 3 поддерживается постоянный расход воды в этой системе. Таким образом системе отопления отпускается тепло по режиму качественного регулирования.

Рис. 1. Принципиальная тепловая схема крышной котельной на природном газе:

а) схема параллельного включения теплогенераторов:

1 - теплогенератор; 2 - циркуляционный насос теплогенератор; 3 - циркуляционный насос отопления; 4 - водонагреватель ГВС; 5 - циркуляционный насос ГВС; 6 - регулирующий клапан двухходовой; 7 - регулирующий клапан трехходовой смесительный; 8 - обратный клапан; 9 - газовая регулирующая заслонка (клапан); 10 - счетчик газа; 11 - счетчик холодной воды; 12 - регулятор температуры воды на ГВС; 13 - регулятор температуры воды в системе отопления; 14 - датчик устройства ограничения расхода; 15, 17 - датчики температуры воды; 16 - переключатель теплогенераторов; 18 - датчик температуры наружного воздуха; 19 - запорно-предохранительный клапан; 20 - регулятор температуры воды после теплогенератора; 21 - грязевик; 22 - рециркуляционная линия; 23 - регулятор перепада давлений

б) схема последовательного включения теплогенераторов:

1 - теплогенератор; 2 - циркуляционный насос теплогенератора; 3 - регулятор расхода газа; 4 - регулятор температуры воды после теплогенератора; 5 - датчик устройства ограничения расхода; 6 - регулятор температуры воды на ГВС; 7 - датчик температуры воды; 8 - обратный клапан; 9 - водонагреватель ГВС; 10 - грязевик; 11 - циркуляционный насос ГВС; 12 - счетчик холодной воды; 13 - регулирующий трехходовой смесительный клапан; 14 - запорно-предохранительный клапан; 15 - счетчик газа

Аналогичная схема оборудования применяется и для отпуска тепла системам вентиляции. Система ГВС присоединяется по закрытой схеме через водонагреватель 4. Требуемая температура воды на ГВС поддерживается постоянной (60°С) с помощью регулятора 12, воздействующего на клапан. 6, который изменяет расход греющей воды в сторону уменьшения или увеличения в зависимости от знака отклонения температуры нагреваемой воды, измеряемой датчиком 17, от заданного ее значения. В обвязке водонагревателя 4 - насос 5, обеспечивающий циркуляцию воды в системе ГВС, и счетчик холодной воды 11.

С целью выбора минимального числа теплогенераторов отпуск тепла в системы отопления и ГВС целесообразно осуществлять по режиму связанного регулирования (см. п. 3.1.4). Этот режим обеспечивается работой устройства ограничения расхода 14 (см. рис. 1,а), в котором задается расчетный расход воды Gк=Gк.рас, определяемый исходя из формулы (1), т.е. при среднечасовой нагрузке ГВС. При достижении Gк=Gк.pac во время прохождения пиков нагрузки ГВС регулятор 13 от импульса датчика 14 с помощью клапана 7 прикрывает подачу воды от теплогенераторов (Gco) и увеличивает подмешивание (Gп), что приводит к снижению отпуска тепла на отопление. При этом регулятор 13 рассчитывает и запоминает количество недоданного тепла системе отопления. При малых нагрузках ГВС в ночные часы, когда расход Gк становится меньше Gк.pac, датчик 14 отключается от регулятора 13. Последний по импульсам от датчиков 17 и 18 устанавливает клапан 7 в положение, при котором системе отопления будет возвращено недоданное количество тепла.

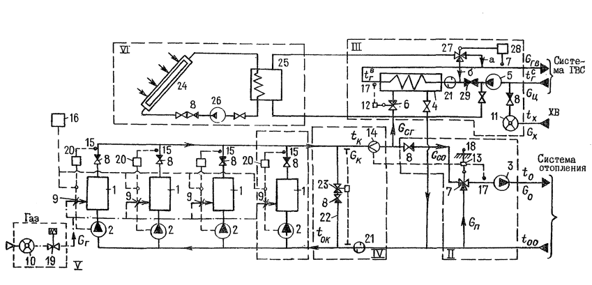
Принципиальная тепловая схема котельной с гелиоустановкой и автоматизация ее работы

Особенность данной схемы (рис. 2) состоит в том, что горячая вода для нужд ГВС здания может приготовляться как в водонагревателе 4, греющая вода к которому поступает от теплогенераторов через клапан 6 регулятора температуры 12 с датчиком 17, так и в гелиоустановке, состоящей из первичного контура - гелиоприемников 24, циркуляционного насоса 26, бака-аккумулятора 25 с теплообменником, и вторичного контура с распределительным клапаном 27 [5]. Выбор режима работы комплекса гелиоустановки и водонагревателя ГВС осуществляется с помощью задвижки 29 и клапана 27.

При достаточной интенсивности солнечной радиации, когда температура воды в систему ГВС tг равна или больше требуемой, распределительный клапан 27 открыт в направлении "а" и вся вода на ГВС проходит через бак-аккумулятор 25 (задвижка 29 закрыта). Водоподогреватель 4 ГВС по нагреваемой и греющей воде отключен, клапан 6 регулятора 12 закрыт (благодаря электрической блокировке с клапаном 27).


Рис. 2. Принципиальная тепловая схема крышной котельной на природном газе с гелиоустановкой (схема параллельного включения теплогенераторов):

1 - теплогенератор; 2 - циркуляционный насос теплогенератора; 3 - циркуляционный насос отопления; 4 - водонагреватель ГВС; 5 - циркуляционный насос ГВС; 6 - регулирующий клапан двухходовой; 7 - регулирующий клапан трехходовой смесительный; 8 - обратный клапан; 9 - газовая регулирующая заслонка (клапан); 10 - счетчик газа; 11 - счетчик холодной воды; 12 - регулятор температуры воды на ГВС; 13 - регулятор температуры воды в систему отопления; 14 - датчик устройства ограничения расхода; 15, 17 - датчики температуры воды; 16 - переключатель теплогенераторов; 18 - датчик температуры наружного воздуха; 19 - запорно-предохранительный клапан; 20 - регулятор температуры воды после теплогенератора; 21 - грязевик; 22 - рециркуляционная линия; 23 - регулятор перепада давлений; 24 - солнечные коллекторы; 25 - бак-аккумулятор; 26 - циркуляционный насос гелиоконтура; 27 - распределительный клапан; 28 - переключатели клапана 27; 29 - задвижка выбора режима работы комплекса


При снижении интенсивности солнечной радиации, когда температура tсг становится ниже требуемой, клапан 27 с помощью переключателя 28 переключается в положение "б" и разблокирует клапан 6. Нагреваемая вода проходит последовательно через бак 25 и водонагреватель 4 и регулятор 12 открывает клапан 6 настолько, чтобы обеспечить температуру воды на выходе водонагревателя tвг на требуемом уровне. При этом блокируется клапан 27 (в положение "б"). При новом повышении интенсивности солнечной радиации, когда температура на выходе водонагревателя 4 tвг стремится к увеличению, регулятор 12 полностью закрывается и разблокирует клапан 27, который переходит в положение "а". Вновь тепловая нагрузка ГВС удовлетворяется только за счет солнечной энергии. В периоды повышенной интенсивности радиации, когда в баке 25 температура воды выше требуемой tсг по импульсу от датчика температуры воды в баке (на рис. 2 не показан) отключается насос 26, что обеспечит экономичный режим работы гелиоустановки.

Работа теплогенераторов и узла присоединения системы отопления осуществляется так же, как описано в пп. 3.1.1 и 3.1.2.

3.1.3. Основное и вспомогательное оборудование

Учитывая особенности монтажа крышных котельных, целесообразно изготовление, поставку и монтаж оборудования котельных осуществлять в комплектно-блочном исполнении полной заводской готовности в виде следующих блоков и узлов (см. рис. 1, 2):

блоки теплогенератора (I);

смесительный узел отпуска тепла в систему отопления (II);

блок водонагревателя ГВС (III);

узел рециркуляции и контроля расхода воды (IV);

узел газового ввода (V);

блок гелиоколлекторов (VI).

Блок теплогенератора I служит для нагрева воды, обеспечивающей работу систем отопления и ГВС. Он содержит:

теплогенератор;

циркуляционный насос;

автоматику безопасности;

автоматику регулирования.

Смесительный узел отпуска тепла II служит для приготовления и подачи (циркуляции) воды в системе отопления, здания в целом или его фасадов (зон) с температурой в зависимости от климатических условий. Узел содержит:

циркуляционно-подмешивающие малошумные насосы (рабочий и резервный) на систему отопления здания в целом и при наличии фасадов (зон) на каждом из них;

клапан (проходной или трехходовой) с электрическим приводом;

регулятор температуры с датчиками;

шкаф управления насосами;

ручную запорно-регулировочную арматуру и трубопроводы обвязки.

Блок водонагревателя ГВС III служит для приготовления и подачи (циркуляции) воды в системе ГВС здания. Он содержит:

водонагреватели (теплообменники) ГВС;

циркуляционные или циркуляционно-повысительные малошумные насосы,

клапан (проходной или трехходовой) с электрическим приводом;

регулятор температуры с датчиком;

шкаф управления насосами;

ручную запорно-регулировочную арматуру и трубопроводы обвязки.

Узел рециркуляции и контроля расхода воды IV содержит рециркуляционную линию, регулятор перепада давлений, датчик расхода устройства ограничения расхода.

Узел газового ввода V описан в п. 3.3.3.

Блок гелиоколлекторов VI описан в п. 3.6.14.

Варьируя соединение блоков и узлов, можно обеспечить заданную тепловую мощность котельной и ее схему. Примерная компоновка оборудования котельной представлена на рис. 3.

Помимо основного оборудования котельная может комплектоваться оборудованием водоподготовки подпиточной воды, расширительным баком (закрытого типа) и др.

3.1.4. Определение тепловой мощности котельной, теплогенераторов и другого оборудования

Расчетная тепловая мощность котельной определяется по формуле

Qрас=Qо+Qвк+Qгв

(1)

где Qо - расчетный (максимальный) расход тепла на отопление здания, кВт;

Qвк - расчетный (максимальный) расход тепла на вентиляцию и кондиционирование воздуха, кВт;

Qгв - среднечасовой расход тепла за сутки с наибольшим водопотреблением на ГВС с учетом теплопотерь на циркуляцию, кВт.

Значения Qо, Qвк, Qгв определяются по проектным данным, по фактическим расходам тепла, измеренным приборами учета тепла, или по действующим нормам.

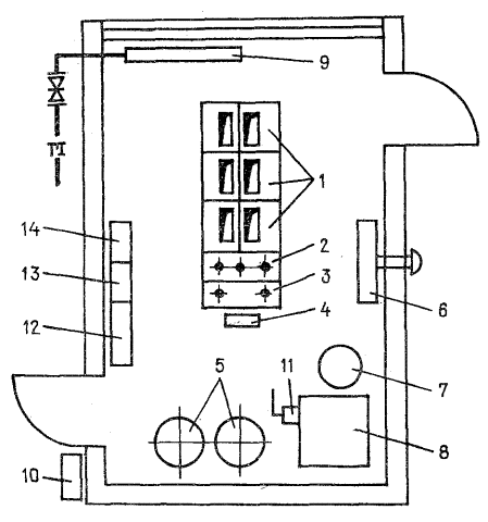
Рис. 3. Крышная котельная на природном газе:

1 - теплогенератор; 2 - блок горячего водоснабжения; 3 - блок регулирования системы отопления; 4 - комплект вспомогательных устройств; 5 - компенсатор объема; 6 - газовый конвектор; 7 - водоумягчительная установка; 8 - бак запаса умягченной воды; 9 - узел учета расхода газа; 10 - электрощит; 11 - ручной насос; 12 - сборно-распределительная гребенка отопления; 13 - щит автоматики отопления; 14 - щиты управления насосами отопления и ГВС

Определение расчетной тепловой мощности котельной по формуле (1), в которой учитывается среднечасовой расход тепла на ГВС, а не максимальный часовой расход, позволяет существенно сократить установленную тепловую мощность теплогенераторов.

Например, для дома с 60 квартирами и 200 жильцами при коэффициенте часовой неравномерности, равном 4,5 [6], расчетная тепловая мощность Qpаc=0,4 МВт, а при учете максимального часового расхода ГВС Qpac составила бы 0,6 МВт, т.е. в 1,5 раза больше. Поэтому расчет Qpac по формуле (1) обусловит меньшее число теплогенераторов, что удешевит оборудование котельной и ее устройство на крыше здания.

При предлагаемом методе расчета Qpac для обеспечения требуемых параметров воздуха в отапливаемых помещениях при прохождении пиков нагрузки ГВС отпуск тепла от теплогенераторов системам теплопотребления здания должен осуществляться по режиму связанного регулирования с использованием аккумулирующей способности ограждающих конструкций зданий или с применением бака-аккумулятора горячей воды. Режим связанного регулирования реализуется с помощью устройства ограничения расхода [7], описание работы которого приведено в п. 3.1.2.

Количество теплогенераторов определяется по формуле:

(2)

где qт≤0,5Qpac - тепловая мощность одного теплогенератора, кВт.

Площадь солнцепоглощающей поверхности гелиоколлекторов определяется по ВСН 52-86 [8]

где Gг - суточный расход горячей воды в системе ГВС, кг/сут, принимается по СНиП 2.04.01-85;

tх, tг - соответственно температура холодной воды и требуемая температура горячей воды, °С;

η - КПД гелиоустановки ГВС;

 - суммарный суточный поток радиации на 1 м2, Вт/(м2·сут);

qi - интенсивность падающей солнечной радиации в плоскости коллектора, Вт/м2.

КПД гелиоустановки определяется по ВСН 52-86

где Ок - приведенная оптическая характеристика коллектора. (При отсутствии паспортных данных может быть принята равной 0,73 для одностекольных коллекторов и 0,63 - для двухстекольных);

U - по ВСН 52-86;

t1, t2 - температура теплоносителя на входе и выходе солнечного коллектора, °С, где

t2=tг+5°С;   t1=tх+5°С;

te - средняя дневная температура воздуха, °С.

Если максимальная часовая производительность гелиоустановки ГВС с принудительной циркуляцией выше потребной по графику водоразбора, то в установках необходим бак-аккумулятор, объем которого определяется по суточным графикам подогрева воды в установке и водопотребления, а при их отсутствии - в зависимости от климатического района по формуле

V=(0,06–0,08) А,

принимая большее значение для IV климатического района.

Производительность циркуляционного насоса системы ГВС рассчитывается на максимальный расход воды в системе ГВС, а напор выбирается из условия преодоления сопротивления в теплообменнике ГВС, баке-аккумуляторе гелиоустановки и сетях от теплообменника до самого удаленного водоразборного устройства.

3.2. Типы теплогенераторов, теплообменников, насосов и регуляторов

Все оборудование котельной на природном газе может быть укомплектовано изделиями отечественного и импортного производства, прошедшими сертификацию.

В качестве источников тепла должны использоваться автоматизированные газовые теплогенераторы заводской готовности с теплоносителем - водой, температурой 95°С и давлением 1 МПа. Такие теплогенераторы выпускаются рядом зарубежных фирм. В РФ их производство находится в стадии освоения.

Циркуляционные насосы с низким уровнем шума и требуемыми характеристиками рекомендуется применять импортного производства, например, фирм "Вило", "Грундфос".

Теплообменные аппараты пластинчатого типа выпускаются рядом предприятий РФ, например, в Московской области организовано их производство совместно с фирмой "Альфа-Лаваль" (Швеция).

Средства автоматического регулирования отпуска тепла серийно выпускаются на заводах РФ, например, многофункциональный микропроцессорный прибор типа "Теплар" МЗТА (Москва).

Гелиоприемники выпускаются на Ковровском механическом заводе и других заводах РФ.

3.3. Газоснабжение

3.3.1. Газоснабжение котельной осуществляется от газопровода низкого давления до 5 кПа. Газопровод подводится к котельной по наружной стене здания с шириной простенка не менее 1,5 м с установкой отключающего устройства с изолирующим фланцем в пожаробезопасном и легко доступном месте.

3.3.2. Расход газа, нм 3/ч, определяется по формуле

где Qpac - общая тепловая нагрузка, кВт (ккал/ч);

Qн - теплота сгорания газа, кВт·ч/нм3 (ккал/нм3);

η - КПД теплогенератора, % .

3.3.3. Узел газового ввода внутри помещения котельной оборудуется счетчиком газа, по показаниям которого производится коммерческий учет газопотребления, и запорно-предохранительным клапаном, прекращающим подачу газа при срабатывании автоматической защиты. Варианты схем узла (газового ввода) приведены на рис. 4,а,б.

3.3.4. После узла газового ввода газопровод разделяется на ответвления к каждому теплогенератору в зависимости от схемы соединения теплогенераторов (см. рис. 1,а,б).

По ответвлениям газ поступает к горелкам теплогенераторов через регулирующие устройства. Подача воздуха осуществляется пропорционально расходу газа способом, определяемым конструкцией теплогенератора.

3.4. Дымоудаление

3.4.1. Удаление продуктов сгорания осуществляется через газоотводящий дымоход от каждого теплогенератора. Дымоотводная труба может быть индивидуальной для каждого теплогенератора или общей для нескольких теплогенераторов.

3.4.2. Дымоходы могут быть выполнены из дымоотводных элементов, а также из асбоцементных трубообразных профилей. Могут быть применены дымоотводы металлические.

3.4.3. Следует избегать в дымоходах резких изменений сечения, сужений, соединений под углом 90°, колен малым радиусом (минимальный радиус колена должен составлять 1,5 Ду).

Рис. 4. Варианты принципиальных схем узла газового ввода:

а - с ротационным счетчиком газа; б - с расходомером-счетчиком газа;

1 - запорно-предохранительный клапан; 2 - запорная арматура; 3 - газовый счетчик; 4 - фильтр; 5, 6 - проход газопровода и трубопровода продувки в футляре через стену котельной, 7 - диэлектрический фланец; 8 - ответные фланцы

3.4.4. Дымоотводной канал должен иметь:

тягопрерыватель, исключающий опрокидывание тяги и обрыв пламени горелки при чрезмерной тяге;

датчик тяги, который отключает теплогенератор при недостаточной тяге, если забивается дымоход.

3.4.5. Необходимо предусмотреть над дымоотводной трубой козырек для защиты от дождя при условии, чтобы козырек не мешал выходу газов, а также чтобы дымоотводящая труба была открыта со всех четырех сторон.

3.4.6. В случае плоских крыш достаточно, чтобы высота выступающей над крышей части дымоотвода была равна 1,2 м.

В случае неплоских крыш дымоотвод должен выступать над коньком крыши на 0,8 м, а если расстояние до крыши соседнего здания не превышает 3 м, то дымоотвод должен на 0,8 м выступать над уровнем крыши этого соседнего здания.

3.4.7. Если полная высота дымоотвода не превышает 4 м, то между дефлектором и горловиной дымоотводной трубы поперечное сечение не должно изменяться.

3.4.8. Способ укрепления дымоотводов и их расчеты производятся в каждом случае индивидуально.

3.4.9. В случае отдельного отвода продуктов сгорания от каждого теплогенератора дымоотвод рассчитывается на естественную тягу. В случае сборного дымоотвода от группы теплогенераторов возможен расчет дымоотвода как на естественную, так и на искусственную тягу.

Расчет тяги производится согласно СНиП II-35-76 [2].

3.4.10. Расчет дымоотводов по выбросам загрязняющих веществ в атмосферу и рассеиванию дымовых газов осуществляется согласно нормативным документам ОНД-86.

3.5. Химводоподготовка

3.5.1. Все системы котельной должны заполняться водой, не приводящей к коррозионным повреждениям и отложениям накипи.

3.5.2. При подключении к котельной отопительной системы здания необходимо предварительно промыть эту систему, удалив из нее присутствующую в ней грязь и отложившуюся накипь.

3.5.3. Система умягчения подпиточной воды или ее химводоочистка должны проектироваться индивидуально в зависимости от качества используемой водопроводной воды.

3.5.4. Нормы качества подпиточной воды: при закрытой системе:

жесткость, не более 1,5 мг-экв/л;

содержание кислорода не более 0,1 мг/л;

pH=7-9,

при открытой системе подпиточная вода должна обеззараживаться, чтобы ее качество отвечало требованиям ГОСТ 2874-54 "Вода питьевая".

3.5.5. Установка химводоочистки монтируется непосредственно в помещении крышной котельной.

3.5.6. Для крышных котельных на природном газе рекомендуется применять магнитную обработку воды, а также установки автоматической дозировки комплексонов.

3.5.7. Установка по п. 3.5.6 обеспечивает автоматическую дозировку реагента в систему в зависимости от расхода подпиточной воды.

Автоматизированная установка для дозировки комплексонов включает емкость с запасом раствора реагента на 3-4 недели непрерывной работы, расходомер подпиточной воды, электронный блок управления, специальный дозировочный насос.

Все оборудование размещается в металлическом шкафу размером 0,7×0,7 м в плане и высотой 1,6 м.

3.5.8. Установки автоматической дозировки можно использовать также для противокоррозионной обработки систем ГВС и обработки подпиточной воды систем оборотного водоснабжения.

3.5.9. Поставку установок, подключение оборудования, отработку режима дозировки, а в дальнейшем обеспечение поставки реагентов и сервисное обслуживание установок практически без участия обслуживающего персонала котельной, а при необходимости замену вышедших из строя элементов оборудования, осуществляют специалисты АКХ им. К.Д. Памфилова.

3.6. Объемно-планировочные и конструктивные решения

3.6.1. Крышная котельная представляет собой легкую постройку небольшого объема. Архитектурные решения помещений и сооружений котельной принимаются с учетом характера окружающей застройки и архитектуры здания, на крыше которого располагается котельная.

3.6.2. Надстройка котельной должна быть одноэтажной.

3.6.3. Вход в котельную рекомендуется выполнять с. плоской крыши как минимум через одну отдельно стоящую будку, надстроенную над лестничной клеткой. Свободная высота проходов к помещению котельной должна быть не менее 2 м. Проход по кровле должен быть не менее 1 м и осуществляться по площадкам из несгораемых материалов, при необходимости оборудованных перилами высотой не менее 0,9 м.

3.6.4. Здание крышной котельной следует опирать на несущие стены.

3.6.5. Наружные стены котельной рекомендуется устанавливать на расстоянии не менее 2-3 м от стен основного здания.

3.6.6. В качестве утепления не допускается применять горючие материалы.

3.6.7. Ограждающие конструкции котельной должны быть несгораемыми с пределом огнестойкости не менее 0,75 м и парогазонепроницаемыми.

3.6.8. Минимальная высота помещения крышной котельной (от пола до потолка) - не менее 2,65 м. Ширина свободного прохода помещения должна приниматься с учетом требований по эксплуатации оборудования, но не менее 1 м, в том числе при открытых дверцах шкафов и выдвинутых при обслуживании деталей. Высоту свободного прохода принимать не менее 2 м. Допускается местное уменьшение высоты до 1,8 м, если это обусловлено конструкцией оборудования.

3.6.9. Площадь и размещение оконных проемов котельной определяют из условий естественной освещенности, на оконных проемах следует предусмотреть защитные сетки от возможного разброса стекла при авариях.

3.6.10. Площадь легко сбрасываемых ограждающих конструкций крышной котельной (в том числе оконного стекла) должна приниматься по расчету, а также в соответствии с требованиями заводов-изготовителей оборудования, но не менее 0,2 м2 на 1 м3 объема помещения. В качестве легкосбрасываемых применять материалы с усилителем разрушения не более 70 кгс/м2.

3.6.11. Допускаемые уровни звукового давления и уровня звука в помещении котельной должны соответствовать санитарным нормам проектирования - не выше 60 дБА.

3.6.12. Ограждающие конструкции крышной котельной должны обеспечивать допустимый уровень шума в помещениях, над которыми расположена котельная, а в прилегающих к крышной котельной квартирах - не выше 35 дБА.

3.6.13. Пол крышной котельной должен учитывать высоту залива водой до 10 см.

Высота порога входной двери должна быть не меньше 10 см.

3.6.14. Включение гелиоустановки ГВС в структуру здания возможно в двух вариантах. Первый - при сохранении традиционной объемно-планировочной структуры и конструктивного решения (солнечные коллекторы размещаются на кровле здания), второй - поиск специфического объемно-планировочного решения здания. Во втором случае солнечные коллекторы необходимо совмещать с наклонными кровлями, стенами, ограждениями балконов, лоджий, террас или элементами солнецезащиты.

Для обеспечения максимального поглощения энергии за год приемная поверхность коллектора должна быть ориентирована на экватор с наклоном, приблизительно равным географической широте, на которой расположена установка, причем для зимнего периода наклон должен быть на 10° больше широты, а для летнего - на 10° меньше широты.

3.6.15. Котельная должна обеспечить бесперебойное теплоснабжение зданий даже при пиковой нагрузке и отсутствии поступления солнечной энергии. При выборе схемы расположения котельной необходимо исходить из условия предпочтительного использования солнечной энергии для нагрева теплоносителя и догрева его до требуемой рабочей температуры с помощью теплообменников котельной. Наиболее рациональной является схема с размещением дополнительного источника энергии (теплообменников) на выходе из аккумулятора теплоты, при этом лучше используется солнечная энергия.

Аккумулятор является важным компонентом системы солнечного теплоснабжения, так как из-за периодичности поступления солнечной радиации в течение дня, месяца, года максимум теплопотребления объекта не совпадает с максимумом теплопоступления. Аккумулирование теплоты обычно осуществляется с помощью воды в жидкостных и засыпки из гравия, гранита и других твердых наполнителей в воздушных системах. Выбор объема аккумулятора зависит от характеристик систем.

В тех случаях, когда потребление теплоты и ее поступление из гелиосистемы совпадают, можно обойтись без теплового аккумулятора. Однако, как правило, требуется его установка, и это повышает надежность теплоснабжения и эффективность гелиосистемы.

При включении гелиоустановок в структуру зданий в виде архитектурно-строительных элементов баки-аккумуляторы рекомендуется размещать в технических этажах зданий в специально предусмотренных подпольных помещениях, а также вне структуры здания.

В качестве теплоносителя в гелиосистемах используется вода или антифриз.

3.6.16. При работе солнечных коллекторов в периоды с отрицательной температурой наружного воздуха необходимо либо использовать в качестве теплоносителя, антифриз, либо каким-то способом избегать замерзания теплоносителя (своевременным сливом воды, нагревом ее, утеплением солнечного коллектора). Наиболее широкое распространение в качестве антифризов в гелиоустановках получили водные растворы этиленгликоля С2Н4(ОН)2. Могут использоваться также водные растворы хлористого кальция СаСl2, хлористого натрия NaCl и этилового спирта С2Н5ОН.

Обвязка трубопроводов и бака-аккумулятора рекомендуется трубопроводами из металлополимерных труб (многослойных, из алюминиевого сердечника с внутренним и внешним покрытием из полиэтилена).

Металлополимерные трубопроводы сочетают в себе достоинства металлических и пластмассовых труб: они высокопрочны и выдерживают внутреннее давление до 80 атм, при этом труба легкая (масса 1 пм трубы диаметром 16 мм равна 0,1 кг); не корродируют и не зарастают различными отложениями, что обеспечивает постоянство ее гидравлического сопротивления; прогнозируемый срок службы - 50 лет.

Применение модифицированного (радиационно или химически) полиэтилена для изготовления этих труб позволяет применять их в системах ГВС и отопления.

Металлополимерные трубы изготовляются НПО НИКИМТ и поставляются в комплекте с соединительными деталями и средствами крепления.

Прокладку магистральных трубопроводов гелиоустановок следует предусматривать с уклоном не менее 0,01 - для установок с естественной циркуляцией теплоносителя и 0,002 - для установок с насосной циркуляцией теплоносителя. Уклоны труб подводок к солнечным коллекторам следует принимать равными 5- 10 мм на всю длину подводки.

Для гелиоустановки необходимо предусматривать:

устройства для заполнения гелиоприемного контура и опорожнения;

устройства для удаления воздуха;

средства для мойки солнечных коллекторов;

измерение температуры перед входом и на выходе теплоносителя из групп солнечных коллекторов, теплообменников и баков-аккумуляторов, а также давления в нижней точке теплоприемного контура.

3.7. Электроснабжение, электрооборудование и электрическое освещение

3.7.1. Электроприемники крышной котельной по надежности электроснабжения относятся ко второй категории. Электроснабжение котельной должно осуществляться по двум фидерам (рабочему и резервному).

3.7.2. Питание всех электроприемников котельной производится от распределительного щита 380/220 В, 12 кВт. В распределительном щите устанавливается счетчик электрической энергии.

3.7.3. Электроприемниками котельной являются:

электродвигатели бесшумных (малошумных) циркуляционных насосов теплогенераторов, системы отопления, системы ГВС здания;

электродвигатели вытяжных вентиляторов (при наличии);

электродвигатели приводов регулирующих клапанов регуляторов отпуска тепла на отопление и ГВС;

электродвигатели приводов газовых горелок;

щиты автоматики, управления, контроля и сигнализации;

светильники рабочего и аварийного освещения.

3.7.4. Выбор электродвигателей, пусковой аппаратуры, аппаратов управления, светильников и проводки проводится по условиям среды согласно ПУЭ для зданий с нормальной характеристикой с учетом следующих дополнительных требований:

электродвигатели к вытяжным вентиляторам должны быть в исполнении, предусмотренном ПУЭ для помещений класса В-1а;

пусковая аппаратура этих вентиляторов должна устанавливаться вне помещения котельной и быть в исполнении, соответствующем характеристике окружающей среды;

встроенные в бесшумные (малошумные) насосные агрегаты электродвигатели должны удовлетворять требованиям настоящего пункта.

3.7.5. Прокладка кабелей питающих и распределительных сетей производится в коробах, а прокладка проводов - в коробах или в трубах.

3.7.6. Для обеспечения безопасной работы и сохранности теплогенераторов следует предусмотреть включение и отключение их циркуляционных насосов соответственно с подачей и прекращением подачи газа к котлам с определенным интервалом времени.

3.7.7. Необходимо предусмотреть автоматическое включение резервных насосов систем отопления и ГВС в случаях аварийного отключения работающего насоса или падения давления.

3.7.8. Управление электродвигателями осуществляется дистанционно со щита автоматики и управления. Для управления электродвигателями насосов предусматривается отдельный щит управления с вводным устройством от фидеров.

3.7.9. Освещенность помещения котельной принимается в соответствии со СНиП 23-05-95 [9]. Предусматривается аварийное освещение для продолжения работы.

3.7.10. Помимо основного освещения в нормальном исполнении следует предусмотреть отдельную групповую линию для освещения основных проходов, светильники которой должны быть в исполнении для помещений класса В-1а с выключателями их вне помещения котельной. Проводка к этим светильникам должна соответствовать требованиям для взрывоопасных помещений.

3.7.11. Молниезащита здания крышной котельной выполняется согласно "Указаниям по проектированию и устройству молниезащиты зданий и сооружений".

3.7.12. Все детали котельного оборудования (теплогенераторы, газопроводы), которые в рабочем состоянии не находятся под напряжением, но при неисправностях могут оказаться под напряжением, должны иметь защитное заземление вместе с занулением.

Теплогенераторы, к которым подведено напряжение, разбирать и ремонтировать строго воспрещается.

3.8. Отопление и вентиляция помещения котельной

3.8.1. Отопление должно обеспечивать температуру воздуха в помещении крышной котельной при останове теплогенераторов не ниже 10°С с помощью местных нагревателей.

3.8.2. Вентиляция должна обеспечивать воздухообмен в помещении крышной котельной не менее 1,5 крат.

3.8.3. Максимально допустимая скорость потока воздуха в котельном помещении - 0,3 м/с.

3.8.4. Воздухозаборные отверстия размещаются в нижней части дверей или перегородок помещения котельной на высоте не ниже 0,5 м от пола.

Верхний вентиляционный люк может быть размещен непосредственно под потолком или в потолке.

Вентиляционные жалюзи делаются незакрываемыми.

3.8.5. Вентиляция крышной котельной не должна нарушать работу вентиляции здания.

3.9. Водопровод и канализация

3.9.1. Водопровод и канализация здания с крышной котельной должны проектироваться согласно СНиП на водопровод и канализацию.

3.9.2. Общий водосчетчик рекомендуется устанавливать на водопроводном вводе в здание.

3.9.3. В помещении котельной должен быть оборудован ввод водопровода с установкой водосчетчика подпитки.

3.9.4. Для приема протечек в помещении крышной котельной предусмотреть не менее 2 трапов, объединенных с внутренним водостоком.

3.10. Обеспечение безопасности эксплуатации (с автоматизацией защиты и диспетчеризацией)

3.10.1. Безопасность эксплуатации крышной котельной обеспечивается за счет: автоматической защиты теплогенератора при отклонении технологических параметров от заданных значений, прекращающих подачу газа к горелкам; автоматического контроля загазованности помещения котельной, от действия которого закрывается общий газопровод с помощью запорно-предохранительного клапана, причем открытие последнего производится вручную; выбора требуемой производительности и конструкции вентиляционного устройства (см. раздел 3.8) и устройства дымоудаления (см. раздел 3.4), устройств электроснабжения, электрооборудования и электроосвещения (см. раздел 3.7); диспетчерского контроля и сигнализации нарушений и состояния оборудования на диспетчерском пункте микрорайона или в помещении дежурного в здании.

3.10.2. Конкретные схема и конструкции технических средств автоматической защиты зависят от конструкции выбранного теплогенератора. Но независимо от типа теплогенератора защита должна предусматривать прекращение подачи газа к горелкам при:

повышении или понижении давления газа перед горелками;

погасании пламени горелок;

понижении давления воздуха перед горелками для теплогенераторов с принудительной подачей воздуха;

уменьшении разрежения в топке;

повышении температуры воды на выходе теплогенератора;

повышении или понижении давления воды на выходе теплогенератора;

неисправности электрических цепей защиты, включая исчезновение напряжения.

Пределы отклонений указанных параметров от значений, при которых должна срабатывать защита, устанавливаются заводами-изготовителями теплогенераторов. Все технические средства защиты должны поставляться с теплогенератором.

3.10.3. На диспетчерский пункт микрорайона или в помещение дежурного в здании выводятся сигналы:

остановки любого из теплогенераторов при срабатывании защиты;

несанкционированного открытия двери или окон в помещении котельной;

загазованности помещения котельной;

один обобщенный: о понижении температуры воздуха в помещении котельной (ниже допустимой +5°С) и о неисправностях автоматических регуляторов, в каналах связи с диспетчерским пунктом микрорайона или с помещением дежурного в здании.

3.10.4. Указанные в п. 3.10.3 сигналы дублируются на щите автоматики в котельной для фиксации причины вызова обслуживающего персонала.

3.11. Обеспечение высокой экономичности эксплуатации (с автоматизацией регулирования и контроля)

3.11.1. Высокая экономичность эксплуатации крышной котельной обеспечивается за счет: высокого КПД и автоматизации работы теплогенераторов; автоматизации регулирования отпуска тепла в систему отопления здания и регулирования температуры воды на ГВС (п. 3.1.2); режима связанного регулирования систем отопления и ГВС, позволяющего уменьшить расчетную тепловую мощность котельной и количество выбранных теплогенераторов (п. 3.1.4); соответствующих средств контроля и измерения технологических параметров; использования гелиоколлекторов.

3.11.2. Общие требования к контролю технологических параметров определяются СНиП II-35-76 [4]. В котельной для контроля применяются показывающие приборы (термометры, манометры), сигнализирующие (см. п. 3.10.3) и регистрирующие или суммирующие для измерения количеств потребленных котельной газа, холодной воды, электроэнергии и количества отпускаемого тепла из котельной зданию,

3.11.3. Общие требования и объем автоматизации регулирования в крышной котельной определяются техническими условиями по устройству и эксплуатации [4].

4. ТЕХНИЧЕСКИЕ РЕШЕНИЯ ПО РЕКОНСТРУКЦИИ ВНУТРЕННИХ СИСТЕМ ЗДАНИЯ

Крышная котельная должна служить источником тепловой энергии, питающим системы отопления, ГВС и приточной вентиляции здания, в том числе кондиционирования воздуха, а также для обеспечения технологических нужд без использования пара.

Рядовым решением при реконструкции источника тепловой энергии с использованием крышной котельной можно считать практически полное использование уже смонтированных систем теплопотребления с минимальной их реконструкцией. Реконструкция этих систем может быть ограничена переделкой узлов присоединения к котельной и сборных подающего и обратного стояков, подпитки, воздухоудаления, а также компенсации колебаний объемов воды в системе отопления. В последнем случае предпочтение следует отдавать расширительным устройствам.

При реконструкции для сокращения расхода тепловой энергии и соответственно топлива рекомендуется ряд недорогостоящих и легко выполнимых переделок. Это прежде всего пофасадное разделение систем отопления и их автоматическое регулирование [7, 10, 11]. Сокращение расхода тепловой энергии при этом может быть получено до 25 %, а сами переделки не требуют работ в квартирах, номерах гостиниц и т.п. Для систем ГВС, имеющих циркуляционный контур, рекомендуется программное снижение температуры нагреваемой воды [7], использование нетрадиционных возобновляемых источников энергии [5].

Более существенной экономии тепловой энергии и повышения уровня температурного комфорта в отапливаемых помещениях можно получить с использованием индивидуальных автоматических регуляторов у отопительных приборов [12] в сочетании с автоматическим регулированием температуры воды и перепада давления в системе отопления, осуществляемым в котельной.

Список использованной литературы

1. Строительные нормы и правила Российской Федерации. Инструкция по проектированию крышных котельных. М.: Минстрой России, 1995.

2. СНиП II-35-76 "Котельные установки. Нормы проектирования".

3. СНиП 2.04.08-87 "Газоснабжение".

4. Технические условия по устройству и эксплуатации крышных котельных на природном газе. АКХ им. К. Д. Памфилова, М., 1995.

5. Методические указания по применению в строительном комплексе и жилищно-коммунальном хозяйстве установок, использующих нетрадиционные возобновляемые источники энергии. Отчет АКХ, М., 1995 г.

6. Руководство по проектированию тепловых пунктов. М.: Стройиздат, 1983.

7. Фаликов В.С, Витальев В.П. Автоматизация тепловых пунктов // М.: Энергоатомиздат, 1989.

8. ВСН 52-86 "Установки солнечного горячего водоснабжения. Нормы проектирования".

9. СНиП 23-05-95. "Естественное и искусственное освещение".

10. Великанов В.П., Кожухов С.В. Автоматическое регулирование систем отопления жилых зданий. Серия: Жилищное хозяйство, М., 1985.

11. Ливчак В.И., Великанов В.П. Автоматизированные системы теплоснабжения крупных городов. МГПКТИ, вып. 25. М., 1986.

12. СНиП 2.04.05-91 "Отопление, вентиляция и кондиционирование воздуха".




Яндекс цитирования



   Copyright © 2007-2026,  www.tehlit.ru.

[ ѓосты, стандарты, нормативы, инструкции, правила, строительные нормы ]