//
|
|
Федеральное государственное унитарное предприятие ФГУП «НИЦ «Строительство» СТАНДАРТ ОРГАНИЗАЦИИ ДЕРЕВЯННЫЕ КЛЕЕНЫЕ Методы проектирования и расчета СТО 36554501-002-2006 Москва ПредисловиеЦели и задачи разработки, а также использования стандартов организаций в РФ установлены Федеральным законом от 27 декабря 2002 г. № 184-ФЗ «О техническом регулировании», а правила разработки и оформления - ГОСТ Р 1.0-2004 «Стандартизация в Российской Федерации. Основные положения» и ГОСТ Р 1.4-2004 «Стандартизация в Российской Федерации. Стандарты организаций. Общие положения» Сведения о стандарте: 1 РАЗРАБОТАН И ВНЕСЕН лабораторией несущих клееных деревянных конструкций ЦНИИСК им. В.А. Кучеренко - филиалом ФГУП «НИЦ «Строительство» и группой специалистов (засл. деят. науки и техники РФ, д-р техн. наук, проф. В.М. Горпинченко, Л.М. Ковальчук, д-р техн. наук С.Б. Турковский, кандидаты техн. наук А.А. Погорельцев, И.П. Преображенская, Ю.Ю. Славик, А.Д. Ломакин, В.Н. Зигерн-Корн, канд. хим. наук А.А. Мехтиев, инж. М.А. Филимонов, И.Л. Экнадосьян, П.Н. Смирнов, Е.А. Тимохина, А.В. Федченко, В.А. Галицкий) при участии МГСУ (д-р техн. наук, проф. Д.К. Арленинов), фирмы МП «ДОМ» (канд. техн. Наук В.В. Кислый) и Петрозаводского ГУ (канд. техн. наук Б.Н. Ягнюк) 2 РЕКОМЕНДОВАН К ПРИНЯТИЮ Секцией деревянных конструкций НТС ЦНИИСК им. В.А. Кучеренко 3 УТВЕРЖДЕН И ВВЕДЕН В ДЕЙСТВИЕ приказом и. о. генерального директора ФГУП «НИЦ «Строительство» от 18 апреля 2006 г. № 50 4 СТАНДАРТ РАЗРАБОТАН при использовании и сохранении основных положений СНиП II-25-80 «Деревянные конструкции» и гармонизирован с основными требованиями международных норм, в частности стандартами EN и ISO, а также ENV 1995-1-1: Еврокод 5 «Проектирование деревянных конструкций. Основные правила для строительства». Гармонизация главным образом касается классификации элементов конструкций по классам прочности, а также условий эксплуатации конструкций при различных эксплуатационных воздействиях 5 ВВЕДЕН ВПЕРВЫЕ СодержаниеСТАНДАРТ ОРГАНИЗАЦИИ ДЕРЕВЯННЫЕ КЛЕЕНЫЕ Методы проектирования и расчета Wooden laminated and solid timber structures
| ||||||||||||||||||||||||||||||||||||||||||||||||||||||||||||||||||||||||||||||||||||||||||||||||||||||||||||||||||||||||||||||||||||||||||||||||||||||||||||||||||||||||||||||||||||||||||||||||||||||||||||||||||||||||||||||||||||||||||||||||||||||||||||||||||||||||||||||||||||||||||||||||||||||||||||||||||||||||||||||||||||||||||||||||||||||||||||||||||||||||||||||||||||||||||||||||||||||||||||||||||||||||||||||||||||||||||||||||||||||||||||||||||||||||||||||||||||||||||||||||||||||||||||||||||||||||||||||||||||||||||||||||||||||||||||||||||||||||||||||||||||||||||||||||||||||||||||||||||||||||||||||||||||||||||||||||||||||||||||||||||||||||||||||||||||||||||||||||||||||||||||||||||||||||||||||||||||||||||||||||||||||||||||||||||||||||||||||||||||||||||||||||||||||||||||||||||||||||||||||||||||||||||||||||||||||||||||||||||||||||||||||||||||||||||||||||||||||||||||||||||||||||||||||||||||||||||||||||||||||||||||||||||||||||||||||||||||||||||||||||||||||||||||||||||||||||||||||||||||||
|
Обозначение стандарта |
Обозначение Еврокода |
Наименование |
|
Усилия от внешних нагрузок и воздействий в поперечном сечении элемента |
||
|
М |
М |
- изгибающий момент |
|
N |
N |
- продольная сила |
|
Q |
V |
- поперечная сила |
|
Характеристики материалов |
||
|
Rи |
fm,d |
- расчетное сопротивление древесины изгибу вдоль волокон |
|
Rc |
fс,0,d |
- расчетное сопротивление древесины сжатию вдоль волокон |
|
Rр |
ft,0,d |
- расчетное сопротивление древесины растяжению вдоль волокон |
|
Rсм |
fcl,0,d |
- расчетное сопротивление древесины смятию вдоль волокон |
|
Rск |
fv,0,d |
- расчетное сопротивление древесины сдвигу вдоль волокон |
|
Rс90 |
fc,90,d |
- расчетное сопротивление древесины сжатию поперек волокон |
|
Rр90 |
ft,90,d |
- расчетное сопротивление древесины растяжению поперек волокон |
|
Rсм90 |
fcl,90,d |
- расчетное сопротивление древесины смятию поперек волокон |
|
|
- |
- расчетное сопротивление древесины скалыванию вдоль волокон |
|
Rск90 |
fv,90,d |
- расчетное сопротивление древесины сдвигу поперек волокон |
|
Rсмa |
fcl,a,d |
- расчетное сопротивление древесины смятию под углом к волокнам |
|
Rскa |
fv,a,d |
- расчетное сопротивление древесины сдвигу под углом к волокнам |
|
Rф.р |
ft,0,d ft,90,d ft,45,d |
- расчетное сопротивление фанеры растяжению в плоскости листа |
|
Rф.с |
fc,0,d fc,90,d fc,45,d |
- расчетное сопротивление фанеры сжатию в плоскости листа |
|
Rф.и |
fm,0,d fm,90,d |
- расчетное сопротивление фанеры изгибу в плоскости листа |
|
Rф.ск |
fv,0,d |
- расчетное сопротивление фанеры скалыванию в плоскости листа |
|
Rф.ср |
fr,d fr,45,d |
- расчетное сопротивление фанеры срезу перпендикулярно плоскости листа |
|
Rф.с90 |
fcl,90,d |
- расчетное сопротивление фанеры сжатию перпендикулярно плоскости листа |
|
Rф.см90 |
fcl,90,d |
- расчетное сопротивление фанеры смятию перпендикулярно плоскости листа |
|
|
- |
- расчетное сопротивление древесины однонаправленного шпона изгибу вдоль волокон |
|
|
- |
- расчетное сопротивление древесины однонаправленного шпона сжатию вдоль волокон |
|
|
- |
- расчетное сопротивление древесины однонаправленного шпона растяжению вдоль волокон |
|
|
- |
- расчетное сопротивление древесины однонаправленного шпона смятию вдоль волокон |
|
|
- |
- расчетное сопротивление древесины однонаправленного шпона сдвигу вдоль волокон |
|
Е |
Е0 |
- модуль упругости древесины и фанеры вдоль волокон |
|
Е90 |
Е90 |
- модуль упругости древесины и фанеры поперек волокон |
|
еф |
- |
- модуль упругости фанеры |
|
ЕI |
E0,05 |
- модуль упругости древесины и фанеры в расчетах несущих конструкций (кроме опор ЛЭП) на устойчивость и по деформированной схеме |
|
|
- |
- модуль упругости фанеры в расчетах несущих конструкций (кроме опор ЛЭП) на устойчивость и по деформированной схеме |
|
G0,90 |
G0,90 |
- модуль сдвига древесины относительно осей, направленных вдоль и попрек волокон |
|
Gф |
- |
- модуль сдвига фанеры |
|
|
- |
- модуль сдвига фанеры в расчетах несущих конструкций (кроме опор ЛЭП) на устойчивость и по деформированной схеме |
|
v90.0 |
v90,0 |
- коэффициент Пуассона древесины поперек волокон при напряжениях, направленных вдоль волокон |
|
v90.0 |
v90,0 |
- коэффициент Пуассона древесины вдоль волокон при напряжениях, направленных поперек волокон |
|
vф |
- |
- коэффициент Пуассона фанеры |
|
mn |
ks |
- коэффициент перехода для расчетных сопротивлений сосны к соответствующим величинам других пород древесины |
|
mв |
ksс |
- коэффициент условий эксплуатации конструкций |
|
mт |
kt |
- коэффициент температурных условий |
|
mд |
ksl |
- коэффициент, учитывающий длительную нагрузку |
|
mн |
kdl |
- коэффициент, учитывающий время длительности нагрузки |
|
mб |
kh |
- коэффициент, учитывающий высоту сечения |
|
mсл |
klam |
- коэффициент, учитывающий толщину слоя |
|
mгн |
kr |
- коэффициент, учитывающий радиус кривизны |
|
mо |
kn |
- коэффициент, учитывающий ослабления сечения растянутых и изгибаемых элементов |
|
mа |
ki |
- коэффициент, учитывающий влияние пропитки антипиренами |
|
Т |
Rd,f |
- расчетная несущая способность связи |
|
Геометрические характеристики |
||
|
F |
А |
- площадь поперечного сечения элемента |
|
Fрасч |
Аd |
- расчетная площадь поперечного сечения элемента |
|
Fнт |
Аnet |
- площадь поперечного сечения элемента нетто |
|
Fбр |
Аbr |
- площадь поперечного сечения элемента брутто |
|
Fсм |
- |
- расчетная площадь смятия |
|
Fск |
- |
- расчетная площадь скалывания |
|
b |
b |
- ширина поперечного сечения |
|
d |
d |
- номинальный диаметр стержней арматурной стали, анкеров, болтов, гвоздей, шурупов и др. |
|
h |
h |
- высота поперечного сечения |
|
I |
I |
- момент инерции поперечного сечения элемента |
|
Iнт |
Inet |
- момент инерции поперечного сечения элемента нетто |
|
Iбр |
Ibr |
- момент инерции поперечного сечения элемента брутто |
|
Iпр |
- |
- привиденный момент инерции поперечного сечения элемента |
|
l |
l |
- пролет, длина элемента |
|
l0 |
ld |
- расчетная длина элемента |
|
lсм |
lсl |
- длина площадки смятия |
|
r |
r |
- радиус инерции сечения |
|
S |
S |
- статический момент поперечного сечения элемента |
|
|
|
- статический момент брутто сдвигаемой части поперечного сечения элемента |
|
W |
W |
- момент сопротивления поперечного сечения элемента |
|
Wрасч |
Wd |
- расчетный момент сопротивления поперечного сечения элемента |
|
Wпр |
- |
- приведенный момент сопротивления поперечного сечения элемента |
|
Прочие основные характеристики |
||
|
ξ |
ξ |
- коэффициент, учитывающий дополнительный момент от продольной силы вследствие прогиба элемента |
|
φ |
φ |
- коэффициент продольного изгиба |
|
λ |
λ |
- гибкость элемента |
|
f |
- |
- прогиб элемента |
|
nш |
ngl |
- расчетное число швов в элементе |
|
kc |
kc |
- коэффициент податливости соединений |
|
Подстрочные индексы |
||
|
Подстрочный индекс |
Наименование |
|
|
бр |
br |
- брутто |
|
с |
с |
- сжатие |
|
см |
сl |
- смятие |
|
кр или крит |
сr или crit |
- критический |
|
расч |
d |
- расчетный |
|
д |
def |
- деформационный |
|
расч |
ef |
- расчетный |
|
н |
k |
- нормативный |
|
и |
m |
- изгиб |
|
max |
max |
- максимальный |
|
ср |
mean |
- средний, наиболее вероятный |
|
min |
min |
- минимальный |
|
пр |
mod |
- приведенный |
|
нт |
net |
- нетто |
|
- |
пот |
- номинальный |
|
р |
t |
- растяжение |
|
ск |
v |
- сдвиг |
|
x, y, z |
x, y, z |
- оси прямоугольной (Декартовой) системы координат |
|
a |
a |
- угол между силой, напряжением и направлением волокон древесины |
|
0; 45; 90 |
0; 45; 90 |
- соответствующее направление к направлению волокон в градусах |
|
- |
0,05 |
- значение фрактиля для нормативной величины |
|
* Основные буквенные обозначения, встречающиеся по тексту стандарта, для последующего перехода на Еврокод даны также в варианте Еврокода. |
||
2.1 Для изготовления деревянных конструкций следует применять древесину преимущественно хвойных пород. Древесину твердых лиственных пород следует использовать для нагелей, подушек и других деталей.
Примечание. Для конструкций деревянных опор воздушных линий электропередачи следует применять древесину сосны и лиственницы, а для конструкций опор линий электропередачи напряжением 35 кВ и ниже, за исключением элементов стоек и приставок, заглубленных в грунт, и траверс допускается применять древесину ели и пихты.
2.2 Качество древесины, используемой для элементов несущих ДК, должно соответствовать требованиям ГОСТ 8486, ГОСТ 2695, ГОСТ 9462, ГОСТ 9463, а также дополнительным требованиям, указанным в приложении А.
Прочность древесины соответствующих сортов (классов) должна быть не ниже нормативных сопротивлений, приведенных в приложении Б.
В зависимости от температурно-влажностных условий эксплуатации (групп) к влажности древесины, применяемой в элементах конструкций, должны предъявляться требования, указанные в таблице 1. Зоны влажности, определяющие условия эксплуатации конструкций на открытом воздухе или внутри неотапливаемых помещений, следует принимать в соответствии с нормами по строительной теплотехнике.
Группы условий эксплуатации и особенности их учета даны в приложении Н.
|
Температурно-влажностные условия эксплуатации |
Характеристика условий эксплуатации конструкций |
Максимальная влажность древесины для конструкций, % |
|
|
из клееной древесины |
из неклееной древесины |
||
|
|
Внутри отапливаемых помещений при температуре до 35 °С, относительной влажности воздуха, %: |
|
|
|
|
до 60 |
9 |
20 |
|
свыше 60 до 75 |
12 |
20 |
|
|
A3 (С2) |
свыше 75 до 95 |
15 |
20 |
|
|
Внутри неотапливаемых помещений: |
|
|
|
|
в сухой зоне |
9 |
20 |
|
в нормальной зоне |
12 |
20 |
|
|
Б3 (С3.1) |
в сухой и нормальной зонах с постоянной влажностью в помещении более 75 % и во влажной зоне |
15 |
25 |
|
|
На открытом воздухе: |
|
|
|
|
в сухой зоне |
9 |
20 |
|
в нормальной зоне |
12 |
20 |
|
|
во влажной зоне |
15 |
25 |
|
|
|
В частях зданий и сооружений: |
|
|
|
Г1 (С4) |
соприкасающихся с грунтом или находящихся в грунте |
- |
25 |
|
Г2 (С4.1, С4.2) |
постоянно увлажняемых |
- |
Не ограничивается |
|
Г3 |
находящихся в воде |
- |
То же |
|
Примечания 1 Применение клееных деревянных конструкций в условиях эксплуатации А1 при относительной влажности воздуха ниже 45 % не допускается. 2 В неклееных конструкциях, эксплуатируемых в условиях В2, В3, когда усушка древесины не вызывает расстройства или увеличения податливости соединений, допускается применять древесину с влажностью до 40 % при условии ее защиты от гниения. 3 В графе «Температурно-влажностные условия эксплуатации» даны обозначения классов по европейским нормам. |
|||
2.3 Древесина нагелей, вкладышей и других деталей должна быть прямослойной, без сучков и других пороков, влажность древесины не должна превышать 12 %. Такие детали из древесины малостойких в отношении загнивания пород (береза, бук) должны подвергаться антисептированию.
2.4 Величину сбега круглых лесоматериалов при расчете элементов конструкций следует принимать равной 0,8 см на 1 м длины, а для лиственницы - 1 см на 1 м длины.
2.5 Плотность древесины, фанеры и древесины из однонаправленного шпона для определения собственного веса конструкций при расчете следует принимать по приложению В.
2.6 Синтетические клеи для склеивания древесины и древесины с фанерой в клееных деревянных конструкциях должны назначаться в соответствии с таблицей 2. Клеи для вклеивания арматурных стержней см. в разделе 5 настоящего стандарта.
Другие клеи, не перечисленные в таблице, допускается использовать при условии, что их свойства и долговечность будут не ниже указанных в таблице, при этом они должны иметь соответствующие подтверждения органов сертификации.
Таблица 2
|
Материалы склеиваемых элементов и условий эксплуатации (по таблице 1) |
Типы клеев |
|
1. Древесина и древесина с фанерой в конструкциях для всех условий эксплуатации, кроме Г1, Г3 (С4) |
Резорциноформальдегидные и резорцинофенолоформальдегидные клеи (типа ФР-12, ФРФ-50) |
|
2. То же, для условий эксплуатации, кроме А1, Б1, В1, Г1, Г2 и Г3 (С3 и С4) |
Меламино- и меламинокарбамидоформальдегидные клеи |
|
3. То же, для условий эксплуатации А2 и Б2 (С1 и С2.1) |
Двухкомпонентные клеи повышенной водостойкости на основе дисперсных систем |
|
4. То же, для условий эксплуатации А2 (С1) |
Карбамидоформальдегидные клеи |
|
Примечание. Свойства клеев и технические требования к ним будут представлены в разрабатываемом стандарте «Деревянные клееные конструкции. Клеи. Технические требования» - см. приложение М. |
|
Для защитной обработки ДК материалы следует выбирать в зависимости от вида конструкций и групп условий эксплуатации согласно таблице 2а.
Таблица 2а
|
Вид конструкций |
Группа условий эксплуатации |
Вид защитной обработки и тип защитного материала |
|
|
Несущие конструкции из: |
C1, C2 |
Декоративные (для группы С1) и влагозащитные (для группы С2) покрытия на основе водных дисперсий или органорастворимых смол |
|
|
клееной древесины |
(A1, A2, A3) |
||
|
|
С3, С4 |
Влагозащитные пигментные лакокрасочные органорастворимые материалы |
|
|
(Б1, Б2, Б3, B1, B2, В3) |
|||
|
дощатых элементов |
C1, C2 |
Декоративные покрытия на основе водорастворимых дисперсий |
|
|
(А1, А2, A3) |
|||
|
С3, С4 |
Антисептирование водорастворимыми или органорастворимыми составами |
||
|
(Б1, Б2, Б3, B1, B2, В3, Г1, Г2, Г3) |
|||
|
Каркасные ограждающие конструкции с обшивками из древесных плитных материалов |
С1-С3 |
Антисептирование каркаса и влагозащитная обработка обшивок |
|
|
(А1-А3, Б1-Б3, В1-В3) |
|||
2.7 Для клееных фанерных конструкций следует применять фанеру марки ФСФ по ГОСТ 3916.1 и ГОСТ 3916.2, а также фанеру бакелизированную марки ФБС по ГОСТ 11539.
2.8 Для стальных элементов деревянных конструкций следует применять стали в соответствии с СП 53-102 по проектированию стальных конструкций и арматурные стали в соответствии с нормами по проектированию бетонных и железобетонных конструкций.
2.9 В соединениях элементов конструкций, эксплуатируемых в условиях агрессивной по отношению к стали среды, следует использовать алюминиевый сплав Д16-Т (ГОСТ 21488), стеклопластик АГ-4С (ГОСТ 20437), однонаправленный древеснослоистый пластик ДСПБ (ГОСТ 13913), а также древесину твердых лиственных пород и нержавеющую сталь.
2.10 В строительных конструкциях древесина из однонаправленного шпона используется:
сорт S - для элементов несущих конструкций;
сорт Q - для стеновых панелей и панелей покрытия.
2.11 В композитных конструкциях из клееной древесины и бетона используются: клееная древесина с характеристиками по таблице 3; бетон тяжелый классов В20 и выше; вклеенные арматурные стержни - в соответствии с разделом 5.
3.1 Расчетные сопротивления древесины сосны (кроме веймутовой), ели, лиственницы европейской и японской приведены в таблице 3. Расчетные сопротивления для других пород древесины устанавливают путем умножения величин, приведенных в таблице 3, на переходные коэффициенты тп, указанные в таблице 4.
Методика определения расчетных сопротивлений приведена в приложении Б.
|
Напряженное состояние и характеристика элементов |
Расчетные сопротивления, МПа/кгс/см2, для сортов (классов) древесины |
|||
|
обозначение |
1/К26 |
2/К24 |
3/К16 |
|
|
1. Изгиб, сжатие и смятие вдоль волокон: |
|
|
|
|
|
а) элементы прямоугольного сечения (за исключением указанных в подпунктах «б», «в») высотой до 50 см. При высоте сечения более 50 см см. п. 3.2,д текста |
Rи, Rс, Rсм |
14/140 |
13/130 |
8,5/85 |
|
б) элементы прямоугольного сечения шириной свыше 11 до 13 см при высоте сечения свыше 11 до 50 см |
Rи, Rс, Rсм |
15/150 |
14/140 |
10/100 |
|
в) элементы прямоугольного сечения шириной свыше 13 см при высоте сечения свыше 13 до 50 см |
Rи, Rс, Rсм |
16/160 |
15/150 |
11/110 |
|
г) элементы из круглых лесоматериалов без врезок в расчетном сечении |
Rи, Rс, Rсм |
- |
16/160 |
10/100 |
|
2. Растяжение вдоль волокон: |
|
|
|
|
|
а) неклееные элементы |
Rр |
10/100 |
7/70 |
- |
|
б) клееные элементы |
Rр |
12/120 |
9/90 |
- |
|
3. Сжатие и смятие по всей площади поперек волокон |
Rс90, Rсм90 |
1,8/18 |
1,8/18 |
1,8/18 |
|
4. Смятие поперек волокон местное: |
|
|
|
|
|
а) в опорных частях конструкций, лобовых врубках и узловых примыканиях элементов |
Rсм90 |
3/30 |
3/30 |
3/30 |
|
б) под шайбами при углах смятия от 90 до 60° |
Rсм90 |
4/40 |
4/40 |
4/40 |
|
|
|
|
|
|
|
а) при изгибе неклееных элементов |
Rск |
1,8/18 |
1,6/16 |
1,6/16 |
|
б) при изгибе клееных элементов |
Rск |
1,6/16 |
1,5/15 |
1,5/15 |
|
в) в лобовых врубках для максимального напряжения |
Rск |
2,4/24 |
2,1/21 |
2,1/21 |
|
г) местное в клеевых соединениях для максимального напряжения |
Rск |
2,1/21 |
2,1/21 |
2,1/21 |
|
6. Скалывание поперек волокон: |
|
|
|
|
|
а) в соединениях неклееных элементов |
Rск90 |
1/10 |
0,8/8 |
0,6/6 |
|
б) в соединениях клееных элементов |
Rск90 |
0,7/7 |
0,7/7 |
0,6/6 |
|
7. Растяжение поперек волокон элементов из клееной древесины |
Rр90 |
0,35/3,5 |
0,3/3 |
0,25/2,5 |
|
Примечания 1 Расчетное сопротивление древесины местному смятию поперек волокон на части длины (при длине незагруженных участков не менее длины площадки смятия и толщины элементов), за исключением случаев, оговоренных в поз. 4 данной таблицы, определяется по формуле
где Rс90 - расчетное сопротивление древесины сжатию и смятию по всей поверхности поперек волокон (поз. 3 данной таблицы); lсм - длина площадки смятия вдоль волокон древесины см. 2 Расчетное сопротивление древесины смятию под углом a к направлению волокон определяется по формуле 3 Расчетное сопротивление древесины скалыванию под углом к направлению волокон определяется по формуле
4 В конструкциях построечного изготовления величины расчетных сопротивлений на растяжение, принятые по поз. 2,а данной таблицы, следует снижать на 30 %. 5 Расчетное сопротивление изгибу для элементов настила и обрешетки под кровлю из древесины 3-го сорта следует принимать равным 13 МПа (130 кгс/см2). |
||||
|
Древесные породы |
Коэффициент тп для расчетных сопротивлений |
||
|
растяжению, изгибу, сжатию и смятию вдоль волокон Rр, Rи, Rc, Rсм |
сжатию и смятию поперек волокон Rс90, Rсм90 |
скалыванию Rск |
|
|
Хвойные |
|
|
|
|
1. Лиственница, кроме европейской и японской |
1,2 |
1,2 |
1 |
|
2. Кедр сибирский, кроме кедра Красноярского края |
0,9 |
0,9 |
0,9 |
|
3. Кедр Красноярского края, сосна веймутова |
0,65 |
0,65 |
0,65 |
|
4. Пихта |
0,8 |
0,8 |
0,8 |
|
Твердые лиственные |
|
|
|
|
5. Дуб |
1,3 |
2 |
1,3 |
|
6. Ясень, клен, граб |
1,3 |
2 |
1,6 |
|
7. Акация |
1,5 |
2,2 |
1,8 |
|
8. Береза, бук |
1,1 |
1,6 |
1,3 |
|
9. Вяз, ильм |
1 |
1,6 |
1 |
|
Мягкие лиственные |
|
|
|
|
10. Ольха, липа, осина, тополь |
0,8 |
1 |
0,8 |
|
Примечание. Коэффициенты тп, указанные в таблице для конструкций опор воздушных линий электропередачи, изготавливаемых из не пропитанной антисептиками лиственницы (при влажности ≤ 25 %), умножаются на коэффициент 0,85. |
|||
3.2 Расчетные сопротивления, приведенные в таблице 3, следует умножать на коэффициенты условий работы:
а) для различных условий эксплуатации конструкций - на коэффициент тв, указанный в таблице 5;
б) для конструкций, эксплуатируемых при установившейся температуре воздуха до +35 °С, - на коэффициент тт = 1; при температуре +50 °С - на коэффициент тт = 0,8. Для промежуточных значений температуры коэффициент принимается по интерполяции;
в) для конструкций, в которых напряжения в элементах, возникающие от постоянных и временных длительных нагрузок, превышают 80 % суммарного напряжения от всех нагрузок, - на коэффициент тд = 0,8;
г) для конструкций, рассчитываемых с учетом воздействия кратковременных (ветровой, монтажной или гололедной) нагрузок, а также нагрузок от тяжения и обрыва проводов воздушных ЛЭП и сейсмической, - на коэффициент тн, указанный в таблице 6;
д) для изгибаемых, внецентренно-сжатых, сжато-изгибаемых и сжатых клееных элементов прямоугольного сечения высотой более 50 см значения расчетных сопротивлений изгибу и сжатию вдоль волокон - на коэффициент тб, указанный в таблице 7;
е) для растянутых элементов с ослаблением в расчетном сечении и изгибаемых элементов из круглых лесоматериалов с подрезкой в расчетном сечении - на коэффициент то = 0,8;
ж) для элементов, подвергнутых глубокой пропитке антипиренами под давлением, - на коэффициент та = 0,9;
и) для изгибаемых, внецентренно-сжатых, сжато-изгибаемых и сжатых клееных элементов в зависимости от толщины слоев значения расчетных сопротивлений изгибу, скалыванию и сжатию вдоль волокон - на коэффициент тсл, указанный в таблице 8;
к) для гнутых элементов конструкций значения расчетных сопротивлений растяжению, сжатию и изгибу - на коэффициент тгн, указанный в таблице 9.
|
Условия эксплуатации (по таблице 1) |
Коэффициент тв |
Условия эксплуатации (по таблице 1) |
Коэффициент тв |
|
А1, А2, Б1, Б2 (C1, C2.1) |
1 |
В2, В3, Г1 (С2.2, С3.2) |
0,85 |
|
A3, Б3, B1 (C2.2, С3.1) |
0,9 |
Г2, Г3 (С4) |
0,75 |
|
Нагрузка |
Коэффициент тн |
|
|
для всех видов сопротивлений, кроме смятия поперек волокон |
для смятия поперек волокон |
|
|
1. Ветровая, монтажная, кроме указанной в поз. 3 |
1,2 |
1,4 |
|
2. Сейсмическая |
1,4 |
1,6 |
|
Для опор воздушных линий электропередачи |
||
|
3. Гололедная, монтажная, ветровая при гололеде, от тяжения проводов при температуре ниже среднегодовой |
1,45 |
1,6 |
|
4. При обрыве проводов и тросов |
1,9 |
2,2 |
Таблица 7
|
Высота сечения, см |
50 и менее |
60 |
70 |
80 |
100 |
120 и более |
|
Коэффициент тб |
1 |
0,96 |
0,93 |
0,90 |
0,85 |
0,8 |
Таблица 8
|
Толщина слоя, мм |
19 и менее |
26 |
33 |
42 |
|
Коэффициент тсл |
1,1 |
1,05 |
1 |
0,95 |
Таблица 9
|
Напряженное состояние |
Обозначение расчетных сопротивлений |
Коэффициент тгн при отношении rк/a |
|||
|
150 |
200 |
250 |
500 и более |
||
|
Сжатие и изгиб |
Rc, Rи |
0,8 |
0,9 |
1 |
1 |
|
Растяжение |
Rр |
0,6 |
0,7 |
0,8 |
1 |
|
Примечание. rк - радиус кривизны гнутой доски или бруска; а - толщина гнутой доски или бруска в радиальном направлении. |
|||||
Расчетные сопротивления, приведенные в таблице 3, следует разделить на коэффициенты надежности: для конструкций, отнесенных к классам ответственности (по приложению И) - коэффициент γн/о, указанный в таблице 9а.
Таблица 9а
|
Класс ответственности (по приложению И) |
I |
II |
III |
|
Коэффициент надежности по ответственности γн/о |
1,05 |
1,00 |
0,90 |
3.3 Расчетные сопротивления строительной фанеры приведены в таблице 10.
|
Вид фанеры |
Расчетные сопротивления, МПа/кгс/см2 |
||||
|
Растяжению в плоскости листа Rф.р |
сжатию в плоскости листа Rф.с |
изгибу из плоскости листа Rф.и |
скалыванию в плоскости листа Rф.ск |
срезу перпендикулярно плоскости листа Rф.ср |
|
|
1. Фанера клееная березовая марки ФСФ сортов В/ВВ, В/С, ВВ/С: |
|
|
|
|
|
|
а) семислойная толщиной 8 мм и более: |
|
|
|
|
|
|
вдоль волокон |
14/140 |
12/120 |
16/160 |
0,8/8 |
6/60 |
|
поперек волокон наружных слоев |
9/90 |
8,5/85 |
6,5/65 |
0,8/8 |
6/60 |
|
под углом 45° к волокнам |
4,5/45 |
7/70 |
- |
0,8/8 |
9/90 |
|
б) пятислойная толщиной 5 - 7 мм: |
|
|
|
|
|
|
вдоль волокон наружных слоев |
14/140 |
13/130 |
18/180 |
0,8/8 |
5/50 |
|
поперек волокон наружных слоев |
6/60 |
7/70 |
3/30 |
0,8/8 |
6/60 |
|
под углом 45° к волокнам |
4/40 |
6/60 |
- |
0,8/8 |
9/90 |
|
2. Фанера клееная из древесины лиственницы марки ФСФ сортов В/ВВ и ВВ/С семислойная толщиной 8 мм и более: |
|
|
|
|
|
|
вдоль волокон наружных слоев |
9/90 |
17/170 |
18/180 |
0,6/6 |
5/50 |
|
поперек волокон наружных слоев |
7,5/75 |
13/130 |
11/110 |
0,5/5 |
5/50 |
|
под углом 45° к волокнам |
3/30 |
5/50 |
- |
0,7/7 |
7,5/75 |
|
3. Фанера бакелизированная марки ФСБ толщиной 7 мм и более: |
|
|
|
|
|
|
вдоль волокон наружных слоев |
32/320 |
28/280 |
33/330 |
1,8/18 |
1/110 |
|
поперек волокон наружных слоев |
24/240 |
23/230 |
25/250 |
1,8/18 |
12/120 |
|
под углом 45° к волокнам |
16,5/165 |
21/210 |
- |
1,8/18 |
16/160 |
|
Примечание. Расчетные сопротивления смятию и сжатию перпендикулярно плоскости листа для березовой фанеры марки ФСФ Rф.с90 = Rф.см90 = 4 Мпа (40 кгс/см2) и марки ФБС Rф.с90 = Rф.см90 = 8 МПа (80 кгс/см2). |
|||||
В необходимых случаях значения расчетных сопротивлений строительной фанеры следует умножать на коэффициенты mв, тт, тд, тн и та, приведенные в пп. 3.2, а; 3.2, б; 3.2, в; 3.2, г; 3.2, ж настоящего стандарта.
3.4 Упругие характеристики и расчетные сопротивления стали и соединений стальных элементов деревянных конструкций следует принимать по СНиП II-23-81* «Стальные конструкции», а арматурных сталей - по СНиП 52-01-2003 «Бетонные и железобетонные конструкции. Основные положения».
Расчетные сопротивления ослабленных нарезкой тяжей из арматурных сталей следует умножать на коэффициент та = 0,8, а из других сталей - принимать по СНиП II-23-81* как для болтов нормальной точности. Расчетные сопротивления двойных тяжей следует снижать умножением на коэффициент т = 0,85.
3.5 Модуль упругости древесины при расчете по предельным состояниям второй группы следует принимать равным: вдоль волокон E=10 000 МПа (100 000 кгс/см2); поперек волокон Е90 = 400 МПа (4000 кгс/см2). Модуль сдвига древесины относительно осей, направленных вдоль и поперек волокон, следует принимать равным G90 = 500 МПа (5000 кгс/см2). Коэффициент Пуассона древесины поперек волокон при напряжениях, направленных вдоль волокон, следует принимать равным v90.0 = 0,5, а вдоль волокон при напряжениях, направленных поперек волокон, v0.90 = 0,02.
Величины модулей упругости строительной фанеры в плоскости листа Еф и Gф и коэффициенты Пуассона vф при расчете по второй группе предельных состояний следует принимать по таблице 11.
|
Вид фанеры |
Модуль упругости Еф, МПа/кгс/см2 |
Модуль сдвига Gф, МПа/кгс/см2 |
Коэффициент Пуассона vф |
|
1. Фанера клееная березовая марки ФСФ сортов В/ВВ, В/С, ВВ/С семислойная и пятислойная: |
|
|
|
|
вдоль волокон наружных слоев |
9000/90000 |
750/7500 |
0,085 |
|
поперек волокон наружных слоев |
6000/60000 |
750/7500 |
0,065 |
|
под углом 45° к волокнам |
2500/25000 |
3000/30000 |
0,6 |
|
2. Фанера клееная из древесины лиственницы марки ФСФ сортов В/ВВ и ВВ/С семислойная: |
|
|
|
|
вдоль волокон наружных слоев |
7000/70000 |
800/80000 |
0,07 |
|
поперек волокон наружных слоев |
5500/55000 |
800/8000 |
0,06 |
|
под углом 45° к волокнам |
2000/20000 |
2200/22000 |
0,6 |
|
3. Фанера бакелизированная марки ФБС: |
|
|
|
|
вдоль волокон наружных слоев |
12000/120 000 |
1000/10000 |
0,085 |
|
поперек волокон наружных слоев |
8500/85000 |
1000/10000 |
0,065 |
|
под углом 45° к волокнам |
3500/35000 |
4000/40000 |
0,7 |
|
Примечание. Коэффициент Пуассона vф, указан для направления перпендикулярно оси, вдоль которой определен модуль упругости Еф. |
|||
Модули упругости древесины и фанеры для конструкций, находящихся в различных условиях эксплуатации, подвергающихся воздействию повышенной температуры, совместному воздействию постоянной и временной длительной нагрузок, следует определять умножением указанных выше величин Е и G на коэффициент тв (таблица 5) и коэффициенты тт и тд, приведенные в пп. 3.2, б и 3.2, в настоящих норм.
Модуль упругости древесины и
фанеры в расчетах конструкций (кроме опор ЛЭП) на устойчивость и по
деформированной схеме следует принимать равным для древесины ЕI = 300/Rс (Rc -
расчетное сопротивление сжатию вдоль волокон, принимаемое по таблице 3), а модуль сдвига относительно осей, направленных
вдоль и поперек волокон, -
;
для фанеры - ЕфI = 250Rф.с;

(Rф.с, Еф, Gф принимаются по таблицам 10, 11).
3.6 Расчетные сопротивления конструкционной древесины из однонаправленного шпона (LVL) влажностью 12 %, сорта S:
при изгибе вдоль волокон Rид.ш - 20 МПа;
при сжатии Rсд.ш и смятии Rсмд.ш вдоль волокон, - 20 МПа;
при сжатии Rс,90д.ш и смятии Rсм,90д.ш поперек волокон - 2,0 МПа;
при растяжении Rpд.ш:
вдоль волокон - 18 МПа;
поперек волокон - 0,5 МПа;
при скалывании вдоль волокон Rскд.ш:
перпендикулярно плоскости листа - 2,5 МПа;
в плоскости листа - 2,0 МПа.
3.7 Модуль упругости древесины из однонаправленного шпона влажностью 12 % сорта S при расчете по предельным состояниям второй группы вдоль волокон Ед.ш следует принимать равным 10 000 МПа; модуль сдвига Gд.ш - 400 МПа.
Модули упругости древесины из однонаправленного шпона сорта S для конструкций, находящихся в различных условиях эксплуатации, подвергающихся воздействию повышенной температуры, совместному воздействию постоянной и временной длительной нагрузок, следует определять умножением указанных выше величин Eд.ш на коэффициент тв, приведенный в таблице 5, и коэффициенты тт и тд, приведенные в пп. 3.2, б и 3.2, в настоящего стандарта.
4.1 Расчет центрально-растянутых элементов следует производить по формуле
(или ≤ Rрд.ш), (4)
где N - расчетная продольная сила;
Rp - расчетное сопротивление древесины растяжению вдоль волокон;
Rрд.ш - то же, для древесины из однонаправленного шпона (п. 3.6);
Fнт - площадь поперечного сечения элемента нетто.
При определении Fнт ослабления, расположенные на участке длиной до 200 мм, следует принимать совмещенными в одном сечении.
4.2 Расчет центрально-сжатых элементов постоянного цельного сечения следует производить по формулам:
а) на прочность
б) на устойчивость
где Rc - расчетное сопротивление древесины сжатию вдоль волокон;
Rсд.ш - соответственно для древесины из однонаправленного шпона;
φ - коэффициент продольного изгиба, определяемый согласно п. 4.3;
Fнт - площадь нетто поперечного сечения элемента;
Fрас - расчетная площадь поперечного сечения элемента, принимаемая равной:
при отсутствии ослаблений или ослаблениях в опасных сечениях, не выходящих на кромки (рисунок 1, а), если площадь ослаблений не превышает 25 % Ебр, Ерасч = F6p, где F6p - площадь сечения брутто; при ослаблениях, не выходящих на кромки, если площадь ослабления превышает 25 % F6p, Fрас = 4/3 Fнт; при симметричных ослаблениях, выходящих на кромки (рисунок 1, б), Fрас = Fнт.

а - не выходящие на кромку; б - выходящие на кромку
Рисунок 1 - Ослабление сжатых элементов
4.3. Коэффициент продольного изгиба φ следует определять по формулам:
при гибкости элемента λ ≤ 70
; (7)
при гибкости элемента λ > 70
где коэффициент а = 0,8 для древесины и а = 1 для фанеры;
коэффициент А = 3000 для древесины и А = 2500 для фанеры и древесины из однонаправленного шпона.
4.4 Гибкость элементов цельного сечения определяют по формуле
, (9)
где l0 - расчетная длина элемента;
r - радиус инерции сечения элемента с максимальными размерами брутто соответственно относительно осей Х и У.
4.5 Расчетную длину элемента l0 следует определять умножением его свободной длины l на коэффициент μ0
(10)
4.6 Составные элементы на податливых соединениях, опертые всем сечением, следует рассчитывать на прочность и устойчивость по формулам (5) и (6), при этом Fнт и Fрас определять как суммарные площади всех ветвей. Гибкость составных элементов λ следует определять с учетом податливости соединений по формуле
где λу - гибкость всего элемента относительно оси у (рисунок 2), вычисленная по расчетной длине элемента l0 без учета податливости;
λl - гибкость отдельной ветви относительно оси I-I (см. рисунок 2), вычисленная по расчетной длине ветви l1; при l1 меньше семикратной толщин (hl) ветви принимаются с λl = 0;
μу - коэффициент приведения гибкости, определяемый по формуле
где b и h - ширина и высота поперечного сечения элемента, см;
nш - расчетное число швов в элементе, определяемое числом швов, по которым суммируется взаимный сдвиг элементов (на рисунке 2, а - 4 шва, на рисунке 2, б - 5 швов);
l0 - расчетная длина элемента, м;
пс - расчетное число срезов связей в одном шве на 1 м элемента (при нескольких швах с различным число срезов следует принимать среднее для всех швов число срезов);
kс - коэффициент податливости соединений, который следует определять по формулам таблицы 12.
Таблица 12
|
Вид связей |
Коэффициент kс при |
|
|
центральном сжатии |
сжатии с изгибом |
|
|
1. Гвозди |
|
|
|
2. Стальные цилиндрические нагели |
|
|
|
а) диаметром ≤ 1/7 толщины соединяемых элементов |
|
|
|
б) диаметром > 1/7 толщины соединяемых элементов |
|
|
|
3. Дубовые цилиндрические нагели |
|
|
|
4. Дубовые пластинчатые нагели |
- |
|
|
5. Клей |
0 |
0 |
|
Примечание - Диаметры гвоздей и нагелей d, толщину элементов а, ширину bпл и толщину δ пластинчатых нагелей следует принимать в см. |
||

а - с прокладками; б - без прокладок
Рисунок 2 - Составные элементы
При определении kс диаметр гвоздей следует принимать не более 0,1 толщины соединяемых элементов. Если размер защемленных концов гвоздей менее 4d, то срезы в примыкающих к ним швах в расчете не учитывают. Значение kс соединений на стальных цилиндрических нагелях следует определять по толщине а более тонкого из соединяемых элементов.
При определении kс диаметр дубовых цилиндрических нагелей следует принимать не более 0,25 толщины более тонкого из соединяемых элементов.
Связи в швах следует расставлять равномерно по длине элемента. В шарнирно-опертых прямолинейных элементах допускается в средних четвертях длины ставить связи в половинном количестве, вводя в расчет по формуле (12) величину пс, принятую для крайних четвертей длины элемента.
Гибкость составного элемента, вычисленную по формуле (11), следует принимать не более гибкости λ отдельных ветвей, определяемой по формуле
, (13)
где ΣIiбр - сумма моментов инерции брутто поперечных сечений отдельных ветвей относительно собственных осей, параллельных оси у (см. рисунок 2);
Fбр - площадь сечения брутто элемента;
l0 - расчетная длина элемента.
Гибкость составного элемента относительно оси, проходящей через центры тяжести сечений всех ветвей (ось х на рисунке 2), следует определять как для цельного элемента, т.е. без учета податливости связей, если ветви нагружены равномерно. В случае неравномерно нагруженных ветвей следует руководствоваться п. 4.7.
Если ветви составного элемента имеют различное сечение, то расчетную гибкость λ1, ветви в формуле (11) следует принимать равной:
, (14)
определение l1 приведено на рисунке 2.
4.7 Составные элементы на податливых соединениях, часть ветвей которых не оперта по концам, допускается рассчитывать на прочность и устойчивость по формулам (5), (6) при соблюдении следующих условий:
а) площади поперечного сечения элемента Fнт и Fрас следует определять по сечению опертых ветвей;
б) гибкость элемента относительно оси у (см. рисунок 2) определяется по формуле (11); при этом момент инерции принимается с учетом всех ветвей, а площадь - только опертых;
в) при определении гибкости относительно оси х (см. рисунок 2) момент инерции следует определять по формуле
, (15)
где Iо и Iно - моменты инерции поперечных сечений соответственно опертых и неопертых ветвей.
4.8 Расчет на устойчивость центрально-сжатых элементов переменного по высоте сечения следует выполнять по формуле
(или ≤
Rcд.ш), (16)
где Fмакс - площадь поперечного сечения брутто с максимальными размерами;
kжN - коэффициент, учитывающий переменность высоты сечения, определяемый по таблице Г.1 приложения Г (для элементов постоянного сечения kжN = 1);
φ - коэффициент продольного изгиба, определяемый по п. 4.3 для гибкости, соответствующей сечению с максимальными размерами.
4.9 Расчет изгибаемых элементов, обеспеченных от потери устойчивости плоской формы деформирования (см. пп. 4.14 и 4.15), на прочность по нормальным напряжениям следует производить по формуле
где М - расчетный изгибающий момент;
Rи - расчетное сопротивление изгибу;
Rид.ш - расчетное сопротивление изгибу древесины из однонаправленного шпона;
Wд.шрасч - рсчетный момент сопротивления поперечного сечения элемента.
Для цельных элементов Wрасч = Wнт; для изгибаемых составных элементов на податливых соединениях расчетный момент сопротивления следует принимать равным моменту сопротивления нетто Wнт, умноженному на коэффициент kw; значения kw для элементов, составленных из одинаковых слоев, приведены в таблице 13. При определении Wнт ослабления сечений, расположенные на участке элемента длиной до 200 мм, принимают совмещенными в одном сечении.
|
Коэффициент |
Число слоев в элементе |
Значение коэффициента для расчета изгибаемых составных элементов при пролетах, м |
|||
|
2 |
4 |
6 |
9 и более |
||
|
|
2 |
0,7 |
0,85 |
0,9 |
0,9 |
|
kw |
3 |
0,6 |
0,8 |
0,85 |
0,9 |
|
|
10 |
0,4 |
0,7 |
0,8 |
0,85 |
|
|
2 |
0,45 |
0,65 |
0,75 |
0,8 |
|
kж |
3 |
0,25 |
0,5 |
0,6 |
0,7 |
|
|
10 |
0,07 |
0,2 |
0,3 |
0,4 |
|
* Значения, приведенные в таблице, не распространяются на древесину из однонаправленного шпона. Примечания 1 Для промежуточных значений величины пролета и числа слоев коэффициенты определяются интерполяцией. 2 Для составных балок на наклонно вклеенных связях при числе слоев не более 4, независимо от пролета, следует принимать kw = 0,95, kж = 0,9. |
|||||
4.10 Расчет изгибаемых элементов на прочность по скалыванию следует выполнять по формуле
(или <Rскд.ш), (18)
где Q - расчетная поперечная сила;
S ¢бр - статический момент брутто сдвигаемой части поперечного сечения элемента относительно нейтральной оси;
Iбр - момент инерции брутто поперечного сечения элемента относительно нейтральной оси;
bрас - расчетная ширина сечения элемента;
Rск - расчетное сопротивление скалыванию при изгибе;
Rскд.ш - расчетное сопротивление скалыванию при изгибе древесины из однонаправленного шпона.
4.11 Число срезов связей nс, равномерно расставленных в каждом шве составного элемента на участке с однозначной эпюрой поперечных сил, должно удовлетворять условию
, (19)
где Т - расчетная несущая способность связи в данном шве;
МА, МВ - изгибающие моменты в начальном А и конечном В сечениях рассматриваемого участка.
Примечание - При наличии в шве связей разной несущей способности, но одинаковых по характеру работы (например, нагелей и гвоздей) несущие способности их следует суммировать.
4.12 Расчет элементов цельного сечения на прочность при косом изгибе следует производить по формуле
(или Rид.ш), (20)
где Мх и Му - составляющие расчетного изгибающего момента для главных осей сечения х и у;
Wx и Wy - моменты сопротивлений поперечного сечения нетто относительно главных осей сечения х и у.
4.13 Клееные криволинейные элементы, изгибаемые моментом М, уменьшающим их кривизну, следует проверять на радиальные растягивающие напряжения по формуле
, (21)
где σ0 - нормальное напряжение в крайнем волокне растянутой зоны;
σi - нормальное напряжение в промежуточном волокне сечения, для которого определяют радиальные растягивающие напряжения;
hi - расстояние между крайним и рассматриваемым волокнами;
ri - радиус кривизны линии, проходящей через центр тяжести части эпюры нормальных растягивающих напряжений, заключенной между крайним и рассматриваемым волокнами;
Rр90 - расчетное сопротивление древесины растяжению поперек волокон, принимаемое по поз. 7 таблицы 3.
4.14 Устойчивость плоской формы деформирования изгибаемых элементов прямоугольного постоянного сечения следует рассчитывать по формуле
(или ≤Rид.ш), (22)
где М - максимальный изгибающий момент на рассматриваемом участке lр;
Wбр - максимальный момент сопротивления брутто на рассматриваемом участке lр.
Коэффициент φм для изгибаемых элементов прямоугольного постоянного поперечного сечения, шарнирно-закрепленных от смещения из плоскости изгиба и закрепленных от поворота вокруг продольной оси в опорных сечениях, следует определять по формуле
где lр - расстояние между опорными сечениями элемента, а при закреплении сжатой кромки элемента в промежуточных точках от смещения из плоскости изгиба - расстояние между этими точками;
b - ширина поперечного сечения;
h - максимальная высота поперечного сечения на участке lр;
kф - коэффициент, зависящий от формы эпюры изгибающих моментов на участке lр, определяемый по таблице Г.2 приложения Г настоящих норм.
При расчете изгибаемых элементов с линейно меняющейся по длине высотой и постоянной шириной поперечного сечения, не имеющих закреплений из плоскости по растянутой от момента М кромке, или при m < 4 коэффициент φм по формуле (23) следует умножать на дополнительный коэффициент kжМ. Значения kжМ приведены в таблице Г.2 приложения Г. При m ≥ 4 kжМ = 1.
При подкреплении из плоскости изгиба в промежуточных точках растянутой кромки элемента на участке lр коэффициент φм, определенный по формуле (23), следует умножать на коэффициент kпМ:
где aр - центральный угол в радианах, определяющий участок lр элемента кругового очертания (для прямолинейных элементов aр = 0);
т - число подкрепленных (с одинаковым шагом) точек растянутой кромки на участке lр
(при т ≥ 4 величину
следует принимать
равной 1).
4.15 Проверку устойчивости плоской формы деформирования изгибаемых элементов постоянного двутаврового или коробчатого поперечного сечений следует производить в тех случаях, когда
, (25)
где b - ширина сжатого пояса поперечного сечения.
Расчет следует производить по формуле
(или ≤
Rсд.ш), (26)
где φ - коэффициент продольного изгиба из плоскости изгиба сжатого пояса элемента, определяемый по п. 4.3;
Rc - расчетное сопротивление сжатию;
Rсд.ш - расчетное сопротивление сжатию древесины из однонаправленного шпона;
Wбp - момент сопротивления брутто поперечного сечения; в случае фанерных стенок - приведенный момент сопротивления в плоскости изгиба элемента.
4.16 Расчет внецентренно-растянутых и растянуто-изгибаемых элементов следует производить по формуле
, (27)
где Wрасч - расчетный момент сопротивления поперечного сечения (см. п. 4.9);
Fрасч - площадь расчетного сечения нетто.
Для древесины из однонаправленного шпона в формуле (27) следует использовать соответствующие значения расчетных сопротивлений.
4.17 Расчет на прочность внецентренно-сжатых и сжато-изгибаемых элементов следует производить по формуле
где Мд - изгибающий момент от действия поперечных и продольных нагрузок, определяемый из расчета по деформированной схеме.
Примечания
1 Для шарнирно-опертых элементов при симметричных эпюрах изгибающих моментов синусоидального, параболического, полигонального и близких к ним очертаний, а также для консольных элементов Мд следует определять по формуле
, (29)
где ξ - коэффициент, изменяющийся от 1 до 0, учитывающий дополнительный момент от продольной силы вследствие прогиба элемента, определяемый по формуле
для древесины из однонаправленного шпона
,
М - изгибающий момент в расчетном сечении без учета дополнительного момента от продольной силы;
φ - коэффициент, определяемый по формуле (8).
2 В случаях когда в шарнирно-опертых элементах эпюры изгибающих моментов имеют треугольное или прямоугольное очертание, коэффициент по формуле (30) следует умножать на поправочный коэффициент kн.
, (31)
где aн - коэффициент, который следует принимать равным 1,22 при эпюрах изгибающих моментов треугольного очертания (от сосредоточенной силы) и 0,81 - при эпюрах прямоугольного очертания (от постоянного изгибающего момента).
3 При несимметричном загружении шарнирно-опертых элементов величину изгибающего момента Мд следует определять по формуле
, (32)
где Мс и Мк - изгибающие моменты в расчетном сечении элемента от симметричной и кососимметричной составляющих нагрузки;
ξс и ξк - коэффициенты, определяемые по формуле (30) при величине гибкости, соответствующей симметричной и кососимметричной формам продольного изгиба.
4 Для элементов, переменных по высоте сечения, площадь Fбр в формуле (30) следует принимать для максимального по высоте сечения, а коэффициент φ следует умножать на коэффициент kжN, принимаемый по таблице Г.1 приложения Г.
5 При отношении напряжений от изгиба к напряжениям от сжатия менее 0,1 сжато-изгибаемые элементы следует проверять также на устойчивость по формуле (6) без учета изгибающего момента.
4.18 Расчет на устойчивость плоской формы деформирования сжато-изгибаемых элементов следует производить по формуле
, (33)
где Fбр - площадь брутто с максимальными размерами сечения элемента на участке lp;
Wбр - см. п. 4.14;
n = 2 - для элементов без закрепления растянутой зоны из плоскости деформирования и n = 1 для элементов, имеющих такие закрепления;
φ - коэффициент продольного изгиба, определяемый по формуле (8) для гибкости участка элемента расчетной длиной lp из плоскости деформирования;
φм - коэффициент, определяемый по формуле (23).
Для древесины из однонаправленного шпона следует принимать соответствующие значения расчетных сопротивлений по п. 3.6.
При наличии в элементе на участке lp закреплений из плоскости деформирования со стороны растянутой от момента М кромки коэффициент φм следует умножать на коэффициент kпМ, определяемый по формуле (24), а коэффициент φ - на коэффициент kпN пo формуле
, (34)
где αр, lp, h, m - см. п. 4.14.
При расчете элементов переменного по высоте сечения, не имеющих закреплений из плоскости по растянутой от момента М кромке, или при m < 4 коэффициенты φ и φм, определяемые по формулам (8) и (23), следует дополнительно умножать соответственно на коэффициенты kжN и kжМ, приведенные в таблицах Г.1 и Г.2 приложения Г.
При m ≥ 4 kжN = kжМ = 1.
4.19 В составных сжато-изгибаемых элементах следует проверять устойчивость наиболее напряженной ветви, если расчетная длина ее превышает семикратную толщину ветви, по формуле
, (35)
где φ1 - коэффициент продольного изгиба для отдельной ветви, вычисленный по ее расчетной длине l0 (см. п. 4.6);
Fбр, Wбр - площадь и момент сопротивления брутто поперечного сечения элемента.
Устойчивость сжато-изгибаемого составного элемента из плоскости изгиба следует проверять по формуле (6) без учета изгибающего момента.
4.20 Число срезов связей nс, равномерно расставленных в каждом шве сжато-изгибаемого составного элемента на участке с однозначной эпюрой поперечных сил при приложении сжимающей силы по всему сечению, должно удовлетворять условию
, (36)
где Sбр - статический момент брутто сдвигаемой части поперечного сечения относительно нейтральной оси;
Iбр - момент инерции брутто поперечного сечения элемента;
Т - расчетная несущая способность одной связи в данном шве;
Мд - изгибающий момент, определяемый по п. 4.17.
4.21 Для определения расчетной длины прямолинейных элементов, загруженных продольными силами по концам, коэффициент μ0 следует принимать равным:
при шарнирно-закрепленных концах, а также при шарнирном закреплении в промежуточных точках элемента - 1;
при одном шарнирно-закрепленном и другом защемленном конце - 0,8;
при одном защемленном и другом свободном нагруженном конце - 2,2;
при обоих защемленных концах - 0,65.
В случае равномерно распределенной по длине элемента продольной нагрузки коэффициент μ0 следует принимать равным:
при обоих шарнирно-закрепленных концах - 0,73;
при одном защемленном и другом свободном конце - 1,2.
Расчетную длину пересекающихся элементов, соединенных между собой в месте пересечения, следует принимать равной:
при проверке устойчивости в плоскости конструкций - расстоянию от центра узла до точки пересечения элементов;
при проверке устойчивости из плоскости конструкции:
а) в случае пересечения двух сжатых элементов - полной длине элемента;
б) в случае пересечения сжатого элемента с неработающим - величине l1 умноженной на коэффициент μ0:
, (37)
где l1, λ1, F1 - полная длина, гибкость и площадь поперечного сечения сжатого элемента;
l2, λ2, F2 - длина, гибкость и площадь поперечного сечения неработающего элемента.
Величину μ0 следует принимать не менее 0,5;
в) в случае пересечения сжатого элемента с элементом, растянутым равной по величине силой, - наибольшей длине сжатого элемента, измеряемой от центра узла до точки пересечения элементов.
Если пересекающиеся элементы имеют составное сечение, то в формулу (37) следует подставлять соответствующие значения гибкости, определяемые по формуле (11).
4.22 Гибкость элементов и их отдельных ветвей в деревянных конструкциях не должна превышать значений, указанных в таблице 14.
Таблица 14
|
Наименование элементов конструкций |
Предельная гибкость λмакс |
|
1. Сжатые пояса, опорные раскосы и опорные стойки ферм, колонны |
120 |
|
2. Прочие сжатые элементы ферм и других сквозных конструкций |
150 |
|
3. Сжатые элементы связей |
200 |
|
4. Растянутые пояса ферм в вертикальной плоскости |
150 |
|
5. Прочие растянутые элементы ферм и других сквозных конструкций |
200 |
|
Для опор воздушных линий электропередачи |
|
|
6. Основные элементы (стойки, приставки, опорные раскосы) |
150 |
|
7. Прочие элементы |
175 |
|
8. Связи |
200 |
|
Примечание
- Для сжатых элементов переменного сечения величина предельной
гибкости λмакс
умножается на |
|
4.23 Расчет клееных элементов из фанеры с древесиной следует выполнять по методу приведенного поперечного сечения.
4.24 Прочность растянутой фанерной обшивки плит (рисунок 3) и панелей следует проверять по формуле
, (38)
где М - расчетный изгибающий момент;
Rф.р - расчетное сопротивление фанеры растяжению;
mф - коэффициент, учитывающий снижение расчетного сопротивления в стыках фанерной обшивки, принимаемый равным при усовом соединении или с двусторонними накладками: mф = 0,6 для фанеры обычной и mф = 0,8 для фанеры бакелизирован-ной; при отсутствии стыков mф = 1;
Wпр - момент сопротивления поперечного сечения, приведенного к фанере, который следует определять в соответствии с указаниями п. 4.25.

1 - продольные ребра; 2 - обшивка
Рисунок 3 - Поперечное сечение клееных плит из фанеры и древесины
4.25 Приведенный момент сопротивления поперечного сечения клееных элементов из фанеры с древесиной следует определять по формуле
, (39)
где у0 - расстояние от центра тяжести приведенного сечения до нижней грани обшивки;
Iпр - момент инерции сечения, приведенного к фанере
, (40)
где Iф - момент инерции поперечного сечения фанерных обшивок;
I - момент инерции поперечного сечения деревянных ребер каркаса;
Е/Еф - отношение модулей упругости древесины и фанеры.
При определении приведенных моментов инерции и приведенных моментов сопротивления расчетную ширину фанерных обшивок следует принимать равной bрас = 0,9b при l ≥ 6а и bрас = 0,15a-1b при l < 6а (b - полная ширина сечения плиты, l - пролет плиты, а - расстояние между продольными ребрами по осям).
4.26 Устойчивость сжатой обшивки плит и панелей следует проверять по формуле
, (41)
где
;
![]()
(а - расстояние между ребрами в свету; δ - толщина фанеры).
Верхнюю обшивку плит дополнительно следует проверять на местный изгиб от сосредоточенного груза Р = 1 кН (100 кгс) (с коэффициентом перегрузки n = 1,2) как заделанную в местах приклеивания к ребрам пластинку.
4.27 Проверку на скалывание ребер каркаса плит и панелей или обшивки по шву в месте примыкания ее к ребрам следует производить по формуле
, (42)
где Q - расчетная поперечная сила;
Sпр - статический момент сдвигаемой части приведенного сечения относительно нейтральной оси;
Rск - расчетное сопротивление скалыванию древесины вдоль волокон или фанеры вдоль волокон наружных слоев;
b - расчетная ширина сечения, которую следует принимать равной суммарной ширине ребер каркаса.
4.28 Расчет на прочность поясов изгибаемых элементов двутаврового и коробчатого сечений с фанерными стенками (рисунок 4) следует производить по формуле (17), принимая Wрас = Wпр, при этом напряжения в растянутом поясе не должны превышать Rр, а в сжатом - φRс (φ - коэффициент продольного изгиба из плоскости изгиба).

а - двутавровое сечение; б - коробчатое сечение
Рисунок 4 - Поперечные сечения клееных балок с плоской фанерной стенкой
4.29 При проверке стенки на срез по нейтральной оси в формуле (42) значение Rск принимается равным Rф.ср, а расчетная ширина bpac равна:
, (43)
где Σδст - суммарная толщина стенок.
При проверке скалывания по швам между поясами и стенкой в формуле (42) Rск = Rф.ск, а расчетную ширину сечения следует принимать равной:
, (44)
где hп - высота поясов;
п - число вертикальных швов.
4.30 Прочность стенки в опасном сечении на действие главных растягивающих напряжений в изгибаемых элементах двутаврового и коробчатого сечений следует проверять по формуле
, (45)
где Rф.р.a - расчетное сопротивление фанеры растяжению под углом a, определяемое по графику рисунка Д.1 приложения Д;
σст - нормальное напряжение в стенке от изгиба на уровне внутренней кромки поясов;
τст - касательные напряжения в стенке на уровне внутренней кромки поясов;
a - угол, определяемый из зависимости
. (46)
Устойчивость стенки с продольным по отношению к оси элемента расположением волокон наружных слоев следует проверять на действие касательных и нормальных напряжений при условии
, (47)
где hст - высота стенки между внутренними гранями полок;
δ - толщина стенки.
Расчет следует производить по формуле
, (48)
где kи и kτ - коэффициенты, определяемые по графикам рисунков Д.2 и Д.3 приложения Д;
hрас - расчетная высота стенки, которую следует принимать равной hст при расстоянии между ребрами а ≥ hст и равной а при а < hст.
При поперечном по отношению к оси элемента расположении наружных волокон фанерной стенки проверку устойчивости следует производить по формуле (48) на действие только касательных напряжений в тех случаях, когда
. (49)
4.31 Деформации деревянных конструкций или их отдельных элементов следует определять с учетом сдвига и податливости соединений. Величину деформаций податливого соединения при полном использовании его несущей способности следует принимать по таблице 15, а при неполном - пропорциональной действующему на соединение усилию.
Таблица 15
|
Вид соединения |
Деформация соединения, мм |
|
На лобовых врубках и торец в торец |
1,5 |
|
На нагелях всех видов |
2 |
|
В примыканиях поперек волокон |
3 |
|
В клеевых соединениях |
0 |
4.32 Прогибы и перемещения элементов конструкций не должны превышать предельных, установленных СНиП 2.01.07 и таблицей 16.
4.33 Прогиб изгибаемых элементов следует определять по моменту инерции поперечного сечения брутто. Для составных сечений момент инерции умножается на коэффициент kж, учитывающий сдвиг податливых соединений и приведенный в таблице 13.
Таблица 16
|
Элементы конструкций |
Предельные прогибы в долях пролета, не более |
|
1. Балки междуэтажных перекрытий |
1/250 |
|
2. Балки чердачных перекрытий |
1/200 |
|
3. Покрытия (кроме ендов): |
|
|
а) прогоны, стропильные ноги |
1/200 |
|
б) балки консольные |
1/150 |
|
в) фермы, клееные балки (кроме консольных) |
1/300 |
|
г) плиты |
1/250 |
|
д) обрешетки, настилы |
1/150 |
|
4. Несущие элементы ендов |
1/400 |
|
5. Панели и элементы фахверха |
1/250 |
|
Примечания 1 При наличии штукатурки прогиб элементов перекрытий только от длительной временной нагрузки не должен превышать 1/350 пролета. 2 При наличии строительного подъема предельный прогиб клееных балок допускается увеличивать до 1/200 пролета. |
|
Наибольший прогиб шарнирно-опертых и консольных изгибаемых элементов постоянного и переменного сечений f следует определять по формуле
, (50)
где f0 - прогиб балки постоянного сечения высотой h без учета деформаций сдвига;
h - наибольшая высота сечения;
l - пролет балки;
k - коэффициент, учитывающий влияние переменности высоты сечения, принимаемый равным 1 для балок постоянного сечения;
с - коэффициент, учитывающий влияние деформаций сдвига от поперечной силы.
Значения коэффициентов k и с для основных расчетных схем балок приведены в таблице Г.3 приложения Г.
4.34 Прогиб клееных элементов из фанеры с древесиной следует определять, принимая жесткость сечения равной 0,7EIпр. Расчетная ширина обшивок плит и панелей при определении прогиба принимается в соответствии с указаниями п. 4.25.
Прогиб сжато-изгибаемых шарнирно-опертых симметрично нагруженных элементов и консольных элементов следует определять по формуле
, (51)
где f - прогиб, определяемый по формуле (50);
ξ - коэффициент, определяемый по формуле (30).
4.36 Изгибающие моменты, усилия и напряжения в элементах композитной балки следует, в общем случае, определять суммированием силовых факторов, возникающих на различных стадиях и этапах работы, соответствующих условиям возведения и загружения конструкции.
Для нахождения изгибающих моментов, сдвигающих и отрывающих усилий между железобетоном и деревом, внутренних напряжений, а также при определении общих деформаций работа бетона принимается, как правило, упругой, независимо от величины и знака напряжений в бетоне. При этом в необходимых случаях учитывается ползучесть бетона.
4.37 В расчетах композитных балок, выполняемых в предположении упругости бетона, следует использовать приведенные к древесине геометрические характеристики поперечных сечений этих балок.
, (52)
где Еb - модуль упругости железобетона;
Е - модуль упругости древесины вдоль волокон.
Высота деревянного ребра принимается равной:
(1/15-1/25)l - для разрезных балок;
(1/20-1/30)l - для неразрезных балок, где l - пролет балок.
Толщина железобетонной плиты принимается равной 80-150 мм. Угол наклона вклеенных анкеров a = 30-45°.
Расстояния между осями вклеенных анкеров вдоль волокон (см. рисунок 17) следует принимать не менее:
S1 = 14d при a = 30°;
S2= 10d при a = 45°.
Расстояние от оси анкера до торца по направлению волокон следует принимать не менее 5d.
Расстояния в направлении поперек волокон следует принимать:
S2 ≥ 3d - между осями анкеров;
S3 ≥ 2d, но не менее 30 мм - от оси анкера до кромки.
4.38 Расчет ведется в 2 стадии:
1-я стадия - расчет деревянного ребра на вес железобетонной плиты;
2-я стадия - расчет на постоянные и временные нагрузки.
4.39 Напряжения по нижней грани деревянного ребра проверяют по формуле
, (53)
где
- напряжение в ребре
на первой стадии;
- напряжение в ребре на второй стадии;
М1 - изгибающий момент от веса железобетонной плиты;
М2 - изгибающий момент от расчетной нагрузки (кроме веса железобетонной плиты);
Wд - момент сопротивления деревянного ребра;
- момент сопротивления композитного сечения,
приведенного к древесине;
у - расстояние от нейтральной оси приведенного сечения по нижней грани балки.
4.40 Напряжения по верхней грани железобетонной плиты проверяют по формуле
, (54)
где Wb.пр - момент сопротивления композитного сечения, приведенного к бетону;
Rb - расчетное сопротивление бетона растяжению.
4.41 Расчетная ширина железобетонной плиты принимается равной расстоянию между ребрами, но не более 1/6 пролета. При толщине плиты менее 1/10 высоты композитной балки расчетная ширина свеса принимается не более 6-кратной толщины плиты.
4.42 Требуемое число анкеров определяется из расчета на сдвиг по плоскости скалывания плиты и ребер.
Несущая способность одного анкера на сдвиг определяется по формуле
, (55)
где Fа - площадь поперечного сечения анкера;
Rа - расчетное сопротивление материала анкера на растяжение;
d - номинальный диаметр анкера;
Rb - расчетное сопротивление бетона на осевое сжатие (призменная прочность).
5.1 Действующее на соединение (связь) усилие не должно превышать расчетной несущей способности соединения (связи) Т.
5.2 Расчетную несущую способность соединений, работающих на смятие и скалывание, следует определять по формулам:
а) из условия смятия древесины
; (56)
б) из условия скалывания древесины
, (57)
где Fсм - расчетная площадь смятия;
Fск - расчетная площадь скалывания;
Rсмα - расчетное сопротивление древесины смятию под углом α к направлению волокон;
Rскср - расчетное среднее по площадке скалывания сопротивление древесины скалыванию вдоль волокон, определяемое в п. 5.3.
При использовании древесины из
однонаправленного шпона в формулах (56) и (57) следует использовать
соответствующие значения
и
.
5.3 Среднее по площадке скалывания расчетное сопротивление древесины скалыванию следует определять по формуле
, (58)
где Rск - расчетное сопротивление древесины
скалыванию вдоль волокон (при расчете по максимальному напряжению); или
- для древесины из
однонаправленного шпона;
lск - расчетная длина плоскости скалывания, принимаемая не более 10-кратной глубины врезки в элемент;
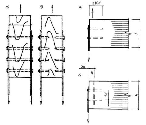
е - плечо сил скалывания, принимаемое равным 0,5h при расчете элементов с несимметричной врезкой в соединениях без зазора между элементами (рис. 5, а) и 0,25h при расчете симметрично загруженных элементов с симметричной врезкой (рис. 5, б); (h - полная высота поперечного сечения элемента);
β - коэффициент, принимаемый равным 0,25 при расчете соединений, работающих по схеме, показанной на рис. 5, г и β = 0,125 при расчете соединений, работающих по схеме согласно рис. 5, в, если обеспечено обжатие по плоскостям скалывания.
Отношение lск/е должно быть не менее 3.

а - несимметричная; б - симметричная; в, г - схемы скалывания в соединениях
Рисунок 5 - Врезки в элементах соединений
5.4 При расчете конструкций клеевые соединения следует рассматривать как неподатливые соединения.
5.5 Клеевые соединения следует использовать:
а) для стыкования отдельных слоев на зубчатом соединении (рисунок 6, а);
б) для образования сплошного сечения (пакетов) путем сплачивания слоев по высоте и ширине сечения. При этом по ширине пакета швы склеиваемых кромок в соседних слоях следует сдвигать не менее чем на толщину слоя 5 по отношению друг к другу (рисунок 6, б). По длине пакета зубчатые шипы в соседних слоях следует сдвигать не менее чем на 5-кратную толщину слоя. При этом в одном сечении пакета не должно совпадать более 25 % слоев с зубчатыми шипами, кроме крайних слоев растянутой зоны изгибаемых элементов, где допускается совпадение не более двух слоев;
в) для стыкования клееных пакетов, сопрягаемых под углом на зубчатый шип по всей высоте сечения (рисунок 6, в). Величина внутреннего угла между осями сопрягаемых под углом элементов должна быть не менее 104°.

а - при стыковании отдельных слоев по длине зубчатым шипом, выходящим на пласть; б - при образовании пакетов и сплачивании по пласти и кромке; в - при стыковании клееных элементов под углом зубчатым шипом
Рисунок 6 - Клеевые соединения
5.6 Применение усового соединения допускается для фанеры вдоль волокон наружных слоев. Длину усового соединения следует принимать не менее 10-кратной толщины стыкуемых элементов.
5.7 Толщину склеиваемых слоев в элементах, как правило, следует принимать не более 33 мм. В прямолинейных элементах допускается толщина слоев до 42 мм при условии устройства в них продольных прорезей.
5.8 В клееных элементах из фанеры с древесиной не следует применять доски шириной более 100 мм при склеивании их с фанерой и более 150 мм - в примыканиях элементов под углом от 30 до 45°.
Примечание - Соединения на вклеенных стержнях рассмотрены в пп. 5.30-5.45.
5.9 Узловые соединения элементов из брусьев и круглого леса на лобовых врубках следует выполнять с одним зубом (рисунок 7).
Рабочая плоскость смятия во врубках при соединении элементов, не испытывающих поперечного изгиба, должна располагаться перпендикулярно оси примыкающего сжатого элемента. Если примыкающий элемент помимо сжатия испытывает поперечный изгиб, рабочую плоскость смятия во врубках следует располагать перпендикулярно равнодействующей осевой и поперечной сил.
Элементы, соединяемые на лобовых врубках, должны быть стянуты болтами.

Рисунок 7 - Лобовая врубка с одним зубом
5.10 Лобовые врубки следует рассчитывать на скалывание согласно указаниям пп. 5.2 и 5.3, принимая расчетное сопротивление скалыванию по п. 5 таблицы 3.
5.11 Длину плоскости скалывания лобовых врубок следует принимать не менее 1,5h, где h - полная высота сечения скалываемого элемента.
Глубину врубки следует принимать не более 1/4h в промежуточных узлах сквозных конструкций и не более 1/3h в остальных случаях, при этом глубина врубок h1 в брусьях должна быть не менее 2 см, а в круглых лесоматериалах - не менее 3 см.
5.12 Расчет на смятие лобовых врубок с одним зубом следует производить по плоскости смятия (см. рисунок 7). Угол смятия древесины a следует принимать равным углу между направлениями сминающего усилия и волокон сминаемого элемента.
Расчетное сопротивление древесины смятию под углом к волокнам для лобовых врубок следует определять по формуле (2) примечания 2 к таблице 3 независимо от размеров площади смятия.
5.13 Расчетную несущую способность цилиндрического нагеля на один шов сплачивания в соединениях элементов из сосны и ели, в том числе клееных, и древесины из однонаправленного шпона (рисунок 8) при направлении усилий, передаваемых нагелями вдоль волокон, гвоздями под любым углом и стальными нагелями, установленными в торец клееных деревянных элементов, следует определять по таблице 17. В необходимых случаях расчетную несущую способность цилиндрического нагеля, определенную по таблице 17, следует устанавливать с учетом указаний п. 5.15.
5.14 Расчетную несущую способность цилиндрических нагелей при направлении передаваемого нагелем усилия под углом к волокнам следует определять согласно п. 5.13 с умножением:
а) на коэффициент ka (таблица 19) при расчете на смятие древесины в нагельном гнезде;
б) на величину
при расчете нагеля на изгиб; угол a следует принимать равным большему из углов смятия нагелем
элементов, прилегающих к рассматриваемому шву.
5.15 Расчетную несущую способность нагелей в соединениях элементов конструкций из древесины других пород, в различных условиях эксплуатации, в условиях повышенной температуры, при действии только постоянных и длительных временных нагрузок следует определять согласно пп. 5.13 и 5.14 с умножением:
а) на соответствующий коэффициент по таблицам 4, 5, 6 и пп. 3.2, б и 3.2, в при расчете нагельного соединения из условия смятия древесины в нагельном гнезде;
б) на корень квадратный из этого коэффициента при расчете нагельного соединения из условия изгиба нагеля.
5.16 Нагельное соединение со стальными накладками и прокладками на болтах или глухих цилиндрических нагелях (рисунок 9) допускается применять в тех случаях, когда обеспечена необходимая плотность постановки нагелей.

а - симметричные; б - несимметричные; в - в торец клееного элемента
Рисунок 8 - Нагельные соединения
|
Схемы соединений |
Напряженное состояние соединения |
Расчетная несущая способность Т на один шов сплачивания (условный срез), кН (кгс) |
|
|
гвоздя, стального, алюминиевого, стеклопластикового нагеля |
дубового нагеля |
||
|
1. Симметричные соединения (рисунок 8, а) |
а) смятие в средних элементах |
0,5cd (50cd) |
0,3cd (30cd) |
|
б) смятие в крайних элементах |
0,8cd |
0,5cd |
|
|
|
(80cd) |
(50cd) |
|
|
2. Несимметричные соединения (рис. 8, б) |
а) смятие во всех элементах равной толщины, а также в более толстых элементах односрезных соединений |
0,35cd (35cd) |
0,2cd (20cd) |
|
|
б) смятие в более толстых средних элементах двухсрезных соединений при а ≤ 0,5с |
0,25cd (25cd) |
0,14cd (14cd) |
|
|
в) смятие в более тонких крайних элементах при а ≤ 0,35с |
0,8ad (80ad) |
0,5ad (50ad) |
|
|
г) смятие в более тонких элементах односрезных соединений и в крайних элементах при с > а > 0,35с |
kнad |
kнad |
|
а) изгиб гвоздя |
2,5d2+0,01a2 (250d2+a2), но не более 4d2 (400d2) |
- |
|
|
б) изгиб нагеля из стали А240 |
1,8d2+0,02a2 (180d2+2a2), но не более 2,5d2 (250d2) |
- |
|
|
|
в) изгиб нагеля из алюминиевого сплава Д16-Т |
1,6d2+0,02a2 (160d2+2a2), но не более 2,2d2 (220d2) |
- |
|
|
г) изгиб нагеля из стеклопластика АГ-4С |
1,45d2+0,02a2 (145d2+2a2), но не более 1,8d2 (180d2) |
- |
|
|
д) изгиб нагеля из древесно-слоистого пластика ДСПБ |
0,8d2+0,02a2 (80d2+2a2), но не более (100d2) |
- |
|
|
е) изгиб дубового нагеля |
- |
0,45d2+0,02a2 (45d2+2a2), но не более 0,65d2 (65d2) |
|
4. Соединения на нагелях в торец: - с металлической накладкой (рисунок 9, в, г; 10, в, г); - с деревянной накладкой (рисунок 8, в; 10, в, г) |
Изгиб нагеля из стали А240 |
150d2 |
- |
|
|
d2 |
- |
|
|
Примечания 1 В таблице: с - толщина средних элементов, а также равных по толщине или более толстых элементов односрезных соединений, а - толщина крайних элементов, а также более тонких элементов односрезных соединений; d - диаметр нагеля; все размеры в см. 2 Расчетную несущую способность нагеля в двухсрезных несимметричных соединениях при неодинаковой толщине элементов следует определять с учетом следующего: а) расчетную несущую способность нагеля из условия смятия в среднем элементе толщиной с при промежуточных значениях а между с и 0,5с следует определять интерполяцией между значениями по поз. 2а и 2б таблицы; б) при толщине крайних элементов а > с расчетную несущую способность нагеля следует определять из условия смятия в крайних элементах по поз. 2а таблицы с заменой с на а; в) при определении расчетной несущей способности из условий изгиба нагеля толщину крайнего элемента а в поз. 3 таблицы следует принимать не более 0,6с. 3 Значения коэффициента kн для определения расчетной несущей способности при смятии в более тонких элементах односрезных соединении при с ≥ а ≥ 0,35с приведены в таблице 18. 4 Расчетную несущую способность нагеля в рассматриваемом шве следует принимать равной меньшему из всех значений, полученных по формулам таблицы 17. 5 Расчет нагельных соединений на скалывание производить не следует, если выполняются условия расстановки нагелей в соответствии с пп. 5.18 и 5.22. 6 Диаметр нагеля d следует назначать из условия наиболее полного использования его несущей способности по изгибу. 7 Число нагелей пн в соединении, кроме гвоздевого, следует определять по формуле
где N - расчетное усилие; Т - наименьшая расчетная несущая способность, найденная по формулам таблицы 17; nш - число расчетных швов одного нагеля. 8 В соединениях число нагелей должно быть не менее 2. Исключение могут составлять нагели, устанавливаемые конструктивно (например, на период сборки и монтажа). |
|||
Таблица 18
|
Вид нагеля |
Значения коэффициент kн для односрезных соединений при а/с |
|||||||
|
0,35 |
0,5 |
0,6 |
0,7 |
0,8 |
0,9 |
1 |
||
|
Гвоздь стальной, алюминиевый и стеклопластиковыи нагель |
0,8 80 |
0,58 58 |
0,48 48 |
0,43 43 |
0,39 39 |
0,37 37 |
0,35 35 |
|
|
Дубовый нагель |
0,5 50 |
0,5 50 |
0,44 44 |
0,38 38 |
0,32 32 |
0,26 26 |
0,2 20 |
|
|
Примечание - В знаменателе указаны значения kн для Т в кгс |
||||||||
|
Угол, град |
Коэффициент kα |
||||
|
для стальных, алюминиевых и стеклопластиковых нагелей диаметром, мм |
для дубовых нагелей |
||||
|
12 |
16 |
20 |
24 |
||
|
30 |
0,95 |
0,9 |
0,9 |
0,9 |
1 |
|
60 |
0,75 |
0,7 |
0,65 |
0,6 |
0,8 |
|
90 |
0,7 |
0,65 |
0,55 |
0,5 |
0,7 |
|
Примечания 1 Значение kα для промежуточных углов определяется интерполяцией. 2 При расчете односрезных соединений для более толстых элементов, работающих на смятие под углом, значение kα следует умножать на дополнительный коэффициент 0,9 при с/а < 1,5 и на 0,75 при с/а > 1,5. |
|||||
а - на болтах; б - на глухих цилиндрических нагелях; в - на глухих цилиндрических нагелях, установленных в торец клееного элемента; г - то же, с усилением поперечным армированием
Рисунок 9 - Нагельные соединения со стальными накладками
Глухие стальные цилиндрические нагели должны иметь заглубление в древесину не менее 5 диаметров нагеля и не менее 10 диаметров нагеля при установке в торец. В последнем случае диаметр отверстия должен быть на 1 мм меньше диаметра нагеля.
Нагельные соединения со стальными накладками и прокладками следует рассчитывать согласно указаниям пп. 5.13-5.15, причем в расчете из условия изгиба (поз. 3 таблицы 17) следует принимать наибольшее значение несущей способности нагеля.
Стальные накладки и прокладки следует проверять на растяжение по ослабленному сечению и на смятие под нагелем.
5.17 Несущую способность соединения на цилиндрических нагелях из одного материала, но разных диаметров следует определять как сумму несущих способностей всех нагелей, за исключением растянутых стыков, для которых вводится снижающий коэффициент 0,9.
5.18 Расстояние между осями цилиндрических нагелей вдоль волокон древесины S1, поперек волокон S2 и от кромки элемента S3 (рисунок 10) следует принимать не менее:
для стальных нагелей S1 = 7d; S2 = 3,5d; S3 = 3d;
для алюминиевых и стеклопластиковых нагелей S1 = 6d; S2 = 3,5d; S3 = 3d;
для стальных нагелей, в том числе нагелей, устанавливаемых в древесину из однонаправленного шпона, S1 = 6d; S2 = 3d; S3 = 3d;
для дубовых нагелей S1 = 5d; S2 = 3d; S3 = 2,5d.
При толщине пакета b меньше 10d (см. рисунок 10) допускается принимать:
для стальных, алюминиевых и стеклопластиковых нагелей S1 = 6d; S2 = 3d; S3 = 2,5d;
для дубовых нагелей S1 = 4d; S2 = S3 = 2,5d;
для стальных нагелей, установленных в торец, расстановку нагелей принимать по рисунку 10, в и г.
а - прямая; б - в шахматном порядке; в - установленных в торец без армирования; г - то же, с усилением армированием
Рисунок 10 - Расстановка нагелей
5.19 Нагели в растянутых стыках следует располагать в два или четыре продольных ряда; в конструкциях из круглых лесоматериалов допускается шахматное расположение нагелей в два ряда с расстоянием между осями нагелей вдоль волокон 2S1, а поперек волокон - S2 = 2,5d.
5.20 При определении расчетной длины защемления конца гвоздя не следует учитывать заостренную часть гвоздя длиной 1,5d; кроме того, из длины гвоздя следует вычитать по 2 мм на каждый шов между соединяемыми элементами.
Если расчетная длина защемления конца гвоздя получается меньше 4d, его работу в примыкающем к нему шве учитывать не следует.
При свободном выходе гвоздя из пакета расчетную толщину последнего элемента следует уменьшать на 1,5d (рисунок 11).
Диаметр гвоздей следует принимать не более 0,25 толщины пробиваемых элементов.

Рисунок 11 - Определение расчетной длины защемления конца гвоздя
5.21 Расстояние между осями гвоздей вдоль волокон древесины следует принимать не менее:
S1 = 15d при толщине пробиваемого элемента с ≥ 10d;
S1 = 25d при толщине пробиваемого элемента с = 4d.
Для промежуточных значений толщины с наименьшее расстояние следует определять по интерполяции.
Для элементов, не пробиваемых гвоздями насквозь, независимо от их толщины, расстояние между осями гвоздей следует принимать равным S1 ≥ I5d.
Расстояние вдоль волокон древесины от гвоздя до торца элемента во всех случаях следует принимать не менее S1 = I5d.
Расстояние между осями гвоздей поперек волокон древесины при прямой расстановке гвоздей следует принимать не менее S2 = 4d; при шахматной расстановке или расстановке их косыми рядами под углом а ≤ 45° (рисунок 12) расстояние может быть уменьшено до 3d.

Рисунок 12 - Расстановка гвоздей косыми рядами
5.22 Применение шурупов и глухарей в качестве нагелей, работающих на сдвиг, допускается в односрезных соединениях со стальными накладками и накладками из бакелизированной фанеры. Расстояния между осями шурупов следует принимать по указаниям п. 5.18 как для стальных цилиндрических нагелей.
5.23 Несущую способность шурупов и глухарей при заглублении их ненарезной части в древесину не менее чем на два диаметра следует определять по правилам для стальных цилиндрических нагелей.
5.24 Сопротивление гвоздей выдергиванию допускается учитывать во второстепенных элементах (настилы, подшивка потолков и т.д.) или в конструкциях, где выдергивание гвоздей сопровождается одновременной работой их как нагелей.
Не допускается учитывать работу на выдергивание гвоздей, забитых в заранее просверленные отверстия, забитых в торец (вдоль волокон), а также при динамических воздействиях на конструкцию.
5.25 Расчетную несущую способность на выдергивание одного гвоздя в МН (кгс), забитого в древесину, в том числе в древесину из однонаправленного шпона, поперек волокон, следует определять по формуле
, (60)
где Rв.г - расчетное сопротивление выдергиванию на единицу поверхности соприкасания гвоздя с древесиной, которое следует принимать для воздушно-сухой древесины равным 0,3 МПа (3 кгс/см2), а для сырой, высыхающей в конструкции, - 0,1 МПа (1 кгс/см2);
d - диаметр гвоздя, м (см);
l1 - расчетная длина защемленной, сопротивляющейся выдергиванию части гвоздя, м (см), определяемая согласно п. 5.20.
Расстояние S3 от крайнего ряда гвоздей до продольной кромки элемента следует принимать не менее 4d.
Примечания
1 Расстояние между гвоздями вдоль волокон древесины в элементах из осины, ольхи и тополя следует увеличивать на 50 % по сравнению с указанными выше.
2 В условиях повышенной влажности или температуры, а также при расчете на действие кратковременной или постоянной и длительной временной нагрузок расчетное сопротивление выдергиванию для воздушно-сухой древесины следует умножать на коэффициенты, приведенные в таблицах 5, 6 настоящего стандарта.
3 При диаметре гвоздей более 5 мм в расчет вводят диаметр, равный 5 мм.
5.26 Длина защемленной части гвоздя должна быть не менее двух толщин пробиваемого деревянного элемента и не менее 10d.
Расстановку гвоздей, работающих на выдергивание, следует производить по правилам расстановки гвоздей, работающих на сдвиг (см. п. 5.21).
5.27 Расчетную несущую способность на выдергивание одного шурупа или глухаря, МН (кгс), завинченного в древесину, в том числе в древесину из однонаправленного шпона, поперек волокон, следует определять по формуле
, (61)
где Rв.ш - расчетное сопротивление выдергиванию шурупа или глухаря на единицу поверхности соприкасания нарезной части шурупа с древесиной, которое следует принимать для воздушно-сухой древесины равным 1 МПа (10 кгс/см2); расчетное сопротивление выдергиванию следует умножать в соответствующих случаях на коэффициенты, приведенные в таблицах 5, 6 и пп. 3.2,б и 3.2,в настоящего стандарта;
d - наружный диаметр нарезной части шурупа, м (см);
l1 - длина нарезной части шурупа, сопротивляющаяся выдергиванию, м (см).
Расстояние между осями винтов должно быть не менее: S1 = 10d; S2 = S3 = 5d (см. рисунок 10).
5.28 Применение дубовых или березовых пластинчатых нагелей (пластинок) допускается для сплачивания брусьев в составных элементах со строительным подъемом, работающих на изгиб и на сжатие с изгибом. Размеры пластинок и гнезд для них, а также расстановку их в сплачиваемых элементах следует принимать по рисунку 13. Направление волокон в пластинках должно быть перпендикулярно плоскости сплачивания элементов.
Сплачивание по высоте сечения более трех элементов, а также применение элементов, срощенных по длине, не допускается.
5.29 Расчетную несущую способность, кН (кгс), дубового или березового пластинчатого нагеля размерами по рисунку 13 в соединениях элементов из сосны и ели следует определять по формуле
, (62)
где bпл - ширина пластинчатого нагеля, см, которую следует принимать равной ширине сплачиваемых элементов bпл = b при сквозных пластинках и bпл = 0,5b при глухих.

а - со сквозными пластинками; б - с глухими пластинками
Рисунок 13 - Соединения на пластинчатых нагелях
В случаях применения для сплачивания элементов из других древесных пород следует вводить поправочный коэффициент по таблице 4 (для скалывающих напряжений).
Для конструкций в условиях повышенной влажности или температуры, рассчитываемых на действие кратковременных или постоянной и длительной временной нагрузок, расчетную несущую способность пластинчатого нагеля следует умножать на поправочные коэффициенты по таблицах 5, 6 и пп. 3.2,б и 3.2,в.
Примечание - Применение вклеенных стержней в открытых соединениях, металл которых может подвергаться прямому воздействию огня при пожаре, не допускается в том случае, если температура стеклования полимера используемой клеевой композиции не превышает 70 °С.
5.30 Соединения на стержнях, вклеенных вдоль волокон древесины, допускаются в слабо нагруженных элементах и обязательно в комбинации с поперечно вклеенными стержнями.
5.31 В соединениях используется очищенная от ржавчины и обезжиренная стальная арматура периодического профиля диаметром от 14 до 25 мм классов А300 - А400. Допускается использовать арматуру А240 со сплошной нарезкой резьбы по длине вклеивания.
5.32 Для вклеивания используют эпоксидные клеи на базе смол ЭД20 с наполнителем - молотым песком (маршалитом) в количестве до 200 весовых частей от веса смолы. При необходимости обеспечения повышенной огнестойкости соединения возможно применение эпоксидных клеев специального состава с температурой стеклования около 70 °С. Вклеивание стержней и контроль качества следует производить в соответствии с «Рекомендациями по производству работ при вклеивании стержней» (ЦНИИСК, 2004).
5.33 Сверление отверстий под вклеиваемые стержни производится с помощью сверл для древесины или металла, нарощенных до требуемой длины. Точность сверления достигается использованием кондукторов с базой на боковых гранях. Диаметр отверстия в древесине должен превышать диаметр вклеиваемого стержня на 4 - 5 мм для арматуры классов А300 - А400 и на 2 мм для арматуры класса А240. Наиболее эффективным является расположение стержней под углом к направлению волокон в интервале от 30 до 45°. Стержни должны пересекать плоскости клеевых швов клееного пакета. Расстояние от боковых граней пакета до оси стержня принимается не менее 2d и не менее 30 мм; между осями стержней по ширине пакета расстояние должно быть не менее 2d; от торца пакета вдоль волокон до оси стержня - не менее 100 мм при сжатии; между наклонными стержнями и от торца при усилиях вдоль волокон 10d при угле наклона стержней a = 45° и 14d при a = 30° (см. рисунок 14).

А - опорная реакция от расчетной нагрузки; а - в виде связей составных элементов; б - для повышения сдвиговой прочности клееной балки; в - для анкеровки закладных деталей; г, д - в опорных и других узлах конструкций; е - схема симметричного универсального жесткого стыка элементов сечением <500 и >600; ж - для растянутых элементов; з - для сжатых стыков с полимербетоном; и - для полигональных элементов, несимметричная схема (карниз рамы); к - для узла защемления стоек
Рисунок 14 - Используемые в проектировании соединения на наклонно вклееных стержнях по системе ЦНИИСК
5.34 Влажность древесины при вклеивании стержней должна быть в интервале 7 - 14 % (в зависимости от условий эксплуатации конструкций - см. таблицу 1). Не допускается использование вклеенных стержней для клееных пакетов с компенсационными прорезями.
5.35 Соединения на наклонно вклеенных стержнях используются:
- для сплачивания элементов составного сечения, в том числе, композитных; для узловых соединений, воспринимающих сдвиг;
- для повышения сдвиговой прочности клееных элементов;
- для анкеровки закладных деталей, воспринимающих усилия разных направлений;
- для устройства узловых сопряжений элементов плоских и пространственных конструкций (опорных узлов, поясов и решетки в фермах, ключевых шарниров в арках, рамах и т.п.);
- для усиления участков конструкций, в которых действуют нормальные растягивающие напряжения поперек волокон и касательные напряжения (в зонах глубоких подрезок или ослаблений врезками, в изгибаемых элементах с искривленной осью, на торцах конструкций, подверженных колебаниям температуры и влажности, и мн. др.);
- для устройства жестких равнопрочных стыков сборных изгибаемых, сжато-изгибаемых, растянуто-изгибаемых элементов (балок, арок, ферм, рам, защемленных стоек, куполов, сводов и т.п.);
- для устройства равнопрочных стыков растянутых элементов (поясов и решетки ферм, жестких нитей, кольцевых ребер куполов и т.п.);
- для устройства стыков сжатых элементов (в том числе, на монтажные нагрузки).
Принципиальные конструктивные схемы соединений в узлах и стыках элементов для различных напряженно-деформированных состояний приведены на рисунке 14.
5.36 При устройстве стыковых соединений в конструкциях используют два вида соединений на наклонно вклеенных стержнях. Преимущественно это анкера V-образной формы, которые представляют собой комбинацию из двух стержней, вклеенных наклонно по отношению к направлению волокон древесины и образующих между собой внутренний угол.
В отдельных случаях (обычно для слабо напряженных конструкций или в элементах небольших сечений) применяются соединения на наклонно вклеенных стержнях, присоединенных на сварке к стальным пластинам, передающим на древесину усилия сжатия, возникающие от разложения усилий растяжения в наклонных стержнях.
5.37 Расчетную несущую способность, МН (кгс), вклеиваемого под углом к волокнам стержня на выдергивание или продавливание в стыках клееных деревянных конструкций следует определять по формуле
T = Rπd1lpkcmd ≤ FaRa, (63)
где R - расчетное сопротивление древесины выдергиванию или продавливанию вклеенного стержня, МПа (кгс/см2), принимаемое по опытным данным, равным 4,5 МПа (45 кгс/см2);
d1 - диаметр отверстия, м (см);
lp - расчетная длина стержня, м (см)
lp = l - lо ≤ 25d; (64)
l - длина заделываемой части;
lо = 4d - глубина возможного снижения прочности клеевой прослойки при пожаре; для стержней, защищенных от огня, lо = 0;
d - диаметр вклеиваемого стержня, м (см);
kc - коэффициент, учитывающий неравномерность распределения напряжений сдвига в зависимости от длины заделываемой части стержня, который следует определять по формуле
, (65)
md - коэффициент, учитывающий зависимость расчетного сопротивления от диаметра стержня
md = 1,12 - 10d; (1,12 - 0,1d); (66)
Fa - площадь сечения стержня;
Ra - расчетное сопротивление материала стержня.
5.38 Расчетная несущая способность V-образного анкера определяется аналогично расчетной несущей способности вклеенного стержня Т по формуле (63). Усилия в каждой ветви анкера определяются путем разложения усилий от внешней нагрузки по направлениям ветвей. Внутренний угол между ветвями анкера принимается от 90 до 120°. Длина ветви анкера также назначается аналогично l.
5.39 Проверка на прочность анкеров, сварных швов, соединительных пластин и других стальных элементов выполняется по нормам проектирования металлоконструкций.
5.40 При определении числа вклеенных стержней или анкеров необходимо учитывать коэффициент их совместной работы kс1:
- при двух анкерах с одной стороны стыка и на одной грани kс1 = 0,9;
- при трех стержнях и более на одной грани kс1 = 0,75.
5.41 При проектировании стыков или узлов конструкций необходимо учитывать специфические особенности конструкции и технологии изготовления. В частности, для сечений высотой до 50 см и свыше 50 см технические решения связей в нейтральной зоне изгибаемых элементов существенно отличаются. Принципиально различаются конструктивные варианты сжатой и растянутой зон стыков сжато-изгибаемых элементов ломаного сечения, например, в карнизных узлах рам и т.д.
5.42 Наклонно вклеенные стержни располагаются в соединениях таким образом, чтобы в них возникали (в основном) растягивающие усилия. Возникающие при этом (от разложения сил) сжимающие усилия должны передаваться на древесину соединительными жесткими пластинами или специально вклеенными стержнями с соответствующей проверкой расчетом.
В V-образных анкерах это условие обычно обеспечивается конструктивно.
5.43 Для приведенных соединений в узлах и стыках обязательным условием является соблюдение расстояния от крайнего анкера или вклеенного стержня до торца элемента, гарантирующего от выкалывания древесины на торец.
5.44 Податливость соединений на наклонно вклеенных стержнях составляет не более 0,006 мм/тс.
5.45 Стыки и узлы сжато-, растянуто-изгибаемых, изгибаемых и растянутых элементов сборных конструкций должны проверяться расчетом и обеспечивать восприятие перерезывающих сил, а также усилий, возникающих при сборке, кантовке, перевозке, складировании и монтаже. Для сжатых стыков большепролетных конструкций, выполненных с заполнением полимербетоном, необходимо предусматривать специальные конструктивные решения стыков на наклонно вклеенных стержнях, способные воспринимать упомянутые монтажные нагрузки и перерезывающие силы.
6.1 При проектировании деревянных конструкций следует:
а) учитывать производственные возможности предприятий-изготовителей деревянных конструкций;
б) учитывать возможности транспортных и монтажных средств и требования дорожных служб;
в) использовать древесину с наименьшими отходами и потерями;
г) предусматривать меры по обеспечению пространственной жесткости, устойчивости и неизменяемости отдельных конструкций и всего здания или сооружения в целом в процессе монтажа и эксплуатации.
6.2 Напряжения и деформации в деревянных конструкциях от изменения температуры древесины, а также от усушки или разбухания древесины вдоль волокон учитывать не следует.
При пролетах деревянных безраспорных конструкций более 30 м одна из опор должна быть подвижной, в том числе с использованием антифрикционных прокладок из фторопласта с коэффициентом трения «фторопласт - нержавеющая сталь» - 0,065.
6.3 Действие сил трения при расчете деревянных конструкций следует учитывать:
а) если равновесие системы обеспечивается только трением при условии постоянного прижатия элемента и отсутствии динамической нагрузки; при этом коэффициент трения дерева по дереву следует принимать равным:
торца по боковой поверхности - 0,3;
боковых поверхностей - 0,2;
б) если трение ухудшает условия работы конструкций и соединений, то коэффициент трения следует принимать равным 0,6.
6.4 В растянутых и изгибаемых элементах из пиломатериалов не следует допускать ослаблений на кромках.
6.5 Расчет элементов из круглых лесоматериалов на устойчивость следует производить по сечению, расположенному в середине расчетной длины элемента, а на прочность - по сечению с максимальным изгибающим моментом.
6.6 Пространственную жесткость и устойчивость деревянных конструкций следует обеспечивать постановкой горизонтальных и вертикальных связей не более, чем через 30 м по длине здания.
По длине здания поперечные связи следует располагать в плоскости верхнего пояса или по верху несущих конструкций.
В качестве поясов связевых ферм следует использовать верхние пояса или все сечение несущих конструкций.
Использование профнастила, уложенного непосредственно по верху несущих конструкций, в качестве распорок и связей допускается только при специальном креплении и дополнительном обосновании.
При использовании косого дощатого настила непосредственно по конструкциям или по прогонам с их закреплением постановка связей жесткости в пространственном покрытии не требуется.
6.7 Размер опорной части плит покрытий должен быть не менее 5,5 см. Плиты покрытий следует прикреплять к несущей конструкции с каждой стороны соединениями, воспринимающими усилия сдвига и отрыва.
6.8 Стыки деревянных растянутых элементов следует осуществлять совмещенными в одном сечении, перекрывая их накладками на стальных цилиндрических нагелях или иных соединениях.
Конструкция стыков растянутых элементов должна обеспечивать осевую передачу растягивающего усилия.
6.9 Не следует применять узлы и стыки с соединениями на связях с различной податливости, а также стыки, в которых часть деревянных элементов соединена непосредственно, а часть - через промежуточные элементы и соединения.
6.10 Элементы деревянных конструкций следует центрировать в узлах, стыках и на опорах, за исключением случаев, когда эксцентричное соединение элементов уменьшает действующий в расчетном сечении изгибающий момент.
6.11 Элементы конструкций должны быть стянуты болтами в узлах и стыках, а составные элементы на податливых соединениях должны быть стянуты и между узлами.
В соединениях на цилиндрических нагелях должно быть поставлено не менее трех стяжных болтов с каждой стороны стыка.
Диаметр стяжных болтов dб следует принимать по расчету, но не менее 12 мм. Шайбы стяжных болтов должны иметь размер сторон или диаметр не менее 3,5dб и толщину не менее 0,25dб.
6.12 Площадь поперечного сечения нетто деревянных элементов сквозных несущих конструкций должна быть не менее 50 см2, а также не менее 0,5 полной площади сечения брутто при симметричном ослаблении.
6.13 Балки, прогоны, настилы, обрешетки и другие изгибаемые элементы следует рассчитывать на прочность и прогиб. Значения максимальных прогибов должны быть не выше указанных в таблице 16.
6.14 Настилы и обрешетки под кровлю следует рассчитывать на следующие сочетания нагрузок:
а) постоянная и временная от снега (расчет на прочность и прогиб);
б) постоянная и временная от сосредоточенного груза 1 кН (100 кгс) с умножением последнего на коэффициент перегрузки n=1,2 (расчет только на прочность).
При сплошном настиле или при разреженном настиле с расстоянием между осями досок или брусков не более 150 мм нагрузку от сосредоточенного груза следует передавать на две доски или два бруска, а при расстоянии более 150 мм - на одну доску или брусок. При двойном настиле (рабочем и защитном, направленном под углом к рабочему) сосредоточенный груз следует распределять на ширину 500 мм рабочего настила.
6.15 Подрезка на опоре в растянутой зоне деревянных изгибаемых элементов глубиной а ≤ 0,25h допускается при условии:
МПа (4 кгс/см2), (67)
где А - опорная реакция от расчетной нагрузки;
b и h - ширина и высота поперечного сечения элемента без подрезки.
Длина опорной площадки подрезки с должна быть не больше высоты сечения h, а длина скошенной части подрезки с1 - не менее двух глубин а (рисунок 15).

Рисунок 15 - Скошенная подрезка конца балки
В случае если невозможно выполнить скошенную подрезку или глубина ее превышает 0,25h, необходимо усиление зоны подрезки. Усиление производится вклеиванием поперечных (перпендикулярно волокнам) и наклонных (под углом 45° к волокнам) стержней (рисунок 16). Длина поперечных стержней должна удовлетворять условию:
2aр ≤ la ≥ 0,7h, (68)
где la - расчетная длина стержня;
aр = а - 30 мм (глубина подрезки минус 30 мм на непроклей).
Расчет стержней производится с учетом того, что все растягивающее усилие воспринимается поперечно вклеенными стержнями. Наклонные стержни воспринимают сдвигающие усилия в зоне трещины и снижают касательные напряжения на приопорном участке.
Расстояние от торца подрезки должно быть 80 - 120 мм (120 мм для конструкций, эксплуатируемых на открытом воздухе).

Рисунок 16 - Усиление подрезки на конце балки
6.16 В консольно-балочных прогонах шарниры следует осуществлять в виде косого прируба.
Передачу сосредоточенных нагрузок на несущие элементы конструкций следует осуществлять через их верхние грани.
6.17 Составным балкам на податливых связях следует придавать строительный подъем путем выгиба элементов до постановки связей. Величину строительного подъема (без учета последующего распрямления балки) следует принимать увеличенной в полтора раза по сравнению с прогибом составной балки под расчетной нагрузкой.
6.18 Брусчатые составные балки следует сплачивать не более чем из трех брусьев с помощью пластинчатых нагелей или наклонно вклеенных стержней по системе ЦНИИСК.
6.19 Балки композитного сечения являются составными и включают деревянные ребра с вклеенными анкерами и монолитную железобетонную плиту (рисунок 17).
а - общий вид; б - поперечное сечение; в - геометрические характеристики поперечного сечения; г - опорная зона балки
Рисунок 17 - Балка композитного сечения
6.20 Клееным балкам с шарнирным опиранием следует придавать строительный подъем, равный 1/200 пролета. В клееных изгибаемых и сжато-изгибаемых элементах допускается сочетать древесину двух сортов, используя в крайних зонах на 0,15 высоты поперечного сечения более высокий сорт, по которому назначают расчетные сопротивления (Rи, Rc).
6.21 Пояса клееных балок с плоской фанерной стенкой следует выполнять из вертикально поставленных слоев (досок). В поясах балок коробчатого сечения допускается применять горизонтальное расположение слоев. Если высота поясов превышает 100 мм, в них следует предусматривать горизонтальные пропилы со стороны стенок.
Для стенок балок должна применяться водостойкая фанера толщиной не менее 8 мм.
В конструкциях из однонаправленного шпона рекомендуется применять соединения на цилиндрических нагелях.
6.22 Расчет ферм с разрезными и неразрезными поясами следует производить по деформированной схеме с учетом податливости узловых соединений. В фермах с неразрезными поясами осевые усилия в элементах и перемещения допускается определять в предположении шарнирных узлов.
Фермы следует проектировать со строительным подъемом не менее 1/200 пролета, осуществляемым в клееных конструкциях путем выгиба по верхнему и нижнему поясам.
6.23 Расчетную длину сжатых элементов ферм при расчете их на устойчивость в плоскости фермы следует принимать равной расстоянию между центрами узлов, а из плоскости - между точками закрепления их из плоскости.
6.24 Элементы решетки ферм следует центрировать в узлах. В случае нецентрированных узлов ферм следует учитывать возникающие в элементах изгибающие моменты. Стыки сжатых поясов ферм следует располагать в узлах или вблизи узлов, закрепленных от выхода из плоскости ферм.
6.25 Фермы могут быть сборными из клееной древесины или металлодеревянными с нижним поясом и деталями решетки из стали (рисунок 18).
Высота фермы в середине пролета: (l/9)L < Н < (1/6)L;
Высота на опоре h = (0,25-0,4)Н.
Рекомендуемые пролеты таких ферм составляют 24-80 м.
Наиболее эффективной является треугольная форма решетки.

Рисунок 18 - Схема линзообразной фермы
6.26 Элементы решетки следует располагать под углом 30° - 50° к вертикали. Крепление решетки к поясам следует осуществлять при помощи нагелей. Расчет и конструирование следует выполнять согласно пп. 5.13 - 5.19. Опорные узлы линзообразных ферм являются наиболее нагруженными и ответственными, их следует проектировать на наклонно вклеенных стержнях по системе ЦНИИСК согласно пп. 5.30 - 5.45.
6.27 Сборные фермы могут состоять из нескольких отправочных марок. Расположение укрупнительных узлов следует определять транспортными и технологическими требованиями. В нижнем поясе стыки следует располагать на возможно большем расстоянии от опорной зоны (рисунок 19).

Рисунок 19 - Схема опорного узла линзообразной фермы
6.28 Стыки верхнего пояса следует конструировать с передачей осевых усилий на торцы элементов посредством полимербетона, обеспечивающего равномерное распределение напряжений по высоте поперечного сечения.
6.29 Растянутые и сжатые стыки поясов должны быть рассчитаны на монтажные усилия при кантовке и подъеме ферм. Они должны обладать достаточной жесткостью из плоскости и воспринимать усилия обратного знака.
6.30 Расчет фермы необходимо осуществлять согласно пп. 6.21 - 6.24 с учетом следующих особенностей:
а) усилия в поясах следует определять из условия их неразрезности; следует учитывать изгибающие моменты, возникающие в узлах;
б) усилия в решетке допускается определять из условия шарнирных узлов сопряжения ее элементов с поясами;
в) для статического расчета опорные узлы на наклонно вклеенных связях по системе ЦНИИСК следует принимать жесткими;
г) примыкание элементов решетки к неразрезному поясу - шарнирное.
6.31 Дощатые фермы с соединениями в узлах на металлических зубчатых пластинах (МЗП) применяют в зданиях II и III классов ответственности (см. приложение И) V степени огнестойкости. Фермы изготавливают из древесины хвойных пород шириной от 100 до 200 мм, толщиной от 40 до 70 мм.
6.32 Расчетная схема ферм предполагает шарнирное закрепление элементов решетки к неразрезным поясам. Стыкование досок поясов по длине - шарнирное, вне зоны узлов крепления решетки.
6.33 Высоту ферм рекомендуется принимать не менее 1/5 пролета. При меньшей высоте ферм расчет необходимо производить с учетом линейной податливости стержней в узлах. При этом в расчете следует учитывать, что при усилиях, соответствующих расчетной несущей способности соединений, деформации стержней в узлах составляют 1,5 мм.
6.33 Пояса ферм рассчитывают как сжато-изгибаемые и растянуто-изгибаемые элементы. Элементы решетки допускается рассматривать как центрально-сжатые и центрально-растянутые. Ослабление сечения гнездами от зубьев МЗП не учитывается.
____________________
Нумерация соответствует источнику
6.34 Расчетная несущая способность соединений на МЗП зависит от типа пластин с заданной геометрией зубьев. Высота зубьев рекомендуется не более 12-кратной толщины пластины. Толщина стальной пластины составляет от 1 до 2 мм. Расчетная несущая способность соединений R определяется по результатам испытаний образцов с конкретными типами МЗП на 1 см2 поверхности пластины, в зависимости от угла наклона оси пластины к действующему усилию а и от угла наклона оси пластины к направлению волокон древесины β (рисунок 20).

х - главное направление пластины; у - направление, перпендикулярное главному; a - угол между х-направлением и осью силы F; β - угол между направлением волокон древесины и осью силы F; γ - угол между х-направлением и линией стыка
Рисунок 20 - Геометрические параметры работы МЗП
Различная перфорация пластин при установке зубьев разной формы требует расчетных характеристик МЗП при растяжении Rр и срезе Rcp при направлении усилия к оси пластин a.
6.35 Условие прочности соединений
N < R2F, (69)
где N - нормальное усилие в стержне;
R - расчетная несущая способность соединения на 1 см2;
F - площадь поверхности МЗП с одной стороны стыка, определяемая за вычетом площадей участков пластин в виде полос шириной 10 мм, примыкающих к линиям сопряжения элементов фермы.
6.36 Условие прочности МЗП при растяжении:
Np = 2Rрb, (70)
где b - размер пластины в направлении, перпендикулярном направлению усилия;
Rр - расчетная несущая способность пластины на растяжение.
6.37 Условие прочности МЗП при срезе
Q = 2Rсрlср, (71)
где lср - длина среза сечения пластины без учета перфорации;
Rср - расчетная несущая способность пластины на срез;
Q - сдвигающее усилие в узле.
6.38 При совместном действии на пластину усилий среза и растяжения должно выполняться условие
. (72)
6.39. Арки и своды следует рассчитывать на прочность в соответствии с указаниями п. 4.17 и на устойчивость в плоскости кривизны по формуле (6) п. 4.2 с учетом п. 4.17, причем расчетную длину элементов l0 следует принимать:
а) при расчете на прочность по деформированной схеме:
для двухшарнирных арок и сводов при симметричной нагрузке l0 = 0,35S;
для трехшарнирных арок и сводов при симметричной нагрузке l0 = 0,58S;
для двух- и трехшарнирных арок и сводов при кососимметричной нагрузке - по формуле
, (73)
где a - центральный угол полуарки, рад;
S - полная длина дуги арки или свода.
Для трехшарнирных стрельчатых арок с углом перелома в ключе более 10° при всех видах нагрузки l0 = 0,5S.
При расчете трехшарнирных арок на несимметричную нагрузку расчетную длину допускается принимать равной l0 = 0,58S;
б) при расчете на устойчивость в плоскости кривизны для двух- и трехшарнирных арок и сводов l0 = 0,58S.
Расчет трехшарнирных арок на устойчивость плоской формы деформирования следует производить по п. 4.18.
6.40 При расчете арок на прочность по деформированной схеме и на устойчивость плоской формы деформирования величины N и Мд следует принимать в сечении с максимальным моментом (для проверяемого случая нагружения), а коэффициенты ξ или ξс и ξк следует определять по формуле (30) с подстановкой в нее значения сжимающей силы No в ключевом сечении арки; расчет арок на устойчивость в плоскости кривизны следует производить по формуле (6) п. 4.2 на ту же сжимающую силу No.
6.41 Расчет на прочность элементов трехшарнирных рам в их плоскости допускается выполнять по правилам расчета сжато-изгибаемых элементов с расчетной длиной, равной длине полурамы по осевой линии.
6.42 Устойчивость плоской формы деформирования трехшарнирных рам, закрепленных по внешнему контуру, допускается проверять по формулам п. 4.18. При этом для рам из прямолинейных элементов, если угол между осями ригеля и стойки более 130°, и для гнуто-клееных рам расчетную длину элемента следует принимать равной длине осевой линии полурамы. При угле между стойкой и ригелем меньше 130° расчетную длину ригеля и стойки следует принимать равной длинам их внешних подкрепленных кромок.
6.43 Криволинейные участки гнуто-клееных рам (рисунок 21) при отношении h/r ≥ 1/7 (h - высота сечения, r - радиус кривизны центральной оси криволинейного участка) следует рассчитывать на прочность по формуле (28), в которой при проверке напряжений по внутренней кромке расчетный момент сопротивления следует умножать на коэффициент krв:
, (74)
а при проверке напряжений по наружной кромке - на коэффициент krн
. (75)

Рисунок 21 - Расчетная схема к определению напряжений в криволинейной части гнутоклееных рам
Расстояние z от центральной оси поперечного сечения до нейтральной оси следует определять по формуле
. (76)
6.44 Для элементов деревянных опор воздушных линий электропередачи допускается применять круглый лес, пиломатериалы и клееную древесину.
6.45 Для основных элементов опор (стоек, приставок, траверс) диаметр бревна в верхнем отрубе должен быть не менее 18 см для ЛЭП напряжением 110 кВ и выше и не менее 16 см для ЛЭП напряжением 35 кВ и ниже.
Диаметр приставок (пасынков, свай) опор ЛЭП напряжением 35 кВ и выше должен быть не менее 18 см. Для вспомогательных элементов опор диаметр бревен в верхнем отрубе должен быть не менее 14 см.
6.46 Сопряжение элементов опор ЛЭП следует, как правило, выполнять без врубок.
6.47 Диаметр болтов должен быть не менее 16 мм и не более 27 мм.
6.48 Конструкционные меры, обеспечивающие просыхание элементов деревянных конструкций и их защиту от увлажнения, обязательны независимо от срока службы здания или сооружения, а также от того, производится химическая защита древесины или нет.
В тех случаях, когда древесина имеет повышенную начальную влажность и быстрое просыхание ее в конструкции затруднено, а также в случаях, когда конструкционными мерами нельзя устранить постоянное или периодическое увлажнение древесины, следует применять химические меры защиты (консервирование, антисептирование, гидрофобизацию, влагозащитные покрытия и др.). Сказанное относится также к конструкциям из фанеры и древесно-плитных материалов.
6.49 Конструкционные меры должны предусматривать:
а) предохранение древесины конструкций от непосредственного увлажнения атмосферными осадками, грунтовыми и талыми водами (за исключением опор воздушных линий электропередачи), эксплутационными и производственными водами;
б) предохранение древесины конструкций от промерзания, капиллярного и конденсационного увлажнения;
в) систематическую просушку древесины конструкций путем создания осушающего температурно-влажностного режима (естественная и принудительная вентиляция помещения, устройство в конструкциях и частях зданий осушающих продухов, аэраторов).
6.50 Несущие деревянные конструкции (фермы, арки, балки и др.) должны быть открытыми, хорошо проветриваемыми, по возможности доступными во всех частях для осмотра, а также для проведения профилактического ремонта, включающего работы по химической защите элементов конструкций.
6.51 В отапливаемых зданиях и сооружениях несущие конструкции следует располагать так, чтобы они целиком находились либо в пределах отапливаемого помещения, либо вне его.
Допускается при соответствующем обосновании располагать несущие деревянные клееные конструкции (балки, рамы, арки) частично внутри отапливаемого помещения, а частично снаружи. При этом конструкции должны иметь прямоугольное сплошное сечение и усиленную защиту в местах пересечений ограждающих конструкций (стен, перекрытий, покрытий) от увлажнения и биоразрушения.
6.52 Не допускается заделка поясов, опорных и промежуточных узлов, концов элементов решетки ферм в толщу стен, совмещенных покрытий или чердачных перекрытий.
Опорные части несущих конструкций (ферм, арок, балок) при размещении их в гнездах каменных стен должны быть открыты. Запрещается заделывать наглухо зазоры между стенками гнезд и опорными частями конструкций кирпичом, раствором, герметизирующими материалами и т.п.
В наружных каменных стенах отапливаемых зданий и сооружений, а также во внутренних стенах, разделяющих отапливаемые и неотапливаемые помещения, задние стенки гнезд следует утеплять во избежание их промерзания в соответствии с теплотехническим расчетом.
6.53 Для несущих конструкций, имеющих на опорах металлические башмаки (фермы, арки и др.), опирание на наружные каменные стены отапливаемых зданий и сооружений с выделкой гнезд не допускается из-за опасности выпадения конденсата на металле. Такие конструкции следует опирать на железобетонные опоры (колонны), пилястры стен и другие опоры, выступающие внутрь помещения.
6.54 В местах опирания несущих конструкций на фундамент, каменные стены, пилястры, железобетонные колонны между древесиной конструкций и более теплопроводным материалом опоры следует вводить гидроизоляционные прокладки.
В том случае, если опорная часть несущих конструкций устанавливается на деревянные подкладки (подушки), последние также следует отделять от более теплопроводного материала опоры гидроизоляционными прокладками. Подкладки (подушки) должны изготавливаться из древесины твердых лиственных пород и консервироваться невымываемыми или трудновымываемыми биозащитными составами.
6.55 При эксплуатации конструкций в условиях, где возможно выпадение конденсата на металлических поверхностях, следует принимать меры по предохранению древесины от увлажнения в местах контакта с металлическими крепежными элементами (накладки, уголки, шайбы под болты и пр.). Для этого между древесиной и металлическим элементом следует вводить гидроизоляционный слой (мастику, прокладки из рулонных гидроизоляционных материалов, эластичные прокладки или уплотнительные ленты).
6.56 При расположении деревянных рам, арок и стоек (колонн) внутри помещений обрез опоры следует устраивать на такой высоте от уровня пола, чтобы в процессе эксплуатации исключалась возможность увлажнения опорного узла.
В том случае, если опорная часть несущей конструкции находится на открытом воздухе, обрез фундамента должен быть устроен так, чтобы обеспечивался быстрый отвод воды, попадающей на него в виде атмосферных осадков, и исключалось затопление опорного узла дождевыми и талыми водами.
6.57 В зданиях и сооружениях с повышенной влажностью воздуха (более 85 %), а также с сильной и средней химически агрессивной средой несущие деревянные конструкции должны иметь сплошное сечение и минимальное число металлических элементов. Применение металлодеревянных конструкций в таких зданиях и сооружениях следует максимально ограничивать.
В зданиях с химически агрессивной средой следует также ограничивать применение сквозных несущих конструкций из-за наличия большого числа промежуточных узлов и открытых горизонтальных и наклонных граней у деревянных элементов решетки, на которых скапливается химически агрессивная пыль.
По возможности в этих зданиях следует применять объемно-планировочные решения, предусматривающие вынос несущих конструкций за пределы помещения с агрессивной средой (устройство подвесного потолка, чердачного перекрытия).
6.58 Несущие конструкции, эксплуатируемые на открытом воздухе, должны иметь сплошное массивное сечение и изготавливаться из брусьев, круглого леса или из клееной древесины. Конструкции из брусьев или круглого леса следует проектировать с зазорами между элементами вне зон соединений, которые способствуют более быстрому высыханию древесины в процессе эксплуатации.
В открытых сооружениях необходимо в максимальной степени использовать средства, предохраняющие деревянные элементы конструкций от прямого попадания на них атмосферной влаги.
Для защиты от атмосферных осадков открытые горизонтальные и наклонные грани ответственных несущих конструкций следует защищать досками, консервированными биозащитными составами, козырьками из атмосферо- и коррозиестойкого материала.
6.59 Опорные части и узловые соединения несущих конструкций, эксплуатируемые на открытом воздухе или в зданиях с повышенной влажностью, следует проектировать таким образом, чтобы концы элементов были, по возможности, хорошо проветриваемыми и имели минимальную площадь контакта с металлом. Следует избегать использования глухих металлических башмаков при опирании несущих конструкций на фундамент в коньковых узлах арок, рам и др.
6.60 В зданиях, где возможно образование конденсата на потолочных поверхностях, верхние грани несущих конструкций (ферм, рам, арок и др.), на которые опираются плиты покрытий, следует защищать досками толщиной не менее 30 мм, консервированными невымываемыми или трудновымываемыми биозащитными составами, с последующей укладкой поверху двух слоев рулонного гидроизоляционного материала.
6.61 Деревянные покрытия следует проектировать, как правило, с наружным отводом воды и без фонарей верхнего света.
Устройство ендов в совмещенных покрытиях не допускается.
6.62 В ограждающих конструкциях отапливаемых зданий и сооружений должно быть исключено влагонакопление в процессе эксплуатации. В панелях стен и плитах покрытий следует предусматривать вентиляционные продухи, сообщающиеся с наружным воздухом, а в случаях, предусмотренных теплотехническим расчетом, использовать пароизоляционный слой.
6.63 Пароизоляцию ограждающих конструкций следует предусматривать из рулонных и пленочных материалов, окрасочную или обмазочную.
Рулонная и пленочная пароизоляции должны применяться в ограждающих конструкциях, у которых обшивки соединены с каркасом на податливых соединениях (гвозди, шурупы, скобки). При этом пароизоляционный слой должен быть сплошным и непрерывным (рулонные полотнища склеивают, пленки сваривают или склеивают) и укладываться между каркасом и обшивкой.
Окрасочная (обмазочная) пароизоляция должна применяться в ограждающих конструкциях с соединением обшивок на клею. Наносится такая пароизоляция на внутренние поверхности обшивки. Окрасочную пароизоляцию, если она совмещает функцию влагозащитного покрытия, допускается размещать и на наружной поверхности обшивки.
6.64 Вентилирование плит покрытия под рулонную кровлю должно осуществляться через продухи, специально устраиваемые между наружной обшивкой и утеплителем.
В плитах покрытия под кровлю из волнистых листов, профилированного металлического настила такие продухи не устраивают. Карнизный узел должен проектироваться так, чтобы наружный воздух имел свободный доступ под кровельные листы. Не допускается закрывать снаружи подкровельное пространство от задувания снега с помощью гребенок без оставления продухов для вентиляции.
6.65 Стеновые панели с каркасом из древесины, фанеры или древесно-плитных материалов должны устанавливаться на фундамент или цокольную панель таким образом, чтобы наружный воздух мог свободно поступать в них снизу через вентиляционные продухи и выходить у карниза. Не допускается устанавливать панели на фундамент (цокольную стеновую панель) без прокладки гидроизоляционного слоя, герметизации и утепления швов между ними.
Не допускается использовать для наружной обшивки стеновых панелей отапливаемых зданий паронепроницаемые материалы при отсутствии между обшивкой и заполнением вентиляционного продуха.
6.66 В целях предохранения наружных стен от намокания расстояние от отмостки до низа панелей должно быть не менее 40 см, а вынос карниза (свес кровли) при неорганизованном водоотводе - не менее 50 см.
6.67 В случаях, предусмотренных противопожарными требованиями строительных норм, деревянные конструкции должны быть запроектированы и выполнены с пределом огнестойкости и показателями пожарной опасности, регламентируемыми этими требованиями.
6.68. Предел огнестойкости определяется по методам, установленным ГОСТ 30247.0 и ГОСТ 30247.1.
Допускается предел огнестойкости деревянных элементов конструкций устанавливать расчетным путем на основе закономерностей обугливания и прогрева их сечений в условиях стандартного теплового воздействия, регламентируемого ГОСТ 30247.0, и с учетом предельных состояний по огнестойкости, регламентируемых ГОСТ 30247.1.
При этом предел огнестойкости узлов соединения элементов и опорных узлов деревянных конструкций, в том числе с применением металлических и неметаллических деталей и элементов, должен быть не ниже требуемого предела огнестойкости конструкции в целом.
6.69 При необходимости, предел огнестойкости деревянных элементов конструкции и узлов их соединения может быть повышен путем увеличения размеров их сечения, применения огнезащитных покрытий, в том числе вспучивающихся при нагреве, а также теплоизолирующих материалов и облицовок, в том числе из пиломатериалов.
6.70 Обеспечение требуемой огнестойкости металлических элементов конструкции и узлов соединения элементов конструкции, выполненных с применением металлических закладных деталей, может быть достигнуто средствами, аналогичными указанным в п. 6.69. При этом температура металла в местах соприкосновения с древесиной, во избежание ее возгорания к моменту времени, соответствующему требуему пределу огнестойкости, не должна превышать 270 °С.
6.71 При использовании пожарно-технической классификации конструкций по СниП 2.01.02-85* предел распространения огня следует определять по приложению 1 к этому СНиП. Эту классификацию применяют в тех случаях, когда противопожарные требования к конструкциям изложены в нормативных документах, не пересматривавшихся после ввода в действие СНиП 21-01-97, например, в СНиП 2.08.02-89* «Общественные здания и сооружения» (см. постановление Минстроя России от 13.02.97 г. № 18-7).
В других случаях следует использовать пожарно-техническую классификацию конструкций по СНиП 21-01-97* и определять класс пожарной опасности конструкций по ГОСТ 30403.
6.72 Информация о сертифицированных средствах огнезащиты может быть получена в ФГУП ВНИИПО МЧС России.
6.73 При использовании этой информации следует учитывать, что:
данные об эффективности огнезащитных составов как для металла, так и для древесины носят сравнительный характер и не могут быть непосредственно использованы для оценки нормируемых пожарно-технических характеристик строительных конструкций - предела огнестойкости и показателей пожарной опасности;
данные для определения пределов огнестойкости и показателей пожарной опасности конкретных конструкций при использовании конкретных средств огнезащиты должны предоставлять поставщики средств огнезащиты;
согласно п. 7.13 СНиП 21-01 эти данные должны быть получены на основе испытаний, предназначенных для определения пожарно-технических характеристик именно строительных конструкций;
при выборе огнезащитных покрытий и пропиток следует учитывать их совместимость с другими средствами защиты древесины, данные об их долговечности и необходимости периодической замены или восстановления, а также о недопустимости их применении в местах, исключающих выполнение этих операций; следует также учитывать требования п. 7.12 СНиП 21-01 о соответствии огнезащитных покрытий нормам применения отделочных материалов;
применение клееных деревянных конструкций во многих случаях связано с высокими требованиями к их внешнему виду, поэтому огнезащитные составы в этих случаях должны сохранять естественную текстуру древесины;
нанесение огнезащитных покрытий и поверхностных пропиток следует производить после установки конструкций в проектное положение и устройства кровли на покрытии.
6.74 Рекомендуется отдавать предпочтение конструктивной огнезащите, а также высокоэффективным и долговечным вспучивающимся огнезащитным материалам, поставщики которых в состоянии представить данные об их характеристиках, указанных в п. 6.73.
6.75 При определении огнестойкости соединений на вклеенных стержнях скорость обугливания древесины следует принимать 0,6 мм/мин, а расстояние от границы обугливания до клеевого шва между древесиной и вклеенным стержнем к моменту времени, соответствующему требуемому пределу огнестойкости, должно быть не менее 20 мм.
6.76 При определении длины стержня, вклеиваемого на клее ЭД-20, следует вычитать отрезок стержня, где его температура к моменту времени, соответствующему требуемому пределу огнестойкости, превышает 65 °С.
6.77 В конструкциях составного или коробчатого сечения открытые (незамкнутые) зазоры между цельными элементами сечения не должны превышать 7 мм, а зазоры более 7 мм должны быть замкнуты диафрагмами толщиной, обеспечивающей требуемый предел огнестойкости, - температура древесины в зазоре к моменту времени, соответствующему требуемому пределу огнестойкости, не должна превышать 270 °С.
К древесине элементов цельнодеревянных и слоям клееных конструкций, кроме требований ГОСТ 8486 на пиломатериалы хвойных пород и ГОСТ 9463 на круглые лесоматериалы, должны предъявляться дополнительные требования:
а) ширина годичных слоев в древесине элементов и слоев классов К26 и К24 должна быть не более 5 мм, а содержание в них поздней древесины - не менее 20 %;
б) в слоях клееных изгибаемых элементов классов К26 и К24 для крайней растянутой зоны (на 0,15 высоты сечения) и в цельнодеревянных элементах толщиной 60 мм и менее, работающих на ребро при изгибе или на растяжение, не допускается сердцевина;
в) в конструкциях из клееной древесины с использованием вклеенных стержней в слоях не допускаются компенсационные прорези.
1 Величину нормативного сопротивления материалов Rн определяют из условия:
Rн = Rвр (1 - l,65v),
где v - коэффициент вариации показателей прочности по данным испытаний;
Rвр - временная величина прочности материала.
Нормативное значение прочности соответствует квантилю в предполагаемой статистической функции распределения с обеспеченностью 0,95.
Временные и нормативные сопротивления устанавливают испытаниями при режиме нагружения А согласно таблице Б.1 при влажности древесины 12 %.
Таблица Б.1
|
Обозначение режимов нагружения |
Характеристика режимов нагружения |
Приведенное расчетное время действия нагрузки, с |
Значение коэффициента длительной прочности, mдл |
|
А |
Линейно возрастающая нагрузка при стандартных машинных испытаниях |
1-10 |
1,0 |
|
Б |
Совместное действие постоянной и кратковременной ветровой нагрузок |
103-104 |
0,8 |
|
В |
Совместное действие постоянной и кратковременной снеговой нагрузок |
106-107 |
0,66 |
|
Г |
Совместное действие постоянной и длительной временной нагрузок, напряжение от которых превышает 80 % от полного напряжения в элементах конструкций от всех нагрузок |
108-109 |
0,53 |
|
д |
Совместное действие постоянной и сейсмической нагрузок |
10-102 |
0,92 |
|
Е |
Действие импульсивных и ударных нагрузок |
10-1-10-8 |
1,1-1,35 |
2 Величины Rвр и Rн древесины приведены в таблице Б.2.
Таблица Б.2
|
Вид напряженного состояния |
|
|
||
|
К26/1 |
К24/2 |
К16/3 |
||
|
1. Изгиб: |
|
|
|
|
|
а) при нагружении кромки |
|
|
|
- |
|
б) при нагружении пласти |
|
|
|
|
|
2. Сжатие вдоль волокон |
|
|
|
|
|
3. Растяжение вдоль волокон |
|
|
- |
|
|
4. Скалывание вдоль волокон |
|
|
|
|
|
Для клееной древесины из однонаправленного шпона (LVL) сорта S |
||||
|
5. Сжатие вдоль волокон при толщине 75; 45; 26 мм |
|
|||
|
6. Сжатие поперек волокон среднее для толщины 75 и 45 мм |
|
|||
|
7. Изгиб при нагружении кромки |
|
|||
|
8. Изгиб при нагружении пласти вдоль волокон |
35(350) 54(540) |
|||
|
9. Растяжение вдоль волокон |
25(250) 40(400) |
|||
|
10. Растяжение поперек волокон |
0,5(5) 1(10) |
|||
|
11. Скалывание вдоль волокон перпендикулярно клеевому шву |
5(50) 9(90) |
|||
|
12. Скалывание вдоль волокон в плоскости клеевого шва |
4(40) 6(60) |
|||
|
Примечания 1 Размеры поперечных сечений испытываемых образцов пиломатериалов принимаются в соответствии с их толщиной по сортаменту. 2 Временные сопротивления следует определять: для пиломатериалов и заготовок из них цельных и стыкованных на зубчатое соединение - по испытаниямсогласно ГОСТ 15613.4; ГОСТ 21554.2; ГОСТ 21554.4; ГОСТ 21554.5; ГОСТ 21554.6; для чистой древесины - по испытаниям малых образцов в соответствии с требованиями ГОСТ 4.208. При выборочных контрольных испытаниях следует руководствоваться ГОСТ 18321. 3 Прочность древесины брусьев и круглых лесоматериалов допускается оценивать визуально по сортообразующим признакам и дополнительным требованиям приложения А. 4 Прочность слоев клееных конструкций и элементов цельнодеревянных конструкций, ерошенных по длине на зубчатый шип, при испытаниях на изгиб и нагружении по пласти должна быть не ниже значений, указанных в п. 16 для соответствующего класса (сорта). |
||||
3 Соотношение нормативных показателей прочности сортов древесины и принятых по европейским стандартам классов прочности приведено в таблице Б.3.
Таблица Б.3
|
Вид элементов ДК |
Соотношение классов прочности и сортов древесины по равноценности прочностных показателей |
||||
|
Элементы из пиломатериалов, в том числе склеенных по длине (для класса К26 1-го сорта только зубчатым соединением типа I по ГОСТ 19414) |
К16/ 3 сорт |
К24/ 2 сорт |
К26/ 1 сорт |
- |
- |
|
Элементы из круглых лесоматериалов и бруса шириной сечения свыше 12 см |
К19/ 3 сорт |
- |
К26/ 2 сорт |
- |
- |
|
Клееные многослойные элементы из слоев класса (сорта) |
- |
К24/К16 (3 сорт) |
К26/К24 (2 сорт) |
К30/К26 (1 сорт) |
К32/К28 |
|
Примечание. Отбор цельнодеревянных элементов конструкций, а также слоев клееных элементов по более высоким классам прочности (К30, К32 и др.) должен быть обеспечен силовой сортировкой или подтвержден результатами контрольных испытаний по действующей нормативно-технической документации на методы испытаний и приемки продукции. Цельнодеревянные элементы 3 сорта, соответствующие классу прочности К16, допускается использовать для мало ответственных конструкций. |
|||||
4 Расчетные сопротивления Rp определяют по формуле:
![]()
при обеспеченности 0,99 с учетом коэффициента надежности по материалу γm, определяемому из условия перехода от обеспеченности 0,95 для Rн к обеспеченности 0,99 для Rр (2,33) по выражению:
,
где ηн, ηр - квантили для обеспеченности 0,95 для Rн (1,65) и обеспеченности 0,99 для Rр (2,33);
v - коэффициент вариации, а также с учетом коэффициентов надежности по ответственности и сроку службы γн(о) и γн(сс).
|
Породы древесины |
Плотность древесины, кг/м3, в конструкциях для условий эксплуатации по таблице 1 |
|
|
А1, А2, Б1, Б2 (C1, C2) |
всех остальных |
|
|
Хвойные: |
|
|
|
лиственница |
650 |
800 |
|
сосна, ель, кедр, пихта |
500 |
600 |
|
Твердые лиственные: |
|
|
|
дуб, береза, бук, ясень, клен, граб, акация, вяз и ильм |
700 |
800 |
|
Мягкие лиственные: |
|
|
|
осина, тополь, ольха, липа |
500 |
600 |
|
Примечания 1 Плотность свежесрубленной древесины хвойных и мягких лиственных пород следует принимать равной 850 кг/м3, твердых лиственных пород - 1000 кг/м3. 2 Плотность клееной древесины следует принимать как неклееной. 3 Плотность обычной фанеры следует принимать равной плотности древесины шпонов, а бакелизированной - 1000 кг/м3. 4 Плотность древесины из однонаправленного шпона 500-600 кг/м3 в зависимости от породы древесины шпонов. |
||
Таблица Г.1 - Значения коэффициента kжN для расчета сжатых и сжато-изгибаемых элементов с переменной высотой и постоянной шириной сечения
|
Условия опирания элементов |
kжN при проверке |
|||
|
элементов прямоугольного сечения
|
элементов двутаврового и коробчатого сечений с постоянной высотой поясов
|
|||
|
В плоскости у z |
В плоскости х z |
В плоскости у z |
в плоскости x z |
|
|
|
(0,4 + 0,6β)β |
0,4 + 0,6β |
β |
L |
|
|
0,07 + 0,93β |
0,66 + 0,34β |
0,35 + 0,65β |
L |
Таблица Г.2 - Значения коэффициентов kф и kж для расчетов на устойчивость плоской формы деформирования
|
Форма эпюры моментов |
kф |
kжN |
||
|
При закреплении только по концам участка lр |
При закреплении по концам и растянутой от момента М кромке |
|
|
|
|
|
1 |
1 |
β1/2 |
β1/2 |
|
|
1,75-0,75d 0 < d < 1 |
|
|
β1/2 |
|
|
2 - (0,5 + d)2 -1 ≤ d ≤ 0 |
|
|
β1/2 |
|
|
1,35 + 1,45(с/lр)2 |
1,35 + 0,3(с/lр) |
|
|
|
|
1,13 |
1,13 |
β1/2 |
β2/5 |
|
|
2,45 |
2,32 |
β1/4 |
β1/2 |
Таблица Г.3 - Значения коэффициентов k и с для вычисления прогибов балок с учетом переменной сечения и деформаций сдвига
|
Поперечное сечение балки |
Расчетная схема |
k |
с |
|
Прямоугольное |
|
β |
0 |
|
» |
|
0,23 + 0,77β |
1,64 + 7,6β |
|
» |
|
0,5d + (1 - 0,5)β |
|
|
» |
|
0,15 + 0,85β |
15,4+3,8β |
|
Двутавровое |
|
0,4 + 0,6β |
(45,3 - 6,9β)γ |
|
Прямоугольное |
|
0,23 + 0,77β + 0,6d(1 - β) |
|
|
» |
|
0,35 + 0,65β |
5,4 + 2,6β |
|
Примечание - Здесь γ - отношение площади поясов к площади стенки двутавровой балки (высота стенки принимается между центрами тяжести поясов). |
|||

а - семислойной; б - пятислойной
Рисунок Д.1 - Графики для определения расчетных сопротивлений при растяжении под углом к волокнам наружных слоев березовой фанеры марки ФСФ
1 - для бакелизированной фанеры марок ФБС и ФБСВ толщиной 7 мм и более; 2 - для березовой фанеры марки ФСБ толщиной 8 мм и более. В выражении γ = a/hст a - расстояние между ребрами жесткости балки; hст - высота стенки между внутренними гранями полок
Рисунок Д.2 - Графики для определения коэффициента hи при расположении волокон в наружных слоях фанеры вдоль пролета
1-A - для бакелизированной фанеры марок ФБС и ФБСВ толщиной 7 мм и более при направлении волокон наружных слоев параллельно малой стороне панели; 1-Б - для бакелизированной фанеры марок ФБС и ФБСВ толщиной 7 мм и более при направлении волокон наружных слоев перпендикулярно малой стороне панели; 2-А, 2-Б - то же, для березовой фанеры марки ФСФ толщиной 8 мм и более
Рисунок Д.3 - Графики для определения kτ
В настоящем стандарте использованы ссылки на следующие нормативные документы:
СНиП 2.01.07-85 Нагрузки и воздействия
СНиП 2.08.02-89* Общественные здания и сооружения
СНиП 21-01-97 Пожарная безопасность зданий и сооружений
СНиП II-3-79* Строительная теплотехника
СНиП II-25-80 Деревянные конструкции
ГОСТ 8486-86* Пиломатериалы хвойных пород. Технические условия
ГОСТ 2695-83 Пиломатериалы лиственных пород. Технические условия
ГОСТ 9463-88 Лесоматериалы круглые хвойных пород. Технические условия
ГОСТ 9462-88 Лесоматериалы круглые лиственных пород. Технические условия
ГОСТ 3916.1-96 Фанера общего назначения с наружными слоями из шпона лиственных пород. Технические условия
ГОСТ 3916.2-96 Фанера общего назначения с наружными слоями из шпона хвойных пород. Технические условия
ГОСТ 11539-83 Фанера бакелизированная. Технические условия
ГОСТ 21488-97 Прутки прессованные из алюминия и алюминиевых сплавов. Технические условия
ГОСТ 20437-89Е Материал прессованный АГ-4. Технические условия
ГОСТ 13913-78* Пластики древесные слоистые. Технические условия
ГОСТ 30247.0-94 Конструкции строительные. Методы испытаний на огнестойкость. Общие требования
ГОСТ 30247.1-94 Конструкции строительные. Методы испытаний на огнестойкость. Несущие и ограждающие конструкции
ГОСТ 30403-96 Конструкции строительные. Метод определения пожарной опасности
ГОСТ 15613.4-78 Древесина клееная массивная. Методы определения предела прочности зубчатых клеевых соединений при статическом изгибе
ГОСТ 21554.2-81 Пиломатериалы и заготовки. Методы определения предела прочности при статическом изгибе
ГОСТ 21554.5-78 Пиломатериалы и заготовки. Методы определения предела прочности при продольном растяжении
ГОСТ 21554.6-78 Пиломатериалы и заготовки. Методы определения предела прочности при скалывании вдоль волокон
ГОСТ 4.208-79 СПКП. Строительство. Конструкции деревянные клееные. Номенклатура показателей
ГОСТ 18321-73 Статистический контроль качества. Методы случайного отбора выборок штучной продукции
ГОСТ 27812-88 Древесина клееная массивная. Метод испытания клеевых соединений на расслаивание
ГОСТ 17005-82 Конструкции деревянные клееные. Метод определения водостойкости клеевых соединений
Еврокод 5 Деревянные конструкции
EN 338. Конструкционная древесина. Классы прочности
EN 386 Клееный брус и столярная плита. Требования к рабочим характеристикам и минимальные требования к изготовлению
Рекомендации по производству работ при вклеивании стержней. ЦНИИСК, 2004
В настоящем стандарте применены следующие термины и их определения.
Деревянная конструкция - часть здания или другого строительного сооружения из клееной или цельной древесины, выполняющая определенные несущие, ограждающие и (или) эстетические функции.
Прочность - способность отдельной конструкции или ее элемента выдерживать определенную нагрузку без разрушения.
Жесткость - степень деформативности отдельной конструкции или ее элемента при эксплуатационных воздействиях.
Эксплуатационные воздействия - силовые (от нагрузок), температурно-влажностные (от эксплуатационной среды) или химически агрессивные воздействия на конструкции в процессе их транспортирования, монтажа и эксплуатации.
Конструктивная схема - компоновка несущих элементов здания или сооружения, образующая предполагаемую модель работы конструкции.
Расчетная модель - идеализированная конструктивная схема, используемая с целью анализа и расчета конструкции или ее элемента.
Предельное состояние - состояние, при достижении которого конструкция перестает удовлетворять предъявленным к ней требованиям в процессе эксплуатации в соответствии с назначением и ответственностью здания или сооружения.
Надежность конструкции - система показателей, гарантирующих, что в течение принятого срока нормальной эксплуатации здания или сооружения предельные состояния не будут достигнуты (превышены).
Прочность древесины - максимальные напряжения (сжатия, растяжения, скалывания, изгиба) при определенном виде напряженного состояния, при достижении которых происходит разрушение древесины.
Среднее значение прочности - среднее статистическое значение, определяемое по данным испытаний заданного количества (выборки) образцов и вычисленное с вероятностью 0,5.
Нормативное значение прочности - минимальное статистическое значение, определяемое по данным испытаний заданного количества (выборки) образцов и вычисленное с вероятностью 0,95.
Расчетное значение прочности - минимальное (как правило, с вероятностью 0,99) статистическое значение, определяемое путем деления нормативного значения прочности на частный коэффициент надежности по материалу.
Механическая безопасность здания - состояние основных (несущих) конструкций здания, при котором обеспечивается их прочность и устойчивость в течение предусмотренного проектом здания срока службы и отсутствует недопустимый риск причинения вреда жизни или здоровью людей и нанесения ущерба имуществу.
Пожарная безопасность здания - состояние здания, при котором обеспечивается устойчивость его основных строительных конструкций в течение нормативного времени неконтролируемого горения (пожара) и отсутствует недопустимый риск причинения вреда жизни или здоровью людей и нанесения ущерба имуществу.
Промышленная безопасность - состояние условий производства, перевозки, хранения, комплектации, монтажа и утилизации комплекта конструкций и изделий здания, при котором отсутствует недопустимый риск причинения вреда жизни или здоровью людей и нанесения ущерба имуществу.
Радиационная безопасность - состояние комплекта деревянных конструкций и изделий и земельного участка его размещения, при котором отсутствует недопустимый риск причинения вреда здоровью людей излучением радионуклидов, а также радона и продуктов его распада (в период эксплуатации здания).
Экологическая безопасность - состояние условий производства комплекта конструкций и изделий и условий эксплуатации здания, при котором отсутствует недопустимый риск причинения вреда здоровью людей и окружающей среде сверхнормативными выделениями летучих веществ из полимерных и синтетических материалов и несоблюдением санитарно-гигиенических требований к помещениям зданий.
Сейсмическая безопасность - состояние основных (несущих) конструкций, при котором отсутствует недопустимый риск причинения вреда жизни или здоровью людей и нанесения ущерба имуществу из-за потери устойчивости конструкций при внезапных и резких перемещениях земной коры в районе размещения здания.
Приведенные в настоящем приложении понятия и их определения могут быть уточнены (изменены, дополнены) после принятия и введения технических регламентов и национальных стандартов, содержащих аналогичные понятия и их определения.
1. ДК подразделяют (классифицируют) по основным признакам:
- функциональному назначению;
- условиям эксплуатации.
2. По функциональному назначению ДК подразделяют на классы, исходя из учета ответственности зданий и сооружений, для которых используются конструкции, согласно требованиям раздела 5 ГОСТ 27751 к уровням ответственности зданий и сооружений:
I класса - конструкции для зданий I уровня ответственности, используемых в качестве несущих, когда выход из строя конструкции вызывает разрушение здания и сооружения или его части, что связано с большими материальными или людскими потерями. К ним относятся большепролетные конструкции спортивно-зрелищных, торговых, жилых и общественных зданий и сооружений, как правило, индивидуального проектирования;
II класса - конструкции для зданий II уровня ответственности. К ним относятся конструкции производственных, складских и т.п. зданий;
III класса - преимущественно ненесущие конструкции для зданий III уровня ответственности, к которым относятся брусья стен, каркасы ограждающих конструкций панелей, архитектурно-декоративные и другие элементы.
3. В зависимости от условий эксплуатации конструкции относят к группам эксплуатации, учитывающим эксплуатационные параметры относительной влажности, температуры воздуха в зоне расположения конструкций, характерные условия эксплуатации (в закрытых или открытых условиях). Учет групп условий эксплуатации осуществляется для назначения поправочных коэффициентов к расчетным сопротивлениям древесины, выбора типа клеев и защитных материалов при проектировании конструкций, а также для выбора системы контроля качества при изготовлении конструкций. Группы эксплуатации по классификации европейских стандартов для дальнейшей их увязки с международными стандартами (например EN 386, 204, 335) приведены в приложении Н.
(примерная структура и основное содержание)
1 Общие сведения
Паспорт - основной документ, удостоверяющий данные, позволяющие определенно смонтировать здание как объект недвижимости, параметры его безопасности и потребительского качества, расположение здания на земельном участке и на территории поселения, и удостоверяющий сведения о праве собственности и основные взаимоотношения сторон (разработчик проекта, изготовитель его комплекта и потребитель).
Паспорт разрабатывается, заполняется (по нормативным параметрам безопасности и качества ДК) и оформляется (в виде брошюры с твердым переплетом) организацией (или лицом), осуществляющей проектирование конкретного здания с каркасом из ДК или его части.
Оформленный паспорт передается по акту изготовителю, который:
а) передает его с комплектом конструкций и изделий потребителю
б) заполняет паспорт на основе результатов приемки построенного задания и передает его по акту потребителю.
Потребитель завершает заполнение паспорта (при регистрации здания как объекта собственности) и осуществляет его эксплуатацию.
2 Структура паспорта
Паспорт должен включать разделы:
- введение;
- учетные сведения;
- общая характеристика здания (его части);
- параметры безопасности и качества;
- указания по строительству (монтажу) ДК;
- правила эксплуатации и обслуживания ДК;
- основные права, обязательства и ответственность сторон;
- приложения.
3 Содержание разделов паспорта
3.1 Введение
Статус и назначение паспорта; объект паспорта (типологическое наименование здания, покрытия); сведения об экспертизе (сертификации) проекта и ДК; указания по его заполнению и ведению; ссылка на настоящий стандарт или другой нормативный документ, определяющий структуру и содержание паспорта.
3.2 Учетные сведения
3.2.1 Сведения о разработчике проекта (наименование, адрес, лицензия; подписи руководителя и исполнителя; печать; дата составления; заказчик проекта).
3.2.2 Сведения об изготовителе ДК (наименование, адрес, лицензия; подпись руководителя; печать; дата заполнения; наименование документа (декларация, сертификация), подтверждающего соответствие ДК требованиям настоящего стандарта или другого нормативного документа).
При строительстве здания изготовителем его комплекта также указываются фактические параметры качества ДК - по результатам акта приемки построенного здания.
Если строительство здания осуществлено другой организацией, то указываются ее учетные сведения.
При строительстве здания самим потребителем об этом делается соответствующая запись.
3.2.3 Сведения о потребителе (владельце) здания (фамилия, имя, отчество физического лица или наименование юридического лица; адрес; сведения о регистрации прав собственности и о возможном их изменении - при продаже, дарении и т.п.).
Заполняются потребителем (владельцем) здания.
3.2.4 Сведения о страховании ДК (страховая организация, адрес, лицензия; условия страхования, номер страхового полиса; даты, подписи, печати).
Заполняются страховой организацией.
3.2.5 Другие сведения (обременения; сметная и инвентаризационная стоимость здания (комплектов ДК); переоценки. Отметки проверяющих и контролирующих органов - пожнадзора и др.).
Заполняются соответствующими организациями по мере появления сведений.
3.3 Общая характеристика здания (его части из ДК)
3.3.1 Характеристика здания из ДК (основные проектные (фасады, планы этажей) и конструктивные решения ДК; спецификация комплектов конструкций, изделий, деталей и материалов; сведения о нормативной базе (СНиПы, стандарты и др.); характеристики фундаментов).
Заполняется разработчиком проекта (с учетом наличия места для внесения сведений о возможных последующих изменениях проектно-конструктивных решений в период его эксплуатации).
3.4 Параметры безопасности и качества ДК
Излагаются в табличной форме перечни параметров безопасности и качества ДК, предусмотренные настоящим стандартом, и нормативные (проектные) значения (заполняются разработчиком проекта) и фактические значения (заполняются по результатам сдачи-приемки ДК после строительства). Могут указываться методы или особенности оценки параметров.
Приводятся сведения об условиях упаковки, маркировки, комплектации и хранения конструкций и изделий.
Заполняется разработчиком проекта с указанием сведений, вносимых на последующих стадиях существования ДК.
3.5 Указания по строительству (монтажу) ДК
Приводятся:
а) общие сведения об условиях перевозки и хранения конструкций на участке постройки;
б) меры по обеспечению безопасности при выполнении работ.
Заполняется разработчиком проекта ДК.
Сдача ДК потребителю оформляется актом в соответствии с действующими требованиями.
3.6 Правила эксплуатации и обслуживания ДК
Приводятся сведения о видах и содержании профилактических осмотров, о техническом обслуживании конструкций с указанием нормативных сроков их службы до капремонта или полной замены, содержание ремонтных работ. Выявленные неисправности (повреждения, дефекты) и работы по их устранению с указанием даты выполнения работ, фиксируются в отдельной таблице - приложении к данному разделу.
Излагаются меры по обеспечению безопасности при эксплуатации ДК и проведении осмотров, техобслуживания и ремонта.
Заполняется разработчиком проекта.
3.7 Основные права, обязательства и ответственность сторон
Указываются гарантийные обязательства изготовителя ДК и условия их выполнения (например, при соблюдении правил хранения, транспортирования, монтажа комплекта конструкций и изделий, при соблюдении правил эксплуатации и обслуживания ДК). Рекомендуемый гарантийный срок службы комплекта деревянных конструкций и изделий - не менее 10 лет.
Излагаются основные правоотношения сторон (разработчика проекта, его изготовителя и потребителя) в соответствии с действующими законодательными и нормативно-правовыми актами (Гражданский кодекс, Жилищный кодекс, Закон РФ «О защите прав потребителей» и др.).
Структура правоотношений должна четко разделять права, обязательства и ответственность сторон.
Заполняется разработчиком проекта.
3.8 Приложения
Приводятся перечни законов РФ и нормативно-правовых актов, относящихся к объекту паспортизации, и другие справочно-информационные материалы (например, перечень справочников, пособий и др.). Могут помещаться копии документов разработчика проекта и его изготовителя (лицензии, дипломы, сертификаты и др.).
|
№ п.п. |
Виды безопасности |
Меры обеспечения |
|
Основные |
||
|
1 |
Механическая |
Соблюдение действующих нормативных требований к строительным конструкциям, их соединениям и узлам при проектировании. Обеспечение точности исполнения деталей, изделий и конструкций при их изготовлении; применение предусмотренных проектом материалов; системный контроль (входной, операционный, приемочный). Соблюдение требований проекта при строительно-монтажных работах |
|
2 |
Пожарная |
Обеспечение нормативного состояния зданий, оборудования и территорий предприятия, системный его контроль. Инструктивное обеспечение потребителей ДК |
|
3 |
Промышленная |
Обеспечение условий труда персонала, нормативной защиты оборудования и транспортных средств. Инструктивное обеспечение строительно-монтажных работ |
|
4 |
Радиационная |
Исключение (при входном контроле) лесоматериалов, зараженных радионуклидами. Инструктивное обеспечение потребителей МЭЗ |
|
5 |
Экологическая |
Соблюдение действующих санитарно-гигиенических требований к жилым зданиям при проектировании. Применение в производстве ДК только разрешенных органами СЭН полимерных и синтетических материалов. Заключение об экологической ситуации на участке и в районе постройки ДКК |
|
Дополнительные |
||
|
6 |
Сейсмическая |
Специальные проектно-конструктивные решения ДК, оптимальное исключение жестких связей |
Характеристики допустимых рисков должны быть установлены при их регламентации в соответствующих технических регламентах и/или основе результатов анализа достаточного массива статистической информации по видам безопасности и стадиям существования ДК.
|
№ п.п. |
Наименование стандарта |
Шифр |
Примечания |
|
1 |
Деревянные клееные конструкции. Термины и определения |
|
Могут быть объединены в один стандарт |
|
2 |
Деревянные клееные конструкции. Общая классификация |
||
|
3 |
Деревянные клееные конструкции. Виды безопасности и их обеспечение |
||
|
4 |
Деревянные клееные конструкции. Методы оценки риска и тяжести вреда |
|
|
|
5 |
Деревянные клееные и цельнодеревянные конструкции. Методы проектирования и расчета |
СТО 36554501-002-2006 |
|
|
6 |
Деревянные клееные и цельнодеревянные конструкции. Методы испытаний на прочность и деформативность |
|
|
|
7 |
Деревянные клееные конструкции несущие. Общие технические требования |
СТО 36554501-003-2006 |
|
|
8 |
Деревянные клееные конструкции. Методы испытаний клеевых соединений при изготовлении |
СТО 36554501-004-2006 |
|
|
9 |
Деревянные клееные конструкции. Пиломатериалы. Технические требования |
|
|
|
10 |
Деревянные клееные конструкции. Пиломатериалы. Методы оценки качества и испытаний |
|
|
|
11 |
Деревянные клееные конструкции. Клеи. Технические требования |
|
|
|
12 |
Деревянные клееные конструкции. Клеи. Методы испытаний |
|
|
|
13 |
Деревянные клееные конструкции. Защитные материалы. Технические требования |
|
|
|
14 |
Деревянные клееные конструкции. Защитные материалы. Методы испытаний |
|
|
|
15 |
Деревянные клееные конструкции. Постановка на производство |
|
Могут быть объединены в один стандарт |
|
16 |
Деревянные клееные конструкции. Система контроля качества при изготовлении |
||
|
17 |
Деревянные клееные конструкции. Подтверждение соответствия (сертификация) |
|
|
|
18 |
Деревянные клееные конструкции. Оценка профессиональных знаний производственного персонала |
|
|
|
19 |
Деревянные клееные конструкции. Мониторинг |
|
|
|
Примечание - Все работы выполняются под руководством ЦНИИСК им. В.А. Кучеренко - головной организации в области нормирования и стандартизации в строительстве (письмо Росстроя № АП-4823/02 от 18.11.2005 г.). |
|||
|
Группы*** |
Общая характеристика условий эксплуатации |
Особенности учета условий эксплуатации при |
||
|
расчете конструкций** |
выборе клеев |
выборе средств защиты |
||
|
С1 (A1, A2) |
Температура (t) = 20 °С, относительная влажность воздуха φ не превышает 65 % (возможно временное превышение несколько недель в году). Этим условиям соответствует климат внутри отапливаемых зданий с сухим влажностным режимом по СНиП 23-02-2003 «Тепловая защита зданий» |
В данных условиях эксплуатации равновесная влажность древесины Wp не превышает 12 % |
Требования к водостойкости клеевых соединений не предъявляются, а к соединениям несущих конструкций должны быть предъявлены требования к расслаиванию по ГОСТ 27812. Влажность склеиваемых слоев не должна превышать 10 % |
Требования к влагозащитным и биозащитным свойствам средств не предъявляются |
|
С2 (A3) |
Температура (t) = 20 °С, относительная влажность воздуха φ не превышает 85 % (возможно временное превышение несколько недель в году) |
В данных условиях эксплуатации равновесная влажность древесины Wp не превышает 20 % |
|
|
|
С2.1 |
Этим условиям соответствует климат внутри отапливаемых зданий с нормальным влажностным режимом (φ не превышает 75 %) |
Равновесная влажность древесины Wp не превышает 15 % |
Клеи должны быть аттестованы соответственно для классов С2.1. и С2.2 по водостойкости по ГОСТ 17005, а клеевые соединения - на расслаивание по ГОСТ 27812 |
Для класса С2.1 требования к влаго- и биозащитным свойствам средств не предъявляются. Для класса С2.2 должны предъявляться требования к влаго- и биозащитным свойствам средств |
|
С2.2 |
Этим условиям соответствует климат внутри отапливаемых зданий с влажным влажностным режимом (φ не превышает 85 %) |
Равновесная влажность древесины Wp не превышает 20 % |
||
|
С3 (Б1, Б2) |
В условиях высокой естественной или искусственной влажности |
В данных условиях эксплуатации равновесная влажность древесины Wp превышает 20 % |
Клеи должны быть аттестованы соответственно для класса С3.1 по водостойкости по ГОСТ 17005, а клеевые соединения - на расслаивание по СТО 029495282-004-2006 Для классов С3.2 и С4 клеи и клеевые соединения должны быть аттестованы по самым высоким требованиям соответственно по водостойкости и на расслаивание |
Должны предъявляться повышенные требования к влагозащитным свойствам лакокрасочных покрытий, а биозащитная обработка проведена методом антисептирования |
|
С3.1 (БЗ) |
В закрытых условиях или под навесом (соответствует мокрый влажностный режим по СНиП 23-02) |
|||
|
С3.2 (В1-ВЗ) |
В условиях при непосредственных атмосферных воздействиях |
|||
|
С4 (Г1) |
В отрытых условиях при контакте с грунтом и водой |
Биозащитная обработка должна быть проведена методом консервирования |
||
|
С4.1 (Г2) |
При контакте с грунтом |
|||
|
С4.2 (Г2) |
В пресной воде |
|||
|
С4.3 |
В морской воде |
|||
|
* Представленные классы соответствуют классификации по европейским стандартам: C1, C2, С3 - соответственно классам I, II, III пo EN 386; С1 и С2.1 - классу D1 no EN 204; С2.2 - классу D2 по EN 204; С3.1 - классу D3 по EN 204; С3.2 - классу D4 по EN 204; С1 и С2.1 - классу 1 по EN 335; С2.2 - классу 2 по EN 335; С3.1 - классу 3.1 по EN 335; С3.2 - классу 3.2 по EN 335; С4.1 - классу 4.1 по EN 335; С4.2 - классу 4.2 по EN 335; С4.3 - классу 5 по EN 335. ** Учитывается коэффициентом условий работы к расчетному сопротивлению. *** В графе «Группы» в скобках даны обозначения температурно-влажностных условий эксплуатации, используемые в настоящем стандарте. А предлагаемая таблица включена в стандарт для последующей увязки стандарта с европейскими нормами. |
||||
|
Обозначение схемы |
Содержание схемы и ее исполнители |
Примечание |
|
Проект ДК |
||
|
1П |
Региональный орган Главгосэкспертизы РФ проводит экспертизу проектной документации на конкретный тип ДК, согласовывает и/или выдает заключение на проектную документацию. Заявитель - разработчик проекта ДК оформляет титульный лист проекта (указанием о согласовании проекта) и регистрирует проект ДКК |
Соответствует ст. 7 п. 3 абз. 2 Закона № 184-ФЗ, применяется до введения иного порядка подтверждения проекта техническим регламентом или решением Правительства РФ. Сведения о подтверждении соответствия проекта помещаются в паспорте ДК (его комплекта) |
|
2П |
Орган по сертификации осуществляет подтверждение соответствия проекта (в системе добровольного подтверждения соответствия), выдает сертификат соответствия, предоставляет право на применение установленного знака соответствия. Заявитель - разработчик проекта ДКК подает заявку в орган по сертификации. Представляет доказательные материалы (по программе органа по сертификации), маркирует проект знаком соответствия |
Соответствует ст. 21 Закона № 184-ФЗ, применяется при введении порядка подтверждения соответствия проектов ДК. Сведения о подтверждении соответствия проекта помещаются в паспорте ДК (его комплекта) |
|
Комплект деревянных конструкций и изделий |
||
|
1К |
Орган но сертификации осуществляет подтверждение соответствия комплекта требованиям настоящего стандарта. Выдает сертификат соответствия, предоставляет право на применение установленного знака соответствия (в системе добровольной сертификации). Заявитель - изготовитель комплекта подает заявку в орган по сертификации, представляет доказательные материалы (по программе органа по сертификации), маркирует комплект знаком соответствия. Заявитель - изготовитель комплекта регистрирует сертифицированные комплекты |
Соответствует ст. 21 Закона № 184-ФЗ. Копия сертификата прилагается к паспорту ДК (его комплекта) |
|
2К |
Заявитель - изготовитель комплекта самостоятельно формирует показательные материалы (проектная, конструкторская, технологическая и др. документация, результаты оценки комплекта на соответствие настоящему стандарту и др.), оформляет декларацию о соответствии. Федеральный орган по техническому регулированию регистрирует (в течение трех дней) декларацию о соответствии |
Соответствует ст. 24 Закона № 184-ФЗ. Копия декларации прилагается к паспорту ДК (его комплекта) |
|
3К |
Заявитель - изготовитель комплекта включает в собственные доказательные материалы дополнительно: а) протоколы испытаний (оценок) комплекта аккредитованной испытательной лабораторией (центром); б) сертификат системы качества. Оформляет декларацию о соответствии. Федеральный орган по техническому регулированию регистрирует (в течение трех дней) декларацию о соответствии |
Схема 3К применяется при ее наличии в техрегламенте на ДК или добровольно для гарантированного декларирования |
|
Здание |
||
|
1ДК |
Заявитель - изготовитель ДК формирует доказательные документы (копия лицензии, сведения о подтверждении соответствия проекта (по схеме 1П, 2П или 3К), копия акта комиссионной приемки ДК и др.), оформляет паспорт ДК, оформляет декларацию о соответствии |
Соответствует ст. 7 п. 3 абз. 2 и ст. 24 Закона № 184-ФЗ до введения техрегламента с иной схемой подтверждения соответствия |
|
Система качества |
||
|
1С |
Заявитель - изготовитель ДК подает заявку в орган по сертификации (с соответствующей областью аккредитации), формирует доказательные документы (по программе органа по сертификации), получает сертификат системы качества и права оперирования им (например, при схеме 3К). Орган по сертификации проводит сертификацию системы качества, выдает заявителю сертификат системы качества, осуществляет инспекционный контроль за системой качества |
Не исключается сертификация системы качества соответствующими международными органами по сертификации |
Ключевые слова: деревянные клееные и цельнодеревянные конструкции, клеевое соединение, прочность древесины и клеевых соединений, нормативные и расчетные характеристики материалов
|
|
|
|