//
|
|
ФЕДЕРАЛЬНОЕ АГЕНТСТВО
ЕДИНООБРАЗНЫЕ ПРЕДПИСАНИЯ, СОСТАВОВ ТРАНСПОРТНЫХ СРЕДСТВ Regulation № 55Uniform provisions concerning the approval of mechanical coupling
components
ПредисловиеЦели и принципы стандартизации в Российской Федерации установлены Федеральным законом от 27 декабря 2002 г. № 184-ФЗ «О техническом регулировании», а правила применения национальных стандартов Российской Федерации - ГОСТ Р 1.0-2004 «Стандартизация в Российской Федерации. Основные положения» Сведения о стандарте1 ПОДГОТОВЛЕН Всероссийским научно-исследовательским институтом стандартизации и сертификации в машиностроении (ВНИИНМАШ) на основе русской версии Правил ЕЭК ООН № 55, указанных в пункте 4 2 ВНЕСЕН Управлением по техническому регулированию и стандартизации Федерального агентства по техническому регулированию и метрологии 3 УТВЕРЖДЕН И ВВЕДЕН В ДЕЙСТВИЕ Приказом Федерального агентства по техническому регулированию и метрологии от 29 декабря 2005 г. № 464-ст 4 Настоящий стандарт является модифицированным по отношению к Правилам ЕЭК ООН № 55 «Единообразные предписания, касающиеся официального утверждения механических сцепных устройств составов транспортных средств» (Regulation № 55 «Uniform provisions concerning the approval of mechanical coupling components of combinations of vehicles») путем изменения его структуры. Сопоставление структуры настоящего стандарта со структурой Правил ЕЭК ООН № 55 приведено в дополнительном приложении 9. При этом из наименования стандарта исключены слова «официальное утверждение», относящиеся к процедуре подтверждения соответствия (сертификации). Термины и положения, касающиеся процедур сертификации, не предусмотрены ГОСТ Р 1.5-2004 и, в соответствии с Федеральным законом № 184-ФЗ «О техническом регулировании», могут быть применены только в технических регламентах. По этой же причине отдельные фразы и слова, относящиеся к процедуре сертификации, заменены на фразы и слова, относящиеся к испытаниям. Такие фразы и слова выделены курсивом. В стандарт введен раздел «Нормативные ссылки», предусмотренный ГОСТ Р 1.5-2004 и выделенный курсивом. В стандарт не включены разделы и приложения, относящиеся к процедуре сертификации или относящиеся к международному порядку применения Правил ЕЭК ООН 5 ВЗАМЕН ГОСТ Р 41.55-99 (Правила ЕЭК ООН № 55) Информация об изменениях к настоящему стандарту публикуется в ежегодно издаваемом информационном указателе «Национальные стандарты», а текст изменений и поправок - в ежемесячно издаваемых информационных указателях «Национальные стандарты». В случае пересмотра (замены) или отмены настоящего стандарта соответствующее уведомление будет опубликовано в ежемесячно издаваемом информационном указателе «Национальные стандарты». Соответствующая информация, уведомление и тексты размещаются также в информационной системе общего пользования - на официальном сайте Федерального агентства по техническому регулированию и метрологии в сети Интернет СодержаниеГОСТ Р 41.55-2005 (Правила ЕЭК ООН № 55) НАЦИОНАЛЬНЫЙ СТАНДАРТ РОССИЙСКОЙ ФЕДЕРАЦИИЕДИНООБРАЗНЫЕ ПРЕДПИСАНИЯ, КАСАЮЩИЕСЯ СОСТАВОВ ТРАНСПОРТНЫХ СРЕДСТВ Дата введения - 2006-07-01 1 Область применения1.1 Настоящий стандарт устанавливает требования, которым должны соответствовать механические сцепные устройства (далее - сцепные устройства) и их элементы, для того чтобы в международном масштабе их можно было рассматривать в качестве взаимно совместимых. 1.2 Настоящий стандарт применяют к сцепным устройствам механических транспортных средств и прицепов (далее - ТС), предназначенным для использования: 1.2.1 в составе ТС1); 1.2.2 в качестве ТС с полуприцепом1) с учетом того, что вертикальная нагрузка от прицепа на буксирующее ТС не должна превышать 200 кН. 1.3 Настоящий стандарт применяют к: 1.3.1 стандартным сцепным устройствам и их элементам, определенным в 2.3; 1.3.2 нестандартным сцепным устройствам и их элементам, определенным в 2.4; 1.3.3 нестандартным неоднородным сцепным устройствам и их элементам, определенным в 2.5. ________ 1) В значении, определенном в Конвенции о дорожном движении (Вена, 1968 г.), перечисления t) и u) статьи 1 [1]. 1а Нормативные ссылкиВ настоящем стандарте использованы нормативные ссылки на следующие стандарты: ГОСТ Р 41.13-99 (Правила ЕЭК ООН № 13) Единообразные предписания, касающиеся официального утверждения транспортных средств категорий М, N и О в отношении торможения (IDТ) ГОСТ Р 41.14-2003 (Правила ЕЭК ООН № 14) Единообразные предписания, касающиеся сертификации транспортных средств в отношении приспособлений для крепления ремней безопасности (MOD) ГОСТ Р ИСО 7641-1-93 Дорожные транспортные средства. Караваны и легкие прицепы. Расчет механической прочности стального дышла (ИСО 7641-1-93 «Транспорт дорожный. Жилые и легкие прицепы. Расчет механической прочности сцепного устройства. Часть 1 .Стальные сцепные устройства», IDТ) ГОСТ Р 52051-2003 Механические транспортные средства и прицепы. Классификация и определения (Приложение 7 к Сводной резолюции о конструкции транспортных средств TRANS/WP.29/78/Rev.1 NEQ; Директива ЕС 2002/24) «Требования к сертификации мототранспортных средств», NEQ) Примечание - При использовании настоящим стандартом целесообразно проверить действие ссылочных стандартов в информационной системе общего пользования - на официальном сайте Федерального агентства по техническому регулированию и метрологии в сети Интернет или по ежегодно издаваемому информационному указателю «Национальные стандарты», который опубликован по состоянию на 1 января текущего года, и по соответствующим ежемесячно издаваемым информационным указателям, опубликованным в текущем году. Если ссылочный стандарт заменен (изменен), то при пользовании настоящим стандартом следует руководствоваться замененным (измененным) стандартом. Если ссылочный стандарт отменен без замены, то положение, в котором дана ссылка на него, применяется в части, не затрагивающей эту ссылку. 2 Термины, определения и обозначенияВ настоящем стандарте применены следующие термины с соответствующими определениями: 2.1 механические сцепные устройства и их элементы (mechanical coupling devices and components): Все детали на раме несущих элементов кузова и ходовой части ТС, с помощью которых буксирующее и буксируемое ТС соединяют для использования их в качестве состава ТС или ТС с прицепом. К ним относятся стационарные или съемные части, необходимые для крепления или эксплуатации механического сцепного устройства или его элемента. 2.2 Требование об автоматической сцепке считают выполненным, если достаточно подать назад тягач навстречу прицепу, чтобы сцепное устройство сработало полностью, произошла его автоматическая блокировка и контрольный сигнал надлежащего срабатывания включился без какого-либо внешнего воздействия. В случае сцепных устройств типа «крюк-петля» требование об автоматической сцепке считают выполненным, если после зацепления проушины тягового стержня за крюк открытие и закрытие блокирующего приспособления сцепного устройства происходят без какого-либо внешнего воздействия. 2.3 Стандартные механические сцепные устройства и их элементы удовлетворяют стандартным габаритным размерам и другим параметрам, приведенным в настоящем стандарте. Они взаимозаменяемы в рамках своего класса независимо от требований предприятия-изготовителя. 2.4 Нестандартные механические сцепные устройства и их элементы не во всех отношениях удовлетворяют стандартным габаритным размерам и другим параметрам, приведенным в настоящем стандарте, однако могут быть соединены со стандартными сцепными устройствами и их элементами соответствующего класса. 2.5 Нестандартные неоднородные механические сцепные устройства и их элементы не соответствуют стандартным габаритным размерам и другим параметрам, приведенным в настоящем стандарте, и не могут быть соединены со стандартными сцепными устройствами и их элементами. К их числу относятся, например, такие устройства, не соответствующие ни одному из классов А - L и Т, перечисленных в 2.6, как устройства, предназначенные для специальных ТС большой грузоподъемности и неоднородные устройства, отвечающие национальным стандартам. 2.6 Механические сцепные устройства и их элементы подразделяют на следующие классы:
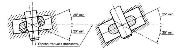
Сцепные тяги могут крепиться шарнирно, для того чтобы они могли свободно двигаться в вертикальной плоскости, не передавая какой-либо вертикальной нагрузки, или крепиться в вертикальной плоскости таким образом, чтобы выдерживать вертикальную нагрузку (жесткие сцепные тяги). Жесткие сцепные тяги могут крепиться жестко посредством либо жесткого либо эластичного соединения. Сцепные тяги могут включать в себя более одного элемента и могут быть регулируемыми либо коленчатыми. Настоящий стандарт применяют к сцепным тягам, являющимся отдельными, а не конструктивными элементами шасси буксируемого ТС.
2.7 Направляющие клинья представляют собой приспособления или их элементы, которые монтируют на полуприцепах и которые позволяют принудительно управлять положением прицепа по отношению к седельно-сцепному устройству. 2.8 Системы дистанционного управления представляют собой приспособления и элементы, которые позволяют управлять сцепным устройством с боковой стороны ТС или из кабины ТС. 2.9 Дистанционные индикаторы представляют собой приспособления и элементы, подающие сигнал в кабину ТС об осуществлении сцепки и включении блокирующих приспособлений. 2.10 тип сцепного устройства или его элемента (type of coupling device or component): Устройство или его элемент, не имеющий(ее) существенных различий в отношении: 2.10.1 торгового знака или торговой марки предприятия-изготовителя или поставщика; 2.10.2 класса сцепного устройства по 2.6; 2.10.3 внешней формы, основных габаритных размеров или существенных различий в конструкции, в т.ч. в использованных материалах; 2.10.4 параметров, определенных в 2.11. 2.11 Параметры D, Dc, S, V и U определяют либо обозначают следующим образом: 2.11.1 D или Dc - это теоретическое исходное значение горизонтальных сил, действующих между тягачом и прицепом, используемое в качестве основы для определения горизонтальных нагрузок в процессе динамических испытаний. Для механических сцепных устройств и их элементов, не предназначенных для восприятия вертикальных нагрузок, значение D, кН, составляет:
Для механических сцепных устройств и их элементов, предназначенных для прицепа с центрально расположенной осью, определение которого приведено в 2.13, это значение Dc, кН, составляет:
Для седельно-сцепных устройств класса G, шкворней седельно-сцепных устройств класса Н и установочных плит класса J, определение которых приведено в 2.6, это значение D, кН, составляет:
где Т - технически допустимая максимальная масса тягача, т. В соответствующих случаях данный показатель включает в себя вертикальную нагрузку, передаваемую прицепом с центрально расположенной осью1); R - технически допустимая максимальная масса прицепа с дышлом или полуприцепа, т; С - масса, т, передаваемая на грунт осью или осями прицепа с центрально расположенной осью (определение которого приведено в 2.13), когда он сцеплен с тягачом и загружен до технически допустимой максимальной массы2). В случае прицепов с центрально расположенной осью2) категорий О1 и О2 массу, т, указывает предприятие-изготовитель тягача; __________ 1)Массы Т и R, а также технически допустимая максимальная масса комбинации тягача и прицепа могут превышать допустимую максимальную массу, предписанную национальным законодательством. g - ускорение свободного падения (9,81 м/с2); U - нагрузка (см. 2.11.2), т. 2.11.2 U - вертикальная нагрузка в тоннах, передаваемая на седельно-сцепное устройство полуприцепом, имеющим технически допустимую максимальную массу. 2.11.3 S - вертикальная нагрузка в килограммах, передаваемая в статических условиях на сцепное устройство прицепом с центрально расположенной осью (см. 2.13), имеющим технически допустимую максимальную массу2). ________ 2)В соответствии с определениями, приведенными в ГОСТ Р 41.13 и ГОСТ Р 52051. 2.11.4 V - теоретическое исходное значение амплитуды вертикальной силы, с которой на седельно-сцепное устройство воздействует прицеп с центрально расположенной осью, технически допустимая максимальная масса которого превышает 3,5 т. Значение V используют в качестве основы для определения вертикальных сил в ходе динамических испытаний.
где α - эквивалент вертикального ускорения сцепного устройства в зависимости от типа системы подвески задней оси тягача. Для пневматической подвески (или систем подвески с эквивалентными амортизационными характеристиками) α = 1,8 м/с2. Для подвески других типов α = 2,4 м/с2; X - длина погрузочной поверхности прицепа, м (рисунок 1); L - расстояние от центра проушины сцепной тяги до центра оси (до середины расстояния между осями), м (рисунок 1). Примечание
- Отношение
Рисунок 1 - Габаритные размеры прицепа с центрально расположенной осью 2.12 Условные обозначения и определения, использованные в приложении 7: AV - максимальная допустимая масса, приходящаяся на управляемую ось, т; С - масса прицепа с центрально расположенной осью, т (см. 2.11.1); D - горизонтальная сила, кН (см. 2.11.1); Dc - горизонтальная сила для прицепов с центрально расположенной осью, кН (см. 2.11.1); R - масса буксируемого ТС, т (см. 2.11.1); T - масса тягача, т (см. 2.11.1); Fa - статическая подъемная сила, кН; Fh- горизонтальная составляющая испытательной силы в продольной оси ТС, кН; Fs - вертикальная составляющая испытательной силы, кН; S - статическая вертикальная нагрузка, кг; U - нагрузка, передаваемая вертикально на седельно-сцепное устройство, т; V - амплитуда вертикальной силы, кН (см. 2.11.4); а - коэффициент эквивалентного вертикального ускорения в точке сцепки прицепов с центрально расположенной осью, зависящий от типа подвески задней(их) оси (осей) тягача (см. 2.11.4); е - продольное расстояние между точкой сцепки шаровых наконечников сцепного устройства, которые могут быть демонтированы, и вертикальной плоскостью точек крепления, мм (рисунки 20с - 20f); f - расстояние по вертикали между точкой сцепки шаровых наконечников, которые могут быть демонтированы, и горизонтальной плоскостью точек крепления, мм (рисунки 20с - 20f); g - ускорение свободного падения (9,81 м/с2); L - теоретическая длина сцепной тяги от центра ее проушины до центра оси (до середины расстояния между осями), м; X - длина погрузочной поверхности прицепа с центрально расположенной осью, м. Подстрочные индексы: О - максимальная испытательная сила; U- минимальная испытательная сила; а - статическая сила; h - горизонтальная сила; р - пульсирующая сила; res - результирующая сила; s - вертикальная сила; w - переменно действующая сила. 2.13 прицеп с центрально расположенной осью (centre axle trailer): Прицеп с центральной осью, оборудованный буксирным устройством, которое не может перемещаться вертикально (по отношению к прицепу) и ось(и) которого расположена(ы) вблизи центра масс ТС (при равномерной загрузке), так что на буксирующее ТС передается только незначительная статическая вертикальная нагрузка, не превышающая либо 10 % соответствующей максимальной массы прицепа, либо 10 кН (в зависимости от того, какое из этих значений меньше). Под максимальной массой, которую необходимо учитывать при классификации полуприцепа или прицепа с центральной осью, понимают массу, соответствующую статической вертикальной нагрузке, передаваемой на опорную поверхность полуприцепом или прицепом с центральной осью, несущим максимальную нагрузку, при наличии соединения с буксирующим ТС. 2.14 принудительное механическое запирание (positive mechanical engagement): Свойство, обеспечиваемое конструкцией и формой механического сцепного устройства и его элементов, исключающее возможность открытия или расцепления под воздействием любых сил или составляющих сил, которым механическое сцепное устройство подвергается в процессе обычной эксплуатации или испытания. 2.15 тип ТС (vehicle type): ТС, не имеющие существенных различий в отношении следующих характеристик: конструкции, габаритных размеров, формы и материалов в местах крепления механического сцепного устройства или его элементов. Это касается как тягача, так и прицепа. 3 Заявка на испытания механического сцепного устройства или его элемента3.1 Заявку на испытания представляет предприятие-изготовитель или его уполномоченный представитель. 3.2 Для каждого типа механического сцепного устройства или его элемента заявку сопровождают информацией в соответствии с приложением 1. 3.3 Значения параметров D, Dc, S, V, U (cм. 2.11) должны по меньшей мере равняться значениям, применяемым в случае максимальных допустимых масс тягача, прицепа и состава ТС. 3.4 Ограниченные типы ТС, на которых сцепные устройства могут быть смонтированы, - см. в разделе 4 приложения 3 и пункте 3.4 приложения 6. 3.5 Также представляют один образец и (по требованию испытательной лаборатории) несколько дополнительных образцов. 3.6 Все образцы должны быть представлены в пригодном для использования виде с окончательно обработанной поверхностью. Если окончательная обработка поверхности предусматривает нанесение краски или эпоксидного защитного покрытия методом спекания, то это требование следует исключить. 3.7 В случае механического сцепного устройства или его элемента, предназначенного для ТС конкретного типа, предприятие - изготовитель устройства или его элемента представляет также данные об их установке, определенные предприятием - изготовителем ТС. Испытательная лаборатория может также потребовать представить ТС данного типа. 4 Общие требования к механическим сцепным устройствам или их элементам4.1 Каждый образец должен соответствовать техническим требованиям относительно габаритных размеров и прочности, приведенным в приложениях 6 и 7. После проведения испытаний, указанных в приложении 7, не должно быть никаких трещин, разрывов или любых чрезмерных остаточных деформаций, которые негативно сказывались бы на функционировании устройства или его элементов. 4.2 Все детали механического сцепного устройства или его элементов, повреждение которых может привести к отсоединению буксирующего ТС от прицепа, должны быть изготовлены из стали. Другие материалы могут быть использованы при условии, что предприятие-изготовитель докажет испытательной лаборатории эквивалентность характеристик применяемых материалов. 4.3 Механические сцепные устройства или их элементы должны быть безопасными в эксплуатации, а сцепка и расцепка должны быть осуществимы одним человеком без использования специальных инструментов. За исключением сцепных устройств класса Т, для сцепки прицепов, максимальная допустимая масса которых превышает 3,5 т, допускаются автоматические сцепные устройства. 4.4 Механические сцепные устройства или их элементы должны быть разработаны и изготовлены таким образом, чтобы при обычной эксплуатации, а также надлежащем обслуживании и замене изнашивающихся деталей они продолжали удовлетворительно функционировать и сохраняли характеристики, предписанные настоящим стандартом. 4.5 Все механические сцепные устройства или их элементы должны быть разработаны таким образом, чтобы они обеспечивали принудительное механическое запирание, а в закрытом положении блокировались по меньшей мере одним дополнительным механическим приспособлением, если не предусмотрено других требований в приложении 6. В качестве альтернативы может быть предусмотрено не менее двух отдельных приспособлений, обеспечивающих работоспособность механического сцепного устройства, причем конструкция каждого из приспособлений должна позволять принудительное механическое запирание. Каждое приспособление должно быть испытано индивидуально на соответствие любым требованиям, приведенным в приложении 7. Принудительное механическое запирание определено в 2.14. Сила сжатия пружины может быть использована только для закрытия механического сцепного устройства и предотвращения воздействия вибрации, приводящей к перемещению элементов устройства в положение, при котором они могут открыться или разблокироваться. Несрабатывание или отсутствие какой-либо одной пружины не должно приводить к открытию или разблокированию всего механического сцепного устройства. 4.6 К любому механическому сцепному устройству или его элементу должны быть приложены инструкции по монтажу и эксплуатации, содержащие достаточную информацию для любого компетентного лица относительно их правильной установки на ТС и надлежащей эксплуатации (см. также приложение 8). В случае механических сцепных устройств и их элементов, поставляемых для установки предприятием-изготовителем ТС или кузова (надстройки) в качестве оригинального оборудования, инструкции по монтажу можно не прилагать, однако предприятие - изготовитель ТС или кузова (надстройки) несет ответственность за предоставление пользователю ТС необходимых инструкций, касающихся правильной эксплуатации сцепного устройства или его элемента. 4.7 В случае механических сцепных устройств или их элементов класса А или S (если это применимо), сконструированных для использования с прицепами, максимальная допустимая масса которых не превышает 3,5 т, и изготовляемых предприятиями, не связанными с предприятиями-изготовителями ТС, а также предназначенных для установки в качестве запасных частей, высота и другие монтажные характеристики механического сцепного устройства должны во всех случаях быть проверены испытательной лабораторией в соответствии с разделом 1 приложения 8. В случае механических сцепных устройств или их элементов классов S и Т, предназначенных для ТС большой грузоподъемности и других нестандартных ТС, применяют предписания приложений 6-8, касающиеся наиболее подходящих стандартных и нестандартных механических сцепных устройств и их элементов. 5 Заявка на испытания транспортного средства, оснащенного механическим сцепным устройством или его элементом5.1 В тех случаях, когда предприятие - изготовитель ТС направляет заявку на испытания ТС, оснащенного механическим сцепным устройством или его элементом, или санкционирует использование ТС для буксировки прицепа любого вида, указанное предприятие должно по просьбе испытательной лаборатории предоставить последней информацию, необходимую предприятию - изготовителю сцепного устройства или его элемента для надлежащей разработки и изготовления механического сцепного устройства или его элемента для данного ТС. По просьбе добросовестного заявителя возможных испытаний типа механического сцепного устройства или его элемента испытательная лаборатория предоставляет такому заявителю любую соответствующую информацию, приведенную в приложениях 2 и 4. 5.2 Заявку на испытания типа ТС в отношении установки механического сцепного устройства или его элемента представляет предприятие-изготовитель ТС или его уполномоченный представитель в соответствии с приложением 2. 5.3 Значения параметров D, Dc, S, V, U (см. 2.11) должны по меньшей мере равняться значениям, применяемым в случае максимальных допустимых масс тягача, прицепа и состава ТС. 5.4 ТС, представляющее тип, подлежащий испытаниям, и оснащенное механическим сцепным устройством, предъявляют испытательной лаборатории, которая может также запросить дополнительные образцы механического сцепного устройства или его элемента. 5.5 ТС, не имеющее всех элементов, предусмотренных для данного типа, может быть принято при условии, если податель заявки в состоянии доказать испытательной лаборатории, что отсутствие этих элементов никоим образом не влияет на результаты проверки в части требований, предусмотренных настоящим стандартом. 6 Общие требования к транспортным средствам, оснащенным механическим сцепным устройством или его элементом6.1 Механические сцепные устройства или их элементы, установленные на ТС, испытывают в соответствии с предписаниями разделов 3 и 4, а также приложений 6 и 7. 6.2 Установка механического сцепного устройства или его элемента должна соответствовать предписаниям приложения 8 6.3 К механическому сцепному устройству или его элементу должно быть приложено руководство по эксплуатации, содержащее любые особые инструкции в отношении эксплуатации, которые отличаются от обычных требований, касающихся данного типа сцепного устройства или его элемента, а также инструкции относительно сцепки и расцепки в различных рабочих режимах, например если тягач и буксируемое ТС находятся под различными углами друг к другу. Руководство по эксплуатации прилагают к каждому ТС и составляют по меньшей мере на языке страны, в которой это ТС предполагается реализовать. 7 Маркировка7.1 На механических сцепных устройствах и их элементах, представляемых на испытания, должно быть проставлено торговое название или товарный знак предприятия-изготовителя. 7.2 Место расположения торгового названия или товарного знака должно быть обозначено на чертежах. 7.3 На механическом сцепном устройстве или его элементе должны быть указаны класс сцепного устройства согласно 2.6 и соответствующие значения параметров по 2.11, приведенные в приложении 5. Местонахождение этой маркировки должно быть указано на чертежах. Параметры можно не указывать в случаях, если их значения определены в классификации согласно 2.11, например классы А50-1 - А50-5. 7.4 Если механическое сцепное устройство или его элемент испытаны с альтернативными значениями параметров в рамках одного класса, то на устройстве или его элементе могут быть указаны максимум две альтернативные величины. 7.5 Если существуют какие-либо ограничения на использование механического сцепного устройства или его элемента, например если они не предназначены для эксплуатации с направляющими клиньями, то на данное устройство или его элемент должна быть нанесена отметка о таком ограничении. 8 Соответствие требованиям настоящего стандарта8.1 Если образец(цы) типа механического сцепного устройства или его элемента, представленный(е) на испытания, удовлетворяет(ют) требованиям раздела 4, то данный тип механического сцепного устройства или его элемента считают соответствующим требованиям настоящего стандарта. 8.1.1 В протоколе испытаний или в приложении к нему должна быть приведена информация в соответствии с приложением 3. 8.2 Если образец(цы) типа механического сцепного устройства или его элемента, установленный(е) на ТС, представленный(е) на испытания, удовлетворяет(ют) требованиям раздела 6, то данный тип ТС считают соответствующим требованиям настоящего стандарта. 8.2.1 В протоколе испытаний или в приложении к нему должна быть приведена информация в соответствии с приложением 4. 9 Изменение типа механического сцепного устройства или его элемента или транспортного средства9.1 Испытательная лаборатория на основании анализа информации об изменении конструкции механического сцепного устройства или его элемента, или ТС, определенного в 2.10, представленной предприятием-изготовителем, может: 9.1.1 или прийти к заключению, что внесенные изменения не будут иметь значительных отрицательных последствий и что в любом случае данное устройство, элемент или ТС по-прежнему удовлетворяет требованиям настоящего стандарта; 9.1.2 или потребовать проведения дополнительных испытаний. Приложение
1
| ||||||||||||||||||||||||||||||||||||||||||||||||||||||||||||||||||||||||||||||||||||||||||||||||||||||||||||||||||||||||||||||||||||||||||||||||||||||||||||||||||||||||||||||||||||||||||||||||||||||||||||||||||||||||||||||||||||||||||||||||||||||||||||||||||||||||||||||||||||||||||||||||||||||||||||||||||||||||||||||||||||||||||||||||||||||||||||||||||||||||||||||||||||||||||||||||||||||||||||||||||||||||||||||||||||||||||||||||||||||||||||||||||||||||||||||||||||||||||||||||||||||||||||||||||||||||||||||||||||||||||||||||||||||||||||||||||||||||||||||||||||||||||||||||||||||||||||||||||||||||||||||||||||||||||||||||||||||||||||||||||||||||||||||||||||||||||||||||||||||||||||||||||||||||||||||||||||||||||||||||||||||||||||||||||||||||||||||||||||||||||||||||||||||||||||||||||||||||||||||||||||||||||||||||||||||||||||||||||||||||||||||||||||||||||||||||||||||||||||||||||||||||||||||||||||||||||||||||||||
|
0 Общее 0.1 Марка (торговое название изготовителя)_____________________________________ 0.2 Тип______________________________________________________________________ 0.5 Наименование и адрес изготовителя__________________________________________ 0.7 В случае компонентов и отдельных технических узлов - расположение и метод простановки знака соответствия_________________________________________________ 0.8 Адрес(а) сборочного(ых) завода(ов)___________________________________________ 11 Соединения между буксирующими ТС и прицепами или полуприцепами 11.1 Детальное техническое описание (в т.ч. рисунки и материальные спецификации) типа механического сцепного устройства__________________________________________ 11.2 Класс и тип сцепного устройства/устройств, установленного/(ых) или предназначенного для установки___________________________________________________ 11.3 Максимальное значение D1) ___________________________________кН 11.4 Максимальная вертикальная нагрузка S1) ________________________кг 11.5 Максимальная нагрузка U1) ____________________________________m 11.6 Максимальное значение V1) ____________________________________кН 11.7 Инструкции по установке сцепного устройства на ТС и фотографии или чертежи точек крепления на ТС, представленном изготовителем; дополнительная информация в том случае, если использование сцепных устройств ограничено отдельными типами ТС _____________________________________________________________________________ 11.8 Информация об установке специальных буксирных кронштейнов или установочных плит1)_______________________________________________________________________ _______ 1) если применимо
|
|
0 Общее 0.1 Марка (торговое название изготовителя)______________________________________ 0.2 Тип_______________________________________________________________________ 0.3 Средства идентификации типа в том случае, если они обозначены на ТС1)_________ _______________________________________________________________________________ 0.3.1 Расположение этих обозначений____________________________________________ 0.4 Категория ТС2)____________________________________________________________ 0.5 Наименование и адрес изготовителя__________________________________________ 0.8 Адрес(а) сборочного(ых) завода(ов)___________________________________________ 1 Общие конструктивные характеристики ТС 1.1 Фотографии и/или чертежи репрезентативного ТС____________________________ 1.4 Шасси (при наличии) - общий чертеж_________________________________________ 1.5 Материал, используемый для лонжеронов рамы3)_______________________________ 2 Масса и размеры (кг, мм) - в соответствующих случаях, со ссылками на чертежи 2.2 В случае седельных тягачей: 2.2.1 Смещение седельно-сцепного устройства4)___________________________________ 2.2.2 Максимальная высота сцепного устройства (стандартизованная)5)______________ 2.4.2 Для шасси с кузовом: 2.4.2.5 Задний свес6)___________________________________________________________ 2.6 Масса ТС с кузовом, в том числе сцепного устройства в случае тягача иного, чем категории M1, в снаряженном состоянии, или масса шасси/шасси с кабиной без кузова и/или сцепного устройства в случае, если изготовитель не устанавливает кузов и/или сцепное устройство (в том числе массы жидкости, инструментов, запасного колеса, водителя и сопровождающего (75 кг) при наличии сиденья сопровождающего в салоне)7) (максимальное и минимальное значения для каждой модификации__________________________________ _______________________________________________________________________________ 2.6.1 Распределение этой массы между осями и в случае полуприцепа или одноосного прицепа - нагрузка на сцепное устройство (максимальное и минимальное значения для каждой модификации)____________________________________________________________ _______________________________________________________________________________ 2.8 Технически допустимая масса ТС с нагрузкой, указанная изготовителем (максимальное и минимальное значения для каждой модификации)_____________________ _______________________________________________________________________________ 2.8.1 Распределение этой массы между осями и в случае полуприцепа или одноосного прицепа - нагрузка на сцепное устройство (максимальное и минимальное значения для каждой модификации)____________________________________________________________ _______________________________________________________________________________ 2.9 Максимальная технически допустимая нагрузка на каждую ось___________________ 2.10 Максимальная технически допустимая масса буксируемого: 2.10.1 Полного прицепа_________________________________________________________ 2.10.2 Полуприцепа____________________________________________________________ 2.10.3 Прицепа с центрально-расположенной осью_________________________________ 2.10.3.1 Максимальное отношение свеса сцепного устройства8) к колесной базе________ _______________________________________________________________________________ 2.10.4 Максимальная масса комбинации__________________________________________ 2.10.5 Максимальная масса прицепа без тормозов__________________________________ 2.11 Максимальная вертикальная нагрузка________________________________________ 2.11.1 На сцепное устройство буксирующего ТС __________________________________ 2.11.2 На дышло прицепа_______________________________________________________ 9 Кузов 9.1 Тип кузова________________________________________________________________ 9.2 Используемые материалы и метод изготовления________________________________ 11 Соединения между буксирующими ТС и прицепами или полуприцепами 11.1 Класс и тип сцепного устройства(в), установленного(ых) или предназначенного для установки______________________________________________________________________ 11.2 Максимальное значение D ______________________________________________, кН 11.3 Инструкции по установке сцепного устройства на ТС и фотографии или чертежи точек крепления на ТС, представленном изготовителем; дополнительная информация в том случае, если использование сцепных устройств ограничено отдельными типами ТС____________________________________________________________________________ 11.4 Информация об установке специальных буксирных кронштейнов или установочных плит9)__________________________________________________________________________ __________ 1) Если средства идентификации типа содержат символы, не требуемые для идентификации ТС, компонента или отдельного технического узла, охватываемого данным техническим описанием, то такие символы должны быть отмечены в документации вопросительным знаком (например, АВС??123??...). 2) Классификация в соответствии с определениями, приведенными в ГОСТ Р 52051. 3) Указать: - марку материала, - предел прочности на разрыв, - удлинение (в процентах), - твердость по Бринеллю. 4) ИСО 612 [2], определение 6.4. 5) ИСО 612 [2], определение 6.20. 6) ИСО 612 [2], определение 6.7. 7) Массу водителя принимают равной 75 кг (из расчета: 68 кг - масса водителя, 7 кг - масса личных вещей), топливный бак считают заполненным на 90 %, а другие емкости, содержащие жидкости (за исключением использованной воды), - на 100% вместимости, определенной изготовителем. 8) Свес сцепного устройства определяют как расстояние по горизонтали между сцепными устройством одноосного прицепа и осевой линией задней оси. 9) Если правильно.
|
|
1 Краткое описание |
||
|
1.1 Тип и класс устройства или его элемента |
||
|
1.2 Значения параметров |
||
|
1.2.1 Основные значения |
||
|
D____________________кН |
Dc___________________кН |
S_____________________кг |
|
U____________________т |
V____________________кН |
|
|
Альтернативные значения: |
||
|
D_____________________кН |
Dc____________________кН |
S______________________кг |
|
U_____________________т |
V____________________кН |
|
|
1.3 Для механических сцепных устройств или их элементов класса А, в т.ч. тяговых кронштейнов: |
||
|
Максимальная допустимая масса ТС, указанная предприятием-изготовителем ТС ______кг |
||
|
Распределение максимальной допустимой массы ТС между осями ___________________кг |
||
|
Максимальная допустимая масса прицепа, указанная предприятием-изготовителем ТС_______________________________________кг |
||
|
Максимальная допустимая статическая нагрузка, приходящаяся на шаровой наконечник сцепного устройства, указанная предприятием-изготовителем ТС ____________________кг |
||
|
Максимальная масса ТС с кузовом в рабочем состоянии, в т.ч. охлаждающей жидкости, масла, топлива, инструментов и запасного колеса (если оно предусмотрено), без учета массы водителя ________________________кг |
||
|
Груженое состояние для измерения высоты буксирной шаровой опоры ТС категории М1 (см. раздел 2 дополнения 1 к приложению 8) |
||
|
2 Инструкции, касающиеся крепления сцепного устройства или его элемента данного типа на ТС, и фотографии или чертежи точек крепления, указанных предприятием-изготовителем ТС___________________________________ |
||
|
3 Информация об установке любых особых усиливающих кронштейнов или пластин, или распорных элементов, необходимых для крепления сцепного устройства или его элемента______________________________________ |
||
|
4 Дополнительная информация, если использование сцепного устройства или его элемента ограничивается ТС особых типов (3.4 приложения 6)_________________________________ |
||
|
5 Для сцепного устройства типа «крюк-петля» класса К подробная информация о проушинах сцепной тяги, пригодных для использования с крюком особого типа________________________________________________ |
||
|
6 Место проставления маркировки_________________________________________________ |
||
|
1 Максимальная допустимая масса ТС ____________________________________________кг |
||
|
Распределение максимальной допустимой массы ТС между осями ____________________кг |
||
|
Максимальная допустимая масса прицепа _________________________________________кг |
||
|
Максимальная допустимая статическая вертикальная нагрузка, приходящаяся на шаровой наконечник сцепного устройства _________________________________________________кг |
||
|
Максимальная масса ТС с кузовом в рабочем состоянии, в т.ч. охлаждающей жидкости, масла, топлива, инструментов и запасного колеса (если оно предусмотрено), без учета массы водителя ______________________________________________________________________кг |
||
|
D_____________________кН |
Dc____________________кН |
S______________________кг |
|
U_____________________т |
V_____________________кН |
|
|
2 Инструкции, касающиеся крепления сцепного устройства или его элемента данного типа на ТС, и фотографии или чертежи точек крепления___________________________________ |
||
|
3 Информация об установке любых особых усиливающих кронштейнов или пластин или распорных элементов, необходимых для крепления сцепного устройства или его элемента________________________________________________________________________ |
||
|
4 Торговое название или товарный знак механического сцепного устройства или его элемента________________________________________________________________________ |
||
|
5 Класс сцепного устройства или его элемента_______________________________________ |
||
|
6 Место проставления маркировки_________________________________________________ |
||
1 На всех механических сцепных устройствах или их элементах должен быть указан класс устройства или его элемента. Кроме того, на них должна быть нанесена маркировка, указывающая функциональные возможности этих устройств и элементов с точки зрения параметров, определенных в 2.11 настоящего стандарта.
1.1 Характеристические значения, применимые к каждому устройству или его элементу, на которые должна быть нанесена маркировка, указаны в приведенной ниже таблице (см. также 7.3 настоящего стандарта)
Таблица 5.1 - Соответствующие характеристические значения, которые должны быть проставлены на сцепных устройствах или их элементах
|
Описание механического сцепного устройства или его элемента |
Соответствующие характеристические значения, которые должны быть проставлены |
|||||
|
Класс |
D |
Dc |
S |
U |
V |
|
|
Шаровые наконечники и тяговые кронштейны (раздел 1 приложения 6) |
+ |
+ |
- |
+ |
- |
- |
|
Сцепные головки |
+ |
+ |
- |
+ |
- |
- |
|
Соединительные фланцы сцепной тяги |
+ |
+ |
+ |
+ |
- |
+ |
|
Проушины сцепной тяги |
+ |
+ |
+ |
+ |
- |
+ |
|
Сцепные тяги |
+ |
+ |
+ |
+ |
- |
+ |
|
Тяговые брусы |
+ |
+ |
+ |
+ |
- |
+ |
|
Седельно-сцепные устройства |
+ |
+ |
- |
- |
+ |
- |
|
Шкворни седельно-сцепных устройств |
+ |
+ |
- |
- |
- |
- |
|
Установочные плиты седельно-сцепных устройств |
+ |
+ |
- |
- |
+ |
- |
|
Сцепные устройства типа «крюк-петля» |
+ |
+ |
+ |
+ |
- |
+ |
Примеры
Маркировкой С50-Х D130 Dc90 S1000 V35 идентифицируют нестандартный соединительный фланец сцепной тяги класса С50-Х с минимальным значением D = 130 кН, максимальным допустимым значением Dc = 90 кН, максимальной допустимой статической вертикальной нагрузкой 1000 кг и максимальным допустимым значением V = 35 кН.
Маркировкой A50-X D20 S120 идентифицируют стандартный тяговый кронштейн с шаровым наконечником класса А50-Х с максимальным значением D = 20 кH и максимальной допустимой статической вертикальной нагрузкой 120 кг.
Ко всем шаровым наконечникам и тяговым кронштейнам класса А применяют предписания 1.1-1.5. В 1.6 содержится подробная информация о дополнительных требованиях, которым должны соответствовать стандартные шаровые наконечники диаметром 50 мм с болтовыми креплениями фланцевого типа.
1.1 Внешняя форма и наружные размеры шаровых наконечников класса А должны соответствовать рисунку 2.

_______________
1) Соединительный радиус между шаровым наконечником и шейкой должен быть направлен по касательной как к шейке, так и к нижней горизонтальной поверхности шарового наконечника.
Рисунок 2 - Шаровой наконечник класса А
1.2 Форма и размеры тяговых кронштейнов должны соответствовать требованиям предприятия-изготовителя ТС относительно точек крепления и, при необходимости, дополнительных монтажных приспособлений или деталей.
1.3 Съемные шаровые наконечники
1.3.1 В случае съемных шаровых наконечников или их элементов, которые не крепятся болтами, например класса А50-Х, точка соединения и блокирующее приспособление должны быть рассчитаны на принудительное механическое запирание.
1.3.2 В случае съемного шарового наконечника или его элемента, который может быть испытан отдельно для использования с разнообразными тяговыми кронштейнами при различных видах эксплуатации ТС, например класса ASO-X, свободное пространство, предусмотренное для установки шарового наконечника на тяговом кронштейне, должно соответствовать предписаниям, приведенным на рисунке 25 приложения 8.
1.4 Шаровые наконечники и тяговые кронштейны должны выдерживать испытания, указанные в 3.1 приложения 7.
1.5 Предприятия-изготовители тяговых кронштейнов должны предусматривать точки крепления либо аварийных сцепных устройств, либо приспособлений, позволяющих автоматически остановить прицеп в случае расцепления основного сцепного устройства. Соблюдение данного требования необходимо для обеспечения соответствия ТС предписаниям 5.2.2.9 ГОСТ Р 41.13.
1.5.1 Точки крепления аварийного сцепного устройства и/или подстраховочного троса располагают таким образом, чтобы в процессе эксплуатации аварийное сцепное устройство и/или подстраховочный трос не ограничивали обычного угла отклонения сцепного устройства и не препятствовали нормальному функционированию системы инерционного торможения.
Если предусмотрена лишь одна точка крепления, то она должна быть расположена в пределах 100 мм от вертикальной плоскости, проходящей через центр сочленения сцепного устройства. Если на практике это невозможно, то должны быть предусмотрены две точки крепления - по одной с обеих сторон от вертикальной геометрической оси, которые находились бы на равном расстоянии (не более 250 мм) от этой оси. Точка(и) крепления должна(ы) находиться сзади - как можно дальше и выше.
1.6 Особые требования к стандартным шаровым наконечникам и тяговым кронштейнам с креплением фланцевого типа классов А50-1 - А50-5
1.6.1 Размеры шаровых наконечников и тяговых кронштейнов с креплениями фланцевого типа класса А50-1 должны соответствовать предписаниям, приведенным на рисунке 3 и в таблице 6.1.
1.6.2 Размеры шаровых наконечников и тяговых кронштейнов с креплениями фланцевого типа классов А50-2 - А50-5 должны соответствовать предписаниям, приведенным на рисунке 4 и в таблице 6.1.
1.6.3 Шаровые наконечники и тяговые кронштейны с креплениями фланцевого типа классов А50-1 - А50-5 должны быть рассчитаны на значения параметров, приведенные в таблице 6.2, и испытаны на предмет их соответствия этим значениям.

Рисунок 3 - Размеры стандартных фланцевых шаровых наконечников класса А50-1 (см. таблицу 6.1)

Рисунок 4 - Размеры стандартных фланцевых шаровых наконечников классов А50-2 - А50-5
(см. таблицу 6.1)
Таблица 6.1 - Размеры стандартных фланцевых шаровых наконечников (см. рисунки 3 и 4)
В миллиметрах
|
Размер и предельное отклонение |
Класс |
||
|
А50-1 |
А50-2, А50-4 |
А50-3, А50-5 |
|
|
е1 ± 0,5 |
90 |
83 |
120 |
|
е2 ± 0,5 |
- |
56 |
55 |
|
d2 по Н13 |
17 |
10,5 |
15 |
|
f + 6,0 |
130 |
110 |
155 |
|
g + 6,0 |
50 |
85 |
90 |
|
c, не более |
15 |
15 |
15 |
|
l ± 0,5 |
55 |
110 |
120 |
|
h ± 0,5 |
70 |
80 |
80 |
Таблица 6.2 - Характеристические значения параметров для стандартных фланцевых шаровых наконечников
|
Параметр |
Класс |
||||
|
А50-1 |
А50-2 |
А50-3 |
А50-4 |
А50-5 |
|
|
D1), кН |
17 |
20 |
30 |
20 |
30 |
|
S2), кг |
120 |
120 |
120 |
150 |
150 |
|
1)Максимальное значение. 2)Максимальная статическая вертикальная наука |
|||||
1.7 Предприятия - изготовители шаровых наконечников и тяговых кронштейнов, предназначенных для установки в качестве запасных частей, которые не имеют никакого отношения к предприятиям - изготовителям соответствующих ТС, должны быть осведомлены о требованиях относительно угла отклонения сцепного устройства, приведенных в разделе 2, и должны соблюдать соответствующие предписания приложения 8.
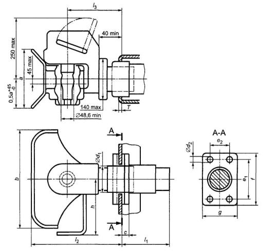
2.1 Сцепные головки класса В50 должны быть разработаны таким образом, чтобы они могли быть безопасно использованы вместе с шаровыми наконечниками, указанными в разделе 1, и, следовательно, имели предписанные характеристики.
Сцепные головки должны быть разработаны таким образом, чтобы была обеспечена безопасная сцепка даже с учетом износа сцепных устройств.
2.2 Сцепные головки должны выдерживать испытания, предусмотренные в 3.2 приложения 7.
2.3 Дополнительные устройства (например, торможения, стабилизации и т.д.) не должны оказывать никакого неблагоприятного воздействия на механическое соединение.
2.4 Когда сцепная головка не прикреплена к ТС, угол ее поворота в горизонтальной плоскости должен составлять по меньшей мере 90° в обе стороны от геометрической оси шарового наконечника и креплений, описанных в разделе 1. Одновременно должен быть обеспечен ее свободный поворот вертикальной плоскости на 20° вверх и вниз по отношению к горизонтали. Кроме того, в той же горизонтальной плоскости поворота на 90° должно быть обеспечено качание относительно горизонтальной оси на 25° в обоих направлениях. При всех углах горизонтального поворота должны быть обеспечены следующие углы отклонения:
а) вертикальный поворот ± 15° с качанием относительно горизонтальной оси ± 25°;
б) качание относительно горизонтальной оси ± 10° с вертикальным поворотом ± 20°.
Ко всем соединительным фланцам сцепной тяги класса С50 применяют требования 3.1-3.6. Дополнительные требования, которым должны соответствовать стандартные соединительные фланцы сцепной тяги классов С50-1 - С50-6, изложены в 3.7.
3.1 Требования к рабочим характеристикам: все соединительные фланцы сцепной тяги должны выдерживать испытания, указанные в 3.3 приложения 7.
3.2 Совместимые проушины сцепной тяги: соединительные фланцы сцепной тяги класса С50 должны быть совместимыми со всеми проушинами сцепной тяги класса D50 и со сцепными устройствами, имеющими предписанные характеристики.
3.3 Захват
Соединительные фланцы класса С50 должны иметь захват, конструкция которого позволяла бы обеспечивать сцепку с соответствующей проушиной сцепной тяги.
Если захват либо опорная часть захвата может поворачиваться вокруг вертикальной оси, то она(он) должна(ен) автоматически приводиться в нормальное положение с открытым шкворнем и надежно удерживаться в этом положении для осуществления надлежащей сцепки с проушиной сцепной тяги.
Если захват или поддерживающая часть захвата может поворачиваться вокруг горизонтальной поперечной оси, то шарнир, допускающий такой поворот, должен фиксироваться в своем нормальном положении крутящим моментом, возникающим при блокировке устройства. Крутящий момент должен быть достаточным для того, чтобы усилие 200 Н, воздействующее вертикально вверх на верхнюю часть захвата, не могло изменить нормального положения шарнира. Крутящий момент, возникающий при блокировке устройства, должен превышать крутящий момент, имеющий место при приведении в действие ручного рычага, описанного в 3.6. Конструкцией должна быть предусмотрена возможность возвращения захвата в его нормальное положение вручную. Захват, поворачивающийся вокруг горизонтальной поперечной оси, может быть испытан только в отношении вертикальных опорных нагрузок S до 50 кг и значения V до 5 кН.
Если захват или поддерживающая часть захвата, на которую он опирается, поворачивается вокруг продольной оси, то ее (его) поворот должен блокироваться крутящим моментом не менее 100 Н м.
Минимальные габаритные размеры захвата зависят от значения D сцепного устройства:
- при D ≤ 18 кН - ширина 150 мм, высота 100 мм;
- при D > 18 кН и D ≤ 25 кН - ширина 280 мм, высота 170 мм;
- при D > 25 кН - ширина 360 мм, высота 200 мм.
Внешние углы захвата могут быть закруглены.
В случае соединительных фланцев класса С50-Х допускаются захваты меньших размеров, если:
- их использование ограничивается прицепами с центрально расположенной осью, максимальная допустимая масса которых составляет до 3,5 т;
- технически невозможно использовать захваты, указанные выше;
- имеются особые способы, например визуальные, для контроля безопасной автоматической сцепки;
- сфера их применения ограничивается испытаниями с учетом информации, приведенной предприятием - изготовителем сцепного устройства, указанной в приложении 3.
3.4 Минимальные углы отклонения сцепленной проушины сцепной тяги
Углы отклонения проушины, сцепленной с соединительным фланцем, но не установленной на ТС, должны соответствовать указанным в 3.4.1. Если угол отклонения отчасти регулируется особым ограничителем (только соединительные фланцы сцепной тяги класса С50-Х), то сфера применения, указанная в приложении 3, должна ограничиваться случаями, описанными в 1.3.8 приложения 8. Минимальные углы отклонения:
3.4.1 ±90° по горизонтали вокруг вертикальной оси по отношению к продольной оси ТС (см. рисунок 5);

Рисунок 5 - Поворот сцепленной проушины сцепной тяги по горизонтали
3.4.2 ±20° по вертикали вокруг поперечной оси в горизонтальной плоскости ТС (см. рисунок 6);

Рисунок 6 - Поворот сцепленной проушины сцепной тяги по вертикали
3.4.3 осевой поворот на ±25° вокруг продольной оси в горизонтальной плоскости ТС (см. рисунок 7).

Рисунок 7 - Поворот сцепленной проушины сцепной тяги вокруг оси
3.5 Блокировка для предотвращения непреднамеренной расцепки
В закрытом положении шкворень сцепного устройства блокируется двумя приспособлениями, обеспечивающими эффективное механическое запирание, причем одно из них обязательно должно сработать.
Закрытое и заблокированное положение сцепного устройства должно быть четко идентифицировано с внешней стороны с помощью механического приспособления. Конструкцией должна быть предусмотрена возможность проверки положения индикатора на ощупь.
Механический индикатор должен указывать на запертое положение обоих блокирующих приспособлений (условие «И»).
Вместе с тем в данной ситуации достаточно указать запертое положение только одного блокирующего приспособления, если срабатывание второго приспособления предусмотрено самой конструкцией.
Рукоятки должны быть со скругленными гранями и сконструированными таким образом, чтобы ими можно было удобно пользоваться. Сцепное устройство не должно иметь заостренных краев или оконечностей поблизости от рычага, которые могли бы привести к травмам при эксплуатации сцепного устройства. Необходимое для расцепки усилие, измеряемое без проушины сцепной тяги вдоль рабочей оси и действующее перпендикулярно к рычагу, не должно превышать 250 Н.
3.7 Особые требования к стандартным соединительным фланцам сцепной тяги классов С50-1 - С50-6
3.7.1 Поворот проушины сцепной тяги вокруг поперечной оси должен быть обеспечен сферической формой шкворня сцепного устройства (а не с помощью шарнира).
3.7.2 Растягивающие и сжимающие ударные нагрузки вдоль продольной оси, вызываемые зазором между штырем сцепного устройства и проушиной сцепной тяги, должны смягчаться пружинными устройствами и/или демпферами (кроме класса С50-1).
3.7.3 Размеры должны соответствовать предписаниям, приведенным на рисунке 8 и в таблице 6.3.
3.7.4 Соединительные фланцы должны удовлетворять параметрам, приведенным в таблице 6.4, и должны быть испытаны на соответствие этим значениям.
3.7.5 Сцепное устройство должно открываться с помощью рычага вручную.

Рисунок 8 - Размеры стандартных соединительных фланцев сцепных тяг
Таблица 6.3 - Размеры стандартных соединительных фланцев сцепных тяг (см. рисунок 8)
В миллиметрах
|
Размер и предельное отклонение |
Класс |
|||||
|
С50-1 |
С50-2 |
С50-3 |
С50-4 |
С50-5 |
С50-6 С50-7 |
|
|
е1 ± 0,5 |
83 |
83 |
120 |
140 |
160 |
160 |
|
е2 ± 0,5 |
56 |
56 |
55 |
80 |
100 |
100 |
|
d1 не более |
- |
54 |
74 |
84 |
94 |
94 |
|
d2 по Н13 |
10,5 |
10,5 |
15 |
17 |
21 |
21 |
|
f + 6,0 |
110 |
110 |
155 |
180 |
200 |
200 |
|
g ± 3,0 |
85 |
85 |
90 |
120 |
140 |
140 |
|
а + 20,0 |
100 |
170 |
200 |
200 |
200 |
200 |
|
b + 20,0 |
150 |
280 |
360 |
360 |
360 |
360 |
|
с, не более |
20 |
20 |
24 |
30 |
30 |
30 |
|
h, не более |
150 |
190 |
265 |
265 |
265 |
265 |
|
l1, не более |
- |
150 |
250 |
300 |
300 |
300 |
|
l2, не более |
150 |
300 |
330 |
330 |
330 |
330 |
|
l3±20,0 |
100 |
160 |
180 |
180 |
180 |
180 |
|
T, не более |
- |
15 |
20 |
35 |
35 |
35 |
Таблица 6.4 - Значения характеристических параметров для стандартных соединительных фланцев сцепной тяги
|
Параметр |
Класс |
||||||
|
С50-1 |
С50-2 |
С50-3 |
С50-4 |
С50-5 |
С50-6 |
С50-7 |
|
|
D, кН |
18 |
25 |
70 |
100 |
130 |
190 |
190 |
|
Dc, кН |
18 |
25 |
50 |
70 |
90 |
120 |
130 |
|
S, кг |
200 |
250 |
650 |
900 |
1000 |
1000 |
1000 |
|
V, кН |
12 |
10 |
18 |
25 |
35 |
50 |
75 |
|
Примечание - D - максимальное значение; Dc - максимальное значение для прицепа с: центрально расположенной осью; S - максимальная статическая вертикальная нагрузка на соединительный фланец; V - максимальное значение. |
|||||||
4.1 Общие требования к проушинам сцепных тяг класса D50
Все проушины должны выдерживать испытания, указанные в 3.4 приложения 7.
Проушины предназначены для использования с соединительными фланцами сцепной тяги класса С50. Конструкция должна исключать возможность проворачивания проушин сцепных тяг вокруг своей оси (поскольку в этом случае могут проворачиваться соответствующие соединительные фланцы).
Если проушины устанавливают с втулками, то размеры втулок должны соответствовать указанным на рисунке 9 (не допускается для класса D50-C) или 10.
Втулки не должны быть соединены с проушинами сцепных тяг сваркой.
Размеры проушин должны соответствовать указанным в 4.2. Проушины не должны обязательно иметь цилиндрическую форму, однако на длине 210 мм от центра проушины значения высоты h и ширины b должны находиться в пределах, указанных в таблице 6.5.

Рисунок 9 - Втулка с прорезью для проушин сцепных тяг класса D50

Рисунок 10 - Втулка без прорези для проушин сцепных тяг класса D50-C
Таблица 6.5 - Размеры проушин сцепных тяг классов D50-A и D50-X (см. рисунок 11)
В миллиметрах
|
Размер |
Класс |
|
|
D50-A |
D50-X |
|
|
h |
|
Не более 80 |
|
b |
|
Не более 62 |
Таблица 6.6 - Характеристические значения параметров для стандартных проушин сцепных тяг
|
Параметр |
Класс |
|||
|
D50-A |
D50-B |
D50-C |
D50-D |
|
|
D, кН |
130 |
130 |
190 |
190 |
|
Dc, кH |
90 |
90 |
120 |
130 |
|
S, кг |
1000 |
1000 |
1000 |
1000 |
|
V, кН |
30 |
25 |
50 |
75 |
4.2 Особые требования к проушинам сцепных тяг класса D50
4.2.1 Размеры проушин сцепных тяг классов D50-A и D50-Х должны соответствовать указанным на рисунке 11.

Рисунок 11 - Размеры проушин сцепных тяг классов D50-A и D50-X (см. таблицу 6.5)
4.2.2 Размеры проушин сцепных тяг класса D50-B должны соответствовать указанным на рисунке 12.

Рисунок 12 - Размеры проушин сцепных тяг класса D50-B
Примечание - Другие размеры см. на рисунке 11.
4.2.3 Проушины сцепных тяг классов D50-C и D50-D (размеры см. на рисунке 13) должны быть установлены с втулками без прорези, показанными на рисунке 10.

___________
(1)80 max в случае проушин сцепной тяги класса D50-D.
Рисунок 13 - Размеры проушин сцепных тяг классов D50-C и D50-D
Примечание - Другие размеры см. на рисунке 11.
4.3 Значение нагрузки для стандартных проушин сцепных тяг
Стандартные проушины сцепных тяг и средства их крепления, нагрузка на которые должна соответствовать указанной в таблице 6.6, должны быть подвергнуты испытаниям на предмет этого соответствия.
4.4 Общие требования к тороидальным проушинам сцепных тяг класса L
4.4.1 Тороидальные проушины сцепных тяг класса L предназначены для использования со сцепными устройствами типа «крюк-петля» класса К.
4.4.2 При использовании со сцепным устройством типа «крюк-петля» проушины должны соответствовать требованиям относительно угла отклонения, приведенным в 10.2.
4.4.3 Размеры проушин должны соответствовать указанным на рисунке 14 и в таблице 6.7,

Рисунок 14 - Размеры тороидальных проушин сцепных тяг класса L (см. таблицу 6.7)
4.4.4 Проушины должны выдерживать испытания, указанные в 3.4 приложения 7, и соответствовать значениям параметров, приведенным в таблице 6.8.
Таблица 6.7 - Размеры тороидальных проушин сцепных тяг класса L (см. рисунок 14)
В миллиметрах
|
Размер |
Класс |
||||
|
L1 |
L2 |
L3 |
L4 |
L5 |
|
|
а |
68 + 1,6 |
76,2 ± 0,8 |
76,2 ± 0,8 |
76,2 ±0,8 |
68 ±1,6 |
|
b ± 0,8 |
41,2 |
41,2 |
41,2 |
41,2 |
41,2 |
|
с, не менее |
70 |
65 |
65 |
65 |
70 |
Таблица 6.8 - Характеристические значения параметров для тороидальных проушин сцепных тяг класса L
|
Параметр |
Класс |
||||
|
L1 |
L2 |
L3 |
L4 |
L5 |
|
|
D, кН |
30 |
70 |
100 |
130 |
180 |
|
Dс, кН |
27 |
54 |
70 |
90 |
120 |
|
S, кг |
200 |
700 |
950 |
1000 |
1000 |
|
V, кН |
12 |
18 |
25 |
35 |
50 |
5.1 Сцепные тяги класса Е должны выдерживать испытания, предписанные в 3.3 приложения 7.
5.2 Для обеспечения соединения с тягачом сцепные тяги могут быть установлены либо со сцепными головками, указанными в разделе 2, либо с проушинами, указанными в разделе 4. Сцепные головки и проушины сцепных тяг можно крепить с помощью винтов, болтов или сваркой.
5.3 Устройства регулирования высоты шарнирных сцепных тяг
5.3.1 Шарнирные сцепные тяги устанавливают с устройствами регулирования сцепной тяги по высоте сцепного устройства или захвата (далее - устройства). Конструкция этих устройств должна допускать регулирование высоты сцепной тяги вручную без использования инструментов или любых других средств.
5.3.2 Устройства должны позволять поднимать/опускать проушины сцепной тяги или шаровые наконечники по меньшей мере на 300 мм. В этом диапазоне сцепная тяга должна быть регулируемой плавно либо ступенями не более 50 мм, измеряемыми у проушины сцепной тяги или у шарового наконечника.
5.3.3 Устройства не должны препятствовать свободному движению сцепной тяги после сцепки.
5.3.4 Устройства не должны препятствовать функционированию системы инерционного торможения, если она имеется.
5.4 В случае сцепных тяг, объединенных с системой инерционного торможения, расстояние между центром и цилиндрической частью проушины сцепной тяги должно составлять при торможении не менее 200 мм. При полном входе цилиндрической части в проушину это расстояние должно составлять не менее 150 мм.
5.5 Момент сопротивления сцепных тяг, предназначенных для использования на прицепах с центрально расположенной осью в боковом направлении, должен составлять не менее половины момента сопротивления в вертикальном направлении.
6.1 Тяговые брусы класса F должны выдерживать испытания, предписанные в 3.3 приложения 7.
6.2 Отверстия для монтажа стандартных соединительных фланцев сцепной тяги класса С должны быть выполнены, как показано на рисунке 15 и в таблице 6.9.
6.3 Тяговые брусы не должны быть приварены непосредственно к шасси, кузову или какой-либо иной части ТС.

Рисунок 15 - Монтажные размеры стандартных соединительных фланцев сцепных тяг (см. таблицу 6.9)
Таблица 6.9 - Монтажные размеры стандартных соединительных фланцев сцепных тяг
|
Размер и предельное отклонение |
Класс |
|||||
|
С50-1 |
С50-2 |
С50-3 |
С50-4 |
С50-5 |
С50-6 С50-7 |
|
|
е1 ± 0,5 |
83 |
83 |
120 |
140 |
160 |
160 |
|
е2 ± 0,5 |
56 |
56 |
55 |
80 |
100 |
100 |
|
|
- |
55 |
75 |
85 |
95 |
95 |
|
d2 по Н13 |
10,5 |
10,5 |
15 |
17 |
21 |
21 |
|
Т, не более |
- |
15 |
20 |
35 |
35 |
35 |
|
F, не менее |
120 |
120 |
165 |
190 |
210 |
210 |
|
G, не менее |
95 |
95 |
100 |
130 |
150 |
150 |
|
L1, не менее |
- |
200 |
300 |
400 |
400 |
400 |
7 Седельно-сцепные устройства и направляющие клинья
Предписания 7.1-7.7 применяют в отношении всех седельно-сцепных устройств класса G50.
Дополнительные требования, которым должны соответствовать стандартные сцепные устройства, приведены в 7.9.
Направляющие клинья должны соответствовать требованиям 7.8.
7.1 Шкворни седельно-сцепных устройств
Седельно-сцепные устройства класса G50 должны быть сконструированы таким образом, чтобы их можно было использовать со шкворнями класса Н50 и чтобы в этом соединении они удовлетворяли установленным требованиям.
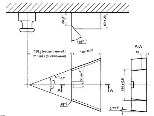
7.2 Направляющие приспособления
Седельно-сцепные устройства должны быть оснащены направляющим приспособлением, обеспечивающим безопасное и правильное запирание шкворня. Ширина входного отверстия направляющего приспособления в случае стандартных седельно-сцепных устройств диаметром 50 мм должна составлять по меньшей мере 350 мм (см. рисунок 16).
В случае небольших нестандартных седельно-сцепных устройств класса G50-X, у которых максимальное значение D составляет 25 кН, входное отверстие должно быть шириной по меньшей мере 250 мм.
_____________
(1) Для использования направляющих клиньев измеряют исходный размер k = (137 ± 3) мм на расстоянии 32 мм ниже верхней поверхности и на расстоянии 200 мм от поперечной геометрической оси сцепного устройства.
(2) Угол входа 40о+1°должен быть выдержан на расстоянии не менее 360 мм от поперечной геометрической оси сцепного устройства. Ширина входного отверстия не менее 350 мм может быть обеспечена за пределами этого расстояния увеличением угла входа до 120°, как показано пунктиром.
(3) Могут быть использованы овальные монтажные отверстия (23 ± 2)·17+2 мм или круглые монтажные отверстия диаметром 17+2 мм.
(4) При овальных или круглых монтажных отверстиях диаметром более 18 мм должны быть использованы шайбы диаметром 40 мм и толщиной 6 мм либо иные средства эквивалентной прочности, например плоские стальные пластины.
Рисунок 16 - Размеры стандартных седельно-сцепных устройств (см. таблицу 6.10)
Рисунок 16а - Допустимые отклонения для монтажных отверстий установочных плит седельно-сцепных устройств класса J (см. 9.1)
Таблица 6.10 - Размеры стандартных седельно-сцепных устройств (см. рисунок 16)
|
Размер |
Класс |
|||||
|
G50-1 |
G50-2 |
G50-3 |
G50-4 |
G50-5 |
G50-6 |
|
|
Н, мм |
140-159 |
160-179 |
180-199 |
200-219 |
220-239 |
240-260 |
7.3 Минимальные углы отклонения седельно-сцепного устройства
Если шкворень введен в зацепление с седельно-сцепным устройством, не закрепленным на ТС или на установочной плите, с учетом последующего болтового крепления сцепное устройство должно допускать одновременное отклонение на следующие минимальные углы:
7.3.1 ±90° вокруг вертикальной оси (не касается седельно-сцепных устройств с принудительным управлением);
7.3.2 ±12° вокруг горизонтальной оси, перпендикулярной к направлению движения. В условиях бездорожья этот угол может быть превышен.
7.3.3 Допускается качание относительно оси до ±3°.Однако в случае максимальных отклонений седельно-сцепного устройства допускается превышение этого угла при условии, что блокирующий механизм позволяет ограничить поворот не более чем до +3°.
7.4 Блокирующие приспособления, предотвращающие расцепление седельно-сцепных устройств
Седельно-сцепное устройство должно блокироваться в зацепленном положении двумя надежными механическими блокирующими приспособлениями, причем при несрабатывании одного из них обязательно должно срабатывать другое.
Основное блокирующее приспособление должно функционировать автоматически, а аварийное может быть автоматическим либо включаемым вручную. Конструкция аварийного приспособления может предусматривать его функционирование вместе с основным и обеспечивать дополнительную эффективную механическую блокировку помимо основного приспособления. Возможность включения аварийного приспособления должна быть предусмотрена только после надлежащего включения основного.
Конструкция должна исключать возможность самопроизвольного разблокирования блокирующих приспособлений. Для их разблокирования водитель или оператор ТС должен предпринять соответствующие преднамеренные действия.
Закрытое и заблокированное положение сцепного устройства должно быть четко определено визуально с помощью соответствующего механического приспособления, при этом конструкцией должна быть предусмотрена возможность проверки положения индикатора на ощупь, например в темное время суток. Индикатор должен указывать на включение как основного, так и аварийного блокирующего приспособления, однако в том случае, если одновременное срабатывание аварийного приспособления предусмотрено уже самой конструкцией, достаточно указать на включение только одного из них.
7.5 Рабочие органы или механизмы отключения
Конструкция должна исключать возможность непреднамеренного или случайного срабатывания рабочих органов или механизмов отключения, когда они находятся в закрытом положении. Блокирующая система должна быть такой, чтобы разблокировать сцепное устройство можно было только с помощью целенаправленных осознанных действий.
7.6 Окончательная обработка поверхности
Поверхности соединительных пластины и стопора должны в целом удовлетворять функциональным требованиям, должны быть изготовлены методом ковки или штамповки и подвергнуты тщательной обработке.
7.7 Требования в отношении нагрузки
Все седельно-сцепные устройства должны выдерживать испытания, описанные в 3.7 приложения 7.
7.8.1 Размеры направляющих клиньев, предназначенных для принудительного управления положением полуприцепа, должны соответствовать указанным на рисунке 17.

_____________
(1) Относится только к направляющим клиньям толщиной более 60 мм.
(2) Только для рабочей поверхности; длина же самих направляющих клиньев может быть большей.
Рисунок 17 - Размеры направляющих клиньев на пружинной опоре
7.8.2 Направляющий клин должен обеспечивать безопасную и правильную сцепку и иметь пружинную опору. Усилие пружины должно быть таким, чтобы можно было осуществить сцепку с порожним прицепом и чтобы при полной загрузке прицепа направляющий клин в процессе эксплуатации плотно прилегал к рабочей поверхности сцепного устройства. Конструкцией должна быть предусмотрена возможность расцепления седельно-сцепного устройства в случае как груженого, так и порожнего прицепа.
7.9 Особые требования к стандартным седельно-сцепным устройствам
7.9.1 Размеры устройств должны соответствовать указанным на рисунке 16 и в таблице 6.10.
7.9.2 Устройства должны выдерживать испытания на соответствие значениям D = 150 кН и U = 20 т.
7.9.3 Разблокирование должно быть обеспечено рычагом, находящимся непосредственно на сцепном устройстве.
7.9.4 Устройства должны быть пригодными для принудительного управления полуприцепами с помощью направляющих клиньев (см. 7.8).
8 Шкворни седельно-сцепных устройств
Размеры шкворней седельно-сцепных устройств класса Н50 [3] должны соответствовать указанным на рисунке 18.
Шкворни должны выдерживать испытания, описанные в 3.9 приложения 7.

Рисунок 18 - Размеры шкворней седельно-сцепных устройств класса Н50
(Поправка. ИУС 10-2007)
9.1 Расположение круглых монтажных отверстий установочных плит седельно-сцепных устройств класса J должно соответствовать показанному на рисунке 16а, если эти плиты предусмотрены для стандартных седельно-сцепных устройств. Однако диаметр монтажных отверстий должен составлять 17+2 мм. Отверстия должны быть круглыми, а не овальными (см. рисунке 16а).
9.2 Установочные плиты стандартных седельно-сцепных устройств должны быть пригодными для принудительного управления полуприцепами (с направляющими клиньями). Установочные плиты нестандартных седельно-сцепных устройств, которые непригодны для принудительного управления полуприцепами, должны иметь соответствующую маркировку.
9.3 Установочные плиты седельно-сцепных устройств должны выдерживать испытания, описанные в 3.8 приложения 7.
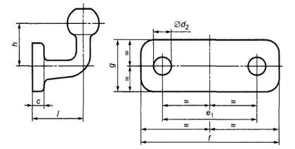
10 Сцепные устройства типа «крюк-петля»
10.1 Общие требования к сцепным устройствам типа «крюк-петля» класса К
10.1.1 Все сцепные устройства должны выдерживать испытания, указанные в 3.5 приложения 7, и соответствовать параметрам, приведенным в таблице 6.12.
10.1.2 Размеры сцепных устройств должны соответствовать указанным на рисунке 19 и в таблице 6.11. Устройства классов К1 - К4, которые являются неавтоматическими, используют только на прицепах максимальной допустимой массой не более 3,5 т. Устройства классов К1 – К3 являются автоматическими.

Рисунок 19 - Размеры и углы отклонения сцепных устройств типа «крюк-петля» класса К
10.1.3 Сцепные устройства должны быть использованы только с тороидальной проушиной сцепной тяги. При применении сцепного устройства класса К с тороидальной проушиной сцепной тяги класса L углы отклонения этого устройства должны соответствовать указанным в 10.2.
10.1.4 Сцепное устройство должно быть использовано с тороидальной проушиной, обеспечивающей, если устройство новое, минимальный зазор или свободное перемещение 3 мм и максимальный зазор 5 мм. Надлежащие проушины сцепных тяг должны быть указаны предприятием - изготовителем сцепного устройства при проведении испытаний и в сопроводительной документации.
10.2 Предельные углы отклонения сцепных устройств класса К, используемых с тороидальной проушиной класса L, но не установленных на ТС, должны быть следующими (см. также рисунок 19) в каждой из координатных плоскостей:
10.2.1 ±90° по горизонтали вокруг вертикальной оси устройства;
10.2.2 ±40° по вертикали вокруг горизонтальной поперечной оси устройства;
10.2.3 осевое вращение на ±20° вокруг горизонтальной продольной геометрической оси устройства.
10.3 Конструкция захвата автоматических сцепных устройств должна быть такой, чтобы проушина сцепной тяги была направлена в сцепное устройство.
10.4 Блокировка для предотвращения непреднамеренного расцепления
Сцепное устройство в закрытом положении должно блокироваться двумя блокирующими приспособлениями, обеспечивающими принудительное механическое запирание, причем при несрабатывании одного из них должно эффективно срабатывать другое.
Закрытое и заблокированное положение сцепного устройства должно быть четко определено с внешней стороны с помощью соответствующего механического приспособления. Конструкцией должна быть предусмотрена возможность проверки положения индикатора на ощупь, например в темное время суток.
Механический индикатор должен указывать на включение обоих блокирующих приспособлений (условие «И»).
Однако в том случае, если одновременное срабатывание второго блокирующего приспособления уже предусмотрено конструкцией, достаточно указать на включение только одного приспособления.
10.5 Рукоятки
Рукоятки должны иметь скругленные грани и быть сконструированы таким образом, чтобы ими можно было удобно пользоваться. Сцепное устройство не должно иметь заостренных краев или оконечностей поблизости от рычага, которые могли бы привести к травме в процессе эксплуатации устройства. Необходимое для расцепления усилие воздействия, измеряемое без проушины сцепной тяги по направлению воздействия перпендикулярно к рычагу, не должно превышать 250 Н.
Таблица 6.11 - Размеры сцепных устройств типа «крюк-петля» класса К (см рисунок 19)
|
Размер и предельное отклонение |
Класс |
||||||
К1 |
К2 |
К3 |
К4 |
КА1 |
КА2 |
КА3 |
|
|
е1 ± 0,5 |
- |
83 |
83 |
120 |
120 |
140 |
160 |
|
е2 ± 0,5 |
- |
56 |
56 |
55 |
55 |
80 |
100 |
|
е3 ± 0,5 |
90 |
- |
- |
- |
- |
- |
- |
|
d2, по Н13 |
17 |
10,5 |
10,5 |
15 |
15 |
17 |
21 |
|
с, не менее |
3 |
3 |
3 |
3 |
3 |
3 |
3 |
|
f не более |
130 |
175 |
175 |
180 |
180 |
200 |
200 |
|
g, не более |
100 |
100 |
100 |
120 |
120 |
140 |
200 |
|
a + 1,6 |
45 |
45 |
45 |
45 |
45 |
45 |
45 |
|
L1 не более |
120 |
120 |
120 |
120 |
250 |
300 |
300 |
|
L2, не более |
74 |
74 |
63 |
74 |
90 |
90 |
90 |
|
L3 не более |
110 |
130 |
130 |
150 |
150 |
200 |
200 |
Таблица 6.12 - Значения характеристических параметров сцепных устройств типа «крюк-петля» класса К
|
Параметр |
Класс |
||||||
|
К1 |
К2 |
К3 |
К4 |
КА1 |
КА2 |
КА3 |
|
|
D, кН |
17 |
20 |
20 |
25 |
70 |
100 |
130 |
|
Dc, кН |
- |
- |
17 |
20 |
54 |
70 |
90 |
|
S, кг |
120 |
120 |
200 |
250 |
700 |
900 |
1000 |
|
V, кН |
- |
- |
10 |
10 |
18 |
25 |
35 |
11 Специализированные сцепные устройства дышлового типа класса Т
11.1 Специализированные сцепные устройства предназначены для использования на конкретных составах ТС, например на тягачах, перевозящих легковые автомобили. Эти ТС имеют особую конструкцию, поэтому сцепные устройства могут быть установлены в особых и нетрадиционных местах.
11.2 Использование сцепных устройств должно быть ограничено прицепами с центрально расположенной осью. Это ограничение должно быть указано в сопроводительной документации.
11.3 Сцепные устройства можно эксплуатировать только в качестве согласованной пары, при этом конструкцией должно быть обеспечено отделение сцепного устройства только с помощью инструментов, которые обычно имеются не на ТС, а в мастерской.
11.4 Сцепные устройства не должны быть автоматическими.
11.5 Сцепные устройства должны отвечать соответствующим требованиям, касающимся испытаний, которые приведены в 3.3 приложения 7, кроме требований 3.3.4.
11.6 Когда сцепное устройство в сборе не установлено на ТС, должны быть обеспечены его повороты в том же положении, в каком оно обычно установлено на ТС, на следующие минимальные предельные углы отклонения сцепных устройств в каждой из координатных плоскостей:
11.6.1 ±90° по горизонтали вокруг вертикальной оси;
11.6.2 ±8° по вертикали вокруг горизонтальной поперечной оси;
11.6.3 осевое вращение на ±3° вокруг горизонтальной продольной оси.
12 Дистанционные индикаторы и устройства дистанционного управления
12.1 Общие требования
Использование дистанционных индикаторов и устройств дистанционного управления допускается только на автоматических сцепных устройствах классов С50-Х и G50-X.
Индикаторы и устройства не должны препятствовать минимальному свободному перемещению сцепленной проушины сцепной тяги или сцепленного полуприцепа. Они должны быть стационарно установлены на ТС.
На все индикаторы или устройства распространяются предписания, касающиеся испытания сцепных устройств вместе со всеми элементами рабочих органов и передаточных приспособлений.
12.2 Дистанционная индикация
12.2.1 В случае автоматической сцепки дистанционные индикаторы должны указывать световым сигналом на закрытое и заблокированное двумя блокирующими приспособлениями положение сцепного устройства в соответствии с 12.2.2. Кроме того, открытое положение может быть указано в соответствии с предписаниями 12.2.3.
Включение и отключение дистанционного индикатора должны осуществляться автоматически в процессе каждой сцепочно-расцепочной операции.
12.2.2 Изменение открытого положения на закрытое с двойной блокировкой должно быть указано световым сигналом зеленого цвета.
12.2.3 На открытое и/или незаблокированное положение должен указывать световой сигнал красного цвета.
12.2.4 В случае указания на завершение автоматической сцепки дистанционный индикатор должен свидетельствовать о двойной блокировке шкворня сцепного устройства.
12.2.5 В случае неисправности системы дистанционный индикатор не должен указывать на закрытое и заблокированное положение в процессе сцепки, если конечное положение еще не обеспечено.
12.2.6 При расцеплении одного из двух блокирующих приспособлений должен гаснуть световой сигнал зеленого цвета и загораться сигнал красного цвета (если он предусмотрен).
12.2.7 Механические индикаторы, установленные непосредственно на сцепном устройстве, должны быть сохранены.
12.2.8 Чтобы не отвлекать внимание водителя в процессе езды в обычных условиях, должна быть предусмотрена возможность отключения дистанционного индикатора, однако индикатор должен затем автоматически включаться при осуществлении новых сцепочно-расцепочных операций (см. 12.2.1).
12.2.9 Органы управления и дистанционные индикаторы следует устанавливать таким образом, чтобы они находились в поле зрения водителя и были постоянно и четко идентифицируемыми.
12.3.1 При использовании устройства дистанционного управления, определение которого приведено в 2.8 настоящего стандарта, устанавливают также дистанционный индикатор, описанный в 12.2, который должен указывать по меньшей мере на открытое положение сцепного устройства.
12.3.2 Должен быть предусмотрен специальный переключатель (т.е. общий переключатель, рычаг или вентиль), позволяющий осуществлять сцепочно-расцепочные операции с помощью устройства дистанционного управления. Если этот общий переключатель установлен вне кабины водителя, то должна быть исключена возможность свободного доступа к нему посторонних лиц либо он должен быть блокирован. На практике управление сцепным устройством из кабины водителя должно исключать возможность непреднамеренных действий, например оно должно быть управляемым двумя руками.
Должна быть предусмотрена возможность проверки состояния сцепного устройства с помощью устройства дистанционного управления.
12.3.3 Если устройство дистанционного управления сконструировано таким образом, что для открытия сцепного устройства требуется внешнее усилие, то водитель должен с помощью сигнального устройства быть надлежащим образом проинформирован о положении, в котором внешнее усилие оказывает воздействие на сцепное устройство. В этом нет необходимости, если внешнее усилие может воздействовать только в процессе функционирования устройства дистанционного управления.
12.3.4 Если исполнительный механизм, обеспечивающий открытие сцепного устройства посредством дистанционного управления, монтируется с внешней стороны ТС, то должен быть обеспечен обзор зоны, находящейся между сцепленными ТС; конструкцией также должна быть предусмотрена возможность управления этим устройством вне указанной зоны.
12.3.5 Единичная функциональная ошибка или единичный сбой в работе системы не должна(ен) приводить к случайному расцеплению в процессе обычной эксплуатации сцепного устройства на дороге. Сигнал о любых сбоях в работе системы должен тотчас же поступить к оператору, или же они должны проявиться при следующей операции, например посредством несрабатывания системы.
12.3.6 При поломке устройства дистанционного управления должна быть предусмотрена возможность открытия сцепного устройства в аварийной ситуации по меньшей мере еще одним способом. Если для этого требуется использование соответствующих инструментов, то последние должны быть предусмотрены в комплекте инструментов, имеющемся на ТС. Предписания 3.6 не применяют к рычагам, используемым исключительно для открытия сцепного устройства в аварийной ситуации.
12.3.7 Органы управления и индикаторы устройств дистанционного управления должны быть постоянно и четко идентифицируемыми.
1.1 Образцы сцепных устройств испытывают как на прочность, так и на функционирование. Испытания физико-механических свойств проводят по мере необходимости, однако если не предусмотрено иное, то испытательная лаборатория может не проводить испытания на проверку прочности устройства, если простота конструкции элемента допускает аналитическую проверку. Аналитические проверки могут быть проведены для определения наименее благоприятных условий. Во всех случаях качество результатов, получаемых при аналитических проверках, должно быть таким же, как и при динамических или статических испытаниях. При сомнениях преимущественную силу имеют результаты испытания физико-механических свойств.
См. также 4.7 настоящего стандарта.
1.2 Прочность сцепных устройств проверяют динамическим испытанием (испытанием на усталость). В некоторых случаях могут потребоваться дополнительные статические испытания (см. раздел 3).
1.3 Динамическое испытание, которое проводят с приближенно синусоидальной нагрузкой (переменной и/или пульсирующей), состоит из серии циклов нагружения, создающих в материале напряжения, соответствующие его марке. Наличие трещин или разрывов не допускается.
1.4 После проведения предписанных статических испытаний допускается лишь незначительная остаточная деформация. Если не предусмотрено иное, то после прекращения воздействия остаточная пластическая деформация должна составлять не более 10 % максимальной деформации, измеренной в ходе испытания. В случае, если при измерении деформации в процессе испытания возникает опасность для лица, проводящего это испытание, то от данного этапа статического испытания можно отказаться при условии, что этот же параметр будет проверен в ходе других испытаний, например динамического испытания.
1.5 Нагрузку при динамических испытаниях рассчитывают по горизонтальной составляющей силы, воздействующей в продольной оси ТС, и по вертикальной составляющей силы. Горизонтальные составляющие силы и моментов, воздействующих перпендикулярно к продольной оси ТС, не принимают во внимание, если они незначительны.
Если конструкция сцепного устройства или его креплений к ТС или креплений дополнительных систем (например, стабилизаторов, укороченных сцепных устройств и т.д.) способствует созданию дополнительных сил или моментов, то испытательная лаборатория может потребовать проведения дополнительных испытаний.
Горизонтальная составляющая силы, воздействующая в продольной оси ТС, представлена теоретически определяемой исходной силой D или Dc. Вертикальная составляющая силы должна быть представлена, где это применимо, статической вертикальной опорной нагрузкой S в месте сцепки и предполагаемой вертикальной нагрузкой V или статической вертикальной опорной нагрузкой U в случае седельно-сцепных устройств.
1.6 Значения параметров D, Dc, S, V и U, на измерении которых основаны испытания и которые определены в 2.11 настоящего стандарта, должны быть указаны в информации предприятия-изготовителя, представляемой в испытательную лабораторию (см. в приложениях 3 и 4).
1.7 Любое принудительное блокирующее приспособление, удерживаемое в соответствующем положении силой пружины, должно оставаться закрепленным при воздействии на него силы, применяемой в наименее благоприятных условиях и эквивалентной тройной массе блокирующего механизма.
2.1 Для проведения динамических и статических испытаний образец помещают на соответствующий испытательный стенд так, чтобы он не подвергался воздействию любых дополнительных сил или моментов, помимо указанной испытательной силы. В случае испытаний на переменное воздействие направление прилагаемой силы не должно отклоняться более чем на ±1° от указанного. В случае испытаний на пульсирующее и статическое воздействие угол должен быть установлен в расчете на максимальную испытательную силу. Для этого, как правило, требуется установка одного шарнира в месте применения силы (т.е. в месте сцепки), а другого - на надлежащем расстоянии от него.
2.2 Частота колебаний нагрузки при испытании не должна превышать 35 Гц. Выбранная частота колебаний гарантированно не должна совпадать с резонансной частотой испытательного стенда, в т.ч. испытуемого устройства. При асинхронном испытании частота обеих составляющих сил должна различаться не более чем на 1 % - 3 %. Для сцепных устройств, изготовленных из стали, число нагрузочных циклов должно составлять 2·106. Для устройств, изготовленных из других материалов, может потребоваться большее число циклов. Для выявления любых трещин в ходе испытаний должен быть применен метод с использованием проникающего красителя либо эквивалентный метод.
2.3 В ходе испытаний на пульсирующее воздействие испытательная сила варьируется в пределах от максимального до минимального значения, но не более 5 % максимальной испытательной силы, если иное не предусмотрено конкретной методикой испытаний.
2.4 В процессе статических испытаний, не относящихся к числу особых испытаний, предусмотренных в 3.2.3, испытательную силу прилагают плавно и быстро и поддерживают в течение не менее 60 с.
2.5 Испытуемые сцепные устройства или их элементы, как правило, следует монтировать на испытательном стенде максимально жестко в том положении, в каком они практически будут использованы на ТС. Следует использовать крепежные приспособления, указанные предприятием-изготовителем для крепления сцепного устройства или его элемента к ТС и/или имеющие идентичные механические характеристики.
2.6 Сцепные устройства или их элементы должны быть испытаны в соответствии с состоянием при их эксплуатации. Однако по усмотрению предприятия-изготовителя и с согласия испытательной лаборатории упругие элементы могут быть заблокированы, если этого требует методика испытаний и если это отрицательно не повлияет на результаты испытаний.
Упругие элементы, перегревающиеся в процессе этих ускоренных испытаний, могут быть заменены в процессе испытания другими элементами. Испытательные нагрузки могут быть приложены с помощью особых приспособлений, не допускающих люфта.
3.1 Шаровые наконечники и тяговые кронштейны
3.1.1 Механические сцепные устройства с шаровыми наконечниками могут быть отнесены к следующим типам:
а) одноэлементным шаровым наконечникам, в т.ч. устройствам с невзаимозаменяемыми съемными шаровыми деталями (см. рисунки 20а и 20b);
b) шаровым наконечникам, включающим в себя ряд деталей, которые могут быть демонтированы (см. рисунок 20с, d и e);
c) тяговым кронштейнам без шаровых деталей (см. рисунок 20f).
Рисунок 20 - Схема тяговых кронштейнов шарового типа
3.1.2 Основным испытанием является динамическое испытание на усталость.
Испытательный образец включает в себя шаровой наконечник, соединительную шейку шарового наконечника и держатели, необходимые для крепления устройства в сборе к ТС.
Шаровой наконечник и тяговый кронштейн жестко монтируют на испытательном стенде, на котором должно быть обеспечено воздействие переменной силы в положении их предполагаемого практического использования.
3.1.3 Положения точек крепления шарового наконечника и тягового кронштейна указывает предприятие- изготовитель ТС.
3.1.4 Устройства, представленные на испытание, должны иметь все детали и конструктивные элементы, которые могут повлиять на критерии прочности (например, штепсельную розетку, любую маркировку и т.д.). Испытательный образец должен включать в себя все детали вплоть до элементов мест крепления на ТС и крепежа. Геометрическое положение шарового наконечника и места крепления сцепного устройства на опорной линии должны быть указаны предприятием-изготовителем и должны быть обозначены в протоколе испытаний. Все соответствующие положения точек крепления относительно опорной линии, о которых предприятие - изготовитель тягача должен предоставить всю необходимую информацию предприятию-изготовителю буксирного устройства, должны быть продублированы на испытательном стенде.
3.1.5 Образец, смонтированный на испытательном стенде, должен быть подвергнут испытанию на переменную нагрузку под указанным на рисунке 21 или 22 углом к шаровому наконечнику.
Направление испытательного угла определяют на основе взаиморасположения по вертикали горизонтальной базовой линии, проходящей через центр шарового наконечника, и горизонтальной линии, проходящей через наиболее высокую точку из всех ближайших к центру шарового наконечника точек крепления шарового устройства, при измерении в горизонтальной плоскости. Если линия, на которой лежит точка крепления, проходит выше горизонтальной базовой линии, то испытания проводят под углом α = +15°±1°, а если она проходит ниже этой линии, то испытания проводят под углом α = -15° ± 1° (см. рисунок 21).Точки крепления, используемые для определения испытательного угла, должны соответствовать точкам, указанным предприятием - изготовителем ТС и передающим основное тяговое воздействие на конструкцию тягача.
Испытательный угол выбирают для учета вертикальной статической и динамической нагрузки и применяют только в случае допустимой статической вертикальной нагрузки S, Н, не превышающей:
S = 120 D. (7.1)
Если значение статической вертикальной нагрузки превышает рассчитанное выше значение, то испытательный угол как в одном, так и в другом случае должен быть увеличен до 20°.
Динамическое испытание проводят путем приложения испытательной силы
Fhs res= ± 0,6 D. (7.2)
3.1.6 Данную методику испытания применяют к сцепным устройствам различных типов (см. 3.1.1) следующим образом.
3.1.6.1 Одноэлементные шаровые наконечники, включая устройства с невзаимозаменяемыми съемными шаровыми деталями (см. рисунок 20а и b)
3.1.6.1.1 Испытание на прочность устройств, показанных на рисунке 20а и b, проводят в соответствии с предписаниями 3.1.5.
Рисунок 21 - Углы приложения испытательной силы
Примечание - Линия, параллельная опорной, проходит через центр точки крепления тягового кронштейна к ТС, которая расположена наиболее высоко и на самом близком расстоянии от центра шарового наконечника (см. 3.1.5).

Рисунок 22 - Углы приложения испытательной силы
Примечание - Направление действия переменной испытательной силы Fhs res, зависящее от расположения горизонтальной опорной линии, проходящей через центр шарового наконечника, по отношению к линии, проходящей параллельно этой опорной линии, см. на рисунке 21.
3.1.6.2 Шаровые наконечники, детали которых могут быть демонтированы
Определены следующие категории:
а) тяговый кронштейн и шаровой наконечник (см. рисунок 20с);
b) тяговый кронштейн и шаровой наконечник на неразъемной опоре (см. рисунок 20d);
c) тяговый кронштейн с демонтируемым шаровым наконечником (см. рисунок 20 е);
d) тяговый кронштейн без шарового наконечника (см. рисунок 20f).
3.1.6.2.1 Испытание на прочность устройств, изображенных на рисунке 20с - f, проводят в соответствии с предписаниями 3.1.5. Размеры е и f должны иметь допуск на изготовление ± 5 мм и должны быть указаны в протоколе испытания. Испытание тягового кронштейна (см. рисунок 20f) проводят с установленным (на опоре) шаровым наконечником. Принимают во внимание только результаты испытания, полученные на тяговом кронштейне в промежутке между точками крепления и монтажной поверхностью опоры шарового наконечника.
3.1.6.3 Сцепные устройства с переменными габаритными размерами е и f для демонтируемых и взаимозаменяемых шаровых наконечников (см. рисунок 22)
3.1.6.3.1 Испытания на проверку прочности таких тяговых кронштейнов проводят в соответствии с предписаниями 3.1.5.
3.1.6.3.2 Если по согласованию предприятия-изготовителя испытательной лабораторией может быть определено расположение в наименее благоприятном случае, то достаточно провести испытание только при этом расположении.
В противном случае в соответствии с упрощенной программой испытаний шаровой наконечник должен быть испытан в нескольких положениях по 3.1.6.3.3.
3.1.6.3.3 В соответствии с упрощенной программой испытаний значение f должно быть в диапазоне fmin - fmax, нo не более 100 мм. Шаровой наконечник должен находиться на расстоянии еmах = 130 мм от опоры. Для учета всех возможных положений наконечника в горизонтальной плоскости в пространстве, определяемом горизонтальным размером между установочной плоскостью и вертикальным отрезком, определяющим диапазон fmin - fmax, испытывают два устройства:
а) одно - с шаровым наконечником в верхнем (fmax) положении;
b) другое - с шаровым наконечником в нижнем (fmin) положении.
Углы приложения испытательной силы изменяют между положительным или отрицательным значениями в зависимости от положения горизонтальной опорной линии, проходящей через центр шарового наконечника, по отношению к параллельной линии, проходящей через наиболее высокую из ближайших точек крепления сцепного устройства. Используемые углы показаны на рисунке 22.
3.1.7 В случаях, когда съемные шаровые детали закрепляют не с помощью резьбовых соединений, а посредством других приспособлений, например пружинных зажимов, и в процессе динамического испытания не проверяют функцию принудительного механического зацепления, приспособление должно быть подвергнуто статическому испытанию: испытывают шаровой наконечник или приспособление, служащее для принудительного механического зацепления, в надлежащем направлении. Если приспособление, предназначенное для принудительного механического зацепления, удерживает шаровую деталь в вертикальном положении, то статическое испытание проводят с приложением к шаровому наконечнику вертикальной силы по направлению вверх, эквивалентной значению D. Если приспособление, служащее для принудительного механического зацепления, удерживает шаровую деталь с помощью поперечной горизонтальной конструкции, то статическое испытание проводят с применением в этом направлении силы, эквивалентной 0,25 D. Должна быть исключена возможность несрабатывания приспособления, служащего для принудительного механического зацепления, или любой деформации, которая отрицательно повлияет на функционирование этого устройства.
3.1.8 Точки крепления аварийных сцепных устройств, упомянутые в 1.5 приложения 6, должны выдерживать воздействие горизонтального статического усилия не более 15 кН, эквивалентного 2D. Отдельная точка крепления для подстраховочного троса, если предусмотрена, должна выдерживать воздействие горизонтальной статической силы, эквивалентной D.
3.2.1 Основным является испытание на усталость с использованием переменной испытательной силы, за которым следует статическое испытание (испытание на подъем) на том же испытательном образце.
3.2.2 Динамическое испытание проводят на шаровом наконечнике класса А, имеющем достаточную прочность. Шаровой наконечник и сцепную головку размещают на испытательном стенде согласно инструкциям предприятия-изготовителя в положении, которое соответствует обычному положению эксплуатации. Следует исключить любую возможность воздействия на данный образец дополнительных сил помимо испытательной силы. Испытательная сила должна быть приложена вдоль линии, проходящей через центр шарового наконечника с наклоном назад на 15° (см. рисунок 23). Испытание образца на усталостную прочность проводят на испытательном образце путем приложения испытательной силы
Fhs res w = ± 0,6 D. (7.3)
Когда максимальная допустимая статическая вертикальная статическая нагрузка S превышает 120 D, испытательный угол увеличивают до 20°.

Рисунок 23 - Динамическое испытание
3.2.3 Должно быть проведено также статическое испытание на рассоединение.
Испытанию подвергают изношенный шаровой наконечник диаметром от 49,00 до 49,13 мм. Усилие рассоединения Fa, кН, прилагают перпендикулярно как к поперечной, так и к продольной осям, проходящим через центр сцепной головки, плавно и быстро увеличивают до значения
Fa = g(C + S/1000) (7.4)
и поддерживают в течение 10 с.
Сцепная головка не должна отделяться от шарового наконечника, и ни один из элементов сцепной головки не должен обнаруживать остаточной деформации, негативным образом отражающейся на его функциональных возможностях.
3.3 Соединительные фланцы сцепных тяг и тяговые брусы
3.3.1 Испытуемый образец подвергают проверке на усталостную прочность. Сцепное устройство должно быть оснащено всеми приспособлениями, необходимыми для крепления к ТС. Любое промежуточное приспособление, установленное между соединительными фланцами сцепных тяг и рамой ТС (т.е. тяговые брусы), должно быть испытано под воздействием тех же сил, что и сцепное устройство. При испытании тяговых брусов, предназначенных для стандартных соединительных фланцев сцепных тяг, вертикальная нагрузка должна быть приложена в продольной плоскости в точке, находящейся на равном удалении как от вертикальной плоскости точек крепления, так и от соответствующего стандартного сцепного устройства.
3.3.2 Соединительные фланцы шарнирных сцепных тяг (S = 0)
Динамическое испытание проводят путем приложения горизонтальной переменной силы Fhw = ± 0,6 D, действующей по линии, проходящей параллельно фунту, и в продольной средней плоскости тягача, проходящей через центр шкворня сцепного устройства.
3.3.3 Соединительные фланцы сцепных тяг, предназначенные для использования с прицепами с центрально расположенной осью (S > 0)
3.3.3.1 Масса прицепа с центрально расположенной осью составляет не более 3,5 т.
Соединительные фланцы сцепных тяг, предназначенные для использования с прицепами с центрально расположенной осью массой не более 3,5 т, испытывают таким же образом, что и шаровые наконечники и тяговые кронштейны, описанные в 3.1.
3.3.3.2 Прицепы с центрально расположенной осью, масса которых превышает 3,5 т
Испытательные силы прилагают к образцу как в горизонтальном, так и вертикальном направлениях в процессе асинхронного испытания на усталостную прочность. Горизонтальная линия воздействия должна проходить параллельно грунту в продольной средней плоскости тягача через центр шкворня сцепного устройства. Вертикальная линия воздействия должна проходить перпендикулярно к горизонтальной линии воздействия вдоль продольной геометрической оси шкворня сцепного устройства.
Расположение креплений соединительного фланца сцепной тяги и проушины сцепной тяги на испытательном стенде должно соответствовать их расположению, предусмотренному инструкциями предприятия-изготовителя, касающимися их монтажа на ТС.
Должны быть приложены испытательные силы, указанные в таблице 7.1.
Таблица 7.1 - Испытательные силы
В килоньютонах
|
Испытательная сила |
Среднее значение |
Амплитуда |
|
Горизонтальная |
0 |
±0,6 Dc1) |
|
Вертикальная |
Sg/1000 |
±0,6 V1) |
|
1) В случае специализированных сцепных устройств дышлового типа класса Т эти значения должны быть уменьшены до ±0,5 Dc и ±0,5 V соответственно. |
||
Форма вертикальных и горизонтальных составляющих прилагаемой силы должна быть синусоидная; эти составляющие следует прилагать асинхронно, причем разница в частоте их приложения должна составлять 1% - 3%.
3.3.4 Статическое испытание блокирующего приспособления шкворня сцепного устройства
Что касается соединительных фланцев сцепных тяг, то необходимо также испытывать затворы и любые блокирующие устройства путем приложения к ним в направлении их открытия статического усилия, равного 0,25 D. В результате данного испытания затвор не должен открываться и повреждаться. В случае цилиндрических шкворней сцепного устройства достаточно приложить усилие 0,1 D.
3.4.1 Проушины сцепных тяг подвергают таким же динамическим испытаниям, как и соединительные фланцы. Проушины, используемые исключительно на прицепах с шарнирными сцепными тягами, допускающими свободное перемещение по вертикали, должны быть подвергнуты воздействию переменной силы, как указано в 3.3.2. Проушины, предназначенные также для использования на прицепах с центрально расположенной осью, испытывают таким же образом, как и сцепные головки шаровых наконечников (3.2), если масса С прицепа составляет не более 3,5 т, и таким же образом, как и соединительные фланцы сцепных тяг (3.3.3.2), если масса С прицепа превышает 3,5 т.
3.4.2 Тороидальные проушины класса L испытывают так же, как и стандартные проушины сцепных тяг.
3.4.3 Проушины должны быть испытаны таким образом, чтобы переменная сила воздействовала и на детали, используемые для крепления проушины к сцепной тяге. Все упругие промежуточные элементы должны быть заблокированы.
3.5 Сцепные устройства типа «крюк-петля»
3.5.1 Сцепные устройства класса К должны выдерживать динамическое испытание, указанное в 3.5.2.
3.5.2 Динамическое испытание
3.5.2.1 Динамическое испытание, сопровождаемое приложением пульсирующей силы, проводят на тороидальной проушине класса L, причем сцепное устройство монтируют таким же образом, как и на ТС, со всеми деталями, необходимыми для его установки. Вместе с тем, по согласованию с испытательной лабораторией любые упругие элементы могут быть нейтрализованы.
3.5.2.2 В случае сцепных устройств, предназначенных для использования с прицепами, оборудованными шарнирными сцепными тягами, когда опорная вертикальная нагрузка на сцепное устройство S = 0, испытательную силу прилагают в горизонтальном направлении, имитируя растягивающую силу, на крюке и варьируют в пределах 0,05 D - 1,00 D.
3.5.2.3 В случае сцепных устройств, предназначенных для использования с прицепами с центрально расположенной осью, испытательная сила должна представлять собой результирующую горизонтальной и вертикальной сил, воздействующих на сцепное устройство, и должна быть приложена под углом а, т.е. вниз и назад (см. рисунок 21), эквивалентным рассчитанному углу результирующей горизонтальной и вертикальной сил, воздействующих на сцепное устройство. Усилие Fhs res, кН, рассчитывают по формуле
(7.5)
3.5.2.4 Применяемое усилие варьируют между 0,05 Fhs res и 1,00 Fhs res.
3.5.3 Статическое испытание блокирующего приспособления сцепного устройства
Что касается сцепных устройств типа «крюк-петля», то необходимо также испытывать затвор и любые блокирующие приспособления посредством приложения в направлении его открытия статического усилия 0,25D. В результате данного испытания затвор не должен открываться и не должен быть поврежден.
3.6 Сцепные тяги
3.6.1 Сцепные тяги испытывают таким же образом, как и проушины сцепных тяг (см. 3.4). Испытательная лаборатория может не проводить испытания на усталостную прочность, если простота конструкции элемента допускает аналитическую проверку его прочности. Номинальные силы, необходимые для аналитической проверки сцепных тяг прицепов с центрально расположенной осью, масса С которых составляет не более 3,5 т, указаны в ГОСТ Р ИСО 7641-1. Номинальные силы, необходимые для аналитической проверки сцепных тяг прицепов с центрально расположенной осью, масса С которых превышает 3,5 т, рассчитывают следующим образом:
Fsp = (g S/1000) + V, (7.5)
Где g = 9,81 м/с2; S - статическая вертикальная нагрузка, кг; значение силы V равно указанному в 2.11.4 настоящего стандарта.
Допустимые напряжения, определяемые на основе номинальных масс, передаваемых на прицепы, общая масса С которых превышает 3,5 т, должны соответствовать предписаниям 5.3 ГОСТ Р ИСО 7641-1 В случае коленчатых сцепных тяг (например, S-образных скоб) и сцепных тяг полных прицепов принимают во внимание горизонтальную составляющую Fhp = 1,0 D.
3.6.2 В случае сцепных тяг полных прицепов, свободно перемещающихся в вертикальной плоскости, помимо испытания на усталостную прочность или аналитической проверки прочности, должна быть проверена степень устойчивости к продольному изгибу на основе либо теоретических расчетов при значении номинальной силы 3 D, либо посредством испытания на изгиб с применением силы, равной 3 D. Допустимые напряжения в случае расчетов должны соответствовать предписаниям 5.3 ГОСТ Р ИСО 7641-1
3.6.3 В случае управляемых осей прочность на изгиб должна быть проверена с помощью аналитических расчетов или испытания на изгиб. Горизонтальная боковая статическая сила должна быть приложена в центре сцепки. Значение этой силы должно быть выбрано так, чтобы момент 0,6 Av g(кН·м) действовал в центре передней оси. Допустимые напряжения должны соответствовать предписаниям 5.3 ГОСТ Р ИСО 7641-1.
Вместе с тем, в случаях, когда передние управляемые оси образуют в тандеме тележку, момент следует увеличить до 0,95 Av g (кН·м).
3.7 Седельно-сцепные устройства
3.7.1 Основными испытаниями на проверку прочности служат динамическое и статическое (на подъем). Седельно-сцепные устройства, предназначенные для непосредственного управления осями полуприцепов, должны быть подвергнуты дополнительному статическому испытанию (на изгиб). Для целей этого испытания устройство должно быть оснащено всеми креплениями, необходимыми для его монтажа на ТС. Способы монтажа должны быть идентичны используемым на самом ТС. Использование вычислительного метода в качестве альтернативы реальному испытанию не допускается.
3.7.2.1 Стандартные седельно-сцепные устройства, предназначенные для использования с направляющим клином или аналогичным приспособлением для непосредственного управления полуприцепами (см. 2.7 настоящего стандарта), должны быть проверены на прочность статическим испытанием на изгиб, возможный при эксплуатации направляющего приспособления, с одновременной нагрузкой на устройство. Максимальная допустимая опорная вертикальная нагрузка U должна воздействовать на седельно-сцепное устройство, находящееся в рабочем положении, по вертикали через жесткую пластину, размеры которой достаточны для того, чтобы полностью закрыть устройство.
Результирующая прилагаемой нагрузки должна проходить через центр горизонтального шарнира седельно-сцепного устройства.
Одновременно на боковые стороны управляющего приспособления шкворня должна воздействовать горизонтальная боковая сила, представляющая собой силу, необходимую для принудительного управления полуприцепом. Значение этой силы и направление ее приложения должны быть выбраны так, чтобы в центре шкворня сцепного устройства действовал момент 0,75 D кН·м, создаваемый силой, воздействующей на рычаг длиной (0,5 ± 0,1) м. Остаточная пластическая деформация при всех номинальных размерах может составлять 0,5 %. Появление трещин на деталях не допускается.
3.7.2.2 Все седельно-сцепные устройства должны быть подвергнуты статическому испытанию на подъем. После приложения силы подъема не более Fa = g U нa соединительной пластине не должно быть никаких существенных остаточных изгибов, превышающих 0,2 % по ее ширине.
В случае стандартных седельно-сцепных устройств класса G50 и сопоставимых сцепных устройств со шкворнем такого же диаметра воздействие силы подъема Fa = g 2,5 U не должно приводить к отделению шкворня от сцепного устройства. В случае нестандартных сцепных устройств со шкворнем диаметром более 50 мм, например сцепных устройств со шкворнем диаметром 90 мм, сила подъема должна составлять Fa = g l,6 U, но не менее 500 кН.
Сила должна быть приложена с помощью рычага, один конец которого опирается на соединительную пластину, а к другому прилагают подъемную силу на расстоянии 1,0-1,5 м от центра шкворня сцепного устройства (см. рисунок 24).
Плечо рычага должно находиться под прямым углом к направлению входа шкворня в сцепное устройство. Если наименее благоприятное положение очевидно, то испытание проводят именно в этом положении. Если же наименее благоприятное положение определить нелегко, то испытательная лаборатория должна принять решение о том, с какой стороны следует проводить испытание. Достаточно лишь одного испытания.

Рисунок 24 - Испытание седельно-сцепных устройств на подъем
3.7.3 Динамическое испытание
Седельно-сцепное устройство, установленное на испытательном стенде, должно быть поочередно подвергнуто одновременному воздействию горизонтальных переменных и вертикальных пульсирующих сил (асинхронное динамическое испытание).
3.7.3.1 В случае седельно-сцепных устройств, не предназначенных для принудительного управления полуприцепами, должны быть применены следующие силы:
- горизонтальная Fhw =±0,6 D;
- вертикальная Fs0 = g 1,2 U; FsU = g 0,4 U.
Эти силы должны быть использованы в продольной средней плоскости ТС, причем линии воздействия обеих сил Fs0 и FsU должны проходить через центр шарнира сцепного устройства.
Вертикальная сила Fs изменяется в пределах (+g 1,2 U) и (+g 0,4 U), а горизонтальная сила - в пределах ±0,6 D.
3.7.3.2 В случае седельно-сцепных устройств, предназначенных для принудительного управления прицепами, должны быть применены следующие силы:
- горизонтальная Fhw = + 0,675 D;
- вертикальная Fs0 и FsU, как в 3.7.3.1.
Линии воздействия этих сил указаны в 3.7.3.1.
3.7.3.3 В случае динамического испытания седельно-сцепных устройств между соединительной пластиной и пластиной прицепа должен быть нанесен надлежащий смазочный материал, чтобы максимальный коэффициент трения составлял μ < 0,15.
3.8 Установочные плиты седельно-сцепных устройств
Описанное в 3.7.3 динамическое испытание, предусмотренное в случае седельно-сцепных устройств, и статические испытания по 3.7.2 проводят также в случае установочных плит. Что касается испытания установочных плит на подъем, то его достаточно провести только с одной стороны. Испытание должно быть проведено на основе максимальных номинальных значений высоты сцепного устройства, максимальных номинальных значений ширины и минимальных номинальных значений длины установочной плиты. Данное испытание проводить не требуется, если соответствующая установочная плита идентична уже прошедшей это испытание, за исключением случаев, когда она является более узкой и/или длинной и ее общая высота ниже высоты этой плиты. В качестве альтернативы испытанию физико-механических свойств использование вычислительного метода не допускается.
3.9 Шкворни седельно-сцепных устройств полуприцепов
3.9.1 Образец, установленный на испытательном стенде, подвергают динамическому испытанию с переменной нагрузкой. Испытание шкворня сцепного устройства не следует объединять с испытанием седельно-сцепного устройства. Данное испытание должно быть проведено таким образом, чтобы соответствующая сила воздействовала также на крепления, необходимые для присоединения шкворня к полуприцепу. В качестве альтернативы испытанию физико-механических свойств использование вычислительного метода не допускается.
3.9.2 Динамическое испытание с воздействием переменной горизонтальной силы Fhw = ± 0,6 D проводят на шкворне, находящемся в рабочем положении.
Линия воздействия силы должна проходить через центр наименьшего диаметра цилиндрической детали шкворня, имеющего в случае класса Н50 диаметр 50,8 мм (см. рисунок 18 приложения 6).
1.1 Крепление шаровых наконечников и тяговых кронштейнов
1.1.1 Шаровые наконечники и тяговые кронштейны следует крепить к ТС категорий M1, M2 (максимальная допустимая масса которых не достигает 3,5 т) и N11) таким образом, чтобы были выдержаны параметры свободного пространства и высота, указанные на рисунке 25. Высота должна быть измерена на ТС в груженом состоянии, описанном в дополнении 1 к настоящему приложению.
Требование в отношении высоты не применяют в случае ТС повышенной проходимости категории G1).
____________
1) См. определения, приведенные в ГОСТ Р 41.13 и ГОСТ Р 52051.
1.1.1.1 Свободное пространство (см. рисунки 25а и 25b) может быть занято несъемным оборудованием, например запасным колесом, при условии, что расстояние от центра шарового наконечника до вертикальной плоскости, проходящей через наиболее удаленную назад крайнюю точку оборудования, не превышает 300 мм. Оборудование следует монтировать таким образом, чтобы был обеспечен надлежащий доступ для проведения сцепочно-расцепочных операций без какой-либо опасности для пользователя и без ущерба для углов отклонения сцепного устройства.
1.1.2 Что касается шаровых наконечников и тяговых кронштейнов, то предприятие-изготовитель ТС должно обеспечить пользователя инструкциями относительно их монтажа и указать, существует ли необходимость в усилении зоны крепления.
1.1.3 Конструкцией должны быть обеспечены сцепка и расцепка шаровых наконечников, когда по отношению к геометрической оси шарового наконечника и креплений продольная ось сцепной тяги с шаровым наконечником:
- образует в горизонтальной плоскости угол 60° влево или вправо (β = 60°, см. рисунок 25);
- образует в вертикальной плоскости угол 10° вверх или вниз (α = 10°, см. рисунок 25);
- поворачивается вокруг оси на 10° по часовой стрелке и против нее.
1.1.4 Если прицеп не сцеплен с тягачом, то установленные тяговые кронштейны и шаровые наконечники не должны закрывать собой место, предусмотренное для заднего номерного знака, или ухудшать видимость заднего номерного знака тягача. Если же шаровой наконечник или другие детали все-таки закрывают задний номерной знак, то они должны быть съемными либо должна быть предусмотрена возможность изменения их положения без использования других инструментов, кроме, например, обычного гаечного ключа (т.е. с приложением момента не более 20 Н·м), который имеется на ТС.

Рисунок 25а - Свободное пространство и размеры для (размещения) шарового наконечника, вид сбоку

Рисунок 25b - Свободное пространство для шарового наконечника, вид в плане
1.2 Крепление сцепных головок
12.1 На прицепах, максимальная масса которых составляет не более 3,5 т, допускается использование сцепных головок класса В. Когда прицеп находится в горизонтальном положении и нагрузка на ось является максимально допустимой, сцепные головки должны быть установлены таким образом, чтобы геометрическая ось сферического пространства, которое занимает шаровой наконечник, проходила примерно на (430 ± 35) мм выше горизонтальной плоскости, на которой находятся колеса прицепа.
В случае жилых и грузовых прицепов горизонтальным считают положение, когда пол или погрузочная поверхность находится в горизонтальном положении. В случае прицепов, не имеющих такой исходной поверхности (например, прицепов для перевозки лодок или аналогичных прицепов), предприятие - изготовитель прицепа должно указать соответствующую исходную линию, определяющую горизонтальное положение. Предписание в отношении высоты должно быть применено только к прицепам, предназначенным для сцепки с ТС, упомянутыми в 1.1.1.
Во всех случаях горизонтальное положение должно быть определено с точностью ±1°.
1.2.2 Должна быть обеспечена безопасная эксплуатация сцепных головок в свободном пространстве вокруг шарового наконечника, указанном на рисунках 25а и 25b, вплоть до углов α = 25° и β = 60°.
1.3 Крепление соединительных фланцев сцепной тяги и монтажных узлов
1.3.1 Монтажные размеры для стандартных соединительных фланцев сцепной тяги
В случае соединительных фланцев сцепной тяги стандартных типов на ТС должны быть выдержаны монтажные размеры, указанные на рисунке 15 и в таблице 6.9.
1.3.2 Необходимость в сцепных устройствах с дистанционным управлением
Если нет возможности выполнить одно или несколько из следующих предписаний, касающихся удобной и безопасной эксплуатации (1.3.3), доступности (1.3.5) или свободного пространства вокруг рычага (1.3.6), то должно быть использовано сцепное устройство с дистанционным управлением, описанным в 12.3 приложения 6.
1.3.3 Удобная и безопасная эксплуатация сцепного устройства
Сцепные тяги следует монтировать на ТС таким образом, чтобы была обеспечена их удобная и безопасная эксплуатация.
Помимо функции открытия (и закрытия, если применимо), это требование также включает в себя контроль (визуальный и на ощупь) индикатора, указывающего на закрытое и заблокированное положение шкворня сцепного устройства.
Зона, в которой должен находиться пользователь сцепного устройства, не должна представлять собой никакой опасности, например в ней не должно быть никаких заостренных кромок, углов и т.д., если они не прикрыты защитными панелями, исключающими возможность нанесения травм.
Выход из этой зоны не должен быть затруднен или прегражден с той и другой стороны любыми предметами, прикрепленными либо к сцепному устройству, либо к ТС.
Работе лица, регулирующего положение сцепного устройства, не должно препятствовать никакое противоподкатное приспособление.
1.3.4 Минимальные углы сцепления и расцепления
Сцепление и расцепление проушины сцепной тяги должны быть возможны, когда по отношению к геометрической оси захвата продольная плоскость проушины сцепной тяги одновременно:
- образует угол 50° в горизонтальной плоскости вправо или влево;
- образует угол в 6° в вертикальной плоскости вверх или вниз;
- поворачивается вокруг оси на 6° по часовой стрелке и против нее.
Это требование применяют также к сцепным устройствам типа «крюк-петля» класса К.
1.3.5 Доступность
Расстояние между центром шкворня сцепного устройства и кузовом ТС не должно превышать 550 мм. Если это расстояние превышает 420 мм, то сцепное устройство должно быть установлено вместе с приводным механизмом, обеспечивающим безопасное функционирование на расстоянии максимум 420 мм от внешнего борта кузова.
Расстояние 550 мм может быть увеличено до следующих значений при том условии, что будет доказана техническая необходимость такого увеличения и что это отрицательно не отразится на удобстве и безопасности функционирования соединительного фланца сцепной тяги:
a) до 650 мм в случае ТС с опрокидывающимся кузовом или с установленным сзади оборудованием;
b) до 1320 мм, если высота в свету составляет по меньшей мере 1150 мм;
c) в случае ТС, используемых для перевозки легковых автомобилей и имеющих по меньшей мере два уровня загрузки, когда прицеп не отделен от тягача в ходе обычной транспортной операции.
1.3.6 Свободное пространство вокруг рычага
Для обеспечения безопасного функционирования соединительных фланцев сцепной тяги должно быть предусмотрено надлежащее свободное пространство вокруг рычага.
Пространство, обозначенное на рисунке 26, считают достаточным. Если на ТС предполагается установить стандартные сцепные тяги различных типов, то это пространство должно быть таким, чтобы были соблюдены также требования в отношении самых больших сцепных устройств надлежащего класса, указанные в разделе 3 приложения 6.

Рисунок 26 - Свободное пространство рукоятки
Требования в отношении размеров свободного пространства надлежащим образом применяют также к сцепным тягам с рычагами, направленными вниз, или рычагами иной конструкции.
Это пространство должно быть обеспечено также при конкретных минимальных углах сцепки и расцепки, указанных в 1.3.4.
1.3.7 Свободное пространство вокруг соединительных фланцев сцепных тяг
Расстояние между сцепной тягой, прикрепленной к ТС, и любой другой деталью ТС должно составлять не менее 10 мм во всех возможных геометрических положениях, указанных в разделе 3 приложения 6.
Если на ТС данного типа предполагается установить стандартные сцепные тяги различных типов, то это пространство должно быть таким, чтобы были выполнены также условия относительно самого большого сцепного устройства надлежащего класса, указанные в разделе 3 приложения 6.
1.3.8 Доступность соединительных фланцев сцепной тяги с особым шарниром для поворота по вертикали исходя из требований 3.4 приложения 6
Сцепные устройства, имеющие цилиндрический шкворень, позволяющий обеспечивать проворачивание в вертикальной плоскости сцепленной проушины сцепной тяги посредством особого шарнира, допускаются только в том случае, если может быть доказана их техническая необходимость. Это может касаться, например, задних опрокидывающих механизмов, когда сцепная головка установлена на шарнире, или сцепных устройств ТС большой грузоподъемности, когда использование цилиндрического шкворня требуется по соображениям механической прочности.
1.4 Крепление проушин сцепных тяг и сцепных тяг на прицепах
1.4.1 Сцепные тяги прицепов с центрально расположенной осью должны иметь седельное приспособление, регулируемое по высоте, если вертикальная нагрузка на проушину сцепной тяги прицепа превышает 490 Н в условиях равномерной загрузки прицепа до максимальной технически допустимой массы.
1.4.2 При креплении проушин сцепных тяг и сцепной тяги к прицепам с центрально расположенной осью, максимальная масса С которых превышает 3,5 т и которые имеют более одной оси, прицепы должны быть оснащены приспособлением, позволяющим распределить нагрузку между осями.
1.4.3 Шарнирные сцепные тяги не должны касаться грунта. Они не должны находиться на высоте менее 200 мм от грунта после их выведения из горизонтального положения. См. также 5.3 и 5.4 приложения 6.
1.5 Крепление седельно-сцепных устройств, установочных плит и шкворней сцепных устройств на транспортных средствах
1.5.1 Седельно-сцепные устройства класса G50 следует монтировать непосредственно на раме ТС, кроме случаев, когда предприятие - изготовитель ТС разрешает их монтировать в другом месте. Их следует крепить к раме с помощью установочной плиты в соответствии с инструкциями предприятий-изготовителей ТС и сцепного устройства.
1.5.2 Полуприцепы должны быть оснащены механизмом опускания и подъема опорных колес или любым другим оборудованием, позволяющим обеспечить расцепление и стоянку полуприцепа. Если полуприцепы оборудованы таким образом, что соединение сцепных устройств, электрических систем и тормозных систем можно осуществлять автоматически, то прицеп должен иметь механизм подъема и опускания опорных колес, обеспечивающий их автоматический подъем с земли после сцепки.
Эти предписания не должны относиться к полуприцепам, предназначенным для выполнения особых операций; отделение таких прицепов проводят, как правило, только в мастерской или при осуществлении погрузки и разгрузки в конкретно указанных местах.
1.5.3 Крепление шкворня седельно-сцепного устройства к установочной плите на полуприцепе должно соответствовать инструкциям предприятий-изготовителей ТС или шкворня седельно-сцепного устройства.
1.5.4 Если полуприцеп оборудован направляющим клином, то последний должен отвечать предписаниям 7.8 приложения 6.
2 Дистанционный индикатор и дистанционное управление
При установке дистанционных индикаторов и устройств дистанционного управления должны быть учтены любые соответствующие требования, приведенные в разделе 12 приложения 6.
1 Высота опоры должна соответствовать предписаниям 1.1.1 приложения 8.
2 В случае ТС категории М11) масса ТС, при которой следует измерять высоту опоры, должна быть сообщена предприятием-изготовителем ТС и указана в протоколе испытаний. Эта масса должна равняться или максимальной допустимой массе, распределенной между осями и указанной предприятием-изготовителем, или массе ТС, загруженного в соответствии с 2.1.
2.1 Максимальная масса ТС в снаряженном состоянии, указанная предприятием - изготовителем ТС - тягача, а также:
2.1.1 две массы по 68 кг, расположенные по центру подушек двух крайних сидений каждого ряда сидений, установленных в крайнем заднем положении, предусмотренном обычно для управления ТС и для поездки в нем; при этом массы размещают:
2.1.1.1 в случае оригинальных сцепных устройств и их элементов, одобренных и представленных на испытания предприятием-изготовителем ТС, - приблизительно в точке, расположенной перед точкой R на расстоянии 100 мм от нее, для регулируемых сидений и перед точкой R на расстоянии 50 мм от нее - для других сидений (точка R определена в соответствии с 5.1.1.2 ГОСТ Р 41.14) или
2.1.1.2 в случае сцепных устройств и их элементов, представленных на испытания независимым предприятием-изготовителем и предназначенных для установки в качестве запасных деталей, - приблизительно в положении сидящего человека;
2.1.2 кроме того, в расчете на каждую из масс по 68 кг в багажнике ТС должна быть дополнительно равномерно распределена масса по 7 кг, имитирующая индивидуальный багаж.
3 В случае ТС категории N1) масса ТС, при которой следует измерять эту высоту, должна равняться максимальной допустимой массе, распределенной между осями и указанной предприятием - изготовителем ТС - тягача.
____________
1) В соответствии с определением ГОСТ Р 52051.
Таблица 9.1
|
Структура Правил ЕЭК ООН № 55 |
Структура настоящего стандарта |
|
1 Область применения |
1 Область применения(1) |
|
- |
1а Нормативные ссылки1) |
|
2 Определения |
2 Термины, определения и обозначения (2)1), 2) |
|
3 Заявка на официальное утверждение |
3 Заявка на испытания механического сцепного устройства или его элемента (3)2) |
|
4 Общие требования к механическим сцепным устройствам и их элементам |
4 Общие требования к механическим сцепным устройствам и их элементам (4) |
|
5 Заявка на официальное утверждение транспортного средства, оснащенного механическим сцепным устройством или его элементом |
5 Заявка на испытания транспортного средства, оснащенного механическим сцепным устройством или его элементом (5) |
|
6 Общие требования к транспортным средствам, оснащенным механическим сцепным устройством или его элементом |
6 Общие требования к транспортным средствам, оснащенным механическим сцепным устройством или его элементом (6) |
|
7 Маркировка |
7 Маркировка (7)2) |
|
8 Официальное утверждение |
8 Соответствие требованиям настоящего стандарта (8)2) |
|
9 Модификация или распространение |
9 Изменение типа механического сцепного устройства или его элемента или транспортного средства (9)2) |
|
10 Процедуры контроля за соответствием производства |
-3) |
|
11 Санкции за несоответствие производства |
-3) |
|
12 Окончательное прекращение производства |
-3) |
|
13 Переходные положения |
-3) |
|
14 Названия и адреса технических служб, уполномоченных проводить испытания для официального утверждения, и административных органов |
-3) |
|
- |
Приложение 1 - Форма приложения к заявке на проведение испытаний. Техническое описание2) |
|
- |
Приложение 2 - Форма приложения к заявке на проведение испытаний транспортных средств в отношении установки механического сцепного устройства и его элемента. Техническое описание2) |
|
Приложение 1 - Сообщение |
Приложение 3 - Форма приложения к протоколу испытания механического сцепного устройства и его элемента2) |
|
Приложение 2 - Сообщение |
Приложение 4 - Форма приложения к протоколу испытания транспортного средства в отношении установки механического сцепного устройства и его элемента2) |
|
Приложение 3 |
-3) |
|
Приложение 4 |
Приложение 5 |
|
Приложение 5 |
Приложение 6 |
|
Приложение 6 |
Приложение 7 |
|
Приложение 7. Дополнение 1 |
Приложение 8. Дополнение 1 |
|
1) Включение в настоящий стандарт данных разделов обусловлено необходимостью приведения его в соответствие с требованиями ГОСТ Р 1.5-2004. 2) Включены термины и положения, относящиеся к испытаниям, взамен терминов и положений, касающихся процедур сертификации. В соответствии с Федеральным законом № 184-ФЗ «О техническом регулировании» термины и положения, касающиеся процедур сертификации, могут быть применены только в технических регламентах. 3) Не включены разделы и приложения, относящиеся к процедуре сертификации или относящиеся к международному порядку применения Правил ЕЭК ООН. Примечание - После заголовков разделов настоящего стандарта приведены в скобках номера аналогичных им разделов Правил ЕЭК ООН № 55. |
|
|
Конвенция 1968 г. о дорожном движении, дорожных знаках и сигналах и дополняющее ее Европейское соглашение 1971 г. |
|
|
Транспорт дорожный. Размеры автомобилей и тягачей с прицепами. Термины и определения |
|
|
Транспорт дорожный. Шкворень для 50-мм сцепного устройства для автомобильных полуприцепов. Основные размеры и размеры, необходимые для установки и взаимозаменяемости |
Ключевые слова: составы транспортных средств, детали сцепных устройств, маркировка, спецификации, размерные характеристики, методы испытаний
|
|
|
|