//
|
|
Система
региональных нормативных документов РЕГИОНАЛЬНЫЕ ВРЕМЕННЫЕ СТРОИТЕЛЬНЫЕ НОРМЫИНСОЛЯЦИЯ И СОЛНЦЕЗАЩИТА ПОМЕЩЕНИЙ РВСН
23-01-2006 Санкт-Петербург Правительство Санкт-ПетербургаСанкт-Петербург2006 Предисловие1 РАЗРАБОТАНЫ ОАО «Санкт-Петербургский зональный научно-исследовательский и проектный институт жилищно-гражданских зданий» (СПбЗНИиПИ, ранее ЛЕНЗНИИЭП) - Попова Р.М., Научно-исследовательским институтом строительной физики Российской академии архитектуры и строительных наук (НИИСФ РААСН) - Земцов В.А. (раздел 9) 2 ВНЕСЕНЫ техническим отделом нормативно-технического управления Комитета по строительству Правительства Санкт-Петербурга 3 ПРИНЯТЫ И ВВЕДЕНЫ В ДЕЙСТВИЕ распоряжением Комитета по строительству Правительства Санкт-Петербурга от 27.04.2006 № 114 4 СОГЛАСОВАНЫ Комитетами Правительства Санкт-Петербурга: по природопользованию, охране окружающей среды и обеспечению экологической безопасности; жилищным; по здравоохранению; по градостроительству и архитектуре; Управлениями: государственной вневедомственной экспертизы СГСНЭ Санкт-Петербурга территориальным управлением Федеральной службы по надзору в сфере защиты прав потребителей и благополучия человека по городу Санкт-Петербург 5 ЗАРЕГИСТРИРОВАНЫ Федеральным государственным унитарным предприятием «Центр нормирования и стандартизации в строительстве» (ФГУП ЦНС) письмо от 01.06.2006 № 405-03/СН 6 ВВОДЯТСЯ ВПЕРВЫЕТребования СНиП 31-01-2003 Здания жилые многоквартирные, включенных в СК-1 «Нормативные, методические документы и другие издания по строительству. Перечень-2006» (по состоянию на 1 января 2006 г.), но не прошедших регистрацию Министерства юстиции Российской Федерации, рекомендуются к применению на территории Санкт-Петербурга. СодержаниеВведениеРегиональные временные строительные нормы «Инсоляция и солнцезащита помещений жилых и общественных зданий в Санкт-Петербурге» разработаны в соответствии с положениями ТСН 10-301-2003 Санкт-Петербурга и являются нормативным техническим документом в системе региональных нормативных документов градостроительной деятельности в Санкт-Петербурге. Документ конкретизирует нормы инсоляции и содержит методику расчета продолжительности инсоляции помещений жилых и общественных зданий и территорий, а также рекомендации по устройству солнцезащиты. В нормах приведен метод расчета инсоляции с помощью инсоляционного графика, предназначенный для практического применения в области архитектурного проектирования. Применение норм будет способствовать принятию более экономичных проектно-планировочных решений застройки и реконструкции микрорайонов (кварталов) и размещения отдельных объектов строительства для более эффективного использования городских территорий. РЕГИОНАЛЬНЫЕ ВРЕМЕННЫЕ СТРОИТЕЛЬНЫЕ НОРМЫИНСОЛЯЦИЯ И
СОЛНЦЕЗАЩИТА ПОМЕЩЕНИЙ Дата введения 2006-07-011 Область применения1.1 Настоящие нормы предназначены для Санкт-Петербурга и применяются для определения продолжительности инсоляции помещений и территорий при градостроительном проектировании микрорайонов (кварталов) и архитектурно-строительном проектировании жилых и общественных зданий. 1.2 Настоящие нормы распространяются на определение инсоляции при проектировании новых и реконструкции существующих микрорайонов и кварталов, при проектировании вновь строящихся и реконструируемых объектов жилищно-гражданского назначения, в помещениях которых нормируется продолжительность инсоляции. Нормы не применяются при капитальном ремонте зданий с сохранением габаритов зданий и функциональных назначений помещений. 1.3 Настоящие нормы обязательны для всех участников градостроительной деятельности - городских и территориальных органов государственной власти, экспертирующих, контролирующих и согласующих органов, застройщиков, заказчиков, проектных организаций и других юридических лиц независимо от форм собственности и ведомственной принадлежности, а также для физических лиц. 2 Нормативные ссылкиВ настоящих нормах использованы ссылки на следующие документы: ГОСТ 21.101-97 Основные требования к проектной и рабочей документации СНиП 2.07.01-89* Градостроительство. Планировка и застройка городских и сельских поселений СНиП 2.08.02-89* Общественные здания и сооружения СНиП 31-01-2003 Здания жилые многоквартирные СП 31-107-2004 Архитектурно-планировочные решения многоквартирных жилых зданий СП 35-104-2001 Здания и помещения с местами труда для инвалидов СанПиН 2.2.1/2.1.1.1076-01 Гигиенические требования к инсоляции и солнцезащите помещений жилых и общественных зданий и территорий СанПиН 2.4.1.1249-03 Санитарно-эпидемиологические требования к устройству, содержанию и организации режима работы дошкольных образовательных учреждений СанПиН 2.4.2.1178-02 Гигиенические требования к условиям обучения в общеобразовательных учреждениях Примечание - При отмене нормативных документов, на которые в настоящих нормах даны ссылки, следует пользоваться документами, введенными взамен отмененных. 3 Термины и определения. Основные обозначения3.1 В документе использованы следующие термины и их определения: азимут светового проема - направление оси светового проема на точку горизонта, имеющую определенный азимутный угол; азиметральная геодезическая шкала круга горизонта - применяется в области градостроительства, имеет 360° с отсчетом от точки севера по направлению часовой стрелки; высота стояния солнца (h) - угловая высота в градусах солнечного луча над горизонтом в определенное время; инсоляция - облучение поверхностей и пространств прямыми солнечными лучами. В области архитектурно-строительного проектирования термин «инсоляция помещений» означает облучение их солнечными лучами через световые проемы; инсоляционный график для 60° с. ш. - выполненный в определенном масштабе график, представляющий собой систему радиальных часовых линий и кривых суточного хода теней, создаваемых тенеобразуюшими элементами (условными стержнями) различной высоты, расположенными в центре графика, при освещении их солнцем в определенный день года; инсоляционные углы светового проема - горизонтальный и вертикальные углы в пределах которых в помещение возможно проникновение прямых солнечных лучей. При определении инсоляционных углов в расчет принимается часть глубины светового проема, равная расстоянию от наружной плоскости стены до внутренней плоскости переплета; нормальная плоскость к фасаду - плоскость перпендикулярная фасаду; планировочные чертежи - эскиз застройки проекта планировки территории, генеральный план (схема генерального плана) участка зданий (комплекса зданий); расчетная высота затеняющего здания (Нр) - высота, определяемая от уровня расчетной точки до карниза (парапета), аттика, конька (перелома мансардной кровли) и других затеняющих элементов здания; расчетные помещения - жилые комнаты и помещения общественных зданий, а также встроенные помещения, в которых должна быть обеспечена нормативная продолжительность инсоляции; расчетная точка - в проектной практике точка на линии фасада контура здания в середине светового проема на планировочном чертеже в определенном масштабе (1:2000, 1:1000, 1:500 и др.), в которой по инсоляционному графику на уровне подоконника определяется продолжительность инсоляции помещения; световой проем (окна, балконной двери, системы «окно + балконная дверь») - проем в наружной стене здания, размер которого определяется в свету (снаружи); солнцезащита - устройство неподвижных (стационарных) или подвижных устройств для защиты от попадания прямых солнечных лучей в помещение; солнцезащитная шахта - светопроводная шахта фонаря; теневой угол светового проема горизонтальный - угол, образуемый линией фасада и проекцией на горизонтальную плоскость первого и (или) последнего солнечного луча, попадающего в помещение (при отсутствии выступов на фасаде, лоджий, вертикальных ограждений балконов и обрамлений световых проемов); теневой угол светового проема вертикальный - угол между плоскостью фасада здания и проекцией солнечного луча на нормальную к фасаду плоскость (или лучом, попадающим в помещение при соответствующей высоте стояния солнца) в определенный час и день года (при отсутствии затеняющих горизонтальных элементов фасада с большим выносом: балконов, лоджий, козырьков и т.п.). Высота стояния солнца (или инсоляционный вертикальный угол) нанесена на инсоляционном графике в кружках, γв = 90° - iв; угол затенения горизонтальный - в проектной практике угол, образуемый плоскостью фасада и проекцией на горизонтальную плоскость первого и (или) последнего солнечного луча после прекращения или перед началом затенения вертикальными затеняющими элементами фасада (выступом здания, вертикальными ограждающими конструкциями балконов и лоджий и др.) при отсутствии затеняющих зданий; угол затенения вертикальный - в проектной практике угол, образуемый плоскостью фасада и проекцией солнечного луча на нормальную к фасаду плоскость (или солнечным лучом, попадающим в помещение при соответствующей высоте стояния солнца) в определенный час и день года после прекращения или перед началом затенения горизонтальными элементами фасада с большим выносом (балконом, лоджией, козырьком, навесом и т.п.) при отсутствии затеняющих зданий; целярий - специальная солнцезащитная установка, обеспечивающая максимальный доступ рассеянной радиации неба при полном экранировании прямых солнечных лучей. 3.2 В документе использованы следующие основные обозначения: β - горизонтальный теневой угол*; βз - горизонтальный угол затенения*; γ - вертикальный теневой угол; γз - вертикальный угол затенения; b0 - ширина светового проема (окна, балконной двери и др.); ΔОБ - толщина оконного блока (от наружной поверхности коробки до внутренней поверхности переплета); dпp - расстояние от наружной поверхности стены до внутренней поверхности переплета (глубина части светового проема); dч, - глубина «четверти» оконного проема (с учетом зазора между «четвертью» и коробкой); Н - высота затеняющих зданий; Нр - расчетная высота затеняющих зданий; h - высота стояния солнца в градусах; hзт - высота расчетной точки от уровня земли затеняемого здания при учете рельефа местности; hп - высота помещения (от пола до потолка); hпд - высота подоконника от пола; hз - высота подоконника от уровня земли; hp - разница отметок земли отмостки затеняющего здания и здания с расчетными помещениями; hpт = hз - высота расчетной точки от уровня земли; iв - вертикальный инфляционный угол; ir - горизонтальный инсоляционный угол; bпр - ширина простенка; dБ - глубина балкона; dл - глубина лоджии. Примечание - * Буква «л» при обозначении горизонтальных «теневых углов» и углов затенения - обозначает: «левый угол»; буква «п» - «правый угол». 4 Общие требования к инсоляции4.1 Нормативная продолжительность инсоляции устанавливается для географической широты г. Санкт-Петербурга (60° с. ш.) на период с 22 апреля по 22 августа. 4.2 Нормативная продолжительность инсоляции устанавливается дифференцированно в зависимости от типа квартир, функционального назначения помещений, а также в зависимости от размещения объекта на территории города. 4.3 Требования к инсоляции помещений зданий и территорий должны соблюдаться в проектах планировки, проектах реконструкции микрорайонов и кварталов, проектах строительства и реконструкции отдельных зданий, при осуществлении надзора за строящимися и действующими объектами. 4.4 Выполнение требований норм инсоляции должно обеспечиваться размещением и ориентацией зданий по сторонам горизонта, а также их объемно-планировочными решениями. 4.5 Инсоляция является важным фактором, благотворно влияющим на самочувствие человека, повышающим тонус, способствующим поддержанию настроения и работоспособности и должна быть использована в жилых, общественных зданиях и на территории жилой застройки. Продолжительность инсоляции регламентируется в помещениях: - жилых зданий, в том числе общежитий, детских домов и др.; - дошкольных образовательных учреждений всех типов; - общеобразовательных учреждений всех типов; - зданий здравоохранения со стационаром; - зданий социального обслуживания населения со стационаром. 4.6 На расчет инсоляции помещений оказывают влияние следующие факторы: - географическая широта места (для Санкт-Петербурга - 60° с.ш.); - положение солнца в различное время дня 22 апреля (22 сентября) и 22 июня; - ориентация помещений по странам света; - размеры световых проемов; - конструкции заполнений световых проемов; - наличие затеняющих зданий и сооружений; - расположение и размеры затеняющих световой проем горизонтальных и вертикальных элементов фасада (балконов, лоджий и их вертикальных ограждающих конструкций, козырьков, навесов и т.п.); - положение расчетной точки. 4.7 На расчет инсоляции территорий оказывают влияние размеры площадок и отсутствие или наличие затеняющих зданий и сооружений. 4.8 Нормативная продолжительность инсоляции помещений жилых и общественных зданий для Санкт-Петербурга в соответствии с СанПиН 2.2.1/2.1.1.1076-01 должна составлять не менее 2,5 часов. 4.9 Допускается прерывистость продолжительности инсоляции помещений, при этом один из периодов инсоляции, принимаемый в расчет, должен быть не менее 1 часа. Суммарная нормативная продолжительность инсоляции при прерывистости увеличивается на 0,5 часа по сравнению с непрерывной инсоляцией (3.3 СанПиН 2.2.1/2.1.1.1076-01). 4.10 Во всех случаях допускается снижение расчетной продолжительности инсоляции помещений и территорий от нормативной продолжительности, но не более чем на 10 минут за счет погрешности метода определения продолжительности инсоляции по инсоляционным графикам (7.7 СанПиН 2.2.1/2.1.1.1076-01). 4.11 В существующих кварталах строительство новых зданий, надстройка и расширение в плане реконструируемых зданий не должны сокращать продолжительность инсоляции расчетных помещений соседних зданий, если существующий уровень равен или ниже нормативного. Для центральных районов восстановление ранее разобранных зданий с сохранением их назначения и параметров, может осуществляться при сохранении прежнего уровня инсоляции помещений, существующего до разборки здания, а также помещений зданий окружающей застройки. 4.12 Расчетная высота затеняющего здания определяется с учетом расположения расчетной точки. 4.13 Горизонтальные или вертикальные инфляционные углы следует определять аналитическим или графическим методом через теневые углы и углы затенения. Углы затенения определяются графическим или аналитическим методом при наличии затеняющих горизонтальных и вертикальных элементов фасада (балконов, лоджий, их вертикальных ограждений, козырьков, навесов и т.п.). Методика аналитического определения горизонтальных и вертикальных теневых углов, углов затенения и инсоляционных углов приведена в приложении Б. 5 Требования к инсоляции жилых помещений5.1 Обеспечение в жилых помещениях нормативной продолжительности инсоляции достигается: - размещением проектируемых жилых домов на расстояниях от окружающей застройки, обеспечивающих инсоляцию расчетных помещений; - формированием жилых зданий из блок - секций с различной ориентацией и блокировкой, обеспечивающей инсоляцию расчетных помещений; - размещением на первых неинсолируемых этажах встроенных помещений, для которых инсоляция не нормируется; - применением объемно-пространственных решений жилых домов с зауженными верхними этажами, с отступом от линии затеняющего фасада; - применением при реконструкции с надстройкой жилых зданий мансардных этажей с наклонными наружными стенами; - размещением горизонтальных затеняющих элементов фасадов (балконов, лоджий, козырьков и т.п.) над световыми проемами помещений, которые не являются расчетными (кухни или другие жилые комнаты квартир). 5.2 В соответствии с 3.1 СанПиН 2.2.1/2.1.1.1076-01 нормативная продолжительность инсоляции в жилых зданиях должна быть обеспечена в жилой комнате однокомнатных квартир, не менее чем в одной комнате двух- и трехкомнатных квартир и не менее чем в двух комнатах четырех- и более комнатных квартир (независимо от системы заселения квартир в существующих жилых домах). 5.3 В зданиях общежитий должны иметь нормативную продолжительность инсоляции не менее 60 % жилых комнат (3.2 СанПиН 2.2.1/2.1.1.1076-01). 5.4 В соответствии с СанПиН 2.2.1/2.1.1.1076-01 допускается снижение нормативной продолжительности инсоляции на 0,5 ч: - в двух- и трехкомнатных квартирах, где инсолируются не менее двух комнат и в четырех- и более комнатных квартирах, где инсолируются не менее трех комнат; - при реконструкции жилой застройки (в том числе, со строительством новых зданий), расположенной в Центральной, исторической зонах города, определенных Генеральным планом Санкт-Петербурга. Учитывая специфику застройки Санкт-Петербурга, своеобразие планировочной структуры исторической части города, допускается снижение нормативной продолжительности инсоляции на 0,5 ч помещений окружающей жилой застройки при строительстве новых объектов в зонах реконструкции с уплотнением застройки в соответствии с Генеральным планом Санкт-Петербурга. Допускается также одноразовое (одно из перечисленных ниже) снижение нормативной продолжительности инсоляции на 0,5 ч помещений объектов нового строительства в особо сложных градостроительных условиях при строительстве зданий с дорогостоящей инженерной подготовкой территории (строительство на намывных территориях, на слабых грунтах большой толщи - более 10,0 м), а также при устройстве свайных фундаментов глубиной заложения более 25,0 м и др. 6 Требования к инсоляции помещений общественных зданий и встроенных учреждений6.1 Нормативная продолжительность инсоляции должна быть обеспечена в основных функциональных помещениях общественных зданий и встроенных учреждений, приведенных в таблице 6.1.
6.2 В дошкольных образовательных учреждениях нормативную продолжительность инсоляции должны иметь все групповые (игровые) и палаты изоляторов, при этом оптимальная ориентация окон палат принимается на юг, а допустимая ориентация палат должна иметь (в соответствии с СанПиН 2.4.1.1249-03) азимут окон от 85 до 275°. Для остальных помещений допускается любая ориентация. 6.3 В учебных помещениях общеобразовательных учреждений (школах, гимназиях, лицеях, колледжах и т. п.) продолжительность инсоляции для Санкт-Петербурга нормируется в соответствии с СанПиН 2.2.1/2.1.1.1076-01. В соответствии с СанПиН 2.4.2.1178-02 ориентация окон учебных помещений должна быть предусмотрена на южные, юго-восточные и восточные стороны горизонта. Окна кабинетов черчения, рисования и кабинета информатики могут быть ориентированы на северные стороны горизонта. 6.4 В лечебных учреждениях и в медицинских центрах со стационаром нормативная продолжительность инсоляции должна быть обеспечена в 60 % количества палат в отделении для взрослых и детей неинфекционных отделений, а также в палатах изоляторов. 6.5 В учреждениях социального обслуживания со стационаром нормативная продолжительность инсоляции должна быть обеспечена в 60 % количества палат, а также в палатах изоляторов. 6.6 В домах - интернатах для престарелых и инвалидов нормативная продолжительность инсоляции должна быть обеспечена в 60 % количества жилых комнат и в палатах изоляторов. 6.7 В центрах социального обслуживания населения с отделением дневного пребывания нормативная продолжительность должна быть обеспечена в комнатах дневного пребывания. 6.8 В детских домах нормативная продолжительность инсоляции должна быть обеспечена в 60 % общего количества комнат и во всех игровых помещениях для детей младшего и дошкольного возраста. 6.9 Наличие рельефа местности влияет на определение величины расчетной высоты затеняющих зданий (Нр). В случае определения продолжительности инсоляции в помещениях здания, расположенного на более высокой отметке по сравнению с затеняющим зданием, его расчетная высота определяется по формуле: Hр = Н - hЗТ - hр, где Н - высота затеняющего здания, hЗТ - высота расчетной точки от уровня земли затеняемого здания, hp - разница отметки земли исследуемого здания на месте расположения расчетной точки на генплане и отметки земли затеняющего здания. При различных отметках по длине затеняющего здания для определения Нр принимается средняя отметка углов фасада, обращенного в сторону исследуемого здания. 6.10 В случае определения продолжительности инсоляции в помещениях здания, расположенного на отметке земли ниже отметки затеняющего здания, его расчетная высота определяется по формуле: Нр = Н + hp - hЗT. 7 Требования к инсоляции территорий7.1 Нормативная продолжительность инсоляции должна быть обеспечена: - на детских игровых площадках жилой застройки; - на физкультурно-спортивных площадках жилой застройки; - на групповых площадках дошкольных образовательных учреждений; - на спортивных площадках и площадках отдыха общеобразовательных учреждений и школ-интернатов; - в зонах отдыха лечебных учреждений и учреждений социального обслуживания со стационаром; - на спортивных площадках и площадках отдыха общеобразовательных учреждений для сирот и детей, оставшихся без попечения родителей (детских домов всех типов). 7.2 Нормативная продолжительность инсоляции должна составлять не менее 3 часов на 50 % территории площадок всех типов. 7.3 При определении продолжительности инсоляции территорий на рельефе любого назначения применяется тот же принцип, что при размещении зданий на рельефе: - в первом случае расчетная высота затеняющих зданий определяется по формуле: Нр = Н - hp; - во втором случае: Нр = Н + hp. 8 Расчет продолжительности инсоляции8.1 Расчет продолжительности инсоляции помещений и территорий Санкт-Петербурга выполняется по инсоляционным графикам НИИСФ для 60° с. ш., приведенным в приложении А (рисунки А.1, А.2). 8.2 Расчет продолжительности инсоляции помещений на период, установленный в 4.1, производится на день начала периода (или день его окончания): 22 апреля или 22 августа с проверкой продолжительности инсоляции на 22 июня. 8.3 Расчет продолжительности инсоляции помещений выполняется на планировочных чертежах в расчетной точке, расположенной на линии фасада контура здания в середине светового проема на уровне подоконника. Методика и пример расчета продолжительности инсоляции помещений приведены в приложении В. 8.4 При расчете продолжительности инсоляции территории площадок различного типа расчетная точка располагается в центре инсолируемой половины площадки. 8.5 В расчетах продолжительности инсоляции не учитываются первые 1,5 ч после восхода и последние 1,5 ч перед заходом солнца, что отражено на инсоляционном графике. 8.6 Допускается снижение расчетной продолжительности инсоляции от нормируемой на 10 мин. 8.7 Исходные данные и материалы, необходимые для расчета продолжительности инсоляции помещений приведены в приложении Г. 9 Солнцезащита9.1 Требования по ограничению избыточного теплового воздействия инсоляции и иного светового дискомфорта, включающего слепящее воздействие солнечных лучей, распространяются на жилые комнаты отдельных квартир, общежитий, дошкольных образовательных учреждений, учебные помещения общеобразовательных учреждений, общеобразовательных школ-интернатов, учреждений начального профессионального образования, а также лечебных учреждений со стационаром, учреждений социального обеспечения, санаториев и учреждений отдыха и др., имеющих юго-западную и западную ориентации светопроемов. 9.2 ограничение избыточного теплового воздействия инсоляции и иного светового дискомфорта помещений и территорий в жаркое время года должно обеспечиваться соответствующей планировкой и ориентацией зданий, благоустройством территорий, а при невозможности обеспечения солнцезащиты помещений ориентацией, необходимо предусматривать конструктивные и технические средства солнцезащиты (кондиционирование, внутренние системы охлаждения, жалюзи и т.д.) ограничение теплового воздействия инсоляции территорий должно обеспечиваться затенением зданиями, специальными затеняющими устройствами и рациональным озеленением. 9.3 классификация светозащитных устройств приведена в приложении Е. 9.4 Меры по ограничению избыточного теплового воздействия инсоляции не должны приводить к нарушению норм естественного освещения помещений. 9.5 Солнцезащита рабочих мест инвалидов по зрению должна предусматриваться в соответствии с СП 35-104. Приложение А
| |||||||||||||||||||||||||||||||||||||||||||||||||||||||||||||||||||||||||||||||||||||||||||||||||||||||||||||||||||||||||||||||||||||||||||||||||||||||||||||||||||||||||||||||||||||||||||||||||||||||||||||||||||||||||||||||||||||||||||||||||||||||||||||||||||||||||||||||||||||||||||||||||||||||||||||||||||||||||||||||||||||||||||||||||||||||||||||||||||||||||||||||||||||||||||||||||||||||||||||||||||||||||||||||||||||||||||||||||||||||||||||||||||||||||||||||||||||||||||||||||||||||
|
Обозначения на рисунке Б.1 |
Основные типы конструкций и остекления деревянных оконных блоков |
ΔОБ, м |
dпр при глубине «четверти» (dч) с зазором, м |
||
|
0,07 |
0,13 |
0,26 |
|||
|
а |
Одинарный оконный блок с одним стеклом |
0,060 |
0,130 |
0,190 |
0,320 |
|
б |
Одинарный оконный блок с однокамерным стеклопакетом |
0,090 |
0,160 |
0,220 |
0,350 |
|
в |
Одинарный оконный блок с двухкамерным стеклопакетом |
0,095 |
0,165 |
0,225 |
0,355 |
|
г |
Спаренный оконный блок с двойным остеклением |
0,110 |
0,180 |
0,240 |
0,370 |
|
д |
Спаренный оконный блок со стеклом и стеклопакетом |
0,130 |
0,200 |
0,260 |
0,390 |
|
е |
Раздельный оконный блок с двойным остеклением |
0,155 |
0,225 |
0,285 |
0,415 |
|
ж |
Раздельно-спаренный оконный блок с тройным остеклением |
0,155 |
0,225 |
0,285 |
0,415 |
|
з |
Раздельный блок со стеклом и однокамерным стеклопакетом |
0,205 |
0,275 |
0,335 |
0,465 |
|
и |
Раздельный оконный блок со стеклом и двухкамерным стеклопакетом |
0,210 |
0,280 |
0,340 |
0,470 |
|
к |
Раздельный оконный блок с двумя однокамерными стеклопакетами |
0,200 |
0,270 |
0,330 |
0,460 |
|
Примечания 1 Приведенные в таблице Б.1 размеры ΔОБ могут применяться для определения вертикальных и инсоляционных углов при расчете продолжительности инсоляции помещений при отсутствии чертежей оконных и балконных блоков на стадии предпроектных проработок и стадии «проект». При наличии чертежей оконных и балконных блоков других конструкций, применяемых в проекте, для расчетов инсоляции применяются конкретные размеры. Чертежи блоков прикладываются к расчетам инсоляции. 2 Приведенные в таблице Б.1 размеры ΔОБ соответствуют округленным размерам толщины блоков для деревянных окон и балконных дверей жилых и общественных зданий. |
|||||

Рисунок Б.1 - Основные типы конструкций и варианты заполнения светопрозрачной части деревянных оконных блоков
а - одинарный оконный блок с одним стеклом; б - одинарный оконный блок с однокамерным стеклопакетом; в - одинарный оконный блок с двухкамерным стеклопакетом; г - спаренный оконный блок с двойным остеклением; д - спаренный оконный блок со стеклом и стеклопакетом; е - раздельный оконный блок с двойным остеклением; ж - раздельно-спаренный оконный блок с тройным остеклением; з - раздельный оконный блок со стеклом и однокамерным стеклопакетом; и - раздельный оконный блок со стеклом и двухкамерным стеклопакетом; к - раздельный оконный блок с двумя стеклопакетами
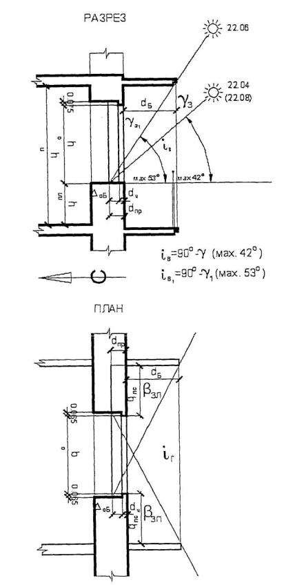
Величину горизонтального теневого угла следует определять по формуле:
![]()
Угол β определяется по таблицам натуральных значений тригонометрических функций справочников по математике. Величина горизонтального инсоляционного угла определяется по формуле:
ir = 180° - 2β (при равных β) и ir = 180° - βл - βп
Горизонтальные углы затенения - (βз) определяются с учетом глубины балкона (лоджии) и размеров простенков (см. рисунки Б.3 и Б.5).
2 Вертикальные инсоляционные углы при отсутствии горизонтальных затеняющих элементов фасада над световым проемом расчетного помещения в каждый час инсоляционного периода на 22 апреля (22 августа) и на 22 июня равны высоте стояния солнца и нанесены на инсоляционные графики. Графического изображения вертикального угла, в данном случае, не требуется.
3 При наличии горизонтальных затеняющих элементов фасада (балкона, эркера, лоджии, навеса, козырька и т.п.), ориентированных на южную сторону горизонта, при расчете продолжительности инсоляции расчетного помещения следует определять вертикальный инсоляционный угол с целью проверки попадания солнечных лучей в помещение при максимальной высоте стояния солнца в 12 часов 22 июня, равной 53°.
4 Для аналитического определения вертикальных углов затенения (γз) необходимы следующие исходные параметры:
- расстояние от плоскости подоконника до нижней плоскости затеняющего горизонтального элемента фасада, которое определяется как:
hп - hпд
где hп - высота помещения в чистоте (от пола до потолка), hпд - высота подоконника от пола;
- часть глубины светового проема - расстояние от наружной поверхности стены со световым проемом до внутренней поверхности переплета (dпp), состоящее из глубины «четверти» светового проема с учетом зазора (dч) и расстояния от наружной грани коробки до внутренней поверхности комнатного переплета (ΔОБ); размеры ΔОБ для различных конструкций деревянных оконных блоков приведены в таблице Б.1;
- глубина (вынос) затеняющего горизонтального элемента фасада (балкона, лоджии, эркера, навеса, козырька и т.п.) - (dз).
5 Величину вертикального угла затенения (γз) следует определять по формуле:
![]()
Угол γз определяется по таблицам натуральных значений тригонометрических функций справочников по математике.
Величина вертикального инсоляционного угла определяется по формуле:
iв = 90º - γз
6 При ориентации светового проема на южную сторону горизонта, при незначительной глубине затеняющих горизонтальных элементов фасада, вертикальный инсоляционный угол определяется аналитическим методом по 4 и 5 настоящего приложения.
Полученный результат сравнивается с высотой стояния солнца в 12 ч 22 июня (равной 53°).
Если вертикальный инфляционный угол меньше 53° максимальной высоты стояния солнца в 12 ч 22 июня, лучи солнца попадают в расчетное помещение (см. рисунок Б.3).
При значительной глубине горизонтальных затеняющих элементов фасада продолжительность инсоляции определяется графическим методом на разрезе и плане светового проема (см. рисунок Б.5). Глубину балкона (лоджии) помещения ориентированного на юг не препятствующего проникновению солнечных лучей предварительно можно определить, умножив расстояние от подоконника до потолка на 0,75 и уменьшив результат на величину глубины проема dпр.
Примеры определения вертикальных и горизонтальных теневых и инсоляционных углов и углов затенения при затеняющих элементах фасада приведены на рисунках Б.2-Б.5.

Обозначения к рисункам Б.2 - Б.5
|
iг - горизонтальный инсоляционный угол |
b0 - ширина светопроема по свету |
|
iв - вертикальный инсоляционный угол |
dпр - глубина светопроема (для расчетов) |
|
β - горизонтальный теневой угол светопроема (л - левый, п - правый) |
dч - глубина «четверти» светопроема |
|
βз - горизонтальный угол затенения (л - левый, п - правый) |
ΔОБ - толщина оконного блока |
|
γ - вертикальный теневой угол светопроема |
dпс - ширина простенка |
|
γз - вертикальный угол затенения |
dБ - глубина балкона (лоджии - dл) |
Рисунок Б.2 - Схема определения теневых и инфляционных углов светопроема

Рисунок Б.3 - Схема определения углов затенения и инфляционных углов светопроема (обозначения смотри на рисунке Б.2)

Рисунок Б.4 - Схема определения инсоляционных и теневых углов и углов затенения при наличии выступа в плане (обозначения смотри на рисунке Б.2)

Рисунок Б.5 - Схема определения инфляционных, теневых углов и углов затенения при большом выносе балкона (с корректировкой выноса балкона для получения нормативной продолжительности инсоляции в проектируемом помещении) (обозначения смотри на рисунке Б.2)
Настоящая методика предназначена для расчета продолжительности инсоляции помещений и территорий при помощи инсоляционных графиков.
В Санкт-Петербурге инфляционный период начинается по графику 22 апреля (22 августа) в 6 часов, через 1,5 часа после восхода солнца и заканчивается в 18 ч за 1, 5 ч до захода солнца.
Определение продолжительности инсоляции помещений приводится в следующей последовательности:
- на схеме генплана участка застройки (или другом планировочном чертеже) в масштабе инсоляционного графика определяют положение расчетной точки помещения;
- определяют горизонтальные «теневые углы» и «углы затенения»;
- центральную точку «О» инсоляционного графика совмещают с расчетной точкой помещения;
- инсоляционный график ориентируют по странам света;
- отмечают расчетную высоту противолежащего здания по условному масштабу высот зданий на инфляционном графике;
- по инфляционному графику определяют продолжительность инсоляции помещения в пределах инсоляционных углов светового проема. При этом продолжительность суммарной прерывистой инсоляции равна сумме времени всех периодов инсоляции по графику. Полученный результат сравнивают с нормативной продолжительностью инсоляции помещений.
Определение продолжительности инсоляции территории проводится в следующей последовательности:
- на схеме генерального плана (или другом планировочном чертеже) в масштабе инсоляционного графика разбивают площадку на две равные части;
- для каждой половины определяют расчетную точку, находящуюся в геометрическом центре;
- для расчета принимают половину площадки, находящуюся в наилучших условиях;
- центральную точку инсоляционного графика совмещают с расчетной точкой выбранной половины площадки;
- инсоляционный график ориентируют по странам света;
- отмечают высоты окружающих площадку зданий;
- по инсоляционному графику определяют продолжительность инсоляции выбранной половины площадки;
- полученный результат сравнивают с нормативной продолжительностью инсоляции площадок.
1 Настоящие рекомендации предназначены для расчета (и проверки правильности расчета) продолжительности инсоляции помещений и территорий при помощи инсоляционных графиков.
Для Санкт-Петербурга применяются инсоляционные графики в М 1:500 для 60° с. ш. на 22 апреля (22 августа) и на 22 июня.
Каждый инсоляционный график представляет собою сочетания часовых радиальных линий и кривых хода тени на начало или конец периода инсоляции.
Часовые линии представляют собою горизонтальные проекции солнечных лучей, идущих в расчетную точку в разное время периода инсоляции. Часовые линии нанесены через каждые полчаса.
На часовой линии, обозначающей полный час, в кружках обозначены: вверху - часы, внизу - высота стояния солнца (h) в градусах для каждого часа.
Каждая из кривых линий в условном масштабе соответствует определенной расчетной высоте затеняющих зданий. Значения высот нанесены на трех вертикальных линиях графика.
2 В Санкт-Петербурге инсоляционный период начинается по графику 22 апреля (22 августа) в 6 часов, через 1,5 ч после восхода солнца и заканчивается в 18 часов за 1,5 ч до захода солнца.
По графику на 22 июня инсоляционный период начинается в 4 ч и заканчивается в 20 ч.
3 Инфляционными графиками в М 1:500 возможно пользоваться для определения продолжительности инсоляции на схемах генплана и других планировочных чертежах в М 1:1000, 1:2000 и 1:200, с соответствующим изменением цифр условного масштаба высот зданий. При масштабе 1:1000 цифры должны быть увеличены в два раза, при масштабе 1:200 - уменьшены в 2,5 раза (пропорционально увеличению и уменьшению цифрового обозначения масштаба, т.е. путем перевода масштаба).
Расчет продолжительности инсоляции помещений проводится в следующем порядке.
1 На схеме генплана (или другом планировочном чертеже), выполненной с учетом требований приложения Д настоящих норм, определяются здания, для помещений которых нормируется продолжительность инсоляции.
2 На поэтажных планах ПИБ существующих зданий и планах этажей проектируемых зданий, для помещений которых нормируется продолжительность инсоляции, определяются расчетные точки.
Для расчета следует выбирать минимально необходимое количество расчетных точек помещений, находящихся в наихудших условиях инсоляции (меньшее расстояние до затеняющего здания, большая его высота, меньший размер светопроема исследуемого помещения, наличие над световым проемом горизонтальных затеняющих элементов (балконов, лоджий, козырьков и т.п., наличие вблизи световых проемов выступов зданий и др.).
3 Для каждого исследуемого здания должны быть подготовлены исходные данные, необходимые для расчета инсоляции помещений, приведенные в приложении Д настоящих норм.
Исходные и расчетные параметры для определения продолжительности инсоляции в расчетных точках каждого здания целесообразно свести в единую таблицу для удобства расчетов и их проверки (см. таблицу раздела Г.3.1 данного приложения).
4 Для определения продолжительности инсоляции каждой заданной расчетной точки следует:
- совместить расчетную точку на схеме генплана с центральной точкой инсоляционного графика на 22 апреля (22 августа), таким образом, чтобы линия направления на север на инсоляционном графике совпадала с направлением на север на схеме генплана;
- при отсутствии затеняющих зданий в начале и в конце периода инсоляции расчетной точки нанести «теневой угол светового проема», определив его размер в соответствии с приложением Б настоящих норм (линия «теневого угла» будет началом и (или) концом инсоляции расчетной точки);
- найти на кривых линиях условных высот графика точку пересечения с ближайшим контуром затеняющего здания на схеме генплана (с затеняющим углом здания), отвечающую расчетной высоте затеняющего здания (Нр).
5 Радиальная линия, соединяющая расчетную точку с точкой пересечения с затеняющим зданием, означает время инсоляции (начала или конца инсоляции или периода инсоляции).
6 Найденную точку пересечения кривой высот с затеняющим зданием целесообразно обозначать той же цифрой, что и расчетную точку с указанием внизу порядкового номера луча от начала инсоляции (на верху цифры, обозначающей расчетную точку целесообразно указывать этаж ее расположения). При большом количестве расчетных точек и необходимости определения инсоляции помещений на нескольких этажах, целесообразно вести расчет для каждого этажа на отдельном чертеже.
Полученные результаты расчета по всем зданиям целесообразно свести в Сводную таблицу расчета продолжительности инсоляции (рекомендуемая форма таблицы приведена в разделе Г.3 настоящего приложения)
Завершается расчет выводами о результатах расчета и сравнением его с нормативной продолжительностью инсоляции.
7 Допускается выполнять расчеты продолжительности инсоляции по сертифицированным компьютерным программам с обязательными условиями:
7.1 предоставления в пояснительной записке или на схеме генплана исходных данных, сводной таблицы расчета продолжительности инсоляции всех объектов, а также выводов о результатах расчета;
7.2 предоставления графического материала расчета с нанесением расчетных точек, точек пересечения радиальных часовых линий с контуром затеняющих зданий, с обозначением времени начала и окончания инсоляции, расчетной высоты затеняющих зданий и «теневых углов» (при необходимости).
8 При наличии над световым проемом, ориентированном на южную сторону горизонта, горизонтальных затеняющих элементов фасада (балконов, лоджий, козырьков и т.п.) дополнительно аналитическим методом определяется вертикальный угол затенения для проверки условий инсоляции на 22 июня (он должен быть менее 53°).
При этом при большой глубине (выносе) горизонтальных затеняющих элементов фасада применяется графический метод определения продолжительности инсоляции на разрезе и плане светового проема (см. рисунок Б.5).
9 При наличии в помещениях витражных окон расчетная точка принимается на линии фасада посередине проема на уровне его низа.
10 Расчетная точка для мансардных окон принимается аналогично обычным окнам (на линии фасада мансардного этажа посередине проема на уровне его низа) независимо от наклона наружной стены мансарды, при этом расчетная высота затеняющих зданий и сооружений определяется с учетом положения расчетной точки по высоте.
11 Для окон, расположенных в плоскости кровли, расчетная точка принимается в центре проема.
Расчет продолжительности инсоляции помещений с окнами в плоскости кровли производится аналогично расчету инсоляции территорий, при этом расчетная высота затеняющих зданий и сооружений определяется с учетом положения расчетной точки по высоте.
12 При наличии в помещении двух или более световых проемов, расположенных на одной наружной стене, расчет продолжительности инсоляции помещения производится для одного из них.
При наличии в угловом помещении световых проемов, расположенных на разных наружных стенах, расчет продолжительности инсоляции производится для одного из них, имеющих наилучшие условия инсоляции.
Задача: Определить продолжительность инсоляции жилых помещений проектируемого жилого дома и окружающей застройки (см. рисунок Г.3.1).
Проектируемый 16-ти этажный жилой дом оказывает затеняющее влияние на жилые здания № 1 и № 2 (при расчете указываются конкретные адреса всех зданий). Расчет производится для помещений, находящихся в наихудших условиях инсоляции, как правило, расположенных на 1 этаже, где располагаются помещения, в которых нормируется продолжительность инсоляции.
Таблица Г.3.1 - Исходные и расчетные параметры
|
Наименование исходных и расчетных параметров |
Размеры, м: (для строк. 1-10) |
||
|
Существующее здание № 1 |
Существующее здание № 2 |
Проектируемое здание (№ 3) |
|
|
Н |
Н1 = 16,00 |
Н2 = 27,00 |
Н3 = 50,00 |
|
b0 |
1,20 |
1,50 |
1,00 |
|
h0 |
1,80 |
1,50 |
1,80 |
|
hпл |
0,90 |
0,80 |
0,80 |
|
hpт = hз |
2,1 |
1,85 |
2,00 |
|
Нр= Н - hз |
№ 2 - 24,90 |
№ 1 - 14,15 |
- |
|
|
№ 3 - 47,90 |
№ 3 -48,15 |
- |
|
dч |
0,13 |
0,07 |
0,26 |
|
ΔОБ |
0,155 |
0,11 |
0,095 |
|
dпp = dч+ ΔОБ |
0,285 |
0,18 |
0,355 |
|
|
|
|
|
|
β |
13,5°* |
7° |
19,5° |
|
* Расчет теневого угла для дома № 1 относится к другим расчетным точкам, не показанным на рисунке Г.3.1 |
|||
Расчет продолжительности инсоляции точек 1, 2 и 3 смотри Сводную таблицу расчета и рисунок Г.3.1.
Таблица Г.3.2 - Сводная таблица расчета продолжительности инсоляции жилых помещений проектируемого жилого дома и окружающей застройки
|
Точки |
Этаж |
Номер квартир |
Количество комнат в кварти-ре |
Начало инсоляции |
Конец инсоляции |
Продолжительность инсоляции |
Условия инсоляции |
% к норме 2,5 часа (3,0 часа) |
|
1 Жилой дом № 1 (указывается точный адрес) |
||||||||
|
1 и т. д. |
1 |
№ 4 |
3 |
7 час. 50 мин. |
10 час. 37 мин |
2 час 47 мин |
|
111,3 |
|
2 Жилой дом № 2 (указывается точный адрес) |
||||||||
|
2 и т. д. |
1 |
№ 2 |
1 |
10 час. 24 мин. 15 час. 30 мин. |
12 час 35 мин 17 час 50 мин |
2 час 11 мин. 2 час 20 мин. |
1 период 2 период |
150,5 % От 3-х часов |
|
3 Проектируемый жилой дом |
||||||||
|
3 и т. д. |
2 |
|
2 |
6 часов |
8 час. 38 мин |
2 час 38 мин |
|
105,3 |
Выводы:
1 Строительство проектируемого жилого дома не приведет к снижению продолжительности инсоляции существующих жилых зданий в необходимом количестве комнат ниже нормативного уровня (2,5 часа непрерывной инсоляции и 3,0 часа при одноразовой прерывистости);
2 Все квартиры проектируемого жилого дома будут иметь продолжительность инсоляции в необходимом количестве комнат, превышающую нормативный уровень (2,5 часа непрерывной инсоляции).

Рисунок Г.3.1. - Пример расчета продолжительности инсоляции помещений жилых зданий
Таблица Д.1 - Исходные материалы и данные, необходимые для расчета инсоляции помещений существующих и проектируемых зданий
|
Наименование исходных материалов и данных |
Требования к исходным материалам и данным |
|
1 Ситуационный план в М 1:2000 |
На ситуационном плане должны быть нанесены: |
|
|
- координатная сетка и направление север-юг; |
|
|
- проектируемые здания: |
|
|
- существующие здания с указанием этажности; |
|
|
- экспликация зданий с указанием их функционального назначения. |
|
2 Схема генерального плана территории: |
На схеме генерального плана должны быть нанесены: |
|
в М 1:500 (для группы зданий), |
- координатная сетка и направление север-юг; |
|
в М 1:1000 (для кварталов нецентральных районов), в М 1:200 (для отдельных объектов затесненных кварталов центральной части города) |
- контуры всех зданий и сооружений с указанием высоты (Н) от уровня земли до карниза (парапета); контуры зданий, по которым требуется расчет инсоляции наносится в габаритах того этажа, где располагаются помещения с нормируемой продолжительностью инсоляции, находящиеся в наихудших условиях; |
|
|
- на контурах зданий наносятся габариты выступающих над кровлей лестнично-лифтовых узлов и других затеняющих элементов зданий (башен, аттиков, переломов мансардных кровель, коньков и т.п.) с указанием их высоты (Н) от уровня земли; |
|
|
- входы в здания. |
|
|
Кроме того, схема генерального плана должна иметь экспликацию зданий с указанием их основного функционального назначения и перечень и назначение встроенных учреждений, inn ссылку на чертеж генерального плана, если расчет инсоляции входит в единый том с градостроительной, проектной или предпроектной документацией, и в экспликации содержатся необходимые сведения об окружающей застройке. |
|
3 Поэтажные планы существующих зданий в масштабе 1:200 |
Поэтажные планы существующих зданий получают в районных Проектно-инвентаризационных бюро (ПИБ). |
|
|
На поэтажных планах должны быть указаны высоты помещений (hп). |
|
|
Поэтажные планы общественных зданий и планы этажей со встроенными и встроено-пристроенными учреждениями, где располагаются помещения, для которых нормируется продолжительность инсоляции, должны быть дополнены экспликацией помещений с указанием их функционального назначения. |
|
4 Для помещений существующих зданий, в которых нормируется продолжительность инсоляции в соответствии с СанПиН 2.2.1/2.1.1.1076-01, необходимы следующие данные: |
Перечисленные исходные данные отсутствуют в поэтажных планах ПИБ и определяются, как правило, обмером. Приведенные в графе 2 исходные данные, необходимы для определения теневых и инфляционных горизонтальных и вертикальных углов и расчетной высоты затеняющих зданий при расчете продолжительности инсоляции в расчетных помещениях. |
|
- ширина светопроемов в свету (b0); |
|
|
- высота светопроемов в свету (h0); |
|
|
-высота подоконника от уровня земли (hз); |
|
|
- высота подоконника (низа проема) над полом (bпд)*; |
|
|
- глубина «четверти» светопроема (dч); |
|
|
- глубина (вынос) затеняющих горизонтальных элементов фасада (балконов, лоджий, козырьков и т.п.) над светопроемами (обозначается буквой d с соответствующим индексом) - при наличии; |
|
|
- длина вертикальных ограждающих балкон (лоджию) элементов, затеняющих светопроем - при наличии. |
|
|
* Примечание - При отсутствии данных высота подоконника (низа проема) над полом принимается 0,8 м. |
|
|
5 Планы земельных участков существующих зданий ПИБ в М 1:500. |
Планы земельных участков получают в районных Проектно-инвентаризационных бюро, на них должна быть проставлена высота здания (Н). |
|
6 Планы этажей проектируемых зданий в М 1:200 или М 1:100 (кроме того, желательно дополнительно в М 1:500) |
Планы этажей общественных зданий и этажей со встроенными учреждениями обслуживания должны иметь экспликацию помещений с указанием их функционального назначения. На планах этажей должны быть проставлены размеры светопроемов в свету и приведена глубина «четверти» светопроемов. На планах этажей жилых домов должны быть обозначены количество комнат в квартире и площадь жилых комнат или номер помещений. |
|
7 Разрезы проектируемых зданий по характерным местам в М 1:200 или 1:100. |
На разрезах должны быть указаны в соответствии с 5.1.2 ГОСТ 21.101 следующие отметки: |
|
|
- уровня земли; - низа и верха светопроемов в свету; - пола этажей, а также отметки всех затеняющих элементов здания (карниза, (парапета), башен, аттиков, лестнично-лифтовых узлов (выступающих над кровлей), перелома мансардной кровли, конька кровли и т.п. |
|
8 План кровли в М 1:200 с нанесением отметок всех затеняющих элементов здания, перечисленных в графе 2 п. 7 настоящей таблицы, (кроме того, желательно в М 1:500) |
На план кровли необходимо нанести отметки всех затеняющих элементов здания, не попавших в разрезы. |
|
9 Типы конструкций оконных блоков со свето-прозрачными заполнениями существующих и проектируемых зданий. |
Указывается один из типов оконных блоков, приведенных на рисунке Б.1. При применении других конструкций оконных блоков указывается другая толщина оконного блока (ДОБ). |
Таблица Е.1 - Классификация светозащитных устройств
|
Наименование СЗС |
Обеспечиваемый эффект |
Область применения |
Рациональные секторы ориентации |
Рекомендуемые материалы |
|
I Архитектурно-планировочные |
||||
|
Ориентация и взаиморасположение здании |
Защита от светового и теплового дискомфорта и рациональность выбора СЗУ |
Здания, в том числе в которых регламентируется ориентация помещений в санитарных нормах |
Продольная ось здания вдоль гелиотермической оси |
- |
|
Конфигурация здания в плане |
То же |
Все здания |
То же |
- |
|
Озеленение и обводнение территории |
Улучшение микроклимата |
Внутриквартальные территории и скверы |
- |
Газоны, кустарники, вьющиеся деревья с густыми и широкими кронами |
|
Покрытия тротуаров и площадок нетеплоемкими материалами |
То же |
То же |
- |
Тощий бетон, песок, грунтовые покрытия с дренажем |
|
II Конструктивные |
||||
|
1 Затеняющие элементы зданий |
||||
|
Объемно-пространственное решение здания |
Защита от светового и теплового дискомфорта |
Общественные здания |
45-135 и 225-15° |
- |
|
Профиль покрытий (в том числе шеды) |
Световой и тепловой комфорт |
То же |
330-30° |
- |
|
2 Межстекольные солнцезащитные и светорегулирующие устройства |
||||
|
Горизонтальные жалюзи |
Защита от светового и теплового дискомфорта |
То же |
90-270° |
Дерево, алюминий, пластмассы, асбоцемент |
|
Вертикальные жалюзи |
То же |
То же |
45-90° и 270-315° |
Дерево, алюминий, пластмассы, асбоцемент |
|
Солнцезащитный диффузор для зенитного фонаря |
Световой и тепловой комфорт |
Общественные здания |
- |
Алюминий, пластмассы |
|
Солнцезащитная шахта |
|
Общественные здания |
- |
Световая шахта фонаря |
|
Подвесной потолок-решетка |
Защита от светового дискомфорта |
То же |
- |
Алюминий, пластмассы |
|
Ставни-жалюзи* (сдвижные и складывающиеся) |
Световой и тепловой комфорт |
Жилые здания и детские учреждения |
0-360° и 45-315° |
Дерево, алюминий, пластмассы |
|
Штора (свертывающаяся, откидная) |
Защита от светового и теплового дискомфорта |
Жилые здания, гостиницы |
45-315° |
Деревянные, алюминиевые и пластмассовые планки (пустотелые) |
|
Веерные жалюзи для зенитного фонаря* |
Световой и тепловой комфорт |
Общественные здания |
- |
Алюминий |
|
Штора (свертывающаяся) |
То же |
Жилые здания и детские учреждения |
45-315° |
Солнцезащитные ткани, планки |
|
Штора-жалюзи |
Защита от светового дискомфорта |
Любые здания |
90-270° |
Алюминий, пластмассы |
|
Штора |
То же |
То же |
90-270° |
Солнцезащитные ткани |
|
3 Солнцезащитные изделия из стекла и пленок |
||||
|
Теплоотражающие стекла |
Защита от теплового дискомфорта |
Общественные здания |
45-315° 0-360° |
Металлизированные покрытия |
|
4 Солнцезащитные устройства для территорий |
|
|
|
|
|
Сезонные тенты-жалюзи |
Тепловой и ультрафиолетовый комфорт |
Детские и спортивные площадки, тротуары |
- |
Солнцезащитные ткани, алюминий |
|
Целярий |
То же |
Санатории, курорты |
180° |
Алюминий, дерево |
|
III Технические |
||||
|
Кондиционирование воздуха: |
Защита от теплового дискомфорта |
- |
0-360° |
- |
|
а) централизованное |
|
общественные здания; |
|
|
|
б) местное |
|
жилые и обществ, здания |
0-360° |
|
|
Радиационное охлаждение |
То же |
То же |
0-360° |
- |
|
Водоразбрызгивающие установки |
|
То же |
|
- |
|
Примечание - СЗУ, отмеченные значком *, являются универсальными устройствами. |
||||
Ключевые слова: инсоляция, продолжительность инсоляции, расчетная точка, расчетные помещения, инфляционные углы, инсоляционный график.
|
|
|
|