//
ТехЛит.ру
- крупнейшая бесплатная электронная интернет библиотека для "технически умных" людей.
WWW.TEHLIT.RU - ТЕХНИЧЕСКАЯ ЛИТЕРАТУРА

:: Алготрейдинг::


АЛГОТРЕЙДИНГ
шаг за шагом
с нуля по урокам!

Торговые роботы на PYTHON, BackTrader,
Pandas, Pine Script для TradingView. Связка с брокерами, телеграм и легкими приложениями.


Государственный комитет Совета Министров РСФСР по профессионально-техническому образованию

Учебно-методическое управление
Библиотека мастера производственного обучения

ИНСТРУКЦИОННО-ТЕХНОЛОГИЧЕСКИЕ КАРТЫ ПО ОБЛИЦОВОЧНЫМ РАБОТАМ

МОСКВА, 1973 г.

Содержание

Инструкционно-технологическая карта № 1

Общие сведения

Инструкционно-технологическая карта № 2

Подготовка керамических плиток к укладке

Инструкционно-технологическая карта № 3

Подготовка основания под полы из плиток

Инструкционно-технологическая карта № 4

Настилка полов из керамических метлахских плиток

Инструкционно-технологическая карта № 5

Настилка химически стойких полов

Инструкционно-технологическая карта № 6

Настилка полов из синтетических плиток

Инструкционно-технологическая карта № 7

Подготовка основания под облицовку вертикальных поверхностей

Инструкционно-технологическая карта № 8

Облицовка вертикальных поверхностей глазурованными керамическими плитками

Инструкционно-технологическая карта № 9

Облицовка пилястр, колонн и откосов

Инструкционно-технологическая карта № 10

Подготовка оснований под бесшовные покрытия полов

Инструкционно-технологическая карта № 11

Устройство одноцветного мозаичного покрытия пола

Инструкционно-технологическая карта № 12

Устройство мозаичного покрытия пола с прокладкой жилок и по заданному рисунку

Инструкционно-технологическая карта № 13

Отделка мозаичного покрытия пола оттиркой, шлифовкой, полировкой и натиркой воском

Инструкционно-технологическая карта №14

Устройство ксилолитовых полов

Инструкционно-технологическая карта № 15

Устройство поливинилацетатных полимерцементных мастичных полов

ЛИТЕРАТУРА

Инструкционно-технологические карты разработаны в Учебно-методическом управлении Государственного комитета Совета Министров РСФСР по профессионально-техническому образованию И.С. Простапенко и В.П. Ивановым, в соответствии с программами производственного обучения для подготовки в обычных и средних профессионально-технических училищах облицовщиков-плиточников, мозаичников. Пособие может быть также использовано при подготовке плиточников непосредственно на производстве.

Помимо сведений по технологии и организации работ, и картах содержатся сведения по технике безопасности, о применяемых машинах и приспособлениях, инструменте и материалах, затратах труда, даны советы учащимся по самостоятельной подготовке к занятиям и самоконтролю качества выполняемых работ.

Инструкционные карты печатаются в соответствии с решением коллегии Госпрофобра от 13 декабря 1968 г. «О состоянии подготовки квалифицированных рабочих-строителей отделочных профессий в профессионально-технических училищах Российской федерации».

Инструкционно-технологическая карта № 1

Общие сведения

1. УКАЗАНИЯ ПО САМОПОДГОТОВКЕ К ВЫПОЛНЕНИЮ ЗАДАНИЙ

Учащимся надлежит хорошо изучить материал, изложенный в данной карте, и ответить на следующие вопросы:

Характеристика облицовочных работ и конструкций горизонтальных и вертикальных облицовок.

Цикличный метод производства отделочных работ и место облицовочных работ в общем потоке.

Особенности производства облицовочных работ в зимнее время.

Вяжущие материалы, применяемые в облицовочных работах, и их свойства.

Заполнители и наполнители, применяемые при изготовлении растворов и мастик, их назначение.

Виды плиток и плит, применяемых для облицовочных работ, их основные свойства.

Вспомогательные материалы и область их применения.

Условия, при которых в помещениях можно выполнять облицовочные работы.

Требования, предъявляемые к поверхностям, подлежащим облицовке.

С какой целью в инструкционные карты включены сведения о расходе материалов, нормы времени (выработки) и как определить ученическую норму времени?

Основные правила техники безопасности при производстве облицовочных работ.

2. ОСНОВНЫЕ СВЕДЕНИЯ О РАБОТАХ И КОНСТРУКЦИЯХ

Облицовочные работы делятся на:

а) плиточные работы,

б) устройство бесшовных покрытий.

К плиточным работам относятся облицовка плитками, изготовленными из различных материалов, имеющими различную форму и размеры стен, полов и потолков внутри зданий и сооружений, , а также наружных стен зданий.

 К бесшовным покрытиям относится устройство чистых полов из различного рода составов; в отличие от плиточных облицовок монолитные покрытия не имеют швов.

Значительная часть объема облицовки выполняется на объекте. Исключение составляют наружная облицовка стеновых панелей, а также санитарно-технические кабины, лестничные площадки, изготавливаемые на заводах строительной индустрии.

В настоящих картах рассматривается технология облицовок, выполняемых на объектах.

Плиточные полы представляют собой конструкцию, в которой частично или полностью сочетаются следующие элементы:

подстилающий слой или подготовка - несущий элемент пола, располагаемый на грунте и воспринимающий эксплуатационные нагрузки; в междуэтажных перекрытиях ему соответствует плита перекрытия;

теплоизоляция - защитный слой, уменьшающий теплопроводность пола;

гидроизоляция - водонепроницаемый слой, препятствующий проникновению воды или эксплуатационных жидкостей в конструкцию пола или грунтовых вод в подстилающий слои;

стяжка - промежуточный выравнивающий слой, образующий жесткую и плотную корку, служащую для выравнивания поверхности подстилающего слоя или перекрытия и для придания покрытию заданного уклона;

прослойка - промежуточный слой, связывающий покрытие со стяжкой или при ее отсутствии с нижележащим элементом пола;

плиточное покрытие - верхний элемент пола, непосредственно воспринимающий внешние эксплуатационные воздействия.

Конструкция бесшовных полов также может иметь полностью или частично указанные выше элементы.

Название полов соответствует названию материала верхнего покрытия (плиточные, мастичные) независимо от материалов, из которых состоят все остальные элементы пола.

Конструкция вертикальной облицовки обычно состоит из:

подготовки - выравнивающего слоя, образующего жесткую шероховатую поверхность, точность которой зависит от материала облицовки; для деревянных поверхностей подготовка состоит из деревянных досок небольшой ширины, по которым крепится слой толя, затем проволочная сетка, на которую уже наносится цементный раствор, являющийся подготовкой;

прослойка - клеящий слой из раствора или мастик, скрепляющий облицовочные плитки с подготовкой;

облицовочное покрытие - наружный элемент облицовки, воспринимающий воздействие среды.

3. ПОСЛЕДОВАТЕЛЬНОСТЬ ПРОИЗВОДСТВА ОБЛИЦОВОЧНЫХ РАБОТ

Облицовочные работы делятся на три цикла:

подготовительный - сортировка, перерубка, сверление плиток, раскрой листов; приготовление растворов, мастик;

вспомогательный - транспортирование материалов к рабочему месту, установка оборудования и уход за ним, поддержание в чистоте рабочего места;

 основной - подготовка поверхностей к облицовке, устройство подготовительных слоев, натягивание металлических сеток, облицовка поверхностей плитками и плитами, устройство и отделка бесшовных покрытий.

Порядок производства облицовочных работ, увязка их с другими (отделочными работами внутри зданий устанавливается проектом производства работ.

Весь комплекс отделочных работ принято вести поточно-цикличным методом, при котором работы выполняются одним или несколькими потоками одновременно, с ритмичным переходом с одной захватки на другую. На данной захватке выполняется одновременно цикл отделочных работ, связанных между собой и совмещаемых с общестроительными, санитарно-техническими, электромонтажными и другими работами.

Облицовочные работы принято включать в первый цикл отделочных работ и выполнять одновременно со штукатурными работами. В последний цикл включаются работы по окончательной отделке поверхностей; из числа рассматриваемых в настоящих картах работ следует отнести натирку бесшовных полов.

Продолжительность одного цикла на каждой захватке, определяемая объемом работ на ней, а также составом бригад рабочих, выполняющих работы, устанавливается для всех работ одинаковой, как и продолжительность каждого цикла. Все сроки производства работ определяются графиком производства работ. Покрытия полов из плиток устраивают после облицовки вертикальных поверхностей, а в случаях, когда облицовке подлежат потолки, эту работу выполняют в первую очередь.

Мозаичные, мастичные и ксилолитовые полы также следует устраивать после облицовки стен и других вертикальных поверхностей.

4. ОСОБЕННОСТИ ПРОИЗВОДСТВА РАБОТ В ЗИМНЕЕ ВРЕМЯ

 В зимнее время облицовочные работы могут выполняться только внутри помещений при следующих температурных условиях:

- плиточные полы на прослойке из цементного раствора, из  битумной или дегтевой мастик при температуре в помещении на уровне пола не ниже 5° С, причем такая температура должна поддерживаться до тех пор, пока проектная прочность раствора в прослойке не достигнет 50%; температура раствора в момент укладки должна быть не ниже 15°С;

- полы из кислотостойких плиток на прослойке, содержащей жидкое стекло, - при температуре не ниже 10°С, поддерживаемой до достижения раствором прослойки прочности не менее 70% от проектной; температура раствора в момент укладки должна быть; не ниже 10°С;

- мозаичные полы - при температуре не ниже 5°С; температура раствора в момент укладки должна быть не ниже 15°С;

- все виды полов можно настилать на неутепленных перекрытиях только при условии, если в нижележащих помещениях поддерживается указанная выше температура на весь срок, требуемый для достижения раствором надлежащей прочности и если само перекрытие не является промерзшим;

 - вертикальные поверхности облицовывать при температуре не ниже 8°С; температура цементного раствора в момент укладки должна быть не ниже 15°С.

Указанные выше температуры помещений, где выполняются облицовочные работу, должны поддерживаться двое суток до начала работ и 15 суток после их окончания.

Для ускорения твердения прослоек, содержащих цемент, жидкое стекло или каустический магнезит, рекомендуется до их затвердения поддерживать в помещении температуру на 10-15°С выше указанной.

Перед укладкой плитки следует внести в теплое помещение  прогреть их.

5. МАТЕРИАЛЫ И ИНСТРУМЕНТЫ

А. Инструменты

Для выполнения плиточных работ применяют инструмент и приспособления, показанные на рис. 1а.

Для хранения и переноски инструмента индивидуального пользования рекомендуется чемодан-готовальня плиточника (рис. 1б)

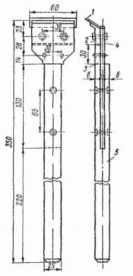
Рис. 1а. Набор ручного инструмента для плиточных работ:
1. Лопатка плиточника; 2. Молоточек плиточный 200 г; 3. Уровень; 4. Зубило 5. Штыри; 6. Стальной угольник; 7. Плиткорез; 8. Карборундовый брусок; 9. Шнур; 10 Весок; 11. Стальной резец; 12. Молоток 600 г.; 13. Складной метр; 14 Макловица; 15. Клещи или кусачки; 16. Терка; 17. Клещи для переламывания плиток по надрезу.
Для измерения выступов и впадин применяется контрольная ступенчатая линейка.

Рис. 1б. Чемодан для хранения и переноски инструмента индивидуального пользования.

Б. Материалы

При производстве облицовочных работ применяются вяжущи материалы, заполнители и наполнители, плитки и плиты, а также вспомогательные материалы.

Вяжущие материалы, используемые в облицовочных работах разделяются на минеральные, или неорганические, и органические

К минеральным вяжущим материалам относятся: известь строительная воздушная, известь строительная гидравлическая известковые вяжущие материалы и портландцемент, строительный гипс и гипсовые вяжущие материалы.

К органическим вяжущим материалам относятся битумные и дегтевые материалы. К этой же группе следует отнести, используемые при изготовлении мастик казеиновый клей, а также синтетические смолы.

Ниже приводятся краткие сведения о вяжущих материалах применяемых при производстве облицовочных работ.

Известь строительная (ГОСТ 9179-59) по условиям твердения делится на воздушную, обеспечивающую твердение строительных растворов и сохранение ими прочности в воздушно-сухих условиях, и гидравлическую, обеспечивающую твердение строительных растворов и сохранение ими прочности как на воздухе, так и под водой.

Известь строительная воздушная подразделяется на:

а) известь негашеную комовую или молотую совместно с минеральными добавками или без них;

б) известь гидратную - порошкообразный продукт гидратации негашеной извести или порошкообразной смеси извести гидратной с молотыми минеральными добавками;

в) известь молотую карбонатную - порошкообразная смесь молотых негашеной извести и карбонатных пород.

Известь строительная воздушная, за исключением карбонатной, делится на два сорта: первый и второй, которые должны отвечать требованиям, указанным в табл. 1.

Таблица 1

Требования к извести строительной воздушной, комовой и молотой

Наименование показателей

1 сорт

2 сорт

Содержание активных СаО + MgO в %%, считая на сухое вещество:

 

 

а) в извести негашеной без добавок, не менее

85

70

б) в извести негашеной с добавками, не менее

64

52

Содержание непогасившихся зерен в негашеной комовой извести в %%, не более

10

20

Скорость гашения в минутах:

 

 

а) быстрогасящаяся, до

20

20

б) медленногасящаяся, более

20

20

Тонкость помола - остаток частиц в %% на сите с сеткой по ГОСТ 3584-53:

 

 

№ 063, не более

2

2

№ 009, не более

10

10

Известь гидратная должна соответствовать требованиям, указанным в табл. 2.

Таблица 2

Требования к гидратной извести

Наименование показателей

1 сорт

2 сорт

Содержание активных СаО + MgO в %%, считая на сухое вещество:

 

 

а) в извести гидратной без добавки, не менее

67

55

б) в извести гидратной с добавками, не менее

50

40

Влажность извести гидратной в %%, считая на влажное вещество, не более

5

5

Тонкость помола - остаток частиц в %% на сите:

 

 

№ 063, не более

2

2

№ 009, не более

10

10

Известь карбонатная должна содержать активных CaO+MgO, считая на сухое вещество, не менее 30%. По скорости гашения и тонкости помола карбонатная известь должна отвечать тем же требованиям, что и известь комовая и молотая, указанным в таблице № 1.

Известь строительная гидравлическая выпускается в порошкообразном виде и представляет собой тонкомолотую обожженную мергелистую горную породу с содержанием глинистых примесей от 6 до 20%. При просеивании гидравлической извести остаток на сите № 009 не должен превышать 10%.

Качество воздушной извести в условиях постройки проще всего проверить путем ее опытного гашения: чем скорей гасится известь, тем качество ее выше.

Известь строительная при производстве облицовочных работ применяется для приготовления растворов, используемых для устройства стяжек и прослоек, а также при изготовлении некоторых видов мастик.

Гипс строительный (ГОСТ 125-57) в зависимости от качества подразделяется на два сорта: первый и второй. Предел прочности при сжатии образцов в возрасте 1,5 ч в кГ/см2 должен составлять для  сорта не менее 45 и для  сорта не менее 35. Схватывание гипса должно начинаться не ранее 4 мин. после затворения водой и заканчиваться не ранее чем через 6 мин. и не позднее чем через 30 мин. Остаток на сите № 02 должен составлять для первого сорта не более 15 и для второго сорта не более 30%.

Для увеличения сроков схватывания гипс затворяют не водой, а раствором животного клея, которого берут 0,1-0,2% от веса гипса, либо вводят замедлитель схватывания БС. В облицовочных работах гипсовый раствор применяют для заполнения швов облицовки, приготовления шпаклевок, мастик и как добавку к известковому раствору.

Портландцемент (ГОСТ 10178-62) выпускается марок 300, 400, 500 и 600. Тонкость помола портландцемента должна быть такой, чтобы при просеивании остаток на сите № 008 не превышал 15%. При 20°С затворенный водой цемент должен начинать схватываться не ранее чем через 45 мин., окончание схватывания должно наступать не позднее чем через 12 ч. Твердение цемента можно ускорить, добавляя в цементный раствор 1,5-3,0% хлористого кальция или 1-2% раствора соляной кислоты. Для замедления схватывания цемента применяют растворы серной кислоты.

Смеси сухие цементно-песчаные (ТУ-МГИ-2-РСФСР-64-69) представляют собой составы, содержащие портландцемент и горный песок в различных соотношениях, в зависимости от их назначения.

Сухие цементно-песчаные смеси предназначаются для настилки полов из керамических плиток (марка 100) и облицовки поверхностей глазурованными плитками (марка 50).

Влажность сухой смеси не более 1%. Хранение сухой цементной песчаной смеси на строительном объекте осуществляется в сухом закрытом помещении сроком до 1-1,5 месяцев.

Портландцемент применяют для приготовления растворов. Цементный раствор применяется в плиточных работах для крепления плиток облицовки или настила к облицовываемым плоскостям, для соединения плиток между собой, а также для подготовки поверхностей под облицовку в качестве прослойки при устройстве бесшовных покрытий.

Портландцемент белый (ГОСТ 965-66) по степени белизны подразделяется на три сорта: высший, БЦ-1 и БЦ-2. Белый портландцемент выпускается марок: 300, 400 и 500. Начало схватывания цемента должно наступать не ранее 45 мин., а конец схватывания - не позднее 10 ч. после начала затворения. Тонкость помола цемента должна быть такой, чтобы при просеивании через сито с сеткой; № 008 остаток на сите не превышал 12%.

Белый портландцемент применяется при устройстве мозаичных бесшовных покрытий полов и для заполнения швов в облицовке.

Поливинилацетатная эмульсия является основным связующим материалом для покрытий бесшовных полов и облицовки стен глазурованной и др. плиткой. Эмульсия представляет собой сметанообразную массу белого цвета с острым запахом. Заводы-изготовители поставляют одноупаковочную поливинилацетатную эмульсию, содержащую в своем составе, кроме самой эмульсии, еще и дибутилфталат, и двухпаковочную, когда дибутилфталат поставляется в отдельной таре. Поливинилацетатную эмульсию можно применять только с дибутилфталатом, так как пленка из чистой эмульсии получается стекловидной, хрупкой и растрескивается.

Карбамидные смолы вводятся в мастику при устройстве бесшовных поливинилацетатных покрытий полов для придания покрывной пленке упругости, водостойкости, плотности, стойкости к химическим воздействиям и долговечности. Смолы напоминают по внешнему виду мед и имеют светло-серый или светло-коричневый цвет. Для устройства мастичных полов применяют: мочевино-формальдегидную (МФ), мочевино-фурфурольно-формальдегидную (МФФ) или мочевино-меламино-формальдегидную (ММФ) смолу.

Карбамидные смолы морозостойки, но их лучше хранить при температуре 0-5°С. При такой температуре срок хранения смол составляет 6 месяцев. Если же смолы хранить при температуре 25-35°С, то срок их хранения сокращается до 2 месяцев, после чего они сильно загустевают, кристаллизуются и становятся непригодными для использования.

Жидкое или растворимое стекло является вяжущим веществом и в зависимости от исходного материала делится на натриевое (силикат натрия растворимый, ГОСТ 13079-67) и калиевое. Оно отличается от обычного стекла химическим составом, благодаря чему растворяется в воде. Качество жидкого стекла характеризуется модулем, показывающим отношение содержащейся в стекле окиси кремния к окиси натрия или окиси калия; чем выше модуль, тем выше качество стекла. Натриевое жидкое стекло имеет модуль от 2,7 до 3,5, а калиевое от 3 до 4.

Растворимое стекло с модулем не ниже 2,8 входит в состав некоторых мастик, применяемых при облицовке вертикальных поверхностей.

Каустический магнезит (ГОСТ 1216-41) в зависимости от химического состава делится на три класса. Магнезит первого класса в строительстве не применяется. Содержание окиси магния в порошке второго класса должно быть не менее 83%, а в порошке третьего класса не менее 75%. При просеивании порошка второго класса остаток на сите № 02 не должен превышать 5%, а на сите № 008-25%; тонкость помола порошка третьего класса не нормируется, в нем лишь не должно быть комков крупнее 10 мм. Начало схватывания затворенного магнезита должно наступать не ранее 20 мин., а окончание не позднее 6 час. При затворении водой каустический магнезит имеет малую прочность. Затворяют магнезит раствором хлористого, а иногда сернокислого магния.

Каустический магнезит применяется для устройства ксилолитовых покрытий полов.

Хлористый магний (ГОСТ 7759-55) в продажу поступает в виде кристаллической соли, упакованной в барабаны, или в виде раствора. Используется для затворения каустического магнезита при устройстве ксилолитовых полов.

Нефтяные битумы в зависимости от области применения различают: строительные (ГОСТ 6617-56), кровельные (ГОСТ 9548-60), дорожные (ГОСТ 1544-52), специальные (ГОСТ 3508-55) и т.д. В облицовочных работах для приготовления мастик применяются строительные битумы, представляющие собой черную массу с удельным весом, равным 1,0. Битумы выпускаются марок: БН-1У, БН-У и БН-УК. Температура возгорания строительного битума должна быть не ниже 230°С.

Температура размягчения, определяемая на приборе «кольцо и шар», должна составлять для битума марки БН-1У не менее 70° С, марок БН-У и БН-УК не ниже 90°С.

Пек каменноугольный (ГОСТ 1038-41) выпускается марок: мягкий, средний, из низкотемпературного дегтя. Температура размягчения для пеков: мягкий 46-50°С, средний 65-75°С, из низкотемпературного дегтя 60-80°С. Только Кузнецкий металлургический комбинат может выпускать высокотемпературный пек с температурой размягчения 115-l30°C.

В облицовочных работах пек совместно со смолой каменноугольной (ГОСТ 4492-56) применяется при приготовлении мастик.

Клей казеиновый (ГОСТ 3056-45) выпускается двух сортов «Экстра» и «ОБ». По внешнему виду казеиновый клей представляет собой однородный порошок: в нем не допускается наличия посторонних включений и следов плесени. Клей не должен иметь гнилостного запаха.

В облицовочных работах казеиновый клей применяется для приготовления мастик. При производстве работ на казеиновых мастиках во избежание загнивания последних необходимо обеспечить такие условия, при которых вода из мастик могла бы достаточно быстро испаряться или впитываться облицовываемым основанием.

Казеиновый клей испытывают на растворимость, для чего 1 весовую часть клея размешивают в 2,1 весовой части воды; доброкачественный казеиновый клей в течение 1 ч. полностью растворяется в воде.

Клей КМЦ (ТУ 481-62) - натриевая соль карбоксиметилцеллюлозы. По внешнему виду препарат КМЦ представляет собой измельченную волокнистую массу белого или кремового цвета, легко растворяющуюся в воде с образованием клейкого коллоидного раствора. Хранить препарат необходимо в сухом и теплом помещении.

Заполнители в растворах и наполнители в мастиках увеличивают прочность растворов и мастик, и уменьшают расход вяжущих.

Для приготовления растворов и мастик при производстве облицовочных работ применяют следующие заполнители и наполнители.

Песок природный (ГОСТ 8736-67) в зависимости от условий залегания можно разделить на горный (овражный), речной и морской. Горный песок имеет остроугольную форму зерен и обычно содержит значительное количество глинистых и органических примесей. Речной и морской пески в результате истирания при перемещении водой имеют окатанные зерна и содержат мало глинистых и органических примесей. К вредным примесям песка относятся: слюда, сернистые соединения, пылевидные, глинистые и органические частицы.

Песок, предназначенный для строительных растворов, не должен содержать зерен размером более 5 мм, слюды более 1 % и сернистых (сернокислых) соединений в пересчете на SO3 более 2%; содержание зерен, проходящих сквозь сито с сеткой № 014, не должно превышать 20% по весу, количество пылевидных, глинистых и илистых частиц в песке, определяемых отмучиванием, не должно превышать 3% по весу, в том числе глинистых не более 0,5%; при обработке песка раствором едкого натра (колориметрическая проба на ограничение примеси), цвет раствора не должен быть темнее цвета эталона. В песке не должно быть посторонних засоряющих примесей.

В облицовочных работах песок применяется для приготовления растворов.

Мел природный (ГОСТ 1498-64) представляет собой осадочную породу белого цвета. В зависимости от физико-химических свойств мел делится на классы А, Б и В. Тонкость помола мела определяется просеиванием через сито с сеткой № 02; остаток на сите не должен превышать для мела класса А - 1%, класса Б - 3% и класса В - 6%.

В облицовочных работах молотый мел применяется в качестве наполнителя при приготовлении мастик, а комовый - для различных надписей и отметок.

Асбест (ГОСТ 7-51) в зависимости от длины волокон делится на 7 сортов и пыль. В облицовочных работах применяют асбест VI и VII сортов, имеющий длину волокон 0,8-1,5 мм.

Крошка различных горных пород и различных фракций применяется для мозаичных работ. Крошку изготовляют из гранита, диорита, лабрадорита и мрамора различных расцветок. Размеры зерен крошки колеблются от 0,5 до 10 мм, причем для получения соответствующего рисунка изделия крошку рассеивают на несколько фракций, подбирая при изготовлении раствора состав по заданному проектом рисунку и цвету.

Каменную муку получают при просеивании крошки через сито с сеткой № 02. Мукой разбеливают мозаичные растворы, добавляя в количестве до 30% от веса цемента для получения заданного тона.

Маршалит или пылевидный кварц, применяется в составах мастик в качестве наполнителя для придания покрытию жесткости и стойкости против механических воздействий. Крупность частиц маршалита должна находиться в пределах 0,04-0,2 мм.

При производстве облицовочных работ применяют плитки и плиты, изготовленные на основе минеральных вяжущих, а также на основе полимеров.

Ниже рассматриваются наиболее часто применяемые плитки и плиты из этих материалов.

Керамические облицовочные плитки выпускаются промышленностью:

а) для обыкновенных и мозаичных полов;

б) глазурованные для внутренней облицовки;

в) малогабаритная и ковровая мозаика для облицовки фасадов;

г) кислотоупорные для промышленного строительства.

Керамические плитки для полов (ГОСТ 6787-53) изготовляют из пластичных и спекающихся глин, в которые для уменьшения деформации при обжиге добавляют отощающий наполнитель, а для получения надлежащего цвета - пигменты.

Плитки для обычных полов изготовляют с гладкой, шероховатой или тисненой поверхностью; с тыльной стороны поверхность делают рифленой для лучшего сцепления с раствором прослойки. Плитки могут быть одноцветными или многоцветными. По форме плитки бывают квадратными, шестигранными и восьмигранными; при настилке последних применяются вкладыши (рис. 2). Выпускаются также половинки плиток, как это видно из табл. 3.

Рис. 2. Схема применения керамических плиток различных типов для полов:
а) покрытие из квадратных плиток, уложенных по диагонали;
б) покрытие из шестигранных плиток;
в) покрытие из восьмигранных плиток.

Таблица № 3

Керамические плитки для полов

Наименование и назначение плиток

Форма плиток

Типы плиток

Размеры в мм

А

Б

толщина В

Квадратная размером 100 и 150 мм для рядового покрытия и размером 50 мм - вкладыш при восьмигранных и квадратных плитках

1

2

3

50

100

150

-

-

-

10

10

13

Прямоугольная - половинка квадратной для фризов и членения покрытия из цельных плиток

4

5

100

150

50

75

10

13

Треугольник для перехода от диагонального к прямоугольному расположению квадратных плиток

6

7

8

50

100

150

71

141

212

10

10

13

Шестигранная - рядовая

9

10

100

150

115

173

10

13

Четырехгранная - половинка шестигранной плитки для перехода от шестигранных к прямоугольным плиткам

11

12

50

75

115

173

10

13

Пятигранная - половинка шестигранной плитки для перехода от шестигранных к прямоугольным плиткам

13

14

100

150

57,5

86,5

10

13

Восьмигранная - рядовая

15

150

50

13

Отклонения размеров плиток для полов по длине грани не должны превышать ±3 мм и по толщине +1-2 мм.

В зависимости от качества керамические плитки для полов делятся на три сорта и должны отвечать требованиям, указанным в табл. 4.

Таблица 4

Допускаемые внешние дефекты плиток для полов

Дефекты

1 сорт

2 сорт

3 сорт

Отбитые углы

Не допускаются

Допускаются не более:

 

2

3

 

если длина наибольшей стороны отбитого угла не превышает:

 

2 мм

3 мм

Трещины общей длины не более:

 

 

 

в плитках типа 1 и 6

Не допускаются

в плитках остальных типов

Не допускаются

10 мм

15 мм

Зазубрины и щербины на кромках лицевой поверхности глубиной 1 - 2 мм

Не допускаются

Допускаются не более:

 

2 шт. длиной 6 мм

4 шт. длиной 8 мм

Цветные оттенки и пятна

Не допускаются

Не допускаются видимые с расстояния 1,7 м

Допускаются

Мушки (темные точки) диаметром более 1 мм

Не допускаются

Допускаются отдельные редка разбросанные диаметром до:

 

 

2 мм

3 мм

Стрела прогиба не более:

 

 

 

для плиток типов 1 и 6

Не допускаются

для плиток остальных типов

Не допускаются

1 мм

1,3 мм

Керамические плитки для мозаичных полов (ГОСТ 6140-52) выпускают квадратными с размером сторон 23 и 48 мм и прямоугольные размером 23´48 мм, наклеенными на листы крафт-бумаги размером 398´598 мм, называемые картами ковровой мозаики. Плитки выпускаются марок А и Б. Первые, имеющие толщину 8 мм и водопоглощение, не превышающее 1%, предназначены для полов в помещениях с интенсивным движением; вторые - толщиной 6 мм и с водопоглощепием в пределах 4% - для полов в жилых и коммунально-бытовых зданиях. Карты ковровой мозаики могут быть одноцветными и многоцветными.

Кислотоупорные и термокислотоупорные керамические плитки (ГОСТ 961-57) выпускают квадратные со сторонами размером 50, 100, 150, 175 мм и прямоугольные со сторонами 100´50, 150´75, 175´75, 200´50, 200´100, 250´113 мм, толщиной от 10 до 50 мм. На тыльной стороне кислотоупорных плиток ставится клеймо «К», а на термокислотоупорных - клеймо «ТК».

Кислотостойкие плитки изготовляют из плавленых природных материалов, богатых кремнеземом, таких как диабаз, ангезит, бештаунит. Плитки из литого камня стойки ко всем кислотам, кроме плавиковой и фосфорной.

Плитки керамические для внутренней облицовки стен (ГОСТ 6141-63) изготовляют из глины или специально составленной керамической массы и покрываются с лицевой стороны глазурью; тыльная сторона плиток делается рифленой. Глазурь плиток может быть прозрачной и непрозрачной, глянцевой и матовой, белой и цветной.

Формы и размеры керамических глазурованных плиток указаны в табл. 5.

Таблица 5

Форма и размеры керамических глазурованных плиток

Наименование и назначение плиток

Типы плиток

Форма плиток

Размеры в мм

А

Б

Квадратные, без завала - рядовые

1

2

150

100

-

-

Квадратные с завалом одной стороны - концевые

3

4

150

100

-

-

Квадратные с завалом двух смежных сторон - концевые угловые

5

6

150

100

-

-

Квадратные с завалом четырех сторон - рядовые

7

8

150

100

-

-

 Прямоугольные без завала - рядовые

9

10

150

150

100

75

Прямоугольные с завалом одной стороны - концевые

11

12

150

150

100 75

Прямоугольные с завалом двух смежных сторон - концевые угловые

13

14

150

150

100

100

Прямоугольные с завалом трех сторон - концевые

15

16

150

150

100 75

Поясок без завала

17

150

25

Уголок для закругления внешних углов

18

-

150

Уголок карнизный для закругления внутренних углов

19

-

150

Прямая карнизная плитка

20

150

50

Уголок  карнизный для закругления внешних углов

21

-

50

Уголок карнизный для закругления внутренних углов

22

-

50

Прямые плинтусные плитки

23 24

150

150

80

50

Уголки плинтусные для закругления внешних углов

25

26

-

-

80

50

Уголки плинтусные для закругления внутренних углов

27

28

-

-

80

50

Толщина плиток должна быть равномерной и не превышать, кроме плинтусных, 6 мм. Все плитки должны иметь правильную геометрическую форму, четкие грани и углы. Боковые грани квадратных и прямоугольных плиток должны составлять с ее плоскостью прямой угол.

Керамические глазурованные плитки выпускаются трех сортов и должны отвечать требованиям, указанным в табл. 6.

Таблица 6

Допускаемые внешние дефекты керамических глазурованных плиток

Дефекты

1 сорт

2 сорт

3 сорт

Отбитые углы

Не допускаются

Допускаются не более одного, если длина наибольшей отбитой стороны не превышает 2 мм

Допускаются не более двух, если длина наибольшей отбитой стороны не превышает 5 мм

Наплывы и волнистость глазури

Не допускаются

Допускаются вдоль краев плитки шириной не более:

1,5 мм

3 мм

Плешины и слипыш зашлифованный (не покрытые глазурью места), сухость глазури

Не допускаются

Допускаются общей площадью не более:

5 мм2

10 мм2

Щербины глубиной до 1 мм на кромках глазурованной поверхности

Не допускаются

Допускаются заглазурованные не более:

двух, длиной до 6 мм каждая

трех, длиной до 6 мм каждая

Посечки (поверхностные трещины на глазури) шириной не более 0,25 мм

Не допускаются

Допускаются общей длиной не более:

5 мм

10 мм

Засорка глазурованная, нецарапающая (частицы шамота или песка, приплавившихся к изделию)

Не допускаются

Допускаются в виде отдельных частиц

диаметром от 0,2 до 1 мм не более трех

диаметром от 0,2 до 1,5 мм не более пяти

Наколы (углубления в глазури) глубиной не более 1 мм

Допускаются не более:

Допускаются отдельные рассеянные

двух

трех

Мушки (темные точки)

Допускаются отдельные рассеянные диаметром до 0,2 мм

Допускаются диаметром от 0,2 мм до 1 мм не более двух

Допускаются диаметром от 0,2 мм до 1,5 мм не более трех

Вскипание глазури (точечное нарушение глазурного покрова в виде лопнувших и не лопнувших пузырьков)

Не допускается

Допускается вдоль краев плитки шириной не более 2 мм

Допускается вдоль краев плитки шириной не более 5 мм, а по поверхности плитки площадью не более 1 мм2

Следы от прокладок вдоль краев плитки зачищенные

Допускаются длиной не более:

1,5 мм

2 мм

3 мм

Окрашенные пятна на глазурованной поверхности

Не допускаются

Допускается одно диаметром не более 5 мм

Встроенные детали (рис. 3) такие как мыльница, полочка и другие используются вместе с глазурованными плитками для оформления санитарных узлов. Их изготовляют размером 150´150 и 150´300 мм.

Рис. 3. Встроенные детали:
1. Полочка; 2. Подстаканник; 3. Мыльница; 4. Губочница; 5. Полотенцедержатель; 6. Крючок.

Керамические фасадные плитки выпускаются высотой 140 и 65 мм. В первом случае длина плиток делается 240 и 190 мм, а во втором - 240 или 120 мм. К ним промышленность выпускает угловые блоки той же высоты. В блоках высотой 140 мм стороны имеют размеры 160 и 190 или 160 и 90 мм, а у блоков высотой 65 мм стороны имеют размеры 115 и 115 или 115 и 65 мм. Наружная поверхность плиток может быть гладкой или офактуренной, глазурованной или неглазурованной различных цветов. На тыльной стороне плиток для лучшего сцепления с раствором прослойки делают углубления или канавки.

Стеклянные плитки бывают двух видов: эмалированные и марблитовые.

Стеклянные эмалированные плитки для облицовки вертикальных поверхностей получают из отходов производства оконного стекла, покрывая его поверхность эмалирующим составом с последующим обжигом.

Плитки выпускают размером 150´150 и 150´75 мм, толщиной 4-9 мм, белого, розового, оранжевого, зеленого и синего цвета.

Плитки типа марблит для облицовки вертикальных поверхностей выпускают белого, черного, голубого, фиолетового и салатного цветов. Тыльная сторона плиток делается рифленой.

На цементном вяжущем выпускаются плитки с окрашенным лицевым слоем, террацевые и асбестоцементные.

Цементные плитки с окрашенным слоем для настилки полов изготовляют из цементно-песчаной смеси, добавляя в раствор для лицевого слоя минеральные щелочеустойчивые пигменты. Плитки изготовляют размером 150´150 мм, толщиной 20 мм, но могут изготовляться плитки и других размеров.

Террацевые или мозаичные плитки для настилки полов отличаются от цементных окрашенных тем, что в состав массы вводится крошка различных фракций, создающая вместе с пигментом, цементом и песком текстуру, схожую с текстурой природного камня.

Плитки выпускаются квадратными со сторонами 150 или 200 мм при толщине 20 мм и 500 мм при толщине 30 мм, причем последние армируются каркасом из проволоки.

Асбестоцементные плиты для облицовки вертикальных поверхностей изготовляют из цемента и низших сортов асбеста прессованными, гладкими (П), офактуренными (ПО) или непрессованными (НП). Лицевая поверхность плит может быть гладкой полированной или неполированной, офактуренной, окрашенной водостойкой эмалью или неокрашенной.

Прессованные плиты выпускаются длиной от 600 до 1400 мм, шириной от 300 до 1200 мм и толщиной от 4 до 10 мм, а непрессованные длиной от 600 до 1200 мм, шириной от 300 до 800 мм и толщиной от 6 до 10 мм.

Асбестосмоляные плитки для настилки полов изготовляют на основе инденкумароновой смолы или ее смеси с поливинилхлоридной смолой, с наполнителем из асбеста 7 сорта, талька, каолина, древесной муки или их смеси, а также пигмента. Плитки выпускаются квадратными со сторонами 150, 200 и 300 мм и толщиной 2 и 3 мм.

Поливинилхлоридные плитки для настилки полов изготовляют на основе поливинилхлоридной смолы с добавкой пластификатора - дибутилфталата, олифы, наполнителя - талька, стабилизатора - стеарата кальция и пигментов. Плитки выпускаются квадратными со сторонами 150, 200 и 300 мм и прямоугольными размером 150´300 мм и толщиной 2 и 3 мм.

Релиновые плитки для настилки полов получают высечкой их из релинового линолеума и выпускают квадратными со сторонами 150, 200 и 300 мм и толщиной 3; 5 мм.

Сверхтвердые древесноволокнистые паркетные плитки для настилки полов высекают из сверхтвердых древесноволокнистых плит толщиной 3 и 4 мм и выпускают квадратными с размером сторон 200, 300, 400 и 600 мм.

Полистирольные плитки (ГОСТ 9589-61) для облицовки вертикальных поверхностей изготовляют из эмульсионного полистирола с наполнителем. Плитки выпускаются размером 100´100, 100´50, 100´20 мм, толщиной 1,25 мм, а также 150´150, 150´75 и 150´20 мм, толщиной 1,35 мм. Кроме того, выпускаются сдвоенные плитки размером 200´100 мм с ложным швом; они имеют толщину 1,35 мм.

Плитки из слоистого пластика применяются для той же цели. Они высекаются размером 150´150 мм.

Поливинилхлоридные плитки изготовляются размером 150´150, 300´300 мм и толщиной 1,2 мм.

К вспомогательным материалам, применяемым при выполнении облицовочных работ, относятся:

Сетка Рабитца применяется при облицовке плитками деревянных поверхностей. Она изготовляется из проволоки диаметром 0,5-1 мм, с ячейками размером 10´10 и 15´15 мм (очень редко 5´5 мм).

Лучшие сорта сетки изготовляются из оцинкованной проволоки, которая почти не подвергается коррозии. На строительство сетка поступает в рулонах шириной до 1 м и длиной 20-30 м.

Проволока для оплетения по гвоздям употребляется печная, диаметром 1-1,5 мм.

Гвозди для крепления сетки Рабитца или для сплетения проволокой деревянных конструкций применяются обыкновенные железные длиной 70 мм.

Глина естественная - осадочная горная порода, способная пои замешивании с водой образовывать тесто различной пластичности. Различают жирные глины с небольшим содержанием песка и тощие - с большим содержанием песка. Применяется в составах глинобитумных мастик.

Церезит - сметанообразная масса белого или желтого цвета, изготовленная из олеиновой кислоты, извести, аммиака и водного раствора сернокислого аммония. Церезит вводится в цементные растворы для повышения их плотности.

Пластификатор ЦНИПС - паста черного цвета, состоящая из омыленного древесного пека. Его вводят в цементный раствор для повышения пластичности.

Микропенообразователь БС - тонкий порошок, приготовленный из отходов клееварочного и кожевенного производства или из растительных продуктов, обработанных раствором едкого калия или едкого натрия. Вводится в цементный раствор для повышения его пластичности.

Мылонафт (ГОСТ 3853-41) - мазь различных оттенков от желтого до темно-коричневого цветов, являющаяся отходом при щелочной очистке нефтепродуктов. Пятипроцентный водный раствор мылонафта используется в качестве пластификатора в цементных растворах.

Ортофосфорная кислота (ОФК) добавляется в состав мастики в полимерцементных покрытиях в виде 20% раствора; она выполняет роль отвердителя молекул карбамидных смол в ПВАЭ. Ее применяют только в том случае, когда вводятся карбамидные смолы.

Перекись бензола - белая или желтоватая масса, применяется в качестве катализатора для приготовления карбинольной мастики.

Соляная кислота (ГОСТ 1382-42) - водный раствор хлористого водорода. 5% раствор кислоты применяют для очистки от раствора и протирки покрытий полов из керамических плиток.

Древесные опилки используются для протирки покрытий пола, содержания покрытий во влажном состоянии в период твердения цементного раствора прослойки или мозаичных бесшовных покрытий, а также для устройства ксилолитовых и мастичных полов. Опилки должны быть из древесины хвойных пород.

Пигменты применяются при устройстве мозаичных и мастичных бесшовных покрытий. Для этой цели могут применяться любые щелочеустойчивые и кислотоустойчивые пигменты как из числа естественных, так и искусственных минеральных пигментов, например, охра, сурик железный, редоксайд, окись хрома и др.

Лаки применяются для покрытия отделанных мастичных полов с целью повышения их гигиеничности и улучшения внешнего вида. Обычно для этого применяют пентафталевый лак № 170 или масляно-смоляной № 4С.

Скипидар и уайт-спирит применяют как растворители лаков при их загустевании и для мытья посуды.

Стеклянные или металлические жилки используют для разграничения участков террацевых растворов при устройстве мозаичных полов. Жилки представляют собой полоски шириной 10-20 мм и толщиной от 1 до 5 мм; их укладывают на ребро заподлицо с поверхностью пола.

Стеклянные жилки нарезают из отходов оконного стекла. Металлические жилки делают из отходов листовой латуни, меди, дюралюминия, нержавеющей стали,

6. ТРЕБОВАНИЯ К СТРОИТЕЛЬНОЙ ГОТОВНОСТИ ПОМЕЩЕНИЙ И ПОВЕРХНОСТЕЙ, ПОДЛЕЖАЩИХ ОБЛИЦОВКЕ

До начала облицовочных работ в помещениях должны быть закончены все строительное работы, выполнены скрытые проводки, установлены прилегающие к облицовываемым поверхностям стояки отопления, газоснабжения, водопровода, канализации и другие открытые коммуникации инженерного оборудования здании, дверные и оконные коробки и подоконные доски, подготовлены под малярные работы; потолки, верхние части стен над облицовкой - оштукатурены, заделаны отверстия, оставленные для прокладки труб.

При облицовке стен, на которых размещаются отопительные приборы, кронштейны для их крепления должны быть установлены до начала облицовки.

К началу работ по устройству плиточного покрытия пола трубопроводы, проходящие в перекрытиях, должны иметь выпуски, предусмотренные проектом, а трапы закреплены на соответствующих отметках.

Бесшовные мозаичные покрытия разрешается укладывать только тогда, когда возведена кровля или водонепроницаемое перекрытие, установлены оконные и дверные коробки, закончены внутренние штукатурные и сантехнические работы, уложен подстилающий слой под полы, еде паны подпольные каналы, установлены трубопроводы и скрытые электропроводки.

При устройстве ксилолитовых полов, кроме того, должны быть остеклены оконные переплеты и навешены дверные полотна с целью предупреждения сквозняков, вызывающих преждевременное высыхание ксилолитовой смеси. Помещение должно быть хорошо просушено, так как влажность воздуха, превышающая 60%, замедляет процесс твердения ксилолита и снижает его конечную прочность.

Перед устройством мастичных полов, в дополнение к работам, указанным выше, в помещениях должна быть закончена окраска потолков и стен, а также укладка плинтусов.

Качество подлежащих облицовке поверхностей должно обеспечивать возможность создания прослойки из раствора под облицовку плитками толщиной не более 15 мм, под мозаичное покрытие не более 20 мм, а при креплении плиток мастиками и при устройстве мастичных полов - не более 3 мм.

В зависимости от характера применяемой прослойки поверхность, подлежащая облицовке, должна удовлетворять следующим требованиям.

При прослойке из раствора: общее отклонение поверхности от вертикали на всю высоту и по горизонтали на всю длину, а также отдельные неровности в виде впадин и бугров не должны превышать 15 мм.

При прослойке из мастик: отклонение поверхности по вертикали и горизонтали не должно превышать 3 мм; отклонение лузг и усенков от прямой линии допускается не более 2 мм на 1 м их длины или высоты.

Несоответствие действительной ширины дверных или оконных откосов проектным не должно превышать 3 мм.

Требования, предъявляемые к вертикальным поверхностям, подлежащим облицовке плитками на прослойках из раствора, относятся также и к поверхностям, подлежащим облицовке бесшовными мозаичными и ксилолитовыми покрытиями, а требования к поверхностям, подлежащим облицовке на прослойках из мастик - к поверхностям, подлежащим облицовке бесшовными мастичными покрытиями.

7. МЕТОДИЧЕСКИЕ УКАЗАНИЯ

 Настоящие инструкционно-технологические карты преследуют цель помочь учащимся освоить трудовые приемы и операции, выполняемые облицовщиком-плиточником, мозаичником 3-го разряда согласно квалифицированной характеристике для данной профессии, технологию облицовочных работ, ознакомиться со строительными нормами и правилами на производство и приемку облицовочных работ.

Для лучшего усвоения учебного материала обучение в начальном периоде производится в учебной мастерской и на производстве..

К работам в учебной мастерской следует отнестись со всей серьезностью, так как этот период очень важен. Здесь учащийся ознакомится с организацией рабочего места, практически научится обращаться с инструментом и приспособлениями, применяемыми в облицовочных работах, проверять качество применяемых материалов простейшими способами.

Обучение в учебных мастерских организуется таким образом, чтобы учащийся овладел всеми трудовыми приемами и навыками, начиная от самых простых и кончая более сложными.

В период освоения учащимися начальных навыков особое место отводится инструктажу. Учащийся должен с особым вниманием присматриваться к показываемым рабочим движениям и выполнению отдельных операций. Всегда надо помнить, что значительно легче сразу научиться правильным приемам, нежели переучиваться, если почему либо учащийся усвоит неправильные, непроизводительные, утомляющие приемы выполнения той или иной операции.

За инструктажем и показом трудовых приемов последуют тренировочные упражнения - многократные повторения определенных движений с целью выработки навыков работы.

Учащийся должен следить за состоянием закрепленного за ним индивидуального инструмента. Состояние рабочего инструмента всегда характеризует его владельца: хорошо налаженный, чистый инструмент может принадлежать только квалифицированному, аккуратному рабочему.

В картах приведены нормы расхода материалов на единицу работы. С их помощью учащемуся следует освоить определение количества материалов, необходимых для выполнения заданной работы, установить контроль за их использованием.

В картах приведены также нормы времени (в числителе), необходимые для выполнения той или иной работы, и нормы выработки (в знаменателе). По ним учащийся может определить время, необходимое для выполнения задания, проконтролировать выполнение норм. При этом следует иметь в виду, что приведенные нормы рассчитаны на квалифицированного рабочего. Из-за отсутствия достаточного навыка учащемуся затруднительно выполнить эти нормы. Для того, чтобы определить время, необходимое для выполнения заданной работы, учащемуся следует воспользоваться поправочными коэффициентами, приведенными в таблице 7 (для обычных ПТУ).

Таблица 7

Поправочные коэффициенты для определения ученических норм времени в зависимости от сложности выполняемой работы и периода обучения

Месяц обучения

Переводные коэффициенты по разрядам выполняемых работ

2 разряд

процент от рабочей нормы

3 разряд

процент от рабочей нормы

2

4,0

25

-

-

3

4,0

25

-

-

4

3,0

33

4,0

25

5

3,0

33

4,0

25

6

2,0

50

3,0

33

7

1,0

100

2,0

50

8

1,0

100

2,0

50

9

-

-

1,5

66,6

10

-

-

1,0

100

11

-

-

1,0

100

Так, например, учащийся выполняет работу по перерезке глазурованных плиток, относящуюся к 2-му разряду, находясь на 4-ом месяце обучения. Норма времени по карте № 2 на эту работу составляет 12 ч. на 1000 плиток, а норма выработки 667 шт. за 8-часовой рабочий день. В таблице 7 во второй графе находим, что норма времени на данном периоде обучения должна быть увеличена в 3,0 раза, а в графе 3 - 33%, которые составляют норму выработки взрослого рабочего второго разряда, отсюда:

норма времени на перерезку 1000 плиток 12´3,0 = 36,0 ч.;

норма выработки (667´33)/100 = 20 шт.

Каждая работа может быть выполнена и хуже и лучше. На строительстве принято оценивать качество выполненных работ по трёхбалльной системе: отлично, хорошо и удовлетворительно. При этом не принимаются в расчет работы, выполненные с нарушением технических требований, являющиеся браком и подлежащие переделке.

По пятибалльной системе, принятой в профтехучилищах, баллом 1 и баллом 2 оцениваются работы, подлежащие переделке. Учащийся с помощью инструкционных карт должен научиться определять качество выполняемых им работ и предупреждать брак.

8. ТЕХНИКА БЕЗОПАСНОСТИ

Каждый учащийся обязан знать и выполнять правила техники безопасности, соблюдать правила производственной санитарии, а также противопожарные правила.

Ниже излагаются основные требования и правила техники безопасности, противопожарные требования при производстве облицовочных работ, которые должны быть известны учащимся и беспрекословно ими выполняться.

При производстве работ одновременно на двух уровнях по вертикали необходимо устраивать сплошные настилы, разграничивающие рабочие места. Вместо настилов допускается устройство прочных ограждений, которые предохраняли бы работающих на нижнем ярусе от травм при случайном падении предметов и инструментов с верхнего яруса.

В зоне действия внутрипостроечного транспорта и подъемных машин должны быть устроены ограждения, настилы и сигнализация, обеспечивающие безопасный проход к рабочим местам через эту зону.

Вращающиеся и движущиеся части машин и механизмов надежно ограждают. Все электрические аппараты, предназначенные для включения строительных машин и механизмов, защищают кожухами или помещают в запирающиеся ящики, а провода хорошо изолируют во избежание несчастных случаев.

Места, где производятся работы, а также проходы к ним должны быть свободными. Рабочие места, лестницы, стремянки, проходы, проезды и склады должны хорошо освещаться.

Инструмент, применяемый при облицовочных работах, должен быть в полной исправности. Работать с неисправным инструментом запрещается.

На территории строительства должны быть оборудованы помещения со шкафами или вешалками для хранения одежды, умывальники, душевые и уборные.

Учащиеся должны быть обеспечены доброкачественной питьевой водой, которую хранят в запирающихся бачках.

В процессе производства работ внутри строящихся зданий при незаполненных и незастекленных проемах должны быть приняты меры против сквозняков.

Учащийся должен выполнять работу в комбинезоне, а при устройстве пола и в наколенниках, при работе с электрифицированным инструментом - в резиновой обуви и перчатках.

На строительстве запрещается пользоваться открытым огнем.

На видных местах, где работают с огнеопасными материалами, должен быть вывешен огнетушитель и номер телефона ближайшей пожарной охраны.

Все электропровода должны быть тщательно изолированы.

Во время перерывов и по окончании работы электродвигатели необходимо выключать; рабочие места, опасные в пожарном отношении, должны быть снабжены огнетушителями, ящиками с запасом песка, совковыми лопатами и бочками с водой.

В случае возникновения пожара необходимо немедленно использовать все противопожарные средства, изолировать горючие материалы от огня и при необходимости вызвать пожарную команду.

1. УКАЗАНИЯ ПО САМОПОДГОТОВКЕ К ВЫПОЛНЕНИЮ ЗАДАНИЯ

При самостоятельной подготовке к выполнению задания учащийся должен ознакомиться с учебным материалом, содержащимся, в настоящей карте, а также ответить на следующие вопросы:

В чем заключается процесс сортировки плиток?

Как организуется рабочее место при сортировке и подготовке плиток к укладке?

С помощью каких приспособлений и механизмов выполняется работа по сортировке и подготовке плиток?

Как выполняется сверление отверстий с помощью ручного и механизированного станков?

Какие правила техники безопасности необходимо соблюдать при подготовке плиток к укладке?

2. УЧЕБНАЯ ЦЕЛЬ

Научиться подготавливать керамические плитки к укладке: разбирать и сортировать по размерам и оттенкам цвета, размечать, перерезать, подтесывать, подтачивать и высверливать отверстия.

3. МАШИНЫ, ИНСТРУМЕНТЫ И ПРИСПОСОБЛЕНИЯ

Таблица 8

№№ п/п

Наименование, тип, марка, ГОСТ

Назначение

Количество

на звено

на группу

1

Шаблон Афонина

Сортировка глазурованных плиток по размерам

1

5

2

Плиткорез роликовый (чертежи Гипросельстроя Минсельстроя СССР)

Надрезка лицевого слоя метлахских плиток

-

1

3

Плиткорез рычажный (чертежи треста Мосоргстрой Главмосстроя)

Надрез лицевого слоя глазурованных плиток

-

1

4

Захват

Разламывание плиток с надрезанным лицевым слоем

1

5

5

Приспособление для сверления отверстий в плитках (чертежи Управления механизации отделочных работ Главмосстроя)

Сверление отверстий в керамических облицовочных плитках

-

1

6

Клещи строительные (Чертежи КБ треста Росинструмент Минместпрома РСФСР)

Отламывание узкой полоски плитки, предварительно надрезанной по лицевому слою на плиткорезе

1

1

7

Стеклорез роликовый из твердого сплава ГОСТ 4407-48

Процарапывание глазури керамических плиток с целью получения правильного излома

1

5

8

Резец со вставкой из твердого сплава (чертежи треста Мосоргстрой Главмосстроя)

То же

1

5

9

Молоток плиточника типа МПЛИ-1 или МПЛИ-2 ГОСТ 11042-64

Перерубка и приколка отдельных плиток

1

5

10

Острогубцы (кусачки) ГОСТ 7282-54

Грубая пригонка отдельных плиток

1

5

11

Гвоздодер типа ЛГ-20, ЛГ-20А или ЛГ-25 ГОСТ 1405-65

Вскрытие ящиков и пачек с плитками

-

1

12

Тележка для сменной тары

Перевозка плиток к месту работ

1

5

13

Контейнер для штучных материалов размером 830´440´350

Сменная тара для перевозки плиток к месту работ с помощью тележки

5

25

14

Угольник типа 250´400 ГОСТ 3749-65

Разметка плиток при перерезке

1

5

15

Метр складной металлический ГОСТ 7253-54

Для измерений

1

5

4. МАТЕРИАЛЫ

Технические требования к качеству плиток

Качество рассортированных и отобранных к укладку плиток должно отвечать допускам, указанным в таблицах 4-6.

5. ТЕХНОЛОГИЯ И ОРГАНИЗАЦИЯ ПРОЦЕССА

а) Организация рабочего места

Рабочее место по сортировке и подготовке плиток к укладке рекомендуется организовать по схеме, приведенной на рис. 4

Рис. 4. Организация рабочего места по сортировке плиток и подготовке их к укладке:
1. Штабель неотсортированных плиток; 2. Контейнеры с отсортированными плитками; 3. Стол для сортировки плиток; 4, 7, 10, 12 рабочие места; 5. Контейнер с перерезанными плитками; 6. Прибор для перерезки плиток; 8. Контейнер с просверленными плитками; 9. Прибор для сверления плиток; 11. Станок для резки плиток.

б) Состав звена

Работу по сортировке, перерубке, сверлению плиток выполняет каждый учащийся самостоятельно. Только в случае большого объема работ звено увеличивается до 2 человек. Распределение обязанностей в таком звене зависит от количества плиток, подлежащих перерубке и сверлению, и должно меняться так, чтобы учащиеся были загружены равномерно и научились выполнять все операции по подготовке плиток к укладке. Учащиеся должны переходить с одной операции на другую по мере их освоения.

в) Трудовой процесс

Таблица 9

Наименование операций

Приемы выполнения операций

распаковка плиток

В зависимости от рода тары, с помощью гвоздодера или другого приспособления разобрать ящик или пачку, вынуть и сложить на рабочий стол плитки. Отобрав плитки по цвету, необходимо приступить к сортировке. Это нужно выполнять с помощью специального прибора (рис. 5 а) или шаблона Афонина (рис. 5 б), устанавливаемого на столе с левой стороны от штабеля плиток, подлежащих сортировке.

 

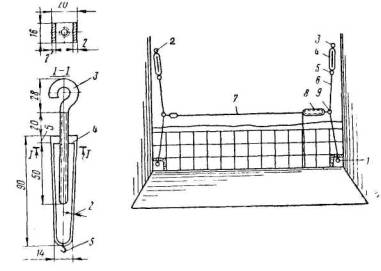
Рис. 5а Прибор для сортировки плиток:
1. Гайка с барашком; 2. Ползун; 3. Подставка; 4. Кожух механизма 5. Ролик; 6. Опорные шпильки; 7. Основа-указателя.

 

Рис. 5 б. Шаблон Афонина.

Сортировка плиток

Правой рукой взять из штабеля плитку и вставить ее в шаблон ребром вплотную к бруску так, чтобы противоположное ребро заняло выступ, соответствующий ширине плитки. Затем вставить плитку другой стороной. При равных размерах сторон плитка должна занять соответствующее положение в шаблоне. По мере накопления плиток на столе переложить их в контейнеры для перевозки к месту укладки.

Перерубка или перерезка плиток по заданным размерам

Работа может выполняться с помощью ручного прибора (рис. 6 а) или на станке (рис. 6 б). В первом случае плиткорез рычажный укрепляется на столе. С правой стороны расположить штабель плиток, подлежащих перерезке. По заданным размерам установить выдвижной угольник. Плитку уложить на опорную доску лицевой стороной вверх, прижимая ее одной стороной к пластинке с пазом, а второй - к выдвижному угольнику. Плитку надрезать, передвигая рычаг правой рукой вперед и нажимая на его ручку. Надрезанную плитку вынуть левой рукой, простучать с тыльной стороны ребром захватного приспособления и с его помощью переломить плитку по линии надреза.

 

Рис. 6а. Ручной прибор для перерубки плиток.

Рис. 6б. Станок Е.П. Попова для разрезки глазурованных плиток и фасонных деталей.

Сверление плиток по заданному расположению отверстий

Работа может выполняться с помощью ручного приспособления (рис. 7). Для выполнения работы плитку располагают между ограничителями приспособления и, передвинув каретку так, чтобы центр рабочего вала совпадал с центром помеченного отверстия, закрепляют ее фиксатором. Затем, вращая рукояткой рабочий вал, резцами диска просверливают отверстие.

Рис. 7. Ручное приспособление для сверления отверстий

г) Требования к качеству работ

Рассортированные плитки должны быть одинаковы по размерам, форме, рисунку и цвету.

Кромки перерезанных плиток должны быть прямыми, без околов, а также выщербин размерами, превышающими 0,3 мм. Лицевые поверхности плиток не должны иметь повреждений, полученных в результате перерезки или сверления.

д) Рекомендации по самоконтролю и проверке качества выполняемых работ

Учащийся, пользуясь инструкционной картой, должен сам уметь определить качество выполняемой им работы. Из числа отсортированных, перерезанных или просверленных плиток необходимо на выборку повторно проверить соответствие заданных размеров от 5 до 10% обработанных плиток.

е) Трудовые затраты

Нормы затрат труда и нормы выработки на 1000 плиток приведены в табл. 10.

Таблица 10

Нормы времени (в числителе) и нормы выработки (в знаменателе) на подготовку 1000 плиток

Наименование работ

Нормы

Разборка плиток

1,9

2400

Сортировка плиток

4,0

2000

Перерезка глазурованных плиток

12,0

667

Перерезка метлахских плиток

6,0

1339

Сверление глазурованных плиток

14,0

573

Сверление керамических неглазурованных плиток электродрелью

8,1

985

6. ТЕХНИКА БЕЗОПАСНОСТИ

Основные правила техники безопасности приведены в инструкционной карте 1.

1. УКАЗАНИЯ ПО САМОПОДГОТОВКЕ К ВЫПОЛНЕНИЮ ЗАДАНИЯ

В процессе самостоятельной подготовки к выполнению задания учащемуся надлежит ознакомиться с учебным материалом по теме, содержанием настоящей карты, проверить готовность помещения, продумать организацию работ на рабочем месте, проверить наличие материалов, инструмента и приспособлений, а также ответить на следующие вопросы:

Чем определяется состав цементно-песчаного раствора, предназначенного для устройства стяжки?

Как проверить правильность уровня?

Для чего служат маяки и как их устраивают?

Как уплотняется раствор, в зависимости от его консистенции?

Какие требования предъявляются к готовой стяжке?

2. УЧЕБНАЯ ЦЕЛЬ

Научиться подготавливать основания под полы из различного рода плиток с устройством стяжки, приготовлением раствора для нее, проверкой правильности основания, вынесением опорных марок с помощью уровня, устройством маяков, укладкой и разравниванием раствора, уплотнением его, проверкой качества выполняемой работы.

3. МАШИНЫ, ИНСТРУМЕНТЫ, ПРИСПОСОБЛЕНИЯ

Машины, инструменты и приспособления, применяемые при подготовке оснований под полы из плиток, указаны в таблице 11.

Таблица 11

Машины, инструменты, приспособления

№№ п/п

Наименование, тип, марка, ГОСТ

Назначение

Количество на

звено

группу

1

Инерционный грохот С-441

Просеивание песка при приготовлении растворов

-

1

2

Растворосмеситель С-779

Приготовление растворов

-

1

3

Виброрейка С-810

Уплотнение раствора уложенной стяжки

-

1

4

Пневмомолоток КМЛ-3

Насечка поверхностей

-

1

5

Стандартный конус СтройЦНИЛ

Проверка подвижности приготовленных растворов

-

1

6

Лопата стальная остроконечная типа ЛКО-1 или ЛКО-2, лопата стальная подборочная типа ЛП-1 ГОСТ 3620-63

Загрузка песка в грохот, раствора в транспортные средства

2

10

7

Мерный ящик для песка

Отмеривание песка при приготовлении цементного раствора

-

1

8

То же, для цемента

То же цемента

-

1

9

Мерная емкость

Отмеривание воды

-

1

 

Примечание: емкости по позициям 7, 8 и 9 зависят от состава приготовляемого раствора

10

Тележки для сменной тары (контейнеров)

Перемещение приготовленного раствора в пределах рабочей зоны

1

5

11

Сменная тара для сыпучих (контейнеры) размером 774´440´350

Перемещение приготовленного раствора и хранение на месте работ

3

15

12

Грабли стальные

Предварительное разравнивание раствора стяжки

1

5

13

Маячные рейки толщиной 3 см

Устройство маяков для разравнивания раствора стяжки

4

20

14

Правило дюралюминиевое (чертежи Гипрооргсельстроя Минсельстроя СССР)

Разравнивание раствора стяжки

по маякам

1

5

15

Лопатка плиточника ЛП ГОСТ 9533-66

Заглаживание и выравнивание уложенного раствора

3

15

16

Царапка

Нарезка поверхности стяжки

1

5

17

Гладилка ГБК-2 ГОСТ 10403-63

Выравнивание раствора стяжки

1

5

18

Зубило слесарное 10´60° или 20´60° ГОСТ 7211-54

Срубка неровностей

1

5

19

Молоток слесарный типа Б7 ГОСТ 2310-54

Работа с зубилом

1

5

20

Уровень гибкий (водяной)

Вынесение отметок стяжки

1

5

21

Рулетка измерительная металлическая типа РЖ-2 ГОСТ 7562-55

Производство измерений

-

1

22

Метр складной деревянный

То же

1

5

23

Контрольно - ступенчатая линейка

Проверка величины впадин и выступов

1

5

24

Шнур разметочный в корпусе =15 м

Провешивание поверхностей

1

-

25

Уровень УС-2 ГОСТ 1416-67

Проверка горизонтальности

1

5

26

Правило контрольное длиной 2 м

Проверка поверхностей

1

5

4. МАТЕРИАЛЫ

Устройство стяжки выполняется из цементного раствора на обычных, быстротвердеющих (БТУ) цементах или из цементно-опилочного состава - термопорита.

Расход раствора для устройства стяжки в зависимости от ее толщины, указан в таблице 12.

Таблица 12

Расход раствора (м3) для устройства 1 м2 стяжки

Наименование раствора

Толщина стяжки в см

2,0

2,5

3,0

3,5

4,0

4,5

5,0

Цементный или термопоритовый

0,022

0,028

0,033

0,039

0,044

0,050

0,055

Расход материалов для приготовления растворов указан в таблицах 13 и 14.

Таблиц 13

Расход материалов для приготовления 1 м3 цементного раствора

Наименование материалов

Состав раствора*

1 : 3

1 :4

1 :5

1:6

Цемент,

0,350

455

0,268

348

0,216

281

0,185

241

Песок, м3

1,01

1,06

1,06

1,09

Вода, л

190

170

153

143

* Состав раствора назначается в зависимости от требуемой прочности стяжки и марки цемента.

Таблица 14

Расход материалов для приготовления 1 м3 термопорита

Наименование материалов

Единица измерения

Расход

Цемент "300"

кг

290

Тесто известковое

"

130

Известь хлорная

"

21

Стекло жидкое (модуль 2,6 уд. вес 1,5)

"

13

Опилки

м3

1,26

Вместо раствора, приготовленного непосредственно на месте работ, для устройства стяжки могут быть использованы сухие смеси или готовые растворы, доставляемые с растворного узла.

Сухие смеси затворяют водой и перемешивают в растворосмесителях. Готовые растворы также перемешивают для устранения , расслоения, получающегося при перевозке.

5. ТЕХНОЛОГИЯ И ОРГАНИЗАЦИЯ ПРОЦЕССА

а) Организация рабочего места

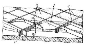
Рабочее место, где производится приготовление растворов, представляет собой растворный узел, схема которого показана на рис. 8.

Рис. 8. Схема растворного узла:

Здесь песок хранится в емкости - 1, цемент в емкости - 2, вода подается водопроводом - 3. Просеивание песка производится на инерционном грохоте - 4, приготовление раствора - в растворосмесителе - 5. Готовый раствор через лоток - 6, выдается в бункер - 7, откуда загружается в сменную тару тележек - 8 для транспортирования на рабочее место и укладки в дело. Учащиеся занимают места, указанные кружками - 9.

Переработка готового раствора производится в отдельно стоящем растворосмесителе; для этой цели может быть использован растворосмеситель растворного узла или мешалка на базе электросверлилки.

Приготовление раствора из сухой смеси может производиться на том же растворном узле; в этом случае для хранения сухой смеси устанавливается дополнительная емкость.

Рабочим местом для устройства стяжки является само помещение, где эта стяжка устраивается. Особого оборудования рабочее место не требует.

б) Состав звена

Приготовление раствора, переработку готового раствора, доставленного с растворного узла или затворение сухой смеси выполняет один учащийся.

Устройство стяжки производится звеном в составе двух учащихся.

При выполнении задания каждый учащийся должен освоить все операции, составляющие процесс устройства стяжки для чего по мере освоения отдельных операций следует переходить на следующие.

в) Трудовой процесс

Таблица 15

Наименование операций

Приемы выполнения операций

Просеивание песка

Проверить исправность инерционного грохота, для чего запустить его на холостом ходу. Убедиться в исправности ограждений. В случае обнаружения неисправностей обратиться к мастеру и доложить о дефектах. На неисправном грохоте не работать. Исправный грохот запустить и лопатой насыпать песок на сетку грохота, стараясь не перегружать сетку излишним количеством песка. По мере накопления на сетке непросеивающихся остатков очищать от них грохот, для чего следует остановить грохот. Просеянный песок отгребать по мере надобности.

Приготовление раствора

Проверить исправность растворосмесителя. Приготовить мерную тару в соответствии с заданным составом раствора. Отмерить воду и сухие составляющие и заполнить ими растворосмеситель, начиная с воды и загружая при перемешивании вяжущие, а затем заполнители. Перемешивать смесь в течение 1,5-2 мин. до получения раствора равномерной консистенции. С помощью рукоятки опрокинуть барабан растворосмесителя и освободить его от готового раствора. Начать новый цикл приготовления раствора.

Подготовка основания

Очистить основание от мусора. Контрольным правилом проверить основание, отметить мелом выступы и впадины, подлежащие исправлению. Зубилом срубить мелкие выступы площадью до 1 м2. Крупные выступающие неровности устранить с помощью пневматического молотка. Очистить от мусора, смочить эти места водой и заполнить их раствором или бетоном, одинаковым с раствором или бетоном основания. После схватывания заделок промыть основание водой из шланга.

Установка маяков

Отметка будущего пола увязывается с полами и площадками смежных помещений. После вертикальной разбивки будущего пола производят разбивку и разметку по заданному рисунку путем укладки насухо маячных плиток по проектной отметке чистого пола. Обычно маячные плитки укладываются с помощью уровня или ватерпаса, а в более ответственных случаях (в помещениях с большей площадью и т. п.) -с помощью нивелира. Первый угловой маяк устанавливается по указанию мастера, а по первому - остальные угловые маяки фризового ряда. После проверки правильности углов, образованных шнурами, угловые маяки фриза укладываются на растворе. По установленным маркам уложить на растворе деревянные маяки. Проверить их установку с помощью уровня. В небольших помещениях маяки устанавливаются вдоль стен, в больших - на расстоянии 1-1,2 м друг от друга с таким расчетом, чтобы разостланный между ними раствор можно было разравнять правилом, опирая его концы на маяки. Высота маяков над основанием должна равняться заданной толщине стяжки.

Устройство стяжки

В больших помещениях, где установлено несколько маяков, стяжку устраивают последовательно полосами через одну. При одной или двух полосах стяжка устраивается сразу во всем помещении. Доставленный в сменной таре готовый раствор выложить на полосу между маяками. Разбросать раствор лопатой и разгрести граблями на толщину маяков. Разравнять раствор правилом, срезая излишки раствора и добавляя его там, где недостает. Стяжку из пластичных и литых цементно-песчаных смесей с осадкой конуса до 13 см выравнивают гладилкой. Стяжку из жесткого раствора уплотняют виброрейкой С-810, после чего снова выравнивают правилом и проверяют ее ровность. После схватывания раствора снять маяки и приступить к укладке полос, где стяжка не устраивалась, руководствуясь уложенными полосами как маяками. Если стяжка укладывалась не через полосу - вырубить маяки и заделать борозды. Толщина стяжки принимается согласно проекту; обычно сна составляет 5 см.

г) Требования к качеству работ

Проверку качества устраиваемой стяжки производить до настилки по ней пола.

Стяжка должна иметь требуемую толщину, находиться на заданной отметке, быть горизонтальной или иметь предусмотренный проектом уклон.

Оценка качества работ по устройству стяжки приведена в таблице 16.

Таблица 16

Оценка качества стяжки

Показатели качества

Оценка качества

5

4

3

2

1

Просветы между поверхностью стяжки н контрольной рейкой при настилке поливинилхлоридных или асбестосмоляных плиток - не более (в мм)

1

1,5

2

свыше 2-х

Просветы между поверхностью стяжки приготовленной для настилки керамических плиток (укладываемых на мастике) н контрольной рейкой в мм не более

1

2

3

5

10

Просветы между поверхностью стяжки приготовленной для настилки керамических плиток на прослойке из раствора и контрольной рейкой в мм не более

5

8

10

15

20

Отклонение поверхности стяжки от горизонтальной плоскости или заданного уклона в %% от соответствующего размера помещения не более

0,08

0,1

0,2

0,3

0,4

д) Рекомендации по самоконтролю и проверке качества выполняемых работ

Учащийся должен сам проверять качество выполняемых им работ и оценить его по данным таблицы 16 в баллах. При этом следует иметь в виду, что показатели, отвечающие оценке 5, 4 и 3, находятся в пределах допусков технических условий, а показатели, отвечающие оценкам 2 и 1, превышают эти допуски. Работа, оцененная баллами 2 и 1, согласно техническим условиям на строительстве не может быть принята и должна быть переделана.

Рис. 9. Определение величины выступов и впадин:
а) при помощи метра, б) при помощи контрольно-ступенчатой линейки

Для проверки качества выполняемых работ необходимо взять контрольное правило, имеющее длину 2 м, и прикладывать его в разных направлениях к полу. Размер впадин и бугров определять при помощи контрольно-ступенчатой линейки или прикладывая метр к полу и отсчитывая в мм расстояние до нижней плоскости правила (рис. 9 а, б).

е) Трудовые затраты

Нормы времени и нормы выработки на приготовление раствора и устройство стяжки приведены в таблице 17.

Таблица 17

Нормы времени и нормы выработки

Наименование работ

Нормы

Приготовление цементно-песчаного раствора на 1 м3

2,4

3,33

То же, термопорита

1,75

4,06

Устройство стяжки под полы из керамических плиток на прослойке из раствора на 1 м2 при толщине стяжки 20 мм

0,18

44,4

То же, при толщине стяжки 40 мм

0,21

35,2

То же, под бесшовные полы

0,3

26,6

6. ТЕХНИКА БЕЗОПАСНОСТИ

Кроме правил, приведенных в карте 1, при устройстве стяжки необходимо соблюдать следующие правила техники безопасности.

При работе с площадочным вибратором следует пользоваться резиновыми перчатками - во избежание поражения током.

При приготовлении термопорита следует пользоваться защитными очками.

1. УКАЗАНИЯ ПО САМОПОДГОТОВКЕ К ВЫПОЛНЕНИЮ ЗАДАНИЯ

В процессе самостоятельной подготовки к выполнению задания учащемуся надлежит ознакомиться с учебным материалом по теме, содержанием настоящей инструкционно-технологической карты, осмотреть помещения, в которых должны настилаться полы, продумать организацию работ на рабочем месте, проверить наличие материалов, инструмента и приспособлений, а также ответить на следующие вопросы:

При каких условиях можно приступать к настилке плиток?

Как организуется рабочее место и производится поштучная укладка плиток?

Как организуется рабочее место и производится поштучная настилка плиток?

Как производится проверка геометрической формы пола?

Как производится разбивка фриза в помещениях неправильной формы?

Как рассчитать фриз при настилке пола диагональным рисунком?

Как производится устройство маяков?

Для чего производится смачивание поверхности стяжки водой?

Как и когда производится отделка плиточных полов?

2. УЧЕБНАЯ ЦЕЛЬ

Научиться настилать полы из керамических метлахских плиток с разметкой площади пола и постановкой маяков, устройством подстилающего слоя с затворением готовой сухой смеси раствора, укладкой плиток по заданному рисунку в один или два цвета с заливкой швов прыском или раствором, с промывкой или протиркой уложенного покрытия, с установкой плинтусов или галтелей.

3. МАШИНЫ, ИНСТРУМЕНТЫ И ПРИСПОСОБЛЕНИЯ

Машины, инструменты и приспособления, применяемые при настилке полов из керамических метлахских плиток, приведены в таблице 18.

Таблица 18

Машины, инструменты и приспособления

№№ п/п.

Наименование, тип, марка, ГОСТ

Назначение

Количество

на звено

на группу

1

Растворосмеситель С-772

Приготовление растворов для прослойки

-

1

2

Стандартный конус СтройЦНИЛ

Проверка подвижности приготовленных растворов

-

1

3

Тележки для сменной тары(контейнеров)

Перемещение раствора и плиток в пределах рабочей зоны

1

5

4

Сменная тара для сыпучих (контейнеры) размером 774´440´350

Перемещение приготовленного раствора и хранение на месте работ

3

15

5

Сменная тара для штучных материалов (контейнеры) размером 830´440´350 мм

Перемещение плиток и хранение их на месте работ

5

25

6

Зубило слесарное 10´60° или 20´60° ГОСТ 7211-54

Срубка неровностей стяжки

1

5

7

Молоток слесарный ГОСТ 2310-54

Работа с зубилом и др.

1

5

8

Щетка стальная прямоугольная.

Очистка основания

1

5

9

Грабли стальные

Предварительное разравнивание раствора прослойки

1

5

10

Маячные рейки толщиной 3 см

Устройство маяков для разравнивания раствора прослойки

4

20

11

Правило дюралюминиевое (чертежи Гипрооргсельстроя Минсельстроя СССР)

Разравнивание раствора прослойки по маякам

1

5

12

Лопата стальная растворная типа ЛР ГОСТ 3620-63

Разбрасывание раствора прослойки

1

5

13

Лопатка для плиточных работ типа ЛП ГОСТ 9533-66

Разравнивание раствора и другие работы

2

10

14

Отрезовка типа ОШ-2 ГОСТ 9533-66

Выравнивание раствора в труднодоступных местах

1

5

15

Шпатель стальной ШСД ГОСТ 10778-64

Заполнение швов и другие работы

1

5

16

Царапка

Образование борозд на поверхности основания

1

5

17

Гладилка ГШ-2 ГОСТ 10403-63

Выравнивание постели на широких захватках

1

5

18

Резиновый шпатель

Заполнение швов раствором

1

5

19

Хлопуша

Осаживание плиток

1

5

20

Пылесос промышленный

Удаление пыли

-

1

21

Молоток стальной плиточный МПЛИ-1 ГОСТ 11042-64

Околка и подгонка плиток по месту

2

10

22

Клещи строительные 250

Выдергивание гвоздей

1

5

23

Штырь l =160, Æ =16 (чертежи Мосоргстроя Главмосстроя)

Укрепление причалок

2

10

24

Брусок шлифовальный плоский БП 40´20´200 или 20´16´150 № 36-46 ГОСТ 2456-60

Заточка инструмента

1

5

25

Рейка И. В. Болотина с делениями

Разбивка расположения фризов

1

5

26

Шаблоны И. Н. Корнешова или сетчатые шаблоны треста Мосотделстрой № 3

Укладка плиточного покрытия

4

20

27

Стол заготовочный

Заполнение шаблонов плитками

1

5

28

Ведра

Подноска воды

1

5

29

Рулетка измерительная металлическая РЖ-2 ГОСТ 7502-55

Производство измерений

1

5

30

Метр складной деревянный

То же

1

5

31

Шнур разметочный в корпусе = 15 м НИИСЛ Госстроя УССР

Провешивание поверхностей

1

5

32

Уровень ГОСТ 9416-67 УС2-700

Проверка горизонтальных поверхностей

1

5

33

Правило контрольное длиной 2 м

Контрольная проверка поверхностей

1

5

4. МАТЕРИАЛЫ

Для устройства прослойки применять цементно-песчаный раствор подвижностью 2,5-3,5 см по погружению стандартного конуса М-100 СтройЦНИЛ, приготовленный на крупнозернистом песке. Для этой цели может применяться сухая смесь, при условии удовлетворения требованиям по прочности (марке).

Расход раствора при укладке прослойки составит 0,02 м3 на 1 кв.м покрытия, а керамической плитки не более 1,03 м2.

Керамическая метлахская плитка должна удовлетворять требованиям, указанным в инструкционно-технологической карте 1.

Форма, размеры и цвет плиток определяются проектом. Плитки завозятся на объект по указанию мастера.

Подготовка плиток к укладке (сортировка, перерубка) выполняется согласно указаниям, содержащимся в карте № 2.

5. ТЕХНОЛОГИЯ И ОРГАНИЗАЦИЯ ПРОЦЕССА

а) Организация рабочего места

Рабочее место плиточника при поштучной укладке плиток, применяемой в учебных целях, а также в стесненных условиях, в помещениях небольшой площади или в больших помещениях, но имеющих много выступов, фундаментов под оборудование и т.п. организуется так, как это показано на рис. 10.

Рис. 10. Организация рабочего места при поштучной укладке плиток:
1. Растворосмеситель С-772; 2. Пылесос; 3. Маячная рейка; 4. Сменная тара с раствором; 5. Сменная тара с плитками; 6. Маячные плитки; 7. Границы захваток; 8. Рабочее место плиточника.

Рабочее место при пакетной укладке плиток, применяемой в больших помещениях, имеющих немного выступов и фундаментов под оборудование, организуется так, как это показано на рис. 11.

Рис. 11. Организация рабочего места при пакетной укладке плиток:
1. Растворосмеситель С-772; 2. Сухая смесь; 3. Пылесос; 4. Заготовочный стол; 5. Шаблоны с пикетами плиток; 6, Маячная рейка; 7. Сменная тара с готовым раствором; 8. Прибор для Сверления плиток; 9. Маячные плитки; 10. Границы захваток; 11. Рабочее место плиточника

б) Состав звена

Поштучную укладку плиток рекомендуется организовать звеном из двух человек.

Один учащийся проверяет правильность геометрической формы пола, определяет на месте ширину фриза и границы пола, настилаемого по рисунку, принятому для общего фона, устанавливает марки и маяки, проверяет толщину слоя прослойки, настилает фризовую плитку по периметру помещения и укладывает заделки между фризом и стеной.

Второй учащийся помогает первому, разравнивает и заглаживает раствор прослойки, укладывает плитки на постель, приготовляет раствор из сухой смеси, заполняет швы раствором или прыском, протирает пол и выполняет другие вспомогательные работы.

Укладку плиток с помощью шаблона производит звено из 6 учащихся. Двое учащихся выполняют ту же работу, что и при поштучной укладке плиток. Двое других учащихся набирают плитки в шаблон и укладывают ее на постель; один занимается подготовкой основания и укладкой раствора прослойки и один приготовляет раствор, подвозит его к рабочему месту и выполняет другие вспомогательные работы.

Учащиеся по мере освоения операций по графику, составленному мастером, переходят с одной операции на другую, начиная с наиболее простых операций.

в) Трудовой процесс

Таблица 19

Наименование операций

Приемы выполнения операций

Очистка поверхности основания от пыли, грязи и остатков раствора

Остатки раствора очистить стальной щеткой, а схватившийся раствор срубить зубилом. Вымести из помещения мусор метлой, после чего удалить пыль с поверхности с помощью пылесоса, для чего: проверенный механиком, исправный пылесос подключить к электросети, включить двигатель и, передвигая насадку по поверхности пола, собрать пыль.

Смачивание поверхности основания водой

При наличии водопровода на этаже - подключить к нему шланг, открыть вентиль; равномерно полить поверхность основания, не допуская скопления воды или пропусков в поливке.

Проверка геометрической формы помещения

С помощью рулетки определить размеры диагоналей помещения; при равенстве диагоналей приступить к разбивке пола. При неравенстве диагоналей принимают меры к улучшению внешнего вида плиточных полов в помещении неправильной формы для чего:

Разбивка фриза в помещениях неправильной формы

При помощи шнура (рис. 12) провести ось АБ, соединяющую середины двух коротких противоположных сторон помещения. Отложить на ней от точки К отрезок КГ, равный сумме ширины фриза и ширины полосы (заделки), прилегающей к стене. От точки Г в обе стороны перпендикулярно к оси АБ отложить равные отрезки ГЕ и ГД. Размеры этих отрезков выбрать так, чтобы в них укладывалось целое число плиток, для чего пользуются рейкой И. В. Болотина с делениями, и чтобы за этими отрезками до стен оставались полосы, близкие по размерам отрезку КГ. На оси АБ откладывают отрезок ГИ, кратный целому числу плиток, пользуясь шаблоном И.В. Болотина, с таким расчетом, чтобы отрезок ИЛ был примерно равен отрезку КГ. С помощью угольника проводят линию, перпендикулярную линии АБ в точке И, и от нее откладывают отрезки ИЗ и ИЖ, равные между собой и отрезкам ГЕ и ГД. Точки Д, Е, Ж и 3 являются внутренними точками фриза. Все неправильности геометрической формы помещения при такой разбивке оказываются вне поля фона пола и за фризом в полосе заделки.

Рис. 12. Разбивка фриза в помещениях неправильной формы:
1. Участок с прирубленными плитками; 2. Фон пола, 3. Фриз; 4. Заделка.

Разбивка фриза при настилке пола диагональным рисунком

При настилке пола квадратными плитками в диагональный рисунок необходимо рассчитать внутренние размеры фриза так, чтобы на фоне поля между противоположными фризами укладывалось целое число плиток. Расчет длины фриза выполняется по формуле:

l = n(1,41а + 2т) тогда:

где l - длима каждой стороны фриза;

а - длина стороны квадратной плитки;

n - число половинок (треугольных), укладываемых у фризового ряда (n - должно быть целым числом);

т - ширина шва между плитками.

Устройство маяков (марок)

Согласно предыдущему отрезки ГД и ГЕ, а также отрезок ГИ должны содержать целое число половинок. Около стены установить и закрепить первую основную марку на заданном уровне чистого пола. Эта марка называется реперной и устанавливается на жестком цементном растворе. Пользуясь уровнем и рейкой, установить последовательно маяки во всех углах фриза. Маяки делать из трех плиток, как указано на рис. 13. Вначале плитки устанавливать несколько выше требуемого уровня и затем легкими ударами молотка осаживать их по уровню. Установку маяков вести последовательно вправо и влево от реперной марки; совпадение уровней при правом и левом ходе будет свидетельствовать о правильности установки маяков. Между угловыми маяками установить промежуточные фризовые маяки 1-6, для чего пользоваться рейкой Болотина с делениями. Эти маяки устанавливать через 20-26 рядов плиток. В больших помещениях установить промежуточные маячные плитки по фону пола. Эти плитки могут быть установлены как по шнуру, так и в любом удобном месте; в последнем случае они снимаются при настилке пола.

Рис. 13. Устройство маяков (марок):
1 - 4. Угловые фризовые плитки; 1 - 6. Промежуточные маячные фризовые плитки; 7, 8. Промежуточные маячные плитки; 9. Реперная марка у стены; 10. Провеска

Устройство фризов и провесок

С помощью рейки Болотина вначале насухо, а затем на раствор уложить фризовые ряды и заделку вдоль стен. Поперек помещения, через каждые 20-25 рядов уложить провески - ряды плиток, идущие параллельно одному из фризов.

Установка маячных реек

На расстоянии 55 см от фризового ряда установить деревянную маячную рейку. Высота установки рейки определяется размером выреза у правила с учетом необходимости разравнять раствор прослойки на требуемом уровне. Рейку закрепить на растворе.

Укладка прослойки

Раствор прослойки, подвезенный к месту работ в сменной таре на тележке, выложить между уложенными плитками и маячной рейкой, грубо разравнять граблями, а затем правилом с ручкой, снять излишки раствора и заполнить углубления, где его недостает. Загладить уложенный раствор гладилкой. Подготовленная таким образом постель для плиток должна быть на 1-2 мм выше требуемого уровня. Излишек раствора впоследствии образует швы между плитками, а также предотвращает неровности при укладке отдельных более тонких плиток. Перед укладкой плиток прослойку для лучшего сцепления с нею плиток припорашивают тонким слоем сухого цемента.

Укладка

плиток

Укладку вести захватками по 5 плиток. Натянуть шнур на расстоянии 5 плиток от уложенного ряда. Разложить на последнем уложенном ряду стопки плиток по 10 шт. в каждой, располагая их через плитку; этого запаса достаточно для укладки двух рядов захватки. Плитки настилать одновременно по всей ширине захватки, продвигаясь постепенно вдоль нее справа налево и слева направо. На постель плитку укладывать левой рукой, а выравнивать и осаживать ее легкими ударами молотка правой рукой и одновременно следить за тем, чтобы ширина шва между плитками не превышала 3 мм. Сместившиеся в сторону плитки поправлять мастерком. Мастерком обрезать раствор, выступающий за пределы захватки, удалять попадающиеся в растворе крупные включения, добавлять, в случае надобности небольшие порции раствора под отдельные плитки. После настилки 5-6 поперечных рядов уложенную часть пола, а также места предыдущей захватки, на которых располагались стопки плиток, выправить хлопушей или деревянными брусками.

Пакетная

укладка

Подготовка основания и укладка прослойки выполняется, как указано выше. Шаблон укладывается на стол с небольшим уклоном. Плитка в шаблон (рис. 14) укладывается тыльной стороной вверх. После набора полного комплекта плиток (по заданному рисунку, если это нужно) запорные стержни вдвигаются в петли. Заполненный плитками шаблон переносят к месту укладки. Два плиточника переворачивают шаблон плитками вниз и укладывают его на приготовленную постель. Вытаскивают запорные стержни. Проверяют совмещение продольных и поперечных швов. Осаживают шаблон, постукивая по нему деревянным молотком (киянкой) (рис. 15). Снимают шаблон.

Рис 14. Укладка плиток в шаблон

Рис. 15. Осаживание уложенного шаблона с плитками киянкой

Отделка поверхности плиточных полов

Отделку поверхности настланных плиточных полов производить спустя 3-4 дня. Очистить поверхность пола от грязи и мусора метлой. Приготовить жидкий состав цементного раствора на мелком песке (1:1). Набросать ковшом цементный раствор на поверхность пола, равномерно распределить его на поверхности и втирать в швы щеткой или метлой. Оставшиеся излишки раствора удалить до начала схватывания Насыпать на пол увлажненные опилки и с их помощью очистить пол от остатков раствора.

г) Требования к качеству работ

Общие требования:

Укладываемые плитки должны быть отсортированы по размеру, цвету и оттенку.

В покрытии пола не должно быть плиток с трещинами, отколотыми углами и другими дефектами на лицевой стороне.

Перерубленные плитки должны иметь прямолинейные кромки на лицевой поверхности.

Швы между плитками должны быть заполнены цементным раствором состава 1:1.

Открытые швы или щели между полом и плинтусом должны быть заделаны раствором.

Плитки должны иметь прочное сцепление с основанием, что проверяется простукиванием всей площади пола.

Толщина прослойки из цементно-песчаного раствора под плитками не должна превышать 15 мм.

Таблица 20

Оценка качества работ

Показатели качества

Оценка качества

5

4

3

2

1

Просветы между поверхностью плиточного покрытия и двухметровой контрольной рейкой в мм не более

2

3

4

5

6

Предельная толщина швов в мм:

 

 

 

 

 

а) между плитками размером до 200 мм

1

1

2

3

4

б) то же более 200 мм

1

2

3

5

7

Отклонение поверхности пола от горизонтальной плоскости в % % от соответствующих размеров помещения не более

0,08

0,1

0,2

0,3

0,4

При длине или ширине помещения 25 м и более эти отклонения не должны превышать, мм

15

25

50

70

90

Величина уступа между основным фоном покрытия и элементами оформления (фризом) в мм не более

1

1

2

3

4

Отклонение швов от прямой линии (на 10 м) в мм не более

5

8

10

15

20

Примечание. Величина уступа между кромками смежных плиток в пределах основного фона или фриза не должна превышать 1 мм

д) Рекомендации по самоконтролю и проверке качества выполняемых работ

Учащийся должен сам проверять качество выполняемых им работ и оценить его по элементам (показателям,), указанным в таблице 20 в баллах. При этом следует иметь в виду, что показатели, отвечающие оценкам 5, 4 и 3, находятся в пределах допусков технических условий, а показатели, отвечающие оценкам 2 и 1, превышают эти допуски. Работа, оцененная баллами 2 и 1, согласно техническим условиям на строительстве не может быть принята и должна быть переделана.

Просветы между поверхностью плиточного покрытия и контрольной рейкой определяются, как это указано в карте № 3. Толщину швов между плитками проверяют, разделив ширину или длину фона на количество рядов плиток в фоне и исключив из полученного результата ширину стороны плитки. Отклонение поверхности пола от горизонтальной плоскости проверяют с помощью уровня, установленного на контрольное правило. С помощью подкладок из подручного материала устанавливают правило горизонтально по уровню и измеряют просвет (рис. 16) между  полом и концом контрольного правила. Просвет, измеренный в сантиметрах и умноженный на 2 (длина контрольного правила равна 2 м), укажет на отклонение пола от горизонтальной плоскости в процентах. Уступ между основным фоном покрытия и элементами оформления замеряют при помощи ступенчатой линейки или метра, приложив к вышерасположенной плитке отрезок прямого бруска. Отклонение швов от прямой линии измеряют линейкой или метром, натянув шнур вдоль шва.

Рис. 16. Проверка горизонтальности пола:
1. Контрольная рейка; 2. Уровень; 3. Подкладка; 4. Метр

е) Трудовые затраты

Нормы времени (в числителе) и нормы выработки (в знаменателе) приведены в таблице 21.

Таблица 21

Нормы затрат труда и нормы выработки на 1 м2 пола

Площадь полов в кв. м

Размеры плиток в мм

В том числе плинтусы

до 100

до 160

более 160

До 2

1,75

4,6

1,4

5,7

1,2

6,7

0,71

11,2

До 5

1,5

5,3

1,2

6,7

1,05

7,6

0,56

14,2

До 10

1,25

6,0

1,0

8,0

0,83

9,6

0,36

22,2

До 20

1,1

7,3

0,82

9,8

0,68

11,7

0,26

30,7

Более 20

0,96

8,3

0,7

11,4

0,56

14,2

0,15

53,3

Примечания: 1. Нормами учтена перерубка до 10% от всего количества плиток.

2. При настилке полов плитками в три цвета (не считая цвета вкладышей) или с составлением рисунка из трех и более плиток нормы времени умножать на 1,2.

5. ТЕХНИКА БЕЗОПАСНОСТИ

Основные правила техники безопасности приведены в карте 1. Кроме того, при выполнении работ, указанных в настоящей карте, необходимо соблюдать следующие правила.

Растворосмеситель и пылесос должны быть исправны и заземлены. Электропроводка к ним должна находиться в шлангах, исключающих поражение током. При работе с пылесосом следует пользоваться резиновыми перчатками. Работу по настилке плиток следует выполнять в наколенниках и резиновых перчатках.

При обнаружении неисправностей растворосмесителя или пылесоса необходимо об этом поставить в известность мастера. Самому учащемуся исправлять машины запрещается.

1. УКАЗАНИЯ ПО САМОПОДГОТОВКЕ К ВЫПОЛНЕНИЮ ЗАДАНИЯ

В процессе подготовки к выполнению задания учащемуся надлежит ознакомиться с учебным материалом по теме, содержанием настоящей карты, осмотреть помещения, подлежащие облицовке, продумать организацию работ на рабочем месте, проверить наличие материалов, инструмента и приспособлений, а также ответить на следующие вопросы:

Каков состав мастики на жидком стекле?

До какой температуры разогревают мастики на черных вяжущих и какое это имеет значение?

Какие дополнительные требования предъявляются к полам, настланным на черных вяжущих?

В чем заключаются требования техники безопасности при работе с кислотами, и как следует разводить кислоту водой?

2. УЧЕБНАЯ ЦЕЛЬ

Научиться устраивать химически стойкие полы из керамических плиток на цементных растворах и черных вяжущих с приготовлением мастик, подготовкой оснований, настилкой покрытий и отделкой настланных полов.

3. МАШИНЫ, ИНСТРУМЕНТЫ И ПРИСПОСОБЛЕНИЯ

Помимо машин, инструментов и приспособлений, указанных в инструкционно-технологической карте № 4, необходимо иметь оборудование, указанное в таблице 22.

Таблица 22

Оборудование для устройства химически стойких полов

№№ п/п

Наименование, тип, марка, ГОСТ

Назначение

Количество на

звено

группу

1

Установка для подогрева черных вяжущих

Подогревание мастики на месте работ

-

1

2

Термос

Хранение горячей мастики на месте работ, а также для перевозки мастики

1

5

3

Ареометр

Проверка правильности разведения жидкого стекла.

-

1

4. МАТЕРИАЛЫ

Состав кислотостойкой силикатной мастики, приготовляемой на месте работ, приведен в табл. 22а.

Таблица 22а

Состав кислотостойкой силикатной мастика

Составляющие

Соотношение по объему

Кислотоупорный цемент

1

Жидкое стекло (удельный вес 1,357)

0,375

Кремнефтористый натрий

0,04

Вода

0,125

Примерные составы кислотостойких битумных и дегтевых мастик приведены в табл. 23.

Таблица 23

Состав кислотостойких битумной и дегтевой мастик (в частях по весу)

Состав

Мастика

битумная

дегтевая

Битум нефтяной марки IV

Кислотоупорный цемент

Асбест

Пек каменноугольный тугоплавкий

Масло антраценовое

1

1

0,05-0,10

-

-

-

1,5-2,0

0,05-0,10

1

0,1-0,2

Битумную и дегтевую мастики готовят в централизованном порядке и только разогревают на объекте непосредственно перед употреблением.

Керамические плитки должны отвечать требованиям, указанным в инструкционно-технологической карте 1.

5. ТЕХНОЛОГИЯ И ОРГАНИЗАЦИЯ ПРОЦЕССА

а) Организация рабочего места

При настилке плиток на прослойке из мастики с жидким стеклом рабочее место организуется так же, как и при настилке плиток на прослойке из цементного раствора, с той лишь разницей, что ширину захватки рассчитывают на три ряда плиток и плитки, подлежащие укладке, не кладут на последний уложенный ряд, а складывают их немного позади плиточника небольшими стопками (см. карту № 4).

При настилке плиток на прослойке из битумной и дегтевой мастики, кроме того, отпадает необходимость в растворосмесителе и промышленном пылесосе. Разогревание мастик в этом случае производится на открытом воздухе, и горячая мастика подается к месту работ в закрытой таре на тех же тележках.

б) Состав звена

Работу по подготовке основания, укладке плиток, заполнению швов выполняет звено в составе двух человек. На приготовлении мастики, кроме того, занят один учащийся.

В процессе обучения профессии учащийся должен научиться выполнять все операции, указанные в инструкционно-технологической карте, для чего, по мере освоения тех или иных процессов, он должен переходить к освоению последующих, начиная по возможности с более простых и переходя к более сложным.

в) Трудовой процесс

Таблица 24

Наименование операций

Приемы выполнения операций

Приготовление мастики

Отмерить кислотоупорный цемент и кремнефтористый натрий, загрузить их в емкость, в качестве которой использовать сменную тару для сыпучих, и тщательно перемешать эту сухую смесь. Отмерить требуемое количество жидкого стекла и разбавить его водой, тщательно перемешивая и контролируя степень разбавления с помощью ареометра; по окончании замеров ареометр тщательно вымыть и вытереть насухо. Загрузить составляющие в растворосмеситель С-772 и перемешать с соблюдением указаний, содержащихся в инструкционно-технологической карте № 2. Готовую мастику выгрузить в емкость и отправить в ней на место работ на тележке. Мастику следует использовать в течение 30 минут.

Разогревание готовой битумной или дегтевой  мастики

Включить компрессор. Залить в бак горючее. Во избежание взрыва необходимо строго соблюдать правила зажигания форсунки. Паклю или ветошь, обильно смоченную соляровым маслом, зажигают и подносят к форсунке на расстоянии 30-35 мм, после этого открывают кран подачи топлива, затем кран подачи воздуха и регулируют правильное крепление форсунки (рис. 17). Загрузить котел кусками мастики или залить ее в котел, если она доставлена в расплавленном состоянии и, периодически перемешивая, довести мастику до температуры: летом - 180-200°, а зимой до 200-220°. Проверить удобоукладываемость мастики следует, набрав в ковш около 100 см3 мастики и вылив ее на ровную, гладкую, горизонтальную поверхность. Хорошо нагретая мастика растекается на поверхности слоем до 4 мм.

Рис. 17. Схема установки для разогрева битумной мастики:
1. Котел; 2. Форсунка; 3. Шланг подачи сжатого воздуха; 4. Трубка подачи топлива; 5. Компрессор; 6. Топливный бак

Подготовка основания при настилке плиток на мастике с жидким стеклом.

Проверить правильность поверхности основания - его горизонтальность или правильность уклонов к трапам, прочность проклейки гидроизоляционного ковра к стенам, столбам, фундаментам под оборудование. Приготовить грунтовку из жидкого стекла удельным весом 1,45-1,50, добавив в него 15% по весу кремнефтористого натрия и тщательно ее перемешать. Очистить основание мягкой тряпкой и огрунтовать его приготовленной грунтовкой; очищенное основание должно быть совершенно сухим. В случае необходимости прошпаклевать огрунтованное основание мастикой с целью устранения отдельных углублений.

Подготовка основания при настилке плиток на черных вяжущих.

После проверки правильности основания очистить его от мусора и огрунтовать горячим битумом или холодным битумным лаком, если настилка будет выполняться на битумной мастике, или смесью пека с антраценовым маслом, если настилка плиток будет выполняться на дегтевой мастике. Оградить огрунтованный пол во избежание загрязнения при хождении.

Настилка плиток на мастике с жидким стеклом.

Настилку плиток на мастике с жидким стеклом выполнять согласно указаниям, содержащимся в инструкционно-технологической карте № 4 с соблюдением следующего: плитки укладывать очень точно, так как из-за большой вязкости раствора их трудно сдвинуть с места для исправления линии швов; осаживать плитки не молотком, а ручкой кельмы; после укладки нескольких рядов плиток, в течение первых 20 мин. после настилки, т. е. до начала схватывания раствора, выравнивать поверхность пола легкими ударами молотка по деревянному бруску; уложив последний ряд плиток, выступающий за пределы захватки, схватившийся раствор подрезать кельмой и удалить; швы между плитками заполнять материалом прослойки, если это не предусмотрено, заполнять специальным составом. После укладки плиток на раствор с растворимым стеклом полы защищают от воды в течение двух-трех дней.

Настилка плиток на мастиках из черных вяжущих.

Разбивку расположения плиток, устройство маяков и марок выполнять согласно указаниям, содержащимся в инструкционно-технологической карте № 4. Поднесенную мастику разлить на небольшой площади в пределах захватки, учитывая, что толщина прослойки из битумной или дегтевой мастики не должна превышать 2-3 мм, если проектом не предусмотрена другая толщина. Для лучшей связи плиток края их перед укладкой на мастике смазывают раствором сероуглеродной соли. Каждую плитку втапливать в мастику так, чтобы заполнялись швы между соседними плитками; если проектом предусмотрено заполнение швов другими, более стойкими материалами, то швы следует оставлять пустыми. Размеры швов между плитками не должны превышать 2 мм.

Отделка плиточного пола настланного на мастике с жидким стеклом.

Через 20 суток после настилки плиток на мастике с жидким стеклом протереть поверхность пола серной, азотной или соляной кислотой в соответствии с указанием проекта, (зависит от состава агрессивной среды). Обрабатывать кислотой следует дважды с перерывом не менее чем в 4 ч. На следующий день пол протереть влажными опилками.

Отделка плиточного пола настланного на мастике из черных вяжущих.

Очистить стальным шпателем настланный пол от остатков битума и удалить крошки битума. Смыть остатки битума или дегтевой мастики тряпкой, слегка смоченной в керосине, бензине или другом растворителе. Следить за тем, чтобы растворитель не попал в швы облицовки. Очистить пол сухими опилками.

г) Требования к качеству работ

К качеству химически стойких полов предъявляются такие же требования как и к качеству плиточных полов, изложенные в инструкционно-технологической карте № 4, со следующими дополнениями.

Толщина прослойки из битумных и дегтевых мастик не должна превышать 3 мм.

Просадка плиток, уложенных на мастике, под сосредоточенной нагрузкой 200 кг на площадь 30´30 мм в углу плитки в течение двух суток (при максимальной температуре, возможной при эксплуатации пола) не должна превышать (в мм):

при оценке   5       0,5

  »         »        4      1,0

  »         »        3      1,5

  »         »        2      2,0

  »         »        1      2,5

д) Рекомендации по самоконтролю и проверке качества выполняемой работы

Для проверки качества выполняемой работы следует пользоваться указаниями, приведенными в инструкционно-технологической карте № 4 и данными по техническим требованиям настоящей карты (раздел 5, пункт г).

е) Трудовые затраты

Нормы затрат труда и нормы выработки приведены в табл.25.

Таблица 25

Нормы затрат труда и нормы выработки на 1 м2 пола

Наименование работ

Площадь пола в кв. м

до 5

до 10

более 10

Подготовка основания

0,26

30,7

0,25

32,0

0,22

36,4

Укладка плиток размером в мм

до 100

1,4

5,71

1,25

6,4

1,15

6,95

до 160

0,94

8,51

0,9

8,88

7,7

10,4

более 160

0,69

11,6

0,66

12,1

0,58

13,8

Заполнение швов

0,28

28,6

0,26

30,8

0,23

34,8

Приготовление раствора

 

0,34

23,5

 

6. ТЕХНИКА БЕЗОПАСНОСТИ

Основные правила техники безопасности приведены в инструкционно-технологической карте № 1. Кроме того, при выполнении работ, указанных в настоящей карте, необходимо соблюдать следующие правила.

Для очистки полов разрешается использовать только 5%-ный раствор кислоты. Для разведения кислоту обязательно следует вливать в воду тонкой струйкой при постоянном перемешивании. Ни в коем случае нельзя вливать в кислоту воду: при этом из-за внезапного повышения температуры возникают брызги кислоты, которые могу обжечь лицо.

Применяя крепкую серную кислоту для обработки швов, соблюдать ряд предосторожностей: бутыли с кислотой хранить и переносить в плетеных корзинах с подстилкой из мягкой стружки; разливать кислоту в небольшие бутыли только через воронку; ветошь, намоченную кислотой, не брать руками: ее следует наматывать на длинную ручку.

Кремнефтористый натрий оказывает вредное воздействие на кожный покров. Поэтому работать с ним следует в плотном комбинезоне, рукавицах, противогазе. Хранить кремнефтористый натрий необходимо в герметичной упаковке с соответствующей предупредительной надписью. После работы с ним, особенно перед едой, необходимо тщательно вымыть руки с мылом.

Расплавленные битумные мастики при попадании на кожу плотно приклеиваются к ней и вызывают глубокие, трудно заживающие ожоги. Поэтому при разогревании мастики и ее перевозке к месту работы необходимо пользоваться рукавицами, надевать комбинезон, брюки которого напускаются на обувь.

Переносить и перевозить горячую мастику можно только в бочках с плотно закрывающимися крышками, заполненными не более чем на 3/4 объема, чтобы содержащаяся в них жидкость не расплескалась. Из котлов мастику переливать в бачки ковшами с длинной ручкой.

В случае необходимости выравнивать слой битума ребром очередной плитки. Осаживают плитки легкими ударами по ним ручкой кельмы, чтобы брызги горячего битума не попали на руки.

Плитки на растворе, содержащем цемент, укладывать в тонких резиновых перчатках или напалечниках. Перед тем, как надеть их, руки протирать тальком или меловым порошком.

1. УКАЗАНИЯ ПО САМОПОДГОТОВКЕ К ВЫПОЛНЕНИЮ ЗАДАНИЯ

В процессе самостоятельной подготовки к выполнению задания учащемуся надлежит ознакомиться с учебным материалом по теме, содержанием настоящей инструкционно-технологической карты, осмотреть помещения с целью проверки их пригодности к выполнению работ, продумать организацию работ на рабочем месте, проверить наличие материалов, инструмента и приспособлений, а также ответить на следующие вопросы.

Каковы виды плиток, какими мастиками их приклеивают к основанию?

В чем заключается подготовка основания под настилку плиток?

Каковы виды грунтовок, их назначение и способы применения?

Как устраняются дефекты основания?

Организация рабочего места при настилке плиток.

Как выполняется процесс настилки плиток?

Основные правила техники безопасности при настилке плиток.

2. УЧЕБНАЯ ЦЕЛЬ

Научиться настилать полы из различного рода синтетических плиток с очисткой и подготовкой основания, подбором плиток по: размеру, цвету, тону и сорту, разбивкой помещения для определения места расположения фона и фриза, укладкой плиток насухо с подбором рисунка, подгонкой; плиток в местах примыкания к выступающим частям, обрезкой (при надобности), подогревом плиток на электропечи, нанесением мастики на основание, укладкой плиток, установкой плинтусов и отделкой настланных полов.

3. МАШИНЫ, ИНСТРУМЕНТЫ И ПРИСПОСОБЛЕНИЯ

Таблица 26

№№ п/п

Наименование, тип, марка, ГОСТ

Назначение

Количество

на  звено

группу

1

Шлифовальная машина 0-7 или С-420

Шлифовка основания

-

1

2

Брусок шлифовальный ГОСТ 2456-60

Подшлифовка основания после шпаклевки

1

5

3

Кисть-макловица типа КМА-2, ГОСТ 10597-65

Огрунтовка основания

1

5

4

Ведра из кровельной стали

Подноска и хранение грунтовки

1

5

5

Щетка стальная прямоугольная, (чертежи Гипрооргсельстроя Минсельстроя CCCР)

Очистка основания

1

5

6

Штырь l = 160, Æ = 16 (чертежи треста Мосоргстрой Главмосстроя)

Укрепление причалок

2

10

7

Шнур разметочный в корпусе l = 15 м. (чертежи НИИСЛ Госстроя Украинской ССР)

Разбивка пола

1

5

8

Приспособления для резки пластикатных плиток, (чертежи Гипрооргсельстроя Минсельстроя СССР).

Перерезка плиток

-

1

9

Электротермос

Хранение горячей мастики на месте работ

-

1

10

Электропечь

Подогрев плиток перед укладкой

1

5

11

Шпатель зубчатый большой (чертежи Гипрооргсельстроя Минсельстроя СССР)

Разравнивание мастики на основании

1

5

12

То же, шпатель зубчатый малый

То же

1

5

13

Гладилка с зубчатыми кромками (чертежи Гипрооргсельстроя Минсельстроя СССР)

То же

1

5

14

Молоток резиновый (чертежи Гипрооргсельстроя Минсельстроя СССР)

Осаживание плитой при настилке

1

5

15

Рулетка измерительная металлическая РС-20 ГОСТ 7502-61

Производство измерений

1

5

16

Метр складной металлический ГОСТ 7253-54

То же

1

5

17

Уровень строительный УС-2 70С ГОСТ 9416-67

Проверка горизонтальности основания

1

5

18

Правило контрольное длиной 2 м

Проверка правильности основания и настланного пола

1

5

19

Ступенчатая линейка

Проверка величины выступов и впадин

3

25

20

Пылесос

Удаление пыли

-

1

4. МАТЕРИАЛЫ

 Для устройства полов применяют следующие плитки из синтетических материалов:

поливинилхлоридные, кумароно-поливинилхлоридные, резиновые плитки размером 150´150; 200´200; и 300´300 мм, кумароновые и битумные плитки размером 150´150 и 200´200 мм. Указанные плитки должны отвечать требованиям, указанным в инструкционно-технологической карте № 1.

Для крепления плиток к основанию применяются мастики, указанные в таблице 27.

Таблица 27

Мастики для крепления плиток

Наименование мастик

Наименование плиток

поливинилхлоридные

кумароно-поливинилхлоридные

кумароновые

резиновые

битумные

Битумная холодная мастика «Биски»

+

+

+

+

+

Мастики КН-2, КН-3

+

-

-

+

-

Битумная горячая мастика

-

-

-

-

+

Примечание. Знаком + отмечены мастики, которые применяются для настилки данных плиток и знаком - мастики, которые с данными плитками не применяются.

Все мастики приготовляются централизованным способом на заводах. На стройку мастики доставляются в закрытой таре. Для справок ниже приводятся рецепты некоторых мастик, используемых для крепления плиток при настилке полов.

Битумная горячая мастика, применяемая для настилки битумных плиток, может быть приготовлена по следующему рецепту (в %% по весу):

Битум марки БН-IV     56

Цемент или трепел      40

Асбест 6 или 7 сорта   4

Шпаклевку основания перед настилкой плиток, в случае необходимости, выполняют полимерцементным раствором следующего состава (в весовых частях):

Песок мелкий кварцевый               3

Портландцемент марки 400           1

Поливинилацетатная эмульсия     0,6

Огрунтовку основания производят раствором битума в бензине в соотношении 1:2 или 1:3 в случаях, когда применяются битумные мастики и 10%-ным раствором поливинилацетатной эмульсии в случаях, когда для настилки плиток применяются мастики на основе синтетических смол.

5. ТЕХНОЛОГИЯ И ОРГАНИЗАЦИЯ ПРОЦЕССА

а) Организация рабочего места

Процесс настилки синтетических плиток сходен с настилкой керамических плиток. Поэтому организация рабочего места, приведенная в карте № 4, в основном, пригодна и в случае настилки синтетических плиток. Ширину захватки принимать на 1-2 ряда плиток. В случае необходимости подогрева плиток, электропечь может располагаться как в самом помещении, где производится настилка пола, если оно достаточно велико, так и в соседнем помещении, если для печи нет места в помещении, где производится работа. В этом случае подогретые плитки подносятся к месту работы в пачках, чтобы они не успевали остывать.

Большинство мастик содержит в себе летучие растворители. Поэтому мастики должны храниться на месте работ в закрытой посуде. Горячую мастику надо хранить в электротермосе.

Стопки отобранных, отсортированных плиток располагают с левой стороны плиточника, немного сзади его, а необходимый инструмент - с правой стороны, под рукой.

Рабочее место должно быть хорошо освещено и оснащено надежной вентиляцией, обеспечивающей своевременное удаление паров растворителей, содержащихся в мастике.

б) Состав звена

Работу по настилке синтетических плиток выполняет звено в составе двух человек.

Учащемуся следует освоить все процессы работы, для чего нужно, по мере освоения одних операций переходить к другим, от более простых к более сложным.

в) Трудовой процесс

Наименование операций

Приемы выполнения операций

Проверка основания

С помощью контрольного правила и ступенчатой линейки или метра проверить основание. Провесы более 2 мм отмечают цветным карандашом или мелом. Также отмечают неровности, подлежащие устранению.

Устранение неровностей.

С помощью шлифовальной машины 0-7 или С-426 устранить неровности, обнаруженные при проверке основания. Для этого исправную машину подключить к электросети по указанию мастера, опробовать ее, включив на холостом ходу и. убедившись в исправности машины, приступить к работе. Передвигая машину в пределах, отмеченных при проверке неровностей (рис. 18), сошлифовывать их, проверяя достаточность устранения с помощью контрольного правила и ступенчатой линейки или метра. После выполнения работы отключить машину от электросети.

Рис. 18. Устранение неровностей основания пола при помощи шлифовальной машины

Выравнивание провесов

Приготовить шпаклевку по указанному выше рецепту. Протереть сухой тряпкой отмеченные при проверке места, подлежащие исправлению. Шпателем нанести и разровнять шпаклевку в пределах отметок, проверяя выполненную работу с помощью контрольного правила и ступенчатой линейки или метра.

Очистка

основания

С помощью промышленного пылесоса очистить основание от пыли и мусора, руководствуясь указаниями, содержащимися в инструкционно-технологической карте № 4.

Огрунтовка основания

Приготовить грунтовку по указанному выше рецепту: битумную - при настилке плиток на битумных мастиках и поливинилацетатную, при настилке плиток на мастиках из синтетических смол. Огрунтовать основание нанося на него грунтовку волосяной щеткой тонким слоем, расходуя на 1 кв. м пола не более 300 г грунтовки. Закрыть доступ в помещение, где огрунтовано основание. Целесообразно выполнять огрунтовку к концу рабочего дня.

Разбивка покрытия

Определение положения фриза и фона, проверка правильности размеров помещений производится так же, как и при пастилке керамических плиток. Поэтому, пользуясь указаниями, содержащимися в карте № 4 надлежит: проверить правильность углов помещений, рассчитать количество целых плиток, укладываемых в фон пола, определить положение фриза и заделки, закрепить положение фриза с помощью шнура и маячных плиток.

Настилка плиток

Вначале настилают плитки фриза так, чтобы у стен остались места для заделки. Затем настилают плитки в заделках, подгоняя при надобности и подрезая плитки с помощью ножниц. Настилку фона ведут «на себя» от одного фриза до другого, не наступая при этом на свежеуложенные плитки. При выполнении работы, небольшую порцию мастики наливают на пол в пределах захватки на ширину 1-2 плиток и разравнивают тонким слоем с помощью зубчатого шпателя (рис. 19). Дав мастике немного подсохнуть, приступают к настилке плиток. Для этого плитку устанавливают углом и постепенно опускают по диагонали на место, следя за максимальной плотностью настилки и не допуская образования воздушных пузырей. Уложив плитку, осаживают ее резиновым молотком. Ширина швов между плитками должна быть минимальной и не превышать 0,2-0,3 мм. Выдавливаемую при обжатии плиток мастику осторожно снимают тряпкой, слегка смоченной в растворителе. Закрыть доступ в помещение, где настлана плитка на двое суток. Тщательно очистить весь инструмент от мастики.

Рис. 19. Разравнивание мастики зубчатым шпателем

Отделка полов

Спустя двое суток после настилки плиток, пол протирается влажной тряпкой без избытка воды и натирается.

г) Требования к качеству работ

Ровность поверхности настланного пола проверяется во всех направлениях контрольной рейкой длиной 2 м. Отклонение поверхности пола из кумароновых и асбестосмоляных плиток не должно превышать 4 мм, а из поливинилхлоридных и других плиток - 2 мм.

Отклонение поверхности пола от горизонтальной плоскости или от заданного уклона допускается не более 0,2% от соответствующего размера помещения. При ширине или длине помещений 25 м и более эти отклонения не должны превышать 50 мм.

Отклонения швов между рядами плиток от прямого направления не должны превышать 10 мм на 10 м длины ряда.

Просадка плиточного покрытия под сосредоточенной нагрузкой 50 кг не должна превышать 1 мм. Нагрузка на покрытие передается роликом диаметром 30 мм, шириной 15 мм и действует в течение 24 ч. При этом в материале покрытия под роликом не должно появляться трещин.

Оценка качества выполненных работ производится в зависимости от показателей, приведенных в табл. 29.

Таблица 29

Показатели качества покрытий из синтетических плиток

Показатели качества

Оценка в баллах

5

4

3

2

1

Просветы при проверке покрытия контрольной рейкой длиной 2 м в мм не более:

 

 

 

 

 

для кумароновых и асбестосмоляных плиток

2

3

4

5

6

для поливинилхлоридных и других плиток

1

1,5

2

2,5

3,0

Отклонение пола от горизонтальной плоскости или от заданного уклона при длине или ширине помещения:

 

 

 

 

 

до 25 м, в % % от размеров помещения

0,08

0,1

0,2

0,3

0,4

более 25 м, в мм

15

25

50

70

90

Отклонение швов от прямой линии на 10 м в мм не более

5

8

10

12

15

Просадка плиток, в мм не более

0,5

0,8

1

1,2

1,5

д) Рекомендации по самоконтролю и проверке качества выполняемой работы

Для проверки качества выполняемой работы следует пользоваться указаниями, приведенными в карте № 4, и техническими требованиями настоящей карты (раздел 5, пункт г).

е) Трудовые затраты

Настилка полов из плиток размером 150´150 мм:

Н. вр. 0,41 человекочаса на 1 м2 пола; н. выраб. 19,5 м2.

Настилка полов из плиток размером 300´300 мм:

Н. вр. 0,32 человекочаса на 1 м2 пола; н. выраб. 25 м2.

6. ТЕХНИКА БЕЗОПАСНОСТИ

Основные правила техники безопасности приведены в инструкционно-технологической карте № 1. Кроме этих правил, при настилке синтетических плиток, надлежит выполнять следующие указания.

Курить и пользоваться огнем у бачков с мастикой воспрещается. На рабочем месте запас мастики не должен превышать полудневной потребности. Освободившуюся из-под мастики тару до вывозки на склад постоянного хранения держать в закрытом виде. Тару с неиспользованным остатком мастики к концу рабочего дня плотно закрывают крышками и переносят в специальное место хранения.

Особенно осторожным следует быть при применении клеев КН-2 и КН-3, относящихся к взрывоопасным и токсичным. Помещения, в которых производятся работы, должны вентилироваться, в них запрещается производить удары металлическими предметами по бетону или металлу, а также выполнять другие действия, которые могут вызвать образование искры. Электропатроны и выключатели не должны искрить. Особое внимание должно быть обращено на технику безопасности при приготовлении холодных битумных грунтовок; в емкость с герметической крышкой наливают необходимое количество вяжущего, куда постепенно тонкой струей небольшими порциями по 1-2 л, а затем 3-5 л, при постоянном перемешивании вводят бензин. Температура вяжущего при введении растворителя должна быть не выше 110° С.

1. УКАЗАНИЯ ПО САМОПОДГОТОВКЕ К ВЫПОЛНЕНИЮ ЗАДАНИЯ

В процессе самостоятельной подготовки к выполнению задания учащемуся надлежит ознакомиться с учебным материалом по теме, содержанием настоящей карты, осмотреть помещения, подлежащие облицовке с целью проверки их готовности к отделке, продумать организацию работ на рабочем месте, проверить наличие материалов, инструмента и приспособлений, а также ответить на следующие вопросы:

В чем заключается подготовка к облицовке бетонных и кирпичных поверхностей? Требования, предъявляемые к бетонным и кирпичным поверхностям, подготовленным под облицовку.

Как осуществляется подготовка к облицовке деревянных поверхностей? Требования, предъявляемые к деревянным поверхностям, подготовленным под облицовку.

Какие требования предъявляются к поверхностям, предназначенным для облицовки на мастиках?

Какие правила следует соблюдать при работе с кислотой?

2. УЧЕБНАЯ ЦЕЛЬ

Научиться подготавливать поверхности под облицовку с очисткой их от загрязнения и жировых пятен, с насечкой бетонных поверхностей, а также кирпичных, выполненных в полный шов, с выправкой неровностей штукатурным раствором и нарезкой борозд по штукатурному намету или с оштукатуриванием поверхностей по металлической сетке, натянутой по каркасам в случаях облицовки деревянных поверхностей.

3. МАШИНЫ, ИНСТРУМЕНТЫ И ПРИСПОСОБЛЕНИЯ

Таблица 30

№№ п/п

Наименование, тип, марка, ГОСТ

Назначение

Количество

на звено

на группу

1

Инерционный грохот С-441

Просеивание песка при приготовлении раствора

-

1

2

Растворосмеситель С-772

Приготовление цементных растворов

-

1

3

Стандартный конус СтройЦНИЛ

Проверка подвижности приготовленных растворов

-

1

4

Лопата стальная подборочная ЛП-1 ГОСТ 3620-63

Загрузка песка в грохот, раствора - в транспортные средства

1

5

5

Лопата стальная копальная остроконечная ЛКО-1 ГОСТ 3620-63

То же и другие работы

1

5

6

Мерный ящик для песка

Отмеривание песка при приготовлении цементного раствора

-

1

7

То же, для цемента

Отмеривание цемента

-

1

8

Мерная емкость

То же, воды

-

1

 

Примечание: объем емкостей по позициям 6, 7 и 8 зависит от состава приготовляемого раствора.

9

Тележка для сменной тары

Перемещение приготовленного раствора в пределах рабочей зоны

1

5

10

Сменная тара для сыпучих материалов (контейнеры) размером 744´440´350 мм

Перемещение приготовленного раствора и хранение на рабочем месте

3

5

11

Пневмомолоток КМП-3

Насечка поверхностей

1

5

12

Ковш штукатурный ГОСТ 7945-63

Набрасывание раствора на поверхности

1

5

13

Штукатурная лопатка КШ ГОСТ 9533-66

Набрасывание раствора на поверхности

1

5

14

Царапка

Образование борозд на оштукатуренной поверхности

1

5

15

Полутерки деревянные 350 и 800 мм (чертежи Оргстроя Минстроя Эстонской ССР)

Разравнивание штукатурного намета

1

5

16

Щетка стальная прямоугольная (чертежи Гипрооргсельстроя Минсельстроя СССР)

Очистка поверхности

1

5

17

Ножницы ручные ГОСТ 7210-54

Резка металлической сетки

1

5

18

Нож штукатурный (чертежи Мосоргстроя Главмосстроя)

Разрезка трещин

1

6

19

Сокол дюралюминиевый (чертеж 13 100 000)

Нанесение раствора

1

5

20

Гладилки типов ГШ-1, ГШ-2 по ГОСТ 10443-63

Нанесение раствора на металлическую сетку

1

5

21

Инвентарные металлические марки

Установка маяков

20

100

22

Отвес О-200 по ГОСТ 7248-63

Провешивание поверхностей

1

5

23

Рейка с отвесом для штукатурных работ (чертежи НИИСЛ Госстроя Украинской ССР)

Установка маяков

5

25

24

Уровень строительный УС-2 700 ГОСТ 9416-67

Проверка поверхностей

1

5

25

Метр складной металлический ГОСТ 7253-34

Производство измерений

1

5

26

Рулетка металлическая тип РС-20 ГОСТ 7502-61

То же

1

5

27

Шнур разметочный в корпусе l = 15 м (чертежи НИИСЛ Госстроя Украинской ССР)

Разметка поверхностей

1

5

28

Правило контрольное длиной 2 м

Проверка поверхностей

1

5

4. МАТЕРИАЛЫ

При подготовке деревянных оснований, заключающихся в подбивке сетки и оштукатуривании, расход материалов на 1 м2 поверхности составляет:

Раствор цементный               0,33 м3

Сетка металлическая            1,08 м2

Гвозди 40 мм                         0,065 кг

или

Проволока вязальная            0,067 кг

Асбест 6 - 7 сорта                  0,2 кг

Для промывки загрязненных жировыми пятнами поверхностей на 1 м2 расходуется 0,025 кг соляной кислоты.

5. ТЕХНОЛОГИЯ И ОРГАНИЗАЦИЯ ПРОЦЕССА

а) Организация рабочего места

При подготовке бетонных, кирпичных и других поверхностей, не требующих расхода большого количества материалов, запас материалов для промывки поверхностей и для заполнения впадин должен находиться в средствах передвижения, для чего может использоваться тележка с контейнером.

При подготовке деревянных поверхностей сетка доставляется к месту работ на тележке. Раствор, подлежащий нанесению на стены и перегородки, доставляется к месту работ также на тележке о сменной таре, из которой и производится набрасывание его на поверхности.

Набрасывание раствора на большие поверхности производится с помощью ковша Шаульского, а на небольшие поверхности, где работать с ковшом затруднительно, набрасывание раствора производят штукатурной лопаткой с сокола. В том и другом случаях ящик с раствором располагается в метре от стены, справа или слева от работающего, в зависимости от того, левой или правой рукой наносится раствор на поверхность: при нанесении раствора правой рукой учащийся становится к поверхности правым боком, а тара с раствором должна находиться от него с левой стороны и наоборот.

б) Состав звена

Подготовку бетонных, кирпичных и других поверхностей, за исключением деревянных, производит один учащийся.

Подготовку деревянных поверхностей производят два учащихся. Обычно подготовку деревянных поверхностей выполняют штукатуры. Однако эту работу должен уметь выполнять и плиточник. Поэтому к освоению этой операции учащийся должен отнестись со всей серьезностью.

в) Трудовой процесс

Таблица 31

Наименование операций

Приемы выполнения операций

Проверка поверхности контрольным правилом

Проверка поверхности выполняется с целью выявления неровностей, препятствующих нанесению  прослойки надлежащей толщины, путем прикладывания контрольного правила к поверхности в различных направлениях и замера отклонений; отметки мелом или цветным карандашом мест, подлежащих исправлению.

Очистка поверхностей от грязи и пыли. Насечка поверхностей

Очистку выполнять стальной щеткой с обметанием пыли веником или тряпкой. Гладкие бетонные поверхности, а также кирпичные поверхности, выполненные в полный шов, насекают при помощи пневматического молотка 56КМП-3. Проверенный мастером исправный молоток подключают к воздушному шлангу, дают команду включить компрессор, если воздух получают от индивидуальной установки, подносят к поверхности и, нажав на курок, приводят инструмент в действие (рис. 20), нанося от 1000 до 1200 ударов на кв. м поверхности. Насеченную поверхность очищают от пыли.

Рис. 20. Насечка поверхности

Удаление выступающей поверхности

При большом объеме работ выступающие места следует удалить с помощью указанного выше инструмента, обрабатывая им поверхность сплошь и добиваясь устранения неровностей до требуемых величин, обеспечивающих соответствующую толщину прослойки. При небольших объемах работ эта операция выполняется с помощью скарпеля.

Заполнение углублений

Углубления заполнять раствором прослойки слоями, не превышающими толщины 8 мм с выдержкой каждого слоя, достаточной для твердения раствора. Раствор наносить на поверхность ковшом или штукатурной лопаткой с сокола и разравнивать деревянным полутерком без заглаживания поверхности с целью сохранения ее шероховатости.

Натягивание металлической сетки

По деревянным брускам или металлическому каркасу, укрепленному по деревянной поверхности, натянуть металлическую сетку, для чего; распаковать рулон сетки, разметить и раскроить сетку на полотнища, натянуть сетку по каркасу с подгонкой и прирезкой по месту, прибить сетку гвоздями, если каркас выполнен из деревянных брусков, или привязать проволокой, если каркас выполнен из арматурной стали; в первом случае гвозди забивают через 15-20 см и шляпки их загибают, чтобы прихватить проволоку сетки, во втором случае сетку привязывают проволокой в каждом пересечении каркаса.

 

Один учащийся со столика-подмостей в верхней части стены (рис. 21) забивает на расстоянии 25-30 см от стены и потолка гвоздь так, чтобы шляпка его выступала за поверхность натянутой сетки на наименьшую толщину штукатурного намета. С забитого гвоздя опускают отвес, прижимая шнур к шляпке. Второй учащийся с пола, ориентируясь по отвесу, забивает на расстоянии 30 см от пола второй гвоздь. В такой же последовательности провешивают противоположную сторону стены у другого угла. По забитым гвоздям протягивают шнур горизонтально и по диагонали, проверяя возможную толщину намета и, если нужно, забивают или выдергивают гвозди, добиваясь оптимальной толщины будущего намета по всей поверхности стены. По забитым гвоздям устанавливают инвентарные маяки.

Рис. 21. Провешивание поверхности

Оштукатуривание по сетке

В соответствии с указаниями, содержащимися в инструкционно-технологической карте № 3, приготовить цементно-песчаный раствор состава, указанного мастером: для обмазки сетки с асбестом, а для нанесения намета - без него . Обмазать сетку цементно-песчаным раствором с асбестом путем нанесения раствора с сокола (рис. 22), для чего на сокол, находящийся в левой руке, штукатурной лопаткой накладывают 2-3 л раствора, подносят сокол к стене, прижимают нижнюю сторону к стене, наклоняют до угла в 15-20° и протягивают снизу вверх, прижимая низ сокола лопаткой, добиваясь равномерного распределения тонкого слоя раствора по поверхности. После затвердения обмазки, на следующий день, приступают к нанесению намета. Первый слой - обрызг наносят раствором с осадкой конуса 12-13 см с помощью ковша или штукатурной лопаткой с сокола и не разравнивают. Для нанесения раствора ковшом (рис. 23) его берут в правую или левую руку так, чтобы большой палец находился сверху ручки, а остальные - охватывали ее снизу. Зачерпнув порцию раствора из ящика сильным взмахом руки, вбрасывают его на стену: ковшу при этом придают такое положение, при котором край его рассеивал бы раствор, направляя его тонкой веерообразной струей. На небольшие поверхности раствор наносят штукатурной лопаткой с сокола, для чего сокол берут в левую руку, а лопатку - в правую, набирают лопаткой раствор из ящика на сокол, подносят его к стене, берут на лопатку с сокола порцию раствора и набрасывают его на поверхность горизонтальными рядами сверху вниз (рис. 24 а, б). В зависимости от расположения места, куда должен быть нанесен раствор, его приходится наносить приемом справа налево или слева направо. Второй слой - грунт наносят после схватывания и отвердения обрызга. Нанесение грунта производится теми же приемами, что и обрызга. Нанесенный грунт разравнивают полутерками (рис. 25) в уровень с установленными маяками, снизу вверх, слегка двигая полутерок вправо и влево.

Рис.22. Нанесение раствора на сетку

Рис. 23. Набрасывание раствора ковшом

Рис. 24. Набрасывание раствора в положении: а) слева направо; б) справа налево

Рис. 25. Разравнивание грунта полутерком

г) Требования к качеству работ

Гладкие бетонные поверхности, а также кирпичные конструкции, сложенные в полный шов, должны быть насечены.

На подготовленных поверхностях не должно быть жировых пятен, грязи и пыли.

Ранее оштукатуренные поверхности, предназначенные под облицовку, не должны иметь следов старой отбитой штукатурки.

Отдельные неровности более 15 мм, а также общие отклонения облицовываемой поверхности от вертикали более 15 мм должны быть предварительно выправлены цементным раствором, проверены по отвесу и правилу.

Толщина намета штукатурки по сетке должна быть не менее 15 мм. Поверхность штукатурки должна быть выправлена без заглаживания и иметь нарезанные борозды.

Оценка качества работ при подготовке к облицовке поверхностей приведена в табл. 32.

Таблица 32

Оценка качества подготавливаемых поверхностей

Показатели качества

Оценка

5

4

3

2

1

Неровности, обнаруживаемые при накладывании контрольного правила, глубиной или высотой в мм не более:

 

 

 

 

 

при облицовке на растворе

10

12

15

17

20

при облицовке на мастиках (не более 2 неровностей)

1

1,5

2

2,5

3,5

Отклонение поверхностей от вертикали:

 

 

 

 

 

при облицовке на растворе на всю высоту помещения в мм не более

10

12

15

17

20

при облицовке на мастике на 1 м высоты в мм не более

0,5

0,5

1

1,5

2

или на всю высоту помещения

3

4

5

7

10

д) Рекомендации по самоконтролю и проверке качества выполняемой работы

Проверка качества бетонных и кирпичных поверхностей, подготавливаемых к облицовке, так же, как и деревянных поверхностей, сводится к проверке правильности этих поверхностей, что следует выполнять согласно указаниям, содержащимся в инструкционной карте № 4, с помощью контрольного правила и ступенчатой линейки, а также к проверке вертикальности поверхности. Последняя проверка производится с помощью отвеса.

Один учащийся прикладывает шнур отвеса к верху будущей облицовки, а второй останавливает от колебаний отвес внизу поверхности и измеряет расстояние от поверхности до шнура; такое же измерение делается и вверху, после чего определяют разницу между двумя измерениями, которая и покажет отклонение от вертикали.

е) Трудовые затраты

Нормы времени и нормы выработки на подготовку 1 м2 поверхности приведены в табл. 33.

Таблица 33

Нормативные затраты на подготовку 1 м2 поверхности

Род поверхностей

При насечке поверхностей

При срубке наплывов

механизмами

вручную

механизмами

вручную

Кирпичные

0,16

50

0,32

25

-

-

Бетонные с кирпичным щебнем

0,22

36,3

0,44

18,1

0,63

12,7

1,26

6,3

То же, с гравием

0,30

26,7

0,6

13,3

 

 

Крепление штукатурной сетки по каркасу с обмазкой раствором на 1 м2 поверхности:

н. вр.      0,5

н. выр.   16

6. ТЕХНИКА БЕЗОПАСНОСТИ

Основные правила техники безопасности приведены в инструкционно-технологической карте № 1. Помимо указанных правил, следует руководствоваться правилами, приведенными в карте № 5 в части, касающейся работы с кислотой.

1. УКАЗАНИЯ ПО САМОПОДГОТОВКЕ К ВЫПОЛНЕНИЮ ЗАДАНИЯ

В процессе самостоятельной подготовки к выполнению задания учащемуся надлежит ознакомиться с учебным материалом по теме, содержанием настоящей карты, осмотреть помещения, подлежащие облицовке, с целью проверки их готовности к отделке, продумать организацию работ на рабочем месте, проверить наличие материалов, инструмента и приспособлений, а также ответить на следующие вопросы:

Как организуется рабочее место при облицовке поверхностей?

Какие требования предъявляются к облицованным поверхностям?

Какими способами можно вести облицовку поверхностей?

Как ведется облицовка вертикальными рядами со сдвоенным шаблоном, с применением шаблона С.А. Афонина?

Как ведется облицовка горизонтальными рядами с применением шаблона Грекова?

В чем заключается отделка облицованных поверхностей?

2. УЧЕБНАЯ ЦЕЛЬ

Научиться облицовывать вертикальные поверхности глазурованными керамическими плитками с провешиванием и разметкой поверхности, с установкой маяков, приготовлением раствора из сухой смеси или перелопачиванием готового раствора, установкой плиток на раствор, заполнением швов и распудриванием облицованных поверхностей.

3. МАШИНЫ, ИНСТРУМЕНТЫ И ПРИСПОСОБЛЕНИЯ

Таблица 34

№№ п/п

Наименование, тип, марка, ГОСТ

Назначение

Количество

на звено

на группу

1

Растворосмеситель С-772

Приготовление цементных растворов

-

1

2

Двухвальная лопастная мешалка 0- 43;

Приготовление мастик

-

1

3

Стандартный конус СтройЦНИЛ

Проверка подвижности приготовленных растворов

-

1

4

Лопата стальная подборочная ЛП-1 ГОСТ 3620-63

Загрузка песка в тару, раствора в транспортные средства

1

5

5

Лопата стальная копальная остроконечная ЛКО-1 ГОСТ 3620-63

То же и другие работы

1

5

6

Мерный ящик для песка

Отмеривание песка при приготовлении раствора

-

1

7

То же для цемента

Отмеривание цемента

-

1

8

Мерная емкость

Отмеривание воды

-

1

 

Примечание: объем емкостей по позициям 6, 7, 8 зависит от состава приготовляемого раствора.

9

Тележки для сменной тары (контейнеры )

Перемещение раствора и плитки в пределах рабочей зоны

1

5

10

Сменная тара (контейнеры) для сыпучих размером 774´440´350

Перемещение раствора и хранение его нерабочем месте

3

15

11

Сменная тара (контейнеры) для штучных материалов размером 830 X X 440 X 350 мм

Перемещение плиток и хранение их на месте работ

3

15

12

Лопата для плиточных работ типа ЛП ГОСТ 9533-66

Нанесение раствора, осаживание плиток и др.

2

10

13

Отрезовка тип ОШ-1 или ОШ-2 ГОСТ 9533-66

Подрезка раствора

1

5

14

Молоток слесарный типа Б-7 ГОСТ 2310-54

Забивка штырей и др. работы

1

5

15

Молоток плиточный типа МПЛИ-1 или МП ЛИ-2 ГОСТ 11042-64

Околка и подгонка плиток по месту

2

10

16

Шпатель стальной типа ШСД-100 ГОСТ 10778-64

Заполнение швов и др. работы

1

5

17

Резиновый шпатель

То же

1

5

18

Клещи строительные 250

Выдергивание гвоздей, штырей

1

5

19

Кисть-макловица типа КМА-1 или КМА-2 ГОСТ 10597-65

Промывка облицованной поверхности

1

5

20

Шлямбур Æ 18 и 28 мм

Пробивка отверстий

1

5

21

Штырь l = 160, Æ 16 чертежи Мосоргстроя Главмосстроя)

Укрепление причалок

10

50

22

Винтовые маяки (чертежи Мосоргстроя Главмосстроя)

Укрепление причалок

2

10

23

Скобы П.С. Скребцова (черт. 18.800.000)

Получение швов одинаковой ширины

30

150

24

Мерная рейка С. Л. Афонина

 Установка шаблона

1

5

25

Односторонний шаблон С. А. Афонина

Облицовка стен вертикальными рядами

1

5

26

Двухсторонний шаблон С. А. Афонина

То же

1

5

27

Спаренный шаблон

То же

1

5

28

Рейкодержатели

Укрепление шаблонов

4

20

29

Ящик-столик

Хранение раствора и плитки a месте работ

1

5

30

Шаблон для нанесения раствора

Нанесение раствора на плитку

2

10

31

Гладилка с резиновым ролотном

Заполнение швов

1

5

32

Шаблон И. Грекова

Облицовка стен горизонтальными рядами

1

5

33

Брусок шлифовальный плоский БП 40´20´200 или 20´16´150 №36-16 ГОСТ 2456-60

Подтачивание плитки

1

5

34

Ведра

Подноска воды

1

5

35

Рулетка металлическая РЖ-2, ГОСТ 7502-55

Измерение

1

5

36

Метр складной деревянный

То же

1

5

37

Шнур разметочный в корпусе l = 15 м, (черт НИИСП Госстроя Украинской ССР)

Разметка, провеска поверхностей и т. п.

1

5

38

Проволока Æ 0,8-1,0 мм, l = 2м

Укрепление причалок

2

10

39

Отвес типа О-200 ГОСТ 7248-63

Провешивание поверхностей

1

5

40

Уровень строительный типа УС-2-700 ГОСТ 9416-67

Проверка горизонтальности

1

5

41

Правило контрольное дл. 2 м

Контрольная проверка поверхностей

1

5

4. МАТЕРИАЛЫ

Плитки керамические должны удовлетворять требованиям, указанным в инструкционно-технологической карте № 1.

В жилых домах расход плиток на облицовку 1 м2 стен составляет (без карнизных и плинтусных плиток) 0,994 м2.

Для крепления керамической плитки к облицовываемой поверхности применяют цементно-песчаный раствор на портландцементе марки 300 и выше состава 1:4-1:6. Плитки можно также крепить на смешанных известково-цементных растворах состава 1:1:4 при использовании крупнозернистого песка и 1:0,5:4 при использовании мелкого песка.

Расход раствора для облицовки 1 м2 поверхности составляет 0,015 м3.

Керамическую плитку крепят к поверхностям также с помощью различного рода мастик.

Водоразбавляемую холодную глинобитумную мастику для крепления керамических плиток приготовляют по следующему рецепту (в % % по весу):

Нефтебитум марка БН-111                       33

Глина (в расчете на сухое вещество)      26

Вода                                                            41

Глину перемешивают в растворосмесителе с водой до получения состава 60% влажности. Полученную суспензию подогревают до температуры 60-70° и загружают в мешалку. Затем в нее тонкой струей вливают при непрерывном перемешивании битум, разогретый до температуры 80° (но не выше 120°). Если мастика в процессе перемешивания начнет быстро густеть, в нее необходимо влить 1-2 л горячей воды и вновь перемешать. Когда мастика приобретет вид однородной массы без заметных на глаз крупинок и комков, ее выгружают в тару.

Казеинатную мастику для крепления плиток к поверхностям, имеющим влажность 4%, приготовляют по следующему рецепту (в частях по весу):

Клей казеиновый                               1

Фтористый натрий (антисептик)     0,1

Известь-пушонка                               0,5

Известняковая мука                          2,0-2,5

Вода                                                    0,5-2,0

В воду комнатной температуры, в которой растворен в указанном количестве антисептик, всыпают казеиновый клей и в течение 30 мин. состав перемешивают до полного исчезновения комков. В разведенный клей при тщательном перемешивании вводят известь-пушонку и известняковую муку, которую предварительно просеивают через сито с 100 отв./см2. Полученную мастику перемешивают до получения однородной массы. Подвижность готовой мастики должна соответствовать погружению стандартного конуса на 10-12 см.

Для крепления глазурованных керамических плиток к гладким вертикальным поверхностям применяют синтетические мастики: карбоксицементно-песчаную мастику КЦП и полимерцементную ПЦ, рецепты приготовления которых приведены в табл. 35 (в частях по весу).

Таблица 35

Состав синтетических мастик

Состав

Мастики

КЦП

ПЦ

Клей марки КМЦ (натриевая соль карбоксиметилцеллюлозы) 3%-ный раствор

1

-

Портландцемент марки 400

1

1

Песок

3

5

Поливинилацетатная эмульсия

-

0,2

Вода

До требуемой консистенции

Для получения мастики КЦП к сухой цементно-песчаной смеси добавляют 3%-ный водный раствор клея КМЦ, а для мастики ПЦ - 15%-ный раствор поливинилацетатной эмульсии. Состав перемешивают в растворосмесителе.

Мастика КЦП представляет собой однородную пластичную массу подвижностью по стандартному конусу 7-8 см. Жизнеспособность мастики 4 часа. Поэтому ее приготовляют в количестве, которое может быть израсходовано за половину смены.

Расход мастик для облицовки 1 м2 поверхности составляет от 3 до 5 кг.

4. ТЕХНОЛОГИЯ И ОРГАНИЗАЦИЯ ПРОЦЕССА

а) Организация рабочего места

Вне зависимости от способа облицовки поверхностей плиткой: горизонтальными рядами, вертикальными с помощью шаблонов или горизонтальными рядами с помощью шаблонов, организация рабочего места остается той же; изменяется лишь набор приспособлений, применяемых для облицовки.

На рабочем месте (рис. 26) устанавливают два ящика для раствора с открылками и шаблонами для нанесения раствора, две скамейки для облицовки низа стен; два ведра с водой, а также емкости с раствором и плитками, доставляемые на место работ с помощью тележки.

Рис. 26. Организация рабочего места при облицовке вертикальных поверхностей:
1. Плитки; 2. Скамейки; 3. Места учащихся облицовщиков; 4. Ведро с водой; 5. Сменная тара с плитками; 6. Столик; 7. Место учащегося, выполняющего подсобные работы; 8. Сменная тара с раствором

б) Состав звена

Работу выполняет звено учащихся из 3 человек. Устанавливают маяки и облицовывают поверхности 2 учащихся, третий помогает устанавливать маяки, смачивает облицовываемую поверхность, подает к рабочему месту плитки и раствор, заполняет швы, очищает и промывает облицовку.

Облицовка вертикальных поверхностей глазурованными керамическими плитками может выполняться следующими способами

1) горизонтальными рядами;

2) вертикальными рядами с помощью одностороннего или двухстороннего шаблона С.А. Афонина;

3) вертикальными рядами с помощью сдвоенного шаблона;

4) горизонтальными рядами с помощью шаблона И. Грекова.

Ниже, при описании трудового процесса рассматриваются последовательно эти способы облицовки поверхностей.

в) Трудовой процесс

Таблица 36

Наименование операций

Приемы выполнения операций

Провеска поверхности и установка маяков

При облицовке небольших помещений установить 4 маячных плитки по углам будущей облицовки, для чего: несколько выше линии будущей облицовки у обоих углов забить два штыря, привязать к ним шнуры и по отвесу привязать к штырям, забитым в нижних углах помещения. Шнуры должны быть привязаны так, чтобы будущая облицовка выступала за плоскость штукатурки выше облицовки на 5-10 мм и чтобы толщина прослойки находилась в пределах 7-15 мм.

Установка винтового маяка

В верхних углах будущей панели, на расстоянии 3-4 см от ее верха и прилегающей стены забить штыри и навесить на них винтовые маяки (рис. 27). Опустить с забитого штыря весок и на расстоянии 5-7 см от пола забить еще по одному штырю, к которым привязать концы проволочных струн маяка. Вращая обойму винтового маяка между его крючком и нижним штырем, натянуть проволочные струны. По отвесу проверить вертикальность струн. Между струнами натянуть шнур-причалку, закрепив один конец ее к струне проволочным крючком, а второй с помощью зажимной муфты (рис. 28, 29).

Рис. 27. Установка винтового маяка:
1 и 2 верхний и нижний штыри; 3. Крючок с резьбой 4. Обойма; 5. Свободно вращающийся крючок; 6. Струна; 7. Шнур-причалка; 8. Зажимная муфта; 9. Крючок крепления шнура причалки

Рис. 28. Зажимная муфта а) сдвинутая на крючок
Рис. 29. Зажимная муфта б) сдвинутая на шнур

Установка первого ряда плиток

Первый ряд плиток устанавливается на высоте 70 мм над уровнем чистого пола. С помощью уровня вынести на стену отметку чистого пола, если облицовка стен производится до настилки пола. Под первый ряд плиток укрепить к стене доску, выверив ее по уровню. Сделать разбивку расположения плиток в первом ряду, учитывая, что в углах должны быть расположены равные по размеру перерубленные плитки, если нельзя уложить весь ряд цельными плитками. Натянуть причалку на уровне верха первого ряда плиток. Начиная от середины стены, приступить к установке плиток на раствор, для чего: взять левой рукой плитку из стопки, уложенной лицевой стороной вверх, поднести ее снизу к отверстию шаблона у столика (рис. 30) и поместить между направляющими вплотную к отверстию; правой рукой лопаткой плиточника набрать из ящика порцию раствора и нанести его на тыльную сторону плитки; опустив плитку вниз, вынуть ее из шаблона и поднести в горизонтальном положении к месту укладки; прислонить плитку одной стороной (рис.31) к установленной доске и, поднимая противоположную сторону вверх, установить плитку на место; легкими ударами ручки лопатки довести плитку до требуемого положения по причалке; лопаткой срезать выступивший по краям плитки раствор. Продолжить установку первого ряда плиток вправо и влево от первой плитки.

Рис. 30. Нанесение раствора на плитку

Рис. 31. Установка плитки на место

Облицовка поверхности способом горизонтальных рядов

По верху второго ряда натянуть шнур-причалку. В начале и в конце ряда установить две плитки, играющие роль маяков. Вести установку плиток так, как это было указано выше. Для получения швов одинаковой ширины под устанавливаемые плитки ставить скобы (рис. 32), которые можно вынимать после затвердения раствора. По окончании облицовки стены установить угловые фасонные плитки, пользуясь готовой облицовкой как направляющей плоскостью. Периодически проверять правильность облицовки контрольным правилом, прикладывая его к облицованной части стены и к одной из верхних маячных плиток.

Рис. 32. Облицовка с установкой скоб

Облицовка вертикальными рядами с применением одностороннего или двухстороннего шаблона

Уложить опорную доску, как было указано выше. На расстоянии, равном ширине одной плитки, от левого угла помещения по отвесу установить шаблон так, чтобы его наружная плоскость совпадала с плоскостью будущей облицовки, для чего под шаблон нанести лепешки из раствора прослойки и прижать к ним шаблон подкосом; низ шаблона должен располагаться на опорной доске. Облицовку вертикального ряда вести начиная снизу, устанавливая плитки между стальными пластинками и прижимая плитку боковой стороной к шаблону. После установки всего ряда осторожно снять шаблон, восстановить смазку пластинок отработанным машинным маслом или меловой пастой и установить его на новое место для укладки очередного ряда, пользуясь мерной рейкой (рис. 33). При применении двухстороннего шаблона облицовку вести одновременно двух вертикальных рядов по обе стороны шаблона (рис. 34). После укладки двух вертикальных рядов осторожно снять шаблон и заполнить промежуточный ряд по уложенным ранее плиткам.

Рис. 33. Установка шаблона

Рис. 34. Применение двухстороннего шаблона

Облицовка с помощью спаренного шаблона вертикальными рядами

Уложить опорную доску, как было указано выше. На расстоянии одного ряда плитки от левого угла помещения но отвесу установить спаренный шаблон (рис. 35) так, чтобы его наружная плоскость совпадала с плоскостью будущей облицовки. Для укрепления шаблона использовать рейкодержатели. Расстояние, равное ширине плитки, определять с помощью мерной рейки. Начиная снизу, вести облицовку первого, второго и третьего рядов, прижимая плитки первого ряда вправо к шаблону, плитки второго ряда и плитки третьего ряда влево к шаблону (рис. 36). После укладки всех трех рядов осторожно снять шаблон и приступить к его установке в очередную позицию. Заполнить промежутки в месте установки шаблона, ориентируясь на уже уложенные плитки.

Рис. 35. Установка спаренного шаблона

Ряс. 36. Укладка плиток по шаблону

 

Облицовка горизонтальными рядами с применением шаблона И. Грекова

Уложить опорную доску, как было указано выше. Установить шаблон строго по вертикали, пользуясь отвесом при Шаблоне и по горизонтали, пользуясь уровнем при шаблоне, в плоскости будущей облицовки; закрепить шаблон с помощью рейкодержателя, а установку в плоскости облицовки регулировать опорными винтами. Согласно указанному выше начать облицовку с нижнего ряда. Плитки укладывать на промежуточные рейки шаблона (рис. 37) между стальными пластинками, прижимая каждую плитку к левой пластинке. Заполнив все ряды, осторожно снять шаблон. Приступить к заполнению необлицованных полос.

Рис. 37. Укладка плиток с помощью

 

Облицовка поверхностей на мастиках

Согласно указанному выше натягивают шнур-причалку. Огрунтовать основание: глинобитумной мастикой, разведенной водой до густоты клеевой краски с помощью кисти; казеинатной мастикой шпателем слоем толщиной 1-1,5 мм; 3% раствором КМЦ или 7% раствором поливинилацетатной эмульсии, в зависимости от рода мастики, принятой для облицовки. Нанести на тыльную сторону плитки мастику с помощью шпателя толщиной: глинобитумную 1-3 мм, казеинатную 1-1,5 мм и КЦП и ПЦ слоем не менее 2 мм. Поднести плитку к облицовываемой поверхности, предварительно огрунтованной, приложить ее и притереть к поверхности (рис. 38). Прочистить швы.

Рис. 38. Установка шаблона И. Грекова плиток на мастике

Отделка поверхностей облицовки

Приготовить цементный раствор состава 1:1 или 1:2. Резиновым шпателем заполнить швы раствором, нанести на поверхность гипсовое или меловое тесто. После высыхания удалить мел или гипс с поверхности ветошью. При наличии следов раствора протереть поверхность влажной тряпкой. Поверхность, загрязненную битумом, протереть тряпкой, слегка смоченной в растворителе.

г) Требования к качеству работ

Толщина слоя раствора (прослойки) под плитками должна быть не более 15 мм и не менее 7 мм. Между плитками и поверхностью облицованной конструкции не должно быть пустот, что проверяется простукиванием. На облицованной поверхности не должно быть следов раствора. Швы глазурованных керамических плиток должны быть заполнены раствором с последующей очисткой плиток.

Оценка качества выполненных работ в зависимости от показателей приведена в табл. 37.

Таблица 37

Оценка качества работ

Показатели качества

Оценка качества

5

4

3

2

1

Толщина швов в мм:

 

 

 

 

 

между плитками размерами 200´200 мм и более не должна превышать

1,5

2

3

4

5

между плитками меньшего размера (см. примечание)

1

1,5

2

2,5

3

в местах пригонки плиток к выступающим частям (пилястрам и др.) может быть увеличена, но не более, чем на

1

1

2

3

4

Отклонение от вертикали лузг и усенков (на 1 м) в мм не более

1

1,5

2

2,5

3

Отклонение поверхности облицовки от плоскости при проверке контрольным правилом длиной 2 м в мм не более

1

1

2

2,5

3

Выщерблены и зазубрины в кромках плиток (в мм).

Не допускаются

Не более чем

0,5

1

1,5

Примечание: при облицовке без перевязки швов совпадающие горизонтальные и вертикальные швы могут быть уширены до 3-4 мм.

д) Рекомендации по самоконтролю и проверке качества выполняемой работы

Наличие пустот под плитками следует проверять сплошным простукиванием плиток. Заполнение швов и чистота облицовки проверяется простым осмотром поверхности. Толщину швов проверяют с помощью метра. Отклонение от вертикали проверяют так, как это указано в инструкционной карте № 7, а контрольным правилом так, как указано в карте № 4.

е) Трудовые затраты

Нормы времени (числитель) и нормы выработки (знаменатель) на 1 кв. м поверхности приведены в табл. 38а и табл. 38б.

Таблица 38а

Нормы времени и нормы выработки на 1 м2 облицовки

Род поверхности

 

 

Состав звена облицовщиков-плиточников

Размеры плитки в мм

100´100

150´75

150´150

100´100

150´75

150´150

при толщине шва в мм

1-2

3-5

Стены

4 разряд - 1

3     "       - 1

2     "       - 1

1,85

4,3

1,55

5,2

1,6

6,0

1,35

5,9

Потолки

5     "       - 1

4     "       - 1

2     "       - 1

3,8

2,1

3,3

2,4

2,6

3,1

2,2

3,6

Столбы и откосы

То же

3,5

2,3

2,9

2,7

3,42

2,3

2,9

2,8

УСТАНОВКА СПЕЦИАЛЬНЫХ ПЛИТОК *

* Работа тарифицируется по 4 разряду

Таблица 38б

Нормы времени и нормы выработки на измерители, указанные в таблице

Вид плиток

Измеритель

Нормы

Карнизные или угловые

1 п. м.

0,2

40

Цокольные или плинтусные

То же

0,33

24

Специальные (мыльницы, полочки, крючки, бумагодержатели и т. д.)

1 плитка

0,33

24

5. ТЕХНИКА БЕЗОПАСНОСТИ

Основные правила техники безопасности приведены в инструкционно-технологической карте № 1. Кроме того, следует выполнять правила, приведенные в карте № 4.

1. УКАЗАНИЯ ПО САМОПОДГОТОВКЕ К ВЫПОЛНЕНИЮ ЗАДАНИЯ

В процессе самостоятельной подготовки к выполнению задания учащемуся надлежит ознакомиться с учебным материалом по теме, содержанием настоящей инструкционно-технологической карты, продумать организацию работ на рабочем месте, а также ответить на следующие вопросы:

В чем заключаются особенности облицовки колонн и пилястр?

Как производится установка маяков на гранях колонн и пилястр?

Как производится провешивание ряда колонн или пилястр?

С соблюдением каких правил производится облицовка колонн и пилястр?

2. УЧЕБНАЯ ЦЕЛЬ

Изучить особенности облицовки пилястр, колонн и откосов при производстве облицовочных работ внутри зданий.

3. МАШИНЫ, ИНСТРУМЕНТЫ И ПРИСПОСОБЛЕНИЯ

Машины, инструменты и приспособления используются те же, что и при облицовке вертикальных поверхностей, указанные в карте № 8. Отпадает лишь необходимость в шаблонах Афонина и Грекова, так как облицовка производится на небольших площадях и применение их представляется невозможным.

4. МАТЕРИАЛЫ

При облицовке пилястр, колонн и откосов используются те же материалы, что и при облицовке вертикальных плоскостей. Сведения о этих материалах содержатся в картах №№ 1 и 8.

5. ТЕХНОЛОГИЯ И ОРГАНИЗАЦИЯ ПРОЦЕССА

а) Организация рабочего места

Ящик с раствором и плитками устанавливается около облицовываемой колонны, пилястра или откоса с левой стороны от плиточника.

Низ колонны или пилястры можно облицовывать со скамеечки. Верх колонн и пилястр на высоте более 1,2 м облицовывают с подмостей.

Доставка материала и его хранение на рабочем месте производится в общем порядке так же, как и при облицовке вертикальных поверхностей.

Приготовление мастик производится согласно указаниям, содержащимся в карте № 8.

б) Состав звена

Работу выполняет звено в составе трех учащихся.

Два ученика производят провешивание и разметку конструкций, подлежащих облицовке, установку на них маяков, а также установку плиток на раствор. Один ученик приготавливает раствор из сухой смеси, обеспечивает материалами плиточников, ведущих облицовку, заполняет швы, распудривает поверхности и выполняет другие вспомогательные операции. Имеется в виду, что сортировку и перерубку плиток выполняет особое звено в отдельном помещении.

в) Трудовой процесс

Таблица 39

Наименование операций

Приемы выполнения операций

Подготовка поверхностей колонн и пилястр под облицовку

С помощью отвеса проверяют вертикальность граней колонн, пилястр или откосов. Стесывают излишние выпуклости и выравнивают раствором большие неровности, доводя качество поверхностей до показателей, указанных в инструкционной карте № 7.

Провешивание и установка маяков

В верхней части колонны или пилястры, выше будущей облицовки, устанавливают на обеих гранях временные маяки из кусков плиток на гипсовом растворе с таким расчетом, чтобы грани будущей облицовки отстояли от центра колонны или пилястры на половину ее ширины с добавкой толщины облицовки. Таким же образом устанавливают верхние маяки на других гранях. С помощью веска закрепляют маяки в нижней части всех граней.

Провешивание ряда колонн или пилястр

Устанавливают маяки у двух крайних колонн ряда. По маякам натягивают шнур, определяющий положение маяков на промежуточных колоннах или пилястрах (рис. 39). Устанавливают маяки на гранях промежуточных колонн или пилястр. С помощью отвеса устанавливают маяки в нижней части граней.

Рис. 39. Провешивание ряда колонн:
1. Струна; 2. Штырь; 3. Гипсовый маяк; 4. Шнур-причалка; 5. Толщина прослойки и плитку; 6. Отметка верха плиточной панели.

Установка причалок

По установленным маякам натягивают вертикальные шнуры, определяющие положение ребер облицовки, для чего забивают в колонну или пилястру штыри; в случае невозможности забить, их «примораживают» гипсом. В ряду колонн или пилястр вертикальные струны устанавливаются у крайних ребер, а по ним натягивают горизонтальный шнур-причалку.

Облицовка колонн и пилястр

Облицовку ведут обычными приемами, горизонтальными рядами, начиная снизу, с соблюдением следующих правил: при облицовке «шов в шов» перерубленные плитки должны располагаться у обеих ребер грани колонны или пилястры; при облицовке в перевязку неполномерные плитки располагают попеременно с правой и с левой стороны грани; для образования граней используют плитки с завалом или фигурные угловые плитки.

г) Требования к качеству работ

Требования к качеству облицовки колонн, пилястр и откосов предъявляются такие же, как и к облицовке вертикальных поверхностей; они изложены в инструкционно- технологической карте № 8.

д) Рекомендации по самоконтролю и проверке качества выполняемой работы

В процессе самостоятельного контроля качества выполняемой работы учащемуся следует  руководствоваться указаниями, содержащимися в инструкционно-технологической карте № 8, проверяя правильность облицовываемых поверхностей.

е) Трудовые затраты

Нормы времени (в числителе) и нормы выработки (в знаменателе) на облицовку 1 м2 колонн, пилястр и откосов плиткой размером 150´150 мм при толщине шва 3-5 мм составляют:

  2,9

12,75

При облицовке плитками в три цвета или с составлением рисунка из трех и более плиток нормы времени умножать на 1,2, уменьшая соответственно нормы выработки.

При установке плинтусных, цокольных, карнизных и угловых плиток нормы приведены в табл. 39 а.

Таблица 39 а

Трудовые затраты на установку фасонных плиток

№№ п/п

Вид плиток

Измеритель

Нормы

1

Карнизные или угловые (фасонные)

1 п. м.

0,2

40

2

Цокольные или плинтусные

То же

0,33

24,2

5. ТЕХНИКА БЕЗОПАСНОСТИ

Помимо правил, изложенных в инструкционно-технологической карте № 1, следует также соблюдать правила, приведенные в карте № 8.

1. УКАЗАНИЯ ПО САМОПОДГОТОВКЕ К ВЫПОЛНЕНИЮ ЗАДАНИЯ

В процессе самостоятельной подготовки к выполнению задания учащемуся надлежит ознакомиться с учебным материалом по теме, содержанием настоящей карты, осмотреть помещения с целью проверки их готовности к отделке, продумать организацию работ на рабочем месте, проверить наличие материалов, инструмента и приспособлений, а также ответить на следующие вопросы:

В чем заключается подготовка основания под бесшовные покрытия полов?

Какие механизмы применяются для насечки основания и его очистки?

Какие требования предъявляются к качеству оснований?

2. УЧЕБНАЯ ЦЕЛЬ

Научиться подготавливать основание под мозаичные, ксилолитовые и мастичные полы с проверкой основания срубанием бугров, очисткой основания от грязи, следов раствора и насечкой.

3. МАШИНЫ, ИНСТРУМЕНТЫ И ПРИСПОСОБЛЕНИЯ

Таблица 40

№№ п/п

Наименование, тип, марка, ГОСТ

 

 

Назначение

Количество

на звено

на группу

1

Электрощетка Д-378

Очистка бетонного основания от грязи

-

1

2

Щетка стальная прямоугольная

Очистка основания

1

5

3

Пневматический пистолет-молоток 56 КМЛ-3

Насечка поверхности основания

-

1

4

Скарпель для плиточных работ (чертеж 19.200.000)

Снятие выступающих неровностей на поверхности основания

1

5

5

Молоток слесарный типа Б-7 ГОСТ 2310-54

Работа со скарпелем

1

5

6

Правило контрольное длиной 2 м

Проверка основания

1

5

7

Пылесос

Обеспылевание основания

-

1

4. МАТЕРИАЛЫ

При подготовке основания под бесшовные покрытия полов материалы не применяются.

5. ТЕХНОЛОГИЯ И ОРГАНИЗАЦИЯ ПРОЦЕССА

а) Организация рабочего места

До начала работ в помещение, где основания подлежат подготовке, доставляются необходимые машины и инструменты. В связи с подвижностью машин их расположение на рабочем месте не регламентируется. Длина кабелей и расположение мест подключения их к сети должныобеспечивать возможность обработки основания по всей площади помещения.

б) Состав звена

Работу по подготовке оснований выполняет один учащийся. Очистку оснований от грязи и раствора с помощью машин выполняет также один учащийся.

в) Трудовой процесс

Таблица 41

Наименование операций

Приемы выполнения операций

Проверка основания

С помощью контрольного правила и ступенчатой линейки выявляют отклонения основания от требований к качеству его поверхности: при устройстве мозаичных и ксилолитовых покрытий просветы между правилом и поверхностью не должны превышать 10 мм, мастичных полов - 2 мм; мелом отмечают все дефекты, обнаруженные при проверке; проверку производить путем прикладывания контрольного правила к основанию в различных направлениях.

Срубание выступающих неровностей

Срубание выступающих неровностей, препятствующих устройству покрытий, выполняется: небольших - вручную, больших - с помощью пистолета-молотка. Небольшие бугры срубаются скарпелем с проверкой выполненной работы контрольным правилом. Выступающие неровности, имеющие большую площадь, срубаются с помощью пневматического пистолета-молотка 56 КМЛ-3. Исправный молоток подключается к воздухопроводу, опробывается и при отсутствии неисправностей включается в работу.

Очистка основания от грязи и следов раствора

Очистку основания от грязи и следов раствора выполнять с помощью электрощетки Д-378 с последующим удалением мусора промышленным пылесосом. Исправную, проверенную мастером электрощетку (рис. 40) подключают к электросети, опробуют на холостом ходу, поднимают или опускают щетку на требуемую высоту с помощью винта, находящегося на переднем колесе и приступают к работе, для чего продвигают щетку по поверхности основания последовательными полосами, начиная от одной из сторон помещения. В процессе работы следят за качеством очистки повторяя проход машиной в случае неполной очистки основания; особенно следить за полным удалением остатков гипсового раствора. После очистки основания помещение подметается метлой-с целью удаления основной массы мусора, чтобы без нужды не перегружать пылесос и уменьшить периодичность его очистки, после чего обеспыливают поверхность основания пылесосом, согласно указаний, содержащихся в карте № 4

Рис. 40. Очистка основания

Насечка основания

Основания под ксилолитовые полы насекают с помощью пневматического пистолета-молотка 56 КМЛ-3, для чего, включив исправный молоток в воздушную сеть, наносят на поверхность основания насечки в количестве 1000-1200 шт. на 1 кв. м. По окончании насечки пол подметается и удаляется пыль с помощью пылесоса согласно указанному выше.

г) Требования к качеству работ

Основание должно быть полностью очищено от следов раствора, грязи, мусора и обеспылено. Выступающие неровности, препятствующие устройству покрытий, должны быть удалены без обнаружения арматуры.

д) Рекомендации по самоконтролю и проверке качества выполняемой работы

В порядке самостоятельной проверки качества выполняемой работы учащемуся следует тщательно осмотреть подготовленное основание с целью проверки чистоты поверхности и еще раз контрольным правилом проверить те места, где производилось срубание бугров.

е) Трудовые затраты

Нормы времени (числитель) и нормы выработки (знаменатель) на работы, связанные с подготовкой 1 м2 основания, приведены в табл. 42.

Таблица 42

Трудовые затраты на подготовку основания

Наименование работ

Нормы

Подготовка основания с очисткой от пыли и мусора

0,07

112,0

Очистка основания от грязи и остатков раствора механизированным способом

0,02

400,0

Насечка основания с помощью пистолета-молотка

0,25

32,0

5. ТЕХНИКАБЕЗОПАСНОСТИ

Основные правила техники безопасности изложены в инструкционно-технологической карте № 1. В дополнение к ним при подготовке оснований следует придерживаться следующих правил.

Удаление выступающих неровностей скарпелем следует выполнять в рукавицах и в защитных очках.

При очистке оснований от грязи и остатков раствора с помощью электрощетки нужно работать в защитных очках и респираторе.

1. УКАЗАНИЯ ПО САМОПОДГОТОВКЕ К ВЫПОЛНЕНИЮ ЗАДАНИЯ

В процессе самостоятельной подготовки к выполнению задания учащемуся надлежит ознакомиться с учебным материалом по теме, содержанием настоящей карты, осмотреть помещение, с целью проверки их готовности к отделке, продумать организацию работ на рабочем месте, проверить наличие материалов, инструмента и приспособлений, а также ответить на следующие вопросы:

Как организуется рабочее место при набивке гладкого мозаичного покрытия пола?

Технические требования, предъявляемые к качеству неотделанного мозаичного покрытия пола. При каких условиях выполненная работа оценивается баллами 2 и 1?

В какой технологической последовательности и как выполняется работа по набивке гладкого мозаичного покрытия пола?

Как подбираются, приготовляются растворы для набивки мозаичного покрытия?

Расход раствора на устройство 1 м2 покрытия пола.

Какое количество покрытия должен за смену уложить квалифицированный рабочий и какова норма времени для учащегося на данном периоде обучения?

Инструменты и приспособления, применяемые при набивке мозаичного покрытия пола.

2. УЧЕБНАЯ ЦЕЛЬ

Научиться набивать гладкое мозаичное покрытие пола с приготовлением цементного молока и поливкой им основания, приготовлением и укладкой раствора подстилающего слоя, укладкой маячных реек, приготовлением и укладкой мозаичного (террацевого) раствора с разравниванием и уплотнением.

3. МАШИНЫ, ИНСТРУМЕНТЫ И ПРИСПОСОБЛЕНИЯ

Таблица 43

№№ п/п

Наименование, тип, марка, ГОСТ

 

 

Назначение

Количество

на звено

на группу

1

Растворосмеситель

С-772

Приготовление растворов

-

5

2

Конус стандартный

Проверка подвижности растворов

-

5

3

Виброрейка С-810

Уплотнение уложенных растворов

-

5

4

Лопаты совковые и штыковые ГОСТ 3625-63

Загрузка песка, раствора

2

10

5

Мерный ящик для песка

Отмеривание песка при приготовлении растворов

-

1

6

То же для цемента

Для отмеривания цемента

-

1

7

То же для мраморной крошки

Отмеривание мраморной крошки

-

1

8

Мерная емкость

Отмеривание воды

-

1

 

Примечание: емкости по позициям 5, 6, 7 и 8 зависят от состава приготовляемого раствора.

9

Тележки для сменной тары (контейнеры)

Перемещение приготовленных растворов в пределах рабочей зоны

1

5

10

Сменная тара для сыпучих (контейнеры) размером 774´440´350

Перемещение приготовленных растворов и хранение их на рабочем месте

3

15

11

Совок

Укладка мозаичного состава в покрытие

1

5

12

Грабли стальные

Предварительное разравнивание раствора и создание шероховатой поверхности прослоек

1

5

13

Маячные рейки толщиной 2 см

Устройство маяков для разравнивания раствора

4

20

14

Правило с ручкой

Разравнивание раствора по маякам

1

5

15

Трамбовка стальная

Трамбование уложенного раствора в труднодоступных местах

1

5

16

Каток ручной

То же

1

5

17

Кисть-макловица типа КМА-2 ГОСТ 10597-65

Удаление цементного молока с мозаичного покрытия

1

5

18

Гладилка ГШ-2, ГОСТ 10403-63

Выравнивание уложенного раствора

1

5

19

Молоток МПЛН-1 ГОСТ 11042-64

Вспомогательные работы

1

5

20

Рулетка измерительная металлическая РЖ-2 ГОСТ 7502-55

Измерения и разбивка основания.

1

5

21

Метр складной металлический ГОСТ 7253-54

То же

1

5

22

Шнур разметочный в корпусе l 15 м (чертеж НИИСП Госстроя Украинской ССР)

Разметка оснований

1

5

23

Уровень строительный УС -2-700 по ГОСТ 9416-67

Проверка горизонтальности

1

5

24

Правило контрольное длиной 2 м

Проверка поверхности

1

5

25

Ступенчатая линейка

Определение величины выступов и впадин

3

15

26

Кельма ГОСТ 9533-66

Разглаживание террацевого слоя

1

5

27

Угольник плоский типа 250´400 ГОСТ 3749-65

Разбивка поверхности

1

5

4. МАТЕРИАЛЫ

Прослойку под мозаичные полы делают из цементно-песчаных растворов состава 1:3 или 1:4. Подвижность раствора при укладке должна соответствовать погружению стандартного конуса в пределах 3-4 см.

Расход цементного раствора при толщине прослойки 20 мм составит 2,1 м3 на 100 м2 площади прослойки.

Смесь для верхнего слоя мозаичного покрытия изготовляют из цемента, каменной декоративной крошки, каменной муки и пигментов. Марка раствора должна быть не ниже 150, а подвижность - 0-2 см погружения стандартного конуса.

Рецептура цветных террацевых составов (в объемных частях)

Светлый, разбеленный

Портландцемент марки 300

1

Каменная крошка марки МК белого цвета

1

Каменная крошка марки МС белого цвета

1

Каменная крошка марки ММ белого цвета

1

Каменная мука белая

0,3

Белый с черным

Портландцемент марки 300

1

Каменная крошка марки МК белого цвета

1

Каменная крошка марки МС белого цвета

1

Каменная крошка марки ММ белого цвета

1

Перекись марганца (в %% от веса цемента)

12,5

Белый с красным

Портландцемент марки 300

1

Каменная крошка марки МК белого цвета

1

Каменная крошка марки МС белого цвета

1

Каменная крошка марки ММ белого цвета

1

Сурик железный (в % % от веса цемента)

10

Черный

 

Портландцемент марки 300

1

Каменная крошка марки МК черного цвета

1

Каменная крошка марки МС черного цвета

1

Каменная крошка марки ММ черного цвета

1

Перекись марганца (в % % от веса цемента)

5

Черный с белым

Белый портландцемент марки 400

1,5

Каменная крошка марки МК черного цвета

2

Каменная крошка марки МС черного цвета

1

Каменная крошка марки МЛ черного цвета

1

Розовый с красным

Портландцемент марки 300

1

Каменная крошка марки МК розового цвета

1

Каменная крошка марки МС розового цвета

1

Каменная крошка марки ММ розового цвета

1

Сурик железный (в % % от веса цемента)

8

Красный с коричневым

Портландцемент марки 300

1

Каменная крошка марки МК красного цвета

1

Каменная крошка марки ММ красного цвета

1

Каменная крошка марки МС красного цвета

1

Перекись марганца (в % % от веса цемента)

5

Сурик железный

5

Черный с зеленым

Белый портландцемент марки 400

1,5

Каменная крошка марки МК черного цвета

2

Каменная крошка марки МС черного цвета

1

Каменная крошка марки ММ черного цвета

1

Окись хрома (в % % от веса цемента)

17

Расход террацевого (мозаичного) раствора при толщине покрытия 20 мм на 100 м2 площади покрытия составит 2,2 м3.

5. ТЕХНОЛОГИЯ И ОРГАНИЗАЦИЯ ПРОЦЕССА

а) Организация рабочего места

Рабочее место, где производится приготовление растворов, представляет собой растворный узел, схема которого показана на рис. 8.

Рабочим местом, где производится укладка мозаичного покрытия, является само помещение, где до начала работ должны быть приготовлены необходимые инструменты и приспособления.

б) Состав звена

Работа по устройству прослойки и укладке мозаичного покрытия выполняется звеном в составе двух учащихся. Каждый из учащихся должен освоить все операции трудового процесса, для этого по мере освоения одних операций следует переходить на другие.

в) Трудовой процесс

Таблица 44

Наименование операций

Приемы выполнения операций

Установка маячных реек

Маячные рейки установить на расстоянии 1,5 м друг от друга. Первую рейку установить вдоль одной из стен по уровню и укрепить ее цементным раствором. Остальные рейки установить на указанном расстоянии от первой также по уровню, укрепляя их на растворе. Рейки установить так, чтобы толщина прослойки составляла 20 мм, если на этот счет нет особых указаний.

Приготовление раствора для прослойки

Цементный раствор для прослойки приготавливается согласно указаниям, содержащимся в карте № 3. Состав раствора принимается 1:3 или по указанию мастера, если проектом предусмотрен другой состав раствора

Устройство прослойки

В больших помещениях, где уложено несколько маяков, прослойку устраивают последовательно (рис. 41) полосами через одну. При одной или двух полосах прослойка устраивается сразу во всем помещении. Доставленный в сменной таре готовый раствор выложить на полосу между маяками. Разложить раствор лопатой и разгрести граблями на толщину маяков. Выравненный раствор уплотнить виброрейкой С-810, срезая раствор там, где его много, и добавляя там, где его недостает.

Рис. 41. Укладка прослойки под мозаичное покрытие:
1. Прослойка из цементного раствора; 2. Маячные рейки; 3. Подстилающий слой

После схватывания раствора снять маяки и приступить к укладке полос, где прослойка не устраивалась, руководствуясь уложенными полосами как маяками. Если прослойка устраивалась не через полосу, то вырубить маяки и заделать борозды.

Установка маячных реек

Установку маячных реек для укладки террацевого состава производят так же, как и для укладки прослойки. Рейки должны иметь трапецеидальное сечение и устанавливать их следует утолщенным основанием вверх для свободного удаления после укладки состава.

Приготовление террацевого состава

Чтобы мозаичное покрытие было однородным по цвету и структуре, сухую смесь приготовляют одновременно для всей площади помещения. Смешанный с пигментами цемент дважды просеивают через сито с сеткой № 02. Каменную крошку перед приготовлением смеси тщательно промыть от грязи и пыли. При приготовлении террацевого состава на 1 весовую часть цемента следует брать примерно 0,5 части воды. Состав приготовляется в растворосмесителе С-772.

Укладка террацевого слоя

 

Доставленная в сменной таре (рис. 42) террацевая смесь совком выкладывается в полосы между маячными рейками. Ее разравнивают лопаткой и проверяют правилом. Террацевую смесь разравнивать правилом нельзя, так как при этом из повышенных мест в пониженные перемещается крупная крошка, что нарушает равномерное распределение ее в растворе. Чтобы заполнить впадины, следует в них добавить смесь и разровнять ее кельмой (рис. 43). Уложенная смесь уплотняется виброрейкой до тех пор, пока она не перестанет быть подвижной.

Рис. 42. Тележка со съемными контейнерами

Рис. 43. Разравнивание террацевого раствора лопаткой плиточника

В небольших помещениях или труднодоступных местах смесь можно уплотнять вручную катками (рис. 44) или трамбованием трамбовкой весом не менее 10 кг. Уплотняя мозаичное покрытие, перемещают каток перед собой и обратно от одного крайнего положения рук до другого. Таким образом, прокатывают весь пол в одном направлении, затем эту же операцию повторяют в другом направлении. Чем больше трамбуют или уплотняют слой мозаичного покрытия, тем пол будет прочней в эксплуатации. Выступившее через некоторое время цементное молоко осторожно удаляют тряпкой или кистью-макловицей (рис. 45). Повторно выровнять и сгладить покрытие гладилкой. Извлечь и очистить маячные рейки, заполнить и тщательно утрамбовать полосы после извлечении маячных реек и загладить заделки в одну плоскость с общей поверхностью покрытия. Выступившее цементное молоко удалить кистью-макловицей.

Рис. 44. Уплотнение мозаичного покрытия катком

Рис. 45. Удаление цементного молока с мозаичного покрытия

г) Технические требования к качеству

Уложенное мозаичное покрытие не является готовой продукцией, и технические требования к качеству покрытия могут быть полностью предъявлены только после отделки покрытия (инструкционно-технологическая карта № 13). У неотделанного покрытия следует проверить лишь правильность поверхности контрольным правилом длиной 2 м и ступенчатой линейкой.

Оценка качества укладки покрытия дается в зависимости от величины просвета между контрольной рейкой и поверхностью покрытия. «Баллу» 5 отвечает просвет в 1 мм, «баллу» 4 - соответственно - 2 мм, «баллу» 3 - 4 мм, «баллу» 2 - до 6 мм и «баллу» 1 - более 6 мм.

д) Рекомендации по самоконтролю и проверке качества выполняемых работ

При самостоятельной проверке качества выполняемых работ учащийся прикладывает контрольное правило по всей площади пола в различных направлениях и ступенчатой линейкой или метром измеряет просвет между покрытием и правилом. Кроме того, приблизительно может быть оценено равномерное наполнение крошкой поверхности пола. Окончательно об этом можно будет судить лишь после того, как покрытие будет отшлифовано, так как только при шлифовке полностью выявляется фактура покрытия. Однако и осмотром неотшлифованного покрытия можно судить о равномерности наполнения покрытия крошкой. Выявление недостатков только что уложенного покрытия особенно целесообразно потому, что в этот момент всего лучше исправить дефект. В «пустые» места следует добавить раствора и снова загладить покрытие.

е) Трудовые затраты

Нормы времени (в числителе) и нормы выработки (в знаменателе) на устройство мозаичных полов с укладкой прослойки, без отделки пола, составляют:

1,05

7,26

6. ТЕХНИКА БЕЗОПАСНОСТИ

Основные правила техники безопасности приведены в инструкционно-технологической карте № 1.

1. УКАЗАНИЯ ПО САМОПОДГОТОВКЕ К ВЫПОЛНЕНИЮ ЗАДАНИЯ

В процессе самостоятельной подготовки к выполнению задания учащемуся надлежит ознакомиться с учебным материалом по теме, содержанием настоящей инструкционно-технологической карты, осмотреть на месте помещения с целью проверки их готовности к отделке, продумать организацию работ на рабочем месте, проверить наличие материалов, инструмента и приспособлений, а также ответить на следующие вопросы:

Какими двумя способами устраиваются многоцветные мозаичные покрытия?

Преимущества и недостатки мозаичного многоцветного покрытия без жилок и с жилками.

Как устраиваются маячные рейки при устройстве мозаичного  покрытия без жилок?

Какими двумя способами устраиваются жилки при укладке многоцветного мозаичного покрытия?

В чем заключаются особенности уплотнения террацевого раствора при устройстве мозаичного покрытия с жилками?

2. УЧЕБНАЯ ЦЕЛЬ

Научиться устраивать многоцветные мозаичные покрытия полов с укладкой жилок или без них с разметкой полов, приготовлением цементного молока и поливкой основания, приготовлением и укладкой готового раствора для устройства подстилающего слоя, укладкой маячных реек, прокладкой жилок, приготовлением террацевой смеси, укладкой ее по заданному рисунку, разравниванием и уплотнением.

3. МАШИНЫ, ИНСТРУМЕНТЫ И ПРИСПОСОБЛЕНИЯ

При устройстве многоцветного мозаичного покрытия с прокладкой жилок и по заданному рисунку применяются те же инструменты, машины и приспособления, которые указаны в карте № 11, за исключением виброрейки С-810 и катка. Дополнительно должны быть кровельные ножницы для вырезки металлических жилок, киянка для выправки их и роликовый стеклорез для нарезки стеклянных жилок. Эти инструменты выдаются каждому звену по 1 шт.

4. МАТЕРИАЛЫ

При устройстве многоцветного мозаичного покрытия с прокладкой жилок и по заданному рисунку применяются те же материалы, которые указаны в инструкционно-технологической карте № 11.

Добавить следует лишь отходы листовой меди, латуни, нержавеющей стали или стекла для устройства жилок. Толщина листового металла должна составлять 0,8-1 мм. Количество материала заранее не нормируется, так как целиком зависит от рисунка пола и его насыщенности жилками.

5. ТЕХНОЛОГИЯ И ОРГАНИЗАЦИЯ ПРОЦЕССА

а) Организация рабочего места

При организации рабочего места руководствоваться указаниями, содержащимися в инструкционно-технологической карте № 11.

б) Состав звена

Работа по устройству многоцветного мозаичного покрытия с устройством жилок или по заданному рисунку выполняется звеном в составе двух учащихся.

Каждый из учащихся должен освоить все операции трудового процесса, для чего по мере освоения одних операций должен переходить на другие.

в) Трудовой процесс

Таблица 45

Наименование операций

Приемы выполнения операций

Установка маячных реек

Производить согласно указаниям инструкционно-технологической карты № 11.

Приготовление раствора для прослойки

Производить согласно указаниям инструкционно-технологической карты № 11.

Устройство прослойки

Производить согласно указаниям инструкционно-технологической карты № 11.

Разбивка пола по заданному рисунку

Согласно указаниям инструкционно-технологической карты № 4 проверить геометрические размеры помещения, выполнить разбивку фриза так, чтобы все отклонения от правильной геометрической формы располагались на площади фриза. Затем с помощью намеленного шнура, метра и угольника произвести разбивку основного фона пола (рис. 46). Для этого на линию фриза вынести с помощью метра все размеры, указанные на чертеже разбивки, намелить мелом шнур, приложить концы его к соответствующим отметкам, туго натянуть, а затем, оттянуть его вверх строго вертикально, отпустить; на полу останется меловая черта. При криволинейных рисунках следует пользоваться заранее вырезанными шаблонами или, если позволяет заданный рисунок - циркулем, который делают из отрезка шнура и двух стержней.

Рис. 46. Трехцветный рисунок мозаичного пола:
а) фриз; б) квадратные шашки; в) основной фон

Укладка маячных и разделительных реек

При устройстве многоцветного мозаичного покрытия без жилок на поверхности прослойки разложить и закрепить рейки: маячные - для проверки правильности укладки массы и разделительных - для проверки правильности укладки массы и разделяющие - по рис. 45 вместо реек можно воспользоваться рамками (рис. 47). Маячные рейки устанавливают по линии фриза, тщательно проверяют по уровню и «примораживают» раствором. По основному фону пола устанавливают рамки, в которые должна заливаться масса, образующая шашки. Рамки выверяются по сделанной разбивке, отмеченной мелом, а также выверяются по уровню. Рамки, если нужно, расклиниваются между собой, а маячные рейки закрепляются к стенам распорками с клиньями. Вся система проверяется на прочность, соответствие заданному рисунку и по уровню.

Рис. 47. Схема установки маячных реек и рамок при устройстве пола по рисунку:
1. Маячная рейка; 2. Распорка; 3. Клинья; 4. Рамки.

Укладка жилок

При устройстве многоцветного мозаичного покрытия с жилками маячных и распределительных реек не укладывают. Разбивку пола по заданному рисунку производят согласно указаниям, приведенным выше в настоящей карте. Жилки вырезают шириной, равной толщине покрытия, вместе с прослойкой и тщательно выправляют киянкой. Пока раствор прослойки недостаточно затвердел, в нем по контуру рисунка делают лопаткой прорези и в них вставляют жилки (рис. 48) так, чтобы их верхняя кромка была на уровне с поверхностью будущего пола. Уровень верхней кромки жилок и поверхности пола тщательно выверяют рейкой с уровнем. Вставленные в прослойку жилки дополнительно укрепляют раствором. Если раствор прослойки затвердел настолько, что утопить в нем жилки нельзя, их укрепляют раствором непосредственно на прослойке. При этом жилки вырезают шириной, равной толщине слоя террацевого состава.

Рис. 48. Схема мозаичного пола с жилками, закрепленными в прослойке:
1. Подстилающий слой; 2. Прослойка; 3. Жилки; 4. Мозаичное покрытие.

Приготовление террацевого раствора

Производить в соответствии с указаниями, содержащимися в инструкционно-технологической карте № 11.

Укладка террацевого слоя

Доставленная в сменной таре террацевая (мозаичная) масса укладывается согласно заданному рисунку. Если покрытие укладывается без жилок, то рисунок должен заполняться последовательно. Например, по рисунку 46 в первую очередь может быть произведена укладка фриза и квадратных шашек. Только после отвердения раствора фриза и шашек так, что при съемке рамок не будет опасности повредить края уложенного покрытия, снимают рамки и маячные рейки и заполняют раствором остальную площадь фона пола. При устройстве многоцветного мозаичного покрытия с жилками можно заполнять всю площадь пола согласно заданному рисунку, растворами соответствующего цвета. Покрытие без жилок разравнивается и уплотняется (рис. 49) так же, как и одноцветное покрытие, согласно указаниям, содержащимся в инструкционно-технологической карте № 11. Террацевую смесь, уложенную в покрытие с жилками, осторожно трамбуют легкими трамбовками, чтобы не испортить рисунок и не сместить жилки. Во всех случаях смесь уплотняют до тех пор, пока на поверхности не появится цементное молоко, которое удаляют кистью-макловицей.

Рис. 49. Выравнивание и сглаживание мозаичного  покрытия

г) Технические требования к качеству

В дополнение к техническим требованиям, указанным в инструкционно-технологической карте № 11, предъявляются следующие требования к укладке жилок. При оценке качества работ «баллом» 5 отклонения от заданных размеров при укладке жилок не допускаются; при отклонениях, не превышающих 2 мм на 1 м, работа должна быть оценена «баллом» 4; при отклонениях до 3 мм на 1 м - «баллом» 3; при отклонениях до 4 мм - «баллом» 2 и при отклонениях, превышающих 4 мм на 1 м - «баллом» 1.

д) Рекомендации по самоконтролю и проверке качества выполняемых работ

В дополнение к рекомендациям, приведенным в инструкционно-технологической карте № 11, проверку следует дополнить выявлением качества укладки жилок.

Для этого с помощью шнура, правила, угольника, ступенчатой линейки и метра, а также лекал, если при разбивке рисунка они применялись, проверять правильность фактического положения жилок, оценивая выполненную работу в соответствии с техническими требованиями, указанными выше.

е) Трудовые затраты

Нормы времени и нормы выработки на устройство многоцветных мозаичных полов с прокладкой жилок по заданному рисунку приведены в табл. 46 (на 1 м2 пола и на 1 м жилок).

Таблица 46

Вид полов

Полы

Жилки

стеклянные

латунные или медные

С рисунком в шашку

1,05

7,61

0,07

114

0,14

57,1

С прямолинейным рисунком до 3 м жилок на 1 м2 пола

1,15

6,95

0,12

66,7

0,17

47,0

С прямолинейным рисунком более 3 м жилок на 1 кв. м пола или с криволинейным рисунком

1,4

5,7

0,18

44,4

0,2

40

Примечание: нормами предусмотрены полы из двух различных по цвету или декоративному заполнителю растворов. При устройстве полов из растворов трех и более цветов нормы времени умножать на 1,2, а нормы выработки на 0,83.

5. ТЕХНИКА БЕЗОПАСНОСТИ

Основные правила техники безопасности приведены в инструкционно-технологической карте № 1.

1. УКАЗАНИЯ ПО САМОПОДГОТОВКЕ К ВЫПОЛНЕНИЮ ЗАДАНИЯ

В процессе самостоятельной подготовки к выполнению задания учащемуся надлежит ознакомиться с учебным материалом по теме, содержанием настоящей карты, осмотреть набитые мозаичные полы с целью выявления возможности их оттирки без повреждения верхнего слоя, проверить наличие механизмов, подводки воды и электроэнергии, а также ответить на следующие вопросы:

Чем характеризуется пригодность мозаичного покрытия к отделке, при каких условиях ее можно начинать?

Какую цель преследует оттирка и шлифовка мозаичного покрытия и какими инструментами выполняется эта работа?

Какую цель преследует полирование покрытия и какими инструментами выполняется эта работа?

С какой целью выполняется шпаклевка мозаичного покрытия после оттирки и как она производится?

Какими машинами производятся оттирка, шлифование и полирование мозаичного покрытия и по какому принципу эти машины действуют?

Как и с какой целью выполняется натирка мозаичного покрытия воском?

2. УЧЕБНАЯ ЦЕЛЬ

Научиться производить отделку мозаичного покрытия с оттиркой, последующей шпаклевкой покрытия, шлифовкой, полировкой и натиркой готового покрытия воском.

3. МАШИНЫ, ИНСТРУМЕНТЫ И ПРИСПОСОБЛЕНИЯ

Таблица 47

№№ п/п

Наименование, тип, марка, ГОСТ

Назначение

Количество

на звено

на группу

1

Двухтраверсная мозаично-шлифовальная машина С-426*

Оттирка, шлифование и полирование мозаичных полов

-

1

2

Полотерная машина С-752 

Натирка мозаичных полов воском

-

1

3

Движок с резиновой полоской

Удаление шлама после оттирки и шлифовки

1

5

4

Обойма для лещади

Шлифовка покрытия у стен и колонн

1

5

5

Абразивные материалы (шт.)

Для оттирки и шлифовки поверхностей

10

50

* Примечание: кроме  указанной, могут быть использованы мозаично-шлифовальные машины О-7, С-733 и другие.

4. МАТЕРИАЛЫ

Для отделки мозаичных покрытий применяются абразивные материалы указанные в табл. 47 а

Таблица 47а

Разновидность обработки

№№ абразивных камней

Крупность зерен в мк

Грубое шлифование (оттирка)

16 - 24

350 - 1190

Шлифование

60 - 80

125 - 250

Чистое шлифование

230 - 325

28 - 62

Полировка (лощение)

М - 28

20 - 28

Для натирки мозаичных полов применяют пасту следующего состава:

стеарин

2

вес

части

канифоль

0,25

вес части

парафин

1

"

"

скипидар

10

"

воск

1

"

"

или бензин

 

 

Расход мастики на 1 м2 пола составляет 0,1 кг.

5. ТЕХНОЛОГИЯ И ОРГАНИЗАЦИЯ ПРОЦЕССА

а) Организация рабочего места

В помещения, где выполняется отделка мозаичного покрытия, должна быть подведена электроэнергия для подключения машин и водопровод для смачивания пола при оттирке, шлифовке и полировке мозаичного покрытия.

б) Состав звена

Работу выполняет звено в составе двух человек. Один учащийся выполняет оттирку, шлифовку и полировку полов машиной, а второй производит дошлифовку полов у стен, колонн, переносит шланги, убирает шлам и выполняет другие работы. По мере освоения операций учащиеся меняются местами, с тем, чтобы отработать все операции трудового процесса.

в) Трудовой процесс

Таблица 48

Наименование операций

Приемы выполнения операций

Оттирка поверхности крупнозернистым абразивным материалом

Оттирку террацевого состава производят через 3-4 дня после его укатки. Смочить подлежащие оттирке поверхности водой и посыпать кварцевым песком. Проверить исправность электрического кабеля, подводящего ток к мозаичношлифовальной машине, надежность заземления корпуса машины, подвести воду к машине, присоединил один конец резинового шланга к трубке, а другой к водопроводной сети. Опробовать машину на холостом ходу. Отрегулировать поступление воды так, чтобы она покрывала тонким слоем поверхность, охватываемую шлифовальными камнями. Приступить к оттирке поверхности, передвигая машину медленно по поверхности и добиваясь удаления верхнего цементного слоя и обнажения мраморной крошки. Для повышения производительности труда, в зависимости от твердости крошки в машинах С-426 и С-733 следует установить частично или полностью дополнительные грузы. По мере накопления шлама его следует удалять с помощью движка (рис. 50).

Рис. 50. Удаление шлама при оттирке и шлифовке пола

Шпаклевание поврежденных мест

Смочить поврежденную поверхность водой, посыпать сухим неподкрашенным или подкрашенным цементом. Втирать насыпанный цемент в поры и царапины мраморными брусками.

Шлифование поверхности

Шлифование поверхности производится согласно указаниям, приведенным выше, теми же машинами, только пользуются при шлифовании крупнозернистыми, среднезернистыми и мелкозернистыми абразивными камнями. Шлифованием следует добиваться снятия примерно половины толщины крупной крошки, в результате чего на поверхности мозаичного пола должна выявиться пся мраморная крошка.

Полирование поверхности.

Выполняется теми же машинами, тонкими абразивными порошками, причем поверхность доводится до блеска.

Дошлифовка труднодоступных мест.

Примыкания к стенам, колоннам и другие небольшие площади, которые не представляется возможным шлифовать и полировать с помощью машины, обрабатываются вручную. Для этого абразивный камень, соответствующей крупности зерна, зажимается в обойму (рис. 51), а поверхность, подлежащая обработке, смачивается водой и шлифуется возвратно-поступательными движениями камня. При оттирке и шлифовке на обойму может быть укреплен дополнительный груз. Труднодоступные места должны быть доведены до той же степени глянца, что и основная площадь пола.

Рис. 51. Обойма для шлифования мозаичных покрытий вручную

Натирка пола.

По окончании всех отделочных работ в здании, удаления мусора и пыли производится натирка пола. Предварительно пол должен быть вымыт и насухо вытерт и высушен. Пасту указанного выше состава или другую, указанную мастером, нанести на сухую поверхность тонким слоем с помощью щетки или тряпки. Электрополотерную машину подключить к сети, проверить на холостом ходу и приступить к натирке пола, передвигая машину по поверхности пола, доводя его до зеркального глянца.

г) Технические требования к качеству,

Мозаичные полы должны иметь равномерную заданную толщину покрытия, горизонтальную ровную и гладкую поверхность с однородным густым равномерным без пропусков распределением зерен каменной крошки по поверхности. Рисунок, цвет, тон и декоративные элементы мозаичных полов должны полностью соответствовать проекту или указаниям архитектора.

При определении качества работ руководствоваться показателями, приведенными в табл. 49.

Таблица 49

Оценка качества мозаичных работ

Показатели качества

Оценка качества

5

4

3

2

1

Просветы при проверке контрольным правилом длиной 2 м в мм не более

1

2

3

4

5

Распределение крошки на покрытии

Равномерное

Неравномерное

 

Допускаются пропуски без крошки размером (на пл. 1 м2)

до 1 см2, но не более 3

до 2 см2, но не более 5

до 3 см2, но не более 7-8

до 4 см2, но не более 10

Правильность укладки жилок по заданному рисунку

Жилки должны отчетливо выделяться на поверхности пола и представлять собой правильные линии

Жилки местами слабо видны, имеются малозаметные извилины

Отклонение жилок от заданных размеров в мм на 1 м не более

Не допускаются

Допускаются но не более:

2

3

4

5

Однотонность цвета пола

Одинаковый заданного тона в разных частях пола

Слабые переходы тонов цвета

Малозаметная для глаза разница в тонах одного цвета в разных частях пола

Сцепление с основанием

Отсутствие глухого звука при простукивании

Местами издается глухой звук при простукивании.

д) Рекомендации по самоконтролю и проверке качества выполняемой работы

Только после полной отделки мозаичного покрытия можно судить о его качестве. Поэтому выше приведены технические требования к качеству не только отделки, но и в целом к качеству мозаичного покрытия.

Просветы при проверке контрольным правилом проверяются согласно указаниям инструкционной карты № 11.

Распределение крошки на покрытии определяется осмотром отделанного пола. Пропуски замеряются метром, а количество их подсчитывается на всей площади пола и делится на площадь в метрах.

Отклонение жилок от заданных размеров проверяется так, как это указано в карте № 12.

Однотонность цветов пола определяется просматриванием покрытия и определяется приблизительно.

Сцепление с основанием определяется простукиванием всей площади пола легкими ударами деревянной киянки. При этом прослушивается звук, издаваемый при ударе: глухой звук свидетельствует о недостаточном сцеплении с основанием. Такие полы не могут служить долго и их следует переделать.

е) Трудовые затраты

Нормы времени и нормы выработки на 1 м2 пола приведены в табл. 50.

Таблица 50

Трудовые затраты на отделку мозаичного покрытия

Способ шлифовки или полировки

Шлифовка

Полировка

порошком

воском

Механизированный

0,38

21,0

0,56

14,3

0,51

15,6

Ручной

1,7

4,7

2,6

3,80

1,75

4,6

Примечания: 1. На дошлифовку мест примыкания полов к стенам и колоннам вручную после шлифовки машиной добавлять на 1 м примыкания Н. вр. 0,3 ч./ч. и Н. выр. давать 26,7 м.

2. При наличии более 40% крошки из гранита или лабрадорита Н. вр. на шлифовку умножать на 1,2, а Н. выр. - на 0,83.

3. При шлифовке мозаичных полов с жилками Н. вр. умножать на 1,1, а Н. выр. на 0,91.

4. На дополировку мест примыкания полов к стенам и колоннам вручную после полировки машиной добавлять на 1 м примыкания: а) при полировке порошком Н. вр. 0,47 ч./ч и давать Н. выр. 17,0 м; б) при полировке воском Н. вр. 0,33 и давать Н. выр. 24,2 м.

5. ТЕХНИКА БЕЗОПАСНОСТИ

Основные правила техники безопасности приведены в инструкционно-технологической карте № 1.

1. УКАЗАНИЯ ПО САМОПОДГОТОВКЕ К ВЫПОЛНЕНИЮ ЗАДАНИЯ

В процессе самостоятельной подготовки к выполнению задания учащемуся надлежит ознакомиться с учебным материалом по теме, содержанием настоящей инструкционно-технологической карты, осмотреть помещение, на предмет проверки его готовности к устройству ксилолитовых полов, продумать организацию работ на рабочем месте, проверить наличие материалов, инструмента и приспособлений, а также ответить на следующие вопросы:

По каким основаниям можно устраивать ксилолитовые полы и какие требования к ним предъявляются?

Как растворяют кристаллический хлористый магний?

Как производят травление кислоты каустическим магнезитом?

Как приготовляется ксилолитовая смесь и определяется ее подвижность?

Как подготовить основание под укладку ксилолитовой смеси и обеспечить прочное сцепление ксилолитового покрытия с основанием?

Как обеспечить прочное сцепление верхнего слоя покрытия с нижним слоем?

Как устраивают стыки в больших помещениях при перерывах в работе?

Какие требования предъявляются к готовым ксилолитовым полам?

Какими машинами производится отделка ксилолитовых полов?

Какое назначение имеет циклевка поверхности ксилолитового пола?

Для чего и как производится натирка поверхности ксилолитового пола?

2. УЧЕБНАЯ ЦЕЛЬ

Научиться устраивать ксилолитовые полы с подготовкой основания, приготовлением ксилолитовой смеси, выверкой площади пола и установкой маячных реек, смачиванием основания магнезитовым раствором, послойной укладкой, выравниванием и уплотнением ксилолитовой смеси, сглаживанием металлической гладилкой верхнего слоя, шпаклевкой, циклевкой полов, шлифовкой и натиркой готовых полов.

3. МАШИНЫ, ИНСТРУМЕНТЫ И ПРИСПОСОБЛЕНИЯ

Таблица 51

№№ п/п

Наименование, тип, марка, ГОСТ

Назначение

Количество

на звено

на

группу

1

Растворосмеситель С-772

Приготовление ксилолитового раствора

-

1

2

Мозаично - шлифовальная машина С-426

Шлифовка ксилолитовых полов

-

1

3

Полотерная машина С-752А

Натирка готовых ксилолитовых полов

-

1

4

Установка для растворения кристаллического хлористого магния

Растворение кристаллического хлористого магния при приготовлении ксилолитового раствора

-

1

5

Чаны для нейтрализации кислоты

Нейтрализация соляной кислоты при приготовлении раствора хлористого магния

-

1

6

Стандартный конус Строй ЦНИЛ

Проверка подвижности ксилолитового раствора

-

1

7

Ареометр

Проверка плотности растворов хлористого магния

-

1

8

Черпаки на деревянных ручках

Переливание растворов хлористого магния при их приготовлении

-

1

9

Грабли стальные

Разгребание массы по поверхности пола и создание шероховатой поверхности нижнего слоя ксилолита

1

5

10

Лопата стальная растворная ЛР ГОСТ 3620-63

Погрузка раствора и другие работы

1

5

11

Шпатели со сменными стальными полотнами

Шпаклевание ксилолитовых полов

1

5

12

Трамбовка деревянная

Трамбование ксилолитовых полов

1

5

13

Каток ручной

Уплотнение ксилолита

1

5

14

Лопата для ксилолитовых работ ЛК ГОСТ 9533-66

Разравнивание и заглаживание ксилолитовой массы и других работ

3

15

15

Гладилки для ксилолитовых работ: ГБК-1 ГОСТ 10403-63

Заглаживание и уплотнение ксилолитовой массы

2

10

16

Молоток МПЛИ-1 ГОСТ 11042-64

Укладка маячных реек и другие работы

1

5

17

Уровень строительный УС-2-700 ГОСТ 9416-67

Проверка горизонтальности

1

5

18

Цикли паркетные Ц1-170 ГОСТ 12378-66

Циклевка ксилолитовых полов

2

10

19

Обойма

Дошлифовка поверхности пола у стен и колонн

1

5

20

Кисть флейцевая КР ГОСТ 10597-65

Нанесение масла на пол

2

10

21

Шнур разметочный в корпусе l =15 м

Разметка поверхности пола

1

5

22

Рулетка измерительная металлическая РЖ - 2 ГОСТ 7502-55

Проверка геометрической формы пола и его разметка

1

5

23

Метр складной деревянный

Измерения

1

5

24

Контрольное правило длиной 2 м

Проверка правильности поверхности пола

1

5

25

Контрольная ступенчатая линейка

Определение величины выступов и впадин

3

15

4. МАТЕРИАЛЫ

Кристаллическую соль хлористого магния растворяют в деревянных бочках емкостью 200-250 л (пользоваться металлической посудой нельзя), располагаемых на разных уровнях (рис. 52). Барабаны с хлористым магнием вскрывают непосредственно перед приготовлением раствора. Извлекаемую из них соль разбивают на куски весом не более 1-2 кг, загружают солью верхнюю бочку на 3/4 объема и заливают до верха нежесткой водой. После 10-12 часов выдержки, когда кристаллический хлористый магний растворится, раствор из верхней бочки через кран сливают в нижнюю. Чтобы нерастворившийся осадок из верхней бочки не попадал в нижнюю, кран устанавливается на некоторой высоте над дном. В нижней бочке раствор доводят до заданной плотности, добавляя требуемое количество воды и измеряя плотность раствора ареометром (рис. 53).

Рис. 52. Растворение кристаллического хлористого магния

Рис. 53. Проверка ареометром плотности раствора

В таблицах 52 и 53 приведены растворимость хлористого магния и количество воды для доведения раствора до требуемой плотности.

Таблица 52

Растворимость технического хлористого магния (плавленного)

Плотность раствора

Выход раствора из 1 кг плавленного  хлористого магния

Содержание плавленного хлористого магния в растворе

г/см3

градусов  Боме

л

кг

кг/л

% % по весу

1,074

10

5,520

5,880

0,181

17,0

1,091

12

4,365

4,745

0,229

21,1

1,107

14

3,640

4,020

0,274

24,9

1,125

16

3,105

3,495

0,322

28,6

1,143

18

2,675

3,045

0,373

32,8

1,160

20

2,375

2,740

0,421

36,5

1,180

22

2,100

2,475

0,476

40,4

1,200

24

1,900

2,255

0,526

44,4

1,220

26

1,965

2,050

0,590

48,8

1,241

28

1,500

1,875

0,665

53,3

1,262

30

1,410

1,775

0,710

56,2

Таблица 53

Количество воды, необходимое для доведения раствора хлористого магния до заданной плотности

Плотность раствора, который требуется получить

Количество воды, добавляемой в 1 л исходного раствора в л при плотности исходного раствора в г/см3  (в числителе) и град. Боме (в знаменателе)

г/см3

градусов Боме

1,262

30

1,210

25

1,160

20

1,0174

10

2,94

2,09

1,35

1,080

11

2,52

1,75

1,08

1,091

12

2,16

1,48

0,88

1,099

13

1,88

1,25

0,71

1,107

14

1,63

1,06

0,56

1,116

15

1,41

0,88

0,44

1,125

16

1,22

0,74

0,33

1,134

17

1,06

0,62

0,23

1,143

18

0,92

0,51

0,15

1,152

19

0,80

0,42

0,07

1,160

20

0,71

0,34

-

1,170

21

0,60

0,26

-

1,180

22

0,51

0,19

-

1,190

23

0,43

0,12

-

1,200

24

0,35

0,06

-

1,210

25

0,28

-

-

1,220

26

0,17

-

-

1,230

27

0,12

-

-

1,241

28

0,06

-

-

1,250

29

0,03

-

-

1,262

30

-

-

-

Приготовление раствора хлористого магния путем нейтрализации технической соляной кислоты каустическим магнезитом («травление кислоты») выполняют в толстостенных чанах, диаметр и высота которых равны 1 м, на открытом воздухе вдалеке от зданий, людей и растений, так как в воздух испаряется кислота, пары которой вредны для здоровья. Работающие с кислотой должны быть одеты в закрытые комбинезоны и резиновые сапоги, снабжены респираторами, резиновыми рукавицами и фартуками.

Перед нейтрализацией соляную кислоту разбавляют водой до удельного веса 1,12-1,14 г/см3. Из такой кислоты получают раствор хлористого магния с удельным весом около 1,3 г/см3. При взаимодействии соляной кислоты и магнезита выделяется большое количество тепла, которое поднимает температуру раствора до 120° С. Добавление магнезита выше нормы может повлечь за собой образование гидрата окиси магния, которая непригодна для использования. В случае очень бурного вспенивания раствора приостанавливают добавление магнезита до прекращения интенсивного выделения газа. Конец нейтрализации определяют по прекращению выделения газа при добавлении очередных порций магнезита. После охлаждения раствор сливают в бутыли.

Смесь каустического магнезита пли каустического доломита с древесными опилками или другими заполнителями и тонкомолотыми наполнителями (тальком) и пигментами, затворенную на водном растворе хлористого магния, называют ксилолитовой смесью.

Ксилолитовая смесь считается готовой к употреблению после того, как все составляющие ее материалы тщательно перемешаны до образования однородной массы. Приготовляют ксилолитовую смесь в растворосмесителях.

Объемы замесов ксилолитовой смеси определяют с таким расчетом, чтобы замес мог быть доставлен к месту работ и полностью использован до начала схватывания смеси, т.е. в течение 40 мин. после затворения смеси раствором хлористого магния.

Барабан растворосмесителя, а еще лучше если и весь растворосмеситель, предназначенный для приготовления ксилолитовой смеси, окрасить асфальтовым лаком для предохранения от коррозии. Вся металлическая посуда, предназначенная для хранения и транспортировки ксилолитовой смеси, также должна быть окрашена асфальтовым лаком.

При приготовлении смеси вначале смешивают насухо отмеренные порции пылевидных материалов (магнезита, пигмента, талька), затем, после добавления заполнителей (опилок, песка), всю смесь повторно перемешивают. Готовую сухую смесь затворяют раствором хлористого магния и снова тщательно перемешивают.

Составы ксилолитовых смесей приведены в табл. 54.

Таблица 54

Рекомендуемые составы ксилолитовых смесей

Вид покрытия

Интенсивность движения по полу

Составы ксилолитовой смеси по объему (в рыхлом состоянии) для покрытия

Плотность раствора хлористого магния, необходимая для затворения ксилолитовой смеси

эластичного: (магнезит:опилки)

жесткого: (магнезит:опилки:песок или каменные высевки)

г/см3

градусов Боме

Однослойный или верхний слой двухслойного покрытия

Небольшая

1:2

1:1,4:0,6

1,18

22

То же

Средняя

1:1,5

1:1:0,5

1,20

24

То же

Большая(лестничные площадки, главные проходы и др.)

Не применяют

1:0,7:0,3

1,24

28

Нижний слой двухслойного покрытия

-

1:4

Не применяют

1,14

18

Количество пигментов для получения ксилолитового пола заданной расцветки зависит от свойств применяемых пигментов и определяется путем изготовления пробных образцов.

Расход материалов для устройства ксилолитового покрытия рассчитывать согласно данным таблицы 55.

Таблица 55

Ориентировочный расход материалов на устройство 100 м2 покрытия толщиной 10 мм

а) сухая смесь наполнителей

№№ составов

Состав ксилолитовой смеси по объему (магнезит: опилки: песок)

Опилки в м3

Песок или каменные высевки м3

Тальк кг

Пигменты кг

1

1:2:0

1,0

-

60

60

2

1:1,5:0

0,9

-

75

60

3

1:1,4:0,6

0,75

0,32

60

50

4

1:1:0,5

0,68

0,28

75

50

5

1:0,7:0,3

0,60

0,25

100

50

6

1:4:0

1,00

-

-

-

б) Каустический магнезит и хлористый магний

№№ составов

При использовании кристаллического хлористого магния

При использовании для приготовления раствора хлористого магния, соляной кислоты и каустического магнезита

каустический магнезит, кг

хлористый магний, кг

каустический магнезит, кг

соляная кислота, плотн. 1,18

1

520

330

610

440

2

620

400

730

530

3

520

330

610

440

4

620

400

730

530

5

770

500

900

670

6

410

260

480

350

*Примечания: 1. Объем опилок и песка приведены в рыхлонасыпанном неуплотненном состоянии.

2. При использовании для приготовления раствора хлористого магния ингибированной соляной кислоты вместо обыкновенной технической количество каустического магнезита и соляной кислоты следует увеличивать на 30%.

Ксилолитовую смесь приготовляют подвижностью, соответствующей осадке стандартного конуса в 2-3 см.

5. ТЕХНОЛОГИЯ И ОРГАНИЗАЦИЯ ПРОЦЕССА

а) Организация рабочего места

Рабочее место, где производится приготовление ксилолитовых смесей в растворосмесителе, организуется применительно к схеме, показанной на рис. 8.

Рабочим местом, где производится устройство ксилолитового покрытия, является само помещение, где до начала работ должны быть приготовлены необходимые инструменты и приспособления.

б) Состав звена

Приготовление ксилолитовой смеси и устройство покрытия с отделкой выполняет звено в составе 3 человек. Каждый учащийся должен освоить все операции трудового процесса, для чего по мере освоения одних операций следует переходить па другие. Это касается как приготовления раствора, так и его транспортирования на рабочее место, устройства маяков, укладки первого и второго слоя, уплотнения массы и отделки готового покрытия.

в) Трудовой процесс

Таблица 50

Наименование операций

Приемы выполнения операций

Приготовление ксилолитовой смеси

Проверить на холостом ходу растворосмеситель. По указанию мастера, согласно заданному рецепту смеси, отмерить магнезит, пигмент и тальк, засыпать их в барабан растворосмесителя и тщательно перемешать. Отмерить необходимое количество опилок и песка, и засыпав их в барабан растворосмесителя, снова перемешать сухую смесь. Залить в барабан требуемое количество раствора хлористого магния, предварительно проверив его плотность ареометром, и окончательно перемешать смесь. Выгрузить смесь из растворосмесителя и проверить ее подвижность стандартным конусом. Отправить смесь к месту укладки.

Проверка правильности основания

Контрольным правилом, линейкой и уровнем проверить правильность поверхности основания. Отметить мелом выступающие неровности, препятствующие устройству покрытия. Проверить правильность геометрических размеров пола, согласно указаниям, содержащимся в карте № 4.

Подготовка основания под укладку ксилолитового покрытия

При обнаружении выступающих неровностей, препятствующих устройству покрытия, срубить их. Всю поверхность бетонного основания насечь с помощью пневмомолотка, очистить от мусора и промыть водой. Предел прочности бетона должен быть 75 кг/см2, а его влажность - не более 5%. Непосредственно перед укладкой ксилолитовой смеси очищенную от пыли шероховатую поверхность бетонного основания огрунтовать смесью из раствора хлористого магния (четыре весовых части) плотностью 1,06-1,07 г/см3 и каустического магнезита (одна весовая часть). Грунтовочный состав втирать в поверхность основания метлами. Огрунтованная площадь должна быть покрыта ксилолитовом смесью не позднее чем через 40 мин., т.е. до начала схватывания: это определяет размер огрунтовываемой площади.

Разбивка поверхности пола и установка маячных реек

Согласно указаниям инструкционно-технологической карты № 4 произвести разбивку фриза. По уровню уложить маячные рейки на расстоянии, не превышающем 2 м друг от друга; толщина маячных реек должна превышать толщину будущего покрытия на 50%.

Укладка нижнего слоя ксилолитового покрытия

Подвезенную ксилолитовую смесь выгружают на делянки и грубо разравнивают граблями. Тщательно разравнивают смесь правилами по рейкам. Выровненный слой смеси уплотняют трамбовками весом 3-5 кг непрерывными полосами, чтобы на каждое место приходилось по 3-5 ударов трамбовки. Если подвижность смеси была излишней, то на поверхности после трамбования выступит много жидкости. В этом случае мокрые места посыпать сухой ксилолитовой смесью и снова тщательно потрамбовать. Проверяют поверхность правилом и при необходимости срезают выступающие неровности и заполняют впадины, после чего исправленные места снова протрамбовывают. Окончательно выровненную и утрамбованную поверхность прорезают граблями в двух направлениях.

Укладка однослойного покрытия или верхнего слоя двухслойного покрытия

Укладка отличается от предыдущей тем, что верхний слой двухслойного покрытия при небольшой толщине (8-10 мм) не трамбуют, а только заглаживают гладилками. Не трамбуют также и жесткие полы, для устройства которых в смесь добавляют песок, во избежание оседания песка вниз и расслоения состава. Укладывая однослойное покрытие или верхний слой двухслойного покрытия, следует иметь в виду, что при схватывании ксилолитовая смесь увеличивается в объеме примерно на 25% Так, если укладывают слой толщиной 8 мм, то после схватывания он увеличивается до 10 мм. Окончательно утрамбованную смесь до ее схватывания заглаживают металлическими гладилками полосами па себя, отступая к выходу из помещения. Возобновляя укладку покрытия после перерыва, вертикальную кромку ксилолита очищают от слабых и легко отстающих частиц ксилолитовой смеси и огрунтовывают одновременно с основанием, подготовляемым для продолжения работ по укладке ксилолита. Стык свежеуложенного ксилолитового покрытия с ранее уложенным участком протрамбовывают и заглаживают особенно тщательно.

Циклевка ксилолитовых покрытий

 

Циклевку ксилолитовых покрытий производят на второй или третий день после укладки мозаичношлифовальными машинами, согласно указаниям, содержащимся в карте № 13, но без смачивания водой. Доциклевку у стен и колонн выполняют с помощью инструмента со сменной стальной пластинкой - циклей (рис. 54). Вслед за циклевкой покрытие затирают смесью из 250 г магнезита и 30 г пигмента, затворенной 1 л раствора хлористого магния плотностью 1,07 г/см3, нанося смесь шпателем или лопаткой и затирая ветошью, смоченной в растворе.

Рис. 54. Цикля со сменным лезвием
1-лезвие (сталь пружинная); 2-прижимная пластина; 3-накладка; 4-лапка; 5-рукоятка

Шлифовка ксилолитовых покрытий

Для повышения качества отделки ксилолитовые покрытия после отвердения шлифуют с помощью мозаичношлифовальных машин, слегка смачивая поверхность ксилолитовой смесью, применяемой для затирки пола после шлифовки. Образующийся при шлифовании шлам снимают с покрытия ветошью.

 

Протирка маслом и натирка мастикой ксилолитовых полов

Через 20 или 30 дней после укладки ксилолитовые полы протереть тряпками, смоченными смесью из 30% растительного масла или олифы и 70% скипидара, подогретого до 40-50°С. Излишки масла, не впитавшегося в пол, удалять, во избежание образования пленки. После просушки пол натереть до блеска мастикой, состоящей из двух весовых частей парафина, одной - воска, одной - скипидара и пяти - керосина, с помощью полотерных щеток.

г) Технические требования к качеству

Ксилолитовые полы должны иметь равномерную заданную толщину покрытия, горизонтальную ровную и гладкую поверхность однородного цвета.

При определении качества работ руководствоваться показателями, приведенными в табл. 57.

Таблица 57

Оценка качества ксилолитовых полов

Показатели качества

Оценка в баллах

5

4

3

2

1

Просвет при проверке контрольным правилом длиной 2 м в мм не более

2

3

4

5

более 5

Отклонение пола от горизонтали в % % от длины или ширины помещения не более

0,01

0,015

0,02

0,03

более 0,03

В помещениях, длина или ширина которых составляет более 25 м отклонения в мм, не должны превышать

30

40

50

60

70

Ксилолитовое покрытие должно прочно схватываться с основанием; места, где при проверке будут обнаружены пустоты, должны быть заменены. Трещины на поверхности пола не допускаются.

д) Рекомендации по самоконтролю и проверке качества выполняемых работ

При самостоятельной проверке качества выполняемых работ учащемуся следует производить контрольные проверки и оценивать качество в соответствии с таблицей 57.

В процессе производства работ необходимо проверять качество материалов, правильность подбора состава ксилолитовой смеси и выполнения всех операций по устройству полов.

Расцветка и рисунок ксилолитового пола, наличие пятен и выцветов проверяется осмотром пола. Сцепление пола с основанием проверяется сплошным простукиванием пола легким деревянным молотком: глухой звук свидетельствует о наличии отслоения покрытия от основания.

е) Трудовые затраты

Нормы времени и нормы выработки на устройство 1 м2 ксилолитовых полов приведены в табл. 58, на отделку полов - в табл. 59, а на приготовление смеси - в табл. 60.

Таблица 58

Нормы времени и нормы выработки на устройство полов

Площадь полов в м2

Устройство

полов

В том числе устройство плинтусов или галтелек

однослойных или верхнего слоя двухслойных толщиной до 12 мм

двухслойных толщиной до 22 мм

До 2

0,82

9,7

0,92

8,7

0,45

17,7

До 5

0,64

12,5

0,74

10,8

0,25

32

До 10

0,5

16

0,61

13,1

0,15

53,3

До 20

0,43

18,6

0,52

15,3

0,1

80,0

Более 20

0,37

21,6

0,46

17,3

0,06

133,0

Таблица 59

Нормы времени и нормы выработки на отделку полов

Шлифовка полов

Покрытие маслом

Натирка полов

машиной

вручную

натирочной машиной

щетками

мастикой без воска

мастикой с воском

0,04

200

0,161

48,4

0,06

133

0,02

400

0,06

133

0,08

100

Таблица 60

Нормы времени и нормы выработки на приготовление 1 м3 ксилолитовое смеси (с учетом времени машиниста и облицовщиков-ксилолитчиков для механизированного приготовления)

Механизированное приготовление

Ручное приготовление

на соляной кислоте

на карналите или хлористом магнии

на соляной кислоте

на карналите или хлористом магнии

 

с опилками

с опилками и песком

с опилками

с опилками и песком

3,9

2,1

2,56

3,1

4,6

1,74

5,5

1,45

2,8

2,8

3,6

2,2

Примечания: 1. При устройстве полов в шашку, с фризом или рисунком на каждый метр периметра шашки, фриза или рисунка добавлять: а) в шашку Н. вр. 0,14 ч./ч. и давать Н. выр. 57,1 м; б) с фризом или рисунком Н. вр. и давать Н. выр. 72,7 м.

2. При увеличении толщины покрытия сверх принятой в табл. 59 на каждые дополнительные 5 мм толщины Н. вр. по табл. 59 увеличивать на 5%, соответственно уменьшая Н. выр.

3. На просеивание опилок к данным табл. 60 на 1 м3 смеси добавлять Н. вр. 1,3 ч./ч. и давать Н. выр. 6,1 м3.

5. ТЕХНИКА БЕЗОПАСНОСТИ

Основные правила техники безопасности приведены в инструкционно-технологической карте № 1.

Кроме того, необходимо выполнять правила работы с кислотой, приведенные в карте № 5.

При приготовлении раствора хлористого магния путем нейтрализации соляной кислоты каустическим магнезитом учащиеся должны быть одеты в закрытые комбинезоны и резиновые сапоги, снабжены респираторами, резиновыми рукавицами и фартуками.

1. УКАЗАНИЯ ПО САМОПОДГОТОВКЕ К ВЫПОЛНЕНИЮ ЗАДАНИЯ

В процессе самостоятельной подготовки к выполнению задания учащемуся надлежит ознакомиться с учебным материалом по теме, содержанием настоящей инструкционно-технологической карты, осмотреть помещения и основания с целью проверки их пригодности к отделке, продумать организацию работ на рабочем месте, проверить наличие материалов, инструмента, машин и приспособлений, а также ответить на следующие вопросы:

Как организуется рабочее место при приготовлении мастик.

Что является связующим в поливинилацетатной мастике?

С какой целью в поливинилацетатную мастику вводятся карбамидные смолы, ортофосфорная кислота?

Что является связующим в полимерцементных мастиках, с какой целью в полимерцементную мастику вводится хлористый кальций и можно ли без него обойтись?

Какую роль играет в полимерцементной мастике двухромовокислый аммоний?

В чем отличие полимерцементобетонных покрытий от покрытий полимерцементных?

Как подготавливаются основания под поливинилацетатные покрытия полов?

Как подготавливаются основания под полимерцементные покрытия и какие требования к ним предъявляются?

Какие требования предъявляются к основаниям под поливинилацетатные покрытия?

При каких условиях поливинилацетатные покрытия являются «теплыми» полами?

Чем отличаются поливинилацетатные покрытия от полимерцементных покрытий полов?

Чем отличаются полимерцементобетенные полы от обычных мозаичных полов?

Технические требования к поливинилацетатным полам.

Технические требования к полимерцементным и полимерцементобетонным полам.

Технологическая последовательность устройства поливинилацетатных и полимерцементных полов?

Какими лаками покрывают поверхность мастичных полов?

Какие меры безопасности необходимо соблюдать при устройстве мастичных покрытий?

2. УЧЕБНАЯ ЦЕЛЬ

Научиться устраивать мастичные полы:

а) при устройстве поливинилацетатных полов:

С приготовлением поливинилацетатной мастики, проверкой ее вязкости вискозиметром, подготовкой основания - подшлифовкой его мозаичношлифовальной машиной, нанесением мастики на основание в один или два слоя, с предварительной огрунтовкой основания, последовательной шлифовкой нанесенных слоев шлифовальными камнями различной крупности, нанесением покровного лака;

б) при устройстве полимерцементных полов:

С приготовлением полимерцементных составов, проверкой их подвижности стандартным конусом, подготовкой основания - смачиванием его водой; укладкой маячных реек, нанесением одного или двух слоев мастики, выравниванием и уплотнением нанесенных слоев шпателями или гладилками, а при потребности - виброрейкой, шлифовкой уложенного покрытия, шпаклевкой и вторичной шлифовкой поверхности и покрытием восковыми мастиками.

3. МАШИНЫ, ИНСТРУМЕНТЫ И ПРИСПОСОБЛЕНИЯ

Таблица 61

№№ п/п

Наименование, тип, марка, ГОСТ

Назначение

Количество

на звено

на

группу

1

Растворосмеситель

С-772

Приготовление мастик

-

1

2

Ящик металлический емкостью 150 л

Хранение приготовленных мастик

-

1

3

Сито с размером ячеек 1 мм на рамке

Процеживание мастик

-

1

4

Весла деревянные длиной 1,2 м

Перемешивание мастики

-

1

5

Весы на 100-150 кг

Взвешивание заполнителей и наполнителей

-

1

6

Весы на 5-10 кг

Взвешивание пигментов и других небольших грузов

-

1

7

Ящики металлические и сита к ним с размером ячеек 0,1´0,1 мм

Просеивание пигментов (по числу пигментов, применяемых при устройстве покрытии)

-

1

8

Стеклянные банки емкостью 5-10 л

Разведение кислоты

-

2

9

Мерники стеклянные емкостью 0,5-1 л

Отмеривание жидкостей (комплекты)

-

3

10

Ареометр

Определение плотности растворов

-

1

11

Вискозиметр ВЗ-4

Проверка вязкости мастик

-

1

12

Секундомер

Определение времени при проверке вязкости вискозиметром

-

1

13

Ковш штукатурный ГОСТ 7945-63

Разлив мастик в ведра и бидоны

-

2

14

Ведра с носиком

Хранение и переливание жидкости

-

5

15

Бидоны

Хранение жидкостей и мастик

-

5

16

Вибросито С-459 с запасными сетками с размером ячеек 0,2´0,2 и 0,5´0,5

Процеживание составов

-

1

17

Виброгрохот с размером ячеек 0,5´0,5 мм С-720

Просеивание пылевидного наполнителя

-

1

18

Жерновая краскотерка0-10А или 0-50

Перетирание пигментов

-

 

19

Эмульсатор 0-58

Приготовление эмульсии

-

1

20

Компрессор 0-39, 0-38М, 0-16 или другой

Подача воздуха в нагнетательные бачки

1

5

21

Комплект из нагнетательного бачка 0-25, шлангов резиновых с внутренним диаметром 9-12 мм и ручного краскораспылителя (пистолета) 0-45 или другого

Нанесение мастики

1

5

22

Установка С-562 со шлангами и соплом форсункой конструкции треста Мосоргстрой

Нанесение мастики

-

1

23

Шлифовальная машина С-733, С-426 или 0-7

Шлифовка нанесенного покрытия

-

1

24

Шлифовальные камни разной крупности зерна (комплект)

Шлифовка нанесенного покрытия

5

20

25

Обойма для  шлифовальных камней

Дошлифовка труднодоступных мест

3

15

26

Гребки с резиновой полоской шириной 300 мм

Разравнивание мастики

3

15

27

Флейцевая кисть ГОСТ 10597-65 шириной 12 см

Нанесение лака

3

15

28

Шпатель с текстолитовым лезвием шириной 30-40 см и ручкой длиной 1,2 м, шириной 100 и 130 мм (чертежи треста Мосоргстрой Главмосстроя)

Разравнивание мастики

1

5

29

 

Шпатели ШСД ГОСТ 10778-64 черт. треста Мосоргстрой Главмосстроя

Шпаклевание поверхности

2

10

30

Гладилки ГБК-1 и ГБК-2 ГОСТ 10403-63

Заглаживание нанесенной мастики

2

10

31

Инвентарные щиты

Защита стен от брызг и повреждений

5

25

32

Рейки деревянные

 

Устройство маяков

5

25

33

Щетка половая

Обеспылевание основания

3

15

34

Валик с паралоновым покрытием ВО-225 ГОСТ 10831-64

Нанесение лака

1

5

35

Термометры наружные

Измерение температуры

1

5

36

Тележки для сменной тары (контейнеров)

Транспортировка материалов

1

5

37

Сменная тара для сыпучих материалов (контейнеры) размером 774´440´350

Транспортировка материалов и хранение их на месте работ

4

20

38

Молоток МНЛМ-1 ГОСТ 11042-64

Вспомогательные работы

1

5

39

Рулетка измерительная металлическая РЖ-2 ГОСТ 7502-55

Производство измерений

1

5

40

Метр складной деревянный

То же

1

5

41

Уровень строительный

Проверка горизонтальности

1

5

 

УС2-700 ГОСТ 9416-67

поверхностей

 

 

42

Правило контрольное длиной 2 м

Проверка правильности поверхности пола

1

5

4. МАТЕРИАЛЫ

При устройстве полимерцементных и поливинилацетатных бесшовных покрытий полов применяются следующие материалы мастики.

Эмульсионная грунтовка (части по весу)

Поливинилацетатная эмульсия (ПВАЭ)

2,0

Вода

8,0

Грунтовка на жидким стекле

Жидкое стекло калийное или натриевое с удельным весом 1,4-1,44

1,8

Вода

8,2

При поливинилацетатных покрытиях полов шпаклевку основания выполняют одним из следующих составов (в частях по весу).

Шпаклевка поливинилацетатная

Поливинилацетатная эмульсия (ПВАЭ)

1,0

Маршалит

3,0

Вода

до рабочей консистенции

Шпаклевка полимерцементная

Цемент марки 400

1,0

Песок мелкий с зернами до 0,5

4,0

Поливинилацетатная эмульсия (ПВАЭ), разведенная в воде в соотношении 1:3

до рабочей консистенции

Для первого (выравнивающего) слоя поливинилацетатного покрытия мастику готовят по следующему рецепту (в частях по весу):

Поливинилацетатная эмульсия

Поливинилацетатная эмульсия (ПВАЭ)

1,0

Мочевино-формальдегидная смола (МФ)

0,15

Маршалит

1,8

Ортофосфорная кислота (ОФК), 20% раствор

0,05

Пигменты

до заданного цвета

Вода до вязкости по вискозиметру ВЗ-4

120-140 сек.

Мастику для лицевого слоя поливинилацетатного покрытия готовят по следующему рецепту (в частях по весу):

Поливинилацетатная эмульсия (ПВАЭ)

1,0

Мочевино-формальдегидная смола (МФ)

0,3

Маршалит

0,5

Ортофосфорная кислота (ОФК), 20% раствор

0,06

Пигменты

до заданного цвета

Вода до вязкости по вискозиметру ВЗ-4

140-180 сек.

При устройстве полимерцементпых покрытии составы готовятся по следующим рецептам (в частях по весу).

Для грунтовки основания перед нанесением полимерцементных составов:

Портландцемент марки 400

1,0

Поливинилацетатная эмульсия (ПВАЭ)

0,4

Хлористый кальций, 20% раствор

0,05

Вода

до рабочей вязкости

Для выравнивающих слоев

Портландцемент марки 400

1,0

Поливинилацетатная эмульсия (ПВАЭ)

0,4

Хлористый кальций, 20% раствор

0,05

Вода

до рабочей вязкости

Песок крупностью до 5 мм

0,075

Аммоний двухромовокислый, 20% раствор

6,0

Для лицевых слоев

Портландцемент марки 400

1,0

Поливинилацетатная эмульсия (ПВАЭ)

0,6

Хлористый кальций, 20% раствор

0,005

Аммоний двухромовокислый, 20% раствор

0,075

Песок молотый

3,0

Пигменты

0,1-0,2

Вода

до рабочей вязкости

Для рядового песчаного однослойного покрытия

Портландцемент марки 400

1,0

Поливинилацетатная эмульсия (ПВАЭ)

0,4

Хлористый кальций, 20% раствор

0,05

Аммоний двухромовокислый, 20% раствор

0,075

Маршалит

4,0

Пигменты

0,2-0,3

Вода

до рабочей вязкости

Состав для полимерцементобетонных покрытий

Портландцемент марки 500

1,0

Поливинилацетатная эмульсия (ПВАЭ)

0,4

Мраморная или гранитная крошка, крупностью зерен 3-10 мм

2,0

Каменная мука из мрамора или гранита

1,0

Пигменты

0,1-0,2

Хлористый кальций, 20% раствор

0,05

Аммоний двухромовокислый, 20% раствора

0,075

Вода

до рабочей вязкости

Расход материалов для устройства поливинилацетатных мастичных покрытий полов толщиной 3 мм на 10 м2 составит:

Поливинилацетатная эмульсия (ПВАЭ)

25,22 кг

Портландцемент

2,0 кг

Мочевино-формальдегидная смола (МФ)

6,0 кг

Ортофосфорная кислота (ОФК)

0,10-0,12 кг

Маршалит

31,7 кг

Песок (Люберецкий кварцевый)

7,9 кг

Пигменты

0,55-0,75 кг

Лак пентафталевый № 170

0,600 кг

Лак масляно-смоляной 4С

0,400 кг

Скипидар

0,09 кг

Расход материалов для устройства полимерцементных полов на 10 м2 (ориентировочно) приведен в табл. 62.

Таблица 62

Нормы времени и нормы выработки на устройство 10 кв. м наливных бесшовных покрытий полов

Наименование материалов

Вид полов

полимерцементные толщиной 4 мм

полимерцементобетонные толщиной 10 мм

Портландцемент

17,8

45,0

Поливинилацетатная эмульсия (ПВАЭ)

7,16

18,0

Хлористый кальций

0,178

0,45

Аммонии двухромовокислый

0,267

0,675

Маршалит

71,3

-

Песок крупностью до 5 мм (для выравнивающих слоев)

106,7

-

Песок молотый (вместо маршалита)

53,4

-

Мраморная или гранитная крошка

-

90,0

Каменная мука из мрамора или гранита

-

45,0

Пигменты

1,78-5,34

4,5- 9,0

5. ТЕХНОЛОГИЯ И ОРГАНИЗАЦИЯ ПРОЦЕССА

а) Организация рабочего места

Приготовление мастик должно производиться в отдельных помещениях, имеющих надежную вентиляцию, рассчитанную на четырехкратный обмен воздуха в час, изолированных от других помещений и имеющих самостоятельный вход, оборудованных водопроводом и канализацией.

Оборудование для приготовления мастик в помещении располагается по схеме, приведенной на рис. 55.

Рис. 55. Оборудование помещения для приготовления мастик:
1. Растворосмеситель; 2. Виброгрохот; 3. Сменная тара с сеткой для мастик; 4. Краскотерка; 5. Вибросито; 6. Лаки для наполнителей; 7. Весы; 8. Тара с пигментами; 9. Эмульсатор; 10. Стол; 11. Весы; 12. Вискозиметр; 13. Инструментальный шкаф; 14. Тара с эмульсией;

Рабочим местом, где производится устройство мастичных полов, является само помещение, где до начала работ должны быть приготовлены необходимые инструменты и приспособления.

б) Состав звена

Работа по устройству поливинилацетатных и полимерцементных полов выполняется звеньями в составе 4 человек, а полимерцементобетонных - из 3 человек; члены этих звеньев производят и приготовление мастик.

Каждый из учащихся должен освоить все операции, составляющие процессы устройства поливинилацетатных, полимерцементных и полимерцементобетонных покрытий полов, переходя с одной операции на другую, по мере освоения предыдущей.

в) Трудовой процесс

Таблица 63

Наименование операций

Приемы выполнения операций

Приготовление грунтовки

Проверить исправность эмульсатора, запустив его на холостом ходу. Отмерить требуемое количество воды и залить ее в эмульсатор. Отмерить соответствующее количество поливинилацетатной эмульсии или жидкого стекла; в последнем случае - проверить его плотность ареометром. Включить эмульсатор и, при перемешивании, залить в него эмульсию или жидкое стекло. Вести перемешивание до получения однородного состава. Готовую грунтовку слить в тару и приступить к приготовлению очередной порции грунтовки.

Приготовление поливинилацетатных мастик

Отмерить требуемое по рецепту на один замес количество воды, поливинилацетатной эмульсии, карбамидной смолы, ортофосфорной кислоты и в указанной последовательности загрузить (рис. 56) в проверенный на холостом ходу растворосмеситель; перемешивать состав до получения однородной смеси. Отвесить заданное количество пигментов (рис. 57). В случае необходимости смешать их с небольшим количеством воды и перетереть на краскотерке. Отвесить требуемое количество пылевидных наполнителей, смешать их с сухими пигментами и просеять на вибросите (рис. 58). В растворосмеситель с эмульсией засыпать смесь наполнителя с пигментами и перемешивать в течение 3-4 минут до получения однородного состава. Готовую эмульсию проверить на вискозиметре. Для этого набрать в ковш примерно 100 г мастики, большим пальцем зажать отверстие вискозиметра, установленного на подставке, и залить воронку вискозиметра доверху, для чего требуется 100 см3 мастики. Затем взять в другую руку секундомер. Одновременно пустить секундомер и снять палец с отверстия вискозиметра: как только из отверстия вискозиметра прекратится вытекание сплошной струи и мастика начнет вытекать прерывистой струей, переходящей в капли, остановить секундомер. Количество секунд, отсчитанное секундомером, характеризует относительную вязкость мастики. Приготовленную мастику через сито загрузить в бункер или сменную тару, в которой и отправить ее на место работ (рис. 59).

Рис. 56. Загрузка растворосмесителя

Рис. 57. Отвешивание пигментов

Рис. 58. Просеивание наполнителя

Рис. 59. Перевозка мастики

Приготовление полимерцементной грунтовки

Полимерцементную грунтовку приготовляют в растворосмесителе. Порядок загрузки составляющих: вода, поливинилацетатная эмульсия, раствор хлористого кальция. После этого включают растворосмеситель и вводят цемент. Перемешивание ведут до получения однообразного без комьев состава. Готовую грунтовку процеживают через сито.

Приготовление полимерцементных составов

Полимерцементные составы приготовляют в растворосмесителе. Вначале в ковш растворосмесителя вливают отмеренное количество воды, затем поливинилацетатную эмульсию, водные растворы хлористого кальция, и аммония двухлористого. Состав перемешивают, отдельно смешивают наполнители и пигменты. После просеивания смесь наполнителей и пигментов загружают в растворосмеситель и перемешивают до получения однородного без комков состава, примерно в течение 5-7 мин. Стандартным конусом проверяют подвижность состава, которая должна отвечать погружению конуса на 5-7 см. Готовый состав выгружают в сменную тару, в которой и отправляют его на место работ. Готовая мастика должна быть использована в течение 2-3 час.

Приготовление полимерцементобетонного состава

Полимерцементобетонный состав приготовляют в растворосмесителе. Вначале загружают воду, затем поливинилацетатную эмульсию, водные растворы солей, пигменты и цемент. Включают растворосмеситель и загружают при перемешивании дозированные заполнители: каменную муку и крошку. Всю смесь перемешивают в течение 8-10 мин. Готовая смесь должна соответствовать осадке стандартного конуса на 3-4 см. Смесь, доставленную на место работ в сменной таре, используют в течение 2-3 часов. Загустевший состав, как и все предыдущие, нельзя разжижать добавлением воды или эмульсии.

Подготовка основания под устройство поливинилацетатного покрытия

Проверить основание контрольным правилом, прикладывая его в различных направлениях. Качество поверхности должно отвечать требованиям, указанным в инструкционно-технологической карте 1. Все отклонения от правильной поверхности отмечают мелом. Выправляют отдельные выбоины и другие дефекты цементно-песчаным раствором состава 1:3. Небольшие неровности снимают мозаично-шлифовальной машиной, пользуясь крупнозернистыми шлифовальными камнями. После отвердения выправки, сделанной цементным раствором, производят сплошную шлифовку основания шлифовальными камнями среднезернистой крупности (№№ 46 и 60) с помощью мозаично-шлифовальной машины. С отшлифованной поверхности удаляют шлам и после просушки удаляют пыль. Масляные и жировые пятна, при их наличии, устраняют обработкой 5% раствором кальцинированной соды; если раствор не помогает, пятна вырубают и эти места заделывают цементно-песчаным раствором состава 1:3, а после просушки и схватывания - шлифуют.

Огрунтовка основания под поливинилацетатные покрытия

Грунтовку наносят ручным краскораспылителем (пистолетом), расходуя примерно 0,2 литра на 1 м2 пола. Компрессор опробуют на холостом ходу. В красконагнетательный бачок заливают готовую грунтовку, закрывают крышку бачка и присоединяют к ней шланги от компрессора и краскораспылителя. Запускают компрессор и по достижении давления в красконагнетательном бачке в 4 атм. приступают к регулировке факела краскораспылителя. Для этого, пользуясь винтовыми регуляторами, находящимися в затылочной части краскораспылителя, добиваются, чтобы при нажиме на курок из головки пистолета выходил сначала сжатый воздух, а затем грунтовка. Затем регулируют соотношение количества подаваемого сжатого воздуха и грунтовки, чтобы производительность была наибольшей, а потери грунтовки на туманообразование - наименьшими. При этом следует иметь в виду, что избыток воздуха приводит к увеличению туманообразования, а его недостаток не может образовать достаточно мощного факела. К сильному туманообразонанию приводит и недостаток грунтовки. На форме факела отражается также вязкость грунтовки и давление, под которым работает система. При увеличении вязкости состава необходимо работать при более высоком давлении, не допуская, однако, превышения давления, более допустимого, для чего во время работы следует следить за показаниями манометра. Отрегулировав факел краскораспылителя (пистолета), приступают к нанесению состава на поверхность. При выполнении работы придерживаться следующих правил: не делать пистолетом волнообразных, петлеобразных и колебательных движений, держать пистолет от пола на таком расстоянии, при котором будет наблюдаться наименьшее туманообразование, пистолет должен быть перпендикулярен к поверхности пола, все его перемещения выполнять движениями корпуса и всей руки, а не кисти; окрашивать поверхность полосами, отпуская курок на время перемещения пистолета с одной полосы на другую.

Шпаклевание поверхности пола поливинилацетатной мастикой

На следующий день после огрунтовки приступают к шпаклеванию поверхности пола. Вначале шпателем с текстолитовым наконечником производят выправку отдельных мест полимерцементной мастикой, как более жесткой. Для этого нанесенную на поверхность ковшом шпаклевку разравнивают шпателем во взаимноперпендикулярных направлениях. После подсыхания выправленных мест приступают к нанесению поливинилацетатной шпаклевки. Эту работу выполняют с помощью установки C-562 и сопла-форсунки. Бачок установки заполняют шпаклевкой (рис. 61), закрывают крышку, подключают шланги компрессора и сопла-форсунки и включают компрессор. После того, как давление в системе поднимется до 4 атм., приступают к регулировке факела сопла-форсунки. Для этого вначале открывают воздушный кран, и после того как из него начнет поступать воздух, открывают материальный кран. Меняя соотношение количества поступаемого воздуха и мастики добиваются хорошо заполненного мастикой факела, пользуясь приведенными выше указаниями о влиянии количества воздуха и материала на формирование факела. Для тренировки процесса регулирования факела эту работу следует производить над ведром или другой емкостью, пока учащийся не научится быстро регулировать факел. Нанесение шпаклевки выполняется полосами, начиная из дальнего конца помещения и передвигаясь к выходу.

Рис. 61. Заполнение бачка шпаклевкой

Сопло-форсунку держат на высоте 60-70 см над полом и под углом примерно в 60° (рис. 62). В случае необходимости шпаклевку разравнивают шпателем или гребком.

Рис. 62. Нанесение шпаклевки на поверхность пола

Шлифовка нанесенной поливинилацетатной шпаклевки

После полного отвердения нанесенной шпаклевки на следующий день приступают к шлифовке поверхности пола. Шлифовку выполняют с помощью мозаично-шлифовальной машины шлифовальными камнями с зернами № 46 или 60. Шлифовку производят насухо, без смачивания поверхности водой. Труднодоступные места подшлифовываются шлифовальным камнем в обойме вручную. После шлифовки с пола тщательно удаляют пыль половой щеткой.

Нанесение и шлифовка первого (выравнивающего) и лицевого слоев поливинилацетатного покрытия

Первый выравнивающий и лицевой слои наносятся последовательно со шлифовкой каждого слоя. Для нанесения мастики применяется установка С-562 с компрессором О-38М или другим и ручной краскораспылитель или сопло-форсунка, в зависимости от крупности наполнителя. Для защиты стен от брызг используются инвентарные щиты. Нанесение мастики производится также, как и шпаклевки. Нанесенный требуемой толщины слой, после затвердения шлифуется мозаично-шлифовальной машиной мелкозернистыми абразивами №№ 80 или 100, насухо, без поливки водой.

По окончании шлифовки полы очищаются от пыли волосяной половой щеткой. Слои наносят с перерывом в одни сутки.

Отделка поливинилацетатного покрытия пола

Через сутки после нанесения лицевого слоя и его шлифовки поверхность пола покрывают лаком. Лак наносится флейцем на длинной ручке (рис. 63). Лак наливается в широкую посуду, например в таз. Флейц опускается в лак не глубже чем на 1-1,5 см, слегка отжимается о деревянную веселку, поставленную в посуду (но не о край посуды). Нанесение лака производят тонким слоем взаимообратными движениями вначале в одном направлении, а затем - в перпендикулярном.

Рис. 63. Покрытие поверхности лаком

Подготовка основания под устройство полимерцементного покрытия пола

Проверить основание контрольным правилом, прикладывая его п различных направлениях к поверхности пола. Качество поверхности должно отвечать требованиям, указанным в инструкционно-технологической карте 1. Все отклонения от правильной поверхности отметить мелом. Небольшие неровности снять мозаично-шлифовальной машиной, пользуясь крупнозернистыми абразивами №№ 24 или 36. При толщине подлежащего укладке покрытия, превышающего 4 мм, уложить маячные рейки толщиной, соответствующей толщине покрытия, через 1,5-2,0 м друг от друга но уровню, руководствуясь указаниями, содержащимися в инструкционно-технологической карте № 11. С основания удаляют мусор и дочиста промывают водой. Устанавливают вдоль стен защитные инвентарные щиты. Непосредственно после промывки влажное основание грунтуют полимерцементной грунтовкой, пользуясь указаниями, содержащимися в настоящей карте и используя для этой цели установку С-562 с соплом-форсункой.

Устройство однослойного полимерцементного покрытия пола

После отвердения грунтовки составом, предназначенным для выравнивающих слоев с помощью шпателя, производят выправку отдельных дефектных мест основания. После схватывания выправки приступают к нанесению лицевого слоя. Для этой цели может быть использован либо состав, предназначенный для лицевого слоя (при небольшой толщине покрытия), либо состав для рядового песчаного покрытия (при толщине покрытия до 10 мм). Состав наносят, руководствуясь указаниями настоящей карты, с помощью установки С-562 и сопла-форсунки. Состав наносят до уровня уложенных маяков и разравнивают его шпателями м гладилкой, одновременно добиваясь этим уплотнения уложенного слоя. Состав песчаного покрытия, уложенный толщиной 10 мм, может быть уплотнен виброрейкой по уложенным маякам и разровнен гладилкой. После отвердения уложенный слой шлифуют мозаично-шлифовальной машиной, используя абразивный материал средней крупности №№ 46 или 60, слегка увлажняя поверхность. Труднодоступные места дошлифовывают камнем в обойме. Места с выкрошенными песчинками и другими дефектами шпаклюют и выправляют составом, предназначенным для выравнивающих слоев. Через 6-7 дней после укладки состава на поверхность пола выправленную поверхность шлифуют окончательно мелкозернистыми абразивами №№ 80 или 100, на этот раз не увлажняя поверхность. После окончательного затвердения на поверхность наносят восковую мастику и полируют пол щетками.

Устройство двухслойного полимерцементного покрытия пола

Устройство двухслойного покрытия от однослойного отличается тем, что вместо выправки дефектных мест основания после отвердения грунтовки на поверхность пола наносят слой состава, предназначенного для выравнивающего слоя, толщиной, указанной в проекте; шпателями и гладилками выравнивают его. После отвердения нанесенного слоя приступают к укладке лицевого слоя, который после отвердения шлифуется согласно указанному выше и полируется восковой мастикой.

Устройство полимерцементного покрытия пола

Полимерцементобетонное покрытие пола следует выполнять согласно указаниям, содержащимся в инструкционно-технологических картах №№ 11 и 13 (без прокладок жилок). Очищенное от мусора с уложенными маячными рейками основание моют начисто и влажным грунтуют составом, предназначенным для грунтовки под полимерцементные покрытия. После того, как грунтовка несколько впитается в материал основания, за один прием укладывают слой полимерцементобетона и разравнивают его правилом до уровня уложенных маячных реек, уплотняют виброрейкой и заглаживают гладилкой. Отделка покрытия производится также, как и мозаичного покрытия.

г) Технические требования к качеству

Мастичные полы должны иметь равномерную заданную толщину покрытия, горизонтальную, ровную и гладкую поверхность однородного цвета, отвечающего проекту или указаниям архитектора. Полимерцементобетонные полы, кроме того, должны иметь поверхность с однородным густым равномерным без пропусков распределением зерен каменной крошки по поверхности.

При определении качества работ руководствоваться показателями, приведенными в табл. 64.

Таблица 64

Технические требования к мастичным полам

Показатели качества

Оценка качества

5

4

3

2

1

Просветы при проверке контрольным правилом длиной 2 м в мм не более

1,0

1,5

2,0

3,0

более 3,0

Отклонение пола от горизонтали в % % от длины или ширины помещения не более

0,01

0,015

0,02

0,03

более 0,03

В помещениях, длина или ширина которых составляет более 25 м, оклонения в мм не должны превышать

20

30

40

50

более 50

Распределение крошки на покрытии из полимерцементобетона

Равномерное

Неравномерное

 

Допускаются пропуски без крошки на площади 1 кв. м размером:

до 1 см2 но не более 3

до 2 см2 но не более 5

до 3 см2 но не более 7-8

до 4 см2 но не более 10

Однотонность цветов пола

Одинаковый оттенок заданного тона в разных частях пола

Слабые переходы тонов одного цвета

Малозаметная для глаза разница в тонах одного цвета в разных частях пола

Сцепление с основанием

Отсутствие глухого звука при простукивании

Глухой звук при простукивании. Работу следует переделать

д) Рекомендации по самоконтролю и проверке качества выполняемых работ

Учащийся должен сам проверять качество выполняемой работы и оценивать ее согласно показателям таблицы 64.

Просветы при проверке поверхности контрольным правилом определяются согласно указаниям инструкционно-технологической карты № 11.

С помощью уровня и контрольного правила проверяется отклонение пола от горизонтальной плоскости, как это указано в той же карте.

Распределение крошки на полимерцементобетонном покрытии пола проверяется осмотром отделанного пола. Пропуски замеряются метром, а количество их подсчитывается на всей площади пола и делится на площадь пола в метрах.

Однотонность цветов пола определяется просматриванием покрытия пола и определяется на глаз.

Сцепление покрытия с основанием определяется простукиванием всей площади пола легкими ударами деревянной киянки. При этом прослушивается звук, издаваемый при ударе: глухой звук свидетельствует о недостаточном сцеплении покрытия с основанием.

е) Трудовые затраты

Нормы времени и нормы выработки на приготовление составов для устройства наливных бесшовных полов на 100 м2 покрытия пола приведены в табл. 65.

Таблица 65

Трудовые затраты на приготовление состава для наливных полов

Назначение и вид состава

Нормы

Грунтовка по цементной стяжке

0,26

30,7

Грунтовка для прошпаклеванной поверхности за один раз

0,09

88,8

Шпаклевка поли вин и л ацетатная

1,05

7,6

Шпаклевка полимерцементная

1,5

5,3

Мастика для первого слоя

7,6

1,10

Мастика для второго слоя

3,1

2,6

Мастика для полимерцементобетонных полов

13,6

0,59

Таблица 66

Нормы времени и нормы выработки на устройство 10 кв. м наливных бесшовных покрытий полов

Наименование работ

Нормы

Механизированная шлифовка цементной стяжки

0,21

38

Огрунтовка основания

0,48

16,6

Первая шпаклевка

0,83

9,6

Вторая шпаклевка

0,5

16

Огрунтовка после первой шпаклевки

0,18

44,4

Огрунтовка после второй шпаклевки

0,175

45,7

Механизированная шлифовка после первой шпаклевки

0,165

48,4

То же, после второй шпаклевки

0,13

61,5

Нанесение первого слоя мастики

1,15

6,95

Нанесение второго слоя мастики

1,05

7,6

Устройство полимерцементобетонното пола со всеми работами

4,87

1,64

5. ТЕХНИКА БЕЗОПАСНОСТИ

Основные правила техники безопасности приведены в инструкционно-технологической карте № 1.

Кроме того, при устройстве мастичных бесшовных полов следует соблюдать следующие правила.

При выполнении подготовительных работ, связанных с выделением пыли, учащиеся должны пользоваться защитными очками, а при значительном количестве пыли - респираторами.

Вентиляция в заготовительных помещениях должна быть надежной, рассчитанной не менее чем на четырехкратный обмен воздуха в час.

В помещении заготовительной мастерской, где могут находиться скипидар, уайт-спирит и другие легковоспламеняющиеся материалы, пользоваться открытым огнем воспрещается.

Учащиеся, занятые в заготовительной мастерской приготовлением колеров и составов, должны быть снабжены защитными очками с чешуйчатой оправой и резиновыми перчатками.

Механизмы и аппараты для нанесения составов покрытия пола перед пуском в работу необходимо проверять, испытывать на давление, превышающее рабочее не менее чем на 50%, и составлять об этом соответствующий акт.

При работе с механизмами и аппаратами нужно тщательно следить за манометрами и предохранительными клапанами и не допускать перехода стрелки манометра за красную черту.

При наличии признаков неисправности механизмов и нагнетательных бачков и при неисправности манометра или предохранительного клапана пользование ими запрещается.

При стуке внутри компрессора его надо немедленно остановить.

Присоединение и разъединение шлангов пневматических аппаратов следует производить только после прекращения подачи сжатого воздуха; подача сжатого воздуха допускается, когда аппарат поставлен в рабочее положение.

Перед началом нанесения мастики следует закрыть на бачке пробковые краны, соединяющие бачки с ручным краскораспылителем (пистолетом) и после того, как давление на компрессоре поднимется до 4 атм., пустить воздух и мастику по шлангам.

После работы необходимо промыть всю систему, очистить компрессор и бачок от пыли и осевшей мастики, разобрать и промыть краскораспылитель и шланги, все детали протереть насухо и вновь собрать. Помещения, где ведутся работы, должны быть оборудованы хорошей вентиляцией.

При попадании на кожу раствора ортофосфорной кислоты, эмульсии смолы и готовой мастики следует немедленно промыть это место водой; при попадании готовой мастики, эмульсии и смолы на одежду это место также нужно немедленно промыть водой, иначе затвердевшие капли мастики невозможно будет отмыть.

ЛИТЕРАТУРА

Б.П. Кривцов, И.Г. Шапиро. Плиточные и мозаичные работы, М., 1969 изд-во «Высшая школа».

Государственный комитет Совета Министров СССР по профессионально-техническому образованию. Центральный учебно-методический кабинет. Предупреждение ошибок учащихся при обучении штукатуров. М., 1971, изд-во «Высшая школа».

Государственный комитет Совета Министров РСФСР по профессионально-техническому образованию. Республиканский учебно-методический кабинет. Оборудование и оснащение рабочих мест учащихся и мастера производственного обучения в учебных мастерских для подготовки штукатуров. М, 1971 г. типогр. № 1 Росглавполиграфпрома.

И.С. Простапенко. Инструкционно-технологические карты по производственному обучению маляров. М., 1963, изд-во «Высшая школа».

И.С. Простапенко. Инструкционно-технологические карты по штукатурным работам. М., 1966, изд-во «Высшая школа».

Государственный комитет Совета Министров РСФСР по профессионально-техническому образованию. Инструкционно-технологические карты по каменным работам. М.; 1971, типогр. ПТУ № 3.

Государственный комитет Совета Министров РСФСР по профессионально-техническому образованию. Республиканский учебно-методический кабинет. Сборник материалов Всероссийского кустового семинара-практикума по изучению передовых методов труда при производстве отделочных работ. М., 1970, типогр. ПТУ № 3.




Яндекс цитирования



   Copyright © 2007-2026,  www.tehlit.ru.

[ ѓосты, стандарты, нормативы, инструкции, правила, строительные нормы ]