//
ТехЛит.ру
- крупнейшая бесплатная электронная интернет библиотека для "технически умных" людей.
WWW.TEHLIT.RU - ТЕХНИЧЕСКАЯ ЛИТЕРАТУРА

:: Алготрейдинг::


АЛГОТРЕЙДИНГ
шаг за шагом
с нуля по урокам!

Торговые роботы на PYTHON, BackTrader,
Pandas, Pine Script для TradingView. Связка с брокерами, телеграм и легкими приложениями.


Федеральное государственное унитарное предприятие «Научно-исследовательский центр «Строительство»

ФГУП «НИЦ «Строительство»

СТАНДАРТ ОРГАНИЗАЦИИ

ПРАВИЛА ПО ОБЕСПЕЧЕНИЮ ОГНЕСТОЙКОСТИ И ОГНЕСОХРАННОСТИ ЖЕЛЕЗОБЕТОННЫХ КОНСТРУКЦИЙ

СТО 36554501-006-2006

Москва 2006

Содержание

Введение

1 Область применения

2 Нормативные ссылки

3 Термины и определения

4 Общие требования

5 Свойства бетона и арматуры при огневом воздействии и после него

Бетон

Арматура

6 Теплотехнический расчет железобетонных конструкций

7 Предел огнестойкости плит и стен по потере теплоизолирующей способности

8 Расчет предела огнестойкости по потере несущей способности

Основные условия

Плиты

Многопустотные плиты

Консольные плиты

Балки

Колонны

Несущие стены

Растянутые элементы

Расчет прочности нормальных сечений на основе деформационной модели

Железобетонные элементы при действии поперечных сил

Статически неопределимые конструкции

Расчет плиты безбалочного перекрытия

Расчет плит балочного перекрытия

Расчет железобетонных плит на продавливание

Потери предварительного напряжения в арматуре

9 Расчет предела огнестойкости по целостности

10 Конструктивные требования, повышающие предел огнестойкости железобетонных конструкций

11. Огнесохранность железобетонных конструкций после пожара

Прочность после пожара

Расчет прогиба после пожара

12. Конструктивные требования, обеспечивающие огнесохранность железобетонных конструкций

13. Пояснения к приложениям

Приложение А

Температура прогрева бетона в плитах и стенах при одностороннем огневом воздействии стандартного пожара

Приложение Б

Температура прогрева бетона в колоннах, балках и ребристых конструкциях

Приложение В

Основные буквенные обозначения

Предисловие

Цели и задачи разработки, а также использования стандартов организаций в РФ установлены Федеральным законом от 27 декабря 2002 г. № 184-ФЗ «О техническом регулировании», а правила разработки и оформления - ГОСТ Р 1.0-2004 «Стандартизация в Российской Федерации. Основные положения» и ГОСТ Р 1.4-2004 «Стандартизация в Российской Федерации. Стандарты организаций. Общие положения»

Сведения о стандарте:

1 Разработан и внесен лабораторией температуростойкости и диагностики бетона и железобетонных конструкций НИИЖБ - филиалом ФГУП «НИЦ «Строительство» и группой специалистов (д-р техн. наук А. Ф. Милованов, кандидаты техн. наук В. В. Соломонов, И. С. Кузнецова, инж. О. П. Баранова).

2 Рекомендован к принятию конструкторской секцией научно-технического совета НИИЖБ от 13 июля 2006 г.

3 Утвержден и введен в действие приказом и. о. генерального директора ФГУП «НИЦ Строительство» от 20 октября 2006 г. № 156.

4 ВЗАМЕН:

«МДС 21-2.2000 «Методические рекомендации по расчету огнестойкости и огнесохранности железобетонных конструкций».

«Пособия по определению пределов огнестойкости конструкций, пределов распространения огня и групп возгораемости материалов» в части железобетонных конструкций.

«Рекомендаций по защите бетонных и железобетонных конструкций от хрупкого разрушения при пожаре».

«Рекомендаций по проектированию многопустотных плит перекрытий с требуемым пределом огнестойкости».

«Рекомендаций по расчету пределов огнестойкости бетонных и железобетонных конструкций».

Введение

Стандарт организации «Правила по обеспечению огнестойкости и огнесохранности железобетонных конструкций» разработан в соответствии с требованиями СНиП 52-01 и СНиП 21-01, норм международных организаций по стандартизации и нормированию.

Основными отличиями положений СТО от разработанных ранее рекомендаций, инструкций и пособий являются:

приоритетность требований СНиП 52-01 и СНиП 21-01 по сравнению с другими нормативными требованиями;

применимость противопожарных требований к объектам защиты на стадии проектирования, строительства и эксплуатации, включая реконструкцию и ремонт;

главные требования к бетону и арматуре, к диаграммам деформирования бетона на сжатие и арматуры на сжатие и растяжения от огневого воздействия при температурах до 800 °С как в нагретом состоянии во время пожара, так и в охлажденном состоянии после пожара;

конструктивные требования, повышающие пределы огнестойкости и огнесохранности железобетонных конструкций;

основные требования к расчету огнесохранности железобетонных конструкций, поврежденных пожаром, с целью установления возможности их дальнейшей эксплуатации.

Приведенные методы расчета пределов огнестойкости и огнесохранности железобетонных конструкций позволяют устанавливать их уже при проектировании в соответствии с классификацией, принятой в СНиП 21-01.

1 Область применения

Настоящий стандарт разработан как дополнение и уточнение СНиП 21-01, СНиП 52-01 и распространяется на проектирование, строительство, техническое обследование и реконструкцию после пожара зданий и сооружений из железобетона.

Данный стандарт содержит основные положения по расчету огнестойкости и огнесохранности железобетонных конструкций. Он дает возможность на стадии проектирования оценить пределы огнестойкости железобетонных конструкций, проверить их соответствие требованиям СНиП 21-01 и установить огнесохранность железобетонных конструкций после пожара. В основу стандарта положены экспериментальные и теоретические исследования, выполненные НИИЖБ, ГУП ВНИИПО, МГСУ, СГСУ, а также материалы международных организаций: Европейского комитета по стандарту (CEN), Международного совета по строительству (CIB), Международной организации по стандартизации (ISO), Международного совета лабораторий по испытанию строительных материалов и конструкций (RILEM), Международной федерации по конструктивному бетону (FIB).

2 Нормативные ссылки

В настоящем стандарте использованы ссылки на следующие нормативные документы:

СНиП 2.01.07-85* Нагрузки и воздействия

СНиП 21-01-97* Пожарная безопасность зданий и сооружений

СНиП 52-01-2003 Бетонные и железобетонные конструкции

СП 52-101-2003 Бетонные и железобетонные конструкции без предварительного напряжения арматуры

СП 52-102-2004 Предварительно напряженные железобетонные конструкции Инструкция по расчету фактических пределов огнестойкости железобетонных конструкций на основе новых требований СНиП

ГОСТ 12.1.033-81 ССБТ. Пожарная безопасность. Термины и определения

ГОСТ 30247.1-94 Конструкции строительные. Методы испытаний на огнестойкость. Несущие и ограждающие конструкции

ГОСТ 30403-96 Конструкции строительные. Метод определения пожарной опасности

СТ СЭВ 383-87 Пожарная безопасность в строительстве. Термины и определения

НПБ 233-96 Здания и фрагменты зданий. Метод натурных огневых испытаний. Общие требования

МГСН 4.19-2005 Временные нормы и правила проектирования многофункциональных высотных зданий и зданий комплексов в городе Москве

МГСН 4.04-94 Многофункциональные здания и комплексы

ТСН 102-00 Железобетонные конструкции с арматурой классов А500С и А400С

EN 1992-1-2 Structural Fire Design

3 Термины и определения

В настоящем стандарте, за исключением специально оговоренных случаев, приняты термины и определения, приведенные в СТ СЭВ 383 и ГОСТ 12.1.033.

4 Общие требования

4.1 Согласно СНиП 21-01 строительные конструкции характеризуются огнестойкостью.

Показателем огнестойкости является предел огнестойкости. Предел огнестойкости строительных конструкций устанавливается по времени в минутах наступления одного или последовательно нескольких, нормируемых для данной конструкции, признаков предельных состояний:

- потери несущей способности R;

- потери теплоизолирующей способности I;

- потери целостности Е.

Пределы огнестойкости строительных конструкций и их условные обозначения устанавливают по ГОСТ 30247.1.

4.2 Здания и сооружения, а также их части, выделенные противопожарными стенами и перекрытиями (пожарные отсеки), подразделяются по степеням огнестойкости (табл. 4.1).

К несущим элементам здания или сооружения относятся конструкции, обеспечивающие его общую устойчивость и геометрическую неизменяемость: несущие стены, колонны, балки перекрытий, ригели, фермы, рамы, арки, связи, диафрагмы жесткости и т.п. К пределу огнестойкости несущих элементов здания, выполняющих одновременно функции ограждающих конструкций, например к несущим стенам, помимо предела огнестойкости по несущей способности R, должны предъявляться дополнительные требования по потере изолирующей способности I и потере целостности Е.

Таблица 4.1

Степень огнестойкости здания

Предел огнестойкости железобетонных строительных конструкций, мин, не менее

Несущие элементы здания

Наружные ненесущие стены

Перекрытия междуэтажные (в том числе чердачные и над подвалами)

Элементы бесчердачных покрытий

Лестничные клетки

настилы, плиты (в том числе с утеплителем)

фермы, балки, прогоны

внутренние стены

марши и площадки лестниц

Особая

R 180*

Е 60***

Е 60

R 180*

EI 120**

REI 120**

R 180*

R 180*

EI 180

R 60

I

R 120

Е 30

REI 60

RE 30

R 30

REI 120

R 60

II

R 90

Е 15

REI 45

RE 15

R 15

REI 90

R 60

III

R 45

Е 15

REI 45

RE 15

R 15

REI 60

R 45

* Для зданий высотой более 100 м предел огнестойкости, как правило, устанавливается R 240.

** Для зданий высотой менее 100 м предел огнестойкости устанавливается REI 180, EI 180.

*** Предел огнестойкости Е 60 устанавливается только для наружных стен.

Здания и сооружения с несущими конструкциями из железобетона подразделяют по степени огнестойкости:

- особая - многофункциональные, высотные здания и здания-комплексы;

- I степень - ограждающие конструкции выполнены из железобетона и применяются листовые и плитные негорючие материалы;

- II степень - покрытия выполнены из стальных конструкций;

- III степень - применены перекрытия деревянные, защищенные штукатуркой или негорючим листовым, плитным материалом, а также для зданий каркасного типа с элементами каркаса из стальных конструкций и с ограждающими конструкциями из профилированных листов или других негорючих материалов со слабогорючим утеплителем группы Г1.

4.3 Предел огнестойкости противопожарных преград (стены и перекрытия) для зданий особой степени огнестойкости устанавливают REI 180; при высоте здания более 100 м - REI 240; для зданий I, II и III степеней огнестойкости - REI 150.

4.4 За предел огнестойкости железобетонных конструкций принимают время в минутах от начала огневого стандартного воздействия до возникновения одного из предельных состояний по огнестойкости:

- по потере несущей способности R конструкций и узлов (обрушение или недопустимый прогиб в зависимости от типа конструкций);

- по теплоизолирующей способности I - повышение средней температуры на необогреваемой поверхности до 160°С или в любой другой точке этой поверхности до 180°С по сравнению с температурой конструкции до нагрева, или прогрев до 220°С независимо от температуры конструкции до огневого воздействия (ГОСТ 30247.1);

- по целостности E - образование в конструкции сквозных трещин или сквозных отверстий, через которые проникают продукты горения или пламя.

Для несущих железобетонных конструкций (балки, прогоны, ригели, колонны) предельным состоянием по огнестойкости является потеря несущей способности конструкции R.

В железобетонных конструкциях, в которых наблюдается хрупкое разрушение по сжатому бетону (колонны с малым эксцентриситетом, изгибаемые переармированные элементы), за потерю несущей способности принимается полное разрушение конструкции во время пожара.

Изгибаемые, внецентренно сжатые и растянутые с большим эксцентриситетом элементы характеризуются развитием больших необратимых деформаций арматуры и бетона, и за потерю несущей способности принимается развитие прогиба еще до того, как наступит полное разрушение.

4.5 Расчет предела огнестойкости железобетонной конструкции по потере несущей способности R состоит из теплотехнической и статической частей.

Теплотехнический расчет должен обеспечить время предела огнестойкости, по истечении которого арматура нагревается до критической температуры или сечение бетона конструкции сокращается до предельного значения при воздействии на нее стандартного температурного режима.

Статический расчет должен обеспечить защиту железобетонной конструкции от разрушения, а также от потери устойчивости при совместном воздействии нормативной нагрузки и стандартного температурного режима.

4.6 Предел огнестойкости железобетонной конструкции по теплоизолирующей способности I должен быть обеспечен теплотехническим расчетом. Найденные значения температуры на необогреваемой поверхности должны быть менее предельно допустимой температуры нагрева (см. п. 4.4).

4.7 Предел огнестойкости по целостности E (образование сквозных отверстий или сквозных трещин) возникает в железобетонных конструкциях из тяжелого бетона с влажностью более 3,5 % и из легкого бетона с влажностью более 5,0 % и плотностью более 1200 кг/м3, а также в плитах, стенах и стенках двутавровых балок при двустороннем нагреве бетона в расчетном сечении выше его критической температуры.

Потеря целостности при хрупком разрушении бетона резко снижает предел огнестойкости железобетонной конструкции, поэтому целесообразно применять бетоны с ограничением расхода цемента, низким В/Ц и с более низким коэффициентом температурного расширения заполнителя.

4.8 Испытаниями было установлено, что разрушения железобетонных конструкций при огневом высокотемпературном нагреве происходят по тем же схемам, что и при нормальной температуре. Поэтому для расчета предела огнестойкости по потере несущей способности железобетонной конструкции используют те же уравнения равновесия и деформации, из которых выводят формулы для статического расчета.

Статический расчет предела огнестойкости по потере несущей способности основывают на общих требованиях расчета железобетонных конструкций по предельным состояниям первой группы в соответствии со СНиП 52-01, СП 52-101, при нормативных нагрузках и нормативных сопротивлениях бетона и арматуры при огневом воздействии, и с учетом дополнительных указаний, изложенных в настоящем стандарте.

4.9 За нормативную нагрузку принимают непродолжительное действие постоянных и временных длительных нагрузок с коэффициентом надежности по нагрузке γf = 1 (СНиП 2.01.07), которые существенно влияют на напряженное состояние железобетонной конструкции при пожаре. В тех случаях, когда нельзя установить значение усилий от нормативной нагрузки, разрешается принимать их равными 0,7 от расчетных. Расчетная схема приложения нормативной нагрузки должна соответствовать проекту.

4.10 Несущая способность железобетонных конструкций при огневом воздействии зависит от изменения свойств бетона и арматуры с ростом температуры. Во многих случаях при определении предела огнестойкости вычисляют усилие, которое может воспринять сечение элемента при требуемом пределе огнестойкости. Если это усилие равно или больше расчетного, то требуемый предел огнестойкости обеспечен.

Решение статической задачи по оценке огнестойкости иногда сводится к определению значения критической температуры нагрева растянутой арматуры, поскольку она не зависит от результатов теплотехнической задачи.

Решение теплотехнической задачи выполнимо лишь для конкретных промежутков времени с начала нагрева. Поэтому нахождение условий предельного состояние строится на принципе последовательных приближений для заранее известных промежутков времени. В итоге предел огнестойкости определяется либо графически, либо аналитически в результате решений уравнений предельного состояния.

Вычисленные пределы огнестойкости железобетонных конструкций должны быть не менее требуемых значений.

4.11 При проектировании многофункциональных высотных зданий, комплексов и сооружений, относящихся к первому ответственному уровню надежности, отказы которых после пожара могут привести к тяжелым экономическим и экологическим последствиям, а также тех конструкций, восстановление которых потребует больших технических сложностей и затрат, необходимо обеспечить их огнесохранность после пожара.

За огнесохранность железобетонной конструкции принимают такое ее состояние, при котором остаточная прочность или необратимые деформации обеспечивают надежную работу после стандартного пожара. Расчет огнесохранности железобетонной конструкции после пожара ведется при расчетных нагрузках и расчетных сопротивлениях бетона и арматуры после огневого воздействия.

4.12 Предел огнестойкости железобетонной конструкции наступает при прогреве рабочей арматуры в конструкции до критической температуры, а также при нагреве бетона в расчетном сечении выше его критической температуры.

Критическая температура для тяжелого бетона на силикатном заполнителе составляет 500 °С, на карбонатном заполнителе - 600 °С и для конструкционного керамзитобетона – 600 °С. Критическая температура нагрева арматуры ts,cr характеризует стадию образования пластического шарнира в растянутой зоне железобетонных конструкций и наступление предела огнестойкости при огневом воздействии.

Критическая температура нагрева арматуры ts,cr, при которой образуется пластический шарнир и наступает предел огнестойкости, ориентировочно равна для арматуры класса:

А240, А300 - 510 °С,

А400 - 550 °С,

А500, А540 - 520 °С,

В500 - 430 °С,

Вр1200 - Вр1500, К1400 и К1500 - 410 °С.

4.13 Расчет огнестойкости и огнесохранности рекомендуется производить по приведенному сечению, когда сечение элемента разбивается на малые характерные участки, нагретые до различных температур, и каждый малый участок приводится к ненагретому бетону с учетом соответствующих понижающих характеристик прочности бетона. При этом расчетная площадь приведенного сечения бетона может ограничиваться изотермой критических температур нагрева бетона tb,cr.

5 Свойства бетона и арматуры при огневом воздействии и после него

Бетон

5.1 Нормативные Rbn и расчетные Rb, Rb,ser сопротивления бетона осевому сжатию (призменная прочность) и растяжению Rbtn, Rbt и Rbt,ser, начальный модуль упругости Еb и модуль деформации бетона при сжатии Е следует принимать по действующим нормативным документам.

При пожаре железобетонные конструкции в нагруженном состоянии подвергаются высокотемпературному огневому воздействию, которое изменяет свойства бетона. Изменение нормативного и расчетного сопротивлений бетона на осевое сжатие с увеличением температуры учитывается коэффициентом условий работы бетона γbt:

Rbnt = Rbnγbt; Rb,tem = Rb,temγbt; Rb,ser,t = Rb,serγbt.                                            (5.1)

Значение коэффициента условия работы γbt принимают по средней температуре бетона при расчете по формулам:

сжатой зоны - (8.9, 8.10, 8.24 - 8.26, 8.39, 8.40);

сжатой полки - (8.15, 8.16, 8.17);

сжатого ребра - (8.16, 8.17);

поперечного сечения - (8.22, 8.56);

по температуре крайнего волокна - (5.6, 5.7);

по температуре в зоне анкеровки - (8.14).

Значение коэффициента условий работы бетона на сжатие γbt разрешается принимать равным единице (γbt = 1) при нагреве бетона до критической температуры (п. 4.12) и γbt = 0 при нагреве бетона выше критической температуры.

При расчете огнестойкости и огнесохранности по деформационной модели и с помощью компьютерных программ необходимо учитывать изменение коэффициента условий работы бетона γbt на всем диапазоне температур нагрева бетона.

При этом расчет ведется по геометрическому сечению бетона. Значения коэффициента условий работы бетона на сжатие γbt принимают по табл. 5.1 в зависимости от температуры бетона.

5.2 Нормативные Rbtn и расчетные Rbt и Rbt,ser сопротивления бетона растяжению при огневом воздействии также изменяются. Изменение сопротивлений бетона растяжению с увеличением температуры нагрева учитывают коэффициентом условий работы бетона на растяжение γbtt

Rbtnt = Rbtnγbtt; Rbtt = Rbtγbtt; Rbt,ser,t = Rbt,serγbtt                                              (5.2)

При расчете на поперечную силу (формулы 8.58, 8.62, 8.64) значения коэффициента γbtt принимают по средней температуре бетона сечения; при расчете усилия в зоне анкеровки (8.14) - по температуре анкерующего стержня арматуры. Значения коэффициента γtt принимают: при 50 °С - 0,80; 100 °С - 0,75; 150 °С - 0,70; 200 °С - 0,65; 300 °С - 0,50; 400 °С - 0,35; 500 °С -0,20, 600 °С - 0,05.

Таблица 5.1

Вид бетона

Коэффициент

Значение коэффициентов γbt, βb и φb,cr для бетона при температуре,°С

20

200

300

400

500

600

700

800

Тяжелый, на силикатном заполнителе

γbt

1,0

1,0

0,98

0,95

0,95

0,90

0,85

0,80

0,80

0,70

0,60

0,50

0,20

-

0,10

-

βb

1,0

0,70

0,50

0,40

0,30

0,20

0,10

0,05

φb,cr

1,5

3,0

5,7

9,0

13,0

19,0

-

-

Тяжелый на карбонатном заполнителе

γbt

1,0

1,0

1,0

0,95

0,95

0,90

0,90

0,85

0,85

0,80

0,65

0,60

0,30

-

0,15

-

βb

1,0

0,75

0,55

0,45

0,35

0,25

0,15

0,10

φb,cr

1,2

2,4

4,6

7,2

10,0

15,0

-

-

Конструкционный керамзитобетон

γbt

1,0

1,0

1,0

1,0

1,0

1,0

0,95

1,0

0,85

0,95

0,70

0,80

0,50

-

0,25

-

βb

1,0

0,85

0,80

0,70

0,60

0,45

0,30

0,15

φb,cr

0,7

3,2

5,9

9,2

13,5

20,0

-

-

Примечания

1 Значения коэффициентов γbt над чертой и βb даны в нагретом состоянии, и они используются при расчете огнестойкости.

2 Значения коэффициентов γbt под чертой и φb,cr даны после нагрева в охлажденном состоянии, и они используются при расчете огнесохранности.

5.3 Температуру бетона определяют теплотехническим расчетом (см. раздел 6) или по приложениям А и Б. Среднюю температуру бетона сжатой зоны tbm, расположенной у нагреваемой грани сечения, допускается принимать:

- при х < ζRh0 - по температуре бетона, на расстоянии 0,2h0 и для плит 0,1h0 от сжатой грани сечения;

- при х > ζRh0 и х = h0 - на расстоянии 0,5х от сжатой грани сечения.

Среднюю температуру бетона сжатой зоны у ненагреваемой грани сечения балки принимают по рис. 5.1.

5.4 При расчете огнестойкости изменение значения начального модуля упругости при непродолжительном огневом воздействии с увеличением температуры учитывают коэффициентом βb:

Еbt = Ebβb                                                                                                                                   (5.3)

Значение коэффициента βb принимают по табл. 5.1 в зависимости от температуры бетона при расчете по формулам:

- в центре тяжести приведенного сечения - (8.11, 8.13);

- i-го сечения - (8.45, 8.48, 8.53 - 8.55);

- крайнего сжатого волокна - (5.5, 11.31, 11.32).

Рисунок 5.1 - Средняя температура бетона сжатой зоны (у ненагреваемой стороны) в балке, обогреваемой с трех других сторон, при длительности стандартного пожара по ИСО 834 от 30 до 240 мин

5.5. При расчете огнесохранности и продолжительном действии нагрузки значения начального модуля деформаций бетона определяют по формуле:

E = Eb/(1 + φb,cr).                                                                                     (5.4)

Коэффициент ползучести бетона φb,cr после нагрева принимают по табл. 5.1 для температуры бетона при расчете по формулам:

- в центре тяжести приведенного сечения - (8.11, 8.13);

- для крайнего волокна сжатой зоны бетона - (11.31, 11.32).

Допускается температуру бетона в центре тяжести приведенного сечения принимать равной его средней температуре.

5.6. При нагревании бетона естественной влажности его температурная деформация состоит из двух видов деформаций: обратимой - температурное расширение и необратимой - температурная усадка.

Значения коэффициентов температурной деформации расширения αbt приведены в табл. 5.2 и температурной усадки αcs - в табл. 5.3.

Таблица 5.2

Вид бетона

Коэффициент температурного расширения бетона αbt·10-6, °С-1, при температуре бетона,°С

20 - 50

100

300

500

700 - 1100

Тяжелый на силикатном заполнителе

9

9

8

11

14,5

Тяжелый на карбонатном заполнителе

10

10

9

12

15,5

Конструкционный керамзитобетон

8,5

8,5

7

5,5

4,5

Таблица 5.3

Вид бетона

Коэффициент температурной усадки бетона αcs·10-6, °С-1, при температуре бетона,°С

20 - 50

100

300

500

700 - 1100

Тяжелый на силикатном заполнителе

0,5

1,0

1,0

-1,8

-6,8

Тяжелый на карбонатном заполнителе

0,5

1,5

1,1

1,3

1,5

Конструкционный керамзитобетон

2

2

1,5

1,5

1,5

5.7 Относительные деформации бетона сжатию при однозначной равномерной эпюре εb0 и при двухзначной эпюре в нормальном сечении εb2 в зависимости от длительности действия нагрузки и расчета на огнестойкость и огнесохранность принимают по табл. 5.4.

Относительные деформации бетона принимают для наименее нагретого сжатого волокна бетона, так как при неравномерном нагреве сжатого бетона разрушение его происходит по наиболее прочному менее нагретому бетону.

Таблица 5.4

Наименьшая температура нагрева сжатого бетона в сечении, °С

Относительные деформации бетона при сжатии и расчете на

огнестойкость и кратковременное нагружение

огнесохранность и длительное нагружение

εb1,red · 103

εb0 · 103

εb2 · 103

εb1,red · 103

εb0 · 103

εb2 · 103

20

0,15

0,20

0,35

0,28

0,34

0,48

100

0,19

0,25

0,44

0,35

0,43

0,60

200

0,26

0,35

0,61

0,49

0,60

0,84

300

0,38

0,50

0,88

0,70

0,85

1,20

400

0,49

0,65

1,14

0,91

1,11

1,56

500

0,68

0,90

1,58

1,26

1,53

2,16

5.8 При расчете огнестойкости и огнесохранности железобетонных конструкций по деформационной модели может быть использована двухлинейная диаграмма состояния сжатого бетона.

При двухлинейной диаграмме (рис. 5.2) сжимающие напряжения бетона σb в зависимости от относительных деформаций εb определяют по формулам:

при 0 < εb < εb1

σb = Eb,red,tεb;                                                                                                                            (5.5)

при εb1 < εb < εb2

σb = Rbnt; σb = Rbt,                                                                                      (5.6)

Значение приведенного модуля деформаций Eb,red,t принимают:

Eb,red,t = Rbnt/εb1,red; Eb,red,t = Rbt/εb1,red.                                                        (5.7)

Рисунок 5.2 - Диаграмма деформирования бетона при расчете огнестойкости и огнесохранности

Базовые точки диаграммы - относительные деформации бетона σb1,red, σb0 и σb2 принимают по табл. 5.4 в зависимости от наименьшей температуры сжатого бетона, продолжительности действия нагрузки и расчета конструкции на огнестойкость или огнесохранность.

5.9 При расчете огнестойкости железобетонных конструкций используют диаграммы деформирования бетона при сжатии от кратковременного огневого воздействия в нагретом состоянии при пожаре. Диаграммы деформирования бетона на сжатие строят в зависимости от изменения нормативного сопротивления бетона сжатию при кратковременном огневом воздействии.

При расчете огнесохранности железобетонных конструкций после пожара используют диаграммы деформирования бетона при сжатии после огневого воздействия в охлажденном состоянии. Диаграммы деформирования бетона на сжатие строят в зависимости от изменения расчетного сопротивления бетона сжатию после огневого воздействия.

Арматура

5.10 Нормативные Rsn и расчетные Rs, Rsc сопротивления арматуры и модуль упругости арматуры Es следует принимать по действующим нормативным документам.

При высокотемпературном огневом воздействии изменяются свойства арматуры.

Изменение сопротивления арматуры растяжению и сжатию с повышением температуры учитывают коэффициентом условий работы γst = γ'st:

Rsnt = Rsnγst   Rst = Rsγst;                                                                              (5.8)

Rsct = Rscγ'st   Rswt = Rswγ'st.                                                                         (5.9)

Изменение модуля упругости арматуры с повышением температуры учитывают коэффициентом βs:

Est = Esβs.                                                                                                  (5.10)

Значения коэффициентов γst, βs принимают по табл. 5.5 в зависимости от температуры растянутой и сжатой арматуры.

Таблица 5.5

Класс арматуры

Коэффициент

Значение коэффициентов γst, βs, при нагреве арматуры до температуры,°С

20

200

300

400

500

600

700

800

А240, А300, А400, А500

γst

1,0

1,0

1,0

1,0

1,0

1,0

0,85

1,0

0,60

1,0

0,37

1,0

0,22

0,92

0,10

0,85

βs

0,1

0,92

0,90

0,85

0,80

0,77

0,72

0,65

А540, А600, А800, А1000

γst

1,0

1,0

1,0

1,0

0,96

1,0

0,80

1,0

0,55

0,86

0,30

0,66

0,12

0,56

0,08

0,46

βs

1,0

0,90

0,85

0,80

0,76

0,70

0,66

0,61

В500, Вр1200, Вр1300, Вр1400, Вр1500, К1400, К1500

γst

1,0

1,0

1,0

1,0

0,90

1,0

0,65

0,90

0,35

0,80

0,15

0,60

0,05

0,50

0,02

0,40

βs

1,0

0,94

0,86

0,77

0,64

0,55

0,45

0,35

Примечания

1 Значения коэффициента γst над чертой и значения коэффициента βs даны в нагретом состоянии, и они используются при расчете огнестойкости.

2 Значения коэффициента γst под чертой даны после нагрева в охлажденном состоянии, и они используются при расчете огнесохранности.

3 Значения коэффициента βs после нагрева равны 1.

Относительные деформации удлинения арматуры εs0 при достижении напряжением расчетного сопротивления определяют как упругие:

εs0 = Rst/Est.                                                                                               (5.11)

5.11 При расчете железобетонных элементов по деформационной модели в качестве расчетной диаграммы состояния (деформирования) арматуры, устанавливающей связь между напряжениями σs и относительными деформациями εs арматуры, может быть использована наиболее простая двухлинейная диаграмма (рис. 5.3).

Диаграммы состояния арматуры при растяжении и сжатии принимают одинаковыми.

Рисунок 5.3 - Диаграмма деформирования арматуры при расчете огнестойкости и огнесохранности

Напряжение в арматуре σs в зависимости от относительных деформаций εs согласно диаграмме состояния арматуры определяют по формулам:

при 0 < εs < εs0   σs = Estεs;                                                                       (5.12)

при εs0 < εs < εs2   σs = Rsnt σs = Rst                                                                                (5.13)

Значения предельной относительной деформации арматуры составляют:

при ts = 20 - 200 °С εs2 = 0,0025;

при ts ≥ 500 °С εs2 = 0,0050;

при 200 °С < ts < 500°С - по интерполяции.

5.12 При расчете огнестойкости железобетонных конструкций используют диаграммы деформирования арматуры при растяжении и сжатии от кратковременного огневого воздействия в нагретом состоянии.

Диаграммы деформирования арматуры строят в зависимости от изменения нормативного сопротивления арматуры растяжению и расчетного сопротивления сжатию при кратковременном огневом воздействии.

5.13 При расчете огнесохранности железобетонных конструкций после пожара используют диаграммы деформирования арматуры после огневого воздействия в охлажденном состоянии.

Диаграммы деформирования арматуры строят в зависимости от изменения расчетного сопротивления арматуры растяжению или сжатию после огневого воздействия.

5.14 С повышением температуры арматурная стань расширяется. Коэффициент температурного расширения арматуры αst повышением температуры возрастает и он больше коэффициента температурной деформации бетона (табл. 5.6).

Таблица 5.6

Класс арматуры

Коэффициент температурного расширения арматуры αst · 10-6, °С при температуре, °С

20

100

200

300

400

500

600

700

800

А240, А300, А400, А500, А540, А600, А800, А1000, В500, Вр1200 - Вр1500, К1400, К1500

11,5

12,0

12,5

13,0

13,5

14,0

14,5

15,0

15,5

6 Теплотехнический расчет железобетонных конструкций

6.1 Для определения предела огнестойкости железобетонных конструкций необходимо знать распределение температур по бетону поперечного сечения элемента от воздействия стандартного пожара. Согласно положениям ГОСТ 30247.1 температура стандартного пожара изменяется в зависимости от времени огневого воздействия и выражается уравнением:

t = 345 lg(0,133τ + 1) + te,                                                                        (6.4)

где τ - время нагрева, мин;

te - начальная температура, °С.

При начальной температуре te = 20 °С по уравнению (6.4) температура среды поднимается в зависимости от времени огневого воздействия (табл. 6.1).

Таблица 6.1

Время, мин.

t, °С

Время, мин.

t, °С

Время, мин.

t, °С

5

576

30

841

80

990

10

679

40

885

90

1000

15

738

50

915

100

1025

20

781

60

945

110

1035

25

810

70

970

120

1049

150

1082

210

1133

270

1170

180

1110

240

1153

300

1186

6.2 Решение задачи нестационарной теплопроводности сводится к определению температуры бетона в любой точке поперечного сечения элемента в заданный момент времени. Функциональная зависимость температуры от времени описывается дифференциальным уравнением теплопроводности Фурье при нелинейных граничных условиях и сложном процессе тепло- и массопереноса.

Алгоритм расчета представляет собой систему уравнений для определения температуры в каждом узле накладываемой на сечение координатной сетки. Координатная сетка накладывается так, чтобы ее узлы располагались не только в толщине сечения, но и по его периметру, а также в центре стержней для конструкций с гибкой арматурой, и по длине полок и стенки в середине их толщины для конструкций с жесткой арматурой. Шаг сетки рекомендуется задавать в пределах 0,01 - 0,03 м, но обязательно больше максимального диаметра рабочей арматуры.

6.3 Для теплотехнического расчета железобетонных элементов рекомендуется принимать: коэффициент теплопроводности тяжелого бетона:

на силикатном заполнителе:

λ = 1,2 - 0,00035t, Вт/(м · °С);                                                                (6.2)

на карбонатном заполнителе:

λ = 1,14 - 0,00055t, Вт/(м · °С);                                                              (6.3)

для конструкционного керамзитобетона:

λ = 0,36 - 0,00012t, Вт/(м · °С);                                                              (6.4)

коэффициент теплоемкости:

для тяжелого бетона на силикатном и карбонатном заполнителях:

С = 0,71 - 0,00083t, кДж/(кг · °С);                                                          (6.5)

для конструкционного керамзитобетона:

С = 0,83 - 0,00042t, кДж/(кг · °С).                                                          (6.6)

Приведенный коэффициент температуропроводности:

ared = λ/(C + 50W)ρ, м2/ч,                                                                         (6.7)

где λ и С - расчетные средние коэффициенты теплопроводности и теплоемкости бетона при 450 °С;

ρ - плотность сухого бетона, кг/м3;

W - весовая эксплуатационная влажность бетона, кг/кг.

В элементах с жесткой арматурой, у которых наблюдается перепад температуры по длине полок и высоте стенок жесткой арматуры, необходимо учитывать теплопроводность стали. Коэффициент теплопроводности стали равен:

λ = 58 - 0,0048t, Вт/(м · °С).                                                                   (6.8)

Коэффициент теплоемкости стали равен:

С = 0,48 - 0,00063t, кДж/(кг · °С).                                                          (6.9)

6.4 Для наиболее часто применяемых в строительстве железобетонных конструкций (плит, стен, балок, колонн) были проведены теплотехнические расчеты распределения температур в бетоне поперечного сечения элемента при одно-, двух-, трех-, и четырехстороннем нагреве в зависимости от длительности воздействия стандартного пожара.

Теплотехническому расчету были подвергнуты железобетонные конструкции из тяжелого бетона плотностью 2350 кг/м3, влажностью до 2,5 - 3 % на силикатном и карбонатном заполнителе, а также из конструкционного керамзитобетона плотностью 1400 - 1600 кг/м3 с влажностью до 5 % (см. приложения А и Б).

7 Предел огнестойкости плит и стен по потере теплоизолирующей способности

7.1 Температура на необогреваемой поверхности конструкции при одностороннем огневом воздействии зависит от условий теплообмена на этой поверхности, который характеризуется коэффициентом теплоотдачи.

В расчет вводится среднее арифметическое начального и конечного коэффициентов теплоотдачи. Начальное значение находят при повышении температуры на 1 °С на необогреваемой поверхности. Конечное значение коэффициента теплоотдачи определяют при повышении температуры на необогреваемой поверхности до 160 °С, т. е. при наступлении предела огнестойкости конструкции по потере теплоизолирующей способности. Затем теплотехническим расчетом находят время достижения предела огнестойкости по потере теплоизолирующей способности.

7.2 Предел огнестойкости по потере теплоизолирующей способности I при одностороннем нагреве плит, стен из тяжелого бетона на силикатном и карбонатном заполнителе и из конструкционного керамзитобетона при длительности огневого воздействия до 300 мин указан на рис. 7.1. Для многопустотных плит предел огнестойкости по потере теплоизолирующей способности следует умножить на коэффициент 0,65.

1 - тяжелого бетона на силикатном заполнителе; 2 - тяжелого бетона на карбонатном заполнителе; 3 - конструкционного керамзитобетона

Рисунок 7.1 - Предел огнестойкости по теплоизолирующей способности плит (стен) при одностороннем нагреве бетона от стандартного пожара по ГОСТ 30247.1

8 Расчет предела огнестойкости по потере несущей способности

Основные условия

8.1 Огнестойкость по потере несущей способности железобетонных элементов при огневом воздействии стандартного пожара рассчитывают следующим образом.

Для принятого по проекту размера сечения, в зависимости от вида бетона и требуемого предела огнестойкости R, теплотехническим расчетом или по приложениям А и Б находят распределение температуры в бетоне сечения элемента и температуру нагрева арматуры.

Если коэффициент γbt принимают равным 1, то определяют глубину прогрева бетона at до критической температуры (рис. 8.1 и 8.2). Устанавливают приведенные размеры сечения по формулам (8.1 - 8.8) и в формулах прочности нормальных и наклонных сечений используют Rbn, Rbtn, bt, ht, b'ft, h'fn Ared и h0t.

Когда принимают коэффициент γbt < 1, который зависит от температуры бетона, сначала определяют Rbnt по формуле (5.1) и Rbtnt по формуле (5.2) для каждой части сечения и их значения подставляют в формулы прочности нормальных и наклонных сечений с действительными размерами сечений.

Определяют прочность сечения железобетонного элемента от действия нормативной нагрузки и стандартного пожара при требуемом пределе огнестойкости. Если вычисленная прочность больше или равна прочности сечения от нормативной нагрузки до пожара, то требуемый предел огнестойкости обеспечен.

8.2 При расчете железобетонных элементов приведенные размеры сечений принимают равными:

при трехстороннем нагреве:

ширина балки, колонны bt = b - 2at;                                                     (8.1)

ширина полки b'ft = b'f  - 2at;                                                                  (8.2)

высота полки h'ft = h'f  - at;                                                                     (8.3)

высота сечения балки, колонны ht = h - at;                                          (8.4)

площадь балки Ared = 0,95(b - 2at)(h - at);                                              (8.5)

при четырехстороннем нагреве:

высота сечения колонны ht = h - 2at;                                                    (8.6)

площадь сечения колонны Ared = 0,9(b - 2at)(h - 2аt).                          (8.7)

Рабочая высота сечения при нагреве со стороны сжатой зоны равна:

h0t = h0 - аt.                                                                                               (8.8)

Глубина прогрева бетона а( до критической температуры в балках от нагреваемой грани сечения дана на рис. 8.1.

1 - tb,cr = 500 "С - на силикатном заполнителе; 2 - tb,cr = 600°С - на карбонатном заполнителе; 30 - 240 - время прогрева, мин, от стандартного пожара по ГОСТ 30247.1

Рисунок 8.1 - Глубина прогрева аt до критической температуры tb,cr тяжелого бетона в балке от нагреваемой грани сечения

Глубина прогрева бетона аt до критической температуры в колоннах при четырехстороннем огневом воздействии показана на рис. 8.2.

1 - на силикатном заполнителе; 2 - на карбонатном заполнителе

Рисунок 8.2 - Глубина прогрева аt до критической температуры тяжелого бетона в колонне при воздействии температуры стандартного пожара по ГОСТ 30247.1

Плиты

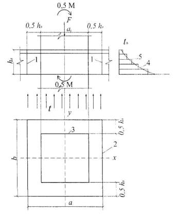
8.3 Железобетонные плиты, опертые по двум противоположным сторонам, при одностороннем нагреве снизу разрушаются в результате образования пластического шарнира в середине пролета из-за снижения нормативного сопротивления арматуры растяжению до критического значения напряжения от нормативной нагрузки (рис. 8.3).

Во многих случаях можно пренебречь прогревом бетона сжатой зоны и сжатой арматуры, так как они нагреваются незначительно.

Прочность сечения плит проверяют по формуле:

М = Rbnbx(h0 - 0,5х) + RscA's(h0 - а').                                                       (8.9)

При этом высота сжатой зоны определяется:

x = (RsntAs - RscA's)/Rbnb.                                                                           (8.10)

Если температура сжатой зоны бетона и сжатой арматуры высокая, то в формулы (8.9) и (8.10) вводят нормативное сопротивление бетона сжатию, вычисленное по формуле (5.1), и сопротивление сжатию арматуры, определенное по формуле (5.9).

В сильно армированных плитах при ζ < ζR допускается их прочность определять по формуле:

М = RsntAs(h0 - 0,5х) + RsctA's(0,5х - а').                                                   (8.11)

Высоту сжатой зоны определяют по формуле (8.10).

8.4 Критическое значение коэффициента условий работы растянутой арматуры, когда ζ < ζR, вычисляют по формулам:

при одиночном армировании

γst,cr = Mn/RsnAs(h0 - 0,5x);                                                                         (8.12)

Рисунок 8.3 - Схема усилий и эпюра напряжений в сечении, нормальном к продольной оси: балочной плиты в пролете (а) и консольной плиты на опоре (б), обогреваемых с нижней стороны

при двойном армировании

γst,cr = [Mn - RsctA's(0,5x - a')]/RsnAs(h0 - 0,5х),                                          (8.13)

где Mn - момент от нормативной нагрузки.

Высоту сжатой зоны определяют по формуле (8.10).

Зная критическое значение коэффициента условий работы арматуры γst,cr, в зависимости от класса арматуры по табл. 5.5 определяют критическую температуру нагрева арматуры ts,cr.

Время наступления предела огнестойкости находят по кривым прогрева бетона плит (см. рис. А.1 - А.6 приложения А). На вертикальной оси прогрева плиты находят значение критической температуры арматуры и проводят горизонтальную прямую до пересечения с кривой нагрева бетона, расположенного на расстоянии, равном расстоянию от оси арматуры до нагреваемой поверхности плиты. Из этой точки опускают перпендикуляр до пересечения с горизонтальной осью и находят длительность стандартного пожара в минутах, соответствующую пределу огнестойкости R плиты по потере несущей способности.

Многопустотные плиты

8.5 В многопустотных плитах предел огнестойкости может наступить при действии изгибающего момента от нормативной равномерно распределенной нагрузки, в опасном наклонном сечении от поперечной силы и проскальзывания арматуры на опоре при нагреве контактного слоя бетона и арматуры до критической температуры.

Расчет огнестойкости при действии изгибающего момента в опасном наклонном сечении производится из условия (8.63). Полученный момент умножают на коэффициент 0,9.

При огневом воздействии момент, воспринимаемый продольной арматурой, пересекающей растянутую зону наклонного сечения, определяют из условия (8.66).

Усилие Ns в формуле (8.64), воспринимаемое анкерующим стержнем арматуры при ds ≤ 32 в зоне анкеровки, определяют по формуле:

Ns = (η1Rbtntlsus/α) < RsntAs,                                                                        (8.14)

где η1 - коэффициент, учитывающий влияние вида поверхности арматуры и равный 1,5-для гладкой арматуры; 2,0 - для холодно-деформируемой арматуры периодического профиля; 2,5 - для горячекатаной арматуры периодического профиля;

Rbtnt - нормативное сопротивление бетона осевому растяжению, определяемое по формуле (5.2), в которой коэффициент условия работы бетона на растяжение γbtt принимают в зависимости от температуры бетона, равной температуре анкерующего стержня на опоре. Температуру арматуры в зоне анкеровки при опирании плиты на железобетонный ригель или стену принимают равной 0,8ts; при опирании на металлическую балку - ts;

ls - расстояние от конца анкеруемого стержня до рассматриваемого поперечного сечения плиты, принимаемого в качестве длины анкеровки (не менее 15ds, и 200 мм), требуемой для передачи усилия в арматуре Ns на бетон;

us - периметр поперечного сечения анкеруемого стержня, определяемый по его номинальному диаметру;

α - коэффициент, учитывающий влияние напряженного состояния бетона и арматуры и конструктивного решения элемента в зоне анкеровки на длину анкеровки. При анкеровке стержней периодического профиля с прямыми концами или гладкой арматуры с крюками или петлями без дополнительных анкерующих устройств а принимают равным 1,0 для растянутых стержней и равным 0,75 - для сжатых стержней.

Момент, воспринимаемый хомутами в пределах растянутой зоны наклонного сечения при огневом воздействии, определяют по формуле (8.67).

8.6 За предел огнестойкости многопустотной плиты принимается минимальное значение из пределов огнестойкости при образовании пластического шарнира в середине пролета и у края наклонной трещины.

Для определения предела огнестойкости момент при образовании пластического шарнира в середине пролета определяют по формулам (8.9) и (8.11), в которых вместо ширины ребра b подставляют ширину сжатой полки b'f, и полученный момент умножают на 0,9.

Консольные плиты

8.7 Консольные плиты имеют жесткую заделку на одной опоре. При одностороннем огневом воздействии снизу прочность опорного сечения снижается, в основном, за счет нагрева до высоких температур сжатого бетона и, как следствие, уменьшения расчетной высоты сечения (см. рис. 8.3,б). Расчетная высота сечения уменьшается на толщину слоя бетона at прогретого до критической температуры.

Прочность опорного сечения при действии нормативной нагрузки и огневом воздействии снизу следует определять по формулам (8.9) и (8.11), в которых (h0 - 0,5x) заменяют на (h0t - 0,5x), а значение h0t вычисляют по формуле (8.8).

Для плит из бетона классов В30 и ниже с ненапрягаемой арматурой, если полученное из расчета по формуле (8.10) значение х > ζRh0t, допускается производить расчет по этим формулам, принимая высоту сжатой зоны х = ζRh0t.

Балки

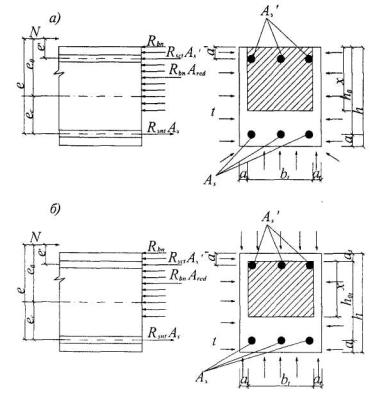
8.8 В подавляющем большинстве случаев балки во время пожара подвергаются трехстороннему нагреву. Огневому воздействию подвергаются нижняя горизонтальная поверхность и две боковые вертикальные поверхности. Происходит нагрев не только растянутой арматуры, но и бетона сжатой зоны и сжатой арматуры (рис. 8.4).

8.9 Момент, который может выдержать балка прямоугольного поперечного сечения, определяют по формулам (8.9) и (8.11), в которые вместо b подставляют приведенную ширину балки bt, вычисленную по формуле (8.1).

а - прямоугольного сечения; б - таврового сечения с сжатой зоной в полке; в - таврового сечения с сжатой зоной в ребре

Рисунок 8.4 - Схема усилий и эпюра напряжений, возникающих в сечении, нормальном к продольной оси изгибаемого железобетонного элемента, от трехстороннего огневого воздействия пожара, при расчете на огнестойкость

Прочность тавровых и двутавровых изгибаемых элементов определяют в зависимости от положения сжатой зоны. Если граница сжатой зоны проходит в полке (рис. 8.4, б), то должно соблюдаться условие:

RsntAs < Rbnb'fth'ft + RsctA's.                                                                         (8.15)

Если граница сжатой зоны проходит в полке, то расчет следует выполнять как для прямоугольного сечения шириной b'ft. В формулы (8.9) и (8.11) вместо b подставляют ширину полки b'ft, вычисленную по формуле (8.2).

Если граница сжатой зоны проходит в ребре и условие (8.15) не выполняется, то значение момента определяют по формуле:

M = Rbnbtx(h0 - 0,5x) + Rbn(b'ft - bt)h'ft(h0 - 0,5h'ft) + RsctAs(h0 - a').          (8.16)

При этом высоту сжатой зоны бетона определяют по формуле:

x = [RsntAs - RsctA'sRbn(b'ft - bt)h'ft]/Rbnbt.                                                (8.17)

8.10 В балках, армированных разными классами сталей при многорядном армировании, арматура рядов разных уровней будет нагреваться неодинаково. В этом случае при ζζR прочность вычисляют по формуле:

М = ∑RsntAs(h0 – 0,5x) + ∑RsctA's(0,5x - a').                                             (8.18)

8.11 Критическая температура растянутой арматуры изгибаемых элементов при ζ < ζR определяет наступление предела огнестойкости по потере несущей способности.

Критическое значение коэффициента условия работы растянутой арматуры вычисляют:

в балках прямоугольного сечения при одиночной арматуре (без учета сжатой арматуры) по формуле (8.12);

в балках прямоугольного сечения с учетом сжатой арматуры по формуле (8.13);

в балках таврового сечения, когда граница сжатой зоны проходит в ребре:

γs.cr = (MnA - B)/RsnAs(h0 - 0,5х);                                                           (8.19)

А = Rbn[btx(h0 - 0,5х) - h'ft(h0 - 0,5h'ft)];                                                   (8.20)

В = RsctAs(h0 - a').                                                                                      (8.21)

Значение высоты сжатой зоны определяют по формулам (8.10), (8.17), приведенную ширину балки bt - по формуле (8.1), ширину полки b'ft - по формуле (8.2).

Зная критическое значение коэффициента условий работы арматуры γst,cr, в зависимости от класса арматуры, по табл. 5.5 определяют критическую температуру нагрева арматуры ts.cr для крайнего стержня арматуры в балке. Зная расстояние от оси арматуры до нижней и боковой поверхностей балки, на схемах прогрева балок (см. рисунки Б.7 - Б.22 приложения Б) находят ту схему прогрева балки, в которой температура бетона равна критической температуре оси арматуры крайнего стержня. На этой схеме сверху указана длительность стандартного пожара, которая будет соответствовать пределу огнестойкости балки по потере несущей способности R.

При промежуточных значениях температуры ts.cr на схемах прогрева балок предел огнестойкости определяется по линейной интерполяции.

Колонны

8.12 Колонны, находящиеся в стенах, могут подвергаться огневому воздействию с одной стороны, а также с двух и трех сторон. Отдельно стоящие колонны, как правило, подвергаются огневому воздействию с четырех сторон.

Огневое воздействие вызывает неравномерное распределение температуры в бетоне по поперечному сечению колонны. Периферийные слои бетона прогреваются значительно больше, чем внутренние, что приводит к снижению прочности и сильному развитию деформаций бетона у краев сечения колонны. Менее нагретый бетон центральной части сечения обладает большей прочностью и меньшей деформативностью. Разрушение колонн происходит по менее нагретому, более прочному бетону при деформации сжатия, близкой к предельной.

В арматуре, расположенной у краев сечения колонны, при высоких температурах нагрева развиваются большие пластические деформации, и она перестает воспринимать усилия от внешней нагрузки, которые передаются на менее нагретый бетон в центральной части колонны.

8.13 Расчет прочности при четырехстороннем огневом воздействии прямоугольных сечений внецентренно сжатых колонн с арматурой, расположенной у противоположных в плоскости изгиба сторон сечения, при эксцентриситете продольной силы е0h/30 и гибкости λ = l0/h ≤ 20 производят по формуле:

N = φ(RbnAred + RsctAs,tot),                                                                          (8.22)

где Ared - приведенная площадь сечения, которую определяют по формуле (8.7);

As,tot - площадь всей продольной арматуры в сечении.

8.14 Коэффициент продольного изгиба φ для нагретых прямоугольных и круглых колонн следует принимать в зависимости от отношения расчетной длины колонны l0 к приведенным высоте ht или диаметру dt по табл. 8.1.

Таблица 8.1

l0/ht

6 - 12

16

20

l0/dt

5 - 10

14

17

φ для тяжелого бетона

0,90

0,80

0,70

φ для конструкционного керамзитобетона

0,85

0,68

0,55

Площадь приведенного круглого сечения:

Ared = 0,785d2t = 0,785(d - 2аt)2.                                                              (8.23)

Приведенная высота сечения колонны ht определяется по формуле (8.4) или (8.6).

Глубину прогрева бетона аt, для круглой колонны находят по рис. 8.2, принимая dt = 0,9bt и найденное значение at умножают на коэффициент 1,11.

8.15 Расчет по прочности прямоугольных сечений внецентренно сжатых колонн при огневом воздействии производят из условия:

NeRbnbtx(h0 - 0,5х) + RsctA's(h0 - a').                                                     (8.24)

Высоту сжатой зоны определяют по формуле (рис. 8.5):

при ζ = х/h0ζR

x = (N + RsntAs - RsctA's)/Rbnbt                                                                    (8.25)

при ζ = х/h0ζR

                                                 (8.26)

При четырехстороннем огневом воздействии в формуле (8.24) вместо (h0 - 0,5х) вводят (h0t - 0,5х). Приведенную высоту сечения h0t определяют по формуле (8.8). Приведенную ширину bt в формулах (8.24) и (8.25) определяют по формуле (8.1).

а - при трехстороннем; б - при четырехстороннем обогреве и расчете на огнестойкость

Рисунок 8.5 - Схема усилий и эпюра напряжений в сечении, нормальном к продольной оси внецентренно сжатого железобетонного элемента

8.16 Эксцентриситет или расстояние отточки приложения продольной силы N до центра тяжести сечения растянутой или менее сжатой арматуры колонны при огневом воздействии определяется по следующей формуле:

е = е0η + 0,5(h0t - а') + еt;                                                                         (8.27)

e0 = M/N.                                                                                                  (8.28)

Значение коэффициента, учитывающего влияние продольного изгиба колонны на ее несущую способность, определяют по формуле:

                                                                                             (8.29)

Условную критическую силу определяют по формуле:

Ncr = π2D/l20.                                                                                             (8.30)

Жесткость железобетонного элемента в предельной по прочности стадии допускается определять по формуле:

                                                                    (8.31)

где J, Js - моменты инерции соответственно бетонного сечения и сечения всей продольной арматуры относительно центра тяжести поперечного сечения элемента;

Ebt, Est - модули упругости бетона и арматуры при огневом воздействии, определяемые по формулам (5.3) и (5.10);

φ1 - коэффициент, учитывающий влияние длительного действия нагрузки на прогиб элемента в предельном состоянии:

                                                                                   (8.32)

где  - изгибающие моменты внешних сил относительно центра тяжести сечения растянутой (или менее сжатой) арматуры соответственно от действия полной нагрузки и от действия постоянных и длительных нагрузок.

Значение δe определяется по формуле:

δe = е0/ht , но не менее 0,3.                                                                      (8.33)

При одно-, двух- или трехстороннем неравномерном нагреве по высоте сечения внецентренно сжатой колонны дополнительный эксцентриситет (или прогиб) от огневого воздействия определяют по формуле:

et = a(αstts - αbttb)l20/8h0.                                                                            (8.34)

При четырехстороннем нагреве et = 0.

Для колонн с несмещающими заделками на двух концах (без поворота) l0 = 0,5l; а = 0,55.

Для колонн с несмещающими заделками на двух концах с податливым ограниченным поворотом l0 = 0,8l; а = 0,7.

Для колонн с шарнирными опорами на двух концах l0 = l; а = 1,0.

Коэффициент αbt принимают по табл. 5.2 в зависимости от температуры бетона менее нагретой сжатой грани сечения и αst - по табл. 5.6 в зависимости от температуры арматуры у нагреваемой грани.

8.17 Эксцентриситет, или расстояние отточки приложения продольной силы N до центра тяжести сечения растянутой или менее сжатой арматуры колонны при четырехстороннем огневом воздействии, допускается определять по формуле:

                                                                          (8.35)

где Еb1 - определяют по формуле (11.8);

Jred - по формуле (11.9).

8.18 Косвенное армирование сетками или спиралями повышает предел огнестойкости в среднем на 20 %. Расчет огнестойкости колонн при косвенном армировании следует выполнять по формулам (8.22) или (8.24), подставляя в эти формулы вместо Rbn приведенную призменную прочность бетона Rbn,red, определенную с учетом влияния огневого воздействия на нормативные сопротивления арматурной стали сетки или спирали.

Несущие стены

8.19 Железобетонные несущие стены сплошного сечения с гибкостью λ ≤ 83(l0/ht ≤ 24) при одностороннем огневом воздействии, с жесткими несмещаемыми опорами, когда продольная сжимающая сила приложена с начальным или случайным эксцентриситетом со стороны обогреваемой поверхности, работают на внецентренное сжатие. Предел огнестойкости по потере несущей способности наступает при прогибе стены, направленном в необогреваемую сторону.

Прогиб от неравномерного нагрева стены по высоте сечения в расчете не учитывают, так как он направлен в обогреваемую сторону и уменьшает эксцентриситет приложения продольной сжимающей силы.

8.20 При одностороннем огневом воздействии и с жестким опиранием стены прочность внецентренно сжатых плоских элементов при приложении продольной силы с большим эксцентриситетом (рис. 8.6), когда ζ = х/h0tζR, определяют по формулам (8.24) - (8.26).

а - расчетные размеры стены; б - схема разрушения стены при одностороннем огневом воздействии; в - схема сечения стены при расчете огнестойкости

Рисунок 8.6 - Железобетонная стена с ограниченным поворотом опорных сечений

8.21 Расчетный предел огнестойкости железобетонных стен при контактном опирании на упругоподатливое основание, при растворных швах толщиной 20 мм, умножается на коэффициент упругой податливости 0,75; при швах толщиной 5 мм, заполненных цементно-песчаной пастой, - на коэффициент 0,85.

8.22 В условиях пожара двухсторонний обогрев железобетонной стены не всегда возможен. Однако при одновременном нагревании с двух сторон в железобетонной стене практически не возникает температурного прогиба, и стена продолжает работать на сжатие. Предел огнестойкости R такой стены возможно будет выше, чем при одностороннем нагреве.

Растянутые элементы

8.23 В несущих конструкциях ферм и арок имеются железобетонные элементы, которые работают на центральное и внецентренное растяжение. Как правило, эти элементы во время пожара обогреваются со всех сторон.

8.24 Прочность прямоугольных железобетонных элементов при всестороннем огневом воздействии следует вычислять по следующим формулам:

при центральном растяжении

N = ∑RsntAs;                                                                                              (8.36)

при внецентренном растяжении и продольной силе, приложенной между усилиями в арматуре S и S' (см. рис. 8.7)

NeRsntA'(h0 - a');                                                                                   (8.37)

Ne' ≤ RsntAs(h0 - a');                                                                                  (8.38)

при продольной силе, приложенной за пределами расстояния между усилиями в арматуре S и S'

NeRbnbtx(h0t - 0,5х) + RsctA's(h0 - а').                                                    (8.39)

Высота сжатой зоны равна:

x = (RsntAs - RsctA's - N)/Rbnbt .                                                                   (8.40)

Если х > ζRh0, то в условие (8.39) подставляют х = ζRh0t.

Расстояние е от растягивающей продольной силы до равнодействующей усилий в арматуре определяют по формуле (8.27) без коэффициента η, так как нет дополнительного продольного изгиба от растягивающей силы, и без et, так как при всестороннем огневом воздействии нет дополнительного выгиба от неравномерного нагрева.

Продольная сила приложена: а - между усилиями в арматуре As и A's; б- за пределами расстояния между усилиями в арматуре As и A's

Рисунок 8.7 - Схема усилий и эпюра напряжений в сечении, нормальном к продольной оси внецентренно растянутого железобетонного элемента, при четырехстороннем обогреве во время пожара при расчете огнестойкости

Расчет прочности нормальных сечений на основе деформационной модели

8.25 При расчете огнестойкости по потере несущей способности от огневого воздействия усилия и деформации в сечении, нормальном к продольной оси элемента, определяют на основе деформационной модели, используя уравнения равновесия внешних сил и внутренних усилий в сечении элемента с учетом изменения свойств бетона и арматуры от воздействия температуры.

8.26 При этом используются следующие положения:

- распределение относительных деформаций бетона и арматуры по высоте сечения элемента принимают по линейному закону;

- связь между осевыми сжимающими напряжениями бетона σb и относительными его деформациями εb допускается принимать в виде двухлинейной диаграммы (рис. 5.2), согласно которой напряжения σb определяют по п. 5.8;

- сопротивление бетона растянутой зоны не учитывается;

- связь между напряжениями арматуры σs и относительными ее деформациями εs допускается принимать в виде двухлинейной диаграммы (рис. 5.3), согласно которой напряжения σs принимают по п. 5.11.

Переход от эпюры напряжений в бетоне к обобщенным внутренним усилиям рекомендуется осуществлять с помощью процедуры численного интегрирования по нормальному сечению. Для этого нормальное сечение при внецентренном сжатии, растяжении и изгибе в плоскости оси симметрии условно разделяют на малые участки: при одностороннем огневом воздействии в плитах - только по высоте сечения; при трехстороннем огневом воздействии в балках и ригелях - по высоте и ширине сечения, при четырехстороннем огневом воздействии в колоннах - на полые прямоугольники с одинаковой температурой нагрева.

8.27 Расчет на основе нелинейной деформационной модели производят с помощью компьютерных программ, которые рекомендуется составлять на основе следующего алгоритма.

8.27.1 Для принятого по проекту предела огнестойкости R железобетонного элемента решается теплотехническая задача, по которой от стандартного пожара, длительностью, соответствующей требуемому пределу огнестойкости R, находят температуру нагрева i-го участка бетона и j-го стержня арматуры в поперечном сечении элемента.

8.27.2 По температуре каждого участка сжатой зоны бетона по табл. 5.1 устанавливают значения коэффициентов γbt и βb. Зная класс бетона по прочности на сжатие, по формуле (5.1) находят сопротивление бетона сжатию, а по формуле (5.3) - значения модуля упругости бетона. Для менее нагретого сжатого волокна бетона по табл. 5.4 устанавливают базовые деформационные точки диаграммы состояния бетона и строят диаграмму сжатого бетона.

8.27.3 Зная класс арматуры, находят сопротивление арматуры растяжению по формуле (5.8), сжатию - по формуле (5.9) и модуль упругости - по формуле (5.10). В этих формулах значения коэффициентов γst и βs принимают по табл. 5.5, в зависимости от температуры растянутой и сжатой арматуры. Предельные значения относительных деформаций арматуры принимают по п. 5.11 и строят диаграммы деформирования растянутой и сжатой арматуры.

8.27.4 В общем случае при расчете нормальных сечений внецентренно сжатых и растянутых железобетонных элементов используют следующие зависимости:

уравнения равновесия внутренних и внешних усилий:

                                                    (8.41)

                                                                       (8.42)

уравнения, определяющие распределения деформаций по сечению элемента:

                                                                    (8.43)

                                                                        (8.44)

зависимости, связывающие напряжения и относительные деформации бетона и арматуры:

σbi = Ebtivbiεbi                                                                                                                           (8.45)

σsj = Estjvsjεsj                                                                                              (8.46)

где в уравнениях (8.41) - (8.46):

Мх, Мy - изгибающие моменты от внешних воздействий относительно выбранных осей х и у в пределах поперечного сечения элемента, определяемые по формулам

                                                                                    (8.47)

Mxd, Мyd - изгибающие моменты в соответствующих плоскостях от внешних усилий, определяемые из статического расчета;

N - продольная сила от внешних усилий;

ех, еy - расстояния от точки приложения силы N до соответствующих осей;

Abi, Zbxi, Zbyi, σbi - площадь, координаты центра тяжести i-го участка бетона и напряжение на уровне его центра тяжести;

Asj, Zsxj, Zsyj, σsj - площадь, координаты центра тяжести j-го стержня арматуры и напряжения в нем;

ε0 - относительная деформация волокна, расположенного на пересечении выбранных осей;

 - кривизна продольной оси в рассматриваемом поперечном сечении элемента в плоскостях действия изгибающих моментов Мх и Мy;

Еbti, Estj - модули упругости бетона i-го участка и арматуры j-го стержня;

vbi, vsj - коэффициенты упругости бетона i-го участка и арматуры j-го стержня. Коэффициенты vbi и vsj принимают по соответствующим диаграммам состояния бетона и арматуры, указанным в пп. 5.8 и 5.11.

8.27.5 Значения коэффициентов vbi и vsj определяют как соотношение значений напряжений и деформаций для рассматриваемых точек соответствующих диаграмм состояния бетона и арматуры, деленное на приведенный модуль упругости бетона Eb,red,t,i и на модуль деформации арматуры Estj

                                                                                       (8.48)

                                                                                            (8.49)

где Eb,red,t,i - приведенный модуль деформации бетона, определяемый по формуле (5.7), в которой βb принимают по табл. 5.1 в зависимости от температуры в центре тяжести i-го участка бетона.

8.27.6 Расчет нормальных сечений железобетонных элементов по прочности производят из условий:

относительная деформация наиболее сжатого волокна бетона в нормальном сечении от действия внешних усилий εb,maxεb,ult. Предельное значение относительной деформации бетона при сжатии εb,ult принимают при двухзначной эпюре деформаций бетона, равной εb2 (табл. 5.4); при деформации одного знака, в зависимости от отношений деформаций бетона на противоположных гранях сечения элемента ε и ε2:

                                                                         (8.50)

относительная деформация наиболее растянутого стержня арматуры в нормальном сечении элемента от внешних усилий εs,max εs,ult. Предельное значение относительной деформации удлинения принимают равной εs2 (п. 5.11).

8.27.7 В железобетонном элементе при действии момента и продольной силы в плоскости симметрии поперечного сечения и расположения оси в этой плоскости Мy = 0, D12 = D22 = D23 = 0, деформации бетона εb,max и арматуры εs,max определяют из решения системы уравнений (8.51) и (8.52) с использованием уравнений (8.43) и (8.44)

                                                                               (8.51)

                                                                                  (8.52)

В уравнениях (8.51) и (8.52) жесткостные характеристики (матрицы жесткости) определяют по формулам:

изгибная жесткость

                                           (8.53)

изгибно-осевая жесткость

                                           (8.54)

осевая жесткость

                                                (8.55)

Для изгибаемых элементов в уравнениях (8.42), (8.47), (8.52) N = 0.

8.27.8 Если внутренние усилия в железобетонном элементе оказываются равными или несколько больше внешних усилий от нормативной нагрузки до пожара, то требуемый предел огнестойкости по потере несущей способности R для этого элемента обеспечен.

Железобетонные элементы при действии поперечных сил

8.28 Расчет огнестойкости по потере прочности железобетонных элементов при действии поперечных сил в условиях огневого воздействия проводят на основе модели наклонных сечений согласно СНиП 52-01 и СП 52-101.

При расчете по модели наклонные сечения должны быть обеспечены прочностью элемента по полосе между наклонными сечениями и по наклонному сечению на действие поперечных сил, а также прочностью по наклонному сечению на действие момента.

8.29 Расчет железобетонных элементов по полосе между наклонными сечениями производят из условия:

Qnφb1Rbnbth0 ,                                                                                        (8.56)

где Qn - поперечная сила в нормальном сечении элемента от нормативной нагрузки; коэффициент φb1 = 0,3; bt определяют по формуле (8.1).

8.30 Расчет изгибаемых элементов по прочности бетона в ненаклонном сечении производят из условия:

QnQb + Qsw ,                                                                                          (8.57)

где Qn - поперечная сила в наклонном сечении от нормативной нагрузки с длиной проекции с на продольную ось элемента, расположенную по одну сторону от рассматриваемого наклонного сечения (рис. 8.8);

Qb - поперечная сила, воспринимаемая бетоном в наклонном сечении, определяется по формуле:

Qb = φb2Rbtnbth02/c ;                                                                                   (8.58)

но ее значение принимают не более (2,5Rbtnbth0) и не менее (0,5Rbtnbth0); φb2 = 1,5; bt определяют по формуле (8.1);

8.31 Поперечная сила, воспринимаемая поперечной арматурой в наклонном сечении, определяемая по формуле

Qsw = φswqswc ,                                                                                          (8.59)

где φsw = 0,75;

qsw - усилие в поперечной арматуре на единицу длины элемента:

qsw = RswγstAsw/sw ,                                                                                     (8.60)

γst - принимают по наибольшей температуре поперечной арматуры по табл. 5.5.

Расчет производят для наиболее опасной длины проекции наклонного сечения с, которую принимают не менее h0 и не более 2h0.

Рисунок 8.8 - Схема усилий при расчете железобетонных элементов по наклонному сечению на действие поперечных сил при трехстороннем нагреве

8.32 Поперечную арматуру учитывают в расчете, если соблюдается условие:

qsw ≥ 0,25Rbtnbt .                                                                                       (8.61)

8.33 Шаг поперечной арматуры (sw/h0), учитываемый в расчете, должен быть не больше значения:

sw,max/h0 = Rbtnbth0/Qn .                                                                               (8.62)

При отсутствии поперечной арматуры или нарушении указанных выше требований расчет производят из условия (8.57), принимая усилия Qsw равными нулю.

8.34 Расчет железобетонных элементов по наклонным сечениям на действие моментов (рис. 8.9) в условиях огневого воздействия производят из условия:

MnMs + Msw ,                                                                                        (8.63)

где Mn - момент от нормативной нагрузки в наклонном сечении с длиной проекции с на продольную ось элемента, определяемый от внешних сил, расположенных по одну сторону от рассматриваемого наклонного сечения, относительно конца наклонного сечения (точка 0), противоположному концу, у которого располагается проверяемая продольная арматура, испытывающая растяжение от момента в наклонном сечении, при этом учитывают наиболее опасные загружения в пределах наклонного сечения;

Ms - момент, воспринимаемый продольной арматурой, пересекающей наклонное сечение, относительно противоположного конца наклонного сечения (точка 0)

Ms = 0,9Nsh0 ,                                                                                           (8.64)

Ns - усилие в продольной растянутой арматуре, принимают равным RstAs, а в зоне анкеровки - по формуле (8.14);

Msw - момент для поперечной арматуры, нормальной к продольной оси элемента, определяют по формуле:

Msw = 0,5Qswc2 ,                                                                                        (8.65)

Qsw - усилия в поперечной арматуре, определяют по формуле:

Qsw = qswc ,                                                                                               (8.66)

где qsw - определяют по формуле (8.60);

с - принимают в пределах от h0 до 2h0.

Допускается производить расчет наклонных сечений, принимая в условии (8.65) момент М в наклонном сечении при длине проекции c на продольную ось элемента, равной 2h0, а момент

Msw = 0,5qswh02 .                                                                                       (8.67)

а - в пролете; б - около опоры

Рисунок 8.9 - Схема усилий при расчете железобетонных элементов по наклонному сечению при воздействии моментов и нагрева

8.35 При отсутствии поперечной арматуры расчет наклонных сечений производят из условия (8.63), принимая момент Mn в наклонном сечении при длине проекции с на продольную ось элемента, равной 2h0, а момент Msw = 0.

Если условия (8.56, 8.57 и 8.63) выполняются, то предел огнестойкости обеспечен.

Статически неопределимые конструкции

8.36 В статически неопределимых конструкциях, выполненных из монолитного железобетона (плитах, балках, ригелях и колоннах), огнестойкость больше, чем в сборном железобетоне. Однако в многопролетных многоэтажных зданиях и сооружениях при локальном пожаре в одном пролете или на одном этаже взаимодействие отдельных монолитно сопряженных элементов приводит к возникновению дополнительных усилий в других пролетах, где нет пожара.

8.37 Усилия в статически неопределимой конструкции сначала определяют по формулам строительной механики как в упругой системе. Единичные и грузовые перемещения определяют с помощью формулы Мора, в которой сдвиговые деформации, как правило, отбрасывают.

Перемещения в основной системе, вызванные воздействием температуры в i-м направлении, равны:

                                                         (8.68)

где Mi и Ni - изгибающий момент и продольная сила в сечении х-элемента основной системы от действия в i-м направлении соответствующей единичной силы;

(1/r)tx, εtx - температурные кривизна и деформация х-элемента, вызванные огневым воздействием.

Изгибающий момент от неравномерного нагрева по высоте сечения элемента, заделанного на опорах, а также в замкнутых рамах кольцевого, квадратного и прямоугольного очертаний, имеющих одинаковое сечение, определяют по формуле:

Mt = (l/r)tD ,                                                                                              (8.69)

где (1/r)t - температурная кривизна;

D - жесткость сечения в предельной по прочности стадии.

Продольные температурные деформации в железобетонном элементе могут вызвать напряжения сжатия при несмещаемых опорах и увеличение эксцентриситета сжимающей силы в колоннах от температурного удлинения ригеля.

8.38 В элементах статически неопределимых железобетонных конструкций от силовых и огневых воздействий происходит перераспределение усилий. Расчет в упругой системе является ориентиром для учета перераспределения усилий методом предельного равновесия.

Перераспределение усилий происходит от развития пластических деформаций арматуры в бетоне и образования и раскрытия трещин в момент исчерпания несущей способности элемента системы. Усилия в каждом элементе конструкции ограничены предельными условиями, с достижением которых деформации этих элементов могут достаточно сильно возрастать, образовывая пластические шарниры. Пластические шарниры превращают статически неопределимую конструкцию в изменяемую, в которой рост деформаций происходит без возрастания усилий. Статически неопределимую конструкцию в состоянии предельного равновесия следует представлять как разделенную на части пластическими шарнирами.

8.39 Согласно положениям метода предельного равновесия в однопролетной балке, заделанной на опорах, при увеличении равномерно распределенной нагрузки сначала образуются пластические шарниры на опорах, а затем - в пролете (рис. 8.10).

8.40 В статически неопределимом железобетонном элементе, заделанном на опорах, от одностороннего огневого воздействия возникает температурный момент, который приводит к образованию пластических шарниров на опорах, где моменты от нагрузки и температурного перепада по высоте сечения суммируются (см. рис. 8.10).

Температурные усилия влияют на образование пластических шарниров, но значение их снижается на 50 % из-за развития пластических деформаций бетона и арматуры, нагретых до высоких температур. Усилия при образовании пластических шарниров будут равны:

Mош = M0 + 0,5Mt ,                                                                                   (8.70)

где Мош, М0 и Мt - моменты при образовании пластических шарниров на опорах от нагрузки и огневого воздействия.

В пролете момент от нагрузки снижается из-за образования температурного момента другого знака. После образования опорных пластических шарниров железобетонный элемент превращается в статически определимую конструкцию. Температурный момент в пролете уменьшается и остается только момент от нагрузки. Полное разрушение элемента происходит при образовании пластического шарнира в середине пролета, когда резко увеличиваются пластические деформации арматуры при более высоких величинах нагрузки и температуры нагрева, чем в простой балке.

1 - момент от равномерно распределенной нагрузки; 2 - температурный момент от огневого воздействия; 3 - суммарный момент до образования пластических шарниров на опорах; 4 - суммарный момент при образовании пластического шарнира в пролете

Рисунок 8.10 - Моменты в статически неопределимой конструкции

8.41 Снижение прочности сечений на опорах происходит из-за прогрева сжатого бетона и арматуры до высоких температур.

При трехстороннем обогреве опорного сечения статически неопределимых балок бетон сжатой зоны нижней и боковых граней сечения, нагретый до температуры выше критической, выключается из работы. Прочность опорных сечений снижается, в основном, за счет нагрева бетона сжатой зоны до критической температуры и, вследствие этого, уменьшения рабочей высоты сечения (рис. 8.11.).

Глубина прогрева бетона аt до критической температуры у нагреваемых граней сечения балки находится по рис. 5.1.

8.42 Прочность пролетных сечений снижается из-за нагрева растянутой арматуры до критической температуры.

Разрушение сечений происходит от снижения нормативного сопротивления нагретой арматуры до рабочих напряжений. Преждевременного разрушения сжатой зоны пролетных сечений до начала увеличения пластических деформаций арматуры не происходит, так как она находится под действием меньших усилий, чем до начала огневого воздействия. Прочность пролетных сечений статически неопределимых железобетонных балок при трехстороннем огневом воздействии вычисляют по формуле (8.9).

Рисунок 8.11 - Схема усилий и эпюра напряжений в опорном сечении, нормальном к продольной оси изгибаемого статически неопределимого железобетонного элемента, при трехстороннем обогреве сжатой зоны при пожаре и расчете огнестойкости

8.43 Для статически неопределимых конструкций предел огнестойкости рассчитывают следующим образом.

8.43.1 Устанавливают возможность огневого воздействия на все несущие элементы системы и их минимальные пределы огнестойкости по потере несущей способности.

8.43.2 Теплотехническим расчетом или по материалам приложений А и Б от воздействия стандартного пожара длительностью, соответствующей принятому пределу огнестойкости, находят температуры нагрева бетона и арматуры в поперечном сечении несущего элемента системы.

8.43.3 Для каждого элемента от непродолжительного действия нормативных постоянных и временных длительных нагрузок находят их неблагоприятное сочетание.

8.43.4 При расчете упругой системы статически неопределимую конструкцию путем устранения лишних связей превращают в изменяемую систему.

8.43.5 Методом предельного равновесия для расчета несущей способности используют перераспределения усилий и изменяют значения лишних неизвестных, полученных из расчета по упругой системе.

8.43.6 По найденным значениям усилий определяют жесткость сечения. Жесткость следует определять по приведенным сечениям с учетом наличия трещин от огневого воздействия по всей длине элемента и изменения физико-механических свойств бетона и арматуры от нагрева. При определении приведенного сечения сечение разбивают на участки по высоте и ширине. Бетон и арматуру каждого участка приводят к ненагретому, более прочному бетону. Жесткость элементов по всей его длине может быть определена методом последовательных приближений.

8.43.7 Температурные усилия и деформации учитывают от неравномерного нагрева по высоте сечения элемента и от температурного расширения по длине элемента.

8.43.8 Требуемый предел огнестойкости каждого элемента будет обеспечен, если усилия от нормативной нагрузки и температуры будут больше или равны усилиям от нормативной нагрузки до пожара.

8.44 При проверке прочности сечений железобетонных элементов в условиях огневого воздействия можно использовать метод конечных элементов.

Несущую способность элемента в нормальном расчетном сечении определяют суммой несущей способности отдельных конечных элементов (бетонных и арматурных), на которые разбивается сечение. Оценка несущей способности каждого элемента (бетонного и арматурного) основана на предварительном выявлении степени изменения прочностных и деформативных свойств бетона и арматуры в сечении рассматриваемого элемента, при заданной длительности температурного воздействия в условиях «стандартного пожара». При этом прочность и деформативность бетона и арматуры в каждом конечном элементе устанавливают по температуре в центре элемента, который одновременно является узлом координатной сетки, накладываемой на поперечное сечение конструкции при определении температурного поля (п. 6.2).

В расчет включают только те конечные бетонные элементы, которые располагаются в сжатой зоне. Конечные арматурные элементы учитываются полностью, независимо от расположения в сжатой или растянутой зонах сечения.

Высота сжатой зоны сечения в первом приближении задается величиной, равной (0,4 - 0,5)h0, и в дальнейшем корректируется на основе удовлетворения необходимого условия предельного состояния конструкции в рассматриваемом промежутке времени огневого воздействия.

8.45 В общем случае расчет предела огнестойкости по потере несущей способности статически неопределимой конструкции осуществляется методом предельного равновесия в зависимости от схемы разрушения системы в целом, когда она превратится в механизм. Однако за предел огнестойкости конструкции следует принимать минимальный предел одного несущего элемента системы. Наступление предела огнестойкости одного несущего элемента системы не всегда приводит к обрушению всей конструкции. Однако с практической точки зрения, такой вид отказа необходимо учитывать.

Расчет плиты безбалочного перекрытия

8.46 При одностороннем огневом воздействии снизу плиты огнестойкость безбалочного железобетонного перекрытия, образованного гладкой плитой, которая жестко сопрягается с поддерживающими ее колоннами, определяют методом предельного равновесия при расчете прочности плиты на излом полосы плиты вдоль или поперек покрытия (рис. 8.12).

Расчет на излом отдельной поперечной или продольной полосы плиты производят в предположении, что в рассматриваемой полосе плиты образуются линейные пластические шарниры, параллельные оси этой полосы: один линейный пластический шарнир в пролете с раскрытием трещины снизу плиты и по одному линейному пластическому шарниру у колонн с раскрытием трещин сверху плиты. В консольном свесе плиты, выступающем за крайний ряд колонн, принимается, что пластический шарнир не образуется, если свес консоли не превышает 0,25l1. Если свес консоли больше, то производят дополнительный расчет по формуле (8.71) на излом плиты консоли у колонн с образованием дополнительного пластического шарнира, параллельного краю перекрытия. Для конструкций, симметричных относительно середины рассматриваемой полосы, проверку прочности средних панелей ведут из условия:

                          (8.71)

где q - интенсивность нормативной постоянной и временной длительной нагрузки, равномерно распределенной по полосе на 1 п.м, с коэффициентом перегрузки γf = 1;

l1, l2 - расстояние между рядами колонн в перпендикулярном направлении и вдоль рассматриваемой полосы (рис. 8.12);

с - расстояние от крайних пластических шарниров до ближайших к ним рядов колонн;

AsI, A'sI - площадь верхней растянутой арматуры в левом и правом опорных пластических шарнирах в пределах одной плиты;

Аs1 - площадь нижней растянутой арматуры в среднем пролетном пластическом шарнире в пределах одной плиты;

zI, z1, z'I - плечи внутренней пары сил в левом, среднем и правом пластических шарнирах соответственно, которые определяют по формуле:

zI = h0 - 0,5хi,                                                                                            (8.72)

где высота сжатой зоны в правом и левом опорных пластических шарнирах определяется по формулам:

                                                                    (8.73)

В формуле (8.73) Rbnt определяют по формуле (5.1), принимая значения γbt по табл. 5.1 в зависимости от средней температуры бетона сжатой зоны. Допускается значение γbt принимать равным 1 при замене h0 на h0t которое определяют по формуле (8.8).

Высота сжатой зоны в среднем пролетном пластическом шарнире равна:

                                                                                           (8.74)

В формуле (8.74) Rsnt определяют по формуле (5.8), принимая значения γst по табл. 5.5 в зависимости от температуры арматуры на уровне ее оси.

Температуру бетона и арматуры определяют теплотехническим расчетом для требуемого предела огнестойкости (приложения А и Б). Если условие (8.71) выполняется, то требуемый предел огнестойкости обеспечен. Сжатую арматуру в пластических шарнирах не учитывают.

а - с образованием параллельных краю плиты пластических шарниров; б - с образованием перпендикулярных краю пластических шарниров; 1 - линейный пластический шарнир около колонн с раскрытием трещины сверху плиты; 2 - линейный пластический шарнир в середине пролета с раскрытием трещины снизу плиты

Рисунок 8.12 - Схема излома панелей в безбалочном перекрытии при одностороннем огневом воздействии снизу плиты

При применении квадратных или прямоугольных в плане капителей с наклоном нижней части капители не менее чем на 45° расчет на излом панелей производят при расположении опорных пластических шарниров по месту перелома очертания капителей. При этом в формуле (8.71) значение с = lk/2, где lk - длина капители.

Расчет плит балочного перекрытия

8.47 При одностороннем огневом воздействии снизу перекрытия, огнестойкость плит, работающих в двух направлениях и монолитно связанных с балками, определяют кинематическим способом метода предельного равновесия. Предполагают, что плита разламывается на плоские звенья, соединенные между собой по линиям излома пластическими шарнирами (рис. 8.13). При равномерно распределенной нагрузке и неизменном по длине пролета армировании предел огнестойкости плиты определяют из уравнения:

                              (8.75)

где l1 и l2 - меньший и больший пролеты плиты;

q - нормативная постоянная длительная и временная равномерно распределенная нагрузка на 1 м2 плиты.

Моменты в пролете плиты определяют по следующим формулам:

                                                        (8.76)

Моменты на опорах плиты определяются по формулам:

                                                       (8.77)

где Аs1 - площадь сечения стержней, пересекающих пролетные пластические шарниры и параллельных короткой стороне плиты;

Аs2 - то же, для стержней, параллельных длинной стороне плиты;

AsI - площадь сечения растянутой арматуры, расположенной вдоль пролета l2 в сечении I-I;

A'sI - площадь сечения растянутой арматуры, расположенной вдоль пролета l2 в сечении I'-I';

AsII - площадь сечения растянутой арматуры, расположенной вдоль пролета lI, в сечении II-II;

A'sII - площадь сечения растянутой арматуры, расположенной вдоль пролога lI, в сечении II'-II';

z1, z2 - плечи внутренней пары сил в пролетных пластических шарнирах, вычисляются по формуле (8.72), в которой х1 определяют по формуле (8.74), а при вычислении х2 в формуле (8.74) значение As1 заменяют на Аs2 а вместо значения l2 подставляют l1.

zI, z'I, zII, z'II, - плечи внутренней пары сил в опорных пластических шарнирах, вычисляют по формуле (8.72), в которой хI и х'I{определяют по формуле (8.73). При вычислении хII и х'II в формуле (8.73) значение AsI и А'sI заменяют соответственно на AsII и А'sII, а вместо значения l2 подставляют l1.

а - схема излома плиты; б - направления действия предельных моментов; 1-4- номера звеньев; 1', 2' - шарниры соответственно пролетные и опорные

Рисунок 8.13 - К расчету плиты, защемленной по контуру

При определении значений Аs1 и As2 стержни, отогнутые или оборванные до пересечения с пролетными шарнирами, не учитывают (рис. 8.14), а оборванные или отогнутые только у одной из опор и пересекающие пролетные шарниры одним из концов, вводят в расчет с половинной площадью.

1 - линия обрыва или отгиба стержней; 2 - не учитываемые в работе стержни

Рисунок 8.14 - К определению Аs1 и As2 для плиты, защемленной по контуру

Если арматуру обрывают (отгибают) на расстоянии а1 от длинной и а2 от короткой сторон, то необходимо дополнительно выполнить проверку по несущей способности плиты при изломе по схеме, показанной на рис. 8.15. Эту проверку производят из условия:

            (8.78)

где  - площади доходящей до опор части растянутой арматуры, параллельной соответственно короткой и длинной сторонам плиты.

Если условие (8.75) или (8.78) соблюдается, то требуемый предел огнестойкости плиты обеспечен.

Рисунок 8.15 - Возможная схема излома плиты при обрыве или отгибе арматуры

Расчет железобетонных плит на продавливание

8.48 При одностороннем огневом воздействии снизу плиты расчет на продавливание железобетонных плит производят при действии на них местных, нормально к плоскости плиты, концентрированно приложенных сосредоточенной силы и изгибающего момента. При проверке прочности плиты на продавливание в условиях одностороннего огневого воздействия снизу плиты рассматривают расчетное поперечное сечение, расположенное вокруг зоны передачи усилий на плиту на расстоянии 0,5h0, нормально к ее продольной оси, по поверхности которого действуют касательные усилия от сосредоточенной силы и изгибающего момента.

Действующие касательные усилия должны быть восприняты бетоном с нормативным сопротивлением бетона растяжению Rbtnt и расположенной по обе стороны от расчетного поперечного сечения на расстоянии 0,5h0 поперечной арматурой с сопротивлением растяжению Rswt. Учет влияния высокотемпературного воздействия на бетон производят по формуле (5.2). Находят значения Rbtnt, принимая среднее значение коэффициента γtt.

Для определения среднего значения коэффициента γtt сечение плиты по высоте разбивают не менее чем на 5 частей. Для каждой части сечения находят среднюю температуру ее нагрева и по ней (по п. 5.2) определяют значение коэффициента γtt. Зная значения коэффициентов γtt для средней температуры каждой части сечения, их суммируют, делят на количество частей и получают средний коэффициент γtt. Учет влияния высокотемпературного воздействия на поперечную арматуру производят по формуле (5.9). Находят значение Rswt принимая коэффициент γtt по табл. 5.5 для максимальной температуры поперечной арматуры.

8.49 Расчет железобетонной плиты на продавливание без поперечной арматуры на действие сосредоточенной силы производят из условия:

F = Rbtntuh0,                                                                                              (8.79)

где F - сосредоточенная сила от нормативной нагрузки перекрытия на колонну;

u - периметр контура расчетного поперечного сечения, расположенного на расстоянии 0,5h0 от границы площадки опирания сосредоточенной силы F (рис. 8.16).

1 - расчетное поперечное сечение; 2 - контур расчетного поперечного сечения; 3 - контур площадки приложения нагрузки; 4 - температура нагрева бетона по высоте плиты; 5 - средняя температура участка по высоте плиты

Рисунок 8.16 - Схема для расчета железобетонной плиты на продавливание без поперечной арматуры при одностороннем огневом воздействии снизу плиты

При прямоугольной площадке опирания габаритами a´b периметр определяется по формуле:

u = 2(а + b + 2h0),                                                                                    (8.80)

где h0 - рабочая высота плиты, равная среднеарифметическому значению рабочих высот для продольной арматуры в направлении осей х и у.

8.50 Расчет железобетонной плиты на продавливание без поперечной арматуры на действия сосредоточенной силы и изгибающего момента проводят из условия:

,                                                                                     (8.81)

где M/Wb - принимается не более F/4;

Wb - момент сопротивления контура расчетного поперечного сечения;

Rbtnt -см. п. 8.48.

При прямоугольной площадке опирания и замкнутом контуре расчетного поперечного сечения Wb определяют по формуле:

                                                               (8.82)

Сосредоточенный момент M в условии (8.81) равен половине сосредоточенного момента от внешней нагрузки.

В железобетонном каркасе здания с плоскими перекрытиями момент от внешней нагрузки равен суммарному изгибающему моменту в сечениях верхней и нижней колонн, примыкающих к перекрытию в рассматриваемом узле, а сила F направлена снизу вверх.

8.51 Расчет железобетонной плиты на продавливание с поперечной арматурой при действии сосредоточенной силы производят из условия:

F £ Rbtntuh0 + 0,8qswu,                                                                              (8.83)

где Rbtntuh0 > 0,8qswu;

qsw - усилие в поперечной арматуре на единицу длины контура расчетного поперечного сечения, равное при равномерном распределении поперечной арматуры:

                                                                                         (8.84)

где Asw - площадь сечения поперечной арматуры с шагом sw, расположенная в пределах расстояния 0,5h0 по обе стороны от контура расчетного поперечного сечения (см. рис. 8.17);

sw - шаг поперечных стержней в направлении контура поперечного сечения;

Rbtnt и Rswt - см. п. 8.48.

При равномерном расположении поперечной арматуры вдоль контура расчетного поперечного сечения значение и принимается как для бетонного расчетного поперечного сечения согласно п. 8.49.

За границей расположения поперечной арматуры расчет на продавливание производят согласно п. 8.49, рассматривая контур расчетного поперечного сечения на расстоянии 0,5h0 от границы расположения поперечной арматуры.

8.52 Расчет железобетонной плиты на продавливание с поперечной арматурой при действии сосредоточенной силы и изгибающего момента (см. рис. 8.17) производят из условия:

                                       (8.85)

где Rbtnt - см. п. 8.48, u и h0 - см. п. 8.49; Wb - см. п. 8.50; qsw - см. п. 8.51.

Условие (8.85) применимо при равномерном расположении поперечной арматуры вдоль контура расчетного поперечного сечения и когда первое слагаемое не менее второго.

1 - расчетное поперечное сечение; 2 - контур расчетного поперечного сечения; 3 - граница зоны в пределах которой учитывается поперечная арматура; 4 - контур расчетного поперечного сечения без учета в расчете поперечной арматуры; 5 - контур площадки приложения нагрузки

Рисунок 8.17 - Схема для расчета на продавливание железобетонной плиты с вертикальной равномерно распределенной поперечной арматурой при одностороннем огневом воздействии снизу плиты

8.53 При действии добавочного момента в направлении, нормальном действию момента М, в условиях (8.81) и (8.85) добавляется по третьему слагаемому, которое по своей сути соответствует второму слагаемому каждого условия.

Если условия (8.81) и (8.85) выполняются при действии сосредоточенной силы и момента от нормативной нагрузки и одностороннего огневого воздействия стандартного пожара, то прочность железобетонной плиты на продавливание соответствуют требуемому пределу огнестойкости.

Потери предварительного напряжения в арматуре

8.54 При огневом воздействии во время пожара происходят дополнительные потери предварительного напряжения в арматуре.

Учет дополнительных потерь предварительного напряжения в арматуре необходим при расчете деформаций и при решении вопроса дальнейшего использования конструкций после пожара. При пожаре возникают дополнительные потери предварительного напряжения в арматуре, вызванные температурной усадкой и ползучестью бетона, релаксацией напряжений и арматуре при нагреве и разностью температурных деформаций бетона и арматуры.

При огневом воздействии бетон на уровне продольной арматуры интенсивно прогревается и происходит температурная усадка бетона. Деформация температурной усадки тяжелого бетона даже при кратковременном нагреве больше, чем при нормальной температуре. Значение потерь предварительного напряжения от температурной усадки допускается принимать равным 40 МПа.

Потери предварительного напряжения арматуры от релаксации напряжений в арматуре за счет развития пластических деформаций арматуры при нагреве зависят от значения напряжений в арматуре и температуры ее нагрева.

Потери предварительного напряжения в арматуре от релаксации напряжений за 1 - 3 часа нагрева допускается принимать равным 0,001Dtsσsp. Предварительное напряжение в арматуре σsp определяют с учетом всех потерь при нормальной температуре. Здесь Dts - разность между температурой нагрева арматуры при пожаре и температурой при натяжении.

От воздействия температуры, из-за различия температурных деформаций бетона и арматуры возникают потери предварительного напряжения, которые принимают равными (αst αbt)DtsEst. Значения коэффициента αbt определяют по табл. 5.2, коэффициента αst - по табл. 5.6 и модуля упругости арматуры Est - по формуле (5.10) в зависимости от температуры арматуры.

Потери предварительного напряжения арматуры, вызванные быстро натекающей ползучестью бетона при нагреве, зависят от напряжений в бетоне на уровне продольной арматуры. Их допускается принимать равными 10σbp, где σbp - сжимающие напряжения в бетоне на уровне продольной арматуры.

В элементах из бетона классов В30 и выше, имеющих преднапряжение порядка σsp = 0,6 - 0,8Rs, после огневого воздействия остаток предварительного напряжения определяют в стержневой арматуре:

класса А600:

σsp = 84 - 0,4ts                                                                                                                        (8.86)

класса А800:

σsp = 87 - 0,39ts                                                                                        (8.87)

классаА1000:

σsp = 92 - 0,26ts;                                                                                       (8.88)

в проволочной арматуре классов Вр1200 - Вр1500, К1400 - К1500:

σsp = 89 - 0,27ts,                                                                                       (8.89)

где σsp ³ 0 - остаток предварительного напряжения в арматуре в % исходного значения при изготовлении;

ts > 20 - температура арматуры при пожаре,°С.

Из формул (8.86 - 8.89) следует, что во время пожара от огневого воздействия происходит полная потеря предварительного напряжения в стержневой арматуре класса А600 при ее нагреве свыше 210 °С, класса А800 - свыше 220 °С, класса А1000 - свыше 350 °С, в проволочной арматуре классов Вр1200 - Вр1500, К1400 - К1500 - свыше 330 °С.

При нагреве арматуры ниже температуры, при которой во время пожара происходит полная потеря предварительного напряжения, в охлажденном состоянии после пожара может наблюдаться некоторое восстановление потерь преднапряжения в арматуре из-за различия температурных деформаций арматуры и бетона.

Потери предварительного напряжения в арматуре при ее нагреве выше температуры, при которой происходит полная потеря предварительного напряжения при пожаре, в охлажденном состоянии после пожара не восстанавливаются.

9 Расчет предела огнестойкости по целостности

9.1 Предел огнестойкости по целостности - по образованию сквозных отверстий или сквозных трещин во влажном бетоне при одностороннем нагреве - наступает через 5 - 20 мин после начала пожара и сопровождается отколами бетона от нагреваемой поверхности.

В тонкостенных железобетонных конструкциях толщиной 40 - 200 мм это приводит к образованию сквозных отверстий и трещин, например, в стенке двутавровой балки или в плите перекрытия. В конструкциях толщиной более 200 мм это приводит к отколам кусков бетона толщиной до 50 - 100 мм, что уменьшает поперечное сечение элемента.

Причиной хрупкого разрушения бетона при пожаре является образование трещин в структуре бетона и их переход в неравновесное спонтанное развитие под воздействием внешней нагрузки и неравномерного нагрева и фильтрации пара по толщине сечения элемента.

9.2 Во избежание хрупкого разрушения в бетоне напряжения сжатия не должны превышать значений, указанных на рис. 9.1, независимо от вида бетона.

Рисунок 9.1 - Зависимость хрупкого разрушения бетона от напряжений сжатия в бетоне и толщины элемента

9.3 В железобетонных конструкциях из тяжелого бетона с силикатным заполнителем и влажностью более 3,5 %, с карбонатным заполнителем и влажностью более 4 % и из легкого конструкционного керамзитобетона с влажностью более 5 % и плотностью более 1200 кг/м3 возможно хрупкое разрушение бетона при пожаре.

Возможность хрупкого разрушения бетона при пожаре по В.В. Жукову оценивается значением критерия хрупкого разрушения F. Если F £ 4, то хрупкого разрушения бетона не будет. Если F > 4, то бетон будет хрупко разрушаться, и предел огнестойкости по целостности не будет превышать Е15.

Критерий хрупкого разрушения бетона следует определять по формуле:

                                                                          (9.1)

где а - коэффициент пропорциональности, равный 1,16 · 10-2 Вт · м3/2/кг;

αbt - коэффициент температурной деформации бетона, принимают по табл. 5.2 для температуры бетона 250°С;

Ebt - модуль упругости бетона, МН/м2 (1 МН/м2 = 1 МПа = 10 кгс/см2), определяют по формуле (5.3), в которой коэффициент βb принимают по табл. 5.1 при нагреве бетона до 250°С;

ρ - плотность бетона в сухом состоянии, кг/м3, принимают равной плотности бетона в естественном состоянии за вычетом испаряющейся воды в количестве 150 кг/м3;

 - коэффициент псевдоинтенсивности напряжений бетона, МН · м3/2, принимают по табл. 9.1 в зависимости от вида и количества крупного заполнителя;

λ - коэффициент теплопроводности бетона, Вт/(м · °С) определяют по формулам (6.2) - (6.4) для температуры бетона 200 °С.

Wэ - объемная эксплуатационная влажность бетона, м33;

n - общая пористость бетона.

Общую пористость бетона с плотными заполнителями п определяют по формулам: для бетона с В/Ц > 0,4:

n = Ц(В/Ц - 0,2)10-3;                                                                                (9.2)

для бетона с В/Ц < 0,4:

n = (В/Ц · 8 · 10-4)Ц.                                                                                 (9.3)

Общая пористость бетона с пористым заполнителем n1 увеличивается на пористость заполнителя n3, умноженную на относительное объемное содержание крупного пористого заполнителя в бетоне V3:

n1= n + V3n3 .                                                                                                                          (9.4)

Объемная эксплуатационная влажность бетона Wэ33) равна:

Wэ = Wbρ10-3 ,                                                                                          (9.5)

где Wb - равновесная влажность бетона по массе, кг/кг.

Таблица 9.1

Вид заполнителей

Значения K11 (МН · м3/2) в зависимости от содержания крупного заполнителя в бетоне, %

35

50

Природный песок и силикатный щебень

0,47

0,53

Природный песок и карбонатный щебень

0,39

0,44

Природный песок и керамзитовый гравий

0,31

0,32

Примечания

1. При крупности заполнителя более 10 мм значения K11 умножают на 1,14.

2. Для бетона, подвергнутого тепловлажностной обработке, значения K11 делят на 1,4.

3. Значения K11 для расхода крупного заполнителя < 50 и > 35 % принимаются по линейной интерполяции.

9.4 Максимальная равновесная влажность бетона в железобетонных конструкциях может сохраняться в первый месяц влажного твердения бетона или при эксплуатации во влажных условиях, когда все поры и капилляры заполнены водой. В этом случае максимальную равновесную влажность бетона определяют по формуле:

Wb,max = w/ρ1 ,                                                                                        (9.6)

где n - пористость бетона;

ρw - плотность воды, равная 1000 кг/м3;

ρ1 - плотность бетона естественной влажности.

Равновесную влажность бетона в зависимости от относительной расчетной влажности воздуха, при которой будет эксплуатироваться железобетонная конструкция, и от расхода цемента принимают по табл. 9.2.

Таблица 9.2

Расход цемента, кг на 1 м3 бетона

Весовая влажность бетона Wb · 102 (кг/кг) в зависимости от относительной расчетной влажности воздуха, %

25

50

75

200

0,6

0,9

1,2

300

1,0

1,3

2,5

400

1,5

2,1

3,0

500

2,0

2,7

3,8

700

3,0

3,9

5,4

Примечание. Промежуточные значения принимают по линейной интерполяции.

При применении пористого крупного заполнителя равновесную влажность бетона, имеющего плотность более 1200 кг/м3, следует увеличить на объемную эксплуатационную влажность крупного заполнителя Wэз, м33:

Wэз = VзWbзρ10-3                                                                                       (9.7)

где Vз - относительный объем пористого крупного заполнителя в бетоне;

Wbз- равновесная влажность крупного пористого заполнителя по массе, кг/кг. Для керамзита среднюю равновесную влажность Wbз по массе можно принимать в зависимости от относительной расчетной влажности воздуха, при которой будет эксплуатироваться конструкция, по табл. 9.3.

Таблица 9.3

Расчетная относительная влажность воздуха, %

Равновесная влажность керамзита Wbз · 102, кг/кг

25

0,75

50

1,20

75

1,50

100

2,80

9.5 Как видно из формулы (9.1), значение критерия хрупкого разрушения бетона F зависит от физических свойств бетона, которые незначительно отличаются для разных составов, и от объемной эксплуатационной влажности бетона, которая существенно влияет на значение этого критерия. Чем больше влажность бетона, тем больше значение критерия хрупкого разрушения, и тем больше опасность возможности хрупкого разрушения бетона во время пожара.

Наибольшую влажность бетон имеет непосредственно после изготовления железобетонной конструкции, затем он высыхает. Поэтому необходимо рассматривать возможность хрупкого разрушения бетона при пожаре как во время строительства, так и в период пуска объекта в эксплуатацию, а также при эксплуатации сооружения в зависимости от относительной расчетной влажности воздуха.

9.6 Бетон, имеющий значение критерия хрупкого разрушения F > 4, необходимо защитить от хрупкого разрушения во время пожара следующими мерами:

1) повышением уровня пожарной безопасности путем обеспечения возможности ликвидации пожара на начальной стадии;

2) снижением расчетной относительной влажности воздуха в помещении;

3) дополнительным конструктивным армированием поверхностного слоя бетона со стороны нагрева арматурной сеткой с ячейками 25 - 70 мм и диаметром арматуры 0,5 - 1,0 мм;

4) нанесением огнезащитного покрытия на нагреваемую поверхность бетона;

5) устройством металлической облицовки со стороны нагреваемой поверхности;

6) применением бетонов с ограниченным расходом цемента; уменьшенным В/Ц; с крупным заполнителем, обладающим более низким коэффициентом температурного расширения.

9.7 Предел огнестойкости по целостности - по образованию сквозных трещин в плитах, стенах и стенках двутавровых балок при двухстороннем нагреве - наступает при прогреве бетонного сечения по всей толщине элемента до критической температуры нагрева бетона, когда в бетоне нарушается структура. Оценка возможности потери целостности за счет возникновения прогрева бетона по сечению выше критической температуры при пожаре производится путем анализа температур прогрева элементов по всему сечению (см. приложения А, Б). Критические температуры нагрева бетона представлены в п. 4.12.

10 Конструктивные требования, повышающие предел огнестойкости железобетонных конструкций

10.1 Чем больше защитный слой бетона, тем выше предел огнестойкости конструкции. Если толщина защитного слоя бетона больше 60 мм для тяжелого бетона и 80 мм для легкого бетона, защитный слой бетона может иметь армирование со стороны огневого воздействия в виде сетки из стержней диаметром 1 - 2 мм с ячейками не более 70´70 мм.

10.2 В железобетонных колоннах с продольной арматурой в количестве более четырех стержней в сечении нецелесообразно устанавливать всю арматуру около обогреваемой поверхности. Для повышения предела огнестойкости колонн рабочую арматуру следует установить в максимально возможном удалении от поверхности, ближе к ядру сечения колонн, если это позволяют усилия.

10.3 Колонны большого поперечного сечения с меньшим процентом армирования лучше сопротивляются огневому воздействию, чем колонны меньшего поперечного сечения с большим процентом армирования.

10.4 Предел огнестойкости колонн с косвенным армированием в виде арматурных сварных поперечных сеток, установленных с шагом не более 250 мм, или со спиральной арматурой увеличивается в 1,2 раза.

10.5 Колонны и балки с жесткой арматурой, расположенной в середине сечения, имеют значительно больший предел огнестойкости по потере несущей способности по сравнению с балками и колоннами, армированными стержневой арматурой, расположенной около обогреваемой поверхности.

10.6 В балках, при расположении арматуры разного диаметра и на разных уровнях, следует располагать арматуру большего диаметра дальше от обогреваемой поверхности при пожаре.

10.7 Для повышения предела огнестойкости балок рекомендуется регулировать форму сечения балок: предпочтительнее широкие балки, а не узкие и высокие. В качестве основной арматуры балок рекомендуется использовать более двух стержней, наиболее предпочтительно размещать арматуру в несколько рядов, максимально возможно поместив арматуру вглубь сечения от обогреваемой поверхности.

10.8 На опорах между соседними балками и между балкой и стеной должен быть зазор, который позволит балке свободно удлиняться в процессе огневого воздействия. Ширина зазора должна быть не менее 0,05l, где l - пролет балки.

10.9 В плитах целесообразно иметь поперечную арматуру, которая предохранит рабочую горизонтальную арматуру от выпучивания во время пожара.

10.10 В плитах на стальном профилированном настиле бетон или арматура в гофрах должны соединяться с настилом во избежание его отслоения при огневом воздействии.

Для повышения огнестойкости многопролетных плит из монолитного железобетона на стальном профилированном настиле до R150 в первом крайнем пролете плиты следует увеличить площадь арматуры на 30 % сверх расчета, сечение арматуры на первой промежуточной опоре предусмотреть в два раза больше, чем в первом пролете.

10.11 Предел огнестойкости статически неопределимой конструкции больше предела огнестойкости статически определимой конструкции на 75 %, если площадь сечения арматуры на опоре, где действует отрицательный момент, больше чем в пролете в 1,25 раза; на 100 %, если - в 1,5 раза; на 125 %, если - в 1,75 раза и на 150 %, если - в 2 раза.

Влияние арматуры на опорах учитывают, если 20 % арматуры расположено в пролете и 80 % доводится не менее чем на 0,4l у крайней опоры, и не менее 0,15l на промежуточных опорах.

10.12 Для того, чтобы конструкция температурного шва могла выдерживать высокотемпературное огневое воздействия при пожаре и сохранять достаточные теплоизоляционные свойства, необходимо заполнить его негорючими материалами с низкой теплопроводностью. Ширина температурного шва должна быть не менее 0,0015l, где l - расстояние между температурными швами.

10.13 Во время пожара защитный слой бетона предохраняет арматуру от быстрого нагрева ее до критической температуры. Предел огнестойкости увеличивается, если применить огнезащитное покрытие. Известково-цементная штукатурка толщиной 15 мм, гипсовая - толщиной 10 мм, вермикулитовая - толщиной 5 мм или теплоизоляция из минерального волокна толщиной 5 мм эквивалентны увеличению на 10 мм толщины защитного слоя тяжелого бетона. Огнезащитные покрытия, применяемые для повышения предела огнестойкости конструкций, также могут иметь армирование.

10.14 При применении в стеновых панелях или перекрытиях горючего утеплителя следует предусматривать огнезащиту этого утеплителя по периметру несгораемыми материалами.

10.15 Засыпки и пол из негорючих материалов при теплотехническом расчете включаются в общую толщину плиты и повышают ее предел огнестойкости. Горючие изоляционные слои, уложенные на цементную подготовку, не снижают предела огнестойкости плит. Дополнительные слои стяжки и штукатурки могут быть отнесены к толщине плиты.

11. Огнесохранность железобетонных конструкций после пожара

11.1 При проектировании железобетонных конструкций, указанных в п. 4.11, должна быть проверена их огнесохранность после пожара длительностью, эквивалентной пределу огнестойкости конструкции. При этом следует аналитически предусмотреть всевозможные последствия разрушающего воздействия огня на наружные слои бетона и арматуру.

Прочность после пожара

11.2 Прочность железобетонных элементов рассчитывают для нормальных и наклонных сечений согласно указаниям раздела 8.

Сопротивление сжатию бетона нагретого выше критической температуры допускается не учитывать. Сопротивление бетона сжатию принимается равномерно распределенным по сжатой зоне. В этом случае температура нагрева бетона ниже критической температуры. Расчетные сопротивления сжатию принимают равным Rb, расчетные сопротивления арматуры растяжению и сжатию после огневого воздействия при пожаре принимают соответственно равными Rst и Rsct.

Значение коэффициентов условий работы арматуры γst в охлажденном состоянии после пожара принимают по табл. 5.5 в зависимости от температуры нагрева арматуры во время пожара. Прогрев бетона до критической температуры во время пожара устанавливают по рис. 5.1, 8.1 и 8.2 и теплотехническим расчетом (см. приложения А, Б).

11.3 При расчете огнесохранности железобетонных конструкций по деформационной модели и с применением ЭВМ изменения свойств бетона после пожара учитывают по всему сечению элемента.

11.4 При расчете прочности нормальных сечений железобетонных элементов следует учитывать, что элементы, рассчитанные на работу до пожара при хξRh0, после пожара могут работать при х > ξRh0t из-за уменьшения сжатой зоны бетона после прогрева наружных слоев бетона выше критической температуры.

Когда условие хξRh0 не соблюдается, момент определяют по формулам (8.9) и (8.11), подставляя в них значения высоты сжатой зоны, определяемой по формуле:

х = ξRh0 .                                                                                                   (11.1)

Значение ξR вычисляется по формуле:

                                                                  (11.2)

Относительная деформация растянутой арматуры при напряжениях, равных Rst, определяется:

εs,el = Rst/Es .                                                                                              (11.3)

Относительную деформацию сжатого бетона εb,ult при напряжениях Rbtem принимают равной εb2 по табл. 5.4.

11.5 При расчете по прочности после пожара усилия и деформации в нормальном к продольной оси элемента сечении на основе деформационной модели определяют согласно указаниям пп. 8.24 - 8.26, используя диаграммы состояния бетона и арматуры, по расчетным сопротивлениям, со значениями коэффициентов условий работы γbt и γst в охлажденном состоянии после пожара. Модуль деформации бетона Е определяют по формуле (5.4).

Расчет прогиба после пожара

11.6 Во время пожара в изгибаемых, внецентренно сжатых и внецентренно растянутых элементах при эксплуатационной нагрузке от огневого воздействия происходит развитие дополнительного прогиба из-за значительного нагрева растянутой арматуры и перепада температур по высоте сечения.

При температурах нагрева арматуры до 350 °С прогиб железобетонного элемента развивается, в основном, за счет температурного расширения арматуры и бетона у более нагреваемой поверхности.

При более высоких температурах огневого воздействия прогиб развивается, в основном, из-за высокотемпературной ползучести арматуры.

При пожаре прогиб элемента возникает вследствие воздействия нагрузки и температуры.

После пожара, в охлажденном состоянии, прогиб от неравномерного нагрева по высоте сечения элемента уменьшается, и оставшаяся часть прогиба от нагрузки значительно больше, чем прогиб от нагрузки до пожара из-за снижения модуля упругости бетона и развития пластических деформаций арматуры при нагреве.

При остывании после пожара прочностные и упругопластические свойства бетона практически не восстанавливаются, а в арматуре происходит частичное восстановление прочности и полное восстановление упругости.

11.7 После пожара железобетонные элементы имеют трещины с нагреваемой стороны по всей длине пролета.

Для изгибаемых элементов, имеющих постоянную высоту по длине элемента, в пределах которой изгибаемый момент не меняет знак, кривизну допускается вычислять для наиболее напряженного сечения, принимая ее для остальных сечений изменяющейся пропорционально значению изгибаемого момента.

Для свободно опертых и консольных элементов максимальный прогиб допускается определять по формуле:

f = sl2(1/r)max,                                                                                            (11.4)

где s - коэффициент, зависящий от вида нагрузки и расчетной схемы элемента. При действии равномерно распределенной нагрузки: для свободно опертой балки s = 5/48, для консольной балки s = 1/4.

11.8 Кривизну изгибаемых, внецентренно сжатых и внецентренно растянутых элементов с трещинами в растянутой зоне определяют по формуле:

(1/r)max = (1/r)1 - (1/r)2 + (1/r)3 - (1/r)cs ,                                                   (11.5)

где (1/r)1 - кривизна от непродолжительного действия всей нагрузки, на которую производят расчет по деформациям;

(1/r)2 - кривизна от непродолжительного действия постоянных и временных длительных нагрузок;

(1/r)3 - кривизна от продолжительного действия постоянных и временных длительных нагрузок;

(1/r)cs - кривизна от температурной усадки бетона.

11.9 Кривизна железобетонных элементов от действия нагрузки:

(1/r) = M/D ,                                                                                             (11.6)

где М - изгибаемый момент от внешней нагрузки (с учетом момента от продольной силы N) относительно оси нормальной плоскости действия изгибаемого момента и проходящей через центр тяжести приведенного поперечного сечения элемента;

D - жесткость приведенного поперечного сечения элемента, определяемая по формуле:

D = Eb1Jred .                                                                                               (11.7)

11.10 Жесткость железобетонного элемента D без трещин в растянутой зоне определяют по формуле (11.7), в которой значение модуля деформации бетона принимают равным при непродолжительном действии нагрузки:

Eb1 = 0,85Ebt ,                                                                                           (11.8)

где Ebt определяют по формуле (5.3), в которой коэффициент βb принимают по табл. 5.1 в зависимости от температуры бетона в центре тяжести приведенного сечения.

При продолжительном действии нагрузок в формуле (11.8) Ebt заменяют на Е, который определяют по формуле (5.4), принимая коэффициент φb,cr по табл. 5.1 в зависимости от температуры бетона в центре тяжести приведенного сечения.

11.11 Момент инерции приведенного поперечного сечения элемента относительно его центра тяжести определяют как для сплошного тела по общим правилам сопротивления упругих элементов, с учетом всей площади сечения бетона и площадей сечения арматуры с коэффициентом приведения арматуры к бетону:

Jred = J + Jsα + J'sα .                                                                                  (11.9)

Допускается определять момент инерции Jred без учета арматуры. Момент инерции бетонного сечения относительно центра тяжести приведенного поперечного сечения элемента:

Jred = J = btht3/12 .                                                                                     (11.10)

Момент инерции площадей сечения растянутой и сжатой арматуры относительно центра тяжести приведенного поперечного сечения элемента:

Js = As(h0 - yc)2 .;                                                                                       (11.12)

J's = As(yc - a')2 .                                                                                        (11.12)

Коэффициент приведения растянутой и сжатой арматуры к бетону:

α = Es/Eb1 .                                                                                                (11.13)

Здесь Eb1 определяют по аналогии с формулой (11.8).

Расстояние от наиболее сжатого волокна бетона до центра тяжести приведенного поперечного сечения элемента определяют по формуле:

ys = Sc,red/Ared ,                                                                                           (11.14)

где Sc,red - статический момент приведенного сечения элемента относительно наиболее сжатого волокна бетона, равный:

Sc,red = Sc + Sscα + S'scα .                                                                            (11.15)

Площадь приведенного поперечного сечения элемента равна:

Ared = A + Asα + A'sα ,                                                                               (11.6)

где А - площадь бетонного сечения, определяемая по формуле (8.5) или (8.7), статический момент которой относительно наиболее сжатого волокна бетона определяется по формулам:

Sc = A0,5ht ;                                                                                              (11.17)

Ssc = Ash0 ;                                                                                                 (11.18)

S'sc = A'sa',                                                                                                 (11.19)

где As, Ssc, A's, S'sc - площади поперечного сечения и их статические моменты относительно наиболее сжатого волокна бетона соответственно растянутой и сжатой арматуры. Коэффициент приведения арматуры к бетону определяют по формуле (11.13).

11.12 Жесткость железобетонного элемента с трещиной в растянутой зоне определяют с учетом следующих положений:

- сечения после деформирования остаются плоскими;

- напряжения в бетоне в сжатой зоне определяют как для упругого бетона;

- работу растянутого бетона в сечении с нормальной трещиной не учитывают;

- работу растянутого бетона на участке между смежными нормальными трещинами учитывают коэффициентом ψs.

Жесткость железобетонного элемента на участке с трещинами в растянутой зоне принимают не более жесткости без трещин.

Жесткость железобетонного элемента D с трещинами в растянутой зоне определяют по формуле (11.7), в которой момент инерции Jred приведенного поперечного сечения элемента относительно его центра тяжести определяют по формуле (11.20) с учетом площади сжатой зоны, площадей сечения сжатой арматуры с коэффициентом приведения арматуры к бетону αsl и растянутой арматуры с коэффициентом приведения арматуры к бетону αs2:

Jred = Jb + Jsαsl + J'sαs2.                                                                              (11.20)

11.13 Момент инерции площади сечения сжатого бетона Jb определяют:

а) при действии только изгибающего момента М:

для элементов прямоугольного поперечного сечения:

Jb = btxm3/3;                                                                                               (11.21)

для элементов таврового со сжатой полкой и двутаврового поперечных сечений с нулевой линией, расположенной в ребре ниже сжатой полки (хm > hft), по формуле:

                    (11.22)

б) при действии изгибающего момента М и продольной сжимающей или растягивающей силы N:

для элементов прямоугольного поперечного сечения по формуле:

                                                               (11.23)

для элементов таврового со сжатой полкой и двутаврового поперечных сечений с нулевой линией, расположенной в ребре ниже сжатой полки (xm > h'f), по формуле:

      (11.24)

В тех случаях, когда в формулах (11.22) и (11.24) высота сжатой зоны xm h'ft, то момент инерции Jb вычисляют по формулам (11.21) и (11.23) как для прямоугольного сечения, принимая bt = b'ft.

11.14 Моменты инерции площадей сечения растянутой Js и сжатой арматуры J's относительно центра тяжести приведенного поперечного сечения определяют по формулам:

Js = As(h0ycm)2 ;                                                                                      (11.25)

J's = A's(ycma')2 ;                                                                                     (11.26)

Значение ycm, равное расстоянию от наиболее сжатого волокна бетона до центра тяжести приведенного поперечного сечения без учета бетона растянутой зоны, для изгибаемых элементов равно xm - средней высоте сжатой зоны бетона, учитывающей влияние работы растянутого бетона между трещинами, определяемой по формулам (11.27) и (11.30).

11.15 Для изгибаемых элементов высоту сжатой зоны xm определяют по формуле:

,                                                                    (11.27)

где

                                                   (11.28)

                                             (11.29)

Если вычисленная по формуле (11.27) высота сжатой зоны xm h'ft, то расчет производят как для элементов прямоугольного поперечного сечения, принимая ширину сечения b = b'f, a первый член в формулах (11.28) и (11.29) равным 0,

Для элементов прямоугольного сечения без сжатой арматуры высоту сжатой зоны xm определяют по формуле;

                                                (11.30)

где μs = As/bth0.

11.16 Значения коэффициентов приведения арматуры к бетону принимают равными: для сжатой арматуры:

                                                                                         (11.31)

для растянутой арматуры

                                                                                     (11.32)

Значение коэффициента ψs для изгибаемых элементов допускается определять по формуле (11.33) без учета арматуры:

                                                                          (11.33)

Значение приведенного модуля деформации сжатого бетона Eb,red,t определяют по формуле (5.7) по температуре крайнего сжатого волокна бетона. Прочность бетона на растяжение Rbt,ser,t определяют по формуле (5.2) по температуре бетона на уровне растянутой арматуры.

11.17 Для элементов прямоугольного сечения среднюю высоту сжатой зоны хт при действии изгибающего момента M продольной силы N допускается определять по формуле:

                                                                                 (11.34)

при этом принимают 0 < хт < ht

В формуле (11.34) хт1 вычисляют как для изгибаемых элементов по формулам (11.27), (11.28).

В формуле (11.34) знак «плюс» принимают при сжимающей силе, а «минус» - при растягивающей силе.

11.18 Кривизну элемента при остывании от температурной усадки неравномерно нагретого бетона во время пожара определяют по формуле:

                                                                    (11.35)

где αcs1 и αcs - коэффициенты температурной усадки бетона, принимаемые по табл. 5.3 в зависимости от температуры бетона более tb1 и менее tb нагретой грани сечения, которая была при пожаре.

11.19 После пожара прогиб элемента является одним из критериев возможности дальнейшей эксплуатации конструкции. При действии постоянных и длительных временных нагрузок прогиб балок, плит во всех случаях не должен превышать 1/150 пролета и 1/75 вылета консоли.

Если фактические прогибы превышают допустимые значения, но не препятствуют нормальной эксплуатации, допускается дальнейшая эксплуатация железобетонных конструкций без их усиления.

11.20 Определение прогибов железобетонных элементов на основе деформационной модели после пожара производится по формуле (11.4). Значения кривизны, входящие в формулу (11.5), определяют из решения уравнений железобетонных характеристик в охлажденном состоянии с учетом влияния температуры пожара на модуль упругости и деформации бетона согласно пп. 8.24 - 8.26.

Модуль упругости арматуры после воздействия высокой температуры полностью восстанавливается. После пожара учитывают дополнительные напряжения сжатия, возникающие в арматуре от развития деформаций усадки в бетоне. Для этого следует прибавить к определяемой деформации бетона сжатию εb2 деформацию укорочения бетона от температурной усадки εcs менее нагретой части сечения:

εcs = αcstb ,                                                                                                 (11.36)

где αcs - коэффициент температурной усадки бетона, принимаемый по табл. 5.3 в зависимости от tb - температуры менее нагретой части сечения элемента. При двухзначной эпюре деформаций значение кривизны по сечению равно:

                                                                                              (11.37)

Максимальные деформации бетона εb,max определяют на основе положений, приведенных в пп. 8.24 - 8.26.

Для элементов с трещинами в растянутой зоне напряжение в арматуре, пересекающей трещину, определяют по формуле:

σsi = Esεsi,                                                                                                  (11.38)

где εsi - усредненная относительная деформация растянутой арматуры в рассматриваемой стадии расчета, соответствующая линейному закону распределения деформаций по сечению.

12. Конструктивные требования, обеспечивающие огнесохранность железобетонных конструкций

12.1 При кратковременном высокотемпературном огневом воздействии во время пожара в бетоне происходят физико-химические процессы, изменяющие его механические свойства. В начале пожара, при температуре до 200°С, прочность бетона на сжатие практически не изменяется. Происходит дополнительная гидратация клинкерных минералов и повышение прочности заполнителей, что упрочняет структуру бетона. Если влажность бетона выше 3,5 %, то при огневом воздействии и температуре 250°С возможно хрупкое разрушение бетона. С повышением температуры бетона до 350°С вследствие высыхания бетона начинают образовываться трещины от температурной усадки бетона (рис 12.1).

1 - до 250 °С - взрывообразное хрупкое разрушение наружного слоя бетона с влажностью более 3,5 %; 2 - от 250-350°С - в бетоне образуются, в основном, трещины от температурной усадки бетона; 3 - до 450°С - в бетоне образуются трещины, преимущественно, от разности температурных деформаций цементного камня и заполнителей и свыше 450°С - нарушение структуры бетона из-за дегидрации Са(ОН)2, когда свободная известь в цементном камне гасится влагой воздуха с увеличением объема; 4 - свыше 573°С - нарушение структуры бетона из-за модификационного превращения α-кварца в β-кварц в граните, сопровождающегося увеличением объема заполнителя: 5- свыше 750°С -структура бетона полностью разрушена

Рисунок 12.1 - Нарушение структуры бетона после высокотемпературного огневого воздействия

При высокотемпературном воздействии свыше 350°С в структуре бетона образуются и развиваются микротрещины в кристаллизационной решетке цементного камня. Внутренние напряжения и микротрещины, которые образуются при нагревании из-за различия температурных деформаций в бетоне, снижают прочность и повышают деформативность бетона.

После нагрева бетона до температуры выше 450°С в охлажденном состоянии свободная окись кальция (известь) цементного камня гасится влагой воздуха, при этом происходит значительное увеличение объема минерала с нарушением структуры бетона. Температурная усадка цементного камня при одновременном расширении заполнителей нарушает связи между ними и разрывает цементный камень на отдельные части.

Модификационные превращения кристаллического α-кварца в β-кварц в граните при температуре 573°С сопровождаются значительным увеличением объема минерала и снижением прочности заполнителя. Охлаждение бетона водой при пожаротушении вызывает дополнительное нарушение структуры в наружных слоях бетона.

При температуре свыше 750°С из цементного камня удаляется химически связанная вода, и структура бетона продолжает нарушаться из-за разности температурных деформаций вяжущего и заполнителей.

12.2 В арматуре классов А240, А300, А400 и А500 после нагрева до 600°С, классов А540, А600, А800 и А1000 после нагрева до 400°С и классов В500, Вр1200-Вр1500, К1400-К1500 после нагрева до 300°С прочностные свойства восстанавливаются.

12.3 Для обеспечения огнесохранности и ремонтопригодности железобетонной конструкции после пожара необходимо, чтобы разрушающий слой бетона, нагретый до 450°С, после пожара не оказывал влияния на дальнейшую эксплуатацию конструкции. Это можно обеспечить расстоянием от оси арматуры до нагреваемой грани.

12.4 При стандартном пожаре длительностью 90 минут расстояние от оси арматуры до нагреваемой грани бетона должно быть не менее 35 мм, при 120 мин - 45 мм, при 150 мин - 55 мм, при 180 мин - 60 мм.

12.5 Во избежание выпучивания продольной арматуры при ее нагреве во время пожара необходимо предусмотреть конструктивное армирование хомутами и поперечными стержнями.

12.6 Конструирование элементов должно обеспечить нагрев ненапрягаемой арматуры во время пожара не более 500°С, предварительно напряженной арматуры - не более 100°С.

12.7 Если фактические прогиб и раскрытие трещин после пожара превышают допустимые значения, но не препятствуют нормальной эксплуатации здания и сооружения, допускается не предусматривать усиление конструкции либо снижение нагрузки.

13. Пояснения к приложениям

Приложение А. Теплотехническим расчетом определена температура в плитах и стенах из тяжелого бетона плотностью 2350 кг/м3, влажностью до 2,5 - 3,0 %, на силикатном и карбонатном заполнителях, а также из конструкционного керамзитобетона плотностью 1400-1600 кг/м3 с влажностью до 5 %.

Температуру оси арматуры ts (рис. A.1 - A.6) принимают по температуре бетона на расстоянии от нагреваемой поверхности до оси арматуры.

Предел огнестойкости по потере несущей способности устанавливают по точке пересечения горизонтальной прямой на уровне критической температуры бетона tb,cr с кривой прогрева слоя бетона толщиной at от обогреваемой поверхности до оси растянутой арматуры.

Предел огнестойкости многопустотных и ребристых плит с ребрами вверх следует определять как для сплошных плит с коэффициентом 0,9.

Температура тяжелого бетона на силикатном заполнителе в плите высотой 200 мм на профилированном настиле указана на рис. А.7 и А.8.

Приложение Б. Теплотехническим расчетом определена температура в тяжелом бетоне с силикатным заполнителем плотностью 2000 - 2400 кг/м3 и влажностью 2 - 3 % при стандартном пожаре. Температуру в тяжелом бетоне с карбонатным заполнителем следует определять с коэффициентом 0,9 и в конструкционном керамзитобетоне - с коэффициентом 0,85 по значению температуры, приведенной в номограммах:

- для колонн сечением:

200×200 мм - рис. Б.1; Б.2;

300×300 мм - рис. Б.3;

400×400 мм - рис. Б.4, Б.5;

- для балок сечением:

160×320 мм -рис. Б.7;

300×600 мм - рис. Б.8, Б.9;

- для монолитного ребристого перекрытия с балкой сечением 160×320 мм и плитой толщиной 100 мм - рис. Б.10, Б.11:

~300×600 мм ~200 мм - рис. Б.12 - Б.17;

- для двутавровых балок с шириной полки 240 мм и стенки 80 мм - рис. Б.18:

~300 мм ~120 мм - рис. Б.19, Б.20;

~400 мм ~120 мм - рис. Б.21, Б.22.

Температуру прогрева бетона, приведенную в приложениях А и Б, используют при расчете огнестойкости и огнесохранности железобетонных конструкций жилых, гражданских, спортивных, административных, промышленных зданий и сооружений и тоннелей метро. Для железобетонных конструкций автодорожных и железнодорожных тоннелей, в которых перевозят горючие жидкости, допускается значения температуры умножать на 1,1, а при перевозке углеводородных газов - на 1,2. Для складских помещений для хранения каучука, синтетических материалов, масел, лаков, красок, сжиженного газа, бумаги, зерна и муки - на 1,25.

Температуру бетона в плитах, балках и колоннах, имеющих промежуточные размеры, указанные в приложениях, допускается определять интерполяцией, а имеющих большие значения - экстраполяцией. Для колонн круглого поперечного сечения изменения температуры по радиусу колонны допускается определять так же, как и по оси стороны квадратной колонны.

Приложение А

Температура прогрева бетона в плитах и стенах при одностороннем огневом воздействии стандартного пожара

0-120 - глубина прогрева бетона от нагреваемой поверхности, мм

Рисунок А.1 - Температура прогрева тяжелого бетона на силикатном заполнителе в плитах и стенах высотой сечения 40, 60, 80, 100 и 120 мм при одностороннем огневом воздействии

0-200 - глубина прогрева бетона от нагреваемой поверхности, мм

Рисунок А.2 - Температура прогрева тяжелого бетона на силикатном заполнителе в плитах и стенах высотой сечения 140, 160, 180 и 200 мм при одностороннем огневом воздействии

0-120 - глубина прогрева бетона от нагреваемой поверхности, мм

Рисунок A.3 - Температура прогрева тяжелого бетона на карбонатном заполнителе в плитах и стенах высотой сечения 40, 60, 80, 100 и 120 мм при одностороннем огневом воздействии

0-200 - глубина прогрева бетона от нагреваемой поверхности, мм

Рисунок А.4 - Температура прогрева тяжелого бетона на карбонатном заполнителе в плитах и стенах высотой сечения 140, 160, 180 и 200 мм при одностороннем огневом воздействии

0-120 - глубина прогрева бетона от нагреваемой поверхности, мм

Рисунок А.5 - Температура прогрева конструкционного керамзитобетона в плитах и стенах высотой сечения 40, 60, 80, 100 и 120 мм при одностороннем огневом воздействии

0-200 - глубина прогрева бетона от нагреваемой поверхности, мм

Рисунок А.6- Температура прогрева конструкционного керамзитобетона в плитах и стенах высотой сечения 140, 160, 180 и 200 мм при одностороннем огневом воздействии

Рисунок А. 7 - Температура прогрева тяжелого бетона на силикатном заполнителе в плитах на профилированном настиле (1) при одностороннем огневом воздействии длительностью 60 и 100 мин

Рисунок А.8 - Температура прогрева бетона в плите на профилированном настиле (1) при одностороннем огневом воздействии стандартного пожара длительностью 120 и 150 мин

Приложение Б

Температура прогрева бетона в колоннах, балках и ребристых конструкциях

Рисунок Б.1 - Температура прогрева бетона в колонне сечением 200×200 мм при четырехстороннем воздействии пожара длительностью 30 и 60 мин

Рисунок Б.2 - Температура прогрева бетона в колонне сечением 200×200 мм при четырехстороннем воздействии пожара длительностью 90 и 120 мин

Рисунок Б.3 - Изотермы в бетоне колонны сечением 300×300 мм при четырехстороннем воздействии стандартного пожара длительностью 30, 60, 90, 120, 180 и 240 мин

Рисунок Б.4 - Температура прогрева бетона в колонне сечением 400×400 мм при четырехстороннем воздействии пожара длительностью 30 и 60 мин

Рисунок Б.5 - Температура прогрева бетона в колонне сечением 400×400 мм при четырехстороннем воздействии пожара длительностью 90 и 120 мин

Рисунок Б.6 - Температура прогрева бетона в колонне сечением 400×400 мм при четырехстороннем воздействии пожара длительностью 180 и 240 мин

Рисунок Б.7 - Температура прогрева бетона в балке сечением 160×320 мм при трехстороннем воздействии пожара длительностью 30, 60, 90 и 120 мин

Рисунок Б.8 - Изотермы в бетоне балки сечением 300×600 мм при трехстороннем огневом воздействии стандартного пожара длительностью 30, 60 и 90 мин

Рисунок Б. 9 - Изотермы в бетоне балки сечением 300×600 мм при трехстороннем огневом воздействии стандартного пожара длительностью 120, 180 и 240 мин


Рисунок Б.10- Температура прогрева бетона в монолитном ребристом перекрытии с балкой сечением 160×320 мм и плитой толщиной 100 мм при пожаре длительностью 30 и 60 мин

Рисунок Б.11 - Температура прогрева бетона в монолитном ребристом перекрытии с балкой сечением 160×320 мм и плитой толщиной 100 мм при пожаре длительностью 90 и 120 мин


Рисунок Б.12 - Температура прогрева бетона в монолитном ребристом перекрытии с балкой сечением 300×600 мм и плитой толщиной 200 мм при пожаре длительностью 30 мин

Рисунок Б.13 - Температура прогрева бетона в монолитном ребристом перекрытии с балкой сечением 300×600 мм и плитой толщиной 200 мм при пожаре длительностью 60 мин

Рисунок Б.14 - Температура прогрева бетона в монолитном ребристом перекрытии с балкой сечением 300×600 мм и плитой толщиной 200 мм при пожаре длительностью 90 мин

Рисунок Б.15 - Температура прогрева бетона в монолитном ребристом перекрытии с балкой сечением 300×600 мм и плитой толщиной 200 мм при пожаре длительностью 120 мин

Рисунок Б.16 - Температура прогрева бетона в монолитном ребристом перекрытии с балкой сечением 300×600 мм и плитой толщиной 200 мм при пожаре длительностью 180 мин

Рисунок Б.17 - Температура прогрева бетона в монолитном ребристом перекрытии с балкой сечением 300×600 мм и плитой толщиной 200 мм при пожаре длительностью 240 мин


Рисунок Б.18 - Температура прогрева бетона в двутавровой балке со стенкой толщиной 80 мм и полкой шириной 240 мм при пожаре длительностью 30 и 60 мин

Рисунок Б.19 - Температура прогрева бетона в двутавровой балке со стенкой толщиной 120 мм и полкой шириной 300 мм при пожаре длительностью 30 и 60 мин

Рисунок Б.20 - Температура прогрева бетона в двутавровой балке со стенкой толщиной 120 мм и полкой шириной 300 мм при пожаре длительностью 90 и 120 мин

Рисунок Б.21 - Температура прогрева бетона в двутавровой балке со стенкой толщиной 120 мм и полкой шириной 400 мм при пожаре длительностью 30 и 60 мин

Рисунок Б.22 - Температура прогрева бетона в двутавровой балке со стенкой толщиной 120 мм и полкой шириной 400 мм при пожаре длительностью 90 и 120 мин


Приложение В

Основные буквенные обозначения

Усилия от нагрузки и температуры в поперечном сечении элемента при огневом воздействии

Mn, М, Mt - изгибающий момент от нормативной и расчетной нагрузок и от температуры в результате огневого воздействия;

Nn, N, Nt - продольная сила от нормативной и расчетной нагрузок и от температуры в результате огневого воздействия;

Qn, Q, Qt - поперечная сила от нормативной и расчетной нагрузок и от температуры в результате огневого воздействия;

u - длительность стандартного пожара;

Rbnt = Rbnγbt - нормативное и расчетное сопротивления бетона сжатию;

Rb,tem = Rbγbt

Rbtnt = Rbtnγtt - нормативное и расчетное сопротивления бетона растяжению;

Rbtt = Rbtγtt

Rsnt = Rsnγst - нормативное и расчетное сопротивления арматуры растяжению;

Rst = Rsγst

Rsct = Rscγst - Расчетное сопротивление арматуры сжатию;

Rswt = Rswγst - расчетное сопротивление поперечной арматуры растяжению;

Ebt = Ebβb - модуль упругости бетона;

E - модуль деформации бетона;

Est = Esβs - модуль упругости арматуры;

γbt, γtt - коэффициенты условий работы бетона при сжатии и растяжении;

γst - коэффициент условий работы арматуры при сжатии и растяжении;

γst,cr - критическое значение коэффициента условий работы растянутой арматуры;

βb, βs - коэффициенты, учитывающие изменения модулей упругости бетона и арматуры;

φb,cr - коэффициент ползучести сжатого бетона;

αbt, αcs, αst - коэффициенты температурной и усадочной деформации бетона и температурной деформации арматуры;

εt, εsc - температурная деформация и деформации усадки бетона;

λ, C, ared - коэффициенты теплопроводности, теплоемкости бетона и арматуры и приведенный коэффициент температуропроводности бетона;

εb0, εb2 - предельные относительные деформации бетона при осевом сжатии и однородном напряженном состоянии и крайнего волокна бетона сжатой зоны, при неоднородном напряженном состоянии;

εs0, εs2 - относительные деформации арматуры при напряжении, равном Rst;

sw - расстояние между хомутами;

е, е' - расстояние от точки приложения продольной силы N до равнодействующей усилий в арматуре соответственно S и S';

е0 - эксцентриситет продольной силы N относительно центра тяжести приведенного сечения.

Геометрические характеристики

а, а' - расстояние от равнодействующей усилий в арматуре S и S' до ближайшей грани сечения;

at - глубина прогрева бетона до критической температуры

h0t - рабочая высота сечения при нагреве бетона сжатой зоны до критической температуры бетона tb,cr;

tb, ts - температуры бетона и арматуры;

bt - ширина прямоугольного сечения, ширина ребра таврового и двутаврового сечений при нагреве бетона до критической температуры;

b'ft - ширина полки таврового и двутаврового сечений в сжатой зоне при нагреве бетона до критической температуры.




Яндекс цитирования



   Copyright © 2007-2026,  www.tehlit.ru.

[ ѓосты, стандарты, нормативы, инструкции, правила, строительные нормы ]