//
ТехЛит.ру
- крупнейшая бесплатная электронная интернет библиотека для "технически умных" людей.
WWW.TEHLIT.RU - ТЕХНИЧЕСКАЯ ЛИТЕРАТУРА

:: Алготрейдинг::


АЛГОТРЕЙДИНГ
шаг за шагом
с нуля по урокам!

Торговые роботы на PYTHON, BackTrader,
Pandas, Pine Script для TradingView. Связка с брокерами, телеграм и легкими приложениями.


 

УТВЕРЖДАЮ

Технический директор

ОАО ЛМЗ «Свободный сокол»

_______________Г.Л. Бахтаров

«15» марта 2000 г

ЧАСТИ СОЕДИНИТЕЛЬНЫЕ ЛИТЫЕ ИЗ ВЫСОКОПРОЧНОГО ЧУГУНА ДЛЯ НАПОРНЫХ ТРУБОПРОВОДОВ

Технические условия
ТУ 1460-035-50254094-2000

Держатель подлинника – ОАО «Свободный сокол»

Дата введения с « 01 » 05 2000 г

СОГЛАСОВАНО

 

РАЗРАБОТАНО

Главный инженер

МУП «Липецкводоканал»

_______________В.А. Сериков

«___»___________ 2000 г

Начальник технического отдела

ОАО «Свободный сокол»

_________________Ю.И. Бородин

«____»____________2000 г

Содержание

1 Пояснительная записка

2 Область применения

3 Нормативные ссылки

4 Определения

5 Технические требования

6 Правила приемки

7 Методы испытаний

8 Маркировка, упаковка, транспортирование и хранение

9.1 РАСТРУБНОЕ СОЕДИНЕНИЕ С УНИВЕРСАЛЬНЫМ РЕЗИНОВЫМ КОЛЬЦОМ

9.2 РАСТРУБНОЕ СОЕДИНЕНИЕ ТИПА ТАЙТОНС

9.3 РАСТРУБНОЕ СОЕДИНЕНИЕ ТИПА ТАЙТОН

9.3а СВАРНОЕ НАХЛЕСТОЧНОЕ СОЕДИНЕНИЕ

9.4 ФЛАНЕЦ

9.5 ТРОЙНИК РАСТРУБ - ФЛАНЕЦ

9.6 ТРОЙНИК РАСТРУ БНЫЙ

9.7 ТРОЙНИК ФЛАНЦЕВЫЙ

9.8 КРЕСТ РАСТРУБ - ФЛАНЕЦ

9.9 КРЕСТ РАСТРУБНЫЙ

9.10 КРЕСТ ФЛАНЦЕВЫЙ

9.11 КОЛЕНО РАСТРУБ - ГЛАДКИЙ КОНЕЦ

9.12 КОЛЕНО ФЛАНЦЕВОЕ

9.13 КОЛЕНО РАСТРУБНОЕ

9.14 ОТВОД РАСТРУБ - ГЛАДКИЙ КОНЕЦ

9.15 ОТВОД РАСТРУБНЫЙ

9.16 ОТВОД ФЛАНЦЕВЫЙ

9.17 ПЕРЕХОД РАСТРУБ - ГЛАДКИЙ КОНЕЦ

9.18 ПЕРЕХОД РАСТРУБ - ФЛАНЕЦ

9.19 ПЕРЕХОД ФЛАНЦЕВЫЙ

9.20 ПЕРЕХОД РАСТРУБНЫЙ

9.21 ПАТРУБОК РАСТРУБ - ФЛАНЕЦ

9.22 ПАТРУБОК ФЛАНЕЦ - РАСТРУБ КОМПЕНСАЦИОННЫЙ

9.23 ПАТРУБОК ФЛАНЕЦ - ГЛАДКИЙ КОНЕЦ

9.24 ДВОЙНОЙ РАСТРУБ

9.24 а МУФТА НАДВИЖНАЯ

9.25 ДВОЙНОЙ РАСТРУБ КОМПЕНСАЦИОННЫЙ

9.26 ВЫПУСК РАСТРУБНЫЙ

9.27 ВЫПУСК ФЛАНЦЕВЫЙ

9.28 ПОЖАРНАЯ ПОДСТАВКА РАСТРУБНАЯ

9.29 ТРОЙНИК РАСТРУБ - ФЛАНЕЦ С ПОЖАРНОЙ ПОДСТАВКОЙ

9.30 ТРОЙНИК ФЛАНЦЕВЫЙ С ПОЖАРНОЙ ПОДСТАВКОЙ

9.31 КРЕСТ РАСТРУБ - ФЛАНЕЦ С ПОЖАРНОЙ ПОДСТАВКОЙ

9.32 КРЕСТ ФЛАНЦЕВЫЙ С ПОЖАРНОЙ ПОДСТАВКОЙ

9.33 МУФТА СВЕРТНАЯ

9.34 ЗАГЛУШКА ФЛАНЦЕВАЯ

9.35 ПАТРУБОК РАСТРУБ - ГЛАДКИЙ КОНЕЦ

9.36 Детали построения

1 Пояснительная записка

Настоящие технические условия разработаны на Липецком металлургическом заводе «Свободный сокол». Технические требования на соединительные части из высокопрочного чугуна с шаровидной формой графита и их основные геометрические размеры приведены в соответствие с рекомендациями международного стандарта ИСО 2531:1998.

Соединительные части со стыковым раструбным соединением (типа «Универсал», «Тайтон» и «ВРС») под резиновое уплотнительное кольцо, со сварным нахлесточным соединением и фланцевым соединением предназначены для работы в трубопроводах водонапорных систем питьевого и хозяйственного снабжения с допустимым рабочим давлением до 1,6 МПа.

(Измененная редакция. Изм.№2)

2 Область применения

Настоящие технические условия распространяются на соединительные части, предназначенные для водопроводных систем, в том числе для хозяйственно-питьевого водоснабжения.

Настоящие технические условия применимы к соединительным частям с различными типами соединения в трубопроводе:

- с раструбным соединением «Универсал»;

- с раструбным соединением типа «ВРС»;

- с раструбным соединением типа «Тайтон»;

- со сварным нахлесточным соединением;

- с фланцевым соединением.

(Измененная редакция. Изм.№2)

Настоящие технические условия содержат технические требования на материалы, размеры, допуски, механические свойства, методы испытания соединительных частей с диаметром условного прохода (Dy) от 100 до 300 мм. Соединительные части изготавливаются из высокопрочного чугуна с шаровидным графитом (ЧШГ) и могут применяться во всех типах почв.

Трубы, соединенные фасонными частями, могут испытывать большие диаметральные прогибы при эксплуатации, сохраняя все функциональные характеристики, что позволяет им выдерживать большую толщину почвенного покрытия и большие дорожные нагрузки.

Соединение ВРС обеспечивает невозможность расстыковки труб при прокладке трубопровода в сложном рельефе местности, в местах опасности осадки грунта и при ударных нагрузках. Это особенно важно при монтаже трубопроводов в неустойчивых грунтах, в гористой местности и в вертикальном положении труб.

Раструбное соединение не является жестким и позволяет отклоняться соединенным элементам трубопровода на угол до 5 для труб с Dy 100-150 мм и до 4 для труб с Dy 200-300 мм при сохранении полной герметичности стыка.

Изготовитель поставляет:

- соединительные части раструбные с внутренним и наружным покрытием или без покрытий;

- соединительные части фланцевые с внутренним и наружным покрытием или без покрытий *);

- соединительные части с гладким концом с внутренним и наружным покрытием или без покрытий;

- резиновые уплотнительные кольца (универсальное, под соединение ВРС или ТАЙТОН);

- стопора из высокопрочного чугуна;

*) Фланцевые соединительные части изготавливаются для двух номинальных давлений: 10 бар (1,0 МПа) и 16 бар (1,6 МПа).

(Измененная редакция. Изм.№1)

При заказе на поставку соединительных фасонных частей необходимо указывать индекс обозначения, условный проход ствола Dy, номинальное давление (для фланцевых соединительных частей) и при необходимости отростка dy. Наименования и обозначения соединительных частей устанавливаются согласно таблице 1.

Таблица 1

Наименование

Обозначение

Таблица

в схемах

в документе

1

2

3

4

Тройник раструб – фланец

ТРФ

6

Тройник раструбный

ТР

7

Тройник фланцевый

ТФ

8

Крест раструб – фланец

КРФ

9

Крест раструбный

КР

10

Крест фланцевый

КФ

11

Колено раструб - гладкий конец

УРГ

12

Колено фланцевое

УФ

13

Колено раструбное

УР

14

Отвод раструб - гладкий конец

ОРГ

15

Отвод раструбный

ОР

16

Отвод фланцевый

ОФ

17

Переход раструб - гладкий конец

ХРГ

18

Переход раструб - фланец

ХРФ

19

Переход фланцевый

ХФ

20

Переход раструбный

ХР

21

Патрубок раструб - фланец

ПРФ

22

Патрубок фланец - раструб компенсационный

ПФРК

23

Патрубок фланец - гладкий конец

ПФГ

24

(Измененная редакция. Изм.№4)

1

2

3

4

Двойной раструб

ДР

25

Муфта надвижная

МН

25а

Двойной раструб компенсационный

ДРК

26

Выпуск раструбный

ТАЙТОН

27

Выпуск фланцевый

ВФ

28

Пожарная подставка раструбная

ППР

29

Тройник раструб - фланец с пожарной подставкой

ППТРФ

30

Тройник фланцевый с пожарной подставкой

ППТФ

31

Крест раструб - фланец с пожарной подставкой

ППКРФ

32

Крест фланцевый с пожарной подставкой

ППКФ

33

Муфта свертная

МС

34

Заглушка фланцевая

ЗФ

35

Патрубок раструб - гладкий конец

ПРГ

36

(Измененная редакция. Изм.№1)

(Измененная редакция. Изм.№4)

В индексе соединения ВРС добавляются буква «В», в соединении «Тайтон» добавляется - «Т», в сварном нахлесточным соединением добавляется - «Н».

(Измененная редакция. Изм.№2)

(Измененная редакция. Изм.№1)

Виды и основные размеры раструбного и фланцевого соединений указаны в разделе 9.

Форма и основные размеры соединительных частей указаны в таблицах и на рисунках раздела 9.

Основные размеры приведены в соответствии с рекомендациями международного стандарта ИСО 2531:1998 (серия В).

Примечание - Размеры соединительных частей и предельные отклонения на эти размеры предусмотрены для изделий без покрытия. Массы раструбных соединительных частей приведены для универсального стыкового соединения.

Примеры условных обозначений соединительных частей из ВЧШГ и уплотнительных колец:

Соединительная часть под раструбное стыковое соединение - крест раструбный со стволом условного прохода 200 мм и отростком условного прохода 100 мм:

КР 200×100. ТУ 1460-035-50254094-2002.

Фланцевая соединительная часть - тройник фланцевый под номинальное давление 10 бар (1,0 МПа), со стволом условного прохода 200 мм и отростком условного прохода 100 мм:

ТФ 200×100-PN10. ТУ 1460-035-50254094-2002.

Соединительная часть с раструбом (типа ВРС) - тройник раструбный со стволом условного прохода 200 мм и отростком условного прохода 100 мм:

ТР ВРС 200× 100. ТУ 1460-035-50254094-2002.

Стопора из высокопрочного чугуна для труб Dy 300 мм:

стопора ЧШГ 300. ТУ 1461-037-50254094-2000.

Резиновое кольцо (под соединение «Универсал») Dy 300 мм:

резиновое кольцо У 300. ТУ 1461-037-50254094-2000.

(Измененная редакция. Изм.№1)

(Измененная редакция. Изм.№2)

Резиновое уплотнительное кольцо (под соединение ВРС) для труб Dy 300 мм:

резиновое кольцо ВРС 300. ТУ 1461-037-50254094-2000.

Соединительная часть с раструбом (типа Тайтон) - тройник раструбный со стволом условного прохода 300 мм и отростком условного прохода 150 мм:

- ТР Т 300×150. ТУ 1460-035-50254094-2000

Резиновое уплотнительное кольцо (под соединение Тайтон) для труб Dy 200 мм:

резиновое кольцо Т 200. ТУ 1461-037-50254094-2000

(Измененная редакция. Изм.№1)

Соединительная часть под сварное нахлесточное соединение - тройник раструбный со стволом условного прохода 200 мм и отростком условного прохода 100 мм:

- ТР Н 200×100. ТУ 1460-035-50254094-2000

(Измененная редакция. Изм.№2)

3 Нормативные ссылки

В настоящих технических условиях использованы ссылки на следующие стандарты:

ГОСТ 1497-84 «Металлы. Методы испытаний на растяжение»

ГОСТ 3845-75 «Трубы металлические. Методы испытания гидравлическим давлением»

ГОСТ 5631-79 «Лак БТ-577 и краска БТ-177. Технические условия»

ГОСТ 7293-85 «Чугун с шаровидным графитом для отливок»

ГОСТ 9012-59 «Металлы. Методы испытаний. Измерение твердости по Бринелю»

ГОСТ 10692-80 «Трубы стальные, чугунные и соединительные части к ним. Маркировка, упаковка, транспортирование и хранение»

ГОСТ 26645-85 «Отливки из металлов и сплавов. Допуски размеров массы и припуски на механическую обработку»

ГОСТ 27208-87 «Отливки из чугуна. Методы механических испытаний»

ТУ 1461-037-50254094-2000 «Трубы чугунные напорные высокопрочные»

ИСО 2531:1998 «Трубы, фитинги и арматура из высокопрочного чугуна для напорных трубопроводов»

4 Определения

В настоящих технических условиях используются следующие определения:

Высокопрочный чугун с шаровидным графитом: тип чугуна, в котором графит присутствует преимущественно в шаровидной форме.

Труба: отливка с равномерным каналом, с прямой осью, имеющая гладкий, раструбный или фланцевый концы.

Соединительная часть: присоединяемое к трубе изделие, которое обеспечивает отклонение, изменение направления трубопровода.

Гладкий конец: конец трубы, помещаемый в раструбное соединение.

Раструб: охватывающий конец трубы.

Номинальный размер (Dy- условный проход): округленное цифровое обозначение условного размера, которое является общим для всех компонентов трубопроводной системы.

Допустимое рабочее давление: Внутреннее давление, исключая скачки давления, которое компоненты трубопровода могут безопасно выдерживать при постоянной работе.

Допустимое испытательное давление: максимальное гидростатическое давление, которое компонент трубопровода может выдерживать в течение относительно короткого промежутка времени, предназначенное для испытания целостности и герметичности компонентов трубопровода.

Партия: количество изделий, из которого выбирается образец для испытания в процессе производства.

Длина: действительная длина изделия, которая показана на рисунках раздела 9.

Примечание - Для фланцевых фасонных частей действительная длина равна полной длине. Для раструбных фасонных частей действительная длина равна полной длине минус глубина, на которую входит гладкий конец в раструб.

5 Технические требования

5.1 Соединительные части должны изготавливаться из чугуна с шаровидным графитом.

5.2 Твердость изделий на наружной поверхности не должна превышать 250 НВ.

5.3 Прочность металла соединительных частей, определяемая при механическом испытании образцов на растяжение, должна быть не менее: предел прочности - 420 МПа (42,0 кгс/мм ), предел текучести - 300 МПа (30,0 кгс/мм ), относительное удлинение - 5%.

Примечание - Величина предела текучести контролируется по требованию потребителя.

5.4 Конструкция и размеры литых фасонных частей должны соответствовать чертежу фасонных частей, утверждённому в установленном порядке.

Основные размеры фасонных частей приведены на рисунках 1-10 и в таблицах 1-10. Допустимые отклонения не должны превышать:

± 20 мм

по длине раструбных соединительных частей;

± 10 мм

по длине фланцевых соединительных частей.

Допустимые отклонения по наружному диаметру (Dh) и толщине стенки (S) соединительных частей указаны в таблицах 2 - 5.

Примечание - Плюсовой допуск по толщине стенки соединительной части ограничивается допуском по массе.

(Измененная редакция. Изм.№3)

5.5 Отклонение фактической массы соединительных частей от теоретической не должно превышать ± 8%.

Примечание - Допускается превышение максимальной массы соединительных частей при соблюдении всех остальных требований настоящих технических условий.

5.6 Соединительные части должны выдерживать допустимое испытательное гидравлическое давление не менее 2,5 МПа и давление сжатым воздухом не менее 0,1 МПа.

5.7 На внутренней поверхности раструба в месте расположения резинового уплотнительного кольца не допускается наплыв металла, раковины, пригар и другие пороки, влияющие на герметичность соединительных частей.

5.8 Допускается исправление дефектов соединительных частей заваркой с последующей зачисткой мест заварки и проведения повторного гидравлического испытания давлением не менее 3,0 МПа или испытание сжатым воздухом давлением не менее 0,2 МПа.

5.9 На наружной и внутренней поверхностях соединительных частей допускаются пороки, обусловленные способом производства и не влияющие на герметичность и прочность соединения при эксплуатации.

5.10 Торцы гладких концов соединительных частей, а также торцевые поверхности фланцев, должны быть перпендикулярны к осям приведённых соединительных частей. Оси отростков фасонных частей должны быть перпендикулярны к осям ствола фасонных частей.

Отклонение от перпендикулярности торца гладкого конца, торцевых поверхностей фланцев и оси отростка к оси ствола СФЧ не должно превышать 0,5 °.

(Измененная редакция. Изм.№3)

5.11 Расположение болтовых отверстий на фланцах соединительных частей должно быть симметрично вертикальной и горизонтальной осям фланца и не располагаться на данных осях. Оси болтовых отверстий фланцев на противоположных концах соединительной части должны составлять одну прямую линию.

Допускаемые отклонения устанавливаются:

+ 1,0 мм

по диаметру отверстий под болты во фланцах;

± 0,5 мм

по расстоянию между центрами отверстий;

±1,0 мм

по толщине фланца;

- смещение центра окружности расположения центров болтовых отверстий относительно центра внутреннего диаметра фланца не должно превышать:

± 1,0 мм

для Ду 100-150 мм,

±1,5 мм

для Ду 200-300 мм;

- несоосность болтовых отверстий фланцев на противоположных концах соединительных частей должна быть не более 1,0 мм.

(Измененная редакция. Изм.№3)

5.12 Наружная поверхность соединительных частей, поставляемых с покрытием, должна быть защищена битумным лаком по ГОСТ 5631-79 или другим нетоксичным материалом, разрешенным Государственным Комитетом санэпиднадзора РФ для применения в качестве наружных покрытий трубопроводов в хозяйственно-питьевом водоснабжении.

5.13 На внутреннюю поверхность труб, поставляемых с покрытием может быть нанесен материал, соответствующий «Перечню материалов, реагентов и малогабаритных очистных устройств, разрешенных ГКСЭН РФ для применения в хозяйственно-питьевом водоснабжении».

Разрешается использование материалов, имеющих гигиеническое заключение или сертификат соответствия со ссылкой на гигиеническое заключение для целевого использования материала.

5.14 Раструбные соединительные части под универсальное стыковое соединение и под соединение ТАЙТОН поставляются потребителю в комплекте с резиновыми кольцами. Раструбные соединительные части под соединение ВРС поставляются потребителю в комплекте с резиновыми кольцами и стопорами. Фланцевые соединительные части поставляются потребителю в комплекте с болтами.

5.15 Технические требования, размеры и массы резиновых колец, стопоров согласно ТУ 1461-037-50254094-2000.

6 Правила приемки

6.1 Соединительные части предъявляют к приемке партиями. Количество проверяемых в партии отливок устанавливается предприятием-изготовителем.

6.2 Соединительные части подвергаются следующим видам контроля:

- визуальный контроль;

- измерительный контроль;

- гидравлическое или пневматическое испытание.

6.3 Осмотру, обмеру, гидравлическому или пневматическому испытанию должно быть подвергнуто каждая часть соединительная.

6.4 Проверка твердости и механических свойств металла проводится на отдельно отлитой заготовке или на образце, изготовленном из детали.

6.5 При получении неудовлетворительных результатов испытаний хотя бы по одному из показателей, производятся повторные испытания по этому показателю удвоенного количества образцов взятых от той же партии.

Результаты повторных испытаний распространяются на всю партию.

6.6 Результаты гидравлических испытаний считаются удовлетворительными, если на поверхности изделия не обнаружено видимой протечки или выпотевания.

6.7 Результаты пневмоиспытаний считаются удовлетворительными, если на поверхности изделия не обнаружено нарушений герметичности.

7 Методы испытаний

7.1 Для определения механических свойств металла соединительных частей применяют отдельно отлитые заготовки согласно ГОСТ 7293-85 или образцы, изготовленные из деталей. Изготовление и испытание образцов проводятся согласно ГОСТ 1497-84 и ГОСТ 27208-87.

7.2 Испытание на твердость проводится по ГОСТ 9012-59.

7.3 Геометрические размеры соединительных частей контролируются стандартными мерительными инструментами или инструментом, изготовленным по чертежам завода-изготовителя.

7.4 Осмотр изделий производится визуально, без применения увеличительных приборов.

7.5 Гидравлическое испытание проводится по ГОСТ 3845-75.

7.6 Пневматическое испытание соединительных частей проводится по методике завода-изготовителя. Испытание проводится путем погружения изделия в воду или путем нанесения на поверхность изделия пенного раствора.

8 Маркировка, упаковка, транспортирование и хранение

8.1 Упаковка, транспортирование и хранение соединительных частей, оформление документации должно производиться в соответствии с требованиями ГОСТ 10692-80.

8.2 Соединительные части должны иметь на наружной поверхности литую или нанесенную краской маркировку, включающую следующие обозначения:

- товарный знак предприятия изготовителя;

- обозначение, что материалом является чугун с шаровидным графитом (ЧШГ);

- условный проход ствола и отростка;

- год изготовления;

- номинальное давление для фланцев, МПа (Р );

- ссылка на международный стандарт (ISO 2531).

8.3 Соединительные части должны храниться на ровных площадках.

8.4 На каждую отгружаемую потребителю партию соединительных частей Поставщик выдает документ о качестве, в котором должны быть указаны: наименование предприятия-изготовителя, индекс обозначения соединительной части, диаметры условных проходов ствола и отростка, количество изделий, теоретическая масса, тип и количество резиновых колец, предел прочности при растяжении, относительное удлинение и твердость металла соединительных частей.

8.5 Стопора под соединение ВРС хранятся в открытой таре, рассортированные по диаметрам.

8.6 Резиновые кольца должны храниться в закрытых помещениях при температуре от 0 до 25°С, на расстоянии не менее 1 м от отопительных приборов и должны быть защищены от прямого солнечного света, загрязнения смазочными материалами, маслами, керосином, бензином, кислотами и щелочами, оказывающими вредное воздействие на резину.

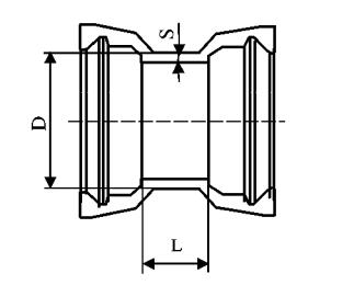
9.1 РАСТРУБНОЕ СОЕДИНЕНИЕ С УНИВЕРСАЛЬНЫМ РЕЗИНОВЫМ КОЛЬЦОМ

Рисунок 1

Таблица 2

Размеры в миллиметрах

Условный проход, Dy

Гладкий конец, DH

S

l1

Масса раструба, кг

Тройники и кресты

Другие ФСЧ

100

8,4-2,4

7,2-2,4

85

4,6

150

9,1-2,5

7,8-2,5

90

7,8

200

9,8-2,5

8,4-2,5

89

10,5

250

10,5-2,6

9,0-2,6

94

14,0

300

11,2-2,6

9,6-2,6

98

18,0

9.2 РАСТРУБНОЕ СОЕДИНЕНИЕ ТИПА ТАЙТОНС

Рисунок 2

Таблица 3

Размеры в миллиметрах

Условный проход, Dy

Гладкий конец,DH

S

l1

Масса раструба, кг

Тройники и кресты

Другие ФСЧ

100

8,4-2,4

7,2-2,4

135

6,9

150

9,1-2,5

7,8-2,5

150

10,7

200

9,8-2,5

8,4-2,5

160

16,8

250

10,5-2,6

9,0-2,6

165

23,2

300

11,2-2,6

9,6-2,6

170

29,6

9.3 РАСТРУБНОЕ СОЕДИНЕНИЕ ТИПА ТАЙТОН

Рисунок 3

(Измененная редакция. Изм.№1)

Таблица 4

Размеры в миллиметрах

Условный проход, Dy

Гладкий конец, DH

S

 

l1

Масса раструба, кг

Тройники и кресты

Другие ФСЧ

100

8,4-2,4

7,2-2,4

88

4,3

150

9,1-2,5

7,8-2,5

94

7,1

200

9,8-2,5

8,4-2,5

100

10,3

250

10,5-2,6

9,0-2,6

105

14,2

300

11,2-2,6

9,6-2,6

110

18,9

(Измененная редакция. Изм.№1)

9.3а СВАРНОЕ НАХЛЕСТОЧНОЕ СОЕДИНЕНИЕ

Рисунок 3а

Таблица 4а

Условный проход, Dy

S

Масса раструба, кг

Тройники и кресты

Другие ФСЧ

100

118

8,4-2,4

7,2-2,4

3,8

150

170

9,1-2,5

7,8-2,5

5,4

200

222

9,8-2,5

8,4-2,5

7,1

250

274

10,5-2,6

9,0-2,6

8,7

300

326

11,2-2,6

9,6-2,6

10,4

(Измененная редакция. Изм.№2)

9.4 ФЛАНЕЦ

Рисунок 4

Таблица 5

Размеры в миллиметра

Условный проход, Dy

DH

S

PN, бар

D1

D2

D3

d

n, шт.

а

Тройники и кресты

Другие ФСЧ

100

8,4-2,4

7,2-2,4

10

220

180

153

19

8

19

16

220

180

153

19

8

19

150

9,1-2,5

7,8-2,5

10

285

240

209

23

8

19

16

285

240

209

23

8

19

200

9,8-2,5

8,4-2,5

10

340

295

264

23

8

20

16

340

295

264

23

12

20

250

10,5-2,6

9,0-2,6

10

400

350

319

23

12

22

16

400

355

319

28

12

22

300

11,2-2,6

9,6-2,6

10

455

400

367

23

12

24,5

16

455

410

367

28

12

24,5

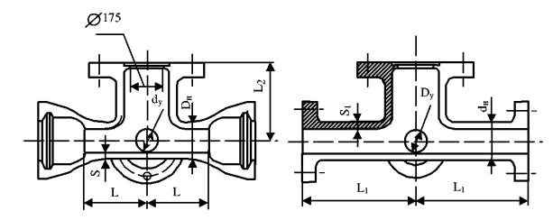
9.5 ТРОЙНИК РАСТРУБ - ФЛАНЕЦ

Рисунок 5

Таблица 6

Размеры в миллиметрах

Dyxdy

Ствол

Отросток

S

L

S1

L1

100×100

8,4

195

8,4

180

150×100

9,1

200

8,4

205

150×150

9,1

260

9,1

220

200×100

9,8

200

8,4

230

200×150

9,8

260

9,1

245

200×200

9,8

320

9,8

260

250×100

10,5

205

8,4

270

250×150

10,5

265

9,1

280

250×200

10,5

320

9,8

290

250×250

10,5

380

10,5

300

300×100

11,2

210

8,4

300

300×150

11,2

265

9,1

310

300×200

11,2

325

9,8

320

300×250

11,2

380

10,5

330

300×300

11,2

440

11,2

340

9.6 ТРОЙНИК РАСТРУ БНЫЙ

Рисунок 6

Таблица 7

Размеры в миллиметрах

Dy×dy

Ствол

Отросток

S

L

S1

L1

100×100

8,4

195

8,4

100

150×100

9Д

200

8,4

125

150×150

9,1

260

9,1

130

200×100

9,8

200

8,4

150

200×150

9,8

260

9,1

155

200×200

9,8

320

9,8

160

250×100

10,5

205

8,4

190

250×150

10,5

265

9,1

190

250×200

10,5

320

9,8

190

250×250

10,5

380

10,5

190

300×100

11,2

210

8,4

220

300×150

11,2

265

9,1

220

300×200

11,2

325

9,8

220

300×250

11,2

380

10,5

220

300×300

11,2

440

11,2

220

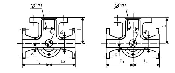
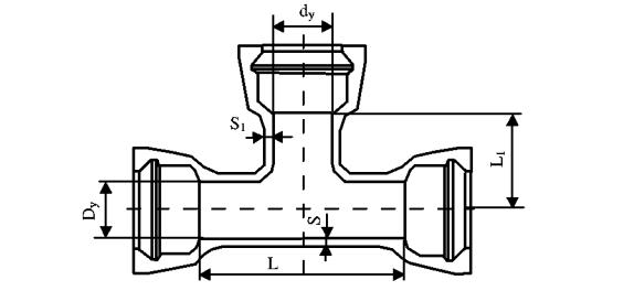
9.7 ТРОЙНИК ФЛАНЦЕВЫЙ

Рисунок 7

Таблица 8

Размеры в миллиметрах

Dy×dy

Ствол

Отросток

S

L

S1

L1

100×100

8,4

360

8,4

180

150×100

9,1

380

8,4

205

150×150

9,1

440

9,1

220

200×100

9,8

400

8,4

230

200×150

9,8

460

9,1

245

200×200

9,8

520

9,8

260

250×100

10,5

425

8,4

270

250×150

10,5

485

9,1

280

250×200

10,5

540

9,8

290

250×250

10,5

600

10,5

300

300×100

11,2

450

8,4

300

300×150

11,2

505

9,1

310

300×200

11,2

565

9,8

320

300×250

11,2

620

10,5

330

300×300

11,2

680

11,2

340

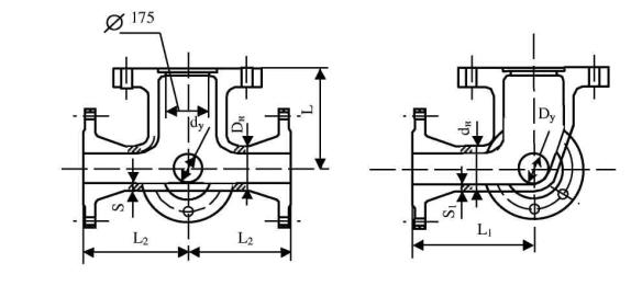
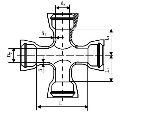
9.8 КРЕСТ РАСТРУБ - ФЛАНЕЦ

Рисунок 8

Таблица 9

Размеры в миллиметрах

Dy×dy

Ствол

Отросток

S

L

S1

L1

100×100

8,4

195

8,4

180

150×100

9,1

200

8,4

205

150×150

9,1

260

9,1

220

200×100

9,8

200

8,4

230

200×150

9,8

260

9,1

245

200×200

9,8

320

9,8

260

250×100

10,5

205

8,4

270

250×150

10,5

265

9,1

280

250×200

10,5

320

9,8

290

250×250

10,5

380

10,5

300

300×100

11,2

210

8,4

300

300×150

11,2

265

9,1

310

300×200

11,2

325

9,8

320

300×250

11,2

380

10,5

330

300×300

11,2

440

11,2

340

9.9 КРЕСТ РАСТРУБНЫЙ

Рисунок 9

Таблица 10

Размеры в миллиметрах

Dy×dy

Ствол

Отросток

S

L

S1

L1

100×100

8,4

195

8,4

100

150×100

9Д

200

8,4

125

150×150

9,1

260

9,1

130

200×100

9,8

200

8,4

150

200×150

9,8

260

9,1

155

200×200

9,8

320

9,8

160

250×100

10,5

205

8,4

190

250×150

10,5

265

9,1

190

250×200

10,5

320

9,8

190

250×250

10,5

380

10,5

190

300×100

11,2

210

8,4

220

300×150

11,2

265

9,1

220

300×200

11,2

325

9,8

220

300×250

11,2

380

10,5

220

300×300

11,2

440

11,2

220

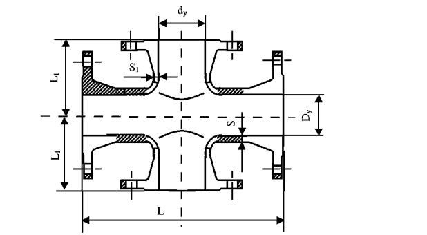
9.10 КРЕСТ ФЛАНЦЕВЫЙ

Рисунок 10

Таблица 11

В миллиметрах

Dy×dy

Ствол

Отросток

S

L

S1

L1

100×100

8,4

360

8,4

180

150×100

9,1

380

8,4

205

150×150

9,1

440

9,1

220

200×100

9,8

400

8,4

230

200×150

9,8

460

9,1

245

200×200

9,8

520

9,8

260

250×100

10,5

425

8,4

270

250×150

10,5

485

9,1

280

250×200

10,5

540

9,8

290

250×250

10,5

600

10,5

300

300×100

11,2

450

8,4

300

300×150

11,2

505

9,1

310

300×200

11,2

565

9,8

320

300×250

11,2

620

10,5

330

300×300

11,2

680

11,2

340

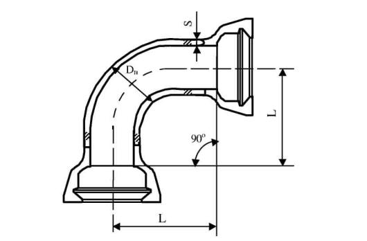
9.11 КОЛЕНО РАСТРУБ - ГЛАДКИЙ КОНЕЦ

Рисунок 11

Таблица 12

В миллиметрах

Dy

S

DH

L

l1

100

7,2

118

100

135

150

7,8

170

130

150

200

8,4

222

160

160

250

9,0

274

240

165

300

9,6

326

280

170

9.12 КОЛЕНО ФЛАНЦЕВОЕ

Рисунок 12

Таблица 13

В миллиметрах

Dy

S

DH

L

100

7,2

118

180

150

7,8

170

220

200

8,4

222

260

250

9,0

274

350

300

9,6

326

400

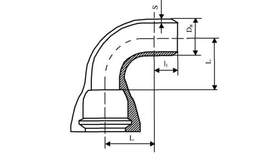
9.13 КОЛЕНО РАСТРУБНОЕ

Рисунок 13

Таблица 14

В миллиметрах

Dy

S

DH

L

100

7,2

118

100

150

7,8

170

130

200

8,4

222

160

250

9,0

274

240

300

9,6

326

280

9.14 ОТВОД РАСТРУБ - ГЛАДКИЙ КОНЕЦ

Рисунок 14

Таблица 15

В миллиметрах

Dy

Dh

l1

S

l

Отвод α=ll°15/

Отвод α =22°30/

Отвод α =30°

Отвод α = 45°

100

118

80

7,2

30

50

50

60

150

170

85

7,8

40

60

65

70

200

222

85

8,4

45

70

80

80

250

274

90

9,0

55

80

95

135

300

326

95

9,6

55

90

110

155

9.15 ОТВОД РАСТРУБНЫЙ

Рисунок 15

Таблица 16

В миллиметрах

Dy

Dh

S

l

Отвод α =11°15/

Отвод α =22°30/

Отвод α =30°

Отвод α = 45°

100

118

7,2

30

50

50

60

150

170

7,8

40

60

65

70

200

222

8,4

45

70

80

80

250

274

9,0

55

80

95

135

300

326

9,6

55

90

110

155

9.16 ОТВОД ФЛАНЦЕВЫЙ

Рисунок 16

Таблица 17

В миллиметрах

Dy

S

 

1

 

 

Отвод, α =11° 15'

Отвод, α =22° 3’

Отвод, α =30°

Отвод, α = 45°

100

7,2

140

140

140

140

150

7,8

160

160

160

160

200

8,4

180

180

180

180

250

9,0

245

245

245

245

300

9,6

275

275

275

275

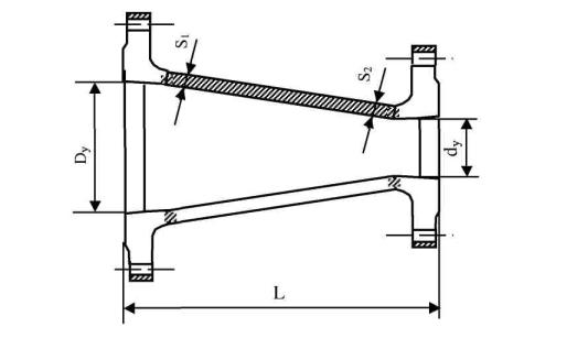
9.17 ПЕРЕХОД РАСТРУБ - ГЛАДКИЙ КОНЕЦ

Рисунок 17

Таблица 18

В миллиметрах

Ствол, Dy

Обозначение

Отросток, dy

100

150

200

250

150

L

290

 

 

 

Масса, кг

11,7

L1

150

200

L

390

295

 

 

Масса, кг

16,7

18,4

L1

160

160

250

L

 

395

295

 

Масса, кг

24,8

24,9

L1

165

165

300

L

 

495

395

295

Масса, кг

32,8

32,9

32,6

L1

170

170

170

9.18 ПЕРЕХОД РАСТРУБ - ФЛАНЕЦ

Рисунок 18

Таблица 19

В миллиметрах

Ствол, Dy

Обозначение

Отрос ток, dy

100

150

200

250

150

L

245

 

 

 

Масса, кг

17,2

200

L

345

245

 

 

Масса, кг

24,3

24,4

250

L

 

345

245

 

Масса, кг

33,6

33,0

300

L

 

445

345

245

Масса, кг

44,8

44,2

43,3

9.19 ПЕРЕХОД ФЛАНЦЕВЫЙ

Рисунок 19

Таблица 20

В миллиметрах

Dy×dy

S1

L

S2

150×100

7,8

200

7,2

200×100

8,4

300

7,2

200x150

8,4

300

7,8

250×200

9,0

300

8,4

300×200

9,0

300

8,4

300×250

9,6

300

9,0

9.20 ПЕРЕХОД РАСТРУБНЫЙ

Рисунок 20

Таблица 21

В миллиметрах

Dy×dy

S1

L

S2

150×100

7,8

150

7,2

200×100

8,4

250

7,2

200×150

8,4

145

7,8

250×150

9,0

250

7,8

250×200

9,0

150

8,4

300×150

9,6

370

7,8

300×200

9,6

250

8,4

300×250

9,6

150

9,0

9.21 ПАТРУБОК РАСТРУБ - ФЛАНЕЦ

Рисунок 21

Таблица 22

Размеры в миллиметрах

Dy

S

DH

L

100

7,2

118

110

150

7,8

170

120

200

8,4

222

120

250

9,0

274

125

300

9,6

326

130

9.22 ПАТРУБОК ФЛАНЕЦ - РАСТРУБ КОМПЕНСАЦИОННЫЙ

(Измененная редакция. Изм.№4)

Рисунок 22

Таблица 23

Размеры в миллиметрах

Dy

Наружный диаметр трубы, Dh

L

D

d

n, шт.

стальной

чугунной

100

108

118

200

180

18

8

150

159

170

240

240

23

8

200

219

222

225

295

23

8

250

273

274

250

350

23

12

300

325

326

250

400

23

12

9.23 ПАТРУБОК ФЛАНЕЦ - ГЛАДКИЙ КОНЕЦ

Рисунок 23

Таблица 24

Размеры в миллиметрах

Dy

S

DH

L

Масса, кг

100

7,2

118

360

10,2

150

7,8

170

380

18,2

200

8,4

222

400

30,6

250

9,0

274

420

42,2

300

9,6

326

440

50,3

9.24 ДВОЙНОЙ РАСТРУБ

Рисунок 24

Таблица 25

В миллиметрах

Условный проход, Dy

D

S

L

Масса, кг

100

118

7,2

160

11,0

150

170

7,8

165

18,5

200

222

8,4

170

25,1

250

274

9,0

175

34,5

300

326

9,6

180

44,3

(Измененная редакция. Изм.№4)

9.24 а МУФТА НАДВИЖНАЯ

Рисунок 24а

Таблица 25а

В миллиметрах

Условный проход, Dy

D

S

L

Масса, кг

100

130

7,2

160

12,8

150

183

7,8

165

21,2

200

235

8,4

170

28,9

250

288

9,0

175

38,7

300

340

9,6

180

49,8

(Измененная редакция. Изм.№4)

9.25 ДВОЙНОЙ РАСТРУБ КОМПЕНСАЦИОННЫЙ

(Измененная редакция. Изм.№4)

 

Рисунок 25

Таблица 26

Размеры в миллиметрах

Dy

L

L1

D

Dh

d

n, шт

100

320

200

180

118

М16

4+4

150

340

210

240

170

М20

4+4

200

340

210

295

222

М20

4+4

250

350

220

350

274

М20

6+6

300

350

220

402

326

М20

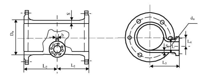
6+6

9.26 ВЫПУСК РАСТРУБНЫЙ

Рисунок 26

Таблица 27

В миллиметрах

Условный проход

DH

dH

S

S1

L2

L3

L4

b

Масса, кг

Ствола, Dy

Отростка, dy

200

100

222

118

8,4

7,2

245

225

51

9

47,3

250

100

274

118

9,0

7,2

245

250

76

9

60,9

300

100

326

118

9,6

7,2

245

275

102

10

76,2

9.27 ВЫПУСК ФЛАНЦЕВЫЙ

Рисунок 27

Таблица 28

В миллиметрах

Условный

 

 

 

 

 

 

 

 

 

проход

DH

dH

S

S1

L2

L3

L4

b

Масса, кг

Ствола, Dy

Отростка, dy

200

100

222

118

8,4

7,2

300

225

51

9

40,3

250

100

274

118

9,0

7,2

300

250

76

9

52,0

300

100

326

118

9,6

7,2

300

275

102

10

64,5

9.28 ПОЖАРНАЯ ПОДСТАВКА РАСТРУБНАЯ

Рисунок 28

Таблица 29

В миллиметрах

Условный проход ствола, DY

DH

S

L

L1

Масса, кг

100

118

8,4

190

225

30,8

150

170

9,1

195

250

42,1

200

222

9,8

245

275

57,5

250

274

10,5

245

300

71,9

300

326

11,2

245

325

88,2

9.29 ТРОЙНИК РАСТРУБ - ФЛАНЕЦ С ПОЖАРНОЙ ПОДСТАВКОЙ

Рисунок 29

Таблица 30

Размеры в миллиметрах

Условный проход

DH

dH

S

S1

L

L1

L2

Масса, кг

Ствола, Dy

Отростка, dy

100

100

118

118

8,4

8,4

190

200

225

36,9

150

100

170

118

9,1

8,4

200

200

250

47,6

150

170

170

9,1

9,1

250

250

250

51,8

200

100

222

118

9,8

8,4

225

225

275

62,9

150

222

170

9,8

9,1

275

275

275

67,1

200

222

222

9,8

9,8

300

300

275

71,6

250

150

274

170

10,5

9,1

250

250

300

79,7

200

274

222

10,5

9,8

275

275

300

83,4

250

274

274

10,5

10,5

300

300

300

88,2

300

200

326

222

11,2

9,8

300

300

325

99,2

250

326

274

11,2

10,5

300

300

325

103,2

300

326

326

11,2

11,2

300

300

325

106,2

9.30 ТРОЙНИК ФЛАНЦЕВЫЙ С ПОЖАРНОЙ ПОДСТАВКОЙ

Рисунок 30

Таблица 31

Размеры в миллиметрах

Условный проход

DH

dH

S

S1

L

L1

L2

Масса, кг

Ствола, Dy

Отростка, dy

100

100

118

118

8,4

8,4

190

200

225

36,9

150

100

170

118

9,1

8,4

200

200

250

47,6

150

170

170

9,1

9,1

250

250

250

51,8

200

100

222

118

9,8

8,4

225

225

275

62,9

150

222

170

9,8

9,1

275

275

275

67,1

200

222

222

9,8

9,8

300

300

275

71,6

250

150

274

170

10,5

9,1

250

250

300

79,7

200

274

222

10,5

9,8

275

275

300

83,4

250

274

274

10,5

10,5

300

300

300

88,2

300

100

326

118

11,2

8,4

300

275

325

81,6

150

326

170

11,2

9,1

300

275

325

83,7

200

326

222

11,2

9,8

300

300

325

99,2

250

326

274

11,2

10,5

300

300

325

103,2

300

326

326

11,2

11,2

300

300

325

106,2

9.31 КРЕСТ РАСТРУБ - ФЛАНЕЦ С ПОЖАРНОЙ ПОДСТАВКОЙ

Рисунок 31

Таблица 32

В миллиметрах

Условный диаметр

DH

dH

S

S1

L

L1

L2

Масса, кг

Ствола, Dy

Отростка, dу

100

100

118

118

8,4

8,4

190

200

225

42,9

150

100

170

118

9,1

8,4

195

200

250

53,1

150

170

170

9,1

9,1

195

250

250

61,5

 

100

222

118

9,8

8,4

195

225

275

68,3

200

150

222

170

9,8

9,1

195

275

275

76,7

 

200

222

222

9,8

9,8

245

300

275

85,6

 

150

274

170

10,5

9,1

195

250

300

87,5

250

200

274

222

10,5

9,8

245

275

300

94,8

 

250

274

274

10,5

10,5

245

300

300

104,8

 

200

326

222

11,2

9,8

245

300

325

110,2

300

250

326

274

11,2

10,5

245

300

325

117,2

 

300

326

326

11,2

11,2

295

300

325

125,2

9.32 КРЕСТ ФЛАНЦЕВЫЙ С ПОЖАРНОЙ ПОДСТАВКОЙ

Рисунок 32

Таблица 33

В миллиметрах

Условный диаметр

DH

dH

S

S1

L2

L1

L

Масса, кг

Ствола, Dy

Отростка, dy

100

100

118

118

8,4

8,4

200

200

225

38,1

150

100

170

118

9,1

8,4

250

200

250

47,2

150

170

170

9,1

9,1

250

250

250

54,7

200

100

222

118

9,8

8,4

300

225

275

60,9

150

222

170

9,8

9,1

300

225

275

66,6

200

222

222

9,8

9,8

300

300

275

76,4

250

100

274

118

10,5

8,4

300

250

300

73,5

150

274

170

10,5

9,1

300

250

300

77,6

200

274

222

10,5

9,8

300

275

300

89,9

250

274

274

10,5

10,5

300

300

300

94,2

300

100

326

118

11,2

8,4

300

275

325

86,9

150

326

170

11,2

9,1

300

275

325

91,0

200

326

222

11,2

9,8

300

300

325

97,7

250

326

274

11,2

10,5

300

300

325

104,4

300

326

326

11,2

11,2

300

300

325

111,3

9.33 МУФТА СВЕРТНАЯ

Рисунок 33

Таблица 34

Размеры в миллиметрах

Условный проход, Dу

D

D1

L

l

l1

l2

l3

h

h1

t

s

S1

d

Болты

 

количество

Диаметр резьбы

Масса, кг(без болтов)

100

136

129

265

22

110,5

192

204

42

22

4

7,2

14

22

6

М20

17,5

150

191

181

280

22

118,0

249

263

48

26

8

7,8

15

22

6

М20

24,9

200

246

232

285

22

120,5

306

322

52

28

11

8,4

16

22

6

М20

33,1

250

299

286

300

25

125,0

361

379

55

30

12

9,0

16

25

6

М22

41,7

300

352

337

305

25

127,5

416

434

60

35

13

9,6

17

25

6

М22

50,8

9.34 ЗАГЛУШКА ФЛАНЦЕВАЯ

Рисунок 34

Таблица 35

Размеры в миллиметрах

Dy

а

b

D1

D2

d

Болты, n, шт.

Масса, кг

100

19

16

180

220

19

8

4,6

150

19

16

240

285

23

8

7,6

200

20

17

295

340

23

12

11,2

250

22

19

355

400

28

12

16,8

300

24,5

20,5

410

455

28

12

24,5

9.35 ПАТРУБОК РАСТРУБ - ГЛАДКИЙ КОНЕЦ

Рисунок 35

Таблица 36

В миллиметрах

Условный проход, Dy

S

DH

L

Масса, кг

100

7,2

118

350

8,8

150

7,8

170

350

16,1

200

8,4

222

400

22,3

250

9,0

274

400

32,8

300

9,6

326

400

42,0

9.36 Детали построения

Рисунок 36

Таблица 37

В миллиметрах

Отросток, dy

100

150

200

250

300

Отросток, dH

118

170

222

274

326

Радиус сопряжения, R

30

30

40

40

40

Деталь построения гладкого конца

Рисунок 12

Таблица 13

В миллиметрах

Dy

100

150

200

250

300

е

9

9

9

9

9

f

3

3

3

3

3

Лист регистрации изменений

Номер изменения

Дата утверждения

Перечень измененных пунктов

Дата введения в действие изменения

 

 

 

 

 

 

 

 

 

 

 

 

 

 

 

 

 




Яндекс цитирования



   Copyright © 2007-2026,  www.tehlit.ru.

[ ѓосты, стандарты, нормативы, инструкции, правила, строительные нормы ]