//
|
|
Библиотека справочной
литературы
МЕТОДИКА ПО ТЕХНИЧЕСКОМУ ДИАГНОСТИРОВАНИЮ ЭЛЕКТРОПРИВОДА ГАЗОПЕРЕКАЧИВАЮЩИХ АГРЕГАТОВ ОРГАНИЗАЦИЙ ОАО «ГАЗПРОМ»
г. Челябинск Содержание
Утверждено Главным инженером ООО «Газпромэнергодиагностика» А.В. Авдониным 12 февраля 2004г. ПодписаноНачальником отдела диагностики электрических машин В.В. Рытиковым 10 февраля 2004г. 1. ОБЩИЕ ПОЛОЖЕНИЯ О ТЕХНИЧЕСКОМ ДИАГНОСТИРОВАНИИ ЭЛЕКТРОДВИГАТЕЛЕЙ ГАЗОПЕРЕКАЧИВАЮЩИХ АГРЕГАТОВ1.1. Назначение Методики. 1.1.1. Настоящей Методикой следует руководствоваться при диагностическом обследовании эксплуатируемого и вводимого в эксплуатацию электродвигателя. Электродвигатели, отработавшие установленный стандартом минимальный ресурс, должны подвергаться комплексному обследованию, охватывающему как основные, так и вспомогательные элементы. 1.1.2. Методика предусматривает диагностическое обследование, как правило, не требующее вывода электродвигателя в ремонт и позволяющее определять степень развития и опасность возможных дефектов на ранних стадиях. 1.1.3. В Методике приведен перечень диагностических работ и предельно допустимые значения контролируемых характеристик. Техническое состояние электродвигателя определяется не только путем сравнения результатов с нормируемыми значениями, но и по совокупности результатов всех проведенных испытаний, осмотров и данных эксплуатации. Полученные результаты во всех случаях должны быть сопоставлены с результатами измерений на однотипном оборудовании. Однако главным является сопоставление измеренных значений параметров электродвигателя с их исходными значениями и оценка имеющих место различий по указанным в Методике допустимым изменениям. Выход значений параметров за установленные границы (предельные значения) следует рассматривать как признак возникновения и развития повреждений (дефектов), которые могут привести к отказу оборудования. 1.1.4. В качестве исходных значений контролируемых характеристик при вводе в эксплуатацию нового электродвигателя принимают значения, указанные в паспорте или протоколе заводских испытаний. При диагностике электродвигателей в процессе эксплуатации в качестве исходных принимаются значения параметров, определенные при вводе в эксплуатацию нового электродвигателя. Качество проводимого ремонта оценивается сравнением результатов обследования после ремонта с данными при вводе в эксплуатацию нового электродвигателя, принимаемыми в качестве исходных. После капитального или восстановительного ремонта, а также реконструкции, проведенных на специализированном ремонтном предприятии, в качестве исходных для контроля в процессе дальнейшей эксплуатации электродвигателя принимаются значения, полученные по окончании ремонта (реконструкции). 2. ТЕХНИЧЕСКОЕ ДИАГНОСТИРОВАНИЕ ЭЛЕКТРОДВИГАТЕЛЕЙ ГАЗОПЕРЕКАЧИВАЮЩИХ АГРЕГАТОВ2.1. Показатели и характеристики технического диагностирования. 2.1.1. Периодичность диагностирования. Техническое диагностирование проводится по истечении установленного нормативно-технической документацией срока службы с целью оценки состояния, установления сроков дальнейшей работы и условий эксплуатации, а также после проведения капитального ремонта. 2.1.2. Продолжительность диагностирования. Диагностическое обследование электродвигателя производится в объеме, установленном данной Методикой. 2.2. Характеристика номенклатуры диагностических параметров. Перечисленные ниже диагностические параметры являются основными при определении технического состояния электродвигателя, при этом обследование вспомогательных элементов, состояние которых не является определяющим фактором при оценке технического состояния электродвигателя и решении вопроса о возможности его дальнейшей эксплуатации, может, как правило, производиться в объемах и оцениваться по критериям, указанным в упомянутых документах. Вспомогательные элементы относительно дешевы и при неисправном их состоянии без особых затруднений могут быть заменены или, если это возможно, восстановлены. 2.2.1. Номенклатура параметров технического состояния электродвигателя. При проведении диагностики регистрируются такие параметры электродвигателя как: сопротивление изоляции обмоток статора и ротора, коэффициент абсорбции, сопротивление обмоток статора и ротора, сопротивление подстуловой изоляции, виброскорость, уровень частичных разрядов, результаты визуального осмотра, наличие или отсутствие замыканий листов активной стали. 2.2.2. Глубина поиска места отказа или неисправности: - при низком значении сопротивления изоляции - причина снижения или место пробоя изоляции; -. при наличии замыканий листов активной стали - место и характер замыкания; -. при повышенном значении виброскорости - причина повышенной вибрации; - при наличии высокого уровня частичных разрядов - причина повышения уровня разрядов. 2.3. Правила измерения диагностических параметров. 2.3.1. Состав работ при проведении диагностического обследования электродвигателя: 1). Предварительный сбор информации; - анализ опыта эксплуатации, ремонтов и результатов испытаний электродвигателя, уточнение на этой основе элементов двигателя, требующих при обследовании особого внимания; - общий осмотр электродвигателя и его вспомогательных элементов. 2). Испытания на вращающейся машине: - оценка вибрационного состояния на основе измерения и анализа спектра вибрации электродвигателя под нагрузкой. одновременно с проведением вибрационных испытаний фиксируются данные штатного теплового контроля. 3). Работы на остановленной машине: предварительная подготовка (выполняется персоналом предприятия заказчика); - измерение сопротивления обмоток статора, ротора и возбудителя постоянному току; - измерение сопротивления изоляции обмоток статора и ротора и изоляции подшипника; - визуальный и эндоскопический осмотр статора и ротора; - высоковольтные испытания обмоток статора напряжением промышленной частоты с контролем частичных разрядов; - проверка состояния и (при необходимости) испытания стали сердечника статора; - визуальный и эндоскопический осмотр возбудителя. 4). Оформление результатов обследования: - составление предварительного заключения; - оформление паспорта электродвигателя. 2.3.2. Сбор и анализ информации о предыстории работы электродвигателя необходим для предварительной оценки его технического состояния. Данные о двигателе вносятся в соответствующие разделы диагностической карты (Приложение 1) и паспорт электродвигателя. Должна быть использована нижеследующая информация о двигателе: 1). Конструкторская документация на двигатель: - тип двигателя; - заводской номер; - год изготовления; - заводской номер ротора; - заводской номер статора; - соединение фаз; - номинальная активная мощность; - номинальная полная мощность; - номинальный ток ротора; - номинальный ток статора; - номинальная частота вращения; - отношение номинального значения начального пускового момента к номинальному вращающему моменту; - отношение номинального значения начального пускового тока к номинальному току; - отношение номинального значения максимального временного момента к номинальному моменту; - коэффициент полезного действия; - коэффициент мощности; - класс нагревостойкости изоляции статора. 2). Заводские замеры: - сопротивление изоляции обмотки статора относительно корпуса двигателя и между фаз при 20 ºC; - сопротивление фазы обмотки статора при постоянном токе в холодном состоянии при 20 ºC; - средняя величина воздушного зазора (односторонняя); - сопротивление обмотки ротора при постоянном токе в холодном состоянии; - сопротивление изоляции обмотки ротора относительно корпуса при температуре 20 ºC; - сопротивление изоляции обмотки ротора относительно корпуса при температуре 100 ºC. 3). Эксплуатационная документация и протоколы штатных измерений и испытаний: - год ввода в эксплуатацию; - данные приемосдаточных испытаний (по пунктам аналогичным заводским замерам); - статистика замеров сопротивлений изоляции и сопротивления обмоток статора и ротора, проводимых при ремонте и испытаниях двигателя; - дата, вид испытания и полученный результат; - число пусков; - наработка двигателя, в том числе после капитального ремонта. 4). Журнал ремонта: - отказы и аварийные остановы, их причины; - дата, вид ремонта (профилактический, капитальный, аварийно - восстановительный и т.д.), краткий перечень произведенных работ; - сведения о заменах отдельных элементов. 5). Электрическая схема подключения двигателя. 2.3.3. Оценка вибрационного состояния электродвигателя. Вертикальная и поперечная составляющие вибрации, измеренные на подшипниках электродвигателей, сочлененных с механизмами, не должны превышать значений указанных в заводских инструкциях. При отсутствии таких указаний, максимально допустимая амплитуда вибрации подшипников (согласно табл. 31 приложения 3.1 ПТЭЭП) 50 мкм при синхронной частоте 3000 об/мин. 2.3.4.Данные штатного термоконтроля. Записываются показания всех штатных приборов термоконтроля. В большинстве случаев контролируется температура: - в наиболее горячей части сердечника статора (в каждой фазе уложено по одному термопреобразователю сопротивления на дно паза - «Сталь» и между слоями обмотки - «Медь»); - охлаждающего воздуха на входе в вентиляторы; - горячего воздуха на выходе из статора; - вкладыша в подшипниках скольжения. Контроль температуры вкладышей подшипников осуществляется термопреобразователями сопротивления, которые должны быть подключены на прибор непрерывного автоматического контроля. Температура обмотки статора класса «В» в работе не должна превышать 80 ºC. 2.3.5. Измерение сопротивления обмоток статора и ротора постоянному току производится цифровым микроомметром с фиксированием температуры обмоток. При проведении измерений каждое сопротивление необходимо измерить не менее трех раз. За истинное значение сопротивления принимается среднеарифметическое измеренных значений. При этом результат отдельного измерения не должен отличаться от среднего более чем на ± 0,5 %. При сравнении значений сопротивлений они должны быть приведены к одной температуре (20 ºC). При измерении сопротивлений каждой фазы обмотки статора значения сопротивления обмотки не должны отличаться друг от друга более чем на 2 %. Результаты измерений сопротивлений одних и тех же фаз не должны отличаться от исходных данных более чем на 2 %. При измерении сопротивления обмотки ротора измеренное значение сопротивления не должно отличаться от исходных данных более чем на 2 %. 2.3.6. Измерение сопротивления изоляции обмоток статора, ротора и изоляции подшипника производятся мегаомметром с напряжением 2500/1000/500 В. Измерение сопротивления изоляции следует проводить для каждой обмотки. При этом остальные обмотки должны быть электрически соединены с корпусом машины. По окончании измерений обмотку необходимо разрядить, соединив электрически с заземленным корпусом машины. Продолжительность соединения обмотки с корпусом должна быть не менее 3 мин. Напряжение мегаомметра при измерении сопротивления изоляции: а) обмотки статора - 2500 B; б) обмотки ротора - 500 B; в) подшипников - 1000 B. Измерение сопротивления изоляции испытуемого двигателя производится в практически холодном состоянии; Допустимые значения сопротивления изоляции (согласно ПТЭЭП): а) обмотки статора относительно корпуса и между фазами не менее (при t = 75ºC): - 10 МОм для двигателя с UH = 10 кВ, - 6 МОм для двигателя с UH = 6 кВ; - значение коэффициента абсорбции R60/R15 при температуре от 10 ºC до 30 ºC не менее 1,2; б) обмотки ротора относительно корпуса - не менее 0,2 МОм. в) подшипников - не нормируется. При измерении сопротивления изоляции для определения коэффициента абсорбции (R60/R15-). отсчет производится дважды: через 15 и 60 секунд после начала измерений. Сравнение характеристик изоляции должно производиться при одной и той же температуре или близких ее значениях (расхождение не более 5 ºC). Если это невозможно, должен производиться температурный перерасчет в соответствии с инструкциями по эксплуатации конкретных видов электрооборудования. 2.3.7. Визуальное обследование электродвигателя проводится в соответствии с ГОСТ 23479-79 и РД 34.10.130-96 с помощью гибкого технического эндоскопа. Визуальное обследование проводится на выведенном в ремонт электродвигателе со снятыми торцевыми крышками и диффузорами, без вывода ротора. Места, подлежащие осмотру и оценке технического состояния: По статору: 1. При осмотре лобовых частей вблизи выхода секций из пазов оцениваются: - зазоры между лобовыми частями верхней и нижней полусекции одного паза и наличие истирания изоляции в случае закрытия зазоров; - выдвижение межслоевой прокладки из паза; - чистота зазоров между лобовыми частями стержней соседних пазов; - степень вспухания микалентной компаундированной изоляции; - степень выдавливания битумного компаунда из микалентной изоляции; - степень вымывания битумного компаунда из микалентной изоляции; - состояние распорок лобовых частей; - искривление стержней на выходе из паза; - состояние полупроводящего покрытия, наличие его повреждения и определение площадей повреждения. 2. При осмотре лобовых частей стержней на эвольвентных участках оцениваются: - наличие или отсутствие зазоров между соседними лобовыми частями; - наличие и глубина истирания изоляции дистанционными прокладками; - выдавливание битумного компаунда в местах установки дистанционных прокладок, потеки растворенного битума; - наличие и степень истирания изоляции о межслоевые выкладки; - наличие и степень истирания изоляции нижних стержней о бандажные кольца; - наличие загрязнений на лобовых частях; - признаки перегрева изоляции (изменение цвета, наличие «сосулек» битумного компаунда). 3. При осмотре системы крепления лобовых частей оцениваются: провисание корзинки (зазоры между кронштейнами и бандажными кольцами); - ослабление болтов крепления кронштейнов; - ослабление шнуровых вязок нижних лобовых частей к бандажным кольцам; - ослабление или обрывы шнуровых вязок верхних лобовых частей; - выпадение или смещение дистанционных прокладок; - следы вибрации бандажных колец относительно кронштейнов. 4. При осмотре головок лобовых частей оценивается: - изменение цвета изоляции. 5. При осмотре торцевой части сердечника оцениваются: - нажимные плиты, нажимные пальцы и приклепанные к последним сегменты крайних пакетов активной стали; - загрязнение на коронках зубцов и вдоль нажимных пальцев; - деформация сегментов активной стали в каналах крайних пакетов; - распушение и выкрашивание сегментов зубцов. 6. При осмотре расточки статора оцениваются: - смещение концевых клиньев; - характер ослабления пазовых клиньев. 7. При осмотре спинки статора оцениваются: - наличие загрязнения; - наличие ферромагнитной пыли вдоль призм. 8. При осмотре соединительных шин оцениваются: - наличие прокладок и колодок; - разрывы шнуровых вязок; - истирание изоляции и колодок в кронштейнах; - подвижность шин; - нарушение креплений кронштейнов; - наличие признаков повышенного нагрева; - нарушение слоя эмали, покрывающей изоляцию шин. Критерии для установления состояния статора: Исправное - при обследовании не выявлено наличия дефектов. Работоспособное - при обследовании выявлены отдельные дефекты, не препятствующие дальнейшей эксплуатации и легкоустранимые силами предприятия заказчика, в числе таких дефектов, в частности, можно указать: ослабление крепления соединительных шин статора, наличие местного соприкосновения соединительных шин, признаки подвижности дистанционных распорок, запыленность лобовых частей, наличие посторонних предметов, незначительное повреждение изоляции лобовых частей и соединительных шин. Неработоспособное состояние - при обследовании выявлен один или несколько из следующих дефектов, препятствующем эксплуатации и нуждающемся в устранении: наличие серьезных нарушений изоляции лобовых частей или соединительных шин, провисание корзины лобовых частей, наличие признаков вздутости изоляции, выпадение пазовых клиньев, наличие признаков спекания изоляции в межфазных зонах, неудовлетворительная вязка лобовых частей. Предельное состояние - при обследовании обнаружен один из следующих дефектов: нарушение целостности изоляции краем нажимного пальца на выходе из паза, признаки подвижности пазовых клиньев. По ротору: 1. При осмотре пазовой части оцениваются: - внешнее состояние пазовых клиньев; - признаки подвижности пазовых клиньев; - состояние покровной эмали; - наличие местных подплавлений клиньев. 2. При осмотре лобовых частей обмотки оцениваются: - загрязнение изоляционных деталей; - степень запыленности лобовых частей; - целостность витковой изоляции; - степень укорочения витков; - наличие посторонних предметов. 3. При осмотре токоподводов к контактным кольцам и к лобовым частям обмотки оцениваются: - трещины, надрывы, надрезы, царапины на верхней пластине; - состояние резьбы под токоведущие болты. 4. При осмотре концевых частей ротора оцениваются: - состояние крепления балансировочных грузов; - состояние поверхности шеек ротора; - наличие признаков осевого смещения ротора из-за осевой расцентровки; - наличие признаков ослабления посадки элементов на вал ротора. Критерии для установления состояния ротора: Исправное - при обследовании не выявлено наличия дефектов. Работоспособное - при обследовании выявлены отдельные дефекты, не препятствующие дальнейшей эксплуатации и легкоустранимые силами предприятия заказчика, в числе таких дефектов, в частности, можно указать: ослабление крепления, признаки подвижности пазовых клиньев, загрязнение изоляционных деталей, сильная запыленность лобовых частей, наличие посторонних предметов, плохо закрепленные балансировочные грузы. Неработоспособное состояние - при обследовании выявлен один или несколько из следующих дефектов, препятствующих эксплуатации и нуждающихся в устранении: наличие местных подплавлений клиньев или бандажного кольца, нарушение целостности витковой изоляции, осевое смещение ротора, ослабление посадки элементов на вал ротора. Предельное состояние - при обследовании обнаружен один из следующих дефектов: усталостные трещины на шейке ротора, значительная подвижность клиньев ротора, наличие подкалов и цветов побежалостей на клиньях ротора. По возбудителю: 1. Для бесщеточных возбудительных устройств: - наличие признаков ослабления посадки возбудителя на валу; - состояние пайки «петушков»; - состояние изоляции соединительных шинок статора. 2. Для статических возбудителей: - состояние поверхности контактных колец; - состояние щеток. Критерии для установления состояния возбудителя: Исправное - при обследовании не выявлено наличия дефектов. Работоспособное - при обследовании выявлены отдельные дефекты, не препятствующие дальнейшей эксплуатации и легкоустранимые силами предприятия заказчика, в числе таких дефектов, в частности, можно указать: ослабление крепления посадки возбудителя на валу, нарушение целостности изоляции соединительных шинок статора возбудителя, признаки нарушения пайки «петушков», нарушение работы щеточно-контактного механизма. Неработоспособное состояние - при обследовании выявлен один или несколько из следующих дефектов, препятствующих эксплуатации и нуждающихся в устранении: признаки разрушения катушек «башмаков» статора возбудителя. Предельное состояние - при обследовании обнаружен один из следующих дефектов: усталостные трещины на контактной площадке. 2.3.8. Измерение частичных разрядов (ЧР) в изоляции секций обмотки статора. 1) Аппаратура для измерений ЧР состоит из датчика для измерения высокочастотных импульсов ЧР, прибора регистрации частичных разрядов и испытательной установки (сборная или компактная), состоящей: - из стенда высоковольтного мощностью - не менее 1000 ВА; - регулятора испытательного напряжения - соответствующей мощности; -
измерительных приборов - амперметр на - реле токовой отсечки (выбирается по величине тока с низкой стороны при подаче испытательного напряжения); - устройства, обеспечивающего видимый разрыв цепи питания. При испытаниях прибор регистрации ЧР работает в одноканальном режиме. Для каждой фазы двигателя регистрируется сигнал ЧР, полученный с помощью индуктивного датчика, расположенного на кабеле, соединяющем испытательную установку и обмотку статора. Для каждой фазы проводятся два испытания, одно при подаче напряжения со стороны нулевого вывода и одно - со стороны линейного. По механизму образования различают следующие типы разрядов: внутренние ЧР (в толще изоляции), пазовые разряды (разряды с поверхности изоляции катушки на стенку паза), скользящие разряды и коронирование лобовых частей. Примерный вид осциллограмм различного типа разрядов, соотношение их сравнительной амплитуды и положение относительно синусоиды напряжения показан на рис. 1.
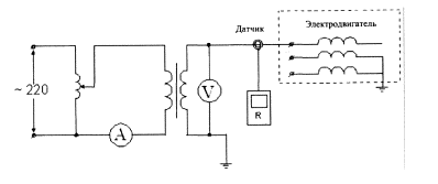
Рис. 1. Примерные осциллограммы различных видов разрядов в изоляции электрических машин 1 - скользящие разряды; 2 - пазовые разряды; 3 - разряды во внутренних полостях изоляции; 4 - корона 2) Порядок проведения измерения ЧР. 3) Проводится измерение сопротивления изоляции обмоток статора электродвигателя и вычисление коэффициента абсорбции для принятия решения о возможности проведения высоковольтных испытаний. Собирается схема для испытания обмотки статора повышенным напряжением частоты 50 Гц от постороннего источника (рис. 2).
Рис. 2. Схема измерения ЧР R - прибор регистрации частичных разрядов, датчик - электромагнитный датчик 4) Напряжение подается на одну из фаз обмотки статора, другие фазы при этом заземляются. Номинал испытательного напряжения устанавливается в виде фазного Uфн напряжения и может быть понижен при подозрениях на наличие дефекта. При необходимости, фаза обмотки может быть испытана в соответствии с действующими «Нормами испытаний электрооборудования». Для каждой фазы проводятся два измерения при подаче напряжения - со стороны нулевых и линейных выводов. 5) По окончании измерений в первой фазе, напряжение снимается, подается на другую фазу, и операции по пп. 3) и 4) повторяются. 6) По окончании всех измерений проводится анализ результатов измерений, представленных в виде параметрических диаграмм следующего вида (рис. 3), в которых по горизонтали откладывается электрическая фаза испытательного напряжения, по вертикали - заряд импульса в пК.
Рис. 3. Допустимые уровни ЧР По окончании всех измерений проводится анализ результатов измерений, представленных в виде параметрических диаграмм, в которых по горизонтали откладывается электрическая фаза испытательного напряжения, по вертикали - заряд импульса в пК. Плотность разрядов показана с помощью цветовой шкалы. Критерии оценки ЧР: В зоне «3» (внутренние разряды) допустимы следующие уровни разрядов: - «красная» зона (низкий уровень разрядов в пK) - плотность разрядов - любая; - «желтая» зона (средний уровень разрядов в пK) - плотность разрядов не должна превышать 0,6 × N/период; - «зеленая» зона (высокий уровень разрядов в пK) - плотность разрядов не должна превышать 0,3 × N/период, где N - количество разрядов этого уровня при данной фазе. Превышение указанных величин плотности разрядов для описанных выше зон свидетельствует о возможном наличии дефекта изоляции (электрическое или температурное старение и т.д.). Заключение о возможности эксплуатации обмотки в этом случае дается с учетом величины и плотности разрядов, выходящих за пределы указанных зон. Наличие частичных разрядов плотностью более 0,05 × N/период в зонах 1 (скользящие разряды), 2 (пазовые разряды) и 4 (коронные разряды) говорит о наличии дефектов изоляции. Заключение о возможности эксплуатации обмотки электродвигателя дается исходя из величины и плотности разрядов в указанных зонах и по результатам визуального осмотра (интенсивность коронирования). 2.3.9. Контроль состояния изоляции листов активной стали и выявления участков с повышенными местными потерями электромагнитным методом контроля (ЭМК) (рис. 4). ЭМК сердечника статора включает: - измерения по пакетам наведенного кольцевым магнитным потоком напряжения; - проведения измерений на всех зубцах расточки статора; - выявление на основе проведенных измерений зубцов активной стали, имеющих повышенные дополнительные потери, и локализацию местоположения замыкания.
Рис. 4. Схема проведения электромагнитного контроля изоляции листов активной стали ЭМК проводится при выполнении ремонтов с выводом ротора. Метод основан на локации магнитного потока при кольцевом намагничивании сердечника индукцией 0,02-0,05 Тл. Выявление дефектных зон происходит по искажению электромагнитного поля в области замыкания листов. Для измерения применяется специализированный детектор замыкания листов. 2.4. Средства технического диагностирования. 2.4.1. Мегомметр должен быть с классами подаваемого напряжения 500/1000/2500 B, измерять сопротивление изоляции в диапазоне от 50 кОм до 100 ГОм. 2.4.2. Микроомметр должен обеспечивать замер сопротивлений в диапазоне от 1 × 10-3 до 1 Ом вкл. 2.4.3. Эндоскоп технический гибкий предназначен для осмотра внутренних полостей контролируемых изделий и объектов в труднодоступных местах. Осветитель эндоскопа должен обеспечивать освещенность контролируемой поверхности не менее 1300 лк на расстоянии 50мм. 2.4.4. Прибор регистрации частичных разрядов предназначен для регистрации скользящих и коронирующих частичных разрядов, должен иметь диапазон регистрируемых частичных разрядов 85 Db. 2.4.5. Требования к виброизмерителю. Прибор должен удовлетворять общим техническим требованиям к аппаратуре для измерения параметров вибрации по ГОСТ 30296. 2.5. Технические требования по выполнению операций диагностирования. 2.5.1. При проведении диагностики необходимо соблюдение всех требований и указаний ПУЭ, Правил технической эксплуатации электроустановок потребителей, Межотраслевых правил по охране труда (правил безопасности) при эксплуатации электроустановок. 2.6. Режимы работы электродвигателя при проведении диагностики. 2.6.1. Визуальное обследование, измерение сопротивлений изоляции статора, ротора и подстуловой изоляции, измерение сопротивлений обмоток статора и ротора, измерение уровня частичных разрядов, испытание активной стали статора проводятся в режиме останова электродвигателя. 2.6.2. Оценка вибрационного состояния электродвигателя производится на работающем электродвигателя. 2.7. Требования к безопасности при проведении диагностики. 2.7.1. При измерении ЧР, оценке вибрационного состояния, проведении визуального и эндоскопического осмотров, ЭМК выполняются мероприятия, соответствующие требованиям действующих «Межотраслевых правил по охране труда (правил безопасности) при эксплуатации электроустановок» и «Правил технической эксплуатации электроустановок потребителей», в частности: - общие требования безопасности при производстве работ по техническому диагностированию электродвигателей согласно разделам 1 и 2 «Межотраслевых правил по охране труда (правил безопасности) при эксплуатации электроустановок»; - организация работ командированного персонала производится в соответствии с разделом 12 «Межотраслевых правил по охране труда (правил безопасности) при эксплуатации электроустановок»; - технические мероприятия, обеспечивающие безопасность работ со снятием напряжения согласно разделу 3 «Межотраслевых правил по охране труда (правил безопасности) при эксплуатации электроустановок»; - меры безопасности при выполнении работ с электродвигателем согласно пп. 4.4, 5.1, 5.4 «Межотраслевых правил по охране труда (правил безопасности) при эксплуатации электроустановок» и п. 3.6 «Правил технической эксплуатации электроустановок потребителей». 2.8. Обработка результатов. 2.8.1. Технические данные, испытываемого электродвигателя, необходимые для выдачи заключения (паспортные данные, место установки, результаты испытаний, визуальных и эндоскопических обследований) заносятся в диагностическую карту (Приложение 1). 2.8.2. Полные результаты обследования представляются в виде паспорта технического состояния электродвигателя утвержденного образца (Приложение 2). 2.9. Выдача заключения. 2.9.1. По окончании каждого из этапов работы - работ, выполняемых на двигателе, находящемся в эксплуатации и работ, выполняемых во время ремонта с выводом ротора, на месте составляется протокол с результатами измерений и испытаний, оценкой технического состояния контролируемых узлов, рекомендациями по устранению и недопущению впоследствии выявленных дефектов и выдачей заключения, диагноза. При этом полученные результаты анализируются и сопоставляются с предыдущими. СПИСОК ЛИТЕРАТУРЫ1. Правила технической эксплуатации электроустановок потребителей, утвержденные приказом Минэнерго России от 13.01.2003 г. № 6. 2. Правила устройства электроустановок, (ПУЭ) 7-е издание. - М.: Главгосэнергонадзор России, 2002. 3. Положение о системе технического диагностирования оборудования и сооружений энергохозяйства ОАО «Газпром» СТО РД Газпром 39-1.10-083-2003. - М.: ОАО «Газпром», 2004. 4. Объемы и нормы испытаний электрооборудования. РД 34.45-51.300-97, 6-е издание. - М.: Изд-во НЦ ЭНАС, 2001. 5. Межотраслевые правила по охране труда при эксплуатации электроустановок. ПОТ P М-016-2001, РД 153-34.0-03.150-00. - М.: Изд- во ЭНАС, 2001. 6. ГОСТ 26656-85 Техническая диагностика. Контролепригодность. Общие требования. 7. ГОСТ 27518-87 Диагностирование изделий. Общие требования. 8. ГОСТ 20911-89 Техническая диагностика. Термины и определения. ПРИЛОЖЕНИЕ 1
| ||||||||||||||||||||||||||||||||||||||||||||||||||||||||||||||||||||||||||||||||||||||||||||||||||||||||||||||||||||||||||||||||||||||||||||||||||||||||||||||||||||||||||||||||||||||||||||||||||||||||||||||||||||||||||||||||||||||||||||||||||||||||||||||||||||||||||||||||||||||||||||||||||||||||||||||||||||||||||||||||||||||||||||||||||||||||||||||||||||||||||||||||||||||||||||||||||||||||||||||||||||||||||||||||||||||||||||||||||||||||||||||||||||||||||||||||||||||||||||||||||||||||||||||||||||||||||||||||||||||||||||||||||||||||||||||||||||||||||||||||||||||||||||||||||||||||||||||||||||||||||||||||||||||||||||||||
|
Тип электродвигателя |
№ агрегата |
ЛПУМГ |
|
|
Дата обследования |
КС |
||
|
Паспортные данные электродвигателя |
Электрическая схема подключения электродвигателя |
||
|
Зав. № |
|
|
|
|
Дата изготовления |
|
||
|
Мощность |
Акт., кВт |
Полн.,кВА |
|
|
|
|
||
|
Статор |
Напр., кВ |
Ток, А |
|
|
|
|
||
|
Возбуждение |
Напр., В |
Ток, А |
|
|
Частота вращения |
об/мин |
||
|
|
|||
|
COS φ |
|
||
|
КПД |
% |
||
|
|
|||
|
Класс изоляции |
|
||
|
Соединение фаз |
|
||
|
Номин. режим работы |
|
||
|
Наработка электродвигателя, час |
с начала эксплуатации |
после последнего капремонта |
|||||||||
|
Сопротивление фаз обмотки статора, Ом |
|||||||||||
|
ra |
|
rв |
|
rc |
|
||||||
|
Сопротивление изоляции фаз обмотки статора, МОм |
|||||||||||
|
Ra |
|
Rв |
|
Rc |
|
||||||
|
Сопротивление обмотки ротора, Ом |
|||||||||||
|
rp |
|
|
|||||||||
|
Сопротивление изоляции обмотки ротора, МОм |
|||||||||||
|
Rp |
|
|
|||||||||
|
Сопротивление изоляции подшипника, МОм |
|||||||||||
|
Rn |
|
|
|||||||||
|
Виброскорость на подшипниках электродвигателя, мм/с |
|||||||||||
|
|
Подшипник 1 |
Подшипник 2 |
|||||||||
|
Направл. |
В полосе 10-300 Гц |
50 Гц |
100 Гц |
В полосе 10-300 Гц |
50 Гц |
100 Гц |
|||||
|
Вертик. |
|
|
|
|
|
|
|||||
|
Попереч. |
|
|
|
|
|
|
|||||
|
Осевое |
|
|
|
|
|
|
|||||
|
Результаты визуального и эндоскопического осмотра |
|||||||||||
|
|
|||||||||||
|
ОТКРЫТОЕ АКЦИОНЕРНОЕ ОБЩЕСТВО «ГАЗПРОМ» |
|
|
«Утверждаю» ______________________ «____» ___________200 г |
«Согласовано» 200г. ______________________ «____» ___________200 г |
|
ПАСПОРТ ТЕХНИЧЕСКОГО СОСТОЯНИЯ ЭЛЕКТРОДВИГАТЕЛЯ (ЭЛЕКТРОЭНЕРГЕТИЧЕСКОЕ ОБОРУДОВАНИЕ) |
|
|
Тип Зав. номер Место установки (по состоянию на_____________) |
|
|
______________________ «____» ___________200г |
______________________ «____» ___________200г |
|
ПАСПОРТ ТЕХНИЧЕСКОГО СОСТОЯНИЯ ЭЛЕКТРОДВИГАТЕЛЯ (ЭЛЕКТРОЭНЕРГЕТИЧЕСКОЕ ОБОРУДОВАНИЕ) |
|
|
Содержание |
|
|
Часть 1. Документальные сведения Формуляр № 1. Регистрация работ Формуляр № 2. Документация, использованная при оформлении паспорта Формуляр № 3. Паспортные данные двигателя Формуляр № 4. Данные заводских замеров и приемо-сдаточных испытаний Формуляр № 5. Общий вид двигателя Формуляр № 6. Электрическая схема подключения двигателя Формуляр № 7. Сведения об эксплуатации, испытаниях и ремонтах двигателя Часть 2. Контрольные измерения и осмотр Формуляр № 8. Высоковольтные испытания изоляции обмотки статора с измерением частичных разрядов Формуляр № 9. Визуальное обследование статора Формуляр № 10. Визуальное обследование ротора Часть 3. Результаты обследования Формуляр №11. Выявленные дефекты Формуляр № 12. Рекомендации по ремонту и дальнейшей эксплуатации. Заключение |
|
|
ПАСПОРТ ТЕХНИЧЕСКОГО СОСТОЯНИЯ ЭЛЕКТРОДВИГАТЕЛЯ (ЭЛЕКТРОЭНЕРГЕТИЧЕСКОЕ ОБОРУДОВАНИЕ) |
|
|
Часть 1. Документальные сведения Формуляр № 1. Регистрация работ |
|
|
ОБЪЕКТ |
|
|
ВИД РАБОТ |
Диагностическое обследование электродвигателя типа |
|
ДАТА НАЧАЛА |
|
|
ДАТА ОКОНЧАНИЯ |
|
|
СОСТАВ БРИГАДЫ СПЕЦИАЛИСТОВ |
1. |
|
2. |
|
|
ОРГАНИЗАЦИЯ |
|
|
РАЗРЕШЕНИЕ |
|
|
ПОДПИСИ ЧЛЕНОВ БРИГАДЫ |
|
|
|
|
|
|
|
|
ПАСПОРТ ТЕХНИЧЕСКОГО СОСТОЯНИЯ ЭЛЕКТРОДВИГАТЕЛЯ (ЭЛЕКТРОЭНЕРГЕТИЧЕСКОЕ ОБОРУДОВАНИЕ) |
||
|
Часть 1. Документальные сведения Формуляр № 2. Документация, использованная при оформлении паспорта |
||
|
ОБЪЕКТ |
|
|
|
ВИД ДОКУМЕНТАЦИИ |
ОТМЕТКА ОБ ИСПОЛЬЗОВАНИИ: |
|
|
Конструкторская документация изготовителя на двигатель Электрическая схема двигателя Схема электроснабжения объекта Ремонтная ведомость Протоколы штатных измерений и испытаний Журнал ремонта |
|
|
|
ПАСПОРТ ТЕХНИЧЕСКОГО СОСТОЯНИЯ ЭЛЕКТРОДВИГАТЕЛЯ (ЭЛЕКТРОЭНЕРГЕТИЧЕСКОЕ ОБОРУДОВАНИЕ) |
|
|
Часть 1. Документальные сведения Формуляр № 3. Паспортные данные двигателя |
|
|
Показатель |
Данные двигателя |
|
Тип |
|
|
Заводской номер |
|
|
Станционный № |
|
|
Завод-изготовитель |
|
|
Год изготовления |
|
|
Год ввода в эксплуатацию |
|
|
Заводской номер ротора |
|
|
Заводской номер статора |
|
|
Соединение фаз |
|
|
Номинальная активная мощность, кВт |
|
|
Номинальная полная мощность, кВА |
|
|
Номинальный ток ротора, А |
|
|
Номинальный ток статора, А |
|
|
Номинальная частота вращения, об/мин |
|
|
Отношение номинального значения начального пускового момента к номинальному вращающему моменту |
|
|
Отношение номинального значения начального пускового тока к номинальному току |
|
|
Отношение номинального значения максимального временного момента к номинальному моменту |
|
|
Коэффициент полезного действия, % |
|
|
Коэффициент мощности, cosφ |
|
|
Класс нагревостойкости изоляции |
|
|
ПАСПОРТ ТЕХНИЧЕСКОГО СОСТОЯНИЯ ЭЛЕКТРОДВИГАТЕЛЯ (ЭЛЕКТРОЭНЕРГЕТИЧЕСКОЕ ОБОРУДОВАНИЕ) |
|||
|
Часть 1 Документальные сведения Формуляр № 4. Данные заводских замеров и приемо-сдаточных испытаний |
|||
|
Показатели |
Заводские замеры |
Приемосдаточные испытания |
Установленная норма |
|
Сопротивление изоляции обмотки статора относительно корпуса двигателя и между фаз при 20˚C, МОм |
|
|
R ≥ 105 МОм |
|
Сопротивление фазы обмотки статора при постоянном токе в холодном состоянии при 20˚C, Ом |
|
|
Разница не более 2 % от заводских данных |
|
Средняя величина воздушного зазора (односторонняя), мм |
|
|
Разница не более 10 % от среднего значения |
|
Сопротивление обмотки ротора при постоянном токе в холодном состоянии, при 20˚C, Ом |
|
|
Разница не более 2 % от заводских данных |
|
Сопротивление изоляции обмотки ротора относительно корпуса при температуре 20˚C, МОм |
|
|
Более 0,2 МОм |
|
Сопротивление изоляции обмотки ротора относительно корпуса при температуре 100˚C, МОм |
- |
- |
- |
|
Примечание: Нормы согласно РД 34.45-51.300-97 «Объем и нормы испытаний электрооборудования». Изд. 6.М.: ЭНАС, 1997. *R ≥ 104 × UH - применяется для выявления грубых дефектов изоляции отдельной фазы. UH - номинальное напряжение обмотки статора (В). |
|||
|
ПАСПОРТ ТЕХНИЧЕСКОГО СОСТОЯНИЯ ЭЛЕКТРОДВИГАТЕЛЯ (ЭЛЕКТРОЭНЕРГЕТИЧЕСКОЕ ОБОРУДОВАНИЕ) |
|
Часть 1. Документальные сведения Формуляр № 5. Общий вид двигателя |
|
|
|
ПАСПОРТ ТЕХНИЧЕСКОГО СОСТОЯНИЯ ЭЛЕКТРОДВИГАТЕЛЯ (ЭЛЕКТРОЭНЕРГЕТИЧЕСКОЕ ОБОРУДОВАНИЕ) |
|
Часть 1. Документальные сведения Формуляр № 6. Электрическая схема подключения двигателя |
|
|
|
ПАСПОРТ ТЕХНИЧЕСКОГО СОСТОЯНИЯ ЭЛЕКТРОДВИГАТЕЛЯ (ЭЛЕКТРОЭНЕРГЕТИЧЕСКОЕ ОБОРУДОВАНИЕ) |
||
|
Часть 1. Документальные сведения Формуляр № 7. Сведения об эксплуатации, испытаниях и ремонтах двигателя |
||
|
а) Сведения об эксплуатации |
||
|
Дата |
Число пусков |
Суммарная наработка |
|
|
|
|
|
б) Сведения об испытаниях |
||
|
Дата |
Вид испытаний |
Краткие результаты |
|
|
|
|
|
в) Сведения о ремонтах |
||
|
Дата |
Тип ремонта |
Объем выполненных работ |
|
|
|
|
|
ПАСПОРТ ТЕХНИЧЕСКОГО СОСТОЯНИЯ ЭЛЕКТРОДВИГАТЕЛЯ (ЭЛЕКТРОЭНЕРГЕТИЧЕСКОЕ ОБОРУДОВАНИЕ) |
|
|
Часть 2. Контрольные измерения и осмотр Формуляр № 8. Высоковольтные испытания изоляции обмотки статора с измерением частичных разрядов |
|
|
Дата обследования: Испытательное и измерительное оборудование: |
|
|
Гистограммы ЧР по фазам обмотки статора (пК). |
|
|
1. Фаза «А» |
|
|
а) со стороны нулевых выводов |
б) со стороны линейных выводов |
|
|
|
|
Заключение: |
Заключение: |
|
2. Фаза «В» |
|
|
а) со стороны нулевых выводов |
б) со стороны линейных выводов |
|
|
|
|
Заключение: |
Заключение: |
|
3. Фаза «С» |
|
|
а) со стороны нулевых выводов |
б) со стороны линейных выводов |
|
|
|
|
Заключение: |
Заключение: |
|
ПАСПОРТ ТЕХНИЧЕСКОГО СОСТОЯНИЯ ЭЛЕКТРОДВИГАТЕЛЯ (ЭЛЕКТРОЭНЕРГЕТИЧЕСКОЕ ОБОРУДОВАНИЕ) |
|
|
Часть 2. Контрольные измерения и осмотр Формуляр № 9. Визуальное обследование статора |
|
|
Дата обследования: Инструменты для обследования: |
|
|
Сопротивление изоляции фаза «А», МОм, R15/R60 |
|
|
Сопротивление изоляции фаза «В», МОм, R15/R60 |
|
|
Сопротивление изоляции фаза «С», МОм, R15/R60 |
|
|
Сопротивление обмотки фаза «А», Ом |
|
|
Сопротивление обмотки фаза «В», Ом |
|
|
Сопротивление обмотки фаза «С», Ом |
|
|
Осмотр статора |
|
|
Возможные дефекты |
|
|
а) расточка статора |
|
|
Ослабление пазовых клиньев (3 шт. подряд или подвижные от руки) Наличие продуктов контактной коррозии сердечника статора Механические повреждения расточки Ослабление, выкрашивание зубцов Следы ремонта активной стали Признаки перегрева активной стали Наличие запыления, ржавчины |
|
|
б) лобовые части обмотки статора |
|
|
Повреждение изоляции краем нажимного пальца Ослабление крепления лобовых частей, наличие продуктов истирания изоляции, деформация лобовых дуг Признаки теплового старения изоляции, наличие признаков перегрева Загрязнение лобовых частей Обугливание изоляции Провисание «корзины» лобовых частей Нарушение паек головок, признаки перегрева паек Наличие посторонних предметов |
|
|
в) выводные и соединительные шины |
|
|
Ослабление крепления шин Старение изоляции шин Наличие признаков истирания изоляции шин |
|
|
д) опорные изоляторы |
|
|
Загрязнение Трещины |
|
|
е) другие, сравнительно редкие дефекты |
|
|
|
|
|
ПАСПОРТ ТЕХНИЧЕСКОГО СОСТОЯНИЯ ЭЛЕКТРОДВИГАТЕЛЯ (ЭЛЕКТРОЭНЕРГЕТИЧЕСКОЕ ОБОРУДОВАНИЕ) |
|
|
Часть 2. Контрольные измерения и осмотр Формуляр № 10. Визуальное обследование ротора |
|
|
Дата обследования: |
|
|
Инструменты для обследования: |
|
|
Сопротивление изоляции обмотки ротора, МОм |
|
|
Сопротивление обмотки ротора, Ом |
|
|
|
|
|
Возможные дефекты |
Результаты осмотра |
|
Ротор двигателя |
|
|
Дефекты шеек вала ротора |
|
|
Дефекты бандажного кольца |
|
|
Признаки ослабления посадки деталей на ротор |
|
|
Ослабление клиновки обмотки в пазах |
|
|
Повреждения шин токоподвода |
|
|
Повреждения контактных колец |
|
|
Повреждения подбандажной изоляции |
|
|
Повреждения бочки ротора |
|
|
Выпадение дистанционных распорок в полости ротора |
|
|
ПАСПОРТ ТЕХНИЧЕСКОГО СОСТОЯНИЯ ЭЛЕКТРОДВИГАТЕЛЯ (ЭЛЕКТРОЭНЕРГЕТИЧЕСКОЕ ОБОРУДОВАНИЕ) |
|
Часть 2. Контрольные измерения и осмотр Формуляр № 1. Выявленные дефекты Дата обследования: |
|
ПАСПОРТ ТЕХНИЧЕСКОГО СОСТОЯНИЯ ЭЛЕКТРОДВИГАТЕЛЯ (ЭЛЕКТРОЭНЕРГЕТИЧЕСКОЕ ОБОРУДОВАНИЕ) |
|
Часть 3. Результаты обследования Формуляр № 12. Рекомендации по ремонту и дальнейшей эксплуатации. Заключение |
|
Дата обследования: |
|
Рекомендации по ремонту: Заключение: |
|
|
|
|