//
ТехЛит.ру
- крупнейшая бесплатная электронная интернет библиотека для "технически умных" людей.
WWW.TEHLIT.RU - ТЕХНИЧЕСКАЯ ЛИТЕРАТУРА

:: Алготрейдинг::


АЛГОТРЕЙДИНГ
шаг за шагом
с нуля по урокам!

Торговые роботы на PYTHON, BackTrader,
Pandas, Pine Script для TradingView. Связка с брокерами, телеграм и легкими приложениями.


Федеральная служба по экологическому, технологическому и атомному надзору

Серия 05

Документы по безопасности, надзорной и разрешительной деятельности в угольной промышленности

Выпуск 14

МЕТОДИЧЕСКИЕ РЕКОМЕНДАЦИИ О ПОРЯДКЕ ДЕГАЗАЦИИ УГОЛЬНЫХ ШАХТ
РД-15-09-2006

Москва
ОАО «НТЦ «Промышленная безопасность»
2007

Содержание

I. ОБЩИЕ ПОЛОЖЕНИЯ

II. ОСНОВНЫЕ РЕКОМЕНДАЦИИ ПО ВЕДЕНИЮ ТЕХНОЛОГИЧЕСКИХ ПРОЦЕССОВ ДЕГАЗАЦИИ ИСТОЧНИКОВ МЕТАНОВЫДЕЛЕНИЯ

III. ОСНОВНЫЕ РЕКОМЕНДАЦИИ ПО ДЕГАЗАЦИОННЫМ СИСТЕМАМ ШАХТ

IV. РЕКОМЕНДАЦИИ ПО ОРГАНИЗАЦИИ ВЕДЕНИЯ ДЕГАЗАЦИОННЫХ РАБОТ

V. ТЕХНИЧЕСКИЕ РЕКОМЕНДАЦИИ ПО БЕЗОПАСНОМУ ВЕДЕНИЮ ДЕГАЗАЦИОННЫХ РАБОТ

VI. ТЕХНИЧЕСКИЕ РЕКОМЕНДАЦИИ ПО ИСПОЛЬЗОВАНИЮ ГАЗА ДЕГАЗАЦИИ

Приложение 1

Термины и условные обозначения

Приложение 2

Критерии применения дегазации и ее эффективность

Приложение 3

Рекомендации по дегазации неразгруженных угольных пластов

Приложение 4

Определение параметров дегазации разрабатываемых угольных пластов скважинами

Приложение 5

Рекомендации по дегазации пологих и наклонных пластов угля при их подработке

Приложение 6

Определение параметров дегазации подрабатываемых пологих и наклонных пластов

Приложение 7

Рекомендации по дегазации надрабатываемых пологих и наклонных пластов

Приложение 8

Определение параметров скважин для дегазации надрабатываемых пологих и наклонных пластов

Приложение 9

Рекомендации по дегазации крутых пластов

Приложение 10

Определение параметров дегазации крутых пластов

Приложение 11

Рекомендации по дегазации подрабатываемых пологих и наклонных пластов скважинами, пробуренными с земной поверхности

Приложение 12

Определение параметров дегазации подрабатываемых пластов и выработанных пространств скважинами, пробуренными с поверхности

Приложение 13

Рекомендации по дегазации выработанных пространств

Приложение 14

Определение параметров дегазации выработанных пространств

Приложение № 15

Особенности дегазации ликвидируемых шахт

Приложение 16

Способы предупреждения и борьбы с суфлярами

Приложение 17

Вакуум-насосные станции и их помещения

Приложение 18

Добыча метана шахтными дегазационными системами

Приложение 19

Рекомендации по проектированию и эксплуатации дегазационных систем

Приложение 20

Рекомендации по контролю работы дегазационных систем

Приложение 21

Рекомендации по ведению вакуумно-газовых съемок в дегазационных трубопроводах

Приложение 22

Проверка качества герметизации скважин

Приложение 23

Форма Журнала контроля работы ВНС

Приложение 24

Форма Журнала учета работы дегазационных скважин

Приложение 25

Форма Журнала осмотра и ремонта дегазационных газопроводов

Приложение 26

Рекомендации по обеспечению пожаровзрывобезопасности при ведении дегазационных работ

Приложение 27

Технологические схемы газопроводов ВНС, АГВН, котельной и топочного устройства аэроклассификатора

В Методических рекомендациях о порядке дегазации угольных шахт изложены требования по порядку: проектирования дегазационных работ; организации ведения дегазационных работ; ведения эксплуатационных работ; контроля параметров каптируемых газовоздушных смесей, определения объемов извлекаемого в шахтах метана и его использования на шахтах; описания способов и схем дегазации источников метановыделения, их параметры и эффективность; требования по промышленной безопасности при ведении дегазационных работ; требования о наиболее полном извлечении запасов угольного метана, выделяющегося в шахтах в процессе добычи угля, и его рациональное использование.

Методические рекомендации предназначены для всех организаций, занимающихся проектированием, строительством и эксплуатацией систем дегазации угольных шахт.

С вводом в действие Методических рекомендаций утрачивает силу Руководство по дегазации угольных шахт, утвержденное Минуглепромом СССР 29.05.90 г., Госгортехнадзором СССР 15.03.90 г.

Утверждены

приказом Федеральной службы по

экологическому, технологическому

и атомному надзору от 24.08.06 № 797.

Вводятся в действие с 01.03.07 г.

МЕТОДИЧЕСКИЕ РЕКОМЕНДАЦИИ О ПОРЯДКЕ ДЕГАЗАЦИИ УГОЛЬНЫХ ШАХТ*
РД-15-09-2006

I. ОБЩИЕ ПОЛОЖЕНИЯ

1. Настоящие Методические рекомендации о порядке дегазации угольных шахт (далее - Методические рекомендации) разработаны в соответствии с требованиями Закона Российской Федерации «О недрах» в редакции Федерального закона от 03.03.95 № 27-ФЗ «О внесении изменений и дополнений в Закон Российской Федерации «О недрах» (Собрание законодательства Российской Федерации. 1995. № 10); Федерального закона от 21.07.97 № 116-ФЗ «О промышленной безопасности опасных производственных объектов» (Собрание законодательства Российской Федерации. 1997. № 30. Ст. 3588) и Правил безопасности в угольных шахтах (ПБ 05-618-03), утвержденных постановлением Госгортехнадзора России от 05.06.03 № 50, зарегистрированным Министерством юстиции Российской Федерации 19.06.03 г., регистрационный № 4737.

 

* В разработке настоящих Методических рекомендаций принимали участие: А.Д. Рубан, В.С. Забурдяев, Б.М. Иванов, Г.С. Забурдяев (ИПКОН РАН), Н.И. Устинов (ННЦ ГП-ИГД им. А.А. Скочинского), СВ. Сластунов, К.С. Коликов, Ю.Г. Анпилогов, В.Н. Королева (МГГУ), М.И. Смирнов, А.С. Пантелеев, В.Н. Бобровников, А.А. Эннс (Печор-НИИпроект), А.М. Тимошенко, М.К. Сирош (ВостНИИ), ТВ. Березина, С.Н. Подображин (Ростехнадзор), В.М. Рычковский (Управление Ростехнадзора по Кемеровской области), А. Б. Никандров (Печорское межрегиональное управление Ростехнадзора), В.Б. Артемьев (ОАО «СУЭК»), СР. Ногих, А.Н. Павлов (ОАО ОУК «Южкузбассуголь»), В.В. Скатов (ЗАО «Северсталь-ресурс»), Н.С. Жуков, В.Ф. Стифеев (ОАО «Воркутауголь»), И.Д. Степанов, В.Н. Католицкий (ОАО «Кузбассгипрошахт»), В.И. Лопатин, Б.А.Согрин (ОАО «СПб-Гипрошахт»), Д.А. Мещеряков (НПФ «Экотехинвест»), Б.И. Басовский (ООО НПЦ АТБ).

2. Методические рекомендации предназначены для всех организаций, занимающихся проектированием, строительством и эксплуатацией систем дегазации угольных шахт. В Методических рекомендациях используются термины, понятия и условные обозначения, приведенные в приложении № 1.

3. Методические рекомендации содержат:

рекомендации по порядку:

проектирования дегазационных работ;

организации ведения дегазационных работ;

ведения эксплуатационных работ;

контроля параметров каптируемых газовоздушных смесей;

определения объемов извлекаемого в шахтах метана и его использования на шахтах Российской Федерации;

описания способов и схем дегазации источников метановыделения, их параметры и эффективность;

рекомендации по промышленной безопасности при ведении дегазационных работ;

рекомендации о наиболее полном извлечении запасов угольного метана, выделяющегося в шахтах в процессе добычи угля, и о его рациональном использовании.

4. Дегазация должна осуществляться на газовых угольных шахтах, где средствами вентиляции невозможно обеспечить содержание метана в воздухе в пределах норм безопасности.

5. Дегазация пластов должна применяться во всех случаях, когда на участках ведения очистных и подготовительных работ метаноносность пласта составляет 13 м3/т с.б.м.* и более и когда экономически выгодно извлекать и использовать угольный метан.

* Допускается иное значение нижнего предела метаноносности пласта в случае его научного обоснования для конкретных горно-технических условий разработки пласта.

6. Строительство и эксплуатация дегазационных систем (вакуум-насосных станций, газопроводов и скважин) должны осуществляться по проектам, утвержденным техническим руководителем шахты.

Прием в эксплуатацию дегазационных систем производится комиссией, назначаемой техническим руководителем шахты, с участием представителя территориального органа Федеральной службы по экологическому, технологическому и атомному надзору* (далее - Служба).

* Под территориальным органом Федеральной службы по экологическому, технологическому и атомному надзору имеется в виду территориальный орган, в установленных границах деятельности которого находится соответствующая шахта.

7. Работы, связанные с проектированием дегазации, строительством дегазационных систем, осуществлением дегазации на шахтах и ее контролем, должны осуществляться в соответствии с настоящими Методическими рекомендациями.

8. Проектные решения на проведение дегазации, строительство и эксплуатацию дегазационных систем шахт, новых горизонтов, блоков, крыльев утверждаются техническим руководителем заказчика.

В проектах строительства (реконструкции) шахт, вскрытия и подготовки горизонтов дегазация должна быть представлена самостоятельным разделом, включающим пояснительную записку и графический материал. Пояснительная записка и графический материал должны содержать: обоснование применения дегазации, выбор способов, схем и средств дегазации; расчет параметров дегазационных систем и эффективности их применения; строительную, технологическую и электромеханическую части, контрольно-измерительные приборы и автоматику, а также обоснование способа и средств для использования каптируемого метана.

При использовании каптируемого дегазационной установкой шахтного метана разрабатывается самостоятельный проект, в котором дегазационная установка рассматривается как элемент энергетической установки с сохранением всех требований по безопасной эксплуатации, предусмотренных настоящими Методическими рекомендациями.

Проведение дегазации на шахтах должно осуществляться в соответствии с проектом дегазации шахты и проектами (разделами) дегазации выемочных участков и дегазации подготовительных выработок.

На газовых шахтах сдача в эксплуатацию горизонтов, блоков и панелей производится после выполнения всех работ по дегазации, предусмотренных проектной документацией, а сдача выемочных участков и подготовительных забоев - при функционирующей на участке дегазационной системе в соответствии с проектом.

9. Комплекс мер и объемы работ по дегазации, предусмотренные проектами строительства (реконструкции) шахт, дегазации шахт и дегазации выемочных полей, должны корректироваться и утверждаться ежегодно при рассмотрении программы развития горных работ.

10. Раздел «Дегазация» является составной частью паспорта выемочного участка или подготовительного забоя, разрабатывается работниками шахт и утверждается техническим руководителем шахты до начала работ на участке.

В случаях изменения геологических или горно-технических условий, газообильности или газового баланса выработок осуществляется корректировка раздела «Дегазация» в срок не свыше одной недели.

В случае загазирования выемочного участка или проводимой выработки раздел «Дегазация» должен быть пересмотрен в суточный срок.

Раздел «Дегазация» должен состоять из пояснительной записки и графических материалов.

В пояснительной записке должны содержаться:

данные об ожидаемой газообильности участка (выработки), в том числе по источникам выделения метана; обоснование способов (схем) и параметров дегазации;

расчет необходимой эффективности дегазации участка (выработки) и источников метановыделения;

обоснование параметров скважин и газопровода.

В графических материалах должны содержаться:

геологические разрезы по ближайшим разведочным скважинам;

выкопировка из плана горных работ с нанесением дегазационных скважин. При дегазации скважинами, пробуренными с поверхности, прилагается выкопировка из плана горных работ, совмещенного с планом поверхности;

схема газопроводов от выемочного участка (выработки) до вакуум-насосов с указанием расположения контрольно-измерительной аппаратуры и запорно-регулирующей арматуры.

11. Для дегазации шахт должны применяться газоотсасывающие машины, исключающие возможность воспламенения в них отсасываемой метановоздушной смеси и эксплуатируемые в условиях и режимах, обеспечивающих их взрывобезопасность.

Концентрация метана в дегазационных трубопроводах должна быть не менее 25 %. В отдельных случаях допускается транспортирование газа с содержанием метана менее 25 % при условии выполнения мероприятий, обеспечивающих взрывобезопасность.

Запрещается использовать добываемый при дегазации газ путем прямого сжигания с содержанием метана ниже 25 % в качестве топлива для промышленных установок (котельных) и с содержанием метана ниже 50 % - для бытовых нужд.

12. Вакуум-насосные станции (ВНС), стационарные или передвижные, должны быть расположены на поверхности. Допускается применение временных подземных вакуум-насосных установок для дегазационных работ, имеющих временный характер. Срок эксплуатации временных ВНС определяется проектом.

Применение временных подземных вакуум-насосных установок допускается с разрешения технического руководителя шахты.

Руководить работами по дегазации шахт имеют право лица со стажем работы в газовых шахтах не менее одного года, прошедшие обучение по специальной программе, согласованной со Службой.

13. В том случае, когда снижение содержания метана в рудничном воздухе до установленной нормы не удается с помощью одного способа, применяется комплексная дегазация, то есть сочетание способов или схем дегазации одного или нескольких источников метановыделения.

14. Применение новых способов дегазации, не изложенных в настоящих Методических рекомендациях, допускается по специальному проекту, согласованному со Службой.

15. Работа дегазационной системы на шахте в аварийной ситуации определяется планом ликвидации аварий.

16. Дегазация шахты, выемочного участка или отдельной горной выработки может быть прекращена, если фактическая газообильность ниже проектной и средства вентиляции обеспечивают разбавление выделяющегося метана до допустимых норм.

Решение о прекращении дегазации на выемочном участке или в выработке принимается техническим руководителем шахты по согласованию с территориальными органами Службы и оформляется протоколом.

Это решение не распространяется на случаи применения дегазации для предотвращения внезапных выбросов угля и газа, расширения зоны защитного влияния надработки (подработки) выбросоопасных пластов или для предотвращения прорывов метана и суфлярных выделений из вмещающих угольные пласты пород.

17. Стационарные, передвижные наземные и подземные ВНС должны иметь резервное электропитание.

II. ОСНОВНЫЕ РЕКОМЕНДАЦИИ ПО ВЕДЕНИЮ ТЕХНОЛОГИЧЕСКИХ ПРОЦЕССОВ ДЕГАЗАЦИИ ИСТОЧНИКОВ МЕТАНОВЫДЕЛЕНИЯ

18. Для снижения метанообильности шахт применяются способы дегазации основных источников метановыделения, то есть дегазация разрабатываемых угольных пластов, сближенных подрабатываемых и надрабатываемых пластов угля и газосодержащих пород, выработанных пространств.

19. В зависимости от газового баланса выемочных участков, являющихся наиболее метанообильными в сети выработок действующих шахт, применяются один или несколько способов дегазации источников метановыделения.

20. Критерии применения дегазации и ее необходимая эффективность определяются в соответствии с рекомендациями, изложенными в приложении № 2.

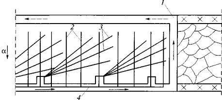
21. Для снижения интенсивности метановыделения из угольных пластов в горные выработки действующих шахт применяются предварительная дегазация неразгруженных пластов угля до начала очистных или подготовительных работ и текущая дегазация разгружаемых от горного давления угленосных толщ. При этом дегазационные скважины могут быть пробурены из подземных выработок или с земной поверхности.

22. Технология, режимы и параметры ведения дегазационных работ на действующих шахтах в различных горно-технических условиях разработки угольных пластов изложены в приложениях № 3-14.

23. Для предотвращения опасных скоплений метана в старых выработанных пространствах действующих и ликвидированных шахт могут быть использованы способы дегазации, применявшиеся на отрабатываемых ранее полях. При этом могут быть использованы скважины, пробуренные с земной поверхности, или сохранившиеся фланговые скважины. Если таковые отсутствуют, то должны быть пробурены новые скважины с поверхности.

24. Особенности дегазации ликвидируемых шахт изложены в приложении № 15.

25. Для предупреждения суфлярных метановыделений в шахтах рекомендуется применять схемы дегазации окружающего горную выработку массива скважинами или шпурами. Способы предупреждения и борьбы с суфлярами приведены в приложении № 16.

III. ОСНОВНЫЕ РЕКОМЕНДАЦИИ ПО ДЕГАЗАЦИОННЫМ СИСТЕМАМ ШАХТ

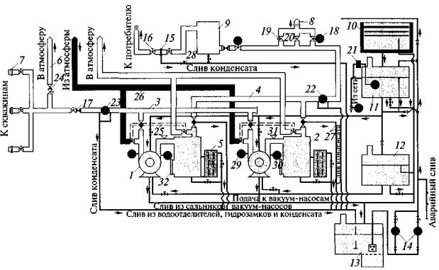
26. Стационарная ВНС должна размещаться на поверхности в отдельном здании и не должна содержать помещений, не относящихся к ее функционированию.

27. Машинный зал, помещение огнепреградителей, помещение аппаратуры газоподготовки, помещение насосов и баков гидросистемы могут сообщаться между собой. На окнах всех помещений ВНС должны устанавливаться металлические решетки.

В машинном зале следует предусмотреть место ремонта вакуум-насосов. Над каждым вакуум-насосом по его оси, а также над огнепреградителями должны устанавливаться монорельсы с ручными передвижными талями требуемой грузоподъемности.

Перед воротами машинного зала с наружной стороны здания ВНС рекомендуется предусматривать разгрузочную балку.

28. Сливной колодец отработанной воды и смотровые колодцы должны располагаться вне здания ВНС в пределах ограды и иметь перекрытие с люком для доступа к оборудованию колодца. Верх перекрытия должен быть на высоте 0,5 м от планировочной отметки земли. Колодцы должны иметь вытяжную трубу с внутренним диаметром не менее 150 мм, выведенную на 3 м выше перекрытия.

29. На стационарной ВНС на каждый работающий вакуум-насос необходимо иметь резервный.

Допускается по согласованию с территориальным органом Службы иметь резерв вакуум-насосов менее 100 % на действующих ВНС, реконструкция которых нецелесообразна.

30. Для отвода в атмосферу извлекаемой из шахты газовоздушной смеси на нагнетательном газопроводе каждого коллектора должна предусматриваться труба (свеча), выведенная не менее чем на 2 м выше наиболее выступающей части крыши здания.

Такая же труба должна предусматриваться для отвода в атмосферу газовоздушной смеси, поступающей по газопроводу при остановленных вакуум-насосах. Труба должна устанавливаться на магистральном всасывающем газопроводе до ввода в здание ВНС не ближе 1 м от здания.

Для районов с низкой температурой разрешается устанавливать отводную трубу непосредственно в здании ВНС.

31. В случае подачи газа потребителю оборудование ВНС должно включать:

стационарное измерительное устройство для контроля параметров подаваемой потребителю газовоздушной смеси;

автоматический прямого действия регулятор давления смеси после вакуум-насосов со сбросом избытка смеси в атмосферу или гидравлический клапан избыточного давления;

задвижки с электроприводом, установленные на свече и на газопроводе перед каплеотделителем, и клапан-отсекатель с электромагнитным приводом для прекращения подачи смеси потребителю и направления ее в атмосферу при отклонении параметров смеси от требуемых;

каплеотделитель;

одоризатор или аппаратуру контроля содержания метана в газораспределительном устройстве (ГРУ) котельной (необходимость установки одоризатора или газоанализатора определяется проектом).

32. Подача газа потребителю производится дежурным машинистом по согласованию с потребителем и по указанию инженерно-технического работника, ответственного за эксплуатацию ВНС.

33. Газопроводы и их фасонные части (отводы, переходы, тройники, седловины, заглушки) должны быть стальными, а соединения газопроводов и их фасонных частей - сварными. Соединения газопроводов и их фасонных частей допускается только фланцами.

Арматура и регулирующие устройства, применяемые в ВНС, должны быть предназначены для соответствующей среды.

34. На всех трубопроводах, предназначенных для выбросов в атмосферу газовоздушной смеси, следует предусматривать защитные зонты.

35. Оборудование, арматура и трубопроводы должны иметь опознавательную окраску следующих цветов:

газопроводы - желтый;

арматура газопроводов - оранжевый;

трубопроводы гидросистемы - светло-зеленый;

арматура гидросистемы, бак напорный - темно-зеленый;

воздухопровод - голубой;

арматура воздухопровода напорного - синий.

36. ВНС должна относиться к потребителям I категории по бесперебойности обеспечения электроэнергией.

37. Режим нейтрали ВНС определяется проектом. В сетях переменного тока до 1 кВ с изолированной нейтралью должен выполняться автоматический контроль изоляции с воздействием на отключение.

38. Территория ВНС, включая градирню или брызгательный бассейн, а также помещения ВНС должны иметь электроосвещение.

39. Газопроводная сеть ВНС при сдаче в эксплуатацию должна испытываться на плотность под разрежением 15 кПа (113 мм рт. ст.) с составлением акта испытаний.

40. Передвижные наземные вакуум-насосные станции (ПНВНС) должны быть выполнены из огнестойкого материала и иметь следующие помещения:

распределительный пункт;

помещение машиниста.

Распределительный пункт должен быть изолирован от других помещений глухой перегородкой. Перегородки помещения машиниста ПНВНС устраиваются с шумопоглощением.

41. Машинное отделение ПНВНС должно иметь не менее двух выходов на противоположных сторонах.

Допускается сооружение отдельного помещения для дежурного машиниста на расстоянии не далее 10 м от ПНВНС.

42. На ПНВНС должен быть установлен резервный вакуум-насос.

43. ПНВНС должна быть обеспечена следующими приборами:

вакуумметром на всасывающем газопроводе;

термометром на напорной части газопровода между вакуум-насосом и водоотделителем;

U-образным манометром или тягонапорометром;

интерферометром (ШИ-11, ШИ-12 или др.);

замерным устройством на нагнетательном газопроводе для контроля параметров каптируемой газовоздушной смеси.

44. Проветривание машинного отделения ПНВНС и помещения машиниста должно осуществляться за счет естественной вентиляции при помощи дефлекторов, обеспечивающих трехкратный обмен воздуха в час.

45. Помещение машиниста в зимнее время должно отапливаться.

46. Передвижные подстанции в рудничном исполнении, предназначенные для электроснабжения ПНВНС, могут устанавливаться в пределах ограды ПНВНС.

47. ПНВНС должна быть обеспечена телефонной связью.

48. Передвижные подземные дегазационные установки (ППДУ) должны быть оснащены соответствующими замерными устройствами и приборами для контроля разрежения, давления, температуры, расхода газовой смеси и уровня воды в водоотделителях.

49. ППДУ могут эксплуатироваться самостоятельно или совместно (последовательно) со стационарной ВНС.

На каждую работающую ППДУ необходимо иметь резервную.

Допускается использование секционных дегазационных установок (СДУ), состоящих из нескольких однотипных установок (ПДУ-50, ПДУ-25, ПДУ-12, ПДУ-3).

50. С разрешения территориального органа Службы допускается размещать ППДУ в специальных камерах, имеющих временный характер.

Для бесперебойной работы ППДУ должна быть предусмотрена резервная емкость с водой (на случай прекращения подачи воды из водопровода).

Контроль за содержанием метана в камере ППДУ с электродвигателем должен осуществляться стационарным автоматическим прибором контроля метана, отключающим электродвигатель вакуум-насоса при содержании метана у двигателя более 1%.

51. Разрешается выпускать метан, извлекаемый ППДУ, в выработку с исходящей струей через камеру смешения. При этом содержание метана в атмосфере выработки за пределом смесителя не должно превышать допустимого [п. 268 Правил безопасности в угольных шахтах (ПБ 05-618-03)].

В случае невозможности выполнения настоящего требования извлекаемый метан должен отводиться на поверхность и выпускаться в атмосферу через трубу (свечу) высотой не менее 4 м от уровня земли, расположенную не ближе 15 м от промышленных или жилых объектов.

52. Газопроводы дегазационных систем подразделяются на участковые и магистральные. Участковым считается газопровод, проложенный в пределах выемочного участка или по проводимой с дегазацией подготовительной выработке. Остальные газопроводы - магистральные.

Дегазационные газопроводы должны монтироваться из стальных труб или труб других сертифицированных материалов, допущенных к применению в подземных выработках. Толщина стенок стальных труб - не менее 2,5 мм. Трубы соединяются посредством фланцев или муфт. Газопроводы, расположенные на поверхности, могут монтироваться из труб, соединяемых сваркой. Все вновь сооружаемые дегазационные газопроводы должны испытываться на плотность под разрежением 100 мм рт. ст. Газопровод считается выдержавшим испытание, если увеличение давления в нем за первые 30 мин после его перекрытия не превышает 10 мм рт. ст.

В качестве магистральных газопроводов можно использовать специально обсаженные скважины.

Магистральные газопроводы прокладываются преимущественно по выработкам с исходящей струей воздуха.

Допускается по согласованию с территориальным органом Службы прокладка магистральных трубопроводов по выработкам со свежей струей воздуха, в том числе и по воздухоподающим стволам.

На участковых газопроводах у мест соединения их с магистральными, а также на всех ответвлениях от участкового газопровода должны устанавливаться задвижки.

53. В горизонтальных и наклонных выработках газопроводы подвешиваются на хомутах.

54. Дегазационные трубы в шахте соединяются при помощи фланцев, свободно вращающихся на приварном кольце, или других соединений, обеспечивающих герметичность стыков.

55. Трубы газопровода в магистральных скважинах соединяются встык сваркой.

Для увеличения прочности на сварные швы накладываются пластинки или бандажи длиной 150-200 мм.

56. Дегазационные трубы должны выдерживать давление 0,6 МПа (6 кгс/см2) при прокладке газопровода по горизонтальным или наклонным выработкам и от 1,0 до 1,6 МПа (10-16 кгс/см2) - при прокладке по вертикальным выработкам.

57. Для уплотнения фланцевых соединений применяются прокладки из паронита, металлические или резиновые. Внутренний диаметр прокладки должен быть на 2-3 мм больше внутреннего диаметра трубы.

58. В местах возможного скопления воды в газопроводах устанавливаются водоотделители вместимостью от 0,2 до 1,5 м3 в зависимости от суточного притока воды.

Если из пластовых дегазационных скважин выделяется вода, то допускается устанавливать один водоотделитель на группу скважин.

Конструкция водоотделителя должна исключать выход газа через него в выработку.

59. Подземные дегазационные скважины и перфорированные трубы, предназначенные для дегазации выработанного пространства, подсоединяются к самостоятельному газопроводу.

60. Расчет газопровода производится на наиболее трудный период эксплуатации дегазационной системы.

Диаметр участковых и магистральных газопроводов устанавливается расчетом по расходу метановоздушной смеси, но принимается не менее 150 мм.

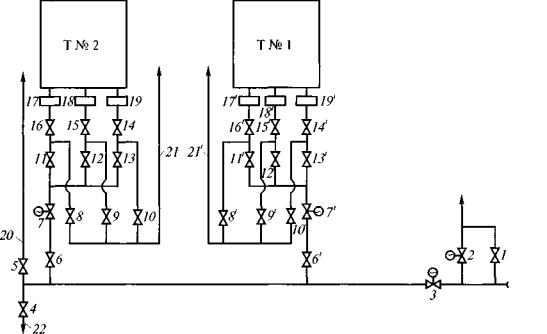
61. Требования к категории помещений стационарной и передвижных ВНС, их технологические схемы и характеристики вакуум-насосов приведены в приложении № 17.

62. Рекомендации по добыче метана, проектированию и эксплуатации дегазационных систем приведены в приложениях № 18 и 19 соответственно.

63. Контроль количества и качества отсасываемого дегазационными системами газа осуществляется на дегазационных скважинах и участковых газопроводах с помощью замерных устройств, вмонтированных в газопровод, и соответствующих приборов для контроля параметров каптируемой смеси.

Рекомендации по контролю работы дегазационных систем изложены в приложении № 20.

64. Если дегазационные мероприятия не обеспечивают проектных показателей расхода и концентрации метана в дегазационной сети, то необходимо проводить вакуумно-газовые съемки, определять места и причины подсосов воздуха в скважины и газопроводы, разрабатывать мероприятия по достижению проектных показателей.

65. Рекомендации по проведению вакуумно-газовой съемки в дегазационных трубопроводах изложены в приложении № 21.

IV. РЕКОМЕНДАЦИИ ПО ОРГАНИЗАЦИИ ВЕДЕНИЯ ДЕГАЗАЦИОННЫХ РАБОТ

66. Дегазационные работы на шахтах выполняются специальной службой, входящей в состав участка вентиляции и техники безопасности (ВТБ), или самостоятельной.

67. Основной задачей службы является организация и осуществление работ по дегазации в соответствии с утвержденным проектом.

В целях выполнения указанной задачи служба:

производит замену вакуум-насосов и прокладку газопроводов собственными силами или привлекает для выполнения этих работ специализированные организации;

разрабатывает исполнительный график работ, паспорта на бурение дегазационных скважин, инструкции по пуску и остановке вакуум-насосов, безопасному обслуживанию дегазационной установки и несет ответственность за их выполнение;

организует работы по подготовке оборудования к бурению дегазационных скважин;

производит или организует бурение дегазационных скважин;

контролирует качество бурения дегазационных скважин и их герметизацию;

обеспечивает нормальную и непрерывную работу дегазационных установок и контрольно-измерительной аппаратуры, а в случае необходимости - ремонт и замену оборудования;

осуществляет систематический контроль за концентрацией и дебитом метана, разрежением в скважинах и газопроводах;

ведет техническую документацию по осмотру и ремонту газопроводов, контролю работ дегазационных установок и скважин, параметров каптируемой метановоздушной смеси, подаваемой потребителю, если таковой имеется;

обеспечивает безопасность и качество ведения дегазационных работ в соответствии с требованиями Правил безопасности в угольных шахтах (ПБ 05-618-03) и настоящими Методическими рекомендациями.

68. Для ведения буровых и дегазационных работ должен составляться раздел «Дегазация», который является составной частью паспорта выемочного участка или подготовительного забоя. Паспорт утверждается техническим руководителем шахты.

Бурение скважин должно производиться в строгом соответствии с проектом дегазации и паспортом на бурение скважин.

Паспорта на бурение и герметизацию скважин составляются работниками шахты, утверждаются главным инженером шахты и согласовываются с главным инженером организации, производящей буровые работы.

Паспорт бурения подземных дегазационных скважин должен содержать: выкопировку из плана горных работ, структурную колонку пласта и пород кровли (почвы) с классификацией слагающих пород по буримости, крепление камер (ниш), схемы расположения транспортных средств в горной выработке, бурового и электрического оборудования, способов крепления бурового станка, параметры скважин и расстояние между ними.

69. Паспорт бурения вертикальных скважин с земной поверхности должен содержать: выкопировку из плана горных работ, совмещенного с планом поверхности; геологический разрез с отметками отработанных пластов и водоносных горизонтов; конструкцию обсадной колонны с указанием участков перфорации и параметры скважин.

70. Паспорт на проведение гидроразрыва пласта из подземных выработок должен содержать: план выемочного участка с нанесением скважин гидроразрыва и схему вентиляции участка; расчетные параметры нагнетания (объем закачиваемой жидкости, давление нагнетания, расход жидкости в единицу времени); схему размещения оборудования, напорного трубопровода и арматуры в горной выработке; места расположения постов наблюдения; прямую телефонную связь рабочего места с диспетчером шахты.

71. Дегазационные скважины разрешается бурить из камер или непосредственно из выработок. Камеры не должны иметь дверей. Ширина входа в камеру должна быть равна ширине камеры. Камеры должны проветриваться.

Пусковая аппаратура бурового станка должна быть сблокирована с вентилятором, чтобы не допускалась подача электроэнергии к станку при выключенном вентиляторе.

72. Для бурения подземных скважин применяется буровой инструмент диаметром 76, 93, 97, 112, 118 и 132 мм.

Удаление бурового шлама осуществляется с помощью воды, глинистых растворов или сжатым воздухом.

Применение сжатого воздуха допускается при бурении скважин диаметром не более 93 мм в угольном и породном массиве, не разгруженном от горного давления, при давлении воздуха в трубопроводе у бурового станка не менее 0,5 МПа (5 кгс/см2) и соблюдении мер, исключающих возможность воспламенения метановоздушной смеси.

73. Устье дегазационной скважины должно быть оборудовано обсадной трубой с тампонированием всего затрубного пространства с помощью цементного раствора, бурового шлама или других заполнителей.

Допускается применение герметизаторов (пакеров), исключающих подсосы воздуха.

После окончания тампонажных работ производится проверка качества герметизации (приложение № 22) и в случае необходимости производится перегерметизация устья скважины.

74. Глубина герметизации подземных скважин должна составлять не менее 6 м при угле разворота скважины от оси выработки в пределах 60-90° и не менее 10 м при угле разворота до 60°.

Допускается герметизировать короткие скважины (длиной до 20 м), предназначенные для борьбы с суфлярами, на глубину менее указанных величин, если обеспечивается разрежение не менее 30 мм рт. ст.

75. Обсадка скважин для подземного гидроразрыва производится трубами диаметром не менее 73 мм, причем 10 м обсадки от устья скважин выполняются из цельнотянутых труб, рассчитанных на давление не менее 20 МПа (200 кгс/см2). Остальная часть обсадной колонны (20-30 м) может выполняться из электросварных труб.

76. При обсадке скважин для подземного гидроразрыва, пробурённых вкрест угольного пласта по вмещающим породам, необходимо, чтобы после цементного тампонажа затрубного пространства фильтрующая часть скважины составляла по угольному массиву не менее 2 м.

77. Для снижения подсосов воздуха в подземные скважины могут быть применены герметизирующие покрытия, наносимые на стенки выработки.

78. На каждую дегазационную скважину составляется акт с указанием фактических параметров скважин (длина, диаметр, угол наклона, угол разворота, длина герметизации, величина подсосов воздуха на участке герметизации).

Акт подписывается представителями шахты и представителем подрядной организации, производящей работы.

V. ТЕХНИЧЕСКИЕ РЕКОМЕНДАЦИИ ПО БЕЗОПАСНОМУ ВЕДЕНИЮ ДЕГАЗАЦИОННЫХ РАБОТ

79. Здания и сооружения ВНС должны соответствовать требованиям СНиП и быть обеспечены молниезащитой по I категории.

80. Подземные ВНС должны размещаться в выработках, проветриваемых свежей струей воздуха.

Контроль за содержанием метана в камере подземной ВНС должен осуществляться стационарным автоматическим газоанализатором, отключающим электроэнергию в камере при содержании метана более 1 %.

Разрешается выпускать метан, извлекаемый подземной ВНС, в выработку с исходящей струей через специальный смеситель. При этом содержание метана в атмосфере выработки не должно превышать допускаемых норм.

В случае невозможности выполнения настоящего требования извлекаемый метан должен отводиться на поверхность и выпускаться в атмосферу через трубу (свечу) высотой не менее 4 м от уровня земли, расположенную не ближе 15 м от промышленных или жилых объектов.

81. Стационарные ВНС должны быть оборудованы стационарными приборами для измерения разрежения, давления, температуры, расхода извлекаемого газа и содержания в нем метана.

Контроль содержания метана в газовой смеси, извлекаемой стационарными вакуум-насосными станциями, должен быть непрерывным и осуществляться автоматическим газоанализатором, выдающим команду на включение аварийной сигнализации и прекращение подачи газа потребителю при содержании метана менее 25 %.

Во временных и передвижных ВНС, извлекающих газовоздушные смеси через пробуренные с поверхности скважины, допускается контролировать расход газа и содержание метана переносными приборами.

В каждой ВНС должно быть два переносных газоанализатора: рабочий и резервный.

82. В машинном зале и помещении контрольно-измерительных приборов (КИП) должны устанавливаться автоматические приборы контроля содержания метана, выдающие команду на включение звуковой и световой сигнализации машинисту ВНС при содержании метана 1 % и более.

83. Схема газопроводов в наземных ВНС должна обеспечивать возможность отвода газа в атмосферу как при работающих, так и при остановленных вакуум-насосах. Конец трубы для выпуска газа в атмосферу должен превышать верхний уровень крыши ВНС на 2 м.

В подземных ВНС должна обеспечиваться возможность транзитного прохода газа по газопроводу (минуя ВНС) в случае прекращения работы такой ВНС.

84. Резервуар для воды, поступающей из вакуум-насосов, должен иметь перекрытие с вытяжной трубой, выведенной выше него на 3 м, а в случае размещения резервуара в помещении - выше верхнего уровня крыши ВНС на 2 м.

На подземных вакуум-насосных установках (кроме установок с закрытой замкнутой системой водоснабжения) вода должна отводиться в сточную канаву, при этом место стока должно быть за вакуум-насосом по направлению вентиляционной струи.

85. Запрещается выполнение сварочных и автогенных работ в помещениях ВНС и на их территориях. В отдельных случаях с разрешения территориального органа Службы указанные работы могут производиться с соблюдением требований пп. 84 и 600 Правил безопасности в угольных шахтах (ПБ 05-618-03) и при выполнении следующих дополнительных мер предосторожности:

а) вакуум-насосы должны быть остановлены после того, как они проработают не менее 5 мин по отсасыванию воздуха;

б) должна быть включена принудительная вентиляция;

в) в помещениях ВНС должно непрерывно контролироваться содержание метана с помощью автоматических приборов.

При повышении содержания метана в помещении до 0,5 % сварочные работы проводить запрещается.

86. Перед каждым пуском вакуум-насосов должны быть выполнены меры, предотвращающие наличие взрывоопасной газовой смеси во внутренней полости вакуум-насоса.

87. Запрещается курение и применение открытого огня в помещении ВНС и на ее территории. Внутри помещений должны находиться первичные средства пожаротушения: огнетушители - по 2 шт.; песок - по 0,2 м3. Снаружи помещения ВНС и на ограде должны быть вывешены предупредительные плакаты: «Опасно: метан!», «Вход посторонним воспрещен!», «Курить строго воспрещается!».

88. Отопление ВНС может быть паровым, водяным или электрическим с применением нагревательных приборов во взрывозащищенном исполнении.

89. ВНС должны быть обеспечены телефонной связью. При использовании извлекаемого газа для отопления котельной между ВНС и котельной должна быть прямая телефонная связь.

90. В машинном зале ВНС должны быть вывешены утвержденные техническим руководителем предприятия схемы электроснабжения агрегатов, коммутации газопроводов и водопроводов на ВНС, инструкции по пуску, остановке вакуум-насосов и по безопасному обслуживанию ВНС, выписка из плана ликвидации аварий.

91. При бурении дегазационных скважин должен осуществляться контроль содержания метана в соответствии с требованиями Правил безопасности в угольных шахтах (ПБ 05-618-03) (пп. 268, 269, 304-309, 311, 574). В случае превышения нормы содержания метана в выработке бурение должно быть немедленно прекращено и скважина подключена к дегазационному газопроводу. Дальнейшее бурение скважины допускается только через устройство, обеспечивающее изолированный отвод газа из скважины в дегазационный трубопровод.

92. Бурение дегазационных скважин в разгружаемом от горного давления массиве должно производиться в следующем порядке: бурение под обсадную трубу, обсадка скважины и герметизация затрубного пространства, бурение скважины на проектную длину с изолированным отводом газа в дегазационный трубопровод.

93. Дегазационные скважины после окончания их бурения должны быть подключены к дегазационному трубопроводу или герметично закрыты.

Соединение дегазационных скважин с газопроводом должно осуществляться с помощью гибкого гофрированного шланга.

На действующих дегазационных скважинах или группах скважин должны устанавливаться: задвижка; устройство, позволяющее измерять разрежение, расход газа и содержание в нем метана; водоотделители (если из скважин поступает вода).

94. Устья использованных и отключенных от газопровода скважин перекрываются металлическими заглушками с прокладками из трудносгораемого материала.

Устья использованных скважин, пробуренных с поверхности, кроме того, должны заливаться цементно-песчаным раствором на глубину не менее 2 м, а при диаметре 200 мм и более - ликвидированы в соответствии с п. 226 Правил безопасности в угольных шахтах (ПБ 05-618-03).

95. При слоевой отработке пласта пробуренные по нижнему слою скважины во время их надработки лавами верхнего слоя не должны отключаться от газопровода до удаления лавы на расстояние не менее 30-50 м от скважины.

96. Пластовая скважина, отключенная от дегазационного газопровода для увлажнения угля в массиве, должна быть вновь подключена к газопроводу на расстоянии не менее 30 м до лавы.

97. Бурение дегазационной скважины с поверхности должно производиться на пласт впереди очистного забоя с таким расчетом, чтобы расстояние от проекции скважины на пласт до забоя дегазируемой лавы к моменту подключения скважины к газопроводу было не менее 30 м.

98. Дегазационные установки, за исключением автоматизированных, должны обслуживаться дежурным машинистом. Запрещается использовать дежурного машиниста на других работах.

99. Запрещается остановка ВНС на срок более 30 мин без разрешения технического руководителя шахты.

В случае остановки ВНС необходимо немедленно отвести поступающий по газопроводу газ в атмосферу, а на шахтах с всасывающим способом проветривания перекрыть все не подключенные к работающим передвижным наземным ВНС скважины, пробуренные с поверхности. В подземных ВНС следует переключить всасывающий газопровод на нагнетательный и сообщить об остановке вакуум-насоса горному диспетчеру и руководителю службы ВТБ.

100. Показания контрольно-измерительных приборов ВНС должны сниматься не реже трех раз в смену и заноситься в Журнал контроля работы ВНС (приложение № 23). Интервал снятия показаний - 2 часа.

101. При аварии в выработке, в которую отводится газ, извлекаемый подземной ВНС, работа вакуум-насосов должна быть прекращена.

102. Контроль режимов работы скважин осуществляется не реже одного раза в неделю путем измерения разрежения, расхода газа и содержания в нем метана.

Результаты измерений должны заноситься в Журнал учета работы дегазационных скважин (приложение № 24). К журналу должна быть приложена пополняемая выкопировка из плана горных работ с нанесенными скважинами, указанием их параметров, индекса пласта, по которому или до которого они пробурены, а также с нанесением местоположения забоя лавы.

103. В случае воспламенения выбрасываемой в атмосферу метановоздушной смеси необходимо перекрыть задвижку на всасывающем газопроводе и остановить вакуум-насос.

Перед пуском вакуум-насоса должна быть обеспечена продувка водоотделителя и вакуум-насоса воздухом не менее 5 мин.

Подача газа потребителям или ее прекращение производится после предварительного предупреждения потребителей, использующих каптируемый газ.

104. При монтажных работах, связанных с рассоединением участкового газопровода, дегазационные скважины на этом участке необходимо закрыть. При рассоединении магистрального газопровода необходимо закрыть задвижки на участковых газопроводах.

105. Газопроводы должны осматриваться не менее чем один раз в неделю. Обнаруженные неплотности и изгибы газопровода, где возможно скопление воды, должны немедленно устраняться. Результаты осмотра газопроводов заносятся в Журнал осмотра и ремонта дегазационных газопроводов (приложение № 25).

106. Запрещается засыпать газопроводы, проложенные в действующих выработках, породой, заваливать лесом, а также использовать их в качестве опорных конструкций или заземлителей.

107. Рекомендации по обеспечению пожаровзрывобезопасности представлены в приложении № 26.

108. Руководящие и инженерно-технические работники, занимающиеся проектированием, строительством, монтажом, наладкой и эксплуатацией газопроводов, агрегатов и приборов, использующих газ дегазации в качестве топлива, работами по пуску газа, а также преподаватели курсов учебных комбинатов, занятые подготовкой кадров для газовых хозяйств, и лица, ведущие со стороны заказчика технический надзор за строительством объектов газоснабжения, должны пройти обучение и перед допуском к работе сдать экзамены на знание настоящих Методических рекомендаций, а также соответствующих глав СНиП в объеме выполняемой ими работы.

109. Сварщики перед допуском к сварке газопроводов должны быть аттестованы в соответствии с Правилами аттестации сварщиков и специалистов сварочного производства (ПБ 03-273-99), утвержденными постановлением Госгортехнадзора России от 30.10.98 № 63, зарегистрированным Минюстом России 04.03.99 г., регистрационный № 1721.

110. Специалисты, осуществляющие контроль сварных соединений методами неразрушающего контроля при строительстве (монтаже), эксплуатации, изготовлении, ремонте и техническом диагностировании объектов газового хозяйства, должны быть аттестованы в соответствии с Правилами аттестации специалистов неразрушающего контроля (ПБ 03-440-02), утвержденными постановлением Госгортехнадзора России от 23.01.02 № 3, зарегистрированным Минюстом России 17.04.02 г., регистрационный № 3378.

111. Рабочие, занятые строительством (монтажом), наладкой и эксплуатацией газопроводов и газового оборудования, до назначения на самостоятельную работу обязаны пройти обучение и проверку знаний по безопасным методам и приемам выполнения работ на соответствующем рабочем месте в объеме требований инструкций и других нормативных документов, включенных в утвержденный в установленном порядке перечень.

112. Программы обучения руководителей, специалистов и рабочих (в том числе сварщиков) подлежат согласованию с территориальным органом Службы.

113. К выполнению газоопасных работ допускаются руководители, специалисты и рабочие, обученные и сдавшие экзамены на знание настоящих требований, технологии проведения работ, умеющие пользоваться средствами индивидуальной защиты и знающие способы оказания первой помощи.

114. Первичная проверка знаний у руководителей, специалистов и рабочих настоящих Методических рекомендаций, нормативных документов, инструкций по безопасным методам и приемам выполнения работ должна проводиться экзаменационной комиссией с участием представителя территориального органа Службы.

115. Члены постоянно действующих экзаменационных комиссий должны проходить первичную проверку знаний в организациях (учебных центрах), имеющих соответствующую лицензию, или в экзаменационных комиссиях, созданных при территориальных органах Службы.

116. Очередная проверка знаний настоящих Методических рекомендаций у руководителей и специалистов постоянно действующими экзаменационными комиссиями проводится один раз в 3 года; проверка знаний безопасных методов труда и приемов выполнения работ рабочими - один раз в 12 мес, после прохождения дополнительных теоретических занятий по сокращенной программе, утвержденной главным инженером (техническим директором) организации.

117. Результаты экзаменов оформляются протоколом с указанием вида работ, которые может выполнять лицо, прошедшее проверку знаний. На основании протокола первичной проверки знаний рабочему, сдавшему экзамены, выдается удостоверение о допуске к указанным видам работ за подписью председателя комиссии и инспектора Службы.

118. Контроль безопасности и качества выполнения работ по дегазации угольных шахт должен включать:

периодичность и объем проводимых проверок;

меры, принимаемые по устранению выявленных нарушений;

анализ причин допущенных нарушений в целях их устранения и предупреждения;

проверку деятельности подразделений шахты по обеспечению ими условий для соблюдения на рабочих местах требований настоящих Методических рекомендаций и других инструкций.

119. На каждой шахте, имеющей наземные газовые сети дегазации и сооружения на них в целях утилизации каптируемых метановоздушных смесей, приказом по шахте должны назначаться лица, ответственные за безопасную эксплуатацию газового хозяйства. На шахтах, где газовое топливо используется в нескольких цехах (участках), кроме лица, ответственного за безопасную эксплуатацию газового хозяйства шахты, должны назначаться ответственные лица по цехам (участкам).

120. Трубы, оборудование, приборы и арматура, идущая на сооружение систем газоснабжения производственных помещений, а также условия прокладки и способы крепления газопроводов, устройства вентиляции должны соответствовать требованиям СНиП.

121. Газопроводы должны вводиться непосредственно в помещение, где находятся котлы, печи и другие агрегаты, использующие газ, или в смежное с ним помещение при условии соединения их открытым проемом. На вводе газопровода, внутри помещения, должно устанавливаться отключающее устройство в доступном для обслуживания месте.

122. Газопроводы в помещениях должны прокладываться открыто в местах, удобных для обслуживания и исключающих возможность их повреждения цеховым транспортом, грузоподъемными кранами и другими движущимися механизмами.

123. Подводящие газопроводы к котлам, печам и другим газовым приборам и агрегатам допускается прокладывать с заделкой труб в бетонном полу. В этом случае трубы должны иметь минимальное число сварных стыков, покрываться противокоррозионной изоляцией и не иметь резьбовых и фланцевых соединений и арматуры.

124. Газопроводы не должны прокладываться в местах, где они могут омываться горячими продуктами сгорания или соприкасаться с раскаленным или расплавленным металлом.

125. Не допускается прокладка газопроводов через шахты лифтов, вентиляционные шахты и каналы, а также дымоходы.

126. Крепление газопроводов к стенам, колоннам и перекрытиям внутри зданий, каркасам котлов или агрегатов должно производиться с помощью кронштейнов, подвесок с хомутами, крючков на таком расстоянии от строительных конструкций или каркасов, которое обеспечивает возможность осмотра и ремонта газопровода и установленной на нем арматуры.

127. Газопроводы в местах прохода людей должны прокладываться на высоте не менее 2,2 м.

128. Газопроводы после их испытания на прочность и плотность и в процессе эксплуатации должны окрашиваться масляными или нитроэмалевыми водостойкими красками в желтый цвет с предупреждающими красными кольцами.

129. Газовые горелки, установленные в печах, котлах и других агрегатах, должны работать устойчиво, без отрыва пламени и проскока его во внутрь горелки в пределах необходимого регулирования тепловой нагрузки агрегата. Применение подовых горелок возможно при условии их изготовления предприятием, эксплуатирующим котлы и агрегаты, по чертежам проектной организации.

130. Перед горелками, в которые подается газ дегазации, должны быть установлены огнепреградители. Допускается установка одного огнепреградителя на группу горелок одного теплового агрегата, топки и т.д.

131. Расстояние от выступающих частей газовых горелок или арматуры до стен, а также до сооружений и оборудования должно быть не менее 1 м.

132. Газопроводы внутри цехов и котельных должны иметь систему продувочных трубопроводов (свечей) с запорными устройствами. Концевые участки продувочных свечей должны выводиться выше крыши не менее чем на 2 м, а также иметь систему сбора капельной влаги с водомерным стеклом и гидрозатвором.

133. Газифицированные котлы и агрегаты должны быть оборудованы автоматикой, обеспечивающей прекращение подачи газа при недопустимом давлении газа, погасании пламени горелок, уменьшении разрежения в топке, прекращении подачи воздуха.

134. Работа газового оборудования должна осуществляться под контролем постоянного обслуживающего персонала. При осуществлении контроля за работой оборудования с диспетчерского пульта разрешается работа газового оборудования без постоянного обслуживающего персонала при выполнении следующих условий:

оборудование должно располагаться в обособленных запирающихся помещениях, входные двери должны быть оборудованы сигнализацией, контролирующей их положение, а помещения - контрольным освещением во взрывобезопасном исполнении;

котлы и топки, работающие на газовом топливе, должны быть оснащены средствами автоматики безопасности, автоматического контроля и регулирования в соответствии с требованиями СНиП на проектирование котельных установок;

в оперативном подчинении у диспетчера должен находиться дежурный персонал, в обязанность которого входит выполнение всех работ, связанных с аварийной остановкой оборудования и техническим обслуживанием оборудования, работающего без постоянного обслуживающего персонала.

135. На газопотребляющих агрегатах и котлах должны быть установлены проверенные КИП для замера следующих параметров:

давления газа у горелки после последнего (по ходу газа) отключающего устройства;

разрежения в топке;

давления воздуха в воздуховоде у горелок или у вентилятора после регулирующего устройства перед топкой.

136. Топки и котлы, работающие на газообразном топливе, должны быть оборудованы взрывными клапанами. Размещение, число и размеры взрывных клапанов определяются проектной организацией.

137. Для проветривания топок неработающих котлов в верхней части шиберов должны быть сделаны отверстия диаметром не менее 50 мм. Шиберы должны иметь фиксаторы «Открыто» и «Закрыто», а управление шиберами должно быть выведено на фронт котлов или на щит управления котлом.

138. При переводе котлов на газообразное топливо должно проверяться расчетом сечение дымоходов (боровов) для отвода продуктов сгорания газа.

139. Электроосвещение газифицируемых цехов промышленных предприятий и котельных должно соответствовать требованиям основного производства.

140. Вентиляция производственных котельных цехов должна соответствовать требованиям СНиП.

141. Регулирование давления газа и поддержание его на заданном уровне производится регулятором, установленным на нагнетательном трубопроводе в здании ВНС.

142. Газорегуляторные пункты (ГРП) в зависимости от давления газа делятся на следующие группы:

низкого давления (до 0,05 кгс/см2);

среднего давления (от 0,05 до 1,5 кгс/см2 или от 0,005 до 0,15 МПа).

143. Размещение приборов для измерения давления в газопроводе и концентрации метана должно соответствовать требованиям настоящих Методических рекомендаций.

144. Рабочее давление в нагнетательном трубопроводе ВНС определяется проектной организацией.

145. Концентрация газа для эксплуатации газовых агрегатов должна быть не менее 25 %.

146. Рекомендуемая схема размещения КИП, регулятора давления, запорных и предохранительных устройств приведена в приложении № 27, а пожаровзрывобезопасность ВНС, подающей шахтный газ потребителю, - в приложении № 26.

147. Трубы, материалы, типы и конструкции запорной арматуры и других технических изделий, применяемых для сооружения газопроводов и монтажа внутренних устройств, должны соответствовать требованиям СНиП.

148. Трубы должны иметь сертификаты заводов-изготовителей или их копии, заверенные владельцем сертификата.

149. На электроды, сварочную проволоку, флюсы и другие сварочные материалы должны быть сертификаты. При отсутствии документов на сварочные материалы применение их возможно только после лабораторных испытаний образцов и получения заключения о соответствии данной партии требованиям государственных стандартов или технических условий.

150. Соединение стальных труб должно производиться сваркой. Допускается резьбовые и фланцевые соединения применять в местах установки отключающих устройств, компенсаторов, КИП и другой арматуры, а также при монтаже изолирующих фланцев.

151. К сварке стальных трубопроводов допускаются сварщики, аттестованные в соответствии с Правилами аттестации сварщиков и специалистов сварочного производства (ПБ 03-273-99) и имеющие удостоверения на право сварки газопроводов данным способом.

152. Сварщик обязан проставлять свой номер на расстоянии 30-50 мм от каждого сваренного им стыка.

153. Независимо от наличия удостоверения сварщик, впервые приступающий к сварке газопроводов на данной шахте, перед допуском к работе должен сварить пробный стык в условиях, аналогичных тем, в которых производится работа на монтаже газопроводов.

154. Все вновь сооружаемые газопроводы должны испытываться на прочность и плотность. Перед испытанием газопровод должен быть продут воздухом. Испытание на прочность и плотность газопроводов проводится воздухом или водой после установки всей арматуры, оборудования и КИП давлением 1,5 кгс/см2 в течение 10 мин, а на плотность 0,5 кгс/см2 в течение 60 мин.

155. Качество монтажа продувочных свечей и свечей безопасности проверяется внешним осмотром. Внутренний диаметр трубопроводов, продувных свечей и свечей безопасности должен быть не менее 20 мм.

VI. ТЕХНИЧЕСКИЕ РЕКОМЕНДАЦИИ ПО ИСПОЛЬЗОВАНИЮ ГАЗА ДЕГАЗАЦИИ

156. Изложенный в настоящей главе материал рекомендуется для всех организаций, проектирующих, строящих и эксплуатирующих наземные газопроводы и сооружения на территории шахты, подводящие газ к потребителю, и получивших лицензию Службы на эксплуатацию взрывоопасных объектов.

157. Для стабильного и бесперебойного снабжения потребителя необходимым количеством газа содержание каптируемой смеси на выходе вакуум-насоса должно составлять 35-40 %, а на выходе добычных участков - 50-55 %.

158. При подаче каптируемого газа потребителю дегазационная установка, работающая в комбинированном режиме (то есть наряду с разрежением на всасе вакуум-насоса создается избыточное давление на нагнетательном газопроводе), должна иметь диаметр нагнетательного газопровода не менее 250 мм при дебите смеси меньше 30 м3/мин и не менее 300 мм при дебите смеси 30 м3/мин и более.

159. Для предупреждения взрыва или воспламенения каптируемых метановоздушных смесей дегазационные установки должны быть в максимальной степени автоматизированы, а режим их работы должен постоянно контролироваться.

Дегазационные установки должны оснащаться приборами контроля, регулировки, защиты и огнепреграждения. В случаях бытового использования каптируемого метана с резервной емкостью природного газа должны быть предусмотрены одоризаторы. При подаче газа потребителю необходимо иметь огнепреградитель в нагнетательном газопроводе.

160. Для предотвращения аварий в дегазационных установках и обеспечения стабильной их работы необходимо непрерывно контролировать дебит и концентрацию метана, подаваемого потребителю, разрежение на стороне всасывания смеси и давление на нагнетательном газопроводе.

Теплота сгорания и температура каптируемого газа контролируются потребителем.

161. Мероприятия по утилизации каптируемых метановоздушных смесей должны осуществляться с учетом положений государственной программы по энергосбережению, закона об энергосбережении, федеральной целевой программы предотвращения опасных изменений климата и их отрицательных последствий, рамочной Конвенции ООН по изменению климата и Киотского протокола этой Конвенции.

162. Способы утилизации метановоздушных смесей выбираются исходя из объемов каптируемого на шахтах метана и его содержания в газовоздушных смесях, имеющегося для этой цели оборудования и наличия потребителей шахтного метана.

163. На использование извлекаемого шахтного метана проектной организацией составляется проект, заказчиком которого является угольная компания (акционерное общество или шахта).

164. Проектирование, строительство и эксплуатация газопроводов, газового оборудования ВНС и потребителей, работающих на метановоздушной смеси, должны производиться в соответствии с требованиями Правил безопасности систем газораспределения и газопотребления (ПБ 12-529-03), утвержденных постановлением Госгортехнадзора России от 18.03.03 № 9, зарегистрированным Минюстом России 04.04.03 г., регистрационный № 4376, и разделов настоящих Методических рекомендаций.

165. Рекомендуется применять апробированные способы утилизации каптируемого в шахтах метана: выработка тепловой и электрической энергии для шахт и прилегающих предприятий; подогрев в зимнее время воздуха, подаваемого в шахты; сушка угля на установках обогатительных фабрик.

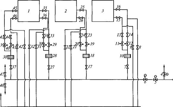
Апробированные на шахтах ОАО «Воркутауголь» технологические схемы газопроводов ВНС, АГВН (автономного газовоздушного нагревателя), котельной и топочного устройства термоаэроклассификатора (ТАК) приведены в приложении 27.

Приложение 1

Термины и условные обозначения

1. В настоящих Методических рекомендациях используются следующие основные термины, понятия и определения:

вакуум-насос - устройство для удаления из шахты газовоздушных смесей по трубопроводу;

выработанное пространство - пространство, образующееся после извлечения угля в результате ведения очистных работ;

газовая съемка - метод установления распределения газов в сети горных выработок или дегазационной системы;

газовый баланс - распределение газовыделения по источникам или в системе горных выработок;

газоносность пласта - количество газов, содержащихся в весовой (м3/т) или объемной (м33) единицы угля в виде свободных и сорбированных газов;

газообильность (метанообильность) выработок - количество газа (метана), выделяющегося в горные выработки;

дегазация шахт - совокупность технических решений, направленных на извлечение и улавливание метана, выделяющегося из различных источников, с изолированным отводом его на поверхность или в горные выработки, в которых возможно разбавление метана до допустимых концентраций;

дегазация угольных пластов - процесс извлечения газа из угольного массива вакуум-насосами через скважины, подсоединенные к трубопроводу;

дегазация выработанного пространства - процесс извлечения газовоздушных смесей из выработанного пространства и примыкающего к нему трещиноватого массива вакуум-насосами через перфорированные трубы или скважины, подсоединенные к газопроводу;

интенсивность газовыделения - количество газа, выделяющегося из массива в единицу времени;

каптаж газа - процесс улавливания газа в скважины и вывод собранного газа по трубам на поверхность;

метанодобываемость - количество метана, которое может быть извлечено из угольного пласта или выработанного пространства при их дегазации скважинами;

сближенный пласт - пласт газоносной угольной свиты, отдающий газ в проводимые по разрабатываемому пласту выработки;

обсадная труба - металлическая (или иная допущенная к применению в шахтах) труба, вставляемая в устье скважины для изоляции последней от подсосов воздуха;

свита пластов угля - группа (серия) пластов угля, заключенных в определенной толще согласно залегающим горным породам;

суфляр - выделение газа из трещин, шпуров или скважин, вскрывающих газопроводящие трещины, с дебитом газа 1 м3/мин и более на участке выработки менее 20 м;

угленосная толща - комплекс осадочных отложений, заключающий в себе пласты угля;

управление газовыделением - совокупность мероприятий, направленных на предотвращение, снижение или перераспределение выделения газов в пределах горных выработок.

2. В настоящих Методических рекомендациях используются следующие условные обозначения:

А - суточная производительность лавы, т/сут;

а - коэффициент, характеризующий темп снижения во времени газовыделения из пласта в скважины, сут-1;

а1 - проекция скважины на горизонтальную проекцию оси выработки, м;

а' - эмпирический коэффициент;

аз - поправочный коэффициент замерного устройства;

b - эмпирический коэффициент;

b1 - протяженность зоны, препятствующей разгрузке горных пород, м;

b' - эмпирический коэффициент;

bп - ширина бутовой полосы под скважиной, м;

bс - эмпирический коэффициент;

bц - ширина целика, м;

В - разрежение в скважине, мм рт. ст.;

Ввс.р - расчетное (или фактическое) разрежение на всасе вакуум-насоса, мм рт. ст.;

Ввс.м - максимальное (предельное) разрежение, развиваемое вакуум-насосом, мм рт. ст.;

Вт i - разрежение газа в i-м пункте дегазационного трубопровода, мм рт. ст.;

Вy - разрежение на устье скважины, мм рт. ст.;

Вв.ф - фактическое разрежение, измеренное на вакуум-насосе, мм рт. ст.;

Вв.т - разрежение, установленное по типовой аэродинамической характеристике вакуум-насоса и фактическому расходу газовоздушной смеси, мм рт. ст.;

Вн.ф - разрежение на вакуум-насосе при расходе Qв.н, мм рт. ст.;

Вл - эмпирический коэффициент;

DВуд - удельные потери давления в скважине, мм рт. ст./м;

Ск - содержание карбонатов в фильтрующих каналах, доли ед.;

Скт - концентрация товарной кислоты, %;

Ср - рабочая концентрация кислотного раствора, %;

с - допустимая концентрация метана в вентиляционной струе, %;

с1 - резерв, учитывающий возможное отклонение скважины от заданного направления, м;

с1-2 - концентрация метана в газовоздушной смеси участкового газопровода (ветвь 1-2), %;

сi - концентрация метана в газовоздушной смеси i-й ветви газопровода, %;

см - концентрация метана в каптируемой газовой смеси, %;

св - содержание воздуха в каптируемой газовой смеси, %;

см i - концентрация метана в газе на i-м участке газопровода, %;

с0 - концентрация метана в поступающей вентиляционной струе, %;

сmах - концентрация метана в каптируемой смеси на расстоянии Lmax от лавы, %;

с'mах - концентрация метана в скважинах на расстоянии L'max от монтажной камеры (после первой посадки основной кровли), %;

смаг i - концентрация метана в i-й ветви магистрального газопровода, %;

с' - эмпирический коэффициент;

- концентрация метана в пункте С1 дегазационной скважины, %;

 - концентрация метана в пункте Сi дегазационной скважины, %;

d - внутренний диаметр газопровода, м;

dс - диаметр скважины, м;

dст - внутренний диаметр стандартных труб, м;

d1-2 - внутренний диаметр участкового газопровода (ветвь 1-2), м;

 - внутренний диаметр стандартных труб для трубы d1-2, м;

dэк - эквивалентный внутренний диаметр газопровода, м;

di - внутренний диаметр i-го газопровода, м;

dн - внутренний диаметр нагнетательного газопровода, м;

dтр i - требуемый внутренний диаметр газопровода в i-й ветви, м;

dст i - стандартный внутренний диаметр в i-й ветви газопровода, м;

dд.ст i - внутренний диаметр стандартных труб дополнительного газопровода, м;

dд - внутренний диаметр дополнительного газопровода, м;

dд i - внутренний диаметр дополнительного газопровода в i-й ветви, м;

dд.ст i - стандартный диаметр дополнительного газопровода в i-й ветви, м;

d0 - диаметр отверстия диафрагмы, мм;

dтр - требуемый внутренний диаметр газопровода, м;

dтр i - требуемый внутренний диаметр газопровода в i-й ветви, м;

 - эквивалентный внутренний диаметр в i-й ветви, представленной параллельными основным и дополнительным газопроводами, м;

dф - фактический диаметр газопровода, м;

dф i - фактический внутренний диаметр в i-й ветви газопровода, м;

dэ - внутренний диаметр газопровода, находящегося в эксплуатации, м;

f - крепость угля или породы по М.М. Протодьяконову;

Gд - дебит метана из скважин, м3/мин;

- дебит метана на выемочном участке при дегазации сближенных пластов, м3/мин;

Gд.б - дебит метана, извлекаемого барьерными скважинами, м3/мин;

- дебит метана сближенных пластов на расстоянии L'max от монтажной камеры, м3/мин;

Gд.с - дебит метана, каптируемого из подрабатываемых сближенных пластов на действующем выемочном участке, м3/мин;

Gд i - дебит метана, извлекаемого средствами дегазации из i-го источника, м3/мин;

 - дебит метана из скважины i-го выемочного участка, м3/мин;

Gд j - дебит извлеченного средствами дегазации метана на j-м дегазируемом участке, м3/мин;

Gд.т i - дебит метана в i-м пункте газопровода, м3/мин;

Gпл - дебит метана из скважин при дегазации участка разрабатываемого пласта, м3/мин;

- дебит метана из скважин за время обуривания участка разрабатываемого пласта, м3/мин;

 - дебит метана из скважин после завершения буровых работ на участке разрабатываемого пласта, м3/мин;

g0 - начальное удельное метановыделение в скважину, м3/(м2×сут);

Н - глубина горных работ (залегания пласта) от земной поверхности, м;

Нв.п - расстояние от земной поверхности до верхнего подрабатываемого пласта, м;

h - расстояние по нормали от устья скважины до кровли разрабатываемого пласта, м;

hд - перепад давлений на диафрагме, мм вод. ст.;

hп - расстояние по вертикали от уровня откаточного горизонта до места пересечения скважиной сближенного пласта, м;

h1 - мощность непосредственной кровли, м;

I - метанообильность выработки по прогнозу (или фактическая) без дегазации источников метановыделения, м3/мин;

I' - метановыделение в выработку (очистной забой, выемочный участок, поле, подготовительную выработку) при применении дегазации, м3/мин;

I в - метановыделение в выработку (очистной участок, выемочное поле, подготовительную выработку), допустимое по фактору вентиляции без дегазации источников метановыделения, м3/мин;

Iп.в - метановыделение в подготовительную выработку без дегазации пласта, м3/мин;

Ii - фактическое до дегазации или прогнозное метановыделение из i-го источника, м3/мин;

- метановыделение в вентиляционную сеть на j-м дегазируемом участке, м3/мин;

Ic.п - метановыделение из сближенных пластов и вмещающих пород, м3/мин;

i - порядковый номер дегазируемого источника метана, ветви газопровода, пункта отбора проб и т.д.;

j - порядковый номер магистральной ветви газопровода, дегазируемого участка;

Кдег - суммарное значение коэффициента дегазации нескольких источников метановыделения на выемочном участке, доли ед.;

Кд - коэффициент дегазации выработки (очистного участка, поля, подготовительной выработки), то есть уровень снижения ее метанообильности, доли ед.;

- необходимый коэффициент дегазации, то есть требуемый уровень снижения метанообильности выработки (очистного участка, поля, подготовительной выработки), доли ед.;

Ки.г - коэффициент интенсификации газоотдачи пластовых скважин в зонах гидрорасчленения пласта;

 - коэффициент интенсификации газовыделения в скважины предварительной дегазации, пробуренные в зонах гидроразрыва пласта;

Кн - коэффициент, учитывающий потери жидкости на фильтрацию;

Кот - коэффициент, учитывающий возможное отклонение скважины при ее бурении;

Кс - эмпирический коэффициент;

Кт - эмпирический коэффициент;

К1 - суммарный коэффициент потерь воздуха;

- эмпирический коэффициент;

k - число дегазируемых подготовительных и очистных выработок;

kд i - коэффициент дегазации i -го источника метановыделения, доли ед.;

kд.с.н - коэффициент дегазации нижних (надрабатываемых) сближенных пластов, доли ед.;

kд.пл - коэффициент дегазации разрабатываемого пласта, доли ед.;

 - необходимая эффективность дегазации разрабатываемого пласта, доли ед.;

kд.п - коэффициент дегазации пород, доли ед.;

kд.б - коэффициент дегазации пласта барьерными скважинами, доли ед.;

kд.с - коэффициент дегазации сближенных пологих угольных пластов, доли ед.;

kд.с.к - коэффициент дегазации сближенных крутых угольных пластов, доли ед.;

kд.с.п - коэффициент дегазации сближенных подрабатываемых пластов угля и газоносных пород, доли ед.;

kд.в.п - коэффициент дегазации выработанного пространства действующего участка, доли ед.;

kз - коэффициент, учитывающий заполнение угольного массива рабочей жидкостью;

kи - коэффициент интенсификации выделения метана в перекрещивающиеся скважины;

 - коэффициент интенсификации выделения метана в пластовые скважины, ориентированные на очистной забой;

kи.н - коэффициент, учитывающий интерференцию скважин и неравномерность обработки массива;

kн - коэффициент неравномерности метановыделения;

kо - коэффициент приведения;

km - коэффициент, учитывающий сорбцию и скорость реакции соляной кислоты с карбонатами;

kп - коэффициент, указанный в паспорте прибора для учета диаметра газопровода;

L - длина выемочного участка, м;

Lб - расстояние от очистного забоя до места установки бурового станка, м;

Lст - длина столба на крутом пласте, м;

Lт - длина трубопровода в наиболее загруженной и протяженной ветви дегазационной системы, м;

Lг - расстояние между скважинами гидроразрыва, м;

Lmax - расстояние (в плоскости разрабатываемого пласта) от забоя лавы до местоположения проекции зоны максимального метановыделения в скважины из сближенного пласта, м;

Lmax i - расстояние (в плоскости разрабатываемого пласта) от забоя лавы до местоположения проекции зоны максимального метановыделения i-го дегазируемого пласта, м;

 - расстояние (в плоскости разрабатываемого пласта) от монтажной камеры до местоположения проекции зоны максимального метановыделения из сближенного пласта в скважины (после первой посадки основной кровли), м;

L' - расстояние от монтажной камеры до проекции забоя скважины на разрабатываемый пласт, м;

 - расстояние от вентиляционной выработки до проекции забоя скважины на разрабатываемый пласт, м;

lоч - длина лавы (очистного забоя), м;

 - полезная длина скважины гидроразрыва, м;

lг - глубина герметизации скважины, м;

li - расчетная длина i-й ветви газопровода, м;

lв i - длина i-й ветви газопровода, м;

lн - длина нагнетательного газопровода, м;

lб - ширина бутовой или охранной полосы под скважиной, м;

lс - длина скважины, м;

- полезная длина скважины, м;

lн.ч - длина ненарушенной части скважины, м;

lф - фактическая длина ветви газопровода, м;

l1-2 - длина участкового газопровода (ветвь 1-2), м;

lц - ширина целика угля, м;

М - расстояние по нормали между разрабатываемым и сближенным пластами, м;

М' - расстояние по нормали между разрабатываемым пластом и дегазируемой толщей газосодержащих пород, м;

М" - расстояние по нормали от полевого штрека до сближенного пласта, м;

Мi - расстояние по нормали между i сближенным и разрабатываемым пластами, м;

Мр - предельное расстояние от разрабатываемого пласта до сближенного, при котором метановыделение из сближенного пласта близко к нулю, м;

т - полная мощность угольных пачек пласта, м;

тв - вынимаемая мощность пласта, м;

тд - дегазируемая скважинами мощность угольных пачек пласта, м;

тп - мощность пласта, м;

тi - мощность дегазируемого i-го сближенного пласта, м;

т' - соотношение диаметров отверстия диафрагмы и газопровода;

N - число скважин на участке разрабатываемого пласта после завершения буровых работ, шт.;

N' - число скважин на участке разрабатываемого пласта в процессе его обуривания, шт.;

N1 - эмпирический коэффициент;

п - число одновременно работающих скважин, однотипных вакуум-насосов и т.п., шт.;

пс - число одновременно работающих скважин, шт.;

пс.у - число скважин на удаленном участке, шт.;

пу - число выемочных участков, из которых газ транспортируется в i-й магистральный газопровод, шт.;

пв.н - число рабочих вакуум-насосов, шт.;

пi - доля i-го дегазируемого источника метана в метанообильности выработки (очистной забой, выемочный участок, поле), доли ед.;

пс.н - долевое участие нижних (надрабатываемых) сближенных пластов в метанообильности выемочного участка, доли ед.;

ппл - долевое участие разрабатываемого пласта в метанообильности выработки (без дегазации), доли ед.;

пп - долевое участие газоносных пород в метанообильности выработки, доли ед.;

пс.п - долевое участие сближенных подрабатываемых пластов в метанообильности выработки, доли ед.;

пф - фильтрующая пористость пласта по газу, доли ед.;

пэ - эффективная пористость угольного пласта, доли ед.;

Рб - барометрическое давление, мм рт. ст.;

Р1 - давление метановоздушной смеси у скважин в участковом газопроводе, входящем в наиболее протяженную и загруженную ветвь дегазационной системы, мм рт. ст.;

Р'1 - давление газа в газопроводе у диафрагмы, мм рт. ст.;

Р2 - давление метановоздушной смеси на выходе из участкового газопровода, мм рт. ст.;

Р'2 - уточненное давление газа на выходе из участкового газопровода, мм рт. ст.;

Р2z - давление газа в газопроводе с учетом разности отметок глубины, мм рт. ст.;

Р4 - давление газа в пункте 4 магистрального газопровода 2-4, мм рт. ст.;

Р'2z - уточненное давление газа на выходе из участкового газопровода с учетом разности отметок ветвей газопровода, мм рт. ст.;

Рвс - давление газа на всасе вакуум-насоса, мм рт. ст.;

Р'вс - давление газа на всасывающем газопроводе перед ВНС, мм рт. ст.;

Рвс.р - расчетное давление газа на всасе вакуум-насоса, мм рт. ст.;

Рн - давление газа в газопроводе перед вакуум-насосом (вакуум-насосами), мм рт. ст.;

Рн i - давление смеси газов на входе в /-ю ветвь газопровода, ммрт. ст.;

Рг - давление жидкости, при котором происходит гидроразрыв угольного пласта, МПа;

Ргор - давление газа в горелках, мм рт. ст.;

Рзв - давление закачки газообразного агента, МПа;

Ри.р - избыточное давление нагнетания, развиваемое вакуум-насосом, мм рт. ст.;

Рм - максимальное избыточное давление нагнетания, развиваемое вакуум-насосом, мм рт. ст.;

Рн.р - давление в нагнетательном патрубке вакуум-насоса, мм рт. ст.;

Р0 - атмосферное давление, МПа;

Рср - среднее давление газообразной среды, МПа;

Рпл - давление газа в пласте, МПа;

Рт - давление газа в трубопроводе, мм рт. ст.;

Ру - давление газа в устье скважины, мм рт. ст.;

Рус - ожидаемое давление на устье скважины при рабочем темпе нагнетания жидкости, МПа;

Рш - давление воздуха в шахте в месте производства замеров, мм рт. ст.;

DРв.н - потери давления на ВНС, мм рт. ст.;

DРд - потери давления при прохождении через диафрагму, мм рт. ст.;

DРм - потери давления при прохождении метановоздушной смеси через защитную и регулирующую аппаратуру, ммрт. ст.;

DРп - потери давления газа в пламегасителе, мм рт. ст.;

DРт - потери давления на трение газа в нагнетательном трубопроводе, мм рт. ст.;

DРуд - удельные потери давления в газопроводе, мм рт. ст./м;

Пг - допустимые подсосы воздуха в газопровод, м3/мин;

Пс - допустимые подсосы воздуха в дегазационные скважины, м3/мин;

Пуд - допустимые удельные подсосы воздуха в дегазационные скважины, м3/мин×(мм рт. ст.)1/2;

Пг j - допустимые подсосы воздуха, поступающего в начальную точку j-й ветви газопровода, м3/мин;

Q - расход смеси отсасываемых газов на замерном устройстве с диафрагмой, м3/мин;

Qc - суммарный дебит смеси из всех скважин, м3/мин;

Qг - расход каптируемой смеси (номограмма, рис. 6 приложения №20), м3/ч;

Qг.а - расход газа, проходящего через газоанализатор, м3/с;

Qго - объем газообразного рабочего агента, м3;

Qж - объем рабочей жидкости, необходимой для гидроразрыва или гидрорасчленения пласта, м3;

Q'ж - объем рабочей жидкости, необходимой для гидроразрыва пласта через пластовые скважины, м3;

Qкр - объем кислотного раствора, м3;

Qкт - необходимый объем товарной соляной кислоты, т;

Qв.н - заданный расход (подача) вакуум-насоса, м3/мин;

Q'в.н - производительность дегазационной установки при текущих значениях разрежения и давления нагнетания, м3/мин;

Qм - максимальная производительность вакуум-насоса, м3/мин;

Qн - производительность вакуум-насоса, соответствующая требуемому режиму работы дегазационной системы, м3/мин;

Qн.р - расчетный расход газовой смеси в ветви перед вакуум-насосом, м3/мин;

Qн.у - расход смеси газов при нормальных условиях, м3/мин;

Qн.ф - фактический расход газовой смеси в ветви перед вакуум-насосом, м3/мин;

Qв.ф - фактический (измеренный) расход газовоздушной смеси, м3/мин;

Qпгв - суммарный объем нагнетаемых при пневмовоздействии рабочих агентов, м3;

Qрж - объем жидкого рабочего агента, м3;

Qсм.п - расход метановоздушной смеси, подаваемой вакуум-насосной станцией потребителю, м3/мин;

Qс i - расход метановоздушной смеси в i-й ветви газопровода, м3/мин;

Qсм - расход метановоздушной смеси, м3/мин;

Qсм.п - расход метановоздушной смеси, подаваемой вакуум-насосной станцией потребителю, м3/мин;

Qсм.р - расчетный расход метановоздушной смеси, м3/мин;

Qсм 1-2 - расход метановоздушной смеси в участковом газопроводе (ветвь 1-2), м3/мин;

Qсм i - расход метановоздушной смеси в i-й ветви газопровода, м3/мин;

 - расход метановоздушной смеси в участковом газопроводе i -го выемочного участка, м3/мин;

 - расход метановоздушной смеси в газопроводе выемочного участка с учетом резерва пропускной способности газопровода, м3/мин;

- расход метановоздушной смеси в j-м магистральном газопроводе, м3/мин;

Qсм j - расход метановоздушной смеси в j-й ветви магистрального газопровода, м3/мин;

Qс.у - расход метановоздушной смеси из скважин на удаленном выемочном участке, м3/мин;

Qтр j - расход метановоздушной смеси в i пункте участкового газопровода, м3/мин;

Qц - объем закачки жидкости за цикл, м3;

DQi - доля притечек воздуха на i-м интервале скважины, %;

qпл - метановыделение из разрабатываемого пласта, м3/т;

qс.п - метановыделение из сближенных пластов, м3/т;

qс.п.п - метановыделение из сближенных подрабатываемых пластов, м3/т;

qн - темп нагнетания жидкости в пласт угля, м3/ч;

qр - рабочий темп закачки ПАВ и воды в скважину, м3/с;

qз - рабочий темп закачки растворов ПАВ и воды, м3/с;

qуд - удельный расход соляной кислоты на 1 т карбонатов, т/т;

q' - суммарный объем извлекаемого газа при заблаговременной дегазации угольных пластов, м3/т;

R - расстояние между пластовыми дегазационными скважинами в зонах гидрорасчленения пласта, м;

Rв.н - аэродинамическое сопротивление арматуры и газопровода на ВНС, мм рт. ст. мин26;

Rв.т - разрежение, установленное по типовой аэродинамической характеристике вакуум-насоса и фактическому расходу газовоздушной смеси, мм рт. ст.;

Rг - радиус действия скважин гидроразрыва, м;

Rк - расстояние между кустами скважин, м;

Rс - расстояние между параллельно-одиночными скважинами, м;

R'с - расстояние между пластовыми скважинами, буримыми в зонах гидроразрыва, м;

Rн - расстояние между параллельно-одиночными пластовыми нисходящими скважинами, м;

Rэ - эффективный радиус гидрорасчленения угольного пласта, м;

R'э - расстояние от участковых выработок до скважин гидрорасчленения на оконтуренных или подготавливаемых к отработке выемочных участках, м;

R' - расстояние от монтажной камеры до первой скважины гидрорасчленения, м;

 - расстояние между последующими скважинами гидрорасчленения, располагаемыми вдоль выемочного столба, м;

R1, R2 - большая и малая полуоси зоны гидрорасчленения угольного пласта соответственно, м;

rc - расстояние между скважинами, пробуренными на пологие подрабатываемые пласты вкрест их простирания, м;

rc - расстояние между скважинами, пробуренными на сближенные крутые пласты, м;

S - сечение выработки для прохода воздуха, м2;

Sп - площадь сечения замерного устройства, м2;

t - продолжительность дренирования пласта скважинами, сут;

t' - время, отсчитываемое с начала бурения скважин на дегазируемом участке разрабатываемого пласта, сут;

tб - время обуривания дегазируемого участка разрабатываемого пласта, сут;

t'б - время, отсчитываемое с начала обуривания участка разрабатываемого пласта, сут;

tб.г - время, необходимое для монтажа станка, бурения, герметизации и подключения скважин к газопроводу, сут;

tг - время работы насоса для нагнетания жидкости в пласт, ч;

t0 - температура газа перед диафрагмой, °С;

tгаз - инерционность комплекса газоанализатора, с;

tк.о - инерционность клапана-отсекателя, с;

Тв - температура нагнетаемого воздуха, °С;

Тпл - температура пласта после нагнетания воздуха, °С;

То - природная температура пласта, °С;

DТпл - прирост температуры пласта в результате нагнетания воздуха, °С;

V - объем закачиваемого в массив газообразного рабочего агента, м3;

Vdaf  - выход летучих веществ, %;

Vг - объем газового тракта от места отбора пробы газа до входа в газоанализатор, м3;

v - скорость движения воздуха в выработке, м/с;

vоч - скорость подвигания очистного забоя, м/сут;

vп - измеренная скорость потока газовой смеси, м/с;

х - природная метаноносность угольного пласта, м3/т, либо на тонну сухой беззольной массы, м3/т с.б.м.;

хм - условная величина, используемая для определения (выбора) наиболее трудного маршрута по условиям транспортирования каптируемой газовоздушной смеси, мм рт. ст.×мин27;

Z - коэффициент сжимаемости газа;

z - разность отметок ветвей газопровода, м;

a - угол падения пласта, град;

a' - угол падения пласта в плоскости скважины, град;

aр - коэффициент расхода;

b - угол возвышения скважины (наклона скважины к горизонту), град;

b' - проекция угла наклона скважины на вертикальную плоскость, проходящую через линию падения пласта, град;

bл - эмпирический коэффициент;

bп - коэффициент, учитывающий мощность угольных пачек пласта;

g - объемная масса угля, т/м3;

g' - объемная масса газа в рабочем состоянии при фактической концентрации метана, кг/м3;

gн - объемная масса газовой смеси при фактической концентрации метана, давлении 760 мм рт. ст. и температуре 273 К (плотность смеси), кг/м3;

gн i - средняя плотность метановоздушной смеси в/-й ветви газопровода, кг/м3;

g'н - плотность газа, приведенного к нормальным условиям, при расчетной концентрации метана, кг/м3;

gн 1-2 - средняя плотность метановоздушной смеси в ветви 1-2, кг/м3;

D - расстояние по разрабатываемому пласту от проекции на него забоя скважины, пробуренной на подрабатываемый пласт, до границы разгруженной зоны у выработки, м;

l - угол между осью выработки и проекцией скважины на плоскость пласта, град;

t - продолжительность дегазации пласта скважинами, сут;

t' - время дегазации, отсчитываемое с момента окончания буровых работ на дегазируемом участке разрабатываемого пласта, сут;

j - угол между проекцией скважин на горизонтальную плоскость и перпендикуляром к оси выработки в той же плоскости, град;

y - угол разгрузки пород кровли, град;

y' - угол разгрузки пород кровли в плоскости скважины, град;

y1 - угол разгрузки пород почвы, град;

rуг - плотность угля, т/м3;

rк - плотность соляной кислоты, т/м3;

Smс.п - суммарная мощность сближенных угольных пластов, м;

e - поправочный коэффициент.

Приложение 2

Критерии применения дегазации и ее эффективность

1. Критерием, определяющим необходимость выполнения работ по дегазации источников метановыделения, является повышение метанообильности выработок I сверхдопустимой по фактору вентиляции Iв (без дегазации), то есть

                                                                                               (1)

где I - метанообильность выработки (фактическая или по прогнозу), м3/мин;

Iв - допустимое по фактору вентиляции метановыделение в выработку без дегазации источников метановыделения, м3/мин;

v - скорость движения воздуха в выработке, м/с;

S - сечение выработки для прохода воздуха, м2;

с - допустимая концентрация метана в вентиляционной струе, %;

с0 - концентрация метана в поступающей вентиляционной струе, %;

kн - коэффициент неравномерности метановыделения; принимается согласно нормативному документу по проектированию вентиляции угольных шахт.

2. Необходимое значение коэффициента дегазации , доли ед., выработки (призабойного пространства лавы, выемочного участка или подготовительной выработки) определяется по формуле

                                                                                                               (2)

3. Фактическая эффективность дегазации оценивается коэффициентом Кд, доли ед., дегазации, равным отношению величины снижения газообильности горной выработки за счет дегазации к газообильности выработки без применения дегазации:

                                                                                                                 (3)

где I' - метановыделение в выработку при применении дегазации, м3/мин.

При фактически измеренном расходе каптируемого метана величина коэффициента Кд может быть определена по формуле

                                                                                                               (4)

где Gд - суммарный расход (дебит) метана, извлекаемого на выемочном участке средствами дегазации, м3/мин.

4. Суммарное значение коэффициента дегазации Кдег нескольких источников метановыделения на выемочном участке, горные работы которого воздействуют на угленосную толщу или свиту угольных пластов, слагается из величин:

Кдег = пплkд.пл + пс.пkд.с.п + пс.нkд.с.н + ппkд.п ,                                                                (5)

где ппл, пс.п, пс.н, пп - долевое участие в метанообильности выработки соответственно разрабатываемого пласта, сближенных подрабатываемых пластов, сближенных надрабатываемых пластов и газоносных пород, доли ед.;

kд.пл, kд.с.п, kд.с.н, kд.п - коэффициент дегазации соответственно разрабатываемого пласта, сближенных подрабатываемых пластов, сближенных надрабатываемых пластов и газоносных пород, доли ед.

Долевое участие i-го источника пi, доли ед., метановыделения в газовом балансе участка без дегазации устанавливается из отношения

                                                                                                                       (6)

где Ii - метановыделение на участке из i-го источника метановыделения, м3/мин;

I - метанообильность выемочного участка, м3/мин.

Значения пi, Ii, I устанавливаются согласно нормативному документу по проектированию вентиляции угольных шахт.

5. Коэффициент дегазации i-го источника метановыделения kд i, доли ед., рассчитывается по формуле

                                                                                                                   (7)

где Gд i - дебит метана, извлекаемого средствами дегазации из i-го источника, м3/мин.

6. Контроль эффективности дегазации способа (схемы) осуществляется путем замера дебитов метана на скважинах, расчета фактического коэффициента дегазации и сравнения его с проектным значением.

При оценке эффективности комплекса способов (схем) дегазации выемочного участка определяются фактические коэффициенты дегазации каждого способа и комплексной схемы в целом.

Эффективность отдельных способов и схем дегазации источников метановыделения приведена в приложениях № 4, 6, 8, 10, 12,14.

7. Эффективность работы дегазационной системы на шахте оценивается величиной коэффициента

                                                                                                   (8)

где k - число дегазируемых подготовительных и очистных выработок;

j - индекс дегазируемого участка;

Gд i - дебит извлеченного средствами дегазации метана на j-м дегазируемом участке, м3/мин;

 - метановыделение в вентиляционную сеть на j-м дегазируемом участке, м3/мин.

Количество извлеченного средствами дегазации метана Gд i, м3/мин, и газовыделение в вентиляционную сеть , м3/мин, принимаются по отдельно взятым участкам.

Приложение 3

Рекомендации по дегазации неразгруженных угольных пластов

1. Рекомендации по дегазации пластов при проведении горных выработок

1. При проведении вертикальных выработок (стволов, шурфов, гезенков) дегазация угольных пластов и пород осуществляется скважинами, пробуренными с поверхности или из камер (рис. 1). Скважины располагаются параллельно выработке на расстоянии 2,5-3 м от ее стенок. Расстояние между забоями скважин составляет 4-5 м. Величина неснижаемого опережения скважинами забоя выработки должна быть не менее 10 м. Газоносный угольный пласт или слой газосодержащей породы перебуривается полностью.

Рис. 1. Схема дегазации газоносного массива при проходке вертикальных выработок:
1 - газоносный пласт угля; 2 - газосодержащая порода; 3 - дегазационная скважина; 4 - дегазационный трубопровод; 5 - ниша; D - диаметр ствола

2. При проведении квершлагов дегазация газосодержащего пласта осуществляется скважинами, пробуренными из забоя или из камер (рис. 2). Бурение скважин начинают до подхода забоя квершлага к угольному пласту или газосодержащему слою породы не ближе 5 м.

Рис. 2. Схема дегазации газоносного массива при вскрытии квершлагом:
1 - угольный пласт; 2 - квершлаг; 3 - скважина; 4 - дегазационный трубопровод; 5 - ниша

Направление бурения и количество скважин выбираются так, чтобы скважины пересекали газоносный слой пород или пластов угля по окружности, диаметр которой равен удвоенной ширине выработки.

3. При проведении полевых выработок вблизи метаноносных угольных пластов скважины на них бурят с опережением забоя выработки. Бурение и оборудование скважин должно быть завершено до начала разгрузки сближенных пластов. Расстояние между скважинами на подрабатываемый пласт составляет 20-25 м, на надрабатываемый - 10-15 м.

4. Для снижения газообильности выработок, проводимых по угольным пластам, применяется предварительная дегазация пластов или текущая дегазация угольного массива вблизи проводимой выработки. Необходимость выполнения работ по дегазации возникает обычно при повышении метанообильности выработки свыше 3 м3/мин.

Предварительная дегазация угольного пласта проводится до начала проходческих работ по схемам, приведенным на рис. 3 и 4. Срок каптажа газа составляет не менее 6 и 12 месяцев соответственно для восстающих (горизонтальных) и нисходящих скважин, буримых за контур будущих подготовительных выработок.

Рис. 3. Схема дегазации пласта восстающими скважинами, пробуренными за контуры проводимых выработок:
а - перекрещивающимися скважинами; б - параллельными и барьерными скважинами;
1 - монтажная камера; 2 - скважина, параллельная забою; 3 - скважина, ориентированная на забой; 4 - дегазационный трубопровод; 5- забой подготовительной выработки; 6- скважина барьерная

Рис. 4. Схема дегазации пологого пласта нисходящими скважинами, пробуренными за контуры будущей выработки:
1 - лава; 2 - штрек вентиляционный действующей лавы; 3 - скважина нисходящая; 4 - газопровод; 5 - штрек будущей лавы;
a - уголь падения пласта

В целях сокращения сроков предварительной дегазации пласта следует применять гидроразрыв угольного массива для повышения его газопроницаемости.

Дегазация угольного массива вблизи проводимой выработки осуществляется с помощью барьерных или забойных и барьерных скважин в тех случаях, когда невозможно провести предварительную дегазацию угольных пластов.

На пластах с высокой газоносностью, когда одной схемой дегазации не удается снизить газообильность проводимой выработки, применяется сочетание (комбинация) нескольких схем дегазации.

5. Если не представляется возможным осуществить предварительную дегазацию угольного пласта, то во время проведения выработки производят бурение барьерных или ограждающих скважин (рис. 5-6).

Рис. 5. Схема дегазации пласта барьерными скважинами:
а - одиночные скважины; б - перекрещивающиеся скважины;
I и II - серии перекрещивающихся барьерных скважин; III - серия барьерных скважин;
1 - штрек; 2 - камера; 3 - скважина; 4 - газопровод; a - угол падения пласта

Рис. 6. Схема дегазации пласта длинными ограждающими скважинами направленного бурения:
1, 1' - выработки; 2 - сбойка; 3 - скважины направленного бурения; 4 - дегазационный трубопровод; 5 - забои спаренных выработок

Барьерные скважины бурятся из камер под углом 3-5° к оси выработки. Длина скважин до 100-150 м. Расстояние между камерами на 15-20 м меньше длины скважин, устья скважин располагаются на расстоянии 2-2,5 м от стенки выработки. Число и расположение барьерных скважин принимаются по табл. 1.

Таблица 1

Число и расположение барьерных скважин

Мощность пласта, м

Расположение выработки

Число скважин

по бокам выработки

в почве выработки

в кровле выработки

Всего

6-8

В верхней части пласта

4

2

-

6

6-8

В середине

4

-

-

4

6-8

В нижней части пласта

4

-

2

6

4-6

В верхней части пласта

4

-

-

4

4-6

В нижней части пласта

4

-

-

4

2-4

В пласте

4

-

-

4

Менее 2

В пласте

2

-

-

2

Если парные выработки проводятся с опережением одного из забоев и ширина целика между выработками не превышает 15 м, то бурение барьерных скважин с обеих сторон выработки проводится только для опережающего забоя, а для выработки, проводимой с отставанием, бурение скважин в боковой стенке со стороны целика необязательно.

Ранее пробуренные барьерные скважины, расположенные на расстоянии более 100 м от забоя выработки, могут быть отключены от дегазационной сети, если они не влияют на газообильность выработки.

6. Для снижения подсосов воздуха и повышения концентрации метана в каптируемой смеси применяется схема барьерной дегазации массива угля с использованием перекрещивающихся скважин (см. рис. 5,6).

По мере удаления забоя выработки барьерные скважины серии I отключают от дегазационного трубопровода и оставляют под вакуумом только короткие скважины серии II.

7. При расположении полевой выработки не далее 30 м от крутого пласта дегазация осуществляется скважинами, пробуренными вкрест простирания пласта (рис. 7). Скважины бурятся из полевого штрека таким образом, чтобы один ряд скважин располагался на 2-4 м выше будущей выработки, а другой ряд скважин - вблизи оси выработки.

Рис. 7. Схема дегазации крутого пласта скважинами, пробуренными из полевой выработки вкрест простирания пласта:
1 - полевая выработка; 2 - скважина вблизи оси проводимой выработки; 3 - скважина над будущей выработкой; 4 - дегазационный трубопровод; 5 - пластовая выработка; a - угол падения пласта

8. Для повышения эффективности дегазации необходимо применять гидроразрыв угольного пласта.

Жидкость в пласт подается через скважину в статическом режиме либо проводится поинтервальный разрыв пласта. Условия применения, способы и параметры гидроразрыва устанавливаются в соответствии с рекомендациями научно-исследовательских институтов.

При проходке выработок гидроразрыв пласта осуществляется через скважины, пробуренные из забоя проводимой выработки, до бурения барьерных скважин.

9. При проведении выработок вблизи геологических нарушений или при пересечении последних скважины бурят из камер заблаговременно за 30-40 м до подхода забоя выработки к нарушению. Скважины должны пересекать зону геологического нарушения как внутри контура будущей выработки, так и на расстоянии двух-трех ее диаметров от оси выработки.

10. Возможная эффективность различных способов дегазации при проведении выработок по угольным пластам приведена в табл. 2, а определение параметров - в приложении № 4.

Таблица 2

Эффективность дегазации угольных пластов при проведении выработок

№ п/п

Способ дегазации

Коэффициент дегазации

Минимальная величина разрежения

без гидроразрыва

с предварительным гидроразрывом

кПа

мм рт. ст.

1

2

3

4

5

6

1

Дегазация угольного массива по схеме:

 

 

 

 

рис. 1

рис. 2

рис. 3, а

рис. 3, б

рис. 4

рис. 7

0,15-0,2

0,2-0,25

0,3-0,4

0,2-0,3

0,2-0,25

0,25-0,3

0,2-0,3

0,3-0,35

0,4-0,5

0,4-0,5

0,25-0,3

0,35-0,45

13,3

13,3

6,7

6,7

13,3

6,7

100

100

50

50

100

50

2

Дегазация барьерными скважинами по схеме:

 

 

 

 

 

рис. 5, а

0,15-0,2

0,25-0,3

6,7

50

 

рис. 5, б

0,2-0,3

0,25-0,35

6,7

50

 

рис. 6

0,2-0,3

0,3-0,4

6,7

50

2. Рекомендации по подземной дегазации разрабатываемых пластов на выемочных участках

11. Дегазация разрабатываемых угольных пластов скважинами, пробуренными из подготовительных выработок, применяется как при столбовых, так и при сплошных системах разработки, если в последнем случае имеется достаточное опережение подготовительной выработкой очистного забоя лавы.

Дегазационные скважины бурятся в плоскости пласта по восстанию, простиранию, падению или под углом к линии простирания (параллельно линии очистного забоя, веером или перекрестно).

На шахтах, разрабатывающих крутые угольные пласты, допускается бурение скважин через породную толщу вкрест простирания пласта.

12. Дегазационные скважины на выемочном поле целесообразно бурить из проводимой выработки. При этом предпочтение следует отдавать схемам дегазации, при которых скважины бурятся за контуры будущей выработки (см. рис. 3).

13. На оконтуренных выработками выемочных участках скважины не добуриваются до противоположной выработки на 10-15 м.

14. Скважины, пробуренные в плоскости пласта, герметизируются на 6-10 м, а пробуренные вкрест пласта - на 3-5 м в зависимости от состояния массива горных пород у устьев скважин.

15. Если буровая техника позволяет бурить сверхдлинные скважины, то дегазацию пласта целесообразно проводить по схеме, которая показана на рис. 8, а при ограниченных возможностях бурения длинных скважин - на рис. 9-11.

Рис. 8. Схема дегазации угольного пласта при бурении параллельных и сверхдлинных, направленных на очистной забой скважин:
1 - очистной забой; 2 - параллельная очистному забою скважина; 3' - сверхдлинная скважина, ориентированная на очистной забой; 4 - участковый газопровод; 5 - магистральный газопровод

Рис. 9. Схема дегазации угольных пластов при ограниченных возможностях буровой техники:
1 - очистной забой; 2 - скважина, параллельная очистному забою; 3 - скважина, ориентированная на очистной забой из конвейерного штрека; 3' - скважина, ориентированная на очистной забой из уклона; 4 - участковый газопровод; 5 - магистральный газопровод

Рис. 10. Схема дегазации угольных пластов перекрещивающимися скважинами, пробуренными из конвейерной выработки:
1 - очистной забой; 2 - скважина, параллельная очистному забою; 3 - скважина, ориентированная на очистной забой; 4 - дегазационный трубопровод

Рис. 11. Схема дегазации пласта параллельными и веерными, ориентированными на очистной забой скважинами:
1 - очистной забой; 2 - параллельные очистному забою скважины: 3 - веерные скважины, ориентированные на очистной забой; 4 - дегазационный трубопровод; a - угол падения пласта

16. На пластах, склонных к внезапным выбросам угля и газа, необходимо применять схемы дегазации пласта с использованием перекрещивающихся скважин (см. рис. 3, а, 8-11).

17. При слоевой отработке высокогазоносных и выбросоопасных мощных пологих пластов целесообразно применять: схему I дегазации, изображенную на рис. 12, когда восстающие перекрещивающиеся скважины бурятся из конвейерного штрека, пройденного по верхнему слою, и дополнительно к ним бурятся восстающие ориентированные на очистной забой скважины по нижнему слою, или схему II дегазации, показанную на рис. 13, когда из конвейерного штрека бурятся восстающие перекрещивающиеся скважины по верхнему слою и скважины на нижний слой (желательно восстающие).

Рис. 12. Схема дегазации мощного пласта восходящими скважинами, пробуренными из выработок верхнего и нижнего слоев (схема I):
1 - очистной забой; 2 - параллельная очистному забою скважина; 3 - ориентированная на забой скважина, пробуренная по верхнему слою; 3' - ориентированная на забой скважина, пробуренная по нижнему слою; 4, 4' - газопроводы

Рис. 13. Схема дегазации мощного пласта восстающими скважинами, пробуренными из выработок верхнего слоя (схема II):
1 - очистной забой; 2 - параллельная очистному забою скважина, пробуренная по верхнему слою; 3 - ориентированная на забой скважина, пробуренная по верхнему слою; 3' - скважина, пробуренная на нижний слой; 4 - газопровод

18. Дегазация крутых пластов осуществляется скважинами, пробуренными веером в плоскости разрабатываемого пласта (рис. 14) или веером вкрест пласта (рис. 15). В первом случае (см. рис. 14) опорными точками геометрического расположения забоев дегазационных скважин являются вентиляционные квершлаги и линии, разделяющие очистной забой пополам и длину столба (высоту этажа) на части, равные 1/3 и 2/3, а во втором (см. рис. 15) - линии, разделяющие высоту этажа пополам и на части, равные 1/3 и 2/3.

Рис. 14. Схема дегазации разрабатываемого пласта скважинами, пробуренными веером в плоскости крутого пласта:
1 - очистной забой (щитовой агрегат); 2 - пластовые дегазационные скважины; 3 - квершлаг; 4 - газопровод; 5 - штрек полевой откаточный; 6 - квершлаг вентиляционный; а - угол падения пласта

Рис. 15. Схема дегазации свиты крутых пластов скважинами, пробуренными веером вкрест одного пласта и в плоскости другого:
1 - отрабатываемый пласт; 2 - пластовые дегазационные скважины; 3 - дегазационные скважины, пробуренные вкрест пласта; 4 - газопровод; 5 - квершлаг; 6 - полевой штрек; 7- откаточный штрек

19. В случае, когда на пологих и наклонных пластах не удается пробурить скважины на всю ширину столба, применяются схемы дегазации, предусматривающие бурение скважин из двух подготовительных выработок. При этом скважины располагаются таким образом, чтобы их забойные части перекрещивались и способствовали осушению нисходящих скважин путем перетока из них воды по трещинам в восстающие скважины.

20. Предварительная дегазация пластов должна осуществляться не менее 6 месяцев восходящими (горизонтальными) скважинами и не менее 12 месяцев нисходящими.

Если обеспечивается осушение нисходящих скважин путем перетока воды в восходящие скважины (см. п. 19), то срок предварительной дегазации пласта принимается равным 6 месяцам.

Допускается сокращение сроков предварительной дегазации, если известны показатели газоотдачи угольных пластов (начальное газовыделение в скважины и темп его снижения во времени) и расстояние между скважинами определяется для возможного в конкретных условиях срока предварительной дегазации с учетом установленных значений показателей газоотдачи пласта на дегазируемом участке.

21. Дегазационные скважины, используемые для увлажнения пласта, вновь подключаются к газопроводу на расстоянии не менее 30 м от забоя лавы, чтобы воспользоваться эффектом интенсивной газоотдачи пласта в разгружаемой от горного давления зоне.

22. Для повышения эффективности дегазации разрабатываемых пластов подземными скважинами необходимо применять способы интенсификации газоотдачи угольного массива путем предварительного гидроразрыва (гидрорасчленения) пласта через скважины (см. п. 8).

23. Численные значения эффективности предварительной дегазации разрабатываемых пластов на участках ведения очистных работ приведены в табл. 3.

24. Параметры дегазации разрабатываемых пластов скважинами на участках ведения очистных работ определяются с учетом показателей начального удельного метановыделения и темпа его снижения во времени.

Таблица 3

Эффективность предварительной дегазации разрабатываемых пластов на выемочных участках

№ п/п

Схема расположения пластовых скважин

Коэффициент

дегазации пласта

Минимальная величина разрежения у устья скважины

кПа

мм рт. ст.

1

Восстающие или горизонтальные параллельно-одиночные скважины на пологих пластах

0,2-0,25

6,7

50

2

Нисходящие параллельно-одиночные скважины

0,15-0,20

13,3

100

3

Пластовые параллельно-одиночные скважины в зоне предварительного гидроразрыва

0.3-0.4*

0,2-0,3

6,7

13,3

50

100

4

Перекрещивающиеся скважины

0,3-0,4

6,7

50

5

Перекрещивающиеся скважины в зоне предварительного гидроразрыва

0,4-0,5

6,7

50

6

Восстающие скважины на крутых пластах

0,25-0,30

6,7

50

7

Скважины вкрест простирания крутых пластов

0,2-0,25

6,7

50

* Числитель - для восстающих или горизонтальных скважин; знаменатель - для нисходящих скважин.

3. Рекомендации по дегазации разрабатываемых пластов скважинами с применением подземного гидроразрыва

25. Дегазация с предварительным гидроразрывом пластов применяется в целях повышения ее эффективности или сокращения сроков дегазации (до 4 месяцев для восстающих или горизонтальных, до 8 месяцев для нисходящих скважин).

26. Подземные скважины гидроразрыва бурятся по двум основным схемам: из полевых выработок - при полевой подготовке (рис. 16), по разрабатываемому пласту - при пластовой подготовке (рис. 17). При этом скважины для гидроразрыва можно бурить восстающими, нисходящими или горизонтальными.

Рис. 16. Схема дегазации с предварительным гидроразрывом угольного массива через скважины, пробуренные из полевой выработки:
1 - полевой штрек; 2 - дегазационные скважины; 3 - скважины гидроразрыва; 4 - дегазационный трубопровод; 5 - конвейерный штрек; 6 - вентиляционный штрек; a - угол падения пласта

Рис. 17. Схема дегазации с предварительным гидроразрывом пласта через скважины, пробуренные из пластовой выработки:
1 - конвейерный бремсберг; 2 - дегазационная скважина; 3 - скважина гидроразрыва; 4 - дегазационный трубопровод

В том случае, когда выработка проведена с подрывкой почвы пласта, скважины гидроразрыва целесообразно бурить на пласт с таким расчетом, чтобы устье скважины находилось в породах почвы.

27. Забои скважин, пробуренных из полевых выработок, должны находиться в средней части дегазируемого участка, считая по длине лавы.

Обсадную трубу герметизируют до почвы обрабатываемого пласта.

28. При бурении скважин по пласту их длина должна быть на 30-40 м меньше длины лавы, если дегазация осуществляется только для очистных выработок, и на 10-20 м меньше длины лавы, если дегазация осуществляется как для очистных, так и для подготовительных выработок.

29. Гидроразрыв пласта осуществляется водой из шахтного водопровода, нагнетаемой под давлением не менее 15-20 МПа (150- 200 кгс/см2). Темп закачки не менее 30-40 м3/ч.

30. Параметры гидроразрыва пласта через скважины, пробуренные из горных выработок, определяются опытным путем или по формулам с последующей корректировкой.

Глубина герметизации пластовых скважин гидроразрыва должна быть не менее половины расстояния между ними.

Условия применения и параметры гидроразрыва пластов должны быть согласованы с научно-исследовательской организацией, разработавшей способ.

31. Подготовка и проведение гидроразрыва из выработок включают измерение дебита метана из скважин до гидроразрыва пласта, опробование насоса и электродвигателя до подключения к скважине (без нагрузки), опрессовку нагнетательного става и насоса до давления 20 МПа (200 кгс/см2), включение в работу насоса, контроль за давлением на насосе и расходом воды.

32. Гидроразрыв пласта прекращают после закачки в пласт заданного объема жидкости или появления воды в соседних скважинах или прилегающих выработках, а также при резком падении давления жидкости на насосе.

33. Скважины гидроразрыва подключаются к вакуумной сети после прекращения обильного выделения воды. Эффективность гидроразрыва пласта определяют путем измерения дебита метана.

34. Пластовые дегазационные скважины бурятся после проведения гидроразрыва.

35. Более эффективным является подземный гидроразрыв угольных пластов в импульсном режиме или поинтервальный гидроразрыв, которые выполняются по рекомендациям НИИ, являющихся их разработчиками.

4. Рекомендации по дегазации неразгруженных угольных пластов с предварительным их гидрорасчленением через скважины, пробуренные с поверхности

36. Дегазация на основе гидрорасчленения пластов (ГРП)1 применяется на пластах с природной газоносностью более 10 м3/т и при их залегании в водонепроницаемых породах не ниже средней устойчивости.

1 Способ гидрорасчленения пластов (ГРП) на шахтах России в полном объеме не апробирован, его параметры установлены по результатам промышленного внедрения на шахтах Карагандинского и Донецкого бассейнов. Рекомендуется применять способ с разрешения территориальных подразделений Ростехнадзора при авторском надзоре Московского государственного горного университета (МГГУ).

37. Заблаговременная дегазация осуществляется при сроке извлечения метана из угольного пласта более 3 лет, а предварительная дегазация в сочетании с подземными пластовыми скважинами - при сроке функционирования скважин ГРП до 3 лет.

38. Технология дегазации угольных пластов с предварительным их гидрорасчленением включает три основных этапа: гидродинамическое воздействие; освоение скважин и извлечение газа из угольных пластов, а также отсос газа из выработанного пространства после подработки скважин ГРП очистными работами.

39. Гидрорасчленению из одной скважины могут быть подвергнуты пласты угля мощностью свыше 0,2 м, а также труднообрушаемые и газоносные породы.

40. Скважины при заблаговременной дегазации закладываются на расстоянии не менее 300 м от действующих пластовых выработок и не более радиуса их влияния от тектонических нарушений с амплитудами, превышающими мощность обрабатываемого пласта.

41. Скважины ГРП бурятся на 30-40 м ниже почвы последнего из принятых к гидрорасчленению угольных пластов, то есть наиболее удаленного от земной поверхности пласта.

Конструкция скважины определяется числом пересекаемых интервалов водопоглощения, каждый из которых перекрывается промежуточной колонной с цементацией затрубного пространства.

Эксплуатационная колонна с внутренним диаметром не менее 98 мм цементируется на всю глубину.

42. Для гидрорасчленения могут быть использованы переоборудованные геологоразведочные скважины.

43. При гидрорасчленении выбросоопасных угольных пластов, на которых должна быть обеспечена разгрузка призабойной части пласта, может производиться дополнительное воздействие на вмещающую породу основной кровли.

44. Вскрытие подверженных гидровоздействию угольных пластов или вмещающих горных пород в обрабатываемой угленосной толще проводится путем гидро- или кумулятивной перфорации скважины.

45. Расчленение угольных пластов в свите производится последовательно, начиная с нижнего пласта. Все ранее обработанные интервалы скважины ГРП изолируются с помощью песчаной пробки или пакером.

46. В качестве рабочих агентов для расчленения пластов используются вода и водные растворы поверхностно-активных (ПАВ) или химически активных (ХАВ) веществ, а также воздух.

Растворы ПАВ применяются для обеспечения лучшего проникновения рабочей жидкости в поры и трещины. В качестве ПАВ используются смачиватели ДБ, ДС-10, сульфонол и др. Рабочая концентрация ПАВ - 0,01-0,025 % по объему (макс).

Растворы ХАВ (соляная кислота, комплексоны и др.), воздействуя на минеральную составляющую угля, растворяют ее, повышая проницаемость и газоотдачу пласта.

Водные растворы соляной кислоты 2-4 %-ной концентрации применяются на пластах с содержанием карбонатов не менее 0,3 %.

Водные растворы комплексонов (типа НТФ и ИСБ-М) применяются на угольных пластах с высоким (более 10 %) содержанием в минеральной части угля соединений металлов (Fe, Сu, Мg и др.), то есть пирита, халькопирита, сидерита и др. Рабочие концентрации растворов НТФ и ИСБ-М для углей марок «ОС», «Ж», «Т», «А» составляют 1-5 % и 2-10 % соответственно.

47. В случае падения давления, отмеченного при постоянном темпе нагнетания и свидетельствующего о гидравлической сбойке с полостью, закачка рабочей жидкости прекращается и производится тампонаж гидропроводных каналов древесными опилками или высоковязкими жидкостями. Тампонаж гидропроводных трещин проводится до тех пор, пока давление нагнетания не достигает проектных величин.

48. При гидрорасчленении мощных пластов, залегающих на глубинах более 600 м, в скважину ГРП закачивается закрепитель, например песок.

На пластах мощностью до 2 м нет необходимости в закрепителе, поскольку трещины сохраняются в раскрытом виде за счет остаточных деформаций угля.

49. После гидрорасчленения последнего из обрабатываемых пластов скважина ГРП закрывается на 3-12 месяцев для выдержки рабочей жидкости в пласте.

По истечении срока выдержки скважина ГРП промывается до забоя. Рабочая жидкость из нее удаляется с помощью эрлифта, глубинных штанговых насосов с приводом от станка-качалки или погружных электронасосов.

50. При заблаговременной дегазации угольных пластов для повышения равномерности их обработки на этапе гидродинамического воздействия могут быть использованы пороховые генераторы давления, а на этапе освоения скважины применено циклическое пневмогидровоздействие.

51. При предварительной дегазации угольных пластов, осуществляемой в сочетании с пластовыми подземными скважинами, для интенсификации процесса освоения скважины ГРП применяется пневмооттеснение рабочей жидкости.

52. Каптаж газа из угольных пластов осуществляется в режиме самоистечения или путем подключения скважины к вакуум-насосной установке.

Если не достигается проектный дебит метана (или при его снижении на 30 % и более), выполняются работы по интенсификации газоотдачи пласта, например, путем промывки скважины, пневмооттеснением, пневмовоздействием, повторным вскрытием и расчленением пласта, циклическим пневмогидроимпульсным воздействием или другими способами.

53. После подработки скважин гидрорасчленения очистными работами они подключаются к вакуум-насосной установке и используются для дегазации выработанного пространства. При этом скважина может быть дополнительно проперфорирована в требуемых интервалах ее длины.

Приложение 4

Определение параметров дегазации разрабатываемых угольных пластов скважинами

1. Параметры дегазации угольных пластов подземными скважинами

1. На оконтуренном выработками участке пологого или наклонного пласта расстояние Rс, м, между параллельными очистному забою восстающими или горизонтальными скважинами определяется по формуле

                                                                                               (1)

где  - полезная длина скважины, м, рассчитывается по формуле

                                                                                                                    (2)

(здесь lс - длина скважины, м;

lг - глубина герметизации устья скважины, м);

тд и т - дегазируемая скважинами и полная мощность угольных пачек пласта соответственно, м;

g0 - начальное удельное метановыделение в скважину, м3/(м2×сут);

а - коэффициент, характеризующий темп снижения во времени газовыделения из пласта в скважины, сут-1;

t - продолжительность дегазации пласта скважинами, сут;

lоч - длина лавы (очистного забоя), м;

g - объемная масса угля, т/м3;

 - необходимая эффективность дегазации разрабатываемого пласта, доли ед.;

qпл - метановыделение из пласта без его дегазации, м3/т.

2. Длина скважин, буримых за контуры будущих выработок, устанавливается исходя из того, чтобы дегазируемый на участке массив угля был перебурен на 5-10 м восстающими и на 15-20 м нисходящими скважинами (см. рис. 3 и 4 приложения № 3).

3. Величина g0 принимается по фактическим данным или рассчитывается по формуле

g0 = xbп,                                                                                                                       (3)

где х - природная метаноносность угольного пласта, м3/т с.б.м.;

bп - коэффициент, учитывающий мощность угольных пачек пласта, находится из выражения

                                                                                                           (4)

4. Величина коэффициента а принимается по фактическим данным или определяется по формуле

а = b - с'Vdaf,                                                                                                               (5)

где b и с' - эмпирические коэффициенты, значения которых составляют при Vdaf £ 25 % 0,042 и 8,8×10-4 соответственно, а при Vdaf > 25 % - 0,025 и 3,9×10-4 соответственно;

Vdaf - выход летучих веществ, %.

5. Значения показателей газоотдачи пласта g0 и а, рассчитанные по формулам (3) и (5), подлежат корректировке по мере накопления данных о метановыделении в скважины или группу скважин.

6. Показатели газоотдачи угольных пластов в скважины целесообразно определять до начала дегазационных работ по материалам газовоздушных съемок, которые необходимо проводить в тупиковых подготовительных выработках на подлежащем дегазации выемочном поле, участке.

7. Расстояние Rк, м, между кустами восстающих или горизонтальных перекрещивающихся скважин (одна скважина пробурена параллельно очистному забою, другая - ориентированно на забой лавы с углом встречи 30-35°) рассчитывается по формуле

Rк = kи Rc,                                                                                                                    (6)

где kи - коэффициент интенсификации выделения метана в перекрещивающиеся скважины, рассчитывается по формуле

kи = 2,8-1,31f                                                                                                               (7)

(здесь f - крепость угля по М.М.Протодьяконову).

8. Углы заложения скважин, ориентированных на очистной забой, определяются по формулам, приведенным в табл. 1.

Таблица 1

Углы заложения ориентированных на очистной забой скважин, пробуренных из участковой выработки

Направление отработки пласта очистным забоем

Угол наклона скважин к горизонту b, град

Угол разворота скважин j, град

По простиранию (скважины бурят из конвейерной выработки)

sinb  = sinl sina

ctgj  = tgl cosa

По простиранию (скважины бурят из вентиляционной выработки)

sinb  = - sinl sina

ctgj  = tgl cosa

По восстанию

sinb  = - cosl sina

tgj  = ctgl cosa

По падению

sinb   = cosl sina

tgj  = ctgl cosa

Примечание. l - угол между осью выработки и проекцией скважины на плоскость пласта, град (определяется графически с плана горных работ); a - угол падения пласта, град.

9. При слоевой отработке мощных угольных пластов работы по дегазации проводятся в лавах верхнего слоя. При этом расстояние между ориентированными на забой лавы скважинами, пробуренными из выработки нижнего слоя (см. рис. 12 приложения № 3) или пробуренными на нижний слой из выработки верхнего слоя (см. рис. 13 приложения № 3), принимается равным 2Rк.

С таким же интервалом бурятся и ориентированные на очистной забой фланговые скважины (см. рис. 8 и 9 приложения № 3).

После частичного или полного завершения очистных работ на дегазируемом участке параметры дегазации угольного пласта должны быть скорректированы.

10. Расстояние Rн, м, между параллельно-одиночными пластовыми нисходящими скважинами определяется по формуле

Rн = Rc /2                                                                                                                     (8)

с последующей корректировкой.

11. Расстояние Lг, м, между скважинами гидроразрыва, буримыми из подземных выработок, определяется из выражения

Lг = 2Rг -10,                                                                                                                (9)

где Rг - радиус действия скважины гидроразрыва, м. Определяется опытным путем или по рекомендациям НИИ (ориентировочно Rг £ 30 м).

12. Необходимый объем рабочей жидкости Qж, м3 (воды или воды с добавками), для гидроразрыва пласта через скважины, пробуренные вкрест простирания пласта из полевых выработок, рассчитывается по формуле

                                                                                                             (10)

где т - полная мощность угольных пачек пласта, м;

kз - коэффициент, учитывающий заполнение угольного массива жидкостью. Определяется опытным путем или принимается по табл. 2.

Таблица 2

Пласты угля

Мощные

Средней мощности

Коэффициент kз

0,0007-0,0010

0,0012-0,0017

13. При гидроразрыве угольного массива через скважину, пробуренную по разрабатываемому пласту, объем рабочей жидкости , м3, определяется по формуле

                                                                                                (11)

где  - полезная длина скважины гидроразрыва, м.

14. Минимальное давление жидкости Рг, МПа, при котором происходит гидроразрыв угольного пласта (опыт Караганды), определяется по формуле

Рг = 0,3Н - 41,8,                                                                                                          (12)

где Н - глубина горных работ (залегания угольного пласта) от земной поверхности, м.

15. Оборудование для проведения гидроразрыва пласта должно обеспечивать давление нагнетаемой жидкости не менее величины Рг, определенной по формуле (12).

16. Расчетное время tг, ч, работы насоса рассчитывается как отношение требуемого количества жидкости [формулы (10) и (11)] к темпу ее закачки, принимаемому равным производительности насоса, то есть

tг = Qж / qн ,                                                                                                                 (13)

где qн - темп нагнетания жидкости в пласт угля, м3/ч.

17. Расстояние между пластовыми скважинами, буримыми в зонах гидроразрыва, рассчитывается по формуле

                                                                                                                 (14)

где  - коэффициент интенсификации газовыделения в скважины предварительной дегазации, пробуренные в зонах гидроразрыва пласта (табл. 3).

Таблица 3

Значения коэффициента

Продолжительность предварительной дегазации угольных пластов, сут

Величина коэффициента

120

1,9

180

1,8

270

1,7

360

1,6

450

1,5

18. Параметры скважин при дегазации крутых и крутонаклонных угольных пластов устанавливаются с учетом геометрических размеров подготовленных (или подготавливаемых) к отработке выемочных столбов и указаний по расположению скважин (см. п. 18 приложения № 3).

2. Параметры активного воздействия на неразгруженные угольные пласты через скважины, пробуренные с поверхности

2.1. При заблаговременной дегазации угольных пластов

19. Эффективный радиус Rэ, м, активного воздействия на не разгруженный от горного давления угольный пласт в целях его гидрорасчленения определяется по формуле

                                                                                                               (15)

где R1 и R2 - большая и малая полуоси эллипса зоны гидрорасчленения угольного пласта, м, соответственно. Эллипсы зоны гидрорасчленения ориентированы большой полуосью в направлении главной системы естественных трещин, причем

R2 = 0,7R1.                                                                                                                   (16)

20. При заблаговременной дегазации величина Rэ принимается равной 120-140 м в зависимости от раскройки шахтного поля и направления основной системы трещиноватости пласта.

21. Скважины, предназначенные для гидрорасчленения, располагаются таким образом, чтобы:

1) отсутствовали необработанные участки пласта при минимальном количестве скважин;

2) перекрывались зоны воздействия от смежных скважин;

3) скважины, пересекая пласт угля, находились на расстоянии 30-40 м от запланированных на выемочном поле выработок.

22. Объем Qж, м3, рабочей жидкости для закачки в пласт находится из выражения

                                                                                                       (17)

где Кн - коэффициент, учитывающий потери жидкости на фильтрацию и нарушенность пласта на обрабатываемом участке, принимается равным 1,1 - 1,6;

Rэ - эффективный радиус воздействия (гидрорасчленения пласта), м;

тп - мощность пласта, м;

пэ - эффективная пористость угольного пласта, доли ед.

23. Необходимый объем товарной соляной кислоты Qкт, т, рассчитывается по формуле

                                                                              (18)

где rуд - плотность угля, т/м3;

Ск - содержание карбонатов в фильтрующих каналах, доли ед.;

qуд - удельный расход 100 %-ной соляной кислоты на 1 т карбонатов, принимается равным 0,73 т/т;

Скт - концентрация товарной кислоты (Скт = 26 %);

km - коэффициент, учитывающий сорбцию и скорость реакции соляной кислоты с карбонатами (km = 0,02);

kи.н - коэффициент, учитывающий интерференцию скважин и неравномерность обработки массива (kи.н = 0,8).

24. Объем кислотного раствора (Qкт, м3, с рабочей концентрацией Ср, равной 4 %, составляет

                                                                                                             (19)

где rк - плотность соляной кислоты, принимается равной 1,1 т/м3.

25. Кислотный раствор объемом Qкт закачивается порциями 180 м3, между которыми подаются порции воды или раствора ПАВ.

Рабочий темп qр, м3/с, закачки ПАВ и воды определяется по формуле

                                                                                                 (20)

где Q' = Qж - Qкр - 200, м3.

26. Ожидаемое давление Рус, МПа, на устье скважины при рабочем темпе нагнетания жидкости определяется из выражения

Рус = (0,02¸0,025)Н,                                                                                                  (21)

где Н - глубина залегания пласта, м.

27. При циклическом пневмогидровоздействии темп и объем закачки рабочих агентов в каждом последующем цикле на 15-20 % выше предыдущего. Число циклов определяется числом трещин (принимается по рекомендациям геологов).

28. Суммарный объем Qпгв, м3, нагнетаемых при пневмовоздействии рабочих агентов, должен удовлетворять условию

Qпгв ³ Qж                                                                                                                     (22)

Объем рабочих агентов определяется по формуле

Qпгв = Qго + Qрж,                                                                                                         (23)

где Qго, Qрж - объем газообразного и жидкого рабочего агента при давлении нагнетания соответственно, м3.

29. Общий объем Qрж, м3, закачиваемой рабочей жидкости при пневмогидровоздействии составит

                                                                                         (24)

где Рз.в - давление закачки газообразного агента, МПа;

Р0 - атмосферное давление, МПа;

Z - коэффициент сжимаемости газа, принимается по таблицам в зависимости от давления нагнетания.

30. Рабочий темп закачки qр, м3/с, жидкости в последнем цикле, обеспечивающий необходимый радиус обработки, определяется по формуле

                                                                                                (25)

31. Для каждого цикла в соответствии с радиусом обработки и объемами закачки определяется насыщенность пласта рабочими агентами, на основе которой корректируется величина эффективной пористости.

32. При проведении пневмовоздействия объем закачиваемого в массив газообразного рабочего агента V, м3, устанавливается по фактору заполнения всего фильтрующего объема в зоне обработки и определяется по зависимости

                                                                                (26)

где тп - мощность пласта (свиты пластов), м;

пф - фильтрующая пористость пласта по газу, доли ед.;

Рср - среднее давление газообразной среды, МПа.

                                                                                                          (27)

(здесь Рз.в- давление закачки газообразного агента (воздуха), МПа; Рпл - давление газа в пласте, МПа);

Тв - температура нагнетаемого воздуха, °С;

Т0 - природная температура пласта, °С;

Тпл - температура пласта после нагнетания воздуха, °С.

Тпл = Т0 + DТпл                                                                                                             (28)

(здесь DТпл - прирост температуры пласта в результате нагнетания воздуха, °С. Допускается принимать Тпл = Т0);

К1 - суммарный коэффициент потерь воздуха (1,2-1,8).

33. Суммарный объем извлекаемого газа q', м3/т, зависящий от газоносности обрабатываемого пласта и времени эксплуатации скважин, определяется по формуле

q' = а'lnt/ko + b',                                                                                                          (29)

где а', b' - коэффициенты, значения которых приведены в табл. 4;

t - время освоения и эксплуатации скважин гидрорасчленения, то есть срок дегазации t > 3 лет;

ko - коэффициент приведения, ko = 1 год.

Таблица 4

Значения коэффициентов а' и b'

Коэффициенты

Размерность

При природной газоносности пласта, м3

10-15

15,1-20

20,1-25

а'

м3

2,1-2,8

2,9-3,3

3,4-3,7

b'

м3

0,7-1,0

1,1-1,4

1,5-1,9

Значения коэффициентов а' и b' внутри интервалов определяются интерполяцией.

2.2. При дегазации выемочных участков

34. При предварительной дегазации оконтуренных или подготавливаемых к отработке выемочных участков с последующим после гидрорасчленения бурением пластовых скважин скважины гидрорасчленения располагаются посредине выемочного столба.

Величина , м, в таком случае определяется из выражения

                                                                                                                  (30)

а расстояние R', м, от монтажной камеры до первой скважины гидрорасчленения - по формуле

R' = 0,35lоч,                                                                                                                 (31)

где lоч - длина лавы, м.

35. Расстояние , м, между последующими скважинами гидрорасчленения, располагаемыми вдоль столба, определяется из условия перекрытия зон воздействия соседних скважин и в зависимости от направления основной трещиноватости и рассчитывается по формуле

                                                                                                                 (32)

где Кт - коэффициент, равный 0,9-1,3.

36. Объем закачиваемой рабочей жидкости в пласт на выемочном участке определяется по формуле (17).

37. Рабочий темп qз, м3/с, закачки растворов ПАВ или воды на участке находится из выражения

                                                                                               (33)

где Qц - объем закачки жидкости за цикл, м3.

38. Расстояние R, м, между пластовыми скважинами в зонах гидрорасчленения принимается с учетом величины коэффициента интенсификации газоотдачи пластовых скважин Ки.г и рассчитывается по формуле

R = Ки.гRс,                                                                                                                    (34)

где Rс - расстояние между пластовыми дегазационными скважинами без применения средств интенсификации газоотдачи угольных пластов. Определяется опытным путем или по формуле (1).

39. Величина коэффициента Ки.г устанавливается опытным путем. Ориентировочные его значения могут быть приняты в пределах 1,5-3.

40. Параметры воздействия на углевмещающую толщу пород определяются по методике МГГУ для каждого пласта в свите в зависимости от горно-геологических и горно-технических условий залегания и разработки угольных пластов.

Приложение 5

Рекомендации по дегазации пологих и наклонных пластов угля при их подработке

1. Дегазация сближенных подрабатываемых пластов угля и пород применяется на очистных участках с использованием следующих вариантов схем расположения скважин:

а) скважины пробурены из выработки, отделенной от выработанного пространства целиком угля (рис. 1);

б) скважины пробурены из поддерживаемой за лавой выработки (рис. 2);

в) скважины пробурены из выработки, погашаемой за лавой (рис. 3);

г) скважины пробурены из двух выработок (рис. 4).

Рис. 1. Схема дегазации подрабатываемых сближенных пластов скважинами, пробуренными из охраняемой целиком угля выработки (схема 1):
1 - разрабатываемый пласт; 2 - сближенный пласт; 3 - скважина дегазационная; 4 - газопровод; 5 - вентиляционный штрек; 6 - конвейерный штрек; 7 - выработка, охраняемая целиком угля;
a - угол падения пласта; y - угол разгрузки пород кровли; b - угол возвышения скважины; М - расстояние по нормали от разрабатываемого пласта; b1 - ширина целика (охранная зона); с1 - резерв, учитывающий возможное отклонение скважины от заданного направления

Рис. 2. Схема дегазации подрабатываемых пологих пластов скважинами, пробуренными из поддерживаемой за лавой выработки (схема 2):
1 - разрабатываемый пласт; 2 - подрабатываемый пласт; 3 - дегазационная скважина; 4 - газопровод; 5 - выработка, поддерживаемая за лавой;
a - угол падения пласта; y - угол разгрузки пород кровли; b  - угол возвышения скважины; b1 - ширина целика (охранная зона); с1 - резерв, учитывающий возможное отклонение скважины от заданного направления

Рис. 3. Схема дегазации подрабатываемого пласта скважинами, пробуренными навстречу движущемуся очистному забою из погашаемой за лавой выработки (схема 3):
1 - разрабатываемый пласт; 2 - подрабатываемый пласт; 3 - скважина; 4 - газопровод; 5 - вентиляционный штрек;
b - угол возвышения скважины; a' - угол падения пласта в плоскости скважины; y' - угол разгрузки пород кровли в плоскости скважины

Рис. 4. Схема комплексной дегазации подрабатываемого пласта на выемочном поле (схема 4):
1 - разрабатываемый пласт; 2 - сближенный пласт; 3 - скважина; 4 - газопровод; 5 - вентиляционная выработка;
y - угол разгрузки пород кровли; j - угол между проекцией скважины на горизонтальную плоскость и перпендикуляром к оси выработки в той же плоскости

2. Параметры бурения скважин выбираются так, чтобы скважины пересекали в зоне разгрузки наиболее мощный из подрабатываемых пластов, расположенных на расстоянии М не далее 60 м по нормали от разрабатываемого пласта.

Если в этом интервале междупластий подрабатываемых угольных пластов нет (пласты угля залегают на расстоянии М > 60 м), то скважины следует бурить до пересечения ближайшего подрабатываемого пласта или до контакта с крепким породным слоем, расположенным на расстоянии М £ 60 м.

Указанные схемы дегазации являются основными. Помимо них могут применяться другие схемы или их варианты. Предпочтение следует отдавать схемам дегазации, предусматривающим бурение скважин над целиком угля (см. рис. 1 и 4). Схема дегазации, показанная на рис. 3, не рекомендуется для применения в лавах со скоростями подвигания более 1,5 м/сут. Это ограничение не распространяется на выемочные участки с погашением выработок за лавой, если газопровод с подключенными к нему скважинами сохраняется в погашенной части выработки.

Применение новых схем дегазации должно быть согласовано с территориальным органом Службы и организацией, разработавшей новую схему дегазации.

3. Для повышения эффективности дегазации на участках с погашением выработок за лавой скважины целесообразно оставлять в выработанном пространстве подключенными к газопроводу, приняв меры по охране устьев скважин и трубопровода.

4. Для дегазации сближенных пластов в период первичной посадки основной кровли рекомендуется дополнительно бурить фланговые скважины из уклона (см. рис. 4) или из подготовительной выработки, пройденной за монтажной камерой. Устья скважин должны находиться на расстоянии не менее 5 м от монтажной камеры (рис. 5).

Рис. 5. Схема дегазации подрабатываемого пласта скважинами в период первичной посадки основной кровли:
1 - разрабатываемый пласт; 2 - подрабатываемый пласт; 3 - скважина; 4 - газопровод;
a' - угол падения пласта в плоскости скважины; y - угол разгрузки пород кровли в плоскости скважины; b - угол возвышения скважины

8. При использовании современной буровой техники применяется схема дегазации сближенного пласта длинными направленными скважинами, пробуренными из фланговой (рис. 6) или из участковой (рис. 7) выработки вдоль столба навстречу очистному забою. Горизонтальная часть скважины в лавах по простиранию пласта или наклонная в лавах по падению (восстанию) должна располагаться в сближенном пласте и пробурена до начала его разгрузки от горного давления.

Рис. 6. Схема дегазации сближенного пласта скважинами, пробуренными вдоль столба из фланговой выработки (схема 5а):
1 - разрабатываемый пласт; 2 - сближенные пласты; 3 - дегазационные скважины; 4 - дегазационный трубопровод; 5 - фланговая выработка; 6 - очистной забой

Рис. 7. Схема дегазации направленными скважинами, пробуренными на сближенный пласт из участковой выработки (схема 5б):
1 - разрабатываемый пласт; 2 - сближенный пласт; 3 - дегазационные скважины; 4 - дегазационный трубопровод; 5 - участковая выработка; 6 - очистной забой

9. Для дегазации подрабатываемых пластов, залегающих выше зоны обрушения горных пород, могут быть использованы изолированные от рудничной атмосферы газодренажные выработки, которые должны проводиться до начала разгрузки сближенного пласта, располагаться на плане горных работ вдоль столба ближе к выработке с исходящей вентиляционной струей на расстоянии (0,25-0,35)lоч и подключаться к дегазационной системе с помощью труб, заведенных за изолирующую выработку перемычку.

Для интенсификации процесса дегазации сближенных пластов на них из газодренажной выработки в процессе ее проходки целесообразно бурить дегазационные скважины.

5. При сплошной системе разработки применяется схема дегазации, при которой скважины бурятся из вентиляционной и (или) откаточной выработки на сближенный пласт позади очистного забоя в направлении его движения.

6. На участках очистных работ с высокой метанообильностью и преобладающим метановыделением из подрабатываемых угольных пластов применяется комплекс схем подземной дегазации. Пример такой комплексной схемы дегазации показан на рис. 4.

7. Параметры скважин устанавливаются опытным путем на основе данных о фактической эффективности дегазации в конкретных горно-технических условиях разработки угольных пластов или могут быть рассчитаны по формулам, изложенным в приложении № 6, с последующей их корректировкой.

10. Возможная эффективность дегазации подрабатываемых пластов скважинами, пробуренными из горных выработок, и режимы функционирования скважин приведены в табл. 1.

Таблица 1

Эффективность схем дегазации подрабатываемых пологих и наклонных пластов скважинами, пробуренными из горных выработок

Схема дегазации

Вариант схемы

расположения

скважин

Условия применения и схема расположения скважин

Коэффициент дегазации источника, доли ед.

Минимальная величина разрежения у устья скважины

кПа

мм рт. ст.

1

2

3

4

5

6

Схема 1.

Скважины пробурены из выработки, отделенной от участка (отрабатываемого столба) целиком угля

Скважины пробурены в параллельной очистному забою плоскости, над выработкой с исходящей струей (рис. 1)

0,6

13,3

100

 

То же, но скважины пробурены над выработкой с поступающей струей

0,5

13,3

100

Схема 2.

Скважины пробурены из выработки, поддерживаемой за лавой

Выработка за лавой охраняется и скважины пробурены с разворотом в сторону очистного забоя из вентиляционной выработки (рис. 2)

0,5

6,7

50

 

То же с дополнительными скважинами, пробуренными над монтажной камерой

0,6

6,7

50

Схема 3.

Скважины пробурены впереди очистного забоя из выработки, погашаемой за лавой

Скважины пробурены навстречу очистному забою из вентиляционной выработки (рис. 3)

0,3

6,7

50

 

То же, но дополнительно пробурены скважины над монтажной камерой (рис. 5)

0,4

6,7

50

Схема 4.

Скважины пробурены из выработок выемочного поля (комплекс схем дегазации)

4

Скважины пробурены из оконтуривающих выемочное поле выработок и из выработки, поддерживаемой за лавой (рис. 4)

0,7-0,8

6,7-13,3*

50-100*

Схема 5.

Сверхдлинные направленные скважины пробурены в плоскости сближенного пласта навстречу очистному забою

Скважины пробурены вдоль столба из фланговой выработки (рис. 6)

0,7-0,8

13,3

100

 

Скважины пробурены вдоль столба из участковой выработки (рис. 7)

0,6-0,7

13,3

100

* Минимальное значение принимается для скважин, пробуренных позади лавы в направлении очистного забоя.

Приложение 6

Определение параметров дегазации подрабатываемых пологих и наклонных пластов

1. Параметры скважин, буримых из участковых выработок на подрабатываемые пласты (см. в качестве примера рис. 1 приложения № 5), определяются по формулам, приведенным в табл. 1.


Таблица 1

Параметры скважин для дегазации подрабатываемых пологих и наклонных пластов

Проведение выработки, из которой бурятся скважины

Скважины бурятся в плоскости, параллельной забою лавы (a1 = 0, j = 0)

Скважины бурятся (восстания)

с разворотом от линии падения или простирания пласта

Угол наклона скважины к горизонту

Длина скважины, м

Угол разворота скважины

Угол наклона скважины к горизонту

Длина скважины, м

По простиранию пласта

По падению или восстанию пласта

Обозначение символов:

j - угол между проекцией скважин на горизонтальную плоскость и перпендикуляром к оси выработки в той же плоскости, град;

b - угол наклона скважин к горизонту (угол между осью скважины и горизонтальной плоскостью), град;

М - расстояние от разрабатываемого до сближенного пласта по нормали, м;

b1 - протяженность зоны, препятствующей разгрузке пород у выработки, из которой бурится скважина (ширина охранной зоны), м;

c1 - резерв, учитывающий возможное отклонение скважины от заданного направления, м (принимается 5-10 м; для условий Донбасса c1 = 0);

y - угол разгрузки подрабатываемой толщи пород, отсчитываемый от плоскости напластования, град;

И - расстояние по нормали от устья скважины до кровли разрабатываемого пласта (считается положительным, если устье скважины располагается ниже кровли пласта, и отрицательным - выше кровли), м;

a - угол падения пласта, град;

a1 - проекция оси скважины на горизонтальную проекцию оси выработки, м.

Примечание. Верхний знак (плюс или минус) здесь и в дальнейшем принимается при бурении скважин в сторону падения пласта, нижний - в сторону восстания.


2. При бурении скважин из фланговых выработок (см. рис. 4 приложения № 5) задаются значением угла j, то есть углом между проекцией скважины на горизонтальную плоскость и перпендикуляром к оси выработки в той же плоскости. Остальные параметры скважин определяются по формулам, приведенным в табл. 2.

Таблица 2

Определение параметров скважин, пробуренных для дегазации подрабатываемых пластов из фланговых выработок

Фланговая выработка

Угол наклона скважины к горизонту, град

Длина скважины, м

Горизонтальная

Наклонная

3. При бурении развернутых на очистной забой скважин из поддерживаемой за лавой выработки (см. рис. 2 приложения № 5, а также табл. 1 данного приложения) параметры скважин задаются величиной a1, или рассчитывают ее по формуле

a1 = Lб + 1,3tб.гvоч - М/tgy,                                                                                          (1)

где Lб - расстояние от очистного забоя до места установки бурового станка, м;

tб.г - время, необходимое для монтажа станка, бурения, герметизации и подключения скважины к газопроводу, сут;

vоч - скорость подвигания очистного забоя, м/сут.

М - расстояние по нормали между разрабатываемым пластом и сближенным дегазируемым пластом, м;

y - угол разгрузки подрабатываемой толщи горных пород, град. Определяется опытным путем или по табл. 3.

Таблица 3

Значение угла разгрузки подрабатываемой толщи пород

Состав пород междупластья

Процент от всей мощности междупластья

Угол разгрузки y, град

Песчаники и алевролиты

Более 80

50-55

Тоже

50

60-65

Аргиллиты

50

60-65

Тоже

60

65-70

Песчаники и алевролиты

40

65-70

Аргиллиты

Более 80

70-80

4. В качестве величины М при расчете параметров скважин, предназначенных для дегазации подрабатываемых пластов и извлечения кондиционного метана в Печорском бассейне, принимается расстояние от разрабатываемого пласта до зоны повышенной газоотдачи, которая располагается в кровле на расстоянии 15-20 вынимаемых мощностей пласта.

5. Величина b1 (протяженность зоны, препятствующей интенсивной разгрузке пород вблизи выработки, из которой бурится скважина) определяется по табл. 4.

Таблица 4

Протяженность зоны, в которой скважины защищены от разрушения

Способ охраны выработки, из которой пробурены скважины

Протяженность зоны, препятствующей разгрузке пород у выработки b1, м

Оставление целиков угля

lц + 5

Возведение костров, бутокостров, бутовых полос шириной менее 10 м

5

Возведение бутовых полос шириной более 10 м

0,5lб

Примечание. lц - ширина целика угля, м; lб - ширина бутовой полосы, м.

6. Графическое определение параметров дегазационных скважин при бурении их навстречу очистному забою производится на одномасштабных планшетах или выкопировках с плана горных работ и вертикальном разрезе угленосной толщи дегазируемого участка.

На вертикальном разрезе, например в лаве по простиранию, из точки А (рис. 1), соответствующей устью скважины, по падению пласта откладывается отрезок АК = с1 + b1.

Рис. 1. Графическое определение параметров скважин, буримых на подрабатываемый пласт

Из точки K под углом y разгрузки подрабатываемой толщи горных пород к линии падения пласта проводится линия КВ до дегазируемого подрабатываемого пласта. Отрезок АВ представляет собой проекцию скважины на вертикальную плоскость, проходящую через точку А. Из точки В опускается перпендикуляр ВF на горизонталь АН, проведенную через точку А.

На плане горных работ параллельно вентиляционному штреку на расстоянии AF взятом с разреза Б-Б, проводится линия FН. Из точки А по линии простирания пласта откладывается отрезок АG, равный величине а1, затем из точки G восстанавливается перпендикуляр GС к линии АG до пересечения с линией FН. Отрезок АС есть проекция скважины на горизонтальную плоскость, угол FАС - искомый угол разворота скважины j.

На вертикальном разрезе из точки А на горизонтали АН откладывается отрезок АС, взятый из плана горных работ. Из точки С восстанавливается перпендикуляр СD, равный ВF. Отрезок АD есть искомая длина скважины в соответствующем масштабе, угол DАС - искомый угол наклона скважины к горизонту (угол b).

7. При бурении скважин в плоскости, параллельной очистному забою (j = 0), графическое определение параметров упрощается. В этом случае отрезок АВ на вертикальном разрезе есть длина скважины в соответствующем масштабе, а угол ВАF - угол наклона скважины к горизонту (угол b).

8. При бурении скважин над монтажной камерой (рис. 2) геометрические построения начинают на вертикальном разрезе в плоскости, нормальной напластованию по линии простирания пласта, где откладывают b1 и с1 и проводят линию КВ под углом y. На плане горных работ на горизонтали АН откладывают отрезок АG = a1, и восстанавливают перпендикуляр GС (отрезок GС = a1tgj, поскольку углом j задаются). Затем на вертикальном разрезе определяют местоположение точки D, то есть забоя скважины: на горизонтали АН откладывают отрезок АС, снятый с плана, и восстанавливают перпендикуляр СD до линии ВD, параллельный горизонтали АН. Угол САG на плане есть угол разворота скважины относительно линии простирания пласта (угол j), угол САD на разрезе - угол наклона скважины к горизонту (угол b), а отрезок АD - длина скважины в соответствующем масштабе.

 

Рис. 2. Графическое определение параметров скважин, буримых на подрабатываемый пласт над монтажной камерой

9. При бурении развернутых на очистной забой скважин из поддерживаемой за лавой выработки (рис. 3) сначала задается длина проекции оси скважины на горизонтальную проекцию оси выработки a1, равная расстоянию между буровыми камерами, увеличенному на 15-20 м.

Рис. 3. Графическое определение параметров скважин, буримых из поддерживаемой за лавой выработки вслед очистному забою

На вертикальном разрезе из точки А откладывается отрезок АК= b1 + с1, (где b1 - расстояние, равное сумме ширины поддерживаемой выработки и расстояния от устья скважины до выработки). Из точки К под углом y проводится линия КВ. Из точки В опускается перпендикуляр ВF.

Из точки А (см. горизонтальную плоскость) откладывается отрезок АG, равный величине a1, затем из точки G восстанавливается перпендикуляр GС. Угол FАС - искомый угол разворота скважины j от линии падения пласта. Затем определяют местоположение точки D, то есть забоя. Угол DАС - искомый угол наклона скважины b, а отрезок АD - длина скважины в соответствующем масштабе.

10. Параметры скважин при других вариантах их бурения на подрабатываемые пласты (рис. 4-7) определяются аналогично описанному выше.

 

Рис. 4. Графическое определение параметров дегазационных скважин, буримых на подрабатываемый пласт навстречу очистному забою

Рис. 5. Графическое определение параметров дегазационных скважин, буримых на подрабатываемый пласт в сторону восстания из откаточного штрека

Рис. 6. Графическое определение параметров дегазационных скважин, буримых на подрабатываемый пласт в сторону восстания из погашаемой вслед за лавой выработки

Рис. 7. Графическое определение параметров дегазационных скважин, буримых на подрабатываемый пласт из поддерживаемой выработки в лавах по падению

11. Расстояние Lmax, м, в плоскости разрабатываемого пласта от забоя лавы до местоположения проекции зоны максимального метановыделения из сближенного пласта в скважины устанавливается опытным путем или находится по формуле

                                                                                                        (2)

где  и N1 - эмпирические коэффициенты;

М - расстояние по нормали между разрабатываемым и сближенным пластами, м.

Величина  рассчитывается по формуле

                                                                                               (3)

где D, А, e - коэффициенты, равные 2,13; 2,4 и 0,66 соответственно;

vоч - скорость подвигания очистного забоя, м/сут.

Значение N1 принимается равным 3,3.

12. Влияние скорости подвигания очистного забоя на эффективность дегазации kд.с.п сближенных пластов подземными скважинами, пробуренными отечественными станками, оценивается по формуле

kд.с.п = Вл - bл vоч                                                                                                         (4)

где Вл и bл - эмпирические коэффициенты, равные в различных горно-технических условиях 0,5-0,7 и 0,017-0,18 соответственно.

На участках с поддержанием вентиляционных выработок позади лавы величина коэффициента bл принимается равной 0,017- 0,022, а на участках с их погашением - 0,08-0,18. В последнем случае областью применения скважин, пробуренных на подрабатываемые пласты, могут быть лавы со скоростью подвигания менее 2-2,5 м/сут.

13. Дебит метана , м3/мин, и его концентрация см, %, в каптируемой газовоздушной смеси на выемочном участке изменяются от зоны максимума газовыделения вдоль отрабатываемого столба по зависимостям:

                                                                                                       (5)

                                                                                                        (6)

где , - дебит, м3/мин, и концентрация метана, %, в скважинах на расстоянии от монтажной камеры соответственно;

bс, Кс - эмпирические коэффициенты, для различных схем дегазации изменяющиеся в пределах 0,001-0,009 и 0,006-0,057 соответственно;

L' - длина отрабатываемого выемочного участка от зоны максимального газовыделения (после первой посадки основной кровли), м.

                                                                                                             (7)

здесь L - длина выемочного участка, м;

 - расстояние (в плоскости разрабатываемого пласта) относительно монтажной камеры до местоположения проекции зоны максимального метановыделения в скважины (после первой посадки основной кровли), м.

14. Расстояние между скважинами, буримыми на подрабатываемые угольные пласты, определяется опытным путем.

15. В неизученных условиях расстояние rс, м, между скважинами, буримыми на подрабатываемые пласты по схемам, приведенным на рис. 1 и 2 приложения № 5 (наиболее применимы в современных условиях разработки и дегазации угольных пластов), может быть определено по номограмме (рис. 8) в зависимости от необходимой эффективности дегазации сближенных подрабатываемых пластов, возможного разрежения в скважинах и коэффициента , характеризующего газоотдачу i-го сближенного пласта.

Рис. 8. Определение расстояния между скважинами при их бурении на подрабатываемые угольные пласты

Величина коэффициента , 1/(мс), рассчитывается по формуле

                                                                                  (8)

где Ic.п - метановыделение из сближенных пластов и вмещающих пород в выработки участка, м3/мин.

                                                                                                              (9)

(здесь А - суточная производительность лавы, т/сут;

qс.п.п - метановыделение из сближенных подрабатываемых пластов, м3/т);

Lтаx i - расстояние (в плоскости разрабатываемого пласта) от забоя лавы до места положения проекции зоны максимального метановыделения i-го дегазируемого пласта, м;

lоч - длина лавы, м;

тi - мощность дегазируемого i-го сближенного пласта, м;

Мi - расстояние по нормали между разрабатываемым и i-м сближенным пластами, м;

Мp - предельное расстояние по нормали от разрабатываемого пласта до сближенного, при котором метановыделение из сближенного пласта близко нулю, м.

16. При бурении скважин из выработок, погашаемых за лавой, вводится коэффициент снижения эффективности дегазации, определяемый по номограмме (рис. 9).

17. После завершения дегазационных работ на выемочном участке показатели, входящие в формулы (2)-(9), должны быть скорректированы (или определены) с привлечением специалистов по дегазации.

Рис. 9. Снижение эффективности дегазации сближенных угольных пластов на участках, отрабатываемых с погашением выработок за лавой

Приложение 7

Рекомендации по дегазации надрабатываемых пологих и наклонных пластов

1. Дегазация надрабатываемых пластов осуществляется скважинами, пробуренными из выработок разрабатываемого пласта вкрест дегазируемого пласта (рис. 1, 2) или из выработок, проведенных в надрабатываемом пласте с расположением скважин в плоскости надрабатываемого пласта (рис. 3).

Предпочтение следует отдавать схеме дегазации с использованием пластовых скважин (см. рис. 3). Скважины могут быть пробурены параллельно очистному забою или ориентированно на него.

Рис. 1. Схема дегазации надрабатываемого пласта пробуренными из вентиляционной выработки скважинами при столбовой системе разработки с погашением выработки за лавой:
1 - разрабатываемый пласт; 2 - надрабатываемый пласт; 3 - дегазационная скважина; 4 - газопровод;
a - угол падения пласта; а1 - проекция оси скважины на горизонтальную проекцию оси выработки; М - расстояние по нормали между разрабатываемым и сближенным пластами; D - расстояние (в плоскости разрабатываемого пласта) от проекции забоя скважины на пласт до границы разгруженной зоны сближенного пласта

Рис. 2. Схема дегазации надрабатываемого пласта скважинами, пробуренными из поддерживаемой за лавой откаточной выработки:
1 - разрабатываемый пласт; 2 - надрабатываемый пласт; 3 - дегазационная скважина; 4 - газопровод;
a - угол падения пласта; М - расстояние по нормали между разрабатываемым и сближенным пластами; D - расстояние (в плоскости разрабатываемого пласта) от проекции забоя скважины на пласт до границы разгруженной зоны сближенного пласта

Рис. 3. Схема дегазации надрабатываемого угольного пласта пластовыми скважинами:
1 - разрабатываемый пласт; 2 - надрабатываемый пласт; 3 - дегазационная скважина по надрабатываемому пласту; 4 - дегазационный трубопровод; 5 - выработка по надрабатываемому пласту

2. Дегазация надрабатываемых пластов осуществляется на расстояниях до 45 м по нормали с обязательным перебуриванием всех пластов, залегающих в 30-метровой зоне.

3. В условиях шахт Воркутинского месторождения дегазацию надрабатываемых пластов целесообразно проводить по технологической схеме, приведенной на рис. 4, при параметрах заложения скважин, сведенных в табл. 1.

Рис. 4. Схема дегазации надрабатываемых пластов скважинами, пробуренными веером из выработок выемочного поля:
1 - разрабатываемый пласт; 2- надрабатываемые пласты; 3 - скважины, пробуренные на близко расположенные надрабатываемые пласты; 3' - скважины, пробуренные на удаленные надрабатываемые пласты; 3" - скважины, пробуренные под монтажно-демонтажные камеры (фланговые скважины); 4, 4' - дегазационный трубопровод; a - угол падения пласта

Таблица 1

Технические параметры скважин

№ п/п

Показатели

Размерность

Группа скважин

I (скв. 3")

II

(скв. 3)

III

(скв. 3')

1

Угол разворота скважин от оси выработки

град

10-50

55-70

80-90

2

Угол падения скважин

град

20-60

20-45

55-80

3

Расстояние от разрабатываемого пласта до дегазируемого

м

10-45

10-30

30-45

4

Расстояние между нишами (кустами скважин)

м

-

40

80

5

Расстояние между забоями скважин

м

15-20

15-20

80

6

Количество скважин в кусте, не менее

шт.

2

2

1

7

Длина герметизации скважин, не менее

м

15

10

10

8

Способ герметизации

Цементация

4. При дегазации вскрытого квершлагами надрабатываемого пласта скважины бурятся веерообразно в плоскости пласта до начала его разгрузки очистными работами.

5. Герметизация устьев скважин должна осуществляться на глубину не менее 10 м.

6. Параметры способа определяются опытным путем или по рекомендациям, изложенным в приложении № 8, с последующей их корректировкой.

7. Возможная эффективность дегазации надрабатываемых пластов скважинами, пробуренными из горных выработок, приведена в табл. 2.

8. Для снижения уровня воды в нисходящих скважинах целесообразно применять погружные скважинные насосы (опыт шахт Германии) или другие способы осушения скважин.

Таблица 2

Эффективность дегазации пологих и наклонных надрабатываемых пластов

Схема дегазации

Коэффициент дегазации источника, доли ед.

Минимальная величина разрежения на устье скважины

кПа

мм рт. ст.

1

2

3

4

Схема 1. Скважины пробурены из выработки, пройденной по надрабатываемому пласту (рис. 3)

0,5-0,6

6,7

50

Схема 2. Скважины пробурены из погашаемой за лавой выработки при столбовой системе разработки (рис. 1)

0,3

13,3

100

Схема 3. Скважины пробурены из поддерживаемой за лавой выработки, при сплошной (рис. 2) или столбовой системе разработки

0,4

13,3

100

Схема 4. Скважины пробурены из выработок выемочного поля (рис. 4).

0,4-0,5

13,3

100

Приложение 8

Определение параметров скважин для дегазации надрабатываемых пологих и наклонных пластов

1. При отработке пластов «Мощного» и «Четвертого» в условиях шахт Воркутинского месторождения технические параметры скважин, буримых на надрабатываемые пласты по технологической схеме, приведенной на рис. 4 приложения № 7, установлены опытным путем и сведены в табл. 1 приложения № 7.

2. В неизученных условиях параметры скважин, пробуренных на надрабатываемые пласты, определяются по формулам, приведенным в табл. 1. По завершении дегазационных работ параметры скважин должны быть скорректированы.


Таблица 1

Параметры скважин при дегазации надрабатываемых пологих и наклонных пластов

Проведение выработки

Скважины бурятся в плоскости, параллельной забою лавы = 0; ф = 0)

Скважины бурятся с разворотом от линии падения (восстания) или простирания

Угол наклона скважин к горизонту, град

Длина скважин, м

Угол разворота скважин, град

Угол наклона скважин к горизонту, град

Длина

скважин,

м

По простиранию пласта

В почве разрабатываемого пласта по простиранию

По падению или восстанию пласта

Обозначения символов:

D - величина, принимаемая в зависимости от длины лавы и местоположения границы разгрузки дегазируемого пласта, м;

h - расстояние от кровли разрабатываемого пласта до полевой выработки, м.

Остальные обозначения см. в табл. 1 приложения № 6.


3. Величина А определяется в соответствии с рекомендациями, приведенными на рис. 1, с последующей ее корректировкой.

Рис. 1. Схемы дегазации надрабатываемой толщи горных пород:
а - при отсутствии сближенного угольного пласта; б - при наличии сближенного угольного пласта; М' - расстояние по нормали между разрабатываемым пластом и дегазируемой толщей газосодержащих пород; т' - мощность дегазируемой толщи пород; a - угол падения пласта; b - угол наклона скважины к горизонту; b1 - протяженность зоны (ширина целика угля), препятствующей разгрузке горных пород; lоч - длина лавы; y1 - угол разгрузки пород почвы

4. Графический метод определения параметров скважин, буримых на надрабатываемые пласты, изложен на рис. 2.

Рис. 2. Графическое определение параметров дегазационных скважин, буримых на надрабатываемые пласты

5. Местоположение (на плоскости разрабатываемого пласта) максимума газовыделения в скважины определяется по формулам (2) и (3), приведенным в приложении № 6, в которых принимается N1 = 4, D, А и e - 3,48; 3,34 и 0,49 соответственно.

6. При отсутствии опытных данных расстояние между скважинами принимается по рекомендациям, приведенным в табл. 2.

Таблица 2

Расстояние между скважинами и величина проекции скважин на горизонтальную проекцию оси выработки

Система разработки и схема дегазации

Расстояние до сближенного пласта, на который бурят скважины, м

Расстояние между скважинами, м

Величина проекции скважины на горизонтальную проекцию оси выработки

1

2

3

4

Сплошная или комбинированная система разработки:

 

 

 

а) скважины бурят из нижнего штрека

До 10

15-20

0-50

10-20

20-25

 

20-30

25-30

 

б) скважины бурят из верхнего штрека

До 10

10-20

20-30

10-15

15-20

20-25

0-50

Столбовая система разработки:

 

 

 

а) скважины бурят навстречу очистному забою

До 10

10-20

20-30

10-15

15-20

20-25

30-50

б) скважины бурят навстречу очистному забою с оставлением газопровода в погашаемой выработке

До 10

10-20

20-30

10-15

15-20

20-25

20-40

в) скважины бурят из выработки, проведенной по нижнему пласту

До 10

10-20

20-30

15-20

20-25

25-30

0-30

Приложение 9

Рекомендации по дегазации крутых пластов

1. На крутых пластах применяются схемы дегазации сближенных пластов скважинами, пробуренными из выработок разрабатываемого пласта, соседнего с ним или из полевой выработки (штрека, квершлага). Скважины могут быть пробурены вкрест дегазируемого пласта или в его плоскости параллельно друг другу или веером.

2. При полевой или групповой схеме подготовки свиты пластов дегазация осуществляется скважинами, пробуренными вкрест надрабатываемого пласта (рис. 1) или в его плоскости (рис. 2). При этом скважины должны быть пробурены до начала разгрузки надрабатываемого пласта.

Рис. 1. Схема дегазации надрабатываемого крутого пласта скважинами, пробуренными веером вкрест его залегания:
а - скважины пробурены из выработок разрабатываемого пласта; б - скважины пробурены из полевого штрека; в - скважины пробурены из группового штрека;
1 - разрабатываемый пласт; 2 - сближенный пласт; 3 - дегазационные скважины; 4 - дегазационный трубопровод; 5 - откаточный штрек; 6 - промежуточный квершлаг; 7- полевой штрек

Рис. 2. Схема дегазации надрабатываемого пласта скважинами, пробуренными по надрабатываемому пласту из подготовительной выработки:
1 - разрабатываемый пласт; 2 - сближенный пласт; 3 - дегазационная скважина; 4 - дегазационный трубопровод; 5 - откаточный штрек; 6 - промежуточный квершлаг; 7 - полевой штрек; 8 - подготовительная выработка

3. Если промежуточные квершлаги пересекают надрабатываемый пласт, то скважины предпочтительнее бурить веером в его плоскости из места его пересечения промежуточным квершлагом (рис. 3).

Рис. 3. Схема дегазации надрабатывамого пласта скважинами, пробуренными веером из промежуточного квершлага:
1 - разрабатываемый пласт; 2 - надрабатываемый пласт; 3 - дегазационные скважины; 4 - дегазационный трубопровод; 5 - выработка разрабатываемого пласта; 6 - квершлаг промежуточный

4. При пластовой подготовке крутого пласта дегазация подрабатываемых и надрабатываемых пластов производится скважинами, пробуренными из выработок разрабатываемого пласта (рис. 4).

5. При системе разработки длинными столбами по простиранию, когда штреки после прохода лавы погашаются, скважины на сближенный пласт бурятся навстречу движению лавы (рис. 4, а).

6. При сплошной системе разработки скважины бурятся из откаточного и (или) вентиляционного штрека разрабатываемого пласта на сближенные пласты в зону, разгружаемую от горного давления (рис. 4, б).

Рис. 4. Схема дегазации крутых сближенных пластов скважинами, пробуренными из выработок разрабатываемого пласта:
а - при столбовой системе разработки; б - при сплошной системе разработки;
1 - разрабатываемый пласт; 2 - сближенные пласты; 3 - дегазационные скважины; 4 - дегазационный трубопровод; 5 - откаточный штрек; 6 - промежуточный квершлаг; 7 - вентиляционный штрек;
y - угол разгрузки пород кровли; y1 - угол разгрузки пород почвы

7. Глубина герметизации скважин должна составлять не менее 10 м при бурении скважин из выработок разрабатываемого пласта и 6 м при бурении скважин в плоскости соседнего пласта или в плоскости пласта, вскрытого промежуточным квершлагом.

8. Параметры дегазации сближенных крутых пластов устанавливаются опытным путем или по рекомендациям, изложенным в приложении № 10, с последующим их уточнением.

9. Возможная эффективность дегазации сближенных крутых пластов скважинами, пробуренными из горных выработок, приведена в табл. 1.

Таблица 1

Эффективность схем дегазации сближенных крутых пластов

Схема дегазации

Вариант схемы

Условия применения и схема расположения скважин

Коэффициент дегазации источника, доли ед.

Минимальная величина разрежения у устья скважины

кПа

мм рт. ст.

1

2

3

4

5

6

Схема 1.

Скважины пробурены вкрест надрабатываемого пласта

Скважины пробурены из полевого или группового штрека (рис. 1, б, в)

0,5

6,7

50

Скважины пробурены из откаточного штрека разрабатываемого пласта (рис. 1, а)

0,4

6,7

50

Схема 2.

Скважины пробурены по восстанию надрабатываемого пласта

Скважины пробурены параллельно из выработки разрабатываемого пласта (рис. 2)

0,6

6,7

50

Скважины пробурены веером из промежуточных квершлагов (рис. 3)

0,7

6,7

50

Схема 3.

Скважины пробурены веером на подрабатываемые и надрабатываемые пласты

Скважины пробурены из откаточного и вентиляционного штреков при столбовой системе разработки с погашением выработок за лавой (рис. 4, а)

0,4

6,7

50

Скважины пробурены из откаточного и вентиляционного штреков при сплошной системе разработки (рис. 4, б)

0,5

6,7

50

Приложение 10

Определение параметров дегазации крутых пластов

1. Параметры дегазации подрабатываемых и надрабатываемых крутых пластов устанавливаются опытным путем с учетом условий их залегания и отработки.

2. В неизученных условиях разработки пластов параметры дегазационных скважин определяются по формулам, приведенным в табл.1.

3. При бурении скважин в плоскости, нормальной к простиранию пласта, параметры дегазационных скважин могут определяться простыми построениями (рис. 1-4) аналогично тому, как они определяются на пологих пластах (см. приложение № 6).

Таблица 1

Определение длины и угла наклона скважин при дегазации сближенных крутых пластов

Схема дегазации сближенных крутых пластов

Угол наклона скважин, град

Длина скважин, м

к горизонту

к линии простирания пласта

1

2

3

4

Скважинами, пробуренными из полевого штрека или пройденной по нижнему пласту выработки

90

Скважинами, пробуренными из выработки по разрабатываемому пласту

j

Скважинами, пробуренными из откаточного штрека по восстанию надрабатываемого пласта

b = a

90

На 5-10 м меньше высоты этажа по восстанию пласта

Скважинами, пробуренными из промежуточных квершлагов по надрабатываемому пласту веером

b £ a

5-90

На 5-10 м не добуриваются до вентиляционного штрека

Обозначения символов:

знак «+» принимается при надработке, знак «-» - при подработке;

hп - расстояние по вертикали от уровня откаточного горизонта до места пересечения скважиной сближенного пласта, м. Принимается равным от 0,3 до 0,7 высоты этажа по вертикали;

М" - расстояние по нормали от полевого штрека до сближенного пласта, м.

Рис. 1. Схема к определению направления скважины, буримой из откаточного штрека на вышележащий сближенный пласт в плоскости, нормальной к простиранию пласта:
а - при отсутствии целика (бутовой полосы) над штреком; б - при наличии целика (бутовой полосы) над штреком

Рис. 2. Схема к определению направления скважины, буримой из группового откаточного штрека на вышележащий сближенный пласт, в плоскости, нормальной к простиранию пласта, при отсутствии целика угля (бутовой полосы) над штреком:
а - К >f; б - К < f; (К= РК; f = ЕS)

Рис. 3. Схема к определению параметров скважины, буримой из группового откаточного штрека на вышележащий сближенный пласт, в плоскости, нормальной к простиранию пласта и при наличии целика угля (бутовой полосы) над штреком:
а - К >f; б - К < f; (К = РZ; f = ЕS)

Рис. 4. Схема к определению направления скважины, буримой из вентиляционного штрека на вышележащий сближенный пласт, в плоскости, нормальной к простиранию пласта:
а - при отсутствии целика угля (бутовой полосы) под штреком;
б - при наличии целика угля (бутовой полосы) под штреком

Исходными данными для определения параметров дегазационных скважин являются угол залегания пластов a, высота целика у выработки b1, из которой производится бурение скважин, и границы зон повышенной газоотдачи сближенных пластов, определяемые углами разгрузки горных пород y (табл. 2).

Таблица 2

Определение угла разгрузки на крутых пластах

Угол падения пласта a, град

Угол разгрузки горных пород у, град

при подработке y

при надработке y1

45

59

77

47

59

77

49

60

77

51

61

76

53

62

76

55

63

76

57

65

75

59

66

75

61

68

75

63

71

74

65

73

74

67

76

74

69

80

73

4. В неизученных условиях расстояние между дегазационными скважинами на крутых пластах можно определять по табл. 3 с последующей корректировкой.

Таблица 3

Определение расстояния между дегазационными скважинами на крутых пластах

Расстояние до дегазируемого сближенного крутого пласта, кратное вынимаемой мощности разрабатываемого пласта
(п = М/тв), м

Расстояние между дегазационными скважинами rс.к, м

10-20

15-25

20-30

25-35

30-40

35-45

40-60

45-60

Более 60

60-70

5. Ориентировочные значения коэффициента дегазации крутых сближенных пластов могут быть определены по табл. 4.

Таблица 4

Значение коэффициента дегазации крутых сближенных пластов

Место залегания сближенного пласта

Расстояние до сближенного пласта, Мi, м

Коэффициент дегазации источника kд.с.к , доли ед.

В кровле

10-20

0,2-0,3

 

20-30

0,3-0,4

 

30-40

0,4-0,5

 

40-60

0,5-0,6

 

Свыше 60

0,6-0,7

В почве

6-10

0,1-0,2

 

10-20

0,2-0,3

 

20-30

0,3-0,4

 

Свыше 30

0,4-0,6

Приложение 11

Рекомендации по дегазации подрабатываемых пологих и наклонных пластов скважинами, пробуренными с земной поверхности

1. Дегазацию залегающих в угленосной толще сближенных пластов скважинами с поверхности рекомендуется осуществлять при глубине разработки до 600 м, если подземные скважины недостаточно эффективны, а условия поверхности позволяют разместить буровое и дегазационное оборудование.

2. На пластах, склонных к самовозгоранию, дегазация скважинами с поверхности может быть применена при условии, что скорость подвигания очистного забоя будет составлять не менее 45 м/мес и будет осуществляться непрерывный контроль за температурным режимом выработанного пространства.

3. Место заложения скважины на поверхности следует выбирать так, чтобы к моменту окончания бурения проекция ее забоя на разрабатываемый пласт находилась на расстоянии не менее 30 м впереди очистного забоя. Забой дегазационной скважины должен находиться в разгружаемой зоне подрабатываемого пласта, местоположение которой определяется графическим путем с использованием данных, приведенных в табл. 3 приложения № 6.

Первая скважина должна располагаться на расстоянии 30-40 м от монтажной камеры.

4. При отработке участков пласта, имеющих с обеих сторон выработанные пространства, вертикальные скважины целесообразно располагать в ряд посредине выемочного столба.

5. После окончания бурения скважины она должна быть промыта водой в целях удаления из нее шлама.

6. Перед обсадкой скважины необходимо производить инклинометрическую съемку. Скважина обсаживается стальными трубами диаметром не менее 100 мм. Затрубное пространство тампонируется цементным раствором на глубину не менее 10 м, а также в местах пересечения водоносных горизонтов и выработанных пространств ранее отработанных вышележащих пластов.

Обсадная труба в местах пересечения подрабатываемых пластов перфорируется: диаметр отверстий 10-15 мм (20 отверстий на 1 м трубы). Конец неперфорированной части обсадной колонны обычно располагается от кровли отрабатываемого пласта на расстоянии не менее 30 вынимаемых его мощностей (30т).

7. Для защиты труб от обмерзания в зимнее время верхняя их часть должна быть утеплена.

8. Применяются две основные схемы дегазации сближенных пластов вертикальными скважинами:

схема 1 (рис. 1) - при отработке мощного пласта слоями или с потерями угля по мощности и в целиках, когда скважинами перебуриваются сближенные пласты и вынимаемый пласт;

схема 2 (рис. 2) - при отработке пласта угля на полную мощность, когда скважинами перебуриваются только сближенные пласты, что способствует извлечению кондиционных по метану газовоздушных смесей, пригодных для использования.

Рис. 1. Схема дегазации сближенных пластов и выработанного пространства скважинами, пробуренными с поверхности:
1 - разрабатываемый пласт; 2 - сближенные пласты; 3 - скважина; 4 - очистной забой; 5 - выработанное пространство

Рис. 2. Схема дегазации сближенных пластов скважинами, пробуренными с поверхности:
1 - разрабатываемый пласт; 2 - сближенные пласты; 3 - скважина; 4 - очистной забой; 5 - выработанное пространство

9. При схеме 2 глубину скважины принимают такой, чтобы расстояние между ее забоем и кровлей отрабатываемого пласта было не менее десяти вынимаемых его мощностей (10т).

10. До подхода лавы к скважине последняя должна быть подключена к вакуум-насосу на расстоянии не менее 30 м от очистного забоя. Величина разрежения на устье скважины должна быть не менее 150 мм рт. ст.

11. Если на дегазируемом участке были пробурены скважины в целях гидрорасчленения угольных пластов, то их необходимо использовать для дегазации сближенных пластов и выработанного пространства.

12. Параметры скважин, режимы их работы и расстояния между скважинами определяются в зависимости от необходимой эффективности дегазации и в соответствии с приложением № 12.

13. Возможная эффективность дегазации сближенных пластов скважинами, пробуренными с земной поверхности, приведена в табл. 1.

Таблица 1

 Эффективность дегазации сближенных пластов скважинами, пробуренными с земной поверхности

Схема дегазации

Условия применения

Коэффициент дегазации источника kд.с.п доли ед.

Минимальная величина разрежения на устье

скважины Ву

кПа

мм рт. ст.

Схема 1. Скважинами перебуриваются подрабатываемые пласты и разрабатываемый пласт (рис. 1)

Отработка мощного пласта слоями или с потерями угля по его мощности

0,6-0,7

20

150

Схема 2. Скважинами перебуриваются подрабатываемые пласты (рис. 2)

Отработка пласта на полную мощность

0,7-0,8

20

150

14. Для повышения эффективности дегазации и снижения объемов бурения скважин по пустым породам целесообразно бурить вертикально-горизонтальные скважины с выводом их забойной части на подрабатываемый пласт. При этом горизонтальную часть скважины бурят навстречу очистному забою.

Если в кровле отрабатываемого пласта залегает несколько пластов, попадающих в зону разгрузки, то горизонтальная часть скважины располагается в плоскости самого мощного из них или в ближайшем к нему ниже залегающем (ближе к лаве) пласте.

Реализации такого способа дегазации должны предшествовать проектные работы.

Приложение 12

Определение параметров дегазации подрабатываемых пластов и выработанных пространств скважинами, пробуренными с поверхности

1. Оптимальное расстояние между вертикальными скважинами, пробуренными для дегазации подрабатываемых пластов и выработанных пространств действующих лав, устанавливается опытным путем с учетом условий залегания и отработки угольных пластов.

2. На высокометанообильных выемочных полях целесообразно использовать передвижные вакуум-насосные станции типа ПДУ-50, оборудованные вакуум-насосом с номинальной производительностью 50 м3/мин (например, КВН, ЖВН, ВВН и НВ), а на участках с невысоким метановыделением - типа ПДУ-25 с номинальной производительностью вакуум-насоса 25 м3/мин.

3. При составлении проекта на дегазацию подрабатываемых пластов расстояние от вентиляционной выработки до проекции забоя скважины на разрабатываемый пласт , м, рассчитывается по формуле

                                                                                (1)

где b1 - протяженность зоны, препятствующей разгрузке горных пород, м;

М - расстояние по нормали между разрабатываемым и верхним подрабатываемым пластами, м;

Кот - коэффициент, учитывающий возможное отклонение скважины при ее бурении, равный 0,05;

Нв.п - расстояние от земной поверхности до верхнего подрабатываемого пласта, м.

4. При дегазации выработанного пространства величина  находится из выражения

                                                                                                            (2)

где lс - длина скважины, м.

5. Для условий Ленинского и Беловского районов Кузбасса параметры и режимы работы вертикальных скважин, буримых в целях дегазации сближенных пластов и выработанного пространства на действующих выемочных участках (см. рис. 1 приложения № 11) и последующего использования каптируемого метана, определяются в соответствии с рекомендациями, суть которых для вакуум-насоса с номинальной производительностью 50 м3/мин и при расстоянии между скважинами 80-120 м отражена на номограмме, изображенной на рис. 1.

Рис. 1. Определение параметров дегазации сближенных пластов и выработанного пространства на действующем участке скважинами с поверхности

Расстояние между скважинами, пробуренными для дегазации подрабатываемых пластов (см. рис. 2 приложения № 11), может быть увеличено до 150 м.

6. В неизученных условиях расстояние между соседними скважинами принимается кратным шагу обрушения пород основной кровли, но не менее 60 м и не более 120 м.

Приложение 13

Рекомендации по дегазации выработанных пространств

1. Дегазация выработанного пространства применяется для снижения метанообильности действующего участка, а также для извлечения метана из соседних с ним отработанных пространств или из старых ранее отработанных выемочных полей в целях его использования.

2. Извлекаемая газовоздушная смесь изолированно по трубопроводам отводится на поверхность или в исходящую струю выемочного поля (крыла, шахты).

3. Предпочтение следует отдавать схемам дегазации, способствующим отводу метана от очистного забоя.

4. Дегазация выработанного пространства действующего участка осуществляется с помощью скважин, пробуренных над куполами обрушения из пластовых (рис. 1) или полевых (рис. 2) выработок, либо с помощью перфорированных труб, заведенных в выработанное пространство через перемычки (рис. 3-4).

Рис. 1. Схемы дегазации выработанного пространства пологих угольных пластов (начало):
а - скважины пробурены над целиком угля при столбовой системе разработки пологих или наклонных пластов:
1 - разрабатываемый пласт; 2 - конвейерный штрек; 3 - дегазационная скважина; 4 - дегазационный трубопровод; 5 - вентиляционный штрек; 6 - выработка, охраняемая целиком угля;
a - угол падения пласта; y - угол разгрузки пород кровли; b - угол возвышения скважины

Рис. 1. Окончание:
б - скважины пробурены из фланговой выработки при отработке пологих или наклонных пластов:
1 - разрабатываемый пласт; 2 - вентиляционная выработка; 3 - дегазационные скважины; 4 - дегазационный трубопровод; 5 - фланговая выработка

Рис. 2. Схема дегазации выработанных пространств мощных крутых пластов скважинами, пробуренными из полевых выработок:
1 - разрабатываемый пласт; 2 - выработанное пространство; 3 - дегазационные скважины; 4 - дегазационный трубопровод; 5 - полевой штрек откаточного горизонта; 6 - полевой штрек вентиляционного горизонта

Рис. 3. Схема дегазации выработанного пространства перфорированными трубами с использованием сбоечных скважин:
1 - очистной забой; 2 - выработанное пространство; 3 - сбоечная скважина; 4 - дегазационный трубопровод; 5 - перфорированная труба; 6 - штрек по нижнему пласту; 7 - вентиляционный штрек лавы

Рис. 4. Отсос газа из выработанного пространства выемочного участка на фланговую выработку:
1 - очистной забой; 2 - выработанное пространство; 3 - перемычка; 4 - дегазационный трубопровод; 5 - перфорированная труба; 6 - конвейерный штрек; 7 - вентиляционный штрек

5. При дегазации выработанного пространства действующей лавы с использованием скважин, пробуренных над целиком угля (табл. 1, схема 1а), расстояние между скважинами принимается равным 25-30 м. Фланговые скважины располагаются ближе к вентиляционной выработке.

6. При дегазации выработанного пространства действующей лавы с использованием сбоечных скважин и перфорированных труб (табл.1, схема 2) расстояние между скважинами принимается 40-50 м.

Сбоечные скважины проводятся до подхода лавы и с обоих концов обсаживаются трубами. К скважинам со стороны лавы подключаются перфорированные трубы, которые охраняются кострами.

7. Глубина герметизации скважин должна быть не менее 10 м.

8. Величина разрежения на устье скважины устанавливается в соответствии с рекомендациями табл. 1.

Таблица 1

Эффективность и условия применения схем дегазации выработанного пространства

Схема дегазации

Вариант схемы

Условия применения и схема расположения скважин или перфорированных труб

Коэффициент дегазации источника kд.в.п , доли ед.

Минимальная величина разрежения у устья скважины (перфорированной трубы) Ву

кПа

мм рт. ст.

1

2

3

4

5

6

Схема 1.

Дегазация скважинами, пробуренными из выработок

Скважины пробурены над целиком угля при столбовой системе разработки пологих или наклонных пластов (рис.1, а)

0,6-0,7

6,7

50

Скважины пробурены из фланговой выработки при отработке пологих или наклонных пластов (рис. 1, б)

0,5-0,6

13,3

100

Скважины пробурены из полевой выработки при отработке крутых пластов(рис. 2)

0,3-0,4

4,0

30

Схема 2.

Отвод метана через перфорированные трубы

Перфорированные трубы оставляются в погашаемой вентиляционной выработке и сообщаются со сбоечными скважинами (рис. 3)

0,4-0,5

6,7

50

Перфорированные трубы заводят за перемычки вблизи монтажной камеры (рис. 4)

0,2-0,3

6,7

50

Перфорированные трубы подключаются к газопроводу, оставляемому в завале:

 

 

 

 

подвод вакуума со стороны монтажной камеры

0,4-0,5

6,7

50

 

подвод вакуума со стороны демонтажной камеры

0,2-0,3

4,0

30

9. Дегазационные скважины и перфорированные трубы закладываются вблизи выработок с исходящей вентиляционной струей.

10. Перфорированные трубы подключаются к дегазационному трубопроводу, который проложен в соседней выработке или оставляется в завале.

11. Величина разрежения, подводимого к перфорированным трубам, должна быть не менее 4,0×103 Па (30 мм рт. ст.).

12. Эффективность и условия применения схем дегазации выработанного пространства приведены в табл. 1.

13. Дегазацию вертикальными скважинами, пробуренными с дневной поверхности, рекомендуется применять на глубинах разработки до 600 м, если подземные способы дегазации недостаточно эффективны, а условия на земной поверхности позволяют разместить буровое и дегазационное оборудование или можно использовать переоборудованные геологоразведочные скважины или скважины ГРП.

14. Скважина должна углубляться в породы почвы на 5-10 м, когда преобладающим источником метана является уголь разрабатываемого пласта, оставленный в выработанном пространстве при разработке пластов с потерями по площади, его мощности или при слоевой разработке мощных пластов.

15. Скважины располагаются вдоль вынимаемого столба. Первая скважина должна находиться от разрезной печи (монтажной камеры) на расстоянии не менее 30 м. Место заложения последующих скважин выбирается опытным путем.

Расстояние проекции забоя скважины от вентиляционной выработки должно быть не более 1/3-1/4 длины лавы.

Допускается бурение скважин вдоль середины столба в лавах, примыкающих с двух сторон к выработанным пространствам.

16. Расстояние между вертикальными скважинами должно определяться опытным путем, а на первом этапе приниматься не менее 60 м и не более 120 м.

17. Параметры скважин и конструкция обсадной колонны выбираются в зависимости от конкретных горно-геологических условий (см. приложение № 11).

18. При дегазации выработанного пространства обсадка скважины перфорированными трубами производится от верхнего дегазируемого пласта до кровли разрабатываемого пласта.

19. Скважины обсаживаются стальными трубами диаметром не менее 100 мм. Фильтрующая часть обсадных труб перфорируется отверстиями диаметром 15-20 мм или щелевыми пазами (20 отверстий на 1 м трубы).

20. При отработке пластов угля по бесцеликовой технологии дегазация осуществляется как скважинами, пробуренными на вынимаемом участке, так и скважинами, расположенными на ранее отработанных участках в пределах выемочного поля.

21. Отсос газа производится вакуум-насосом при разрежении в устье скважины не менее 20×103 Па (150 мм рт. ст.).

22. На пластах, не склонных к самовозгоранию, и при условии возможности сохранения скважины допускается отвод метана из выработанного пространства по неподдерживаемой выработке к скважине, пробуренной с поверхности на неподдерживаемую выработку и сообщенную с вакуум-насосом.

23. Места заложения вертикальных скважин и параметры дегазации выработанных пространств определяются опытным путем или по рекомендациям, изложенным в приложении № 14 с последующим уточнением.

24. Возможная эффективность дегазации выработанных пространств действующих очистных участков приведена в табл. 2.

Таблица 2

Эффективность дегазации выработанных пространств скважинами, пробуренными с поверхности

Схема дегазации

Условия применения

Коэффициент дегазации источника kд.в.п, доли ед.

Минимальная величина разрежения на устье скважины Ву

кПа

мм рт. ст.

Схема 1

Столбовая система разработки с погашением выработок за лавой

0,5-0,6

20

150

Схема 2

Столбовая система разработки с поддержанием выработки с исходящей вентиляционной струей

0,4-0,5

20

150

Схема 3

Сплошная система разработки

0,3-0,4

20

150

25. Для извлечения и использования метана старых выработанных пространств рекомендуется повторное подключение к вакуумной сети шахты скважин, которые функционировали во время отработки выемочных участков. Такими скважинами могут быть вертикальные скважины и (или) фланговые подземные скважины.

26. Режим работы скважин, предназначенных для дегазации старых выработанных пространств, устанавливается исходя из требований п. 268 Правил безопасности в угольных шахтах и требований потребителя к каптируемым метановоздушным смесям.

Приложение 14

Определение параметров дегазации выработанных пространств

1. Геометрические параметры подземных скважин, буримых над куполами обрушения, рассчитываются по формулам, приведенным в табл. 1 и 2 приложения № 6. При этом численное значение М принимается равным h1 + 8 (h1 - мощность непосредственно кровли), а величина c1 = 10 м.

2. Графическим методом параметры подземных скважин, буримых над куполами обрушения, определяются в соответствии с рекомендациями, изложенными в приложении № 6, при этом М = h1 + 8, а c1 = 10 м.

3. Расстояние между скважинами определяется опытным путем. В неизученных условиях оно принимается кратным шагу обрушения пород кровли, но не менее 25 м и не более 50 м.

4. Параметры дегазации выработанных пространств вертикальными скважинами устанавливаются опытным путем.

5. В неизученных условиях параметры дегазации выработанных пространств вертикальными скважинами определяются в соответствии с рекомендациями, изложенными в приложениях № 6 и 12, с последующей их корректировкой.

6. Параметры дегазации выработанных пространств перфорированными трубами устанавливаются опытным путем.

7. Оставляемый в завале вентиляционной выработки газопровод и подсоединенные к нему перфорированные трубы монтируются из бывших в употреблении труб диаметром 75-100 мм.

Интервал между участками перфорированных труб устанавливается опытным путем или принимается равным 40-50 м с последующим его уточнением.

8. Расстояние между заводимыми через перемычки перфорированными трубами принимается равным расстоянию между сбойками, пройденными со стороны вентиляционной выработки.

9. В случаях возведения бутовых полос вблизи вентиляционной выработки интервал между перфорированными трубами, прокладываемыми через бутовую полосу, принимается равным 40-50 м, а по завершении дегазационных работ уточняется.

10. Режим работы перфорированных труб устанавливается исходя из выполнения требований п. 268 Правил безопасности в угольных шахтах и требований потребителя к каптируемым метановоздушным смесям.

Приложение 15

Особенности дегазации ликвидируемых шахт

1. Рациональной схемой извлечения метана в условиях закрываемых шахт является технологическая схема, предусматривающая бурение или использование ранее пробуренных скважин с земной поверхности в выработанные пространства лав и применение передвижных дегазационных установок типа ПДУ-12, ПДУ-25 или ПДУ-50 с номинальной производительностью вакуум-насоса 12, 25 или 50 м3/мин. Эти установки при нормальных режимах их эксплуатации способны извлекать 6, 12 или 25 м3/мин газовоздушной смеси соответственно.

2. Дегазационная скважина, пробуренная с поверхности, должна располагаться таким образом, чтобы проекция ее забоя находилась от вентиляционного штрека остановленной лавы на расстоянии 1/4-1/5 ее длины и в 140-150 м от демонтажной камеры.

3. Дегазационные скважины обсаживаются стальными трубами, конечный диаметр - 100 мм.

4. Забойная часть скважины должна находиться в куполе обрушения горных пород, преимущественно в его наивысшей части, а в месте пересечения скважиной подработанных угольных пластов и на участке 10-15 м от нижнего конца обсадной колонны трубы перфорируются отверстиями 15-20 мм (20 отверстий на 1 м трубы).

5. В период ликвидации шахты целесообразно оставлять подключенными к дегазационной системе скважины, пробуренные для дегазации сближенных подрабатываемых пластов или выработанного пространства остановленной лавы. Это прежде всего вертикальные скважины, пробуренные с земной поверхности, фланговые подземные скважины и скважины, пробуренные из участковых выработок.

Продолжительность функционирования действующих на участке скважин должна составлять не менее 3-4 месяцев после остановки лавы.

6. После полной изоляции участковых выработок остановленной лавы в работе целесообразно оставлять только скважины, пробуренные с земной поверхности.

7. Типы и число передвижных дегазационных установок и режимы их работы на изолированных выработанных пространствах устанавливаются исходя из ресурсов метана в выработанных пространствах и целесообразности извлечения кондиционных по метану газовоздушных смесей в объемах, необходимых потребителю дегазационного газа.

Приложение 16

Способы предупреждения и борьбы с суфлярами

1. Для предупреждения суфлярного метановыделения в проводимые тупиковые выработки рекомендуется применять схемы скважинной дегазации окружающего выработку массива.

Скважины необходимо бурить в предполагаемую зону суфлярных трещин с применением устройства, позволяющего отводить газ в газопровод в процессе бурения. После окончания бурения и герметизации скважины она сразу должна быть подключена к дегазационному трубопроводу.

Скважины должны оставляться подсоединенными к вакуумной линии не только в период проведения выработки, но и в период ее эксплуатации до прекращения суфлярного газовыделения.

2. Для предотвращения суфлярных выделений метана в очистных выработках необходимо своевременно осуществлять дегазацию разрабатываемого, подрабатываемых и надрабатываемых пластов.

3. При возникновении суфляра необходимо интенсифицировать процесс дегазации предполагаемого источника его формирования путем повышения вакуума на скважинах. Если такое мероприятие не дает положительного результата, то необходимо бурение дополнительных скважин.

4. Если имеется доступ к суфлярным трещинам, обнаруженным в почве выработки, то допускается отвод газа в дегазационную сеть из-под каптажных колпаков, перекрывающих опасные трещины (рис. 1).

Колпаки могут быть изготовлены из бывших в употреблении рештаков, металлических вентиляционных труб или листового железа.

Размеры колпака определяются протяженностью видимых суфлярных трещин. Если метан выделяется на большой площади, то устанавливается несколько колпаков.

Рис. 1. Схема отвода суфлярных газов с помощью каптажных колпаков:
1 - выработка; 2 - массив угля или пород с суфлярными трещинами; 3 - каптажный колпак; 4 - дегазационный трубопровод; 5 - гибкий шланг; 6 - подушка, герметизирующая колпак

5. Перед установкой колпаков на площади выделения газа снимается слой угля или породы на глубину 30-40 см.

Для создания герметичности вокруг колпаков устраивается бетонная или глиняная подушка.

6. На колпаке предусматривается патрубок, посредством которого колпак через гибкий шланг сообщается с газопроводом.

Величина разрежения под колпаком должна быть в пределах 30-50 мм рт. ст.

7. Допускается отвод газа из-под колпака в выработку с исходящей струей воздуха при наличии в ней камеры смешения.

8. Если вместе с метаном выделяется вода, то вблизи колпаков монтируется водоотделитель.

9. При весьма интенсивных суфлярных выделениях газа, когда невозможно применить указанные выше способы или они оказываются неэффективными, выработку с суфляром необходимо изолировать перемычкой (рис. 2).

Перемычка устанавливается на устье выработки или ближе к ее забою с таким расчетом, чтобы изолировать обильные суфляры.

Газ из изолированной выработки или ее части отводится по трубе в дегазационный газопровод (см. рис. 2).

10. Труба, по которой отводится газ, оборудуется диафрагмой в целях измерения разрежения, расхода извлекаемой газовоздушной смеси и содержания в ней метана.

11. На шахтах, опасных по суфлярным выделениям метана и не имеющих стационарных дегазационных систем, необходимо применять подземные передвижные дегазационные установки.

Рис. 2. Схема извлечения метана из суфлярных трещин средствами дегазации путем бурения скважин и возведения изолирующей забой перемычки:
1 - угольный пласт; 2 - геологическое нарушение; 3 - скважина; 4 - газопровод; 5 - труба для отвода газов; 6 - перемычка; 7 - труба с вентилем для слива воды

Приложение 17

Вакуум-насосные станции и их помещения

1. Классификация помещений ВНС и наружных сооружений по категории помещений и классам взрывоопасности приведена в табл.1.

Таблица 1

Категория помещений и класс взрывоопасности по ПУЭ здания и наружных сооружений ВНС

№ п/п

Наименование

Категория помещений

Класс взрывоопасности по ПУЭ

1

Машинный зал

А

В-1а

2

Распределительные устройства (РУ) до 1 кВ и выше 1 кВ

Г

-

3

Пункт оператора

Г

-

4

Помещение огнепреградителей

А

В-1а

5

Помещение насосов и баков гидросистемы

А

В-1а

6

Помещение аппаратуры газоподготовки

А

В-1а

7

Помещение приемников газоанализаторов

А

В-1а

8

Сливной колодец отработанной воды

А

В-1

9

Приемный колодец градирни

А

В-1г

10

Смотровые колодцы

А

В-1а

11

Тамбур между машинным залом и помещением приемников газоанализаторов

А

В-1б

2. Здание ВНС должно быть удалено от промышленных и жилых объектов на расстояния не менее приведенных в табл. 2.

Территория ВНС должна быть обнесена оградой, изготовленной из негорючего материала. Расстояние от ограды до стен помещения ВНС должно быть не менее 15 м, а высота ограды - не менее 1,5 м.

Таблица 2

Расстояние от ВНС до промышленных и жилых объектов

Наименование объекта

Расстояние, м

1. Технические и жилые сооружения, автомобильные дороги общего пользования, железные дороги

20

2. Линии высоковольтных передач, открыто установленные трансформаторы и электрораспределительные устройства

30

3. Дегазационные скважины

15

4. Породные отвалы:

 

горящие

300

негорящие

За пределами механической защитной зоны, но не менее 100 м

Расстояние от здания ВНС до ограды может быть менее 15 м на ранее построенных ВНС при соблюдении дополнительных мер безопасности, согласованных с территориальными подразделениями Ростехнадзора.

3. Помещения наземных стационарных и передвижных ВНС в зависимости от расположенного в них газоопасного оборудования относятся к классам взрывоопасности, указанным в табл. 3.

Светильники, электрооборудование, измерительные приборы по исполнению, а также устройство кабельных линий, заземлений должны соответствовать классам взрывоопасности помещений согласно требованиям ПУЭ (Правил устройства электроустановок, 2002).

Таблица 3

Классы взрывоопасности помещений и установок ВНС

№ п/п

Наименование газоопасного оборудования

Класс взрывоопасности помещения (ПУЭ)

Класс взрывоопасности установок (вне помещения)

1

Резервуар для воды, поступающей из вакуум-насоса

В-1

В-1г

2

Вакуум-насосы, водоотделители, каплеуловители, вентили, клапаны-отсекатели, измерительные диафрагмы, регуляторы давления газа, трубопроводы с фланцевыми соединениями

В-1а

В-1г

3

Расходомеры газа, приемник стационарного анализатора метана

В-1б

 

4. Упрощенная технологическая схема стационарной ВНС приведена на рис 1.

Рис. 1. Упрощенная технологическая схема стационарной ВНС:
1 - вакуум-насос; 2 - бак водоотделителя; 3 - всасывающий коллектор; 4 - нагнетательный коллектор; 5 - гидравлический замок; 6 - свеча; 7 - газопроводы из шахты; 8 - свеча; 9 - каплеотделитель; 10 - градирня; 11 - напорный бак; 12 - промежуточный (уравнительный) бак; 13 - сливной колодец; 14 - перекачные насосы; 15- огнепреградитель; 16 - ручная задвижка; 17 - клапан-отсекатель; 18 - задвижка с электроприводом; 19 - регулятор давления; 20 - предохранительный сбросной клапан; 21 - регулятор уровня; 22 - измерительное устройство; 23 - диафрагма с модулем ³ 0,8; 24 - обратный клапан; 25 - импульсная трубка; 26 - трубопроводы для продувки ВН чистым воздухом; 27 - трубопроводы системы водоснабжения; 28 - вентиль; 29 - вакуумметр; 30 - манометр; 31 - термометр для контроля газовой смеси; 32 - водомерное стекло

5. Характеристики работы вакуум-насосов приведены на рис. 2 и 3.

Рис. 2. Изменение производительности вакуум-насоса при оптимальной нагрузке со стороны всасывания:
1 - изменение производительности вакуум-насоса от давления нагнетания; 2 - типовая характеристика вакуум-насоса в режиме всасывания; 3 - характеристика вакуум-насоса при работе в двойном режиме; 4 - динамика изменения характеристики вакуум-насоса при работе в двойном режиме

Рис. 3. Характеристика вакуум-насосов, работающих в режиме всасывания:
1 - отдельно работающий насос с номинальной производительностью 50 м3/мин; 2 - два насоса с номинальной производительностью 50 м3/мин, работающие параллельно; 3 - три насоса с номинальной производительностью 50 м3/мин, работающие параллельно; 4 - отдельно работающий насос с номинальной производительностью 150 м3/мин

6. Упрощенная технологическая схема передвижной подземной дегазационной установки (ППДУ) и передвижной наземной ВНС (ПНВНС) на основе ПДУ-50 представлена на рис. 4.

Рис. 4. Упрощенная технологическая схема передвижной дегазационной установки ПДУ-50:
1 - вакуум-насос ВВН-50; 2 - резервуары; 3 - клапан предохранительный; 4 - указатель уровня; 5 - вентиль регулирующий; 6 - патрубок сливной; 7 - жалюзи; 8 - люк;
Д1 - вакуумметр; Д2 - манометр показывающий; КП1, КП2, КП3 - пробковые краны контроля уровня воды; В1, В2, В3, В4 - вентили; ТА - теплообменный аппарат; Т1, Т2, Т3, Т4 - термометры; К - замерное устройство для контроля параметров каптируемой смеси; ВП - выхлопной патрубок; ВР - задвижка

Приложение 18

Добыча метана шахтными дегазационными системами

1. Добыча метана при дегазации разрабатываемых угольных пластов

1. Фактический расход каптируемого пластовыми скважинами метана устанавливается замерами расхода газовоздушной смеси и содержания в ней метана, выполняемыми на участковом замерном устройстве.

Динамика добычи метана на участке разрабатываемого пласта приведена на рис. 1.

Рис. 1. Динамика добычи метана скважинами, пробуренными по разрабатываемому пласту на выемочном участке:
gN - дебит метана из скважины при дегазации участка разрабатываемого пласта; t - время; tб - время обуривания участка дегазируемого участка разрабатываемого пласта; t'  - время дегазации, отсчитываемое с момента окончания буровых работ на дегазируемом участке разрабатываемого пласта

2. Прогнозное значение дебита метана при дегазации пласта параллельно-одиночными скважинами Спл, м3/мин, определяется по формулам:

в процессе обуривания участка пласта

                                                                                           (1)

после завершения буровых работ на участке

                                                                                  (2)

где  - дебит метана из скважин на время , сут, обуривания участка, м3/мин;

 - дебит метана из скважин после завершения буровых работ на участке разрабатываемого пласта, м3/мин;

 - полезная длина скважины, м;

т - полная мощность угольных пачек пласта, м;

N', N - число скважин на участке в процессе обуривания и после завершения буровых работ соответственно;

g0 - начальное удельное метановыделение в скважину, м3/(м2×сут);

а - коэффициент, характеризующий темп снижения во времени газовыделения из пласта в скважину, сут-1;

 - время дегазации, отсчитываемое с начала бурения скважин на дегазируемом участке разрабатываемого пласта, сут;

t' - время, отсчитываемое с момента окончания буровых работ на дегазируемом участке разрабатываемого пласта, сут.

3. При применении предварительной дегазации угольного пласта скважинами, ориентированными на очистной забой, величина  [см. формулу (2)] увеличивается на коэффициент к интенсификации выделения метана в дегазационные скважины, равный 1,2-1,5.

4. При применении предварительной дегазации угольного пласта перекрещивающимися скважинами величина  увеличивается на коэффициент kи интенсификации выделения метана в перекрещивающиеся скважины, который рассчитывается по формуле (7) приложения № 4.

5. При интенсификации газоотдачи угольных пластов средствами гидроразрыва или гидрорасчленения (пневмогидрорасчленения) расход каптируемого метана из пластовых скважин определяется с учетом величины коэффициента интенсификации газоотдачи угольного массива в скважины  при гидроразрыве или Ки.г при гидрорасчленении пластов, которые устанавливаются институтами - разработчиками способа.

6. Дебит метана скважинами предварительной дегазации, пробуренными за контуры будущих выработок, определяется в соответствии с рекомендациями, изложенными в пп. 2-4 настоящего приложения.

7. Прогнозное значение дебита метана Gд.б, м3/мин, при использовании барьерных скважин находится из выражения

Gд.б = Iп.в kд.б                                                                                                                (3)

где Iп.в - метановыделение в подготовительную выработку без дегазации пласта, м3/мин;

kд.б - коэффициент дегазации пласта барьерными скважинами, доли ед.

2. Добыча метана при дегазации сближенных пластов и выработанных пространств

8. Фактический дебит каптируемого скважинами метана определяется путем измерения на диафрагме (участковой или отдельной скважины) расхода газовоздушной смеси и содержания в ней метана.

9. Прогнозное значение дебита Gд.с, м3/мин, каптируемого метана из подрабатываемых сближенных пластов на действующем выемочном участке рассчитывается по формуле

Gд.с = Iс.в kд.с,                                                                                                               (4)

где Iс.в - метановыделение из сближенных пластов и вмещающих пород, м3/мин, определяется по факту или по прогнозу;

kд.с - коэффициент дегазации сближенных подрабатываемых угольных пластов, доли ед.

10. Дебит каптируемого метана при дегазации надрабатываемых пластов или выработанного пространства на действующем участке определяется аналогично п. 9.

11. Прогнозное значение дебита метана из вертикальных скважин, пробуренных для дегазации подрабатываемых пластов и выработанного пространства на действующем участке, находится по номограмме, приведенной на рис. 1 приложения № 12.

3. Добыча метана шахтными подземными и наземными дегазационными системами

12. Дебит каптируемого метана подземными скважинами или скважинами, пробуренными с поверхности, устанавливается замерами расхода газовоздушной смеси и содержания в ней метана на нагнетательном трубопроводе ВНС (приложение № 20).

13. Прогнозное значение дебита метана, извлекаемого шахтными дегазационными системами, определяется как сумма дебитов каптируемого метана из источников метановыделения на всех дегазируемых участках.

Приложение 19

Рекомендации по проектированию и эксплуатации дегазационных систем

1. Проектирование дегазации

1. Проектные решения на проведение дегазации, строительство и эксплуатацию дегазационных систем на новых горизонтах (блоках, крыльях, панелях) разрабатываются проектными организациями по заказу угольной компании, акционерного общества или шахты и утверждаются техническим директором организации-заказчика.

2. В проектах строительства (реконструкции) шахт, вскрытия и подготовки горизонтов, блоков, панелей разделы по дегазации должны быть представлены пояснительной запиской и графическими материалами, содержащими строительную, технологическую и электромеханическую части, контрольно-измерительные приборы и автоматику, технологию использования каптируемого метана.

3. Проектирование дегазации шахт с применением новых способов и средств извлечения метана, не изложенных в настоящих Методических рекомендациях и не прошедших апробацию, допускается по специальному проекту, согласованному с территориальным органом Службы и утвержденному техническим директором угольной компании (акционерного общества, шахты).

4. Необходимость проектирования дегазации определяется требованиями п. 278 Правил безопасности в угольных шахтах (ПБ 05-618-03) с учетом положений, изложенных в приложении № 2.

5. При проектировании дегазационного трубопровода следует учитывать аэродинамические характеристики вакуум-насосов и аэродинамические сопротивления арматуры и труб.

6. Тип и число одновременно работающих вакуум-насосов выбираются по их характеристикам в зависимости от расхода газо-воздушной смеси и разрежения на вакуум-насосах.

2. Эксплуатация дегазационных систем

7. Дегазационные системы шахт должны обеспечивать проектом заложенные показатели дегазации, основными из которых являются расход и содержание метана в каптируемой газовоздушной смеси.

8. Режимы работы дегазационных систем шахты, включая и режимы работы дегазационных скважин на очистных и подготовительных участках, должны способствовать как снижению метанообильности выработок до допустимого условиями проветривания уровня, так и извлечению пригодных для использования газовоздушных смесей с кондиционным (более 25 %) содержанием в них метана.

9. Для действующего дегазационного трубопровода допускается уточнять аэродинамическую характеристику вакуум-насоса по фактически измеренным расходам газовоздушной смеси и разрежению на вакуум-насосе.

Для уточнения аэродинамической характеристики вакуум-насоса определяется аэродинамическое сопротивление Rв.н, мм рт. ст.×мин26, арматуры и газопровода на ВНС по формуле

                                                                                                         (1)

где Вв.т - разрежение, установленное по типовой аэродинамической характеристике вакуум-насоса и фактическому расходу газовоздушной смеси, мм рт. ст.;

 Вв.ф - измеренное на вакуум-насосе (фактическое) разрежение, мм рт. ст.;

Qв.ф - фактический (измеренный) расход газовоздушной смеси, м3/мин.

Уточненная аэродинамическая характеристика строится путем вычитания из значений разрежения типовой аэродинамической характеристики вакуум-насоса потерь давления.

10. Принцип построения аэродинамической характеристики (сопротивления) арматуры и газопровода на ВНС заключается в том, что для заданных значений расхода (подачи) вакуум-насоса от 5-10 м3/мин и выше определяются значения потерь давления, которые затем вычитаются из соответствующих значений разрежения на характеристике. При этом потери давления DР, мм рт. ст., при различных расходах Q, м3/мин, рассчитываются по формуле

                                                                                                            (2)

Парные значения Qв.н и Вн.ф наносятся на график и строится уточненная аэродинамическая характеристика вакуум-насоса.

11. Если точки, построенные по координатам фактически измеренных расхода смеси и разрежения на вакуум-насосе, располагаются ниже типовой характеристики (то есть ниже точек с координатами расчетного режима), то следует либо применить газопровод с большим диаметром труб, либо изменить схему соединения вакуум-насосов, обеспечивающую более высокий расход газовоздушной смеси.

12. Для дегазационной сети необходимо принимать такой вакуум-насос (или несколько вакуум-насосов, установленных параллельно), аэродинамическая характеристика которого проходит через точку с координатами расчетного (типового) режима расхода смеси и разрежения или выше нее.

13. Решение о прекращении работ по дегазации шахт или временной консервации дегазационной системы принимается техническим советом угольной компании (акционерного общества, шахты) с участием представителей проектной организации. Решение технического совета должно быть оформлено протоколом. Измененный проект должен пройти экспертизу промышленной безопасности (ст. 8 Федерального закона от 21.07.97 № 116-ФЗ «О промышленной безопасности опасных производственных объектов»).

3. Расчет газопроводов, выбор вакуум-насосов

3.1. Система, работающая в режиме всасывания

14. Расчетная сеть представляет собой схему соединения газопроводов. Начальными ветвями сети являются участки, к которым подключаются дегазационные скважины, конечной ветвью - участок, подводящий к вакуум-насосу. Промежуточными ветвями являются участки газопровода, имеющие постоянные дебиты метана и диаметр. Начало и конец ветви считаются по ходу движения смеси.

Ветвь - участок газопровода, заключенный между двумя соседними узлами разветвления трубопровода или между скважинами и узлом разветвления. Узел - пункт, объединяющий не менее трех ветвей газопровода.

Расчет сводится к определению следующих параметров ветвей газопровода: дебита смеси, концентрации метана в смеси, давления в начальной и конечной точках ветви, диаметра газопровода и проверке действующих или выбору новых вакуум-насосов.

Составляется схема для расчета газопроводов (рис. 1) с учетом развития горных работ на наиболее трудный период эксплуатации дегазационной системы с указанием расчетной длины ее ветвей.

Рис. 1. Схема для расчета газопроводов

Расчетная длина li, м, i-й ветви газопровода, учитывающая местные сопротивления, принимается по формуле

li = 1,1lф,                                                                                                                     (3)

где lф - фактическая длина i-и ветви газопровода, м.

15. Расход метановоздушной смеси Qсм, м3/мин, начальных ветвей сети определяется по расходу (дебиту) метана (см. соответствующие разделы по способам дегазации) и допустимым подсосам воздуха следующим образом:

Qсм = Gд + Пс + Пг,                                                                                                    (4)

где Gд - дебит метана из скважин, м3/мин;

Пс - допустимые подсосы воздуха в дегазационные скважины, м3/мин;

Пг - допустимые подсосы воздуха в газопровод, м3/мин.

Величина подсосов воздуха в газопровод рассчитывается по формуле

Пг = 0,001lф .                                                                                                              (5)

Величина подсосов воздуха в подземные дегазационные скважины Пс определяется по способам дегазации в зависимости от допустимых удельных подсосов воздуха в дегазационные скважины Пуд, м3/мин×(мм рт. ст.)1/2, величины разрежения на устьях скважин Ву, мм рт. ст., и числа одновременно работающих скважин пс:

                                                                                                          (6)

Допустимые удельные подсосы воздуха в дегазационные скважины принимаются по табл. 1

Таблица 1

Источники метановыделения, тип скважин

Пуд

м3/мин(кПа)1/2

м3/мин×(мм рт. ст.)1/2

Разрабатываемые пласты:

 

 

барьерные скважины

0,16

0,06

пластовые скважины

0,014

0,005

Подрабатываемые пласты:

 

 

подземные скважины

0,55

0,2

вертикальные скважины

14

5

Надрабатываемые пласты:

 

 

скважины на надрабатываемый пласт

0,028

0,01

скважины по надрабатываемому пласту

0,014

0,005

Выработанное пространство:

 

 

скважины над куполами обрушения

0,55

0,2

вертикальные скважины

28

10

Примечание. До начала влияния горных выработок на скважины значения допустимых подсосов воздуха для всех видов скважин принимаются равными 0,005 м3/мин×(мм рт. ст.)1/2.

Подсосы воздуха в вертикальные скважины, пробуренные с поверхности, определяются из выражения

                                                                                                        (7)

где lс - длина скважины, м.

Величина Ву для всех видов скважин рассчитывается по формуле (8), а для действующих скважин принимается равной фактической.

Величина Ву для скважин определяется из выражения

Ву = В + DВудlн.ч ,                                                                                                        (8)

где В - разрежение в скважине, мм рт. ст., принимается по рекомендациям соответствующих приложений;

DВуд - удельные потери давления в скважине, мм рт. ст./м;

lн.ч - длина ненарушенной части скважины, м.

Удельные потери давления DВуд, мм рт. ст./м, в скважине определяются по номограмме (рис. 2) или по уравнению

                                                                                             (9)

где Qс.у - расход метановоздушной смеси из скважин на удаленном выемочном участке, входящем в наиболее протяженную и загруженную ветвь дегазационной системы, м3/мин;

пс.у - число скважин на участке;

dс - диаметр скважины, м.

Длина ненарушенной части скважин, охраняемых целиками, и скважин, пробуренных на надрабатываемые пласты, принимается равной длине скважины.

При охране скважин кострами длину ненарушенной части принимают равной длине обсадной трубы. При охране скважин бутовыми полосами значение lн.ч принимают равным параметру lб, м, рассчитываемому по формуле (10), но не меньше глубины обсадки скважины:

                                                                                                  (10)

где bп - ширина бутовой полосы под скважиной, м;

b' - проекция угла наклона скважины на вертикальную плоскость, проходящую через линию падения пласта, град (см. приложение № 6);

b - угол наклона скважины к горизонту, град;

a - угол падения пласта, град.

Знак «+» принимается при бурении скважин в сторону падения пласта, а знак «-» в сторону его восстания.

16. Расход метановоздушной смеси Qсм j, м3/мин, всех последующих ветвей определяется суммированием поступающей в начальную точку j-й ветви газопровода метановоздушной смеси i-х ветвей Qсм i,  м3/мин, и общих допустимых подсосов Пг j, м3/мин, в ветви, рассчитанных по формуле (5):

Qсм j = SQсм i + Пг j                                                                                                                                                                          (11)

17. Концентрация метана ci, %, в газовоздушной смеси i-й ветви газопровода определяется из выражения

                                                                                                               (12)

18. Определяется расход метановоздушной смеси в участковом газопроводе i-го выемочного участка , м3/мин (см. рис. 1, участковые газопроводы 1-2, 3-4, 8-2 и т.д.), с учетом резерва пропускной способности газопровода

                                                                                                            (13)

Рис. 2. Определение удельных потерь давления в скважине

Рассчитывается концентрация метана в газовоздушной смеси участкового газопровода на i-м выемочном участке

                                                                                                             (14)

где  - дебит метана из скважин i-го выемочного участка, м3/мин.

19. Определяется расход метановоздушной смеси в j-й ветви магистрального газопровода (см. рис. 1, магистральный газопровод 2-4 или 10-12) с учетом резерва его пропускной способности

                                                                                                      (15)

где пу - число выемочных участков, из которых газ транспортируется в j-й магистральный газопровод.

Рассчитывается концентрация метана в j-й ветви магистрального газопровода

                                                                                                      (16)

20. Проставляются по схеме (см. рис. 1) расходы метановоздушной смеси и концентрация метана в каждой ветви участкового (ветви 1-2, 3-4, 8-2, 9-10, 11-10, 13-12), магистрального (ветви 2-4, 10-12), группового (ветви 4-5, 12-5) и шахтного (ветвь 5-6) газопроводов.

Расход метановоздушной смеси в ветви группового газопровода определяется суммированием расходов смеси в магистральных (магистральных и участковых) ветвях, а в шахтной ветви - суммированием расходов в групповых ветвях газопровода. Причем в обоих случаях расход смеси находят с учетом подсосов воздуха на соответствующей длине исследуемой ветви газопровода.

Концентрация метана в ветвях группового и шахтного газопроводов рассчитывается по формуле, аналогичной выражению (16).

21. Выбирается маршруте наиболее трудными условиями транспортировки смеси (далее - трудный маршрут) по минимальному значению условной величины хм, мм рт. ст.×мин27:

                                                                                                           (17)

где 350 - оптимальное разрежение, создаваемое вакуум-насосом, мм рт. ст.;

li - расчетная длина i-й исследуемой ветви газопровода, м;

Qсм i - расход метановоздушной смеси в i ветви газопровода, м3/мин.

Для участковой и магистральной ветвей расход метановоздушной смеси определяется по уравнениям (13) и (15) соответственно; для группового и шахтного - согласно п. 20.

22. Определяется давление Р1, у скважин в участковом газопроводе, входящем в наиболее протяженную и загруженную ветвь дегазационной системы (например, ветвь 1-2 на рис. 1):

Р1 = Рб(1 + 1,17×10-4Н) - Ву,                                                                                       (18)

где Рб - барометрическое давление, мм рт. ст.;

Н - глубина горных работ от земной поверхности, м.

23. Определяются удельные потери давления в газопроводе DРуд, мм рт. ст./м, входящем в наиболее протяженную и нагруженную ветвь дегазационной системы:

                                                                                                        (19)

где Lт - длина трубопровода в наиболее загруженной и протяженной ветви дегазационной системы, м.

24. Рассчитывается давление Р2, мм рт. ст., на выходе из участкового газопровода, входящего в наиболее протяженную и загруженную ветвь дегазационной системы:

Р2 = Р1 - DРуд l1-2                                                                                                          (20)

25. Определяется средняя плотность метановоздушной смеси gн1-2, кг/м3, при нормальных условиях по формуле

gн1-2 = 5,37×10-3(224 - с1-2),                                                                                          (21)

где с1-2 - концентрация метана в газовоздушной смеси участкового газопровода (ветвь 1-2 на рис. 1), %.

26. Определяется внутренний диаметр участкового газопровода d1-2, м (ветвь 1-2 на рис. 1), входящего в наиболее протяженную и загруженную ветвь дегазационной системы:

                                                                                 (22)

где Qсм1-2 - расход метановоздушной смеси в участковом газопроводе, м3/мин;

l1-2 - длина участкового газопровода, м.

По результатам расчета принимается ближайший больший внутренний диаметр стандартного газопровода .

27. Уточняется давление газа , мм рт. ст., на выходе из участкового газопровода

                                                                             (23)

Для ветвей газопровода с разностью отметок z (z = Н1 - Н2, м) более 400 м давление Р2z на выходе из газопровода рассчитывается по формуле

                                                                                    (24)

Знак «+» принимается при движении газа вниз, а знак «-» - при движении вверх.

28. Диаметр магистральной ветви 2-4 (см. рис. 1) определяется по уравнению (22), в котором вместо давлений Р1 и Р2 подставляются давления Р'2 (или Р2z) и Р4 соответственно. Таким же образом последовательно рассчитываются диаметры газопроводов всех ветвей, входящих в наиболее протяженную и загруженную ветвь дегазационной системы.

Для ветвей с параллельными газопроводами вместо стандартного диаметра газопровода dст подставляется эквивалентный диаметр dэк, м, определяемый по формуле:

                                                                                                       (25)

где di - внутренний диаметр i-го газопровода, м.

Для ответвлений газопроводов определяется давление по формуле в начале ветви, а давление на выходе принимается равным давлению в соответствующем узле сопряжения трубопроводов, для которого было определено давление смеси газов при расчетах газопровода выбранной ветви дегазационной системы. Затем на основании подобных расчетов определяется давление газа в газопроводе перед вакуум-насосами Рн.

Разрежение в каждой точке газопровода определяется как разность барометрического и расчетного или фактического давления в данной точке газопровода.

29. Расчет сети, находящейся под разрежением, считается верным, если при проектировании сети расчетная величина давления газа на всасе вакуум-насоса Рвс.р ³ Рб - 350, при реконструкции сети Рвс.р ³ Рвс.

30. Определяют число одновременно работающих вакуум-насосов и их типоразмер. Точку, характеризующую требуемый режим работы дегазационной системы (Qн, Рн), наносят на характеристику вакуум-насосов. Производительность вакуум-насоса Qн принимается равной расходу газа в ветви газопровода перед насосами, рассчитанному по рекомендациям п. 20. Выбирают один или несколько параллельно работающих насосов, характеристика которых лежит ниже точки требуемого режима их работы.

3.2. Система, работающая в двойном режиме (всасывания и нагнетания)

31. Всасывающая часть газопровода рассчитывается согласно пп. 14-30.

Расчет нагнетательной сети сводится к определению диаметра напорного газопровода, избыточного давления в нагнетательном патрубке вакуум-насоса с учетом местных сопротивлений газопровода и арматуры.

Выбор вакуум-насосов производится по результатам расчетов всасывающей и нагнетательной сети газопровода.

32. Внутренний диаметр нагнетательного газопровода dн, м, определяется при расстоянии от вакуум-насоса до котельной до 500 м из условия срабатывания опережающей защиты дегазационной системы по формуле

                                                                                      (26)

где Vг - объем газового тракта от места отбора пробы газа до входа в газоанализатор, м3;

Qг.а - расход газа, проходящего через газоанализатор, м3/с;

tгаз - инерционность комплекса газоанализатора, с;

tк.о - инерционность клапана-отсекателя, с;

Qсм.п - расход метановоздушной смеси, подаваемой вакуум-насосной станцией потребителю, м3/мин;

lн - длина нагнетательного газопровода, м.

33. При подаче газа потребителю диаметр нагнетательного газопровода наземной стационарной вакуум-насосной станции с типовой системой водоснабжения при расстоянии более 500 м принимается равным не менее 25 см при дебите смеси менее 30 м3/мин и не менее 30 см при дебите смеси более 30 м3/мин с последующей проверкой по формуле (26).

34. Избыточное давление нагнетания, развиваемое вакуум-насосом, Ри.р, мм рт. ст., составляет

Ри.р = DРм + DРд + DРт + Ргор + DРп,                                                                    (27)

где DРм - потери давления при прохождении газа через защитную и регулирующую аппаратуру, мм рт. ст.

                                                                                                            (28)

(здесь a - коэффициент, учитывающий сопротивление аппаратуры. Принимается равным 0,011 или 0,007 при диаметре газопровода 25 или 30 см соответственно;

gн - плотность метановоздушной смеси, кг/м3);

DРд - потери давления газа при прохождении через диафрагму, принимаемые при проектировании 8 мм рт. ст., а на действующих установках - по показаниям приборов;

DРт т - потери давления на трение газа в нагнетательном газопроводе, мм рт. ст.

                                                                       (29)

(здесь dтр - требуемый внутренний диаметр газопровода, м);

 Ргор - давление газа в горелках, равное 770 мм рт. ст.;

 DРп - потери давления газа в пламегасителе, равные 5-8 мм рт. ст.

35. При подаче газа потребителю с давлением более 150 мм рт. ст., если увеличение диаметра нагнетательного газопровода нежелательно, производится расчет производительности выбранной при расчете всасывающих газопроводов дегазационной установки , м3/мин, по формуле

                                 (30)

где пв.н - число рабочих вакуум-насосов;

Qм - максимальная производительность вакуум-насоса, м3/мин;

Ввс.р и Ввс.м - расчетное (или фактическое) и максимальное  (предельное) разрежение соответственно, развиваемое вакуум-насосом, мм рт. ст.;

Рн.р и Рм - расчетное (или фактическое) и максимальное избыточное давление нагнетания соответственно, развиваемое вакуум-насосом, мм рт. ст.;

Рб - барометрическое давление, мм рт. ст.

Если расчетный расход метановоздушной смеси Qсм.р, м3/мин, удовлетворяет условию Qсм.р ³ Qв.н ³ Qсм.п, то диаметр нагнетательного газопровода и число одновременно работающих вакуум-насосов сохраняются, но при этом мощность электродвигателей вакуум-насосов увеличивается для давления нагнетания 230 и 380 мм рт. ст. соответственно на 10 и 20 % и производится перерасчет водоснабжения вакуум-насоса на принятое давление.

Значения параметров Qм, Ввс.м, Рм принимаются по данным завода-изготовителя.

На действующей дегазационной установке Qм определяется при полностью открытом всасе и выхлопе вакуум-насоса, Ввс.м - при полностью закрытой задвижке на всасе вакуум-насоса и открытой задвижке на его выхлопе, Рм - при открытой задвижке на всасе и закрытой задвижке на выхлопе.

3.3. Реконструкция дегазационной системы

36. Необходимость реконструкции дегазационной системы определяется при:

планировании более высоких нагрузок на очистные забои по сравнению с предусмотренными проектом;

планировании увеличения добычи шахты за счет ввода большего числа выемочных участков, чем предусмотрено проектом;

проектировании отвода газа дегазационной системой из выемочных участков, расположенных за пределами части шахтного поля, для которой спроектирована дегазационная система;

несоответствии достигнутой эффективности дегазации выемочных участков, предусмотренной проектом.

Расчет выполняется в следующем порядке.

37. По формуле (13) определяется расход метановоздушной смеси в ветвях газопроводов проектируемых выемочных участков или участков, находящихся в эксплуатации, для которых требуется повышение эффективности дегазации. Для ветвей остальных выемочных участков принимаются фактические расходы газа.

38. По формуле (15) определяется расход метановоздушной смеси в остальных ветвях газопровода, вплоть до вакуум-насосов.

39. Сравнивается расчетный расход газовой смеси в ветви перед вакуум-насосом Qн.р с фактическим Qн.ф.

Если Qн.ф < Qн.р, то реконструкция необходима.

Если Qн.ф ³ Qн.р, то следует сравнить необходимые и фактические расходы в ветвях газопровода. Реконструкция, как правило, нужна, если фактический расход газовой смеси в одной из ветвей газопровода меньше расчетного, предусмотренного проектом.

40. Определяются виды работ и объем реконструкции. На характеристике насосов (рис. 3) восстанавливается перпендикуляр к оси абсцисс из точки со значением Qн.р до пересечения с характеристикой действующего насоса или нескольких насосов, включенных параллельно. Если точка пересечения соответствует давлению во всасывающем патрубке более 450 мм рт. ст., то необходима замена насоса на более мощный или установка дополнительного насоса для параллельной их работы.

Рис. 3. Характеристика вакуум-насосов:
1 - подача 50 м3/мин; 2 - подача 100 м3/мин (или при параллельной работе двух насосов с подачей 50 м3/мин); 3 - подача 150 м3/мин

41. Определяются удельные потери давления в газопроводе DРуд, мм рт. ст./м, для наиболее протяженной и загруженной ветви дегазационной системы

                                                                                                 (31)

где Рб - барометрическое давление, мм рт. ст.;

 - давление газа на всасывающем газопроводе перед ВНС, ммрт. ст.;

Ву - разрежение на устье скважины, мм рт. ст.;

Lт - длина трубопровода в наиболее загруженной и протяженной ветви дегазационной системы, м.

Разрежение Ву на устьях скважин действующего выемочного участка в наиболее протяженной и загруженной ветви дегазационной системы, на котором не требуется повышение эффективности дегазации, принимается равным фактическому. Если же для такого выемочного участка требуется повышение эффективности дегазации, величина Ву рассчитывается по уравнению (8). Величина давления газа в газопроводе перед вакуум-насосами Рн определяется по характеристикам вакуум-насосных установок (см. п. 30), действующих или выбранных для реконструкции. Она принимается равной давлению, которое развивает установка во всасывающем газопроводе по производительности Qн.р, но не менее 350 мм рт. ст.

42. Рассчитываются требуемые диаметры каждой ветви газопровода dтр i, м, по номограмме (рис. 4) или по уравнению

                                                                                                  (32)

где Qс i - расход метановоздушной смеси в i-й ветви газопровода, м3/мин.

Рис. 4. Определение диаметра газопровода

В соответствии с действующими ГОСТами выбираются стандартные диаметры труб dст i. Сравниваются требуемые диаметры каждой ветви газопроводов с фактическими dф i.

Для ветвей, где dф i < dтр i, принимается решение о замене трубопроводов. При этом сначала проектируется замена труб наиболее протяженной и загруженной ветви дегазационной системы. Если нет возможности заменить газопровод, находящийся в эксплуатации, на газопровод диаметром dтр i, то проектируется прокладка дополнительного газопровода, диаметр которого dд i, м, рассчитывается по номограмме (рис. 5) или по уравнению

                                                                                        (33)

В соответствии с действующими ГОСТами выбираются стандартные диаметры труб dд.ст i.

Рис. 5. Определение диаметра дополнительного газопровода

43. Уточняется давление  в газопроводе перед вакуум-насосом, последовательно при этом определяется давление на выходе i-й ветви, входящей в наиболее протяженную и загруженную ветвь дегазационной системы, Рв i, мм рт. ст.:

                                                                                   (34)

где Рн i - давление смеси газов на входе в i-ю ветвь газопровода, мм. рт. ст. Давление у скважин определяется по уравнению (18);

gн i - средняя плотность метановоздушной смеси в i ветви газопровода, кг/м3;

lв i - длина i ветви газопровода, м;

dст i - стандартный внутренний диаметр газопровода i ветви, м. Для газопроводов, находящихся в эксплуатации, принимается равным фактическому dф i, а для проектируемых или реконструируемых ветвей выбирается согласно действующим ГОСТам по величине dтр i.

Если при уточнении давления смеси газов на выходе i ветви газопровода окажется, что

                                                                   (35)

то и для этой ветви выбирается dст i по dтр i и затем используется в уравнении (34) для уточнения давления.

Если давление уточняется на выходе i ветви, представленной параллельными газопроводами с диаметрами dд.ст i и dф i, то в уравнение (34) подставляется их эквивалентный диаметр , м, определенный по номограмме (рис. 5) или по уравнению:

                                                                                      (36)

Если давление в смеси газов перед вакуум-насосами Р'вс > Рвс, то замена газопровода в i ветви (или прокладка дополнительного газопровода для i ветви) обеспечит требуемую производительность вакуум-насосной станции.

Если Р'вс < Рвс, то необходимо предусмотреть замену газопровода (или прокладку дополнительного газопровода) в двух ветвях и повторить расчет давления смеси газов перед вакуум-насосами по формуле (34). Число реконструируемых ветвей увеличивают до тех пор, пока не будет соблюдаться условие Р'вс ³ Рвс.

Для ответвлений газопроводов от наиболее протяженной и загруженной ветви дегазационной системы принимают диаметры газопроводов, рассчитанные по формуле (32).

44. Для сложных дегазационных систем расчет газопроводов и выбор вакуум-насосов целесообразно производить с применением компьютерной технологии «Дегазация», разработанной ООО «Информ ТБ Уголь» (ОАО «Воркутауголь»). Характеристики ВНС приведены на рис. 6, а расчетные схемы газопроводов на примере шахт «Северная» и «Заполярная» - на рис. 7 и 8 соответственно.

Рис. 6. Характеристики вакуум-насосных станций

Рис. 7. Расчетная схема дегазационных трубопроводов шахты «Северная» (ОАО «Воркутауголь»):

- позиции на схеме дегазационного трубопровода;

- дегазационные скважины с фактическим или ожидаемым расходом газовоздушной смеси, м3/мин;

L - длина участка газопровода, м; d - внутренний диаметр газопровода, мм; А - среднесуточная добыча угля на участке, т/сут; Qу - расход газовоздушной смеси на выемочном участке, м3/мин; Кд - коэффициент дегазации выемочного участка, доли ед.; +122,2 - абсолютная отметка земной поверхности, м; -760,0 - абсолютная отметка устья скважины, м; НВ - тип вакуум-насоса; ш. Аяч-Яга - шахта «Аяч-Яга», дегазационная сеть которой подключена к ВНС-1 шахты «Северная»; в.ш. - вентиляционный штрек; кв. - квершлаг; ЮОШ - южный откаточный штрек; ЦОШ - центральный откаточный штрек; ЛКУ - ленточный конвейерный уклон

 

Рис. 8. Расчетная схема дегазационных трубопроводов шахты «Заполярная» (ОАО «Воркутауголь»):

- позиции на схеме дегазационного трубопровода;

- дегазационные скважины с фактическим или ожидаемым расходом газовоздушной смеси, м3/мин;

L - длина участка газопровода, м; d - внутренний диаметр газопровода, мм; А - среднесуточная добыча угля на участке, т/сут; Qу - расход газовоздушной смеси на выемочном участке, м3/мин; Кд - коэффициент дегазации выемочного участка, доли ед.; +155,3 - абсолютная отметка земной поверхности, м; -650,0 - абсолютная отметка устья скважины, м; вент.штрек - вентиляционный штрек; южн. отк. штрек - южный откаточный штрек

Приложение 20

Рекомендации по контролю работы дегазационных систем

1. Измерение расхода отсасываемого метана на дегазационных скважинах и газопроводах осуществляется стационарными или переносными приборами на замерных устройствах, которые могут быть с диафрагмой (рис. 1), вмонтированной в газопровод, или без нее. При замерах на диафрагме могут быть использованы также переносной U-образный манометр с водяным или ртутным заполнением и интерферометры.

Рис. 1. Диафрагмы для замера расхода газа:
а - нормальная; б - дисковая; D6, D7 - чистота обработки поверхности диска

Схема отбора проб газовоздушной смеси из газопровода или обсадной трубы скважины через штуцер показана на рис. 2.

Рис. 2. Схема отбора проб газовоздушной смеси:
1 - насос ручной; 2 - обратный клапан; 3 - интерферометр; 4 - газопровод; 5 - штуцер для отбора пробы

Для лабораторного анализа пробы газа отбираются в бюретки Зегера, бутылки вместимостью 250 см3 или в резиновые камеры.

При измерениях на замерных устройствах с диафрагмой целесообразно использовать переносной или стационарный варианты прибора БЭПР-ТВ модели 1-1 или 1-2 и U-образный манометр, а при измерениях на замерных устройствах без диафрагмы - переносной анемометр АПР-2 с зондом Т-1 или с зондом А-2 (при замерах в коробе) либо стационарный погружной расходомер-счетчик газа вихревой ИРВИС ПЗ-30 или модели анемометров фирмы Hontzsch GmbH (Германия). Стационарные приборы позволяют осуществлять непрерывный контроль за параметрами газовой смеси, производить вычисления и передавать информацию на ПЭВМ.

2. Замерное устройство с диафрагмой располагается на прямом участке газопровода. Минимальная длина прямого участка газопровода до и после диафрагмы выбирается в зависимости от типа и модуля сужающего отверстия согласно требованиям Правил измерения расхода газов и жидкостей стандартными сужающими устройствами (РД 50-213-80).

Состояние диафрагмы и ее аэродинамическое сопротивление целесообразно определять во время проведения вакуумно-газовой съемки в дегазационном трубопроводе.

3. Замерные устройства без диафрагмы располагаются на прямых участках газопровода в соответствии с рекомендациями, предусмотренными руководством по их эксплуатации. Измерения расхода газовой смеси стационарными приборами выполняются в соответствии с ГОСТ 8.361-79 «ГСИ. Расход жидкости и газа. Методика выполнения измерений по скорости в одной точке сечения трубы».

4. Все замерные устройства, предназначенные для применения стационарных приборов, должны дополнительно оборудоваться врезками для использования переносных приборов.

5. Расход Q, м3/мин, смеси отсасываемых газов на замерном устройстве с диафрагмой рассчитывается по формуле

                                                                                      (1)

где e, aз, ap - коэффициенты, определяемые по номограммам (рис. 3, 4 и 5 соответственно);

d0 - диаметр отверстия диафрагмы, мм;

hд - перепад давлений на диафрагме, мм вод. ст.;

g' - объемная масса газа в рабочем состоянии при фактической концентрации метана, кг/м3.

Рис. 3. Определение коэффициента е при малых (а) и при больших (б) значениях hд/13,6Р'1

Рис. 4. Определение поправочного коэффициента аз

Рис. 5. Зависимость коэффициента расхода ap от

На упомянутых выше номограммах приняты следующие обозначения:

Р'1 - давление газа в газопроводе, то есть разность между атмосферным давлением у места установки диафрагмы и разрежением в газопроводе перед диафрагмой, мм рт. ст.;

ap - коэффициент расхода, определяемый в зависимости от отношения  к квадрату внутреннего диаметра трубопровода d2 (величина ).

Выражение  называется коэффициентом K диафрагмы. Так, например, при d0 = 25 мм и d =100 мм коэффициент К = 0,65, при d0 = 50 мм и d = 150 мм К = 2,62, а при d0 = 65 мм и d = 200 мм К = 4,4.

Зависимость (1) можно представить в виде

                                                                                                                 (2)

Величина определяется по формуле

                                                                                                  (3)

где t0 - температура газа перед диафрагмой, °С;

gн - объемная масса газовой смеси при фактической концентрации метана, давлении 760 мм рт. ст. и температуре 273 К.

                                                                                            (4)

(здесь См и Св - содержание в газовой смеси соответственно метана и воздуха, %).

Расход газовой смеси Q, м3/мин, при использовании замерного устройства без диафрагмы определяется по формуле

Q = 60vпkпSп,                                                                                                               (5)

где vп - измеренная скорость потока газовой смеси, м/с;

kп - коэффициент, учитывающий диаметр газопровода (указывается в паспорте прибора);

Sп - площадь сечения замерного устройства, м2.

Для стационарных приборов коэффициент пересчета измеренной скорости vп в среднюю скорость потока определяется при установке прибора и вводится в память измерительного блока. При использовании переносного анемометра АПР-2 с зондом Т-1 (или А-2) замер следует производить в центре сечения замерного устройства. Коэффициенты kп и пересчета измеренной скорости в среднюю vп указаны в паспорте зондов Т-1 и А-2.

Рассчитанное значение расхода смеси газов приводится к нормальным условиям

                                                                                               (6)

6. Дебит отсасываемого метана Gм, м3/мин, находится из выражения

                                                                                                            (7)

где см - концентрация метана в отсасываемой смеси, %.

7. Расход каптируемой смеси Qг, м3/ч, можно определить по номограмме (рис. 6).

По измеренным перепаду давления на диафрагме, концентрации метана и температуре отсасываемой смеси, известным параметрам диафрагмы и газопровода определяются сначала расход метановоздушной смеси, а затем расход метана по формуле (7).

Рис. 6. Определение расхода газа Qг3

Ключ к номограмме изображен пунктирной линией со стрелками (см. рис. 6).

8. Схема отбора проб газовоздушной смеси для последующего определения в ней концентрации метана показана на рис. 7.

Рис. 7. Схема отбора проб газовоздушной смеси из газопровода:
а - бюреткой Зегера; б - бутылкой при вакууме; в - бутылкой при давлении выше атмосферного

При отборе проб газа по схемам а и б (см. рис. 7) краники или зажимы на вакуумных (полувакуумных) резиновых трубках должны открываться и закрываться одновременно.

9. Технические характеристики барометра электронного БЭПР-ТВ модели 1-1 и 1-2.

Барометр электронный БЭПР-ТВ-1-1(1-2) предназначен для измерения вакуума и перепада давления на замерных станциях газопроводов, абсолютного давления, температуры и влажности в горных выработках шахт и рудников всех категорий. Он позволяет контролировать текущий объемный расход газа, приведенный к нормальным условиям (760 мм рт. ст. и 20 °С) по ГОСТ 2939 «Газы. Условия для определения объема», с возможностью передачи по RS-232 или RS-485 (по выбору заказчика) объемного расхода при рабочих условиях, давления и температуры рабочего газа на ПЭВМ.

Приведение объема газа к нормальным условиям в БЭПР-ТВ-1-1 (1-2) осуществляется автоматически путем одновременного измерения параметров потока газа тремя самостоятельными датчиками: расхода, давления и температуры с последующим вычислением.

Диапазон измерений абс. давления, ГПа                                         600- 1200 (1 -1)

Диапазон измерений абс. давления, ГПа                                         5-1200 (1-2)

Диапазон измерений температуры, °С                                             от -10 до +50

Диапазон измерений влажности, %                                                  до 98

Абсолютная погрешность, Па                                                          от 30 до 50

Цена деления младшего разряда цифрового индикатора, Па       1

Продолжительность измерения влажности, с, не более                60

Продолжительность измерения давления, с, не более                   1

Уровень и вид взрывозащиты                                                           РО Иа

(по Европейским нормам ЕN 50014/50020)                                     (Ех ia IТI)

Степень защиты от воздействия внешней среды                            IР 54

Масса барометра, г                                                                             960

Условия эксплуатации:

     температура окружающей среды, °С                                          от -20 до +60

     относительная влажность воздуха, %                                    до 100(с конденсацией влаги)

     запыленность, г/м3, не более                                                        10,0

     продолжительность непрерывной работы

     без подзарядки, ч                                                                            6-8

Гарантия, мес                                                                                       12

10.Технические характеристики анемометра АПР-2 с зондами Т-1 и А-2.

Анемометр переносной рудничный АПР-2 предназначен для определения скорости воздушного потока в шахтах и рудниках всех категорий, а также в системах промышленной вентиляции и газопроводах.

Диапазон измерений зонда А-2, м/с                                                      0,1-40,0

Порог чувствительности А-2, м/с, не более                                          0,1

Размеры зонда А-2, мм                                                                            29x41x61

Диапазон измерений зонда Т-1, м/с                                                       0,7-40,0

Порог чувствительности Т-1, м/с, не более                                          0,6

Диаметр зонда Т-1, мм                                                                            17

Источник питания                                                                                   4 элемента типа А316

Степень защиты от воздействия внешней среды                                 IР 54

Уровень и вид взрывозащиты                                                                РО Иа

(по Европейским нормам ЕN 50014/50020)                                         (Ех ia IТI)

Определение средней скорости за интервал времени, с                     от 10 до 999

Наработка на отказ, ч, не менее                                                            12 000

Масса, кг                                                                                                  0,6

Длина телескопической штанги с зондом Т-1, мм                              500

Гарантия, мес                                                                                           24

Условия эксплуатации:

температура окружающей среды, °С                                                5-60

температура окружающей среды (кратковременно), °С                 от -20 до +80

относительная влажность воздуха, %                                     до 100(с конденсацией влаги)

запыленность, г/м3, не более                                                             10,0

продолжительность непрерывной работы

без замены элементов питания, ч, не менее                                      750

11. Техническая характеристика расходомера - счетчика вихревого ИРВИС ПЗ-30.

Расходомер-счетчик газа вихревой ИРВИС ПЗ-30 предназначен для измерения в трубопроводах расхода и объема неагрессивных горючих и инертных газов, приведения объема к нормальным условиям (760 мм рт. ст. и 20 °С) по ГОСТ 2939 «Газы. Условия для определения объема», а также передачи в процессе измерения информации по RS-232 или RS-485 (по выбору заказчика) на ПЭВМ. Расходомер-счетчик позволяет контролировать текущий объемный расход газа, температуру и давление газа в трубопроводе, формировать и хранить архивы средних значений параметров.

Приведение объема газа к нормальным условиям в расходомере-счетчике осуществляется автоматически путем одновременного измерения параметров потока газа тремя самостоятельными датчиками: расхода, давления и температуры с последующим вычислением.

Диапазон измерений скорости, м/с                                                  0,5-25

Диапазон измерения давления, МПа                                               0,05- 1,7

Диапазон измеряемых температур, °С                                            от -40 до +45

Степень защиты от воздействия внешней среды                            IР 54

Уровень защиты и вид взрывозащиты                                             РО Иа

по Европейским нормам ЕN 50014/50020)                                      (IEхibIIBT4)

Материал датчика                                                                               нержавеющая сталь

Минимальный диаметр отверстия для вставки, мм                        30

Минимальный диаметр измеряемой трубы, мм                              300

Максимальный диаметр измеряемой трубы, мм                             1200

Гарантия, мес                                                                                      12

Наработка на отказ, ч, не менее                                                        80 000

Пределы допускаемой основной относительной погрешности расходомера-счетчика по показаниям счетчика объема рабочего газа, приведенного к нормальным условиям:

для Qнаим < Q < 0,2Qнаи6                                                                   ±4,3%

для 0,2Qнаи6 < Q < Q наиб                                                                   ±4 %

Пределы допускаемой основной относительной погрешности расходомера-счетчика по частотному выходу, пропорциональному локальной скорости рабочего газа:

для Qнаим < Q < 0,2Qнаиб                                                                     ±1,3%

для 0,2Qнаи6 < Q < Qнаи6                                                                      ±1%

Пределы допускаемой основной относительной погрешности (по выходу стандартного интерфейса):

канала измерения температуры                                                             ±0,5 %

канала измерения давления                                                                    ±0,6 %

Срок службы, лет, не менее                                                                   15

Запыленность, г/м3, не более                                                                  1,0

Относительная влажность воздуха, %                                        до 100(с конденсацией влаги)

Условия эксплуатации:

первичный преобразователь (ПП):

температура, °С                                                                           от -40 до+50

влажность при температуре 35°С                                              95 % ±3 %

блок обработки исходного сигнала (БОИС):

температура, °С                                                                           10-35

влажность при 35 °С                                                                    80 %

Длины предвключенных участков не менее 30 Ду перед и 5 Ду после расходомера-счетчика.

Длины предвключенных участков могут быть уменьшены в случае проведения измерений профиля скорости по специальной методике в сечении установки ПП.

12.Техническая характеристика погружного датчика расхода Vortex фирмы Нontzsch GmbН.

Погружной датчик Vortex с измерительным блоком предназначен для измерения расхода, температуры, давления, направления потока различных газовых сред с большим содержанием пыли и конденсацией влаги. Измерительный блок может иметь выход RS-232 или RS-485 (по выбору заказчика) для передачи данных на ПЭВМ. Прибор позволяет контролировать текущий объемный расход газа, приведенный к нормальным условиям, температуру и давление газа в трубопроводе.

Приведение объема газа к нормальным условиям в приборе осуществляется автоматически путем одновременного измерения параметров потока газа тремя самостоятельными датчиками: расхода, давления и температуры с последующим вычислением.

Диапазон измерений зонда, м/с                                                                    0,5-80

Максимальное рабочее давление, кПа                                                         300

Степень защиты от воздействия внешней среды                                        IР 54

Уровень защиты и вид взрывозащиты                                                         РО Иа

(по Европейским нормам ЕN 50014/50020)                                                (Еех iа IIС Т6)

Материалы датчиков                                                                                     нержавеющая сталь,

                                                                                                                         титан, тантал

Минимальный диаметр отверстия для вставки, мм                                   40

Минимальный диаметр измеряемой трубы, мм                                         80

Гарантия, мес                                                                                                 12

Наработка на отказ, ч, не менее                                                                   80 000

Пределы допускаемой основной относительной погрешности:

для канала измерения скорости                                                                    ±0,5 %

для канала измерения температуры                                                             ±0,5 %

для канала измерения давления                                                                    ±0,5 %

Срок службы, лет, не менее                                                                          10

Запыленность, г/м3, не более                                                                        50,0

Диапазон рабочих температур, °С                                                               от -25 до +240

Относительная влажность воздуха, %                                                        до 100

                                                                                                                    (с конденсацией влаги)

13. Автоматический контроль дегазационных систем направлен на оперативное получение информации о состоянии дегазационных систем при их эксплуатации. Задачи, которые призваны решать средства контроля и автоматизации шахтных дегазационных систем, подразделены на две группы.

К первой группе задач относятся:

автоматизация вакуум-насосной станции (ВНС, ПНВНС, ПГТДУ);

передача информации об основных параметрах работы на пульт общешахтного диспетчера;

непрерывный контроль содержания метана в здании ВНС или в передвижной ее установке (ПНВНС, ППДУ);

подача аварийного сигнала на пульт диспетчера и автоматическое включение вентилятора в целях организации интенсивного проветривания здания ВНС или камеры, где установлена ППДУ, при превышении допустимого уровня концентрации метана, а также выполнение других защитных функций;

непрерывный контроль концентрации метана в отсасываемой газовоздушной смеси и регистрации количества отсасываемого метана;

непрерывный контроль разрежения во всасывающем и давления в нагнетательном газопроводах;

автоматическое отключение работающего вакуум-насоса (вакуум-насосов) с подачей аварийного сигнала на пульт диспетчера при нарушении нормального режима работы;

пропуск газовой смеси под естественным давлением в обход вакуум-насосов при их остановке;

автоматическое включение в работу резервных водяных насосов, если работающие насосы вышли из строя или не обеспечивают необходимого давления воды в системе водоснабжения;

автоматический сброс газа в атмосферу через «свечу» при давлении в нагнетательном газопроводе выше установленной нормы;

автоматическая отсечка подачи газа потребителю и отвода его в атмосферу при низкой (менее 25 % об. при утилизации газовой смеси в котельной и 50 % об. при подаче смеси бытовым потребителям) концентрации метана, а также при падении давления смеси в нагнетательном газопроводе ниже установленного предела;

обеспечение одновременной с пультом общешахтного диспетчера индикации контролируемых параметров на рабочих местах в помещениях ВНС и возможности перевода на ручное управление работы вакуум-насосной установки в случае неисправности схемы автоматизации;

контроль параметров газовой смеси (концентрации, разрежения, дебита) в скважинных и участковых газопроводах.

Ко второй группе относятся задачи, связанные не только с автоматизацией ВНС и непрерывным контролем за газовой смесью при выходе ее из системы, но также и с повышением эффективности работы дегазационной системы в целом. Функции, которые при этом должны осуществлять средства контроля и автоматизации, следующие:

непрерывный (или периодический) контроль параметров газовой смеси на всем пути ее прохождения от скважины до ВНС и далее до места потребления утилизируемого газа с централизованной передачей информации диспетчеру (оператору) и на управляющую вычислительную машину АСУ ТП (УВМ АСУ ТП) шахты;

автоматический расчет дебита метана, приведенного к нормальным условиям (температуре 20 °С, давлению 101,3 кПа), по данным о концентрации метана, разрежении, скорости и температуре газовой смеси в каждом из контролируемых пунктов дегазационной системы;

выбор на основании тех же данных контроля оптимальных режимов работы отдельных звеньев дегазационных систем (в первую очередь скважин и ВНС) за счет перекрытия (частичного или полного) отдельных скважин или участков дегазационной сети, автоматического удаления из газопроводов водяных пробок, обеспечения наиболее рациональных режимов работы ВНС;

оперативное регулирование дебита метана отдельных участков и скважин при производственной необходимости с учетом возможностей автоматизированного управления вентиляцией (если такое управление имеется);

выполнение всех функций первого этапа автоматизации.

14. Средства контроля и автоматизации шахтных дегазационных систем должны удовлетворять общим требованиям, предъявляемым к шахтной автоматике, и учитывать специфику эксплуатации дегазационных установок.

Дополнительные требования к средствам контроля сводятся к следующему:

питание должно осуществляться по искробезопасным электрическим цепям;

для исключения влияния водяных пробок на работоспособность первичных преобразовательных элементов, сообщающихся с анализируемой средой, перед каждым датчиком, стационарно устанавливаемым в газопроводе, необходимо устанавливать автоматический водоотводчик, питание которого также не должно быть связано с подземной системой электроснабжения;

для каждого из первичных преобразователей должна быть обеспечена высокая избирательность и возможность работы как в непрерывном, так и дискретном режиме.

Что касается подземных средств автоматизации, то дополнительные требования к ним ограничиваются необходимостью снабжения регулирующих и запорных устройств гидро- или пневмоприводом или электроприводом с искробезопасными параметрами.

15. Эксплуатация подземной части систем дегазации осуществляется при следующих атмосферных условиях:

барометрическое давление 84-107 кПа;

относительная влажность до 98 % (при температуре 35 °С);

скорость воздушного потока в выработках до 8 м/с;

запыленность среды, окружающей подземные устройства дегазационной системы, до 10 мг/м3.

16. Для средств контроля и автоматизации, размещенных на поверхности, условия работы следующие:

барометрическое давление 84-107 кПа;

температура в помещениях 10-35 °С;

относительная влажность окружающей среды до 80 % при температуре 25 °С;

содержание метана в атмосфере зданий ВНС до 1 % об.

17. Параметры газовой смеси могут изменяться в следующих пределах:

разрежение у устья скважин от 0 до 27 (редко до 33) кПа, в участковых и магистральных газопроводах - от 0 до 53 кПа;

относительная влажность газовой смеси до 100 % (возможно присутствие капельной влаги);

содержание метана в смеси от 0 до 100 % об.;

содержание углекислого газа от 0 до 2 % об.;

скорость потока газовой смеси в трубопроводе от 0,5 до 20 м/с;

температура газовой смеси от -5 до +35 °С (за исключением газопроводов, в которых наблюдается капельная влага, - от 5 до 35 °С);

газовая смесь - взрывоопасная и агрессивная (1-й категории).

18. Газовая смесь в нагнетательном газопроводе ВНС имеет практически те же параметры, что и смесь в подземных газопроводах, за исключением давления смеси, превышающего барометрическое на величину от 0 до 25 кПа (при необходимости подачи газовой смеси потребителям на значительное расстояние эта величина несколько увеличивается).

19. Вакуум-насосы (водокольцевые), широко используемые в существующих в настоящее время системах дегазации, имеют такие характеристики, при которых обеспечивается максимальный коэффициент полезного действия при величине разрежения, составляющей 40-60 % атмосферного давления. При расчетах дегазационной сети эта величина принимается равной 46,5 кПа.

20. Автоматический контроль состава и параметров газовых потоков на технологических объектах, отличающихся высокой степенью пространственной рассредоточенности, осуществляется с помощью централизованных многофункциональных систем, в которых получение, передача, сбор, обработка, представление информации основаны на широком применении микропроцессорной техники.

На угольных шахтах применяется система «МИКОН-1Р» (разработка и производство ООО «ИНГОРТЕХ», г. Екатеринбург, и ООО «НПЦ АТБ», г. Москва). Она используется в основном для контроля рудничной атмосферы и газовой защиты. Вместе с тем система «МИКОН-1Р» является открытой системой и при наличии соответствующих датчиков позволяет комплексно решать все задачи автоматического контроля и управления дегазацией.

21. Техническая характеристика датчика контроля концентрации метана:

диапазон измеряемых концентраций метана от 5 до 100 % об. доли;

основная погрешность - не более ± 1 % об. доли по абсолютной величине или ±3 % измеренного значения (из двух этих результатов к учету следует принимать наибольший);

номинальная статическая характеристика - линейная;

датчик работает при температуре окружающей (измеряемой) среды от 5 до 35 °С, давлении 90-120 кПа (680-900 мм рт. ст.), относительной влажности до 100 % (суммарная дополнительная погрешность от влияния изменения параметров окружающей среды не должна превышать удвоенного значения основной погрешности);

время установления показаний t0.9 - не более 30 с;

время работы без ручного корректирования показаний - не менее 3 мес;

срок службы датчика - не менее 10 лет.

22. Техническая характеристика датчика контроля температуры газа в дегазационном трубопроводе (резистивный):

диапазон измеряемых температур - 5-35 °С;

предел основной абсолютной погрешности ±3 °С;

номинальная статическая характеристика должна быть линейная;

датчик работает при температуре окружающей (измеряемой) среды 5-35 °С, давлении 90-120 кПа (680-900 мм рт. ст.), относительной влажности до 100 % (суммарная дополнительная погрешность от влияния изменения параметров окружающей среды не должна превышать удвоенного значения основной погрешности);

время установления показаний t0.9 - не более 30 с;

время работы без ручного корректирования показаний - не менее 3 мес;

срок службы датчика - не менее 10 лет.

23. Техническая характеристика датчика скорости потока газовой смеси в дегазационном трубопроводе:

диапазон измерения - 0,5-20 м/с;

основная погрешность - не более ±0,25 м/с или ± 5 % измеряемого значения (из этих двух результатов к учету следует принимать наибольший);

время установления показаний t0.9  - не более 30 с;

суммарная дополнительная погрешность от влияния изменения параметров окружающей среды не должна превышать удвоенного значения основной погрешности;

время работы без ручного корректирования показаний - не менее 3 мес;

срок службы датчика - не менее 10 лет.

24. Техническая характеристика измерителя давления в дегазационном трубопроводе:

диапазон измерений - 50-120 кПа;

основная погрешность - не более ±3 %;

время установления показаний t0.9 - не более 30 с;

суммарная дополнительная погрешность от влияния изменения параметров окружающей среды не должна превышать удвоенного значения основной погрешности;

время работы без ручного корректирования показаний - не менее 3 мес;

срок службы датчика - не менее 10 лет.

25. Каждая система локализации пламени, установленная на газопроводе, должна иметь непрерывный централизованный контроль из пункта управления за посадкой пламени на пламегасящем элементе огнепреградителя.

Приложение 21

Рекомендации по ведению вакуумно-газовых съемок в дегазационных трубопроводах

1. Вакуумно-газовая съемка в дегазационном трубопроводе проводится не реже 1 раза в 3 года, а также в случаях, когда не обеспечивается заданная эффективность дегазации или содержание метана в отсасываемом газе ниже установленной нормы.

Контролируемыми параметрами являются: разрежение, концентрация и дебит метана, величина подсосов воздуха на скважинах и на участках газопровода.

2. Перед производством вакуумно-газовой съемки на схеме дегазационной сети шахты выделяются участки газопровода и намечаются пункты замера параметров газовоздушного потока (рис. 1). Критериями выбора участков являются постоянство дебитов метана и диаметров газопровода.

Рис. 1. Схема расположения пунктов замера параметров газовоздушных потоков при проведении вакуумно-газовой съемки

Маршрут начинают от дегазационных скважин. Замерное устройство (диафрагма) для определения параметров метановоздушного потока устанавливается на скважинах и на выходе участкового газопровода. В остальных пунктах для замера разрежения, концентрации метана и температуры газа устанавливаются штуцеры. Последние должны располагаться не ближе 3 м от разветвления трубопровода.

Измерения показателей потока производятся:

1) на скважинах (группе пластовых скважин);

2) на выходе участкового газопровода;

3) на прямолинейных участках через каждые 500 м;

4) в шахте перед стволом (магистральной скважиной) и в местах разветвления газопровода или изменения его диаметра;

5) на выходе газопровода из шахты (магистральной скважины);

6) в здании ВНС.

3. Вакуумно-газовая съемка должна выполняться группой квалифицированных работников, причем одновременно по всему дегазационному трубопроводу (от скважин до вакуум-насосов).

Время производства замеров в намеченных пунктах газопровода устанавливается графиком. Съемка должна быть проведена за время, не превышающее одну смену.

4. Состояние газопровода по пропускной способности оценивается путем сопоставления фактических потерь давления газовоздушной смеси с расчетным их значением на отдельных участках газопровода или на выбранных маршрутах (от скважин до ВНС).

Фактические потери давления должны быть меньше расчетных значений, установленных проектом.

5. Подсосы воздуха в газопровод на отдельных его участках определяются как разность дебитов метановоздушной смеси, измеренных на концах исследуемого участка.

6. Дебит метана, измеренный на диафрагме, принимается постоянным на всем протяжении участка газопровода (до следующего пункта установки диафрагмы).

Расход метановоздушной смеси Qтр i, м3/мин, в i-м пункте газопровода определяется по формуле

                                                                                                           (1)

где  - дебит метана в i-м пункте газопровода, м3/мин;

см i - концентрация метана в i-м пункте замера, %.

7. Давление газа в дегазационном трубопроводе Рт, мм рт. ст., в пунктах замера находится по формуле

Рт = Рш -Вт i ,                                                                                                               (2)

где Рш - давление воздуха в шахте (в месте производства замеров), мм рт. ст.;

Вт i - разрежение газа в i-м пункте дегазационного трубопровода, мм рт. ст.

8. Фактические потери давления газовоздушной смеси на отдельных участках газопровода определяются как разница измеренных величин давления газа на концах исследуемого участка газопровода.

9. Значения фактических и расчетных (или нормативных) потерь давления газа на участках (ветвях) газопровода заносятся в таблицы. При этом все величины метановоздушных потоков должны быть приведены к нормальным условиям.

10. Сопоставлением фактических подсосов воздуха и нормативных (или проектных) оценивается состояние дегазационного трубопровода и выявляются нарушенные его участки, если таковые имеются.

11. Для оценки состояния дегазационной сети и контроля ее работы целесообразно использовать компьютерную программу «Дегазация» (ООО «Информ ТБ Уголь»).

Приложение 22

Проверка качества герметизации скважин

1. Определение мест подсосов воздуха в скважину производится специалистами службы дегазации совместно с буровыми мастерами после герметизации скважины, а также в тех случаях, когда содержание метана в участковом газопроводе или эффективность дегазации ниже принятых в проекте.

2. Места подсосов воздуха определяются путем измерения расхода газовоздушной смеси из скважины и содержания метана по ее длине.

3. Отбор проб газа из скважины производят с помощью специального зонда (рис. 1). В его комплект входит тройник с патрубками 2 и 3. Патрубок 2 служит для ввода в скважину штанг 8, а патрубок 3 для соединения скважины 6 с газопроводом 4.

На конце патрубка 2 имеется уплотнительный элемент 7, препятствующий подсосам воздуха в скважину при перемещении штанг. Штанги 8 соединяются муфтами. На первой штанге установлено газоотборное устройство 9. Для отбора проб газа в комплекте зонда имеется гибкая трубка 10, намотанная на катушку 11, двухклапанный насос 12 и камера 13.

4. Работы по зондированию скважины выполняют в следующем порядке. С помощью диафрагмы, установленной на обсадной трубе, измеряют расход газовой смеси, содержание в ней метана и разрежение. Затем отключают скважину от газопровода, снимают патрубок с диафрагмой и на его месте крепят к обсадной трубе 5 тройник 1. Патрубок 3 с помощью гофрированного шланга 14 соединяют с газопроводом 4. Через уплотнительный элемент 7 вводят первую штангу с газоотборным устройством 9. Гибкую трубку 10 соединяют с газоотборным устройством и крепят к штангам.

Всасывающий патрубок насоса 12 соединяют со свободным концом гибкой трубки 10, а нагнетательный - с камерой 13. Зонд готов к работе.

Рис. 1. Схема устройства и применения зонда для измерения содержания метана в скважине

Открывают задвижку 15 и отбирают пробы газа из характерных пунктов скважины С1, С2, С3, С4 (см. рис. 1), перемещая газозаборное устройство по скважине и наращивая штанги. Проба, набранная в камеру, анализируется на месте, например, с помощью интерферометра ШИ-12. В каждом пункте отбираются не менее двух проб. Если они отличаются не более чем на 4 %, то результаты усредняются. При большем различии измерение повторяется.

Пункты С1 и С2 располагаются в нижней и верхней частях обсадной трубы, пункт С3 - на расстоянии 0,5 м от верхнего конца обсадной трубы, пункт С4 - на расстоянии 35-40 м от устья скважины.

5. По результатам измерений рассчитывают долю притечек DQi воздуха в скважину на каждом интервале измерений. Результаты с погрешностью измерения содержания метана менее 4 % следует считать одинаковыми (для интерферометра ШИ-12 погрешность равна 4 %). Доля притечек воздуха в скважину на i-м интервале DQi, %, рассчитывается по формуле

                                                                                               (1)

где ,  - концентрация метана в пунктах С1 и Сi соответственно, доли ед.;

i - порядковый номер пункта отбора проб.

6. Результаты измерений записываются в табл. 1.

Таблица 1

Результаты определения места и величины подсосов воздуха в скважины

Лава _________Участок _____________Пласт________________

Параметры

Размерность

№ скважин

1

2

3

4

...

N

1

2

3

4

5

6

...

п

Расход газовой смеси

Разрежение

Концентрация метана в пунктах:

С1

С2

С3

С4

м3/мин

мм рт. ст.

%

 

 

 

 

 

 

 

 

Общие подсосы воздуха в скважину

м3/мин

 

 

 

 

 

 

Доля подсосов воздуха на интервалах:

С1 - С2

С2 - С3

С3 - С4

далее С4

%

 

 

 

 

 

 

7. По результатам измерений в отдельных скважинах выявляют характерные для обследованного участка места подсосов воздуха в скважины, определяют их причины и разрабатывают мероприятия в целях повышения содержания метана в скважинах.

Наиболее часто встречающиеся причины подсосов воздуха в дегазационную скважину и возможные мероприятия по их снижению приведены в табл. 2.

Таблица 2

Причины подсосов воздуха в скважины и мероприятия по их снижению

Интервалы скважины

Причины подсоса воздуха в скважины

Мероприятия по снижению подсосов воздуха в скважины

С1 - С2

Нарушение целостности обсадной трубы (обычно в местах соединения ее секций)

Повысить прочность обсадных труб. Заменить конические соединения секций муфтовыми. Улучшить охрану скважин возведением под ними менее податливой крепи

С2 - С3

Некачественное уплотнение (герметизация) затрубного пространства

Усилить контроль за качеством цементации скважин. Применить механические герметизаторы

С3 - С4

Недостаточные глубина обсадки или угол возвышения скважин, пробуренных на подрабатываемые пласты

Увеличить глубину обсадки скважин. Если при этом не обеспечивается С4 ³ 50 %, то в последующем увеличить угол возвышения скважин. Если увеличение угла возвышения скважин до 60° не обеспечит С4 ³ 50 %, то это свидетельствует о низком метановыделении из дегазируемых источников. Следует уменьшить разрежение на устье скважины

С4 - забой скважины

Недостаточен угол возвышения скважин, пробуренных на подрабатываемые пласты

Увеличить угол возвышения следующих скважин. Если увеличение угла возвышения до 60° не обеспечит С4 ³ 50 %, то это свидетельствует о низком метановыделении из дегазируемых источников. Следует уменьшить разрежение на устье скважины

8. Для проверки качества герметизации необходимо определить герметичность затрубного пространства и стыков обсадной колонны. Для этого достаточно в скважине создать столб воды высотой на 0,2-0,3 м больше, чем высота обсадной колонны труб. Если столб воды удерживается на этой высоте, то герметичны и затрубное пространство, и обсадная колонна. Если вода удерживается только на высоте обсадной колонны, то стыки труб герметичны, а затрубное пространство негерметично. Если вода удерживается на отметке ниже высоты обсадной колонны, то на этой отметке колонна труб имеет негерметичный стык.

9. Для выполнения таких замеров необходимо к устью скважины подсоединить специальное приспособление для контроля герметичности скважин (рис. 2). При открытом вентиле высота столба воды, подаваемой в скважину по шлангу от противопожарного водопровода, увеличивается. По параметрам заложения скважины известно, до какой высоты должен подняться столб воды, чтобы он стал на 0,2-0,3 м выше обсадной колонны. Когда вода поднимается до этой высоты, вентиль закрывается. Высота столба воды определяется по манометру (10 кПа соответствуют 1 м столба воды).

10. Более простой способ контроля качества герметизации скважин заключается в том, что после герметизации устья скважины последнюю подключают к дегазационному трубопроводу и создают в ней разрежение. Затем с помощью задвижки скважину перекрывают и по скорости роста давления (снижения вакуума) определяют наличие подсосов воздуха. Если подсосы большие, то их можно измерить в обсадной трубе прибором, например «Люга».

Рис. 2. Приспособление для контроля герметичности скважины:
1 - скважина без обсадки; 2 - обсадная колонна; 3 - герметизирующая среда; 4 - ветошь; 5 - деревянные клинья; 6 - патрубок обсадной колонны; 7 - уплотнение; 8 - фланец; 9 - трубка; 10 - тройник; 11 - манометр; 12 - вентиль; 13 - переходной штуцер; 14 - шланг


Приложение 23

Форма Журнала контроля работы ВНС

№ п/п

Дата

Смена

Время проведения замера

№ работающих вакуум-насосов

Разрежение на вакуум-насосах, мм рт. ст.

Давление на нагнетательном газопроводе, кгс/см2

Температура отсасываемого газа, °С

Перепад давления на диафрагме

Концентрация метана в отсасываемой смеси, %

Расход смеси, отсасываемой установкой, м3/мин

Расход метана, отсасываемого установкой, м3/мин

Результаты осмотра системы пожаровзрывобезопасности

Общие замечания по работе установки

Подпись лица, производившего замер

1

2

3

4

5

6

7

8

9

10

11

12

13

14

15

 

 

 

 

 

 

 

 

 

 

 

 

 

 

 

 

 

 

 

 

 

 

 

 

 

 

 

 

 

 


Приложение 24

Форма Журнала учета работы дегазационных скважин

Скважина № (скважины №)_____________________________________________________

Назначение скважины (скважин)_________________________________________________

Место заложения (выработка, камера)_____________________________________________

Параметры скважин:

направление (углы возвышения и разворота)_____________________________________

длина, м____________________________________________________________________

диаметр, мм_________________________________________________________________

длина герметизации устья, м___________________________________________________

Дата начала и окончания бурения скважины (скважин)_______________________________

Дата отключения скважины______________________________________________________

Форма записи результатов замера

№ п/п

Дата

Разрежение в газопроводе у скважины, мм рт. ст.

Перепад давлений на диафрагме, мм рт. ст. (мм вод. ст.)

Концентрация метана в смеси, %

Расход, м3/мин

Подпись лица, производившего замеры

смеси

метана

1

2

3

4

5

6

7

8

Приложение 25

Форма Журнала осмотра и ремонта дегазационных газопроводов

Назначение газопровода (всасывающий, нагнетательный, магистральный, участковый)_____________________________________________________________________

Наименование выработки_______________________________________________________

Длина газопровода, м___________________________________________________________

Диаметр газопровода, мм________________________________________________________

Материал труб_________________________________________________________________

Дата осмотра__________________________________________________________________

Вид ремонтных работ___________________________________________________________

Подпись должностного лица_____________________________________________________

Приложение 26

Рекомендации по обеспечению пожаровзрывобезопасности при ведении дегазационных работ

1. При пожаре в шахте возможны два принципиальных подхода к управлению дегазацией:

в случае отсутствия дегазационного газопровода в аварийной выработке необходимо усилить дегазацию на выемочных участках, исходящая струя из которых поступает или может поступить к очагу пожара, а также в выработку с пожарными газами;

при наличии газопровода в аварийной выработке принятие решения о работе или отключении дегазации и порядок действий зависят от таких факторов, как функциональное назначение газопровода (участковый, сборный, магистральный); вид и устойчивость струи в выработке с газопроводом; эффективность дегазации (выше 0,3); концентрация метана в газопроводе (не ниже 25 %).

2. Если в сложившейся оперативной обстановке дальнейшее применение дегазации неэффективно или опасно из-за возможности загорания и взрыва метановоздушной смеси (МВС) в газопроводе, то необходимо ее отключить. Порядок действий по отключению определяется назначением газопровода в выработке с пожаром и видом струи воздуха. Основное правило, которое необходимо соблюдать при отключении дегазации: перекрыть поступление МВС к участку газопровода, проходящему через очаг пожара, освободить этот газопровод от МВС (при возможности), отключить дегазационную сеть аварийного участка от общешахтной или остановить вакуум-насосы.

3. При ведении горноспасательных работ в выработке с действующим дегазационным газопроводом, участок которого находится в выработке с пожаром, необходимо провести технические работы по предотвращению возникновения вторичных очагов горения при взрыве МВС в газопроводе и выбросе продуктов взрыва в выработку: засыпать огнетушащим порошком или инертным материалом места сопряжения газопроводов, а в районе ведения работ - стыки, тройники, повороты и часть газопровода в зонах возможного образования слоевых скоплений метана; горноспасательное отделение должно иметь два ручных порошковых огнетушителя; одежда должна закрывать все части тела.

4. При бурении скважин из вентиляционной выработки аварийного участка по обе стороны от бурового станка необходимо разместить 4 огнетушителя или 2 водоразбрызгивателя ВВР-1, обеспечить запас огнетушащего порошка или инертных материалов. У кровли выработки в 1 метре от буримой скважины по направлению движения струи воздуха должен устанавливаться переносной автоматический метан-сигнализатор (типа СММ-1 или «Сигнал-2»). Для предотвращения слоевых скоплений метана у станка скорость движения воздуха должна быть не менее 1,5 м/с.

5. При принудительном извлечении метана из шахты с помощью вакуум-насосов, а также при использовании этого метана для промышленных нужд необходимо применять на поверхности защиту производств от возможного проникновения и распространения пламени по газопроводам в шахту в соответствии с проектом по пожаровзрывозащите при ведении дегазационных работ.

6. При распространении пожара в выработку с действующим дегазационным газопроводом необходимо: усилить проветривание аварийного участка для предотвращения загазирования из-за поступления дополнительного объема метана после вынужденного или самопроизвольного отключения дегазации, если это не будет способствовать увеличению скорости распространения пожара; организовать дистанционный контроль концентрации метана с помощью приборов, например типа «Поиск», при отборе проб не менее чем в трех точках по высоте выработки; установить контроль концентрации метана в газопроводе аварийного участка путем непосредственных ее измерений. При концентрации метана в участковом газопроводе ниже 25 % или отмеченной тенденции снижения концентрации во всасывающем патрубке на 5 % и более дегазацию необходимо отключить.

7. При необходимости рассоединения участкового газопровода за задвижкой на сопряжении с магистральным для локализации возможного выброса пламени у открытого конца газопровода следует возвести барьер из негорючих материалов или установить ВВР-1.

8. Для пожаровзрывозащиты производств (шахт, вакуум-насосных, котельных, сушильных установок) от проникновения и распространения пламени и взрыва по газопроводам должны применяться огнепреградители, допущенные к применению для этих целей и соответствующие заданным техническим характеристикам.

Приложение 27

Технологические схемы газопроводов ВНС, АГВН, котельной и топочного устройства аэроклассификатора

1. Апробированные на шахтах монтажно-технологические схемы газопроводов ВНС, автономных газовоздушных нагревателей (АГВН), котельной и топочного устройства термоаэроклассификатора (ТАК) приведены на рис. 1-4.

Рис. 1. Упрощенная технологическая схема газопроводов ВНС:
1 - регулятор давления (21ч12нж); 2 - задвижка с электроприводом; 3 - клапан избыточного давления (СППК); 4 - задвижка с электроприводом потребителя; 5 - ручная задвижка; 6 - каплеуловитель; 7 - вентиль слива воды; 8 - огнепреградитель; 9 - клапан-отсекатель

Рис. 2. Упрощенная технологическая схема газопроводов АГВН:
1 - клапан избыточного давления (СППК); 2 - задвижка с электроприводом на входной свече; 3 - задвижка с электроприводом топочного устройства; 4 - вентиль дренажа; 5 - продувной вентиль; 6 - задвижка входной топки; 7 - клапан-отсекатель ПКН; 8, 9, 10 - вентили безопасности; 11, 12, 13 - задвижки с электроприводом горелок; 14, 15, 16 - задвижки горелок; 17, 18, 19 - огнепреградители; 20 - продувочная свеча; 21 - свеча безопасности; 22 - дренажный трубопровод

Рис. 3. Упрощенная технологическая схема газопроводов котельной (шахта «Комсомольская»):
1 - котел ДКВР-20-13; 2,3 - котлы ДКВР-10-13; 4 - задвижка на свечу; 5 - задвижка котельной входная; 6 - клапан-отсекатель; 7, 17, 27, 37 - входные задвижки на котел; 8, 9, 21, 22, 31, 32, 41, 42 - вентили свечи безопасности; 10, 18, 28, 38 - огнепреградители; 11, 12, 19, 20, 29, 30, 39, 40 - предохранительные запорные клапаны; 13-16, 23-26, 33-36, 43-46 - задвижки горелок; 47, 48 - залвижки выходные

Рис. 4. Упрощенная технологическая схема газопроводов топочного устройства термоаэроклассификатора (ТАК) на шахте «Воркутинская»:
1 - клапан избыточного давления (СГТПК); 2 - задвижка с электроприводом на входной свече; 3 - задвижка с электроприводом топочного устройства; 4 - вентиль дренажа; 5 - продувной вентиль; 6 - задвижка входная топки; 7 - клапан-отсекатель ПКН; 8, 9, 10 - вентили безопасности; 11, 12, 13 - задвижки с электроприводом горелок; 14, 15, 16- задвижки горелок; 17, 18, 19 - огнепреградители; 20 - продувочная свеча; 21 - свеча безопасности; 22 - дренажный трубопровод

2. Схема размещения контрольно-измерительных приборов, регулятора давления, запорных и предохранительных устройств приведена на рис. 5.

Рис. 5. Схема размещения контрольно-измерительных приборов, регулятора давления, запорных и предохранительных устройств:
1 - огнепреградитель; 2 - вакуум-насос; 3 - влагоотделитель; 4 - газоанализатор; 5 - расходомер; 6 - задвижка с электроприводом (на свече);  7 - регулятор давления; 8 - клапан избыточного давления; 9 - задвижка с электроприводом (к потребителю); 10 - клапан-отсекатель




Яндекс цитирования



   Copyright © 2007-2026,  www.tehlit.ru.

[ ѓосты, стандарты, нормативы, инструкции, правила, строительные нормы ]