//
ТехЛит.ру
- крупнейшая бесплатная электронная интернет библиотека для "технически умных" людей.
WWW.TEHLIT.RU - ТЕХНИЧЕСКАЯ ЛИТЕРАТУРА

:: Алготрейдинг::


АЛГОТРЕЙДИНГ
шаг за шагом
с нуля по урокам!

Торговые роботы на PYTHON, BackTrader,
Pandas, Pine Script для TradingView. Связка с брокерами, телеграм и легкими приложениями.


ГОСТ 30493-96

МЕЖГОСУДАРСТВЕННЫЙ СТАНДАРТ

ИЗДЕЛИЯ САНИТАРНЫЕ КЕРАМИЧЕСКИЕ

Типы и основные размеры

МЕЖГОСУДАРСТВЕННАЯ НАУЧНО-ТЕХНИЧЕСКАЯ КОМИССИЯ
ПО СТАНДАРТИЗАЦИИ, ТЕХНИЧЕСКОМУ НОРМИРОВАНИЮ
И СЕРТИФИКАЦИИ В СТРОИТЕЛЬСТВЕ (МНТКС)

Предисловие

1 РАЗРАБОТАН Научно-исследовательским институтом строительной керамики (НИИстройкерамика)

ВНЕСЕН Минстроем России

2 ПРИНЯТ Межгосударственной научно-технической комиссией по стандартизации, техническому нормированию и сертификации в строительстве (МНТКС) 11 декабря 1996 г.

За принятие проголосовали

Наименование государства

Наименование органа государственного управления строительством

Азербайджанская Республика

Госстрой Азербайджанской Республики

Республика Армения

Министерство градостроительства Республики Армения

Республика Беларусь

Госстрой Республики Беларусь

Республика Казахстан

Минстрой Республики Казахстан

Кыргызская Республика

Госстрой Кыргызской Республики

Республика Молдова

Департамент архитектуры и строительства Республики Молдова

Российская Федерация

Госстрой России

Республика Таджикистан

Госстрой Республики Таджикистан

Республика Узбекистан

Госкомархитектстрой Республики Узбекистан

3 ВЗАМЕН ГОСТ 75-82, ГОСТ 21485.4-76, ГОСТ 21485.5-76, ГОСТ 22847-85, ГОСТ 23759-85, ГОСТ 26901-86

4 ВВЕДЕН В ДЕЙСТВИЕ с 1 июля 1998 г. в качестве государственного стандарта Российской Федерации постановлением Госстроя России от 30 декабря 1997 г. № 18-76

(Поправка, ИУС 11-2007).

МЕЖГОСУДАРСТВЕННЫЙ СТАНДАРТ

ИЗДЕЛИЯ САНИТАРНЫЕ КЕРАМИЧЕСКИЕ

Типы и основные размеры

CERAMIC SANITARY WARE

Types and principal dimensions

Дата введения 1998-01-01

1 Область применения

Настоящий стандарт распространяется на санитарные керамические (фарфоровые, полуфарфоровые и фаянсовые) умывальники, пьедесталы для умывальников, унитазы, смывные бачки, биде, писсуары и устанавливает их типы и основные размеры.

Изделия санитарные керамические предназначаются для установки в санитарных узлах, в бытовых и других помещениях зданий различного назначения, в санитарных узлах речных и морских судов и железнодорожных вагонов.

Требования раздела 3 являются обязательными, остальные - рекомендуемыми и могут уточняться по согласованию между изготовителем и потребителем (заказчиком).

2 Нормативные ссылки

В Настоящем стандарте использованы ссылки на следующие стандарты:

ГОСТ 13449-82 Изделия санитарные керамические. Методы испытаний

ГОСТ 15167-93 Изделия санитарные керамические. Общие технические условия

ГОСТ 21485-94 Бачки смывные и арматура к ним. Общие технические условия

3 Типы и основные размеры

3.1 Изделия санитарные керамические (умывальники, унитазы, смывные бачки, биде, писсуары) изготавливают следующих типов в соответствии с требованиями настоящего стандарта по утвержденным рабочим чертежам.

Элементы основных изделий приведены в приложении А.

3.2 Форма изделий настоящим стандартом не регламентируется.

3.3 Умывальники

3.3.1 Типы умывальников

Умывальники выпускают следующих типов:

- полукруглые, овальные, прямоугольные, трапециевидные со спинкой или без спинки;

- угловые со спинкой или без спинки и с переливом или без перелива, со срезанным углом;

- хирургические и парикмахерские без спинки.

3.3.2 Основные размеры полукруглых, овальных, прямоугольных и трапециевидных умывальников приведены в таблице 1 и на рисунке 1.

Таблица 1                                                                                                        В миллиметрах

Величина умывальника

L

В

Н

l

не менее

1-я

400-500

300

135

180

2-я

550

420

 

 

3-я

600

450

150

180-200

4-я

650

500; 455*

 

 

5-я

700

600

 

 

* Допускается для умывальников со встроенными установочными поверхностями

 

А - А

Рисунок 1 - Умывальник

А - А

Рисунок 2 - Умывальник для железнодорожных вагонов

3.3.3 Основные размеры угловых, хирургических и парикмахерских умывальников приведены в таблице 2 и на рисунках 2 и 3.

Таблица 2                                                                                                        В миллиметрах

Типы умывальников

В

L

H, не менее

l

Е

Угловые:

без спинки

 

495

 

625

 

185

 

310

 

430

со спинкой

470

608

130

253

430

с переливом

492

625

166

310

430

со срезанным углом

390

544

166

190

205

Хирургические

590

650

190

180

-

Парикмахерские

590

650

190

180

-

 

А-А

* Отверстие Г - только в парикмахерском умывальнике.

Рисунок 3 - Умывальник хирургический и парикмахерский

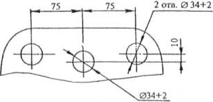
3.3.4 Полукруглые, опальные, прямоугольные и трапециевидные умывальники изготавливают с отверстиями в полочках для установки смесительной арматуры или без них, о чем должно быть указано в заказе потребителя.

Размеры отверстий, их расположение и число в зависимости от типа смесительной арматуры должны соответствовать указанным на рисунке 5.

3.3.5 Угловые и хирургические умывальники изготавливают без отверстий в полочке. Размеры отверстия в полочке парикмахерского умывальника для смесителя указаны на рисунке 3.

3.3.6 Размеры отверстия в чаше умывальника для установки выпуска должны соответствовать указанным на рисунке 6.

3.3.7 Конфигурация верхней поверхности керамического пьедестала должна соответствовать конфигурации нижней поверхности чаши умывальника, для которого предназначается пьедестал (рисунок 4).

Рисунок 4 - Керамический пьедестал для умывальника

Для центрального смесителя

Для смесителя с нижней камерой смешения

Рисунок 5 - Расположение и размеры отверстий в полочках умывальников для установки смесителей

Рисунок 6 - Размеры отверстия в чаше умывальника для установки выпуска

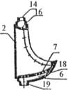
3.4 Унитазы

3.4.1 Типы унитазов

Унитазы выпускают следующих типов:

- тарельчатый с косым выпуском с цельноотлитой полочкой;

- тарельчатый с прямым выпуском с цельноотлитой полочкой;

- тарельчатый с косым выпуском без цельноотлитой полочки, в том числе детский;

- тарельчатый с прямым выпуском без цельноотлитой полочки, в том числе детский;

- козырьковый с косым выпуском с цельноотлитой полочкой;

- козырьковый с косым выпуском без цельноотлитой полочки;

- воронкообразный с прямым выпуском с цельноотлитой полочкой;

- воронкообразный с косым выпуском с цельноотлитой полочкой;

- воронкообразный с прямым выпуском без цельноотлитой полочки;

- воронкообразный с косым выпуском без цельноотлитой полочки.

3.4.2 Основные размеры унитазов приведены в таблице 3 и на рисунках 7 и 8.

3.4.3 Унитазы, устанавливаемые в санитарных узлах железнодорожных вагонов, приведены на рисунке 9.

3.4.4 Для крепления унитазы должны иметь отверстия:

- два или четыре, о чем должно быть указано в заказе - в унитазах, устанавливаемых в санитарных узлах бытовых помещений;

- три - в унитазах, устанавливаемых в санитарных узлах железнодорожных вагонов.

По требованию потребителя унитазы допускается изготавливать без отверстий для крепления.

Таблица 3                                                                                                        В миллиметрах

Виды унитазов

H

h

h1

L

l

l1

B

b

С цельноотлитой полочкой

370 и 400

320 и 350

150

Не менее 605*

330

435

340 и 360

260

Без цельноотлитой полочки

460

Детские

335

285

130

405

280

380

290

210

* По согласованию потребителя и изготовителя допускается изготавливать унитазы длиной 575 мм.

 

Рисунок 7 - Унитаз с цельноотлитой полочкой

А

Б

Приставная полочка

Рисунок 8 - Унитаз с приставной полочкой

Тип УнЖ1

Тип УнЖ2

Рисунок 9 - Унитазы, устанавливаемые в санитарных узлах железнодорожных вагонов

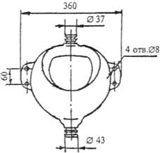
3.5 Смывные бачки

3.5.1 Смывные бачки выпускают следующих типов:

- смывной, устанавливаемый на унитазе с боковым или верхним пуском;

- смывной низкорасполагаемый, среднерасполагаемый и высокорасполагаемый с боковым пуском.

3.5.2 Основные размеры смывного бачка должны соответствовать указанным на рисунке 10.

А-А

Рисунок 10 - Бачок смывной высокорасполагаемый с боковым пуском

По согласованию потребителя и изготовителя допускается изготавливать бачки других размеров, взаимно увязанные с присоединительными размерами унитазов, наполнительной и спускной арматуры и обеспечивающие потребительские свойства изделия.

3.5.3 Смывные бачки должны соответствовать требованиям ГОСТ 21485.

3.5.4 Отверстия в бачках, для спускной арматуры и крепления к унитазам принимаются по рабочим чертежам.

3.6 Биде

3.6.1 Типы биде

Биде выпускаются следующих типов:

1 - без перелива;

2 - с переливом.

3.6.2 Основные размеры биде приведены в таблице 4 и на рисунке 11.

Рисунок 11 - Биде

Таблица 4                                                                                                        В миллиметрах

Типы биде

L

l

В

Н

h

1

640

180

360

380

200

2

600

180

350

398

200

3.6.3 Размеры отверстий, их расположение и число, в зависимости от типа смесительной арматуры и выпуска, должно соответствовать указанным на рисунке 12.

Расположение и размеры отверстий в полочке биде для установки водоразборной арматуры

Исполнение 1

Исполнение 2 (по требованию потребителя)

Размеры отверстия в чаше биде для установки выпуска

* Допускается изготавливать с одним отверстием.

Рисунок 12 - Расположение и размеры отверстий в биде для установки выпуска

По согласованию с потребителем допускается изготавливать биде с одним отверстием в полочке для установки водоразборной арматуры.

3.7 Писсуары

3.7.1 Типы писсуаров

Писсуары выпускаются следующих типов:

- настенный с цельноотлитым сифоном типа 1;

- настенный с цельноотлитым сифоном типа 2;

- настенный без цельноотлитого керамического сифона.

3.7.2 Основные размеры писсуаров должны соответствовать указанным на рисунке 13.

Рисунок 13 - Писсуар

3.8 Предельные отклонения габаритных размеров и других размеров более 50 мм должны быть от +2,5 до -3 %. Отклонения размеров 50 мм и менее, за исключением указанных на рисунках 5 и 12, должны устанавливаться в рабочих чертежах.

3.9 Условное обозначение изделий должно состоять из первых одной или двух букв изделия, обозначения типа (1, 2, 3 или 4), числа, указывающего величину умывальника, букв: Д - для детских унитазов, С - для умывальников со спинкой, бС - для умывальников без спинки, п - для умывальников с переливом, СУ - для умывальников со срезанным углом, вп - для бачков с верхним пуском, бп - для бачков с боковым пуском, Ф - для фарфоровых изделии, пф - для полуфарфоровых изделий, фс - для фаянсовых изделий и обозначения настоящего стандарта.

Пример условного обозначения умывальника прямоугольного, третьей величины, со спинкой, фарфорового:

УмПрЗСФ ГОСТ 30493-96

То же, умывальника углового, со срезанным углом, полуфарфорового:

УмУгСУпф ГОСТ 30493-96

То же, унитаза тарельчатого, с прямым выпуском, без цельноотлитой полочки, фарфорового:

УнТПФ ГОСТ 30493-96

То же, унитаза детского, с косым выпуском, фарфорового:

УнТДФ ГОСТ 30493-96

То же, бачка смывного низкорасполагаемого, с верхним пуском, фарфорового:

БНвпФ ГОСТ 30493-96

То же, писсуара с цельноотлитым сифоном типа 1, фарфорового:

ПС1Ф ГОСТ 30493-96

То же, писсуара без цельноотлитого керамического сифона полуфарфорового:

Ппф ГОСТ 30493-96

3.10 Сортность устанавливают по показателям внешнего вида по ГОСТ 15167.

Приставная полочка не подлежит подразделению на сорта.

3.11 Технические требования, правила приемки, маркировка, упаковка, транспортирование, хранение и гарантии изготовителя - по ГОСТ 15167.

Методы испытаний - по ГОСТ 13449.

4 Указания по монтажу

Унитаз устанавливают в специально подготовленное место: постамент крепят двумя или четырьмя болтами или шурупами в зависимости от конструкции унитаза на деревянную площадку или закрепляют цементным раствором.

На унитаз с цельноотлитой полочкой бачок прикрепляют болтами к полочке унитаза.

При монтаже бачка, смонтированного на отдельной полочке резиновую манжету, находящуюся на патрубке полочки, надевают на раструб унитаза и после этого полочку прикрепляют к унитазу.

Поплавковый клапан должен полностью перекрывать поступление воды в бачок при достижении уровня на 20 мм ниже перелива.

Установка умывальника на металлических кронштейнах

На предварительно размеченную стену устанавливают два кронштейна (па шурупах, болтах или методом пристрелки) на расстоянии, соответствующем размеру между крепежными отверстиями умывальника.

Умывальник устанавливают на кронштейны и закрепляют его задний борт скобой или иным способом, обеспечивающим нагрузку на передний край не менее 1,5 кН (150 кгс) от опрокидывания.

Установка умывальника на пьедестале на болтах

На предварительно размеченную стену устанавливают два болта на расстоянии, соответствующем размеру между крепежными отверстиями на задней установочной поверхности умывальника.

Умывальник устанавливают на пьедестал и закрепляют на болтах к стене.

Крепление должно обеспечивать нагрузку на передний край умывальника не менее 1,5 кН (150 кгс) от опрокидывания.

ПРИЛОЖЕНИЕ А

(справочное)

Элементы основных изделий

Таблица А1

Наименование элемента

Номер элемента на рисунке А1

Передний борт

1

Задняя стенка

2

Арматурная панель

3

Углубление для мыла (мыльницы)

4

Чаша

5

Наружная стенка изделия

6

Отверстие для стока (внутри)

7

Отверстие для стока (снаружи)

8

Переливной канал

9

Переливное отверстие (перелив)

10

Опорное ребро

11

Монтажные отверстия

12

Отверстия для арматуры

13

Отверстие для подачи промывной воды

14

Смывающий венец (кольцо)

15

Распределитель воды

16

Тарелка

17

Канал

18

Выходное отверстие

19

Выходной штуцер

20

Постамент

21

Карман

22

Водяной затвор

23

Крышка бачка

24

Бачок смывной

Унитаз

Биде

Писсуар

Рисунок А1, лист 1

Умывальник

Мойка (раковина)

Ванна

Рисунок А1, лист 2

Ключевые слова: изделия санитарные керамические, унитазы, умывальники, бачки, биде, писсуары

СОДЕРЖАНИЕ

 




Яндекс цитирования



   Copyright © 2007-2026,  www.tehlit.ru.

[ ѓосты, стандарты, нормативы, инструкции, правила, строительные нормы ]