//
ТехЛит.ру
- крупнейшая бесплатная электронная интернет библиотека для "технически умных" людей.
WWW.TEHLIT.RU - ТЕХНИЧЕСКАЯ ЛИТЕРАТУРА

:: Алготрейдинг::


АЛГОТРЕЙДИНГ
шаг за шагом
с нуля по урокам!

Торговые роботы на PYTHON, BackTrader,
Pandas, Pine Script для TradingView. Связка с брокерами, телеграм и легкими приложениями.


МИНИСТЕРСТВО СВЯЗИ СОЮЗА ССР

ПРАВИЛА
СТРОИТЕЛЬСТВА И РЕМОНТА
ВОЗДУШНЫХ ЛИНИЙ СВЯЗИ
И РАДИОТРАНСЛЯЦИОННЫХ СЕТЕЙ

ЧАСТЬ II

УСТРОЙСТВО МАЧТОВЫХ ПЕРЕХОДОВ

ГОСУДАРСТВЕННОЕ ИЗДАТЕЛЬСТВО ЛИТЕРАТУРЫ ПО ВОПРОСАМ СВЯЗИ И РАДИО

МОСКВА 1960

ПРЕДИСЛОВИЕ

Настоящая работа, посвященная вопросам устройства мачтовых переходов, является второй частью «Правил строительства и ремонта воздушных линий связи и радиотрансляционных сетей».

По сравнению с аналогичным разделом «Правил проектирования, строительства и ремонта воздушных линий связи» (Связьиздат, 1952 г.) предлагаемая вторая часть Правил переработана с учётом опыта строительства и эксплуатации мачтовых переходов на линиях связи и одноствольных деревянных мачт передающих и приёмных радиоцентров.

Во второй части Правил приведена конструкция мачт в обсадных трубах, якорей из железобетона и др. В целях облегчения пользования Правилами в них приведены рекомендации по выбору конструкций и сооружению мачтовых переходов. Помещены новые разделы по эксплуатации и технике безопасности при сооружении и обслуживании мачтовых переходов. Даны типовые решения для переходов длиной до 500 м. (Мачтовые переходы длиной более 500 м сооружаются по специально составленным проектам.)

Вторая часть Правил - «Устройство мачтовых переходов» разработана сотрудниками Центрального научно-исследовательского института связи Министерства связи СССР (ЦНИИС): старшим научным сотрудником, кандидатом технических наук Г.В. Шулейкиным (методы расчёта прочности мачт и расчётные формулы) и инженером Э.Л. Поверенным (разделы 1 - 11).

Замечания по второй части Правил следует направлять по адресу: Москва, К-9, ул. Горького, 7, Министерство связи СССР.

Главное управление
междугородной
телефонно-телеграфной связи

Управление
местной телефонной связи
и радиофикации

Центральный
научно-исследовательский
институт связи

1. ВЫБОР МЕСТА ДЛЯ УСТРОЙСТВА МАЧТОВОГО ПЕРЕХОДА

1.1. При выборе места для установки мачты должны быть соблюдены следующие условия:

а) кратчайшее направление трассы линии при подходе её к мачтовому переходу;

б) возможно меньшая ширина реки в месте перехода или наличие острова (при большой ширине реки), дающего возможность поставить на нём промежуточную мачту;

в) большая высота обоих берегов или по крайней мере одного из них.

1.2. Рельеф местности, выбранной для установки мачты, должен давать возможность расположить собранную мачту и четыре якоря. В направлении расположения одной из оттяжек должно иметься свободное ровное место без значительных уклонов шириной 4 ¸ 5 м, длиной около 1,2Н (Н - высота мачты), пригодное для сборки и подъёма мачты.

Рельеф местности должен давать также возможность поставить на каждой стороне перехода по одной подмачтовой опоре на расстоянии от 2Н до 3H от мачты.

1.3. Нельзя устанавливать мачты:

а) в зоне ледохода;

б) в заливаемых водой местах, в которых при отсутствии ледохода наблюдается большая (свыше 2,5 м) высота подъёма воды и сильное её течение;

в) на размываемых берегах.

2. ИЗМЕРЕНИЕ ПРОЛЕТОВ И СОСТАВЛЕНИЕ ЭСКИЗА МАЧТОВОГО ПЕРЕХОДА

2.1. После выбора вариантов перехода на эскизе (рис. 2.1) наносятся следующие данные, замеренные с точностью до ± 1,0 м по горизонтали и ± 0,25 м по вертикали:

а) l - длина пролёта между выбранными точками установки опор. При установке промежуточной мачты на острове (на рисунке не показана) отмечается длина пролёта l¢ - через главное русло и l" - через проток;

б) b - расстояние от мачты до воды при нормальном ее уровне;

в) b1 - расстояние от мачты до воды при наибольшем подъёме воды. Если на острове устанавливается мачта, то замеряется расстояние между мачтами на берегу и на острове с указанием по отношению, к какому берегу оно взято;

Рис. 2.1. Эскиз мачтового перехода:

а) с одинаковой высотой подвеса, б) с неодинаковой высотой подвеса

г) S - ширина острова при нормальном уровне реки и S1 - при наивысшем (если остров не заливается полностью);

д) отметки уровня земли по отношению к условному нулевому уровню воды в местах, намеченных для установки мачт. За условный нулевой уровень принимается средний уровень воды в реке;

е) все находящиеся в пределах установки подмачтовых опор сооружения и предметы (деревья, скалы и т.п.) высотой более 5 м; при этом на эскизе даются их размеры, высота и положение.

Примечание. Если площадка нуждается в расчистке, то это заносится в виде примечания к таблице (приложение 1), причём даётся характеристика и объём работы;

ж) стрелка, показывающая направление - север (С), юг (Ю);

з) h1 - наибольшая надводная высота судов, проходящих по реке, если река судоходна, h2 - расстояние от самой высокой части судов до наинизшей точки нижнего провода;

и) h3 - отметка наивысшего уровня воды в реке;

к) h4 - высота берега над наивысшим уровнем воды реки;

л) линии берегов и острова при нормальном уровне воды;

м) граница заливаемости берегов и острова;

и) приблизительные границы ледохода и ширина его;

о) направление течения реки;

п) приблизительное обозначение фарватера, если река судоходна и ширина его (С), а также место стоянки судов.

Все данные заносятся в таблицу, форма которой дана в приложении 1.

2.2. Если река в районе перехода меняет своё русло, то составляют дополнительный план, на котором необходимо указать происшедшие изменения.

2.3. Величины отметок уровня воды, надводная высота судов и т.д. должны быть получены от гидрометеорологической службы местного речного транспорта. Если река не судоходна, то сведения собираются у местных старожилов - перевозчиков, рыбаков и т.п.

3. ОПРЕДЕЛЕНИЕ СТРЕЛЫ ПРОВЕСА ПЕРЕХОДНОГО КАНАТА

3.1. В качестве проводов для мачтовых переходов применяются стальные оцинкованные, биметаллические и бронзовые канаты, физико-механические данные которых приведены в табл. 3.1.

3.2. Для определения типа линии в районе перехода следует пользоваться метеорологическими данными, полученными в результате продолжительных наблюдений за температурой воздуха, скоростью ветра, интенсивностью и удельным весом гололёда, изморози или мокрого снега.

При этом расчетные метеорологические условия определяются по наиболее невыгодному сочетанию нагрузок от внешних сил и температуры, действующих на канаты мачтового перехода по наблюдениям за последние 5 лет.

Данные об атмосферных условиях в районе перехода сводятся в таблицу, форма которой приведена в приложении 2.

Таблица 3.1

Физико-механические данные канатов

Физико-механические данные

Обозначение

Типы канатов

провода антенные голые ГОСТ 5990-51

стальные спиральные канаты ГОСТ 3062-55

биметаллические провода голые (стале-медные)

ПАБ-10

ПАБ-25

1´7-4,2

1´7-6,0

1´7-6,6

1´7-4,5

1´7-6,0

1´7-6,6

1´7-7,5

Площадь сечения всех проволок, мм2

S

10

25

10,78

22

26,6

12,4

22

26,6

34,3

Предел прочности проволоки в канате, кг/мм2

snp

-

-

140

140

140

75

75

75

75

Разрывное усилие каната в целом, кг

Rnp

750

1800

1380

2820

3420

840

1500

1800

2320

Модуль упругости, кг/мм2

Е

10000

10000

18000

18000

18000

18000

18000

18000

18000

Коэффициент линейного температурного расширения

a

18×10-6

18×10-6

12×10-6

12×10-6

12×10-6

12×10-6

12×10-6

12×10-6

12×60-6

Допускаемое напряжение материала каната в низшей точке пролёта при t° = - 40 °С, кг/мм2

s-40

36,0

36

65

65

65

32

32

32

32

Допускаемое напряжение материала каната в низшей точке пролёта при гололёде и t° = - 5 °С, кг/мм2

s7

36,0

36

60

60

60

32

32

32

32

Удельная нагрузка от собственного веса кг/м×мм2

g1

0,01

0,01

0,0085

0,0085

0,0085

0,00825

0,00885

0,0084

0,00795

3.3. Таблицы величин монтажных стрел провеса и тяжения канатов приведены в приложении 3; при этом для промежуточных значений длин пролётов величины определяются интерполированием. Для условий, отличных от указанных в приложении 3, переходы сооружаются по специальным проектам.

4. ВЫБОР КОНСТРУКЦИИ МАЧТЫ

4.1. При определении наинизшего положения переходного каната необходимо знать наивысший уровень воды в реке, наибольшую надводную высоту курсирующих судов и максимальную температуру среды за период времени наивысшего уровня воды в реке.

Все эти данные должны быть нанесены на эскиз перехода (рис. 2.1) и указаны в приложениях 1 и 2.

4.2. В зависимости от величины наибольшей стрелы провеса и допустимого расстояния от каната до поверхности воды в период её наивысшего уровня определяется высота крепления нижнего провода к мачте Н¢

H¢ = f + h2 + h1 + h3 - h4, м.

4.3. После получения указанных выше данных намечают конструкцию вершины мачты, т.е. распределяют на ней точки подвеса заданного числа проводов и находят минимальную высоту каждой мачты Н.

При этом наименьшее расстояние между проводами по оси мачты hnp должно быть равно 0,5 м, а расстояние от вершины мачты до места крепления верхнего провода hв 1,3 м. Высота мачты

H = H¢ + hnp(N - 1) + hв, м,

где N - число проводов.

4.4. Ствол мачты составляется из брёвен длиной от 7,5 до 11 м и диаметром в верхнем торце не менее 18 см.

Количество брёвен мачты в зависимости от её высоты с учётом изготовления стыков брёвен длиной 0,8 м приведено в табл. 4.1.

Таблица 4.1

Количество брёвен в мачте (в зависимости от её высоты) при длине стыка 0,8 м и без учёта высоты основания мачты (фундамента) над землёй

Высота мачты м

Количество в мачте брёвен длиной, м

11

9

8,5

7,5

Всего

15,2

-

-

1

1

2

16,7

-

1

1

-

2

18,7

1

-

1

-

2

21,2

2

-

-

-

2

24,4

1

-

-

2

3

25,4

-

3

-

-

3

27,4

1

2

-

-

3

29,4

2

1

-

-

3

31,4

3

-

-

-

3

33,6

2

-

-

2

4

36,6

2

-

2

-

4

38,1

3

-

-

1

4

41,6

4

-

-

-

4

44,8

3

-

-

2

5

46,8

3

-

2

-

5

48,3

4

-

-

1

5

51,8

5

-

-

-

5

Примечания: 1. Если необходимо уменьшить длину мачты на 1 ¸ 1,5 м, то отпиливают снизу нижнее бревно.

2. В лесных местностях, где возможна заготовка брёвен в районе перехода, допускается применение бревен длиной до 17 м.

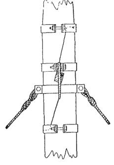
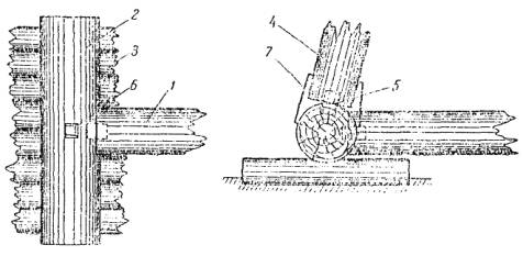
4.5. На основании полученного, согласно пп. 4.2 и 4.3, минимального значения высоты мачты по табл. 4.1 выбирается количество и длина брёвен мачты. В каждом стыке брёвен и у вершины мачты устанавливается по четыре оттяжки. При этом следует иметь в виду, что значительный процент стоимости мачты составляют стальные канаты оттяжек (тросы) и оковка (хомуты, зажимы, коуши). Узел крепления четырёх оттяжек к мачте (стык брёвен или вершина) называется ярусом оттяжек. Счёт ярусов ведётся сверху вниз.

С уменьшением числа ярусов оттяжек мачта удешевляется, но при этом увеличивается длина брёвен, что в некоторых случаях вызывает затруднения в их заготовке. Поэтому окончательное решение принимается из сравнения нескольких возможных вариантов.

4.6. Оттяжки (кроме верхних) крепятся на середине стыков мачты. Крепление же верхнего яруса выполняется согласно данным, изложенным в разд. 5.

4.7. Если мачта укрепляется не более чем четырьмя ярусами оттяжек, то для укрепления последних у поверхности земли устанавливают четыре якоря, и все оттяжки одного направления крепят к одному якорю (рис. 4.1а).

При числе ярусов больше четырёх, а также при натяжении отдельных оттяжек, превышающем допустимое усилие на один якорь, или при слабом грунте общее число якорей увеличивается до восьми (рис. 4.1б).

Расстояние а1 от оси мачты до якоря (так называемое заложение его) выбирается так, чтобы вторая от вершины оттяжка была наклонена к горизонту под углом 45°.

Рис. 4.1. Схема крепления мачты оттяжками:

а) с четырьмя якорями, б) с восемью якорями

Если в каждом направлении оттяжек имеется по два якоря, то нагрузка распределяется равномерно на оба якоря. В этом случае расстояние а2 выбирается так, чтобы вторая сверху оттяжка, из числа укреплённых на втором якоре, была наклонена к горизонту под углом 45°.

4.8. При выборе диаметров стальных канатов следует руководствоваться указаниями табл. 4.2 и характеристиками канатов, приведёнными в приложении 6.

Диаметры стальных канатов для оттяжек во всех ярусах выбираются так, чтобы в двух соседних ярусах оттяжек они не отличались друг от друга более чем на два номера, взятых по ГОСТ. Минимальный диаметр стального каната (ГОСТ 3062-55) для оттяжек приведён в табл. 4.3.

Таблица 4.2

Запасы прочности стальных канатов

Назначение каната

Запас прочности

Примечание

Для оттяжек

2,5

 

Для подъёма мачты

5

 

Для подъёма человека

8

Диаметр каната для подъёма человека должен быть не менее 7,7 мм

Таблица 4.3

Минимальный диаметр стального каната (ГОСТ 3062-55) для оттяжек мачт

Высота мачты мм

Диаметр каната двух верхних ярусов оттяжек мм

Диаметр каната остальных ярусов оттяжек мм

До 18,7

6,6

-

» 29,4

7,8

6,6

» 51,8

9,6

7,8

Примечания: 1. Канаты выбраны при расчётном пределе прочности проволоки на растяжение 140 кг/мм. Если проволока имеет другой предел прочности, то выбирается равнопрочный канат.

2. Если для оттяжек используются шестипрядные гибкие канаты с пеньковым сердечником (ГОСТ 3069-55, 3070-55), то выбирают канат на 20 % прочнее по разрывному усилию, чем канаты, указанные по ГОСТ 30-55, но диаметром не менее 9,5 мм.

5. ИЗГОТОВЛЕНИЕ МАЧТ, ПОДМАЧТОВЫХ ЯКОРЕЙ И ОПОР

5.1. Работы по сооружению деревянных мачт включают осмотр и отбраковку древесины, изготовление и сборку мачты и оттяжек на земле, установку фундамента и якорей мачт, подъём мачты в вертикальное положение и регулировку её прямолинейности и вертикальности.

5.2. Для изготовления мачт применяют сосну, лиственницу и ель (полусухое состояние) первого или второго сорта (ГОСТ 4371-48), антисептированную способом «Оснос» или вымачиванием.

5.3. При сырой древесине брёвен применять их для изготовления мачт без дополнительной воздушной сушки под навесом не следует, так как мачта будет сильно коробиться и трескаться вследствие усыхания древесины.

5.4. На брёвнах для мачт не должно быть табачных сучков, червоточины и признаков гнили или плесени.

5.5. Количество брёвен для мачты зависит от её высоты и определяется по табл. 4.1.

5.6. После отбора брёвен их ошкуривают и гладко остругивают с оставлением естественного сбега брёвен.

5.7. Брёвна для мачт после обработки должны быть прямолинейны, длиной не менее 7,5 м, с диаметром в верхнем торце (вершине) не менее 18 см (допускается искривление оси бревна не более чем на 2 см).

5.8. При обработке брёвен необходимо устранять их эллиптичность (допускается различие наибольшего и наименьшего диаметров в одном сечении бревна не свыше 0,5 см).

5.9. После окончания обработки бревна его отпиливают до нужной длины (с припуском 2 ¸ 3 см для последующей подгонки). Плоскость полученного торца должна быть строго нормальной к оси бревна и образовываться одним пропилом. Для изготовления стыка концы брёвен длиной в 1 м остругиваются в форме цилиндра.

5.10. На цилиндрических концах заготовленных брёвен делают затёску под косой затяжной зуб для устройства стыков. Каждое бревно индивидуально подгоняется к другому. Форма косого зуба для стыкования брёвен показана на рис. 5.1.

5.11. Верхнее бревно мачты устанавливается комлем вверх, второе сверху бревно устанавливается комлем вниз, третье сверху бревно устанавливается опять комлем вверх и т.д., таким образом, сопряжение брёвен будет производиться по схеме «комель с комлем, вершина с вершиной», как указано на рис. 5.2. Стыки брёвен нумеруются.

5.12. Рабочие поверхности врубок должны быть точно и чисто обработаны и образованы одним пропилом.

Не допускаются излишние вырезки, сколотые врубки, щели в стыках шириной более 1 мм.

5.13. Сборка сопрягаемых брёвен должна проводиться лёгкими ударами деревянной кувалды через деревянные прокладки. Заделывать щели и зазоры клиньями, прокладками и вкладышами запрещается.

5.14. Глубина врубок, одинаковая в двух сопрягаемых брёвнах, должна отличаться от чертежа не более чем на 2 мм.

5.15. Особо необходимо следить за тем, чтобы ось одного бревна являлась продолжением оси другого, т.е. чтобы в стыках не было перелома оси брёвен.

Рис. 5.1. Косой затяжной зуб для сращивания брёвен

Рис. 5.2. Выкладка брёвен мачты по схеме «комель к комлю, вершина к вершине»

5.16. Клинья косого затяжного зуба изготовляют из сухих и твёрдых пород (дуб, ясень, бук) прямослойных, без сучков и прочих дефектов. По длине клина делают припуск в 50 ¸ 60 мм на затягивание стыка брёвен и для дальнейшей подбивки клиньев после высыхания древесины.

Клинья перед установкой должны быть хорошо проварены в олифе с антисептиком или в креозотовом масле.

5.17. После окончания заготовки брёвен все стыки, врубки и отверстия пропитываются антисептиком.

5.18. Получаемая длина каждого бревна должна отличаться от проектной не более чем на ± 1 см.

5.19. Одновременно с изготовлением ствола мачты производят установку фундамента мачты и четырёх или восьми якорей для крепления оттяжек и одного монтажного якоря для отводного ролика (если необходимо).

5.20. Фундамент (основание) мачты, через который вертикальное давление мачты передаётся грунту, может изготовляться с деревянным настилом (рис. 5.3) или из бетона (рис. 5.4). Бетонный фундамент может устанавливаться в местах, заливаемых водой и в местах со слабым грунтом, а с деревянным настилом устанавливается только в сухих и не заливаемых водой (во время половодья) местах.

Детали для деревянного основания приведены в табл. 5.1, а для бетонного фундамента - в табл. 5.2; размеры деталей, применяемых для бетонного фундамента, - в табл. 5.3.

Таблица 5.1

Спецификации деталей деревянного основания (рис. 5.3)

№ пп.

Наименование

Количество

Материал

Необходимое количество материла м3

1

Подушка Æ 340, l = 1250

1

Сосна II сорт

0,125

2

Лежень Æ 240, l = 1200

5

Сосна II сорт

0,295

3

Шип Æ 80, l = 160

1

Дуб

-

4

Скоба строительная СС-16

2

-

-

Примечания: 1. Объём гравия - 2,4 м3, вес гравия - 4,2 т.

2. Объём древесины в деле - 0,421 м3.

3. Объём котлована - 2,2 м3.

5.21. В сырых и болотистых, но не заливаемых водой местах, в деревянном основании вместо бревенчатого настила могут устанавливаться бетонные или железобетонные балки.

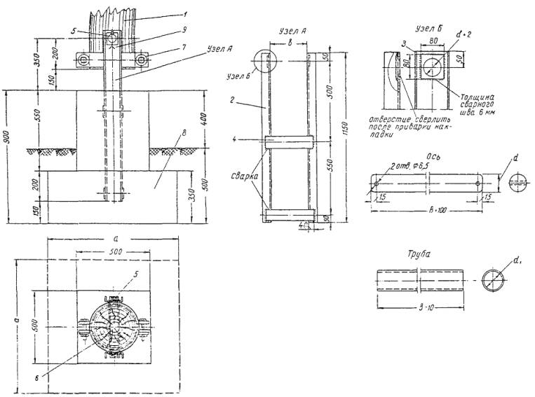
5.22. В местах, заливаемых водой, а также при необходимости установки невысоких мачт на размываемых водой островах, мачты могут устанавливаться на двух железобетонных сваях в стальных обсадных трубах, как указано на рис. 5.5.

Рис. 5.3. Основание деревянное с настилом для мачт высотой до 40 м


Рис. 5.4. Фундамент бетонный для деревянных мачт высотой до 53 м


Рис. 5.5. Мачта на железобетонных сваях

Таблица 5.2

Спецификация деталей бетонного фундамента (рис. 5.4)

№ пп.

Наименование

Количество

Материал

Необходимое количество материала кг

1

Мачта

-

-

 

2

Стойка

2

Швеллер № 12

28

3

Накладка

2

Ст. 3, полосовая 6 ´ 80

0,61

4

Планка

4

Ст. 3, полосовая 6 ´ 80

 

5

Ось

1

Ст. 3, круглая

 

6

Труба газовая усиленная

1

-

 

7

Хомут двухушковый

1

-

 

8

Фундамент

1

Бетон марки 200

 

9

Шплинт 6 ´ 70

2

 

 

Стальные обсадные трубы (ГОСТ 632-57) из стали марки «А» диаметром 219 мм и толщиной стенки 12 мм собираются из секций длиной 4 и 2 м, соединяемых муфтами, и при помощи станка ударно-канатного бурения типа БУ-20-2 забиваются в плотный грунт на глубину 4 ¸ 6 м.

Из труб выкачивается вода и внутри их устанавливаются сварные арматурные каркасы, состоящие из восьми стальных прутков периодического профиля марки Ст. 5 диаметром 20 ¸ 24 мм, после чего весь внутренний объем труб тщательно заполняется бетоном марки 300 на мелкозернистом гравии (щебне).

Мачты к сваям крепятся при помощи проволочных хомутов и двух стальных болтов диаметром 30 мм.

При установке мачт в речных протоках необходимо устраивать ледорезы или другие устройства, предохраняющие сваи и мачты от повреждений во время ледохода.

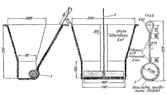
5.23. Якоря мачт делают железобетонные (рис. 5.6), детали якорей приведены в табл. 5.4 и 5.5. В сухих, не заливаемых водой местах допускается установка деревянных якорей мачт с применением металлической тяги (рис. 5.7 и 5.8). Лежень деревянного якоря должен быть пропитан антисептиком и покрыт битумом марки 4 (2 слоя). Спецификация деталей деревянного якоря приведена в табл. 5.6 и 5.7.

5.24. Металлическая тяга якорей для предохранения от коррозии на всей зарываемой в землю части и на расстоянии 0,5 м выше уровня земли должна быть обмазана битумом марки 4, обмотана лентой из мешковины и снова покрыта битумом. Надземная часть тяги покрывается масляной краской в два слоя.


Таблица 5.3

Размеры деталей бетонных фундаментов (рис. 5.4)

№ пп.

Высота мачты м

Размеры мм

Планка

Ось

Труба

Объём бетона м3

а

b

d

d1

размеры заготовки мм

необходимое количество материала кг

размеры заготовки мм

необходимое количество материала кг

длина заготовки мм

необходимое количество материала кг

1

16,7 ¸ 18,7

800

210

40

41

6 ´ 80 ´ 290

4,4

40 ´ 310

3,1

Æ 1,5" ´ 200

0,20

0,37

2

21,2

800

250

40

41

6 ´ 80 ´ 330

5,0

40 ´ 350

3,5

Æ 1,5" ´ 240

0,24

0,37

3

24,4 ¸ 29,4

800

270

50

53

6 ´ 80 ´ 350

5,3

50 ´ 370

5,7

Æ 2" ´ 260

0,26

0,37

4

31,4

800

290

50

53

6 ´ 80 ´ 370

5,6

50 ´ 390

6,1

Æ 2" ´ 280

0,28

0,37

5

33,6 ¸ 46,8

900

310

60

68

6 ´ 80 ´ 390

5,9

50 ´ 410

9,2

Æ 2,5" ´ 280

0,30

0,43

6

48,3 ¸ 51,8

900

330

60

68

6 ´ 80 ´ 410

6,2

60 ´ 430

9,6

Æ 2,5" ´ 320

0,32

0,43

Примечание. Глубина заложения фундамента 500 мм от поверхности земли принята для гравия крупно- и среднезернистых песчаных грунтов независимо от уровня грунтовых вод, а для супесчаных, суглинистых и глинистых грунтов при условии расположения грунтовых вод ниже 2 м от расчётной глубины промерзания.


Рис. 5.6. Якорь железобетонный

Рис. 5.7. Якорь деревянный на 1,4 т

Рис. 5.8. Якорь деревянный на 3,6 т

Таблица 5.4

Спецификация деталей железобетонного якоря (рис. 5.6)

№ пп.

Наименование

Количество

Материал

1

Плита

1

Железобетон

2

Арматура верхняя

16

Ст. 3

3

Арматура нижняя

6

Ст. 3

4

Петля

1

Ст. 3

5

Плитка d = 10

1

Ст. 3

6

Тяга

1

Ст. 3

7

Скоба СК-16

1

Ст. 3

8

Болт с гайкой и шплинтом М 24 ´ 60

1

Ст. 3

Примечания: 1. Плита якоря изготовляется из бетона марки 200.

2. Арматуру сваривают точечной сваркой на шаблонах.

3. При сварке петли с плиткой толщина сварных швов 8 мм.

Таблица 5.5

Размеры деталей железобетонного якоря (рис. 5.6)

Тип якоря

Вырывающее усилие т

Плита мм

Плитка, мм

Арматура мм

Петля мм

Тяга, мм

h3

Объём бетона м3

Вес плиты кг

А

Б

В

Г

а

а1

б

d

D¢1

L

D

1

3,2

600

100

200

200

540

520

150

6

12

3000

12

1,8

0,036

90

2

6,0

800

120

250

275

740

720

200

8

16

3000

16

2,0

0,077

193

3

8,5

800

120

250

275

740

720

200

8

20

3300

20

2,2

0,077

193

4

13,3

1200

140

250

425

1120

1100

200

10

20

3300

20

2,4

0,200

500

Таблица 5.6

Спецификация деталей деревянного якоря на 1,4 т (рис. 5.7)

пп.

Наименование

Количество

Материал

Необходимое количество материала м3

1

Лежень Æ 240, l = 1400

1

Сосна III сорт

0,07

2

Тяга Æ 20, l = 4500

1

Ст. 3, круглая

11,5

3

Шайба 100 ´ 100 ´ 5

2

Ст. 0, листовая

0,646

4

Гайка М20

2

Ст. 3

0,154

Примечания: 1. Объём котлована 2,3 м3.

2. Концы тяги нарезают на длину 25 мм, ставят шайбу, завёртывают гайки и затем забивают резьбу.

Таблица 5.7

Спецификация деталей деревянного якоря на 3,6 т (рис. 5.8)

№ пп.

Наименование

Количество

Материал

Необходимое количество материала

1

Лежень Æ 280, l = 1600

1

Сосна II сорт

0,112 м3

2

Тяга Æ 24, l = 3500

1

Ст. 3, круглая

15,1 кг

3

Прокладка 60 ´ 710 ´ 4

1

Ст. 0, листовая

1,4 кг

5.25. При засыпке котлована грунт тщательно трамбуют слоями толщиной 20 см с одновременным поливом водой.

5.26. Диаметры стальных канатов для оттяжек мачты выбирают согласно п. 4.8.

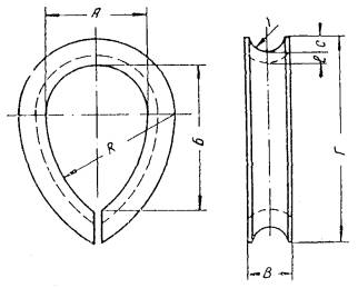
5.27. Для предохранения каната оттяжки от перетирания её крепят к мачте или якорю с применением стального оцинкованного коуша (рис. 5.9). Размеры коушей приведены в табл. 5.8.

Рис. 5.9. Коуш

Петля под коуш сплетается (при конструкции каната по ГОСТ 3069-55; 3070-55) или скручивается из каната (при конструкции его по ГОСТ 3062-55) согласно приложению 5 и рис. 5.10 и 5.11.

Длина сплётки каната должна быть не менее 6,5 пробивок, длина скрутки должна обеспечивать закрутку по 6 витков каждой проволоки каната.

Рис. 5.10. Изготовление петель жёстких канатов

Изготовление петли каната оттяжки для крепления её к мачте путём установки на канате болтовых зажимов не допускается.

5.28. Оттяжки из мягких канатов по длине сращиваются путём сплётки, а жёсткие 7-проволочные - путём скрутки с применением коуша. Размещать сплётки или скрутки ближе 3 м от якоря не допускается.

Таблица 5.8

Размеры коушей (рис. 5.9)

Тип коуша

Диаметр каната (Д) мм

Размеры, мм

Вес кг

А

Б

R

В

Г

r

l

С

К-3,9

3,6 ¸ 3,9

10

15

13

7

24

2,5

2

2,5

0,006

К-4,7

3,9 ¸ 4,7

14

20

16

8

31

3,0

3

3,0

0,011

К-5,5

4,7 ¸ 5,5

18

25

20

8

38

3,0

3

3,0

0,019

К-6,6

5,5 ¸ 6,6

22

30

24

10

45

4,0

4

4,0

0,033

К-7,8

6,6 ¸ 7,8

26

35

20

12

52

5,0

4

5,0

0,044

К-9,5

7,8 ¸ 9,5

30

45

38

14

65

6,0

4

6,0

0,067

К-11

9,5 ¸ 11

35

50

39

16

73

6,0

5

6,0

0,118

К-13

11 ¸ 13

40

55

40

20

82

7,0

6

7,0

0,214

К-15

13 ¸ 15

45

65

52

23

98

8,0

7

8,0

0,314

К-17

15 ¸ 17

50

70

54

24

106

9,0

8

9,0

0,423

К-18,5

17 ¸ 18,5

55

80

65

27

122

10,0

9

10,0

0,582

К-20,5

18,5 ¸ 20,5

60

90

76

29

137

11,0

10

12,0

0,895

К-22,5

20,5 ¸ 22,5

65

100

87

32

152

12,0

10

13,0

1,000

К-24,5

22,5 ¸ 24,5

70

110

99

34

166

13,0

11

14,0

1,350

Рис. 5.11. Изготовление петель и сращивание мягких канатов

Сращивать оттяжки по длине путём установки болтовых зажимов запрещается.

5.29. Длины канатов оттяжек определяют по вычерченной в масштабе схеме мачты с учётом запаса длины (0,5 м для изготовления петли в месте крепления её у мачты и 2 ¸ 3 м для возможности последующего регулирования её длины на якоре).

5.30. Оковка для мачт: серьги (рис. 5.12), скобы (рис. 5.13) изготовляются из стали марки Ст. 3, спецификация и размеры этих деталей приведены в табл. 5.9 и 5.10.

Для шайб, коушей и т.д. применяется сталь марки Ст. 0.

Таблица 5.9

Спецификация деталей серьги (рис. 5.12)

№ пп.

Наименование

Количество

1

Серьга

1

2

Заклёпка Æ 16

1

3

Шплинт l = 20

1

4

Шайба под болт Æ 16

1

Таблица 5.10

Спецификация скоб (рис. 5.13)

Тип скобы

Размеры, мм

Размеры заготовки мм

Вес кг

а

d

b

СС-16

400

16

100

16 ´ 540

0,855

СС-12

300

12

80

12 ´ 420

0,36

5.31. Металлические детали, соприкасающиеся с древесиной мачты, за исключением резьбы болтов, должны быть оцинкованы или же окрашены масляной краской или кузбасслаком в 2 слоя.

Резьбы болтов тщательно смазываются солидолом.

5.32. Все детали, соприкасающиеся с оцинкованными канатами (коуши, зажимы и пр.), должны быть также оцинкованы.

5.33. Подмачтовые опоры устанавливают полуанкерного типа с укреплением их подпорами или оттяжками (рис. 5.14 и 5.15). При отсутствии изоляторов типа П-3 (ГОСТ 6490-53) их можно заменить изоляторами типа ИТ-3 или орешковыми изоляторами (ГОСТ 3536-41).

5.34. Якоря для оттяжек подмачтовых опор или натяжных канатов могут быть железобетонными или деревянными. Деревянные якоря, предварительно пропитанные антисептиком и покрытые двумя слоями битума марки 4, устанавливают в сухих местах, не заливаемых водой.

Рис. 5.12. Серьга

Рис. 5.13. Скоба строительная

В заливаемых водой местах и при высоком уровне грунтовых вод применяют железобетонные якоря.

5.35. Конструкция крепления концов натяжных канатов на деревянном якоре показана на рис. 5.16. К одному деревянному якорю можно крепить не более двух канатов.

5.36. При укладке якоря в котлован укреплённые на якоре концы канатов следует распрямить и вытянуть, для чего в бортах котлована прорывают наклонные канавки для канатов.

Рис. 5.14. Крепление проводов на подмачтовой опоре при переходах длиной более 250 м

5.37. При закопке котлована подмачтового якоря грунт тщательно трамбуют слоями в 20 см и одновременно поливают водой.

Рис. 5.15. Крепление проводов на подмачтовой опоре при переходах длиной до 250 м

5.38. Если длина пролёта мачтового перехода не более 250 м, то переходные канаты можно крепить непосредственно на подмачтовой опоре, как показано на рис. 5.15.

Рис. 5.16. Конструкция крепления натяжного каната

6. СБОРКА МАЧТ

6.1. Сборку мачты производят в следующей очерёдности: на выровненной площадке устанавливают фундамент мачты и якоря так, чтобы они находились в одной горизонтальной плоскости. Допускается их расположение в плоскости, отклонённой от горизонтальной не более чем на 5°.

В направлении одного из якорей должна быть достаточно ровная площадка длиной, допускающей выкладку мачты, а в противоположном направлении (у якоря) - допускающей установку лебёдки для подъёма мачты. Если мачта поднимается трактором, последний должен передвигаться по направлению оси выложенной мачты.

6.2. При отсутствии у якоря места для установки подъёмной лебёдки или движения трактора изменение направления подъёмного каната производится на отводном ролике (блоке грузоподъёмностью 2 ¸ 3 т), установленном на продолжении оси выложенной мачты, в направлении её подъёма на расстоянии, равном высоте стрелы + 0,5 м, считая от оси вращения мачты. Схема выкладки мачты и места установки отводного ролика дана на рис. 6.1.

Рис. 6.1. Схема выкладки мачты и места установки отводного ролика

6.3. В направлении одного из якорей на подкладках или на козлах выкладывают мачту. Козлы (подкладки) расставляются через 3 ¸ 5 м друг от друга так, чтобы каждое бревно мачты лежало на двух козлах и не имело бы заметного на глаз прогиба.

6.4. Брёвна мачты выкладывают так, чтобы они лежали по одной оси и сопрягались «комель с комлем, вершина с вершиной», причём верхнее бревно мачты всегда должно стоять комлем вверх. Нижнее бревно мачты укрепляют на одном из опорных болтов основания мачты или на подушке (в случае основания с настилом).

6.5. Выложенные на козлы (подкладки) брёвна соединяют между собой при помощи косого затяжного зуба и стыки брёвен затягивают клиньями. На каждый стык брёвен надевают четыре хомута (рис. 6.2), спецификация которых дана в табл. 6.1, а размеры в табл. 6.2.

Рис. 6.2. Хомут двухушковый

Рис. 6.3. Расстановка хомутов на стыке и крепление оттяжек

Два хомута устанавливают по концам стыка так, чтобы они перекрывали щель стыка на 1/3 ширины хомута, а другие два хомута с прикреплёнными к ним оттяжками развёртывают между собой на 90° и устанавливают в середине стыка брёвен рядом с затягивающими стык клиньями так, чтобы эти хомуты не закрывали клиньев. Расстановка хомутов на стыке брёвен показана на рис. 6.3.

Таблица 6.1

Спецификация деталей хомута (рис. 6.2)

№ пп.

Наименование

Количество

Материал

1

Скоба

2

Ст. 3

2

Болт

2

Ст. 3

3

Гайка

2

Ст. 3

4

Шайба

2

Ст. 3

6.6. На вершине мачты устанавливают шпиль молниеотвода (рис. 6.4).

Монтаж молниеотвода проводят следующим образом:

а) шпиль молниеотвода лудят или окрашивают масляной краской;

б) к нижнему концу шпиля припаивают или приваривают две стальные оцинкованные проволоки диаметром 5 мм, которые не свивают, а плотно прикладывают друг к другу и к мачте. Проволоки молниеотвода крепят к мачте скобами из оцинкованной проволоки Æ 4 - 5 мм (рис. 6.5), которые ставят через каждые 30 ¸ 40 см вдоль мачты;

в) от основания мачты в противоположные стороны роют две канавки глубиной 0,7 м и длиной 10 м, в которые после установки мачты укладывают по одной проволоке молниеотвода.

6.7. После установки всех хомутов и предварительной (не сильной) затяжки их болтов, подбивают клинья, затягивающие стык. Выступающие концы клиньев отпиливают, вторично выверяют прямолинейность мачты, и все болты хомутов затягивают до отказа.

Диаметр хомута должен соответствовать диаметру бревна мачты. Просвет между ушками хомута после затяжки болтов должен быть 40 - 50 мм.

Рис. 6.4. Шпиль молниеотвода для мачты

Рис. 6.5. Скоба для крепления проволок молниеотвода


Таблица 6.2

Размеры хомута и его деталей (рис. 6.2)

№ пп.

Тип хомута

Размеры, мм

Скоба

Болт

Гайка

Шайба

Общий вес хомута кг

D

R

б

В

Г

d

А

Б

Е

С

длина двух половин заготовок мм

вес двух половин заготовок кг

размер мм

вес двух штук кг

размер мм

вес двух штук кг

размер мм

вес двух штук кг

1

ХД-160

160

84

4

50

10

18

290

230

20

30

690

2,71

M16 ´ 90

0,372

М16

0,086

М16

0,031

3,17

2

ХД-180

180

94

4

50

10

18

310

250

20

30

755

2,96

M16 ´ 90

0,372

М16

0,086

М16

0,031

3,42

3

ХД-200

200

104

4

75

12

22

340

280

22

30

830

5,85

М20 ´ 100

0,653

М20

0,154

М20

0,055

6,66

4

ХД-220

220

114

4

75

12

22

360

300

22

30

885

6,25

М20 ´ 100

0,653

М20

0,154

М20

0,055

7,07

5

ХД-240

240

125

5

75

12

22

385

325

22

30

970

6,85

М20 ´ 100

0,653

М20

0,154

М20

0,055

7,66

6

ХД-260

260

135

5

75

12

22

405

345

22

30

1025

7,25

М20 ´ 100

0,653

М20

0,154

М20

0,055

8,06

7

ХД-280

280

145

5

100

16

26

455

385

25

35

1110

14,00

М24 ´ 120

1,072

М24

0,229

М24

0,071

15,30

8

ХД-300

300

155

5

100

16

26

480

410

25

35

1200

15,10

М24 ´ 120

1,072

М24

0,229

М24

0,071

16,40

9

ХД-320

320

166

6

100

16

26

500

430

25

35

1250

15,70

М24 ´ 120

1,072

М24

0,229

М24

0,071

16,90

10

ХД-340

340

176

6

100

16

26

520

450

25

35

1340

16,80

М24 ´ 120

1,072

М24

0,229

М24

0,071

17,75

11

ХД-360

360

186

6

100

16

26

540

470

25

35

1400

17,60

М24 ´ 120

1,072

М24

0,229

М24

0,071

18,97


6.8. Нa мачте в шахматном порядке устанавливают ступеньки из крюков через каждые 40 ¸ 45 см. Первую ступеньку ставят на расстоянии не менее трёх метров от фундамента.

6.9. Вершина мачты оборудуется в соответствии с рис. 6.6. Отдельные детали и узлы крепления показаны на рис. 6.7 - 6.13.

Для подвески переходного каната на вершине мачты до её подъёма крепят кронштейны с блоками. В блоки пропускают тонкие стальные или пеньковые вспомогательные канаты, при помощи которых после подъёма мачты в блоки перетягивают переходные канаты.

Кронштейны должны быть окрашены масляной краской в два слоя. Изоляторы подвешивают к кронштейнам до подъёма мачты.

6.10. Боковые оттяжки мачты (рис. 6.14) расправляют и крепят при помощи двухболтовых зажимов (рис. 6.15) к боковым якорям. Спецификация и размеры зажимов приведены соответственно в табл. 6.3 и 6.4.

Таблица 6.3

Спецификация деталей двухболтовых зажимов (рис. 6.15)

№ пп.

Наименование

Количество

Материал

1

Планка

2

Ст. 0

2

Болт

2

Ст. 3

3

Гайка

2

Ст. 3

6.11. На двух верхних ярусах оттяжек у якорей должно быть установлено не менее 4 двухболтовых зажимов на каждой оттяжке, а на остальных ярусах оттяжек - не менее 3 зажимов.

Число зажимов других конструкций определяется так, чтобы число их болтов было не менее 8 на двух верхних ярусах и не менее 6 на остальных ярусах оттяжек.

6.12. Нижние (задние по направлению подъёма мачты) оттяжки сворачивают в бухты и укладывают на земле у стыка.

6.13. Передние (идущие в сторону подъёмной стрелы) оттяжки раскатывают и укладывают вдоль ствола мачты поверх боковых оттяжек.

6.14. Канаты для переходных проводов, для подъёма верхолаза (верхолазный) и др., пропущенные в укреплённые на мачте блоки (ролики), также раскатывают и укладывают вдоль ствола мачты.

Рис. 6.6. Конструкция вершины мачты

Рис. 6.7. Кронштейн для крепления проводов к мачте:

1 - упор (1 шт.); 2 - косынка (1 шт.); 3 - тяга (2 шт.)

Рис. 6.8. Подвесной изолятор типа П-3

Рис. 6.9. Ролик для подвески провода на мачту

Рис. 6.10. Узел крепления изолятора типа П-3 к кронштейну:

1 - кронштейн; 2 - палец Æ 18, l = 30 мм; 3 - шайба Æ 18; 4 - шплинт Æ 5 ´ 30; 5 - звено переходное, 6 - палец Æ 18, l = 45 мм; 7 - стержень изолятора; 8 - изолятор

Рис. 6.11. Планка переходного звена (2 шт.)

Рис. 6.12. Палец переходного звена:

а - верхний, б - нижний

Рис. 6.13. Ушко двухлапчатое для крепления ролика к изолятору П-3

Рис. 6.14. Схема выкладки мачты и стрелы на земле:

1 - мачта, 2 - фундамент, 3 - боковые оттяжки, 4 - передние оттяжки мачты, 5 - стрела, 6 - планка на конце стрелы, 7 - боковые оттяжки стрелы, 8 - подъёмный канат

Рис. 6. 15. Зажим двухболтовый:

1 - планка, 2 - болт, 3 - гайка

7. ПОДЪЕМ МАЧТ

7.1. Подъём мачты в вертикальное положение производится после сборки мачты с помощью вращающейся стрелы по схемам, приведённым на рис. 7.1 и 7.2 (см. вклейки).


Рис. 7.1. Схема подъёма деревянной мачты высотой до 17 м:

1 - стрела, 2 - якоря для крепления лебёдки и тормозных канатов, 3 - временный якорь (на 2 т) для нижнего блока полиспаста, 4 - лебёдка грузоподъёмностью 2 т, 5 - подъёмный канат d = 9,3 мм (ГОСТ 3070-55), 6 - оттяжка мачты, 7 - якорь мачты, 8 - оттяжка стрелы d =7,7 мм (ГОСТ 3070-55), 9 - тяговые канаты d = 7,7 мм (ГОСТ 3070-55), 10 - нижний блок полиспаста (трёхрольный на 2 т), 11 - тормозные канаты d = 7,7 мм (ГОСТ 3070-55), 12 - козлы или подкладки, 13 - верхний блок полиспаста на 2 т

Рис. 7.2. Схема подъёма деревянной мачты высотой до 45 м:

1 - стрела, 2 - ось вращения стрелы, 3 - временный якорь (на 4 т) для нижнего блока полиспаста, 4 - якоря для лебёдки, 5 - нижний блок полиспаста (трехрольный на 4 т), 6 - лебедка грузоподъемностью на 2 т, 7 - подъемный стальной канат d = 12,5 см (ГОСТ 3070-55), 8 - оттяжка стрелы d = 7,7 мм (ГОСТ 3070-55), 9 - тяговые канаты d = 9,3 мм (ГОСТ 3070-55), 10 - канат крепления основания мачты d = 12,5 мм (ГОСТ 3070-55), 11 - верхние и нижние оттяжки мачты, 12 - якорь мачты, 13 - боковые оттяжки мачты, 14 - тормозные канаты d = 9,2 мм (ГОСТ 3070-55), 15 - козлы или подкладки, 16 - якоря для тормозных канатов, 17 - верхний блок полиспаста (двухрольный на 4 т)


7.2. Высота вращающейся стрелы выбирается равной 0,25 ¸ 0,35 от длины мачты с диаметром бревна в вершине не меньше 18 см.

Рис. 7.3. Схема установки стрелы на подушке при основании мачты с настилом:

1 - мачта, 2 - подушка, 3 - настил, 4 - стрела, 5 - шип на конце стрелы, 6 - паз в подушке для шипа стрелы, 7 - скоба строительная

7.3. При деревянном основании мачты с настилом на нижнем конце стрелы делают шип высотой 5 см и размером 6 ´ 8 см, а на подушке мачты - паз, соответствующий шипу (рис. 7.3).

Рис. 7.4. Установка стрелы на основание мачты:

1 - основание стрелы, 2 - клин, 3 - ось мачты, 4 - мачта, 5 - фундамент бетонный, 6 - скоба строительная

Стрела устанавливается на мачту у основания и имеет с ней общую ось вращения (рис. 6.1 и 7.4).

Если фундамент бетонный, то на стреле крепят две планки согласно рис. 7.5.

7.4. Стрелу выкладывают на земле у основания мачты под углом 80 - 85° к последней, как это указано на рис. 6.14.

7.5. На вершине стрелы устанавливают два хомута, развёрнутые между собой на 90° (рис. 7.6).

На один болт верхнего хомута надевают серьгу с коушами, на которые при помощи зажимов крепят все передние оттяжки мачты. Число зажимов на каждой передней оттяжке должно быть не менее трёх.

К другому болту верхнего хомута стрелы подвешивают блок полиспаста (рис. 7.7, приложение 4) и пропускают через него подъёмный канат, при помощи которого поднимают мачту.

7.6. Один конец подъёмного каната, пропущенного через блок стрелы, крепится при помощи четырёх зажимов на якоре отводного ролика (рис. 6.1) или на якоре нижнего блока полиспаста (рис. 7.1 и 7.2), а второй конец подъёмного каната проходит через отводный ролик или блок полиспаста и идёт к подъёмной лебёдке или трактору.

7.7. Передние оттяжки мачты, прикреплённые к вершине стрелы, должны иметь равномерное натяжение.

Для регулирования натяжения оттяжек на них у якорей устанавливают винтовые стяжки (рис. 7.8 и 7.9). Винтовые стяжки окрашивают масляной краской или асфальтовым лаком в два слоя. Резьбу покрывают солидолом. Спецификация и размеры деталей винтовых стяжек приведены в табл. 7.1 и 7.2.

7.8. К нижнему хомуту, установленному на вершине стрелы, крепят два каната. Эти канаты позволяют регулировать положение стрелы в вертикальной плоскости во время подъёма мачты и предохраняют её от опрокидывания.

7.9. Стрелу устанавливают на нижнем конце мачты так, чтобы прорези планок (рис. 7.5) охватили ось вращения мачты (рис. 7.3) при бетонном фундаменте или шип на торце стрелы плотно вошёл в вырубленный на подушке паз при деревянном основании мачты (рис. 7.4).

Таблица 7.1

Спецификация деталей винтовой стяжки (рис. 7.8)

№ пп.

Наименование

Количество

Материал

1

Труба газовая усиленная

1

Сталь

2

Винт

2

Ст. 3

3

Гайка

2

Ст. 3

Рис. 7.5. Оконцовка стрелы

Рис. 7.6. Крепление канатов на вершине стрелы:

1 - вершина стрелы, 2 - хомут, 3 - серьга, 4 - коуш, 5 - передние оттяжки мачты, 6 - зажимы, 7 - блок, 8 - подъемный канат, 9 -боковая оттяжка стрелы

Рис. 7.7. Блоки:

а - однорольные, б - двухрольные, в - трёхрольные

Рис. 7.8. Винтовая стяжка, изготовленная из трубы

Рис. 7.9. Винтовая стяжка

Таблица 7.2

Размеры деталей винтовой стяжки (рис. 7.8)

Допускаемая нагрузка, т

Тип

Размеры, мм

Вес трубы, кг

Вес, кг

А

А

2

Dнap

Dвн

Амакс

Б

А0

В

а

М

Е

R

D1

Г

D0

H

1

CB-1

100

200

26,78

19

246

220

185

35

4

14

14

22

20

44

8

25

0,81

1,6

2

СВ-2

500

250

33,50

25

305

275

235

40

5

18

18

25

22

50

8

30

1,45

3,0

2,5

СВ-2,5

600

300

42,25

33

364

330

285

45

6

20

20

28

22

56

10

35

2,26

4,3

3,5

СВ-3,5

700

350

48,00

39

440

395

335

60

10

24

24

35

30

70

10

40

3,22

6,8

Основание стрелы крепят к мачте двумя или четырьмя строительными скобами, а вершину её двумя канатами крепят к боковым якорям.

Если мачта установлена на сваях, стрелу устанавливают так же, как и для мачты с бетонным фундаментом (рис. 7.4). Для этого на вкладыше мачты следует предусмотреть выемки для планок основания стрелы (рис. 7.5).

7.10. Во избежание смещения или перекоса фундамента мачты во время её подъёма фундамент крепят стальным канатом к якорю, расположенному у выложенной на козлах мачты (рис. 7.10).

7.11. Перед началом подъёма мачты бригадир, отвечающий за производство работ, расстанавливает людей, инструктирует каждого рабочего, поясняет подаваемые команды (и повторяющие их сигналы флажками) и проводит инструктаж по технике безопасности.

7.12. При подъёме мачты рабочие расстанавливаются следующим образом:

а) у лебёдки становятся 2 - 4 человека (в зависимости от грузоподъёмности лебёдки и высоты мачты),

б) 2 человека становятся у боковых якорей для контроля натяжения боковых оттяжек и регулирования прямолинейности мачты во время её подъёма,

в) 1 - 2 человека, в том числе и помощник бригадира, остаются в распоряжении бригадира.

7.13. Перед началом подъёма мачты бригадир должен проверить:

а) прямолинейность выкладки мачты на козлах;

б) правильность и надёжность сопряжения тела мачты со стрелой, а также качество затяжки хомутов на стыках;

Рис. 7.10. Эскиз крепления основания при подъёме мачты:

а - при деревянном основании с настилом, б - при бетонном фундаменте

в) натяжение подъёмных и боковых канатов и их крепление к мачте, стреле и к якорям;

г) надёжность крепления оттяжки, предохраняющей фундамент мачты от смещения или опрокидывания;

д) правильность установки подъёмной лебёдки и закрепление подъёмного каната;

е) количество зажимов на оттяжках и надёжность их крепления, а также отсутствие оседаний, перекосов или выпучиваний у фундаментов и якорей.

7.14. Для проверки сохранения прямолинейности мачты во время подъёма, надёжности всех креплений в работе механизмов производят пробный подъём мачты так, чтобы верхний конец мачты поднялся на высоту 0,5 ¸ 1,0 м от крайнего козла. В таком положении мачту оставляют в течение 10 ¸ 15 мин. Прогиб ствола мачты допускается только вниз не более чем на 1/200 высоты мачты.

7.15. При обнаружении каких-либо недостатков мачту опускают на козлы, устраняют недостатки и повторяют пробный подъём. Прогиб мачты устраняют путём регулирования длины укреплённых на стреле канатов.

7.16. Во время пробного подъёма мачты задние оттяжки, свёрнутые в бухты, раскатывают на земле в сторону своих якорей, чтобы при дальнейшем подъёме мачты они свободно поднимались, не цепляясь за другие канаты, деревья, кустарники и пр.

7.17. После пробного подъёма мачты, регулирования её прямолинейности и устранения всех недостатков производится дальнейший подъём мачты на тихом ходу.

7.18. Мачта, стрела и подъёмные канаты во время подъёма должны находиться в одной вертикальной плоскости. Это достигается регулированием боковых оттяжек мачты и стрелы. Способ регулирования оттяжек при отсутствии на них винтовых стяжек указан в пп. 7.30 и 7.31.

7.19. Как только мачта становится к горизонту под углом 60°, задние оттяжки заводятся на соответствующие якоря. При дальнейшем подъёме помощник бригадира производит этими оттяжками лёгкое подтормаживание поднимаемой мачты (плавно и без рывков, перепуская оттяжки на якоре), чтобы избежать опрокидывания её в сторону лебёдки под действием веса стрелы.

7.20. После того как между осью мачты и горизонтом образуется угол порядка 85° ¸ 87°, подъём мачты прекращается.

7.21. По окончании подъёма мачты передние оттяжки, укреплённые до этого на стреле, поочерёдно переводятся на свои якоря.

7.22. На всех оттяжках, в том числе и на боковых и задних, устанавливается полный комплект зажимов с нормальной затяжкой их болтов.

7.23. После окончания подъёма стрелу освобождают от мачты и демонтируют.

7.24. Все рабочие бригады во время подъёма мачты должны постоянно находиться у своих рабочих мест, точно и быстро выполнять указания бригадира по работе и предписания по технике безопасности.

Оставлять своё рабочее место можно только с разрешения бригадира.

7.25. После того как подъем мачты окончен и оттяжки на якорях надёжно закреплены, регулируют прямолинейность и вертикальность мачты.

7.26. Если высота мачты не превышает 35 м, то регулировка производится с помощью отвеса (рис. 7.11), если же более 35 м, - то с помощью теодолита.

7.27. Регулирование прямолинейности мачты начинают с наиболее выпучившегося узла.

7.28. Регулирование вертикальности мачты производят снизу вверх, начиная с нижнего узла крепления оттяжек к мачте.

Рис. 7.11. Отвес для регулирования мачт:

1 - кронштейн, 2 - шпагат (проволока) с грузом, 3 - ведро с водой

Рис. 7.12. Последовательность регулирования мачты

7.29. Регулирование прямолинейности и вертикальности мачты производят в следующем порядке:

а) рабочий, имеющий теодолит или отвес, становится в точку А и определяет необходимое перемещение узла крепления оттяжки (рис. 7.12); с помощью винтовых стяжек в оттяжках 1 и 3 переводит регулируемый узел из положения а в положение б;

б) затем рабочий с отвесом переходит в пункт Б и оттяжками 2 и 4 этот же узел переводит из положения б в положение о.

При регулировании мачты, когда требуется укоротить или подтянуть какую-либо оттяжку, необходимо предварительно ослабить противоположную.

7.30. Ослабление тяжения оттяжки и её удлинение производят путём ослабления затяжки болтов зажимов (с оставлением последних на оттяжке) и пропускании каната оттяжки сквозь зажимы.

7.31. Подтягивание оттяжки и её укорочение проводят путём установки у якоря дополнительной винтовой стяжки по схеме рис. 7.13.

Рис. 7.13. Схема подтягивания оттяжки дополнительно установленной винтовой стяжкой:

1 - тяга якоря, 2 - оттяжки, 3 - винтовая стяжка, 4 - серьга, 5 - коуш, 6 - зажимы, 7 - строп

Раскрученную на всю длину винтовую стяжку с укреплённым на ней стропом при помощи серьги крепят к якорю, а строп при помощи трёх зажимов крепят к укорачиваемой оттяжке.

При закручивании винтовой стяжки узел крепления стропа с оттяжкой подтягивается к якорю, тем самым натягивая канат оттяжки и одновременно переводя регулируемый узел мачты на необходимую величину в сторону укорачиваемой оттяжки.

Затяжку болтов зажимов, установленных на укорачиваемой оттяжке, ослабляют и путём перетягивания в зажимах каната оттяжки устраняют появившуюся при закручивании винтовой стяжки слабину каната.

Зажимы на оттяжке опять затягивают, винтовую стяжку раскручивают, освобождают от оттяжки и снимают с якоря.

7.32. При регулировании мачты оттяжками следует обращать особое внимание на правильное положение коушей на канатах оттяжек у якорей.

7.33. Применять скользящие зажимы (лапки, лягушки и пр.) для закрепления оттяжек при подъёме мачты или стропов к канатам оттяжек при регулировании мачты запрещается.

Все временные (монтажные) соединения канатов должны осуществляться с помощью двухболтовых зажимов, число которых в каждом соединении канатов должно быть не менее трёх.

7.34. Нормальное тяжение оттяжек мачт лежит в пределах 150 - 200 кг (в зависимости от диаметра канатов) и должно обеспечивать прямолинейность и вертикальность мачты без подвешенного переходного каната.

Свободно провисающие оттяжки должны быть подтянуты. Перетяжка оттяжек и вытягивание их в «струнку» без особых на то причин запрещается.

8. МОНТАЖ ПЕРЕХОДНЫХ КАНАТОВ

8.1. После установки мачт осуществляется подвеска переходных канатов. Для этой цели моток каната устанавливают на домкрат или надевают на тамбур, канат растягивают и вытягивают (провода типа ПАБ не вытягивают). После вытягивания отмеряют и отрезают нужную длину (в случае необходимости делают сросток).

При устройстве перехода через несудоходную реку вытягивать канат целесообразно после перекидки каната через реку.

8.2. Один из концов каната перевозят через реку на другой берег и подтаскивают его к основанию второй мачты. Одновременно первый конец переходного каната при помощи пенькового или стального вспомогательного каната верхолаз поднимает на первую мачту и пропускает его через блок. При судоходной реке работу целесообразнее начинать с того берега, ближе к которому находится фарватер. Второй конец каната также поднимают на мачту, пропускают там через блок и подтягивают к земле.

8.3. Около подмачтовых якорей устанавливают лебёдки с монтажным канатом длиной 80 - 100 м.

8.4. Переходный канат, пропущенный через блоки обеих мачт, соединяют зажимами с монтажными тросами, оставляя свободные концы переходного каната (длиной 2 - 3 м); обеими лебёдками подтягивают канат до требуемой стрелы провеса.

8.5. Подвешивать канат над судоходными реками можно следующим образом: сначала поднимают канат на мачту на первом берегу, и соединив с монтажным канатом, подтягивают его лебёдкой до положения, при котором место соединения переходного каната с монтажным доходит до уровня подмачтовой опоры. Затем второй конец каната перевозят на другой берег, поднимают на мачту и, наконец, как указывалось выше, натягивают до требуемой стрелы провеса.

8.6. Получив нужную стрелу провеса, свободные концы переходного каната (ниже соединения их с монтажным канатом и тросами) обводят вокруг коушей и закрепляют в таком положении зажимами. Коуш ставят около конечной вязки линейного провода на подмачтовых опорах и посредством серьги соединяют с изолятором, который предварительно укрепляется на натяжном канате или на подмачтовой опоре.

8.7. Монтажные канаты ослабляют с помощью лебедки и снимают с них зажимы.

8.8. Свободные концы переходного каната крепят к изоляторам подмачтовой опоры и соединяют с линейными проводами согласно рис. 5.14 и 5.15.

8.9. Проверяют надёжность установки зажимов, вертикальность и прямолинейность мачты и плотность засыпки якорей землёй.

8.10. Устройство перехода цепей из цветного металла можно осуществлять и стальными канатами, если при этом электрические характеристики уплотнённых цепей из цветного металла остаются в норме (не увеличивается значительно затухание цепи, коэффициент отражения в месте стыка и др.).

9. ЭКСПЛУАТАЦИЯ МАЧТОВЫХ ПЕРЕХОДОВ

9.1. Задача эксплуатации мачтовых переходов заключается в поддержании их в хорошем техническом состоянии и своевременном исправлении дефектов.

9.2. Особое внимание должно быть обращено на состояние мачтовых переходов во время и после сильных ветров, гололёда, а также половодья.

9.3. Мачты должны быть прямолинейны и вертикальны. В случае искривления ствола мачт или отклонения их вертикальности производится регулировка мачт, как указано в пп. 7.27 - 7.34.

При невозможности отрегулировать мачту существующими оттяжками должны быть установлены дополнительные оттяжки.

9.4. Если в переходных канатах или оттяжках обнаружено больше четырёх оборванных проволок на 1 пог. м, то они подлежат замене.

9.5. Через месяц после установки мачты необходимо засыпать образовавшиеся в грунте выемки и заново утрамбовать грунт вокруг якорей и фундамента.

9.6. Технические осмотры мачтового перехода проводят по графику, утверждённому начальником ЛТУ в следующие сроки:

Наименование работ

Периодичность

Внешний осмотр мачт и мачтового перехода с земли (в бинокль)

Еженедельно и особенно после сильных ветров, дождей, гроз и гололёда

Регулирование тяжения канатов и оттяжек мачтового перехода

2 раза в год, в начале лета и зимы

Осмотр оттяжек мачт, якорных канатов, якорей и фундамента мачты

1 раз в год

Смазка осей блоков, роликов, кронштейнов, резьб болтов и винтовых стяжек

1 раз в год

Регулирование прямолинейности и вертикальности мачт

2 раза в год (при регулировании тяжения оттяжек)

Осмотр мачт по высоте с проверкой надёжности крепления деталей

2 раза в год (весной и осенью)

Подтягивание болтов на хомутах и проверка качества стыков брёвен

а) в первый год установки мачты - 3 раза в год,

б) на второй год после установки мачты - 2 раза в год,

в) на третий год после установки мачты и далее - 1 раз в год

Допропитка антисептиком деревянных конструкций мачты и подмачтовой опоры

Не реже 1 раза в 3 года

Покрытие масляной краской в два слоя всех металлических деталей мачты, якорей и подмачтовой опоры

1 раз в 5 лет

Ремонт поверхности железобетонных фундаментов мачты, с очисткой всех трещин и сколов и затиркой их цементным раствором

1 раз в 3 года

Осмотр древесины мачт и подмачтовых опор с ремонтом загнивших и повреждённых мест

1 раз в год

10. РЕМОНТ МАЧТОВЫХ ПЕРЕХОДОВ

10.1. Все неисправности, выявленные при осмотре мачтового перехода, должны устраняться в кратчайший срок.

10.2. Об обнаруженных и не устраненных неисправностях лицо, проводящее осмотр мачтового перехода, должно доложить начальнику участка.

10.3. О всех ремонтных работах, проведённых на мачтовых переходах, должны быть сделаны записи в паспорте на переход с указанием даты произведённых работ и фамилии исполнителя или ответственного лица.

10.4. Руководство ремонтом мачтового перехода осуществляется начальником участка или бригадиром ремонтной бригады.

10.5. Приёмку оборудования мачтового перехода после ремонта должен проводить начальник участка.

10.6. Регулирование вертикальности и прямолинейности мачт производится согласно пп. 7.27 - 7.34.

10.7. Выправление выпучившегося бревна (рис. 10.1) производится путём установки дополнительной оттяжки. Для уменьшения вертикальных усилий в мачте целесообразно до начала регулирования ослабить тяжение оттяжек, лежащих выше выпучившегося бревна. После окончания регулировки все ослабленные оттяжки подтягивают до нормального тяжения.

Рис. 10.1. Выпрямление выпучившегося бревна мачты:

1 - временный хомут, 2 - дополнительная оттяжка, 3 - винтовая стяжка

10.8. Если при осмотре бревен мачты будет обнаружено гниение сучка древесины, то сучок следует высверлить, а в отверстие забить деревянную, обмазанную креозотом, пробку. Оставшиеся зазоры между пробкой и телом мачты следует зашпаклевать уралитовой пастой.

Участок мачты вокруг загнившего сучка допропитывают путём покрытия суперобмазкой или установкой бандажа.

10.9. Загнившие места мачты следует вырезать и сделать вставку из здоровой, пропитанной креозотом, древесины (рис. 10.2). Небольшие вставки укрепляют гвоздями, большие вставки - дополнительно установленными хомутами. Участок бревна вокруг вырезки допропитывают антисептиком. Щели между бревном и вставкой зашпаклёвывают уралитовой пастой. Вырезку делают так, чтобы глубина её не превышала 1/4 диаметра бревна мачты. Если глубина загнивания превышает 1/4 диаметра бревна, то мачта подлежит замене.

10.10. С помощью тонкого специального бурава сверлят отверстие и определяют район и глубину загнивания сердцевины бревна. После этого проводят допропитку загнившего места, заливая внутрь бревна через высверленные отверстия креозот.

Рис. 10.2. Вырезка загнившего места бревна мачты

10.11. Мачта, у которой диаметр загнившей сердцевины более 1/3 диаметра бревна, подлежит замене.

10.12. Если загнил настил основания мачты, то его откапывают и поочерёдно заменяют в нём каждое бревно с последующей подбивкой щебня под заменённый настил.

Рис 10.3. Смена подушки основания мачты с настилом:

1 - мачта, 2 - болт М20, 3 - подпоры, 4 - подушка, 5 - настил

10.13. Если в основании мачты с настилом (рис. 10.3) загнило бревно подушки более чем на 1/3 диаметра, то мачту подвешивают на трёх подпорах из брёвен диаметром 18 ¸ 20 см, отрывают и осаживают настил, с торца нижнего бревна мачты снимают подушку и заменяют другим бревном.

Под новую подушку укладывают настил, а под него подбивают щебень с последующим уплотнением.

Подпоры к стволу мачты крепятся с помощью сквозных болтов, отверстия от болтов после смены подушки и снятия подпор забивают пропитанными в креозоте пробками.

10.14. При загнивании деревянного якоря мачты на расстоянии трёх метров от него по оси оттяжек в сторону мачты закапывают временный якорь, на который поочерёдно переводят оттяжки. Загнивший якорь откапывают и заменяют новым.

После покрытия металлических деталей якоря битумом котлован засыпают и на этот якорь переводятся оттяжки. Временный якорь вырывают, а яму заполняют грунтом.

10.15. При оползании или перекосе хомутов оттяжек следует ослабить их тяжение и затяжку болтов и при помощи линейных блоков, подвешенных к вышележащему хомуту, подтягивают вверх и выравнивают перекошенный хомут.

После затягивания до отказа гаек болтов выправленного хомута подтягивают оттяжки до нормального тяжения. Одновременно с выправлением перекошенного или сползшего хомута подтягивают гайки на болтах всех остальных установленных на мачте хомутов.

10.16. При уменьшении расстояния между ушками хомутов для крепления оттяжек до 30 мм, а на остальных хомутах до 20 мм, они должны быть заменены хомутами следующего по таблице размера.

При замене хомута для крепления оттяжек рядом с ним устанавливают временный хомут, к которому крепят временные оттяжки из каната диаметром 6 ¸ 9 мм.

После вытяжки и укрепления временных оттяжек ослабляют, тяжение существующих. Затем хомут вместе с оттяжками снимают с мачты. Оттяжки укрепляют на новом хомуте и устанавливают его на прежнее место. После натяжения оттяжек временные хомуты и оттяжки снимают с мачты.

10.17. Если необходимо заменить оттяжку, то рядом с хомутом, к которому она прикреплена, устанавливают временный хомут с двумя временными оттяжками, после их вытяжки и укрепления снимают заменяемую оттяжку и вместо неё на мачте укрепляют новую.

По окончании работ временные хомут и оттяжки снимают с мачты.

10.18. Демонтаж мачты с оттяжками проводят следующим образом.

Предварительно снимают с мачты изоляторы и другие съёмные детали. Все оттяжки, находящиеся в одной плоскости, переводят на одну винтовую стяжку. Если винты стяжки на концах имеют стопорные шайбы, то их снимают. После этого раскручивают винтовую стяжку до конца. При этом мачта падает в сторону, противоположную отпущенным оттяжкам.

10.19. При демонтаже мачты с площадки радиусом, равным тройной высоте мачты, должны быть удалены все посторонние лица, а рабочие, участвующие в демонтаже, должны стоять у якоря и быть очень внимательными, так как отпущенные оттяжки или другие детали падающей мачты могут нанести серьёзные повреждения рабочим.

11. МЕРЫ ПО ТЕХНИКЕ БЕЗОПАСНОСТИ, СОБЛЮДАЕМЫЕ ПРИ РАБОТАХ НА МАЧТОВЫХ ПЕРЕХОДАХ

11.1. Работы по изготовлению и подъёму мачт и монтажу мачтового перехода должны проводиться в полном соответствии с настоящими правилами.

Лицам, не имеющим отношения к монтажу мачты, во время проведения работ по её сборке и установке находиться в зоне подъёма мачты запрещается.

Зоной подъёма мачты считается территория, границы которой отстоят от центрального фундамента мачты на расстоянии, равном двойной её высоте.

11.2. Подъём мачты должен осуществляться под руководством бригадира, отвечающего за проведение всех работ, в том числе и за выполнение всех мероприятий, обеспечивающих безопасное ведение работ. Все участвующие в монтаже и подъёме мачты работники должны хорошо знать свои обязанности и правила по технике безопасности.

11.3. Подача команд при подъёме и регулировании мачт должна производиться только бригадиром, отвечающим за производство работ. Рабочим бригады запрещается выполнять распоряжения каких бы то ни было лиц, кроме бригадира.

11.4. Рабочие, нарушившие правила по технике безопасности, отстраняются от дальнейших работ по монтажу и подъёму мачты.

11.5. Лишние инструменты, концы проволок и стальных канатов и пр. перед подъёмом мачты должны быть убраны.

11.6. При заготовке монтажных стальных канатов связывать канаты разной конструкции или разных диаметров запрещается. Монтажные канаты разной конструкции следует соединять зажимами, а канаты одинаковой конструкции, но разных диаметров, - при помощи скрутки, сплётки или зажимов.

11.7. Соединение канатов при помощи лапок, лягушек и других скользящих или клиновых захватов запрещается.

11.8. Запрещается применять канаты, имеющие количество оборванных проволок на длине одного погонного метра более четырёх для канатов ГОСТ 3069-55, ГОСТ 3070-55 и более одной для канатов ГОСТ 3062-55.

11.9. Для затяжки гаек болтов у зажимов следует пользоваться только стандартными ключами. Применять ключи с искусственно удлинённой рукояткой запрещается.

11.10. Подъём мачты лебёдкой при откинутой собачке храпового колеса или при неисправном её тормозе, запрещается.

11.11. Стальной канат должен навиваться на барабан лебёдки ровно и вплотную виток к витку.

11.12. Сбрасывание собачки, а также перестановка шестерён лебёдки под нагрузкой запрещается.

11.13. Лебёдка для подъёма должна устанавливаться вне пределов опасной зоны мачты и крепиться к специально заложенному якорю, прочность установки которого перед подъёмом мачты проверяется.

Опасной зоной мачты считается территория, описанная радиусом, равным 1/3 высоты мачты плюс 10 м с центром у фундамента мачты. Опасная зона не должна захватывать улиц, переулков, площадей и жилых дворов.

11.14. При работе по монтажу и эксплуатации должны выполняться «Правила техники безопасности для строительно-монтажных работ» (Госстройиздат, 1958 г.) и «Правила безопасности при эксплуатации радиопредприятий» (Связьиздат, 1956 г.).

11.15. Инструменты и приспособления, используемые при изготовлении, сборке, подъёме и регулировании мачт, а также при монтаже проводов, должны быть в исправном состоянии; механическая прочность их перед производством работ проверяется бригадиром. Пользоваться неисправным инструментом при сооружении и эксплуатации мачтовых переходов запрещается.

11.16. Во время грозы, сильного дождя и при ветре скоростью 10 м/сек и более работы по подъёму или регулированию мачты, а также подъём людей на установленные мачты запрещается.

11.17. Работы по антисептированию брёвен должны проводиться под непосредственным руководством специалиста и в полном соответствии с «Правилами техники безопасности при работах на воздушных линиях связи и линиях радиотрансляционных сетей» (Связьиздат, 1956 г.).

11.18. Во время высотных работ на мачте присутствие рабочих и посторонних лиц в опасной зоне мачты не разрешается.

Если необходимо приблизиться к основанию мачты, то все работы наверху приостанавливают, а монтёр, находящийся на мачте, должен принять меры для предотвращения падения сверху каких-либо предметов.

11.19. Подъём на мачту и работа на ней разрешается только при нахождении на земле вне пределов опасной зоны, мачты вспомогательного рабочего, наблюдающего за проводимыми на мачте работами и за отсутствием посторонних лиц в опасной зоне.

11.20. Рабочий, следящий за проведением высотных работ, удаляться из зоны подъёма мачты не имеет права.

11.21. Подниматься на мачту и работать на ней без пояса или с откреплённой от мачты цепью запрещается.

11.22. Подъём на мачту проводов, тяжёлых деталей и инструментов производится при помощи пенькового или стального каната после того, как рабочий устойчиво и надёжно закрепится к мачте поясом.

11.23. Класть инструменты и другие детали на мачту или кронштейны, а также подвешивать их на провода запрещается.


Приложение 1

ТОПОГРАФИЧЕСКИЕ И ГИДРОГРАФИЧЕСКИЕ ДАННЫЕ ПЕРЕХОДА

№ пп.

Наименование переходов

Главное русло

Проток

Отметка земли у мачт, м

Отметка высшего уровня воды, м

Высота высшего уровня воды над местом установки мачт и подмачтовых опор указывается лишь при заливаемости, м

Необходимость в ледорезах

Средняя ежегодная размываемость берегов, м

Судоходность реки

Наибольшая высота над водой судов, м

Примечание

 

расстояние между мачтами, м

расстояние от мачты до правого (левого) берега острова, м

Ширина острова, м

расстояние между мачтами, м

расстояние от мачты до левого (правого) берега, м

левый берег

правый берег

остров

главное русло

проток

при нормальном уровне воды

при наивысшем уровне воды

мачты

подмачтовые опоры

 

левый берег

правый берег

остров

левого

правого

при нормальном уровне воды

при наивысшем уровне воды

при нормальном уровне воды

при наивысшем уровне воды

левый берег

правый берег

1

2

3

4

5

6

7

8

9

10

11

12

13

14

15

16

17

18

19

20

21

22

23

24

25

26

 

 

 

 

 

 

 

 

 

 

 

 

 

 

 

 

 

 

 

 

 

 

 

 

 

 

 

 


Приложение 2

ДАННЫЕ ОБ АТМОСФЕРНЫХ УСЛОВИЯХ В РАЙОНЕ ПЕРЕХОДА

Наивысшая температура                                                                                               + °С

Наинизшая температура                                                                                               - °С

Средняя температура во время наивысшего подъёма в реке                                    - °С

Наибольшие скорости ветра за последние 5 лет:

За 19..... г.                                                                                                                      м/сек

За 19..... г.                                                                                                                         »

За 19..... г.                                                                                                                         »

За 19..... г.                                                                                                                         »

За 19..... г.                                                                                                                         »

Повторяемость наибольшей скорости ветра за последние

........... лет                                                                                                                        раз

Наблюдаются ли отложения гололёда в районе перехода                                     да, нет

Если нет гололёда, то бывает ли изморозь или мокрый снег                                да, нет

Наибольшая наблюдавшаяся толщина отложения гололёда,

считая по радиусу                                                                                                          мм

Повторяемость наибольшего гололёда за......... лет                                                    раз

Прилагается роза ветров

Подпись


Приложение 3

НАТЯЖЕНИЯ И МОНТАЖНЫЕ СТРЕЛЫ ПРОВЕСА КАНАТОВ ДЛЯ ПЕРЕХОДОВ

Таблица 1

Натяжение Т, кг и монтажная стрела провеса f, м

Канат 1 ´ 7-4,2 (ГОСТ 3062-55) Тип линии О

Температура t °С

Длина переходного пролёта l, м

I зона

II зона

III зона

200

250

300

350

400

450

500

T

f

T

f

T

f

T

f

T

f

T

f

T

f

- 55

- 40

- 25

787

2,04

744

3,34

710

5,10

665

7,41

614

10,50

558

14,60

502

19,95

- 50

- 35

- 20

776

2,07

741

3,39

697

5,19

653

7,56

603

10,70

546

14,90

491

20,40

- 45

- 30

- 15

764

2,11

728

3,45

685

5,29

640

7,69

590

10,90

535

15,20

480

20,85

- 40

- 25

- 10

750

2,14

715

3,51

671

5,39

628

7,84

580

11,10

525

15,50

470

21,30

- 35

- 20

- 5

738

2,18

701

3,58

659

5,49

616

8,00

567

11,30

515

15,85

459

21,85

- 30

- 15

0

725

2,22

690

3,65

645

5,60

605

8,15

555

11,53

503

16,20

450

22,25

- 25

- 10

5

711

2,26

677

3,72

635

5,70

592

8,30

545

11,80

492

16,55

440

22,75

- 20

- 5

10

700

2,30

663

3,79

620

5,81

580

8,47

533

12,10

481

16,90

431

23,20

- 15

0

15

685

2,34

651

3,86

608

5,95

570

8,65

520

12,35

471

17,30

423

23,65

- 10

5

20

671

2,39

637

3,94

596

6,06

557

8,82

509

12,62

460

17,70

415

24,15

- 5

10

25

660

2,44

625

4,02

583

6,20

545

9,01

497

12,93

450

18,10

405

24,75

0

15

30

646

2,49

611

4,10

570

6,34

534

9,23

486

13,20

440

18,50

396

25,20

5

20

35

633

2,54

598

4,20

558

6,49

521

9,45

475

13,50

430

18,95

389

25,80

10

25

40

620

2,59

585

4,30

547

6,61

510

9,67

465

13,82

420

19,40

380

26,35

15

30

45

608

2,65

572

4,40

535

6,76

498

9,88

454

14,15

411

19,75

372

26,90

20

35

50

595

2,70

559

4,50

523

6,91

486

10,10

443

14,50

401

20,25

364

27,50

25

40

55

581

2,76

546

4,60

511

7,09

474

10,37

432

14,85

393

20,70

357

28,10

Таблица 2

Натяжение Т, кг, и монтажная стрела провеса f, м

Канат 1 ´ 7-6,0 (ГОСТ 3062-55) Тип линии О

Температура t °С

Длина переходного пролёта l, м

I зона

II зона

III зона

200

250

300

350

400

450

500

T

f

T

f

T

f

T

f

T

f

T

f

T

f

- 55

- 40

- 25

1680

1,27

1650

2,02

1625

2,94

1588

4,09

1545

5,50

1497

7,15

1447

9,15

- 50

- 35

- 20

1650

1,29

1625

2,05

1600

2,99

1560

4,16

1520

5,56

1470

7,30

1422

9,30

- 45

- 30

- 15

1620

1,31

1595

2,08

1570

3,04

1535

4,24

1495

5,67

1440

7,44

1400

9,45

- 40

- 25

- 10

1600

1,33

1570

2,12

1545

3,10

1510

4,30

1465

5,77

1420

7,57

1373

9,61

- 35

- 20

- 5

1577

1,35

1545

2,15

1515

3,16

1480

4,38

1435

5,89

1389

7,71

1350

9,80

- 30

- 15

0

1550

1,37

1520

2,19

1487

3,21

1455

4,45

1410

6,00

1360

7,86

1325

10,00

- 25

- 10

5

1525

1,39

1492

2,22

1463

3,26

1430

4,55

1385

6,11

1340

8,00

1300

10,18

- 20

- 5

10

1505

1,41

1470

2,26

1440

3,32

1405

4,64

1360

6,21

1315

8,15

1275

10,39

- 15

0

15

1480

1,44

1445

2,30

1415

3,38

1375

4,72

1335

6,34

1295

8,30

1250

10,59

- 10

5

20

1455

1,46

1415

2,34

1390

3,43

1350

4,80

1310

6,45

1270

8,43

1225

10,80

- 5

10

25

1425

1,49

1395

2,38

1370

3,50

1330

4,89

1290

6,57

1250

8,57

1200

11,00

0

15

30

1400

1,52

1370

2,43

1340

3,56

1300

5,00

1265

6,70

1227

8,73

1175

11,21

5

20

35

1375

1,55

1340

2,48

1310

3,64

1275

5,09

1240

6,84

1200

8,90

1155

11,40

10

25

40

1345

1,58

1315

2,52

1290

3,71

1250

5,20

1215

6,96

1180

9,05

1135

11,60

15

30

45

1320

1,61

1290

2,57

1260

3,79

1225

5,30

1190

7,10

1160

9,23

1115

11,80

20

35

50

1290

1,65

1270

2,62

1235

3,87

1200

5,40

1170

7,23

1140

9,40

1095

12,10

25

40

55

1265

1,69

1245

2,67

1210

3,95

1175

5,51

1150

7,36

1115

9,60

1070

12,30

Таблица 3

Натяжение Т, кг, и монтажная стрела провеса f, м

Канат 1 ´ 7-6,6 (ГОСТ 3062-55) Тип линии О

Температура t °С

Длина переходного пролёта l, м

I зона

II зона

III зона

200

250

300

350

400

450

500

T

f

T

f

T

f

T

f

T

f

T

f

T

f

- 55

- 40

- 25

2040

1,15

2020

1,81

1995

2,64

1955

3,68

1915

4,89

1870

6,35

1820

8,05

- 50

- 35

- 20

2010

1,16

1990

1,84

1960

2,69

1920

3,74

1885

4,97

1840

6,45

1785

8,20

- 45

- 30

- 15

1980

1,18

1955

1,87

1925

2,73

1885

3,80

1855

5,05

1810

6,56

1750

8,35

- 40

- 25

- 10

1950

1,20

1925

1,91

1895

2,78

1855

3,86

1820

5,15

1775

6,69

1725

8,50

- 35

- 20

- 5

1920

1,22

1890

1,94

1865

2,82

1830

3,92

1790

5,23

1745

6,80

1690

8,65

- 30

- 15

0

1890

1,24

1860

1,97

1830

2,88

1800

3,99

1760

5,32

1715

6,91

1660

8,80

- 25

- 10

5

1860

1,26

1830

2,00

1795

2,94

1765

4,06

1730

5,42

1685

7,03

1630

8,96

- 20

- 5

10

1825

1,28

1800

2,03

1760

2,99

1735

4,13

1700

5,53

1655

7,16

1600

9,12

- 15

0

15

1795

1,30

1765

2,07

1730

3,04

1700

4,21

1665

5,62

1625

7,30

1570

9,30

- 10

5

20

1760

1,33

1730

2,11

1700

3,10

1670

4,29

1635

5,71

1600

7,41

1545

9,48

- 5

10

25

1730

1,36

1705

2,14

1665

3,16

1640

4,38

1610

5,82

1570

7,55

1520

9,65

0

15

30

1700

1,38

1680

2,18

1630

3,23

1605

4,46

1580

5,90

1540

7,70

1490

9,82

5

20

35

1665

1,40

1645

2,22

1600

3,30

1575

4,55

1550

6,02

1515

7,83

1465

10,00

10

25

40

1635

1,43

1615

2,27

1565

3,36

1545

4,64

1525

6,14

1480

8,00

1440

10,18

15

30

45

1605

1,46

1580

2,31

1535

3,43

1515

4,72

1490

6,29

1455

8,15

1410

10,37

20

35

50

1570

1,49

1550

2,36

1505

3,50

1485

4,81

1460

6,41

1425

8,31

1385

10,56

25

40

55

1540

1,52

1520

2,41

1480

3,56

1450

4,91

1430

6,56

1395

8,50

1360

10,74


Таблица 4

Натяжение Т, кг, и монтажная стрела провеса f, м

Провод ПАБ-10 Тип линии О

Температура t °С

Длина переходного пролёта l, м

I зона

II зона

III зона

200

250

300

350

T

f

T

f

T

f

T

f

- 55

- 40

- 25

287

6,00

225

11,95

177

21,9

146

36,1

- 50

- 35

- 20

279

6,20

218

12,35

172

22,6

143

36,9

- 45

- 30

- 15

272

6,35

212

12,70

168

23,1

141

37,4

- 40

- 25

- 10

264

6,52

206

13,10

164

23,7

139

38,0

- 35

- 20

- 5

256

6,75

200

13,45

160

24,3

137

38,5

- 30

- 15

0

248

6,95

194

13,90

157

24,8

135

39,1

- 25

- 10

5

240

7,20

188

14,30

154

25,2

133

39,6

- 20

- 5

10

233

7,40

183

14,70

151

25,7

131

40,3

- 15

0

15

226

7,65

178

15,10

148

26,3

129

40,9

- 10

5

20

219

7,85

173

15,55

145

26,8

127

41,5

- 5

10

25

212

8,15

167

16,10

143

27,2

125

42,1

0

15

30

205

8,40

162

16,60

140

27,8

123

43,0

5

20

35

198

8,80

157

17,20

137

28,4

121

43,6

10

25

40

191

9,05

152

17,70

134

29,0

119

44,3

15

30

45

184

9,40

148

18,20

131

29,7

118

44,6

20

35

50

177

9,75

144

18,70

128

30,4

117

45,0

25

40

55

170

10,10

140

19,30

126

30,8

116

45,4


Таблица 5

Натяжение Т, кг, и монтажная стрела провеса f, м

Провод ПАБ-25 Тип линии О

Температура t °С

Длина переходного пролёта l, м

200

250

300

350

400

450

500

I зона

II зона

III зона

T

f

T

f

T

f

T

f

T

f

T

f

T

f

- 55

- 40

- 25

945

2,75

890

4,57

830

7,05

765

10,40

710

14,70

650

20,06

610

26,5

- 50

- 35

- 20

925

2,82

870

4,69

810

7,25

750

10,60

695

15,05

645

20,40

600

27,0

- 45

- 30

- 15

900

2,89

850

4,80

790

7,37

730

10,80

680

15,30

630

20,80

595

27,3

- 40

- 25

- 10

880

2,95

830

4,90

775

7,53

720

11,05

665

15,60

620

21,20

585

27,6

- 35

- 20

- 5

860

3,02

815

5,00

760

7,71

705

11,30

650

15,90

610

21,60

580

28,0

- 30

- 15

0

840

3,09

795

5,12

740

7,95

690

11,50

640

16,20

600

21,90

570

28,4

- 25

- 10

5

820

3,17

775

5,25

720

8,14

670

11,80

630

16,50

590

22,30

565

28,8

- 20

- 5

10

800

3,25

755

5,40

700

8,31

655

12,10

615

16,85

580

22,70

555

29,2

- 15

0

15

780

3,33

735

5,52

690

8,45

645

12,30

605

17,20

570

23,10

550

29,5

- 10

5

20

760

3,42

720

5,66

675

8,65

630

12,55

595

17,55

560

23,40

545

30,0

- 5

10

25

740

3,51

700

5,80

660

8,85

620

12,80

580

17,95

555

23,70

535

30,4

0

15

30

725

3,58

680

5,98

645

9,10

605

13,10

565

18,30

545

24,10

525

30,8

5

20

35

710

3,66

660

6,15

625

9,35

590

13,50

555

18,70

535

24,50

520

31,2

10

25

40

695

3,72

640

6,35

610

9,60

580

13,80

545

19,10

530

24,80

510

31,7

15

30

45

680

3,82

625

6,52

595

9,85

565

14,10

535

19,40

520

25,20

505

32,2

20

35

50

660

3,92

605

6,71

580

10,1

550

14,40

525

19,70

515

25,60

500

32,7

25

40

55

625

4,01

590

6,91

560

10,4

540

14,70

520

20,10

510

26,00

490

33,0

Таблица 6

Натяжение Т, кг, и монтажная стрела провеса f, м

Канат 1 ´ 7-4,2 (ГОСТ 3062-55) Провод ПАБ-25 Тип линии Н

Температура t °С

Длина переходного пролёта l, м

Длина переходного пролёта l, м

200

250

300

200

250

300

350

I зона

II зона

III зона

T

f

T

f

T

f

T

f

T

f

T

f

T

f

- 55

- 40

- 25

600

5,32

465

10,70

335

21,40

685

6,40

535

12,85

455

21,6

385

34,7

- 50

- 35

- 20

585

5,45

453

11,00

326

21,95

675

6,50

525

13,00

445

22,1

380

35,2

- 45

- 30

- 15

575

5,55

444

11,25

316

22,60

660

6,63

520

13,10

435

22,6

375

35,7

- 40

- 25

- 10

560

5,70

431

11,52

307

23,30

650

6,75

515

13,20

425

23,1

370

36,2

- 35

- 20

- 5

550

5,79

419

11,88

296

24,20

635

6,90

510

13,40

415

23,7

365

36,7

- 30

- 15

0

538

5,92

408

12,24

285

25,00

615

7,11

500

13,70

405

24,1

360

37,2

- 25

- 10

5

525

6,06

395

12,60

276

25,90

595

7,35

485

14,20

400

24,6

355

37,7

- 20

- 5

10

510

6,24

383

13,00

268

26,70

580

7,57

470

14,50

390

25,0

350

38,2

- 15

0

15

497

6,41

371

13,40

260

27,50

560

7,81

455

14,95

385

25,5

345

38,8

- 10

5

20

483

6,59

360

13,85

255

28,00

545

8,05

445

15,40

375

26,0

340

39,4

- 5

10

25

472

6,75

349

14,28

250

28,70

525

8,35

430

15,80

370

26,4

335

39,7

0

15

30

460

6,93

338

14,73

241

29,70

510

8,60

420

16,20

365

26,9

330

40,2

5

20

35

449

7,11

327

15,21

232

30,80

495

8,90

410

16,60

355

27,5

325

40,9

10

25

40

435

7,30

317

15,70

227

31,60

475

9,15

400

17,00

350

28,1

320

41,5

15

30

45

423

7,53

308

16,13

220

32,50

460

9,45

390

17,40

340

28,7

315

42,1

20

35

50

411

7,75

299

16,65

213

33,60

450

9,80

380

17,90

335

29,1

310

42,5

25

40

55

398

8,00

289

17,20

208

34,50

430

10,20

370

18,40

330

29,5

305

42,9

Таблица 7

Натяжение Т, кг, и монтажная стрела провеса f, м

Канат 1 ´ 7-6,0 (ГОСТ 3062-55) Тип линии Н

Температура t °С

Длина переходного пролёта l, м

200

250

300

350

400

450

500

I зона

II зона

III зона

T

f

T

f

T

f

T

f

T

f

T

f

T

f

- 55

- 40

- 25

1565

2,45

1475

4,06

1350

6,38

1220

9,60

1080

14,15

930

20,80

800

29,7

- 50

- 35

- 20

1535

2,50

1440

4,16

1325

6,51

1195

9,80

1060

14,45

910

21,30

787

30,3

- 45

- 30

- 15

1510

2,54

1410

4,24

1295

6,64

1170

10,00

1035

14,77

885

21,85

770

31,0

- 40

- 25

- 10

1480

2,59

1385

4,32

1270

6,78

1145

10,21

1010

15,12

865

22,35

753

31,7

- 35

- 20

- 5

1455

2,63

1360

4,40

1240

6,92

1120

10,42

985

15,50

845

22,90

735

32,5

- 30

- 15

0

1425

2,68

1330

4,49

1220

7,06

1095

10,65

965

15,85

823

23,50

719

33,2

- 25

- 10

5

1405

2,73

1305

4,58

1195

7,21

1070

10,95

940

16,20

805

24,00

705

33,9

- 20

- 5

10

1380

2,78

1280

4,66

1170

7,35

1045

11,20

920

16,60

788

24,55

692

34,5

- 15

0

15

1350

2,83

1255

4,77

1145

7,51

1020

11,50

900

17,00

770

25,10

677

35,2

- 10

5

20

1325

2,89

1230

4,87

1125

7,67

995

11,80

875

17,45

755

25,60

665

35,9

- 5

10

25

1300

2,95

1205

4,97

1095

7,85

970

12,10

853

17,87

737

26,22

651

36,6

0

15

30

1275

3,00

1180

5,09

1070

8,05

945

12,35

833

18,30

726

26,60

637

37,7

5

20

35

1250

3,07

1145

5,21

1045

8,25

930

12,65

815

18,75

705

27,45

625

38,2

10

25

40

1225

3,13

1120

5,32

1020

8,41

910

12,90

795

19,25

687

28,10

615

38,8

15

30

45

1200

3,20

1095

5,46

997

8,64

885

13,25

775

19,75

673

28,70

600

39,7

20

35

50

1175

3,26

1070

5,60

975

8,85

865

13,65

755

20,20

658

29,40

588

40,6

25

40

55

1150

3,33

1040

5,74

950

9,10

845

13,90

737

20,70

643

30,10

576

41,4

Таблица 8

Натяжение Т, кг, и монтажная стрела провеса f, м

Канат 1 ´ 7-6,6 (ГОСТ 3062-55) Тип линии Н

Температура t °С

Длина переходного пролёта l, м

200

250

300

350

400

450

500

I зона

II зона

III зона

T

f

T

f

T

f

T

f

T

f

T

f

T

f

- 55

- 40

- 25

1975

1,73

1920

2,78

1845

4,16

1765

6,06

1670

8,21

1565

11,05

1460

14,70

- 50

- 35

- 20

1945

1,76

1890

2,83

1820

4,23

1735

6,17

1640

8,36

1510

11,20

1425

15,00

- 45

- 30

- 15

1920

1,78

1860

2,88

1790

4,30

1700

6,29

1610

8,51

1520

11,40

1395

15,35

- 40

- 25

- 10

1890

1,81

1825

2,92

1765

4,37

1670

6,40

1580

8,65

1495

11,60

1365

15,65

- 35

- 20

- 5

1855

1,84

1800

2,98

1730

4,45

1635

6,55

1545

8,85

1460

11,85

1335

16,00

- 30

- 15

0

1825

1,87

1765

3,02

1695

4,54

1610

6,65

1520

9,03

1435

12,10

1310

16,30

- 25

- 10

5

1790

1,91

1740

3,07

1665

4,62

1580

6,76

1490

9,20

1405

12,30

1280

16,70

- 20

- 5

10

1760

1,95

1710

3,13

1630

4,73

1555

6,90

1460

9,40

1380

12,55

1260

17,00

- 15

0

15

1725

1,98

1675

3,18

1595

4,82

1525

7,03

1425

9,60

1355

12,76

1235

17,30

- 10

5

20

1695

2,02

1645

3,25

1575

4,90

1490

7,18

1400

9,80

1330

13,00

1210

17,60

- 5

10

25

1665

2,06

1615

3,31

1540

5,00

1460

7,31

1365

10,00

1305

13,25

1185

18,00

0

15

30

1630

2,10

1590

3,37

1510

5,10

1430

7,50

1335

10,25

1275

13,55

1165

18,30

5

20

35

1600

2,14

1560

3,43

1475

5,21

1395

7,66

1305

10,50

1250

13,85

1140

18,70

10

25

40

1570

2,18

1525

3,51

1445

5,32

1365

7,82

1280

10,70

1225

14,10

1120

19,10

15

30

45

1540

2,22

1490

3,59

1415

5,44

1335

8,00

1255

10,90

1200

14,45

1095

19,50

20

35

50

1510

2,27

1460

3,66

1390

5,56

1305

8,20

1230

11,15

1170

14,75

1070

20,00

25

40

55

1470

2,32

1430

3,73

1355

5,68

1280

8,36

1205

11,40

1145

15,10

1045

20,40

Таблица 9

Натяжение Т, кг, и монтажная стрела провеса f, м

Канат 1 ´ 7-6,6 (ГОСТ 3062-55) Тип линии ОУ; Канат 1 ´ 7-6,6 (ГОСТ 3062-55) Тип линии У

Температура t °С

Длина перехода l, м.

Длина перехода l, м

200

250

300

350

400

200

250

300

I зона

II зона

III зона

T

f

T

f

T

f

T

f

T

f

T

f

T

f

T

f

- 55

- 40

- 25

1655

3,94

1430

7,12

1140

12,85

900

22,10

680

38,4

1185

8,05

785

18,95

445

48,5

- 50

- 35

- 20

1635

4,00

1405

7,29

1115

13,20

875

22,80

650

39,3

1160

8,25

760

19,55

430

49,7

- 45

- 30

- 15

1605

4,07

1375

7,43

1085

13,65

850

23,40

630

40,2

1125

8,45

740

20,20

420

51,0

- 40

- 25

- 10

1575

4,14

1340

7,60

1055

13,95

827

24,10

615

41,4

1100

8,70

715

20,85

412

52,0

- 35

- 20

- 5

1550

4,22

1310

7,80

1030

14,35

805

24,80

600

42,5

1070

8,92

690

21,60

405

53,0

- 30

- 15

0

1520

4,30

1275

8,00

1000

14,75

780

25,50

590

43,7

1040

9,18

665

22,35

397

54,0

- 25

- 10

5

1485

4,39

1245

8,20

965

15,20

760

26,20

580

44,9

1005

9,48

640

23,20

389

55,1

- 20

- 5

10

1455

4,49

1215

8,40

940

15,70

740

27,00

565

46,1

980

9,75

620

24,10

380

56,7

- 15

0

15

1420

4,60

1180

8,63

910

16,20

720

27,80

550

47,5

950

10,05

595

25,00

370

58,0

- 10

5

20

1390

4,70

1150

8,86

880

16,75

700

28,50

530

49,2

920

10,33

575

25,95

365

58,9

- 5

10

25

1360

4,81

1120

9,12

850

17,30

680

29,40

510

51,0

895

10,70

565

26,40

357

60,0

0

15

30

1325

4,92

1085

9,37

820

17,90

655

30,40

490

52,9

865

11,05

545

27,40

352

61,0

5

20

35

1290

5,06

1060

9,63

790

18,60

635

31,40

475

55,0

835

11,42

525

28,30

343

62,5

10

25

40

1260

5,19

1030

9,92

760

19,30

615

32,30

455

57,8

805

11,85

510

29,15

338

63,5

15

30

45

1225

5,32

1000

10,2

735

20,00

600

33,30

435

59,6

775

12,3

495

30,20

333

64,5

20

35

50

1195

5,46

970

10,5

705

20,80

580

34,50

420

62,3

745

12,8

480

31,10

328

65,5

25

40

55

1165

5,60

945

10,8

680

21,60

560

35,70

400

65,1

720

13,25

465

32,10

322

66,6


Приложение 4

ХАРАКТЕРИСТИКИ БЛОКОВ

Таблица

Характеристики такелажных блоков (рис. 7.7)

Грузоподъёмность, Т

Размеры, мм

Вес, кг

Максим. диаметр каната, мм

Диаметр роликов, мм

А

Б

В

Г

Блоки однорольные

1

450

170

295

80

8

12

150

2

580

220

365

85

12

15

200

3

680

245

425

100

23

17

225

4

770

270

480

105

29

18

250

5

825

295

515

115

35

20

275

6

895

320

560

128

44

22

300

8

965

345

610

135

61

24

325

10

1060

370

665

150

77

26

350

15

1195

420

755

198

112

30

400

Блоки двухрольные

1

460

170

290

76

13

11

150

2

580

220

355

88

22

13

200

3

680

245

420

108

35

15

225

4

800

270

475

110

47

17,5

250

5

830

295

510

118

56

19,5

275

6

895

320

555

136

73

21,5

300

8

965

345

605

145

88

21,5

325

10

1060

370

660

160

120

24

350

15

1190

420

740

180

172

26

400

Блоки трёхрольные

1

463

170

290

106

17

11

150

2

574

220

355

123

31

14

200

3

682

245

416

149

46

16

225

4

716

270

470

153

62

17

250

5

830

295

505

163

77

18

275

6

898

320

550

186

100

20

300

8

967

345

600

201

114

22

325

10

1050

370

650

220

162

24

350

15

1190

420

735

247

232

26

400

Приложение 5

ПРАВИЛА СКРУТКИ И СПЛЁТКИ СТАЛЬНЫХ КАНАТОВ

Способ изготовления петель жёстких стальных канатов (рис. 5.10)

1. Коуш привязывают к канату проволокой (накладывают марку).

2. Сделав петлю необходимой величины (по коушу), отматывают одну из проволок каната и на расстоянии 2 или 3 см от петли начинают обвивать её вокруг концов каната по направлению к петле. Сделав семь витков, конец проволок пропускают через петлю и вытягивают вдоль каната поверх витков (1).

3. Отматывают вторую проволоку каната и обвивают вокруг новой проволоки и концов каната шесть раз по направлению от петли, захватывая первую проволоку (2). Затем первую проволоку откусывают, а вторую обвивают ещё раз (седьмой). Оставшийся конец второй проволоки вытягивают вдоль каната.

4. Отматывают третью проволоку, перегибают её со второй и обвивают вокруг концов каната шесть раз по направлению от петли. Затем вторую проволоку откусывают, а третью обвивают ещё раз (седьмой) и вытягивают оставшийся конец проволоки вдоль каната и т.д., пока не будет обвита последняя седьмая проволока (3).

5. Для изготовления петли оставляется конец каната длиной 0,5 ¸ 0,7 м.

Сращивание стальных канатов и способ изготовления петель мягких стальных канатов (рис. 5.11)

Сращивание стальных канатов

1. Для сращивания канатов и изготовления петель оставляются концы канатов длиной по 0,5 ¸ 0,7 м.

Для сращивания шестипрядного каната (троса) на расстоянии 0,5 ¸ 0,7 м от конца каната (1) накладывают марку а1 из каболки (канатная пряжа).

2. Разрезав ранее поставленную на этом конце марку, ставят марки на каждой пряди и распускают канат. Пеньковый сердечник обрезают до марки а1. То же проделывают с концом второго каната.

3. После этого расплетённые пряди одного каната (I) вставляют поочерёдно (через одну) между прядями другого каната (II) и сдвигают их вплотную (2). Удерживая в таком положении концы канатов, ставят две марки а3 и, кроме того, на расстоянии 20 - 30 см от марок а1 и а2 ставят марки б1 и б2. После этого удаляют марку а2.

4. Затем, раскрутив слегка канат II, приступают к пробивке его при помощи свайки (3) ходовыми прядями каната I (4). Для этого завода свайку под две смежные коренные пряди каната II протягивают через образовавшееся рядом со свайкой отверстие ближайшую ходовую прядь каната I так, чтобы она проходила бы поперек прядей каната II.

Таким же путём ходовыми прядями каната I пробивают все коренные пряди каната II поочерёдно два раза, стремясь к тому, чтобы пряди располагались равномерно по канату и под одним углом.

5. Срезав обе марки а3, пробивают два раза ходовыми прядями каната II все коренные пряди каната I, потом снова два раза все пряди каната II и т.д. До получения необходимого числа пробивок. После каждой пробивки канат околачивают молотком и пряди подтягивают вручную. После чего канат еще раз околачивают.

Стальные молотки без деревянных прокладок применять запрещается. В конце сращивания седьмую пробивку делают только для чётных или нечетных прядей, т.е. через одну. Таким образом, общее число пробивок, считая за целое пробивку всех шести прядей, будет 6,5. По окончании последних пробивок ходовые пряди обрезают заподлицо с канатом, а зону выхода обрубленных прядей обматывают мягкой вязальной проволокой (8) и тщательно покрывают солидолом.

Изготовление петель (рис. 5.11)

1. Коуш привязывают к канату проволокой (накладывают марки).

2. Конец каната распускают на ходовые пряди (1). Затем образуют петлю нужного размера и ставят марку, как показано на рис. 5. Ходовую прядь 1 пробивают под одну коренную прядь, ходовую прядь 2 - под две и прядь 3 - под три. Прядь 4 пробивают под две коренные пряди, но в обратном направлении, а прядь 5 - под одну (6). Прядь 6 пробивают в обратном направлении под ту же коренную прядь, под которую пробита прядь 1, но с перекрытием её.

3. После этого пробивают свайкой (4) каждую ходовую прядь под две коренных; при этом ходовые пряди располагают равномерно по окружности каната и при одинаковом угле наклона прядей. Последние пробивки половины прядей (через одну) производят под одну коренную прядь (7), затем оставшиеся концы обрубают и зону выхода обрубленных прядей обматывают мягкой оцинкованной проволокой (8).

Для вплетения каната в коуш необходимо привязать канат к коушу и пробивку первой пряди начинать как можно ближе к коушу, иначе сплётка будет неаккуратной, петля удлинится и коуш будет выпадать из петли. Сращивание и образование петель должно производиться на длине, равной не менее 25 диаметрам каната (9).

Приложение 6

ХАРАКТЕРИСТИКИ СТАЛЬНЫХ КАНАТОВ

Таблица 1

Характеристика стального спирального каната типа ЛК-0 1 ´ 7 = 7 проволок ГОСТ 3062-55

Диаметр, мм

Площадь сечения всех проволок мм2

Расчётный вес 100 пог. м каната кг

Расчётный предел прочности проволоки при растяжении, кг/мм2

каната

проволоки

120

130

140

150

разрывное усилие, кг

суммарное всех проволок в канате

каната в целом

суммарное всех проволок в канате

каната в целом

суммарное всех проволок в канате

каната в целом

суммарное всех проволок в канате

каната в целом

4,5

1,5

12,32

10,55

1470

1350

1600

1470

1720

1580

1840

1690

4,8

1,6

14,07

12,05

1680

1540

1820

1670

1970

1810

2110

1940

5,1

1,7

15,89

13,6

1900

1740

2060

1890

2220

2040

2380

2190

5,4

1,8

17,78

15,22

2130

1960

2310

2120

2480

2280

2660

2440

6,0

2,0

21,98

18,82

2630

2420

2850

2620

3070

2820

3290

3020

6,6

2,2

26,60

22,77

3190

2930

3450

3170

3720

3420

-

-

7,2

2,4

31,64

27,09

3790

3480

4110

3780

4430

4070

-

-

7,8

2,6

37,17

31,82

4460

4100

4830

4440

5200

4780

-

-

8,4

2,8

43,05

36,86

5160

4740

5590

5140

 

 

 

 

9,0

3,0

49,49

42,37

5930

5450

6430

5910

 

 

 

 

9,6

3,2

56,28

48,18

6750

6210

7310

6720

 

 

 

 

Примечание. Пример условного обозначения спирального каната диаметром 6 мм, обыкновенного, с пределом прочности проволоки 140 кг/мм2, марки В, оцинкованного для средних условий работы по группе «СС»:

Канат 6-140-В-СС ГОСТ 3062-55

Технические условия, правила приёмки и методы испытаний, упаковки и маркировки каната приведены в ГОСТ 3241-55.

Таблица 2

Характеристика стального спирального каната (троса) типа ЛКО 6 ´ 7 = 42 проволоки с одним органическим сердечником ГОСТ 3069-55

Диаметр, мм

Площадь сечения всех проволок мм2

Расчётный вес 100 пог. м каната кг

Расчётный предел прочности проволоки при растяжении, кг/мм2

120

130

140

150

разрывное усилие, кг

каната

проволоки

суммарное всех проволок в канате

каната в целом

суммарное всех проволок в канате

каната в целом

суммарное всех проволок в канате

каната в целом

суммарное всех проволок в канате

каната в целом

6,5

0,7

16,17

15,54

1940

1720

2100

1860

2260

2010

2420

2150

7,5

0,8

21,13

20,32

2530

2250

2740

2430

2950

2620

3170

2820

8,5

0,9

26,71

25,68

3200

2840

3470

3080

3730

3320

4000

3560

9,5

1,0

32,97

31,70

3950

3510

4280

3800

4610

4100

4940

4390

10,5

1,1

39,90

38,36

4780

4250

5180

4610

5580

4960

5980

5320

11,5

1,2

47,46

45,63

5690

5060

6170

5490

6640

5910

7110

6320

12,5

1,3

55,73

53,58

6680

5940

7240

6440

7800

6940

8360

7440

13,5

1,4

64,68

62,19

7760

6900

8400

7470

9050

8050

9700

8630

14,5

1,5

73,92

71,07

8870

7890

9610

8550

10300

9160

11050

9830

15,0

1,6

84,42

81,17

10100

8980

10950

9740

11800

10500

12650

11250

16,0

1,7

95,34

91,67

11400

10100

12350

10950

13300

11800

14300

12700

17,0

1,8

106,68

102,5

12800

11350

13850

12300

14900

13250

16000

14200

19,0

2,0

131,88

126,8

15800

14050

17100

15200

18450

16400

19750

17550

21,0

2,2

159,60

153,4

19150

17000

20700

18400

22300

19800

 

 

22,5

2,4

189,84

182,5

22750

20200

24650

21900

26550

23600

 

 

24,5

2,6

223,02

214,4

26750

23800

28950

27550

31200

27750

 

 

Примечание. Пример условного обозначения каната (троса) диаметром 13,5 мм, обыкновенного, с пределом прочности проволоки 150 кг/мм2, марки В, оцинкованного для жёстких условий работы по группе «ЖС», правой крестовой свивки.

Канат 13,5-150-В-ЖС ГОСТ 3069-55.

Технические условия, правила приёмки и методы испытаний, упаковки и маркировки каната приведены в ГОСТ 3241-55.

Приложение 7

ОБЪЕМ КРУГЛОГО ЛЕСА В м3

Объём круглого леса в м3 (со сбежистостью 1,0 см на 1 м длины бревна)

Диаметр в верхнем отрубе без коры см

Длина бревна, м

4,5

5,0

5,5

6,0

6,5

7,0

7,5

8,0

8,5

9,0

9,5

10,0

11,0

16

0,11

0,12

0,14

0,16

0,17

0,19

0,20

0,23

0,24

0,27

0,28

0,31

0,36

18

0,14

0,16

0,18

0,19

0,21

0,23

0,25

0,28

0,30

0,33

0,35

0,33

0,44

20

0,17

0,19

0,21

0,24

0,26

0,28

0,30

0,34

0,36

0,39

0,42

0,45

0,52

22

0,20

0,23

0,26

0,28

0,31

0,34

0,37

0,40

0,43

0,47

0,50

0,54

0,62

24

0,24

0,27

0,30

0,33

0,36

0,40

0,43

0,47

0,50

0,55

0,58

0,63

0,72

26

0,28

0,32

0,36

0,39

0,43

0,47

0,51

0,55

0,59

0,63

0,68

0,72

0,83

28

0,33

0,37

0,41

0,45

0,49

0,54

0,58

0,63

0,68

0,73

0,78

0,83

0,95

30

0,38

0,43

0,47

0,52

0,57

0,62

0,67

0,72

0,78

0,83

0,89

0,95

1,08

32

0,43

0,48

0,54

0,59

0,65

0,70

0,76

0,82

0,88

0,94

1,01

1,08

1,22

34

0,49

0,54

0,60

0,66

0,72

0,79

0,85

0,92

0,99

1,06

1,13

1,21

1,36

36

0,54

0,61

0,71

0,74

0,80

0,88

0,96

1,03

1,11

1,18

1,27

1,35

1,52

СОДЕРЖАНИЕ

Предисловие. 1

1. Выбор места для устройства мачтового перехода. 1

2. Измерение пролетов и составление эскиза мачтового перехода. 2

3. Определение стрелы провеса переходного каната. 3

4. Выбор конструкции мачты.. 4

5. Изготовление мачт, подмачтовых якорей и опор. 6

6. Сборка мачт. 18

7. Подъем мачт. 26

8. Монтаж переходных канатов. 34

9. Эксплуатация мачтовых переходов. 34

10. Ремонт мачтовых переходов. 35

11. Меры по технике безопасности, соблюдаемые при работах на мачтовых переходах. 37

Приложение 1. Топографические и гидрографические данные перехода. 39

Приложение 2. Данные об атмосферных условиях в районе перехода. 40

Приложение 3. Натяжения и монтажные стрелы провеса канатов для переходов. 41

Приложение 4. Характеристики блоков. 46

Приложение 5. Правила скрутки и сплётки стальных канатов. 46

Приложение 6. Характеристики стальных канатов. 47

Приложение 7. Объем круглого леса в м3 48

 




Яндекс цитирования



   Copyright © 2007-2026,  www.tehlit.ru.

[ ѓосты, стандарты, нормативы, инструкции, правила, строительные нормы ]