//
ТехЛит.ру
- крупнейшая бесплатная электронная интернет библиотека для "технически умных" людей.
WWW.TEHLIT.RU - ТЕХНИЧЕСКАЯ ЛИТЕРАТУРА

:: Алготрейдинг::


АЛГОТРЕЙДИНГ
шаг за шагом
с нуля по урокам!

Торговые роботы на PYTHON, BackTrader,
Pandas, Pine Script для TradingView. Связка с брокерами, телеграм и легкими приложениями.


МИНИСТЕРСТВО ЖИЛИЩНО-КОММУНАЛЬНОГО

ХОЗЯЙСТВА РСФСР

ОРДЕНА ТРУДОВОГО КРАСНОГО

ЗНАМЕНИ АКАДЕМИЯ КОММУНАЛЬНОГО ХОЗЯЙСТВА

ИМ К. Д. ПАМФИЛОВА

ИНСТРУКЦИЯ

ПО ЗАЩИТЕ

ГОРОДСКИХ

ПОДЗЕМНЫХ

ТРУБОПРОВОДОВ

ОТ ЭЛЕКТРОХИМИЧЕСКОЙ

КОРРОЗИИ

Утверждена приказом по Министерству жилищно-коммунального хозяйства РСФСР № 822 21 декабря 1979 г.

СОДЕРЖАНИЕ

ПРЕДИСЛОВИЕ. 3

ЧАСТЬ I. ОБЩИЕ ПОЛОЖЕНИЯ.. 4

ГЛАВА 1.1. ПОРЯДОК И ОРГАНИЗАЦИЯ ПРОВЕДЕНИЯ ЗАЩИТНЫХ МЕРОПРИЯТИЙ.. 4

ГЛАВА 1.2. КРИТЕРИИ КОРРОЗИОННОЙ ОПАСНОСТИ. СПОСОБЫ ЗАЩИТЫ ОТ КОРРОЗИИ.. 6

ЧАСТЬ II. КОРРОЗИОННЫЕ ИЗМЕРЕНИЯ НА ПОДЗЕМНЫХ СТАЛЬНЫХ ТРУБОПРОВОДАХ.. 9

ГЛАВА 2.1. ОСНОВНЫЕ ВИДЫ ИЗМЕРЕНИЙ, ОРГАНИЗАЦИЯ ИЗМЕРИТЕЛЬНЫХ РАБОТ. 9

ГЛАВА 2.2. ПРИБОРЫ ДЛЯ КОРРОЗИОННЫХ ИЗМЕРЕНИЙ.. 10

И ВСПОМОГАТЕЛЬНОЕ ОБОРУДОВАНИЕ. 10

ГЛАВА 2.3. МЕТОДИКА ПРОВЕДЕНИЯ ИЗМЕРИТЕЛЬНЫХ РАБОТ ПО ОПРЕДЕЛЕНИЮ ОПАСНОСТИ КОРРОЗИИ.. 18

ГЛАВА 2.4. МЕТОДИКА ИЗМЕРЕНИЙ ПОЛЯРИЗАЦИОННЫХ ПОТЕНЦИАЛОВ ТРУБОПРОВОДОВ В ЗОНЕ ДЕЙСТВИЯ СРЕДСТВ ЭЛЕКТРОХИМИЧЕСКОЙ ЗАЩИТЫ... 29

ГЛАВА 2.5. ИЗМЕРЕНИЯ НА РЕЛЬСОВЫХ ПУТЯХ ЭЛЕКТРИФИЦИРОВАННОГО ТРАНСПОРТА.. 30

ЧАСТЬ III. ИЗОЛЯЦИЯ ТРУБОПРОВОДОВ И ЕМКОСТЕЙ.. 33

ГЛАВА 3.1. ОБЩИЕ ПОЛОЖЕНИЯ.. 33

ГЛАВА 3.2. СТРУКТУРА ЗАЩИТНЫХ ПОКРЫТИЙ.. 35

ГЛАВА 3.3. МАСТИЧНЫЕ ПОКРЫТИЯ.. 36

ГЛАВА 3.4. ПОЛИМЕРНЫЕ ПОКРЫТИЯ.. 42

ГЛАВА 3.5. ПОКРЫТИЯ ИЗ ЭМАЛИ ЭТИНОЛЬ. 46

ГЛАВА 3.6. ПОКРЫТИЯ ИЗ НАПЫЛЕННОГО ИЛИ ЭКСТРУДИРОВАННОГО ПОЛИЭТИЛЕНА.. 47

ГЛАВА 3.7. КОНТРОЛЬ КАЧЕСТВА ЗАЩИТНЫХ ПОКРЫТИЙ.. 50

ГЛАВА 3.8. СКЛАДИРОВАНИЕ И ТРАНСПОРТИРОВКА ИЗОЛИРОВАННЫХ ТРУБ И ЕМКОСТЕЙ ХРАНЕНИЯ СЖИЖЕННОГО ГАЗА.. 52

ГЛАВА 3.9. ТЕХНИКА БЕЗОПАСНОСТИ.. 52

ЧАСТЬ IV. ПРОЕКТИРОВАНИЕ ЭЛЕКТРОХИМИЧЕСКОЙ ЗАЩИТЫ ПОДЗЕМНЫХ ТРУБОПРОВОДОВ.. 53

ГЛАВА 4.1. ОБЩИЕ ПОЛОЖЕНИЯ.. 53

ГЛАВА 4.2. ПРОЕКТИРОВАНИЕ ЭЛЕКТРОХИМИЧЕСКОЙ ЗАЩИТЫ ВНОВЬ ПРОКЛАДЫВАЕМЫХ ТРУБОПРОВОДОВ.. 55

ГЛАВА 4.3. ПРОЕКТИРОВАНИЕ ЭЛЕКТРОХИМИЧЕСКОЙ ЗАЩИТЫ ДЕЙСТВУЮЩИХ ТРУБОПРОВОДОВ.. 60

ГЛАВА 4.4. СОВМЕСТНАЯ ЗАЩИТА ГОРОДСКИХ ПОДЗЕМНЫХ СООРУЖЕНИЙ.. 66

ГЛАВА 4.5. УСТАНОВКИ ЭЛЕКТРОХИМИЧЕСКОЙ ЗАЩИТЫ... 67

ЧАСТЬ V. МОНТАЖ И НАЛАДКА УСТАНОВОК ЭЛЕКТРОЗАЩИТЫ... 70

ГЛАВА 5.1. ОБЩИЕ ПОЛОЖЕНИЯ.. 70

ГЛАВА 5.2. МОНТАЖ И НАЛАДКА ДРЕНАЖНЫХ И КАТОДНЫХ УСТАНОВОК.. 71

ГЛАВА 5.3. МОНТАЖ И УСТАНОВКА ПРОТЕКТОРОВ.. 75

ГЛАВА 5.4. УСТАНОВКА ЭЛЕКТРОИЗОЛИРУЮЩИХ ФЛАНЦЕВ.. 76

ГЛАВА 5.5. УСТРОЙСТВО КОНТРОЛЬНО-ИЗМЕРИТЕЛЬНЫХ ПУНКТОВ.. 76

ГЛАВА 5.6. МОНТАЖ ЭЛЕМЕНТОВ СОВМЕСТНОЙ ЗАЩИТЫ... 78

ЧАСТЬ VI. ЭКСПЛУАТАЦИЯ УСТАНОВОК ЭЛЕКТРОХИМИЧЕСКОЙ ЗАЩИТЫ... 78

ГЛАВА 6.1. ПОРЯДОК ПРИЕМКИ И ВВОДА В ЭКСПЛУАТАЦИЮ УСТАНОВОК ЭЛЕКТРОХИМИЧЕСКОЙ ЗАЩИТЫ... 78

ГЛАВА 6.2. ПРОФИЛАКТИЧЕСКОЕ ОБСЛУЖИВАНИЕ УСТАНОВОК ЭЛЕКТРОХИМИЧЕСКОЙ ЗАЩИТЫ... 80

ЧАСТЬ VII. ОСНОВНЫЕ УКАЗАНИЯ ПО ТЕХНИКЕ БЕЗОПАСНОСТИ ПРИ ПРОВЕДЕНИИ РАБОТ ПО ЗАЩИТЕ ПОДЗЕМНЫХ МЕТАЛЛИЧЕСКИХ СООРУЖЕНИЙ ОТ КОРРОЗИИ.. 83

ЧАСТЬ VIII. ЗАЩИТА ВОДОПРОВОДНЫХ ТРУБ ОТ ВНУТРЕННЕЙ КОРРОЗИИ.. 85

ГЛАВА 8.1. ОПРЕДЕЛЕНИЕ КОРРОЗИОННОЙ АКТИВНОСТИ ВОДЫ... 85

ГЛАВА 8.2. ПРОТИВОКОРРОЗИОННАЯ ОБРАБОТКА ВОДЫ НА ВОДОПРОВОДНЫХ СТАНЦИЯХ.. 86

ГЛАВА 8.3. ЗАЩИТНЫЕ ПОКРЫТИЯ ВНУТРЕННЕЙ ПОВЕРХНОСТИ ВОДОПРОВОДНЫХ ТРУБ. 87

Приложение 1. 89

ТИПОВОЕ ПОЛОЖЕНИЕ О ПРОИЗВОДСТВЕННОЙ КОНТОРЕ ПО ЗАЩИТЕ ПОДЗЕМНЫХ МЕТАЛЛИЧЕСКИХ СООРУЖЕНИЙ ОТ ЭЛЕКТРОХИМИЧЕСКОЙ КОРРОЗИИ.. 89

Приложение 2. 92

ФОРМЫ ТЕХНИЧЕСКОЙ ДОКУМЕНТАЦИИ.. 92

Приложение 3. 109

ВЫБОР ОПТИМАЛЬНЫХ ПАРАМЕТРОВ АНОДНЫХ ЗАЗЕМЛИТЕЛЕЙ ДЛЯ КАТОДНОЙ ЗАЩИТЫ... 109

Приложение 4. 122

ПРИМЕР РАСЧЕТА ЭЛЕКТРОХИМИЧЕСКОЙ ЗАЩИТЫ ПОДЗЕМНЫХ СООРУЖЕНИЙ (НА СТАДИИ ПРОЕКТИРОВАНИЯ СООРУЖЕНИЙ) 122

Приложение 5. 123

ОПРЕДЕЛЕНИЕ ТЕХНИКО-ЭКОНОМИЧЕСКОЙ ЭФФЕКТИВНОСТИ ЭЛЕКТРОХИМИЧЕСКОЙ ЗАЩИТЫ ГОРОДСКИХ ПОДЗЕМНЫХ ТРУБОПРОВОДОВ.. 123

Приложение 6. 127

МЕТОДИКА ОПРЕДЕЛЕНИЯ КОРРОЗИОННОЙ АКТИВНОСТИ ВОДЫ... 127

В соответствии с действующими нормативными документами освещен комплекс проектных, строительных и эксплуатационных мероприятий по защите городских подземных стальных трубопроводов (за исключением теплопроводов) от почвенной коррозии и коррозии, вызываемой блуждающими токами. Приведена методика коррозионных измерений. Определены основные типы изоляционных покрытий.

Для инженерно-технических работников проектных, эксплуатационных и строительных организаций.

ПРЕДИСЛОВИЕ

Намеченная XXVI съездом КПСС задача дальнейшего повышения благосостояния советских людей неразрывно связана с увеличением темпов жилищного строительства. Выполнение этой задачи обусловило необходимость резкого развития трубопроводных коммуникаций различного назначения. Обеспечение высокой конструктивной надежности трубопроводов является основным фактором как в процессе их строительства и монтажа, так и в процессе эксплуатации.

В «Инструкции по защите городских подземных трубопроводов от электрохимической коррозии» освещен весь комплекс проектных, строительных и эксплуатационных мероприятий по защите трубопроводов (за исключением теплопроводов) от почвенной коррозии и коррозии, вызываемой блуждающими токами. Инструкция составлена в соответствии с ГОСТ 9.015-74 «Единая система защиты от коррозии и старения. Подземные сооружения. Общие технические требования», а также действующими СНиП.

При составлении Инструкции были учтены новые разработки научно-исследовательских я эксплуатационных организаций. Инструкция является обязательной для всех организаций и ведомств, осуществляющих проектирование, строительство и эксплуатацию стальных городских подземных трубопроводов (кроме теплопроводов) на территории городов РСФСР. С выходом настоящей Инструкции «Инструкция по защите городских подземных трубопроводов от электрохимической коррозии», изданная в 1974 г., отменяется.

Разработана Инструкция коллективом сотрудников отдела защиты городских подземных сооружений от коррозии Академии коммунального хозяйства им. К.Д. Памфилова: д-ром техн. наук, проф. И.В. Стрижевским, канд. техн. наук И.С. Оганезовой, М.А. Сурисом, В.М. Левиным, Э.И. Иоффе, Б.Л. Рейзиным, Э.Ф. Ковбасюк, И.В. Потеминской.

ЧАСТЬ I. ОБЩИЕ ПОЛОЖЕНИЯ

ГЛАВА 1.1. ПОРЯДОК И ОРГАНИЗАЦИЯ ПРОВЕДЕНИЯ ЗАЩИТНЫХ МЕРОПРИЯТИЙ

1.1.1. Требования настоящей Инструкции должны учитывать и выполнять при проектировании, строительстве, реконструкции, эксплуатации и ремонте городских подземных стальных трубопроводов (кроме теплопроводов).

1.1.2. Все подземные стальные трубопроводы, должны быть защищены от почвенной коррозии, коррозии, вызываемой блуждающими токами, а для источников блуждающих токов должны быть предусмотрены мероприятия по ограничению токов утечки в соответствии с требованиями ГОСТ 9.015-74 «Единая система защиты от коррозии и старения. Подземные сооружения. Общие технические требования» и настоящей Инструкцией. Подземные стальные водопроводные трубы, должны быть, также защищены от внутренней коррозии в соответствии с требованиями, изложенными в части VIII настоящей Инструкции.

1.1.3. Мероприятия по защите от коррозии подземных трубопроводов осуществляют, как правило, организации и предприятия, в ведении которых находятся эти сооружения.

1.1.4. Мероприятия по ограничению утечки токов в землю осуществляют организации и предприятия, в ведении которых находятся действующие, реконструируемые и строящиеся сооружения, являющиеся источниками блуждающих токов.

1.1.5. Общее руководство по организации комплексной защиты от коррозии подземных металлических сооружений, находящихся в ведении МЖКХ РСФСР, осуществляет головная группа по защите металлов от коррозии, входящая в состав Академии коммунального хозяйства им. К.Д. Памфилова.

1.1.6. Защиту подземных трубопроводов от коррозии в городах производят специализированные хозрасчетные конторы Подземметаллзащита или специальные службы (группы) защиты, входящие в состав организации, эксплуатирующей данные трубопроводы.

1.1.7. Основными задачами контор Подземметаллзащита являются организация и выполнение по договорам работ по защите подземных металлических сооружений от почвенной коррозии и коррозии, вызываемой блуждающими токами на территории области (края, республики).

В основные функции контор Подземметаллзащита входят контроль коррозионного состояния подземных металлических сооружений и эксплуатация установок электрохимической защиты; разработка проектов электрохимической защиты отдельных участков эксплуатируемых подземных стальных трубопроводов; выполнение строительно-монтажных и пусконаладочных работ по устройству электрохимической защиты эксплуатируемых трубопроводов; выдача технических условий на проектирование электрохимической защиты.

Примечание. Типовое положение о производственной хозрасчетной конторе Подземметаллзащита приведено в прил. 1 Инструкции.

1.1.8. Организация и координация, работ по защите от коррозии подземных металлических сооружений независимо от их ведомственной принадлежности осуществляется междуведомственными комиссиями, организованными при исполкомах Советов народных депутатов.

1.1.9. Защита от коррозии подземных стальных трубопроводов осуществляется по проектам защиты, составленным в соответствии с требованиями ГОСТ 9.015-74 и настоящей Инструкции.

1.1.10. Проекты защиты от коррозии подземных стальных трубопроводов должны разрабатываться одновременно с проектированием трубопроводов.

1.1.11. Проект защиты подземных трубопроводов от коррозии, как правило, разрабатывает проектная организация, проектирующая трубопровод.

1.1.12. Проектирование электрохимической защиты действующих городских подземных сооружений осуществляется специализированными проектными институтами или конторами Подземметаллзащита.

1.1.13. Мероприятия по защите от коррозии строящихся подземных трубопроводов, включение в работу устройств электрохимической защиты должны осуществляться до сдачи трубопроводов в эксплуатацию, но не позднее чем через 6 мес. после укладки трубопроводов в грунт.

1.1.14. Строительство электрозащитных установок на действующих подземных сооружениях выполняют на основании утвержденных исполкомами городских Советов народных депутатов титулов строительных работ и графиков, согласованных с заказчиками.

1.1.15. Все строительно-монтажные работы по устройству средств защиты на строящихся подземных трубопроводах, как правило, должны выполнять специализированные строительно-монтажные организации, осуществляющие строительство трубопроводов.

Пусконаладочные работы выполняет контора Подземметаллзащита.

1.1.16. Строительно-монтажные работы по защите трубопроводов, находящихся в эксплуатации, производят, как правило, конторы Подземметаллзащита, а также специализированные строительно-монтажные организации или организации, эксплуатирующие данные сооружения.

1.1.17. Срок действия согласованного проекта устанавливает Управление главного архитектора города или Межведомственная комиссия.

Примечание. По истечении срока согласования заказчик представляет в Управление главного архитектора или в Междуведомственную комиссию на повторное рассмотрение и согласование все экземпляры проекта. Одновременно с проектом представляют новые данные контрольных измерений, подтверждающие наличие коррозионной опасности на подземных сооружениях и эффективность запроектированных средств защиты. Указанные измерения производит соответствующая проектная организация по специальному заданию заказчика.

1.1.18. Вносить изменения в согласованные проекты без разрешения конторы Подземметаллзащита и проектной организации запрещается.

ГЛАВА 1.2. КРИТЕРИИ КОРРОЗИОННОЙ ОПАСНОСТИ. СПОСОБЫ ЗАЩИТЫ ОТ КОРРОЗИИ

1.2.1. Внешняя поверхность подземных металлических трубопроводов подвергается электрохимической коррозии, которая в зависимости от условий может быть вызвана взаимодействием наружной поверхности металла с окружающей средой (почвенная коррозия) или воздействием на металл блуждающих токов (коррозия блуждающими точками).

1.2.2. Опасность почвенной коррозии подземных металлических сооружений определяется коррозионной активностью грунтов по отношению к металлу сооружения.

1.2.3. Коррозионную активность грунтов по отношению к стальным подземным трубопроводам определяют по трем показателям: величине удельного электрического сопротивления грунта, потере массы образцов и плотности поляризующего тока (табл. 1). Коррозионную активность грунтов устанавливают по показателю, характеризующему наибольшую коррозионную активность.

Таблица 1. Коррозионная активность грунтов по отношению к стали

Коррозионная активность

Удельное электрическое сопротивление грунта, Ом

Потеря массы

образца, г

Средняя плотность поляризующего тока, мА/см

Низкая

Свыше 100

До 1

До 0,05

Средняя

20-100

1-2

0,05-0,2

Высокая

До 20

Свыше 2

Свыше 0,2

Примечание. Если по одному из показателей установлена высокая коррозионная активность грунта, то в определении коррозионной активности по остальным показателям нет необходимости.

1.2.4. Критерием опасности коррозии, вызываемой блуждающими токами, является наличие положительной или знакопеременной разности потенциалов между трубопроводом и землей (анодные или знакопеременные зоны).

1.2.5. Опасность коррозии подземных трубопроводов блуждающими токами оценивают на основании электрических измерений.

1.2.6. Основным показателем, определяющим опасность коррозии стальных подземных трубопроводов под действием переменного тока электрифицированного транспорта, является смещение разности потенциала между трубопроводом и землей в отрицательную сторону не менее чем на 10 мВ по сравнению со стационарным потенциалом трубопровода.

1.2.7. Защита подземных стальных трубопроводов от почвенной коррозии и коррозии, вызываемой блуждающими токами, может быть осуществлена путем изоляции трубопровода от контакта с окружающим грунтом и ограничения проникания блуждающих токов в трубопроводы из окружающей среды (рациональный выбор трасс прокладки трубопровода применение различных типов изоляционных покрытий, использование специальных способов прокладки трубопроводов); катодной поляризации металла трубопровода.

1.2.8. Подземные стальные трубопроводы, прокладываемые непосредственно в грунтах высокой коррозионной активности, следует защищать от почвенной коррозии изоляционными покрытиями и катодной поляризацией.

1.2.9. При защите от почвенной коррозии катодная поляризация подземных стальных трубопроводов должна осуществляться таким образом, чтобы создаваемые на всей поверхности трубопровода поляризационные потенциалы (по абсолютной величине) соответствовали значениям, указанным в табл. 2.

Таблица 2. Значения поляризационных (защитных) потенциалов

Металл сооружения

Значения поляризационных (защитных) потенциалов по отношению к медно-сульфатному неполяризующемуся электроду в любой среде, В

минимальные

максимальные

Сталь:

с защитным покрытием

-0,85

-1,1

без защитного покрытия

-0,85

Не ограничивается

1.2.10. Измерение поляризационных потенциалов на подземных стальных трубопроводах, оборудованных для этих целей специальными контрольно-измерительными пунктами, производится по методике, приведенной в части II настоящей Инструкции.

1.2.11. На действующих стальных трубопроводах, не оборудованных контрольно-измерительными пунктами для измерения поляризационных потенциалов, либо проложенных в грунтах с удельным электросопротивлением 150 Ом·м и более, допускается осуществлять катодную поляризацию трубопровода таким образом, чтобы значения потенциалов трубы по отношению к медно-сульфатному электроду сравнения (включающие поляризационную и омическую составляющие) находились в пределах -0,87 - (-2,5) В. Методика измерения приведена в части II настоящей Инструкции.

1.2.12. Стальные подземные трубопроводы подлежат защите от коррозии, вызываемой блуждающими токами, путем катодной поляризации в анодных и знакопеременных зонах независимо от коррозионной активности грунта. Катодная поляризация должна осуществляться таким образом, чтобы средние величины защитных потенциалов соответствовали значениям, приведенным в табл. 2 и в п. 1.2.11.

1.2.13. Защита стальных подземных трубопроводов от коррозии, вызываемой влиянием блуждающих токов электрифицированного на переменном токе транспорта, осуществляется в опасных зонах независимо от коррозионной активности грунтов путем катодной поляризации. Катодная поляризация должна осуществляться в соответствии с п.п. 1.2.9 и 1.2.11.

1.2.14. Катодную поляризацию подземных стальных трубопроводов проводят так, чтобы исключить вредное влияние ее на соседние подземные металлические сооружения. Это влияние заключается в уменьшении по абсолютной величине минимального или увеличении по абсолютной величине максимального защитного потенциала на соседних металлических сооружениях, имеющих катодную поляризацию; в появлении опасности электрохимической коррозии на соседних подземных металлических сооружениях, ранее не требовавших защиты от нее.

1.2.15. В случаях, когда при осуществлении катодной поляризации нельзя избежать вредного влияния на соседние металлические сооружения, должны осуществлять совместную защиту этих сооружений или применять другие меры, устраняющие влияние.

ЧАСТЬ II. КОРРОЗИОННЫЕ ИЗМЕРЕНИЯ НА ПОДЗЕМНЫХ СТАЛЬНЫХ ТРУБОПРОВОДАХ

ГЛАВА 2.1. ОСНОВНЫЕ ВИДЫ ИЗМЕРЕНИЙ, ОРГАНИЗАЦИЯ ИЗМЕРИТЕЛЬНЫХ РАБОТ

2.1.1. Коррозионные измерения на подземных стальных трубопроводах выполняют с целью определения опасности электрохимической коррозии подземных трубопроводов; определения эффективности действия электрохимической защиты.

2.1.2. Коррозионные измерения должны осуществляться при проектировании, строительстве и эксплуатации противокоррозионной защиты подземных стальных трубопроводов.

2.1.3. Целью коррозионных измерений при проектировании защиты вновь сооружаемых подземных трубопроводов является выявление участков трасс, опасных в отношении подземной коррозии. При этом определяют коррозионную активность грунтов и величины блуждающих токов в земле.

2.1.4. Коррозионные измерения по трассам проектируемых трубопроводов проводят, как правило, организации, разрабатывающие проект прокладки данного сооружения, или специализированные организации, проектирующие защитные противокоррозионные мероприятия для городских подземных сооружений.

Объем и состав коррозионных исследований при проектировании подземного трубопровода устанавливает организация, разрабатывающая проект (раздел) защиты от коррозии исходя из требований ГОСТ 9.015-74 и настоящей Инструкции.

2.1.5. При проектировании защиты уложенных в землю трубопроводов проводят коррозионные измерения с целью выявления участков трубопроводов, находящихся в зонах коррозионной опасности, вызванной агрессивностью грунта или влиянием блуждающих токов. При этом определяют коррозионную активность грунтов, измеряют разность потенциалов между трубопроводом и землей, измеряют величины и направления тока в трубопроводе (в случае необходимости).

2.1.6. Коррозионные измерения на сети действующих трубопроводов проводят организации, разрабатывающие проект защиты трубопроводов от электрохимической коррозии, а также организации, эксплуатирующие защитные устройства. Объем и состав коррозионных исследований устанавливается исходя из требований ГОСТ 9.015-74 и настоящей Инструкции.

2.1.7. Коррозионные измерения, проводимые при строительстве подземных трубопроводов, делятся на две группы: проводимые при производстве изоляционно-укладочных работ, а также при монтажных работах и наладке электрохимической защиты.

2.1.8. При монтажных работах и наладке электрохимической защиты измерения проводят с целью определения параметров установок электрохимической защиты и контроля эффективности их действия.

2.1.9. Коррозионные измерения при эксплуатации противокоррозионной защиты трубопроводов проводят с целью определения эффективности действия средств электрохимической защиты.

2.1.10. На сети действующих трубопроводов измерение потенциалов проводят в зонах действия средств электрозащиты подземных сооружений и в зонах влияния источников блуждающих токов - 2 раза в год, а также после каждого значительного изменения коррозионных условий (режима работы электрозащитных установок, системы электроснабжения электрифицированного транспорта, а также условий, связанных с развитием сети подземных сооружений и источников блуждающих токов и т. п.). Результаты измерений фиксируют в картах-схемах подземных трубопроводов. В остальных случаях измерения проводят 1 раз в год.

2.1.11. Для проведения периодических измерений все подземные коммуникации целесообразно делить по территориальным признакам на трассы (маршруты).

Примечание. Каждый маршрут должен иметь свой постоянный номер и может включать до 20-25 пунктов измерений потенциалов местоположение пунктов измерений с указанием вида пункта измерения (сифон, ввод, контрольно-измерительные пункты и т. д.) записывают в форму 1-1 прил. 2. На каждый маршрут составляют общий эскиз с нанесенными пунктами измерений.

ГЛАВА 2.2. ПРИБОРЫ ДЛЯ КОРРОЗИОННЫХ ИЗМЕРЕНИЙ И ВСПОМОГАТЕЛЬНОЕ ОБОРУДОВАНИЕ

2.2.1. Удельное сопротивление грунта может быть определено с помощью специальных измерительных приборов М-416, Ф-416 и ЭП-1М. Технические данные указанных приборов приведены в табл. 3.

Таблица 3. Технические характеристики приборов, рекомендуемых для измерений сопротивлений

Тип

прибора

Назначение

Класс

точности

Пределы

измерений, Ом

Питание

Условия эксплуатации

Габариты, мм

Масса, кг

температура, С

относительная влажность, %

М-416

Измерение сопротивления заземления и определение удельного сопротивления грунта

2,5

0-10,

0-50,

0-200,

0-1000

Автономное, от сухих батарей типа 373

-25 ¸ +60

95 при 35°С

245´140´160

3

Ф-416

Измерение сопротивления заземляющих устройств, определение удельного сопротивления грунта, измерение активных сопротивлений

1,5

0-5,

0-10,

0-100,

0-1000

От встроенного генератора с ручным приводом (частота вращения рукоятки генератора 120-143 мин1)

-50 ¸ +60

98 при 30 °С

230´170´215

6

ЭП-1М

Измерение напряжений, токов, удельного сопротивления грунта

-

Предел измерения по напряжению 0,05 - 495 мВ

Предел измерения по току 0,5·103 - 4,95·103 А

От поляризатора и компенсатора

-

-

330´210´120

4,5

МС-08

Измерение сопротивления проводников, заземлений и удельного сопротивления грунтов

1,5

0-10,

0-100,

0-1000

От встроенного генератора с ручным приводом

5 ¸ 40

80 при 30°С

390´195´205

10,5

2.2.2. Для измерения напряжений и тока при. коррозионных измерениях используют показывающие и регистрирующие приборы. Применяют вольтметры с внутренним сопротивлением не менее 20 кОм на 1 В шкалы.

Технические данные приборов, рекомендуемых для проведения коррозионных измерений, приведены в табл. 4.

Таблица 4. Технические характеристики приборов, рекомендуемых для измерений напряжений и токов

Тип

прибора

Назначение

Класс

точности

Пределы измерений

Входное

сопротивление, Ом/В

Время

успокоения

стрелки, с

Условия

эксплуатации

Габариты, мм

Масса,

кг

Питание

 

по току, А

по напряжению, В

температура, °С

относительная влажность, %

 

М-231

Измерение постоянных напряжений и токов

1,5

0,005-0-0,

0,005,

0,05-0-0,

0,05,

0,1-0-0,1,

1-0-1,

5-0-5,

10-0-10

0,075-0-0,

0,075,

0,5-0-0,5,

1-0-1,

5-0-5,

10-0-10,

50-0-50,

100-0-100

20´103

3

-30 ¸ +40

90 при 30°С

180´178´94

1,5

-

 

ВУ

Измерение постоянных напряжений и токов, эффективных значений переменных напряжений и токов, электрическое сопротивление постоянному току

-

Постоянного тока:

0,3´106;

1´106;

10 · 106;

100´106;

0,001; 0,01; 1;

переменного тока:

3´106;

100´106;

0,001;

0,01; 1

Постоянных напряжений:

0,01; 0,03;

0,1; 0,3; 1;

3; 10; 30;

100; 300; 3000; переменных напряжений:

0,1; 0,3; 1;

3; 10; 30;

100; 300; 3000

При постоянном напряжении:

1,4 · 106 - 

13 · 106; при переменном напряжении:

90 · 103 - 200 · 103

4

-30 ¸ +50

98 при 35°С

275´180´160

4,2

Автономное от элементов 373 «Марс»

 

Н-399

Измерение и регистрация тока и напряжения в цепях постоянного тока

1,5

Определяется используемым шунтом 75ШС или 75РИ

0,001; 0,005;

0,01; 0,025;

0,05; 0,075;

0,25; 1; 2,5;

5; 10; 25; 50; 100

10´106 на пределах до 250 мВ; 2´105 на пределах 1-100В

2

0 ¸ 50

95 при 30°С

230´180´315

10

От сети и автономное от преобразователей П-39

 

М-254

Измерение постоянных напряжений и токов

0,5

1,5´105;

3´105;

6´105;

1,5´103;

6 ´103;

15 · 103;

60´103

-

 

´104

4

-10 ¸ +35

80 при 30°С

224´158´100

1,8

-

 

Щ-1312

Измерение напряжения постоянного тока (цифровой электроизмерительный прибор)

-

-

1; 10; 100; 500

1´106

-

10 ¸ 30

80 при 30°С

220´125´260

4,5

От сети переменного тока напряжения 220 В

 

УКИП-75

Измерение напряжений и токов

2,5

0,5; 5; 10

0,6; 1.2; 3;

6; 12; 120

-

-

5 ¸ 50

80 при 30°С

290´220´135

3,2

Автономное

 

Ф-431/2

Измерение тока и напряжения переменного тока (электронный на транзисторах)

2,5 на пределе измерения

0,005-4

0,01´103;

0,015´103;

0,05´103;

0,15´103;

0,5´103;

1,5 ´103;

5´103

0,005; 0,03;

0,1; 0,3; 1,3;

10; 30; 100; 300

1´105 на пределе 0,005-0,1; 20´103 на остальных пределах

-

10 ¸ 35

80 при 30°С

115´215´90

1,5

Автономное

 

2.2.3. При проведении коррозионных измерений наибольшее распространение получили неполяризующиеся медно-сульфатные электроды.

2.2.4. Медно-сульфатный неполяризующийся электрод ЭН-1 состоит из пористой керамической чашки и пластмассовой крышки, в которую ввинчивается медный стержень. В медном стержне сверху высверлено отверстие для присоединения вилки. Во внутреннюю полость электрода заливается насыщенный раствор медного купороса. Сопротивление электрода не более 200 Ом. Габариты электрода: высота 102 мм, диаметр 94 мм, масса 0,35 кг. Электрод поставляют в футляре, в котором размещаются два электрода.

2.2.5. Неполяризующийся медно-сульфатный электрод сравнения НМ-С3-58 (рис. 1) состоит из неметаллического сосуда 3, с деревянной пористой диафрагмой 6, крепящейся к сосуду с кольцом 4. В верхней части сосуда через резиновую пробку 1 проходит медный стержень 2, имеющий на наружном конце зажим (гайку с шайбами) для подключения соединительного провода.

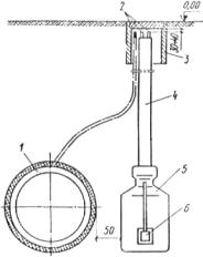
Рис. 1. Неполяризующийся медно-сульфатный электрод сравнения НН-СЭ-58

1 - пробка; 2 - медный электрод; 3 - корпус;   4 - кольцо; 5 - колпачок;

6 - диафрагма; 7 - резиновое  кольцо; 8 - подвеска

2.2.6. Переносный неполяризующийся медно-сульфатный электрод сравнения МЭП-АКХ состоит из пластмассового корпуса с пористым керамическим дном и навинчивающейся крышкой с впрессованным в нее медным электродом. Электрод выпускают с различной формой пористого дна — плоской, конической или полусферической. Материалы, из которых изготовлены электроды МЭП-АКХ и заливаемый в них электролит, позволяют проводить измерения при температуре до

-30°С. Электролит состоит из насыщенного раствора CuSO45H2O в смеси из двух частей этиленгликоля и трех частей дистиллированной (деионизованной) воды. В теплое время года в этих электродах может быть использован обычный электролит из насыщенного раствора сульфата меди.

2.2.7. При использовании медно-сульфатных электродов необходимо проводить следующие работы:

очистить медный стержень от загрязнений и окисных пленок либо механически (наждачной бумагой), либо травлением азотной кислотой. После протравки стержень тщательно промывают дистиллированной или кипяченой водой. Попадание кислот в сосуд электрода недопустимо;

залить электрод насыщенным раствором чистого медного купороса в дистиллированной или кипяченой воде с добавлением кристаллов купороса. Заливать электроды следует за сутки до начала проведения измерения. После заливки все электроды установить в один сосуд (стеклянный или эмалированный) с насыщенным раствором медного купороса так, чтобы пористые пробки были полностью погружены в раствор. Верхние концы стержней соединить между собой проводом.

2.2.8. Стальные электроды применяют в качестве заземлителей и питающих электродов при измерении удельного сопротивления грунта, в качестве электрода сравнения при измерениях на рельсовых путях электрифицированного транспорта.

Стальной электрод представляет собой стержень длиной 30-35 см, диаметром 15-20 мм. Конец электрода, забиваемый в землю, заточен конусом. На расстоянии 5-8 см от верхнего конца электрод просверлен и в отверстие запрессован болт с гайкой для подключения измерительных приборов.

Перед проведением измерений поверхность металлических электродов должна быть зачищена до металлического блеска.

2.2.9. Неполяризующийся медно-сульфатный электрод длительного действия с датчиком электрохимического потенциала используется в качестве электрода сравнения при измерениях разности потенциалов между трубопроводом и землей, а также для измерения поляризационного потенциала стального трубопровода, защищаемого методом катодной поляризации.

Неполяризующийся медно-сульфатный электрод длительного действия с датчиком электрохимического потенциала МЭСД-АКХ (рис. 2) состоит из керамического корпуса, заполненного электролитом повышенной вязкости, стержня из красной меди марки М1-Т-КР7, установленного в электролите, датчика электрохимического потенциала, соединительных проводников и предохранительной трубки длиной 1,5 м.

Рис. 2. Неполяризующийся электрод длительного действия с датчиком электрохимического потенциала МЭСД-АКХ

1 - предохранительная трубка; 2 - медный стержень; 3 - электролит;

4 - керамический корпус; 5 - датчик электрохимического потенциала

Датчик электрохимического потенциала представляет собой стальную пластинку размером 25´25 мм и толщиной 1,5-2 мм. Датчик вмонтирован в гнездо, укрепленное на внешней цилиндрической поверхности электрода. Свободные концы соединительных проводников от медного стержня электрода и датчика припаяны к штекерам. Штекер от датчика на конце имеет косой срез.

Основные параметры и размеры МЭСД-АКХ приведены в табл. 5.

Таблица 5. Основные параметры и размеры электрода МЭСД-АКХ

Параметры

Значения

Переходное электрическое сопротивление электрода, кОм, не более

3

Диаметр корпуса электрода, мм

120±10

Высота корпуса электрода, мм

240±10

Длина защитного кожуха (трубки) контактных проводников электрода, мм, не менее

1480

Масса электрода, кг, не более

3

2.2.10. Прерыватель тока ПТ-1 (табл. 6) предназначен для автоматической коммутации цепей датчик-трубопровод и датчик - электрод сравнения при измерении поляризационных потенциалов трубопроводов, а также при определении коррозионной активности грунтов по отношению к стали по поляризационным кривым.

Таблица 6. Технические данные прерывателя тока ПТ-1

Показатели

Нормы по типам и типоразмерам

Напряжение источника питания 1, В

915 %

То же, 2, В

915 %

Длительность коммутации цепи:

сооружение - датчик, мс

10±1

датчик - электрод сравнения, мкс

250±50

Габаритные размеры, мм, не более

210´120´87

Масса, кг, не более

2,4

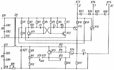
Принципиальная схема прерывателя тока приведена на рис. 3. Прерыватель состоит из задающего генератора, электронных ключей и усилителя постоянного тока. Значения элементов, приведенных в схеме, даны в табл. 7.

Рис. 3. Принципиальная схема прерывателя тока

Таблица 7. Значения элементов, приведенных на принципиальной схеме прерывателя тока

Обозначения по рис. 3

Наименование

С1, С2

Конденсаторы:

К73-11-160В-0,1 мкФ±5 %

С3

К73-11-160В-6¸8 мкФ±5 %

GB1...GB4

Батарея 3336

R1

Резисторы:

МЛТ-0,5-30 кОм±5 %

R2

МЛТ-0,5-10 кОм±5 %

R3

МЛТ-0,5-3,3 кОм±5 %

R4

МЛТ-0,5-150 кОм±5 %

R5

МЛТ-0,5-3,3 кОм±5 %

R6

МЛТ-0,5-620 Ом±5 %

R7

МЛТ-0,5-10 кОм±5 %

R8

МЛТ-0,5-100 кОм±5 %

R9

С5-5-1-1 кОм±5 % В

R10

СП5-22-470 Ом±5 % В

R11

СП5-22-1-3,3 кОм±5 % В

R12

С5-5-1-1 кОм±5 % В

R13

МЛТ-0,5-6,8 кОм±5 %

R14

МЛТ-0,5-5,1 кОм±5 %

R15

СП5-22-1-1 кОм±5 % В

R16

МЛТ-0,5-4,7 кОм±5 %

R17

МЛТ-0,5-5,1 МОм±5 %

R18

МЛТ-0,5-510 Ом±5 %

R19

МЛТ-0,5-5,1 МОм±5 %

SA

Микротумблер МТЗ

VД1, VД2

Диод КД510А

VД3...VД7

Стабилитрон КС168А

VТ1, VТ2

Транзисторы:

КТ203Б

VТ3

КТ312Б

VТ4

КП103М

VТ5, VТ6

КП103К

XS1...XS4

Гнездо ГИ4

XT1...ХТ5

Клемма КП1а

Задающий генератор собран на транзисторах VТ1 и VТ2 по схеме несимметричного мультивибратора. Импульсы напряжения, вырабатываемые задающим генератором, показаны на эпюрах напряжений 1 и 2 рис. 4.

Рис. 4. Эпюры напряжений

Электронные ключи (коммутатор) собраны на транзисторах VТ5 и VТ6. Для электронных ключей применены полевые транзисторы. Режим работы ключей показан на эпюрах напряжений 1 и 2.

Усилитель постоянного тока с коэффициентом усиления по напряжению, приблизительно равным 1, собран на транзисторах VТ3 и VТ4 и выполнен по схеме истокового повторителя со следящей обратной связью. На входе усилителя постоянного тока включен конденсатор С3, повторяющий поляризационный потенциал датчика. Напряжение на С3 в момент подключения прерывателя тока к защищаемому сооружению показано на эпюре напряжений 4. Регулирование коэффициента передачи усилителя постоянного тока осуществляется резистором R15.

Импульс напряжения с коллектора VТ1 в момент времени t1 поступает на затвор VТ6 (эпюра 2). VТ6 входит в режим насыщения и подключает датчик Д к трубопроводу Т. В этот же момент времени t1 снимается импульс напряжения с VТ5, который при этом запирается и отключается Д от C3 (эпюра 2). Возможное перекрытие импульсов при переключении транзисторов VТ5 и VТ6 на точность измерения практически влияния не оказывает, так как время перекрытия составляет десятые доли мкс. В период времени (t2 - t1) происходит поляризация Д от потенциала Т.

В момент времени t2 (эпюра 1) импульс напряжения снимается с затвора VТ6 и транзистор запирается, отключая Д от Т.

В тот же момент времени t2 (эпюра 1) импульс напряжения с коллектора VТ2 поступает на затвор VТ5. VТ5 входит в режим насыщения и подключает Д к С3. Второй вывод С3 постоянно подключен к электроду сравнения ЭС. С3 заряжается до напряжения, равного потенциалу Д (эпюра 4). Полный заряд С3 до потенциала Д происходит за 15-20 циклов заряда. Таким образом, напряжение на С3 становится равным поляризационному потенциалу защищаемого сооружения (эпюра 3).

Напряжение с С3 через усилитель постоянного тока, имеющий коэффициент усиления по напряжению, примерно равный 1, подводится к клеммам ХТ1 и ХТ2 (эпюра 5). Для измерения поляризационного потенциала сооружения к ХТ1 и ХТ2 необходимо подключить вольтметр, имеющий относительное входное сопротивление не менее 20 кОм/В. Установка нуля у прерывателя тока производится резистором R11 при закороченных клеммах Д и ЭС.

Стабилизация напряжения источника питания усилителя постоянного тока GВ3 и GВ4 осуществляется стабилитроном VД7, режим работы которого устанавливается R10.

Клеммы Д, Т, ЭС, служащие для подключения к прерывателю тока контрольных проводников от датчика, трубопровода и электрода сравнения, тумблер SA и клеммы ХS1, ХS2, ХS3, ХS4 расположены на лицевой панели прерывателя.

ГЛАВА 2.3. МЕТОДИКА ПРОВЕДЕНИЯ ИЗМЕРИТЕЛЬНЫХ РАБОТ ПО ОПРЕДЕЛЕНИЮ ОПАСНОСТИ КОРРОЗИИ

Определение коррозионной активности грунтов

2.3.1. Удельное электрическое сопротивление грунта определяют для выявления участков трассы прокладки трубопровода с высокой коррозионной активностью грунта, требующей защиты от коррозии, а также для расчета катодной и протекторной защиты.

2.3.2. Удельное электрическое сопротивление по трассе трубопровода определяют с интервалами 100-500 м. На действующей сети трубопроводов измерения проводят через каждые 100-200 м вдоль трассы на расстоянии 2-4 м от оси трубопровода.

Примечание. При расхождении данных измерений удельных электрических сопротивлений грунтов между двумя пунктами (через одну или более степеней коррозионной активности) необходимо выполнить дополнительные измерения.

2.3.3. Определение удельного электрического сопротивления грунтов выполняется измерителями сопротивления М-416, Ф-416, МС-08 или полевым электроразведочным потенциометром ЭП-1. В качестве электродов можно применять стальные стержни длиной 250-350 мм и диаметром 15-20 мм.

2.3.4. Величина удельного сопротивления грунта определяется по формуле

где

При измерении удельного электрического сопротивления грунта приборами М-416, Ф-416 и МС-08 расстояния между электродами принимаются одинаковыми и равными глубине прокладки подземного сооружения (рис. 5). Расчет удельного электрического сопротивления грунта r, Ом·м, проводят по формуле

где а - расстояние между электродами, равное глубине прокладки подземного сооружения, м; R - измеренная по прибору величина сопротивления, Ом.

2.3.5. Определение удельного электрического сопротивления грунта в одной точке рекомендуется проводить при двух разносах электродов, учитывая, что разнос электрода АВ (см. рис. 5) принимается 2h£AB£4h, где h - глубина прокладки трубопроводов (до оси), м.

Рис. 5. Схема определения удельного сопротивления грунта

2.3.6. Результаты измерений и расчетов заносят в протокол (ф. 1-5а прил. 2).

При оценке коррозионной активности грунтов в данной точке в расчет должно приниматься минимальное из двух значений.

2.3.7. Для определения коррозионной активности грунтов по потере массы стальных образцов и по поляризационным кривым необходимо произвести отбор и обработку проб испытываемого грунта.

2.3.8. Методика отбора проб грунта заключается в следующем: пробы грунта отбирают в шурфах, скважинах и траншеях из слоев, расположенных на глубине прокладки сооружения с интервалами 50-200 м на расстоянии 0,3-0,5 м от боковой стенки трубы. Для пробы берут 1,5-2 кг грунта, удаляют твердые включения размером более 3 мм. Отобранную пробу помещают в полиэтиленовый пакет и снабжают паспортом, в котором указываются номера объекта, пробы, место и глубина отбора пробы.

2.3.9. Определение коррозионной активности грунтов по методу потери массы стальных образцов производится на специальной установке (рис. 6). Установка состоит из жестяной банки, источника регулируемого напряжения постоянного тока и стального образца. Образец представляет собой стальную трубку длиной 100 мм, изготовленную из водогазопроводных труб, проточенную снаружи и внутри. Перед испытанием поверхность трубки очищают от ржавчины и окалины корундовой шкуркой, обезжиривают ацетоном, высушивают фильтровальной бумагой, выдерживают в течение суток в эксикаторе с кристаллическим хлористым кальцием и взвешивают на весах с точностью до 0,1 г. Стальные трубки должны быть промаркированы. Результаты взвешивания заносят в специальный журнал.

Рис. 6. Установка для определения коррозионной активности грунтов по методу потери массы стальных образцов

1 - испытуемый грунт; 2 - стальная трубка; 3 - банка; 4 - выключатель

Стальной образец устанавливают в жестяную банку и изолируют от дна банки с помощью пробки. Пробку укрепляют на нижнем торце трубки так, чтобы расстояние между трубкой и банкой было равно 10-12 мм. Отобранную пробу грунта (в соответствии с п. 2.3.8) просушивают при температуре не выше 105°С, размельчают в ступке до порошкообразного состояния и просеивают через сито с отверстиями 0,5-1 мм. Банку заполняют испытуемым грунтом на 5 мм ниже верхнего конца трубки. Тщательно трамбуют его для обеспечения плотного прилегания к стальному образцу. Грунт увлажняют дистиллированной водой до появления на его поверхности непоглощенной влаги. К трубке подключают положительный, а к банке отрицательный полюс регулируемого источника постоянного тока. Трубки находится под током в течение 24 ч, при напряжении между трубкой и банкой 6 В.

После отключения тока трубку извлекают из грунта, деревянным шпателем очищают от грунта и рыхлых продуктов коррозии и подвергают катодному травлению в 8%-ном растворе гидрата окиси натрия при плотности тока 15-20 А/дм2 до полного удаления продуктов коррозии. Для уменьшения тока травления рекомендуется трубку закрыть с торцов резиновой пробкой.

После удаления продуктов коррозии образец промывают дистиллированной водой, высушивают и взвешивают с точностью до 0,1 г. Результаты заносят в протокол (ф. 1-2б прил. 2).

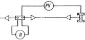
2.3.10. Определение коррозионной активности грунтов по отношению к стали по поляризационным кривым производится с помощью специального коррозиометра или по схеме, приведенной на рис. 7.

Рис 7. Схема для определения коррозионной активности   грунтов по поляризационным кривым

PV - вольтметр с Rвн ³ 20 кОм; РА - миллиамперметр; G - регулируемый источник питания постоянного тока Б5-7; Е1, Е2 - электроды; ХТ1, ХТ2 - клеммы для подсоединения вольтметра; ХТ3, ХТ4, ХТ5 - клеммы соответственно Д, Т, ЭС

Схема включает в себя: источник регулируемого напряжения постоянного тока; прерыватель тока (ПТ-1); стакан емкостью не менее 1 л из материала, обладающего диэлектрическими свойствами (стекло, фарфор, пластмасса и т. д.); вольтметр с внутренним сопротивлением не менее 20 кОм; электроды. Электроды представляют собой, квадратные пластинки из трубной стали размером 25´25 мм. К каждому электроду припаивают изолированный проводник. Сторону крепления проводника к электроду изолируют эпоксидной смолой. Пробу грунта отбирают в соответствии с п. 2.3.8, сохраняя естественную влажность грунта, и помещают в стакан. Электроды, предварительно зачищенные шкуркой и обезжиренные ацетоном, устанавливают в стакан с грунтом на расстоянии 50-60 мм друг от друга. Грунт уплотняют вручную с усилием 3-4 кг.

Расстояние от центра рабочей части электродов до поверхности грунта и дна стакана после уплотнения грунта должно быть не менее 30 мм. Смещать электроды после уплотнения грунта не следует.

До начала снятия поляризационных кривых необходимо выдержать электроды в грунте в течение 10-15 мин. Один электрод присоединяют к положительному полюсу источника тока, другой - к отрицательному. Для снятия поляризационной кривой электроды поляризуют при постепенном увеличении плотности тока. При этом достаточно задания 3-4 значений тока. Последнее значение плотности тока должно соответствовать разности потенциалов между электродами порядка 0,6 В.

Продолжительность поддержания каждого значения тока iк - 5 мин. Измерение разности потенциалов Vэ между электродами производят в момент разрыва цепи поляризации.

По измеренной силе тока и площади электродов определяют плотность тока, мА/см2:

На основании полученных данных строят диаграмму в координатах: Vэ-Jк. По диаграмме определяют плотность тока, соответствующую разности потенциалов 0,5 В. Результаты заносят в протокол (ф. 1-5в прил. 2).

2.3.11. После обработки результатов определения коррозионной активности грунта данные протоколов (формы 1-5а, 1-5б, 1-5в) заносят в сводную ведомость результатов определения коррозионной активности грунтов (ф. 1-5).

Определение наличия

блуждающих токов в земле

2.3.12. Наличие блуждающих токов в земле на трассе проектируемого трубопровода определяют по результатам измерений разности потенциалов межу проложенными в данном районе подземными металлическими сооружениями и землей.

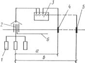
2.3.13. При отсутствии подземных металлических сооружений наличие блуждающих токов в земле на трассе проектируемых трубопроводов следует определять, измеряя разность потенциалов между двумя точками земли через каждые 1000 м по двум взаимно перпендикулярным направлениям при разносе измерительных электродов на 100 м. Схема электрических измерений для обнаружения блуждающих токов в земле приведена на рис. 8.

Рис. 8. Схема измерений для обнаружения блуждающих токов  в земле

1 - медно-сульфатные  электроды; 2 - изолированные провода;

l3 - расстояние между измерительными электродами

2.3.14. При проведении измерения используют медно-сульфатные электроды сравнения, которые подбирают так, чтобы разность электродвижущей силы (э.д.с.) двух электродов не превышала 2 мВ.

В качестве вольтметра используют высокоомные показывающие или самопишущие приборы (М.-231 или Н-399).

Показания приборов рекомендуется отсчитывать через каждые 5-10 с в течение 10-15 мин в каждом пункте измерения.

2.3.15. Возможны два варианта расположения измерительных электродов на местности: параллельно будущей трассе сооружения, а затем перпендикулярно к оси трассы и в соответствии со сторонами света. Второй вариант наиболее удобен в тех случаях, когда изучаются коррозионные условия целого района, а также при сложной трассе подземного сооружения.

2.3.16. При проведении измерений необходимо особенно внимательно следить за подключением клемм прибора.

Если одна из установок ориентирована по предполагаемой трассе трубопровода, то положительная клемма прибора должна подключаться к электроду, направленному в сторону начала трассы. Электроды, установленные перпендикулярно, следует подключать так, чтобы «нижний» электрод соединялся с положительной, а «верхний» - с отрицательной клеммой прибора. При расположении электродов по второму варианту электроды, ориентированные на юг и запад, соединяют с положительными клеммами соединительных приборов, а на север и восток - с отрицательными.

2.3.17. Если измеряемая разность потенциалов устойчива, т. е. не изменяется по величине и знаку, это указывает на наличие в земле токов почвенного происхождения либо токов от линии передач постоянного тока по системе провод - земля.

Если измеряемая разность потенциалов имеет неустойчивый характер, т. е. изменяется по величине и знаку или только по величине, это указывает на наличие блуждающих токов от электрифицированного транспорта.

Измерение разности потенциалов между трубопроводом и землей

2.3.18. Измерение разности потенциалов между трубопроводом и землей производят при помощи высокоомных показывающих или самопишущих приборов.

2.3.19. Положительная клемма измерительного прибора присоединяется к трубопроводу, а отрицательная - к электроду сравнения.

2.3.20. Измерение рекомендуется выполнять в контрольно-измерительных пунктах или существующих на трубопроводах устройствах (сифонах, задвижках, гидрозатворах, регуляторных станциях и узлах домовых вводов).

2.3.21. При проведении измерений на контрольно-измерительных пунктах соединительный провод от отрицательной клеммы вольтметра подключают к электроду сравнения контрольно-измерительных пунктов. В остальных случаях соединительный провод подключают к временному электроду сравнения.

2.3.22. Временные электроды сравнения устанавливают на минимальном расстоянии от трубопровода. Если электрод устанавливают на поверхности земли, то желательно поместить его над осью трубопровода. Если электрод устанавливают в колодце или камере, то располагают его на дне или в стенке на минимальном расстоянии от трубопровода.

2.3.23. В качестве электрода применяют неполяризующийся медно-сульфатный электрод сравнения.

2.3.24. При измерениях потенциалов с помощью показывающих приборов интервал между отсчетами принимают равным 5-10 с. Результаты измерений заносят в протокол измерений (ф. 1-3 прил. 2).

2.3.25. При измерениях в зоне влияния блуждающих токов трамвая с частотой движения 15-20 пар в 1 ч продолжительность измерения должна быть не менее 10 мин. Измерения необходимо производить в часы утренней или вечерней пиковой нагрузки электротранспорта.

При измерениях в зоне влияния блуждающих токов электрифицированных железных дорог период измерения должен охватывать пусковые моменты и время прохождения электропоездов в обе стороны между двумя ближайшими станциями (платформами).

2.3.26. В зоне действия блуждающих токов электрифицированного транспорта разность потенциалов между трубопроводом и землей рекомендуется измерять при помощи самопишущих приборов. Скорость движения диаграммной бумаги 180 или 600 мм/ч.

2.3.27. При подготовке к пуску самопишущего прибора на диаграммной бумаге указываются привязка пункта измерения (его номер или адрес), дата и время начала записи, тип электрода сравнения, регистрируемая величина (например, потенциал трубопровода по отношению к земле); заводской номер прибора, предел измерения, скорость движения диаграммной бумаги.

Измерение величины и направления тока в трубопроводе

2.3.28. Измерение величины и направления тока в трубопроводе рекомендуется производить милливольтметрами М-254 и УКИП-73, а также самописцем Н-399.

2.3.29. При измерениях величины и направления тока, протекающего по трубопроводу, милливольтметр подключают к двум доступным точкам трубопровода на участке, не имеющем задвижек, компенсаторов, ответвлений, контактов со смежными сооружениями и электрозащитных устройств.

2.3.30. Расстояние между точками подключения милливольтметра зависит от наличия на данном участке контрольных пунктов, колодцев и.т.д. и обычно не превышает 100-200 м. При этом приходится пользоваться длинными проводниками (150-200 м), имеющими хорошую изоляцию.

О направлении тока в трубопроводе судят по отклонению стрелки прибора от нуля шкалы в сторону зажима, имеющего более высокий потенциал.

2.3.31. Контакт с трубопроводом обеспечивается либо с помощью катодных выводов, либо с помощью магнитных контактов, устанавливаемых на шурфе.

2.3.32. Среднее значение тока Iср, протекающего в трубопроводе, вычисляется по формуле

где DVср - среднее значение падения напряжения на участке подземного сооружения, В; R - сопротивление трубопровода между точками измерений, Ом:

где r - удельное сопротивление металла трубы: r = 0,13¸0,14 Ом·м; L - длина участка, м; D - внутренний диаметр трубы, мм; d - толщина стенок трубы, мм.

Измерение разности потенциалов между трубопроводом и землей в зонах действия электротранспорта, работающего на переменном токе

2.3.33. Для выявления зон влияния блуждающих токов электрифицированного транспорта, работающего на переменном токе, проводят замеры переменных потенциалов трубопровода относительно земли. При этом могут быть использованы универсальный вольтметр ВУ или милливольтметр с транзисторным усилителем Ф-431/2 (гл. 2.2).

2.3.34. Подключение соединительных проводов от клемм приборов к трубопроводу и электроду сравнения выполняют аналогично измерениям потенциалов трубопровод-земля в зонах влияния блуждающих токов электротранспорта, работающего на постоянном токе. В качестве электрода сравнения применяют стальной электрод.

2.3.35. Измерения переменного потенциала трубопроводов относительно земли проводят с интервалом 15-20с. При этом фиксируют не максимальное значение потенциала за истекшие 15-20 с, а фактическое положение стрелки прибора в каждый интервал времени.

2.3.36. Измерение величины смещения потенциала стальных трубопроводов производят по схеме с компенсацией стационарного потенциала (рис. 9). При этом используют ампервольтметр М-231. Величина стационарного потенциала стали по отношению к медно-сульфатному электроду компенсируется включением в измерительную цепь встречной э.д.с. источника постоянного тока. Таким источником является батарея 1,6-Ф1МЦ-3,2 с рабочим напряжением 1,6 В. Расход компенсирующего тока до 5 мА.

Для защиты измерительных устройств приборов от влияния переменного тока в измерительную цепь включают дроссель индуктивностью не менее 100 мГ.

Рис. 9. Компенсационная схема измерения

1 - сопротивление 100 Ом; 2 - дроссель  индуктивностью не менее 100 мг;

3 -  медно-сульфатный электрод сравнения; 4 - регулируемое

сопротивление 500 Ом; 5 - трубопровод

2.3.37. При одновременном воздействии на трубопроводы переменного и постоянных блуждающих токов электротранспорта (станции стыкования железной дороги, трамвая и т. д.) смещение электродного потенциала может быть вызвано влиянием постоянных блуждающих токов.

2.3.38. Для уточнения источника тока, вызывающего смещение электродного потенциала, а также для определения величины стационарного потенциала трубопровода синхронно проводят замеры переменного потенциала трубопровода по отношению к земле и смещения электродного потенциала Результаты заносят в протокол (ф. 1-4 прил. 2). По данным синхронных измерений строят диаграмму изменения потенциалов во времени. С этой целью по оси ординат откладывают в масштабе средние значения разности потенциалов при переменном и постоянном токах (смещение потенциалов), а по оси абсцисс откладывают время в минутах. Если смещение электродного потенциала в отрицательную сторону на протяжении замеров неизменно совпадает с увеличением переменного потенциала трубопровода по отношению к земле, то оно связано с воздействием переменного тока и свидетельствует о коррозионной опасности.

2.3.39. Замеры смещения потенциала трубопровода выполняют также с целью проверки возможности использования действующих на трубопроводе защитных устройств от почвенной коррозии (катодной или протекторной защиты), а также при включении временных защит и выбора исходных параметров проектируемых катодных устройств.

2.3.40. Смещение электродного потенциала измеряют в условиях отключенных и включенных защитных устройств.

2.3.41. Обработку результатов измерений проводят так же, как и обработку результатов измерений в зонах влияния электрифицированного транспорта, работающего на постоянном токе.

Обработка результатов измерений

2.3.42. Обработка результатов измерений потенциалов и токов заключается в определении средних, максимальных и минимальных значений за время измерений.

2.3.43. При использовании неполяризующего электрода сравнения величину разности потенциалов между трубопроводом, проложенным в поле блуждающих токов, и землей Vтз определяют по формуле

где Vизм - измеренная разность потенциалов между трубопроводом и землей, В; Vc - потенциал стали в грунте без внешней поляризации

При отсутствии возможности определения значения Vc последнее может быть принято равным минус 0,55 В.

2.3.44. При определении опасности электрокоррозии подсчет средних величин потенциалов, измеренных с помощью неполяризующихся электродов, производят:

для всех мгновенных значений измеренных величин потенциала положительного и отрицательного знаков по абсолютной величине, меньшей значения Vc, по формуле

где Vi - мгновенные значения измеренного потенциала положительного и отрицательного знаков, по абсолютной величине меньших значения Vc, l - число отсчетов положительного и отрицательного знаков, по абсолютной величине меньших значения Vc; n - общее число отсчетов;

для мгновенных значений измеренных величин потенциала отрицательного знака, превышающих по абсолютной величине значение Vc, по формуле

где Vi - мгновенные значения потенциалов отрицательного знака, превышающие по абсолютной величине значение Vc; т - число отсчетов потенциала отрицательного знака, превышающих по абсолютной величине значение Vc.

2.3.45. При определении защищенности трубопроводов по разности потенциалов между трубопроводом и неполяризующимся медно-сульфатным электродом сравнения подсчет средних величин потенциалов производят по формуле

где Vi - мгновенные значения измеренной разности потенциалов; n - число отсчетов разности потенциалов.

2.3.46. Определение средних значений потенциалов и токов по лентам записи самопишущего прибора выполняется методом планиметрирования лент. Общая техника планиметрирования площадей описана в инструкциях, прилагаемых к планиметрам.

2.3.47. Планиметрирование лент записи потенциалов, произведенных в устойчивых анодных и катодных зонах трубопровода, выполняют в следующем порядке:

штифтом полярного планиметра обводят контур, ограниченный двумя ординатами времени, кривой записи и нулевой линией (за нулевую линию при измерении с помощью стального электрода принимается прямая, соответствующая нулю шкалы, при измерении с медно-сульфатным электродом - прямая, смещенная по отношению к нулю шкалы на величину, соответствующую значению Vc).

Примечание. В зависимости от ряда факторов, характеризующих состояние поверхности металла и грунта, величина стационарного потенциала стали может отличаться от среднего значения на ±0,2 В. Если амплитуда колебаний разности потенциалов труба - земля соизмерима с этой величиной, то возможна ошибка в оценке коррозионной опасности на трубопровода. Ошибки можно избежать, если обработку диаграммной, ленты производить относительно показаний прибора в период отсутствия блуждающих токов. На диаграммной ленте это обычно прямая линия в течение 2-3 ч.;

если вся длина ленты больше участка, охватываемого планиметром при одной его установке, ленту разбивают на ряд отрезков и планиметрируют отдельно каждый из них;

в итоге суммирования площадей, полученных при раздельном планиметрировании (ряда отрезков ленты записи, получается общая площадь записи, см2;

делением общей измеренной площади на длину обработанной ленты определяется среднее значение за период записи;

умножением найденного среднего значения, в см на масштаб В получают среднее значение регистрируемой величины для всего обработанного участка записи;

для приборов с равномерной шкалой и записью в прямолинейных координатах отношение предела измерения, на котором велась данная запись, к половине полезной ширине бумаги (при двусторонней шкале) дает масштаб В;

для приборов с неравномерной шкалой перевод из среднего значения в см в среднее значение регистрируемой величины выполняют по масштабной линейке, которая прикладывается к прибору и является копией его шкалы.

Максимальные и минимальные значения регистрируемой величины потенциалов также отсчитываются по масштабной линейке.

2.3.48. Планиметрирование лент записи потенциалов и знакопеременных зонах трубопроводов отличается от описанного в п. 2.3.47 тем, что раздельно определяются площади положительной и отрицательной частей диаграммы потенциалов (относительно принятой нулевой линии). Делением измеренных площадей на всю длину обработанной ленты с последующим уменьшением на масштаб 1 см В определяют среднее отрицательное и среднее положительное значения измеряемой величины потенциалов за период записи.

2.3.49. Результаты планиметрирования лент и расчет средних значений потенциалов, а также максимальное и минимальное их значения, отсчитанные по масштабной линейке, заносят в протокол обработки лент установленной формы (см. ф. 1-5 прил. 2).

2.3.50. При изменении режимов в период записи (включения и отключения электрозащит, перемычек между сооружениями, закорачивании изолирующих фланцев и др.) всю ленту записи разбивают на участки, соответствующие каждому режиму, и обрабатывают отдельно по каждому участку. Для каждого участка записи (режима) находят средние, максимальные и минимальные значения потенциалов и заполняют отдельный протокол.

2.3.51. После обработки результатов измерений потенциала трубопровода по отношению к земле данные протоколов измерений (формы 1-3 и 1-5 прил. 2) заносят в сводный журнал измерений потенциала сооружения относительно земли (ф. 1-6 прил. 2).

По средним значениям разности потенциалов трубопровод - земля строят диаграммы потенциалов.

На план трассы трубопровода наносят пункты измерений. Средние значения потенциалов в каждом пункте измерения откладываются в масштабе в виде прямых отрезков перпендикулярно к изображению сети. Концы отрезков соединяют между собой прямыми линиями.

ГЛАВА 2.4. МЕТОДИКА ИЗМЕРЕНИЙ ПОЛЯРИЗАЦИОННЫХ ПОТЕНЦИАЛОВ ТРУБОПРОВОДОВ В ЗОНЕ ДЕЙСТВИЯ СРЕДСТВ ЭЛЕКТРОХИМИЧЕСКОЙ ЗАЩИТЫ

2.4.1. Методика устанавливает порядок работ при проведении измерений поляризационных потенциалов подземных стальных трубопроводов в зоне действия электрохимической защиты от почвенной коррозии и коррозии, вызываемой блуждающими токами. Методика применима при прокладке трубопроводов в грунтах с удельным сопротивлением   не более 150 Ом·м.

2.4.2. Поляризационный потенциал трубопровода измеряют на специально оборудованном контрольно-измерительном пункте с помощью медно-сульфатного электрода длительного действия с датчиком электрохимического потенциала МЭСД-АКХ (см. п. 5.5.3).

2.4.3. Поляризационный потенциал измеряют с помощью прерывателя тока и вольтметра, схема подключения которых к контрольно-измерительному пункту приведена на рис. 10.

Рис. 10. Схема измерения поляризационного потенциала в контрольно-измерительном пункте

1 - прерыватель тока; 2 - датчик электрохимического потенциала;

3 - электрод сравнения; 4 - трубопровод

Прерыватель тока обеспечивает попеременную коммутацию цепей датчик - трубопровод и датчик - электрод сравнения. Продолжительность коммутации цепи датчик - электрод сравнения должна быть в пределах 0,2¸0,5 мс, а датчик - трубопровод – 5-10 мс.

2.4.4. Измерение поляризационного потенциала производят следующим образом: размыкают контрольные проводники от трубопровода 4 и датчика 2; к соответствующим клеммам прерывателя тока 1 присоединяют контрольные проводники от трубопровода 4, датчика 2, электрода сравнения 3 и вольтметр, имеющий внутреннее сопротивление не менее 20 кОм на 1 В шкалы и пределы измерений 1-0-1, 3-0-3 или другие близкие к указанным пределы; включают прерыватель тока; через 10 мин после включения прерывателя тока снимают первое показание вольтметра; следующие показания снимают через каждые 5 с.

По окончании измерений контрольные проводники от трубопровода и датчика следует замкнуть.

2.4.5. Продолжительность измерений поляризационных потенциалов должна быть не менее 10 мин.

2.4.6. Среднее значение поляризационного потенциала jср определяют как среднее арифметическое измерение мгновенных значений потенциала за весь период измерений:

где - сумма мгновенных значений потенциала за весь период измерений, В; т - общее число измерений.

ГЛАВА 2.5. ИЗМЕРЕНИЯ НА РЕЛЬСОВЫХ ПУТЯХ ЭЛЕКТРИФИЦИРОВАННОГО ТРАНСПОРТА

2.5.1. С целью контроля за выполнением мероприятии по ограничению токов утечки на рельсовых путях электрифицированного транспорта производят измерения параметров, ограничивающих токи утечки.

2.5.2. На рельсовых сетях трамвая проводят измерении электрического сопротивления сборных стыков, сопротивления контактов в местах присоединения отрицательных линий, разности потенциалов между рельсами и землей, определяют исправность междурельсовых, междупутных и обходных соединителей.

2.5.3. Электрическое сопротивление сборных стыков на трамвайных рельсах измеряют, как правило, стыкомером, который размещают на рельсовой нити таким образом, чтобы стык находился между контактами, расположенными на расстоянии 300 мм друг от друга. При установке стрелки гальванометра на нуль шкалы указатель покажет величину электрического сопротивления стыка, м. Стык считается исправным, если стрелка укажет величину меньшую или равную 2,5 м.

2.5.4. Исправность междурельсовых и междупутных соединителей проверяют по разности потенциалов между рельсовыми нитями одного и того же пути и между внешними нитями разных путей через каждые 600 м в местах установки соединителей.

Разность потенциалов измеряют вольтметром с внутренним сопротивлением не менее 10000 Ом/В. В каждой проверяемой точке фиксируется 60 показаний вольтметра.

Среднее значение разности потенциалов между нитями одного пути не должно превышать 0,05 В, а между нитями разных путей - 0,5 В.

2.5.5. Исправность обходных соединителей на стрелках, крестовинах и т. п. проверяют измерениями разности потенциалов между концами рельсов, к которым примыкают стрелки, крестовины и т. п. Измерения производят милливольтметром с внутренним сопротивлением не менее 10000 Ом/В. На каждом обходном соединителе снимают 10 показаний вольтметра.

Среднее значение потенциалов между концами рельсов, примыкающих к сварным стрелкам, крестовинам и компенсаторам, не должно превышать 0,05 В на каждый метр длины соединителя.

2.5.6. Сопротивление контактов в местах присоединения отрицательных линий измеряют вольтметром с внутренним сопротивлением не менее 10000 Ом/В и амперметром, включенным по схеме, указанной на рис. 11.

Рис. 11. Схема измерения  сопротивления контактов в местах присоединения отрицательных линий

Величина сопротивления контакта определяется как разность между сопротивлением, вычисленным по показаниям приборов, и расчетным сопротивлением соответствующего проводника, соединяющего отрицательную линию с рельсовой нитью.

При исправном состоянии контакта сопротивление его не должно превышать 15·104 Ом.

2.5.7. Разность потенциалов между рельсами трамвая и землей измеряют через каждые 300 м и в характеристических точках рельсовой сети: пунктах присоединения кабели, под секционными изоляторами, в конце консольных участков, в местах присоединения электродренажей. Измерения следует производить с помощью высокоомных приборов (не менее 20000 Ом/В).

2.5.8. В качестве измерительного электрода применяют стальной стержень диаметром не менее 15 мм. Электрод забивают в грунт на глубину 10-15 см. Минимальное расстояние места установки электрода - 20 м от ближайшей нитки рельсов. Продолжительность измерения в каждом пункте не менее 15 м. При этом фиксируется 150 показаний прибора.

2.5.9. При измерениях с помощью визуальных приборов средние за период измерения величины потенциалов определяются по формулам:

где - сумма мгновенных значений измеренных величин положительного знака; - сумма мгновенных значений измеренных величин отрицательного знака; l и т - число отсчетов соответственно положительного и отрицательного знаков; п - общее число отсчетов.

Результаты измерения заносят в протокол  (ф. 1-7 прил. 2).

2.5.10. По результатам измерений строят диаграмму потенциалов рельсовой сети. На основе анализа этой диаграммы, может быть произведена ориентировочная проверка выполнения норм падения напряжения в рельсах: сумма абсолютных значений любых двух координат анодной и катодной зон диаграмм потенциалов не должна превышать нормируемой для данных условии величины падения напряжения в рельсах (табл. 8).

Таблица 8. Значения величины падения напряжения в рельсах

Тип основания рельсового пути трамвая

Максимально допустимое падение напряжения при числе месяцев в году со среднемесячной температурой выше 5°С

3-4

5-6

7-8

9-10

11-12

Бетонное с рельсами, утопленными в бетон

1,2

0,8

0,6

0,5

0,4

Песчаное с замощением

6

4

3

2,5

2

Щебеночное с замощением или песчаное со слоем битуминизированного песка по штучным покрытиям

9,6

6,4

4,8

4

2,2

Бетонное с электроизоляцией корыта слоем 10-12 мм:

шпально-песчаное или шпально-щебеночное без замощения

12

8

6

5

4

2.5.11. Определение средних значений потенциалов и токов по лентам записи регистрирующего прибора выполняется аналогично изложенному в п. 2.3.48 настоящей Инструкции.

2.5.12. На рельсовых сетях железных дорог, электрифицированных на постоянном токе, проводят измерения электрического сопротивления сборных стыков, проверяют состояние изоляции между рельсами и фермами мостов и путепроводов и исправность искровых промежутков, измеряют токи утечки с рельсов.

Замеры производит служба электрификации Управления железной дороги совместно с заинтересованными организациями, проектирующими, строящими и эксплуатирующими защиту подземных металлических сооружений.

ЧАСТЬ III. ИЗОЛЯЦИЯ ТРУБОПРОВОДОВ И ЕМКОСТЕЙ

ГЛАВА 3.1. ОБЩИЕ ПОЛОЖЕНИЯ

3.1.1. Все стальные трубопроводы и емкости, укладываемые в грунт в пределах городов, населенных пунктов и территории промышленных предприятий, должны иметь защитные покрытия весьма усиленного типа в соответствии с требованиями действующих нормативно-технических документов и настоящей Инструкции.

3.1.2. В зависимости от используемых материалов полимерные защитные покрытия могут быть мастичные (битумные или каменноугольные), экструдированные из расплава, оплавляемые на трубах из порошков, накатываемые на трубы из эмалей, из липких или наклеиваемых на трубу лент.

3.1.3. Материалы для защитных покрытий должны удовлетворять требованиям нормативно-технической документации.

3.1.4. Вновь разрабатываемые материалы для защитных покрытий и их конструкции вводятся в практику строительства и ремонта трубопроводов в соответствии с требованиями нормативно-технической документации, согласованной с головной организацией по защите от коррозии подземных металлических сооружений и утвержденной в установленном порядке.

3.1.5. Применение импортных материалов для защитных покрытий допускается по согласованию с головной организацией по защите от коррозии подземных металлических сооружений и органами государственного надзора.

Технология нанесения защитных покрытий на основе импортных материалов должна точно соответствовать требованиям фирмы, выпускающей эти материалы.

3.1.6. Защитные покрытия на стальные трубы и емкости наносят механизированным способом в условиях производственных баз строительно-монтажных организаций.

Изоляционные работы на месте укладки трубопроводов допускается выполнять ручным способом при изоляции сварных стыков, мелких фасонных частей, исправлении повреждений покрытия, возникших при транспортировке емкостей и труб, монтаже и спуске трубопровода в траншею, а также при их капитальном ремонте.

Допускается изоляция трубопровода липкими лентами на место укладки. Работы при этом должны вестись в соответствии с проектом организации работ.

Таблица 9. Структура защитных покрытий весьма усиленного типа на основе битумных и каменноугольных мастик

Конструкция и материалы

защитного покрытия

Толщина, мм, не менее

каждого слоя

общая

Покрытия на основе мастик (ГОСТ 9.015-74): битумно-атактической,

битумно-минеральной, битумно-резиновой

Битумная грунтовка

Битумная мастика

Армирующая обмотка из стеклохолста

Битумная мастика

Армирующая обмотка из стеклохолста

Битумная мастика

Наружная обертка

Не нормирована

2,5-3

Не нормирована

2,5-3

Не нормирована

2,5-3

В зависимости от материала

0

Покрытия на основе мастик: битумно-асбополимерной (ТУ 204 РСФСР

869-76) или битумно-тальковой (ТУ 204 РСФСР 868-76)

Битумная грунтовка

Битумная мастика

Армирующая обмотка из стеклохолста

Битумная мастика

Армирующая обмотка из стеклохолста

Битумная мастика

Наружная обертка

Не нормирована

2,5

Не нормирована

2,5

Не нормирована

2,5

В зависимости от материала

7,5

Покрытие на основе каменноугольной мастики (ТУ 204 РСФСР 1068-80)

Каменноугольная грунтовка

Каменноугольная мастика

Армирующая обмотка из стеклохолста

Каменноугольная мастика

Армирующая обмотка из стеклохолста

Каменноугольная мастика

Наружная обертка

Не нормирована

1,5

Не нормирована

1,5

Не нормирована

1,5

В зависимости от материала

 

 

 

4,5

Примечания: 1. В качестве материалов для наружной обертки следует применять бумагу мешочную (ГОСТ 2228-75), оберточную бумагу марки А (ГОСТ 8273-75), бризол (ГОСТ 17176-71), пленку ПДБ (ТУ 21-27-49-76).

2. Толщина одного слоя наружной обертки входит в общую толщину покрытия только на основе битумно-атактической, битумно-минеральной, битумно-резиновой мастик.

3. Допускается применение четырех слоев битумно-атактической, битумно-минеральной или битумно-резиновой мастики с тремя слоями армирующей обмотки при соблюдении общей толщины покрытия не менее 9 мм.

4. При изоляции труб диаметром до 150 мм битумно-атактической, битумно-минеральной или битумно-резиновой мастиками допускается общая толщина покрытия не менее 7,5 мм.

5. При применении вновь разработанных покрытий, в соответствии с требованиями п. 3.1.4, допускается изменять как структуру, так и общую толщину покрытия в пределах, установленных нормативно-технической документацией на эти покрытия.

3.1.7. Для обеспечения заданных свойств защитных покрытий на всех этапах строительно-монтажных работ но изоляции труб и емкостей, прокладке и ремонту подземных сооружений проводится контроль нормируемых показателей качества покрытий.

3.1.8. Хранение и транспортировка изолированных труб и емкостей, а также монтаж и укладка сооружений должны производиться в максимально сжатые сроки, в условиях, исключающих порчу защитных покрытий. При этом следует руководствоваться «Инструкцией по хранению, погрузке, транспортировке и разгрузке изолированных труб» (ОНТИ АКХ, 1979).

ГЛАВА 3.2. СТРУКТУРА ЗАЩИТНЫХ ПОКРЫТИЙ

3.2.1. Структура защитных битумных и каменноугольных покрытий весьма усиленного типа приведена в табл. 9.

3.2.2. Структура защитных покрытий на основе полимерных липких лент и из рулонного материала на основе , бутилкаучука представлена в табл. 10.

Таблица 10. Структура защитных покрытий весьма усиленного типа на основе полимерных липких лент и из рулонного материала на основе бутилкаучука

Структура покрытия

Толщина слоев не менее, мм

На основе полимерных липких лент

Грунтовка

0,1

Полимерная липкая лента (ГОСТ 9.015-74)

1,1

Наружная обертка

В зависимости от материала

На основе бутилкаучука

Грунтовка

0,05-0,07

Рулонный материал

1,6

Примечание. Для покрытий на основе полимерных липких лент:

1. В качестве материала для наружной обертки могут быть использованы: пленка ПДБ (ТУ 21-27-49-76), бризол (ГОСТ 17176-71), стеклоруберонд (ГОСТ 15879-70), изол (ГОСТ 10296-79) и др.

2. Допускается применять покрытия другой структуры, обеспечивающие требуемую защиту по нормативно-технической документации.

3. Для покрытий из рулонного материала на основе бутилкаучука: в связи с выпуском материала разной толщины покрытие может быть однослойным или двухслойным.

3.2.3. Структура защитных покрытий, экструдированных из расплава или оплавляемых на трубах из порошков, представлена в табл. 11.

Таблица 11. Структура защитных покрытий весьма усиленного типа, экструдированных из расплава или оплавляемых на трубах из порошков

Структура покрытия

Толщина слоя, мм

Полиэтилен экструдированный или оплавляемый на трубе из порошка для труб диаметром, мм: до 250

2,5

250-500

3

500 и выше

3,5

3.2.4. Защитное однослойное покрытие из эмали этиноль имеет толщину не менее 0,6 мм.

ГЛАВА 3.3. МАСТИЧНЫЕ ПОКРЫТИЯ

Материалы для мастичных покрытий: грунтовки, мастика, армирующие и оберточные материалы

3.3.1. Составы битумных грунтовок, применяемых у зависимости от сезона нанесения покрытий (лето или зима), а также каменноугольных грунтовок приведены в табл. 12.

Таблица 12. Составы битумных и каменноугольных грунтовок

Типы грунтовок

Составы грунтовок

Битумная грунтовка для летнего времени

Битум БН-90/10 или БН-70/30 (ГОСТ 6617-76) или битум БНИ-V или БНИ-IV (ГОСТ 9812-74), бензин неэтилированный авиационный Б-70 (ГОСТ 1012-72*) или автомобильный А-76 со знаком качества или А-72 (ГОСТ 2084-77)

Битумная грунтовка для зимнего времени

Битум БН-70/30 (ГОСТ 6617-76) или БНИ-IV (ГОСТ 9812-74), бензин неэтилированный авиационный Б-70  (ГОСТ 1012-72*)

Каменноугольная грунтовка

Основа грунтовки (ТУ 204 РСФСР 1068-80), толуол (ГОСТ 14710-78)

3.3.2. Если зимой изоляцию труб битумными мастиками производят в помещении с температурой не ниже +10°С на поточных линиях, оборудованных устройством для сушки грунтовки, допускается применять битумную грунтовку для летнего времени.

3.3.3. Для приготовления битумной грунтовки нужное количество соответствующего битума расплавляют, обезвоживают и охлаждают до температуры 70°С. Затем в бак наливают необходимое количество соответствующего бензина, в который (а не наоборот) при непрерывном перемешивании деревянной лопастью вливают небольшими порциями битум. Соотношение битума и бензина должно быть 1: 3 по объему, или 1: 2 по массе. Грунтовка считается готовой, если в ней после смешивания нет комков битума.

3.3.4. Для приготовления каменноугольной грунтовки нужное количество каменноугольной основы расплавляют, обезвоживают и охлаждают до температуры не выше 80 С. Затем в бак наливают необходимое .количество толуола, в который (а не наоборот) при непрерывном перемешивании деревянной лопастью вливают небольшими порциями каменноугольную основу. Соотношение основы и толуола должно быть 1:3 по объему, или 1:2 по массе. Грунтовка считается готовой, если в ней после смешивания нет комков основы.

3.3.5. Приготовленные грунтовки могут храниться в герметически закрытой таре не более 10 сут. Перед заливкой грунтовок в грунтовочное устройство их обязательно перемешивают деревянной лопастью.

3.3.6. Составы битумных мастик приведены в табл. 13.

Таблица 13. Составы битумных мастик

Мастика

Битум БНИ-IV (ГОСТ 9812-74) или БН-70/30 (ГОСТ 6617-76)

Битум БНИ-V (ГОСТ 9812-74) или БН-90/10 (ГОСТ 6617-76)

Масло зеленое (ОСТ 38-01140-77) или осевое (ГОСТ 610-72)

Атактический полипропилен (ТУ 6-05-131-2-78)

Доломитизированный или асфальтовый известняк, доломит (ГОСТ 8267-75)

Асбест хризотиловый (ГОСТ 12871-67*), сорт 7-й

Талькомагнезит молотый, 1-го, 2-го сорта (ГОСТ 21235-75) или тальк А, 1-го или 2-го сорта (ГОСТ 19729-74)

Низкомолекулярный полиэтилен (ТУ 6-05-10-75 или ТУ 38302-116-76)

Битумно-атактическая

95

-

-

5

-

-

-

-

Битумно-минеральная марки:

I

75

-

-

-

25

-

-

-

II

-

75

-

-

25

-

-

-

III

70

-

5

-

25

-

-

-

IV

-

75

3

-

22

-

-

-

Битумно-тальковая марки:

I

80-85

-

-

-

-

-

20-15

-

II

-

80-85

-

-

-

-

20-15

-

III

80-82

-

3

-

-

-

17-15

-

IV

-

80-82

3

-

-

-

17-15

-

Битумно-асбополимерная

87-90

-

-

-

-

10-7

-

3

3.3.7 Состав каменноугольной мастики определяется «Технологическим регламентом производства антикоррозионных каменноугольных материалов на основе продуктов переработки каменноугольной смолы», утвержденным МЖКХ РСФСР.

3.3.8. Для повышения механической прочности покрытий из мастик в их конструкцию должны входить армирующие слои из стекловолокнистых материалов. Каждый слой мастики должен армироваться стеклохолстом.

3.3.9. Для армирования защитных покрытий следует применять стеклохолсты марок ВВ-К (ТУ 21-33-43-79) и ВВ-Г (ТУ 21-23-44-79).

Допускается применять стеклохолсты других марок, соответствующих основным показателям, установленным в нормативно-технической документации на ВВ-К и ВВ-Г.

3.3.10. Стекловолокнистые холсты должны отвечать следующим показателям:

 

ВВ-Г

ВВ-К

Холст, мм:

ширина………………………………

400±5

500±5

1000±20

Толщина………………………………

0,5±0,1

0,5±0,1

Длина холста в рулоне, м, не менее……

150

350

средний диаметр волокна, мкм, не более…

16-18

6

Разрывная нагрузка, Н (кгс), не менее……..

80(8)

100 (10)

120(12)

бкость холста (число изгибов до

появления трещин), не менее…………………

10

10

Устойчивость  холста в расплавленных

битумных   мастиках при температуре

180°С, мин, не менее………………………

5

5

Примечание. Ширина холста по согласованию с заказчиком может иметь другие размеры.

Стекловолокнистые холсты ВВ-Г и ВВ-К должны быть неворсистыми и без складок. Намотка холста в рулоны должна быть плотной, ровной с торцов.

Изготовление мастик

3.3.11. Битумные мастики для различных условий строительства трубопроводов по физико-механическим свойствам должны отвечать требованиям, указанным в табл. 14.

Таблица 14. Физико-механические свойства битумных и каменноугольной мастик

Мастика

Температура размягчения (ГОСТ 11506-73), °С, не менее

Глубина проникания иглы при 25°С (ГОСТ 11501-78), 101 мм,

не менее

Растяжимость при 25°С (ГОСТ 11505-75), см, не менее

Вспенивание

Содержание воды (ГОСТ 2477-65)

Битумно-атактическая

80

14

1,5

Не допускается

Следы

Битумно-минеральная марки:

I

7,5

20

3

То же

»

II

95

10

1,5

»

»

III

67

20

3

»

»

IV

80

10

2

»

»

Битумно-тальковая марки:

I

75

20

3

»

»

II

95

10

1,5

»

»

III

67

20

3

»

»

IV

80

10

2

»

»

Битумно-асбополимерная

75

14

2

»

»

Каменноугольная

75

10

1,5

»

»

3.3.12. Для приготовления мастики битум освобождают от тары и кусками загружают в котел на 3/4 его емкости. Перед загрузкой котел должен быть тщательно очищен. Загруженный битум нагревают при температуре 140-150°С до полного расплавления.

3.3.13. В случае интенсивного вспенивания для его прекращения в битум добавляют низкомолекулярный силоксановый каучук СКТН-1 из расчета 2 г на 1 т массы или пеногаситель ПМС-200 в тех же пропорциях.

3.3.14. После полного обезвоживания при температуре 170-180°С в битум при непрерывном перемешивании добавляют наполнитель.

3.3.15. Для получения однородной, без комков и сгустков, мастики необходимо интенсивное ее перемешивание в процессе изготовления, для чего котлы должны быть снабжены механическим перемешивающим устройством.

3.3.16. При применении в качестве наполнителя атактического полипропилена последний следует добавлять в расплавленный и обезвоженный битум порциями массой не более 10-15 кг.

3.3.17. При применении в качестве минерального наполнителя доломита, асфальтового или доломитизированного известняков или талька изготовление мастик следует производить в битумоварочных котлах с механическим перемешивающим устройством и огнеупорной футеровкой, исключающей прямой контакт с днищем котла.

3.3.18. Минеральный наполнитель загружают в разогретый и обезвоженный битум с помощью бункера-дозатора с щелевым регулирующим затвором и наклонным лотком. Бункер устанавливают над загрузочным отверстием котла.

К наружной плоскости днища лотка укрепляют стандартный плоский вибратор. При включении вибратора наполнитель должен высыпаться из бункера в котел массой, не превышающей 25 кг/мин. Количество поступающего из бункера в котел наполнителя регулируется щелевым затворам.

3.3.19. Мастика изготовляется при включенном механизме перемещения до получения однородной массы. Чтобы минеральный наполнитель не осел на дно котла, перемешивающее устройство должно работать непрерывно до полной выработки мастики.

3.3.20. При применении в качестве наполнителя асбеста и низкомолекулярного полиэтилена вначале в расплавленный и обезвоженный битум при температуре 170-180°С вводят в нужном количестве асбест (порциями не более 15 кг). После получения однородной обезвоженной массы ее температуру снижают до 150°С и в котел вводят низкомолекулярный полиэтилен кусками по 10-15 кг.

3.3.21. Готовые битумные мастики должны быть хорошо перемешаны, однородны и не иметь неперемешанных включений наполнителя.

3.3.22. В целях предупреждения коксования битумных мастик не следует держать их при температуре свыше 190°С более 1 час.

Примечание. Признаком начавшегося коксования битума является появление на поверхности расплавленной массы пузырей и зеленовато-желтого дымка.

3.3.23. Температура готовой битумно-асбополимерной мастики в изоляционной ванне перед нанесением на трубы должна быть в зависимости от температуры наружного воздуха в пределах 150-170°С.

3.3.24. Каменноугольная мастика должна приготовляться в соответствии с Технологическим регламентом (см. п. 3.3.7).

3.3.25. Температура каменноугольной мастики перед нанесением ее на трубы 105-120°С.

Нанесение защитных покрытий на основе битумных и каменноугольных мастик

3.3.26. Важнейшим условием, определяющим эффективность защитного покрытия и продолжительность срока его службы, являются качественная очистка и грунтовка поверхности труб, а также соблюдение температурного режима в процессе изготовления мастики и нанесения ее на трубы. Толщина наносимого мастичного изоляционного слоя, сплошность и прилипаемость его, степень пропитки армирующей обмотки зависят от вязкости мастики, регулируемой изменением температуры в ванне в зависимости от температуры окружающей среды.

3.3.27. Поверхность изолируемых труб до нанесения грунтовки просушивают, очищают от грязи, ржавчины, неплотно сцепленной с металлом, окалины и пыли. После очистки поверхность металла должна оставаться шероховатой, обеспечивая совместно с грунтовкой достаточное сцепление защитного покрытия с трубой.

3.3.28. Трубы высушивают при помощи специальной проходной печи или в помещении естественной сушкой на стеллажах-накопителях.

3.3.29. Трубы очищают механическим способом с помощью вращающихся проволочных щеток или дробеструйным и дробеметным методами.

При проведении изоляционных работ на месте сооружения трубопроводов поверхности очищают специальными очистными машинами. Очистку поверхности фасонных частей и зоны сварных соединений производят вручную плоскими или вращающимися щетками.

3.3.30. Грунтовку наносят на сухую поверхность труб сразу после их очистки, на механизированных линиях с помощью специальной установки для нанесения грунтовки, а в полевых условиях - с помощью кистей, мягкой ветоши и полотенец.

3.3.31. Слой грунтовки на поверхности труб должен быть ровным, без пропусков, сгустков и пузырей.

Грунтовка перед нанесением защитного покрытия должна быть высушена «до отлипа». Толщина высушенной грунтовки, как правило, не должна превышать 0,05 мм.

3.3.32. Нанесение покрытия на трубы должно производиться не позднее, чем через сутки после нанесения грунтовки.

При температуре воздуха выше 30°С допускается снижение температуры битумной мастики в ванне до 140-150°С, а каменноугольной мастики до 105°С.

3.3.33. Мастику наносят по периметру и длине трубопровода ровным слоем заданной толщины без пузырей и посторонних включений.

3.3.34. Слои армирующей обмотки из стеклохолста и наружная обертка из бумаги должны накладываться на горячую мастику по спирали с нахлестом и определенным натяжением, исключающим пустоты, морщины и складки и обеспечивающим непрерывность слоя и необходимую толщину защитного покрытия.

3.3.35. При нанесении защитных покрытий на трубы должны быть оставлены неизолированными концы труб длиной: 150-200 мм для труб диаметром 57-219 мм; 250-300 мм для труб диаметром 219 мм.

3.3.36. Производство изоляционных работ зимой в трассовых условиях разрешается при температуре воздуха не ниже -25°С и при отсутствии атмосферных осадков.

Изоляционные работы на местах строительства подземных сооружений

3.3.37. Зоны сварных соединений труб, места повреждений защитных покрытий подземных сооружений, а также фасонные части изолируют теми же мастичными материалами с армирующими слоями, что и трубопроводы, или липкими лентами.

3.3.38. Для обеспечения надежного прилипания (адгезии) наносимого защитного покрытия в зоне сварных соединений с имеющимся на трубе мастичным покрытием необходимо края защитного покрытия, примыкающие к сварному шву, срезать на конце на 15-20 см. Прочно приклеивающуюся обертку из невлагостойких материалов соскабливают ножом или удаляют, смачивая растворителем. Затем срезанное конусом покрытие зачищают, делая его гладким и ровным.

3.3.39. На очищенную (в виде конуса) поверхность покрытия наносят кистью или распылением слои грунтовки (без сгустков, пропусков и подтеков). После высыхания грунтовки «до отлипа» мастику наносят вручную, обливая стык в три слоя из лейки и растирая мастику в нижней части трубы полотенцем.

3.3.40. В качестве армирующих обмоток в мастичных покрытиях на битумной основе для емкостей, ремонта мест повреждений защитных покрытий, а также на фасонных частях допускается применять бризол, или другие материалы в соответствии с нормативно-технической документацией.

3.3.41. В качестве армирующих обмоток в мастичных покрытиях на каменноугольной основе следует применять стеклохолст или другие материалы в соответствии с нормативно-технической документацией.

3.3.42. Перед нанесением на трубы полимерных липких лент необходимо срубать зубилом и спилить рашпилем все острые выступы, заусенцы и капли металла.

3.3.43. При изоляции стыков полимерными липкими лентами на сварной шов для дополнительной его защиты по грунтовке наносят один слой липкой ленты шириной 100 мм, затем стык и защищенные конусом покрытия обертывают (с натяжением и обжатием) 2-3 слоями липкой ленты. При этом лента не должна на 2-3 мм доходить до оберток, имеющих повышенную влагонасыщаемость. На полимерную липкую ленту накладывают защитную обертку.

3.3.44. При нанесении защитного покрытия из полимерных лент на участках стыков и повреждений необходимо следить за тем, чтобы переходы к существующему покрытию были плавными, а нахлест был не менее 10 см.

3.3.45. Нахлест витков у защитного покрытия из липких лент должен быть не менее 2 см. При послойном нанесении ленты нахлесты смежных слоев не следует располагать друг над другом.

3.3.46. При изоляции фасонных частей со сложной конфигурацией допускается взамен наружной обертки покрывать верхний слой мастики меловой или известковой эмульсией.

ГЛАВА 3.4. ПОЛИМЕРНЫЕ ПОКРЫТИЯ

Материалы для полимерных покрытий

3.4.1. В зависимости от типов полимерных материалов, применяемых для изготовления защитных покрытий, используются, в соответствии с нормативно-технической документацией, полимерные липкие ленты и грунтовки. Основные характеристики грунтовок приведены в табл. 15.

Таблица 15. Технические требования к грунтовкам под липкие полимерные ленты

Марка клея и соотношение

его с бензином

Технические

условия

Вязкость по вискозиметру, с

Плотность,

г/см3

ВЗ-1

ВЗ-4

Клей № 4010 в бензине Б-70

(1:1)

МХП-1510-49

12

46

0,834

Клей № 88

МХП-1542-49

11

46

0,920

Клей № 61 в бензине Б-70

(1:3)

МХП-1524-51

12

45

0,798

Полиизобутиленовый клей

(18-20 %-ный)

Охтинский химкомбинат

15

65

0,771

Битумная грунтовка (битум БН-70/30 в бензине Б-70) (1:3)

-

4

15

0,85

Грунтовка ГТ-752

102-142-77

-

15-25

0,7-0,75

3.4.2. Типы полимерных липких лент для изготовления защитных покрытий трубопроводов и физико-механические свойства лент приведены в табл. 16

Примечание. В отдельных случаях заводы-изготовители выпускают полимерные липкие ленты по своим действующим Техническим условиям (ТУ), иногда не совпадающим с приведенным номером ТУ на соответствующую ленту. В этом случае полимерную липкую ленту можно использовать для изоляции трубопроводов только при строгом соответствии технической характеристики на ленту, выпускаемую заводом, и технической характеристики ленты, представленной в табл. 16.

Таблица 16. Физико-механические свойства полимерных липких лент

Показатели

Номер технических условий

ПВХ-БК - ТУ 102-166-78

ПИЛ (летняя) - ТУ 6-19-103-78

МИЛ-ПВХ-СЛ - ТУ 51-456-78

Цвет

Натуральный

Черный или синий

Натуральный, коричневый, прозрачный

Толщина ленты, мм

0,4±0,05

0,4±0,05

0,3±0,05

Ширина ленты, мм

450±10; 480±10; 500±10

410±10; 450±10

450±10; 500±10

Разрушающее напряжение при растяжении, кГс/см2, не менее

150

130

100

Относительное удлинение при разрыве, %, не менее

120

190

80

Слой клея на пластикате, г/м2

40-70

Не нормируется

80-110

Морозостойкость, °С, не выше

-50

-30

-50

Удельное объемное электросопротивление при 20°С, Ом·см, не менее

1 · 1011

1 · 1011

1 · 1010

Прилипаемость к праймированной стальной поверхности, г, не менее

150

Не нормируется

150

Липкость ленты, с, не менее

Не нормируется

20

10

3.4.3. Для защиты покрытий из полимерных липких лент от механических повреждений при транспортировке, укладке и засыпке трубопроводов в траншее следует предусматривать наружную обертку покрытия прочными рулонными материалами (с прочностью не менее 2,5 кГс/см ширины полотнища).

3.4.4. В качестве рулонного материала на основе бутилкаучука используется «бутилкор-С» (ТУ 38-103377-77). Основные свойства «бутилкора-С» приведены в табл. 17.

Таблица 17. Основные показатели «бутилкора-С»

Показатели

Нормируемое значение

Номер ГОСТа, по которому проводят испытания

Предел прочности при разрыве, кГс/см2

20

270-75

Относительное удлинение при разрыве, %

350-500

270-75

*

Плотность, г/см3

1,15-1,35

267-73*

Нанесение полимерных покрытий на трубы

3.4.5. Перед нанесением покрытий из полимерных липких лент или «бутилкора-С» поверхность изолируемых труб должна быть осушена, очищена в соответствии с п.п. 3.3.28- 3.3.32.

3.4.6. Для нанесения на трубы покрытий из полимерных липких лент могут быть использованы: линии ГТБ-1 и ГТБ-2 после специальной переделки шпуль (для осуществления необходимого натяжения липкой ленты); изоляционные машины (специально выпускаемые для нанесения на трубы полимерных липких лент и защитных оберток механизированным способом), оборудованные четырьмя шпулями: для изоляции труб диаметром 57-114 мм - ПИЛ-1 и ПИЛ-2; диаметром 189-529 мм - ИМ-23, ИМ-2А, ИМ-521; диаметром 631-1200 мм - ИМ-17, ИМЛ-7М, ИМ-121; диаметром 1020-1420 мм - ИЛ-14212.

3.4.7. Для получения покрытия весьма усиленного типа (3 слоя полимерной липкой ленты и 1 слой обертки) используют две шпули изоляционной машины. С помощью одной шпули наносят полимерную ленту с нахлестом на 2/3, а второй шпулей (закрепленной под тем же углом и вынесенной от цевочного колеса на ширину рулона липкой ленты) наносят наружную обертку.

Нахлест наружной обертки должен быть 2-2,5 см. Для получения одного слоя обертки рулон материала разрезают на кусок шириной в 3 раза уже ширины рулона липкой ленты.

Для получения весьма усиленного типа покрытия можно использовать четыре шпули изоляционной машины. С помощью трех шпуль (установленных одна от другой на расстоянии, равном ширине рулона липкой ленты) наносят послойно липкую ленту с нахлестом 2-2,5 см, а четвертой шпулей, вынесенной на расстояние - равное тройной ширине рулона от цевочного колеса, - наружную обертку.

3.4.8. Для использования изоляционных машин, указанных в п. 3.4.6, в стационарных условиях на высоте 0,8 м укрепляют базовую трубу того же диаметра, что и изолируемая.

Один конец базовой трубы выступает консольно за опору на 1,5 м. На консоль базовой трубы с соблюдением мер предосторожности насаживают изоляционную машину и встык к этой трубе устанавливают очищенную и покрытую грунтовкой трубу, подлежащую изоляции; одним концом изолируемая труба опирается на деревянную пробку длиной 250 мм, вставленную в консоль базовой трубы, а другим концом - на опору высотой 0,8 м. Изоляционная машина холостым ходом с консоли перегоняется до противоположного конца изолируемой трубы, а обратным ходом изолирует ее, оставляя на обоих концах неизолированные участки длиной по 25-30 ом.

3.4.9. Рулоны липкой ленты перед применением должны быть хорошо отторцованы, для чего на торцах должны быть срезаны неровности и выступающий клей. Телескопические сдвиги слоев необходимо устранить перед торцовкой. Для этого рулоны устанавливают вертикально на ровной твердой поверхности, нажимая на них сверху.

3.4.10. Изоляционную машину перед нанесением липких лент необходимо отрегулировать по диаметру изолируемого трубопровода, ширине и величине нахлеста. Для обеспечения равномерной и ровной укладки витков ленты шпули должны обеспечивать торможение, создающее необходимое натяжение ленты (около 1 кГс/см ее ширины).

3.4.11. Последний и первый виток ленты на конце рулона следует всегда наносить без натяжения. Для этого из рулона надо размотать немного ленты и конец ее свободно наложить на трубу.

3.4.12. При нанесении липких лент любым способом следят за тем, чтобы строго соблюдалась нахлестка витков, и на покрытии не образовывалось складок, морщин и пузырей. При обнаружении дефектов ленту надо снять с трубопровода и, устранив дефект, намотать вновь; воздушные прослойки между трубой и полимерной лентой допускаются лишь в зоне сварных швов.

3.4.13. Для изоляции труб покрытием из материала «бутилкор-С» могут быть использованы линии ГТБ-1 и ГТБ-2 с дополнительным приспособлением, обеспечивающим нанесение на одну сторону материала подклеивающей грунтовки.

3.4.14. Перед изоляцией труб <бутилкором-С» рулоны материала должны быть хорошо отторцованы (см. п. 3.4.9).

3.4.15. «Бутилкор-С» перед нанесением на трубы проходит через дополнительное приспособление, где одна сторона материала полностью покрывается тонким равномерным по толщине слоем грунтовки (мастика НБВ-2). Расход мастики составляет 50-70 г/м2.

3.4.16. Покрытие из «бутилкора-С» следует наносить по спирали с небольшим натягом и нахлестом, обеспечивающим непрерывность покрытия. В процессе изоляции труб должны выполняться требования п.п. 3.4.11 и 3.4.12.

ГЛАВА 3.5. ПОКРЫТИЯ ИЗ ЭМАЛИ ЭТИНОЛЬ

Материалы для изготовления эмали этиноль

3.5.1. В качестве основы эмали этиноль служит лак этиноль (ТУ 6-01-985-75), являющийся готовым к употреблению продуктом. Лак имеет следующую характеристику, подтверждаемую отгрузочным сертификатом на каждую партию лака: содержание сухого вещества (лаковой основы) - не менее 43 %; вязкость по вискозиметру ВЗ-4 - не менее 13 с; содержание стабилизатора - в пределах 1,5-2,5 % по массе; продолжительность высыхания пленки лака при 20°С - не более 12 ч.

Примечание. Лак этиноль с вязкостью выше 30 с (по ВЗ-4) для изоляционных работ использовать нельзя.

3.5.2. В качестве наполнителя применяется асбест хризотиловый, сорт 7-й (ГОСТ 12871-67*).

Содержание свободной влаги в асбесте не должно превышать 3 %, в противном случае асбест высушивают при температуре не выше 110°С.

3.5.3. Эмаль этиноль имеет следующий состав: лак-этиноль - 64, асбест, сорт 7-й, - 36 % массы.

Изготовление эмали этиноль

3.5.4. Приготовление эмали этиноль сводится к перемешиванию компонентов, указанных в п. 3.6.3, в специальной мешалке-диспергаторе, рассчитанной на единовременное приготовление 250-300 кг эмали этиноль. Диспергатор должен быть оборудован водяным охлаждением и заземлением.

3.5.5. Диспергатор на 2/3 объема загружают компонентами эмали этиноль.

3.5.6. Число оборотов в минуту вала диспергатора должно быть 1400-1600.

3.5.7. Температура эмали этиноль в процессе ее приготовления не должна превышать 40°С.

3.5.8. При изготовлении эмали этиноль в диспергатор заливают лак этиноль и при непрерывном перемешивании порциями вводят асбест. После введения всего нормируемого асбеста массу продолжают перемешивать в течение 15 мин.

Нанесение покрытий из эмали этиноль на трубы и емкости

3.5.9. Перед нанесением эмали этиноль трубы и емкости подвергают сушке и дробеструйной обработке. После дробеструйной обработки металлическая поверхность должна иметь ровный, матово-серый цвет.

3.5.10. Защитное покрытие из эмали этиноль наносят на трубы трехвалковым механизмом в режиме обратной ротации, при которой совпадают направления вращения изолируемой трубы, наносящего и подающего валков.

3.5.11. На поверхность емкостей покрытие из эмали этиноль наносят при помощи пистолетов-распылителей для вязких материалов КРШ, РВМ-1 и др.

3.5.12. Пистолеты-распылители должны использоваться в комплекте с нагнетательными бачками СО-131, С-411А, СО-42, С-764.

Сжатый воздух, подаваемый к пистолетам-распылителям. предварительно проходит через влагомаслоотделители СО-15, С-418А, С-732 и др.

3.5.13. Рабочее давление воздуха при пневматическом распылении эмали этиноль должно быть 0,5-0,6 МПа. Для подачи сжатого воздуха могут применяться компрессоры ЗИФ-51, ЗИФ-55, ПСК-5, ДК-9, КС-10 и др. или использоваться существующие в цехе воздухопроводы от стационарных компрессорных станций.

3.5.14. Трубы и емкости с нанесенными защитными покрытиями из эмали этиноль должны оставаться на складе не менее 120 ч, в течение которых покрытия сушатся.

По истечении 120 ч, если заизолированные трубы или емкости не вывозят на место строительства, они должны быть защищены от прямого солнечного света.

3.5.15. Общий срок хранения изолированных труб и емкостей с момента нанесения защитного покрытия до присыпки трубопровода или емкости грунтом, не должен превышать 2 мес.

ГЛАВА 3.6. ПОКРЫТИЯ ИЗ НАПЫЛЕННОГО ИЛИ ЭКСТРУДИРОВАННОГО ПОЛИЭТИЛЕНА

3.6.1. Для полиэтиленовых покрытий применяют порошкообразный и гранулированный полиэтилен. Порошкообразный полиэтилен наносят на трубы методом напыления, а гранулированный - методом экструзии.

3.6.2. Полиэтиленовые покрытия, наносимые в заводских и базовых условиях, должны соответствовать техническим требованиям, изложенным в табл. 18.

Таблица 18. Основные требования к полиэтиленовым покрытиям

Показатели

Нормируемое значение

Диэлектрическая сплошность при напряжении, кВ

5 (на 1 мм толщины)

Адгезия к стальной поверхности, Н/см, не менее

35

Прочность при ударе (на 1 мм толщины покрытия), Дж, не менее

5

Переходное электросопротивление, Ом·м2, не менее:

после нанесения защитных покрытий

1·108

на законченных строительствах и засыпанных участках сооружений

1·105

Максимальная температура эксплуатации (температура транспортируемого продукта), °С

60

3.6.3. В качестве исходного материал для получения покрытий методом напыления используют порошкообразный полиэтилен низкого давления (высокой плотности), выпускаемый по ГОСТ 16338-77.

3.6.4. Для изоляции труб применяют порошкообразный полиэтилен в виде композиций с термо - и светостабилизаторами рецептур № 13 и 58 базовых марок 20608-012, 20708-016 и 20808-024.

3.6.5. Трубы, предназначенные для изоляции, проходят через печь сушки, где с их поверхности удаляются влага, снег, иней и наледь, и поступают в трубоочистную машину. С поверхности металла труб удаляют все жировые загрязнения, пыль, ржавчину и окалину.

3.6.6. Очищенная труба по рольгангу поступает в газопламенную печь, где ее поверхность нагревается до 230¾250°С в зависимости от толщины стенки трубы и свойств применяемой полиэтиленовой композиции.

3.6.7. Далее нагретую трубу захватывают специальным устройством и помещают над ванной напыления, в которую поступает из бункера по шнековым транспортерам порошкообразный полиэтилен.

3.6.8. Труба располагается над поверхностью порошка, приводимого с помощью вращающихся роторов в псевдосжиженное состояние.

3.6.9. Частицы порошкообразного полиэтилена в псевдосжиженном слое приобретают отрицательный заряд и под действием сил электрического поля при напряжении 60 кВ, а также воздушных потоков осаждаются на нагретой поверхности заряженной поверхности вращающейся трубы, прилипают к ней, плавятся и образуют непрерывную хорошо адгезированную к металлу полимерную пленку.

3.6.10. В процессе оплавления пленки из полиэтилена низкого давления она уплотняется с помощью прикатывающих валиков, покрытых специальной резиной.

3.6.11. Трубу со сформированным покрытием погружают в ванну с холодной водой, где температура на поверхности наружного слоя изоляции понижается до 60-70°С и затем по рольгангу с обрезиненными роликами передается на участок контроля качества покрытия.

3.6.12. При экструзионном нанесении покрытия используют гранулированный полиэтилен высокого и низкого давления и его сополимеры. При этом в конструкции покрытия обязательно предусматривается подклеивающий слой (адгезив).

3.6.13. В качестве адгезива можно применять сополимеры этилена с эфирами акриловой кислоты, сополимер этилена с винилацетатом (жесткие адгезивы), а также композиции на основе бутилкаучука (мягкий адгезив).

3.6.14. Для нанесения основного слоя покрытия может быть использован термосветостабилизированный полиэтилен высокого давления базовых марок 10204-003, 10404-003, 15404-003, 15303-003 (ГОСТ 16337-77).

3.6.15. При изоляции труб методом экструзии трубы по рольгангу поступают в сушильную печь для удаления с их поверхности влаги, снега, инея, наледи и далее в камеру дробеметной очистки. Трубы очищают так же, как и перед нанесением покрытия из порошкообразного полиэтилена,

3.6.16. Трубы большого диаметра нагревают в газопламенной печи до 220°С. При изоляции труб диаметром менее 600 мм для нагрева используют высокочастотные индукторы.

3.6.17. При нанесении полиэтиленового покрытия экструзионно-намоточным способом на трубы диаметром более 500 мм, совершающие равномерное вращательно-поступательное движение, из экструдера через щелевую головку поступает лента клеевого слоя (адгезива) толщиной 0,15-0,2 мм и шириной 200-250 мм. На этой же позиции поверх клеевого слоя из другого экструдера также через щелевую головку наносится в несколько слоев основное покрытие из термо - и светостабилизированного полиэтилена.

3.6.18. Температура изоляционных материалов на выходе из щелевых головок экструдеров составляет 200-220°С. Толщина полиэтиленового покрытия регулируется кратностью нахлеста спирально наматываемой ленты из головки экструдера, что в свою очередь обусловливает частоту вращения и осевое перемещение труб. Толщина ленты основного слоя 0,3-0,5 мм, ширина 600-650 мм.

3.6.19. Для получения покрытия толщиной 2,5-3 мм выполняют четырех пятикратный нахлест ленты основного слоя. В процессе формирования изоляционного покрытия трубы вращаются с частотой 7 мин1 и перемещаются в продольном направлении со скоростью 0,5-1,2 м/мин. Вращение труб осуществляется. за счет косо расположенных роликов рольганга.

3.6.20. Для уплотнения полиэтиленового покрытия используется прижимной ролик с фторопластовым покрытием, который, обжимая изоляцию, способствует соединению отдельных слоев полиэтилена и превращает его в монолитное покрытие.

3.6.21. Покрытие методом непрерывной экструзии «чулком» для труб диаметром до 500 мм наносится с помощью наклонной кольцевой головки, питание которой обеспечивается двумя или тремя экструдерами в зависимости от диаметра труб и производительности изоляционной установки.

3.6.22. Температурный режим работы экструдеров и головки аналогичен экструзионно-намоточному способу. Для обеспечения оптимальных условий формирования адгезионной связи между клеевым слоем (адгезивом) и поверхностью трубы применяется вакуумирование головки.

3.6.23. После нанесения полиэтиленового покрытия его охлаждают до температуры 60-70° С, обливая трубы холодной водой. Далее охлажденные трубы поступают на участок контроля качества покрытия.

ГЛАВА 3.7. КОНТРОЛЬ КАЧЕСТВА ЗАЩИТНЫХ ПОКРЫТИЙ

3.7.1. Контроль качества защитных покрытий подземных металлических сооружений должен осуществляться па всех этапах изоляционных и строительных работ, а также и условиях эксплуатации.

3.7.2. Качество очистки, грунтовки и изоляции труб, выполняемых в заводских условиях и на производственных базах строительно-монтажных организаций, проверяет и принимает отдел технического контроля-предприятия. Проверку качества изоляционных работ на трассе должны осуществлять инженерно-технические работники строительно-монтажной организации, выполняющей изоляционные работы, а также технический надзор заказчика.

3.7.3. Качество очистки проверяют осмотром внешней поверхности труб.

3.7.4. Состав изоляционных мастик, дозировку компонентов, режим приготовления (температура и продолжительность) проверяют в лаборатории строительно-монтажных организаций. Контрольные пробы мастик с целью определения температуры размягчения отбирают по одной пробе каждой марки не реже одного раза в день. Растяжимость и пенетрацию мастики определяют периодически.

3.7.5. Качество нанесенного на трубы защитного покрытия определяют внешним осмотром, измерением толщин, проверкой сплошности и прилипаемости к металлу. Трубопровод укладывают в траншею, присыпают грунтом на 20--25 см и проверяют отсутствие непосредственного электрического контакта между металлом труб и грунтом с выявлением дефектов в защитном покрытии.

3.7.6. Защитное покрытие осматривают в процессе наложения каждого слоя покрытия по всей длине трубы и после окончания изоляционных работ. При этом фиксируют пропуски, трещины, сгустки, вздутия, пузыри, мелкие отверстия, отслоения, бугры, впадины.

3.7.7. Толщину слоя защитного покрытия на базах строительно-монтажных организаций проверяют в процессе производства изоляционных работ через каждые 100 м изолируемых труб, в четырех местах по окружности емкостей и на каждой фасонной части. Кроме того, толщину слоя измеряют во всех местах, вызывающих сомнение, а также выборочно по требованию заказчика. Толщину покрытия измеряют инструментальным способом.

3.7.8. Проверку сплошности мастичного защитного покрытия производят дефектоскопом при напряжении 4 кВ на 1 мм толщины покрытия с учетом обертки.

3.7.9. Сцепление мастичного защитного покрытия с поверхностью трубы проверяют адгезиметром или вручную надрезом защитного покрытия по двум сходящимся под углом 45-60° линиям и отрывом покрытия от вершины угла надреза.

Защитное покрытие считается хорошо прилипшим к трубе, если оно отрывается от металла отдельными кусочками и часть его остается на трубе. Сопротивление покрытия отрыву, определенное адгезиметром, должно быть не менее 50 Н/м2 (5 кГс/см2) три температуре воздуха +25°С.

Прилипаемость защитного покрытия определяют через каждые 100 м труб, изолируемых на производственных базах механизированным способом, а также выборочно по требованию заказчика.

3.7.10. Качество защитного покрытия из полимерных липких лент и «бутилкора-С» проверяют при намотке ленты внешним осмотром и проверкой числа слоев, ширины нахлеста, силы сцепления (прилипаемости) ленты с лентой и с поверхностью трубопровода и сплошности.

3.7.11. Прилипаемость липких лент и «бутилкора-С» определяются отрывом их через сутки при приемочных испытаниях. Для этого в покрытии делают ножом два надреза под углом 60° и, если слои сами не отслаиваются, а поднимаются при помощи ножа с некоторым усилием, то прилипаемость считается удовлетворительной.

3.7.12. Проверку сплошности защитного покрытия из липких лент производят дефектоскопом при напряжении 6 кВ, а покрытия из «бутилкора-С» - при напряжении 3 кВ. Качество защитного покрытия из липких лент при приемке проверяют через каждые 0,5 км, а также выборочно по требованию заказчика.

3.7.13. Проверку защитного покрытия после присыпки трубопровода на отсутствие внешних повреждений, вызывающих непосредственный электрический контакт между металлом труб и грунтом, производят приборами в соответствии со специальной инструкцией, составленной применительно к типу и схеме приборов.

3.7.14. Выявленные дефектные места, а также повреждения защитного покрытия, произведенные во время проверки его качества, должны быть исправлены до окончательной засыпки трубопровода. При этом должна быть обеспечена однородность, монолитность защитного покрытия. После исправления ремонтируемые места вторично проверяют.

3.7.15. Защитное покрытие уложенного трубопровода принимают представители заказчика с оформлением акта на скрытые работы.

При сдаче защитного покрытия трубопровода по требованию представителя заказчика должны предъявить сертификаты (паспорта) на каждую партию материалов или результаты лабораторных испытаний материалов: данные лабораторных испытаний проб, взятых из котлов в процессе приготовления битумной мастики; журнал изоляционных работ; акт проверки качества защитного покрытия.

ГЛАВА 3.8. СКЛАДИРОВАНИЕ И ТРАНСПОРТИРОВКА ИЗОЛИРОВАННЫХ ТРУБ И ЕМКОСТЕЙ ХРАНЕНИЯ СЖИЖЕННОГО ГАЗА

3.8.1. При складировании изолированных труб и емкостей, а также их транспортировке к местам сооружения следует принимать меры для предохранения занятного покрытия от повреждения и учитывать требования «Инструкции по хранению, погрузке, транспортировке и разгрузке изолированных труб», утвержденной МЖКХ РСФСР.

3.8.2. Поднимают, перемещают и опускают изолированные трубы и емкости с помощью механизмов вертикального транспорта с надежными захватными приспособлениями, исключающими повреждение покрытий.

3.8.3 Участок трубопровода опускают в траншею при помощи мягких полотенец, плавно без ударов труб о стенки траншеи на постель из мягкого грунта. Освобождать полотенца из-под трубы следует без рывков после проверки .правильности укладки трубопровода в траншею.

3.8.4. Транспортируют и хранят все изоляционные материалы в условиях, полностью исключающих их порчу, увлажнение и загрязнение.

ГЛАВА 3.9. ТЕХНИКА БЕЗОПАСНОСТИ

3.9.1. К выполнению работ по нанесению защитных покрытий на трубы и емкости допускаются лица, обученные правилам техники безопасности и сдавшие экзамен в установленном порядке.

3.9.2. Независимо от сдачи экзамена каждый рабочий при допуске к работе должен получить инструктаж по технике безопасности на рабочем месте, с соответствующей распиской инструктируемого в журнале по проведению инструктажа.

3.9.3. На трубозаготовительных базах (мастерских) должны быть все необходимые инструкции по технике безопасности и промышленной санитарии, а также журналы установленной формы проведения  инструктажа рабочих.

На рабочих местах должны быть вывешены четко отпечатанные необходимые правила безопасности и промышленной санитарии.

3.9.4. При выполнении работ по нанесению защитных покрытий на трубы и емкости и приготовлению мастик работающий персонал   должен быть обеспечен соответствующей спецодеждой и средствами индивидуальной защиты, в соответствии с требованиями действующих правил.

3.9.5. Рабочие места по нанесению защитных покрытий на трубы и емкости должны быть оборудованы соответствующими вентиляционными устройствами. Мастиковарочные котлы и устройства по нанесению защитных покрытий должны иметь противопожарные средства.

ЧАСТЬ IV. ПРОЕКТИРОВАНИЕ ЭЛЕКТРОХИМИЧЕСКОЙ ЗАЩИТЫ ПОДЗЕМНЫХ ТРУБОПРОВОДОВ

ГЛАВА 4.1. ОБЩИЕ ПОЛОЖЕНИЯ

4.1.1. Основанием для проектирования электрохимической защиты подземных трубопроводов являются данные о коррозионной активности грунтов и наличии блуждающих токов. Указанные данные могут быть получены в результате изысканий, выполненных организацией, разрабатывающей проект подземных сооружений либо специализированной организацией, привлекаемой на субподрядных началах. Кроме того, проектирование электрохимической защиты может осуществляться на основе технических условий на проектирование защиты, разрабатываемых конторой Подземметаллзащита.

4.1.2. Исходными данными для проектирования электрохимической защиты являются: совмещенный план проектируемых и существующих подземных сооружений, а также рельсовых сетей электрифицированного транспорта в масштабе 1:2000 или 1:5000. По проектируемым и существующим сооружениям, должны быть указаны длина и диаметры сооружений: по существующим сооружениям - места установки электрохимической защиты; по рельсовым сетям - точки подключения отрицательных кабелей и существующих дренажных установок; данные о коррозионной активности грунтов и о наличии блуждающих токов; геолого-геофизический разрез для выбора конструкции анодных заземлителей.

4.1.3. В состав проектной документации входят: расчетно-пояснительная записка, совмещенный план защищаемых трубопроводов и смежных коммуникаций со смежными подземными сооружениями, рельсами электротранспорта, расположением установок и устройств электрозащиты; план размещения установок защиты М 1:500 с указанием расположения установки электрохимической защиты, анодных заземлителей, пунктов подключения дренажных кабелей к подземным сооружениям, трасс дренажных и тягающих кабелей с привязками к постоянным ориентирам: заказная спецификация на основное оборудование и материалы; сводная ведомость узлов, конструкций и материалов; сводная ведомость объемов строительных и монтажных работ; сводная смета, сметы, сметные расчеты: установочные чертежи оборудования электрозащиты (привязанные к данному проекту) -типовые и повторного применения. Рекомендуются чертежи альбома «Узлы и детали электрозащиты подземных инженерных сетей от коррозии» серии 4900-5/74, вып. 1,2); перечень примененных типовых чертежей (без приложения чертежей); проверочный электрический расчет трамвайной сети с разработкой мероприятий по ограничению токов утечки (при совместной комплексной затаите города, района).

Расчетно-пояснительная записка содержит: основания для разработки проекта; характеристику защищаемых трубопроводов; сведения о смежных коммуникациях (сооружениях) и источниках блуждающих токов; обоснование выбора типа установок электрохимической защиты: расчет количества и параметров установок (сводная таблица результатов расчета); рекомендации по монтажу и требования безопасности при проведении строительно-монтажных работ; сведения о проведенных согласованиях и соответствии проекта требованиям ГОСТ, СНиП и другим нормативным документам; рекомендации по наладке защиты.

На чертеже размещения установок защиты приводятся согласования с соответствующими организациями на производство монтажных, земляных и строительных работ; принципиальная схема электрозащиты, в том числе схема подключения установки электрозащиты к сети переменного тока.

4.1.4. При проектировании электрохимической защиты действующих подземных сооружений рекомендуется использовать «Эталон техно-рабочего проекта электрозащиты действующих подземных сооружений от коррозии» (РМП. 2-7), утвержденный МЖКХ РСФСР.

4.1.5. При проектировании трубопровода проектом должна быть предусмотрена установка контрольно-измерительных пунктов с интервалом не более 200 м. На прямолинейных участках трассы вне населенных пунктов допускается установка контрольно-измерительных пунктов через 500 м.

4.1.6. Установка контрольно-измерительного пункта необходима: у мест пересечения трубопровода с рельсовыми путями электрифицированного транспорта (при пересечении более двух рельсовых путей контрольно-измерительный пункт располагают по обе стороны от пересечения); у пересечения с другим подземным трубопроводом; в местам сближения трассы трубопровода с пунктами присоединения отрицательных линий к рельсам электротранспорта.

4.1.7. При устройстве контрольных пунктов на трубопроводах следует использовать типовые конструкции контрольно-измерительных пунктов с медно-сульфатным электродом длительного  действия МЭСД-АКХ («Узлы и детали электрозащиты подземных инженерных сетей от коррозии», серия 4900-5/74, вып. 1,2).

4.1.8. С целью увеличения эффективности работы электрохимической защиты в проектах должна быть предусмотрена установка электроизолирующих фланцевых соединений на газопроводах в соответствии с «Методическими указаниями по использованию изолирующих фланцевых соединений при электрохимической защите городских подземных сооружений» (РДМУ-204).

ГЛАВА 4.2. ПРОЕКТИРОВАНИЕ ЭЛЕКТРОХИМИЧЕСКОЙ ЗАЩИТЫ ВНОВЬ ПРОКЛАДЫВАЕМЫХ ТРУБОПРОВОДОВ

4.2.1. Проектирование электрохимической защиты вновь прокладываемых подземных трубопроводов осуществляется одновременно с проектированием трубопроводов.

4.2.2. Объем измерений, выполняемых при определении коррозионной активности грунтов, принимается в соответствии с п.п. 2.3.1-2.3.10 настоящей Инструкции.

4.2.3. Определение наличия блуждающих токов по трассе проектируемого сооружения при отсутствии уже проложенных сооружений производится по данным измерения потенциалов между двумя точками земля в двух перпендикулярных направлениях в соответствии   с п.п. 2.3.12-2.3.17 настоящей Инструкции.

4.2.4. При наличии сооружений, проложенных вблизи трассы проектируемого сооружения на расстоянии не более 100 м, определение наличия блуждающих токов осуществляется путем измерения потенциалов на существующих сооружениях (п.п. 2.3.18-2.3.27). Шаг измерений - 200 м.

4.2.5. В случае прокладки подземного сооружения вблизи рельсового транспорта, электрифицированного на постоянном токе (на расстоянии до 300 м), необходимо провести измерение потенциалов рельсовой сети с целью определения возможности и выбора места осуществления дренажной защиты (см. п. 4.2.21).

4.2.6. При проектировании трубопроводов в зоне действия электрохимической защиты проложенных ранее сооружений необходимо запросить от эксплуатирующих организаций данные о номинальных параметрах установленных защитных установок, а также данные о режимах их работы: величины токов и напряжений на выходе установок, радиусы действия электрозащит.

4.2.7. При проектировании трубопроводов на территориях, имеющих незащищенные трубопроводы, необходимо получить от эксплуатирующих организаций данные в соответствия с п. 4.1.2.

В случае отсутствия данных необходимо определить параметры электрозащиты для существующих сооружений с помощью метода опытного включения, а для проектируемых - расчетным путем.

4.2.8. Определение параметров электрохимической защиты подземных трубопроводов производится расчетным путем.

4.2.9. Методика расчета позволяет определить параметры катодных станций, необходимые для обеспечения защитного потенциала на всех сооружениях, которые расположены в зоне действия установок электрохимической защиты и имеют контролируемые и неконтролируемые металлические соединения, обеспечивающие электрическую проводимость.

4.2.10. За основной расчетный параметр принята величина средней плотности защитного тока, представляющая собой отношение тока катодной станции к суммарной поверхности трубопроводов, защищаемых данной установкой.

4.2.11. Если проектируемые сооружения будут иметь соединения с действующими, оборудованными защитными установками, необходимо расчетным путем проверить возможность обеспечения защиты проектируемых сооружений от действующих установок.

4.2.12. Исходными данными для расчета катодной защиты являются параметры проектируемых сооружений, а также величина удельного сопротивления грунта по трассе сооружения.

4.2.13. Поверхность каждого из трубопроводов, которые имеют между собой технологические соединения, обеспечивающие электрический контакт, либо соединяемые специальными перемычками, определяется, м2:

                                                                                       (4.1)

где di - диаметр сооружения, мм; li - длина участка сооружения, имеющего диаметр di, м.

Таким образом, по формуле (4.1) определяют поверхности газопроводов Sr, водопроводов Sв, теплопроводов, прокладываемых в каналах, Sтеп, м2.

Поверхность теплопроводов при бесканальной прокладке суммируется с поверхностью водопроводов, поэтому здесь и ниже индекс Sтеп относится к теплопроводам, прокладываемым в каналах.

Суммарная поверхность всех трубопроводов, электрически связанных между собой, равна

                                                                                      (4.2)

4.2.14. Определяется удельный вес поверхности каждого из трубопроводов в общей массе сооружений, %:

водопроводов

                                                                                          (4.3)

теплопроводов

                                                                                        (4.4)

газопроводов

                                                                                          (4.5)

4.2.15. Определяется плотность поверхности каждого из трубопроводов, приходящаяся на единицу поверхности территории, м2/га:

газопроводов

                                                                                                  (4.6)

водопроводов

                                                                                                  (4.7)

теплопроводов

                                                                                               (4.8)

4.2.16. Величина средней плотности тока, необходимого для защиты трубопроводов, определяется, мА/м2:

                                   (4.9)

4.2.17. В случае, когда в защищаемом районе нет теплопроводов, значения коэффициентов с и f в формуле (4.9) принимаются равными нулю. Аналогично при отсутствии водопроводов: b и с равны нулю.

4.2.18. В случае когда защищается только газопровод, а водопровод и теплопровод отсутствуют, средняя плотность защитного тока определяется, мА/м2:

                                                             (4.10)

4.2.19. Если значение средней плотности защитного тока, полученное по формулам (4.9) или (4.10), менее 6 мА/м2, то в дальнейших расчетах следует принимать j, равное 6 мА/м2.

4.2.20. Величину суммарного защитного тока, которая необходима для обеспечения катодной поляризации подземных сооружений, расположенных в данном районе, определяют, А:

                                                                                                  (4.11)

4.2.21. Выбор способа электрохимической защиты осуществляют следующим образом:

в случае сближения подземных трубопроводов с рельсовой сетью электрифицированных на постоянном токе железных дорог на участках с устойчивыми отрицательными потенциалами рельсов относительно земли выбирают точки подключения автоматического усиленного дренажа. При этом должны соблюдаться требования п.п. 4.3.11 и 4.3.12 настоящей Инструкции. Радиус действия одного усиленного дренажа может быть ориентировочно определен, м:

                                                                                        (4.12)

где Iдр - среднее значение тока усиленного дренажа, А; j - плотность защитного тока, А/м; k - удельная плотность сооружений:

                                                                                                 (4.13)

где åS - суммарная поверхность защищаемых трубопроводов, м2; Sтер - площадь территории, занимаемой защищаемыми сооружениями, га.

Ток дренажа может быть определен, А:

                                                                                  (4.14)

где Vд - номинальное напряжение на выходе дренажа, В; Rкаб - сопротивление дренажного кабеля. Ом; 0,02 - входное сопротивление защищаемого трубопровода, Ом.

В случае сближения защищаемых трубопроводов с рельсовой сетью трамвая, имеющей устойчивый отрицательный или знакопеременный потенциал, целесообразно предусматривать устройство усиленного автоматического дренажа. Определение радиуса его действия осуществляется по методике, изложенной выше.

Остальные участки трубопроводов, подлежащие катодной поляризации, защищают с помощью катодных станций или протекторов. При этом необходимо иметь в виду, что протекторная защита может быть применена для катодной поляризации отдельных участков трубопроводов небольшой протяженности и не имеющих электрических контактов с другими сооружениями.

4.2.22. Число катодных станций определяют из условий оптимального размещения анодных заземлителей (наличие площадок, удобных для размещения анодов), наличия источников питания и т.д., а также с учетом того, чтобы значение тока одной катодной станции по возможности не превосходило 25 А, поэтому число катодных установок n может быть определено приближенно: n = I/25, где величина I определена по формуле (4.11).

4.2.23. После размещения катодных установок на совмещенном плане необходимо рассчитать зону действия каждой из них. Для этой цели определяют радиусы действия каждой из катодных установок, м:

                                                                                        (4.15)

где Iк.с - ток катодной станции, для которой определяется радиус действия, А; k - удельная плотность сооружений, определенная по формуле (4.13).

4.2.24. Если площади окружностей, радиусы которых соответствуют радиусам действия катодных установок (4.15), а центры находятся в точках размещения анодных заземлителей, не охватывают всей территории защищаемого района, необходимо изменить либо места расположения катодных установок, либо величину их токов и вновь выполнить проверку, указанную в п. 4.2.22.

4.2.25. Тип преобразователя для катодной установки выбирается с таким расчетом, чтобы допустимое значение тока было на 50 % выше расчетного.

4.2.26. Выбор оптимальных параметров анодных заземлителей целесообразно производить в соответствии с методикой, приведенной в прил. 3 данной Инструкции.

4.2.27. Для расчета протекторной защиты определяются: сопротивление растеканию протектора

                                              (4.16)

где rr - удельное сопротивление грунта, Ом·м; la - высота активатора окружающего протектор, м; da - диаметр активатора, м; h - глубина установки протектора, м; ra - удельное сопротивление активатора, Ом·м; dп - диаметр протектора, м.

Для упакованных протекторов типа ПМ5У, ПМ10У и ПМ20У при r = 10 Ом·м сопротивление определяется, Ом:

                                                                                                  (4.17)

ток протектора, А

                                                                                                   (4.18)

зона защиты протектора (шаг установки протектора), м

                                                                                        (4.19)

где j - защитная плотность, А/м; dт - диаметр трубопровода, м;

срок службы протектора, г

                                                                              (4.20)

где Gп - масса протектора, кг;  q - теоретическая токоотдача (без учета КПД) протектора, А·ч/г; hп - протектора; hи - коэффициент использования протектора (при отсутствии уточненных данных принимается 0,95).

Для упакованных протекторов типа ПМ10У срок службы может быть определен, г:

                                                                                                  (4.21)

ГЛАВА 4.3. ПРОЕКТИРОВАНИЕ ЭЛЕКТРОХИМИЧЕСКОЙ ЗАЩИТЫ ДЕЙСТВУЮЩИХ ТРУБОПРОВОДОВ

4.3.1. Методика определения параметров электрохимической защиты проектируемых сооружений (гл. 4.2) может быть использована и для действующих трубопроводов. Однако в данном случае более надежным является метод опытного включения.

4.3.2. В результате опытного включения устанавливают тип электрозащиты (дренажная или катодная) и основные ее параметры, а также пункты присоединения дренажных кабелей к подземным сооружениям и источникам блуждающих токов или места установления анодных заземлений; зону действия защиты; характер влияния защиты на смежные сооружения, необходимость и возможность осуществления совместной зашиты.

4.3.3. Для защиты подземных трубопроводов от коррозии, вызываемой блуждающими токами, следует применять дренажную защиту (поляризованные или усиленные дренажи). Усиленные дренажи используют для защиты от коррозии в тех случаях, когда применение поляризованных дренажей неэффективно или не оправдано по экономическим показателям.

4.3.4. В тех случаях, когда включением электродренажей не удается обеспечить защиту трубопровода в пределах опасной зоны и на отдельных ее участках (обычно периферийных) остаются анодные зоны, то в комплексе с электродренажной применяется катодная защита.

4.3.5. При значительном удалении трассы трубопровода от источника блуждающих токов, а также в случаях прокладки трубопроводов в грунтах высокой коррозионной активности применяют катодную защиту.

4.3.6. Опытное включение осуществляют с помощью серийно выпускаемых передвижных лабораторий по защите подземных сооружений от коррозии типа ПЛЗК и ЛПЗК (завод «Коммунальник» МЖКХ РСФСР).

4.3.7. Для опытного включения при отсутствии передвижных лабораторий можно использовать стандартные электродренажные установки и катодные станции, перечень которых приведен в гл. 4.5.

4.3.8. При защите от блуждающих токов точка подключения кабеля к трубопроводу выбирается на таком участке, где средние значения положительных потенциалов трубопровода по отношению к земле максимальны.

Кроме того, пункт подключения дренажных кабелей к трубопроводу выбирается с учетом наименьшего расстояния от пункта присоединения к источнику блуждающих токов (рельсам, дроссель трансформаторам, отсасывающим пунктам, тяговым подстанциям); возможности доступа к трубопроводу без вскрытия (в регуляторных станциях и т. п.).

При возможности выбора нескольких мест присоединения предпочтение отдают участкам сетей с возможно большими диаметрами при прочих равных условиях.

4.3.9. Дренажный кабель присоединяют к рельсам трамвая или к отсасывающим пунктам.

Не допускается непосредственное присоединение установок дренажной защиты к отрицательным шинам тяговых подстанций трамвая, а также к сборке отрицательных линий этих подстанций.

4.3.10. Подключение усиленного дренажа к рельсовым путям электрифицированных железных дорог не должно приводить в часы интенсивного движения поездов к тому, чтобы в отсасывающем пункте появлялись устойчивые положительные потенциалы. Не допускается присоединение усиленного дренажа в анодных зонах к рельсовой сети, а также к рельсам деповских путей.

4.3.11. Поляризованные и усиленные дренажи, подключаемые к рельсовым путям электрифицированных железных дорог с автоблокировкой, не должны нарушать нормальную работу рельсовых цепей СЦБ во всех режимах.

Поляризованные и усиленные дренажи подключаются к рельсовым путям без нормирования сопротивления утечке переменного тока через защитную установку:

при однониточных рельсовых цепях - к тяговой нити в любом месте;

при двух ниточных рельсовых цепях: к средним точкам путевых дроссель трансформаторов в местах установки междупутных соединителей; к средним точкам путевых дроссель трансформаторов, отстоящих на три рельсовые цепи от точек подключения междупутных соединителей или от других путевых дроссель трансформаторов, к средним точкам которых подключены защитные установки и конструкции, имеющие сопротивление утечки переменного тока 50 Гц через все сооружения и конструкции менее 5 Ом; в порядке исключения - к дополнительному (третьему) дроссель трансформатору.

Допускается более частое подключение защитных установок, если сопротивление всех параллельно подключенных к путевому дроссель трансформатору устройств и сооружений и утечке переменного тока 50 Гц более 5 Ом.

Усиленный дренаж допускается подключать к рельсовым путям, оборудованным автоблокировкой, лишь при условии, что величина напряжения (или тока) гармонических составляющих на выходе выпрямителя не превышает уровень величин, приведенных в табл. 19.

Таблица 19. Допустимые величины напряжения и тока гармонических составляющих на выходе выпрямителя

Место подключения усиленного

дренажа

Напряжение гармоники, В

Ток гармоники

при 50 Гц

при 100 Гц

100 Гц в цепи дренажа, А

К тяговой нити однониточной рельсовой цепи 50 Гц непрерывного питания

0,3

2,2

7

К средней точке путевого дроссель трансформатора релейного или питающего концов рельсовых цепей:

кодовых и с непрерывным питанием током частотой 25 или 50 Гц с автоматической линией связи (АЛС)

0,1

0,4

1,2

с питанием током частотой 23 Гц без АЛС

7,5

4,5

15

Примечание. Сопротивление утечке переменного тока включает сопротивление защитной установки при шунтированном поляризованном элементе и сопротивление заземления собственно сооружения.

4.3.12. Напряжение гармонических составляющих выпрямленного тока усиленного дренажа измеряют на выходных зажимах дренажа селективным вольтметром (ТТ-1301, «Орион» и др.), анализатором   спектра   гармоник (С4-44/5-3) или обычным вольтметром переменного тока, подключенным к выходным зажимам выпрямителя через узкополосные фильтры на частоте измеряемой гармоники с большим затуханием в полосе не пропускания не менее 20 дБ.

Ток гармоники измеряется на шунте в цепи дренажа (рис. 12) селективным или обычным вольтметром переменного тока, включенным через узкополосный фильтр на частоте измеряемой гармоники.

Рис. 12. Измерение тока и напряжения гармонических составляющих на выходе усиленного дренажа

4.3.13. При опытном включении в качестве дренажного кабеля можно использовать шланговые кабели сечением 16-120 мм2.

4.3.14. При присоединении дренажного кабеля к трубопроводу и элементам отсасывающей сети электротранспорта должен быть обеспечен надежный электрический контакт путем плотного скрепления контактирующих поверхностей.

Присоединение  к  рельсам трамвая и железных дорог может выполняться при помощи специальной. струбцины, обжимающей подошву рельса, или болтовых соединений. В случае сварных стыков используются отверстия, имеющиеся в шейках рельсов.

Подключение дренажного кабеля к отсасывающему пункту, сборке отсасывающих кабелей и средней точке путевого дросселя выполняется с использованием существующего болтового соединения с применением дополнительной гайки.

4.3.15. На опытное включение дренажной установки должно быть получено разрешение транспортного ведомства. Представитель организации при опытном включении присоединяет дренажный кабель к сооружениям источников блуждающих токов.

4.3.16. Объем измерений, выполняемых при опытном включении, определяется организацией, проектирующей защиту. Порядок измерений излагается в программе, составленной перед началом работ, в которой указываются режимы работы защиты при опытном включении, пункты измерений на трубопроводах и смежных сооружениях, продолжительность измерений в каждом пункте с указанием размещения самопишущих и показывающих приборов.

4.3.17. Продолжительность работы опытной дренажной защиты зависит от местных условий и составляет от нескольких десятков минут до нескольких часов. При этом, как правило, должен быть охвачен период максимальных нагрузок электротранспорта.

4.3.18. Измерение тока дренажа, потенциалов на защищаемом трубопроводе, смежных подземных сооружениях и рельсах электротранспорта производят в соответствии с режимами работы защиты, намеченными программой.

4.3.19. Если в результате измерений установлено, что зона эффективного действия поляризованной дренажной установки не распространяется на весь район выявленной опасности, пункт дренирования перемещают или включают одновременно несколько дренажных установок в различных пунктах.

При недостаточной эффективности принятых мер проводят опытное включение усиленных дренажных установок или комплекса дренажных установок с катодной станцией. В последнем случае опытное включение катодной станции проводят после окончательного выбора параметров дренажных установок.

4.3.20. Измерения потенциалов на смежных сооружениях в период опытного включения дренажной защиты, как правило, выполняются организациями, эксплуатирующими эти сооружения. В отдельных случаях эти работы выполняются организацией, проектирующей защиту, в присутствии представителей эксплуатационных организаций, в ведении которых находятся смежные сооружения.

4.3.21. При испытаниях электрохимической защиты должны быть приняты меры по исключению вредного влияния катодной поляризации на смежные сооружения.

4.3.22. Вредное влияние защиты на смежные подземные металлические сооружения может быть устранено уменьшением тока защиты; регулировкой режима работы защиты на смежных сооружениях (если они имеются); включением смежных сооружений в систему совместной защиты.

4.3.23. При опытном включении катодной защиты для установки временных заземлений, как правило, выбирают участки, на которых впоследствии предполагается разместить и стационарные заземления.

4.3.24. Временное анодное заземление представляет собой ряд металлических электродов, помещенных вертикально в грунт на расстоянии 2-3 м друг от друга в 1 или 2 ряда. В качестве электродов обычно применяют некондиционные трубы диаметром 25-50 мм и длиной 1,5-2 м, забитые в землю на глубину 1-1,5 м.

4.3.25. Анодное заземление следует относить от подземных сооружений на максимально возможное расстояние. В отдельных случаях при отсутствии достаточной площади для размещения анодного заземления применяют распределенные заземления, состоящие из двух и более групп электродов, расположенных на отдельных участках. Группы электродов соединяют между собой кабелем либо индивидуально подключают к катодной станции.

Для повышения эффективности действия катодной защиты целесообразно выбирать участки размещения анодных заземлений, на которых между защищаемыми трубопроводами и анодным заземлением отсутствуют прокладки других подземных металлических сооружений.

По возможности анодное заземление следует размещать на участках с минимальным удельным электрическим сопротивлением грунта (газоны, скверы, пойменные участки рек, прудов и т. п.).

4.3.26. Электрические измерения по определению эффективности действия катодной защиты и характера ее влияния на смежные подземные сооружения аналогичны измерениям при опытном включении электродренажей (см. п.п. 4.3.20- 4.3.22).

4.3.27. Как правило, при опытном включении электрохимической защиты определяют основной ее параметр-среднее значение силы тока в цепи электрозащиты.

При составлении проекта остальные параметры защиты (сопротивление дренажного кабеля, сопротивление растеканию анодного заземления, напряжение на зажимах катодной станции или вольтодобавочного устройства усиленного электродренажа) рассчитывают либо выбирают с учетом технико-экономических показателей различных вариантов соотношения параметров.

4.3.28. Величина сопротивления кабеля Rд.к, Ом, проектируемого электродренажа может быть определена по формуле

                                                                            (4.22)

где DVтр - средняя величина разности потенциалов между точками присоединения дренажа к трубопроводу и к рельсам за время опытного дренирования, В; - средняя величина дренажного тока за время опытного дренирования, А; Rд.у - сопротивление проектируемого дренажного устройства, определяемое по вольтамперной характеристике (с включением 20-30 % сопротивления дренажного реостата), Ом.

Сечение дренажного кабеля S определяется, мм2:

                                                                                                 (4.23)

где r -- удельное электрическое сопротивление металла токопроводящих жил кабеля, Ом·мм2/м; l - общая длина проектируемого дренажного кабеля, м.

4.3.29. Величина сопротивления дренажного кабеля при усиленном электродренаже может быть определена, Ом:

                                                                        (4.24)

где - сопротивление дренажного кабеля при опытном дренировании, Ом; - напряжение на зажимах усиленного дренажа за время опытного дренирования, В; Vу.д - напряжение на зажимах проектируемого -усиленного дренажа, В (принимается равным 6 или 12 В в зависимости от требуемой мощности дренажа); - средняя величина тока усиленного дренажа за время опытного дренирования, А.

Для наиболее экономически выгодного соотношения капитальных и эксплуатационных затрат определяется оптимальная величина сопротивления дренажного кабеля, которая не должна быть выше Rд.к, рассчитанного по формуле (4.24).

4.3.30. Исходными данными для выбора анодного заземления являются величина тока катодной защиты и среднее значение удельного сопротивления грунта на площадке, где предполагается разместить анодное заземление.

Выбор оптимальных параметров анодного заземления производят в соответствии с методикой, изложенной в прил. 3.

4.3.31. Протекторную защиту трубопроводов в основном применяют при почвенной коррозии. При защите от блуждающих токов Протекторную защиту применяют при незначительных средних величинах потенциалов (до +0,3 В) и оборудуют вентильными устройствами.

4.3.32. Протекторы следует использовать в грунтах с удельным сопротивлением не более 50 Ом·м, устанавливая их на глубине не менее 1 м ниже границы промерзания грунта.

4.3.33. Протекторную защиту осуществляют с одиночной или групповой расстановкой протекторов. Схему расстановки протекторов выбирают с учетом технико-экономических показателей для данного сооружения.

4.3.34. Расчет протекторной защиты производится в соответствии с п. 4.2.27.

4.3.35. Располагать протекторы на расстоянии ближе 3 м от трубопровода не рекомендуется, так как это может привести к повреждению изоляционного покрытия солями растворяющегося протектора. Как правило, протекторы располагают на расстоянии 4-5 м от трубопровода.

ГЛАВА 4.4. СОВМЕСТНАЯ ЗАЩИТА ГОРОДСКИХ ПОДЗЕМНЫХ СООРУЖЕНИЙ

4.4.1. При проектировании защиты подземных сооружений городов и населенных пунктов, как правило, должна быть предусмотрена совместная защита всех коммуникаций. При этом целесообразно руководствоваться «Рекомендациями по совместной защите от коррозии подземных металлических сооружений связи и трубопроводов Р333-78».

4.4.2. Устройство совместной защиты должно обеспечивать полную защиту всех совместно защищаемых сооружений, исключать вредное влияние защищаемых сооружений на соседние незащищенные, эффективно использовать защитные устройства и сокращать расходы на защиту.

4.4.3. Для обеспечения защиты от коррозии все совместно защищаемые подземные сооружения должны быть соединены между собой специальными электрическими перемычками (если отсутствуют технологические соединения) и защищаться общими для всех установками электрохимической защиты.

4.4.4. При совместной защите городских подземных металлических сооружений оборудуют прямые или регулируемые перемычки между совместно защищаемыми трубопроводами и вентильные перемычки (блоки совместной защиты УБСЗ-10, УБСЗ-50, БДР) - между кабелями связи и трубопроводами.

4.4.5. При проектировании совместной защиты существующих трубопроводов и кабелей связи перемычки следует устанавливать так, чтобы они соединяли точки наиболее высоких положительных потенциалов на кабелях связи с близлежащими точками трубопроводов, имеющими наиболее высокие отрицательные потенциалы.

4.4.6. Место установки перемычек на параллельных трубопроводах определяется путем снятия потенциальных диаграмм для обоих трубопроводов. Перемычку монтируют в точке наиболее положительного потенциала незащищенного трубопровода. К защищенному трубопроводу перемычку подключают в точке с наиболее высоким по абсолютной величине отрицательным потенциалом, расположенным на расстоянии, равном не более удвоенному расстоянию между трубопроводами.

4.4.7. Если при опытном включении устанавливают, что на сооружении, включенном в совместную защиту, анодная зона снимается неполностью или возникающий отрицательный потенциал по абсолютному значению меньше защитного, необходимо провести следующие мероприятия:

уменьшить сопротивление перемычки;

увеличить отрицательный потенциал на основном подземном сооружении, с которым осуществляется совместная защита, путем регулирования защитных устройств на этом сооружении;

увеличить число перемычек, устанавливая дополнительные в тех местах, где положительные потенциалы на защищаемом сооружении имеют максимальную .величину;

установить дополнительные средства электрохимической защиты.

4.4.8. Методика проектирования электрохимической защиты вновь прокладываемых подземных трубопроводов (глава 4.2) предусматривает расчет параметров электрохимической защиты, обеспечивающей совместную защиту всех трубопроводов, расположенных на территории данного района. При этом рассчитанный запас мощности защитных установок обусловливает возможность включения в систему совместной защиты кабелей связи без увеличения числа и .мощности защитных установок.

4.4.9. Включение в систему совместной защиты с помощью перемычек стальных трубопроводов и силовых кабелей, как правило, не рекомендуется.

ГЛАВА 4.5. УСТАНОВКИ ЭЛЕКТРОХИМИЧЕСКОЙ ЗАЩИТЫ

4.5.1. Установки поляризованной дренажной защиты состоят из поляризованного дренажа (преобразователя) и соединительных кабелей. Основные технические характеристики преобразователей поляризованной дренажной защиты, которые рекомендуется применять при защите подземных сооружений от коррозии, вызываемой блуждающими токами, приведены в табл. 20.

Таблица 20. Технические характеристики преобразователей поляризованной дренажной защиты

Тип устройства

Номинальный ток, А

Допустимое

обратное

напряжение, В

Максимальная величина дренажного

сопротивления, Ом

ПГД-60

60

150

0,5

ПГД-100

100

50

0,5

ПГД-100М

100

100

0,5

ПГД-200М

200

50

0,5

ПД-3А

500

100

0,936

ПД-200

200

300

0,3

ПД-300

300

300

0,2

ПД-500

500

300

0,15

УБСЗ-10

10

100

0,3

УБСЗ-50

50

400|

0,24

БДР

100

300

0,24

4.5.2. Универсальные   блоки   совместной   защиты УБСЗ-10, УБСЗ-50 и БДР предназначены для совместной защиты подземных металлических коммуникаций от коррозии. Они могут быть использованы также в качестве поляризованного дренажа.

4.5.3. Установки автоматической усиленной дренажной защиты состоят из усиленного дренажа (преобразователя), соединительных кабелей и защитного заземления. Технические характеристики преобразователей автоматической усиленной дренажной защиты приведены в табл. 21.

Таблица 21. Технические характеристики преобразователей автоматической усиленной дренажной защити

Тип устройства

Выходная мощность, кВт

Выпрямленный ток, А

Выпрямленное напряжение, В

Допустимое обратное напряжение, В

ПАД-1,2

1,2

100/200

12/6

300

ПАД-2

2

165/330

12/6

300

ПАД-3

3

250/500

12/6

300

ПДУ-АКХ

3

250/500

12/6

300

4.5.4. Установки катодной защиты состоят из катодной станции (преобразователя), анодного заземления, защитного заземления и соединительных кабелей. Технические характеристики преобразователей катодной защиты приведены в табл. 22.

Таблица 22. Устройства катодной защиты

Тип устройства

Выходная мощность, кВт

Напряжение выпрямленного тока, В

Выпрямленный ток, А

Примечание

ПСК-М-0,6

0,6

48/24

12,5/25

 

 

ПСК-М-1,2

1,2

48/24

25/50

 

 

ПСК-М-2

2

96/48

21/42

 

 

ПСК-М-3

3

96/48

31/62

 

 

ПСК-М-5

5

96/48

52/104

 

 

КСК-500

0,5

50

10

 

 

КСК-1200

1,2

60

10

 

 

КСС-400М

0,4

40

10

 

 

КСС-300

0,3

12/24

25/12,5

 

 

КСС-600

0,6

24/48

25/12,5

 

 

КСС-1200

1,2

24/48

50/25

 

 

СКЗТ-1500

1,5

60/24

25/50

 

 

ТСКЗ-3000

3

66/30

50/100

 

 

СКЗМ-АКХ

5,5

50

100/10

 

 

ПАСК-М-0,6

ПАСК-М-1,2

ПАСК-М-2

ПАСК-М-3

ПАСК-М-5

0,6

1,2

2

3

5

48/24

48/24

96/48

96/48

96/48

12,5/25

25/50

21/42

31/62

52/104

Обеспечивает автоматическое поддержание заданного потенциала

4.5.5. Установка протекторной защиты состоит из анодного протектора (группы протекторов), активатора, соединительных проводов, клеммной коробки или контрольно-измерительного пункта в случае групповой установки протекторов.

Основные технические данные анодных протекторов приведены в табл. 23, 24, 25.

Таблица 23. Технические данные магниевых протекторов, упакованных с активатором

Тип магниевого протектора,

упакованного с активатором

Габаритные размеры, мм

Масса (округленно),

кг

диаметр

длина

ПМ-5У

165

580

16

ПМ-10У

200

100

30

ПМ-20У

240

900

60

Таблица 24. Электрохимические параметры анодных протекторов

Сплав

Стационарный потенциал

в активаторе, мВ (н.э.с.)

Токоотдача (i = 10 мА/дм2), А·ч/кг

КПД

Мл-16

-1590

1150

0,52

Мл-16пч

-1600

1330

0,6

Мл-16вч

-1620

1370

0,02

Таблица 25. Составы активаторов для протекторов, %

Удельное сопротивление

грунта, Ом · м

Гипс

Бентонит

Трепель

Na2SO4

До 20

65

25

15

75

15

-

5

-

20-100

70

75

50

10

20

40

15

-

-

5

5

10

4.5.6. В качестве анодных заземлителей установок катодной защиты применяют железокремниевые, углеграфитовые, стальные и чугунные электроды, помещенные в грунт или коксовую засыпку.

4.5.7. Рекомендуемые конструкции анодных заземлений: железокремниевые электроды, выполненные в виде цилиндрических отливок или цилиндрических отливок с утолщением на концах, длиной 762-1525 мм и диаметром 50-127 мм. На торцах электродов имеется одно или два глухих отверстия для установки токовводов. При использовании этих анодов следует руководствоваться «Методическими рекомендациями по применению железокремниевых анодов для катодной защиты подземных металлических сооружений» (М., ОНТИ АКХ, 1974);

ЭГТ (ТУ 48-20-97-77) - углеграфитовые электроды, состоящие из углеграфитовой трубы, соединителя-токоввода и кольца, надевающего на соединитель-токоввод для создания объема над местом присоединения кабеля к соединителю-токовводу;

ГАЗ-2 - графитированные электроды, состоящие из колонны - стальной трубы диаметром 250-300 мм, рабочего электрода - полого графитированного стержня длиной 1250 мм, анодного провода и активатора, заполняющего пространство между электродом и колонной;

ЗЖК-12А, АК-3, ЗЖК-41-КП, АК-2г - железокремниевые электроды с коксовым активатором, заключенные в стальной кожух. К железокремниевому электроду через контактный стержень подключен проводник;

электроды из водопроводных чугунных труб диаметром 150 мм, помещенные в глинистый раствор.

4.5.8. При невозможности разместить поверхностные анодные заземлители предусматривают глубинные анодные заземлители, при устройстве которых следует руководствоваться «Рекомендациями по методике расчета и выбору конструкций глубинных анодных заземлителей для катодной защиты» (М., ОНТИ АКХ, 1982).

ЧАСТЬ V. МОНТАЖ И НАЛАДКА УСТАНОВОК ЭЛЕКТРОЗАЩИТЫ

ГЛАВА 5.1. ОБЩИЕ ПОЛОЖЕНИЯ

5.1.1. Монтаж установок электрозащиты выполняют в соответствии с чертежами рабочих проектов электрохимической защиты.

5.1.2. При производстве строительно-монтажных работ должны быть соблюдены правила техники безопасности, предусмотренные СНиП III-А.11-70. Электромонтажные работы должны производиться в соответствии с требованиями Правил устройства электроустановок (ПУЭ) СНиП III-33-76 «Электротехнические устройства» и «Инструкции по прокладке кабелей до 110 кВ» (Сн 85-74).

5.1.3. При монтаже установок электрозащиты рекомендуется использовать альбом «Узлы и детали электрозащиты подземных инженерных сетей от коррозии». (Серия 4900-5/74).

ГЛАВА 5.2. МОНТАЖ И НАЛАДКА ДРЕНАЖНЫХ И КАТОДНЫХ УСТАНОВОК

5.2.1. В объем работ по монтажу установок дренажной защиты входят установка дренажа, прокладка и подключение дренажных кабелей или проводов к защищаемому сооружению и рельсовой сети, устройство защитного заземления.

5.2.2. В объем работ по монтажу установок катодной защиты входят установка катодной станции (преобразователя), прокладка кабеля и подводка питания к катодной, станции, устройство анодного и защитного заземления, подключение катодной станции к защищаемому сооружению.

5.2.3. На дверцах корпусов защитных устройств указывают наименование и номер телефона организации, обслуживающей защитное устройство. Дверцы должны запираться специальными замками.

5.2.4. Корпусы катодных станций и усиленных электродренажей подлежат заземлению. Устройство заземления выполняют в соответствии с требованиями ПУЭ.

5.2.5. Устройства электрозащиты подключают к источникам питания переменного тока (распределительные щитки, трансформаторные пункты, воздушные линии электропередачи низкого напряжения и др.), при согласовании на подключение и выполнении требований организаций, которым подведомственны источники. Подключение производят в присутствии представителя этих организаций.

5.2.6. Концы кабелей, вводимых в корпусы электрозащитных устройств, помещают в трубы, нижняя часть которых углублена в землю на 400-500 мм.

5.2.7. Дренажный кабель подсоединяют сначала к электродренажу (при .выключенном рубильнике), а затем к рельсам, путевому дросселю или сборно-минусовой шине тяговой подстанции в соответствии с проектом.

5.2.8. Все работы, связанные с присоединением дренажных кабелей к соответствующим устройствам сети электрифицированного рельсового транспорта, производят согласно предписаниям эксплуатационных организаций (трамвая и железных дорог) и в присутствии представителей этих организаций.

5.2.9. Анодные заземления устанавливают на запроектированной площадке в соответствии с .расчетом и рабочими чертежами, приведенными в проекте.

5.2.10. Работы по устройству поверхностного анодного заземления выполняют в следующей последовательности: подготавливают шурфы и траншеи для установки заземлителей и укладки соединительной полосы; устанавливают заземлители (электроды); сваривают отдельные заземлители в контур и гидроизолируют места сварки; засыпают шурфы и траншеи.

5.2.11. Сооружение анодного заземления из чугунных труб диаметром 160 мм, длиной 12 (6) м рекомендуется выполнять следующим образом: бурят скважины до глубины (13) 7 м станками УКС-22, УРБ-50м и др. и укрепляют обсадными трубами; опускают в скважины чугунные трубы; соединяют трубы сваркой и изолируют смоляной лентой и битумом; по окончании буровых работ обсадные трубы извлекают; пространство между чугунными трубами и стенками скважины заливают глинистым раствором.

На рис. 13 представлено анодное заземление из чугунных труб диаметром 150 мм, длиной 12 (6) м.

Рис. 13. Анодное заземление из чугунных труб

1 - электрод; 2 - люк; 3 - подушка под люк; 4 - гравий; 5 - кабель электрохимической защиты; 6 - глинистый раствор; 7 - битум

Рис. 14. Анодное заземление с вертикальным размещением железокремниевых электродов

1 - коксовая мелочь (ГОСТ 11255-65); 2 - изоляционное соединение встык; 3 - железокремниевый электрод; 4 - токоввод с кабельным выводом;

5 - контактное устройство; 6 - кабельная магистраль; 7 ¸ фитинг ФГ-20; 8 - буровая скважина

5.2.12. Монтаж анодных заземлений из железокремниевых анодов рекомендуется осуществлять в соответствии с «Методическими рекомендациями по применению железокремниевых анодов для катодной защиты подземных металлических сооружений» (М., ОНТИ АК.Х, 1974). На рис. 14 показана конструкция анодного заземления из железокремниевых анодов с вертикальной установкой анодов. Для монтажа анодов бурят скважину глубиной до 10 м, диаметром до 0,25 м. В каждую скважину опускают до пяти электродов. Скважина заполняется коксовой мелочью или глинистым буровым раствором. Электрические выводы от вертикальных анодов с основной кабельной магистралью соединяют с помощью фитингов, которые устанавливают в предварительно вырытой траншее вдоль группы вертикальных анодов. Траншеи роют в 0,3-0,5 м от оси анодов. Глубина траншеи около 1 м, ширина 0,3-0,5 м.

5.2.13. Установку и монтаж анодных заземлений из углеграфитовых электродов рекомендуется производить по рабочим чертежам «Альбома А-388-77. Анодное заземление углеграфитовых электродов диаметром 114 мм» (Л., Ленгипроинжпроект, 1977).

5.2.14. По окончании монтажа контура анодного заземления измеряют величину сопротивления растеканию, которая не должна превышать значения, указанного в проекте.

5.2.15. Исполнительные чертежи на построенные электрозащитные установки составляют строительные организации в процессе производства строительных работ.

5.2.16. Представители эксплуатационных и проектных организаций, осуществляющие технический и авторский надзор, обязаны:

контролировать выполняемые работы в процессе строительства, делать соответствующие записи в журналах авторского и технического надзора и после завершения работ подписывать акт на строительно-монтажные работы (ф. 3-1 прил. 2);

при обнаружении серьезных отступлений от проекта или низком качестве строительно-монтажных работ официальным предписанием остановить работы и о выявленных дефектах составить акт (в 3 экз.). Один экземпляр акта направить в междуведомственную комиссию в день его составления.

5.2.17. Строительно-монтажная организация, получив предписание, обязана в намеченный срок исправить допущенные дефекты, после чего вызвать представителя заинтересованных организаций для повторной приемки объекта.

5.2.18. После окончания строительства и монтажа электрозащитных установок подрядная организация передает заказчику один экземпляр проекта; исполнительные чертежи; оформленные акты на строительно-монтажные работы (на каждую установку в отдельности); справку городской электросети, разрешающую эксплуатацию установки.

5.2.19. Наладку установок электрозащиты производит строительная или эксплуатационная организация. В случае недостаточной эффективности работы электрозащитных устройств (зона действия меньше предусмотренной проектом, недостаточный защитный потенциал сооружения и т. д.) наладку устройств выполняют совместно с представителями проектной организации.

5.2.20. Налаживают и регулируют установку электрозащиты подбором оптимального режима ее работы с одновременным контролем распределения потенциалов на защищаемых сооружениях и смежных подземных металлических коммуникациях.

О результате наладки составляют справку установленной формы (ф. 3-3 прил. 2).

5.2.21. При наладке дренажной защиты проверяют дренажный ток и потенциал трубопровода относительно земли в точке дренирования.

5.2.22. При наладке катодной станции проверяют величины выпрямленного напряжения и тока катодной станции, а также потенциал трубопровода относительно земли на контактном устройстве.

5.2.23. При наладке усиленного дренажа проверяют потенциал трубопровода в точке дренирования, ток дренажа, выпрямленное напряжение, а также соответствие напряжения рельс-трубопровод допустимому обратному напряжению выпрямленного элемента (вентиля). Напряжение рельс-трубопровод измеряют в момент наибольшей положительной полярности рельса.

5.2.24. Перед установкой заданного режима автоматического усиленного дренажа и автоматической катодной станции следует проверить работу цепи автоматической регулировки.

5.2.25. В результате наладки установок электрозащиты величины минимального и максимального защитных потенциалов металлического сооружения по отношению к земле в пределах зоны, предусмотренной проектом, должны соответствовать требованиям п. 1.2.9 или 1.2.11.

5.2.26. Влияние защитной установки на смежные подземные сооружения определяют представители организаций, эксплуатирующих эти сооружения.

При этом составляют справку по установленной форме (ф. 3-4 прил. 2).

5.2.27. Если запроектированные средства электрозащиты оказались недостаточно эффективными, составляют акт, в котором указывают причины создавшегося положения и рекомендации по их устранению. Акт составляет пусконаладочная организация, и подписывают представители заказчика, проектной и эксплуатирующей организаций. На незащищенный участок трубопровода проектная организация разрабатывает дополнительный проект защиты, который должен быть осуществлен в сроки, согласованные с заказчиком.

ГЛАВА 5.3. МОНТАЖ И УСТАНОВКА ПРОТЕКТОРОВ

5.3.1. Монтаж протекторов, упакованных в порошкообразном активаторе, выполняют в следующей последовательности:

бурят скважину диаметром 250-320 мм, глубиной 1,5-3,5 м в зависимости от влажности грунта;

упакованные протекторы доставляют к месту установки в бумажных мешках, снимают которые непосредственно перед закладкой в скважину;

упакованный протектор опускают в скважину и устанавливают в центре ее, затем засыпают грунтом и утрамбовывают с предосторожностями, необходимыми для сохранения провода и протектора;

в сухих грунтах при глубоком залегании грунтовых вод после установки протектора и засыпки его грунтом скважину заливают водой (2-3 ведра), после чего ее полностью засыпают грунтом с послойной утрамбовкой;

соединение протектора с трубопроводом осуществляется через контрольно-измерительный пункт, чтобы иметь возможность контролировать работу протекторной установки;

к трубопроводу провод подключают термитной или электросваркой. Место сварки тщательно изолируют битумной мастикой.

5.3.2. Монтаж протекторов без активатора выполняется в следующей последовательности:

перед установкой протекторов с их поверхности удаляют окисную пленку и жирные вещества;

проводник в полихлорвиниловой изоляции припаивают к выступающему из протектора концу внутреннего стержня, зачищенному до металлического блеска;

изолируют место пайки грунтовкой и слоем битума толщиной не менее 4 мм;

концы стального сердечника и соединительного провода зачищают и залуживают припоем. Жилы провода продевают через прорезь в стальном сердечнике, плотно обматывают вокруг сердечника. Место пайки и весь оголенный участок стального сердечника изолируют битумной мастикой слоем не менее 10 мм.

При установке групповых протекторов к каждому протектору припаивают монтажный провод, который подключают к общему соединительному проводу.

5.3.3. При установке неупакованного протекторов шурфе на дно его предварительно помещают заполнитель толщиной 100-150 мм. В центре шурфа устанавливают протектор, вокруг которого укладывают активатор с уровнем, превышающим верхнюю часть протектора на 150-200 мм.

Активатор должен быть равномерно распределен вокруг протектора. Для этого активатор помещают в специальную форму из листовой стали в виде цилиндра диаметром не менее 250 мм. Для удобства эту форму делают разъемной с двумя ручками. После укладки в форму заполнителя яму засыпают грунтом до верхнего торца формы, грунт трамбуют и извлекают из него форму.

5.3.4. Для наблюдения и регулировки работы протектора соединительный провод вводят в контрольное устройство, представляющее собой контактный вывод. Контрольное устройство можно устанавливать над защищаемым трубопроводом в ковере, настенном ящике и в контрольно-измерительной колонке.

5.3.5. Проверка и промежуточная приемка протекторов заключается в техническом надзоре за их установкой и измерении электрических параметров.

5.3.6. При техническом надзоре за установкой протекторов необходимо проверить соответствие проекту качество монтажа протекторов, длину защищаемого участка, привязок на месте, габаритов установки, а также технологию установки.

5.3.7. Измерению подлежат следующие электрические параметры установки: потенциал трубопровода до присоединения протектора; потенциал протектора относительно земли до присоединения к трубопроводу (для магниевых протекторов эта величина составляет 1,5-1,6 В по медно-сульфатному электроду сравнения); разность потенциалов между трубопроводами и протектором до присоединения; потенциал трубопровода относительно земли после присоединения протектора; ток в цепи протектор - трубопровод.

Результаты измерения заносят в специальный журнал (ф.2-4 прил. 2).

ГЛАВА 5.4. УСТАНОВКА ЭЛЕКТРОИЗОЛИРУЮЩИХ ФЛАНЦЕВ

5.4.1. Электроизолирующие фланцы на трубопроводах устанавливают на участках, указанных в проектах электрозащиты.

5.4.2. Проверку и приемку электроизолирующих фланцев производят после окончания монтажа трубопроводов. При этом следует руководствоваться «Методическими указаниями по использованию изолирующих фланцевых соединений при электрохимической защите городских подземных газопроводов».

ГЛАВА 5.5. УСТРОЙСТВО КОНТРОЛЬНО-ИЗМЕРИТЕЛЬНЫХ ПУНКТОВ

5.5.1. Контрольно-измерительные пункты (КИП) устанавливают на подземном сооружении после укладки его в траншею до засыпки землей. Установку контрольно-измерительных пунктов на действующих сооружениях выполняют в специальных шурфах.

5.5.2. Контрольно-измерительные пункты на подземных металлических сооружениях должны обеспечивать надежный электрический контакт проводника с защищаемым сооружением; надежную изоляцию проводника от грунта; механическую прочность при внешних воздействиях; отсутствие электрического контакта между  электродом сравнения и сооружением или контрольным проводником; доступность для обслуживающего персонала и возможность проведения замеров потенциалов независимо от сезонных условий.

5.5.3. При оборудовании контрольно-измерительных пунктов неполяризующимся медно-сульфатным  электродом сравнения длительного действия МЭСД-АКХ, (см. п. 2.2.8) необходимо выполнить следующее. Электрод установить в специальном вырытом шурфе или траншее таким образом, чтобы дно корпуса находилось на уровне нижней образующей трубопровод; плоскость датчика при этом должна быть перпендикулярна оси трубопровода (рис. 15). Если электрод нельзя эксплуатировать при отрицательных температурах грунта (см. п. 2.2.8), то при прокладке трубопровода выше уровня промерзания грунтов электрод устанавливают таким образом, чтобы дно корпуса находилось на 10-15 см ниже максимальной глубины промерзания грунта.

Рис. 15. Устройство контрольно-измерительного пункта с электродом МЭСД-АКХ

1 - трубопровод; 2 - контрольные проводники; 3 - ковер; 4 - предохранительная трубка; 5 - электрод сравнения; 6 - датчик электрохимического потенциала

При установке электродов в глинистых или суглинистых грунтах специальной подготовки грунта не требуется, В сухих песчаных или супесчаных грунтах электрод устанавливают на специальную подушку из глины толщиной 100 мм, корпус электрода полностью засыпают просеянным грунтом, заливают 3-4 ведрами воды и осторожно утрамбовывают.

Перед установкой электрода в рабочее положение через предохранительную трубку протягивают соединительные проводники; на штекеры насаживают пробку, которую вставляют в трубку. Верхний конец предохранительной трубки устанавливают ниже крышки ковера контрольно-измерительного пункта на 100 мм, нижний - вводят в горловину корпуса электрода, предварительно залитую битумом.

5.5.4. Проверку и приемку контрольно-измерительного пункта производят после засыпки траншеи. При приемке представляют: схему трассы трубопровода (только в случаях установки контрольно-измерительного пункта на вновь строящихся трубопроводах); эскизы с точными привязками на местности установленных контрольно-измерительных пунктов (если таковые не могут быть даны на схеме).

По окончании приемки представителю строительной организации выдают справку (ф. 3-5 прил. 2).

5.5.5. Проверку исправности контрольно-измерительного пункта, оборудованного медно-сульфатным электродом сравнения с датчиком электрохимического потенциала (МЭСД-АКХ), осуществляют измерением сопротивления между выводами: электрод сравнения - датчик и электрод сравнения - трубопровод.

Измерения производят с помощью мегомметров типа М-4100 (модификации М-4100/1, М-4100/2 или М-4100/3). Контрольно-измерительный пункт считается исправным, если величины сопротивлений между указанными выводами контрольно-измерительного пункта находятся в диапазоне 0,1-10 кОм.

ГЛАВА 5.6. МОНТАЖ ЭЛЕМЕНТОВ СОВМЕСТНОЙ ЗАЩИТЫ

5.6.1. Места включений электрических перемычек при осуществлении совместной защиты намечаются в проекте и уточняются при наладке.

5.6.2. Монтаж элементов совместной защиты включает: рытье траншеи для прокладки перемычек между совместно защищаемыми подземными сооружениями; прокладку и подключение перемычек к защищаемым подземным сооружениям; включение в перемычки предохранителей, сопротивлении и вентильных элементов (при необходимости).

5.6.3. Электроперемычки к трубопроводу присоединяют термитной сваркой или электросваркой. Площадь сварного шва должна быть не менее 500 мм2. Стальную полосу и места присоединения ее к трубопроводу изолируют битумным покрытием толщиной не менее 9 мм или другими равноценными материалами.

5.6.4. Подключение перемычек между кабелем связи и совместно защищаемым трубопроводом должно выполняться в местах расположения соединительных муфт на кабелях связи.

ЧАСТЬ VI. ЭКСПЛУАТАЦИЯ УСТАНОВОК ЭЛЕКТРОХИМИЧЕСКОЙ ЗАЩИТЫ

ГЛАВА 6.1. ПОРЯДОК ПРИЕМКИ И ВВОДА В ЭКСПЛУАТАЦИЮ УСТАНОВОК ЭЛЕКТРОХИМИЧЕСКОЙ ЗАЩИТЫ

6.1.1. Установки электрохимической защиты вводят в эксплуатацию после завершения пусконаладочных работ и испытания на стабильность в течение 72 ч.

6.1.2. Электрозащитные установки принимает в эксплуатацию комиссия, в состав которой входят представители следующих организаций: заказчика; проектной (по необходимости); строительной; эксплуатационной, на баланс которой будет передана построенная электрозащитная установка; конторы Подземметаллзащита (службы защиты); местных органов Госгортехнадзора СССР; городских (сельских) электросетей.

6.1.3. Данные проверки готовности объектов к сдаче заказчик сообщает телефонограммой организациям, входящим в состав приемной комиссии.

6.1.4. Заказчик предъявляет приемной комиссии проект на. устройство электрической защиты; акты на выполнение строительно-монтажных работ (ф. 3-1 прил. 2); исполнительные чертежи и схемы с нанесением зоны действия защитной установки; справку о результатах наладки защитной установки (ф. 3-3 прил. 2); справку о влиянии защитной установки на смежные подземные сооружения (ф. 3-4 прил. 2); паспорта электрозащитных устройств; акты па приемку электрозащитных установок в эксплуатацию (ф. 3-2 прил. 2); разрешение на подключение мощности к электрической сети; документацию о сопротивлении изоляции кабелей и сопротивлений растеканию защитного заземления.

6.1.5. После ознакомления с исполнительной документацией приемная комиссия проверяет выполнение запроектированных работ - средств и узлов электрозащиты, в том числе изолирующих фланцевых соединений, контрольно-измерительных пунктов, перемычек и других узлов, а также эффективность действия установок электрохимической защиты. Для этого измеряют электрические параметры установок и потенциалы трубопровода относительно земли на участке, где в соответствии с проектом зафиксирован минимальный и максимальный защитный потенциал.

6.1.6. Электрозащитную установку вводят в эксплуатацию только после подписания комиссией акта о приемке.

6.1.7. Электрозащитные установки, не соответствующие проектным параметрам, не должны подлежать приемке.

6.1.8. Если отступления от проекта или недовыполнение работ влияют на эффективность защиты либо противоречат требованиям эксплуатации, то они должны быть отражены в акте с указанием сроков их устранения и представления к повторной приемке.

6.1.9. Каждой принятой установке присваивают порядковый номер и заводят специальный паспорт электрозащитной установки (ф. 2-1 прил. 2), в который заносят все данные приемочных испытаний.

6.1.10. При приемке в эксплуатацию изолирующих фланцев представляют: заключение проектной организации на установку изолирующих фланцев; схему трассы газопровода с точными привязками мест установки изолирующих фланцев (привязки изолирующих фланцев могут быть даны на отдельном эскизе); заводской паспорт изолирующего фланца (если последний получен с завода).

Приемку в эксплуатацию изолирующих фланцев оформляют справкой (ф. 3-5 прил. 2). Принятые в эксплуатацию изолирующие фланцы регистрируют в специальном журнале (ф. 2-3 прил. 2).

6.1.11. При приемке в эксплуатацию шунтирующих электроперемычек представляют заключение проектной организации на установку электрической перемычки с обоснованием ее типа; исполнительный чертеж перемычки на подземных сооружениях с привязками мест установки; акт на скрытые работы со ссылкой на соответствие проекту конструктивного исполнения электроперемычки.

6.1.12. При приемке в эксплуатацию контрольных проводников и контрольно-измерительных пунктов представляют исполнительный чертеж с привязками; акт на скрытые работы со ссылкой на соответствие проекту конструктивного исполнения контрольных проводников и контрольно-измерительных пунктов.

ГЛАВА 6.2. ПРОФИЛАКТИЧЕСКОЕ ОБСЛУЖИВАНИЕ УСТАНОВОК ЭЛЕКТРОХИМИЧЕСКОЙ ЗАЩИТЫ

6.2.1. Профилактическое обслуживание электрозащитных устройств включает периодический технический осмотр установок, проверку эффективности их работы, а также контрольные измерения потенциалов на защищаемом трубопроводе в опорных пунктах.

Для каждой защитной установки необходимо иметь журнал контроля работы защитной установки (ф. 2-2 прил. 2), в который заносят результаты технического осмотра и измерений.

6.2.2. Технический осмотр электрозащитных установок необходимо производить: 4 раза в месяц на дренажных установках; 2 раза в месяц на катодных установках; 1 раз в 6 мес. на контролируемых протекторных установках.

6.2.3. При техническом осмотре установок электрохимической защиты проводят:

внешний осмотр всех элементов установки для обнаружения внешних дефектов (проверяют плотность контактов, исправность монтажа, отсутствие механических повреждений отдельных элементов и т. п.);

проверки исправности предохранителей и надежности их крепления;

очистку корпуса дренажной или катодной установки снаружи и внутри; (в последнем случае для усиленных дренажей и катодных станций при отключенном напряжении питающей сети);

проверку параметров установки электрохимической защиты;

измерение потенциалов трубопровода относительно земли на контактном устройстве трубопровода (в точке подключения к защищаемому сооружению): на дренажных установках - при каждом осмотре; на катодных - в случае изменения величины защитного тока.

6.2.4. При обнаружении перегоревшего предохранителя следует установить запасной стандартный предохранитель. При повторном перегорании предохранителя новый предохранитель устанавливают только после выяснения причин перегорания ранее установленного.

6.2.5. Все обнаруженные при техническом осмотре неисправности заносят в журнал (формы 2-2а и 2-2 прил. 2).

6.2.6. Если выявленные неисправности не могут быть устранены на месте, защитное устройство (или отдельные его узлы) должно быть отправлено в ремонтные мастерские, а на его месте установлено запасное.

6.2.7. При проверке параметров электродренажной защиты измеряют величину дренажного тока, устанавливают отсутствие тока в цепи дренажа при перемене полярности трубопровода относительно рельсов, определяют «порог» срабатывания дренажа (при наличии реле в цепи дренажа или цепи управления), а также сопротивление регулируемого реостата в цепи электродренажа.

6.2.8. При проверке параметров работы катодной станции измеряют величину тока катодной защиты, напряжения на выходных клеммах катодной станции и потенциал в точке защитного тока.

6.2.9. Эффективность работы дренажных и катодных установок проверяют 2 раза в год, а также при каждом изменении режима работы электрозащитных установок и при изменениях, связанных с развитием, сети подземных сооружений и источников блуждающих токов.

6.2.10. Эффективность действия защиты проверяют измерением потенциалов трубопровод - земля в постоянно закрепленных опорных пунктах; определяют также параметры электрозащитной установки (при проверке эффективности проводят технический осмотр защитной установки в полном объеме).

6.2.11. Состояние регулируемых и контролируемых перемычек при .совместной защите нескольких подземных сооружений проверяют определением их омического сопротивления (измерение разности потенциалов между сооружениями и землей и в .местах подключения перемычек).

Состояние глухих перемычек определяют путем сравнивания потенциалов на защищаемых сооружениях.

6.2.12. При обнаружении недостаточной эффективности действия защиты (сокращена зона ее действия) или превышения величины потенциалов, установленных проектом защиты, необходимо произвести регулирование режима работы защиты.

6.2.13. Сопротивление растеканию анодного заземления следует измерять во всех случаях, когда режим работы катодной станции резко меняется, но не реже одного раза в год.

Измерения производят в период .минимальной проводимости грунта (сухой грунт). Схема измерения сопротивления растеканию анодного заземления приведена на рис. 16. Для измерения используют измеритель сопротивления М-416 и два стальных электрода.

При длине анодного заземлителя, равного lа.з, питающий электрод относят на расстояние b ³ 3 lа.з, измерительный электрод на расстояние a ³ 2 lа.з; соотношение b/а > 1,5.

Рис. 16. Измерение сопротивления растеканию анодных заземлителей

1 - анодные  заземлители;  2 - контрольно-измерительный пункт;

3 - измерительный прибор; 4 - измерительный электрод;

5 - питающий электрод; 6 - дренажный провод

6.2.14. Сопротивление защитного заземления электроустановок измеряют не реже одного раза в год. Схема измерения сопротивления защитного заземления такая же, как и на рис. 16. Измерения следует производить в наиболее сухое время года.

6.2.15. Эффективность действия протекторной защиты определяют измерением потенциала трубопровода по отношению к земле в точке подключения протектора при включенном и отключенном протекторе; величины тока в цепи протектор - защищаемое сооружение; потенциала протектора относительно земли до подключения к трубопроводу.

Результаты измерения заносят в журнал (ф. 2-4а прил. 2).

6.2.16. Если потенциал трубопровода на участке подключения окажется меньше проектного (по абсолютной величине) или минимального защитного потенциала, необходимо проверить исправность соединительного провода между протектором и трубопроводом, места припайки его к трубопроводу и протектору. Если соединительный провод и места припайки его окажутся исправными, то производят активацию «обмазки». Если и после этого потенциал не увеличится, то делают шурф на глубину закопки электрода для его осмотра и проверки наличия вокруг него заполнителя.

6.2.17. При применении протекторной защиты с включением полупроводникового диода в цель между защищаемым сооружением и протектором необходимо проверить вентильное действие указанных диодов.

6.2.18. Исправность изолирующих фланцевых соединений проверяют не реже одного раза в год в соответствии с методическими указаниями (п. 5.4.2). При этом измеряют падение напряжения на изолирующем фланце и синхронно - разность потенциалов по обеим сторонам изолирующего фланца по отношению к земле. Измерение проводят при помощи двух милливольтметров.

При исправном фланцевом соединении синхронный замер показывает «скачок» потенциала.

Результаты измерения заносят в журнал проверки работ изолирующих фланцев (ф. 2-3а прил. 2).

6.2.19. При проверке изолирующих фланцев в колодцах прибор присоединяют к выводам КИП на поверхность люка колодца.

6.2.20. Текущий ремонт защитных установок выполняют в процессе эксплуатации на основании заключений технического осмотра.

На время ремонта установку демонтируют и заменяют аналогичной из резерва.

ЧАСТЬ VII. ОСНОВНЫЕ УКАЗАНИЯ ПО ТЕХНИКЕ БЕЗОПАСНОСТИ ПРИ ПРОВЕДЕНИИ РАБОТ ПО ЗАЩИТЕ ПОДЗЕМНЫХ МЕТАЛЛИЧЕСКИХ СООРУЖЕНИЙ ОТ КОРРОЗИИ

7.1. При выполнении работ по защите подземных металлических сооружений от коррозии следует руководствоваться следующими документами по технике .безопасности: СНиП III-А.11-70 «Техника безопасности а строительстве», Правилами безопасности в газовом хозяйстве (М.: Недра, 1980), Правилами техники безопасности при эксплуатации электроустановок городских электросетей (М.-Л.: Энергия, 1976), Правилами устройства электроустановок (М.Л.: Энергия, 1974).

7.2. К выполнению работ по защите подземных металлических сооружений от коррозии допускаются лица, прошедшие инструктаж и сдавшие экзамен.

Независимо от сдачи экзамена каждый рабочий при допуске к работе должен подучить инструкцию по технике безопасности на рабочем месте с соответствующей записью в журнале по проведению инструктажа.

7.3. При проведении работ должны быть установлены знаки безопасности в соответствии с требованиями ГОСТ 12.4.026-76 «Цвета сигнальные и знаки безопасности».

7.4. Работы с пожаро - и взрывоопасными материалами должны выполняться с соблюдением требований пожар ной безопасности.

Рабочие места должны быть обеспечены противопожарными средствами.

7.5. Уровень вредных примесей на рабочем месте при нанесении на подземные сооружения изоляционных покрытий не должен превышать санитарных норм.

Рабочий персонал должен быть осведомлен о степени токсичности применяемых веществ, способах защиты от их воздействия и мерах оказания первой помощи при отравлениях.

7.6 При работах, связанных с электрическими измерениями на подземных сооружениях, а также при работах по монтажу, ремонту и наладке электрозащитных установок следует соблюдать правила и требования безопасности, предписанные для персонала, обслуживающего электроустановки напряжением до 1000 В.

7.7. Работы в пределах проезжей части улиц и дорог для автотранспорта, на рельсовых путях трамвая и железных дорог, источниках электропитания установок электрозащиты выполняют не менее двух человек, а работы в колодцах, туннелях или глубоких траншеях - бригада в составе не менее трех человек.

7.8. Перед началом работ в колодцах необходимо замерить наличие горючих и вредных газов специальными приборами и записать данные в наряд. Проверять наличие газа открытым огнем запрещается.

7.9. Работы в колодцах и каналах, в которых возможно наличие газа, размещаются лишь по специальному наряду в присутствии руководителя группы (мастера). При этом применяют инструмент с покрытием, исключающим искрообразование при ударе, а также переносные взрывозащищенные светильники.

Для спуска в колодцы (не имеющие скоб) и котлованы используют металлические лестницы с приспособлением для закрепления у края, не дающие искрения при ударе или трении о твердые предметы.

7.10. Измерение в контрольных пунктах, расположенных на проезжей части дорог, на рельсах трамвая или электрифицированной железной дороги, должны производить два человека, один из которых следит за безопасностью работ и ведет наблюдения за движением транспорта.

7.11. Все работы на тяговых подстанциях и отсасывающих пунктах электротранспорта осуществляют в присутствии персонала подстанций.

7.12. При применении ручных электрических машин работы необходимо проводить только в диэлектрических перчатках при заземленных корпусах машин.

7.13. Установка опытного анодного заземления допускается лишь в присутствии представителя кабельной сети.

7.14. На весь период работы опытной станции катодной защиты у контура анодного заземления должен находиться дежурный и должны быть установлены предупредительные знаки (ГОСТ 12.4.026-76).

7.15. Металлические корпусы электроустановок, не находящиеся под напряжением, должны иметь защитное заземление.

ЧАСТЬ VIII. ЗАЩИТА ВОДОПРОВОДНЫХ ТРУБ ОТ ВНУТРЕННЕЙ КОРРОЗИИ

ГЛАВА 8.1. ОПРЕДЕЛЕНИЕ КОРРОЗИОННОЙ АКТИВНОСТИ ВОДЫ

8.1.1. Для уменьшения ущерба, причиняемого внутренней коррозией, правильного, своевременного и наиболее рационального выбора мер по борьбе с ней необходимо знать и постоянно контролировать коррозионную активность воды.

8.1.2. Коррозионная активность воды определяется ее физико-химическими характеристиками. Она может заметно меняться в процессе обработки воды на водопроводных станциях.

8.1.3. Определение коррозионной активности воды проводят на устройстве типа ОКА. Оно состоит из смонтированного на кронштейне электродвигателя, вал которого через промежуточные детали вращает цилиндрический образец с частотой порядка 1500 мин1. Кронштейн может перемещаться по штативу и фиксироваться на нем винтом. Штатив крепится к плите. Стакан с исследуемой водой устанавливают на кронштейн. Цилиндрический образец. имеющий в верхней части хвостовик с резьбой, ввинчивается в медную втулку. На медную втулку насажена фторопластовая обойма.

8.1.4. Цилиндрические образцы изготовляют из углеродистой стали марки Ст3ПС и имеют диаметр 10 длину 35 мм. Чистота обработки поверхности должна соответствовать классу чистоты не ниже 10. Устройство ОКА комплектуется 10 образцами.

8.1.5. Коррозионная активность воды определяется по общему количеству продуктов коррозии (в растворе и на образце), образовавшихся за время опыта (в течение 3 ч). При определении коррозионной активности воды используется следующая классификация: невысокая - не более 0,1; средняя - 0,1-0,2; высокая - более 0,2 мг/см2.

8.1.6. Для обеспечения возможности количественного определения коррозионной активности воды и соответствия ее критериям, указанным в п. 8.1.5, необходимо использовать образцы из углеродистой стали постоянных состава и структуры.

Пригодность образцов для фиксирования коррозионной активности воды определяют проведением опытов в растворах следующих составов, г/л:

1. Са (NO3)2 · 4 Н2O - 0,531,        2. Са (NO3)2 · 4 Н2О - 0,531,

                 NаНСО3 - 0,296,               NаНСО3 - 0,296,

                   Nа2SO4 - 0,074.                 Nа2SO4 - 0,296.

Если коррозионная активность раствора 1 не более 0,1 мг/см2, а второго - более 0,2 мг/см2, то образцы пригодны для опытов.

8.1.7. Диаметр цилиндрического стакана, в котором проводится определение коррозионной активности воды, равен 80-100 мм, а высота - не менее 120 мм. Необходимый объем раствора для определения коррозионной активности составляет 0,5 л.

8.1.8. Если определение коррозионной активности воды проводится при температуре 15-22°С, то термостатирование сосуда необязательно. В остальных случаях сосуд с раствором помещают в термостат, где поддерживается заданная температура.

8.1.9. Методика определения коррозионной активности воды приведена в прил. 6.

ГЛАВА 8.2. ПРОТИВОКОРРОЗИОННАЯ ОБРАБОТКА ВОДЫ НА ВОДОПРОВОДНЫХ СТАНЦИЯХ

8.2.1. Противокоррозионную обработку проводят с целью уменьшения коррозионной активности воды. Ее следует проводить, когда вода имеет среднюю или высокую коррозионную активность и предполагается использовать металлические трубы без защитных покрытий.

8.2.2. Для противокоррозионной обработки воды на водопроводных станциях следует использовать соду, известь, гексаметафосфат или триполифосфат натрия.

8.2.3. Перед проведением противокоррозионной обработки воды на эксплуатируемых системах очищают трубы от продуктов коррозии, так как их наличие значительно снижает эффективность такой обработки. Для новых труб предварительной очистки не требуется.

8.2.4. При дозировании ингибиторов исходят из следующих соображений: нижний предел диктуется необходимостью обеспечить минимальное содержание ингибитора, достаточное для заметного торможения коррозионного процесса на отдаленных от места обработки участках системы, а верхний предел - необходимостью не превысить (особенно в зонах, близких к участкам дозирования) содержания ингибитора, установленного санитарными нормами.

8.2.5. Обработка воды известью или содой (стабилизационная обработка) проводится непрерывно. Сначала создают положительный индекс насыщения (0,5-0,7), необходимый для наращивания карбонатной пленки. Длительное время поддерживать индекс насыщения на этом уровне не рекомендуется, так как могут образоваться толстые карбонатные осадки, уменьшающие пропускную способность труб. Для образования карбонатного осадка на протяженных системах следует вместе с щелочными реагентами вводить 0,25-0,5 мг/л гексаметафосфата натрия. После образования карбонатной пленки необходимо поддерживать индекс насыщения близким к нулю. Дозы реагентов (щелочных) для стабилизационной обработки воды определяют согласно СНиП II-31-74 «Водоснабжение. Наружные сети и сооружения».

При исходной жесткости воды ниже 25 мг/л (в пересчете на СаСО3) стабилизационная обработка не обеспечивает получения осадка с высокими защитными свойствами.

8.2.6. При обработке воды гексаметафосфатом или триполифосфатом натрия остаточное количество реагента не должно превышать 3,5 мг/л (в пересчете на РО43). После образования защитной пленки первоначальная доза реагента может быть уменьшена примерно в 2 раза. Эффективность обработки воды фосфатами и ингибиторами значительно повышается при одновременном введении небольших количеств солей цинка. Для постоянной обработки воды обычно необходимо введение ионов цинка в количестве порядка 1 мг/л. Полифосфаты наиболее эффективны при обработке воды с рН = 5¸7. При введении полифосфатов одновременно с солями цинка область рН, в которой проявляется максимальное ингибирующее действие, составляет 6,5-8,5.

8.2.7. Подбор типа и дозировки ингибиторов для противокоррозионной обработки воды, необходимой для снижения коррозионной активности воды до требуемого уровня, следует проводить на устройстве ОКА. Это устройство позволяет также осуществлять контроль за эффективностью обработки воды в период образования защитных пленок. С этой целью производят отбор проб воды из точек системы, находящихся на различном расстоянии от места обработки, и определение их коррозионной активности.

ГЛАВА 8.3. ЗАЩИТНЫЕ ПОКРЫТИЯ ВНУТРЕННЕЙ ПОВЕРХНОСТИ ВОДОПРОВОДНЫХ ТРУБ

8.3.1. Для изоляции внутренней поверхности водопроводных труб используют лакокрасочные и цементные покрытия.

8.3.2. Из лакокрасочных материалов, следует применять следующие: полистирольную смолу КОРС (ТУ 38-30322-81), сополимер КОРС (ТУ 38-103118-78), краску ХС-720 (ТУ 6-10-708-74), кремнийорганическую эмаль КО-198 (ТУ 6-02-341-74). К этим материалам добавляют 10-15 % алюминиевой пудры. До рабочей вязкости .полистирольная смола КОРС, сополимер КОРС и краска ХС-720 доводятся ксилолом, а эмаль КО-198 - сольвентом.

8.3.3. Лакокрасочные материалы наносят на внутреннюю поверхность труб методом пневматического распыления, требуемая толщина покрытия (130-180 мкм) достигается при нанесении четырех слоев.

8.3.4. Перед нанесением лакокрасочного покрытия поверхность трубы очищают стальной или чугунной дробью от продуктов коррозии, окалины и других загрязнений. После очистки поверхность трубы должна иметь ровный серо-матовый цвет.

8.3.5. Для нанесения лакокрасочного покрытия используют пневматические краскораспылители, которые комплектуются стандартным вспомогательным оборудованием (масловлагоотделителем, красконагнетательным баком, к которым он присоединяется резинотканевыми шлангами).

8.3.6. При окрашивании трубы, которая находится в неподвижном положении, краскораспылитель перемещается внутри трубы и равномерно подает красочную аэрозоль. Краскораспылитель закрепляется консольно или опирается на роликовые опоры из фторопласта. Для удаления окрасочного тумана у конца трубы, противоположного месту ввода краскораспылителя, устанавливается вытяжное устройство, обеспечивающее отсос загрязненного воздуха.

8.3.7. Межслойная сушка проводится в сушильной камере при температуре 50-60 °С в течение 10-15 мин. При нанесении полистирольной смолы КОРС краскораспылителем, опирающимся на роликовые опоры, межслойная сушка проводится при температуре 75-85° С в течение 15-18 мин.

8.3.8. Качество лакокрасочного покрытия определяется по толщине и внешнему виду покрытия. Для измерения толщины покрытия используют толщиномеры ИТП-1, МТ-32Н, МИП-10. Внешний вид покрытия определяется визуально. Покрытие не должно иметь пузырей, подтеков, наплывов и не прокрашенных мест.

8.3.9. Для изоляции внутренней поверхности труб покрытиями на основе цемента используют цементно-полимерные и цементно-песчаные полимерные смеси.

8.3.10. Цементно-песчаная полимерная смесь состоит из портландцемента марки не ниже 400 (ГОСТ 10178-76), песка с модулем крупности 1,5-2,3 мм (ГОСТ 10268-80), полимерной добавки (латекс СКС-65, ГОСТ 10564-75 в количестве 2 % массы сухого цемента или сульфитно-дрожжевой бражки по ТУ 81-04-275-73 в количестве 0,1-0,15 % массы сухого цемента), стабилизатора твердения в количестве 4 % .массы добавки (ОП-07 или ОП-10 по ГОСТ 8433-57; допускается применение других стабилизаторов, обеспечивающих требуемые физико-механические свойства цементно-песчаной смеси) и воды (ГОСТ 2874-73). Водоцементное отношение 0,35-0,45.

8.3.11. Цементно-полимерная смесь состоит из компонентов, указанных в п. 8.3.10,: кроме песка. Водоцементное отношение - 0,4.

8.3.12. Цементно-песчаная полимерная и цементно-полимерная смеси должны обладать пластичностью с осадкой стандартного конуса 8-10 см.

8.3.13. Цементно-полимерная смесь применяется для труб диаметром до 1000 мм, когда нет леска грануляции, необходимой для приготовления цементно-песчаной полимерной смеси.

8.3.14. Цементно-песчаные полимерные и цементно-полимерные покрытия наносятся в цеховых и базовых условиях методом центрифугирования. В отдельных случаях допускается нанесение покрытий методом центробежного набрызга.

8.3.15. Толщина цементно-полимерного покрытия составляет 4-6 мм.

8.3.16. Толщина цементно-песчаного полимерного покрытия, мм, для труб различного диаметра, мм, указана ниже:

4 . . . . . . . .             200     10 . . . . . . ………       800-900

5 . . . . . . . .             200—300        12 . . . . . . .      1000-1100

6 . . . . . . . .             350¾500        14 . . . . . . .      1200-1400

8 . . . . . . . .             600¾700        16 . . . . . . .      более 1500

8.3.17. Технологический процесс нанесения цементно-песчаного полимерного и цементно-полимерного покрытия включает в себя приготовление раствора, очистку внутренней поверхности трубы, нанесение покрытия, уход за покрытием в процессе твердения.

Облицовка труб может проводиться на открытой площадке (летом) и в цеховых условиях.

8.3.18. После нанесения облицовки проводится либо термовлажностная обработка в пропарочной камере, либо увлажнение водой. Режим термовлажностной обработки следующий, ч:

Предварительное выдерживание  . . . . . . . . . . . . .  . . . . . .       1

Подъем температуры до 60-65°С . . . . . .  . . . . . . . . . . . .                       2

Изотермический прогрев при 60-65°С . . . . . . . . . . . . . .                      4

Охлаждение до температуры окружающей среды . . . . . .        2

Периодическое увлажнение покрытия проводят через 4-6 ч. В сухую погоду периодическое увлажнение проводят в течение 7 сут.

8.3.19. Покрытие должно быть плотным, гладким, одинаковой толщины то всей длине трубы, без борозд и наплывов. Допускаются отдельные места незаглаженной поверхности с высотой выступов не более 1,5 мм. Не допускаются дефекты, обусловленные плохим перемешиванием раствора (цементные и песчаные комья, вздутия и т.д.).

Приложение 1

ТИПОВОЕ ПОЛОЖЕНИЕ О ПРОИЗВОДСТВЕННОЙ КОНТОРЕ ПО ЗАЩИТЕ ПОДЗЕМНЫХ МЕТАЛЛИЧЕСКИХ СООРУЖЕНИЙ ОТ ЭЛЕКТРОХИМИЧЕСКОЙ КОРРОЗИИ

1. Общие положения

1.1. Производственная контора по защите подземных металлических сооружений от электрохимической  коррозии - Подземметалл - защита - организована решением ___________

(СМ АССР, край-,

____________________ от   _____________№__________

облисполкома)

и подчинена производственному управлению газового хозяйства ______________________________________облисполкома*.

1.2. Контора Подземметаллзащита действует на началах хозяйственного расчета, имеет самостоятельный баланс, расчетный и другие счета в банках, кредитуется в установленном порядке и является юридическим лицом.

1.3. Контора имеет круглую печать с изображением своего наименования.

1.4. В состав конторы входят следующие производственные единицы, не являющиеся самостоятельными предприятиями:

________________________________________________

(службы, цехи, участки, мастерские и т. п.)

_________________________________________________

_________________________________________________

1.5. Контора находится в г. __________________________

по адресу _________________________________________

и при необходимости может создавать эксплуатационные подразделения (производственные единицы) в других городах и населенных пунктах области.

1.6. За конторой закрепляются основные и оборотные средства, образующие ее уставный фонд, размер которого определяется в ее балансе. Кроме уставного фонда, контора образует другие фонды, установленные действующим законодательством.

1.7. Контора в своей деятельности руководствуется действующим законодательством, решениями ____________________________________________________

(СМ АССР, край-, облисполкома)

приказами МЖКХ РСФСР, управления газового хозяйства СМ АССР, край облисполкома и настоящим Положением. Во всех случаях, не предусмотренных настоящим Положением, контора руководствуется Положением о социалистическом государственном производственном предприятии.

___________________

* Для МКХ АССР, управлений коммунального хозяйства, крайисполкомов - соответственно.

2. Основные задачи и функции

2.1. Основными задачами конторы являются организация и выполнение по договорам работ по защите подземных металлических сооружении (исключая магистральные продуктопроводы) от почвенной коррозии и коррозии, вызываемой блуждающими токами, на территории области.

2.2. В соответствии с основными задачами контора обязана обеспечить:

выполнение установленных планов и заданий;

контроль коррозионного состояния подземных металлических сооружений и эксплуатацию установок электрохимической защиты в объеме и по срокам, определяемым действующей нормативно-технической документацией;

разработку проектов электрохимической защиты отдельных участков эксплуатируемых подземных стальных трубопроводов;

выполнение строительно-монтажных работ по устройству электрохимической защиты эксплуатируемых трубопроводов, находящихся и особо опасных коррозионных условиях;

выполнение пусконаладочных работ и участие в приемке установок электрохимической защиты в эксплуатацию;

технический надзор за строительством установок электрохимической защиты, выполняемым строительно-монтажными организациями;

выдачу технических условий на проектирование защиты, рассмотрение и регистрацию проектов электрохимической защиты подземных металлических сооружений от коррозии;

регистрацию и анализ причин коррозионных повреждений подземных металлических сооружений;

ведение и хранение технической документации по защите от коррозии;

внедрение передовых методов труда, нового оборудования, дешевых и долговечных материалов;

организацию подготовки кадров, техническое и тарифное нормирование;

обеспечение сохранности материальных ценностей и представление установленной отчетности.

3. Права и управление

3.1. Контора Подземметаллзащита возглавляется начальником. Начальник конторы назначается и освобождается от должности производственным управлением газового хозяйства ______________________

______________________________________________________________________________________

(АССР, края, области)

3.2. Начальник действует на основе единоначалия, организует работу конторы и контроль исполнения, несет полную ответственность за выполнение всех задач, возложенных на контору.

3.3. Начальник конторы имеет право:

издавать приказы и распоряжения в пределах своей компетенции;

утверждать положения производственным единицам, не являющимися самостоятельными предприятиями;

в установленном порядке поощрять работников конторы и налагать на них дисциплинарные взыскания;

распоряжаться денежными и материальными ценностями, а также совершать другие юридические действия, предусмотренные законодательством, необходимые для осуществления деятельности конторы.

3.4. Начальник конторы, его заместители и главный инженер (в пределах установленной компетенции) па основании настоящего Положения, без особой на то доверенности, представляют контору по всех государственных, общественных и кооперативных предприятиях, организациях и учреждениях, заключают договоры, открывают и закрывают расчетный и другие счета, распоряжаются ими, совершают кредитные операции в учреждениях Госбанка СССР и Стройбанка СССР.

Все документы денежного, материально-имущественного, расчетного и кредитного характера, а также отчеты и балансы подписываются начальником или его заместителем и главным бухгалтером конторы.

Приложение 2

Форма 1-1

ФОРМЫ ТЕХНИЧЕСКОЙ ДОКУМЕНТАЦИИ

Контора Подземметаллзащита управления ____________

Город _________________________________________

Вид сооружения __________________________________

(для газопроводов указать давление)

Маршрут № _______

№ п. п.

Номер пункта измерения

Адрес пункта измерения

Вид пункта измерения

 

 

 

 

План (схема) маршрута

Эскизы привязки пунктов измерения

Форма 1-2

Контора Подземметаллзащита управления _______________________________________________

Сводная ведомость

результатов определения коррозионной активности грунтов

по отношению к углеродистой стали

Город _____________________________________________________________________________

п.п.

Адрес

№ пункта

по схеме

Удельное сопротивление грунта, Ом·м

Плотность поляризующего тока, мА/см2

Величина потери массы образца, г

Оценка коррозионой активности грунта

 

 

 

 

 

 

 

Приложение: 1. План (схема) трубопроводов. 2. Протоколы изменении и анализов.

Форма 1-2а

Протокол измерения удельного сопротивления грунта прибором типа _____________________________

Заводской номер ___________________

Дата измерения _____________19 ___г.

Город   ___________________________

Погодные условия __________________

п. п.

Адрес места

измерения

Характеристика

грунта с поверхности

Расстояние

а, м

Сопротивление

Коррозионная

активность

R, Ом

r, Ом·м

 

 

 

 

 

 

 

Измерил _________________

Проверил ________________

Протокол

анализа коррозионной активности грунта

по потере массы образца

Город ___________________________________________

Дата производства работ (отбор проб грунта) ____________

п.п.

Адрес

отбора пробы

пункта

по схеме

№ образца

Масса образца, г

Потеря

массы образца, г

Оценка

коррозионной активности

до анализа

после анализа

 

 

 

 

 

 

 

 

Анализ провел: _______________

«___»_______19 ____г.

Форма 1-2в

Протокол

анализа коррозионной активности грунта

по плотности поляризующего тока

Город ______________________________________________

Дата проведения работ (отбор проб грунта) ________________

Используемые приборы ________________________________

№ п.п.

 

Адрес отбора

пробы

№ по схеме

 

Потенциал Uэ и ток iк при построении поляризационных кривых

Плотность поляризующего тока при

Uэ = 0,5 В, мА/см2

Оценка коррозионной

активности

В

мА

В

мА

В

мА

 

 

 

 

 

 

 

 

 

 

 

 

 

 

 

 

 

 

 

 

 

 

Анализ провел: _________________________________________

Форма 1-3

Контора Подземметаллзащита управления _______________________________________

Протокол измерений показывающими приборами № ______________________________

Город ____________________________________________________________________

Вид подземного сооружения и пункта измерения _________________________________

дата: «____»_________19__ г. Время измерений:

начало____ ч____ мин

конец____ ч____ мин

Адрес пункта измерений _____________________________________________________

Вид измерения ____________________________________________________________

Режим измерения __________________________________________________________

(без защиты, с включенной защитой, синхронно)

Тип и № прибора _______________ Предел измерений ____________

Состояние грунта _______________ Тип электрода сравнения _____

       (сухой, влажный)

Данные измерений, В

 

с

мин

0

5

10

15

20

25

30

35

40

45

50

1

2

3

4

5

6

7

8

9

10

Камеральная обработка измерений:

Разность потенциалов, В

Сумма

Максимум

Средняя величина

Минимум

Число замеров

 

 

 

 

 

 

Положительная (+)

Отрицательная (-)

Измерил _______________ Обработал _______________

Проверил _______________

Форма 1-4

Контора Подземметаллзащита управления ______________________________________

Протокол измерений переменного потенциала

и смещения стационарного потенциала

трубопровода в пункте №._______________

Адрес пункта измерений ________________

Город _______________ Вид измеряемого пункта ________________________________

Время измерения:

Приборы измерения переменного тока, тип   _________________№__________________

разности потенциалов: постоянного тока, тип   _______________№__________________

 

Данные измерений разности потенциалов

(мгновенные значения)

Переменного тока, мВ

Постоянного тока, мВ

с

мин

0

20

40

среднее значение

с

мин

0

20

40

среднее значение

1

 

 

 

 

 

 

 

 

 

2

 

 

 

 

 

 

 

 

 

3

 

 

 

 

 

 

 

 

 

4

 

 

 

 

 

 

 

 

 

5

 

 

 

 

 

 

 

 

 

6

 

 

 

 

 

 

 

 

 

7

 

 

 

 

 

 

 

 

 

8

 

 

 

 

 

 

 

 

 

9

 

 

 

 

 

 

 

 

 

10

 

 

 

 

 

 

 

 

 

 

Исходные мгновенные показатели разности потенциалов

Минимальные и максимальные значения измеряемых величин

Величина смещения стационарного потенциала, мВ

Переменного тока, В

 

 

  

Постоянного тока, мВ

 

Измерил по току:

переменному _____________________________________________

постоянному _____________________________________________

Обработал: ______________________________________________

Контора Подземметаллзащита управления______________________

Журнал результатов

измерений влияния переменного тока на коррозионное состояние подземного сооружения

Город (район) _____________________

Дата проведения работ ______________

п. п.

 

Адрес

 

№ измеряемого

пункта

№ протокола

измерений

Максимальные и минимальные значения измеряемых величин

Смещение стационарного

потенциала

Примечание

 

переменного тока

постоянного тока

 

 

 

 

 

 

 

 

Приложение. Протоколы.

Составил: _______________«____»___________19 __г.

Форма 1-5

Контора Подземметаллзащита управления _________________

Протокол автоматической регистрации потенциалов

Город ___________________

Вид подземного сооружения ________________________________________

Дата «____»___________ 19 __г.

Адрес пункта измерения ____________________________________________

Время измерения: начало        ч___ мин,  конец: ____ ч___ мин

Вид измерения ___________________________________________________

Режим измерения _________________________________________________

Тип и № прибора_____________ Предел измерений _____________________

Камеральная обработка лент автоматической записи

Знак

Отсчитанная площадь, см2

Длина обработанного участка ленты, см

Среднее значение регистрируемой величины, см

«+»

 

 

 

«—»

 

 

 

Разность потенциалов, В

Положительный (+)

Отрицательный ()

максимальный

средний

минимальный

максимальный

средний

минимальный

 

 

 

 

 

 

 

Измерил _________________ Обработал ____________________

Проверил ____________________

Форма 1-6

Контора Подземметаллзащита управления______________________

Журнал измерений потенциалов сооружения относительно земли

Вид подземного сооружения _______________________________

Маршрут № ______________

Дата измерения ______________

п.п.

Адрес

 

№ измеряемого

пункта по схеме

Дата

измерения

Разность потенциалов сооружение - земля, В

Поляризационный потенциал сооружения, В

Примечание

 

максимальная

+,

средняя

+,

минимальная

+,

максимальный

средний

минимальный

 

 

 

 

 

 

 

 

 

 

 

Составил _______________

Форма 1-7

Протокол записи потенциалов рельсов

относительно земли

Район тяговой подстанции __________ Время: начало __________

Дата ____________________ окончание ______________________

Место

измерения

Положительное значение, В

Отрицательное значение, В

среднее

максимальное

минимальное

среднее

максимальное

минимальное

 

 

 

 

 

 

 

Записал________________________

Обработал ______________________

Проверил _______________________

Форма 1-8

Контора Подземметаллзащита управления ______________________

Акт коррозионного обследования

подземного сооружения

«     »_______ 19 __г.

1. Адрес места повреждения ___________________________

2. Характеристика газопровода:

давление: высокое, среднее, низкое _____________________

диаметр ___________________________________________

материал трубы _____________________________________

толщина стенки трубы _______________________________

глубина заложения (от верха трубы до поверхности земли) ___________________________________________________

год постройки _____________________________________

3. Тип изоляционного покрытия:

толщина изоляции ___________________________________

состояние изоляции: гладкая, морщинистая, бугристая, продавленная грунтом сверху, снизу, с боков (подчеркнуть) наличие поврежде____________________________________________

_________________________________________________

(сквозная продавленность грунтом, меха_________________

повреждение и др.)

прилипаемость изоляции к трубе _______________________

наличие влаги под изоляцией ________________________

4. Состояние наружной поверхности трубы:

наличие ржавчины на трубе (под изоляцией) в местах отсутствия или повреждения изоляции

характер ржавчины (цвет, бугристая, сплошная, легко - или трудноотделяемая от трубы)________________________ __________________________________________________

наличие каверн (сверху, снизу, сбоку, примерное число на 1 кв. диам

размеры каверн (диаметр, глубина) ___________________

5. Характеристика грунта:

род грунта ________________________________________

влажность грунта по внешнему осмотру: сухой, полусухой, влажный,

мокрый, плывучий (подчеркнуть)

наличие грунтовой воды ____________________________

наличие загрязненности почвы ______________________

6. Характер коррозионного повреждения:

вид коррозии по внешнему осмотру __________________

предполагаемые причины коррозии __________________

7. Результаты коррозионных исследований:

степень коррозионности грунта ______________________

(указать метод и заключение)

_________________________________________________

результаты измерений потенциалов __________________

_________________________________________________

Заключение: ______________________________________

_________________________________________________

_________________________________________________

Подписи:

 

Форма 2-1

Контора Подземметаллзащита управления _____________

Паспорт

________________________________________________

(катодная станция, дренаж)

№_______

Адрес: ___________________________________________

1.    Тип установки _________________________________

(дата выпуска, заводской №)

2.    Способ крепления ______________________________

3.    Дата ввода в эксплуатацию _______________________

4.    Характеристика узлов защиты: ____________________

кабель___________________________________________

(марка, сечение, длина)

анодное заземление_________________________________

(материал, конструкция, число электродов)

сопротивление растеканию  __________________________

место подключения дренажа _________________________

защитное заземление _______________________________

прочие устройства _________________________________

5.    Проектные параметры защиты:

напряжение источника питания установки ______________

сила выходного тока _______________________________

выходное напряжение ______________________________

сопротивление цепи ________________________________

потенциал поляризационный на контактном устройстве (КУ):

максимальный_______________средний _____________

или разность потенциалов на КУ: максимальная _____

средняя _____________

срок службы анодного заземления _______________

6.    Защищаемые сооружения:

Составил:_______________

«     »_______________ 19 __г.

 

Перечень опорных пунктов измерения

п.п.

 

Вид контрольно-измерительных пунктов

Электрод сравнения

Адрес

Дата установки

Сопротивление цепи датчик - электрод, Ом

Сведения о техническом состоянии

1

 

2

3

4

5

6

7

Примечание. Графы 5, 6 заполняйся при установке МЭСД-АКХ.

Составил: ______________ «         » ____________________ 19 ___г.

Форма 2-2

Журнал контроля работы электрозащитной установки

Обход

Параметры установки

Разность потенциалов на

КУ относительно земли, В

Потенциал поляризации

сооружения, В

Выполненные

работы и оценка

работы установки

Подпись

 

 

дата

 

время

 

ток, А

напряжение,

В

максимальная

средняя

максимальный

средний

 

 

 

 

 

 

 

 

 

 

 

 

Форма 2-2а

Эксплуатационный журнал электрозащитной установки

(хранится в корпусе установки)

Инвентарный №_________________Адрес__________________

Проектный (наладочный) потенциал на КУ

____________________________________

 

Обход

Параметры установки

Разность потенциалов на

КУ относительно земли, В

Потенциал поляризации

сооружения, В

Замечания

 

Подпись

 

 

дата

 

время

 

ток, А 

напряжение,

В

 

максимальная

средняя

максимальный

средний

 

 

 

 

 

 

 

 

Приложение. План (схема) размещения анодного заземления и КУ

форма 2-2б

Данные проверки эффективности работы

электрозащитной установки

Дата измерения _____________ Электрод сравнения _____________

опорных

пунктов

Время

измерения 

Потенциал сооружения относительно земли, В

Примечание

 

суммарный

поляризационный

максимальный

средний

минимальный

максимальный

средний

минимальный

  

 

 

 

 

 

 

 

 

Проверил:________________________________________________________________________________

Форма 2-3

Журнал учета электроизолирующих соединений (фланцев)

п.п.

Адрес

Дата

установки

Газопровод

Место

установки

Тип

соединения

Организация,

давшая рекомендацию на установку электроизолирующих соединений

Примечание

диаметр

давление

 

 

 

 

 

 

 

 

 

Форма 2-3а

Данные проверки работы электроизолирующих соединений (фланцев)

п.п.

№ по

учету

Адрес

 

Дата

проверки

Потенциал

труба - земля, В

Падение напряжения

на соединении, В

Подпись

 

Примечание

после соединения

до соединения

 

 

 

 

 

 

 

 

 

Форма 2-4а

Журнал эксплуатации установки протекторной защиты

п.п.

установки

Дата

обследования

Разность потенциалов

Сила тока в

цепи протектора, А

Сопротивление

цепи протектор - труба, Ом

Сведения о техническом

Подпись

труба -

земля, В

протектор - земля, В

состоянии протекторов

 

 

 

 

  

 

 

 

 

Фирма 2-4

Контора Подземметаллзащита управления ______________________

Паспорт

установки протекторной защиты №_______

Адрес:____________________________________________

Введена в эксплуатацию _____________________________

(дата)

Газопровод _______________________________________

(диаметр, тип изоляции, введен в эксплуатацию, дата)

Зона защиты ________________ км

Проектная организация _____________________________

_________________________________________________

Марка протекторов_______________________________________

Число протекторов в группе__________________________

Сечение и марка соединительных проводов _____________

Расстояние от протекторов для сооружения _____________

Расстояние между протекторами ______________________

Глубина заложения протекторов _____________________ м

(до верха протектора)

Параметры протекторной установки при сдаче в эксплуатацию:

Сопротивление цепи протектор - газопровод _____________Ом

Ток ___________А

Разность потенциалов труба - земля ____________________

(до и после установки протекторов)

Удельное сопротивление грунта в зоне установки протекторов____________________________________Ом·м

 

Примечание. К паспорту прилагается принципиальная схема и план размещения протекторной установки.

Составил:_________________________________________

«_____» _______________ 19 ______г.

Форма 3-1

Акт

на приемку строительно-монтажных работ

г._______________                                  «    »_________19 __г.

По улице _________________работы выполнены по п____

(наименование организации и № проекта)

Мы, нижеподписавшиеся:

от заказчика ______________________________________

(должность, фамилия)

от строительной организации ________________________

(должность, фамилия)

от эксплуатационной организации ____________________

(должность, фамилия)

от проектной организации ___________________________

(должность, фамилия)

составили настоящий акт в том, что ___________________

выполнено в соответствии с проектом.

Комиссии были предъявлены следующие узлы строительно-монтажных работ:

г._______________                                  «    »___________19 __г.

По улице ________________работы выполнены по проекту ___

____________________________________________________

(наименование организации и № проекта)

Мы, нижеподписавшиеся:

от заказчика _________________________________________

(должность, фамилия)

от строительной организации ___________________________

(должность, фамилия)

от эксплуатационной организации ________________________

(должность, фамилия)

от проектной организации ______________________________

(должность, фамилия)

составили настоящий акт в том, что ______________________

выполнено в соответствии с проектом.

Комиссии были предъявлены следующие узлы строительно-монтажных работ:

 

Кабельные прокладки

Кабель марки __________ уложен в траншее на глубине ____ м, длиной______________ м и защищен ________________________________________________________________

(покрыт кирпичом, в трубах и т. д.)

Анодное заземление

электроды заземления выполнены из _____________________________________________

(материалы,

___________________________________________________________________________

профиль, сечение)

длиной_____________________ м, числом _________________ шт.___________________

___________________________________________________________________________

(с обсыпкой или без обсыпки)

расстояние между электродами _____________ м, диаметр скважины__________________м;

соединительная полоса (шина) выполнена из ____________________________________

(материал,

_____________________ длиной _______________ м, на глубине ___________м

профиль, сечение)

___________________________________________________________________________

(в обсыпке или изолированно)

Места приварки соединительной полосы к электродам изолированы __________________

общее сопротивление растеканию __________________________________________ Ом.

Контактные устройства

на______________________ выполнено из______________________________________

(вид сооружения)                                            (материал, сечение,

_________________ по чертежу №_______ . Контакт с защищаемым

профиль)

сооружением осуществлен путем ________________________________________________

(сварки или болтового соединения)

Противокоррозионное покрытие на защищаемом сооружении_______________________

___________________________________________________________________________

Контактное устройство на____________________________ выполнено из

(вид сооружения)

_____________________ по чертежу №__________ . Контакт с защищаемым

 (материал, сечение, профиль)

сооружением осуществлен путем _______________________________________________

(сварки или болтового соединения)

Противокоррозионное покрытие на защищаемом сооружении________________________

__________________________________________________________________________

Опорные пункты

выполнены в количестве _________________ шт. по чертежу № ______________________

Электромонтажные работы

Установка___________________________________ питается от сети переменного тока

(вид оборудования)

напряжением__________________ В, размещена ___________________________________

(место, метод крепления)

Электропроводка переменного тока выполнена __________________________________

___________________________________________________________________________

(марка, сечение, длина кабеля, проводка)

Монтаж проводки осуществлен _______________________________________________

(по фасаду,

___________________________________________________________________________

в подвале, в земле и т. п.)

Отключающее устройство выполнено __________________________________________

Защитное заземление выполнено ______________________________________________

(указать способ и

___________________________________________________________________________

сопротивление растеканию)

Сопротивление изоляции кабеля _____ Ом.

Прочие устройства

___________________________________________________________________________

___________________________________________________________________________

Замечания по монтажно-строительным работам

___________________________________________________________________________

___________________________________________________________________________

Подписи:

заказчика

строительной организации

эксплуатационной организации

проектной организации

 

Форма 3-2

Акт

на приемку электрозащитной установки в эксплуатацию

г.____________________ «      » _______________19 ___г.

Комиссия в составе представителей:

от Госгортехнадзора ______________________________

строительной организации _______________________

проектной организации __________________________

эксплуатационной организации ____________________

заказчика _____________________________________

ознакомившись с технической документацией, осмотрев все узлы электрозащитной установки, смонтированной на ___ _______________________________________________

(стена, опора, фундамент)

по адресу _______________________________________

установили следующее:

1.____________________ защита выполнены по проекту_

(дренажная, катодная и др.)

________________________________________________

________________________________________________

2. Общая протяженность защищаемых сетей ___________

в том числе ______________________________________

3. Характеристика узлов защиты:

оборудование.__________________________________ шт.

(тип)

кабель __________________________________________

(марка, длина)

анодное заземление_______________________________________

(характеристика, величина сопротивления

________________________________________________

растеканию)

опорные пункты__________________________________________

(количество и на каких сооружениях)

перемычки между ________________________________

заземление электрозащитной установки _______________

(способ,

_______________________________________________

величина сопротивления растеканию)

прочие устройства_______________________________________

4. Данные режима работы электрозащитной установки:

величина тока (общая) ______________________величина тока в перемычках ________________________напряжение источника ______________________________________

сопротивление ___________________________________

5. Замечания по монтажу и наладке электрозащитной установки:

_______________________________________________

6. Комиссия постановила электрозащитную установку принять в эксплуатацию с «     » ______________ 19 __г.

Члены комиссии

Форма 3-3

Контора Подземметаллзащита управления _____________

Справка

о результатах наладки защитной установки

______________________________ произведена наладка

(организация, производившая наладку)

вновь построенной установки _______________________

в г. ____________ по адресу________________________

В результате пусконаладочных работ выбран режим работы установки: сила тока в цепи ___________А, напряжение____________ В,

сопротивление _________ цепи _________Ом, при котором зафиксированы следующие потенциалы на опорных (контрольных) пунктах__________ по отношению к земле.

(сооружение)

 

 

п.п.

№ пунктов

измерения

Месторасположение

измерений

Потенциал сооружения относительно земли, В

Примечание

 

без защиты

с включенной защитой

 

 

 

 

 

 

Замечания: __________________________________________________

Выводы _____________________________________________________

Подписи:

Форма 3-4

Контора Подземметаллзащита управления ___________________________________

Справка о влиянии электрозащитной установки на смежные подземные металлические сооружения в зоне действия этих установок, не включенных в совместную защиту

Месторасположение установки ______________________________

Тип установки ___________________________________________

Параметры электрозащитной установки _______________________

Влияние электрозащитной установки на смежные сооружения

Вид сооружения

Потенциал сооружения относительно земли, В

до включения

после включения

 

 

 

Выводы: ________________________________________________

________________________________________________________

Подписи:

Представитель заказчика

Представитель эксплуатационной организации

Представители владельцев смежных подземных сооружений

Форма 3-5

Контора Подземметаллзащита управления ______________________________________

«____»_______________ 19 ______г.

Справка

о приемке изолирующих фланцев _______________________________ шт., контрольного

пункта __________________________________ по _____________________________

(адрес)

Проведена проверка исправности электроизолирующих фланцев, контрольного пункта по вызову от __________________________________________________________________

(наименование

________________________________________________________________________

организации)

Установка _________________________________________________________ проекту

Проверка производилась методом ____________________________________________

с помощью прибора _______________________________________________________

Примечание __________________________________________________________________________

________________________________________________________________________

________________________________________________________________________

Подпись

Приложение 3

ВЫБОР ОПТИМАЛЬНЫХ ПАРАМЕТРОВ АНОДНЫХ ЗАЗЕМЛИТЕЛЕЙ ДЛЯ КАТОДНОЙ ЗАЩИТЫ

Технико-экономический расчет анодных заземлителей заключается в определении оптимальных конструктивных параметров анодных заземлителей, характеризуемых минимальными суммарными затратами, отнесенными к одному году эксплуатации. Определение этих параметров производят в соответствии с табл. 1-9. Таблицы составлены для наиболее распространенных конструкций анодных заземлителей, входящих в альбом «Узлы и детали электрозащиты подземных инженерных сетей от коррозии», серия 4900-5/74.

Наиболее экономичный вариант анодного заземления выбирают в зависимости от величины тока в цепи катодной защиты; максимально допустимого сопротивления; оптимального срока службы; конструкции материала; длины и числа электродов.

Таблицы технико-экономических показателей анодных заземлителей составлены без учета влияния коксовой засыпки.

Таблица 1 (I = 10 А)

Длина, м

Годовые расходы Э, р/год.

Число электродов n. Сопротивление растеканию R, Ом

Удельное электросопротивление грунта, Ом · м

10

20

30

40

50

60

70

80

90

100

120

150

Однорядное анодное заземление из чугунных труб диаметром 150 мм

 

Э

162

178

194

210

226

241

257

272

288

904

320

380

6

п

4

4

4

4

4

4

4

4

4

4

4

5

 

R

0,43

0,86

1,29

1,72

2,15

2,58

3,01

3,44

3,87

4,3

5,16

5,46

 

Э

182

195

208

221

235

248

261

274

287

301

327

367

10

п

3

3

3

3

3

3

3

3

3

3

3

3

 

R

0,36

0,72

1,09

1,45

1,81

2,17

2,53

2,9

3,26

3,62

4,34

5,43

 

Э

147

163

179

194

210

236

241

267

273

289

320

365

12

п

2

2

2

2

2

2

2

2

2

2

2

3

 

R

0,43

0,86

1,29

1,72

2,15

2,58

3,01

3,44

3,87

4,29

5,15

4,71

 

Э

170

184

197

210

223

236

249

263

276

289

315

355

15

п

2

2

2

2

2

2

2

2

2

2

2

2

 

R

0,36

0,72

1,07

1,43

1,79

2,15

2,51

2,86

3,22

3,58

4,29

5,37

 

Э

202

213

225

236

247

258

270

281

292

303

326

362

18

п

2

2

2

2

2

2

2

2

2

2

2

2

 

R

0,31

0,62

0,92

1,23

1,54

1,85

2,16

2,47

2,77

3,08

3,70

4,62

Двухрядное анодное заземление из чугунных труб диаметром 150 мм

 

Э

167

184

200

217

234

251

267

284

301

318

351

409

6

n

4

4

4

4

4

4

4

4

4

4

4

6

 

R

0,46

0,92

1,37

1,83

2,29

2,75

3,21

3,67

4,12

4,58

5,5

5,14

Однорядное анодное заземление из электродов ЗЖК-12-1

 

Э

94

121

149

171

193

215

232

248

264

279

308

348

1,5

п

12

12

16

16

16

24

24

24

28

28

32

36

 

R

0,74

1,47

1,78

2,38

2,97

2,65

3,1

3,54

3,53

3,92

4,25

4,89

Таблица 2 (I = 15 А)

Длина, м

Годовые расходы Э, р/год.

Число электродов n. Сопротивление растеканию R, Ом

Удельное электросопротивление грунта, Ом · м

10

20

30

40

50

60

70

80

90

100

120

150

Однорядное анодное заземление из чугунных труб диаметром 150 мм

 

Э

24

267

293

319

345

371

396

422

448

474

522

597

6

n

6

6

6

6

6

6

6

6

6

6

6

8

 

R

0,31

0,63

0,94

1,26

1,57

1,89

2,2

2,52

2,83

3,15

3,36

3,82

 

Э

244

268

292

316

339

363

387

311

434

458

506

575

10

n

4

4

4

4

4

4

4

4

4

4

4

5

 

R

0,29

0,58

0,87

1,16

1,45

1,74

2,02

2,31

2,6

289

3,47

3,66

 

Э

119

245

270

296

322

348

373

399

425

451

495

563

12

п

3

3

3

3

3

3

3

3

3

3

4

4

 

R

0,31

0,63

0,94

1,25

1,57

1,88

2,2

2,51

2,82

3,14

3

3,75

 

Э

255

277

298

320

341

363

384

406

427

449

492

556

15

п

3

3

3

3

3

3

3

3

3

3

3

3

 

R

0,26

0,52

0,78

1,05

1,31

1,57

1,83

2,09

2,35

2,62

3,14

3,92

 

Э

216

242

267

292

317

343

368

393

419

444

495

563

18

п

2

2

2

2

2

2

2

2

2

2

2

4

 

R

0,31

0,62

0,92

1,23

1,54

1,85

2.16

2,47

2,77

3,08

3,7

3,38

Двухрядное анодное заземление из чугунных труб диаметром 150 мм

 

Э

250

278

306

334

362

391

419

447

475

503

556

632

6

п

6

6

6

6

6

6

6

6

6

6

6

8

 

R

0,34

0,69

1,03

1,37

1,71

2,06

2,4

2,74

3,09

3,43

3,3

4,12

Однорядное анодное заземление из электродов ЗЖК-12-1

 

Э

144

227

264

298

327

357

384

411

434

475

534

1,5

п

20

20

24

28

32

32

36

36

44

48

52

60

 

R

0,51

1,03

1,33

1,56

1,77

2,13

2,28

2,61

2,52

2,59

2,9

3,2

Таблица 3 (I = 20 А)

Длина, м

Годовые расходы Э, р/год.

Число электродов n. Сопротивление растеканию R, Ом

Удельное электросопротивление грунта, Ом · м

10

20

30

40

50

60

70

80

90

100

120

150

Однорядное анодное заземление из чугунных труб диаметром 150 мм

 

Э

321

358

395

433

470

507

544

581

619

657

738

835

6

п

8

8

8

8

8

8

8

8

8

9

10

11

 

R

0,26

0,51

0,76

1,02

1,28

1,53

1,78

2,04

2,3

2,32

2,57

3

 

Э

310

345

381

417

452

488

523

559

595

630

697

792

10

n

5

5

5

5

5

5

5

5

5

5

6

7

 

R

0,24

0,49

0,73

0,98

1,22

1,46

1,71

1,95

2,2

2,44

2,53

2,82

 

Э

292

328

365

401

438

474

511

547

584

626

688

781

12

п

4

4

4

4

4

4

4

4

4

5

5

6

 

R

0,25

0,5

0,75

1

1,25

1,5

1,75

2

2,25

2,11

2,32

2,74

 

Э

272

310

349

387

425

463

501

540

384

615

676

772

15

п

3

3

3

3

3

3

3

3

4

4

4

5

 

R

0,26

0,52

0,78

1,05

1,31

1,57

1,83

2,09

1,88

2,09

2,51

2,64

 

Э

315

348

384

417

449

482

515

548

581

614

679

772

18

п

3

3

3

3

3

3

3

3

3

3

3

4

 

R

0,23

0,45

0,68

0,9

1,13

1,35

1,58

1,8

2,03

2,25

2,7

2,7

Двухрядное анодное заземление из чугунных труб диаметром 150 мм

 

Э

333

373

414

454

494

534

575

614

655

703

767

871

6

п

8

8

8

3

8

3

8

8

8

10

10

12

 

R.

0,28

0,55

0,82

1,1

1,38

1,65

1,92

2,2

2,48

2,3

2,76

2,99

Однорядное анодное заземление из электродов ЗЖК-12-1

 

Э

183

248

308

360

408

448

484

520

551

582

640

721

1,5

п

24

24

32

36

44

48

52

60

60

64

68

80

 

R

0,44

0,88

1,06

1,3

1,4

1,56

1,69

1,71

1,92

2,02

2,29

2,49

Таблица 4 (I = 25 А)

Длина, м

Годовые расходы Э, р/год.

Число электродов п. Сопротивление растеканию R, Ом

Удельное электросопротивление грунта, Ом · м

10

20

30

40

50

60

70

80

90

100

120

150

Однорядное анодное заземление из чугунных труб диаметром 150 мм

 

Э

341

450

499

548

597

646

695

744

793

843

932

1057

6

n

10

10

10

10

10

10

10

10

10

11

12

14

 

R

0,21

0,43

0,64

0,86

1,07

1,29

1,5

1,72

1,93

2

2,24

2,49

 

Э

376

424

472

520

538

616

664

712

761

810

895

1021

10

n

6

6

6

6

6

6

6.

6

6

7

7

9

 

R

0,21

0,42

0,63

0,84

1,05

1,27

1,48

1,69

1,9

1,88

2,25

2,34

 

Э

366

414

463

511

559

667

655

703

755

797

880

999

12

n

5

5

5

5

5

5

5

5

6

6

6

7

 

R

0,21

0,42

0,63

0,84

1,06

1,27

1,48

1,69

1,64

1,83

2,19

2,44

 

Э

368

405

453

500

548

596

643

691

738

789

869

975

15

n

4

4

4

4

4

4

4

4

4

5

5

5

 

R

0,21

0,42

0,63

0,83

1,04

1,25

1,46

1,67

1,88

1,76

2,12

2,28

 

Э

379

460

501

542

583

624

665

706

747

788

870

991

18

n

4

4

4

4

4

4

4

4

4

4

4

5

 

R

0,18

0,36

0,54

0,72

0,9

1,08

1,26

1,44

1,62

1,8

2,16

2,28

Двухрядное анодное заземление из чугунных труб диаметром 150 мм

 

Э

376

429

481

534

586

639

710

784

836

889

980

1131

6

n

10

10

10

10

10

10

10

10

10

12

12

16

 

R

0,23

0,46

0,69

0,92

1,15

1,38

1,61

1,84

2,07

1,99

2,39

2,43

Однорядное анодное заземление из электродов ЗЖК-12-1

 

Э

234

314

396

458

514

564

611

654

696

736

811

915

1,5

n

32

32

44

52

60

64

68

72

76

80

88

100

 

R

0,35

0,71

0,84

0,97

1,07

1,21

1,34

1,46

1,56

1,66

1,84

2,08

Таблица 5 (I = 30 А)

Длина, м

Годовые расходы Э, р/год.

Число электродов n. Сопротивление растеканию R, Ом

Удельное электросопротивление грунта, Ом · м

10

20

30

40

50

60

70

80

90

100

120

150

Однорядное анодное заземление из чугунных труб диаметром 150 мм

 

Э

483

544

605

667

681

728

851

912

974

1084

1145

1313

6

п

12

12

12

12

12

12

12

12

13

14

15

18

 

R

0,19

0,37

0,56

0,75

0,93

1,12

1,31

1,49

1,58

1,66

1,89

2,09

 

Э

443

504

566

628

672

751

813

875

940

999

1102

1255

10

п

7

7

7

7

7

7

7

7

8

9

9

11

 

R

0,19

0,38

0,56

0,75

0,94

1,13

1,31

1,5

1,54

1,56

1,87

2,01

 

Э

440

500

560

620

680

740

800

960

924

977

1089

1232

12

п

6

6

6

6

6

6

6

6

7

7

8

9

 

R

0,18

0,37

0,55

0,73

0,91

1,1

1,28

1,46

1,47

1,63

1,78

2,02

 

Э

445

502

560

618

676

734

792

849

913

963

1063

1207

15

п

5

5

5

5

5

5

5

5

6

6

6

7

 

R

0,18

0,35

0,53

0,7

0,88

1,06

1,23

1,41

1,37

1,52

1,83

2,03

 

Э

437

496

555

614

674

732

792

851

910

970

1070

1212

18

п

4

4

4

4

4

4

4

4

4

5

5

6

 

R

0,18

0,36

0,54

0,72

0,9

1,08

1,26

1,44

1,62

1,52

1,82

1,97

Двухрядное анодное заземление из чугунных труб диаметром 150 мм

 

Э

2134

566

631

697

762

827

893

958

1023

1089

1215

1385

6

n

12

12

12

12

12

12

12

12

12

14

16

20

 

R

0,2

0,4

0.6

0,8

0,99

1,19

1,39

1,59

1,79

1,77

1,94

2,02

Однорядное анодное заземление из электродов ЗЖК-12-1

 

Э

277

384

475

551

619

682

739

792

845

894

987

1124

1,5

n

36

36

52

60

68

76

80

84

92

96

100

100

 

R

0,33

0,65

0,73

0,85

0,96

1,04

1,16

1,28

1,33

1,43

1,66

2,08

Таблица 6 (I = 35 А)

Длина, м

Годовые расходы Э, р/год.

Число электродов n. Сопротивление растеканию R, Ом

Удельное электросопротивление грунта, Ом · м

10

20

30

40

50

60

70

80

90

100

120

150

Однорядное анодное заземление из чугунных труб диаметром 150 мм

 

Э

534

613

691

769

848

926

1005

1083

1658

1228

1368

1580

6

n

14

14

13

13

13

13

13

14

15

15

17

23

 

R

0,18

0,35

0,53

0,7

0,88

1,05

1,23

1,33

1,42

1,58

1,73

1,75

 

Э

511

587

649

740

817

893

975

1045

114

1184

1319

1496

10

n

8

8

8

8

8

8

9

9

9

10

12

13

 

R

0,17

0,34

0,51

0,68

0,86

1,03

1,09

1,25

1,4

1,44

1,5

1,76

 

Э

516

538

661

734

1 806

879

952

1025

1101

1170

1291

1470

12

п

7

7

7

7

7

7

7

7

8

9

9

11

 

R

0,16

0,33

0,49

0,65

0,81

0,98

1,14

1,3

1,33

1,35

1,62

1,74

 

Э

531

599

667

735

803

871

939

1007

1071

1145

1266

1446

15

п

6

6

6

6

6

 

6

6

6

7

7

9

 

R

0,18

0,35

0,53

0,7

0,88

1,06

1,23

1,41

1,58

1,36

1,63

1,69

 

Э

539

607

675

743

811

878

946

1013

1082

1152

1269

1442

18

п

5

5

5

5

5

5

5

5

5

6

6

7

 

R

0,15

0,3

0,46

0,61

0,76

1,91

1,06

1,21

1,37

1,31

1,57

1,75

Двухрядное анодное заземление из чугунных труб диаметром 150 мм

 

Э

586

665

745

824

903

982

1062

1141

1220

1305

1435

1633

6

п

14

14

14

14

14

14

14

14

14

18

18

24

 

R

0,18

0,35

0,53

0,71

1,89

1,06

1,24

1,42

1,59

1,46

1,76

1,72

Однорядное анодное заземление из электродов ЗЖК-12-1

 

Э

329

443

557

648

728

802

862

937

999

1061

1185

-

1,5

п

44

52

60

72

80

88

96

100

100

100

100

-

 

R

0,28

0,48

0,64

0,73

0,83

0,92

1

1,11

1,25

1,39

1,66

2

Таблица 7 (I = 40 А)

Длина, м

Годовые расходы Э, р/год.

Число электродов n. Сопротивление растеканию R, Ом

Удельное электросопротивление грунта, Ом · м

10

20

30

40

50

60

70

80

90

100

120

150

Однорядное анодное заземление из чугунных труб диаметром 150 мм

 

Э

616

708

800

894

984

1076

1168

1262

1352

1437

1611

1832

6

п

15

15

15

15

15

15

15

16

17

17

22

27

 

R

0,16

0,32

6,47

0,63

0,79

0,95

1,1

1,2

1,3

1,44

1,45

1,53

 

Э

579

670

761

852

943

1034

1129

1213

1300

1379

1525

1747

10

n

9

9

9

9

9

9

10

10

11

12

13

16

 

R

0,16

0,31

0,47

0,62

0,78

0,93

1,01

1,15

1,21

1,25

1,41

1,52

 

Э

592

678

765

861

937

1024

1120

1190

1290

1283

1364

1708

18

п

8

8

8

8

8

8

8

9

9

10

11

13

 

R

0,15

0,3

0,44

0,59

0,74

0,89

1,04

1,08

1,21

1,24

1,39

1,53

Однорядное анодное заземление из чугунных труб диаметром 150 мм

 

Э

560

649

737

826

914

1003

1091

1178

1255

1231

1476

1695

18

п

5

5

5

5

5

5

6

6

6

6

7

9

 

R

0,15

0,3

0,46

0,61

0,76

0,91

0,92

1,05

1,18

1,31

1,4

1,45

Двухрядное анодное заземление из чугунных труб диаметром 150 мм

 

Э

672

767

861

955

1050

1144

1238

1334

1420

1508

1660

1896

6

п

16

16

16

16

16

16

16

18

18

20

22

28

 

R

0,16

0,32

0,48

0,65

0,81

0,97

1,13

1,17

1,32

1,35

1,48

1,52

Однорядное анодное заземление из электродов ЗЖК-12-1

 

Э

378

520

641

745

839

917

1008

1089

1169

1250

-

-

1,5

п

52

60

72

80

92

100

100

100

100

100

-

-

 

R

0,24

0,43

0,55

0,67

0,74

0,83

0,97

1,11

1,25

1,39

-

-

Таблица 8 (I = 45 А)

Длина, м

Годовые расходы Э, р/год.

Число электродов n. Сопротивление растеканию R, Ом

Удельное электросопротивление грунта, Ом · м

10

20

30

40

50

60

70

80

90

100

120

150

Однорядное анодное заземление из чугунных труб диаметром 150 мм

 

Э

700

806

913

1020

1127

1234

1340

1450

1555

1660

1830

-

6

п

17

17

17

17

17

17

17

18

19

23

25

-

 

R

0,14

0,29

0,43

0,58

0,72

0,87

1,01

1,11

1,21

1,16

1,3

1,35

 

Э

648

754

860

966

1072

1179

1289

1388

1480

1570

1740

2022

10

п

10

10

10

10

10

10

11

12

12

13

14

19

 

R

0,14

0,29

0,43

0,57

0,72

0,86

0,94

1

1,13

1,18

1,33

1,35

 

Э

667

767

867

966

1066

1165

1265

1366

1464

1555

1719

1962

12

п

9

9

9

9

9

9

9

10

11

12

13

16

 

R

0,13

0,27

0,4

0,54

0,87

0,81

0,94

1

1,04

1,08

1,22

1,31

 

Э

639

740

840

940

1040

1140

1240

1345

1440

1523

1689

1903

15

п

7

7

7

7

7

7

7

8

9

9

10

12

 

R

0,14

0,27

0,41

0,54

0,68

0,81

0,95

0,99

1,01

1,13

1,25

1,36

 

Э

663

759

856

953

1050

1147

1244

1341

1440

1525

1704

1930

18

п

6

6

6

6

6

6

6

6

7

7

9

10

 

R

0,13

0,26

0,79

0,52

0,66

0,79

0,92

1,05

1,05

1,17

1,16

1,34

Двухрядное анодное заземление из чугунных труб диаметром 150 мм

 

Э

758

866

975

1083

1191

1299

1408

1524

1616

1712

1809

2192

6

n

18

18

18

18

18

18

18

22

22

24

26

34

 

R

0,15

0,29

0,44

0,59

0,73

0,88

1,02

0,99

1,11

1,15

1,29

1,31

Однорядное анодное заземление из электродов ЗЖК-12-1

 

Э

420

586

725

945

953

1056

1158

1261

1363

-

-

-

1,5

n

56

64

80

92

100

100

100

100

100

-

-

-

 

R

0,23

0,4

0,5

0,59

0,69

0,83

0,97

1,11

1,25

-

-

-

Таблица 9 (I = 50 А)

Длина, м

Годовые расходы Э, р/год.

Число электродов n. Сопротивление растеканию R, Ом

Удельное электросопротивление грунта, Ом · м

10

20

30

40

50

60

70

80

90

100

120

150

Однорядное анодное заземление из чугунных труб диаметром 150 мм

 

Э

784

406

1039

1152

1274

1397

1520

1649

1758

1858

2057

2348

6

n

19

19

19

19

19

19

19

23

25

25

28

37

 

R

0,13

0,27

0,4

0,54

0,67

0,81

0,94

0,93

0,98

1,09

1,19

1,22

 

Э

717

840

962

1084

1207

1333

1452

1560

1667

1773

1940

2289

10

п

11

11

11

11

11

12

13

13

14

15

16

22

 

R

0,13

0,27

0,4

0,54

0,67

0,75

0,82

0,94

1

1,06

1,21

1,21

 

Э

744

857

971

1084

1198

1311

1425

1545

1644

1745

1933

2234

12

n

10

10

10

10

10

10

10

12

12

13

14

18

 

R

0,12

0,25

0,37

0,5

0,62

0,75

0,87

0,87

0,97

1,02

1,15

1,21

 

Э

735

854

974

1094

1205

1308

1411

1513

1621

1716

1910

2155

15

n

8

8

8

8

9

9

9

9

10

10

12

12

 

R

0,12

0,25

0,37

0,5

0,56

0,68

0,79

0,9

0,94

1,04

1,08

1,2

 

Э

765

872

978

1085

1191

1298

1404

1511

1625

1730

1906

2191

18

n

7

7

7

7

7

7

7

7

8

9

9

12

 

R

0,12

0,23

0,35

0,47

0,58

0,7

0,82

0,93

0,96

1,16

1,16

1,17

Двухрядное анодное заземление из чугунных труб диаметром 150 мм

 

Э

844

967

1090

1213

1336

1458

1583

1701

1806

1916

2118

2462

6

n

20

20

20

20

20

20

22

24

24

26

28

38

 

R

0,13

0,27

0,4

0,54

0,67

0,81

0,87

0,92

1,03

1,07

1,22

1,2

Однорядное анодное заземление из электродов ЗЖК-12-1

 

Э

466

654

812

947

1073

1200

1326

1453

-

-

-

-

1,5

п

60

72

92

100

100

100

100

10

-

-

-

-

 

R

0,21

0,36

0,44

0,55

0,69

0,83

0,97

1,1

-

-

-

-

Приложение 4

ПРИМЕР РАСЧЕТА ЭЛЕКТРОХИМИЧЕСКОЙ ЗАЩИТЫ ПОДЗЕМНЫХ СООРУЖЕНИЙ (НА СТАДИИ ПРОЕКТИРОВАНИЯ СООРУЖЕНИЙ)

Определить параметры катодной защиты подземных сооружений на территории квартала новой застройки площадью 10 га.

Исходные данные для расчета:

совмещенный геодезический план территории района в масштабе 1:500 с нанесенными подземными сооружениями;

сведения о коррозионной активности грунта.

На территории района, требующего защиты, расположены газопроводы низкого и среднего давления, теплопроводы и водопроводы следующих диаметров D и длин l (см. таблицу).

Газопроводы

Водопроводы

Теплопроводы

D, мм

l, м

D, мм

l, м

D, мм

l, м

200

732

2Х100

100

2Х125

155

150

624

100

480

2Х70

134

100

320

2Х150

80

2х200

284

89

70

200

253

2х100

200

 

 

150

140

2Х250

158

Коррозионная активность грунта на территории защищаемого района колеблется 15—50 Ом·м. Принимаем среднее значение r = 30 Ом · м.

Расчет. 1. Определяем поверхность трубопроводов, расположенных на территории района.

Поверхность всех газопроводов:

мм2.

Аналогично определяется поверхность всех водопроводов: Sb = 513,9 м2; теплопроводов: Sтеп = 1014,5 м2.

Суммарная поверхность всех трубопроводов:

м2.

2. Величина средней защитной плотности тока определяется по формуле (4.9) гл. 4.2.

Определим коэффициенты в, с, d, е и f:

%;

%;

м2/га;

м2/га;

м2/га.

Подставив найденные значения коэффициентов и значение? в формулу (4.9), получим:

 мА/м2.

3. Величина суммарного защитного тока, необходимого для обеспечения катодной 'поляризации подземных трубопроводов, расположенных в районе:

А.

Принимая величину суммарного тока катодной защиты 60 А, устанавливаем две катодные станции с током 30 А.

4. По плану района находим места расположения катодных станций и анодных заземлений. Зона действия катодной станции определяется по формуле (4.16) гл. 4.2.

Определим удельную плотность сооружения:

Представив значения Iк.с, j и k в формулу (4.15), получим

м.

Полученные радиусы действия каждой катодной станции охватывают всю территорию района защиты.

5. По таблицам прил. 3 для тока Iк.с = 30 А и r = 30 Ом · м выбираем анодное заземление из чугунных труб d = 150 мм, I = 15 м, сопротивлением растеканию Rа.з = 0,53 Ом.

Рассчитываем сопротивление дренажного кабеля. Для кабеля АВРБ-3х16 длиной 100 м сопротивление Rкаб = 0,0646 Ом.

6. Узнаем выходное напряжение катодной станции:

 В.

С учетом 50 % запаса на развитие сети выбираем катодные станции ПСК-2 с параметрами: V = 96/48 В; I = 21/42 А.

Приложение 5

ОПРЕДЕЛЕНИЕ ТЕХНИКО-ЭКОНОМИЧЕСКОЙ ЭФФЕКТИВНОСТИ ЭЛЕКТРОХИМИЧЕСКОЙ ЗАЩИТЫ ГОРОДСКИХ ПОДЗЕМНЫХ ТРУБОПРОВОДОВ

1. Годовой экономический эффект от применения электрохимической защиты обусловлен увеличением срока службы трубопровода до нормативного.

2. Определение годового экономического эффекта основывается на сопоставлении приведенных затрат на защиту 1 км трубопровода без электрохимической защиты и с применением электрохимической защиты.

3. Приведенные затраты П представляют собой сумму себестоимости и нормативной прибыли:

П = С + ЕнК,                                                                                                 (1)

где С -ежегодные эксплуатационные затраты, р/г; Ен -нормативный коэффициент эффективности капитальных  вложений: Ен = 0,15; К -капитальные затраты, р.

4. Годовой экономический эффект Э от применения электрохимической защиты определяется по формуле, р:

                                               (2)

где Пб.з и Пэ.з -приведенные затраты на 1 км трубопровода без электрохимической защиты и с электрохимической защитой, р/г/км определяются по формуле (1); Сб.з и Сэ.з -ежегодные эксплуатационные затраты без электрохимической защиты и с электрохимической защитой, р/г (при определении Сб.з и Сэ.з учитывается только часть амортизации, предназначенная на капитальный ремонт трубопровода и средств электрохимической защиты); lз -протяженность защитной зоны, км.

b -коэффициент учета изменения сроков службы трубопровода в результате применения электрохимической защиты:

где Р1 и Р2 -доли отчисления от балансовой стоимости трубопровода на его полное восстановление (ренованию) без электрохимической защиты и с электрохимической защитой:

(Тср -срок службы трубопровода без электрохимической защиты);

(Та -нормативный срок службы трубопровода).

Пример. Определить годовую экономическую эффективность от применения электрохимической защиты участка газопровода длиной 4 км, диаметром 300 мм.

Для защиты газопровода установлен усиленный дренаж УД-АКХ (J = 59 А; Еg = 8 В), соединенный с рельсами трамвая дренажным кабелем ААШВ (3х50; 26 м), а с газопроводом -кабелем АСБ-2к (1х150; 24).

1. Удельные капитальные вложения в электрохимическую защиту определяются следующим образом.

Стоимость строительно-монтажных работ, включая оборудование и материалы на установку УД-АКХ на металлической раме, составляет 1,5 тыс. р. Затраты на проектно-изыскательские работы составляют 0,495 тыс. р. (по сметам института Гипрокоммунэнерго).

Принимая во внимание, что нормативный срок службы газопровода 40 лет, а устройства электрохимической защиты -10 лет (Единые нормы амортизационных отчислений по основным фондам народного хозяйства СССР». М., Экономика, 1974), определим сумму капитальных затрат åК на электрохимическую защиту, необходимую на весь срок службы трубопровода, тыс. р.:

Вследствие того, что затраты на проектно-изыскательские работы, как правило, осуществляются неодновременно с вводом в эксплуатацию средств электрохимической защиты, то эту часть капитальных затрат следует приводить к одному периоду времени, применяя коэффициент приведения:

                                                                                                 3)

где at -коэффициент приведения; Е -норматив приведения разновременных затрат (E = 0,1); tвремя между осуществлением затрат на проектно-изыскательские работы и началом эксплуатации средств электрохимической защиты в годах.

Примем t = 2 года, тогда приведенные затраты на проектно-изыскательские работы: 0,495at = 0,495 (1 + 0,1)2 = 0,6 тыс.р.

При расчетах удобно пользоваться таким показателем, как удельные затраты (затраты на единицу длины защищаемого объекта). Удельные капитальные затраты на 1 км трубопровода, тыс. р/км: Куд = (4,5 + 0,6)/4 = 1,275.

2. Ежегодные эксплуатационные расходы на электрохимическую защиту С складываются из амортизационных отчислений на средства электрозащиты А, затрат на электроэнергию Э, обслуживание и ремонт устройства электрохимической защиты З.

А -ежегодные амортизационные отчисления составляют 12 % капитальных вложений. Из них 10 % идут на реновацию и 2 % -на капитальный ремонт («Нормы амортизационных отчислений по основным фондам народного хозяйства СССР». Для определения приведенных затрат берем всю сумму амортизационных отчислений, тыс. р/год: А = 0,12 · 1,5 = 0,18.

Годовые затраты на потребляемую электроэнергию определяют по формуле

 р./год,

где Р -мощность усиленного дренажа УД-АКХ, кВт; m -коэффициент мощности установки (m = 0,6); Т -число часов работы в году; Сэ -стоимость 1 кВт·ч электроэнергии (Сэ = 0,0145 р. в среднем по стране согласно Прейскуранту № 09-01 «Тарифы на электрическую и тепловую энергию». М., Прейкурантгиз, 1966).

Годовые эксплуатационные расходы на обслуживание и ремонт усиленного дренажа .могут быть определены следующим образом.

Периодичность осмотра усиленного дренажа -4 раза в месяц. При норме времени на обслуживание дренажной установки 2,7 чел.-ч, годовые затраты времени:

4 · 2,7 · 12 = 129,6.

Тарифная ставка электромонтера 5-го разряда 0,473 р/ч. С учетом премии 20 % и начислений на социальное страхование 4,7 %, годовая стоимость обслуживания дренажной установки, р/г: 129,6 · 0,473 · 1,2 · 1,047 = 73.

При определении эффективности действия электрохимической защиты производится измерение разности потенциалов газопровод — земля. Норма времени на 1 измерение — 0,74 чел.-ч. Учитывая норму времени на каждый километр перехода от объекта к объекту — 0,25 чел.-ч, определим годовые затраты времени, чел.-ч: 4 (0,74 · 20 + 0,25 · 4) = 63,2. Отсюда годовые затраты, р.: 63,2 · 0,473 · 1,2 · 1,047 = 37,4.

Затраты на текущий ремонт усиленного дренажа определяют по формуле, р/г:

Зр = М + Р,

где М -стоимость материалов, необходимых для ремонта, р.: Р -затраты на заработную плату обслуживающего персонала.

В свою очередь стоимость материалов определяют

где Ск -стоимость комплектующих и нестандартных элементов схемы (по данным завода-изготовителя, для УД-АКХ стоимость составляет около 200 р.); т -число ремонтов в год:

где Т -число часов работы устройства; То -наработка за один отказ. Для неавтоматических установок электрохимической защиты То принимается 13 500 ч;

р.

Затраты на заработную плату обслуживающего персонала определяют из выражения:

где Ст ставка электромонтера 5-го разряда с учетом премий и начислений к зарплате, р.:

tр — время, необходимое на ремонт дренажного устройства:

чел.-ч,

тогда Р = 0,595 · 3,6 · 064 = 1,35.

Затраты на текущий ремонт, р/г: Зр = 60 + 1,35 = 61,35.

Окончательно годовые расходы на обслуживание и ремонт усиленного дренажа, р/г: З = 78 + 37,4 + 61,35 = 176,75.

Суммарные годовые эксплуатационные расходы, р/г: С = 180 + 99,2 + 176,75 = 456.

Удельные годовые эксплуатационные расходы, р.: Суд = С’/l3 = 456/4 = 114.

3. Определим приведенные затраты на электрохимическую защиту 1 км газопровода: П = Суд + ЕнКуд = 114 + 0,15 · 1275 = 305 р. в год/км.

4. Удельные капитальные затраты на строительство газопровода определяем по Сборнику 12-1 УСН «Газовые сети и сооружения» (М., Стройиздат, 1974). Для газопровода диаметром 300 мм с весьма усиленной битумной изоляцией Куд = 15,4 тыс. р. (с учетом накладных расходов 15,2 % и плановых накоплений 6 %).

5. Ежегодные эксплуатационные расходы на газопровод без электрохимической защиты состоят из амортизационных отчислений и заработной платы обслуживающего персонала (обходчика), р/г: С = А + З.

Общая норма амортизации для газопроводов 3,3 %. Из них 2,5 % приходятся на реновацию и 0,8 % -на капитальный ремонт: А = 15,4 · 4 · 0,033 = 2,03 тыс. р.

Заработная плата обслуживающего персонала: З = 90 р/г, тогда С = 2030 + 90 = 2120 р. Удельные эксплуатационные расходы: Суд = 2120/4  = 530 р. в год/км.

6. Определим приведенные затраты на 1 км газопровода без электрохимической защиты: Пб.з = 530 + 0,15 · 15 400 = 2840 р. в год/км.

7. Примем срок службы газопровода без электрохимической защиты: Тф = 10 лет. Тогда Р1 = 1/10.

Применение электрохимической защиты продлевает срок службы трубопровода до нормативного, т. е. Та = 40 лет:

Р2 = 1/40.

Отсюда коэффициент, учитывающий изменение срока службы трубопровода в результате применения электрохимической  защиты: b = (Р1 + Ен) / (Р2 + Ен) = (0,1 + 0,15) / (0,25 + 0,15) = 0,25/0,175 = 1,43.

8. Определим ежегодные эксплуатационные расходы на газопроводе без электрохимической защиты при условии учета доли амортизации только на капитальный ремонт:

А = 15,4 · 4 · 0,008 = 0,492 тыс. р/год; Сб.з = 492 + 90 = 582 р/год

9. Эксплуатационные расходы на электрохимическую защиту при таких же условиях: А = 0,02 · 1500 = 30 р/год Сэз = 30 + 99,2 + 176,75 = 306 р/год.

10. Годовой экономический эффект от применения электрохимической защиты определен по формуле (2):

 р/год.

Приложение 6

МЕТОДИКА ОПРЕДЕЛЕНИЯ КОРРОЗИОННОЙ АКТИВНОСТИ ВОДЫ

1. Механическая подготовка образца к опыту заключается в зачистке его боковой поверхности абразивными шкурками различной крупности.

2. Для обеспечения равномерной чистоты поверхности образца зачистку производят на токарном станке или в стационарно закрепленной в горизонтальном положении дрели (частота вращения патрона в процессе зачистки около 1000 об/мин).

3. Если перед зачисткой на поверхности образца имеются риски от резца или зявы после опытов по определению коррозионной активности воды, то первоначально образец  обрабатывают  грубой  шкуркой   (например, 14А10НМ354) до тех пор, пока риски и язвы не исчезнут. Последующую обработку производят шкуркой средней крупности (например, 13А4ПМ679) до исчезновения шероховатостей, вызванных зачисткой грубой шкуркой. Окончательно зачищают тонкой шлифовальной шкуркой.

4. После окончательной зачистки на поверхности образца не должно быть видных глазом рисок, царапин и других механических дефектов. Только обеспечение качественной механической подготовки образца перед опытом обеспечивает возможность получения достоверных данных по коррозионной активности воды.

5. Для избежания щелевой коррозии образец оксидируют в растворе составом: гидроокись натрия -300, азотнокислый натрий -40, дистиллированная вода -390 г. Оксидирование производят обязательно под тягой. При проведении оксидирования и приготовления раствора необходимо исключить возможность попадания раствора на кожу рук и в глаза.

6. Оксидирование производят в стакане из коррозионно-стойкой стали марки Х18Н9Т. Примерные размеры стакана: диаметр -90, высота -120 мм. Навески реагентов, необходимые для оксидирования, высыпают в стакан, затем при перемешивании стеклянной палочкой добавляют дистиллированную воду. Раствор перемешивают до полного растворения реагентов.

7. После растворения реагентов стакан плотно закрывают металлической крышкой и на электрической плитке с закрытой спиралью и переключателем мощности доводят до кипения. Не допускается проводить нагревание стакана с раствором на открытом огне или электрической плитке с открытой спиралью. Доведение раствора до кипения производится при положении переключателя мощности на отметке III (максимальная мощность).

8. После закипания раствора в стакане загружают пинцетом 8-0 образцов и переключатель мощности на электрической плитке устанавливают в положение II (средняя мощность). Крышку стакана вновь закрывают и образцы оксидируются в течение 30 мин.

9. После окончания оксидирования положение переключателя мощности устанавливают в положение нуль и после прекращения кипения образцы пинцетом извлекают из стакана, переносят в фарфоровую чашку и в течение 8-0 мин промывают струёй горячей воды. В конце промывки образцы протирают ватой до тех пор, пока на ней не остается черных следов. Промытые образцы высушивают фильтровальной бумагой. После оксидирования высушенный образец должен иметь ровный черный (вороненый) цвет.

10. Оксидированные образцы устанавливают в вертикальном положении в пенале в отверстиях для хвостовой части образцов.

11. Раствор для оксидирования может использоваться несколько раз. После каждого оксидирования в холодный раствор доливают до метки дистиллированную воду, так как часть ее выкипает при оксидировании. Если после оксидирования долитый до метки раствор плохо размешивается, то он непригоден для использования.

12. Если после оксидирования на образцах образуется пленка с коричневым оттенком, то ее необходимо удалить шкуркой (средней и тонкой крупности) на токарном станке, заново приготовить раствор и вновь оксидировать образцы.

13. Торцы образцов, установленных в панели, изолируются эпоксидной смолой, нитролаком (2- слоя) или какой-либо другой водостойкой краской. Повторное окрашивание торцов после опытов проводится только в случае отслаивания или каких-либо повреждений покрытия.

14. После высыхания окрашенных торцов образцы вновь обрабатывают на токарном станке средней и тонкой шлифовальной шкуркой.

15. После механической зачистки оксидированного образца он обезжиривается окисью магния. Обезжиривание производят влажным ватным тампоном, предварительно погруженным в порошок окиси магния. Качество обезжиривания проверяется промывкой образца струёй дистиллированной воды. Если образец покрыт сплошной пленкой влаги, то он считается обезжиренным. Если же влага собирается в отдельные капельки, то обезжиривание выполняют повторно. Обезжиривание можно проводить также ацетоном или каким-либо другим органическим растворителем. Промытый обезжиренный образец высушивают несколькими слоями фильтровальной бумаги.

16. Чтобы избежать появления жировых загрязнений на поверхности образца его нижнюю часть (2-,5 см) обертывают фильтровальной бумагой и образец ввертывают в медную втулку устройства ОКА таким образом, чтобы пальцы касались только части образца, обернутой бумагой. После этого бумагу снимают.

17. Образец погружают в исследуемую воду так, чтобы уровень воды был выше нижнего торца фторопластовой обоймы на 8-0 мм. В таком положении винт на стойке штатива, по которой перемещается кронштейн со стаканом, плотно зажимается. После опускания образца сразу же включается кнопка «Пуск», и образец приводится во вращение. Образец вращается в исследуемой воде в течение 3 ч.

18. Продукты коррозии после опыта находятся на поверхности образца и вводе (в растворенном и нерастворенном виде). Чем выше коррозионная активность воды, тем больше продуктов коррозии находится .в воде. Растворение продуктов коррозии, находящихся на поверхности образца, производят ингибированным составом, в котором растворяются только продукты коррозии металла (сам металл не растворяется). Состав раствора следующий: соляная кислота (.плотность 1,12) -50 мл; тиомочевина -1 г; дистиллированная вода -50 мл.

19. Ингибированный раствор подается на поверхность образца пипеткой на 2- мл, на конец которой надета груша. При надавливании на грушу из пипетки вытекает струя раствора, которая направляется на образец. Фторопластовая обойма при этом поворачивается вручную (в результате образец, тоже вращается). Под образцом находится стакан с исследуемой водой, куда стекают растворенные в ингибированной кислоте продукты коррозии. Необходимо следить, чтобы они полностью попали в стакан. Количество ингибированного раствора кислоты зависим от количества продуктов коррозии на образце. Обычно расходуется 2-0 мл.

20. Затем образец промывают водой, высушивают фильтровальной бумагой и вывинчивают. Фторопластовую обойму протирают фильтровальной бумагой снаружи и внутри.

21. Исследуемая вода с нерастворенными продуктами коррозии, попавшими в нее с образца во время опыта, фильтруется в коническую колбу. Отфильтрованные продукты коррозии остаются на фильтре. Растворение продуктов коррозии производится соляной кислотой плотностью 1,12. Для этого 20-0 мл кислоты наливают в цилиндр. Сначала кислоту наливают в стакан, в котором проводился опыт (из которого вылита вода), для растворения небольшого количества продуктов коррозии, остающихся в ряде случаев на его стенках и две. Затем кислоту из стакана осторожно (под тягой) выливают на фильтр до полного растворения имеющихся на нем продуктов коррозии (при этом фильтр обеспечивается). После этого фильтр ополаскивают небольшим количеством фильтрата. Таким образом, общее количество металла, подвергшегося коррозии, переводится в раствор и находится в фильтрате. После этого в колбу помещают магнит и в течение 15 мин производят перемешивание фильтрата на магнитной мешалке. Для удобства последующего расчета перед перемешиванием фильтрата объем его доводят дистиллированной водой до 1 л.

22. Анализ фильтрата на железо проводится на ФЭК родановым методом, оптимальная точность которого лежит в интервале 0,3- мг/л железа. В случаях вод, обладающих высокой коррозионной активностью, следует применять такое разведение дистиллированной водой, чтобы в пробе после разведения содержание железа было в рамках этого диапазона.

Определение степени разведения в зависимости от внешнего вида образца

Внешний вид образца и раствора

после опыта

Степень разведения

Коэффициент п (формула п. 2.4)

На образце нет видимых продуктов коррозии или он покрыт легким золотистым налетом, раствор прозрачный

Без разведения

1

На образце имеется небольшой слой продуктов коррозии, раствор прозрачный

В 2 раза

2

На образце имеется значительный слой продуктов коррозии, раствор слегка желтоватый

В 5 раз

5

На образце имеется значительный слой продуктов коррозии, раствор желтого цвета, имеются взвешенные продукты коррозии

В 10 раз

 

10

 

23. Для анализа на ФЭК необходима проба раствора 50 мл. Если разведение не требуется, то 50 мл раствора отбирается в цилиндр с притертой пробкой на 50 мл. Если требуется разведение вдвое, то пипеткой отбирается 25 мл раствора и добавляется 25 мл дистиллированной волы и т. Д. Определяется общее содержание железа, поэтому необходимо все закисное железо перевести в окисное.

В анализируемую пробу раствора добавляют 2 мл соляной кислоты плотностью 1,12 и вносят стеклянной ложечкой или палочкой небольшое количество персульфата калия или аммония, после чего цилиндр закрывают притертой пробкой, содержимое тщательно взбалтывают и дают постоять в течение 10 мин. Затем добавляют 1 мл роданистого калия или аммония, перемешивают содержимое цилиндра, дают пробе постоять 3 мин при комнатной температуре и производят определение железа на ФЭК. Определение заканчивается получением показания прибора.

Получив показание прибора, находят искомую концентрацию железа по калибровочной кривой.

24. Содержание железа Fe и соответственно коррозионная активность исследуемой воды в мг/см2 определяются по формуле

где К -коррозионная активность воды; n -коэффициент (по таблице), зависящий от степени разведения; а -концентрация железа, определенная по калибровочной кривой; S -поверхность образца.

Для определения коррозионной активности воды проводят три опыта и берут среднеарифметическое значение К.




Яндекс цитирования



   Copyright © 2007-2026,  www.tehlit.ru.

[ ѓосты, стандарты, нормативы, инструкции, правила, строительные нормы ]