//
ТехЛит.ру
- крупнейшая бесплатная электронная интернет библиотека для "технически умных" людей.
WWW.TEHLIT.RU - ТЕХНИЧЕСКАЯ ЛИТЕРАТУРА

:: Алготрейдинг::


АЛГОТРЕЙДИНГ
шаг за шагом
с нуля по урокам!

Торговые роботы на PYTHON, BackTrader,
Pandas, Pine Script для TradingView. Связка с брокерами, телеграм и легкими приложениями.


ГОСУДАРСТВЕННЫЙ СТАНДАРТ СОЮЗА ССР

ШАЙБЫ КЛАССА ТОЧНОСТИ С К ВЫСОКОПРОЧНЫМ БОЛТАМ

Конструкция и размеры

ГОСТ 22355-77

 

ГОСУДАРСТВЕННЫЙ КОМИТЕТ СССР ПО СТАНДАРТАМ

Москва

 

 

ГОСУДАРСТВЕННЫЙ СТАНДАРТ СОЮЗА ССР

ШАЙБЫ КЛАССА ТОЧНОСТИ С                                  ГОСТ

К ВЫСОКОПРОЧНЫМ БОЛТАМ                              22355-77*

Конструкция и размеры

Product grade C washes for hight strength bolts.

Construction and dimensions

Постановлением Государственного комитета стандартов Совета Министров СССР от 7 февраля 1977 г. № 309 срок введения установлен

с 01.01.79

Несоблюдение стандарта преследуется по закону

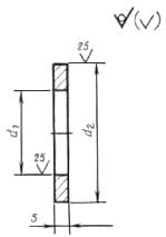
1. Конструкция и размеры шайб должны соответствовать указанным на чертеже и в таблице.

мм

Номинальный диаметр резьбы болта

d1

d2

s

16

18

37

 

(18)

20

39

4

20

22

44

 

(22)

24

50

5; 6*

24

26

56

 

(27)

30

66

 

30

33

66

6

36

39

78

 

42

45

90

8

48

52

100

 

---------------

* Толщина шайб, применяемых в мостостроении.

Примечание. Размеры, заключенные в скобки, применять не рекомендуется.

Пример условного обозначения шайбы для болта диаметром резьбы 20 мм:

Шайба 20 ГОСТ 22355-77

(Измененная редакция, Изм. № 1).

2. Технические требования - по ГОСТ 22356-77

2а. Предельные отклонения размеров и допуски формы и расположения поверхностей - по ГОСТ 18123-82.

2б. Шероховатость и допускаемые дефекты поверхности шайб - по ГОСТ 18123-82.

2а, 2б. (Введены дополнительно, Изм. № 1).

3. Теоретическая масса шайб приведена в справочном приложении.

 

ПРИЛОЖЕНИЕ

Справочное

Теоретическая масса шайб

Номинальный диаметр резьбы болта, мм

Теоретическая масса 1000 шт. шайб, кг»

Номинальный диаметр резьбы болта, мм

Теоретическая масса 1000 шт. шайб, кг»

16

25,8

(27)

127,8

(18)

27,6

30

120,7

20

35,8

36

168,7

(22)

59,3

42

299,5

24

75,8

48

359,7

 

(Измененная редакция, Изм. № 1).




Яндекс цитирования



   Copyright © 2007-2026,  www.tehlit.ru.

[ ѓосты, стандарты, нормативы, инструкции, правила, строительные нормы ]