//
ТехЛит.ру
- крупнейшая бесплатная электронная интернет библиотека для "технически умных" людей.
WWW.TEHLIT.RU - ТЕХНИЧЕСКАЯ ЛИТЕРАТУРА

:: Алготрейдинг::


АЛГОТРЕЙДИНГ
шаг за шагом
с нуля по урокам!

Торговые роботы на PYTHON, BackTrader,
Pandas, Pine Script для TradingView. Связка с брокерами, телеграм и легкими приложениями.


РОССЕРБМОСТ

 

РОЧ

АРМИРОВАННЫЕ РЕЗИНОВЫЕ ОПОРНЫЕ ЧАСТИ

 

Содержание

Армированные резиновые опорные части

1. Описание и применение

Современные армированные резиновые опорные части производят из твердой синтетической резины, путем вулканизации натурального или синтетического каучука.

Резина общее название, а термин "неопрен" - название продукта предприятия Дю Понт, которое впервые произвело его около 1930-го года.

Этот материал оказался очень устойчивым против старения под влиянием атмосферных воздействий. Он огнестойкий, вязкий, и устойчивый к коррозии.

Нормированная резина толщины T деформируется под вертикальной нагрузкой, так что уменьшается толщина на величину ∆T с одновременными боковыми выпуклостями.

Резины армируются высококачественными стальными листами, соединяющимися в процессе термической вулканизации со слоями резины, полностью их охватывающими, и таким образом защищающими от коррозии. Опорные части могут действовать больше 60 и до 100 лет в зависимости от качества и не требуют никакого обслуживания.

Металлические листы препятствуют суммарной выпуклости опорной части по высоте T, так что деформация сводится на боковые выпуклости промежуточных слоев t.

Опорные части допускается применять при температуре от -40ºС до +40ºС, для умеренного климата и от -55ºС до +40ºС для северных районов.

При нормальной температуре (+10°С) и эксплуатационном напряжении средний модуль сдвига G = 1,0 N/мм2.

2. Форма, размеры и типы опорных частей

Армированные резиновые опорные части изготавливаются прямоугольные или круглые в основе. Их производят согласно стандартным размерам, данным в таблице. По специальному заказу опорные части можно произвести и в нестандартных размерах, причем толщина слоев резины и стальных листов соответствует толщине ближайшей по поверхности меньшей опорной части стандартного размера.

Производятся следующие виды опорных частей:

- подвижные во всех направлениях:

- незаанкеренные   РОЧ

- заанкеренные      РОЧ1

                                РОЧ2

                                РОЧ3

- подвижные в одном направлении:

- подвижные в направлении пролета РОЧа

- подвижные в направлении пролета РОЧб

- неподвижные во всех направлениях РОЧф

3. Возможности

Резиновые опорные части обеспечивают:

- передачу вертикальных усилий

- передачу горизонтальных усилий

- одновременное перемещение в двух направлениях

- одновременное вращение относительно трех разных осей

Их используют в мостостроении, высотном строительстве и в промышленных сооружениях.

Простая установка и дешевое обслуживание дает большую экономию при применении резиновых опорных частей.

Их производят согласно:

- требованиям к качеству в соответствии с ИСО стандартами

- собственным исследованиям

4. Допускаемые нагрузки, перемещения, деформации

Опорные части, в зависимости от их размеров, могут переносить нагрузку до 12000 кn.

Максимальное центровое сжатие определяется:

Причем:

σдоп = допускаемое давление

(в таблицах дано: Nдоп = σдоп×A)

Nmax = максимальное вертикальное усилие

A = контактная поверхность резины

Размеры контактной поверхности резины: a×b, D

Допускаемое давление σдоп

мм

N/мм2

до 150×200

до Æ 200

10,0

до 250×400

до Æ 350

12,5

до 250×400

до Æ 900

15,0

Минимальное напряжение давления, для незаанкеренной опорной части при котором горизонтальное усилие принимается за счет трения по поверхности.

Размеры контактной поверхности резины: а×b, D

Минимальное допускаемое давление,

мм

N/мм2

до 300×400

до Æ 350

≥3,0

св. 350×450

св. Æ 400

≥5,0

В случае если  опорные части должны быть заанкеренными, в противном случае может произойти скольжение конструкции вдоль опорной части.

Опорные части РОЧ, РОЧ1, РОЧ2 и РОЧ3 могут примять максимальное горизонтально усилие:

Hдоп = G×A×tgγ

В случае Hдоп < Н применяется опорная часть большего размера или опорная часть типа РОЧф, РОЧа или РОЧб.

Опорные части могут принимать перемещения параллельные со своей плоскостью максимально до 180 мм, что обеспечивает выполнение функции опорной части.

Деформации при сдвиге, параллельным плоскости опорной части:

- от горизонтального перемещения

при этом: u - горизонтальное перемещение

Т = ∑ti - толщина резины в опорных частях типа РОЧ1, РОЧ2, РОЧ3

Т = ∑ti + 2×2,5 - толщина резины в опорных частях типа РОЧ, РОЧф, РОЧа, PОЧб

- от сдвига при примятии горизонтального усилия

при этом:

H - горизонтальное усилие

А - контактная поверхность

G - модуль сдвига

Суммарная деформация от сдвига в одном направлении:

Суммарная деформация от сдвига во всех направлениях:

- в направлении пролета

 - в направлении перпендикулярном направления пролета

Толщина резины T

Допускаемые деформации от сдвига tgγдоп

мм

-

до а/5

до D/5

0,7

а/3,33

D/3,33

0,6

а/5 < Т <а/3,33

D/5 < T < D/3,33

Линейная интерполяция

0,6 < tgγдоп < 0,7

Сжатие опорной части - уменьшение высоты опорной части под нагрузкой на величину ∆T. Первоначальное оседание опорной части приблизительно 1,0 мм. Под действием допускаемой нагрузки сжимание достигает приблизительно 2% от толщины резины T. Поскольку связь напряжения и сжатия не линейна, то рост сжатия уменьшается с приращением нагрузок, поэтому влияние сжатия при максимальных нагрузках относительно мало.

5. Возвратные силы и моменты

Каждое горизонтальное перемещение, т.е. перемещение параллельное плоскости опорной части вызывает возвратную силу:

Для всех строительных конструкций, на которые эти возвратные силы имеют влияние, следует выполнить отдельную проверку для низких температур.

Углы поворота при вращении опорной части не должны превышать значения приведенные в таблицах.

При поворотах относительно обеих осей следует для каждой стороны выполнить отдельную проверку.

Векторная сумма углов поворота не должна превышать значения, приведенные в таблицах.

При повороте опорной части, следует учитывать следующие вычисленные реактивные моменты, в случае их неблагоприятного действия:

- Для прямоугольных опорных частей:

- Для круглых опорных частей:

При этом:

a - сторона перпендикулярная к оси поворота

b - сторона, параллельная оси поворота

D - диаметр круглой опорной части

t - толщина резины слоя

α - угол поворота эластомерного слоя

G - модуль сдвига при температуре в +10°C, G = 1,0 N/мм2

По всем строительным конструкциям, на которые эти реактивные моменты оказывают влияние, следует выполнить отдельный расчет для низких температур, если при низких температурах могут наступить дополнительные повороты опорной части.

6. Защита от коррозии

Стальные элементы опорных частей, не покрытые резиной, или находящиеся вне бетона, защищаются от коррозии обычным способом – двойным слоем замазки на цинковой основе.

В случае надобности можно провести и другою антикоррозионную защиту.

7. Монтаж опорных частей

Во время монтажа опорных частей необходимо придерживаться инструкций производителя .

Опорные части следует размещать таким образом, чтобы были возможны контроль и замена без технических трудностей. Надо предусмотреть возможность захвата конструкции соответствующими гидравлическими домкратами.

Поверхности строительных элементов около опорных частей должны быть взаимно ровные и параллельные. В связи с этим, обычно между опорной частью и нижней конструкцией предусматривается слой для выровнения (например цементный раствор толщиной до 5 см).

Контактные поверхности опорной части и конструкции должны быть горизонтальные или расположенные под углом к равнодействующей постоянной нагрузки, таким образом чтобы под влиянием постоянных нагрузок не наступили деформации сдвига.

Элементы на соприкасающихся поверхностях с опорными частями следует конструировать и изготовлять так, чтобы они могли выдержать предусмотренные нагрузки без больших местных деформаций.

При повреждении контактных поверхностей под или над опорной части, их следует подтрамбовать заливкой. Со стороны, где выполняется заливка, ставятся клинья и стальная плита, после затвердения материала заливки клинья следует удалить.

Сварка листов анкеруемых опорных частей недопустима.

Воспрещается размещать две или больше опорных частей в одной и той же точке опоры, в главном направлении перенятия нагрузки.

Опорные части разных размеров нельзя размешать рядом, из-за различных жесткостей.

Употребление резиновых опорных частей вместе с другими видами опорных частей позволительно, только в случае употребления опорных частей одного вида в одной и той же точке опоры.

Соответствующими мерами защиты следует обеспечить несоприкосновение опорных частей с маслами, растворителями и т.п.

Если требуется, чтобы опорная часть при установке имела определенный эксцентрицитет (отрегулированная опорная часть), то регулировку всегда должен выполнить изготовитель опорных частей. Регулировка выполняется так, чтобы опорная часть не могла быть сдвинута до начала работы и была надежна при транспортировке. Производитель опорных частей поставляет для таких опорных частей вспомогательные конструкции.

Если опорные части поставляются в деталях и их сборка требует дополнительные приспособления, то сборку на стройке должны осуществить или специалисты изготовителя опорных части или обученные им специалисты.

8. Определение параметров опорных частей

Определение параметров опорных частей выполняется на основании следующей схемы:

 


 

9. Способ обозначения опорных частей в проектах

РОЧ (тип)

a×b×H . . . Nd

a×b, ÆD

- контактные поверхности резины

РОЧ (тип)

Æ D×d . . . Nd

H, d

- высота опорной части

РОЧ (тип)

a×b×d . . . Nd

Nd

- несущая способность опорной части допускаемая нагрузка

Например:

РОЧф

600×700×250 . . .

6300 kN

РОЧа

Æ 300×93 . . . . . 

883 kN

РОЧф

250×400×74 . . . .

1250 kN

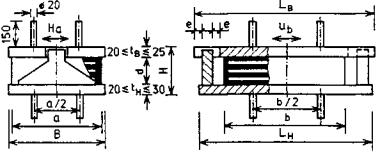
РАССТАНОВКА АНКЕРОВ ПРИ РОЧ

ПРЯМОУГОЛЬНЫЕ

КРУГЛЫЕ

ОСНОВА МОСТА С КОНВЕНЦИЕЙ ОБОЗНАЧЕНИЯ ОПОРНЫХ ЧаСТЕЙ

ТИПЫ РЕЗИНОВЫХ ОПОРНЫХ ЧАСТЕЙ

ТИП (ОБОЗНАЧЕНИЕ)

РИСУНОК

ОПИСАНИЕ И ПРИМЕНЕНИЕ

РОЧ

(НЕЗААНКЕРЕННОЕ)

-ГОРИЗОНТАЛЬНАЯ СИЛА ПЕРЕДАЕТСЯ ТРЕНИЕМ МЕЖДУ ОПОРНОЙ ЧАСТЬЮ И КОНСТРУКЦИЕЙ

-ПРИМЕНЯЕТСЯ ПРИ СБОРНЫХ КОНСТРУКЦИЯХ

РОЧ1

(ЗААНКЕРЕННОЕ)

-ГОРИЗОНТАЛЬНАЯ СИЛА ПЕРЕДАЕТСЯ ЧЕРЕЗ АНКЕРЫ НА КОНСТРУКЦИЮ

-ПРИМЕНЯЕТСЯ ПРИ УКЛАДЫВАНИИ БЕТОНА НА МЕСТЕ 

РОЧ2

(ЗААНКЕРЕННОЕ)

РОЧ3

(ЗААНКЕРЕННОЕ)

-ГОРИЗОНТАЛЬНАЯ СИЛА ПЕРЕДАЕТСЯ РИФЛЕНЫМ ЛИСТОМ НА КОНСТРУКЦИЮ

-ПРИМЕНЯТСЯ ПРИ СБОРНЫХ КОНСТРУКЦИЯХ

РОЧа

ПРОДОЛЬНОЕ ПОДВИЖНОЕ

-ПОДВИЖНОЕ В НАПРА-ВЛЕНИИ ПРОЛЕТА Т.Е. ОСИ МОСТА

РОЧб

ПОПЕРЕЧНОЕ ПОДВИЖНОЕ

-ПОДВИЖНОЕ В НАПРАВЛЕНИИ ПЕРПЕНДИКУЛЯРНОМ ОСИ МОСТА

РОЧф

НЕПОДВИЖНОЕ В ОБЕИХ НАПРАВЛЕНИЯХ

-НЕПОДВИЖНОЕ В ОБЕИХ НАПРАВЛЕНИЯХ


РОЧ СО СТАЛЬНОЙ КОНСТРУКЦИЕЙ ДЛЯ НАПРАВЛЕНИЯ ДВИЖЕНИЯ

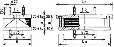
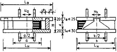
Тип опорной части

Неподвижная опорная часть РОЧф

Подвижная в направлении пролета РОЧа

Подвижная перпендикулярно к оси пролета РОЧб

Суммарная часть опорной части

Размеры резины по основанию

Суммарная толщина резины

Допускаемая нагрузка

Допускаемое горизонтальное усилие

Размеры опорной части по основанию

Допускаемое горизонтальное усиление

Допускаемое перемещение

Размер опорной части по основанию

Допускаемое горизонтальное усилие

Допускаемое перемещение

Размер опорной части по основанию

a×b

d

N

Ha

Hb

B

Lb

lH

Hb

uа(±)

В

lb

lh

Нa

uб(±)

В

lb

lh

Н

мм

kN

kN

мм

kN

мм

мм

kN

мм

мм

мм

100×100

14

100

45

25

110

230

200

45

7

110

180

200

45

10

110

220

210

54

21

40

21

44

11

200

200

44

61

28

32

17

36

14

210

210

36

68

35

27

14

30

16

220

220

30

75

42

23

12

26

18

230

220

26

82

100×150

14

150

45

25

110

265

235

45

7

160

180

200

45

10

110

260

250

54

21

40

21

44

11

200

200

44

61

28

32

17

36

14

210

210

36

68

35

27

14

30

16

220

220

30

75

42

23

12

26

18

230

220

26

82

150×200

21

300

143

76

160

330

300

159

11

210

240

250

159

10

160

310

300

61

28

121

64

134

14

260

260

134

68

35

105

56

116

18

270

270

116

75

42

92

49

102

21

290

270

102

82

49

83

44

92

23

300

280

92

89

56

75

40

83

25

300

280

83

96

63

68

36

76

27

310

290

76

103

200×250

30

625

148

77

210

370

350

162

15

260

310

310

162

10

210

350

340

70

41

120

62

133

20

330

320

133

81

52

101

52

112

26

360

330

112

92

63

87

45

97

30

370

340

97

103

74

76

40

85

34

390

350

85

114

85

68

35

76

36

400

360

76

125

200×300

30

750

145

75

210

420

400

162

15

310

310

310

162

10

210

400

390

70

41

120

60

133

20

330

320

133

81

52

101

52

112

26

350

330

112

92

63

87

45

97

30

370

340

97

103

74

76

40

85

34

390

350

85

114

85

68

35

76

36

400

360

76

125

200×400

30

1000

145

75

210

520

500

162

15

410

310

310

162

10

210

500

490

70

41

120

60

133

20

330

320

133

81

52

101

52

112

26

350

330

112

92

63

87

45

97

30

370

340

97

103

74

76

40

85

34

390

350

85

114

85

68

35

76

36

400

360

76

125

250×400

41

1250

150

75

260

520

500

162

20

410

380

370

162

10

260

500

430

81

52

120

65

143

26

400

380

143

92

63

110

55

123

32

420

390

123

103

74

93

48

109

37

450

410

109

114

85

87

43

97

40

460

410

97

125

96

73

38

87

43

480

420

87

136

300×400

41

1800

347

181

310

540

520

384

20

410

460

440

384

10

310

520

510

101

52

299

156

331

26

580

460

331

112

63

262

137

291

32

500

470

291

123

74

234

122

259

37

520

480

259

134

35

211

110

234

43

540

490

234

145

96

192

100

213

46

560

5J0

213

156

107

176

92

195

50

570

500

195

167

118

163

35

181

52

580

510

181

178

350×450

54

2360

361

177

360

610

570

401

27

460

550

530

401

10

360

570

560

114

69

305

150

338

34

580

540

338

129

64

264

109

293

42

610

560

293

144

99

233

104

258

50

640

570

253

159

114

208

102

231

55

660

580

230

174

129

188

92

208

59

680

590

208

189

144

171

44

190

63

690

600

190

204

400×500

54

3000

413

203

410

680

640

458

27

510

600

580

458

10

410

640

630

114

69

349

171

387

34

630

590

387

129

84

302

108

335

42

660

610

335

144

99

266

80

295

50

690

620

295

159

114

238

107

264

57

720

640

265

174

129

215

105

238

62

740

650

288

189

144

196

96

217

67

760

660

217

204

159

180

88

200

70

770

660

200

219

450×600

54

4050

535

260

460

780

740

539

27

610

650

630

539

10

460

740

730

124

69

535

260

539

34

680

640

539

139

84

535

260

539

42

710

660

539

154

99

512

251

539

50

740

670

539

169

114

460

226

510

57

770

690

510

184

129

417

205

462

65

800

700

462

199

144

381

187

423

70

820

710

423

214

159

352

172

390

74

840

720

390

229

174

326

160

362

78

860

730

362

244

500×600

54

4500

754

370

510

800

740

755

27

610

700

680

755

10

510

740

730

134

69

703

345

755

34

730

690

755

149

84

616

302

683

42

760

710

683

164

99

548

269

608

50

790

720

608

179

114

494

242

548

57

820

740

548

194

129

449

221

498

65

850

750

498

209

144

412

202

457

72

880

770

457

224

159

381

187

422

77

900

780

422

239

174

354

173

392

82

920

790

392

254

189

330

162

366

85

940

800

366

269

204

310

152

343

90

950

800

343

284

600×700

70

6300

753

369

610

900

840

755

35

710

830

790

755

10

610

840

830

150

90

705

346

755

46

870

810

755

170

110

609

299

675

56

920

840

675

190

130

536

263

595

67

960

860

595

210

150

479

235

531

77

1000

890

531

230

170

433

212

480

88

1040

900

480

250

190

395

194

438

93

1070

910

438

270

210

363

178

402

100

1090

920

402

290

230

336

165

372

105

1130

930

372

310

700×800

70

8400

940

451

610

900

840

944

35

810

950

910

944

10

710

960

950

150

90

705

346

912

46

1000

930

912

170

110

711

349

788

56

1040

960

788

190

130

626

307

694

66

1080

980

694

210

150

559

274

620

77

1120

1000

620

230

170

505

248

560

88

1160

1020

560

250

190

460

226

511

98

1210

1040

511

270

210

423

208

469

105

1230

1050

469

290

230

392

192

434

112

1260

1070

434

310

250

364

179

404

118

1280

1080

404

330

270

341

167

378

123

1310

1090

378

350

800×800

79

9600

943

462

810

990

950

944

41

810

1080

1030

944

10

810

960

950

159

102

848

416

940

54

1130

1050

940

182

125

728

357

807

67

1180

1080

807

205

148

638

313

707

79

1230

1100

707

228

171

567

278

629

92

1280

1130

629

251

194

511

251

566

104

1330

1150

566

274

217

465

228

515

115

1380

1170

515

297

240

426

209

472

124

1410

1190

472

320

263

393

193

436

131

1440

1210

436

343

286

365

179

405

138

1470

1220

405

366

309

341

167

378

144

1480

1230

378

389

900×900

79

12150

938

459

910

1100

1060

944

41

910

1180

1130

944

10

910

1050

1040

159

102

938

460

944

54

1230

1150

944

182

125

811

398

899

67

1280

1180

899

205

148

710

349

788

79

1330

1200

788

220

171

632

310

701

92

1380

1230

701

251

194

569

279

631

104

1430

1250

631

274

217

518

254

574

117

1480

1280

574

297

240

475

233

526

128

1530

1300

526

320

263

438

215

486

137

1560

1320

486

343

286

407

200

451

145

1590

1330

451

366

309

380

186

421

152

1620

1350

421

389

332

356

175

395

158

1650

1380

395

412

ОСНОВНЫЕ ДАННЫЕ О РОЧ

Размеры опорных частей по основанию

Высота опорной части

Толщина резины

Число слоев резины

Толщина слоя резины

Толщина стальных листов

Допускаемая вертикальная нагрузка

Допускаемое перемещение

Допускаемый угол поворота

РОЧ

РОЧ 1

РОЧ 2

РОЧ 3

РОЧ

РОЧ 1 РОЧ 2 РОЧ 3

РОЧ

РОЧ 1 РОЧ 2 РОЧ 3

1

2

3

4

a×b, D

d

T

n

t

s

N

u (±)

nα

nα

nα

nα

мм

мм

мм

/

мм

мм

кN

мм

100×100

100×150

100×200

14

 

 

 

10

 

1

5

2

100

150

200

7.0

 

4.0

3.0

5.0

 

21

42

42

32

15

10

2

10.5

7.0

8.0

6.0

10.0

 

28

49

49

39

20

15

3

14.0

10.5

12.0

9.0

15.0

 

35

56

56

46

25

20

4

16.3

14.0

16.0

12.0

20.0

 

42

63

63

53

30

25

5

18.0

16.3

20.0

15.0

25.0

 

 

70

70

60

 

30

6

 

18.0

24.0

18.0

30.0

 

150×200

14

 

 

 

10

 

1

5

2

300

7.0

 

3.0

3.0

4.0

 

21

42

42

32

15

10

2

10.5

7.0

6.0

6.0

8.0

 

28

49

49

39

20

15

3

14.0

10.5

9.0

9.0

13.0

 

35

56

56

46

25

20

4

17.5

14.0

12.0

12.0

17.0

 

42

63

63

53

30

25

5

21.0

17.5

15.0

15.0

21.0

 

49

70

70

60

35

30

6

23.3

21.0

18.0

18.0

25.0

 

56

77

77

67

40

35

7

26.3

23.3

21.0

21.0

29.0

 

63

84

84

74

45

40

8

27.0

26.3

24.0

24.0

33.0

 

 

91

91

81

 

45

9

 

27.0

27.0

27.0

37.0

 

200×250

200×300

200×400

Æ200

19

 

 

 

13

 

1

8

3

625

750

1000

314

9.1

 

3.0

3.0

4.0

4.0

30

49

49

39

21

16

2

14.7

11.2

6.0

5.0

8.0

8.0

41

60

60

50

29

24

3

20.3

16.8

9.0

8.0

12.0

12.0

52

71

71

61

37

32

4

25.9

22.4

12.0

10.0

16.0

16.0

63

82

82

72

45

40

5

27.0

28.0

15.0

13.0

20.0

20.0

74

93

93

83

53

48

6

33.7

31.7

18.0

15.0

24.0

24.0

85

104

104

94

61

56

7

36.3

34.7

21.0

18.0

28.0

28.0

250×400

Æ250

19

 

 

 

13

 

1

8

3

1250

613

9.1

 

2.5

1.2

2.6

4.0

30

 

 

39

21

16

2

14.7

11.2

5.0

2.4

5.2

8.0

41

60

60

50

29

24

3

20.3

16.8

7.5

3.6

7.8

12.0

52

71

71

61

37

32

4

25.9

22.4

10.0

4.8

10.4

16.0

63

82

82

72

45

40

5

27.0

28.0

12.5

6.0

13.0

20.0

74

93

93

83

53

48

6

33.7

33.6

15.0

7.2

15.6

24.0

85

104

104

94

61

56

7

36.3

34.7

17.5

8.4

18.2

28.0

96

115

115

105

69

64

8

43.1

41.2

20.0

9.6

20.8

32.0

 

126

126

116

 

72

9

 

44.1

22.5

10.8

23.4

36.0

300×400

Æ300

19

 

 

 

13

 

1

8

3

1800

883

9.1

 

2.0

1.2

2.2

3.0

30

49

49

39

21

16

2

14.7

11.2

4.0

2.4

4.4

6.0

41

60

60

50

29

24

3

20.3

16.8

6.0

3.6

6.6

9.0

52

71

71

61

37

32

4

25.9

22.4

8.0

4.8

8.8

12.0

63

82

82

72

45

40

5

27.0

28.0

10.0

6.0

11.0

15.0

74

93

93

83

53

48

6

33.7

33.6

12.0

7.2

13.2

18.0

85

104

104

94

61

56

7

36.3

34.7

14.0

8.4

15.4

21.0

96

115

115

105

69

64

8

43.1

41.2

16.0

9.6

17.6

24.0

107

126

126

116

77

72

9

49.5

44.1

18.0

10.8

19.8

27.0

118

137

137

127

85

80

10

52.4

50.6

20.0

12.0

22.0

30.0

 

148

148

138

 

88

11

 

53.4

 

13.2

24.2

33.0

Æ450

24

 

 

 

16

 

1

11

4

1202

11.2

 

 

 

 

4.0

39

56

56

46

27

22

2

18.9

15.4

 

 

 

8.0

54

71

71

61

38

33

3

26.6

23.1

 

 

 

12.0

69

85

85

76

49

44

4

34.3

30.8

 

 

 

16.0

84

101

101

91

60

55

5

42.0

38.5

 

 

 

20.0

99

116

116

106

71

66

6

49.7

46.2

 

 

 

24.0

114

131

131

121

82

77

7

54.6

52.4

 

 

 

28.0

129

146

146

136

93

88

8

59.0

57.1

 

 

 

32.0

144

161

161

151

104

99

9

62.7

61.1

 

 

 

36.0

350×450

24

 

 

 

16

 

1

11

4

2360

11.2

 

2.5

2.0

3.0

 

39

66

66

46

27

22

2

18.9

15.4

5.0

4.0

6.0

 

54

81

81

61

38

33

3

26.6

23.1

7.5

6.0

9.5

 

69

96

96

76

49

44

4

34.3

30.8

10.0

8.0

12.5

 

84

111

111

91

60

55

5

42.0

38.5

12.5

10.0

15.5

 

99

126

126

106

71

66

6

49.7

46.2

15.0

12.0

19.0

 

114

141

141

121

82

77

7

54.6

52.4

17.5

14.0

22.0

 

129

156

156

136

93

88

8

59.0

57.1

20.0

16.0

25.0

 

144

171

171

151

104

99

9

62.7

61.1

22.5

18.0

28.0

 

40500

Æ400

24

 

 

 

16

 

1

11

4

3000

1885

11.2

 

2.0

1.5

2.5

3.0

39

66

66

46

27

22

2

18.9

15.4

4.0

3.0

5.0

6.0

54

81

81

61

38

33

3

26.6

23.1

6.0

4.5

7.5

9.0

69

96

96

76

49

44

4

34.3

30.8

8.0

6.0

10.0

12.0

84

111

111

91

60

55

5

42.0

38.5

10.0

7.5

12.5

15.0

99

126

126

106

71

66

6

49.7

46.2

12.0

9.0

15.0

18.0

114

141

141

121

82

77

7

57.4

53.9

14.0

10.5

17.5

21.0

129

156

156

136

93

88

8

62.0

59.8

16.0

12.0

20.0

24.0

144

171

171

151

104

99

9

66.6

64.6

18.0

13.5

22.5

27.0

159

186

186

166

115

110

10

70.4

68.8

20.0

15.0

25.0

30.0

 

201

201

181

 

121

11

 

72.3

22.0

17.5

 

33.0

450×600

Æ450

24

 

 

 

16

 

1

11

4

4050

2385

11.2

 

2.0

1.2

2.5

3.0

39

66

66

46

27

22

2

18.9

15.4

4.0

2.4

5.0

6.0

54

81

81

61

38

33

3

26.6

23.1

6.0

3.6

7.5

9.0

69

96

96

76

49

44

4

34.3

30.8

8.0

4.8

10.0

12.0

84

111

111

91

60

55

5

42.0

38.5

10.0

6.0

12.5

15.0

99

126

126

106

71

66

6

49.7

46.2

12.0

7.2

15.0

18.0

114

141

141

121

82

77

7

57.4

53.9

14.0

8.4

17.5

21.0

129

156

156

136

93

88

8

65.1

61.6

16.0

9.6

20.0

24.0

144

171

171

151

104

99

9

69.6

67.3

18.0

10.8

22.5

27.0

159

186

186

166

115

110

10

74.1

72.1

20.0

12.0

25.0

30.0

174

201

201

181

126

121

11

78.1

76.4

22.0

13.2

27.5

33.0

 

216

216

196

 

132

12

 

80.1

 

14.4

 

36.0

50600

Æ500

Æ500

24

 

 

 

16

 

1

11

4

4500

2945

3562

11.2

 

2.0

1.2

2.5

2.0

39

66

66

46

27

22

2

18.9

15.4

4.0

2.4

5.0

4.0

54

81

81

61

38

33

3

26.6

23.1

6.0

3.6

7.5

6.0

69

96

96

76

49

44

4

34.3

30.8

8.0

4.8

10.0

8.0

84

111

111

91

60

55

5

42.0

38.5

10.0

6.0

12.5

10.0

99

126

126

106

71

66

6

49.7

46.2

12.0

7.2

15.0

12.0

114

141

141

121

82

77

7

57.4

53.9

14.0

8.4

17.5

14.0

129

156

156

136

93

88

8

65.1

61.6

16.0

9.6

20.0

16.0

144

171

171

151

104

99

9

72.8

69.3

18.0

10.8

22.5

18.0

159

186

186

166

115

110

10

77.0

74.8

20.0

12.0

25.0

20.0

174

201

201

181

126

121

11

81.6

79.6

22.0

13.2

27.5

22.0

189

216

216

196

137

132

12

85.0

83.6

24.0

14.4

30.0

24.0

204

231

231

211

148

143

13

89.4

87.8

26.0

15.6

32.5

26.0

600×700

Æ600

Æ650

30

 

 

 

20

 

1

15

5

6300

4240

4977

14.0

 

2.0

1.5

2.5

2.0

50

75

75

55

35

30

2

24.5

21.0

4.0

3.0

5.0

4.0

70

95

95

75

50

45

3

35.0

31.5

6.0

4.5

7.5

6.0

90

115

115

95

65

60

4

45.5

42.0

8.0

6.0

10.0

8.0

110

135

135

115

80

75

5

56.0

52.5

10.0

7.5

12.5

10.0

130

155

155

135

95

90

6

66.5

63.0

12.0

9.0

15.0

12.0

150

175

175

155

110

105

7

77.0

73.5

14.0

10.5

17.5

14.0

170

195

195

175

125

120

8

87.5

84.0

16.0

12.0

20.0

16.0

190

215

215

195

140

135

9

93.3

91.1

18.0

13.5

22.5

18.0

210

235

235

215

155

150

10

99.5

97.5

20.0

15.0

25.0

20.0

230

255

255

235

170

165

11

104.8

103.1

22.0

16.5

27.5

22.0

 

275

275

255

 

180

12

 

108.0

24.0

18.0

30.0

24.0

700×800

Æ700

Æ750

30

 

 

 

20

 

1

15

5

8400

5770

6625

14.0

 

2.0

1.2

2.5

2.0

50

75

75

55

35

30

2

24.5

21.0

4.0

2.4

5.0

4.0

70

95

95

75

50

45

3

35.0

31.5

6.0

3.6

7.5

6.0

90

115

115

95

65

60

4

45.5

42.0

8.0

4.8

10.0

8.0

110

135

135

115

80

75

5

56.0

52.5

10.0

6.0

12.5

10.0

130

155

155

135

95

90

6

66.0

63.0

12.0

7.2

15.0

12.0

150

175

175

155

110

105

7

77.0

73.5

14.0

8.4

17.5

14.0

170

195

195

175

125

120

8

87.5

84.0

16.0

9.6

20.0

16.0

190

215

215

195

140

135

9

98.0

94.5

18.0

10.8

22.5

18.0

210

235

235

215

155

150

10

105.2

102.9

20.0

12.0

25.0

20.0

230

255

255

235

170

165

11

111.7

109.6

22.0

13.2

27.5

22.0

250

275

275

255

185

180

12

117.6

115.7

24.0

14.4

30.0

24.0

270

295

295

275

200

195

13

122.9

121.2

26.0

15.6

32.5

26.0

 

315

315

295

 

210

14

 

126.0

28.0

16.8

35.0

28.0

800×800

Æ800

33

 

 

 

23

 

1

18

5

9600

7536

16.1

 

2.0

2.0

2.5

2.0

56

81

81

61

41

36

2

28.7

25.2

4.0

4.0

5.0

4.0

79

104

104

84

59

54

3

41.3

37.8

6.0

6.0

7.5

6.0

102

127

127

107

77

72

4

53.9

50.4

8.0

8.0

10.0

8.0

125

150

150

130

95

90

5

66.5

63.0

10.0

10.0

10.5

10.0

148

173

173

153

113

108

6

79.1

75.6

12.0

12.0

15.0

12.0

171

196

196

176

131

126

7

91.7

88.2

14.0

14.0

17.5

14.0

194

219

219

199

149

144

8

104.3

100.8

16.0

16.0

20.0

16.0

217

242

242

222

167

162

9

116.9

113.4

18.0

18.0

22.5

18.0

240

265

265

245

185

180

10

129.5

126

20.0

20.0

25.0

20.0

263

288

288

268

203

198

11

142.1

138.6

22.0

22.0

27.5

22.0

286

311

311

291

221

216

12

154.7

151.2

24.0

24.0

30.0

24.0

309

334

334

314

239

234

13

167.3

163.8

26.0

26.0

32.5

26.0

900×900

Æ900

Æ850

33

 

 

 

23

 

1

18

5

12150

8538

8507

16.1

 

1.5

1.5

2.0

2.0

56

81

81

61

41

36

2

28.7

25.2

3.0

3.0

3.7

3.0

79

104

104

84

59

54

3

41.3

37.8

4.5

4.5

5.5

5.0

102

127

127

107

77

72

4

53.9

50.4

6.0

6.0

7.5

6.0

125

150

150

130

95

90

5

66.5

63.0

7.5

7.5

9.5

8.0

148

173

173

153

113

108

6

79.1

75.6

9.0

9.0

11.0

9.0

171

196

196

176

131

126

7

91.7

88.2

10.5

10.5

13.0

11.0

194

219

219

199

149

144

8

104.3

100.8

12.0

12.0

15.0

12.0

217

242

242

222

167

162

9

116.9

113.4

13.5

13.5

17.0

14.0

240

265

265

245

185

180

10

129.5

126

15.0

15.0

18.7

15.0

263

288

288

268

203

198

11

142.1

138.6

16.5

16.5

20.5

17.0

286

311

311

291

221

216

12

154.7

151.2

18.0

18.0

22.5

18.0

309

334

334

314

239

234

13

167.3

163.8

19.5

26.0

24.5

20.0

332

357

357

337

257

252

14

179.9

176.4

21.0

21.0

26.2

21.0

 

380

380

360

 

270

15

 

 

22.5

22.5

28.1

23.0

 




Яндекс цитирования



   Copyright © 2007-2026,  www.tehlit.ru.

[ ѓосты, стандарты, нормативы, инструкции, правила, строительные нормы ]