//
|
|
УТВЕРЖДАЮ_____________Г.В. Колесниченко « 01 » марта 2002 г. ТРУБЫ
НАПОРНЫЕ И ФИТИНГИ Технические условияТУ 2248-004-88742502-2002 Взамен ТУ
2248-001-88742502-99 Дата введения 01.03.2002 г.
Настоящие технические условия распространяются на трубы напорные и фитинги (фасонные части) к ним из полипропилена, предназначенные для трубопроводов, транспортирующих холодную воду с номинальным рабочим давлением не выше 1,0 МПа, горячую воду с температурой до 75°С и номинальным рабочим давлением не выше 0,6 МПа (в том числе для хозяйственно-питьевого водоснабжения) и другие жидкие и газообразные вещества, к которым полипропилен химически стоек. Условное обозначение труб состоит из буквенного обозначения наименования материала (РР) и типа труб по давлению (PN), цифровых обозначений диаметра труб, указания назначения труб, номера технических условий. Пример условного обозначения при заказе трубы из сополимера полипропилена РР-2 диаметром 20 мм, типа PN-25, разрешенной для хозяйственно-питьевого водоснабжения: «Труба РР-2 20 PN 25 питьевая ТУ 2248-004-88742502-2002». Условное обозначение фитингов состоит из буквенных обозначений наименования изделий (где К - означает комбинированные изделия с металлическими вкладышами), цифровых обозначений диаметров стыкуемых труб, буквенных обозначений материала, номера технических условий. Примеры условного обозначения фитингов при заказе в приложении А. СОДЕРЖАНИЕ 1 ТЕХНИЧЕСКИЕ ТРЕБОВАНИЯ1.1 Основные характеристики 1.1.1 Трубы и фитинги полипропиленовые должны соответствовать требованиям настоящих технических условий и изготавливаться по техническому регламенту, утвержденному в установленном порядке и рабочим чертежам. 1.1.2 Трубы выпускаются типов и соответствующих им серий, указанных в таблице 1. Таблица 1
1.1.3 Трубы, транспортирующие холодную воду (t до 25°С): выпускаются с основными размерами, указанными в таблице 2. Таблица 2В миллиметрах
1.1.4 Трубы, транспортирующие холодную и горячую воду (t до 75-С), выпускаются с основными размерами, указанными в таблице 3. Таблица 3В миллиметрах
1.1.5 Основные параметры и размеры фитингов по приложению А. 1.1.6 Предельные отклонения по толщине стенок труб и фитингов могут быть изменены по согласованию с заказчиком. Допускается изготовление иных фасонных частей по согласованию и по чертежам заказчика. 1.1.7 Физико-механические показатели труб и фитингов должны соответствовать требованиям, указанным в таблице 4. Таблица 4
1.1.8 Резьба на фитингах и металлических вкладышах должна быть полного профиля без сорванных и недооформленных ниток и обеспечивать свинчиваемость соединяемых деталей вручную. Изготовление прерывистой резьбы допускается только на накидных гайках. 1.1.9 Расчетный срок службы для труб, транспортирующих воду при температуре до 25°С - 50 лет. 1.1.10 Расчетный срок службы труб, транспортирующих воду с температурой до 75°С и фитингов - 25 лет. 1.2 Требования к сырью 1.2.1 Трубы и фитинги изготавливаются из полипропилена и сополимера полипропилена марок 23003, 02003, 09003, ГОСТ 26996. Допускается применение полипропилена и сополимера пропилена других марок, обеспечивающих физико-механические характеристики изделий. 1.2.2 Вкладыши металлические для резьбовых соединений изготавливаются из: - низкоуглеродистой стали, покрытие - лужением окунанием, ГОСТ 5520; - сплавов медно-цинковых (латуни), покрытие - никель, ГОСТ 17711. 1.3 Маркировка 1.3.1 Маркировка труб и фитингов должна содержать наименование и адрес изготовителя и условное обозначение изделий. 1.3.2 Каждая труба должна иметь маркировку, которая производится на ее поверхности методом накатки штемпельной краской или принтерной печатью с интервалом не более 4 м. 1.3.3 Буквенно-цифровую маркировку фитингов производят на их наружной стороне в процессе производства. 1.3.4 На каждое грузовое место должен прикрепляться ярлык, содержащий следующие данные: - наименование и адрес изготовителя; - условное обозначение изделий; - номер партии и дату изготовления; - количество изделий в упаковке. 1.4 Упаковка 1.4.1 Фасонные части упаковываются в полиэтиленовые мешки (ГОСТ 12302 или ГОСТ 17811) по 45, 50, 100 шт. Допускается иная упаковка по согласованию с заказчиком. 1.4.2 Трубы формируются в транспортные пакеты по согласованию с заказчиком. 2 ТРЕБОВАНИЯ БЕЗОПАСНОСТИ2.1 При изготовлении труб и фитингов из полипропилена необходимо соблюдать требования безопасности в соответствии с ГОСТ 12.3.030. 2.2 Трубы и фитинги в условиях монтажа и эксплуатации не выделяют в окружающую среду токсичные вещества и не оказывают при непосредственном контакте вредного влияния на организм человека. Работа с ними не требует особых мер предосторожности. 2.3 Средства индивидуальной защиты при переработке пластических масс должны отвечать требованиям ГОСТ 12.4.011. 2.4 Трубы и фитинги из полипропилена относятся к группе горючих материалов по ГОСТ 12.1.044. При поднесении открытого пламени трубы загораются без взрыва и горят коптящим пламенем с образованием расплава и выделением углекислого газа, паров воды, непредельных углеводородов и газообразных продуктов (паров органических кислот, карбонильных соединений). Средства пожаротушения; распыленная вода, пена, инертные газы, песок, асбестовые одеяла. 2.5 Для защиты от токсичных продуктов, образующихся в условиях пожара применяют изолирующие противогазы любого типа или фильтрующие противогазы марки БКФ. 3 ПРАВИЛА ПРИЕМКИ3.1 Трубы и фасонные части принимаются партиями. Партией считается количество труб (в метрах), изготовленных из одной марки сырья и на одной технологической линии, или фасонных частей (в штуках), изготовленных при тех же условиях, сдаваемых одновременно и сопровождаемых одним документом о качестве. Размер партии труб должен быть не более 5000 м. Размер партии фасонных частей должен быть не более 1000 шт. 3.2 Каждая партия продукции должна сопровождаться паспортом, в котором указывается: - наименование изготовителя; - условное обозначение продукции, номер партии; - размер партии; - дата выпуска партии; - заключение о соответствии требованиям настоящих технических условий. 3.3 Для проверки соответствия труб и фасонных частей требованиям настоящих технических условий проводят приемо-сдаточные и периодические испытания. Для испытания отбирают изделия из партии методом случайного отбора в количестве 0,5 %, но не менее 5 шт. труб по 2 м и 5 шт. фитингов одного типоразмера, при этом результаты испытаний распространяются на все типоразмеры с одной технологической линии. 3.4 Приемо-сдаточные испытания проводят на каждой партии. 3.5 При приемо-сдаточных испытаниях контролируют основные размеры. Остальные размеры должны обеспечиваться принятой к производству формующей оснасткой, которую контролируют при ее приемке. 3.6 Приемо-сдаточные испытания труб проводят по показателям: внешний вид, размеры, маркировка, изменение после прогрева, предел текучести при растяжении, относительное удлинение при разрыве. 3.7 Приемо-сдаточные испытания фитингов проводят по показателям. внешний вид, основные размеры, маркировка, комплектность, изменение внешнего вида после прогрева, свинчиваемость резьбовых соединений. 3.8 При получении неудовлетворительных результатов хотя бы по одному показателю по нему проводят повторный контроль удвоенного количества образцов от той же партии. В случае неудовлетворительных результатов проверки партия продукции приемке не подлежит. 3.9 Периодические испытания проводят 1 раз в полугодие. Образцы для периодических испытаний отбирают из партий, прошедших приемо-сдаточные испытания. 3.10 Периодические испытания труб проводят по показателям: стойкость при постоянном внутреннем давлении при температуре 20 и 95°С и контрольном времени испытания - 1 и 100 часов соответственно. 3.11 Стойкость труб при постоянном внутреннем давлении при температуре 95°С, контрольном времени испытания 1000 ч проводят при постановке продукции на производство и при смене сырья. 3.12 Периодические испытания фитингов проводят по показателям: стойкость при постоянном внутреннем давлении сборных узлов труб и фитингов при температуре 20°С и контрольном времени испытания 1 час. 3.13 При получении неудовлетворительных результатов, проводят повторное испытание удвоенного количества образцов. В случае неудовлетворительных результатов повторных испытаний проводят уточнение технологического процесса производства изделий, после чего партии изделий с данной технологической линии контролируют от других до получения удовлетворительных результатов по данному показателю не менее, чем на трех последовательных партиях. 3.14 Потребитель имеет право на проведение проверки любого показателя качества, при этом необходимо соблюдать правила отбора образцов и методы испытания, установленные настоящими техническими условиями. 3.15 Перед началом производства изделий из новых композиций сырьевых материалов или при изменении технологических режимов, изготовитель обязан проводить типовые испытания. Типовые испытания проводят по всем пунктам приемо-сдаточных и периодических испытаний не менее, чем на пяти образцах, отобранных методом случайного отбора. При изготовлении новой оснастки или после ремонта оформляющих элементов оснастки проводят контроль размеров по рабочим чертежам. 4 МЕТОДЫ КОНТРОЛЯ4.1 Внешний вид, маркировка и качество поверхности продукции проводят визуально без применения увеличительных приборов. 4.2 Определение размеров по ГОСТ 29325. 4.3 Определение стойкости при постоянном внутреннем давлении проводят по ГОСТ 24157 при температуре (20±2)°С не менее чем на 3-х образцах, при температуре (95±1)°С не менее чем на 5 образцах, изготовленных из 5 единиц продукции. 4.4 Определение стойкости при постоянном внутреннем давлении сборных узлов труб и фитингов проводят по ГОСТ 24157 на образцах, соединенных между собой, различными методами, рекомендованными для данного вида фитинга. Допускается проводить испытание на образцах-гирляндах, включающих 2 или 3 сборных узла. 4.5 Изменение размеров труб после их прогрева по ГОСТ 27078. 4.6 Определение изменения внешнего вида и формы фитингов проводится при температуре прогрева - 135°С в течение 1 часа. 4.7 Определение предела текучести труб при растяжении и относительное удлинение при разрыве по ГОСТ 18599 на образцах лопатках типа I по ГОСТ 11262. 5 ТРАНСПОРТИРОВАНИЕ И ХРАНЕНИЕ5.1 Трубы и фитинги транспортируют любым видом транспорта в соответствии с правилами перевозки грузов и техническими условиями погрузки и крепления грузов, действующими на данном виде транспорта. 5.2 Трубы и фитинги должны храниться в неотапливаемых складских помещениях в условиях, исключающих вероятность механических повреждений, или в отапливаемых складах не ближе 1 м от отопительных приборов, защищенными от воздействия прямых солнечных лучей и атмосферных осадков. 5.3 Трубы должны храниться на стеллажах в штабелях высотой не более 1,5 м. 5.4 Погрузку, транспортирование и разгрузку труб и фитингов следует выполнять при температуре не ниже -10°С. При этом должны приниматься меры, исключающие возможность их механического повреждения. Запрещается сбрасывать трубы и фитинги с транспортных средств. 6 УКАЗАНИЯ ПО ПРИМЕНЕНИЮ.6.1 Соединение фитингов и труб при монтаже систем водоснабжения должно производиться в соответствии с требованиями технических условий, строительных норм, правил и инструкций, утвержденных в установленном порядке. 6.2 Фитинги и трубы могут быть соединены между собой следующими методами: - с помощью резьбовых соединений; - раструбно-стыковой сваркой нагретым инструментом. 6.3 Для выполнения сварных соединений должны применяться фитинги и трубы, изготовленные из материала одного вида. 7 ГАРАНТИИ ИЗГОТОВИТЕЛЯ.7.1 Изготовитель гарантирует соответствие труб и фитингов требованиям настоящих технических условий при соблюдении правил транспортирования, хранения и применения, установленных настоящими техническими условиями. 7.2 Гарантийный срок хранения - 3 года со дня изготовления. Приложение А
| ||||||||||||||||||||||||||||||||||||||||||||||||||||||||||||||||||||||||||||||||||||||||||||||||||||||||||||||||||||||||||||||||||||||||||||||||||||||||||||||||||||||||||||||||||||||||||||||||||||||||||||||||||||||||||||||||||||||||||||||||||||||||||||||||||||||||||||||||||||||||||||||||||||||||||||||||||||||||||||||||||||||||||||||||||||||||||||||||||||||||||||||||||||||||||||||||||||||||||||||||||||||||||||||||||||||||||||||||||||||||||||||||||||||||||||||||||||||||||||||||||||||||||||||||||||||||||||||||||||||||||||||||||||||||||||||||||||||||||||||||||||||||||||||||||||||||||||||||||||||||||||||||||||||||||||||||||||||||||||||||||||||||||||||||||||||||||||||||||||||||||||||||||||||||||||||||||||||||||||||||||||||||||||||||||||||||||||||||||||||||||||||||||||||||||||||||||||||||||||||||||||||||||||||||||||||||||||||||||||||||||||||||||||||||||||||||||||||||||||||||||||||||||||||||||||||||||||||||||||||||||||||||||||||||||||||||||||||||||||||||||||||||||||||||||||||||||||||||||||||
|
D |
А |
В |
Масса, кг/шт |
|
|
мм |
||||
|
16 |
13,0 |
24,0 |
0,010 |
|
|
20 |
14,5 |
25,0 |
0,016 |
|
|
25 |
16,0 |
32,0 |
0,028 |
|
|
32 |
18,0 |
35,0 |
0,050 |
|
|
40 |
20,5 |
42,0 |
0,070 |
|
|
50 |
23,5 |
51,0 |
0,173 |
|
|
63 |
27,5 |
62,0 |
0,363 |
|
|
75 |
30,0 |
70,0 |
0,540 |
|
|
90 |
33,0 |
80,0 |
0,825 |
|
Пример условного обозначения: угольника 90° из блок-сополимера полипропилена «Бален» марки 02003 для соединения труб диаметром 16 мм:
А.2 Угольник 45°

|
D |
A |
Масса, кг/шт |
|
|
мм |
|||
|
20 |
14,5 |
0,016 |
|
|
25 |
16,0 |
0,025 |
|
|
32 |
18,0 |
0,042 |
|
|
40 |
20,5 |
0,078 |
|
|
50 |
23,5 |
0,130 |
|
|
63 |
27,5 |
0,267 |
|
Пример условного обозначения угольника 45° из блок-сополимера полипропилена «Бален» марки 02003 для соединения труб диаметром 20 мм:
A.3 Угольник 90° внутренний/наружный

|
D |
А |
В1 |
В2 |
С |
Macca, кг/шт |
|
мм |
|||||
|
20 |
14,5 |
27,0 |
33,0 |
16,5 |
0,023 |
|
25 |
16,0 |
32,0 |
38,0 |
18,0 |
0,025 |
Пример условного обозначения:
У 90° ВН-20-РР-В ТУ 2248-004-88742502-2002
А.4 Тройник

|
D |
А |
В |
С |
Масса кг/шт |
|
мм |
||||
|
16 |
13,0 |
44,0 |
22,5 |
0,014 |
|
20 |
14,5 |
53,0 |
30,0 |
0,025 |
|
25 |
16,0 |
64,0 |
36,0 |
0,037 |
|
32 |
18,0 |
70,0 |
35,0 |
0,065 |
|
40 |
20,5 |
86,0 |
57,0 |
0,117 |
|
50 |
23,5 |
102,0 |
70,0 |
0,200 |
|
63 |
27,5 |
124,0 |
90,5 |
0,395 |
|
75 |
30,0 |
140,0 |
69,5 |
0,640 |
|
90 |
33,0 |
160,0 |
80,0 |
0,990 |
Пример условного обозначения:
Т 16-РР-В ТУ 2248-004-88742502-2002
А.5 Тройник переходной

|
D1 |
D2 |
A1 |
A2 |
в |
c |
Масса, кг/шт |
|||||
|
мм |
|||||||||||
|
20 |
16 |
14,5 |
13,0 |
53,0 |
23,0 |
0,023 |
|||||
|
25 |
20 |
16,0 |
14,5 |
64,0 |
28,0 |
0,038 |
|||||
|
32 |
20 |
18,0 |
14,5 |
70,0 |
32,0 |
0,060 |
|||||
|
32 |
25 |
18,0 |
16,0 |
70,0 |
32,5 |
0,060 |
|||||
|
40 |
20 |
20,5 |
14,5 |
60,5 |
37,0 |
0,075 |
|||||
|
40 |
25 |
20,5 |
16,0 |
86,0 |
37,5 |
0,107 |
|||||
|
40 |
32 |
20,5 |
18,0 |
86,0 |
40,5 |
0,110 |
|||||
|
50 |
32 |
23,5 |
18,0 |
102,0 |
45,0 |
0,185 |
|||||
|
50 |
40 |
23,5 |
20,5 |
89,0 |
45,0 |
0,205 |
|||||
|
63 |
32 |
27,5 |
18,0 |
124,0 |
49,0 |
0,397 |
|||||
|
63 |
40 |
27,5 |
20,5 |
97,0 |
50,0 |
0,340 |
|||||
|
63 |
50 |
27,5 |
23,5 |
110,0 |
55,0 |
0,400 |
|||||
Пример условного обозначения:
ТП 20×16-РР-В ТУ 2248-004-88742502-2002
А.6 Муфта

|
D |
А |
в |
Масса, шт/кг |
|
мм |
|||
|
16 |
13,0 |
29,0 |
0,007 |
|
20 |
14,5 |
34,0 |
0,014 |
|
25 |
16,0 |
39,0 |
0,018 |
|
32 |
18,0 |
39,0 |
0,030 |
|
40 |
20,5 |
48,0 |
0,059 |
|
50 |
23,5 |
53,0 |
0,091 |
|
63 |
27,5 |
62,0 |
0,180 |
|
75 |
30,0 |
65,0 |
0,245 |
|
90 |
33,0 |
71,0 |
0,395 |
Пример условного обозначения:
М 16-РР-В ТУ 2248-004-88742502-2002
А.7 Муфта переходная

|
D1 |
D2 |
А1 |
А2 |
В |
Масса кг/шт |
|
мм |
|||||
|
25 |
20 |
16,0 |
14,5 |
36,0 |
0,016 |
|
32 |
20 |
18,0 |
14,5 |
36,0 |
0,021 |
|
32 |
25 |
18,0 |
16,0 |
37.0 |
0,023 |
Пример условного обозначения:
МП 25×20-РР-В ТУ 2248-004-88742502-2002
А.8 Муфта переходная - внутренняя/наружная

|
D1 |
D2 |
А |
в |
Macсa, кг/шт |
|
мм |
||||
|
20 |
16 |
13.0 |
32,5 |
0,007 |
|
25 |
20 |
14,5 |
37,0 |
0,012 |
|
32 |
20 |
14,5 |
40,0 |
0,018 |
|
32 |
25 |
16,0 |
40,0 |
0,015 |
|
40 |
32 |
18,0 |
48,0 |
0,036 |
|
50 |
32 |
18,0 |
56,0 |
0,053 |
|
50 |
40 |
20,5 |
52,0 |
0,048 |
|
63 |
32 |
18,0 |
55,5 |
0,075 |
|
63 |
40 |
20,5 |
60,0 |
0,079 |
|
63 |
50 |
23,5 |
60.0 |
0,089 |
|
75 |
63 |
27,5 |
71,5 |
0,203 |
|
90 |
63 |
27,5 |
65,0 |
0,197 |
|
90 |
75 |
30,0 |
77,5 |
0,280 |
Пример условного обозначения:
МП 20×16-РР-В ТУ 2248-004-88742502-2002
А.9 Заглушка

|
D |
А |
в |
Масса, кг/шт |
|
мм |
|||
|
20 |
14,5 |
26,0 |
0,010 |
|
25 |
16,0 |
29,0 |
0,015 |
|
32 |
18,0 |
32,0 |
0,020 |
|
63 |
27,5 |
55,0 |
0,170 |
Пример условного обозначения:
З 20-РР-В ТУ 2248-004-88742502-2002
А.10 Перекрещивание

|
D, мм |
PN |
А, мм |
в, мм |
С, мм |
Масса, кг/шт |
|
16 |
20 |
47,0 |
395,0 |
90,0 |
0,048 |
|
20 |
20 |
58,0 |
390,0 |
90,0 |
0,074 |
|
25 |
20 |
65,0 |
390,0 |
90,0 |
0,113 |
|
32 |
20 |
67,0 |
375,0 |
90,0 |
0,183 |
|
40 |
20 |
75,0 |
390,0 |
90,0 |
0,282 |
|
16 |
16 |
47,0 |
395,0 |
90,0 |
0,048 |
|
20 |
16 |
58,0 |
390,0 |
90,0 |
0,074 |
|
25 |
16 |
65,0 |
390,0 |
90,0 |
0,113 |
|
32 |
16 |
67,0 |
375,0 |
90,0 |
0,183 |
Пример условного обозначения:
П 16-PP-B ТУ 2248-004-88742502-2002
А.11 Компенсирующая петля

|
D, мм |
PN |
А, мм |
В, мм |
Масса, кг/шт |
|
16 |
20 |
185,0 |
320.0 |
0,095 |
|
20 |
20 |
200,0 |
450,0 |
0,184 |
|
25 |
20 |
210,0 |
440,0 |
0,282 |
|
32 |
20 |
230,0 |
410,0 |
0,456 |
|
40 |
20 |
290,0 |
450,0 |
0,846 |
|
16 |
16 |
185.0 |
320,0 |
0,095 |
|
20 |
16 |
200,0 |
450,0 |
0,184 |
|
25 |
16 |
210,0 |
440,0 |
0,282 |
|
32 |
16 |
230,0 |
410,0 |
0,456 |
Пример условного обозначения:
КП 16-РР-В ТУ 2248-004-88742502-2002
А.12 Муфта с металлической резьбой наружной «dGK»

|
D, мм |
G |
А, мм |
В, мм |
С, мм |
Масса, кг/шт |
|
|
16 |
1/2" |
13,0 |
50,0 |
38,0 |
0,083 |
|
|
20 |
1/2" |
14,5 |
52,0 |
40,0 |
0,085 |
|
|
20 |
3/4" |
14,5 |
58,0 |
40,0 |
0,127 |
|
|
25 |
3/4" |
16,0 |
59,0 |
41,0 |
0,129 |
|
|
32 |
1" |
18,0 |
63,0 |
46,0 |
0,188 |
|
|
40 |
5/4" |
20,5 |
70,0 |
49,0 |
0,345 |
|
|
50 |
6/4" |
23,5 |
86,0 |
52,0 |
0,440 |
|
|
63 |
2" |
27,5 |
95,0 |
60,0 |
0,750 |
|
|
75 |
21/2" |
30,0 |
107,5 |
65,0 |
1,100 |
|
Пример условного обозначения:
МКНР 16-РР-В ТУ 2248-004-88742502-2002
А.13 Муфта с металлической резьбой внутренней «dGK»

|
D, мм |
G |
А, мм |
В, мм |
Маccа, кг/шт |
|
16 |
1/2" |
13,0 |
38,0 |
0,055 |
|
20 |
1/2" |
14,5 |
40,0 |
0,056 |
|
20 |
3/4" |
14,5 |
45,0 |
0,093 |
|
25 |
1/2" |
16,0 |
46,5 |
0,074 |
|
25 |
3/4" |
16,0 |
47,0 |
0,098 |
|
32 |
1" |
18.0 |
57,0 |
0,175 |
|
40 |
5/4" |
20,5 |
69,0 |
0,298 |
|
50 |
6/4" |
23,5 |
62,0 |
0,363 |
|
63 |
2" |
27,5 |
106,0 |
0,793 |
Пример условного обозначения:
МКВР 16-РР-В ТУ 2248-004-88742502-2002
А.14 Муфта с металлической резьбой внутренней «dGK» с крестом

|
D, мм |
G |
А, мм |
В, мм |
Масса, кг/шт |
|
20 |
1/2" |
14,5 |
40,0 |
0,059 |
Пример условного обозначения:
МКВРК 20-РР-В ТУ 2248-004-88742502-2002
А.15 Муфта с металлической вставкой и накидной гайкой

|
D, мм |
G |
А, мм |
в, мм |
Маcса, кг/шт |
|
16 |
1/2" |
13,0 |
37,0 |
0,105 |
|
16 |
3/4" |
13,0 |
37,0 |
0,154 |
|
20 |
1/2" |
14.5 |
40,0 |
0,103 |
|
20 |
3/4" |
14,5 |
39,0 |
0,127 |
|
20 |
1" |
14,5 |
45,0 |
0,243 |
|
25 |
1" |
16,0 |
47,0 |
0,248 |
|
32 |
5/4" |
18,0 |
57,0 |
0,353 |
|
накидная гайка с отверстием для пломбы |
||||
|
16 |
3/4" |
13,0 |
39,0 |
0,121 |
|
20 |
3/4" |
14,5 |
39,0 |
0,127 |
Пример условного обозначения:
МКНГ 16-РР-В ТУ 2248-004-88742502-2002
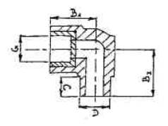
А.16 Угольник 90° с металлической резьбой наружной

|
D, мм |
G |
А, мм |
В1, мм |
В2, мм |
Масса, кг/шт |
|
20 |
1/2" |
14,5 |
27,0 |
35,0 |
0,067 |
|
20 |
3/4" |
14,5 |
27,0 |
35,0 |
0,137 |
|
25 |
3/4" |
16,0 |
30,0 |
36,0 |
0,142 |
|
32 |
1" |
18,0 |
36,0 |
43,0 |
0,212 |
Пример условного обозначения:
УКНР 20-РР-В ТУ 2248-004-88742502-2002
А.17 Угольник 90° с металлической резьбой внутренней

|
D, мм |
G |
А, мм |
В1, мм |
В2, мм |
масса, кг/шт |
|
20 |
1/2" |
14,5 |
27,0 |
35,0 |
0,066 |
|
20 |
3/4" |
14,5 |
27,0 |
40,0 |
0,110 |
|
25 |
3/4" |
16,0 |
30,0 |
41,0 |
0,110 |
|
32 |
1" |
18,0 |
36,0 |
51,0 |
0,190 |
Пример условного обозначения:
УКВР 20-РР-В ТУ 2248-004-88742502-2002
А.18 Угольник с металлической резьбой внутренней и креплением

|
D, мм |
G |
А, мм |
В1, мм |
В2, мм |
масса, кг/шт |
|
16 |
1/2" |
13,0 |
35,0 |
23,0 |
0,068 |
|
20 |
1/2" |
14,5 |
35,0 |
26,4 |
0,069 |
|
25 |
3/4" |
16,0 |
40,0 |
40,0 |
0,130 |
Пример условного обозначения:
УКВРК 16-РР-В ТУ 2248-004-88742502-2002
А.19 Угольник внутренний с металлической резьбой внутренней и креплением

|
D, мм |
G |
В1, мм |
В2, мм |
С, мм |
масса, кг/шт |
|
20 |
1/2" |
35,0 |
35,0 |
14,5 |
0,064 |
Пример условного обозначения:
УКВК 20-РР-В ТУ 2248-004-88742502-2002
А.20 Тройник с металлической резьбой внутренней и креплением

|
D, мм |
G |
В, мм |
Ро, мм |
масса, кг/шт |
|
20 |
1/2" |
47,5 |
66,0 |
0,075 |
Пример условного обозначения:
ТКВК 20-РР-В ТУ 2248-004-88742502-2002
А.21 Универсальный настенный комплект

|
D, мм |
G |
А, мм |
В, мм |
С, мм |
Е, мм |
Масса, кг/шт |
|
20 |
1/2" |
14,5 |
46,0 |
100/150 |
232,0 |
0,205 |
Пример условного обозначения:
уНК 20-РР-В ТУ 2248-004-88742502-2002
А.22 Тройник с металлической резьбой внутренней

|
D, мм |
G |
А, мм |
В, мм |
С, мм |
Масса, кг/шт |
|
20 |
1/2" |
14,5 |
60,0 |
35,0 |
0,075 |
|
25 |
1/2" |
16,0 |
80,0 |
40,0 |
0,085 |
|
25 |
3/4" |
16,0 |
80,0 |
40,0 |
0,133 |
|
32 |
1" |
18,0 |
80,0 |
55,0 |
0,232 |
Пример условного обозначения:
ТКВР 20-РР-В ТУ 2248-004-88742502-2002
А.23 Тройник с дренажным сливом

|
D |
А |
В |
С |
Масса, кг/шт |
||
|
мм |
||||||
|
20 |
14,5 |
60,0 |
35,0 |
0,126 |
||
|
25 |
16,0 |
80,0 |
40,0 |
0,207 |
||
|
32 |
18,0 |
80,0 |
55,0 |
0,341 |
||
Пример условного обозначения:
ТДС 20-РР-В ТУ 2248-004-88742502-2002
А.24 Проходной вентиль

|
D |
А |
В |
С |
Масса кг/шт |
|||
|
мм |
|||||||
|
20 |
14,5 |
70,0 |
28,0 |
0,148 |
|||
|
25 |
16,0 |
80,0 |
30,0 |
0,266 |
|||
|
32 |
18,0 |
90,0 |
37,0 |
0,430 |
|||
|
40 |
20,5 |
113,0 |
44,0 |
0,657 |
|||
|
50 |
23,5 |
135,0 |
51,0 |
0.768 |
|||
|
63 |
27,5 |
160,0 |
60,0 |
1,294 |
|||
Пример условного обозначения:
ПВ 20-РР-В ТУ 2248-004-88742502-2002
А.25 Шаровой кран

|
D |
А |
В |
Масса, кг/шт |
|
мм |
|||
|
20 |
14,5 |
63,0 |
0,145 |
|
25 |
16,0 |
71,0 |
0,212 |
|
32 |
18.0 |
79,5 |
0,304 |
|
40 |
20,5 |
85,0 |
0,326 |
Пример условного обозначения:
ШК 20-РР-В ТУ 2248-004-88742502-2002
А.26 Проходной вентиль с выпускным клапаном (правый/левый)

|
D |
А |
В |
С |
Масса, кг/шт |
|
мм |
||||
|
Правый |
||||
|
40 |
20,5 |
113,0 |
44,0 |
0,691 |
|
50 |
23,5 |
135,0 |
51,0 |
0,811 |
|
63 |
27,5 |
160,0 |
60,0 |
1,328 |
|
Левый |
||||
|
40 |
20,5 |
113,0 |
44.0 |
0,691 |
|
50 |
23,5 |
135,0 |
51,0 |
0,811 |
|
63 |
27,5 |
160,0 |
60.0 |
1,328 |
Пример условного обозначения:
ПВВК 40-РР-В ТУ 2248-004-88742502-2002
А.27 Разборное соединение

|
D |
|
А |
В |
С |
Маccа, кг/шт |
|
мм |
|||||
|
20 |
|
30,0 |
75,0 |
37.5 |
0,076 |
|
25 |
|
38,0 |
79,0 |
39,5 |
0,127 |
|
32 |
|
46,0 |
95,0 |
47,5 |
0,204 |
|
Пласт-металл |
|
||||
|
20 |
1/2 |
30,0 |
75,0 |
37,5 |
0,109 |
Пример условного обозначения:
МКР 20-РР-В ТУ 2248-004-88742502-2002
А.28 Фланцевое соединение

D |
с |
D1 |
D2 |
Масса, кг/шт |
|
мм |
||||
|
40 |
58,0 |
100,0 |
140,0 |
1,670 |
|
50 |
60,0 |
110,0 |
150,0 |
1,990 |
|
63 |
62,0 |
125,0 |
160,0 |
2,170 |
|
75 |
72,0 |
160,0 |
200,0 |
3,469 |
|
90 |
92,0 |
160,0 |
200,0 |
3,580 |
Пример условного обозначения:
ФС 40-РР-В ТУ 2248-004-88742502-2002
А.29 Муфта с пластмассовой резьбой наружной «dG»

|
D, мм |
G |
А, мм |
В, мм |
Масса, кг/шт |
|
20 |
1/2" |
14,5 |
40,0 |
0,015 |
|
20 |
3/4" |
14,5 |
38,0 |
0,010 |
|
25 |
3/4" |
16,0 |
42,0 |
0,018 |
|
32 |
1" |
18,0 |
54,0 |
0,037 |
|
40 |
5/4" |
20,5 |
62,0 |
0,075 |
|
50 |
6/4" |
23,5 |
58,0 |
0,150 |
|
63 |
2" |
27,5 |
74,0 |
0.220 |
Пример условного обозначения:
МРН 20-РР-В ТУ 2248-004-88742502-2002
А.30 Пластмассовый штуцер с накидной гайкой

|
D, мм |
G |
В, мм |
Масса, кг/шт |
|
20 |
3/4" |
38,0 |
0,034 |
|
25 |
1" |
40,0 |
0,074 |
|
32 |
5/4" |
47,5 |
0,100 |
|
Накидная гайка с отверстием для пломбы |
|||
|
20 |
3/4" |
38,0 |
0,044 |
Пример условного обозначения:
ШНГ 20-РР-В ТУ 2248-004-88742502-2002
А.31 Муфта с накидной гайкой

|
D, мм |
G |
А, мм |
В, мм |
Масса, кг/шт |
|
16 |
1/2" |
13,0 |
29,0 |
0,032 |
|
20 |
1/2" |
14,5 |
34,0 |
0,037 |
|
20 |
3/4" |
14,5 |
34,0 |
0,050 |
|
25 |
3/4" |
16,0 |
39,0 |
0,055 |
|
25 |
1" |
16,0 |
39,0 |
0,092 |
|
32 |
1" |
18,0 |
39,0 |
0,097 |
|
Накидная гайка с отверстием для пломбы |
||||
|
20 |
3/4" |
14,5 |
34,0 |
0,050 |
|
25 |
3/4" |
16,0 |
39,0 |
0,055 |
Пример условного обозначения:
МНГ 16-РР-В ТУ 2248-004-88742502-2002
А.32 Угольник 90° с накидной гайкой

|
D, мм |
G |
А, мм |
В, мм |
Масса, кг/шт |
|
20 |
1/2" |
14,5 |
27,0 |
0,048 |
|
20 |
3/4" |
14,5 |
27,0 |
0,050 |
Пример условного обозначения:
у 90° НГ 20-РР-В ТУ 2248-004-88742502-2002
А.33 Опора

|
D, мм |
Масса, кг/шт |
|
16 |
0,004 |
|
20 |
0,005 |
|
25 |
0,006 |
|
32 |
0,008 |
|
С ленточкой |
|
|
40 |
0,020 |
|
50 |
0,035 |
|
63 |
0,045 |
|
75 |
0,100 |
|
90 |
0,120 |
Пример условного обозначения:
О 16-РР-В ТУ 2248-004-88742502-2002
А.34 Двойная опора

|
D, мм |
Масса, кг/шт |
|
2×20 |
0,010 |
|
2×25 |
0,015 |
Пример условного обозначения:
ДО 2×20-РР-В ТУ 2248-004-88742502-2002
А.35 Тройник с накидной гайкой

|
D, мм |
G |
А, мм |
В, мм |
С, мм |
Масса, кг/шт |
|
20 |
3/4" |
14,5 |
53,0 |
30,0 |
0,059 |
|
25 |
3/4" |
16,0 |
64,0 |
36,0 |
0,072 |
|
25 |
1" |
16,0 |
64,0 |
36,0 |
0,111 |
|
32 |
3/4" |
18,0 |
70,0 |
45,0 |
0,094 |
|
32 |
1" |
18,0 |
70,0 |
45,0 |
0,134 |
|
Накидная гайка с отверстием для пломбы |
|||||
|
20 |
3/4" |
14,5 |
53,0 |
30,0 |
0,069 |
Пример условного обозначения:
|
Средний наружный диаметр, мм |
Масса 1 п.м. трубы, кг, типа |
||
|
PN 10 |
PN 20 |
PN 25 |
|
|
16 |
0,08 |
0,104 |
0,125 |
|
20 |
0,107 |
0,160 |
0,193 |
|
25 |
0,164 |
0,250 |
0,301 |
|
32 |
0,267 |
0,409 |
0,493 |
|
40 |
0,412 |
0,635 |
0,765 |
|
50 |
0,638 |
0,99 |
1,19 |
|
63 |
1,01 |
1,57 |
1,89 |
|
75 |
1,42 |
2,23 |
2,68 |
|
90 |
2,03 |
3,21 |
3,86 |
|
110 |
3,01 |
4,79 |
5,76 |
Примечание - Теоретическую массу трубы вычисляют при средней плотности ~ 0,9 г/см3.
|
Наружный диметр, мм |
Количество труб в 1-й упаковке, шт. |
Количество труб в 1-й упаковке, п.м. |
Ориентировочная масса 1-й упаковки, кг |
|
|
PN 10 |
PN 25 |
|||
|
12 |
696 |
4176 |
200,45 |
296,5 |
|
16 |
696 |
4176 |
334,08 |
512,56 |
|
20 |
696 |
4176 |
446,83 |
805,97 |
|
25 |
696 |
4176 |
684,86 |
1256,98 |
|
32 |
696 |
4176 |
1114,99 |
2058,77 |
|
40 |
696 |
4176 |
1720,51 |
3194,60 |
|
50 |
437 |
2622 |
1672,84 |
|
|
63 |
285 |
1710 |
1727,1 |
3231,9 |
|
90 |
90 |
360 |
730,8 |
1389,6 |
|
110 |
90 |
360 |
1083,6 |
2073,6 |
Примечание - При длине отдельной трубы -6 м.
|
Обозначение HД, на который дана ссылка |
Номер пункта, подпункта |
|
2.4 |
|
|
ГОСТ 12.3.030-83 |
2.1 |
|
2.3 |
|
|
1.2.2. |
|
|
4.7 |
|
|
ГОСТ 12302-83 |
1.4.1 |
|
ГОСТ 17711-93 |
1.2.2 |
|
ГОСТ 17811-78 |
1.4.1 |
|
4.7 |
|
|
ГОСТ 24157-80 |
4.3; 4.4 |
|
ГОСТ 26996-86 |
1.2.1 |
|
ГОСТ 29325-92 |
4.2 |
|
Изменения |
Номер листов (страниц) |
Всего листов (страниц) в документе |
Номер документа |
Вход.№ сопров. документа и дата |
Подпись |
Дата |
|||
|
Измененных |
Замененных |
новых |
Аннулированных |
||||||
|
|
|
|
|
|
|
|
|
|
|
|
|
|
|
|
|
|
|
|
|
|
|
Код ЦСМ |
01 |
060 |
Группа КГС (ОКС) |
02 |
Л-26 |
Регистрационный номер |
03 |
006318 |
|
|||||||||||||||||||||||||||||||||||||||||||||||||||||||||||||||||||||||||||||||||||||||||||||||||||||||||||||||||||||||||||||||||||||||||||||||||||||||||||||||||||||||||||||||||||||||||||||||||||||||||||||||||||||||||||||||||||||||||||||||||||||||||||||||||||||||||||||||||||||||||||||||||||||||||||||||||||||||||||||||||||||||||||||||||||
Предназначены для трубопроводов, транспортирующих холодную воду с номинальным рабочим давлением не выше 1,0 МПа, горячую воду с температурой до 75°С и номинальным рабочим давлением не выше 0,6 МПа и другие жидкие и газообразные вещества
|
Основные характеристики |
||
|
|
Для труб |
Для фитингов |
|
1 Стойкость при постоянном внутреннем давлении при температуре 20°С, контрольное время испытаний при начальном напряжении: 16 МПа, не менее, ч |
1 |
1 |
|
2 Стойкость при постоянном внутреннем давлении при температуре 95°С, контрольное время испытаний при начальном напряжении: 2,5 МПа, не менее, ч |
100 |
- |
|
3 Стойкость при постоянном внутреннем давлении при температуре 95°С, контрольное время испытаний при начальном напряжении: 2,5 МПа, не менее, ч |
1000 |
- |
|
4 Изменение длины после прогрева, не более, % |
1 |
- |
|
5 Изменение внешнего вида после прогрева |
- |
не должно быть пузырей, раковин, трещин, изменения формы |
|
6 Предел текучести при растяжении, не менее, МПа (кгс/см2) |
21,0 (214) |
- |
|
7 Относительное удлинение при разрыве, не менее, % |
350 |
- |
|
|
|
|