Приложение к технической оценке
ТО-07-1645-06
система ALUCOM
АЛЬБОМ ТЕХНИЧЕСКИХ
РЕШЕНИЙ
Доработаны и одобрены ФЦС
Конструкция навесной фасадной системы с воздушным зазором
для облицовки плитами из керамики и керамогранита с видимым креплением
г. Москва 2006г
Содержание
|
Спецификация применяемых изделий
и материалов
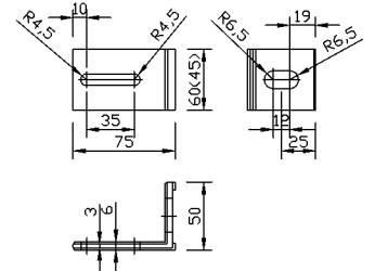
Кронштейн AW 15-45, AW 13-45, AW 19-60
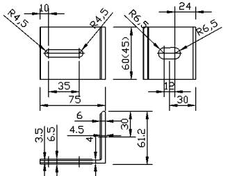
Кронштейн AW 24-60, AW 24-60
Кронштейн ALK 75-45, ALK 95-45, ALK 115-60
Кронштейн ALK 135-60, ALK 155-60, ALK 175-60
Кронштейн ALK 195-60, ALK 215-60 удлинитель AUK 170-60
Схема сборки
элементов подконструкции и плит керамогранита Вариант 1
Схема
расположения кляммеров при монтаже керамогранита на фасаде Вариант 1
Схема сборки
элементов подконструкции и плит керамогранита Вариант 2
Схема
расположения кляммеров при монтаже керамогранита на фасаде Вариант 2
Монтажная
схема
Узел крепления
кронштейна к стене здания
Узел крепления
вертикальной направляющей в кронштейнах
Узел
наращивания кронштейна удлинителем AUK 170-60
Узел крепления
направляющей к удлинителю AUK
170-60 и кронштейну ALK
195-60.
Схеме
крепления утеплителя (минераловатные плиты)
Привязка
элементов фасада.
Узел крепления
Вертикальной направляющей в кронштейнах
Узел крепления
керамогранита в направляющей
Узел крепления
керамогранита в направляющей
Схема
крепления противопожарных отсечек (материал: сталь оцинкованная t=0.55мм)
Схема
установки оконного обрамления (материал: сталь оцинкованная t=0.55мм)
Узел крепления
керамогранита на внутреннем углу фасада
Узел крепления
феода на наружнем углу здания
Узел
примыкания фасада к оконному проему, нижний
Узел
примыкания фасада к оконному проему, боковой
Узел
примыкания фасада с воздушным зазором к парапету
Узел
примыкания фасада с воздушным зазором к карнизу
Узел
примыкания фасада с воздушным зазором к цоколю
Схема
установки преград с применением утеплителя на углах здания (минераловатные
плиты)
ИНСТРУКЦИЯ по
монтажу навесного вентилируемого фасада системы" АLUСОМ"
|
|
Поз №
|
Обозначение
|
Наименование
|
Общий вид
|
Примечание
|
|
(1)
|
(2)
|
(3)
|
(4)
|
(5)
|
|
1
|
AW17
|
Направляющая
АД31Т1 (ГОСТ 4784-97)
|

|
|
|
2
|
AW18
|
Направляющая
АД31Т1 (ГОСТ 4784-97)
|

|
|
|

|
|
70
|
AW 154-5А
|
Кронштейн несущий
Н=45 мм L=75 мм
АД31Т1 (ГОСТ 4784-97)
|

|
Без отв. для
регулировки относа
|
|
71
|
AW1545
|
Кронштейн несущий
Н=45 мм L=75 мм
АД31Т1 (ГОСТ 4784-97)
|

|
|
|
72
|
AW 15-60А
|
Кронштейн несущий
Н=60 мм L=75 мм
АД31Т1 (ГОСТ 4784-97)
|

|
Без отв. для
регулировки относа
|
|
73
|
AW15-60
|
Кронштейн несущий
Н=60 мм L=75 мм
АД31Т1 (ГОСТ 4784-97)
|

|
|
|
74
|
AW 13-45A
|
Кронштейн несущий
Н=45 мм L=135 мм
АД31Т1 (ГОСТ 4784-97)
|

|
Без отв. для
регулировки относа
|
|
(1)
|
(2)
|
(3)
|
(4)
|
(5)
|
|
75
|
AW 13-45
|
Кронштейн
несущий
H=45 мм L=135 мм
АД31Т1 (ГОСТ 4784-97)
|

|
|
|
76
|
AW 19-60A
|
Кронштейн несущий
H=60 мм L=150 мм
АД31Т1 (ГОСТ 4784-97)
|

|
Без отв. для
регулировки относа
|
|
77
|
AW 19-60
|
Кронштейн несущий
Н=60 мм L=150 мм
АД31Т1 (ГОСТ 4784-97)
|

|
|
|
78
|
AW 19-90A
|
Кронштейн несущий
Н=90 мм L=150 мм
АД31Т1 (ГОСТ 4784-97)
|

|
Без отв. для
регулировки относа
|
|
79
|
AW 19-90
|
Кронштейн несущий
Н=90 мм L=150 мм
АД31Т1 (ГОСТ 4784-97)
|

|
|
|
80
|
AW 23-60
|
Кронштейн несущий
Н=60 мм L=210 мм
АД31Т1 (ГОСТ 4784-97)
|

|
|
|
81
|
AW 23-90
|
Кронштейн несущий
Н=90 мм L=210 мм
АД31Т1 (ГОСТ 4784-97)
|

|
|
|
(1)
|
(2)
|
(3)
|
(4)
|
(5)
|
|
82
|
AW 23-120
|
Кронштейн несущий
H=120 мм L=210 мм
АД31Т1 (ГОСТ 4784-97)
|

|
|
|
83
|
AW 24-60A
|
Кронштейн несущий
Н=60 мм L=175 мм
АД31Т1 (ГОСТ 4784-97)
|

|
|
|
84
|
AW 24-60
|
Кронштейн несущий
Н=60 мм L=175 мм
АД31Т1 (ГОСТ 4784-97)
|

|
|
|
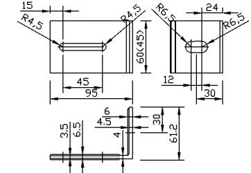
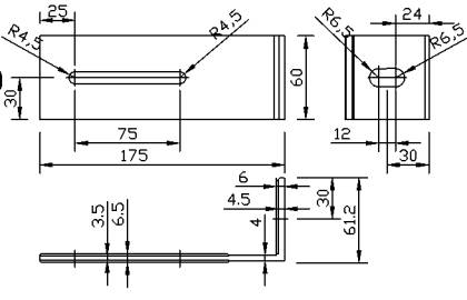
85
|
ALK 75-45
|
Кронштейн несущий
Н=45 мм L=75 мм
АД31Т1 (ГОСТ 4784-97)
|

|
|
|
86
|
ALK 75-60
|
Кронштейн несущий
Н=60 мм L=75 мм
АД31Т1 (ГОСТ 4784-97)
|

|
|
|
87
|
ALK 95-45
|
Кронштейн несущий Н=45 мм L=95 мм
АД31Т1 (ГОСТ 4784-97)
|

|
|
|
(1)
|
(2)
|
(3)
|
(4)
|
(5)
|
|
88
|
ALK 95-60
|
Кронштейн несущий
H=60 мм L=95 мм
АД31Т1 (ГОСТ 4784-97)
|

|
|
|
89
|
ALK115-60
|
Кронштейн несущий
Н=60 мм 1У115 мм
АД31Т1 (ГОСТ 4784-97)
|

|
|
|
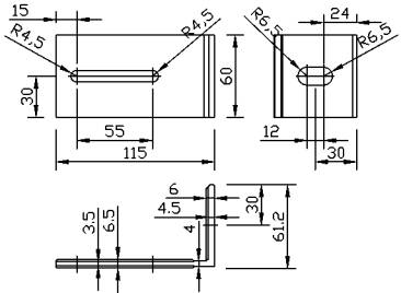
90
|
ALK 135-60
|
Кронштейн несущий
Н=60 мм L=135 мм
АД31Т1 (ГОСТ 4784-97)
|

|
|
|
91
|
ALK 155-60
|
Кронштейн несущий
Н=60 мм L=155 мм
АД31Т1 (ГОСТ 4784-97)
|

|
|
|
92
|
ALK 175-60
|
Кронштейн несущий
Н=60 мм L=175 мм
АД31Т1 (ГОСТ 4784-97)
|

|
|
|
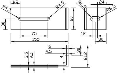
93
|
ALK 195-60
|
Кронштейн несущий
Н=60 мм L=195 мм
АД31Т1 (ГОСТ 4784-97)
|

|
|
|
94
|
ALK 215-60
|
Кронштейн несущий
Н=60 мм L=215 мм
АД31Т1 (ГОСТ 4784-97)
|

|
|
|
(1)
|
(2)
|
(3)
|
(4)
|
(5)
|
|
95
|
AUK 170-60
|
Удлинитель
L=170 мм
АД31Т1 (ГОСТ 4784-97)
|

|
|
|
9
|
AW 4
|
Профиль
алюминиевый
АД31Т1 (ГОСТ 4784-97)
|

|
|
|
10
|
AW3
|
Профиль
алюминиевый
АД31Т1 (ГОСТ 4784-97)
|

|
|
|
14
|
AW 6
|
Профиль алюминиевый
АД31Т1 (ГОСТ 4784-97)
|

|
|
|
15
|
AW 5
|
Профиль
алюминиевый
АД31Т1 (ГОСТ 4784-97)
|

|
|
|
37
|
ПП-1
|
терморазрывный элемент паронитовый ПОН-Б
|

|
|
|
37
|
ПП-2
|
терморазрывный элемент сополимер полипропилена по ГОСТ 26996-86
|

|
|
|
45
|
AB10
|
Алюминиевая шайба Эля фиксации кронштейна от сдвига диам. отв. 10
мм
пластина 28×28×2
АД31Т1 (ГОСТ 4784-97)
|

|
|
|
(1)
|
(2)
|
(3)
|
(4)
|
(5)
|
|
40
|

|
Болт, гровер и гайка М8 из коррозионнастойкой стали 12×18Н10Т
|

|
|
|
28
|

|
Заклепка алюминиевая вытяжная с сердечником из коррозионностойкой стали
|

|
|
|
60
|

|
Заклепка вытяжная из коррозионностойкой стали
|

|
|
|
31
|

|
Заглушка декоративная пластиковая
|

|
|
|
39
|

|
Саморез 4.2×19 с полукруглой головкой и сверлом DIN7504M сталь марки 12×18Н9
|

|
|
|
24
|
KK-1
|
Кляммер концевой диам. ото. 4
мм 12×18Н10Т
(Г0СТ 5632-72)
|

|
|
|
25
|
Kfl-1
|
Кляммер дистанционный диам. отв. 4
мм 12×18Н10Т1 (Г0СТ 5632-72)
|

|
|
|
26
|
КП-1
|
Кляммер поворотный 12×18Н10Т1 (Г0СТ 5632-72)
|

|
|
|
61
|
КК-2
|
Кляммер концевой диам. отв. 4
мм 12×18Н10Т1 (Г0СТ 5632-72)
|

|
|
|
62
|
КП-2
|
Кляммер поворотный 12×18Н10Т1 (Г0СТ 5632-72)
|

|
|
|
27
|
УС 3
|
Усилитель угловой диам. отв. 5,2
мм
пластина 40×25×2
|

|
|
|
(1)
|
(2)
|
(3)
|
(4)
|
(5)
|
|
44
|
ПР-625
|
Уплотнитель резиновый под плитку К 0031
|

|
|
|
54
|

|
Дюбель-анкер lля крепления кронштейнов к несущей
стене
|

|
Тип и длина
анкера определяется проектной документации
|
|
55
|

|
Дюбель тарельчатый
для крепления утеплителя к стене
|

|
Тип и длина
анкера определяется проектной документации
|
|
56
|

|
Утеплитель
|

|
Тип и толщина
утеплителя определяется
проектной документацией
|
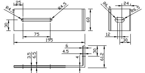
Кронштейн AW 15-45, AW 13-45, AW 19-60

Кронштейн AW 15-45, AW 15-65
Материал кронштейна: алюминиевый сплав АД-31Т1 (ГОСТ 4784-97)

Кронштейн AW 13-45
Материал кронштейна: алюминиевый сплав АД-31Т1 (ГОСТ 4784-97)

Кронштейн AW 19-60
Материал кронштейна: алюминиевый сплав АД-31Т1 (ГОСТ 4784-97)
Кронштейн AW 24-60, AW 24-60

Кронштейн AW 24-60
Материал кронштейна: алюминиевый сплав АД-31Т1 (ГОСТ 4784-97)

Кронштейн AW 23-60
Материал кронштейна: алюминиевый сплав АД-31Т1 (ГОСТ 4784-97)
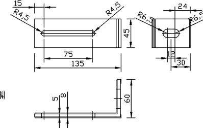
Кронштейн ALK 75-45, ALK 95-45, ALK 115-60

Кронштейн ALK 75-45, ALK 75-60
Материал кронштейна: алюминиевый сплав АД-31Т1 (ГОСТ 4784-97)

Кронштейн ALK 95-45, ALK 95-60
Материал кронштейна: алюминиевый сплав АД-31Т1 (ГОСТ 4784-97)

Кронштейн ALK 115-60
Материал кронштейна: алюминиевый сплав АД-31Т1 (ГОСТ 4784-97)
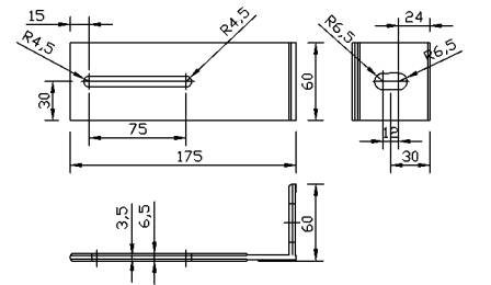
Кронштейн ALK 135-60, ALK 155-60, ALK 175-60

Кронштейн
ALK 135-60
Материал кронштейна: алюминиевый сплав АД-31Т1 (ГОСТ 4784-97)

Кронштейн ALK 155-60
Материал кронштейна: алюминиевый сплав АД-31Т1 (ГОСТ 4784-97)

Кронштейн ALK 175-60
Материал кронштейна: алюминиевый сплав АД-31Т1 (ГОСТ 4784-97)
Кронштейн ALK 195-60, ALK 215-60 удлинитель AUK 170-60

Кронштейн
ALK 195-60
Материал кронштейна: алюминиевый сплав АД-31Т1 (ГОСТ 4784-97)

Кронштейн
ALK 215-60
Материал кронштейна: алюминиевый сплав АД-31Т1 (ГОСТ 4784-97)

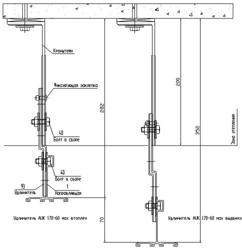
Удлинитель
AUK 170-60
Материал удлинителя: алюминиевый сплав АД-31Т1 (ГОСТ 4784-97)

Схема расположения кляммеров при монтаже керамогранита на фасаде Вариант 1

Схема сборки элементов подконструкции и плит керамогранита Вариант 2

Схема расположения кляммеров при монтаже керамогранита на фасаде Вариант 2

(на примере Варианта 1)

Монтажная схема (на примере Варианта 1)

Монтажная схема (на примере варианта 1)

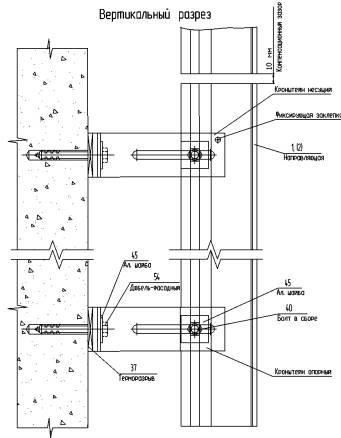
Узел крепления кронштейна к стене здания
Вертикальный вид

Горизонтальный вид

Узел крепления вертикальной
направляющей в кронштейнах
Горизонтальный разрез

Узел крепления вертикальной
направляющей в кронштейнах
Горизонтальный разрез

Узел наращивания кронштейна удлинителем AUK 170-60
Вертикальный вид

Узел крепления направляющей к удлинителю AUK 170-60 и кронштейну ALK 195-60.
Горизонтальный разрез (для утеплителя 200
мм)

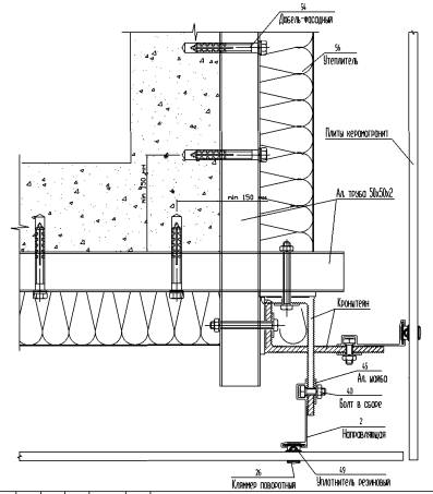
Схеме крепления
утеплителя (минераловатные
плиты)

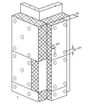
Схема крепления утеплителя на углу здания

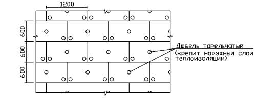
1. Основной типоразмер минераловатных плит для
вентилируемых Фасадов - 600×1000, 600×1200.
2.
Крепление утеплителя к стене осуществляется тарельчатыми
дюбелями из расчета 5 шт на 1 плиту.
3.
В - толщина утеплителя.
Дополнительная установка утеплителя на углах здания (минераловатные плиты)


1 Типоразмер
минераловатных дополнительных плит для вентилируемых фасадов - 300×1000,
300×1200.
2 Крепление
дополнительных плит утеплителя к стене осуществляется тарельчатыми дюбелями из
расчета 4 шт на 1 плиту.
3
В - толщина утеплителя.
Принципиальная схема установки утеплителя

Принципиальная схема установки двухслойного утеплителя
Схема установки внутреннего слоя

Схема установки внешнего слоя.
Устанавливается с перевязкой
горизонтальных и вертикальных швов минимум на 150 мм.

Схема установки ветрогидрозащитной мембраны

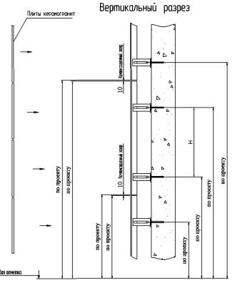
Привязка элементов фасада.

Размер Н не более 1400 мм, в зависимости от высоты здания, климатической зоны (ветровой нагрузки) и плотности плит.
Узел
крепления Вертикальной
направляющей в кронштейнах


Узел крепления керамогранита в направляющей
Горизонтальный разрез

Схема крепления противопожарных отсечек (материал: сталь оцинкованная t=0.55мм)

Схема установки оконного обрамления (материал: сталь оцинкованная t=0.55мм)

Узел крепления керамогранита на внутреннем углу фасада
Горизонтальный разрез

Узел крепления феода на наружнем углу здания

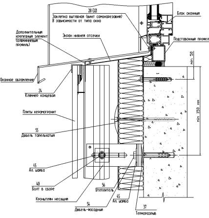
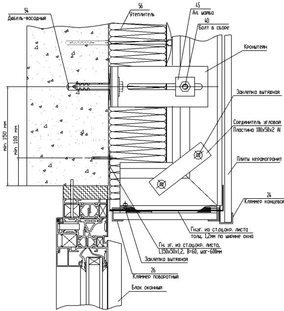
Узел примыкания фасада к оконному проему, нижний

Узел примыкания фасада к оконному проему, боковой

Узел примыкания фасада
к оконному проему, боковой

Узел примыкания фасада
к оконному проему, верхний

Узел примыкания фасада
к оконному проему, Верхний

Узел примыкания фасада с воздушным зазором к парапету

Узел примыкания фасада с воздушным зазором к карнизу

Узел примыкания фасада с воздушным зазором к цоколю

Схема установки преград с применением утеплителя на углах здания (минераловатные плиты)
Наружный угол

Внутренний
угол

ИНСТРУКЦИЯ
по монтажу навесного вентилируемого фасада системы"
АLUСОМ"
Система навесных фасадов"ALUСОМ" является комплексным решением задач стоящих перед архитекторами и строителями по утеплению и облицовке зданий и сооружений любого типа и назначения.
1 Установка крепежных кронштейнов.
После разметки здания, в местах предусмотренных проектом устанавливаются направляющие 1, 2 и кронштейны. Кронштейны крепятся к стене при помощи различных устойчивых к коррозии анкеров, в зависимости от материала несущей стены. Крепление осуществляется через алюминиевую шайбу АВ 10 которая увеличивает прочность Зонного узла.
2. Установка утеплителя.
В качестве теплоизоляции в системах вентилируемых навесных фасадов конструкций "АLUСОМ" используются жесткие гидрофобизированные плиты из минеральной ваты на основе базальтовых пород - Венти Баттс, производства компании RDCKWOOL.
Плиты размером 1000×600 крепятся на фасаде здания при помощи пластиковых анкеров с сердечником из нержавеющей стали, Эля чего в стене сверлятся отверстия куба и Вставляются анкера шляпки которых надежно прижимают плиты к фасаду. Как правило устанавливается 5 шт. на одну плиту. Для установки плит на уже закрепленные к фасаду кронштейны в необходимых местах в плитах делаются прорезы.
3. Установка направляющих.
Жесткое крепление направляющих 1, 2 предусмотрено только на верхнем кронштейне каждой направляющей при помощи - 1 шт. алюминиевых заклепок 4.8×16 со штифтом из нержавеющей стали что обеспечивает такую фиксацию направляющей 1,1 при которой задается направление ее перемещения, только Вниз при термическом расширении.

Нижняя и средняя часть направляющих 1, 2 фиксируется болтом М8 в сборе (болт+гайка+гробер) через шайбу АВ 10, оставляя возможность направляющей перемещайся вертикально при термических расширениях
При необходимости надо устанавливать дополнительные кронштейны при большой длине направляющих.
4. Монтаж наружного экрана
Монтаж наружного экрана осуществляется путем навески на кляммеры которые вставляется в пазы направляющей, концевой, дистанционный кляммера приклепываются к направляющей.
Нижний поворотный кляммер зафиксирован дистанционным кляммером, а верхний прижат плиткой.