//
|
|
ГАЙКИ ВЫСОКОПРОЧНЫЕ ШЕСТИГРАННЫЕ С УВЕЛИЧЕННЫМ РАЗМЕРОМ ПОД КЛЮЧ ДЛЯ МЕТАЛЛИЧЕСКИХ КОНСТРУКЦИЙ Технические условия ISO 4775:1984 Hexagon nuts for high-strength structural bolting with large width across flats - Product grade В - Property classes 8 and 10 (MOD)
Предисловие Цели и принципы стандартизации в Российской Федерации
установлены Федеральным законом от 27 декабря Сведения о стандарте 1 ПОДГОТОВЛЕН рабочей группой в составе Общества с ограниченной ответственностью «Научно-производственный центр мостов» (ООО «НПЦ мостов») и Закрытого акционерного общества «Центральный научно-исследовательский и проектный институт строительных металлоконструкций им. Н.П. Мельникова» (ЗАО «ЦНИИ ПСК им. Н.П. Мельникова») на основе собственного аутентичного перевода стандарта, указанного в пункте 4 2 ВНЕСЕН Техническим комитетом по стандартизации ТК 229 «Крепежные изделия» 3 УТВЕРЖДЕН И ВВЕДЕН В
ДЕЙСТВИЕ Приказом Федерального агентства по техническому регулированию и
метрологии от 27 декабря 4 Настоящий стандарт является модифицированным по отношению к международному стандарту ИСО 4775:1984 «Гайки шестигранные для высокопрочных конструкционных болтовых соединений с широкими гранями. Класс точности В. Классы прочности 8 и 10» (ISO 4775:1984 «Hexagon nuts forhigh-strength structural bolting with large width across flats - Product grade В - Property classes 8 and 10») путем внесения технических отклонений, объяснение которых приведено во введении к настоящему стандарту. Наименование настоящего стандарта изменено относительно наименования указанного международного стандарта для приведения в соответствие с ГОСТ Р 1.5-2004 (подраздел 3.5) 5 ВВЕДЕН ВПЕРВЫЕ Информация об изменениях к настоящему стандарту публикуется в ежегодно издаваемом указателе «Национальные стандарты», а текст изменений и поправок - в ежемесячно издаваемых информационных указателях «Национальные стандарты». В случае пересмотра (замены) или отмены настоящего стандарта соответствующее уведомление будет опубликовано в ежемесячно издаваемом информационном указателе «Национальные стандарты». Соответствующая информация, уведомление и тексты размещаются также в информационной системе общего пользования - на официальном сайте Федерального агентства по техническому регулированию и метрологии в сети Интернет Содержание
Введение В настоящий стандарт включены дополнительные по отношению к требованиям международного стандарта ИСО 4775:1984 требования, отражающие потребности национальной экономики Российской Федерации и особенности изложения национальных стандартов Российской Федерации (в соответствии с ГОСТ Р 1.5-2004), а именно приведены: - нормативные ссылки на национальные стандарты; - размеры гаек с уменьшенной высотой; - требования к толщине покрытия гаек; - требования к значению коэффициента закручивания; - примеры условного обозначения гаек с уменьшенной высотой и разными видами покрытия; - теоретическая масса гаек. В стандарт не включены приложения А и В ИСО 4775:1984. Указанные дополнительные требования включены в разделы 1, 2, 3, 4, 5, 6, 7 и приложения А и Б настоящего стандарта на основании требований ГОСТ Р 1.5 к содержанию стандартов на продукцию, при этом модифицированные разделы выделены вертикальной полужирной линией, расположенной слева от измененного текста, замененный текст приведен в приложении В, а текст, не включенный в стандарт, приведен в приложении Г. НАЦИОНАЛЬНЫЙ СТАНДАРТ РОССИЙСКОЙ ФЕДЕРАЦИИ ГАЙКИ ВЫСОКОПРОЧНЫЕ ШЕСТИГРАННЫЕ С УВЕЛИЧЕННЫМ РАЗМЕРОМ ПОД КЛЮЧ ДЛЯ МЕТАЛЛИЧЕСКИХ КОНСТРУКЦИЙ Технические условия Hexagon nuts for
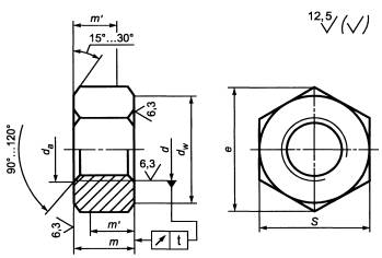
high-strength structural bolting with large width across flats. Дата введения - 2008-01-01 1 Область примененияНастоящий стандарт распространяется на высокопрочные шестигранные гайки с увеличенным размером под ключ (далее - гайки), предназначенные для использования в металлических конструкциях, применяемых в строительстве и машиностроении, эксплуатируемые в макроклиматических районах с умеренным (У) и холодным (ХЛ) климатом категории размещения 1 по ГОСТ 15150. 2 Нормативные ссылкиВ настоящем стандарте использованы нормативные ссылки на следующие стандарты: ГОСТ Р 9.316-2006 Единая система защиты от коррозии и старения. Покрытия термодиффузионные цинковые. Общие требования и методы контроля ГОСТ Р 52628-2006 (ИСО 898-2:1992, ИСО 898-6:1994) Гайки. Механические свойства и методы испытаний ГОСТ Р 52643-2006 Болты и гайки высокопрочные и шайбы для металлических конструкций. Общие технические условия ГОСТ Р 52644-2006 (ИСО 7411:1984) Болты высокопрочные с шестигранной головкой с увеличенным размером под ключ для металлических конструкций. Технические условия ГОСТ Р 52646-2006 (ИСО 7415:1984) Шайбы к высокопрочным болтам для металлических конструкций. Технические условия ГОСТ 9.306-85 Единая система защиты от коррозии и старения. Покрытия металлические и неметаллические неорганические. Обозначения ГОСТ 1759.0-87 Болты, винты, шпильки и гайки. Технические условия ГОСТ 1759.1-82 Болты, винты, шпильки, гайки и шурупы. Допуски. Методы контроля размеров и отклонений формы и расположения поверхностей ГОСТ 1759.3-83 Гайки. Дефекты поверхности и методы контроля ГОСТ 15150-69 Машины, приборы и другие технические изделия. Исполнения для различных климатических районов. Категории, условия эксплуатации, хранения и транспортирования в части воздействия климатических факторов внешней среды ГОСТ 16093-2004 (ИСО 965-1:1998, ИСО 965-3:1998) Основные нормы взаимозаменяемости. Резьба метрическая. Допуски. Посадки с зазором ГОСТ 24705-2004 (ИСО 724:1993) Основные нормы взаимозаменяемости. Резьба метрическая. Основные размеры Примечание - При пользовании настоящим стандартом целесообразно проверить действие ссылочных стандартов в информационной системе общего пользования - на официальном сайте Федерального агентства по техническому регулированию и метрологии в сети Интернет или по ежегодно издаваемому указателю «Национальные стандарты», который опубликован по состоянию на 1 января текущего года, и по соответствующим ежемесячно издаваемым информационным указателям, опубликованным в текущем году. Если ссылочный стандарт заменен (изменен), то при пользовании настоящим стандартом следует руководствоваться заменяющим (измененным) стандартом. Если ссылочный стандарт отменен без замены, то положение, в котором дана ссылка на него, применяется в части, не затрагивающей эту ссылку. 3 Конструкция и размеры3.1 Конструкция и размеры гаек должны соответствовать указанным на рисунке 1 и в таблице 1.
Рисунок 1 Таблица 1 - Общие размеры В миллиметрах
Гайки могут быть изготовлены без покрытия или с металлическими и неметаллическими покрытиями по ГОСТ Р 9.316 и ГОСТ 9.306. Предельная рекомендуемая толщина покрытий приведена в таблице 2. Таблица 2 - Предельная толщина покрытия
Теоретическая масса гаек приведена в приложение Б. 4 Технические требованияТаблица 3 - Технические требования
Для обеспечения затяжки гаек на расчетное усилие изготовитель должен гарантировать стабильный уровень качества поверхности резьбы, который характеризуется коэффициентом закручивания, зависящим от согласованного с потребителем вида покрытия и смазки, нанесенных на резьбу болта и гайки. Гайки считают годными к применению, если диапазон коэффициента закручивания комплекта из болта и гайки составляет: - для крепежных изделий с нормальным покрытием и смазкой в соответствии с ГОСТ Р 52643: 0,14-0,20; - для крепежных изделий с произвольным покрытием: 0,11-0,20. Порядок и методика проведения испытаний по определению коэффициента закручивания изложены в ГОСТ Р 52643. 6 Значения пробных нагрузокЗначения испытательных нагрузок приведены в ГОСТ Р 52643. 7 ОбозначениеУсловное обозначение гаек выполняют в соответствии с ГОСТ 1759.0. Примеры условного обозначения гаек: Гайка с резьбой диаметром d =
Гайка М24.10 ГОСТ Р 52645-2006 Гайка с резьбой диаметром d = Гайка М20.9 ТД10 ГОСТ Р 52645-2006 Гайка с резьбой диаметром d = Гайка М22 хим. фос 5 ГОСТ Р 52645-2006 8 МаркировкаМаркировку выполняют выпуклой или вдавленной на одной из опорных поверхностей гайки, не соприкасающейся с шайбой. Маркировка включает в себя: - обозначение класса прочности; - букву S для обозначения высокопрочной шестигранной гайки с увеличенным размером под ключ; - идентификационную маркировку изготовителя. При специальном обосновании гайку допускается не маркировать. Приложение А
| |||||||||||||||||||||||||||||||||||||||||||||||||||||||||||||||||||||||||||||||||||||||||||||||||||||||||||||||||||||||||||||||||||||||||||||||||||||||||||||||||||||||||||||||||||||||||||||||||||||||||||||||||||||||||||||||||||||||||||||||||||||||||||||||||||||||||||||||||||||||||||||||||||||||||||||||||||||||||||||||||||||||||||||||||||||||||||||||||||||||||||||||||||||||||||||||||||||||||||||||||||||||||||||||||||||||||||||||||||||||||||||||||||||||||||||||||||||||||||||||||||||||||||||||||||||||||||||||||||||||||||||||||||||||||||||||||||||||||||||||||||||||||||||||||||||||||||||||||||||||||||||||||||||||||||||||||||||||||||||||||||||||||||||||||||||||||||||||||||||||||||||||||||||||||||||||||||||||||||||||||||||||||||||||||||||||||||||||||||||||||||||||||||||||||||||||||||||||||||||||||||||||||||||||||||||
|
d1) |
М16 |
(М18)2) |
М20 |
(М22)2) |
М24 |
(М27)2) |
М30 |
М36 |
М42 |
М48 |
|
|
р3) |
2,0 |
2,5 |
2,5 |
2,5 |
3,0 |
3,0 |
3,5 |
4,0 |
4,5 |
5,0 |
|
|
dа |
Не менее |
16 |
18 |
20 |
22 |
24 |
27 |
30 |
36 |
42 |
48 |
|
Не более |
17,3 |
19,4 |
21,6 |
23,8 |
25,9 |
28,2 |
32,4 |
38,9 |
45,4 |
51,8 |
|
|
dw |
Не более |
27 |
30 |
34 |
36 |
41 |
46 |
50 |
60 |
65 |
75 |
|
Не менее |
24,9 |
27 |
31,4 |
33,3 |
38,0 |
42,8 |
46,5 |
55,9 |
58,5 |
67,5 |
|
|
m |
Не более |
15,6 |
16,6 |
18,6 |
19,7 |
22,7 |
24,7 |
24,7 |
29,7 |
34,8 |
38,8 |
|
Не менее |
14,5 |
15,5 |
17,5 |
18,4 |
21,4 |
23,4 |
23,4 |
28,4 |
33,2 |
37,2 |
|
|
m' |
Не менее |
13,1 |
13,5 |
15,5 |
17,8 |
18,3 |
21,0 |
23,3 |
28,0 |
31,5 |
36 |
|
S |
Не более |
27 |
30 |
34 |
36 |
41 |
46 |
50 |
60 |
65 |
75 |
|
Не менее |
26,16 |
29,0 |
33,0 |
35,0 |
40,0 |
45,0 |
49,0 |
58,8 |
63,1 |
73,1 |
|
|
е |
Не менее |
29,60 |
35,00 |
37,29 |
39,55 |
45,2 |
50,85 |
55,37 |
66,44 |
72,10 |
83,40 |
|
1) Размеры приведены на рисунке 1. 2) Размеры, заключенные в скобки, применяют при соответствующем обосновании. 3) Р - шаг резьбы. Примечание - Для оцинкованных гаек вышеуказанные размеры действительны до оцинковки |
|||||||||||
Пример условного обозначения:
Гайка
конструктивного исполнения 2 уменьшенной высоты с резьбой диаметром d =
Гайка 2 - М24.10 ГОСТ Р 52645-2006
В настоящем приложении приведена информация о теоретической массе гаек.
Таблица Б.1 - Теоретическая масса гаек
|
Номинальный диаметр резьбы d, мм |
Теоретическая масса 1000 шт. гаек, кг |
|
|
нормальной высоты |
уменьшенной высоты |
|
|
16 |
56 |
50 |
|
(18) |
72 |
66 |
|
20 |
89 |
80 |
|
(22) |
130 |
108 |
|
24 |
183 |
171 |
|
(27) |
224 |
224 |
|
30 |
266 |
266 |
|
36 |
454 |
368 |
|
42 |
740 |
611 |
|
48 |
1144 |
921 |
1 Объем и сфера применения
Данный международный стандарт содержит требования к высокопрочным шестигранным гайкам с увеличенным размером под ключ классов прочности 8 и 10 и метрической резьбой от М12 до М36 включительно для высокопрочных болтов классов прочности 8.8 и 10.9.
Если в особых случаях необходимы другие требования, чем приведенные в данном международном стандарте, их рекомендуется принимать по другим международным стандартам, например ИСО 261, ИСО 898 и ИСО 965.
Гайки, соответствующие данному международному стандарту, в сочетании с болтами по ИСО 7411 или ИСО 7412 разработаны для резьбового соединения с высокой надежностью от разрушения, вызываемого срезом резьбы при превышении усилий затягивания гайки. Это относится к гайкам всех классов прочности и классов точности, за исключением гаек, оцинкованных горячим способом, имеющих резьбу с полем допуска 6Н после нанесения покрытия, что может быть принято соглашением между потребителем и изготовителем. Эти гайки должны быть использованы в комбинации с оцинкованными горячим способом болтами 8.8S U и 10.9S U. При этом резьбовые соединения этих крепежных изделий могут разрушаться в результате среза резьбы при превышении усилия затягиваний гайки.
Примечание - Необходимо обратить внимание на важность обеспечения того, чтобы гайки были использованы правильно, если требуется получить удовлетворительные результаты. Для дачи рекомендаций о правильном выборе необходимо привести ссылку на соответствующий код болтового соединения.
2 Нормативные ссылки
ИСО 261 Резьба метрическая ИСО общего назначения. Основные размеры
ИСО 898 Механические свойства крепежных изделий из углеродистой и легированной стали
ИСО 965 Резьба метрическая ИСО общего назначения. Допуски для конструкционных размеров
ИСО 1461 Металлические покрытия. Электролитические защитные покрытия на изделиях из черных металлов, нанесенные погружением в электролит. Требования
ИСО 3269 Крепежные изделия. Приемочный контроль
ИСО 4759-1 Допуски для крепежных изделий. Часть 1. Болты,
винты и гайки с диаметрами резьбы от 1,6 до
Таблица 1 - Общие размеры1)
В миллиметрах
|
Размер резьбы d |
M122) |
М16 |
М20 |
(М22)3) |
М24 |
(М27)3) |
М30 |
М36 |
|
|
Р4) |
1,75 |
2 |
2,5 |
2,5 |
3 |
3 |
3,5 |
4 |
|
|
da |
He более |
13 |
17,3 |
20 |
22 |
24 |
27 |
30 |
36 |
|
He менее |
12 |
16 |
21,6 |
23,8 |
25,9 |
28,2 |
32,4 |
38,9 |
|
|
dw |
He более |
-5) |
-5) |
-5) |
-5) |
-5) |
-5) |
-5) |
-5) |
|
He менее |
19,2 |
24,9 |
31,4 |
33,3 |
38,0 |
42,8 |
46,5 |
55,9 |
|
|
m3) |
He более |
12,3 |
17,1 |
20,7 |
23,6 |
24,2 |
27,6 |
30,7 |
36,6 |
|
He менее |
11,9 |
16,4 |
19,4 |
22,3 |
22,9 |
26,3 |
29,1 |
35,0 |
|
|
m' |
He менее |
9,5 |
13,1 |
15,5 |
17,8 |
18,3 |
21,0 |
23,3 |
28,0 |
|
S |
He более |
21 |
27 |
34 |
36 |
41 |
46 |
50 |
60 |
|
He менее |
20,16 |
26,16 |
33 |
35 |
40 |
45 |
49 |
58,8 |
|
|
е |
He менее |
22,78 |
29,6 |
37,29 |
39,55 |
45,2 |
50,85 |
55,37 |
66,44 |
|
1) Для оцинкованных гаек вышеуказанные размеры действительны до оцинковки. 2) Не является предпочтительной по техническим причинам. 3) Обозначается второй ряд стандартных диаметров резьбы. 4) Р - шаг резьбы. 5) dw max = Sдейств. |
|||||||||
Таблица 2 - Спецификации и справочные стандарты
|
Материал |
Сталь |
|
|
Резьба |
Поле допуска |
6Н или 6АХ1) (см. также приложение А) |
|
Международный стандарт |
ИСО 261, ИСО 965 |
|
|
Прочностные свойства |
Класс прочности |
82) или 102), 3) |
|
Международный стандарт |
ИСО 898-2 |
|
|
Качество поверхности |
Нормальное |
Черная оксидная пленка4) |
|
Произвольное5) |
Электролитическое цинковое покрытие3) |
|
|
Электролитическое кадмиевое покрытие3) |
||
|
Горячее цинковое покрытие в соответствии с ИСО 1461 |
||
|
Допуски |
Класс точности |
В, за исключением высоты гайки m и с |
|
Международный стандарт |
ИСО 4759-16) |
|
|
Приемка |
Процедуру приемки см. в ИСО 3269 |
|
|
Соответствующие болты |
ИСО 7411 или ИСО 7412 |
|
|
Соответствующие шайбы |
ИСО 7415 или ИСО 7416 |
|
|
1) Допуски на резьбы для резьбовых гаек избыточно большого размера, оцинкованных горячим способом, соответствующих стандарту ИСО 1461, временно были обозначены 6АХ; предельные размеры резьб приведены в приложении А в качестве временных в ожидании принятия этого класса резьб, который, возможно, будет включен в стандарт ИСО 985. Оцинкованные горячим способом гайки, имеющие после горячей оцинковки резьбы класса допуска 6Н, также могут быть поставлены по соглашению между потребителем и изготовителем. Эти гайки предназначены только для сборки с использованием болтов, оцинкованных горячим способом, 8.8S U или 10.9S U в соответствии со стандартом ИСО 7411 или ИСО 7412. 2) Информацию о значениях расчетной нагрузки см. в разделе 6. 3) Для класса качества 10 могут потребоваться меры предосторожности во избежание водородного охрупчивания. Необходимо привести ссылку на будущий международный стандарт по электролитическим покрытиям резьбовых компонентов. 4) Черная оксидная пленка с тонким остаточным масляным покрытием означает нормальное качество поверхности, получаемое в результате изготовления. 5) Нанесение других покрытий может быть оговорено между потребителем и изготовителем при условии, что эти покрытия не ухудшают механических характеристик. 6) За исключением допуска на перпендикулярность для несущей поверхности. |
||
5 Смазочное покрытие для оцинкованных крепежных элементов
При наличии на крепежных изделиях покрытий, нанесенных электролитическим или горячим способом, изготовитель должен нанести на болты или гайки смазку для предотвращения заедания в резьбовом соединении. Информация о правилах испытания эффективности смазки приведена в приложении В. (См. приложение Г настоящего стандарта. - Прим. перев.)
Таблица 3 - Значения пробных нагрузок
|
Размер резьбы d |
Номинальная площадь стандартной испытательной оправки As, мм2 |
Класс прочности |
||
|
8 |
10 |
|||
|
поле допуска 6Н |
поле допуска для оцинковки горячим способом 6АХ |
|||
|
Пробная нагрузка (As × Sр), Н |
||||
|
М12 |
84,3 |
90600 |
98200 |
104900 |
|
М16 |
157 |
168900 |
182900 |
195500 |
|
М20 |
245 |
263400 |
285400 |
305000 |
|
(М22) |
303 |
325700 |
353000 |
377200 |
|
М24 |
353 |
379500 |
411200 |
439500 |
|
(М27) |
459 |
493400 |
534700 |
571500 |
|
М30 |
561 |
603100 |
653600 |
698400 |
|
М36 |
817 |
878300 |
951800 |
1017200 |
Примечания
1 Все другие требования по прочностным характеристикам соответствуют ИСО 898-2.
2 Методы проведения испытаний см. в ИСО 898-2.
3 Пробные нагрузки определены на основе следующих напряжений от пробной нагрузки S:
- для гаек класса прочности 8 с полем допуска 6Н: 1075 Н/мм2;
- для гаек класса прочности 8 с полем допуска для оцинковки горячим способом 6АХ: 1165 Н/мм2;
- для гаек класса прочности 10: 1245 Н/мм2.
4 В случаях приемки гаек на основании значений твердости допустимыми пределами являются:
- для гаек класса прочности 8 с полем допуска 6Н: по ИСО 898-2, класс прочности 8;
- для всех гаек класса прочности 10: по ИСО 898-2, класс прочности 10;
- для оцинкованных горячим способом гаек класса прочности 8 с полем допуска 6АХ: 260 - 353 HV (24 - 36 HRC).
7 Обозначение
Пример обозначения высокопрочной шестигранной гайки с широкими гранями с резьбой размером d = M20 и классом прочности 8:
Шестигранная гайка ИСО 4775 - М20 - 8
Примечание - При наличии на поверхности гайки покрытия его обозначение должно быть включено в обозначение гайки.
8 Маркировка
Маркировка высокопрочных конструкционных гаек включает в себя:
а) маркировку класса прочности цифрами и букву S для обозначения высокопрочной гайки с увеличенным размером под ключ;
b) идентификационную маркировку изготовителя.
Маркировка должна быть расположена на верхней либо нижней поверхности гаек с фаской и должна быть выпуклой либо вдавленной на опорной поверхности гайки, не соприкасающейся с шайбой.
Пример маркировки (класс прочности 10)

Приложение А
Размеры резьб для гаек с горячим цинковым покрытием с полем допуска 6АХ
В настоящем приложении приведена информация о предельных размерах винтовых резьб гаек с горячим цинковым покрытием для поля допуска резьбы 6АХ. Предельные размеры, приведенные в таблице 4, действительны до нанесения горячего покрытия погружением.
Таблица 4 - Предельные размеры винтовых резьб для поля допуска 6АХ
Размеры в миллиметрах
|
Размер резьбы d |
Наибольший диаметр |
Средний диаметр |
Наименьший диаметр |
|||
|
Не более |
Не менее |
Не более |
Не менее |
Не более |
Не менее |
|
|
М12 |
12,676 |
12,476 |
11,413 |
11,213 |
10,791 |
10,455 |
|
М16 |
16,756 |
16,544 |
15,313 |
15,101 |
14,610 |
14,235 |
|
М20 |
20,804 |
20,580 |
19,000 |
18,776 |
18,144 |
17,694 |
|
(М22) |
22,804 |
22,580 |
21,000 |
20,776 |
20,144 |
19,694 |
|
М24 |
24,931 |
24,666 |
22,766 |
22,501 |
21,702 |
21,202 |
|
(М27) |
27,981 |
27,716 |
25,816 |
25,551 |
24,752 |
24,252 |
|
М30 |
31,083 |
30,803 |
28,557 |
28,277 |
27,321 |
26,751 |
|
М36 |
37,189 |
36,889 |
34,302 |
34,002 |
32,870 |
32,270 |
Примечания
1 Гайки перед нанесением покрытия имеют превышение размеров резьбы по сравнению с гайками после нанесения покрытия.
2 Превышение размеров резьбы под покрытие:
350 мкм для М12;
400 мкм для М16, М20 и М22;
450 мкм для М24;
500 мкм для М27;
550 мкм для М30;
600 мкм для М36.
Приложение В
Испытание для предотвращения заедания для крепежных элементов с электролитическим или горячим цинковым покрытием
Метод испытания эффективности смазочного покрытия, нанесенного на узлы, оцинкованные электролитическим или горячим способом, заключается в следующем:
а) Испытание следует проводить на болтах и гайках, подготовленных согласованным между изготовителем и потребителем способом, а также имеющих смазочное покрытие в соответствии с требованиями раздела 5. В целях данного испытания не должно быть нанесено какое-либо еще смазочное покрытие. В случаях, если два вышеупомянутых требования не могут быть удовлетворены, испытание для предотвращения заедания регулируется соглашением между изготовителем и потребителем. Тем не менее, смазочное покрытие должно быть нанесено. Если испытание проводится потребителем, оно должно быть проведено немедленно после получения болтов и гаек от изготовителя.
b) Болт с гайкой и
шайбой, выбранные для испытания, должны быть установлены в болтовое соединение
стальных листов (при этом шайба должна находиться непосредственно под гайкой)
такой общей толщины, что между несущей поверхностью головки болта и гайкой
располагались бы не менее шести полных витков резьбы болта. Диаметр отверстий
узла должен превосходить диаметр резьбы болта на 1 -
c) Гайка первоначально должна быть затянута так, чтобы создать нагрузку на болт не менее 10 % заданного нормативного усилия затяжки. При этом первоначальном затягивании необходимо отметить положение болта и гайки для того, чтобы обозначить начальную точку измеряемого вращательного движения. В ходе вращения гайки вращение болта должно быть исключено, а окончательное напряжение должно быть достигнуто без остановки движения гайки. Гайка должна вращаться в соответствии с требованиями таблицы 5 из исходной точки затягивания без разрушения болта либо сдирания верхнего слоя болта, либо срыва резьбы.
d) Данное испытание может быть заменено на альтернативное по соглашению между изготовителем и потребителем.
Таблица 5 - Требования к вращению гайки
|
Длина болта (номинальная) |
Вращение гайки (минимальное) |
|
l < 2d |
180° |
|
2d < l ≤ 3d |
240° |
|
3d < l ≤ 4d |
300° |
|
4d < l ≤ 8d |
360° |
|
l > 8d |
420° |
Таблица Д.1
|
Обозначение ссылочного национального стандарта Российской Федерации |
Обозначение и наименование ссылочного международного стандарта и условное обозначение степени его соответствия ссылочному национальному стандарту |
|
ИСО 10683:2000 Детали крепежные. Неэлектролитические цинковые покрытия (NEQ) |
|
|
ГОСТ Р 52628-2006 (ИСО 898-2:1992, ИСО 898-6:1994) |
ИСО 898:1992 Механические свойства крепежных изделий. Часть 2. Гайки с установленными значениями контрольной нагрузки. Крупная резьба (MOD) |
|
ИСО 4775:1984 Гайки шестигранные для высокопрочных конструкционных болтовых соединений с широкими гранями. Класс точности В. Классы прочности 8 и 10 (NEQ) ИСО 7411:1984 Болты с шестигранной головкой для высокопрочных конструкционных болтовых соединений с широкими гранями (длины резьб в соответствии с ИСО 888). Класс точности С. Классы прочности 8.8 и 10.9 (NEQ) ИСО 7415:1984 Шайбы плоские для высокопрочных строительных болтов закаленные и отпущенные (NEQ) ИСО 3269:2000 Изделия крепежные. Приемочный контроль (NEQ) |
|
|
ГОСТ Р 52644-2006 (ИСО 7411:1984) |
ИСО 7411:1984 Болты с шестигранной головкой для высокопрочных конструкционных болтовых соединений с широкими гранями (длины резьб в соответствии с ИСО 888). Класс точности С. Классы прочности 8.8 и 10.9 (MOD) |
|
ГОСТ Р 52646-2006 (ИСО 7415:1984) |
ИСО 7415:1984 Шайбы плоские для высокопрочных строительных болтов закаленные и отпущенные (MOD) |
|
ИСО 9717:1990 Покрытия конверсионные фосфатные по металлу. Методы определения характеристик (NEQ) |
|
|
ИСО 8992:2005 Изделия крепежные. Общие требования для болтов, винтов, шпилек, гаек (NEQ) |
|
|
ИСО 4759-1:2000
Допуски крепежных изделий. Часть 1. Болты, винты и гайки с диаметром резьбы
от 1,6 до |
|
|
ИСО 6157-2:1983 Изделия крепежные. Несплошности поверхности. Часть 2. Гайки (NEQ) |
|
|
МЭК 721-3-4:1994 Классификация внешних условий. Часть 3. Классификация групп внешних параметров и их жесткостей. Стационарное применение в местах, не защищенных от погодных условий (MOD) |
|
|
ГОСТ 16093-2004 (ИСО 965-1:1998, ИСО 965-3:1998) |
ИСО 965-1:1998 Резьбы метрические ИСО общего назначения. Допуски. Часть 1. Общие положения и основные данные (MOD) ИСО 965-3:1998 Резьбы метрические ИСО общего назначения. Допуски. Часть 3. Предельные отклонения для конструкционных резьб (MOD) |
|
ГОСТ 24705-2004 (ИСО 724:1993) |
ИСО 724:1993 Резьбы метрические ИСО общего назначения. Основные размеры (MOD) |
|
Примечание - В настоящей таблице использованы следующие условные обозначения степени соответствия стандартов: - MOD - модифицированные стандарты; - NEQ - неэквивалентные стандарты. |
|
Ключевые слова: гайки, гайки высокопрочные, гайки шестигранные, гайки с увеличенным размером под ключ, гайки для металлических конструкций, конструкция и размеры, технические требования, обозначения, маркировка
|
|
|
|