//
ТехЛит.ру
- крупнейшая бесплатная электронная интернет библиотека для "технически умных" людей.
WWW.TEHLIT.RU - ТЕХНИЧЕСКАЯ ЛИТЕРАТУРА

:: Алготрейдинг::


АЛГОТРЕЙДИНГ
шаг за шагом
с нуля по урокам!

Торговые роботы на PYTHON, BackTrader,
Pandas, Pine Script для TradingView. Связка с брокерами, телеграм и легкими приложениями.


Открытое акционерное общество РАО «ЕЭС России»

Открытое акционерное общество «ЦКБ Энергоремонт»

СТАНДАРТ ОРГАНИЗАЦИИ

ИНСТРУКЦИЯ
ПО ПРИМЕНЕНИЮ СИСТЕМЫ МОНИТОРИНГА ПРИ ИЗГОТОВЛЕНИИ И РЕМОНТЕ СИЛОВЫХ ТРАНСФОРМАТОРОВ.

СО 34.46.305-2005

Вводится в действие с 01.02.2005 г.

ПРЕДИСЛОВИЕ

1. Разработан ОАО «ЦКБ Энергоремонт».

Исполнители: Ю.В. Трофимов, Л.Л. Федосов, В.Л. Раскин, Л.Г. Федосова.

2. Взамен Типовых технологических процессов на отдельные виды работ по ремонту силовых трансформаторов, включая инструкцию по установке системы мониторинга при изготовлении и ремонте силовых трансформаторов (автотрансформаторов) и реакторов, Э-801, 2003 г.

3. Настоящий стандарт организации (СО) является переизданием типовых технологических процессов на отдельные виды работ по ремонту силовых трансформаторов, включая инструкцию по установке системы мониторинга при изготовлении и ремонте силовых трансформаторов (автотрансформаторов) и реакторов, выпущенных в 2003 году, шифр Э-801, в качестве хоздоговорной работы. В настоящем СО учтены изменения нормативных документов Госстандарта РФ, органов Государственного надзора и отраслей промышленности. В СО внесены также необходимые изменения по наименованиям, обозначениям и отдельным требованиям нормативных документов.

Взамен Э-801

Содержание

1. ВВЕДЕНИЕ.

Требования настоящего стандарта организации (СО), далее инструкции, распространяется на применение системы мониторинга при изготовлении и ремонте трансформаторов (автотрансформаторов и реакторов)* силовых масляных общего назначения. Допускается применение настоящей инструкции при реконструкции и модернизации трансформаторов.

* Далее в тексте под термином «трансформаторы» будут подразумеваться трансформаторы, автотрансформаторы и реакторы.

Инструкция рекомендуется к применению для заводов-изготовителей трансформаторов, предприятий и организаций, производящих ремонт, принимающих из ремонта и эксплуатирующих отремонтированные трансформаторы, для организаций, разрабатывающих техническую документацию на ремонт оборудования, а также заводов-изготовителей, участвующих в капитальном ремонте трансформаторов в условиях эксплуатации.

2. ОБЩАЯ ЧАСТЬ.

Силовые трансформаторы являются одними из основных элементов электрических сетей и систем. К установленному трансформаторному парку ежегодно добавляются вновь изготовленные трансформаторы, предназначаемые как для замены морально и физически устаревших трансформаторов, так и для развития вновь осваиваемых энергообъектов.

Рост отечественной энергетики влечет за собой тенденцию роста единичной трансформаторной мощности и необходимость создания надежно работающих трансформаторов больших мощностей в единице оборудования на высокие напряжения от 110 до 1150 кВ включительно.

Увеличение единичной мощности трансформаторов приводит к тому, что в случае аварийного выхода из строя одного из них возникает в целом аварийная ситуация, приводящая к существенным перебоям в электроснабжении и большому материальному ущербу.

Предупреждение аварий трансформаторов обеспечивают системы непрерывного контроля (мониторинга) работы трансформаторов, использующие комплекс датчиков, регистрирующих различные параметры трансформаторов, по изменению которых можно определить развивающиеся при работе дефекты.

Результаты измерений контролируемых параметров в системе отображаются в удобном для использования виде и сохраняются для проведения сравнительного анализа изменения параметров во времени. Данные непрерывного контроля являются оперативной базой для постановки диагноза с учетом ранее измеренных значений, что позволяет полнее оценить общее состояние трансформатора, прогнозировать процесс его ухудшения.

Превышение нормируемых параметров отражается автоматически на экране монитора и фиксируется в электронном журнале состояния.

Главной целью применения системы непрерывного контроля является выявление на ранней стадии развития опасных для трансформатора дефектов непосредственно во время его работы.

Точность прогноза состояния, глубина анализа, обоснованность принятия решения зависит от количества параметров, контролируемых системой, программного обеспечения анализа этих параметров.

В настоящее время разработана серия из четырех типоисполнений систем мониторинга, отличающихся количеством датчиков, соответствующим программным обеспечением и, следовательно, функциональностью системы.

Наиболее полной функциональностью обладают системы для трансформаторов (автотрансформаторов) мощностью от 125000 кВА, класса напряжения 220 кВ и выше.

Для трансформаторов 10000 кВА, 110 кВ, достаточно применять системы мониторинга с ограниченным числом датчиков и соответственно ограниченной функциональностью. В таких системах обрабатываются все дискретные и аналоговые сигналы штатного приборного и релейного оборудования трансформатора.

В зависимости от требований службы подстанции, в систему вводятся сигналы приборов анализа газов, растворенных в трансформаторном масле, влажности масла, контроль положения РПН и др.

В функциональность системы мониторинга введены функции:

- управление работой РПН;

- управление системой охлаждения.

2.1. НАЗНАЧЕНИЕ СИСТЕМЫ МОНИТОРИНГА.

Система мониторинга и диагностики трансформаторов предусматривает выполнение следующих задач:

1) оперативный контроль и управление РПН с диспетчерского пульта подстанции или центрального (дальнего) диспетчерского пункта по компьютерным каналам;

2) регистрацию информации о нормальных, предаварийных и аварийных событиях и организацию сообщений диспетчеру;

3) регистрацию работы устройств релейной защиты и автоматики трансформатора;

4) организацию технической диагностики трансформатора на основе:

- контроля и регистрации положений и числа переключений РПН;

- контроля и регистрации текущих значений температур обмоток и масла;

- контроля и регистрации текущих значений рабочих токов и напряжений трансформатора;

- контроля и регистрации значений активной, реактивной и полной мощностей, Cos j по всем сторонам трансформатора;

- контроля показаний газоанализатора HYDRAN;

- контроля показаний датчиков влажности масла DOMINO;

- автоматического архивирования осциллограмм токов и напряжений по заданным уставкам;

5) определение величины температуры наиболее нагретой точки обмотки (МЭК 354-91);

6) определение нагрузочной способности и вычисление срока службы трансформатора в соответствии с ГОСТ 14209-97 (МЭК 354-91);

7) определение остаточного ресурса устройства РПН трансформатора;

8) расчет превышения потерь мощности трансформатора в несимметричном режиме;

9) расчет дополнительных потерь активной мощности от токов высших гармоник;

10) учет энергии и мощности по всем сторонам трансформатора;

11) систему контроля качества электроэнергии по ГОСТ 13109-97;

12) систему контроля перенапряжений по ГОСТ 1516.3-96;

13) систему математической и программной обработки и анализа осциллограмм при перегрузках по токам и напряжениям;

14) интеграцию системы мониторинга и управления трансформатора в систему диспетчерского управления (АСДУ) энергосистемы и в автоматизированную систему учета электроэнергии (АСУЭ);

15) удаленный контроль оперативных данных и работу с архивными данными через встроенный WEB-сервер;

16) Возможность анализа работы трансформатора за любой промежуток времени.

2.2. ФУНКЦИОНАЛЬНОСТЬ СИСТЕМЫ МОНИТОРИНГА.

Система мониторинга и управления трансформатора обеспечивает выполнение следующих функций:

- отображать на видеограммах текущее состояние параметров контролируемого трансформатора;

- регистрировать, хранить и обрабатывать осциллограммы токов и напряжений в аварийных режимах;

- отображать сигналы срабатывания приборов аварийной и предупредительной сигнализации;

- фиксировать и хранить в журнале и базе данных время включения или отключения дискретных датчиков;

- фиксировать и хранить в журнале и базе данных время срабатывания аварийной и предупредительной сигнализации;

- фиксировать и хранить в журнале и базе данных тренды (графики изменений) основных параметров;

- вести архивы и журналы;

- обеспечивать работу с накопленными архивами и журналами;

- обеспечивать удаленный доступ к работе с архивами и журналами;

- обеспечивать передачу данных в АСУ ТП подстанции и на ЦДПУ.

2.3. ТЕХНИЧЕСКОЕ ОБЕСПЕЧЕНИЕ.

Технические средства удовлетворяют требованиям ГОСТ 24.105-85. КТС системы обеспечивает возможность модульного наращивания вычислительного комплекса.

Электроснабжение КТС системы мониторинга обеспечивает:

- напряжение 220 -33 +22 В, 50 Гц;

- наличие встроенного элемента питания для часов реального времени и ОЗУ;

- наличие UPS для промышленного компьютера и контроллера;

- при пропадании и восстановлении питания система обеспечивает автоматическое восстановление и нормальное функционирование;

2.4. ИНФОРМАЦИОННОЕ ОБЕСПЕЧЕНИЕ.

Разработанная система предусматривает возможность подключения к действующей вычислительной сети Заказчика.

Уточнение и согласование количества и структуры баз данных и форм ведения журналов выполняется на этапе согласования технического задания.

Информационная база содержит:

- оперативный раздел, отражающий состояние контролируемого объекта;

- оперативный раздел, отражающий состояние аварийных и предупредительных сигналов;

- состояние сигналов управления;

- ретроспективный раздел, содержащий данные для анализа и статистической обработки;

- система обеспечивает доступ к оперативным журналам за любой период в течение 10 лет;

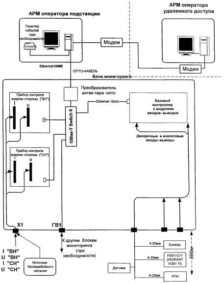
3. СТРУКТУРНАЯ И ФУНКЦИОНАЛЬНАЯ СХЕМЫ СИСТЕМЫ.

Система мониторинга (см. рис. 1) состоит из двух главных компонентов:

- АРМ оператора;

- блока мониторинга.

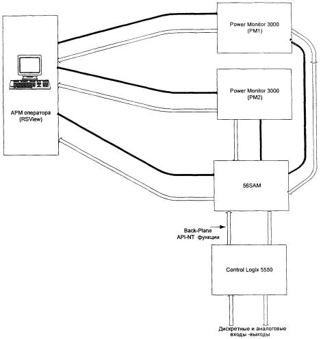
3.1. АРМ оператора построен с использованием среды разработки графических средств RSView и среды коммуникации RSLinx фирмы Rockwell Automation. АРМ связан через Ethernet с тремя узлами с именами «РМ1», «РМ2» и «КОНТ» (см. рис. 3).

Блок мониторинга построен на основе оборудования фирмы «Allen Bradley». Он состоит из приборов учета энергии и контроллера, собирающего информацию с первичных датчиков, управляющего дискретными выходами и собирающего информацию о главных энергетических параметрах с приборов контроля электрической энергии. Сбор информации с первичных датчиков производится контроллером Control Logix 5000. В шасси контроллера установлен контроллер 56SAM, являющийся РС-совместимым контроллером с установленным твердотельным флеш-диском объемом 512 МБ. Указанный флеш-диск выполняет функции «черного ящика» и предназначен для хранения информации о событиях и параметрах эксплуатации трансформатора в течение 10-ти лет.

Связь с удаленным диспетчерским пунктом осуществляется через модем.

3.2. Функциональная блок-схема и структурная схема приведены на рис. 2 и рис. 3.

Все блоки, приведенные на эскизе, могут быть условно разбиты на несколько уровней:

- Блоки измерения первичных параметров;

- Блоки обработки первичных параметров;

- Блоки архивирования и визуализации;

- Блоки управления;

- Блок обмена с системой верхнего уровня.

3.2.1. Первичные параметры контролируются с помощью следующих блоков:

- блоков измерения мгновенных значений тока и напряжения - указанные параметры контролируются специальными измерительными устройствами. Измеряемые параметры передаются через локальную сеть в контроллер системы мониторинга;

- блока измерения температуры окружающей среды - указанный параметр измеряется первичным преобразователем;

- блока контроля системы масляного охлаждения трансформатора - указанные параметры измеряются первичными датчиками, установленными во впускном и выпускном патрубках системы охлаждения (в т.ч. температуры и потока), а также на основе датчиков потребления энергии системой приводов указанной системы;

- блока контроля температуры обмоток определяется косвенным путем на основе измерений;

- блока контроля состояния трансформаторного масла - указанные параметры представляют собой уровень содержания газов и влаги в масле;

- блока контроля состояния системы защиты и аварийной сигнализации - указанные параметры представляют собой релейные сигналы от встроенных локальных средств контроля;

- блока контроля положения РПН - указанный параметр представляет собой номер положения РПН, вычисляемый на основе аналогового или дискретных сигналов, контролирующих состояние РПН.

3.2.2. Блоки обработки первичных параметров имеют следующее назначение:

- блок расчета интегральных характеристик предназначен для вычисления всех необходимых электрических и неэлектрических характеристик, в т.ч. для расчетов по ГОСТ 14209-97 (МЭК 354-91): коэффициента нагрузки, температуры наиболее нагретой точки;

- блок регистрации аварийных процессов предназначен для записи необходимых процессов при достижении (срабатывании) одной из контрольных точек, которые программируются в первичном блоке измерения мгновенных значений на превышение любого из измеряемых мгновенных значений, на превышение любого из измеряемых параметров, а также по рассчитываемым интегральным параметрам;

- блок расчетных моделей в реальном масштабе времени позволяет вычислять расчетные характеристики трансформатора в т.ч. скорость старения изоляции, допустимый коэффициент нагрузки по ГОСТ 14209-97 (МЭК 354-91).

3.2.3. Блоки архивирования и визуализации имеют следующее назначение:

- блок ведения журналов предназначен для непрерывной регистрации состояния трансформатора, в т.ч. измеряемой информации, а также математических параметров, получаемых на основе расчетов в блоках интегральных характеристик и в блоке расчетных моделей.

- блок обработки и архивирования предназначен для обработки и ведения архивов измеряемых и вычисляемых данных.

- блок обработки информации исторических трендов позволяет на основании архивных данных восстановить информацию и происходящих за время эксплуатации в трансформаторе процессах и изменениях в его состоянии, а также прогнозировать изменение его состояния в будущем на основе имеющихся тенденций.

- блок визуализации предназначен для предоставления оператору удобной графической оболочки для работы с текущими (измеряемыми), архивными и математическими параметрами в цифровой и графической форме, а также для дистанционного управления РПН.

3.2.4. Блоки управления имеют следующее назначение:

- блок дистанционного управления предназначен для переключения РПН по команде оператора через блок визуализации или с дальнего диспетчерского пункта. Блок использует также информацию с блока измерения мгновенных значений тока для блокировки переключений при перегрузках трансформатора.

- блок управления системой масляного охлаждения предназначен для интеллектуального управления охлаждением, обеспечивающим оптимальный износ приводов системы охлаждения, а также минимальные колебания температуры масла в системе охлаждения трансформатора. Блок использует расчетные модели в реальном времени, а также диагностическую информацию с блока контроля системы масляного охлаждения.

3.2.5. Блок обмена с системой верхнего уровня предназначен для передачи в смежные системы АСДУ, АСУЭ требуемых параметров через физические интерфейсы или на уровне информационного обмена через ОРС, DDE серверы. Информация может быть получена либо непосредственно из контроллера или из блоков обработки первичных данных.

4. УСТАНОВКА НА ТРАНСФОРМАТОР ПРИБОРОВ КОНТРОЛЯ.

4.1. Установка приборов контроля трансформаторного масла.

4.1.1. Система контроля газосодержания трансформаторного масла Гидран.

Содержание растворенных в масле газов (водорода, окиси углерода, этилена, ацетилена) является признаком возникновения процессов, влияющих на снижение качества изоляции трансформатора, что при дальнейшем развитии может привести к неисправности или выходу из строя оборудования.

Приборы Гидран - это система раннего предупреждения о наличии газосодержания в трансформаторном масле.

Схема установки системы приведена на рис. 4.

Датчик системы Гидран 201Ti монтируется в месте эффективного принудительного или конвективного потока масла.

Устанавливать датчик рекомендуется на обратном трубопроводе охладителя через специальный вваренный патрубок и запорный кран.

Варианты размещения датчика Гидран приведены на рис. 5.

Контроллер системы Гидран 201Ci может быть установлен и закреплен непосредственно на баке трансформатора на специальных стойках для поглощения вибрации.

Прибор Гидран служит для непрерывного контроля в рабочем режиме перечисленного ниже оборудования:

- силовые трансформаторы;

- реакторы;

- автотрансформаторы;

- измерительные трансформаторы;

- распределительные трансформаторы;

- переключающие устройства;

- маслонаполненные силовые кабели.

4.1.2. Система контроля влагосодержания трансформаторного масла Домино.

Система Домино предназначена для передачи информации о влагосодержании и температуре масла в месте установки датчика.

Он имеет два аналоговых выхода 4-20 мА, через которые передается информация о влажности и температуре масла в месте установки датчика сенсора. Внешний вид контроллера и датчика приведены на рис. 6 и рис. 7. Непрерывный контроль влажности позволяет оценить состояние бумажной изоляции и выявить опасные тенденции в изменении ее состояния. Измерение температуры позволяет пересчитать показатель влажности к нормальным условиям.

4.2. Приборы измерения электрических параметров.

4.2.1. Для измерения электрических параметров используются приборы Power Monitor 3000 производства фирмы Allen Bradley.

Power Monitor 3000 разработан и предназначен для выполнения любых потребностей производителей и потребителей электроэнергии. Power Monitor 3000 - микропроцессорный прибор, представляющий собой устройство для мониторинга и управления. Использование измеренных значений напряжения, тока, состояния входов и встроенных реле позволяют обеспечивать контроль и управление информацией. Эти данные необходимы на подстанциях и в центрах распределения, на диспетчерских пунктах и во многих других коммерческих и промышленных приложениях. Один Power Monitor 3000 может заменить несколько преобразователей и измерителей в пределах одного узла. Power Monitor 3000 имеет дружественный интерфейс и позволяет пользователю легко понять информацию, представленную в компактном экономичном виде.

Power Monitor 3000 прибор прямого включения, обеспечивает измерение большого количества величин в режиме реального времени и предоставляет широкие возможности настройки своих параметров.

- Ток в амперах (в фазах и нейтрали)

- Среднее значение тока в амперах в многофазной системе

- Положительную и отрицательную последовательности тока в амперах

- Небаланс токов в процентах в трехфазной сети

- Напряжение в вольтах (линейных и фазных)

- Среднее значение напряжения в вольтах в многофазной системе

- Положительную и отрицательную последовательности напряжения в вольтах

- Небаланс напряжений в процентах в трехфазной сети

- Частота в герцах

- Направление вращения фаз в трехфазной сети

- Активная мощность в W (общая и пофазно в четырехпроводной сети)

- Реактивная мощность в VAR (общая и пофазно в четырехпроводной сети)

- Полная мощность в VA (общая и пофазно в четырехпроводной сети)

- Коэффициент мощности в процентах (общий и пофазно в четырехпроводной сети)

- Отношение амплитуды нулевой гармоники тока к сумме всех гармоник тока (общее и пофазно в четырехпроводной сети)

- Косинус разности фаз нулевой гармоники напряжения и тока (общий и пофазно в четырехпроводной сети)

- Потребление электроэнергии в кВт/ч

- Потребление реактивной электроэнергии в кВА/ч

- Токи, напряжения, активные, реактивные и полные мощности по запросу (мгновенные)

- Обработка запросов токов, напряжений, мощностей и т.д.

- Гармонический анализ (только для модели 1404-М605А):

- общий процент гармонических искажений согласно IEEE,

- общий процент гармонических искажений согласно IEC (DIN),

- общий процент гармонических искажений согласно IEEE-519,

- коэффициент формы,

- коэффициент трансформации.

Power Monitor 3000 обеспечивает три вида регистрации данных: журнал регистрации событий, журнал регистрации максимума/минимума и журнал регистрации мгновенных значений величин. Каждая запись в журналах регистрации содержит метку времени с разрешением 0,01 с.

Журнал регистрации событий состоит из ста последних событий, которые произошли в Power Monitor 3000.

Журнал регистрации максимума/минимума записывает максимальные и минимальные значения 84 параметров для 1404-М605А. Его элементы состоят из значений напряжения, тока, мощности, полного гармонического искажения и т.д. Работа этого журнала может быть заблокирована для увеличения.

Журнал регистрации мгновенных значений состоит из 50 записей. Каждая запись состоит из 46 параметров (напряжения, тока, мощности и т.д.). Записи в этот журнал могут вестись периодически (используя данные настройки) и/или асинхронно как результат срабатывания Setpoint.

Power Monitor поддерживает одновременное семиканальное осциллографирование (4 тока и 3 напряжения).

Power Monitor 1404-M605A имеет точность ± 0.2 % от номинального значения измеряемой величины. Если быстродействие прибора критично, то пользователь может выбрать минимальный режим фильтрации или отключить ненужные настройки. Если конкретное применение требует максимальной точности, то пользователь может выбрать дополнительный режим фильтрации. Power Monitor 3000 позволяет варьировать временем быстродействия для достижения точности.

Архив регистрации осциллограмм содержит 8 файлов для хранения осциллограмм токов (4 параметра) и напряжений (3 параметра), запись которых начинается при срабатывании контрольной точки (Setpoint), настроенной на любой из измеряемых прибором параметров. Частота дискретизации (5,4; 2,7; 1,3) кГц - выбирается пользователем. Длительность записи - (0,85; 1,7; 3,4) сек. в зависимости от частоты дискретизации.

Приложение.

Рис. 1. Структурная схема системы мониторинга.

Рис. 2. Функциональная блок-схема.

Примечания:

1 .Управляющие теги

2. Информационные теги

Рис. 3. Информационные обмены в системе.

1 - контроллер «Гидрана».

2 - датчик «Гидрана»

3 - кран шаровой 2».

4 - сигнальный кабель.

5 - кабель питания датчика.

6 - кабель питания контроллера.

7, 8 - кабели связи с внешним оборудованием.

Рис. 4. Схема установки системы «Гидран».

Горизонтально на возвратной трубе охладителя

Горизонтально на тыльной стороне масляного насоса

Горизонтально на баке трансформатора

Рис. 5. Варианты размещения датчика «Гидран».

Рис. 6. Прибор «Домино», установка контроллера.

Рис. 7. Прибор «Домино», установка датчика.




Яндекс цитирования