//
ТехЛит.ру
- крупнейшая бесплатная электронная интернет библиотека для "технически умных" людей.
WWW.TEHLIT.RU - ТЕХНИЧЕСКАЯ ЛИТЕРАТУРА

:: Алготрейдинг::


АЛГОТРЕЙДИНГ
шаг за шагом
с нуля по урокам!

Торговые роботы на PYTHON, BackTrader,
Pandas, Pine Script для TradingView. Связка с брокерами, телеграм и легкими приложениями.


ФЕДЕРАЛЬНОЕ АГЕНТСТВО
ПО ТЕХНИЧЕСКОМУ РЕГУЛИРОВАНИЮ И МЕТРОЛОГИИ

НАЦИОНАЛЬНЫЙ
СТАНДАРТ
РОССИЙСКОЙ
ФЕДЕРАЦИИ

ГОСТ Р
12.4.234-
2007
(МЭК 61482-1:2002)

Система стандартов безопасности труда

ОДЕЖДА СПЕЦИАЛЬНАЯ ДЛЯ ЗАЩИТЫ ОТ ТЕРМИЧЕСКИХ РИСКОВ ЭЛЕКТРИЧЕСКОЙ ДУГИ

Общие технические требования и методы испытаний

IEC 61482-1:2002

Live working - Flame-resistant materials for clothing for thermal protection of workers - Thermal hazards of an electric arc - Part 1: Test methods

(MOD)

Москва

Стандартинформ

2006

Предисловие

Цели и принципы стандартизации в Российской Федерации установлены Федеральным законом от 27 декабря 2002 г. 184-ФЗ «О техническом регулировании», а правила применения национальных стандартов Российской Федерации - ГОСТ Р 1.0-2004 «Стандартизация в Российской Федерации. Основные положения»

Сведения о стандарте

1 ПОДГОТОВЛЕН Техническим комитетом по стандартизации средств индивидуальной защиты ТК 320 «СИЗ» на основе официального аутентичного перевода ФГУП «Стандартинформ» стандарта, указанного в пункте 4

2 ВНЕСЕН Техническим комитетом по стандартизации средств индивидуальной защиты ТК 320 «СИЗ»

3 УТВЕРЖДЕН И ВВЕДЕН В ДЕЙСТВИЕ Приказом Федерального агентства по техническому регулированию и метрологии от 26 октября 2007 г. 279-ст

4 Настоящий стандарт является модифицированным по отношению к международному стандарту МЭК 61482-1:2002 «Работа под напряжением. Огнестойкие материалы для термостойкой одежды. Термические риски от воздействия электрической дуги. Часть 1. Методы испытаний» (IEC 61482-1:2002 «Live working - Flame-resistant materials for clothing for thermal protection of workers - Thermal hazards of an electric arc - Part 1: Test methods»). При этом дополнительные положения, учитывающие потребности национальной экономики Российской Федерации, и нормативные ссылки выделены курсивом.

Наименование настоящего стандарта Российской Федерации изменено относительно наименования указанного ему международного стандарта для приведения в соответствие с ГОСТ Р 1.5-2004 (подраздел 3.5).

При применении настоящего стандарта рекомендуется использовать вместо ссылочных международных стандартов национальные стандарты Российской Федерации, сведения о которых приведены в дополнительном приложении С.

5 ВВЕДЕН ВПЕРВЫЕ

Информация об изменениях к настоящему стандарту публикуется в ежегодно издаваемом информационном указателе «Национальные стандарты», а текст изменений и поправок - в ежемесячно издаваемых информационных указателях «Национальные стандарты». В случае пересмотра (замены) или отмены настоящего стандарта соответствующее уведомление будет опубликовано в ежемесячно издаваемом информационном указателе «Национальные стандарты». Соответствующая информация, уведомление и тексты размещаются также в информационной системе общего пользования на официальном сайте Федерального агентства по техническому регулированию и метрологии в сети Интернет

Содержание

1 Область применения

2 Нормативные ссылки

3 Термины и определения

4 Классификация

5 Общие технические требования

5.1 Требования к одежде

5.2 Требования к маркировке

5.3 Требования к упаковке, транспортированию и хранению

5.4 Указания по эксплуатации

5.5 Требования к материалам

6 Методы контроля

6.1 Методы испытаний на термическое воздействие электрической дуги

Приложение А (обязательное) Измерение длины обугливания

Приложение В (справочное) Статистический анализ

Приложение С (справочное) Сведения о соответствии ссылочных международных (региональных) стандартов национальным стандартам Российской Федерации, использованным в настоящем стандарте в качестве нормативных ссылок

 

НАЦИОНАЛЬНЫЙ СТАНДАРТ РОССИЙСКОЙ ФЕДЕРАЦИИ

Система стандартов безопасности труда

ОДЕЖДА СПЕЦИАЛЬНАЯ ДЛЯ ЗАЩИТЫ ОТ ТЕРМИЧЕСКИХ РИСКОВ ЭЛЕКТРИЧЕСКОЙ ДУГИ

Общие технические требования и методы испытаний

Occupational safety standards system. Protective clothing for thermal hazards of an electric arc. General technical requirement and test methods

Дата введения - 2008-07-01

1 Область применения

Настоящий стандарт распространяется на термостойкую специальную одежду повседневной носки (далее - одежда) для защиты электротехнического персонала от термических рисков электрической дуги и устанавливает общие технические требования и методы испытаний.

2 Нормативные ссылки

В настоящем стандарте использованы ссылки на следующие стандарты:

ГОСТ Р 12.4.185-99 Система стандартов безопасности труда. Средства индивидуальной защиты от пониженных температур. Методы определения теплоизоляции комплекта

ГОСТ Р 12.4.200-99 Система стандартов безопасности труда. Одежда специальная от тепла и огня. Метод испытаний при ограниченном распространении пламени

ГОСТ Р 12.4.218-99 Система стандартов безопасности труда. Одежда специальная. Общие технические требования

ГОСТ Р ИСО 6330-99 Материалы текстильные. Методы бытовой стирки и сушки, применяемые для испытания тканей, трикотажных полотен и готовых изделий

ГОСТ Р ИСО 15025-2007 Система стандартов безопасности труда. Одежда для защиты от тепла и огня - Метод испытания на ограниченное распространение пламени

ГОСТ 12.4.011-89 Система стандартов безопасности труда. Средства защиты работающих. Общие требования и классификация

ГОСТ 12.4.103-83 Система стандартов безопасности труда. Одежда специальная защитная, средства индивидуальной защиты ног и рук. Классификация

ГОСТ 12.4.115-82 Система стандартов безопасности труда. Средства индивидуальной защиты работающих. Общие требования к маркировке

ГОСТ 12.4.124-83 Система стандартов безопасности труда. Средства защиты от статического электричества. Общие технические требования

ГОСТ 12.4.221-2002 Система стандартов безопасности труда. Одежда специальная для защиты от повышенных температур, теплового излучения, конвективной теплоты. Общие технические требования

ГОСТ 15.309-98 Система разработки и постановки продукции на производство. Испытания и приемка выпускаемой продукции. Основные положения

ГОСТ 2590-88 Прокат стальной горячекатаный круглый. Сортамент

ГОСТ 10581-91 Изделия швейные. Маркировка, упаковка, транспортирование и хранение

Примечание - При пользовании настоящим стандартом целесообразно проверить действие ссылочных стандартов в информационной системе общего пользования - на официальном сайте Федерального агентства по техническому регулированию и метрологии в сети Интернет или по ежегодно издаваемому информа­ционному указателю «Национальные стандарты», который опубликован по состоянию на 1 января текущего года, и по соответствующим издаваемым информационным указателям, опубликованным в текущем году. Если ссылочный стандарт заменен (изменен), то при пользовании настоящим стандартом следует руководствоваться заменяющим (измененным) стандартом. Если ссылочный стандарт отменен без замены, то положение, в котором дана ссылка на него, применяется в части, не затрагивающей эту ссылку.

3 Термины и определения

В настоящем стандарте применены следующие термины с соответствующими определениями:

3.1 асимметричный ток дуги (asymmetrical arc current): Полный ток дуги, создаваемый при замыкании, включающий постоянную и симметричную составляющие, в амперах (А).

3.2 возгорание (ignition): Начало горения.

3.3 вскрытие (brea open): В электродуговых испытаниях это реакция материала, выраженная в образовании в этом материале одного или нескольких отверстий площадью не более 300 мм2 либо размером не более 25 мм в любом направлении, позволяющих пламени пройти сквозь материал. Если через отверстие проходит отдельная нить, то это не считается уменьшением его размера.

3.4 горючесть (ignitability <ignitable>): Свойство материала, включающее горение, сопровождаемое выделением тепла, света и продолжительным горением, приводящим к уничтожению не менее 25 % площади испытуемого образца, подвергнутого воздействию.

3.5 датчик (sensor): Устройство, изготовленное из непроводящего жаростойкого материала, в которое вмонтирован калориметр.

3.6 длительность электрической дуги (arc duration): Время существования электродугового разряда, в секундах (с).

3.7 замыкание (closure): Момент возникновения электродугового разряда, определяемый точкой на временном графике тока источника питания.

3.8 значение электродугового термического воздействия; ЗЭТВ (arc thermal performance value, ATPV): Величина энергии, падающей на материал, в результате воздействия которой количество тепла, переданного через материал, достаточно для того, чтобы стать причиной возникновения ожоговой травмы второй степени в соответствии с кривой Столл, выраженная в киловатт-секундах на квадратный метр (кВт·с/м2).

Примечание - В электродуговых испытаниях ЗЭТВ измеряется в калориях на квадратный сантиметр (кал/см2), принимается 1 кал/см2 = 41,858 кВт·с/м2.

3.9 капание (dripping): При испытании термостойкой одежды - это реакция материала, проявляющаяся в текучести полимерного волокна.

3.10 контрольные датчики (monitoring sensors): Датчики, установленные по обе стороны каждой панели или манекена, не покрытые материалом и применяемые для измерения падающей энергии.

3.11 коэффициент снижения тепла; КСТ (heat attenuation factor, HAF): Доля падающей энергии в процентах, которая блокируется тканью или пакетом материалов при уровне падающей энергии, равной ЗЭТВ.

3.12 кривая Столл (Stoll curve): Кривая, характеризующая способность кожи человека переносить тепловое воздействие до появления ожоговой травмы второй степени.

3.13 напряжение дуги (arc voltage): Падение напряжения, создаваемое электрической дугой, в вольтах (В).

3.14 обугливание (charring): Образование углеродистого слоя в результате пиролиза или неполного сгорания.

3.15 охрупчивание (embrittlement): Образование хрупкого вещества в результате пиролиза или неполного сгорания.

3.16 падающая энергия En (incident energy, Ej): Тепловая энергия, получаемая на единицу площади, как прямой результат воздействия электрической дуги, и определяемая по среднему значению выходных сигналов в виде повышения температуры на двух контрольных датчиках, находящихся около испытуемых образцов, выраженная в киловатт-секундах на квадратный метр (кВт·с/м2).

3.17 пороговая энергия вскрытия Епв (brea open threshold energy, EBT): Высшее значение падающей энергии, воздействующей на ткань или пакет материалов ниже кривой Столл, при котором не происходит их вскрытия, выраженная в киловатт-секундах на квадратный метр (кВт·с/м2).

3.18 плавление (melting): При испытании термостойкой одежды - это реакция материала, проявляемая в размягчении полимерного волокна.

3.19 постоянство термостойких свойств (permanent of thermal resistant properties): Сохранность величины защитных свойств термостойких материалов и изделий из них к тепловому воздействию электрической дуги на протяжении установленного срока эксплуатации.

3.20 реакция материала (material response): Изменение физического состояния материала под воздействием электрической дуги, определяемое следующими явлениями: вскрытие, плавление, капание, обугливание, охрупчивание, усадка, возгорание.

3.21 ремонтопригодность (rapaer ability): Возможность на протяжении установленного срока эксплуатации устранять на одежде последствия нарушения целостности верха изделия, застежек, фурнитуры и т.п. путем осуществления мелкого ремонта в соответствии с инструкцией по уходу за одеждой.

3.22 тепловой поток (heat flax): Интенсивность теплового воздействия, определяемая количеством энергии, передаваемой на единицу площади за единицу времени, выраженная в киловаттах на квадратный метр (кВт/м2).

3.23 уровень защиты (level protection): Величина, характеризующая защитные свойства одежды от термических факторов электрической дуги, выраженная в калориях на квадратный сантиметр (кал/см2).

3.24 усадка (shrinkage): При испытании термостойкой одежды - это реакция материала, проявляемая в уменьшении размера образца.

3.25 электродуговой промежуток (arc gap): Расстояние между электродами дуги, выраженное в миллиметрах (мм).

3.26 энергия дуги (arc energy): Величина, полученная как сумма произведений приращения времени и мгновенных значений напряжения и тока во время электродугового разряда, выраженная в джоулях (Дж) или киловатт-секундах (кВт·с).

4 Классификация

4.1 Виды специальной одежды - по ГОСТ 12.4.011-89.

4.2 В зависимости от значения падающей энергии, выделяемой электрической дугой, одежда подразделяется по ЗЭТВ на следующие уровни защиты в кал/см2:

1-й уровень - 5;

2-й уровень - 20;

3-й уровень - 40;

4-йуровень - 60;

5-й уровень - 80;

6-й уровень-100.

5 Общие технические требования

5.1 Требования к одежде

5.1.1 Одежда должна соответствовать основным требованиям, установленным в ГОСТ Р 12.4.218-99, ГОСТ 12.4.221-2002 и настоящем стандарте.

5.1.2 Одежду следует изготавливать в соответствии с требованиями настоящего стандарта, промышленной технологии специальной одежды, технических документов, утвержденных в установленном порядке.

5.1.3 Одежда должна обеспечивать защиту от воздействия опасных производственных факторов, вызываемых тепловым излучением электрической дуги, повышенными и пониженными температурами, общими производственными загрязнениями.

5.1.4 Одежду следует изготавливать в соответствии с установленными настоящим стандартом уровнями защиты, из материалов с постоянными термостойкими свойствами, сохраняющими заявленные уровни защиты на протяжении установленного срока эксплуатации.

 В зависимости от уровня защиты одежду допускается изготавливать из одного или нескольких слоев термостойкого материала или применять в комплекте с дополнительными видами термостойкой одежды.

5.1.5 Одежду следует испытывать после пяти и 50 стирок на воздействие электрической дугой с одними и теми же заданными параметрами.

5.1.6 Под воздействием высоких температур одежда должна:

обеспечивать стойкость к кратковременному термическому воздействию электрической дуги;

не поддерживать горения, не плавиться, не капать после удаления из зоны термического воздействия.

5.1.7 Изменение линейных размеров одежды после стирки или химчистки не должно превышать ±3% как по длине, так и по ширине одежды.

5.1.8 Одежду следует надевать на хлопчатобумажное или термостойкое белье в зависимости от назначения.

Не допускается применение одежды без нательного белья.

5.1.9 Требования к эргономике - по ГОСТР 12.4.218 и настоящему стандарту.

Режимы эксплуатации костюмов должны обеспечивать работу персонала на протяжении рабочей смены в летнее и зимнее время года, в закрытых помещениях и на открытой местности.

5.1.10 Требования к изготовлению - по ГОСТ 12.4.221-2002.

5.1.10.1 Одежду следует изготавливать в мужском, женском, летнем и зимнем исполнениях по размерам и ростам, соответствующим типовой фигуре человека.

Конструкция летней одежды должна предусматривать возможность ее применения в районах обитания энцефалитного клеща.

Одежду следует изготавливать с учетом климатических поясов, для применения в которых она предназначена. Гигиеническая оценка теплоизоляции одежды для защиты от пониженных температур- по ГОСТР 12.4.185.

5.1.10.2 Размеры и измерения готовой одежды должны соответствовать техническим документам изготовителя.

5.1.10.3 Требования к конструктивным элементам одежды:

фурнитура и застежки на лицевой поверхности одежды должны быть закрыты термостойким материалом верха;

застежки должны легко расстегиваться, чтобы обеспечивать быстрое удаление одежды при аварийной ситуации;

не должно быть отлетных кокеток на куртке или вентиляционных клапанов в области шаговых швов.

5.1.10.4 Материалы, нитки, фурнитура, применяемые для изготовления одежды, должны обладать термостойкими свойствами.

5.1.11 Для подтверждения соответствия качества продукции и стабильности технологического процесса изготовитель должен проводить периодические испытания каждой модели одежды не реже, чем 1 раз в 12 мес. Проведение периодических испытаний - по ГОСТ 15.309-98.

5.1.12 Гарантийный срок хранения одежды определяется техническими документами и должен быть не менее трех лет, включая сроки носки.

5.1.13 Ресурс работы одежды должен быть не менее двух лет.

5.1.14 Одежда должна быть ремонтопригодной.

5.1.15 Одежда не должна быть источником опасных и вредных производственных факторов при ее повседневной носке.

5.1.16 Способы утилизации одежды не должны оказывать вредного воздействия на окружающую среду и определяются производителем.

5.1.17 Одежда должна быть совместима со средствами индивидуальной защиты головы, лица, рук и ног работающего.

5.2 Требования к маркировке

5.2.1 Маркировка одежды должна соответствовать требованиям ГОСТ 12.4.115-82, ГОСТР 12.4.218 с указанием ЗЭТВ. Обозначение защитных свойств - по ГОСТ 12.4.103-83.

5.2.2 Маркировка должна обеспечивать возможность однозначной идентификации одежды, содержать наименование модели (артикул), дату выпуска, товарный знак предприятия-изготовителя, знак соответствия на изделиях, имеющих сертификат.

5.3 Требования к упаковке, транспортированию и хранению

Требования к упаковке, транспортированию и хранению - по ГОСТ 10581-91.

5.4 Указания по эксплуатации

5.4.1 Требования к информации изготовителя и содержанию инструкции по эксплуата­ции - по ГОСТР 12.4.218 и настоящему стандарту.

5.4.2 Инструкция по эксплуатации должна содержать информацию о защитных свойствах, маркировке, условиях эксплуатации, правилах ухода и ремонта одежды.

5.5 Требования к материалам

5.5.1 Верх одежды следует изготавливать из материалов с постоянными термостойкими свойствами, обеспечивающими защиту от падающей энергии электродугового воздействия в соответствии с установленными уровнями защиты.

5.5.2 Огнестойкость материала или пакета материалов, предназначенных для одежды конкретных моделей, после 5- и 50-кратных стирок не должна ухудшаться. Время остаточного горения, определяемого по ГОСТ Р 12.4.200-99, должно быть не более 2 с.

5.5.3 ЗЭТВ материала или пакета материалов, предназначенных для одежды конкретных моделей, после 5- и 50-кратных стирок не должно снижаться более чем на 5 %.

5.5.4 При работах на взрывоопасных объектах значение удельного поверхностного электрического сопротивления материала или пакета материалов, предназначенных для изготовления одежды, определяемое по ГОСТ 12.4.124-83, после 5-и 50-кратных стирок не должно превышать 107Ом.

5.5.5 Материал, из которого изготавливают одежду, должен обеспечивать стойкость к механическим воздействиям и стиркам.

Значения показателей: стойкости к истиранию, раздирающим и разрывным нагрузкам, воздухопроницаемости материала верха одежды после 50-кратных стирок не должны снижаться более чем на 20%.

5.5.6 Материалы, применяемые для изготовления одежды, должны иметь санитарно-эпидемиологическое заключение.

6 Методы контроля

6.1 Методы испытаний на термическое воздействие электрической дуги

6.1.1 Значение методов

Методы испытаний предназначены для измерения предельного ЗЭТВ термостойких материалов, из которых следует изготавливать специальную одежду. Термостойкие материалы, предназначенные для изготовления верха одежды, должны испытываться на возгорание нижнего края и должны удовлетворять следующим требованиям: длина обугливания не более 100 мм и продолжительность горения после выноса образца из пламени не более 2 с. Длина обугливания измеряется методом, описанным в приложении А.

Методы применяются для измерения и описания свойств материалов (метод А) или одежды (метод В) при воздействии на них конвективной энергии и теплового излучения, создаваемых электрической дугой на открытом воздухе в регулируемых лабораторных условиях.

Материалы, используемые в этих методах, имеют форму плоских образцов для метода А и одежды типа верхних рубашек/курток для метода В. Метод А применяют для измерений реакции ткани на воздействие электрической дуги при испытании образцов или пакетов тканей плоской конфигурации. Метод В применяют для измерений реакции одежды на воздействие электрической дуги, включая все компоненты одежды, швейные нити, застежки, ткани и другие аксессуары, при испытании на манекене.

Испытатель должен сам определить соответствующие меры безопасности и охраны труда по 6.1.5.

6.1.2 Принцип методов испытаний

Оба метода определяют значение падающей энергии, которая позволяет прогнозировать ожоговую травму второй степени, когда образцы подвергаются воздействию теплового излучения от электрической дуги.

При испытаниях количество тепла, передаваемого образцами, измеряют с момента инициирования и до окончания воздействия электрической дуги.

Падающий тепловой поток и тепловой поток, прошедший через испытуемый(ые) образец (образцы), измеряют с помощью медных калориметров. Изменение превышения температуры калориметров непосредственно связано со значением полученного образцом теплового воздействия.

Характеристики материала при этом определяют по количеству тепла, прошедшего сквозь образец (образцы).

Полученные данные по теплопередаче сравнивают с кривой Столл и используют для прогнозирования появления ожоговой травмы второй степени.

При испытаниях значение Еп вычисляют по показаниям контрольных датчиков.

Реакция материала должна быть описана путем регистрации наблюдаемых результатов воздействия электрической дуги на образцы с использованием терминов 3.20.

6.1.3 Использование методов испытаний

Данные методы испытания применяют для измерения ЗЭТВ материалов, предназначенных для конструирования термостойкой одежды работникам, подвергающимся риску электродугового воздействия. Методы предназначены для определения значений тепловых характеристик самого материала или при его сравнении с другими материалами.

Так как режимы электродуговых воздействий различаются, для отдельных датчиков возможно получение отличительных друг от друга значений теплопередачи. Показания каждого датчика следует оценивать в соответствии с 6.1.10.

При проведении испытаний образец поддерживают в неподвижном вертикальном положении и не допускают никакое его смещение, кроме как от электродугового воздействия.

В данных методах испытаний устанавливается стандартный набор условий электродуговых воздействий. Различные условия воздействия могут давать разные результаты. В добавление к стандартному набору условий электродуговых воздействий можно задавать и другие условия, характерные для возможных рисков.

6.1.4 Испытательное оборудование

В состав испытательного оборудования должны входить следующие элементы:

- шина электропитания;

- блок управления режимом электрической дуги;

- регистрирующее устройство;

- дуговые электроды;

- три панели с двумя датчиками на каждой или от одного до трех манекенов с четырьмя датчиками на каждом;

- контрольные датчики для каждой панели или для каждого манекена.

6.1.4.1 Метод А. Размещение панелей с двумя датчиками, укрепленными на каждой панели

Для каждого испытания следует использовать три панели с двумя датчиками на каждой и размещать их под углом 120°, как показано на рисунке 1. Кроме того, каждая панель с двумя датчиками должна иметь по два контрольных датчика. По одному контрольному датчику помещается с каждой боковой стороны панели, уже имеющей по два датчика, как показано на рисунке 2.

6.1.4.2 Конструкция панели

Каждая панель с двумя датчиками и держателями контрольных датчиков должна быть изготовлена из непроводящего жаростойкого материала. Размеры такой панели должны быть не менее 200×550 мм. Два датчика должны устанавливаться в панели, как показано на рисунке 2. Каждый датчик должен устанавливаться заподлицо с поверхностью изоляционной платы. Также должна быть предусмотрена возможность перемещения каждой панели с двумя датчиками и контрольных датчиков на расстояние от 200 до 600 мм от центральной линии дуговых электродов, как показано на рисунках 1 и 3.

6.1.4.3 Метод В. Размещение манекенов

Для каждого испытания следует применять не более трех манекенов, имеющих по четыре датчика, и располагать их под углом не менее 120°, как показано на рисунке 4.

Каждый манекен должен иметь по два контрольных датчика, по одному с каждой стороны манекена, как показано на рисунке 5.

Примечание - Число используемых манекенов может определяться пространством вокруг дуговых электродов. Установлено, что два манекена дают самое лучшее рабочее пространство для их одевания. Между манекенами должен соблюдаться угол не менее 120°.

6.1.4.4 Метод В. Конструкция манекена

Следует использовать манекен мужского туловища большого размера с обхватом груди (1067 ± 25) мм, сделанный из непроводящего стекловолокна.

Манекен устанавливают в вертикальной позе; голова может быть съемной; руки должны быть съемные, прямые и укрепленные в вертикальном положении, так чтобы расстояние от испытуемого образца в области грудной клетки было кратчайшим до осевой линии дуги. Для упрощения монтажа манекена руки могут быть укорочены на 100 мм. Манекен должен иметь датчики, описанные в 6.1.4.2 и установленные, как показано на рисунке 6.

6.1.4.5 Выходные сигналы датчика

Выходной сигнал датчика следует сравнивать с кривой Столл. Выходной сигнал контрольного датчика преобразуется в значение падающей энергии Еп путем умножения приращения превышения температуры (ΔT) на постоянный коэффициент 5,65 кВт·с/м2·К.

Примечание - За превышение температуры (delta peak temperature) принимают разность между максимальной и начальной температурами датчика во время испытания, выраженную в градусах Цельсия (°С).

6.1.4.6 Конструкция калориметра

Калориметр должен быть изготовлен из электротехнической меди с парой проводов для каждой из четырех термопар, установленных как показано на рисунке 7а). Провода термопар укрепляют в калориметре как показано на рисунке 7b).

На рисунке 8 показана типовая установка калориметра в датчике и контрольном датчике. Для испытаний при воздействиях свыше 2512 кВт·с/м2 можно использовать контрольные датчики при условии, что калориметры отградуированы и имеют соответствующие характеристики.

6.1.4.7 Шина электропитания и электроды.

Расположение шины электропитания и дуговых электродов показано на рисунке 9. Дуга должна распределяться вертикально.

a) Электроды

Электроды изготавливают из нержавеющего стального стержня 08X18НД по ГОСТ 2590-88 соответствующего диаметра и длины, которые пригодны для применяемых испытательных энергий, генерируемых в процессе испытаний.

b) Плавкая проволока

Для инициирования электрической дуги применяют плавкую проволоку, соединяющую выводы рабочих концов противостоящих электродов. Плавкая проволока должна быть медной номинальным диаметром 0,05 мм.

6.1.4.8 Электропитание

Электропитание от источника промышленной частоты должно быть достаточным для поддержания электродугового разряда с электродуговым промежутком не более 305 мм при переменном токе дуги от 4000 до 25000 А и длительностью электрической дуги от 0,05 до 1,5 с. Полное сопротивление источника тока должно быть гораздо выше полного сопротивления дуги для того, чтобы среднеквадратичное значение тока не менялось во время испытания.

Примечание - За среднеквадратичный ток дуги (r.m.s. arc current) принимают среднеквадратичное значение переменного тока электродугового разряда, выраженное в амперах (А).

6.1.4.9 Управление испытательной цепью

Длительность электрической дуги должна быть в пределах 0,2 цикла для каждого испытания. Ток дуги не должен изменяться более чем на 2 % от испытания к испытанию. Переключатель должен обеспечивать одинаковый фазовый сдвиг во всех последующих испытаниях. Следует измерять ток, длительность и напряжение дуги. Ток, длительность, напряжение и энергия дуги должны быть представлены в графической форме и сохранены в цифровом формате.

6.1.4.10 Система сбора данных

Система должна регистрировать напряжение, ток и выходные сигналы 12 калориметров. Следует регистрировать данные по температуре с минимальной частотой опроса 50 мс/канал в течение 30 с. Данные по току и напряжению следует регистрировать с минимальной частотой дискретизации 2000 Гц. Система должна фиксировать температуру до 250 °С и иметь достаточную чувствительность, чтобы считывать выходные сигналы датчиков до 1 °С для однослойной системы. Для многослойных пакетов материалов система сбора данных должна обеспечивать регистрацию температуры до 400 °С. Разрешающая способность системы 0,1 °С, погрешность не более 1,5 °С.

Примечание - Учитывая характер такого рода испытаний, рекомендуется использовать защитные устройства, установленные на выходе калориметров в целях предохранения от повреждения входных цепей системы сбора данных.

6.1.5 Меры безопасности

Испытательное оборудование выделяет большое количество энергии. Кроме того, электрическая дуга сопровождается интенсивным свечением. Необходимо принимать меры для защиты персонала, работающего в зоне испытаний. Работники должны находиться за защитными барьерами или на безопасном расстоянии для предотвращения поражения электрическим током и контакта с брызгами расплавленного металла. Желающие наблюдать за ходом испытания должны надевать светозащитные очки. Если испытание проводят в помещении, должна быть обеспечена вентиляция для удаления продуктов горения, дыма и газов. Вентиляцию не следует включать до окончания испытания, поскольку потоки воздуха могут нарушить дугу, уменьшая тепловой поток у поверхности плат и датчиков. Испыта­тельное оборудование должно быть огорожено невоспламеняемыми материалами, подходящими для данного испытательного участка. Испытательное оборудование должно быть изолировано от контакта с поверхностью земли в зависимости от испытательного напряжения.

При испытаниях на открытом воздухе должны быть обеспечены средства для предотвращения влияния погодных условий (ветра, дождя и др.).

Электроды и узлы калориметров нагреваются во время испытаний. При работе с этими горячими объектами следует пользоваться защитными перчатками.

В случае возгорания образца или выделения горючих газов следует соблюдать осторожность и держать огнетушитель в готовности. Если произошло возгорание необходимо убедиться, что материалы полностью погашены.

Немедленно после каждого испытания следует отключить электропитание от испытательной установки и остального лабораторного оборудования, которое использовалось для образования дуги. После окончания сбора данных помещение испытательного участка следует проветрить до полного удаления дыма и газов и только после этого разрешается входить персоналу.

6.1.6 Отбор проб и подготовка образцов

6.1.6.1 Образцы для испытаний методами А и В

a) Образцы для испытаний методом А: испытание с использованием панели с двумя датчиками. Образец из материала, подлежащего испытанию, после стирки должен иметь длину не менее 610 мм и ширину не менее 305 мм. Определение числа образцов приведено в 6.1.9.2. Раскрой по длине следует делать в направлении основы или утка материала.

b) Образцы для испытаний методом В: испытание с использованием манекена с четырьмя датчиками.

Из материала, подлежащего испытаниям, изготавливают специальные образцы одежды в соответствии со стандартами на мужскую одежду типа рубашки или куртки большого размера с длинными рукавами. Карманы спереди не обязательны.

Направление ткани при раскрое должно соответствовать направлению, применяемому при раскрое одежды данного типа.

6.1.6.2 Предварительная стирка испытательных образцов

Требуемое количество материала для изготовления испытательных образцов необходимо выстирать. Перед испытаниями материалы или одежду следует выстирать пять или 50 раз по ГОСТ Р ИСО 6330, метод 2А, и высушить методом Е (барабанная сушка).

6.1.7 Градуировка

6.1.7.1 Предварительная градуировка системы сбора данных

Система сбора данных должна быть отградуирована с помощью калибратора - моделирующего устройства термопар. Это позволяет выполнять градуировку в кратных точках и при уровнях свыше 100 °С. Систему сбора данных следует регулярно градуировать в связи с характером испытаний.

6.1.7.2 Проверка градуировки калориметров

Калориметры следует проверять для подтверждения правильности их работы.

После окончательной установки в испытательной камере всех испытательных панелей/манекенов и контрольных датчиков каждый калориметр подвергают воздействию источника фиксированного теплового излучения в течение 30 с. Для этого помещают точечный источник света мощностью 500 Вт на расстоянии 267 мм от калориметра. Световое пятно должно быть установлено по центру калориметра и перпендикулярно к нему. Измеряют и представляют графически рост температуры каждого калориметра и выходной сигнал системы. За 30 с ни один выходной сигнал калориметра не должен отклоняться более чем на 4 °С от среднего значения, полученного на всех 12 калориметрах. Любой калориметр, не удовлетворяющий этому требованию, должен быть заменен.

6.1.7.3 Градуировка оборудования по заданным параметрам электродугового воздействия. Перед каждой градуировкой располагают электроды испытательного оборудования таким образом, чтобы между ними был зазор, равный 300 мм. Лицевые стороны контрольных датчиков должны быть параллельны электродам и перпендикулярны к их осевой линии. Средняя точка межэлектродного зазора должна находиться на одной высоте с центральной точкой контрольных датчиков (см. рисунок 3). Присоединяют плавкую проволоку сначала к концу одного электрода, делая несколько витков и скруток, затем к концу другого электрода тем же способом. Плавкую проволоку необходимо туго натянуть и излишек отрезать. Испытательное оборудование следует отрегулировать для получения требуемого тока и длительности электрической дуги.

6.1.7.4 Градуировка оборудования для панелей с двумя датчиками, манекенов и контрольных датчиков

Располагают каждую панель с двумя датчиками или манекен таким образом, чтобы их поверхности были параллельны и перпендикулярны к осевой линии электродов и находились на расстоянии 305 мм от нее. Регулируют симметричный ток электродугового воздействия до установленного уровня с длительностью дуги на 10 циклов.

Производят разряд дуги, определяют максимальное превышение температуры по каждому датчику и умножают показания на постоянную датчика 5,65 кВт·с/м2·К, чтобы получить падающую энергию Еп (полное количество тепла), измеренную каждым контрольным датчиком.

Сравнивают самое высокое показание контрольного датчика со средним значением, полученным по всем контрольным датчикам, например, с теоретическим результатом 423 кВт·с/м2 при моделирующем воздействии, приведенном в 6.1.9.1. Сравнивают значение полного количества тепла Еп, определенное датчиками, с показанным значением. Среднее значение полного количества тепла, определенное по датчикам, должно составлять не менее 60 % от расчетного или приведенного (теоретического) значения. Самое высокое измеренное значение общего количества тепла, показанное любым контрольным датчиком, должно быть в пределах 10 % от расчетного значения. Если эти значения не получены, проверяют испытательную установку и делают соответствующие исправления. Моделирующее испытание на электродуговое воздействие следует проводить на требуемом испытательном уровне после каждой регулировки и перед началом и завершением ежедневного испытания или выхода из строя оборудования.

Поскольку путь дуги не проходит на одинаковом расстоянии от каждого датчика, результаты получаются разные. При токе 8000 А максимальное значение полного количества тепла, измеренное любым контрольным датчиком, должно быть в диапазоне от 377 до 461 кВт·с/м2, а среднее значение полного количества тепла по всем контрольным датчикам как минимум 251 кВт·с/м2. Если эти значения не получены, проверяют градуировку системы контрольных датчиков, состояние электрического оборудования, наладку аппаратуры и повторяют моделирующее воздействие до тех пор, пока не будут получены требуемые результаты.

6.1.7.5 Подтверждение градуировки испытательного оборудования

Настройку испытательного оборудования подтверждают для каждого испытания. В протоколе испытания должны быть приведены значения максимальной амплитуды тока дуги, среднеквадратичного значения тока дуги, длительности и напряжения дуги. Должен быть построен график тока дуги для гарантии правильной формы волны. Кроме того, должны быть записаны температура окружающей среды и относительная влажность.

Примечание - За максимальную амплитуду тока дуги (peak arc current) принимают наибольшее значение переменного тока дугового разряда, выраженное в амперах (А).

6.1.8 Уход и техническое обслуживание оборудования

6.1.8.1 Восстановление поверхностей

Протирают поверхность каждого датчика сразу же после каждого испытания, пока он горячий, чтобы удалить все продукты распада, которые конденсируются и могут в дальнейшем привести к ошибкам. Если отложения скапливаются и оказываются толще тонкого слоя краски либо неровными, значит, поверхность датчика требует повторной обработки. Охлажденный датчик тщательно очищают ацетоном или углеводородным растворителем, соблюдая правила безопасности. Снова покрывают поверхность путем напыления тонкого слоя матовой черной высокотемпературной краски. Для всех датчиков используют одну и ту же краску и проверяют, чтобы она высохла перед проведением следующего испытания.

6.1.8.2 Уход за платами датчиков и манекенами

Платы датчиков и манекены должны быть сухими. При испытаниях на открытом воздухе их необходимо накрывать при продолжительных перерывах между испытаниями во избежание чрезмерного подъема температуры под действием солнца. В связи с деструктивным характером электрической дуги платы датчиков и манекены следует покрывать той же краской, что и датчики, а также периодически перекрашивать для уменьшения повреждений.

6.1.9 Процедуры испытаний

6.1.9.1 Параметры испытаний

Следует соблюдать следующие параметры испытаний: ток дуги (8±1) кА, электродуговой промежуток - 300 мм, электроды из нержавеющей стали, расстояние между осевой линией дуги и поверхностью испытательного образца- 300 мм.

6.1.9.2 Порядок проведения испытаний

Для каждого испытания готовят не менее трех образцов из одного и того же материала: по одному для каждой из трех панелей с двумя датчиками или по одному - для каждого манекена. Для оценки одного вида образца следует провести серию как минимум из семи испытаний в диапазоне падающих энергий так, чтобы среднее повышение температуры как минимум 20 % панелей с двумя датчиками или манекенов с четырьмя датчиками было выше кривой Столл и как минимум 20 % - ниже кривой Столл. Не более 10 % экспериментальных точек должно быть более чем на 10 °С выше или ниже кривой Столл.

Для анализа данных требуется не менее 20 экспериментальных точек, т.е. среднеарифметическое значение показаний двух датчиков каждой из 20 панелей (метод А) или среднеарифметическое значение показаний четырех датчиков для каждого из 20 манекенов (метод В).

Если происходит вскрытие образца (см. 3.3), то следует провести дополнительные испытания, чтобы обеспечить необходимое число экспериментальных точек. Диапазон падающей энергии обеспечивается путем увеличения или уменьшения длительности дуги. Целью этих испытаний является получение среднего значения изменения температуры для каждой панели, которое находится в том же диапазоне, что и кривая Столл.

6.1.9.3 Начальная температура

Температуру датчиков регулируют в диапазоне от 25 °С до 35 °С.

После воздействия датчики охлаждают струей воздуха или путем контакта с холодной поверхностью. Следует убедиться, что температура датчиков находится в диапазоне от 25 °С до 35 °С.

6.1.9.4 Крепление образцов

a) Метод А с применением панелей

Образцы должны быть прикреплены к панели с датчиками без натяжения материала с учетом возможной усадки во время воздействия дуги. Для этого применяют систему пружинного зажима материала (см. рисунок 10). С помощью этой системы, состоящей из четырех зажимов, образец прикрепляют к панели датчика таким образом, чтобы не препятствовать усадке образца во время дугового испытания. Для фиксации материала к панели сила приложения каждого зажима должна быть в диапазоне от 4,4 до 6,7 Н. Можно также применять и другие средства крепления, удовлетворяющие приведенным выше целям. Если испытывают многослойные образцы, их следует прикреплять в том порядке, чтобы они воспроизводили слои носимой одежды.

b) Метод В с применением манекенов

Образцы крепят таким образом, чтобы они имитировали слои носимой одежды. На манекен надевают испытуемый образец и застегивают все пуговицы. Гирю полукруглой формы массой 1500 г прикрепляют к загнутому нижнему краю образца пятью зажимами, укрепленными на этой гире. Испытуемый образец должен быть натянутым с лицевой стороны манекена, а излишек материала собирается сзади. Руки должны висеть по бокам манекена и не выступать к дуге ближе, чем поверхность груди.

6.1.9.5 Информация об образцах.

 Информация об образце должна включать в себя:

- идентификационный номер;

- порядок слоев, начиная с верхнего, записанного первым;

- тип материала;

- поверхностную плотность;

- тип ткацкого переплетения/вязки;

- цвет;

- число испытуемых образцов.

6.1.9.6 Проведение испытаний Крепят плавкую проволоку к электродам.

Обеспечивают выполнение всех мер безопасности, убеждаются, что все участники испытаний находятся вне опасной зоны.

Воздействуют электрической дугой на испытуемые образцы.

Отключают электропитание, по завершению сбора данных проветривают помещение испытательного участка и подсоединяют защитное заземление в соответствии с 6.1.5.

Гасят с помощью огнетушителя любое воспламенение, если не было предусмотрено оставлять образец (образцы) до полного сгорания.

Записывают термические и электрические данные и реакцию материала согласно 6.1.11.

Проверяют и восстанавливают, при необходимости, датчики и регулируют их правильное положение и электродуговой промежуток.

6.1.10 Интерпретация результатов

6.1.10.1 Теплопередача

а) Определение начального отсчета времени

Из-за электрических шумов, обычно характерных для этого типа испытаний, бывает трудно получить достоверный момент замыкания при инициировании электродугового разряда.

Однако исходное время действия дуги можно надежно получить для каждого испытания, используя следующий анализ.

Для каждой кривой датчика строят график разности между кривой и линией, проведенной от начала потока данных к некоторой точке в области роста температуры на кривой. Находят максимум на этом разностном графике. Точка на оси времени, которой соответствует этот максимум, является оптимальной оценкой времени инициирования дуги для данного датчика. Эти точки инициирования дуги обычно вполне согласуются в пределах испытания, а среднее значение этих точек для всех датчиков следует использовать как точку инициирования для всех датчиков.

Примечание - Для определения начала отсчета времени существуют и другие способы, которые можно использовать.

b) Построение графика для выходных сигналов датчика

После определения момента замыкания данные, собранные для момента замыкания, можно усреднить, чтобы получить базовую линию для кривой каждого датчика. Базовую линию каждой отдельной кривой затем вычитают из каждой линии, построенной по экспериментальным точкам, чтобы получить кривую роста температуры от нулевых точек начала отсчета. Определив момент замыкания и зная время выборки, можно построить кривую роста температуры с соответствующей шкалой времени (см. рисунок 11). Эти процедуры можно легко автоматизировать с помощью компьютерных программ.

c) Сравнение выходных сигналов датчика с кривой Столл

Кривая Столл определяется значениями, приведенными в таблицей. Накладывают кривую Столл на график выходных сигналов датчика. Создают файл данных, который позволяет путем интерполяции между точками кривой Столл, приведенными в таблице 1, получать данные кривой Столл для любого временного интервала, в котором регистрируется рост температуры.

Таблица 1 - Стойкость кожных тканей человека к возникновению ожоговой травмы второй степени при повышении температуры

Время воздействия, с

Удельный тепловой поток, кВт/м2

Падающая энергия, кВт·с/м2

Калориметрический эквивалент железно-константановой термопары

ΔТ°С

ΔmV

1

50

50

8,9

0,46

2

31

61

10,8

0,57

3

23

69

12,2

0,63

4

19

75

13,3

0,69

5

16

80

14,1

0,72

6

14

85

15,1

0,78

7

13

88

15,5

0,80

8

11,5

92

16,2

0,83

9

10,6

95

16,8

0,86

10

9,8

98

17,3

0,89

11

9,2

101

17,8

0,92

12

8,6

103

18,2

0,94

13

8,1

106

18,7

0,97

14

7,7

108

19,1

0,99

15

7 А

111

19,7

1,02

16

7,0

113

19,8

1,03

17

6,7

114

20,2

1,04

18

6,4

116

20,6

1,06

19

6,2

118

20,8

1,08

20

6,0

120

21,2

1,10

25

5,1

128

22,6

1,17

30

4,5

134

23,8

1,23

По данным повышения температуры двух датчиков на каждой панели или четырех датчиков на каждом манекене получают среднюю кривую роста температуры (rTср). Сравнивают эту кривую rTср для каждой панели или манекена с кривой Столл.

Для кривых rTср, которые находятся над кривой Столл, записывают максимальную разность в градусах Цельсия между кривой rTср и кривой Столл. Эти значения будут иметь положительный знак, указывающий на то, что кривые rTср лежат выше кривой Столл. Обозначают это как положительное значение rСтолл,ср для максимальной разности между кривой Столл и кривой rTср.

Для кривых rTср, которые находятся ниже кривой Столл, записывают минимальную разность в градусах Цельсия между кривой rTср и кривой Столл. Эти значения будут иметь отрицательный знак, указывающий на то, что кривые rTср, лежат ниже кривой Столл. Обозначают это как отрицательное значение rСтолл,ср для минимальной разности между кривой Столл и кривой rTср.

d) Выходные сигналы контрольного датчика падающей энергиип)

Для каждой панели или манекена, находящихся под электродуговым воздействием, вычисляют среднее значение максимального роста температуры rTср,макс для двух соседних контрольных датчиков. Преобразовывают это значение rTср,макс в единицы кВт·с/м2, умножая на постоянную медного калориметра 5,65 кВт·с/м2·К, чтобы определить падающую энергию Еп для каждой панели или манекена, испытывающих воздействие дуги.

e) Определение ЗЭТВ

Для каждой панели или манекена, находящихся под воздействием электрической дуги, строят график с положительным или отрицательным значением rСтолл,ср по горизонтальной оси и Еп - по вертикальной оси. Для каждого воздействия дуги три панели дадут три точки данных, манекены дадут от одной до трех точек (в зависимости от числа используемых манекенов) rСтолл,ср как функции Еп. Чтобы иметь достаточно данных для анализа, должно быть получено не менее 20 экспериментальных точек, представляющих 20 панелей или 20 манекенов, при этом не менее 20 % данных должны быть положительными и не менее 20 % - отрицательными. Не более 10 % экспериментальных точек могут отклоняться от кривой Столл более чем на 5 °С. Все полученные точки, удовлетворяющие этим критериям, должны использоваться в вычислениях ЗЭТВ. Если ЗЭТВ не может быть вычислено из-за разрушения образца, используют другой метод анализа данных, описанный в 6.1.10.2.

f) Вычисление доверительных интервалов

Проводят прямую линию наилучшего соответствия для точек rСтолл,ср и определяют доверительный 95 %-ный интервал для среднего значения и оцениваемых точек. Для вычисления доверительных интервалов оценивают расхождение по формуле

где

(1)

Затем расхождение V в предварительных расчетах у при некотором частном значении х0 можно вычислить по формулам:

(2)

(3)

Доверительный интервал (1-α) для предварительного расчета упри некотором частном значении х0 тогда определяется выражениями:

(4)

(5)

где t имеет (n-2) степеней свободы.

Для нахождения области 95 %-ных доверительных интервалов для линии наилучшего соответствия по f) можно использовать программное обеспечение.

д) Определение ЗЭТВ

ЗЭТВ является значением Еп, при котором rСтолл,ср равняется нулю на основе линии наилучшего соответствия по f) и 95 %-ный доверительный интервал ЗЭТВ является интервалом Еп, образованным 95 %-ной доверительной областью при rСтолл,ср, равном нулю.

h) Графическое представление ЗЭТВ

Существующие программы статистического анализа для определения 95 %-ного доверительного интервала ЗЭТВ требуют, чтобы значения Еп откладывались по вертикальной оси, а rСтолл,ср - по горизонтальной. Однако такое построение графика в какой-то степени противоречит интуиции. Следовательно, если 95 %-ный доверительный интервал определяется согласно f), то график зависимости rСтолл,ср от Еп можно перестроить, чтобы rСтолл,ср было на вертикальной оси, а Еп - на горизонтальной.

i) Определение КСТ

Определяют максимальное значение rТмакс двух датчиков на каждой панели. Вычисляют среднеарифметическое значение rТмак для двух датчиков каждой панели и записывают его как rТср,мак. Для каждой панели и при каждом воздействии делят rТср,мак на rТср,мин для двух контрольных датчиков в соответствие с d), расположенных по обе стороны к панели, и идентифицируют это значение как Епр (доля падающей энергии, которая передается через образец). Экспериментальное значение кет для каждой панели вычисляют по формуле

кст=100(1-Епр).(6)

(6)

Значение КСТ затем определяют путем нанесения всех значений кет для каждой панели на вертикальную ось как функцию Еп для каждой панели на горизонтальной оси. Используют не менее 20 точек, представляющих 20 панелей. Линию наилучшего соответствия проводят через эти точки и для нее определяют 95 %-ный доверительный интервал. КСТ является значением, показанным линией наилучшего соответствия при значении Еп равном ЗЭТВ. 95 %-ный доверительный интервал КСТ определяется зна­чениями 95 %-ного доверительного интервала при Еп равном ЗЭТВ.

В приложении В приведены описание и объяснение методов и формул для определения ЗЭТВ и КСТ.

6.1.10.2 Определение пороговой энергии вскрытия Епв

Если необходимые 20 % данных над кривой Столл не могут быть получены из-за вскрытия образца, значит ЗЭТВ определить невозможно.

В многослойных образцах, состоящих из огнестойкого материала, все слои должны вскрыться согласно определению, приведенному в 3.3. В многослойных образцах, в состав которых входят горючие слои, считается, что вскрытие происходит, когда воздействию подвергаются эти слои.

При наивысшем значении Еп ниже кривой Столл, при котором образцы не вскрываются, испытания повторяют, чтобы получить еще шесть точек. Если вскрытия снова не происходит, то это значение Еп является пороговой энергией вскрытия Епв.

Если происходит вскрытие хотя бы одного слоя, то повторяют указанные выше действия, чтобы получить 10 точек при самом высоком значении Еп ниже значения, при котором происходит вскрытие. Если вскрытия не происходит, это значение Еп является пороговой энергией вскрытия Епв, но если вскрытие происходит, значение для пороговой энергии вскрытия не может быть получено.

6.1.10.3 Визуальный контроль

Наблюдают за результатом электродугового воздействия на образцы и после того как образцы остынут, осторожно удаляют ткань и другие слои с панели, отмечая любые дополнительные результаты воздействия. Они могут быть описаны терминами: вскрытие, плавление, капание, обугливание, охрупчивание, усадка, возгорание.

6.1.11 Протокол испытаний

Указывают, что данное испытание было проведено в соответствии с требованиями данного метода и записывают в протокол используемый метод (метод А или В), а также следующую информацию:

- крепление образцов, как указано в 6.1.9.4;

- информацию об образцах, как указано в 6.1.9.5;

- условия проведения каждого испытания, включая:

номер испытания,

среднеквадратичное значение тока дуги,

\пиковый ток дуги,

электродуговой промежуток,

длительность дуги,

энергию дуги,

график тока дуги;

данные об испытаниях, включающие:

номер испытания,

образец (образцы),

порядок слоев пакета материалов,

расстояние от осевой линии дуги до поверхности панели или манекена,

результаты визуального контроля, как описано в 6.1.10.3,

график выходных сигналов двух контрольных датчиков и двух датчиков панели для каждого испытания с использованием панели или четырех датчиков манекенов для каждого испытания с использованием манекена,

график среднего значения выходных сигналов от двух датчиков панели и от двух контрольных датчиков для каждого испытания с использованием панели (метод А) или среднее значение выходных сигналов четырех датчиков на манекенах и двух контрольных датчиков для каждого испытания с использованием манекена (метод В),

ЗЭТВ и 95 %-ный доверительный интервал для ЗЭТВ,

график зависимости rСтолл,ср от Еп,

КСТ и 95 %-ный доверительный интервал для КСТ,

график зависимости КСТ от Еп,

график распределения падающей энергии Еп незащищенной панели в ходе электродуговых испытаний.

Должны фиксироваться все нарушения, относящиеся к испытательному оборудованию.

Если применяются альтернативные электроды, указывают их размер и тип.

Возвращают прошедшие испытания образцы, графики, данные об испытаниях и неиспользованные образцы заказчику согласно предварительным договоренностям. Все образцы должны быть маркированы с указанием номера испытания, даты и др.

1 - контрольные датчики

Рисунок 1 - Схема расположения трех панелей с вмонтированными в них датчиками и контрольными датчиками (метод А)

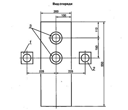
1, 2 - контрольные датчики; 3 датчики

Рисунок 2 - Схема панели с двумя датчиками и контрольные датчики (метод А)

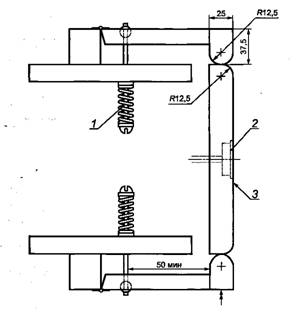
1 - электрод; 2 - датчики; 3 -контрольные датчики

Рисунок 3 - Схема скольжения панели с двумя датчиками (метод А)

1 - контрольные датчики; 2 - дополнительные положения манекенов

Рисунок 4 - Шина электропитания и электродуговые электроды относительно положения(ий) манекена(ов)

1 - электрод; 2 - контрольный датчик

Рисунок 5 - Манекен с контрольными датчиками

Рисунок 6 - Манекен с четырьмя датчиками

1 - датчик из меди электротехнического класса; 2 - термопары

а) Установка термопар в калориметре

b) укрепление провода в термопаре. Изображение отверстия и метод закрепления термопары

Рисунок 7 - Калориметр и детали термопары

1 - грань размером 1,6×1,6 мм; 2- установочное место для калориметра; 3 - изоляционная плата размером 12,5×25,0 мм; 4 - соединительные стержни (3-4 штуки) для прикрепления диска

Рисунок 8 - Типичная установка калориметра в датчике и контрольном датчике

1 - панели; 2 - электроды; 3 - датчики на панели; 4 - коаксиальная шина электропитания; 5,6 - шина; 7 изоляционная подставка; 8 - изолятор

Рисунок 9 - Шина электропитания и дуговые электроды (для испытания на панелях по методу А)

1 - пружинный зажим (на каждый край панели устанавливается один зажим, усилием 4,4-6,7 Н. На панель требуется четыре зажима); 2 - калориметр; 3 - панель

Рисунок 10 - Типичное устройство для зажима образца материала

Рисунок 11 - Типичная кривая роста температуры датчика в зависимости от времени после введения поправки на базовую линию

Приложение А (обязательное)
Измерение длины обугливания

Настоящее испытание основано на приложении С стандарта ГОСТ Р ИСО 15025.

Наружный материал испытывают согласно процедуре В (возгорание нижнего края). Каждый слой пакета материалов многослойного образца также испытывают по указанной процедуре В.

Длину обугливания определяют путем измерения длины разрыва, проходящего через центр обугленной зоны.

Образец сгибают продольно и сгибают рукой вдоль линии, проходящей через пик обугленной зоны.

Крючок из стальной проволоки длиной 76 мм, загнутой под 45° в точке на расстоянии 13 мм от одного конца, вставляют в образец (или протыкают дырку диаметром не более 6 мм для этого крючка) с одной стороны обугленной зоны на расстоянии 6 мм от соседнего внешнего края и 60 мм от нижнего конца.

Необходима гиря достаточной массы, чтобы общая масса гири и крючка были равны полной разрывной нагрузке, указанной в таблице А.1. Полная разрывная нагрузка для определения длины обугливания, основанной на массе испытуемого образца, определяется по таблице А. 1.

Усилие разрывной нагрузки следует осторожно прикладывать к испытуемому образцу, при этом захватывать угол образца с противоположного от нагрузки обугленного края, и целиком поднимать образец и гирю с опорной поверхности. Конец разрыва отмечают на этом конце и длину обугливания измеряют вдоль неповрежденного края.

Таблица А.1 - Полная разрывная нагрузка

Поверхностная плотность материала, образца, г/м2

Полная разрывная нагрузка для определения длины обугливания, кг

От 50 до 200 включ.

0,1

Св. 200 до 500 включ.

0,2

Св. 500 до 800 включ.

0,3

Св.800

0,45

Приложение В (справочное)
Статистический анализ

Описание методов и формул для определения значения электродугового термического воздействия и коэффициента снижения тепла

В настоящем приложении приведены статистические методы, используемые для получения ЗЭТВ, КСТ и связанных факторов из набора экспериментальных данных для конкретного типа материала одежды. В описании не оценивается пригодность метода, используемого для получения экспериментальных точек.

В.1 Введение

При электродуговом испытании образца материала на панели с датчиком получаем значения трех величин: падающей энергии Еп, кВт·с/м2; выходного сигнала датчика dS, как разности температур (°С), отрицательных или положительных относительно кривой Столл; переданной через материал энергии Епр, как доли падающей энергии.

В случае разрушения образца применяется другой анализ, описанный в 6.1.10.2.

В.2 Определение ЗЭТВ

Для получения полного набора данных по одной модели одежды проводят не менее 20 испытаний, при этом не менее 20 % испытаний имеют положительную разность dS и не менее 20 % испытаний - отрицательную. График испытаний, показывающий dS как функцию Еп, будет, таким образом, представлять набор точек, сгруппированных вокруг линии dS = 0.

ЗЭТВ можно получить из этого графика в два этапа:

а) оценить и построить линию наилучшего соответствия;

b) определить значение Еп в точке пересечения линии наилучшего соответствия с линией dS = 0.

Процесс оценки линии наилучшего соответствия не обязательно бывает простым. В коммерческих программах алгоритмы для линейной регрессии методом наименьших квадратов исходят из того, что все погрешности в наборе точек (Xi.yi) для i от 1 до n находятся на координате yi Здесь же должны быть значения dS. Однако из характера электродуговых испытаний известно, что ошибки имеются также в значениях Еп. Таким образом, любая регрессия dS по Еп или Еп по dS учитывает погрешности только в одном наборе координат. Более того, эти две регрессии приводят к разным результатам. Однако при поиске ЗЭТВ эти две регрессии дают аналогичные результаты за счет того факта, что ЗЭТВ находится вблизи среднего из значений Еп. Это гарантируется требованием, чтобы точки группировались вокруг значения dS = 0.

Один из способов решения этой проблемы состоит в том, чтобы построить обе регрессии и составить разницу. Более приемлемым способом является оценка наилучшего соответствия наименьших квадратов при допущении, что погрешности имеются по обеим координатам. Это можно сделать с помощью коммерческих программ, использующих модифицированный способ решения линейной регрессии. Этот метод требует некоторых итераций проведения некоторых итерационных операций, так как данная проблема по своему характеру является нелинейной, хотя полученное соответствие представляет четко прямую линию.

В.3 Определение ЗЭТВ с доверительным 95 %-ным интервалом

При интуитивном подходе доверительный 95 %-ный интервал ЗЭТВ - это такое значение падающей энергии, при котором вероятность того, что dS превысит нуль, составляет 5 %, исходя из линии наилучшего соответствия набору полученных данных. Это согласуется с прогнозируемым значением для dS при этой падающей энергии.

Прогнозирование единичной точки, исходя из наилучшего соответствия набору данных, отличается от формулировки доверительных пределов самой линии наилучшего соответствия, как указано в 6.1.10.1, перечисление f), но не полностью интерпретировано. Коммерческие программы обычно предусматривают доверительные пределы линейного соответствия. Эти доверительные пределы применяются к линии в целом, а не к прогнозированию единичных точек. Также отмечается, что доверительные пределы являются двусторонними, т.е. 95 %-ные г доверительные пределы ограничивают линию наилучшего соответствия сверху и снизу.

Если нужно иметь 95 %-ную вероятность при сигнале датчика, не превышающем линию dS = 0, то следует искать такой доверительный предел, чтобы область над верхним пределом составляла вероятность 5 %. Для двустороннего распределения это означает, что область под нижним пределом также составляет 5 % и, следовательно, область между этими пределами - 90 %. Таким образом, для 95 %-ной вероятности, когда сигнал датчика не превышает линию dS = 0, используют верхний предел при уровне вероятности 90 %.

Пункт 6.1.10.1, перечисление f) включает формулы для предсказания значения единичной точки и пределы ее предсказания:

(В.1)

где t95 - значение f-распределения для (n-2) степеней свободы при двусторонней вероятности 0,95;

(В.2)

где n - количество точек выборки;

х0 - падающая энергия Еп, (т.е. 95 %-ная вероятность для ЗЭТВ) при предсказанном значении;

у0- прогнозируемое значение (т.е. dS);

х - среднее значение падающих энергий;

(В.3)

где у - среднее значение выходных сигналов датчика (dS);

b - наклон линии наилучшего соответствия.

Например, если имеется 20 точек выборки, тогда n равняется 20, имеется 18 степеней свободы и t95 составляет 2,101. Как указывалось выше, для получения 95 %-ной вероятности не превышения линии dS = 0, здесь следует в действительности использовать t90, что составляет 1,743. Стоит также отметить, что t90 для двустороннего распределения эквивалентно t95 для одностороннего распределения.

Задача вычисления 95 %-ной вероятности для ЗЭТВ сводится к решению приведенных выше уравнений для х0 при условии, что точки (х0, у0) лежат на линии наилучшего соответствия, так что верхнее значение у95 равно нулю. Уравнение для линии наилучшего соответствия при х0 можно записать как

(В.4)

Прямым решением для х0 является корень квадратного уравнения, но, возможно, его проще найти графически путем вычисления у95 для диапазона :

(В.5)

 

Выбор знака плюс или минус в формуле В.5 можно определить, подставляя это значение в систему уравнений для подтверждения, что у95 равно нулю.

В.4 Определение КСТ

Коэффициент снижения тепла (КСТ) является мерой количества тепла, не прошедшего сквозь материал. Если этот материал не изменяет своего физического состояния при любой падающей энергии в наборе данных, тогда КСТ должен быть постоянным. Если КСТ является постоянным, тогда график КСТ как функция падающей энергии будет прямой линией с нулевым наклоном. В приведенных ниже рассуждениях предполагается, что значения КСТ являются выборкой с нормальным распределением.

Истинное значение КСТ неизвестно. Наилучшей оценкой КСТ является сред нее для всех значений, независимо от ЗЭТВ. Распределение значений КСТ относительно среднего можно охарактеризовать путем вычисления стандартного отклонения набора данных. Тогда 95 %-ный доверительный интервал для КСТ можно определить, используя f-распределение

(В.6)

где s - стандартное выборочное отклонение;

 - среднее значение для п выборочных значений Епр;

(В.7)

где Т- стандартное значение для истинного среднего μ;

Р(-α>T<α)=0,95

(В.8)

где α - значение из t-распределения для (n-1) степеней свободы;

(В.8)

Уравнение (В.9) является представлением доверительных пределов для истинного значения КСТ посредством выборочного среднего и выборочного стандартного отклонений. Например, для выборки из 20 точек существует 19 степеней свободы и а равняется 2,093. Если число степеней свободы увеличивается, предельное значение а составляет (1,96), то же самое происходит, когда стандартное отклонение совокупности известно. Однако 95 %-ная вероятность для КСТ является двусторонней, тогда как 95 %-ная вероятность для ЗЭТВ только односторонняя.

Приложение С (справочное)
Сведения о соответствии ссылочных международных (региональных) стандартов национальным стандартам Российской Федерации, использованным в настоящем стандарте в качестве нормативных ссылок

Таблица С.1

Обозначение ссылочного национального стандарта Российской Федерации

Обозначение и наименование ссылочного международного (регионального) стандарта и условное обозначение степени его соответствия национальному стандарту

ГОСТ Р 12.4.185-99

ЕН 342:1997 «Защитная одежда. Комплекты для защиты от холода» (MOD)

ГОСТ Р 12.4.200-99

ЕН 532:1995 «Защитная одежда. Защита от тепла и огня. Метод испытаний при ограниченном распространении пламени» (MOD)

ГОСТ Р 12.4.218-99

ЕН 340:1993 «Защитная одежда. Общие требования» (IDT)

ГОСТ Р ИСО 6330-99

ИСО 6330:1999 «Материалы текстильные. Методы бытовой стирки и сушки, применяемые для испытания тканей, трикотажных полотен и готовых изделий» (IDT)

ГОСТ Р ИСО 15025-2007

ИСО 15025:2000 «Одежда для защиты от тепла и огня. Метод испытания на ограниченное распространение пламени» (IDT)

ГОСТ 12.4.011-89

-

ГОСТ 12.4.103-83

-

ГОСТ 12.4.115-82

-

ГОСТ 12.4.124-83

-

ГОСТ 12.4.221-2002

-

ГОСТ 15.309-98

-

ГОСТ 2590-88

-

ГОСТ 10581-91

-

Примечание - В настоящей таблице использованы следующие условные обозначения степени соответствия стандартов:

- IDT - идентичные стандарты;

- МОР - модифицированные стандарты.

Ключевые слова: одежда специальная, электрическая дуга, значение электродугового термического воздействия, реакция материала, постоянство термостойких свойств, уровень защиты




Яндекс цитирования



   Copyright © 2007-2026,  www.tehlit.ru.

[ ѓосты, стандарты, нормативы, инструкции, правила, строительные нормы ]