//
ТехЛит.ру
- крупнейшая бесплатная электронная интернет библиотека для "технически умных" людей.
WWW.TEHLIT.RU - ТЕХНИЧЕСКАЯ ЛИТЕРАТУРА

:: Алготрейдинг::


АЛГОТРЕЙДИНГ
шаг за шагом
с нуля по урокам!

Торговые роботы на PYTHON, BackTrader,
Pandas, Pine Script для TradingView. Связка с брокерами, телеграм и легкими приложениями.


МЕЖГОСУДАРСТВЕННЫЙ СОВЕТ ПО СТАНДАРТИЗАЦИИ, МЕТРОЛОГИИ И СЕРТИФИКАЦИИ
(МГС)

INTERSTATE COUNCIL FOR STANDARDIZATION, METROLOGY AND CERTIFICATION
(ISC)

межгосударственный
СТАНДАРТ

ГОСТ
30873.4-
2006
(ИСО 8662-4:1994)

Ручные машины

ИЗМЕРЕНИЯ ВИБРАЦИИ НА РУКОЯТКЕ

Часть 4

Машины шлифовальные

ISO 8662-4:1994

Hand-held portable power tools - Measurement
of vibrations at the handle
- Part 4: Grinders
(MOD)

Москва
Стандартинформ
2008

Предисловие

Цели, основные принципы и основной порядок проведения работ по межгосударственной стандартизации установлены ГОСТ 1.0-92 «Межгосударственная система стандартизации. Основные положения» и ГОСТ 1.2-97 «Межгосударственная система стандартизации. Стандарты межгосударственные, правила и рекомендации по межгосударственной стандартизации. Порядок разработки, принятия, применения, обновления и отмены»

Сведения о стандарте

1. ПОДГОТОВЛЕН Открытым акционерным обществом «Научно-исследовательский центр контроля и диагностики технических систем» на основе собственного аутентичного перевода стандарта, указанного в пункте 4

2. ВНЕСЕН Межгосударственным техническим комитетом по стандартизации МТК 183 «Вибрация и удар»

3. ПРИНЯТ Межгосударственным советом по стандартизации, метрологии и сертификации (протокол 29 от 24 июня 2006 г.)

За принятие проголосовали:

Краткое наименование страны
по
МК (ИСО 3166) 004-97

Код страны по
МК (ИСО 3166) 004-97

Сокращенное наименование национального органа по стандартизации

Азербайджан

AZ

Азстандарт

Беларусь

BY

Госстандарт Республики Беларусь

Казахстан

KZ

Госстандарт Республики Казахстан

Кыргызстан

KG

Кыргызстандарт

Молдова

MD

Молдова-Стандарт

Российская Федерация

RU

Федеральное агентство по техническому регулированию и метрологии

Таджикистан

TJ

Таджикстандарт

Узбекистан

UZ

Агентство «Узстандарт»

4. Настоящий стандарт является модифицированным по отношению к международному стандарту ИСО 8662-4:1994 «Ручные машины. Измерения вибрации на рукоятке. Часть 4. Машины шлифовальные» (ISO 8662-4:1994 «Hand-held portable powertools - Measurement of vibrations at the handle - Part 4: Grinders») путем внесения технических отклонений, объяснение которых приведено во введении к настоящему стандарту, и изменения его структуры.

Сравнение структуры настоящего стандарта со структурой указанного международного стандарта приведено в дополнительном приложении В.

Степень соответствия - модифицированная (MOD)

5. Приказом Федерального агентства по техническому регулированию и метрологии от 12 декабря 2007 г. № 368-ст межгосударственный стандарт ГОСТ 30873.4-2006 (ИСО 8662-4:1994) введен в действие в качестве национального стандарта Российской Федерации с 1 июля 2008 г.

6. ВЗАМЕН ГОСТ 30873.4-20021)

Информация о введении в действие (прекращении действия) настоящего стандарта публикуется в указателе «Национальные стандарты».

Информация об изменениях к настоящему стандарту публикуется в указателе «Национальные стандарты», а текст изменений - в информационных указателях «Национальные стандарты». В случае пересмотра или отмены настоящего стандарта соответствующая информация будет опубликована в информационном указателе «Национальные стандарты»

1) Стандарт на территории Российской Федерации не действовал.

Содержание

Введение

Настоящий стандарт является испытательным кодом по вибрации и устанавливает правила проведения испытаний для измерения вибрации на рукоятках шлифовальных машин. Общие требования к испытаниям такого вида для ручных машин установлены ГОСТ 16519-2006.

Принцип работы шлифовальных машин состоит в передаче вращения на выходной шпиндель машины. На шпиндель устанавливают абразивный исполнительный орган для удаления с детали лишнего материала.

Известно, что вибрация шлифовальных машин в процессе шлифования или резания материала может существенно изменяться. Такая изменчивость во многом обусловлена изменением дисбаланса ручной машины после установки шлифовального круга. Кроме того, сам круг приобретает дополнительный дисбаланс в процессе работы. Чтобы метод испытаний обеспечивал достаточно хорошую воспроизводимость результатов, в настоящем стандарте установлен метод испытаний, в котором шлифовальная машина работает на номинальной скорости без нагрузки с использованием имитатора вставного инструмента - испытательного круга с известным дисбалансом. Предварительные исследования показали, что результаты испытаний для режима работы без нагрузки хорошо коррелированы с теми значениями вибрации, которые можно наблюдать в процессе шлифования на рабочем месте. Однако при необходимости оценить вибрацию на рабочем месте следует применять методы, установленные ГОСТ 31192.2-2005.

По сравнению с примененным международным стандартом ИСО 8662-4:1992 в текст настоящего стандарта внесены следующие изменения:

- раздел 1 дополнен ссылками на ГОСТ 12.1.012-2004 и ГОСТ 16519-2006, чтобы показать место стандарта в комплексе стандартов по вибрационной безопасности;

- раздел 1 дополнен ограничением на применимость стандарта в отношении ручных машин с устройством автоматической коррекции дисбаланса;

- в разделе 2 международные стандарты заменены на аналогичные межгосударственные и, кроме того, добавлен ряд документов, в которых установлены используемые в стандарте термины, а также ГОСТ 31192.2-2005;

- исключена не использованная в тексте ссылка на ЕН 792-7;

- стандарт дополнен разделом 3 «Термины и определения»;

- подраздел 4.5 дополнен требованием к точности измерения давления;

- в подразделе 5.4 способы крепления датчиков вынесены из подрисуночной подписи в основной текст, добавлена ссылка на ГОСТ 31192.2-2005;

- не включен подраздел 7.1 примененного международного стандарта как дублирующий 5.4;

- стандарт дополнен подразделом 8.4, в котором установлено правило заявления вибрационной характеристики ручных машин данного вида.

МЕЖГОСУДАРСТВЕННЫЙ СТАНДАРТ

Ручные машины

ИЗМЕРЕНИЯ ВИБРАЦИИ НА РУКОЯТКЕ

Часть 4

Машины шлифовальные

Hand-held portable power tools. Measurement of vibrations at the handle.
Part
4. Grinders

Дата введения - 2008-07-01

1. Область применения

Настоящий стандарт относится к стандартам безопасности типа С (испытательный код по вибрации) согласно классификации ГОСТ 12.1.012 и устанавливает лабораторный метод измерения вибрации на рукоятках шлифовальных машин (далее - ручные машины) в целях заявления и подтверждения вибрационной характеристики ручной машины1). Общие требования к методу испытаний ручных машин в целях заявления и подтверждения вибрационной характеристики приведены в ГОСТ 16519.

Полученные в ходе испытаний результаты могут быть использованы для сравнения разных моделей ручной машины одного вида, т.е. предназначенных для использования с одними и теми же шлифовальными кругами (одного диаметра и с одной и той же максимальной тангенциальной скоростью вращения).

Настоящий стандарт распространяется на ручные машины с пневматическим приводом и приводами других видов.

Настоящий стандарт не распространяется на шлифовальные машины для обработки штампов.

Настоящий стандарт не распространяется на ручные машины с автоматической коррекцией дисбаланса ротора.

1) При необходимости данный метод может быть использован в других целях, например при входном, периодическом или послеремонтном контроле продукции (см. ГОСТ 12.1.012, пункт 4.2).

2. Нормативные ссылки

В настоящем стандарте использованы нормативные ссылки на следующие межгосударственные стандарты:

ГОСТ 12.1.012-2004 Система стандартов безопасности труда. Вибрационная безопасность. Общие требования

ГОСТ 16519-2006 (ИСО 20643:2005) Вибрация. Определение параметров вибрационной характеристики ручных машин и машин с ручным управлением. Общие требования (ИСО 20643:2005 «Вибрация. Машины ручные и машины с ручным управлением. Принципы определения параметров виброактивности», MOD)

ГОСТ 24346-80 Вибрация. Термины и определения

ГОСТ 31192.2-2005 (ИСО 5349-2:2001) Вибрация. Измерение локальной вибрации и оценка ее воздействия на человека. Часть 2. Требования к проведению измерений на рабочих местах (ИСО 5349-2:2001 «Вибрация. Измерение локальной вибрации и оценка ее воздействия на человека. Часть 2. Практическое руководство по проведению измерений на рабочих местах», MOD)

Примечание - При пользовании настоящим стандартом целесообразно проверить действие ссылочных стандартов на территории государства по соответствующему указателю стандартов, составленному по состоянию на 1 января текущего года, и по соответствующим информационным указателям, опубликованным в текущем году. Если ссылочный стандарт заменен (изменен), то при пользовании настоящим стандартом следует руководствоваться заменяющим (измененным) стандартом. Если ссылочный стандарт отменен без замены, то положение, в котором дана ссылка на него, применяется в части, не затрагивающей эту ссылку.

3. Термины и определения

В настоящем стандарте применены термины по ГОСТ 12.1.012, ГОСТ 16519 и ГОСТ 24346.

4. Измеряемые величины

В процессе испытаний измерению подлежат следующие величины:

- среднеквадратичное значение корректированного виброускорения и среднеквадратичные значения виброускорения в полосах частот по ГОСТ 16519;

- скорость вращения колеса;

- вертикальная сила нажатия на ручную машину оператором.

5. Средства измерений

5.1. Общие положения

Требования к средствам измерений - по ГОСТ 16519.

5.2. Датчики вибрации

Требования к датчикам вибрации - по ГОСТ 16519.

5.3. Механические фильтры

Обычно измерения, проводимые в соответствии с настоящим стандартом, не требуют применения механических фильтров (см. ГОСТ 16519).

5.4. Крепление датчиков вибрации

Крепление датчика вибрации (см. рисунок 1) должно соответствовать требованиям ГОСТ 16519. Датчик может быть установлен одним из следующих способов:

- с использованием хомута, к которому приварен или припаян переходный блок [рисунок 2 А)];

- с использованием адаптера (фиксируемого пластиковыми лентами) с резьбовым соединением для установки датчика [рисунок 2 В)];

- приклеиванием датчика к плоской поверхности [рисунок 2 С)].

При установке датчика вибрации следует руководствоваться рекомендациями изготовителя. Дополнительные рекомендации по креплению датчиков вибрации приведены в ГОСТ 31192.2.

Если рукоятка ручной машины имеет мягкое упругое покрытие, используют хомут с установленным на нем датчиком, чтобы прижать это покрытие как можно плотнее, или специальный адаптер. В протоколе испытаний должен быть указан способ крепления датчика вибрации.

5.5. Вспомогательное оборудование

Давление сжатого воздуха измеряют манометром, обеспечивающим точность измерения не менее 1 бар.

Скорость вращения измеряют тахометром с точностью не менее 1 %.

5.6. Калибровка

Калибровку выполняют в соответствии с ГОСТ 16519.

1 - основная рукоятка (с устройством пуска); 2 - поддерживающая рукоятка

Рисунок 1 - Направления измерений, примеры расположения датчиков вибрации и приложения силы нажатия

Рисунок 2 - Способы крепления датчика вибрации

6. Точки и направления измерений

6.1. Направления измерений

Измерения проводят на обеих рукоятках в направлении оси z. Для прямых шлифовальных машин направление измерений перпендикулярно к оси вращения. Для вертикальных и угловых шлифовальных машин направление измерений параллельно оси вращения.

Примечание - При оценке воздействия вибрации на оператора ручной машины на рабочем месте измерения проводят по всем трем ортогональным направлениям.

6.2. Точки измерений

Для машин с жестким креплением рукояток вибрацию измеряют с помощью одного датчика, устанавливаемого, по возможности, снизу рукоятки посередине поверхности обхвата. Точка размещения датчика должна находиться на расстоянии 60 мм от конца поверхности обхвата (см. рисунок 1).

Если машина снабжена антивибрационными рукоятками, имеющими упругое крепление к корпусу машины, то фазы колебаний корпуса машины и рукояток могут не совпадать, поэтому измерение вибрации с помощью только одного датчика не даст точного представления о величине колебаний. Для таких рукояток измерения проводят с применением двух датчиков, расположенных на расстоянии приблизительно 100 мм друг от друга симметрично относительно точки, в которой измеряют вибрацию машин с жестким креплением рукояток.

Датчики вибрации устанавливают перпендикулярно к поверхности рукоятки, даже если эта поверхность не строго перпендикулярна к теоретической оси измерений z. Отклонения от оси z в пределах ± 15° считают допустимыми. При больших отклонениях следует использовать соответствующий переходник.

Для обеспечения воспроизводимости и сопоставимости результатов испытаний важно, чтобы точки установки датчиков вибрации были строго определены и оставались неизменными, даже если в других точках наблюдается вибрация более высокого уровня.

7. Условия испытаний

7.1. Общие положения

Для испытаний используют новую смазанную машину, обеспеченную соответствующим техническим уходом.

В процессе испытаний машину удерживают способом, характерным для операции шлифования (см. рисунок 3).

1 - груз для компенсации веса шлифовальной машины; 2 - груз для компенсации силы нажатия; 3 - место приложения силы

Рисунок 3 - Рабочая поза оператора

7.2. Работа шлифовальной машины

7.2.1. Пневматические шлифовальные машины

Сжатый воздух для питания пневматической шлифовальной машины подают по шлангу длиной не менее 2 м, который прикреплен к машине через резьбовой переходник и закреплен хомутом.

Пневматические машины испытывают на номинальной скорости вращения под нагрузкой, которая составляет:

(5 ± 5) % номинальной скорости без нагрузки - для нерегулируемых машин;

(80 ± 5) % номинальной скорости без нагрузки - для регулируемых машин.

Номинальную скорость вращения под нагрузкой достигают регулировкой давления сжатого воздуха в системе питания. Если от значения давления воздуха зависит вибрационная характеристика машины, то номинальную скорость под нагрузкой обеспечивают другим способом, не изменяя при этом дисбаланс ручной машины.

7.2.2. Шлифовальные машины с приводом другого вида

Машины испытывают на номинальной скорости под нагрузкой. Значение этой скорости определяют в процессе предварительных испытаний, когда машина работает под нагрузкой (достигаемой торможением или выполнением операции шлифования) с номинальной мощностью.

В процессе испытаний номинальную скорость под нагрузкой поддерживают применением подходящих мер.

7.3. Испытательный круг

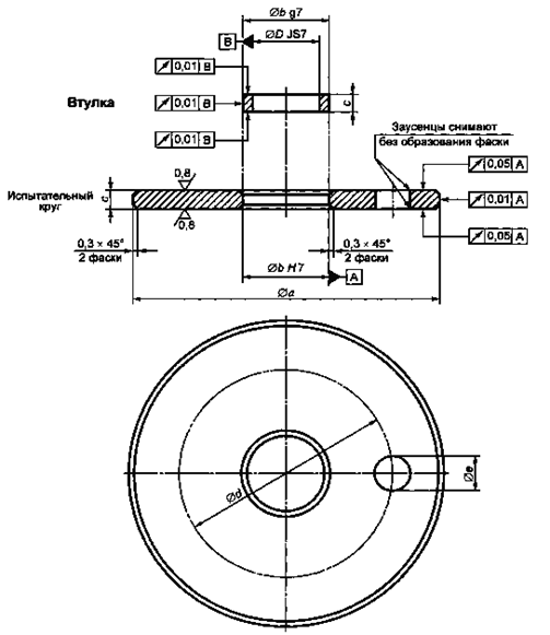
Для испытаний используют имитатор - испытательный круг из алюминия, устанавливаемый концентрично валу ручной машины с использованием стандартных средств крепления, например фланцев, без зазора. Чтобы обеспечить отсутствие зазора, используют концентрическую промежуточную втулку, конструкция и размеры которой приведены на рисунке 4 и в таблице 1 соответственно. Размеры испытательного круга указаны на рисунке 4 и в таблицах 2 и 3.

Имитатор устанавливают на ручную машину в двух положениях под углами 0° и 180°. Для привязки градусной шкалы на испытательный круг наносят метку.

Дисбаланс испытательного круга получают высверливанием отверстия диаметром е, размер которого менее необходимого. Измеряют полученный дисбаланс, после чего отверстие расширяют до достижения требуемого дисбаланса.

Плотность материала ρ испытательного круга - (2720 ±20) кг/м3. С учетом этого допуска значение дисбаланса должно находиться в пределах + 5 %.

Если конструкция машины предусматривает использование защитного кожуха, он должен быть установлен. В процессе испытаний используют испытательный круг максимального размера, который может быть помещен внутри данного кожуха.

Рисунок 4 - Параметры испытательного круга и втулки

Таблица 1 - Размеры промежуточной втулки

В миллиметрах

b
g7

с
±
0,05

D
JS7

b
g7

с
±
0,05

D
JS7

b
g7

с
±
0,05

D
JS7

b
g7

с
±
0,05

D
JS7

10

10

3,76

16

6

(9,76)

25

25

18,76

28

6

(22,00)

3,80

(9,80)

18,80

(22,04)

3,84

(9,84)

18,84

(22,08)

3,88

9,88

18,88

22,12

3,92

9,92

18,92

22,16

3,96

9,96

18,96

22,20

4,00

10,00

19,00

 

Примечание - Значения в скобках не являются предпочтительными.

Таблица 2 - Размеры испытательного круга для угловых и вертикальных шлифовальных машин

Размеры в миллиметрах

а
±
0,2

b
Н7

с
±
0,5

d
±0,2

е
+ 0,05
0

Дисбаланс, г·мм

80

16

6

60

9,8

37

100

28

6

70

11,4

58

115

28

6

80

12,2

76

125

28

6

90

12,5

90

150

28

6

120

13,0

130

180

28

6

150

14,1

190

230

28

6

200

15,5

305

300

28

6

270

17,4

520

Таблица 3 - Размеры испытательного круга для прямых шлифовальных машин

Размеры в миллиметрах

а
± 0,2

b
Н7

с
± 0,5

d
±0,2

е
+ 0,05
0

Дисбаланс, г·мм

50

10

10

35

9,8

36

80

10

10

65

11,5

92

100

25

25

70

8,8

145

125

25

25

90

9,7

225

150

25

25

120

10,1

325

200

25

25

170

11,3

575

Если конструкция шлифовальной машины предусматривает использование только специальных дисков, например алмазных режущих дисков, то испытания проводят с использованием этих дисков, а не имитаторов. Статический дисбаланс диска измеряют и указывают в протоколе испытаний.

7.4. Сила нажатия

Сила нажатия, равная сумме веса машины и значения, указанного в таблице 4, должна быть приложена как можно ближе к точке приложения статической силы в процессе шлифования.

Если машина подвешена на тросе, такую силу можно создать за счет соответствующих грузов (см. рисунок 3) или с помощью динамометра, прикрепляемого к концу троса. Приложение указанной силы должно быть осуществлено с минимальными модификациями машины.

Таблица 4 - Сила нажатия

Диаметр круга, мм

Сила нажатия, Н (± 5 Н)

Диаметр круга, мм

Сила нажатия, Н (± 5 Н)

50

15

150

40

80

15

180

60

100

40

200

60

115

40

230

60

125

40

300

60

8. Метод измерений и оценка достоверности полученных результатов

8.1. Метод испытаний

8.1.1. В испытании участвуют три опытных оператора, для каждого из которых проводят серию измерений, поочередно изменяя ориентацию испытательного круга (последовательность положений испытательного круга должна быть такова: 0°, 180°, 0°, 180°).

8.1.2. Проводят одно дополнительное измерение для шлифовальной машины без нагрузки на скорости, указанной в 7.2.1 и 7.2.2, без установки испытательного круга.

8.1.3. Время измерения для каждого испытания, отсчитываемое после установления стабильной работы машины, должно быть не менее 8 с.

8.2. Достоверность результатов испытаний

Для обеспечения достоверности результатов испытаний измерения продолжают до тех пор, пока отношение между максимальным и минимальным измеренным среднеквадратичным значением корректированного виброускорения для каждого датчика вибрации для одного и того же положения имитатора вставного инструмента не станет менее 1,4.

8.3. Оценка результатов

Вычисляют среднеарифметическое из четырех значений для каждого датчика и для каждого оператора. Затем для основной и поддерживающей рукояток по отдельности вычисляют общие среднеарифметические значения по трем операторам и по каждому датчику вибрации. Максимальное значение из полученных общих среднеарифметических значений служит основой для заявления вибрационной характеристики ручной машины.

8.4. Заявляемая вибрационная характеристика

В качестве вибрационной характеристики ручной машины указывают максимальное среднеарифметическое среднеквадратичного значения корректированного виброускорения по 8.3 и неопределенность измерений К по ГОСТ 16519 (пункт 8.2).

9. Протокол испытаний

Помимо сведений, определенных в ГОСТ 16519, в протоколе испытаний указывают:

a) размеры ручной машины;

b) размеры испытательного круга (если используется);

c) статический дисбаланс испытательного круга;

d) давление и другие характеристики системы питания;

e) частоту вращения;

f) силу нажатия;

g) результаты измерений вибрации (см. 8.3).

Форма протокола испытаний приведена в приложении А.

Приложение А
(рекомендуемое)
Форма протокола испытаний

Испытания проведены в соответствии с ГОСТ 16519-2006 «Вибрация. Определение параметров вибрационной характеристики ручных машин и машин с ручным управлением. Общие требования» и ГОСТ 30873.4 - 2006 «Ручные машины. Измерения вибрации на рукоятке. Часть 4. Машины шлифовальные».

Общие сведения

Испытания провел:

Дата:

 

Протокол составил:

Испытуемая ручная машина

Тип:

Модель

Масса, кг:

 

Изготовитель:

Серийный

Номинальная скорость без нагрузки, мин -1:

Испытательный круг

Диаметр:

 

Дисбаланс, г·мм:

Рабочие условия

Частота вращения, мин-1:

Сила нажатия, Н:

Длительность измерения, с:

 

Давление воздуха, бар:

Средства измерений

Акселерометр (изготовитель, тип):

Акселерометр (масса, г):

Усилитель (изготовитель, тип):

Анализатор (изготовитель, тип):

Устройство записи (изготовитель, тип):

Крепление датчика

(Описать метод крепления датчика и механического фильтра, если он используется)

(Указать направление измерений)

Обработка сигнала

(Указать тип интегратора в анализаторе спектра и метод определения среднеквадратичного значения корректированного виброускорения)

Дополнительные сведения

(Описать устройство записи, если оно используется, корректирующие множители для центральных частот октавных или третьоктавных полос)

(Указать любые детали, способные повлиять на результат измерений)

Результаты испытаний

(Результаты представляют в форме среднеквадратичного значения корректированного виброускорения в виде таблиц)

Среднеквадратичные значения корректированного виброускорения - Оператор А

Ориентация имитатора
вставного инструмента

Среднеквадратичные значения корректированного виброускорения, м/с2,
для разных положений датчика вибрации

Основная рукоятка

Поддерживающая рукоятка

1

2*

1

2*

0°

 

 

 

 

180°

 

 

 

 

0°

 

 

 

 

180°

 

 

 

 

Среднеарифметическое

*Для антивибрационных рукояток см. 6.2.

Среднеквадратичные значения корректированного виброускорения - Оператор В

Ориентация имитатора
вставного инструмента

Среднеквадратичные значения корректированного виброускорения, м/с2,
для разных положений датчика вибрации

Основная рукоятка

Поддерживающая рукоятка

1

2*

1

2*

0°

 

 

 

 

180°

 

 

 

 

0°

 

 

 

 

180°

 

 

 

 

Среднеарифметическое

*Для антивибрационных рукояток см. 6.2.

Среднеквадратичные значения корректированного виброускорения - Оператор С

Ориентация имитатора
вставного инструмента

Среднеквадратичные значения корректированного виброускорения, м/с2,
для разных положений датчика вибрации

Основная рукоятка

Поддерживающая рукоятка

1

2*

1

2*

0°

 

 

 

 

180°

 

 

 

 

0°

 

 

 

 

180°

 

 

 

 

Среднеарифметическое

*Для антивибрационных рукояток см. 6.2.

Общее среднеарифметическое по трем (шести) измерениям на основной рукоятке, м/с2:

Общее среднеарифметическое потрем (шести) измерениям на поддерживающей рукоятке, м/с2:

Измерения без вставного инструмента на основной рукоятке (см. 8.1.2), м/с2:

Измерения без вставного инструмента на поддерживающей рукоятке (см. 8.1.2), м/с2:

Приложение В
(справочное)
Изменение структуры настоящего стандарта по отношению к ИСО 8662-4:1994

Указанное в таблице В.1 изменение структуры межгосударственного стандарта относительно структуры примененного международного стандарта обусловлено приведением в соответствие с требованиями ГОСТ 1.5-2001.

Таблица В.1

Структура международного стандарта ИСО 8662-4:1994

Структура настоящего стандарта

Разделы

Пункты

Разделы

Пункты

-

 

3

 

3

 

4

 

4

 

5

 

5

 

6

 

6

 

7

 

7

7.1

8

-

7.2

8.1

7.3

8.2

7.4

8.3

-

8.4

8

-

9

 

Примечание - Структурные элементы настоящего стандарта и международного стандарта ИСО 8662-4:1994, не указанные в данной таблице, идентичны.

Ключевые слова: ручные машины, вибрационная характеристика, испытания, испытательный код по вибрации, машины шлифовальные, молотки бурильные, измерения, воспроизводимость, заявление, подтверждение

 




Яндекс цитирования