//
ТехЛит.ру
- крупнейшая бесплатная электронная интернет библиотека для "технически умных" людей.
WWW.TEHLIT.RU - ТЕХНИЧЕСКАЯ ЛИТЕРАТУРА

:: Алготрейдинг::


АЛГОТРЕЙДИНГ
шаг за шагом
с нуля по урокам!

Торговые роботы на PYTHON, BackTrader,
Pandas, Pine Script для TradingView. Связка с брокерами, телеграм и легкими приложениями.


МЕЖГОСУДАРСТВЕННЫЙ СОВЕТ ПО СТАНДАРТИЗАЦИИ, МЕТРОЛОГИИ И СЕРТИФИКАЦИИ
(МГС)

(МГС) INTERSTATE COUNCIL FOR STANDARDIZATION, METROLOGY AND CERTIFICATION
(ISC)

МЕЖГОСУДАРСТВЕННЫЙ СТАНДАРТ

ГОСТ
31319-
2006

(EH 14253:2003)

Вибрация

ИЗМЕРЕНИЕ ОБЩЕЙ ВИБРАЦИИ И ОЦЕНКА ЕЕ ВОЗДЕЙСТВИЯ НА ЧЕЛОВЕКА

Требования к проведению измерений на рабочих местах

EN 14253:2003
Mechanical vibration - Measurement and evaluation of occupational exposure
to whole-body vibration with reference to health - Practical guidance
(MOD)

Москва

Стандартинформ

2008

Содержание

Предисловие

Сведения о стандарте

Введение

1 Область применения

2 Нормативные ссылки

3 Термины и определения

4 Измеряемые и рассчитываемые параметры

5 Подготовка к проведению измерений

6 Измерение вибрации

7 Неопределенность измерений

8 Контролируемое значение эквивалентного виброускорения

9 Данные, вносимые в протокол испытаний

Приложение А (справочное) Примеры расчета эквивалентного виброускорения

Приложение В (справочное) Некоторые числовые примеры определения эквивалентного виброускорения

Приложение С (справочное) Сведения о соответствии ссылочных международных стандартов межгосударственным стандартам, использованным в настоящем стандарте в качестве нормативных ссылок 

Предисловие

Цели, основные принципы и основной порядок проведения работ по межгосударственной стандартизации установлены ГОСТ 1.0-92 «Межгосударственная система стандартизации. Основные положения» и ГОСТ 1.2-97 «Межгосударственная система стандартизации. Стандарты межгосударственные, правила и рекомендации по межгосударственной стандартизации. Порядок разработки, принятия, применения, обновления и отмены»

Сведения о стандарте

1 ПОДГОТОВЛЕН Открытым акционерным обществом «Научно-исследовательский центр контроля и диагностики технических систем» на основе собственного аутентичного перевода стандарта, указанного в пункте 4

2 ВНЕСЕН Межгосударственным техническим комитетом по стандартизации МТК 183 «Вибрация и удар»

3 ПРИНЯТ Межгосударственным советом по стандартизации, метрологии и сертификации (протокол № 29 от 24 июня 2006 г.)

За принятие проголосовали:

Краткое наименование страны по МК (ИСО 3166) 004-97

Код страны по МК (ИСО 3166) 004-97

Сокращенное наименование национального органа по стандартизации

Казахстан

КZ

Госстандарт Республики Казахстан

Кыргызстан

KG

Кыргызстандарт

Молдова

MD

Молдова-Стандарт

Российская Федерация

RU

Федеральное агентство по техническому регулированию и метрологии

Таджикистан

TJ

Таджикстандарт

Туркменистан

ТМ

Главгосслужба «Туршенстандартлары»

Узбекистан

UZ

Узстандарт

4 Настоящий стандарт является модифицированным по отношению к европейскому стандарту ЕН 14253:2003 «Вибрация. Измерения и оценка воздействия общей вибрации на рабочем месте с точки зрения ее влияния на здоровье работника. Практическое руководство» (EN 14253:2003 «Mechanical vibration - Measurement and evaluation of occupational exposure to whole-body vibration with reference to health - Practical guidance») путем внесения технических отклонений, объяснение которых приведено во введении к настоящему стандарту.

Степень соответствия - модифицированная (MOD)

5 Приказом Федерального агентства по техническому регулированию и метрологии от 12 декабря 2007 г. № 363-ст межгосударственный стандарт 31319-2006 (ЕН 14253:2003) введен в действие в качестве национального стандарта Российской Федерации с 1 июля 2008 г.

6 ВВЕДЕН ВПЕРВЫЕ

Информация о введении в действие (прекращении действия) настоящего стандарта публикуется в указателе «Национальные стандарты».

Информация об изменениях к настоящему стандарту публикуется в указателе «Национальные стандарты», а текст изменений - в информационных указателях «Национальные стандарты».

В случае пересмотра или отмены настоящего стандарта соответствующая информация будет опубликована в информационном указателе «Национальные стандарты»

Введение

Воздействие общей вибрации на рабочем месте может негативно отразиться на здоровье и безопасности работника. Общие требования по измерению и оценке воздействия общей вибрации установлены ГОСТ 31191.1-2004. Целью настоящего стандарта является установление практического руководства, позволяющего получить реалистичную картину воздействия вибрации на работника в течение рабочего дня.

Процедура оценки вибрационного воздействия может быть осуществлена в несколько этапов:

- выделение операций, из совокупности которых складывается рабочий день субъекта исследований;

- выбор операций, во время которых следует проводить измерения вибрации;

- измерения среднеквадратичного значения виброускорения для каждой выбранной операции;

- оценка типичной продолжительности воздействия вибрации в течение рабочего дня для каждой выбранной операции;

- расчет эквивалентного виброускорения.

По сравнению с примененным европейским стандартом ЕН 14253:2003 в текст настоящего стандарта внесены следующие изменения:

- в раздел 1 добавлена ссылка на ГОСТ 12.1.012-2004, чтобы показать место настоящего стандарта в комплексе стандартов вибрационной безопасности;

- в раздел 1 добавлена поясняющая сноска о соотношении настоящего стандарта и ГОСТ 31191.1-2004;

- в разделе 1 приведен порядок измерения и оценки вибрации, воздействующей на ноги сидящего человека, для чего добавлены ссылки на ГОСТ 31192.2-2005 и, при определении функции частотной коррекции в разделе 4, на ГОСТ 31192.1-2004;

- в разделе 2 международные стандарты заменены соответствующими межгосударственными, добавлены ГОСТ 31192.1-2004 и ГОСТ 31192.2-2005;

- в разделе 3 приведены определение термина «эквивалентное виброускорение» и формула для этой величины - соответственно, нумерация всех последующих формул сдвинута на единицу;

- в 5.1 добавлено правило проведения измерений в случае перемещения работника по рабочей зоне;

- в 5.3 добавлен критерий обоснованности выбора способа измерений на основе сравнения полученных результатов с теми, что имеют место при непрерывном измерении вибрации в течение рабочего дня;

- в 6.1.3.3 добавлен метод измерения вибрации с помощью устройства для быстрого крепления акселерометра;

- в 6.3.3 добавлена рекомендация по использованию пьезоакселерометров со встроенными усилителями;

- исключен структурный элемент «Библиография», содержащий ссылки на труднодоступные источники.

ГОСТ 31319-2006
(
EH
14253:2003)

МЕЖГОСУДАРСТВЕННЫЙ СТАНДАРТ

Вибрация

ИЗМЕРЕНИЕ ОБЩЕЙ ВИБРАЦИИ И ОЦЕНКА ЕЕ ВОЗДЕЙСТВИЯ НА ЧЕЛОВЕКА

Требования к проведению измерении на рабочих местах

Vibration. Measurement and evaluation of human exposure to whole-body vibration.
Practical guidance for measurement at the workplace

Дата введения - 2008-07-01

1 Область применения

Настоящий стандарт устанавливает руководство по проведению измерений и оценке общей вибрации на рабочем месте. Получаемый в соответствии с настоящим стандартом нормируемый параметр вибрации - эквивалентное виброускорение (см. ГОСТ 31191.1) - следует согласно ГОСТ 12.1.012 сопоставлять с установленным гигиеническим нормативом.

Настоящий стандарт указывает. Способы получения значения эквивалентного виброускорения, включая правила выбора рабочих операций, которые необходимо учитывать при оценке вибрационного воздействия на рабочем месте.

Настоящий стандарт при меняют в случаях, когда на рабочем месте действует вибрация, передаваемая через ягодицы сидящего или ноги стоящего человека1). При необходимости измеряют общую вибрацию, передаваемую на ступни ног сидящего человека. В этом случае установку датчиков вибрации осуществляют в соответствии с 6.1.3.3, а измеряемую величину, функции частотной коррекции, методы обработки и оценки определяют по ГОСТ 31192.2.

1) В отличие от ГОСТ 31191.1, предписывающего оценивать влияние вибрации на здоровье только по измерениям на поверхности сиденья, здесь добавлены измерения на опоре ног стоящего человека, которые по ГОСТ 31191.1 используют для оценки степени комфорта. Для этого настоящим стандартом установлены соответствующие корректирующие коэффициенты (см. примечание 2 к разделу 4).

Настоящий стандарт рассматривает оценку воздействия вибрации только на основе измерений среднеквадратичного значения корректированного виброускорения. Это может привести к недооценке степени жесткости вибрации, если она носит ударный или импульсный характер. Метод оценки воздействия общей вибрации ударного характера с большим значением пик-фактора (см. ГОСТ 31191) настоящий стандарт не рассматривает (см. также раздел 4, примечание 1).

2 Нормативные ссылки

В настоящем стандарте использованы нормативные ссылки на следующие межгосударственные стандарты:

ГОСТ 12.1.012-2004 Система стандартов безопасности труда. Вибрационная безопасность. Общие требования

ГОСТ ИСО 5347-0-95 Вибрация. Методы калибровки датчиков вибрации и удара. Часть 0. Общие положения

ГОСТ ИСО 5348-2002 Вибрация и удар. Механическое крепление акселерометров

ГОСТ ИСО 8041-2006 Вибрация. Воздействие вибрации на человека. Средства измерений

ГОСТ ИСО 10326-1-2002 Вибрация. Оценка вибрации сидений транспортных средств по результатам лабораторных испытаний. Часть 1. Общие требования

ГОСТ 24346-80 Вибрация. Термины и определения

ГОСТ 31191.1-2004 (ИСО 2631-1:1997) Вибрация и удар. Измерение общей вибрации и оценка ее воздействия на человека. Часть 1. Общие требования

ГОСТ 31192.1-2004 (ИСО 5349-1:2001) Вибрация. Измерение локальной вибрации и оценка ее воздействия на человека. Часть 1. Общие требования

ГОСТ 31192.2-2005 (ИСО 5349-2:2001) Вибрация. Измерение локальной вибрации и оценка ее воздействия на человека. Часть 2. Требования к проведению измерений на рабочих местах

Примечание - При пользовании настоящим стандартом целесообразно проверить действие ссылочных стандартов на территории государства по соответствующему указателю стандартов, составленному по состоянию на 1 января текущего года, и по соответствующим информационным указателям, опубликованным в текущем году. Если ссылочный стандарт заменен (изменен), то при пользовании настоящим стандартом следует руководствоваться заменяющим (измененным) стандартом. Если ссылочный стандарт отменен без замены, то положение, в котором дана ссылка на него, применяется в части, не затрагивающей эту ссылку.

3 Термины и определения

В настоящем стандарте применены термины по ГОСТ 12.1.012, ГОСТ ИСО 8041, ГОСТ 24346, а также следующие термины с соответствующими определениями:

3.1 операция: Идентифицируемый рабочий процесс (совокупность выполняемого рабочего задания и рабочих условий), для которого проводят измерения представительной вибрации.

Пример - Рабочим заданием может быть перевозка грузов на грузовом автомобиле, подъем груза вилочным автопогрузчиком и т.д., а рабочими условиями могут быть плохое или хорошее состояние дорожного покрытия, твердый или мягкий грунт, подлежащий выемке, и т.д.

3.2 рабочий цикл: Повторяющаяся в течение рабочего дня операция или серия разных операций.

3.3 эквивалентное виброускорение Аl(8): Среднеквадратичное значение корректированного виброускорения сигнала, энергия которого на 8-часовом интервале равна полной энергии реального вибрационного воздействия на рабочем месте за рабочую смену с учетом корректирующего коэффициента kl для данного направления измерений l1).

1) Величина Аl(8)/kl соответствует понятию «корректированное эквивалентное значение виброускорения при длительности вибрационного воздействия 8 ч», применявшемуся в редакции ГОСТ 12.1.012-90.

Примечание - Величина Аl(8) может быть определена по формуле

                                                                                                                                   (1)

где alw(t) - корректированное виброускорение в момент времени t, определенное на всем интервале рабочего дня Т0 = 8 ч (28800 с);

kl - корректирующий коэффициент для направления измерений l (см. раздел 4).

4 Измеряемые и рассчитываемые параметры

Для каждой i-й операции измерению (оценке) подлежат следующие основные параметры:

- среднеквадратичное значение корректированного виброускорения awj, м/с2, вдоль каждой из трех осей системы координат, связанной с опорной поверхностью;

- общая длительность Ti воздействия вибрации в процессе выполнения i-й операции в течение рабочего дня.

Для каждого направления l значение эквивалентного виброускорения Аl(8), м/с2, определяют по формуле

                                                                                                        (2)

где alwi - среднеквадратичное значение корректированного виброускорения, определенное на интервале времени Ti;

кх = ку= 1,4 для направлений х и у и kz = 1 для направления z;

l - индекс, указывающий направление измерений (оценки) вибрации (х, у или z);

T0 - опорный период времени, равный 8 ч (28800 с).

Примечания

1 ГОСТ 31191.1 допускает проводить оценку общей вибрации на основе значения дозы вибрации VDVi, рассчитанной для того же периода времени Т0 и направления l, вместо Аl(8). Использование значения дозы вибрации вместо значения эквивалентного виброускорения приводит, как правило, к другой оценке риска вибрационного воздействия.

2 Значения kl в направлениях х и у основаны на чувствительности к вибрации сидящего человека (см. ГОСТ 31191.1) и распространены на другие возможные позы (например, положение стоя).

3 При наличии отчетливо выраженного доминирующего направления действия вибрации допускается проводить измерения только в этом направлении.

Долю отдельной операции или рабочего цикла i в значении эквивалентного виброускорения определяют по формуле

                                                                                                                (3)

5 Подготовка к проведению измерений

5.1 Общие положения

Воздействие вибрации в течение рабочего дня может иметь место при выполнении различных операций, часть из которых может повторяться в течение рабочего дня. Характер вибрационного воздействия способен существенно изменяться от операции к операции, например вследствие изменения производимых оператором действий, применения различных машин, различия самих операций или в зависимости от времени года.

До проведения измерения необходимо определить, какие рабочие операции могут вносить существенный вклад в значение эквивалентного виброускорения. Следует точно определить место выполнения и характер каждой такой операции, после чего количественно оценить полное время ее выполнения в течение рабочего дня. Для этого рекомендуется составлять «фотографию вибрационного воздействия» в течение дня, что поможет оценить относительную важность учета конкретной рабочей операции при получении оценки А(8)1) и отобрать те, в процессе выполнения которых требуется проведение измерений.

1) Здесь и далее индекс направления измерения l для простоты опущен.

Если работник выполняет задание стоя, находясь в пределах некоторой области (например, при работе на станке), то для этой области определяют точку максимальной вибрации, в которой проводят измерения. В случае, когда таких областей несколько (например, рабочий в производственном цехе работает на нескольких станках), такие точки измерений определяют для каждой из них. При этом учитывают только те области, где работник выполняет задание, находясь в статичном положении. Воздействие вибрации, когда поза работника постоянно изменяется (например, во время ходьбы), не рассматривают. Если работник выполняет одинаковые операции в местах, где действует разная вибрация, - это следует рассматривать как разные рабочие операции.

Измерения вибрации на рабочем месте можно проводить в нескольких целях. Например, можно определять эквивалентное виброускорение A(8) для конкретного человека в конкретный рабочий день. В некоторых случаях полезным может оказаться расчет значения А(8) для воображаемого «типичного» рабочего дня посредством обоснованного выбора представительных измерений вибрации и длительности ее воздействия.

Метода оценки суммарного воздействия вибрации на периоде времени, большем чем один рабочий день, не существует. Поэтому для определения того, что собой представляет «типичный» рабочий день в условиях, когда вибрация носит непостоянный характер и изменяется день ото дня, рекомендуется оценить колебания значения A(8) за несколько дней. Однако при этом не допускается определять A(8) усреднением по нескольким рабочим дням, в которые наблюдали воздействия вибрации разного уровня.

Особое внимание следует уделить выбору представительных дней, когда можно проводить измерения, если оценка связана с риском воздействия вибрации на конкретного человека. При этом необходимо совместно учитывать как уровень вибрационного воздействия, так и используемое оборудование, рабочие условия и внешние воздействующие факторы.

5.2 Хронометраж рабочего дня

Хронометраж рабочего дня используют для установления операций, при выполнении которых наблюдают вибрационное воздействие, вносящее существенный вклад в общее значение A(8), и оценки условий, в которых должны быть проведены измерения вибрации. Измерения следует проводить для всех машин и операций, вибрационное воздействие которых определяет существенную часть значения эквивалентного виброускорения. Для каждой выбранной операции должно быть установлено следующее:

- используемая машина;

- полное описание операции (например, для вилочного погрузчика: движение, погрузка или работа на холостом ходу; для экскаватора: движение, выемка грунта или сочетание этих операций);

- условия выполнения операции;

- характеристики грунта или покрытия, по которому движется машина;

- положение и регулировки сиденья;

- число повторений данной операции в течение рабочего дня;

- среднее время выполнения данной операции;

- по возможности, характер вибрации (непрерывная, импульсная, ударного типа, источник и основное направление действия).

Следует определить все изменения в условиях выполнения операции, которые могут повлиять на уровень вибрационного воздействия.

Примеры

1 Изменение скорости движения машины влияет на производимую ею вибрацию.

2 Вилочный погрузчик может передвигаться по гладкой поверхности внутри помещения, по неровностям внутри того же помещения (углубления, пороги, кабельные коробы, мусор и т.д.) или по неровной поверхности вне здания.

3 Вагонетка может двигаться с грузом или без него.

4 На вибрацию может влиять вспомогательное оборудование, например, к трактору может быть прицеплена бетономешалка или плуг.

Кроме того, полезной может оказаться информация, полученная:

- от рабочих или инспектирующих лиц в отношении того, какие операции сопровождаются вибрацией максимального уровня;

- от производителей машин или из публикаций о результатах предшествующих измерений для машин данного типа в отношении их вибрационных характеристик для оценки потенциальной опасности вибрационного воздействия для каждой операции;

- от производителей машин в отношении значений параметров вибрации и условий движения, в которых они были получены, - а также информация о позе работника, виде сиденья (с углублением или выпуклой поверхностью, наличии у сиденья спинки и т.д.).

В случае кратковременных хорошо определенных воздействий (например, погрузка и движение по неровной поверхности колесного погрузчика, движение и погрузка вилочным автопогрузчиком) каждому из них может соответствовать свой уровень вибрации. Для каждой выбранной операции следует провести по возможности большее число измерений и полученные результаты усреднить в соответствии с формулой (4). После этого эквивалентное виброускорение вычисляют на основе значений эквивалентных виброускорений для каждой операции в соответствии с формулой (2).

При выполнении продолжительных непрерывных операций (например, управлении движением на дальнее расстояние рейсового автобуса или грузового автомобиля) возможны две типичные ситуации. В первом случае вибрация почти стационарна, статистические характеристики со временем изменяются незначительно - такое может иметь место, например, в процессе длительного движения автомобиля по шоссе. При этом измерения также должны быть достаточно продолжительными, чтобы повысить точность усреднения измеряемого параметра вибрации (см. 5.4).

Другая ситуация связана с непрерывным выполнением операции, входе которой вибрация не остается стационарной, а изменяет свои статистические характеристики со временем. Приближенная фотография вибрационного воздействия может быть получена группировкой периодов с существенно различающимися уровнями вибрации. Характерным примером такой группировки измерений является группировка по типам дорожного покрытия (городские дороги, сельские дороги, загородное шоссе) или группировка по выполняемой транспортным средством операции (например, движение, другие операции). Для каждой из групп следует провести как можно больше измерений для получения средней характеристики вибрации в группе.

5.3 Организация проведения измерений

Если целью проведения измерений является оценка воздействия вибрации на конкретного работника в конкретный рабочий день, то оптимальным является способ непрерывного измерения вибрации в течение всего рабочего дня. Современная измерительная техника позволяет это, однако такой способ зачастую непрактичен, что вынуждает проводить измерения на отдельных периодах воздействия вибрации на работника. При этом для проверки обоснованности выбора способа проведения измерений полезно сравнивать результаты, полученные данным способом, с результатами, полученными при непрерывном измерении в течение рабочего дня.

Организация проведения измерений зависит от типа вибрационного воздействия для данной операции.

Чтобы оценить эквивалентное виброускорение, следует определить, какой из двух возможных сценариев имеет место:

a) Рабочий день состоит из продолжительных непрерывных операций (например, управление движением железнодорожного состава или грузового автомобиля на дальнее расстояние). В этом случае измерения проводят на некотором периоде в ходе выполнения операции или в течение всей операции, которая может сопровождаться короткими перерывами, являющимися типичными для данной операции (например, остановки на запрещающий сигнал светофора). Помимо измерения параметров вибрации для оценки эквивалентного виброускорения необходимо определять длительность воздействия вибрации в течение рабочего дня.

b) Рабочий день состоит из операций, сопровождающихся вибрацией разного уровня, длительность которых мала по сравнению с длительностью рабочего дня (например, погрузка и движение по неровной поверхности колесного погрузчика, движение и подъём грузов вилочным автопогрузчиком). В этом случае измерения следует проводить либо раздельно для каждой операции и затем суммировать их результаты, либо, по возможности, проводить измерения для сочетания таких операций. Помимо измерения параметров вибрации для оценки эквивалентного виброускорения требуется определять длительность воздействия вибрации для каждой из операций.

Чтобы оптимальным образом выбрать рабочий диапазон измерительной аппаратуры, следует провести предварительные измерения для тех операций, которые могут вызывать появление вибрации максимального уровня.

При выборе операций для проведения измерений необходимо принимать во внимание также те из них, что выходят за рамки выполнения основных рабочих функций. Например, вибрация при движении сельскохозяйственного трактора по направлению к полю, где он должен выполнять свою работу, может превышать ту, что имеет место при работе трактора в полевых условиях.

5.4 Число измерений и их длительность

Число измерений и их длительность выбирают таким образом, чтобы обеспечить получение корректированной вибрации, представительной для 8-часового рабочего дня. Если непрерывное измерение вибрации в течение рабочего дня невозможно, продолжительность измерений зависит от характеристик рабочих операций, определенных в 5.2.

а) Если рабочий день состоит из продолжительных непрерывных операций, необходимо в разные моменты рабочего дня получить выборки измерений длительностью не менее 3 мин каждая и провести по ним усреднение, для того чтобы учесть колебания уровня вибрации в течение дня. Число выборок измерений N должно быть достаточным для демонстрации того, что полученное в результате усреднения значение является представительной характеристикой для вибрации, действующей на протяжении рабочего дня. Данное требование можно проверить, наблюдая за тем, как изменяется результат усреднения в зависимости от увеличения числа выборок N. Неопределенность измерений, связанная с ограничением числа выборок, должна быть сопоставима с неопределенностью, зависящей от других факторов (см. раздел 7).

Усредненное корректированное виброускорение aw, м/с2, для серии из N выборок определяют по формуле

                                                                                                              (4)

где awj - среднеквадратичное значение корректированного виброускорения для j-й выборки;

tj - длительность j-й выборки;

- общее время измерений.

Данную процедуру необходимо выполнять отдельно для каждого направления действия вибрации в выбранной системе координат.

b) Если рабочий день состоит из операций небольшой длительности, повторяющихся в течение дня несколько раз, расчет эквивалентного виброускорения осуществляют на основе измерений в пределах полного рабочего цикла. Число рабочих циклов, для которых проводят измерения, должно быть достаточным, позволяющим продемонстрировать, что полученное среднее значение является представительной характеристикой вибрации, действующей на протяжении рабочего дня. В этом случае, так же как и в предыдущем, достаточность числа измерений определяют по характеру изменения результата усреднения.

c) Если операции в течение рабочего дня выполняют однократно (без повторений), измерения проводят во время выполнения каждой операции.

d) Если в течение рабочего дня нет повторяющихся рабочих циклов, а продолжительность каждой операции не превышает 3 мин, тогда, для получения общей длительности измерений в процессе выполнения операции не менее 3 мин, такие операции могут быть повторены (см. пример в разделе А.3 приложения А). В качестве альтернативного метода для получения измерений на периоде не менее 3 мин рабочие операции могут быть смоделированы искусственно.

Примечание - Требование о том, чтобы длительность измерений составляла не менее 3 мин, связано с условием обеспечения необходимой статистической точности получаемых результатов.

5.5 Оценка времени воздействия вибрации

Общая длительность воздействия вибрации в течение рабочего дня должна быть получена для каждой выбранной операции или рабочего цикла. Оценка этой длительности может быть основана на реальном измерении длительности вибрационного воздействия во время выполнения конкретной операции (рабочего цикла) или на данных о числе выполняемых операций (рабочих циклов) в течение рабочего дня.

Измерения проводят, прежде всего, с целью выяснить, как долго оператор подвергается воздействию вибрации на определенном периоде времени, и установить источник этой вибрации. Для этого могут быть использованы различные методы:

- хронометраж с помощью секундомера;

- анализ видеозаписи рабочего процесса;

- фиксация характера деятельности работника в выборочные моменты времени.

Источником необходимой информации может служить журнал работ. Например, из него можно узнать, какое количество грузовых автомобилей в течение суток было загружено и разгружено с помощью вилочного автопогрузчика. Однако при этом необходимо убедиться, что получаемая информация адекватна для оценки эквивалентного виброускорения. В частности, из журнала работ можно точно узнать количество изделий, обработанных к концу рабочего дня, но если обработка изделий осуществлялась не одним, а несколькими рабочими или если к концу рабочей смены работа над какими-то изделиями осталась незавершенной, использовать такие сведения для непосредственной оценки эквивалентного виброускорения нельзя.

Примечание - Когда оценку среднего времени воздействия вибрации в течение рабочего дня просят дать самих работников, они обычно включают в него периоды времени, когда непосредственное воздействие вибрации отсутствует (например, периоды простоя при работе автопогрузчика). Поэтому такой метод оценки дает, как правило, завышенное значение длительности вибрационного воздействия.

6 Измерение вибрации

6.1 Измерительное оборудование

6.1.1 Общие положения

Измерительная система включает в себя один или несколько акселерометров для снятия сигналов вибрации вибрирующей поверхности.

Преобразование сигналов вибрации для получения результатов измерений может быть осуществлено с использованием одного прибора - виброметра, имеющего встроенные функции частотной коррекции и интегрирования. Такие приборы разрабатывают специально для измерения вибрации на рабочем месте, и обычно их функциональных возможностей достаточно для обеспечения целей настоящего стандарта. Более сложные измерительные системы часто предусматривают выполнение частотного анализа сигнала вибрации в той или иной форме (например, в узких или третьоктавных полосах частот), а для хранения информации могут быть использованы цифровые или аналоговые устройства записи. Сбор и анализ данных в таких системах могут быть компьютеризованы. Стоимость таких систем выше, а работа с ними сложнее, чем с обычными виброметрами. Однако частотный анализ позволяет получить дополнительную информацию о доминирующих частотах и гармониках в спектре вибрации, что может быть полезным при определении мероприятий по снижению действующей вибрации.

Измерительную систему калибруют и проверяют до и после выполнения измерений. В случае сомнений в правильности работы акселерометра рекомендуется провести анализ временной формы снимаемого сигнала.

Минимальные требования к системе измерения и анализа вибрации (в том числе к виду функций частотной коррекции, допускам, динамическому диапазону, коэффициенту преобразования, линейности, индикации перегрузок цепи) установлены ГОСТ ИСО 8041.

6.1.2 Акселерометры

6.1.2.1 Общие положения

Выбор акселерометра определяется ожидаемым диапазоном амплитуд вибрации, диапазоном частот, физическими характеристиками поверхности, на которую он должен быть установлен, и условиями окружающей среды.

6.1.2.2 Максимальная вибрация

Выбранный акселерометр должен обеспечивать одновременно измерение как пиковых виброускорений, так и вибрации гораздо меньшего уровня на низких частотах.

Если частотная характеристика акселерометра (например, пьезорезистивного типа) начинается с 0 Гц, его динамический диапазон должен быть достаточным, чтобы включать в себя как переменный сигнал виброускорения, так и постоянную гравитационную составляющую.

6.1.2.3 Условия окружающей среды

Следует принимать во внимание чувствительность коэффициента преобразования акселерометра к температуре, влажности и другим факторам окружающей среды (см. ГОСТ ИСО 8041).

6.1.3 Место установки и способы крепления акселерометров

6.1.3.1 Общие положения

Акселерометры устанавливают таким образом, чтобы измерять вибрацию в точке контакта тела человека с вибрирующей поверхностью.

Если в одной точке измерений располагают несколько акселерометров для измерения вибрации в разных направлениях, эти акселерометры, должны быть установлены как можно ближе друг к другу.

Вибрацию измеряют на поверхности сиденья для сидящего человека и на полудня стоящего и, при необходимости, сидящего человека.

Примечания

1 При установке на самодвижущихся машинах измерительное оборудование следует жестко фиксировать с помощью болтов, хомутов, двусторонних клеящих лент и т.д. Аппаратура некоторых видов, таких как записывающие устройства, должна быть защищена от воздействия ударов или переходных процессов. Для этого могут быть использованы различные виды подвески; обычно достаточной мерой является помещение листа пенопласта между изолируемым оборудованием и вибрирующей поверхностью.

2 Если машина работает на наклонной поверхности, ось чувствительности акселерометра следует направлять по оси тела человека (а не в вертикальном или горизонтальном направлении). Для устранения постоянной составляющей сигнала рекомендуется использование пьезоакселерометров или соответствующих фильтров.

6.1.3.2 Измерения на поверхности сиденья

Вибрацию измеряют на поверхности сиденья. В случае нежесткой или упругой поверхности акселерометр устанавливают с помощью полужесткого диска по ГОСТ ИСО 10326-1.

Примечание - Обычно массы оператора достаточно для фиксации диска на поверхности сиденья в целях измерения вибрации в заданном диапазоне частот. Тем не менее, для большей надежности диск может быть закреплен с помощью вспомогательных средств (например, клеящей ленты).

6.1.3.3 Измерения на поверхности опоры для ног

Вибрацию измеряют на поверхности, которая наиболее часто служит опорой для стоящего и, при необходимости, сидящего человека. Акселерометры, используемые для измерений в области ног, должны быть жестко установлены на поверхности опоры.

Точка измерения вибрации должна быть расположена как можно ближе к области контакта ног с опорной поверхностью (для стоящего человека - обычно в пределах окружности радиусом 100 мм, центр которой совпадаете центром области контакта, для сидящего человека - вплотную к середине ступни).

Если рабочая платформа покрыта упругим материалом, акселерометр может быть установлен в центре жесткой металлической пластины (размерами приблизительно 300´400 мм для стоящего человека и 100´400 мм для каждой ноги сидящего человека), на которую встаёт или опирается работник. Установочный резонанс акселерометра должен не менее чем в пять раз превышать верхнюю границу диапазона частот измерений (см. ГОСТ ИСО 5348).

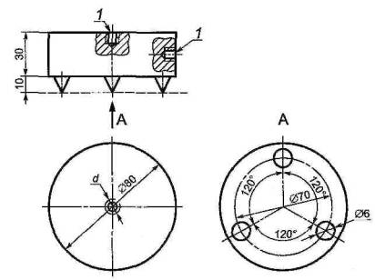
Крепление акселерометра к поверхности опоры осуществляют разными способами, например с помощью мощного магнита (сила притяжения должна быть не менее 1 кН), клея, тонкой двусторонней клеящей ленты и т.д. Допускается использовать устройство для быстрой установки акселерометра в форме металлического диска с острыми выступами для фиксации на поверхности опоры (см. рисунок 1), внутри которого акселерометр может быть жестко установлен, например с помощью резьбовой шпильки.

1 - резьбовое отверстие для крепления акселерометра или кубика под акселерометр
Рисунок 1 - Устройство для быстрой установки акселерометра

6.1.4 Частотная коррекция

Требования к функции частотной коррекции установлены ГОСТ ИСО 8041, ГОСТ 31191.1 и - для вибрации, воздействующей на ступни ног сидящего человека, - ГОСТ 31192.1.

Получение корректированного сигнала может быть реализовано:

- аналоговой или цифровой фильтрацией временного сигнала;

- использованием весовых коэффициентов после измерения вибрации в третьоктавных или узких полосах частот.

При использовании цифровых методов анализа - таких как цифровая фильтрация сигнала, быстрое преобразование Фурье (БПФ) - важно, чтобы выбранные параметры обработки сигнала позволяли получить точные результаты во всем диапазоне частот измерений. Такой анализ должен обеспечить хорошее разрешение на низких частотах, а частота выборки должна быть достаточно большой для получения точных результатов на высоких частотах.

В большинстве случаев при осуществлении БПФ рекомендуется предварительное применение временного окна Хана (хэннинг).

Установлено, что вибрация ниже 1 Гц и мала, и несущественна с точки зрения ее воздействия на здоровье человека, поэтому полосовой фильтр, являющийся составной частью функции частотной коррекции, может ограничить измерения диапазоном от 1 до 80 Гц1). Для вибрации, воздействующей на ноги сидящего человека, диапазон частот измерений - от 6,3 до 1250 Гц.

1) Здесь и далее диапазон частот определен через среднегеометрические частоты крайних третьоктавных полос, его покрывающих.

6.1.5 Использование устройств записи данных

Устройства записи данных могут быть аналогового или цифрового типа. Они должны обеспечивать достаточный динамический диапазон записи, чтобы без искажений сохранить сигнал вибрации во всем диапазоне частот измерений.

Примечания

1 Динамический диапазон аналоговых устройств записи, как правило, составляет от 40 до 50 дБ. Для цифровых устройств эта характеристика выше (например, 90 дБ), но и в этом случае динамический диапазон следует использовать оптимальным образом.

2 Некоторые аналоговые и некоторые цифровые устройства записи используют метод сжатия данных, чтобы минимизировать занимаемое ими пространство; этого следует избегать, по крайней мере до тех пор, пока не будет показано, что сжатие данных не приводит к потере информации о сигнале.

Система измерений, включающая в себя устройство записи данных, должна удовлетворять требованиям ГОСТ ИСО 8041.

6.1.6 Диапазон измерений

Некоторые измерительные системы позволяют пользователю выбирать диапазон измерений амплитуды сигнала. Такая настройка определяет реальный диапазон измерений системы. Если измерительное оборудование предусматривает возможность выбора диапазона входных сигналов, такой выбор рекомендуется осуществить путем проведения пробных измерений. Наилучшее соотношение сигнал/шум будет получено в том случае, если верхняя граница диапазона измерений будет максимально низкой, но в то же время обеспечивающей прием сигнала без появления перегрузок по входному тракту.

6.1.7 Время усреднения

Уровень сигнала вибрации должен быть усреднен по периоду нормального использования машины. Время интегрирования должно включать в себя по крайней мере один рабочий цикл машины. Если длительность рабочего цикла невелика, следует объединить несколько циклов для получения, по возможности, общего времени интегрирования не менее 15 мин. В любом случае время интегрирования не должно быть менее 3 мин.

Для получения среднеквадратичного значения на периоде одной или нескольких операций или рабочих циклов должна быть использована процедура линейного усреднения. Измерительная аппаратура, реализующая лишь процедуру экспоненциального усреднения, может быть использована только в случае, если сигнал вибрации является практически стационарным.

6.2 Проверка состояния измерительной цепи

Характеристики измерительной цепи следует регулярно подтверждать, чтобы убедиться в их соответствии требованиям ГОСТ ИСО 8041. Рекомендуется делать это не реже одного раза в год или раз в два года.

Датчики следует поверять одним из методов, установленных ГОСТ ИСО 5347-0.

Примечание - Помимо периодических поверок рекомендуется проверять измерительную систему каждый раз, когда какой-либо ответственный элемент системы подвергся грубому обращению.

6.3 Источники ошибок при измерении вибрации

6.3.1 Соединения кабеля

Общей проблемой, с которой приходится сталкиваться при проведении измерений с помощью пьезоэлектрического акселерометра, является сохранение в процессе измерений хорошего соединения акселерометра с сигнальным кабелем. Необходимо убедиться в надежности всех соединений и в отсутствии каких-либо повреждений кабеля. В частности, необходимо проверить, что в месте соединения с акселерометром кабель не подвергается воздействию чрезмерных механических напряжений, возникающих в процессе работы машины.

Плохое соединение может проявлять себя как простое отсутствие сигнала, что может быть истолковано как отсутствие вибрации на исследуемой поверхности. В случае временных потерь контакта в сигнале будут наблюдаться участки постоянного напряжения, между которыми сигнал имеет обычный вид.

Плохое экранирование кабеля может вызвать появление паразитных электрических сигналов на характерных частотах электрической сети. Особенно трудно такой тип повреждения выявить при измерении вибрации электрических машин, у которых доминирующая частота вибрации обычно совпадает с частотой тока в электрической сети или кратна ей.

6.3.2 Электромагнитные помехи

Необходимо принять меры, чтобы электрические, магнитные или электромагнитные поля не оказывали влияния на результат измерений вибрации. Если пьезоэлектрический акселерометр используют совместно с согласующим усилителем с высоким входным импедансом, плохое экранирование кабеля может привести к появлению чрезмерно больших составляющих на основных частотах электрической сети.

При наличии емкостной или индуктивной связи между сигналом вибрации и сигналом помехи влияние неизбежных электромагнитных помех может быть уменьшено применением следующих мер:

- экранированием кабелей;

- использованием витых проводов;

- заземлением экранирования сигнального кабеля только с одного конца, обычно со стороны усилителя;

- использованием датчика с выходами, симметричными относительно земли, и дифференциального усилителя;

- недопущением прокладывания сигнального кабеля параллельно кабелям системы питания.

Чтобы избежать появления помех, обусловленных разностью потенциалов между корпусом машины и измерительного прибора (прямая связь между сигналами вибрации и помехи), рекомендуются следующие меры:

- обеспечение электрической изоляции между акселерометром и вибрирующей поверхностью;

- использование изолирующих или дифференциальных усилителей;

- заземление экранирования сигнального кабеля только с одного конца, обычно со стороны усилителя.

Следует свести до минимума влияние излучения, создаваемого системами связи машин и устройствами зажигания.

6.3.3 Трибоэлектрический эффект

Кабели измерительной системы не должны подвергаться воздействию вибрационных напряжений высокой амплитуды, особенно если элементы измерительной системы (например, пьезоакселерометр) имеют большое внутреннее сопротивление, поскольку вызываемые такими напряжениями деформации приводят к появлению паразитных сигналов в электрической цепи. Поэтому рекомендуется надежно закреплять кабели на вибрирующей поверхности вблизи акселерометра (например, с помощью клеящей ленты).

Для снижения трибоэлектрического эффекта и уменьшения зависимости коэффициента преобразования измерительного тракта от емкости соединительного кабеля рекомендуется применять пьезоакселерометры со встроенными усилителями, имеющие низкоимпедансный электрический выход.

6.3.4 Высокочастотная вибрация

Для некоторых машин, например грузовых тележек с поддоном, высокочастотные составляющие вибрации могут привести к перегрузке измерительной системы даже в том случае, когда сигнал вибрации в области диапазона частот измерений не выходит за границы динамического диапазона системы. В этом случае можно использовать фильтр нижних частот с соответствующим образом подобранной частотой среза (например, 160 Гц).

6.3.5 Временные потери контакта оператора с сиденьем

В некоторых обстоятельствах, например когда пиковое ускорение ударного процесса в вертикальном направлении превышает 9,8 м/с2, оператор, не будучи пристегнутым к сиденью, может временно потерять с ним контакт. При этом акселерометр, размещенный под седалищными буграми оператора, будет измерять не то виброускорение, воздействию которого подвергается оператор.

Оператор может также сознательно подниматься с сиденья на некоторое время (например, чтобы открыть ворота или отрегулировать нагрузку). В моменты, когда оператор встает с сиденья или садится на него, сигнал виброускорения может резко возрастать.

Необходимо строго контролировать появление таких ситуаций с целью исключить недостоверные данные из записи сигнала. Для этого целесообразно наблюдение за временной реализацией процесса.

7 Неопределенность измерений

7.1 Неопределенность измерений уровня вибрации

При измерении вибрации, воздействующей на оператора, каждое конкретное измерение сопровождается соответствующей неопределенностью, которая зависит от следующих факторов:

- неопределенности, вносимой средствами измерений;

- неопределенности калибровки;

- наличия электрических помех;

- влияния крепления акселерометров;

- влияния расположения и ориентации акселерометров;

- отклонения режима работы машины от нормального и изменения в позе оператора, вызванных самой процедурой проведения измерений (например, вследствие неудобств, вызванных размещением акселерометров и соединительных кабелей); а также

- изменения в способе работы оператора вследствие того, что он является субъектом измерений.

Кроме этого, на неопределенность общей оценки воздействия вибрации влияют изменения, наблюдаемые в течение рабочего дня, такие как:

- изменение состояния машины и оборудования (например, изменение давления в шинах под влиянием изменений температуры);

- изменение характеристики дорожного покрытия.

Причины, формирующие общую неопределенность, зависят от характера конкретной рабочей операции. Желательно установить основные источники неопределенности (например, скорость и состояние покрытия) и провести дополнительные измерения с целью вычислить для каждого существенного источника неопределенности соответствующее стандартное отклонение (например, полезным может оказаться проведение измерений для одной и той же машины на разных скоростях движения и во время движения по дорогам с разным покрытием).

Примечания

1 Неопределенность, связанная с измерительным инструментом, калибровкой, электрическими помехами и т.п., обычно мала по сравнению с неопределенностью, связанной с изменением рабочих условий.

2 При исследовании истории воздействия вибрации на конкретное лицо желательно, по возможности, проводить измерения для машин разных поколений и в разном техническом состоянии.

3 Если целью измерений является оценка воздействия вибрации, связанной с конкретной рабочей операцией, источником неопределённости могут быть также различия между операторами (в квалификации, телосложении, массе и т.д.).

7.2 Неопределенность оценки времени воздействия вибрации

Неопределенность оценки времени воздействия вибрации зависит от неопределенности:

- измерений длительности операций или рабочих циклов;

- оценки числа операций или рабочих циклов, выполняемых в течение рабочего дня;

- оценок времени воздействия, проведенных самим оператором (см. примечание к 5.5);

- различием рабочих заданий, выполняемых в разные дни.

7.3 Неопределенность оценки эквивалентного виброускорения

Неопределенность оценки эквивалентного виброускорения зависит от неопределенности оценки:

- среднеквадратичного значения корректированного виброускорения;

- длительности вибрационного воздействия.

Оценка эквивалентного виброускорения А(8) пропорциональна среднеквадратичному значению виброускорения и квадратному корню из длительности воздействия. Поэтому неопределенность, связанная с измерением уровня вибрации, оказывает большее влияние на точность оценки воздействия, чем неопределенность, связанная с оценкой времени воздействия.

8 Контролируемое значение эквивалентного виброускорения

Контролируемое значение эквивалентного виброускорения А(8) определяют на основе измеренного среднеквадратичного значения корректированного виброускорения по каждому из направлений действия вибрации и длительности воздействия, как указано в разделе 4. В качестве контролируемого значения эквивалентного виброускорения принимают максимальное из рассчитанных значений потрем направлениям измерения вибрации:

А(8) = max[Aх(8),Aу(8),Az(8)].                                                                                               (5)

Неопределенность оценки А(8) зачастую весьма велика. Поэтому в представление значения А(8) включают обычно не более двух значащих цифр.

9 Данные, вносимые в протокол испытаний

В протоколе испытаний должна быть дана ссылка на настоящий стандарт и представлена, в зависимости от ситуации, следующая информация:

a) Информация общего характера:

- наименование компании (заказчика);

- цель проведения измерений и выбор процедуры измерений (например, оценка воздействия вибрации на конкретных работников);

- дата проведения измерений;

- лицо или лица, для которых была проведена оценка воздействия вибрации;

- лицо (организация), проводившее измерения и оценку воздействия вибрации.

b) Данные о машине (изготовитель, модель, мощность, тип сиденья и его регулировки, тип подвески, состояние шин и давление в них, техническое состояние машины и срок ее службы и т.д.).

c) Средства измерений:

- состав измерительной системы;

- порядок проведения калибровок элементов измерительной системы;

- дата и результат проведения последних поверочных испытаний;

- результаты испытаний на воздействие внешних факторов (если такие были проведены).

d) Информация, использованная при выборе операций или рабочих циклов, вовремя которых проводили измерения вибрации (в соответствии с разделом 5).

e) Фотография рабочего дня для каждой исследуемой операции:

- общее описание периодов воздействия вибрации (например, рабочие часы, перерывы в работе);

- используемое вспомогательное (навесное) оборудование;

- место проведения работ;

- качество поверхности, по которой двигалась машина;

- выполняемое рабочее задание;

- информация, использованная для определения длительности вибрационной экспозиции (например, производительность труда или число рабочих циклов, длительность каждой отдельной операции или рабочего цикла);

- работала машина с нагрузкой или без нагрузки (для таких машин, как вилочный автопогрузчик, грузовой автомобиль и т.п.).

f) Условия измерения вибрации:

- описание операции или рабочего цикла, во время которых были проведены измерения вибрации;

- место установки и ориентация акселерометров;

- методы крепления акселерометров;

- регулировки сиденья и масса субъекта испытаний;

-дополнительные сведения (например, поза субъекта испытаний, тип поверхности сиденья - выпуклое или вогнутое).

g) Результаты измерений вибрации:

- виброускорение кратковременных процессов;

- значения корректированного виброускорения в направлениях осей измерения х, у и z;

- продолжительность измерений;

- частотный спектр, использованные фильтры и окна (в случае проведения частотного анализа).

h) Результаты оценки эквивалентного виброускорения:

-значения корректированного виброускорения для каждой операции или рабочего цикла;

- длительность воздействия вибрации в процессе выполнения каждой операции или рабочего цикла;

- доля каждого рабочего цикла в оценке эквивалентного виброускорения;

- оценка эквивалентного виброускорения;

- оценка неопределенности оценки эквивалентного виброускорения.

Приложение А
(справочное)

Примеры расчета эквивалентного виброускорения

А.1 Введение

В настоящем приложении приведены некоторые примеры организации измерений и расчетов эквивалентного виброускорения А(8). Примеры соответствуют процедуре, описанной в 5.3.

А.2 Рабочий процесс, включающий в себя длительные, непрерывно выполняемые операции

В данном случае измерения вибрации могут быть проведены на большом интервале времени, что позволяет получить надежные, представительные результаты.

Пример

Проводят расчет эквивалентного виброускорения для водителя междугороднего рейсового автобуса. Полный рабочий день водителя составляет 6 ч и включает в себя перерывы, остановки на огни светофора и т.п.

а) Если вибрацию на сиденье под водителем измеряют в течение всего 6-часового рабочего дня, эквивалентное виброускорение в направлении l рассчитывают в соответствии с формулой (2)

                                                                                            (А.1)

где alw - среднеквадратичное значение корректированного виброускорения, полученное интегрированием на интервале времени 6 ч;

kl - коэффициент, который принимает значение 1,4 для измерений в направлениях х и у и значение 1 для измерений в направлении z.

После чего значение эквивалентного виброускорения получают по формуле

А(8) = max[Ах(8), Аy(8), Az(8)].                                                                                             (А.2)

b) Можно также проводить измерения вибрации на интервалах времени не менее 3 мин для каждого рабочего состояния, в течение которого характеристики вибрации, воздействующей на водителя, остаются практически неизменными, например во время движения с обычной рейсовой скоростью по шоссе или во время движения с низкой скоростью в условиях города. Измеряют общую длительность Ti каждого такого состояния (без учета перерывов, остановок на огни светофора и т.п.), после чего значение Аl(8) рассчитывают по формуле

                                                                                                          (А.3)

где alwi - среднеквадратичное значение корректированного виброускорения, полученное интегрированием на интервале времени не менее 3 мин для i-го рабочего состояния водителя;

N - число рабочих состояний (i = 1, ...., N).

После чего значение эквивалентного виброускорения получают по формуле (А.2).

А.3 Рабочий процесс, включающий в себя кратковременные операции или рабочие циклы с разным уровнем вибрации

В случае, когда время выполнения операции или рабочего цикла, на котором вибрацию можно считать стационарной, составляет 3 мин и более, измерения и расчеты могут быть проведены в соответствии с процедурой, описанной в разделе А.2:

a) Записывают вибрацию alw в течение всего рабочего дня продолжительностью Т, после чего вычисляют Аl в соответствии с формулой (2);

b) Записывают вибрацию на интервалах длительностью не менее 3 мин для каждой i-й операции, регистрируют общее время Ti выполнения этой операции (исключая перерывы и пр.) в течение рабочего дня и вычисляют Аl в соответствии с формулой (А.3).

Если длительность одной или нескольких операций составляет менее 3 мин, то эти операции повторяют несколько раз до тех пор, пока общая длительность записи составит не менее 3 мин. После этого для «суммарной» записи вибрации вычисляют среднеквадратичное значение alw. Если запись вибрации осуществлена для М повторяющихся операций (например, погрузки), среднеквадратичное значение вычисляют по формуле:

                                                                                                               (А.4)

где alwn - среднеквадратичное значение для n-й записи вибрации во время выполнения операции погрузки;

Тп - длительность n-й записи;

Чтобы облегчить сравнение результатов, полученных для разных операций или рабочих циклов, и оценить влияние каждой такой операции (рабочего цикла) на значение эквивалентного виброускорения A(8), можно вычислить долю эквивалентного виброускорения Ai(8), приходящуюся на i-ю операцию, по формуле:

                                                                                 (А.5)

Приложение В
(справочное)

Некоторые числовые примеры определения эквивалентного виброускорения

В.1 Введение

В настоящем приложении приведены четыре примера расчета значения эквивалентного виброускорения.

В.2 Пример 1

В течение рабочей смены работающий в карьере вилочный погрузчик совершает погрузочные операции, во время которых на оператора воздействует следующая вибрация:

- среднеквадратичное значение корректированного виброускорения в направлении z на интервале времени Те (время управления погрузчиком) awze = 1,4 м/с2;

- время воздействия вибрации Те = 2 ч.

В остальное время оператор воздействию вибрации не подвергался.

Расчет эквивалентного виброускорения дает:

8.3 Пример 2

Во время работы на сельскохозяйственном тракторе оператор в среднем подвергается воздействию следующей вибрации в течение рабочего дня.

a) Переезд от одного поля к другому:

- среднеквадратичное значение корректированного виброускорения awz1 = 1,2 м/с2;

- время, затраченное на переезды, T1 = 1 ч.

b) Работа в поле (пахота, боронование):

- среднеквадратичное значение корректированного виброускорения awz2 = 0,8 м/с2;

- время работы T2 = 3,5 ч.

В остальное время оператор воздействию вибрации не подвергался. Расчет эквивалентного виброускорения дает:

В.4 Пример 3

Во время рабочей смены оператор работает на разных машинах.

a) Управление грузовым автомобилем при движении по асфальтированной дороге:

- среднеквадратичное значение корректированного виброускорения awz1 = 0,65 м/с2;

- время поездки T1 = 1 ч.

b) Управление грузовым автомобилем при движении по неровной поверхности строительной площадки:

- среднеквадратичное значение корректированного виброускорения awz2 = 0,90 м/с2;

- время поездки T2 = 1 ч.

c) Разгрузочные работы с применением вилочного погрузчика на мощеном участке разгрузки:

- среднеквадратичное значение корректированного виброускорения awz3 = 1,1 м/с2;

- время работы T3 = 0,75 ч.

d) Вождение легкового автомобиля по сельским и городским дорогам:

- среднеквадратичное значение корректированного виброускорения awz4 = 0,40 м/с2;

- время поездки T4 = 2 ч.

Расчет эквивалентного виброускорения за смену дает:

В.5 Пример 4

При работе погрузчика на свалке отходов неровная поверхность еще не утрамбованной свалки заставляет погрузчик двигаться под разными углами, так что горизонтальная и вертикальная составляющие среднеквадратичного значения корректированного виброускорения становятся сопоставимыми:

awx = 0,49 м/с2;

awy = 0,59 м/с2;

awz = 0,62 м/с2.

При расчете времени экспозиции, когда значение эквивалентного виброускорения остается ниже некоторого порогового значения, превышение которого сопровождается значительным риском для здоровья работника, необходимо брать максимальное из среднеквадратичных значений корректированного виброускорения по разным направлениям с учетом того, что для направлений х и у применяют корректирующий множитель k = 1,4:

awle = max{1,4awx; 1,4awy; awz} = max{0,69; 0,83; 0,62} = 0,83 м/с2.

Видно, что для получения оценки следует рассматривать вибрацию в направлении у. Для определения допустимой длительности вибрационной экспозиции (при установлении порогового значения А(8) = 0,45 м/с2 для T0 = 8 ч) формулу следует преобразовать относительно Tе:

Если время работы погрузчика на свалке отходов превышает 2,4 ч за рабочую смену, это создает повышенный риск для здоровья оператора погрузчика, хотя все оставшееся время в течение смены он не подвергается существенным воздействиям вибрации.

Приложение С
(справочное)

Сведения о соответствии ссылочных международных стандартов межгосударственным стандартам, использованным в настоящем стандарте в качестве нормативных ссылок

Таблица С.1

Обозначение ссылочного межгосударственного стандарта

Обозначение и наименование ссылочного международного стандарта и условное обозначение степени его соответствия ссылочному межгосударственному стандарту

ГОСТ ИСО 5347-0-95

ИСО 16063-1:1998 «Методы калибровки датчиков вибрации и удара. Часть 1. Основные принципы» (NEQ)

ГОСТ ИСО 5348-2002

ИСО 5348:1998 «Вибрация и удар. Механическое крепление акселерометров» (IDТ)

ГОСТ ИСО 8041-2006

ИСО 8041:2005 «Воздействие вибрации на человека. Средства измерения» (IDТ)

ГОСТ ИСО 10326-1-2002

ИСО 10326-1:1992 «Вибрация. Лабораторный метод оценки вибрации сидений транспортных средств. Часть 1. Общие требования» (IDТ)

ГОСТ 24346-80

ИСО 2041:1990 «Вибрация и удар. Словарь» (NEQ)

ГОСТ 31191.1-2004 (ИСО 2631-1:1997)

ИСО 2631-1:1997 «Вибрация и удар. Оценка воздействия общей вибрации на человека. Часть 1. Общие требования» (MOD)

ГОСТ 31192.1-2004 (ИСО 5349-1:2001)

ИСО 5349-1:2001 «Вибрация. Измерение локальной вибрации и оценка ее воздействия на человека. Часть 1. Общие требования» (MOD)

ГОСТ 31192.2-2005 (ИСО 5349-2:2001)

ИСО 5349-2:2001 «Вибрация. Измерение локальной вибрации и оценка ее воздействия на человека. Часть 2. Практическое руководство по проведению измерений на рабочих местах» (MOD)

Примечание - В настоящей таблице использованы следующие условные обозначения степени соответствия стандартов:

- IDТ- идентичные стандарты;

- MOD - модифицированные стандарты;

- NEQ - неэквивалентные стандарты.

Ключевые слова: вибрация, общая вибрация, воздействие на человека, рабочее место, хронометраж рабочего дня, измерения вибрации, неопределенность измерений, эквивалентное виброускорение

 




Яндекс цитирования



   Copyright © 2007-2026,  www.tehlit.ru.

[ ѓосты, стандарты, нормативы, инструкции, правила, строительные нормы ]