//
|
|
ОБОРУДОВАНИЕ ВАКУУМНОЕ Размеры фланцев ISO 1609:1986
Предисловие Цели и принципы стандартизации в Российской Федерации установлены Федеральным законом от 27
декабря Сведения о стандарте 1 ПОДГОТОВЛЕН Открытым акционерным обществом «Вакууммаш» на основе аутентичного перевода стандарта, указанного в пункте 4, выполненного Киевским всесоюзным центром переводов научно-технической литературы и документации 2 ВНЕСЕН Техническим комитетом по стандартизации ТК 249 «Вакуумная техника» 3 УТВЕРЖДЕН И ВВЕДЕН В ДЕЙСТВИЕ Приказом Федерального агентства по техническому регулированию и метрологии от
27 декабря 4 Настоящий стандарт является модифицированным по отношению к международному стандарту ИСО 1609:1986 «Вакуумная техника. Размеры фланцев» (ISO 1609:1986 «Vacuum equipment. Flange dimensions»). Дополнительные слова (фразы, показатели, их значения), включенные в текст стандарта для учета потребностей национальной экономики Российской Федерации и/или особенностей российской национальной стандартизации, выделены курсивом. В стандарт дополнительно введен раздел 3 «Термины и определения», размеры установочных колец и приложение В 5 ВВЕДЕН ВПЕРВЫЕ Информация об изменениях к настоящему стандарту публикуется в ежегодно издаваемом информационном указателе «Национальные стандарты», а текст изменений и поправок - в ежемесячно издаваемых информационных указателях «Национальные стандарты». В случае пересмотра (замены) или отмены настоящего стандарта соответствующее уведомление будет опубликовано в ежемесячно издаваемом информационном указателе «Национальные стандарты». Соответствующая информация, уведомление и тексты размещаются также в информационной системе общего пользования - на официальном сайте Федерального агентства по техническому регулированию и метрологии в сети Интернет Содержание НАЦИОНАЛЬНЫЙ СТАНДАРТ РОССИЙСКОЙ ФЕДЕРАЦИИ
Дата введения - 2008-06-01 1 Область примененияНастоящий стандарт распространяется на неподвижные, опорные и накидные фланцы, а также на установочные и центрирующие кольца, обеспечивающие герметичность вакуумных соединений, и устанавливает их основные и присоединительные размеры. Указанные размеры обеспечивают взаимозаменяемость неподвижных, опорных и накидных фланцев. Соединение фланцев может быть однородным (например, фланцы, прижимаемые болтами или фланцы, прижимаемые скобами) или разнородным (например, фланцы, прижимаемые болтами, присоединяются к фланцам, прижимаемым скобами при помощи болтов или скоб либо при помощи болтов и накидных фланцев) с применением тороидальных эластомерных уплотнителей. Необходимым условием герметичности вакуумных соединений является совместимость фланцев при затягивании болтов с линейными напряжениями, приведенными в приложении А. 2 Нормативные ссылкиВ настоящем стандарте использованы нормативные ссылки на следующие стандарты: ГОСТ 8032-84 Предпочтительные числа и ряды предпочтительных чисел ГОСТ 9389-75 Проволока стальная углеродистая пружинная. Технические условия ГОСТ 18143-72 Проволока из высоколегированной коррозионно-стойкой и жаростойкой стали. Технические условия ГОСТ 28961-91 (ИСО 887-83) Шайбы плоские для метрических болтов, винтов и гаек. Общий план Примечание - При пользовании настоящим стандартом целесообразно проверить действие ссылочных стандартов в информационной системе общего пользования - на официальном сайте Федерального агентства по техническому регулированию и метрологии в сети Интернет или по ежегодно издаваемому информационному указателю «Национальные стандарты», который опубликован по состоянию на 1 января текущего года, и по соответствующим ежемесячно издаваемым информационным указателям, опубликованным в текущем году. Если ссылочный стандарт заменен (изменен), то при пользовании настоящим стандартом следует руководствоваться заменяющим (измененным) стандартом. Если ссылочный стандарт отменен без замены, то положение, в котором дана ссылка на него, применяется в части, не затрагивающей эту ссылку. 3 Термины и определенияВ настоящем стандарте применены следующие термины с соответствующими определениями: 3.1 фланец (flange): Переходное устройство, предназначенное для соединения и разъединения компонентов вакуумных установок. 3.2 вакуумная установка (vacuum plant): Установка, состоящая из вакуумной системы и устройств, обеспечивающих ее действие. 3.3 вакуумная система (vacuum system): Совокупность взаимосвязанных устройств для создания, повышения и поддерживания вакуума, приборов для измерений в вакууме, а также откачиваемых сосудов и связывающих их вакуумных трубопроводов. 4 Размеры и обозначения основных элементов фланцев4.1 Общие положения4.1.1 Основные и присоединительные размеры фланцев должны соответствовать значениям, приведенным на рисунках 1
- 3 и в таблицах 1 - 3. Эти размеры относятся к готовым изделиям и не включают в себя припуск на обработку. Фланцы номинальным диаметром от
10 до Диаметр расточки фланцев и размеры используемых труб приведены в приложении Б. Предельные отклонения размеров фланцев - по ИСО 286-2 [2]. 4.1.2 Для обеспечения взаимозаменяемости фланцы должны быть смонтированы так, чтобы отверстия для болтов были расположены на одинаковых расстояниях друг от друга симметрично главной оси. 4.2 Номинальный диаметр4.2.1 Фланцы идентифицируют по значениям номинальных диаметров, приведенным в таблицах 1 - 3. Номинальный диаметр не имеет единицы измерения. 4.2.2 Номинальные диаметры фланцев, принадлежащие к предпочтительным числам основных рядов по ГОСТ 8032, следующие: - R 5 - 10, 16, 25, 40, 63, 100, 160, 250, 400, 630, 1000; - R 10 - 10,0; 16,0; 20,0; 25,0; 31,5; 40,0; 50,0; 63,0; 80,0; 100,0; 160,0; 200,0; 250,0; 320,0; 400,0; 500,0; 630,0; 800,0; 1000,0. Номинальный диаметр 12,5 не используют. 4.2.3 Номинальным диаметрам 63, 160, 200, 250 и Номинальный диаметр 31,5 округляют до 32,0. Примечание - В обоснованных случаях допускается изготавливать фланцы с номинальными диаметрами основных (R 20 и R 40) и дополнительных рядов предпочтительных чисел по ГОСТ 8032. 4.3 Диаметр отверстий для установки болтовДиаметр отверстий для установки болтов d определяется диаметром болтов d1 по ИСО 273 [3]. 4.4 Диаметр болтовДиаметры болтов d1 для неподвижных фланцев должны соответствовать диаметрам болтов для накидных фланцев. 4.5 Опорная уплотнительная поверхность фланца4.5.1 Опорная уплотнительная поверхность фланца представляет собой кольцо, поверхность которого обеспечивает герметичность соединения. 4.5.2 Диаметры опорной уплотнительной поверхности фланцев D2 и D4 приведены в таблице 1; D и D2 - в таблице 2. 4.5.3 Уплотнительная поверхность фланца должна быть плоской и не должна иметь выступов. 4.6 Ширина соединительной закраины скобШирина соединительной закраины зависит от конструкции используемых скоб и не должна быть более 4.7 Внешний диаметр неподвижных и накидных фланцевВнешний диаметр неподвижных и накидных фланцев должен обеспечивать невыступание шайб болтов за пределы внешней окружности фланца по ИСО 887 [4]. 4.8 Число отверстий для прохождения болтовЧисло отверстий для прохождения болтов должно соответствовать значениям линейных напряжений, приведенных в приложении А для данного зажима болта. 4.9 Внутренний диаметр для опоры скобДля учета разнообразия конструкции скоб максимальный внутренний диаметр кругового кольца, предназначенного для опоры скоб, определяется диаметром Е (см. рисунок 2). 4.10 Внутренний диаметр фланцевДиаметр D3 (см. рисунки 1, 2) соответствует внутреннему диаметру трубы и является рекомендуемым размером. 4.11 Центрирующее кольцоОсновные размеры центрирующих колец приведены на рисунке В.1 и в таблице В.1 приложения В. 5 Основные и присоединительные размеры фланцев5.1 Неподвижные фланцыОсновные и присоединительные размеры неподвижных фланцев приведены на рисунке 1 и в таблице 1. Рисунок 1 - Неподвижный фланец Размеры в миллиметрах
Окончание таблицы 1 Размеры в миллиметрах
5.2 Опорные фланцыОсновные и присоединительные размеры опорных фланцев приведены на рисунке 2 и в таблице 2. Рисунок 2 - Опорный фланец Таблица 2 Размеры в миллиметрах
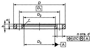
5.3 Накидные фланцы с установочным кольцом5.3.1 Основные и присоединительные размеры накидных фланцев приведены на рисунке 3 и в таблице 3. Рисунок 3 - Накидной фланец Размеры в миллиметрах
5.3.2 Основные размеры установочных колец приведены на рисунке 4 и в таблице 4.
Рисунок 4 - Установочное кольцо Таблица 4 Размеры в миллиметрах
Приложение А
| |||||||||||||||||||||||||||||||||||||||||||||||||||||||||||||||||||||||||||||||||||||||||||||||||||||||||||||||||||||||||||||||||||||||||||||||||||||||||||||||||||||||||||||||||||||||||||||||||||||||||||||||||||||||||||||||||||||||||||||||||||||||||||||||||||||||||||||||||||||||||||||||||||||||||||||||||||||||||||||||||||||||||||||||||||||||||||||||||||||||||||||||||||||||||||||||||||||||||||||||||||||||||||||||||||||||||||||||||||||||||||||||||||||||||||||||||||||||||||||||||||||||||||||||||||||||||||||||||||||||||||||||||||||||||||||||||||||||||||||||||||||||||||||||||||||||||||||||||||||||||||||||||||||||||||||||||||||||||||||||||||||||||||||||||||||||||||||||||||||||||||||||||||||||||||||||||||||||||||||||||||||||||||||||||||||||||||||||||||||||||||||||||||||||||||||||||||||||||||||||||||||||||||||||||||||||||||||||||||||||||||||||||||||||||||
|
Номинальный диаметр, мм |
σ, Н/мм |
Номинальный диаметр, мм |
σ, Н/мм |
|
10 |
185 |
125 |
184 |
|
16 |
154 |
160 |
157 |
|
20 |
132 |
200 |
174 |
|
25 |
116 |
250 |
143 |
|
32 |
177 |
320 |
162 |
|
40 |
146 |
400 |
179 |
|
50 |
124 |
500 |
146 |
|
63 |
96 |
630 |
150 |
|
80 |
164 |
800 |
144 |
|
100 |
138 |
1000 |
156 |
Диаметры расточки фланцев, применяемых в вакуумной технике, и наружные диаметры труб, используемых с этими фланцами, приведены на рисунке Б.1 и в таблице Б.1.

Рисунок Б.1 - Расточка фланца
Таблица Б.1
Размеры в миллиметрах
|
Номинальный диаметр |
Наружный диаметр трубы* |
Толщина стенки трубы |
D3 |
|
10 |
14,0 |
2,0 |
10 |
|
16 |
20,0 |
2,0 |
16 |
|
20 |
25,0 |
2,0 |
21 |
|
25 |
28,0 |
2,0 |
24 |
|
32 |
38,0 |
2,0 |
34 |
|
40 |
44,5 |
2,0 |
41 |
|
50 |
57,0 |
3,2 |
51 |
|
63 |
76,1 |
3,2 |
70 |
|
80 |
88,9 |
3,2 |
83 |
|
100 |
108,0 |
3,2 |
102 |
|
125 |
133,0 |
3,2 |
127 |
|
160 |
159,0 |
3,2 |
153 |
|
200 |
219,1 |
3,2 |
213 |
|
250 |
267,0** |
3,2 |
261 |
|
320 |
323,9 |
3,2 |
318 |
|
400 |
406,4 |
3,2 |
400 |
|
500 |
508,0 |
3,6 |
501 |
|
630 |
660,4 |
5,0 |
651 |
|
800 |
812,8 |
6,3 |
800 |
|
1000 |
1016,0 |
8,0 |
1000 |
|
* Для номинальных диаметров от 10 до ** Данное значение используют вместо значения 273 для установки уплотнителя. Примечание - Значения размеров D3 приведены как ориентировочные и зависят от размеров трубы и способов сварки. |
|||
Основные размеры центрирующих колец приведены на рисунке В.1 и в таблице В.1.

Рисунок В.1 - Центрирующее кольцо
Таблица В.1
Размеры в миллиметрах
|
Номинальный диаметр |
d1 (H 12) |
d2 (h 12) |
d3 |
H (h 14) |
S (h 14) |
R (js 14) |
|
10 |
10 |
12 |
15,3 |
8 |
3,3 |
2,5 |
|
16 |
16 |
17 |
18,5 |
|||
|
20 |
20 |
22 |
24,5 |
|||
|
25 |
25 |
26 |
28,5 |
|||
|
32 |
32 |
34 |
37,0 |
|||
|
40 |
40 |
41 |
43,0 |
|||
|
50 |
50 |
52 |
65,0 |
|||
|
63 |
68 |
70 |
78,0 |
|||
|
80 |
81 |
83 |
90,0 |
|||
|
100 |
100 |
102 |
110,0 |
|||
|
125 |
125 |
127 |
135,0 |
|||
|
160 |
150 |
153 |
165,0 |
|||
|
200 |
210 |
213 |
225,0 |
|||
|
250 |
257 |
261 |
273,0 |
|||
|
320 |
312 |
318 |
330,0 |
12 |
5,8 |
4,0 |
|
400 |
394 |
400 |
412,0 |
|||
|
500 |
494 |
501 |
515,0 |
|||
|
630 |
644 |
651 |
665,0 |
|||
|
800 |
793 |
800 |
820,0 |
|||
|
1000 |
993 |
1000 |
1020,0 |
|
ИСО 2861-1:1974 |
Техника вакуумная. Быстроразъемные соединения. Размеры. Часть 1. Соединения зажимного типа (Vacuum technology - Quick-release couplings-Dimensions - Past 1 : Clamped type) |
|
|
ИСО 286-2:1988 |
Система ИСО допусков и посадок. Таблица стандартных степеней допуска и предельных отклонений отверстий и валов (ISO system of limits and fits - Part 2: Tables of standard tolerance grades and limit deviations for holes and shafts - Technical Corrigendum 1) |
|
|
ИСО 273:1979 |
Изделия крепежные. Отверстия с гарантированным зазором для болтов и винтов (Fasteners-Clearance holes for and screws) |
|
|
ИСО 887:2000 |
Плоские шайбы для метрических болтов, винтов и гаек. Общий вид (Plain washers for metric bolts, screws and nuts for general purposes-General plan) |
|
|
ИСО 1127:1992 |
Трубы из коррозионно-стойкой стали. Размеры, допуски и условная масса на единицу длины (Stainless steel tubes-Dimensions, tolerances and conventional masses per unit length) |
|
|
ИСО 4200-1991 |
Трубы стальные с гладкими концами, сварные и бесшовные. Общие таблицы размеров и масс на единицу длины (Plain end steel tubes, welded and seamless-General tables of dimensions and masses per unit length) |
Ключевые слова: вакуумная техника, вакуумная установка, вакуумная система, неподвижный фланец, опорный фланец, накидной фланец, установочное кольцо, центрирующее кольцо, номинальный диаметр, диаметр болтов, опорная уплотнительная поверхность, линейные напряжения затягивания
|
|
|
|