//
ТехЛит.ру
- крупнейшая бесплатная электронная интернет библиотека для "технически умных" людей.
WWW.TEHLIT.RU - ТЕХНИЧЕСКАЯ ЛИТЕРАТУРА

:: Алготрейдинг::


АЛГОТРЕЙДИНГ
шаг за шагом
с нуля по урокам!

Торговые роботы на PYTHON, BackTrader,
Pandas, Pine Script для TradingView. Связка с брокерами, телеграм и легкими приложениями.


МЕЖГОСУДАРСТВЕННЫЙ СОВЕТ ПО СТАНДАРТИЗАЦИИ, МЕТРОЛОГИИ И СЕРТИФИКАЦИИ
(МГС)

INTERSTATE COUNCIL FOR STANDARDIZATION, METROLOGY AND CERTIFICATION
(ISC)

МЕЖГОСУДАРСТВЕННЫЙ
СТАНДАРТ

ГОСТ
31353.3-
2007

(ИСО 13347-3:2004)

Шум машин

ВЕНТИЛЯТОРЫ ПРОМЫШЛЕННЫЕ

Определение уровней звуковой мощности в лабораторных условиях

Часть 3

Метод охватывающей поверхности

(ISO 13347-3:2004, MOD)

Москва

Стандартинформ

2008

(Поправка. ИУС 3-2009)

Предисловие

Цели, основные принципы и основной порядок проведения работ по межгосударственной стандартизации установлены ГОСТ 1.0-92 «Межгосударственная система стандартизации. Основные положения» и ГОСТ 1.2-97 «Межгосударственная система стандартизации. Стандарты межгосударственные, правила и рекомендации по межгосударственной стандартизации. Порядок разработки, принятия, применения, обновления и отмены»

Сведения о стандарте

1 ПОДГОТОВЛЕН Открытым акционерным обществом «Научно-исследовательский центр контроля и диагностики технических систем» на основе собственного аутентичного перевода стандарта, указанного в пункте 4

2 ВНЕСЕН Федеральным агентством по техническому регулированию и метрологии

3 ПРИНЯТ Межгосударственным советом по стандартизации, метрологии и сертификации (протокол № 32 от 24 октября 2007 г.)

За принятие проголосовали:

Краткое наименование страны по MK (ИСО 3166) 004-97

Код страны по MK (ИСО 3166) 004-97

Сокращенное наименование национального органа по стандартизации

Азербайджан

AZ

Азстандарт

Беларусь

BY

Госстандарт Республики Беларусь

Казахстан

KZ

Госстандарт Республики Казахстан

Кыргызстан

KG

Национальный институт стандартов и метрологии Кыргызской Республики

Молдова

MD

Молдова-Стандарт

Российская Федерация

RU

Федеральное агентство по техническому регулированию и метрологии

Таджикистан

TJ

Таджикстандарт

Узбекистан

UZ

Агентство «Узстандарт»

Украина

UA

Госпотребстандарт Украины

4 Настоящий стандарт модифицирован по отношению к международному стандарту ИСO 13347-3:2004 «Промышленные вентиляторы. Определение уровней звуковой мощности вентилятора в стандартных лабораторных условиях. Часть 3. Методы охватывающей поверхности» (ISO 13347-3:2004 «Industrial fans - Determination of fan sound power levels under standardized laboratory conditions - Part 3: Enveloping surface methods») путем исключения положений международного стандарта, применение которых нецелесообразно в настоящем стандарте. Дополнительные слова и фразы, включенные в текст стандарта для учета потребностей национальной экономики указанных выше государств или особенностей межгосударственной стандартизации, выделены курсивом.

Наименование настоящего стандарта изменено относительно наименования указанного международного стандарта для приведения в соответствие с ГОСТ 1.5 (подраздел 3.5).

Международный стандарт разработан техническим комитетом ИСО ТК 117 «Промышленные вентиляторы».

Перевод с английского языка (en)

Содержание исключенных положений, полный перечень всех технических отклонений с разъяснением причин их внесения приведены в приложении В.

Степень соответствия - модифицированная (MOD)

5 Приказом Федерального агентства по техническому регулированию и метрологии от 26 марта 2008 г. 62-ст межгосударственный стандарт ГОСТ 31353.3-2007 (ИСO 13347-3:2004) введен в действие в качестве национального стандарта Российской Федерации с 1 октября 2008 г.

Информация о введении в действие (прекращении действия) настоящего стандарта публикуется в указателе «Национальные стандарты».

Информация об изменениях к настоящему стандарту публикуется в указателе «Национальные стандарты», а текст изменений - в информационных указателях «Национальные стандарты». В случае пересмотра или отмены настоящего стандарта соответствующая информация будет опубликована в информационном указателе «Национальные стандарты»

Содержание

1 Область применения

2 Нормативные ссылки

3 Акустические условия и воздуховоды

3.1 Общие положения

3.2 Испытательная установка

3.3 Вытяжные вентиляторы

3.4 Шум привода и трансмиссии

4 Определение измерительной поверхности

4.1 Общие положения

4.2 Измерительные поверхности

4.3 Положения точек измерений на измерительной поверхности в форме прямоугольного параллелепипеда

4.4 Положения точек измерений на большой сферической или полусферической измерительной поверхности

4.5 Положения точек измерений на малой полусфере

5 Метод испытаний

6 Определение уровня звуковой мощности

Приложение А (обязательное) Определение показателя акустических условий К2

Приложение В (справочное) Перечень технических отклонений настоящего стандарта от примененного в нем международного стандарта ИСО 13347-3:2004

Библиография

 

 

МЕЖГОСУДАРСТВЕННЫЙ СТАНДАРТ

Шум машин

ВЕНТИЛЯТОРЫ ПРОМЫШЛЕННЫЕ

Определение уровней звуковой мощности в лабораторных условиях

Часть 3

Метод охватывающей поверхности

Noise of machines. Industrial fans. Determination of sound power levels under laboratory conditions. Part 3. Enveloping surface method

Дата введения - 2008-10-01

1 Область применения

Настоящий стандарт устанавливает метод определения уровней звуковой мощности промышленных вентиляторов по ГОСТ 31353.1-2007 и малых вентиляторов в лабораторных условиях с использованием измерительной (охватывающей) поверхности. Вибрацию вентиляторов не измеряют и не определяют зависимость излучения от нее.

Габаритные размеры вентилятора ограничиваются только возможностями испытательной установки и совместно с его аэродинамическими характеристиками могут обусловливать требования к размерам испытательного помещения и монтажу вентилятора.

Стандарт не применяют для измерений на месте установки вентилятора, так как акустические условия на входе и выходе вентилятора при его эксплуатации отличаются от обеспечиваемых при испытаниях в лаборатории, что может быть источником дополнительных акустических эффектов.

Малые вентиляторы и другие объекты, к которым не применим метод измерительного воздуховода по ГОСТ 31352-2007, могут быть испытаны (но с повышенной неопределенностью результатов измерений) в соответствии с настоящим стандартом путем введения поправок на концевые отражения [см. ГОСТ 31353.1-2007 (приложение С)].

2 Нормативные ссылки

В настоящем стандарте использованы нормативные ссылки на следующие межгосударственные стандарты:

ГОСТ 10921-90 Вентиляторы радиальные и осевые. Методы аэродинамических испытаний

ГОСТ 31275-2002 (ИСО 3744:1994) Шум машин. Определение уровней звуковой мощности источников шума по звуковому давлению. Технический метод в существенно свободном звуковом поле над звукоотражающей плоскостью

ГОСТ 31353.1-2007 (ИСО 13347-1:2004) Шум машин. Вентиляторы промышленные. Определение уровней звуковой мощности в лабораторных условиях. Часть 1. Общая характеристика методов

ГОСТ 31352-2007 (ИСО 5136:2003) Шум машин. Определение уровней звуковой мощности, излучаемой в воздуховод вентиляторами и другими устройствами перемещения воздуха, методом измерительного воздуховода *

Примечание - При пользовании настоящим стандартом целесообразно проверить действие ссылочных стандартов на территории государства по соответствующему указателю стандартов, составленному по состоянию на 1 января текущего года, и по соответствующим информационным указателям, опубликованным в текущем году.

* На территории Российской Федерации действует ГОСТ Р 51401-99.

Если ссылочный стандарт заменен (изменен), то при пользовании настоящим стандартом следует руководствоваться заменяющим (измененным) стандартом. Если ссылочный стандарт отменен без замены, то положение, в котором дана ссылка на него, применяется в части, не затрагивающей эту ссылку.

3 Акустические условия и воздуховоды

3.1 Общие положения

Типы компоновок вентилятора должны соответствовать ГОСТ 31353.1-2007 (раздел 4).

Требования к окружающей среде - по ГОСТ 31275. Испытания можно проводить в помещении и вне его.

Вентиляторы с большим расходом предпочтительно испытывать в большом пространстве, чтобы снизить до минимума влияние турбулентного воздушного потока вентилятора и обеспечить расположение микрофона вне поля высоких скоростей потока.

Испытания вне помещения следует проводить в безветренную погоду, чтобы исключить влияние ветра на аэродинамические и/или шумовые характеристики вентилятора. Рекомендуется, чтобы максимальная скорость ветра не превышала 3 м/с.

Изменение температуры окружающего воздуха и относительной влажности при испытаниях не должно превышать 5%.

При испытаниях по настоящему стандарту показатель акустических условий К2, определяемый в соответствии с приложением А, должен быть не более 2 дБ в любой из третьоктавных полос. На практике это трудно обеспечить, но исследованиями по [1] доказано, что хорошая сходимость результатов измерений шума вентилятора достигается без соблюдения этого требования.

3.2 Испытательная установка

3.2.1 Общие положения

Испытательная установка должна соответствовать требованиям настоящего стандарта и ГОСТ 31353.1-2007 (раздел 6).

Воздуховоды, концевые поглощающие устройства, устройства измерения расхода и управления режимом работы при испытаниях вентиляторов должны соответствовать ГОСТ 31352-2007 и ГОСТ 10921-90, а концевые поглощающие устройства ГОСТ 31353.1-2007.

Режим работы определяют измерениями по ГОСТ 10921-90.

Уровень звукового давления при работе устройств измерения расхода или управления режимом работы вентилятора должен быть не менее чем на 10 дБ ниже уровня звукового давления при работе испытуемого вентилятора.

Если необходим обходной воздуховод для циркуляции воздуха в испытательных помещениях, то в нем устанавливают глушитель. В обходном воздуховоде может быть также установлено дросселирующее устройство для регулирования режима работы вентилятора.

Если возможно, то все дополнительное оборудование, необходимое для испытаний вентилятора, размещают вне зоны испытаний, которая должна быть освобождена от всех объектов, шум которых может быть помехой при измерениях.

Следует обеспечить, чтобы электрические каналы и арматура, трубопроводы или воздуховоды, присоединенные к вентилятору, не создавали существенный шум в зоне испытаний.

3.2.2 Компоновка типа А

Вентилятор устанавливают в отверстии на звукоотражающей стене испытательного помещения так, чтобы положение его входа или выхода (в зависимости от того, где проводят измерения) относительно стены соответствовало установке вентилятора при эксплуатации. Отверстия вентилятора и стены должны быть соосны. Чтобы обеспечить удовлетворительные условия потока, отверстие в стене должно быть больше входа (выхода) вентилятора, по меньшей мере, на толщину стены. Щель закрывают герметизирующей панелью. Должна быть обеспечена возможность измерения и регулирования расхода вентилятора.

Следует исключить вибрацию герметизирующей панели.

Примечание - Реверберация в смежном помещении, в которое выходит отверстие в стене, может привести к повышению уровней звуковой мощности по сравнению с измеренными при свободном звуковом поле в нем.

3.2.3 Компоновка типа В

Вход вентилятора располагают в центре испытательной площадки. Нагнетательный воздуховод должен быть массивным или звукоизолированным с внешней стороны, чтобы исключить прохождение шума через стенки воздуховода в помещение.

Нагнетательный воздуховод включает в себя промежуточный и передающий элементы, если они необходимы, измерительный или оконечный воздуховод и концевое поглощающее устройство [см. ГОСТ 31353.1-2007 (приложение D)].

Шум устройств измерения и регулирования расхода не должен мешать измерениям шума вентилятора.

Примечание - Если не приняты специальные меры, то измеренные уровни звукового давления могут включать в себя шум корпуса вентилятора и приводного электродвигателя (см. ГОСТ 31353.1-2007).

3.2.4 Компоновка типа С

Выход вентилятора располагают в центре испытательной площадки. Всасывающий воздуховод должен быть массивным или звукоизолированным с внешней стороны, чтобы исключить прохождение шума через стенки воздуховода в помещение.

Всасывающий воздуховод включает в себя промежуточный и передающий воздуховоды, если они необходимы, измерительный или оконечный воздуховод и концевое поглощающее устройство [см. ГОСТ 31353.1-2007 (приложение D)].

Шум устройств измерения и регулирования расхода не должен мешать измерениям шума вентилятора.

Примечание - Если не приняты специальные меры, то измеренные уровни звукового давления могут включать в себя шум корпуса вентилятора и приводного электродвигателя (см. ГОСТ 31353.1-2007).

3.2.5 Звуковая мощность корпуса вентилятора при компоновке типа D

Звуковая мощность, излучаемая внешними поверхностями корпуса вентилятора и приводом, может быть определена по настоящему стандарту, если обеспечено минимальное звуковое излучение воздуховодов. Всасывающий и нагнетательный воздуховоды должны иметь концевые поглощающие устройства по ГОСТ 31353.1-2007, чтобы обеспечить коэффициент отражения звукового давления в пределах, указанных в ГОСТ 31353.1-2007 (таблица 4), и соответствовать требованиям 3.2.1 - 3.2.4.

3.2.6 Малые вентиляторы с воздуховодами

Вентиляторы с воздуховодами диаметром менее указанных в ГОСТ 31353.1-2007 (раздел 8) не могут быть испытаны методом измерительного воздуховода.

В этом случае уровень звуковой мощности в воздуховоде может быть рассчитан по уровню звуковой мощности в помещении Lw, дБ, с учетом поправки Е, дБ, на концевое отражение по формуле

LWв воздуховоде = LW + E

(1)

Результат менее точен по сравнению с методом измерительного воздуховода. Поправку на концевое отражение Е определяют по ГОСТ 31353.1-2007 (см. рисунок С. 1).

3.3 Вытяжные вентиляторы

Вытяжные вентиляторы испытывают в существенно свободном звуковом поле. Если невозможно установить устройство управления положением заслонки в воздуховоде под действием силы тяжести, то заслонку устанавливают в соответствующее положение при монтаже вентилятора. Вентилятор, насколько возможно, устанавливают, как при нормальном применении. Диаметр отверстия в стене испытательного помещения должен быть таким же, как рекомендуется при установке вентилятора на месте эксплуатации. При монтаже вентилятора для испытаний не устанавливают воздуховод, соединяющий вентилятор с отверстием в стене испытательного помещения, но могут быть применены дополнительные устройства (фитинги) для возможно более точного моделирования способа монтажа, указанного изготовителем.

3.4 Шум привода и трансмиссии

Если вентилятор, его вход и выход находятся в одном испытательном пространстве, то шум представляет собой совокупность аэродинамического шума, шума привода и трансмиссии. Если привод является частью вентилятора, то шум привода считают частью общего шума вентилятора. Если вентилятор поставляют без привода и трансмиссии, то их шум оценивают при измерениях со снятым колесом (крыльчаткой) вентилятора, заменяя его равной и уравновешенной массой. Если уровень шума при снятой крыльчатке не менее чем на 10 дБ ниже уровня шума в любой октавной полосе при работе собранного вентилятора, то шумом привода и трансмиссии можно пренебречь. Для разности от 6 до 10 дБ делают коррекцию на фоновый шум по ГОСТ 31275. Но могут быть приняты меры для уменьшения шума от этих источников. Если привод (мотор) и трансмиссию считают существенными источниками шума, то это указывают в протоколе испытаний.

4 Определение измерительной поверхности

4.1 Общие положения

В настоящем стандарте рассматриваются различные методы определения положений микрофонов при измерении шума вентилятора. Измерительной поверхностью, на которой располагают микрофоны, является воображаемая поверхность, охватывающая отдельный или все источники шума и заканчивающаяся на звукоотражающей плоскости (при ее наличии).

4.2 Измерительные поверхности

Могут применяться указанные в 4.2.1 - 4.2.4 измерительные поверхности.

4.2.1 Поверхность в форме прямоугольного параллелепипеда, охватывающая источник шума (см. рисунок 1). Параметры такой поверхности можно легко и точно измерить. Она может включать в себя часть корпуса источника шума, что должно быть указано. Направленность источника при использовании этой поверхности определить затруднительно.

4.2.2 Сфера или полусфера над звукоотражающей плоскостью (см. рисунки 2, 3 и 4). Для удобства выполнения измерений на этой поверхности применяют вращающееся координатное устройство позиционирования микрофона. Направленность источника определяют по графику (круговой диаграмме) уровней звукового давления в точках измерений.

4.2.3 Полусфера малого радиуса, центр которой расположен в точке пересечения оси симметрии входа и плоскости, перпендикулярной к этой оси (см. рисунок 5). Поверхность применяют, если измерения проводят в ограниченном пространстве, но обычно она предназначена для измерения шума на свободном входе вентилятора с выходом в воздуховод (компоновка типа В). Для применения метода сравнения необходим образцовый источник шума.

4.2.4 В качестве измерительной поверхности при определении уровней звуковой мощности, излучаемой отверстиями всасывающего и нагнетательного воздуховодов, целесообразно принять полусферу, центр которой расположен в центре выходного отверстия соответствующего воздуховода.

4.3 Положения точек измерений на измерительной поверхности в форме прямоугольного параллелепипеда

Измерительную поверхность строят вокруг воображаемой поверхности в форме прямоугольного параллелепипеда (далее-огибающий параллелепипед), которая должна охватывать вентилятор, исключая части, не излучающие существенную звуковую энергию.

Для определения уровня звуковой мощности LW(B, in+ cas) или LW(B, out) огибающий параллелепипед строят таким образом, чтобы он включал в себя часть пространства у отверстия, а в случае выходного отверстия - часть выходящего потока и опирался, если требуется, на звукоотражающую(ие) плоскость(и). Размеры огибающего параллелепипеда зависят от характеристического размера источника шума D0 и высоты центра отверстия воздуховода над полом или над другой звукоотражающей плоскостью h (см. рисунок 1).

Точки измерений должны лежать на измерительной поверхности, охватывающей испытуемый объект или огибающий параллелепипед на измерительном расстоянии Dr и опирающейся на звукоотражающие ограждающие поверхности (например, пол или другую звукоотражающую плоскость).

Примечания

1 Если имеется одна звукоотражающая плоскость (например, при измерениях вне помещения), на которой располагают вентилятор и к которой он прикреплен или на которой расположено входное или выходное отверстие вентилятора, то в качестве альтернативы можно использовать полусферическую измерительную поверхность по 3.3 (например, для настольных или потолочных вентиляторов). Полусферическую измерительную поверхность используют, если определяют направленность излучения вентилятора и если скорость ветра не превосходит 5 м/с.

2 В таблице 1 приведена другая необходимая информация для определения положения микрофонов.

1 - пол или стена; S - площадь измерительной поверхности, м2: S = 54Dr2 - SH;

- 12 точек измерений;

X - дополнительная точка для измерений у входного отверстия;

О - дополнительные точки для измерений у выходного отверстия, расположенные на диагонали, как показано на рисунке, на расстоянии Dr от оси потока

а) Излучение из воздуховода при большом расстоянии от пола или стены (h 4,5 Dr)

1 - пол или стена; 2 - звукоотражающая плоскость; S - площадь измерительной поверхности, м2: S = 33Dr2,

- 12 точек измерений;

X - дополнительная точка для измерений у входного отверстия;

О - дополнительные точки для измерений у выходного отверстия, расположенные на диагонали, как показано на рисунке, на расстоянии Dr от оси потока

b) Излучение из отверстия в стене при большом расстоянии от пола или стены (h 4,5 Dr)

1 - звукоотражающий пол или стена; 2 - звукоотражающая плоскость; S - площадь измерительной поверхности, м2: S = 6Dr2 + 7Dr(h + 1,5Dr),

-10 точек измерений;

X - дополнительная точка для измерений у входного отверстия;

O - дополнительные точки для измерений у выходного отверстия, расположенные на диагонали, как показано на рисунке

с) Излучение из отверстия в стене при 1,5Dr < h < 4,5Dr

1 - звукоотражающий пол или стена; S - площадь измерительной поверхности, м2: S = 9Dr2 + 12Dr(h + 1,5Dr) - SH,

- 15 точек измерений;

X - дополнительная точка для измерений у входного отверстия;

O - дополнительные точки для измерений у выходного отверстия, расположенные на диагонали, как показано на рисунке

d) Излучение из воздуховода при 1,5 Dг<h<4,5 Dг

Рисунок 1 - Положения точек измерений на измерительной поверхности в форме прямоугольного параллелепипеда, лист 1

1 - звукоотражающий пол или стена; S - площадь измерительной поверхности, м2: S = 9Dr2 + 12Dr(h + 1,5Dr)- SH;

- 7 точек измерений;

X - дополнительная точка для вентиляторов с входным отверстием;

О - дополнительные точки для вентиляторов с выходным отверстием, расположенные на диагонали, как показано на рисунке

е) Излучение из воздуховода при h 1,5Dr

1 - звукоотражающий пол или стена; 2 - звукоотражающая плоскость; S - площадь измерительной поверхности, м2: S = 6Dr2 + 7Dr(h + 1,5 Dr);

- 5 точек измерений;

X - дополнительная точка для вентиляторов с входным отверстием;

О - дополнительные точки для вентиляторов с выходным отверстием, расположенные на диагонали, как показано на рисунке

f) Излучение из отверстия в стене при

Рисунок 1 - Положения точек измерений на измерительной поверхности в форме прямоугольного параллелепипеда, лист 2

Обозначения параметров на рисунке 1 приведены в таблице 1.

Таблица 1 - Обозначения параметров на рисунке 1

Обозначение

Параметр

D0

Характеристический размер источника шума (наибольший размер круглого или прямоугольного отверстия), м

Dr

Измерительное расстояние, м

h

Высота центра отверстия над полом или другой звукоотражающей плоскостью, м

l1, l2, l3

Размеры огибающего параллелепипеда, м

S

Площадь измерительной поверхности, м2

SH

Площадь поперечного сечения вентилятора в плоскости измерительной поверхности, определенная приблизительно [показана для осевых вентиляторов на рисунке 1 для а), с) и е)], м2

Ss

Площадь части измерительной поверхности, пересекаемой выходным потоком (для вентиляторов с выходным отверстием), м2

Должны выполняться следующие условия:

Положение точек измерений должно быть следующим:

a) для определения общих уровней звуковой мощности LW(A, tot), корпуса вентилятора и звуковой мощности свободного входа LW(B, in +cas), корпуса вентилятора и свободного выхода Lw(С, out + cas) измерительная поверхность и размещение точек измерений приведены на рисунке 1. Измерительное расстояние должно быть 1 м, если наибольшее размер D0 входного или выходного отверстия не превосходит 1 м. В противном случае измерительное расстояние Dr должно быть равным D0 (см. примечание). Вблизи выходного отверстия точки измерений располагают так, чтобы воздушный поток не оказывал влияния на микрофон (как показано на рисунке 1 для вентиляторов с выходным отверстием). Как дополнительная предосторожность, рекомендуется применять губчатый ветровой экран для микрофона;

b) при определении уровня звуковой мощности LW(D, cas) предпочтительным считают измерительное расстояние 1 м;

c) при определении уровня звуковой мощности на свободном входе Lw (В, in) или на свободном выходе Lw(С, out) измерительная поверхность и расположение точек измерений показаны на рисунке 1. В этом случае Dr и размещение точек измерений зависят от D0 и h.

Примечание - При таком размещении точек измерений часть измерительной поверхности SS пересекаемая выходным потоком вентилятора, составляет менее 10 % площади измерительной поверхности S.

Применение губчатого ветрового экрана рекомендуется для микрофона вблизи выходящего потока. Антитурбулентный экран не применяют.

4.4 Положения точек измерений на большой сферической или полусферической измерительной поверхности

Микрофоны находятся на воображаемой поверхности, полностью охватывающей источник шума, или охватывающей источник и опирающейся на звукоотражающую плоскость (при ее наличии).

Если измерительная поверхность сферическая, то ее центр находится в геометрическом центре плоскости входа(выхода) вентилятора или окончания воздуховода (для малых вентиляторов с воздуховодами).

Если измерительная поверхность полусферическая, то ее центр находится в центре проекции входа или выхода вентилятора на звукоотражающую плоскость для компоновок типов В и С соответственно. Для компоновки типа А вход (выход) вентилятора должен находиться в центре полусферы. Для малых вентиляторов с воздуховодами центр полусферы находится в центре проекции окончания воздуховода на звукоотражающую плоскость.

Радиус измерительной поверхности должен быть достаточно большим, чтобы точки измерений находились вне ближнего звукового поля вентилятора. Границы ближнего звукового поля приблизительно определяются характеристическим размером D0, который зависит от размеров вентилятора и его расположения.

Примечание - Максимальный радиус измерительной поверхности может быть ограничен значением показателя акустических условий К2 на ней, который должен быть не более 2 дБ, или уровнем фонового шума. С увеличением радиуса негативное влияние фонового шума на результаты измерений возрастает и может стать недопустимым.

4.4.1 Полусферическая измерительная поверхности (компоновка типа А)

Полусферическая измерительная поверхность радиуса r должна иметь центр с координатами х = 0, у = 0, z = 0 и 3de < r.

Радиус измерительной поверхности должен быть равен по меньшей мере трем эквивалентным диаметрам de, но быть не менее 1 м. Для компоновки типа A D0 = de.

4.4.2 Характеристический размер вентилятора D0 (компоновки типов В, С и D)

Если диаметр входа или выхода вентилятора или эквивалентный диаметр равны dе, то вентилятор должен быть установлен так, чтобы расстояние h от звукоотражающей плоскости до оси входа(выхода) вентилятора было не менее de.

Примечание - Для малых вентиляторов с воздуховодами de является диаметром воздуховода.

Если вентилятор установлен на расстоянии менее de от звукоотражающей плоскости, то это должно быть указано в протоколе испытаний.

Характеристический размер D0, м, рассчитывают по формулам: для круглого входа(выхода) вентилятора:

D0 = h + (de/2);

для прямоугольного входа(выхода):

D0 = h + (b1/2)

или

D0 = /7 + (b2/2),

где b1 - наибольший размер прямоугольного входа, м;

b2 - наибольший размер прямоугольного выхода, м.

(формулу выбирают в зависимости от того, какое значение больше),

4.4.3 Полусферическая или сферическая измерительная поверхность (компоновки типов В, C и D)

Измерительная поверхность должна иметь радиус r с координатами центра х = 0, у = 0, z = 0.

Радиус r должен быть больше одного из двух значений: 2D0 < r или 4h < r, но не менее 1 м.

4.4.4 Координаты точек измерений

4.4.4.1 Полусферическая измерительная поверхность

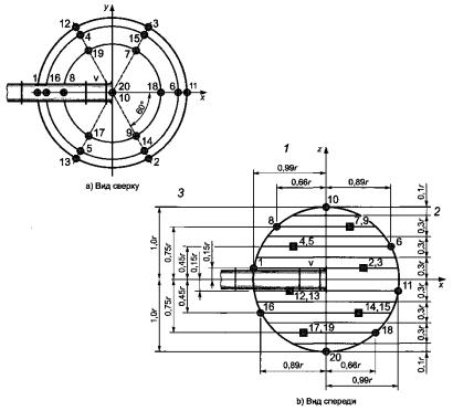
Для компоновки типа А десять точек измерений распределяют по поверхности полусферы. Оси декартовых координат должны быть направлены так, чтобы свободный вход или выход были расположены по положительному направлению оси х, а ось z - перпендикулярна к звукоотражающей плоскости.

Точки измерений приведены на рисунке 2, а их координаты указаны в таблице 2

1 - звукоотражающая плоскость; 2 - радиус полусферы r; - точка измерений (положение микрофона); v - положение вентилятора

Рисунок 2 - Точки измерений на полусфере при компоновке типа А (см. таблицу 2)

Таблица 2 - Координаты точек измерений на полусферической измерительной поверхности для компоновки вентилятора типа А и соответствующие им площади сегментов измерительной поверхности

Номер точки i

Координата по оси х х/r

Координата по оси у у/r

Координата по оси z z/r

Площадь сегмента поверхности

1

0,16

-0,96

0,22

0,2πr2

2

0,78

-0,60

0,20

0,2 πr2

3

0,78

0,55

0,31

0,2 πr2

4

0,16

0,90

0,41

0,2 πr2

5

-0,83

0,32

0,45

0,2 πr2

6

-0,83

-0,40

0,38

0,2 πr2

7

-0,26

-0,65

0,71

0,2 πr2

8

0,74

-0,07

0,67

0,2 πr2

9

-0,26

0,50

0,83

0,2 πr2

10

0,10

0,10

0,99

0,2 πr2

Примечание - г-радиус полусферы.

При компоновке типов В и С 13 точек измерений распределяют на полусфере. Оси декартовых координат должны быть направлены так, чтобы свободный вход или выход были ориентированы по положительному направлению оси х, а ось z- перпендикулярна к звукоотражающей плоскости.

Точки измерений приведены на рисунке 3, а их координаты указаны в таблице 3.

1 - звукоотражающая плоскость

 - положение вентилятора,

 - воздуховод;

 - точка измерений (положение микрофона)

 - сдвоенные точки

 - границы сегментов, соответствующие точке измерений

X - точки измерений, которым соответствует удвоенная площадь сегмента

Рисунок 3 - Точки измерений на полусфере при компоновке типов В и С (см. таблицу 3)

Таблица 3 - Координаты точек измерений на полусферической измерительной поверхности при компоновке типов В и С и соответствующие им площади сегментов измерительной поверхности

Номер точки i

Координата по оси х х/r

Координата по оси у у/r

Координата по оси z z/r

Площадь сегмента поверхности Si

1

-0,90

0,37

0,24

0,235 πr2

2

-0,90

-0,37

0,24

0,235 πr2

3

0,19

0,95

0,24

0,1187 πr2

4

0,19

-0,95

0,24

0,118 πr2

5

0,81

0,54

0,24

0,118 πr2

6

0,81

-0,54

0,24

0,118 πr2

7

-0,27

0,65

0,71

0,235 πr2

8

-0,27

-0,65

0,71

0,235 πr2

9

0,39

0,59

0,71

0,118 πr2

10

0,39

-0,59

0,71

0,118 πr2

11

0,69

0,14

0,71

0,118 πr2

12

0,69

-0,14

0,71

0,118 πr2

13

0,00

0,00

1,00

0,118 πr2

Примечание - r - радиус полусферы

4.4.4.2 Сферическая измерительная поверхность

20 точек измерений распределяют по сферической поверхности. Оси декартовых координат должны быть направлены так, чтобы свободный вход или выход были ориентированы по положительному направлению оси х, а ось z - была вертикальна.

Точки измерений приведены на рисунке 4, а их координаты указаны в таблице 4.

1 - горизонтальные расстояния от оси z до микрофона; 2 - вертикальный размер соответствующих сегментов сферы; 3 - высоты точек измерения; r - радиус сферы;

 - положение вентилятора,

 - воздуховод;

 - точка измерений (положение микрофона)

 - сдвоенные точки

 - границы сегментов, соответствующие точке измерений

Рисунок 4 - Точки измерений на сфере (см. таблицу 4)

Таблица 4 - Координаты точек измерений на сферической измерительной поверхности и соответствующие им площади сегментов измерительной поверхности

Номер точки i

Координата по оси х х/r

Координата по оси у у/r

Координата по оси z z/r

Площадь сегмента поверхности Si

1

-0,99

0,00

0,15

0,2 πr2

2

0,50

- 0,86

0,15

0,2 πr2

3

0,50

0,86

0,15

0,2 πr2

4

-0,45

0,77

0,45

0,2 πr2

5

-0,45

-0,77

0,45

0,2 πr2

6

0,89

0,00

0,45

0,2 πr2

7

0,33

0,57

0,75

0,2 πr2

8

-0,66

0,00

0,75

0,2 πr2

9

0,33

-0,57

0,75

0,2 πr2

10

0,00

0,00

1,0

0,2 πr2

11

0,99

0,00

-0,15

0,2 πr2

12

-0,50

0,86

-0.15

0,2 πr2

13

-0,50

-0,86

-0.15

0,2 πr2

14

0,45

-0,77

-0.45

0,2 πr2

15

0,45

0,77

-0.45

0,2 πr2

16

-0,89

0,00

-0.45

0,2 πr2

17

-0,33

-0,57

-0.75

0,2 πr2

18

0,66

0,00

-0.75

0,2 πr2

19

-0,33

0,57

-0.75

0,2 πr2

20

0,00

0,00

-1.0

0,2 πr2

Примечание - r - радиус сферы.

4.5 Положения точек измерений на малой полусфере

Для каждого входа испытуемого вентилятора задают измерительную поверхность. Если имеется несколько входов, то измерительные поверхности не должны перекрываться. Кроме того, они должны быть таковы, чтобы измерения в любой точке на поверхности, соответствующей входу, не влияли отрицательно на излучаемую другим входом или выходами звуковую мощность.

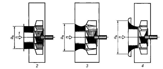
Измерительная поверхность является полусферой, центр которой расположен на пересечении оси симметрии каждого входа и плоскости, перпендикулярной к этой оси. Полусфера расположена выше по течению потока относительно входа (см. рисунки 5 и 6).

Радиус полусферы r, м, рассчитывают по формуле

r = 1 +0,5DN,

где DN - номинальный диаметр входа вентилятора в звукоотражающей плоскости, м. (см. рисунки 5 и 6).

Площадь измерительной поверхности S = 2πr2, м2.

Координаты точек измерений указаны в таблице 5.

1 - звукоотражающая плоскость

Рисунок 5 - Координаты точек измерений (см. таблицу 5)

Таблица 5 - Координаты точек измерений

Номер точки i

Угол полуконуса

X

У

z

6

80°

0,174r

0,985r

0,000

1

- 0,985r

5

60°

0,500r

0,866r

0,000

2

- 0,866r

3

33°

0,839r

0,545r

0,000

4

- 0,545r

7

80°

0,174r

0,000

0,985r

8

60°

0,500r

0,000

0,866r

9

33°

0,838r

0,000

- 0,545r

1 - направление воздушного потока; 2 - цилиндрический вход; 3 - конический вход; 4 - раструбный вход

Рисунок 6 - Номинальный диаметр входа вентилятора в звукоотражающей плоскости DN для различных конструкций вентилятора

Точки измерений распределены вдоль линий с углом полуконуса 33°, 60°, 80° (три эквивалентные зоны).

Измерения выполняют в шести точках:

- в точках 1, 2 и 4 или 2, 5 и 6 в горизонтальной плоскости, в зависимости от того, что удобнее;

- в точках 7, 8 и 9 в вертикальной плоскости.

5 Метод испытаний

Во время испытаний периодически измеряют температуру и давление окружающей среды.

Частоту вращения (с точностью до 1 %) и расход определяют и поддерживают постоянными для любой точки рабочей характеристики. Частота вращения вентилятора не должна отличаться от заданной более чем на 5 %, чтобы снизить до минимума изменение уровня звуковой мощности, если применяют преобразование результатов испытаний по закону подобия. Если работа вентилятора невозможна с указанной точностью частоты вращения, то проводят испытания на испытательной частоте вращения и пересчитывают результаты на заданную или номинальную частоту вращения.

Для построения графика уровней звуковой мощности в зависимости от расхода испытания проводят на разных режимах работы вентилятора.

Измерение расхода предпочтительно методом определения рабочей точки на характеристике вентилятора. Расход в рабочей точке иногда определяют косвенным образом по статическому или полному давлению вентилятора. Давление определяют по ГОСТ 10921-90. Допускается неопределенность определения рабочей точки при измерении уровня шума вентилятора 5 % при 95% -ном уровне доверия.

Для выбора рабочей точки на характеристике вентилятора используют дросселирующее устройство. Уровень звукового давления, генерируемого дросселирующим устройством и средствами измерения расхода, в любой точке измерительной поверхности должен быть по меньшей мере на 10 дБ ниже измеренного уровня шума испытуемого вентилятора. Чтобы обеспечить этот критерий, концевое поглощающее устройство должно быть эффективным во всех третьоктавных полосах диапазона частот измерений.

6 Определение уровня звуковой мощности

6.1.1 Расчет уровня звукового давления на поверхности

Для измерительной поверхности в форме прямоугольного параллелепипеда или малой полусферы (см. рисунки 1 - 5) уровень звукового давления на поверхности Lp ,дБ, рассчитывают по формуле

(2)

где LPi - уровень звукового давления в полосе частот (октавной или третьоктавной) в i-й точке при работе вентилятора, дБ; А/ - число точек измерений.

Для больших сфер или полусфер (см. рисунки 2, 3 и 4) уровень звукового давления на поверхности Lp рассчитывают по формуле

(3)

где Si - площадь сегмента измерительной поверхности, соответствующего i-й точке измерений (см. таблицы 2, 3 и 4), м2;

S - площадь измерительной поверхности, м2.

6.1.2 Расчет уровня звуковой мощности

Уровень звуковой мощности Lw, дБ, в каждой полосе частот диапазона измерений рассчитывают по формуле

(4)

где Lp - уровень звукового давления на поверхности, определенный по 6.1.1, дБ;

K1 - коррекция на фоновый шум по ГОСТ 31275, дБ;

К2 - показатель акустических условий, определенный по ГОСТ 31275, дБ.

Примечания

1 К2 может быть получен для малой полусферы (см. 4.5) установкой образцового источника шума по оси вентилятора на звукоотражающую плоскость (см. приложение А).

2 Корректированный по характеристике А уровень звуковой мощности по результатам измерений в третьоктавных полосах определяют по ГОСТ 31353.1-2007 (подраздел 11.3).

Приложение А
(обязательное)
Определение показателя акустических условий К2

Показатель акустических условий К2 определяют по ГОСТ 31275.

Если используют абсолютный метод сравнения, то положение образцового источника шума в зависимости от формы измерительной поверхности должно соответствовать А.1, А.2 или А.3.

А.1 Измерительная поверхность в форме прямоугольного параллелепипеда

Образцовый источник шума устанавливают на пол или на звукоотражающую плоскость в центре измерительной поверхности.

А.2 Большая полусферическая или сферическая измерительная поверхность

Образцовый источник шума устанавливают в центре измерительной поверхности.

А.3 Малая полусфера

Используют ту же полусферическую измерительную поверхность радиуса r, что применяется для определения уровней звукового давления (см. рисунок А.1). Вертикальный звукоотражающий экран устанавливают перед входом вентилятора, а образцовый источник шума вблизи оси вентилятора. Размеры экрана должны превосходить радиус измерительной поверхности более чем на 0,5 м (исключая меньшую сторону, опирающуюся на пол). Микрофоны на полусфере вокруг образцового источника шума устанавливают по рисунку А.1.

1 - звукоотражающий экран: 2- измерительная поверхность; 3 - пол

Рисунок А.1 - Определение показателя акустических условий К2

Приложение В
(справочное)
Перечень технических отклонений настоящего стандарта от примененного в нем международного стандарта ИСО 13347-3:2004

Таблица В.1

Раздел, подраздел, пункт, таблица, приложение

Модификация

Раздел 1

Раздел сокращен и имеет редакционные изменения. Текст в оригинале имеет следующую редакцию.

«1 Область применения

Настоящая часть ИСО 13347 распространяется на промышленные вентиляторы, как они определены по ИСО 5801 и ИСО 13349. Она ограничивается определением воздушного звукового излучения в определенных испытательных установках. Вибрацию не измеряют, но определяют чувствительность звукового излучения к вибрации.

Размеры вентилятора, который может быть испытан по настоящей части ИСО 13347, ограничиваются только практическими аспектами испытательной установки. Ограничения по размерам, размеры испытуемого вентилятора и аэродинамические характеристики могут влиять на размеры помещения, мощность и требования к монтажу испытуемого вентилятора. Малые вентиляторы могут испытываться по настоящей части ИСО 13347 или по ИСО 10302, как обычно.

Испытательная установка по настоящему стандарту обеспечивает лабораторные условия, необходимые для успешных испытаний. Редко когда оказывается возможным обеспечить эти требования на месте эксплуатации, поэтому настоящая часть не предназначена для полевых измерений. Возможные потребители предупреждаются, что в этих ситуациях могут иметь место сильные дополнительные акустические эффекты в силу того, что условия на входе и выходе вентилятора не идеальны.

Методы охватывающей поверхности могут быть применены для определения уровня звуковой мощности вентиляторов с свободным входом и/или выходом при стандартной установке по типам, указанным в 3.1.

Оценки (с повышенной неопределенностью) звуковой мощности в трубах слишком малых вентиляторов или других объектов, неудобных для испытаний методом испытательной трубы по ИСО 5136, также могут быть получены с прибавлением концевых поправок (см. приложение С ИСО 13347-1:2004)»

2 Нормативные ссылки

Ссылка на ИСО 5801:1997 «Промышленные вентиляторы. Испытания для определения характеристик в стандартных воздуховодах» заменена ссылкой на ГОСТ 10921-901) «Вентиляторы радиальные и осевые. Методы аэродинамических испытаний».

Ссылка на ИСО 3744:1994 «Акустика. Определение уровней звуковой мощности источников шума по звуковому давлению. Технический метод в существенно свободном звуковом поле над звукоотражающей плоскостью» заменена ссылкой на ГОСТ 31275 - 20022) «Шум машин. Определение уровней звуковой мощности источников шума по звуковому давлению. Технический метод в существенно свободном звуковом поле над звукоотражающей плоскостью».

Ссылка на ИСО 13347-1:2004 «Промышленные вентиляторы. Определение уровней звуковой мощности в стандартных лабораторных условиях. Часть 1. Общий обзор» заменена ссылкой на ГОСТ 31353.1-2007 (ИСО 13347-1:2004) 2

Шум машин. Вентиляторы промышленные. Определение уровней звуковой мощности в лабораторных условиях. Часть 1. Общая характеристика методов».

Ссылка на ИСО 5136:2003 «Акустика. Определение звуковой мощности, излучаемой в воздуховод вентиляторами и другими воздухоперемещающими устройствами. Метод испытательной трубы» заменена ссылкой на ГОСТ 31352-2007 (ИСО 5136:2003) 2) «Шум машин. Определение уровней звуковой мощности, излучаемой в воздуховод вентиляторами и другими устройствами перемещения воздуха, методом измерительного воздуховода».

Ссылки на ИСО 10302, ИСО 13349 исключены без замены

3.1

Исключен первый абзац, имеющий редакцию:

«Согласно ИСО 5801 установлены четыре категории компоновки вентилятора:

-тип А: свободный вход, свободный выход;

- тип В: свободный вход, выход в воздуховод;

- тип С: канальный вход, выход в воздуховод;

- тип D: канальный вход, выход в воздуховод (шум корпуса, проникающий во
входной
и выходной воздуховоды, также может быть определен для типа D)».

Абзац исключен, так как дублирует классификацию, установленную в ссылочном ГОСТ 31353.1-2007

3.2.1

Изменен третий абзац, имеющий следующую редакцию: «Применяемый режим работы должен быть установлен по измерениям объемного расхода и давления вентилятора по ИСО 5801»

4.4.1

Обозначение De заменено на с/е в соответствии с обозначениями величин по ГОСТ 31353.1-2007 (таблица 2)

Раздел 5

В четвертом абзаце после ссылки на ГОСТ 10921-90 исключена часть фразы, имеющая редакцию: «... требования которого иногда могут не удовлетворять акустическим требованиям».

Исключен последний абзац, имеющий редакцию:

«Управление для примера может быть объединено с устройством для измерения расхода путем использования диафрагмы на выходе по ИСО 5801:1997 (рисунок 23). В случае вентиляторов с компоновкой типов А и С устройство измерения расхода (конусное сопло или трубка Вентури) может быть установлено на выходе концевого поглощающего устройства [см. ИСО 5801:1977 (рисунок 17)]»

1) Степень соответствия - NEQ.

2) Степень соответствия - MOD.

Библиография

[1] GRAY, A. J. Intercomparison of Open-inlet/Open-outlet Noise Measurement on Fans - Part 3, Intercomparison Synthesis Report for Community Bureau of reference, June 1994

Ключевые слова: шум машин, промышленные вентиляторы, тип компоновки вентилятора, измерительная поверхность, точки измерений, рабочая точка, частота вращения, образцовый источник шума, показатель акустических условий, уровень звуковой мощности

 




Яндекс цитирования