//
ТехЛит.ру
- крупнейшая бесплатная электронная интернет библиотека для "технически умных" людей.
WWW.TEHLIT.RU - ТЕХНИЧЕСКАЯ ЛИТЕРАТУРА

:: Алготрейдинг::


АЛГОТРЕЙДИНГ
шаг за шагом
с нуля по урокам!

Торговые роботы на PYTHON, BackTrader,
Pandas, Pine Script для TradingView. Связка с брокерами, телеграм и легкими приложениями.


МЕЖГОСУДАРСТВЕННЫЙ СОВЕТ ПО СТАНДАРТИЗАЦИИ, МЕТРОЛОГИИ И СЕРТИФИКАЦИИ
(МГС)

INTERSTATE COUNCIL FOR STANDARDIZATION, METROLOGY AND CERTIFICATION
(ISC)

межгосударственный

стандарт

ГОСТ

31356-

2007

СМЕСИ СУХИЕ СТРОИТЕЛЬНЫЕ НА ЦЕМЕНТНОМ ВЯЖУЩЕМ

Методы испытаний

Межгосударственная научно-техническая комиссия
по стандартизации, техническому нормированию
и сертификации в строительстве
(
МНТКС)
2008

Предисловие

Цели, основные принципы и основной порядок проведения работ по межгосударственной стандартизации установлены ГОСТ 1.0-92 «Межгосударственная система стандартизации. Основные положения» и МСН 1.01-01-96 «Система межгосударственных нормативных документов в строительстве. Основные положения»

Сведения о стандарте

1 РАЗРАБОТАН Государственным образовательным учреждением высшего профессионального образования «Санкт-Петербургский государственный архитектурно-строительный университет» (СПбГАСУ) при участии фирмы «Максит», компании «ВакерХеми Рус» (технический центр), АНО «Стандартинжинвест», ГОУ ДПО ГАСИС

2 ВНЕСЕН Техническим комитетом по стандартизации ТК 465 «Строительство»

3 ПРИНЯТ Межгосударственной научно-технической комиссией по стандартизации, техническому нормированию и сертификации в строительстве (МНТКС) (протокол 32 от 21 ноября 2007 г.)

За принятие проголосовали:

Краткое наименование страны по MK (ИСО 3166) 004-97

Код страны по MK (ИСО 3166) 004-97

Сокращенное наименование органа государственного управления строительством

Азербайджан

AZ

Госстрой

Армения

AM

Министерство градостроительства

Киргизия

KG

Государственное агентство по строительству и архитектуре при Правительстве

Молдова

MD

Агентство строительства и развития территорий

Россия

RU

Департамент регулирования градостроительной деятельности Министерства регионального развития

Узбекистан

UZ

Госархитектстрой

Таджикистан

TJ

Агентство по строительству и архитектуре при Правительстве

4 Настоящий стандарт соответствует европейским стандартам ЕН 1323:1996 «Материалы для укладки плитки. Бетонная плита для испытаний» (EN 1323:1996 «Materials used for tile laying. Concrete slab for testing»); EH 1015-2:1998 «Методы испытаний кладочных растворов. Ч. 2. Объемная заготовка образцов растворов и подготовка растворов для испытаний» (EN 1015-2:1998 «Test methods for masonry mortars. Part 2: Batch by volume for mortar samples and mortar preparation for testing»); EH 1015-12:2000 «Методы испытаний кладочных растворов. 4.12. Определение прочности сцепления затвердевшего раствора с основанием» (EN 1015-12:2000 «Test methods for masonry mortars. Part 12: Bond strength of hardened mortar to base»); EH 1015-18:2002 «Методы испытаний кладочных растворов. Ч. 18. Определение коэффициента впитывания влаги затвердевшим раствором вследствие капиллярного воздействия» (EN 1015-18:2002 «Test methods for masonry mortars. Part 18: Determination of moisture absorptivity due to capillary attack by hardened mortar») в части методов определения подвижности, водопоглощения при капиллярном подсосе, прочности сцепления с основанием (адгезии) и морозостойкости контактной зоны

5 ВВЕДЕН В ДЕЙСТВИЕ Приказом Федерального агентства по техническому регулированию и метрологии от 27 марта 2008 г. 63-ст в качестве национального стандарта Российской Федерации с 1 января 2009 г.

6 ВВЕДЕН ВПЕРВЫЕ

Информация о введении в действие (прекращении действия) настоящего стандарта и изменений к нему на территории указанных выше государств публикуется в указателях национальных (государственных) стандартов, издаваемых в этих государствах.

Информация об изменениях к настоящему стандарту публикуется в указателе (каталоге) «Межгосударственные стандарты», а текст изменений - в информационных указателях «Межгосударственные стандарты». В случае пересмотра или отмены настоящего стандарта соответствующая информация будет опубликована в информационном указателе «Межгосударственные стандарты»

Содержание

1 Область применения

2 Нормативные ссылки

3 Общие положения

4 Определение подвижности по расплыву кольца

5 Определение водопоглощения при капиллярном подсосе

6 Определение прочности сцепления (адгезии) раствора (бетона) с основанием

7 Определение морозостойкости растворных и дисперсных смесей

8 Определение морозостойкости контактной зоны

Приложение А (обязательное) Форма журнала ускоренного определения морозостойкости раствора дилатометрическим методом

МЕЖГОСУДАРСТВЕННЫЙ СТАНДАРТ

СМЕСИ СУХИЕ СТРОИТЕЛЬНЫЕ НА ЦЕМЕНТНОМ ВЯЖУЩЕМ

Методы испытаний

Dry building cement binder mixes. Test methods

Дата введения - 2009-01-01

1 Область применения

Настоящий стандарт распространяется на сухие строительные смеси (далее - сухие смеси), изготавливаемые на цементном вяжущем на основе портландцементного клинкера или на смешанных (сложных) вяжущих на его основе, на глиноземистом цементе, содержащие полимерные добавки в количестве, не превышающем 5,0 % массы смеси, применяемые при строительстве, реконструкции и ремонте зданий и сооружений, и устанавливает методы определения следующих показателей свойств растворных (бетонных) смесей, готовых к применению, и затвердевших растворов (бетонов):

- подвижность по расплыву кольца;

- водопоглощение при капиллярном подсосе;

- прочность сцепления (адгезию) растворов (бетонов) с основанием;

- морозостойкость растворных и дисперсных смесей;

- морозостойкость контактной зоны.

Методы определения показателей свойств сухих смесей приведены в ГОСТ 31357.

Методы испытания сухих смесей, предназначенных для применения в конкретных условиях, устанавливают в нормативных или технических документах на эти смеси.

Настоящий стандарт не распространяется на смеси, изготовленные на специальных, гипсовых и полимерных вяжущих, а также на биоцидные и санирующие смеси.

Примечание - Термин «сложные вяжущие» применяют до пересмотра ГОСТ 31189.

2 Нормативные ссылки

В настоящем стандарте использованы нормативные ссылки на следующие межгосударственные стандарты:

ГОСТ 8.568-97 Государственная система обеспечения единства измерений. Аттестация испытательного оборудования. Основные положения

ГОСТ 166-89 Штангенциркули. Технические условия

ГОСТ 310.4-81 Цементы. Методы определения предела прочности при изгибе и сжатии

ГОСТ 427-75 Линейки измерительные металлические. Технические условия

ГОСТ 1770-74 Посуда мерная лабораторная стеклянная. Цилиндры, мензурки, колбы, пробирки. Общие технические условия

ГОСТ 5802-86 Растворы строительные. Методы испытаний

ГОСТ 7473-94 Смеси бетонные. Технические условия

ГОСТ 8267-93 Щебень и гравий из плотных горных пород для строительных работ. Технические условия

ГОСТ 8736-93 Песок для строительных работ. Технические условия

ГОСТ 10060.0-95 Бетоны. Методы определения морозостойкости. Общие требования

ГОСТ 10060.1-95 Бетоны. Базовый метод определения морозостойкости

ГОСТ 10060.3-95 Бетоны. Дилатометрический метод ускоренного определения морозостойкости

ГОСТ 10178-85 Портландцемент и шлакопортландцемент. Технические условия

ГОСТ 10180-90 Бетоны. Методы определения прочности по контрольным образцам

ГОСТ 12730.3-78 Бетоны. Метод определения водопоглощения

ГОСТ 13015-2003 Изделия железобетонные и бетонные для строительства. Общие технические требования. Правила приемки, маркировки, транспортирования и хранения

ГОСТ 22685-89 Формы для изготовления контрольных образцов бетона. Технические условия

ГОСТ 23732-79 Вода для бетонов и растворов. Технические условия

ГОСТ 24104-2001 Весы лабораторные. Общие технические требования

ГОСТ 26633-91 Бетоны тяжелые и мелкозернистые. Технические условия

ГОСТ 27006-86 Бетоны. Правила подбора состава

ГОСТ 28570-90 Бетоны. Методы определения прочности по образцам, отобранным из конструкций

ГОСТ 30744-2001 Цементы. Методы испытаний с использованием полифракционного песка

ГОСТ 31108-2003 Цементы общестроительные. Технические условия

ГОСТ 31189-2003 Смеси сухие строительные. Классификация

ГОСТ 31357-2007 Смеси сухие строительные на цементном вяжущем. Общие технические
условия

Примечание - При пользовании настоящим стандартом целесообразно проверить действие ссылочных стандартов и классификаторов на территории государства по соответствующему указателю стандартов и классификаторов, составленному по состоянию на 1 января текущего года, и по соответствующим информационным указателям, опубликованным в текущем году. Если ссылочный стандарт заменен (изменен), то при пользовании настоящим стандартом следует руководствоваться заменяющим (измененным) стандартом. Если ссылочный стандарт отменен без замены, то положение, в котором дана ссылка на него, применяется в части, не затрагивающей эту ссылку.

3 Общие положения

3.1 Правила отбора проб

3.1.1 Для контроля качества сухих смесей, упакованных в мешки или пакеты и принятых службой технического контроля предприятия-изготовителя, отбирают по одной точечной пробе от каждой упаковочной единицы, попавшей в выборку в соответствии с ГОСТ 31357 или нормативными и техническими документами на смеси конкретных видов.

Пробы отбирают из середины мешка или пакета при помощи пробоотборника.

3.1.2 Отбор точечных проб на технологической линии осуществляют в соответствии с технологической документацией предприятия-изготовителя.

3.1.3 Изготовитель может проводить отбор точечных проб при упаковке сухой смеси в мешки или пакеты при выходе из бункера готовой продукции через равные промежутки времени.

3.1.4 Общая масса отобранных точечных проб должна обеспечивать получение объединенной пробы, достаточной для проведения не менее двух определений каждого из всех контролируемых показателей качества смесей.

3.1.5 Отобранные точечные пробы соединяют и тщательно перемешивают ручным или механическим способом для получения объединенной пробы. Не допускается составлять объединенную пробу из смесей разных партий.

Объединенную пробу до испытания следует хранить в закрытой герметичной емкости, исключающей ее увлажнение.

3.1.6 Перед проведением испытаний объединенную пробу сокращают методом квартования или при помощи делителя порошкообразных материалов.

Для квартования объединенную пробу (после ее перемешивания) делят взаимно перпендикулярными линиями, проходящими через центр, на четыре части. Две любые противоположные четверти берут в пробу. Последовательным квартованием пробу сокращают в два, четыре раза и т.д. до получения однородной лабораторной пробы, которую используют для определения конкретного показателя.

3.1.7 Для каждого испытания следует использовать новую пробу растворной (бетонной) смеси.

3.1.8 Испытания проводят при температуре (20 ±2)°С и относительной влажности воздуха (60 ±10) %.

3.2 Приготовление растворных (бетонных) смесей для испытаний

3.2.1 Для приготовления растворных (бетонных) смесей, предназначенных для испытаний, используют воду по ГОСТ 23732 в объеме, указанном на маркировке сухой смеси и обеспечивающем получение требуемой подвижности растворной (бетонной) смеси.

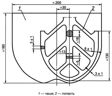
3.2.2 При проведении контрольных и арбитражных испытаний растворные и мелкозернистые бетонные смеси приготавливают в смесителе (см. рисунок 1). Допускается приготовление смесей вручную при проведении производственного контроля.

Чашу и лопасть смесителя изготавливают из нержавеющей стали. Смеситель должен иметь приспособление, позволяющее крепить чашу вместимостью 5 л неподвижно к станине и изменять положение чаши по высоте относительно лопасти для регулирования зазора между ними, который в момент максимального приближения лопасти к стенке чаши должен быть (3,0 ± 1,0) мм.

При работе смесителя вращение лопасти вокруг собственной оси и ее планетарное перемещение относительно оси чаши должны осуществляться в противоположных направлениях со скоростью вращения вокруг собственной оси (140 ±5) об/мин; при планетарном перемещении относительно оси чаши - (62 ± 5) об/мин.

Приготовление бетонных смесей - по ГОСТ 7473.

Рисунок 1 - Смеситель для приготовления растворных и мелкозернистых бетонных смесей

3.2.3 Началом перемешивания смеси считают момент соединения всей пробы сухой смеси с водой (момент затворения).

Смесь приготавливают в смесителе в следующей последовательности:

- перемешивание в течение 120 с;

- остановка смесителя для снятия налипшей на стенки смесителя смеси в течение 90 с;

- перемешивание в течение 60 с.

При приготовлении вручную смесь должна перемешиваться непрерывно.

Общее время перемешивания смеси с момента затворения водой должно быть не менее 3 мин без учета времени остановки смесителя.

Примечание - Растворные (бетонные) смеси для испытаний допускается приготавливать по инструкции предприятия - изготовителя сухой смеси.

3.3 Применяемые средства измерений должны быть поверены (калиброваны), а испытательное оборудование - аттестовано по ГОСТ 8.568 и соответствовать требованиям настоящего стандарта.

3.4 Результаты испытания смесей заносят в журнал, в котором указывают:

- наименование предприятия-изготовителя сухой смеси;

- условное обозначение смеси в соответствии с нормативным или техническим документом на сухую смесь конкретного вида;

- наименование определяемого показателя качества;

- дату испытания;

- место отбора проб;

- результаты частных определений каждого показателя и среднеарифметическое значение результатов испытаний по каждому показателю.

В рабочий журнал следует также вносить сведения о внешнем виде и состоянии тары, в которой доставлена проба сухой смеси.

4 Определение подвижности по расплыву кольца

4.1 Подвижность по расплыву кольца Рк определяют для дисперсных растворных смесей по диаметру расплыва в миллиметрах растворной смеси, вытекающей из кольца при его поднятии.

4.2 Средства испытания и вспомогательные устройства

Смеситель по 3.2.2.

Кольцо из нержавеющего металла с полированной внутренней поверхностью, внутренним диаметром (70 ± 0,1) мм и высотой (50 + 0,1) мм.

Линейка по ГОСТ 427 длиной 250 мм с ценой деления 1 мм.

Весы по ГОСТ 24104 с пределом допускаемой погрешности взвешивания ± 1 г.

Стеклянная пластина размером 400´400 мм (допускается использовать пластину из полиметилметакрилата).

Мерный цилиндр по ГОСТ 1770 с ценой деления не более 1 мл.

4.3 Подготовка к испытанию

4.3.1 Воду в объеме, указанном в маркировке сухой смеси и необходимом для получения растворной смеси требуемой подвижности, выливают в чашу смесителя, предварительно протертую влажной тканью. В течение 5-10 с высыпают 2000 г сухой смеси, включают смеситель и перемешивают смесь по режиму, указанному в 3.2.3.

4.4 Проведение испытания

Приготовленную растворную смесь быстро за один прием переносят в кольцо, установленное в центре стеклянной пластины. Стекло и кольцо предварительно протирают влажной тканью. Излишки смеси срезают вровень с краями кольца ножом, протертым влажной тканью.

Через 10-15 с после заполнения смесью кольцо поднимают вертикально на высоту 10-15 см и отводят в сторону. Диаметр расплыва растворной смеси измеряют линейкой сразу после поднятия кольца в двух взаимно перпендикулярных направлениях с погрешностью ± 5 мм и вычисляют среднеарифметическое значение результатов двух измерений диаметра расплыва. Среднеарифметическое значение округляют до 1 мм.

Испытание повторяют, используя новую пробу растворной смеси.

За окончательный результат испытания принимают среднеарифметическое значение результатов измерения диаметра расплыва двух проб растворной смеси, округленное до 1 мм.

5 Определение водопоглощения при капиллярном подсосе

5.1 Водопоглощение при капиллярном подсосе Wкп определяют по объему воды, поглощенной образцом, высушенным до постоянной массы, при атмосферном давлении за счет капиллярных или адсорбционных сил.

5.2 Средства испытания и вспомогательные устройства

Формы для изготовления образцов-балочек размером 40´40´160 мм по ГОСТ 310.4.

Весы по ГОСТ 24104 с пределом допускаемой погрешности не более ±0,01 г.

Штангенциркуль по ГОСТ 166.

Ванна для насыщения образцов водой температурой (20 ± 5)°С.

Водонепроницаемые составы (парафин, эпоксидная смола и др.).

Секундомер.

Сушильный шкаф, обеспечивающий температуру сушки до 105°С.

Штукатурная терка.

5.3 Подготовка к испытанию

5.3.1 Для испытания изготавливают образцы-балочки размером 40´40´160 мм по ГОСТ 30744, подраздел 8.2.2. Число образцов должно быть не менее трех.

Образцы выдерживают не менее 28 сут при температуре (20 ± 2)°С по следующему режиму:

2 сут - хранение образцов в форме;

5 сут - хранение образцов после распалубки при влажности окружающего воздуха (95 ± 5) % и далее 21 сут - при влажности (65 ± 5) %.

По истечении 28 сут торцевые грани образцов-балочек размером 40´40´160 мм должны быть обработаны штукатурной теркой для получения шероховатой поверхности.

5.3.2 Перед испытанием образцы высушивают до постоянной массы при температуре (105 ± 5)°С. Массу образца считают постоянной, если разность между результатами двух последовательных взвешиваний не превышает 0,2 % массы образца. Промежуток времени между двумя последовательными взвешиваниями должен быть не менее 4 ч.

5.3.3 Боковые грани образцов-балочек покрывают водонепроницаемым составом (расплавленным парафином, эпоксидной смолой и др.). При попадании водонепроницаемого состава на торцевые грани их следует повторно обработать штукатурной теркой.

5.3.4 Подготовленные по 5.3.1-5.3.3 образцы-балочки взвешивают с погрешностью ± 0,01 г (масса m1).

Линейные размеры увлажняемой торцевой грани измеряют штангенциркулем с погрешностью ±0,1 мм.

5.4 Проведение испытания

Образцы помещают торцевой гранью в ванну на сетчатую подставку. Ванну заполняют водой температурой (20 ± 5)°С так, чтобы торец был погружен в воду на 5-10 мм. Уровень воды в ванне должен поддерживаться постоянным в течение всего времени испытания (см. рисунок 2).

Через 24 ч образцы извлекают из воды, удаляют с поверхности образцов избыток воды влажной тканью и взвешивают с погрешностью ± 0,01 г (масса m2).

Рисунок 2 - Схема испытания по определению водопоглощения при капиллярном подсосе

5.5 Обработка результатов испытания

Водопоглощение при капиллярном подсосе Wкп, кг/(м2∙ч0,5), определяют по формуле

                                                                (1)

где m1 - масса сухого образца, кг;

m2 - масса образца после насыщения водой, кг;

S - площадь увлажняемой грани образца, м2;

Кw - коэффициент, учитывающий время насыщения образца и равный , ч-0,5.

За результат испытания принимают среднеарифметическое значение результатов испытания трех образцов, округленное до 0,1 кг/(м2∙ч0,5).

6 Определение прочности сцепления (адгезии) раствора (бетона) с основанием

6.1 Прочность сцепления (адгезию) с основанием определяют для затвердевших растворов и мелкозернистых бетонов.

6.2 Прочность сцепления (адгезию) определяют по силе отрыва образца затвердевшего раствора (бетона) от основания - бетонной плиты, приложенной к образцу через металлический диск с анкером (далее - штамп), приклеенный к поверхности образца.

В зависимости от области применения смесей в качестве основания могут применяться: кирпич, природный камень, плита из минеральной ваты, пенополистирол, керамическая плитка и др. при условии выполнения требований настоящего стандарта.

Примечание - Метод определения прочности сцепления растворов (бетонов) с бетонным основанием применяют как основной (арбитражный).

6.3 Средства испытания и вспомогательные устройства

Основание - бетонная плита в соответствии с требованиями, приведенными в 6.4, или плиты из других материалов размерами по 6.4 и физико-механическими показателями, установленными в нормативных или технических документах на смеси конкретных видов.

Трафарет из нержавеющей стали толщиной 5 мм с квадратными отверстиями размером 50´50 мм или круглыми диаметром 50 мм. Толщину трафарета допускается при необходимости принимать по рекомендации изготовителя сухой смеси, но не более 10 и не менее 3 мм. Расстояние между отверстиями, между отверстиями и краями трафарета должно быть не менее 20 мм. Число отверстий должно быть не менее пяти.

Допускается изготавливать трафарет из другого материала, обеспечивающего жесткость трафарета и не поглощающего воду из смеси.

Металлический шпатель.

Штамп круглый диаметром 50 мм или квадратный размером 50´50 мм, толщиной не менее 10 мм.

Усеченное коническое кольцо с острыми краями, внутренним диаметром (50,0 ± 0,1) мм и высотой (25,0 ± 0,5) мм, изготовленное из нержавеющей стали или латуни (см. рисунок 3).

Эпоксидный или другой быстротвердеющий клей высокой прочности для приклеивания штампа к слою раствора.

Камера, обеспечивающая твердение образцов при температуре (20 ± 2)°С и относительной влажности воздуха (65 ± 5) %.

Пресс с устройством для захвата анкера или другое средство измерения, обеспечивающее равномерную скорость нагружения (250 ± 50) Н/с.

Рисунок 3 - Усеченное коническое кольцо

6.4 Требования к основанию - бетонной плите

6.4.1 Размеры бетонной плиты должны быть не менее 300´150´40 мм. Поверхность плиты, на которую наносят растворную (бетонную) смесь при изготовлении образцов, должна быть категории A3 по ГОСТ 13015.

6.4.2 Класс бетона плиты по прочности на сжатие должен быть не ниже В20 в соответствии с ГОСТ 26633.

Прочность на отрыв штампа от поверхности бетонной плиты должна быть не менее 2,5 МПа.

Для определения прочности на отрыв штамп приклеивают к плите эпоксидным или другим быстротвердеющим клеем. После приклеивания штампа к плите и хранения ее в естественных условиях в течение 24 ч определяют прочность на отрыв на прессе с устройством для передачи нагрузки или другом средстве измерения с прямым приложением усилия отрыва. Скорость нагружения при испытании должна быть(250 ± 50)Н/с.

Узел крепления штампа к средству измерения не должен вызывать изгибающих напряжений в плите.

6.4.3 Бетонная плита должна иметь водопоглощение не более 6 % по массе. Водопоглощение плиты определяют по ГОСТ 12730.3.

6.4.4 Для изготовления бетонной плиты применяют:

- портландцемент ПЦ 400-Д0 по ГОСТ 10178 или портландцемент класса 32,5 по ГОСТ 31108;

- строительный песок с модулем крупности 1,5 Мк 2,5 по ГОСТ 8736;

- гранитный щебень фракции свыше 5,0 до 10 мм по ГОСТ 8267.

Содержание в бетонной смеси частиц размером менее 0,16 мм должно быть не менее 500 кг/м3 готового бетона. Соотношение массовой доли цемента и заполнителей - не более 1:5. Состав бетонной смеси для изготовления плиты подбирают по ГОСТ 27006.

6.4.5 Бетонную плиту допускается изготавливать в вертикальных или горизонтальных формах, применяя вибрационное уплотнение или уплотнение вибропрессованием в течение 90 с.

6.4.6 Твердение бетонной плиты должно проводиться по следующему режиму:

24 ч - в формах при температуре (23 ± 2)°С и относительной влажности (50 ± 5) %;

6 сут - после распалубки в воде температурой (20 ±2)°С и далее 21 сут - в воздушно-сухих условиях.

6.4.7 Бетонная плита может быть изготовлена предприятиями-изготовителями сухих смесей или приобретена у специализированных предприятий.

6.5 Изготовление образцов для испытания

6.5.1 Образцы для испытания изготавливают в форме цилиндров диаметром 50 мм или призмы с квадратным поперечным сечением размером 50´50 мм. Толщина образцов должна быть не более 10мм.

6.5.2 На бетонное или другое основание устанавливают трафарет, на который наносят смесь, готовую к применению и с установленной маркой по подвижности. Смесь заглаживают металлическим шпателем, после чего трафарет немедленно снимают.

Образцы цилиндрической формы могут быть изготовлены без использования трафарета. Для изготовления образцов цилиндрической формы смесь, готовую к применению, наносят на основание слоем толщиной, рекомендованной предприятием-изготовителем, но не более 10 мм, и разглаживают. В период структурообразования (до начала твердения) в слой смеси, вращая, вдавливают до основания усеченные конические кольца. Затем, продолжая вращение, кольца осторожно удаляют. Если в процессе изготовления образца происходит нарушение сцепления смеси с основанием, образец бракуют и изготавливают новый.

Расстояние между кольцами, а также между кольцами и краями основания должно быть не менее 50 мм.

Число образцов для испытания должно быть не менее пяти.

6.5.3 Изготовленные по 6.5.2 образцы до проведения испытания хранят в течение 7 сут при температуре (20 ± 2)°С и относительной влажности (95 ± 5) %, а затем в течение 21 сут - при температуре (20 ± 2)°С и относительной влажности (65 ± 5) %.

Общее время твердения образцов должно быть 28 сут.

В зависимости от области применения сухих смесей допускается твердение образцов по режиму, установленному в нормативных или технических документах на смеси конкретного вида.

При проведении сертификационных и арбитражных испытаний образцы должны храниться по режиму, указанному выше.

6.5.4 Допускается изготавливать образцы размерами, указанными в 6.5.1, из сплошного слоя смеси, затвердевшего на поверхности бетонной плиты или другого основания, прорезанием слоя любым режущим инструментом.

Режим твердения свеженанесенного слоя - по 6.5.3.

6.6 Проведение испытания

Через 27 сут к затвердевшим образцам эпоксидным или другим быстротвердеющим клеем высокой прочности приклеивают штамп и продолжают хранение образцов при температуре (20 ± 2)°С и относительной влажности (65 + 5) % в течение 24 ч.

Силу отрыва образцов от основания определяют через 24 ч на прессе или другом средстве измерения, прикладывая к штампу силу со скоростью ее нарастания (250 ± 50) Н/с.

При испытании отмечают характер отрыва образцов от основания. Возможные варианты отрыва (АТ-1, АТ-2, АТ-3) приведены на рисунке 4. Характер отрыва образцов от основания отмечают в журнале испытания.

1 - металлический штамп; 2 - клей; 3 - образец; 4 - бетонная плита (основание)

Рисунок 4 - Варианты отрыва образца от основания

6.7 Обработка результатов испытания

6.7.1 Прочность сцепления (адгезию) образца с основанием определяют как максимальную силу, приложенную перпендикулярно к поверхности образца, при которой происходит отрыв образца от основания.

6.7.2 Прочность сцепления (адгезию) с основанием при испытании одного образца Аi, МПа, определяют по формуле

                                                                                 (2)

где F - максимальная сила отрыва образца от основания, Н;

S - площадь контакта поверхности образца с основанием, мм2.

Каждое единичное значение прочности сцепления округляют до 0,1 МПа.

За результат испытания принимают среднеарифметическое значение результатов испытания всех образцов А, МПа (варианты АТ-1, АТ-2, АТ-3), рассчитанное по формуле

A = (A1 + Аn)/n.                                                                      (3)

Среднеарифметическое значение округляют до 0,1 МПа.

Примечание - При отрыве образцов по вариантам АТ-2 и/или АТ-3 результаты испытания следует считать ниже фактического значения предела прочности сцепления образцов с основанием.

7 Определение морозостойкости растворных и дисперсных смесей

7.1 Средства испытания и вспомогательные устройства

7.1.1 Средства испытания и вспомогательные устройства - по ГОСТ 10060.1 и ГОСТ 10060.3.

7.1.2 Формы для изготовления образцов - по ГОСТ 22685.

7.2 При определении морозостойкости растворных и дисперсных смесей применяют следующие методы:

- основной при многократном замораживании и оттаивании;

- ускоренный (дилатометрический) при однократном замораживании.

Примечание - Ускоренный метод определения морозостойкости растворных и дисперсных смесей, приведенный в настоящем стандарте, не распространяется на смеси, предназначенные для дорожных и аэродромных покрытий, а также на дисперсные смеси с максимальным размером зерен заполнителя менее 0,5 мм.

7.3 Условия испытания при определении морозостойкости в зависимости от метода принимают по таблице 1.

Таблица 1 - Условия испытания при определении морозостойкости

Условия испытания

Среда насыщения

Среда/температура замораживания, °С

Среда оттаивания

Основной метод

Вода

Воздушная/минус (18 ± 2)°С

Вода

Ускоренный метод

Вода

Керосин/минус (18 ± 2)°С

-

7.4 Число и размеры образцов для испытания в зависимости от метода определения морозостойкости должны соответствовать приведенным в таблице 2.

Таблица 2 - Число и размеры образцов для испытания

Метод определения морозостойкости

Размер образцов, мм

Число образцов, шт.

контрольных

основных

Основной

Кубы 100´100´100 или 70´70´70 или призмы 40´40´160

6

12***

Ускоренный

Кубы 100´100´100 или 70´70´70* или пластины 100´100´h**, или цилиндры диаметром и высотой 70 мм

-

3

* Кубы размером 70´70´70 мм являются базовыми образцами.

** Высота образцов h должна быть не менее 20 и не более 60 мм.

*** Шесть основных образцов предназначены для промежуточных испытаний, шесть - для итоговых.

7.5 Образцы для испытания изготавливают в соответствии с ГОСТ 10180. При определении морозостойкости по ускоренному методу допускается отбирать образцы из конструкций по ГОСТ 28570, при этом размеры образцов должны соответствовать приведенным в таблице 2.

7.6 Образцы, подлежащие испытанию, должны быть пронумерованы и осмотрены. При наличии дефектов (незначительные отколы ребер и углов, выкрашивание и др.) об этом должно быть указано в журнале испытания.

7.7 Образцы испытывают сериями в проектном возрасте после выдержки в камере нормально-влажностного твердения в соответствии с ГОСТ 31357, пункт 4.10. Если проектный возраст образцов не установлен, то за проектный возраст принимают 28 сут твердения образцов при температуре (23 ± 5)°С и относительной влажности воздуха (65 ± 5) %.

7.8 Подготовка к испытанию

Контрольные и основные образцы, предназначенные для испытания по основному или ускоренному методу, насыщают водой по ГОСТ 10060.0, пункт 4.11, без предварительного высушивания перед испытанием.

7.9 Проведение испытания по основному методу

7.9.1 Испытания по основному методу проводят в соответствии с ГОСТ 10060.1, раздел 6. Число циклов замораживания - оттаивания в зависимости от марки смесей по морозостойкости принимают по таблице 3.

Таблица 3 - Число циклов замораживания - оттаивания при определении морозостойкости по основному методу

Метод испытания

Число циклов замораживания - оттаивания для раствора марки по морозостойкости

F10

F15

F25

F35

F50

F75

F100

F150

F200

F300

F400

Основной

5*

10

10*

15

15*

25

25*

35

35*

50

50*

75

75*

100

100*

150

150*

200

200*

300

300*

400

* Над чертой указано число циклов, после которого проводят промежуточное испытание, под чертой - итоговое число циклов, соответствующее марке смеси по морозостойкости.

7.9.2 Среднюю прочность на сжатие серии контрольных и основных образцов определяют по ГОСТ 10180 или ГОСТ 5802, или ГОСТ 310.4.

7.9.3 Марку смесей по морозостойкости при испытании основным методом принимают за соответствующую требуемой, если среднее значение прочности на сжатие основных образцов после проведения числа циклов переменного замораживания и оттаивания, установленных в таблице 3 для данной марки, уменьшилось не более чем на 10 % по сравнению со средней прочностью на сжатие контрольных образцов.

Марка смеси по морозостойкости не соответствует требуемой, если среднее значение прочности на сжатие основных образцов данной марки по морозостойкости уменьшилось более чем на 10 % по сравнению со средней прочностью на сжатие контрольных образцов. В этом случае марку смеси по морозостойкости устанавливают по результатам промежуточных испытаний.

Если уменьшение среднего значения прочности основных образцов после промежуточных испытаний по сравнению со средним значением прочности контрольных образцов превышает 10 %, испытания прекращают и в журнале испытаний делают запись о том, что смеси не соответствуют требуемой марке по морозостойкости.

7.10 Проведение испытания по ускоренному методу

7.10.1 Испытание по ускоренному методу проводят в соответствии с разделом 6 ГОСТ 10060.3 со следующими дополнениями.

7.10.2 Образцы раствора, насыщенные водой по 7.8, помещают поочередно или одновременно, в зависимости от модификации дилатометра, в измерительную камеру (измерительные камеры) дилатометра. Стандартный образец помещают в отдельную камеру.

Камеру (камеры) дилатометра заполняют керосином и герметизируют. Дилатометр с образцами устанавливают в морозильную камеру и выдерживают в течение 30 мин, после чего начинают снижать температуру со скоростью 0,3°С/мин до температуры минус (18 ±2)°С. Во время замораживания непрерывно записывают кривую разности объемных деформаций испытуемых и стандартного образцов.

7.10.3 Марку смесей по морозостойкости при испытании серии образцов по ускоренному методу, выраженную в циклах переменного замораживания и оттаивания образцов в воде, принимают по таблице 4.

Таблица 4 - Число циклов замораживания - оттаивания при определении морозостойкости ускоренным методом

Форма и размер
базового образца,
мм

Вид
раствора

Пределы максимального относительного увеличения разности объемной деформации испытуемых и стандартного образцов Qср10-3 для марки раствора по морозостойкости

F25

F35

F50

F75

F100

F150

F200

F300

F400

Куб 70´70´70 мм

Тяжелый

Более 1,53

1,53-1,08

1,08-0,79

0,79-0,52

0,52-0,39

0,39-0,25

0,25-0,17

0,17-0,10

Менее 0,10

Легкий

2,74-1,87

1,87-0,92

0,92-0,46

0,46-0,19

Менее 0,19

-

-

-

-

7.10.4 При испытании образцов, отличающихся по размеру от базового, приведенного в таблице 4, учитывают масштабный коэффициент Км, рассчитываемый по формуле

                                                                            (4)

где V - объем испытуемого образца, см3;

VCT - объем стандартного образца (343 см3).

Фактическое значение относительных деформаций Qф с учетом масштабного коэффициента определяют по формуле

QФ = КмQср10-3.                                                                   (5)

7.10.5 Марку смеси по морозостойкости при испытании по ускоренному методу принимают соответствующей требуемой, если среднеарифметическое значение относительного увеличения разности объемной деформации серии образцов Qcp10-3 находится в пределах значений относительного увеличения разности объемной деформации стандартного и испытуемых образцов, указанных в таблице 4 для данной марки смеси по морозостойкости.

При совпадении среднеарифметического значения относительного увеличения разности объемной деформации серии образцов с граничными значениями диапазона назначают марку смеси по морозостойкости, предшествующую требуемой.

7.10.6 Исходные данные и результаты испытаний контрольных и основных образцов записывают в журнал испытаний, форма которого приведена в приложении А.

8 Определение морозостойкости контактной зоны

8.1 Морозостойкость контактной зоны смесей характеризуют маркой по морозостойкости Fкз.

Примечание - Определение термина «морозостойкость контактной зоны» - по ГОСТ 31357.

8.2 За марку смесей по морозостойкости контактной зоны Fкз принимают установленное нормативными или техническими документами на смеси конкретных видов число циклов переменного замораживания и оттаивания образцов, испытанных основным методом по 7.9, при которых прочность сцепления (адгезия) с основанием образцов, испытанных в соответствии с разделом 6, уменьшается не более чем на 20 % по сравнению с первоначальной.

8.3 Средства испытания

8.3.1 Средства испытания при определении морозостойкости контактной зоны принимают в соответствии с разделом 7.

8.3.2 Средства испытания при определении прочности сцепления образцов с основанием принимают в соответствии с разделом 6.

8.4 Подготовка к испытанию

8.4.1 Для испытания изготавливают 15 образцов по 6.5.1: пять образцов - контрольные, десять - основные для переменного замораживания и оттаивания (пять образцов - для промежуточных испытаний, пять - для итоговых).

8.4.2 Контрольные образцы перед определением прочности сцепления с основанием, а основные образцы перед замораживанием насыщают водой температурой 18°С - 20°С в течение 48 ч по 7.8.

8.5 Проведение испытания

8.5.1 Контрольные образцы после насыщения водой хранят в течение 2-4 ч в естественных условиях (температура 20°С - 23°С, влажность 50 % - 60 %), после чего испытывают на прочность сцепления с основанием по 6.6.

8.5.2 Основные образцы подвергают переменному замораживанию и оттаиванию по режиму в соответствии с 7.9.

8.5.3 Число циклов переменного замораживания и оттаивания при промежуточных и итоговых испытаниях, после которых определяют прочность сцепления, устанавливают по таблице 5. Число одновременно испытываемых образцов должно быть не менее пяти.

Таблица 5 - Число циклов замораживания - оттаивания при промежуточных и итоговых испытаниях

Метод испытания

Число циклов замораживания - оттаивания раствора марки по морозостойкости

F10

F15

F25

F35

F50

F75

F100

Основной

5*

10

10*

15

15*

25

25*

35

35*

50

50*

75

75*

100

* Над чертой указано число циклов, после которого проводят промежуточное испытание, под чертой - число циклов, соответствующее марке смеси по морозостойкости контактной зоны.

8.5.4 Для определения прочности сцепления с основанием основных образцов после их оттаивания, через 2-4 ч хранения в естественных условиях к ним приклеивают штампы. Образцы со штампами выдерживают при температуре 20°С - 23°С и относительной влажности воздуха 50 % - 60 % в течение 24 ч, после чего испытывают по 6.6.

8.5.5 Марку смесей по морозостойкости контактной зоны принимают за соответствующую требуемой, если среднее значение прочности сцепления (адгезии) основных образцов после установленного в нормативных или технических документах на смеси конкретных видов для данной марки числа циклов переменного замораживания и оттаивания уменьшилось не более чем на 20 % по сравнению со средней прочностью контрольных образцов.

Марка смеси по морозостойкости контактной зоны не соответствует требуемой, если среднее значение прочности сцепления (адгезии) основных образцов данной марки по морозостойкости уменьшилось более чем на 20 % по сравнению со средней прочностью сцепления (адгезией) контрольных образцов. В этом случае марку смеси по морозостойкости назначают по результатам промежуточных испытаний.

Если уменьшение среднего значения прочности сцепления (адгезии) основных образцов после промежуточных испытаний по сравнению со средним значением прочности сцепления (адгезией) контрольных образцов превышает 20 %, испытания прекращают и в журнале испытаний делают запись о том, что смеси не соответствуют требуемой марке по морозостойкости контактной зоны.

Приложение А
(обязательное)
Форма журнала ускоренного определения морозостойкости раствора дилатометрическим методом

Марки-
ровка
образ-
цов

Дата изготов-
ления
образ-
цов

Дата испыта-
ния
образ-
цов

Размер образ-
цов
,
мм

Объем образ-
цов
,
см3

Масса сухих образ-
цов
,
г

Масса насы-
щен-
ных
образцов,
г

Средняя плот-
ность
,
кг/м3

Водопог-
лощение,
%
по массе

Максимальное относительное увеличение разности объемной деформации Q10-3

Марка
раствора
по морозо-
стой-
кости

отдель-
ного
образца

с учетом
масштаб-
ного
коэффи-
циента

cреднее значе-
ние

 

 

 

 

 

 

 

 

 

 

 

 

 

 

Ключевые слова: сухие строительные смеси; смеси, готовые к применению; затвердевшие растворы (бетоны); методы испытаний

 




Яндекс цитирования