//
ТехЛит.ру
- крупнейшая бесплатная электронная интернет библиотека для "технически умных" людей.
WWW.TEHLIT.RU - ТЕХНИЧЕСКАЯ ЛИТЕРАТУРА

:: Алготрейдинг::


АЛГОТРЕЙДИНГ
шаг за шагом
с нуля по урокам!

Торговые роботы на PYTHON, BackTrader,
Pandas, Pine Script для TradingView. Связка с брокерами, телеграм и легкими приложениями.


МИНИСТЕРСТВО ТОПЛИВА И ЭНЕРГЕТИКИ РОССИЙСКОЙ ФЕДЕРАЦИИ

ФИРМА ПО НАЛАДКЕ, СОВЕРШЕНСТВОВАНИЮ ТЕХНОЛОГИИ Н ЭКСПЛУАТАЦИИ ЭЛЕКТРОСТАНЦИЙ И СЕТЕЙ ОРГРЭС

МЕТОДИЧЕСКИЕ УКАЗАНИЯ ПО МОНТАЖУ, НАЛАДКЕ И ЭКСПЛУАТАЦИИ УСТРОЙСТВА КОНТРОЛЬНО-СИГНАЛЬНОГО ВВК-331

ОРГРЭС

МОСКВА 1993

Содержание

РАЗРАБОТАНО Фирмой по наладке, совершенствованию технологии и эксплуатации электростанций и сетей ОРГРЭС

ИСПОЛНИТЕЛИ В.А. СУВОРОВ, О.Н. КУЗЬМИЧЕВ

УТВЕРЖДЕНО Фирмой по наладке, совершенствованию технологии и эксплуатации электростанций и сетей ОРГРЭС 19.12.91 г.

Главный инженер К.В. ШАХСУВАРОВ

1. ВВЕДЕНИЕ

В качестве характеристики вибрации подшипников турбоагрегатов ГОСТ 25364-82 виброскорость, так как она наиболее полно отражает вибрационные процессы.

В связи с этим разработано контрольно-сигнальное устройство BBK-331 для непрерывного контроля вибрации подшипников турбоагрегатов по среднеквадратическому значению виброскорости.

В настоящее время указанная аппаратура широко внедряется и осваивается на электростанциях бывшего Минэнерго СССР. На ее основе разработана и внедряется в эксплуатацию технологическая защита по повышению виброскорости подшипников турбоагрегата, что вызывает повышенные требования к качеству монтажа, наладки и эксплуатации устройства BBK-331.

Методические указания по монтажу, наладке и эксплуатации разработаны с учетом требований заводской документации, работ фирмы ОРГРЭС и ее предприятий Уралтехэнерго и Донтехэнерго по наладке устройств BBK-331, а также на основании результатов обследования электростанций, эксплуатирующих BBK-331.

2. УКАЗАНИЯ ПО МОНТАЖУ, НАЛАДКЕ И ЭКСПЛУАТАЦИИ КОНТРОЛЬНО-СИГНАЛЬНОГО УСТРОЙСТВА BBK-331

2.1. Монтаж

2.1.1. Монтаж устройства BBK-331 на объекте контроля состоит из следующих операций:

- установки вибропреобразователя на подшипнике турбоагрегата;

- прокладки кабеля от вибропреобразователя к усилителю вибропреобразователя;

- установки усилителя вибропреобразователя на конструкциях или фундаменте турбоагрегата;

- прокладки кабеля от усилителя вибропреобразователя к колодкам электронного блока;

2.1.2. Установка вибропреобразователя производится на крышке подшипника на специально подготовленной заводом-изготовителем турбоагрегата горизонтальной площадке.

Площадка для установки вибропреобразователя для измерения вертикальной составляющей должна находиться сверху на крышке подшипника, а для измерения горизонтально-поперечной и горизонтально-осевой составляющих - сбоку на крышке подшипника на уровне оси вала турбоагрегата против середины опорного вкладыша (ГОСТ 25364-88).

Вибропреобразователи горизонтально-поперечных и горизонтально-осевых составляющих устанавливаются на площадках, устроенных с левой стороны опорного вкладыша, если смотреть со стороны переднего подшипника, а вибропреобразователи осевых составляющих, кроме этого, должны быть одинаково ориентированы: положительное направление - от головы турбоагрегата в сторону генератора.

В случае, если у электростанции возникает необходимость применения устройства BBK-331 для измерения всех трех составляющих вибрации на турбоагрегатах, на которых заводом-изготовителем не выполнены площадки, необходимо запросить завод-изготовитель турбоагрегата о возможности и местах установки вибропреобразователей. В запросе необходимо указать тип турбоагрегата и год его выпуска.

Площадка должна быть размером не менее 100´62 мм, иметь ровную поверхность, отклонение от горизонтальной плоскости не должно превышать 0,1 мм. Для крепления вибропреобразователя на площадке должны быть просверлены отверстия и нарезана резьба М6 на расстоянии (38´72)±0,1 мм. Отверстия должны располагаться симметрично относительно оси агрегата. Отклонение от параллельности между осью агрегата и линией, проведенной через два отверстия, расположенных одно от другого на расстоянии 72 мм, не должно превышать 0,2 мм. При соблюдении во время монтажа указанных условий вибропреобразователь будет воспринимать все три компоненты вибрации подшипника агрегата.

Вибропреобразователь закрепляется на площадке подшипника четырьмя болтами Мб через пружинные шайбы. Сила затяжки болтов должна обеспечивать надежное крепление вибропреобразователя при полностью сжатых пружинных шайбах.

Вибропреобразователи, устанавливаемые на подшипниках генератора, изолируются от земли с помощью пластин из жесткого изолирующего материала. В остальном их монтаж аналогичен монтажу вибропреобразователей, устанавливаемых на подшипниках турбины.

2.1.3. Усилитель вибропреобразователя устанавливается на металлоконструкциях или фундаменте агрегата, где температура не превышает 50°С, а вибрация наименьшая, на расстоянии не более 10 м от вибропреобразователя (длина кабеля, поставляемого совместно с вибропреобразователем, 10 м).

2.1.4. Стойка BBK-331 с электронными блоками устанавливается в помещении щита управления в месте, удобном для эксплуатационного персонала.

2.1.5. Высокая чувствительность аппаратуры требует большого внимания и высокого качества при выполнении работ по монтажу кабельных соединений вибропреобразователь - усилитель вибропреобразователя - электронный блок.

При соединении усилителя вибропреобразователя со стойкой электронного блока следует использовать кабель с экранами на каждой жиле и общим экраном. Кабель, соединяющий вибропреобразователь с усилителем вибропреобразователя, поставляется заводом-изготовителем.

Особое внимание следует уделить заземление экранов кабелей. Схема наилучшего варианта заземления предложена предприятием Уралтехэнерго и приведена на рис. 1.

Рис. 1. Схема заземления:
КП - контрольная пьезопластина; РП - рабочая пьезопластина

При этом варианте экраны жил и кабеля и общая жила рабочей и контрольной пластин (в зависимости от конструкции вибропреобразователя) изолируется электрически от корпуса вибропреобразователя и от корпуса усилителя вибропреобразователя и друг от друга.

В усилителе вибропреобразователя общий экран, экраны жил и общая жила кабеля вибропреобразователя соединяется электрически с соответствующими экранами и обшей жилой кабеля электронного блока и изолируются электрически от корпуса. В электронном блоке все экраны и общая жила должны быть надежно соединены с корпусов и заземлены.

Кабель вибропреобразователя должен жестко крепиться на входе в его корпус для предотвращения излома жил от вибрации.

Металлорукав, защищающий кабель от механических повреждений, должен быть надежно заземлен на корпус усилителя вибропреобразователя и изолирован от земли на всем протяжении до вибропреобразователя. На генераторе металлорукав заземляется только на усилителе вибропреобразователя, так как вибропреобразователь изолирован от земли.

Возможность применения кабеля только с общим экраном и схема его заземления определяются возникающими при испытаниях минимальными наводками в каждом конкретном случае.

Чтобы определить минимум наводок необходимо исключить влияние вибрации на вибропреобразователь. Для этого его необходимо поместить на поролоновую прокладку или подвесить на некотором расстоянии от места установки. Затем, воздействуя на кабельные соединения с помощью источников электромагнитного поля, следует наблюдать за показаниями включенного устройства BBK-331 при различных вариантах заземления.

При прокладке кабеля следует избегать параллельно идущих силовых кабелей, а переход через силовые кабели следует выполнять под прямым углом. Кабель необходимо проложить в металлорукаве или в металлической трубе.

2.2. Наладка

2.2.1. Наладка устройства BBK-331 на объекте контроля состоит из:

- проверки монтажа устройства;

- проверки и наладки устройства;

- метрологической поверки устройства.

2.2.2. При проверке монтажа устанавливается его соответствие требованиям п. 2.1.

2.2.3. При наладке устройства следует произвести его внешний осмотр, проверить комплектность, устранить выявленные при осмотре дефекты. Установить при необходимости механический ноль показывающего прибора. Включить устройство и прогреть его в соответствии с инструкцией по эксплуатации. Проверить блоки питания и при необходимости установить на. них стабилизированное напряжение питания в пределах +15±0,5 В и -15±0,5 В. Установить электрический ноль показывающего прибора. После выполнения указанных операций необходимо выполнить метрологическую поверку.

2.3. Метрологическая поверка

Метрологическая поверка выполняется в соответствии с "Методическими указаниями. Устройства контрольно-сигнальные BBK-331. Методы и средства поверки". МИ-292-83. Метрологической поверке подвергаются вибропреобразователь и устройство BBK-331.

2.3.1. Средства, необходимые для проведения поверки

Для выполнения поверки применяются следующие образцовые средства:

- измерительный мост переменного тока с погрешностью не хуже 5 %;

- виброкалибровочное устройство 2-го разряда с погрешностью не хуже 3 %;

- милливольтметр В3-38;

- генератор Г3-33;

- частотомер 43-32;

- блок питания Б5-7;

- мегаомметр M110 на 500 В;

- генератор Г6-15;

- миллиамперметр 0-5 мА с погрешностью не хуже 1 %;

- регулятор напряжения РНШ;

- вольтметр переменного тока с погрешностью не хуже 2,5 %.

Требования к переходникам, используемым для крепления поверяемого вибропреобразователя к вибратору образцовой вибрационной установки, должны соответствовать приложению.

Образцовые средства, применяемые при поверке, должны быть аттестованы органами государственной метрологической службы и иметь действующие свидетельства о государственной поверке.

Допускается применять средства поверки, не указанные в настоящих Методических указаниях, прошедшие метрологическую аттестацию в органах государственной метрологической службы и удовлетворяющие требованиям настоящих Методических указаний.

В однокомпонентном вибропреобразователе поверке подлежат оба вибропреобразователя (вертикальные составляющие). В двухкомпонентном - поверяется вибропреобразователь по вертикальной и горизонтальной составляющим.

При поверке вибропреобразователя определяются:

- емкость и сопротивление изоляции;

- погрешность;

- нелинейность амплитудной характеристики;

- неравномерность амплитудно-частотной характеристики;

- относительный коэффициент поперечного преобразования.

При поверке устройства BBK-331 определяются:

- сопротивление изоляции;

- погрешность блока электронного на частоте 80 Гц, нелинейность амплитудной характеристики и неравномерность амплитудно-частотной характеристики;

- погрешность срабатывания предупредительной и аварийной сигнализации;

- погрешности измерения и срабатывания сигнализации при изменении напряжения питания до предельно допустимых значений;

- работоспособность сигнализации "Повреждение".

2.3.2. Условия поверки

При проведении поверки должны быть соблюдены следующие условия:

- температура окружающего воздуха (20±5)°С;

- атмосферное давление (100±4) кПа;

- относительная влажность воздуха (65±15) %;

- частота переменного тока сети питания (50±0,5) Гц;

- уровень акустических полей не более 60 дБ;

- отклонение напряжения питания от номинального не более 2 %;

- уровень внешних электрических и магнитных полей, а также действие вибрации в месте проведения поверки не должны вызывать заметного отклонения стрелки показывающего прибора включенного BBK-331.

2.3.3. Проведение поверки

К поверке допускаются устройства и вибропреобразователи с отсутствием электрических и механических повреждений, отсутствием следов клея и мастики на установочных поверхностях вибропреобразователей, отсутствием грязи и смазки на штепсельных разъемах, при наличии пломб и целостности клейм. При несоответствии устройства или вибропреобразователя хотя бы одному из этих требований их признают непригодными к применению.

2.3.3.1. Определение емкости и сопротивления изоляции вибропреобразователя производится в следующем порядке:

отсоединить кабель вибропреобразователя от усилителя вибропреобразователя;

- подключая к жилам кабеля мост переменного тока, измерить емкость измерительных и контрольных пластин вместе с кабелем. Значение емкости контрольных пластин вместе с кабелем должно быть в пределах 3500-4500 пФ, а измерительных - в пределах 1800-2500 пФ;

- мегаомметром измерить сопротивление изоляции кабеля относительно корпуса. Сопротивление изоляции должно быть не менее 10 МОм;

- подсоединить кабель к усилителю вибропреобразователя.

2.3.3.2. Определение погрешности преобразования вибропреобразователя производится в следующем порядке:

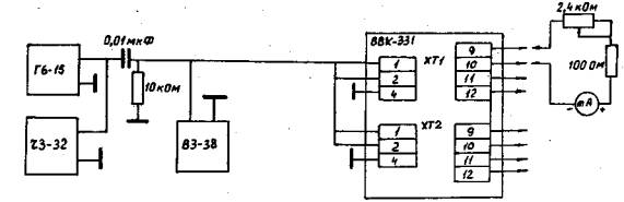
вибропреобразователь установить на вибратор виброкалибровочного устройства так, чтобы рабочая ось вибропреобразователя совпадала с направлением амплитуды колебания. Подключения выполнить по схеме рис. 2. Частоту контролировать частотомером;

- установить на виброкалибровочном устройстве при частоте 80 Гц размах виброперемещений, равный 50 и 100 мкм, измерять напряжение Uизм на выходе вибропреобразователя;

- определить погрешность d1 ( %) при размахе вибрации 50 мкм и d2 при размахе вибрации 100 мкм по формуле

                                                                                                               (1)

где Up - расчетное напряжение на выходе усилителя вибропреобразователя (табл. 1).

Таблица 1

Размах виброперемещений, мкм

50

100

150

200

250

Up, мВ при F = 80 Гц

140

280

420

560

700

Вибропреобразователь считается годным, если максимальная погрешность всех измерений не превышает 5 %.

Размах виброперемещения (мкм) определяется по формуле

                                                                                                    (2)

где S - размах виброперемещения, мкм;

V - среднее квадртическое значение виброскорости, мм/с;

F - частота вибрации, Гц.

Рис. 2. Схема соединений для проверки вибропреобразователей

2.3.3.3. Определение нелинейности амплитудной характеристики вибропреобразователя на частоте 80 Гц производится по схеме рис. 2. Установить размах вибрации виброкалибровочного устройства в соответствии с табл. 1 от 50 до 250 мкм и измерять напряжение на выходе усилителя вибропреобразователя.

По формуле (1) рассчитать погрешность d3 при размахе вибрации 150 мкм, d4 - при размахе вибрации 200 мкм; d5 - при размахе вибрации 250 мкм. Вибропреобразователь считается годным, если максимальная погрешность всех измерений не превышает 5 % в интервале до 100 мкм и 10 % в интервале 150-250 мкм.

2.3.3.4. Определение неравномерности амплитудно-частотной характеристики вибропреобразователя производится по схеме рис. 2.

Измерение напряжения Un в милливольтах на выходе усилителя вибропреобразователя выполняется при постоянном значении виброскорости, равном не менее 6,28 мм/с на частоте до 31,5 Гц и не менее 3,14 мм/с на частоте от 31,5 до 1000 Гц не менее чем при десяти значениях частот, выбираемых из ряда: 20; 25; 31,5; 40; 50; 63; 80; 100; 125; 160; 200; 250; 315; 400; 500; 630; 800; 1000 Гц с интервалом не более октавы. Кроме этого, два значения частоты должны лежать в начале и два в конце рабочего диапазона вибропреобразователя.

Рассчитать неравномерность в процентах по формуле

                                                                                                                (3)

где U80 - значение напряжения при частоте вибрации 80 Гц, мВ. Расчет выполняется относительно значения напряжения при частоте вибрации 80 Гц.

Амплитудно-частотная характеристика приведена на рис. 3. Вибропреобразователь считается годным, если неравномерность характеристики не превышает 5 %.

Переключить вольтметр на другой выход усилителя вибропреобразователя и повторить измерения для другого канала.

Рис. 3. Амплитудно-частотная характеристика устройства BBK-331 по виброскорости

F, Гц

Мин.

Ном.

Макс.

1

-

-

0,01

2,5

0,01

0,016

0,025

10

0,8

1,0

1,1

20

0,9

1,0

1,1

40

0,9

1,0

1,1

80

1,0

1,0

1,0

160

0,9

1,0

1,1

500

0,9

1,0

1,1

103

0,8

1.0

1,1

4×103

0,01

0,016

0,025

104

-

-

0,01

2.3.3.5. Определение относительного коэффициента поперечного преобразования вибропреобразователя производится по схеме рис. 2. Вибропреобразователь установить на вибратор виброкалибровочного устройства с помощью переходника так, чтобы рабочая ось вибропреобразователя была перпендикулярна направлению амплитуды колебания. На виброкалибровочном устройстве установить размах виброперемещений, равный 100 мкм при частоте 80 Гц. Измерять напряжение U в милливольтах на выходе усилителя вибропреобразователя при его положениях, соответствующих повороту вокруг рабочей оси на 30; 60; 90; 120; 150; 180; 210; 240; 270; 300; 330 градусов. Размах виброперемещений поддерживается постоянным.

По результатам измерений построить в полярных координатах диаграмму поперечной направленности. Если диаграмма имеет вид, представленный на рис. 4,а, то относительный коэффициент поперечного преобразования Коп в процентах определяется по формуле

                                                                                                              (4)

Если диаграмма имеет вид, представленный на рис. 4,б, то значение Коп в процентах определяется по формуле

                                                                                                               (5)

где U1 и U2 - максимальные значения сигнала на выходе усилителя (см. рис. 4,а), мВ;

 - максимальное и минимальное значения сигнала на выходе усилителя (см. рис. 4,б), мВ;

U - напряжение на выходе усилителя при размахе виброперемещения 100 мкм при частоте 80 Гц, мВ. U = 230 мВ.

Вибропреобразователь считается годным, если коэффициент не превышает 10 %.

Рис. 4. Диаграммы поперечной направленности вибропреобразователей в полярных координатах

2.3.3.6. Определение сопротивления изоляции производят с помощью мегаомметра между жилами кабеля сетевого питания и корпусом устройства BBK-331. Устройство считается годным, если сопротивление изоляции не менее 20 МОм.

2.3.3.7. Определение погрешности электронного блока на частоте 80 Гц, нелинейности амплитудной характеристики и неравномерности амплитудно-частотной характеристики производится в соответствии со схемой рис. 5 и табл. 2.

Изменяя напряжение на выходе генератора, установить показания стрелочного прибора блока электронного BBK-331 равными 10 мм/с Измерить напряжение U на входе блока и рассчитать основную погрешность dU в процентах по формуле

                                                                                                             (6)

Рис. 5. Схема определения погрешности электронного блока нелинейности амплитудной характеристики, неравномерности амплитудно-частотной характеристики

Таблица 2

F, Гц

10

12,5

16

20

25

31,5

40

50

63

80

 

Uвх, мВ

31,25

39,06

50,0

62,5

78,2

98,4

125

156,3

196,9

250

 

Р, мм/с

10±0,5

10±0,5

10±0,5

10±0,5

10±0,5

10±0,5

10±0,5

10±0,5

10±0,5

10±0,5

 

F, Гц

100

125

160

200

250

315

400

500

630

800

1000

Uвх, мВ

312,5

390,6

500

625

781,3

934,4

1250

1563

1968,8

2500

3125

Р, мм/с

10±0,5

10±0,5

10±0,5

10±0,5

10±0,5

10±0,5

10±0,5

10±0,5

10±0,5

10±0,5

10±0,5

Изменяя сопротивление нагрузки токового выхода блока и измеряя при этом ток I, рассчитать погрешность dT для нескольких значений сопротивления по формуле

                                                                                                                  (7)

2.3.3.8. При определении нелинейности амплитудной характеристики установить поочередно стрелку показывающего прибора устройства BBK-331 на всех диапазонах измерения на все оцифрованные точки шкалы "Р" и измеряя напряжение U на входе блока определить нелинейность по формуле

                                                                                                               (8)

где 25 - чувствительность блока на частоте 80 Гц, мВ×с/мм;

Р - устанавливаемые оцифрованные точки шкалы, мм/с.

2.3.3.9. Проверка неравномерности амплитудно-частотной характеристики относительно частоты 80 Гц производится не менее чем при десяти значениях частот. При этом два значения частоты должны лежать в начале диапазона и два - в конце. Значения частот следует выбирать из ряда: 20; 25; 31,5; 40; 50; 63; 80; 100; 125; 160; 200; 250; 315; 400; 500; 630; 800; 1000 Гц с интервалом не более одной октавы. Воспроизвести выбранные значения частот генератором и контролировать напряжение на входе BBK-331 в соответствии с табл. 2 и фиксировать показания стрелочного прибора блока. Расчет выполнить по формуле (3). Электронный блок считается годным если:

- погрешность dV на частоте 80 Гц не превышает 5 %;

- погрешность dT при изменении нагрузки от 0,1 до 2,5 кОм не превышает 2 %;

- нелинейность амплитудной характеристики dах не хуже 10 %;

- неравномерность амплитудно-частотной характеристики g соответствует табл. 2.

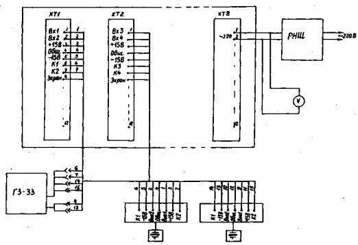
2.3.3.10. Определение погрешности срабатывания предупредительной и аварийной сигнализации производится по схеме рис. 6 при подключенном к электронному блоку вибропреобразователе и отключенном генераторе в следующем порядке:

- нажать последовательно кнопки ПР и АВ каждого блока и проверить установленные пороги сигнализации;

Рис. 6. Схема соединения вибропреобразователя с электронным блоком

- включить переменный резистор "Контроль". При этом должен зажечься светодиод над ним. Плавно вращая управляющий переменным резистором диск (сверху вниз), зафиксировать показания стрелочного прибора блока при включении сигнализации ПР и АВ;

кратковременно, примерно на 0,5 с, включить и затем выключить тумблер блока питания. При этом сигнализация ПР и АВ должна отключиться, а включиться сигнализация "Повреждение". Зафиксировать время горения лампочки ПОВР;

плавно вращая управляющий переменным резистором диск в обратном направлении, зафиксировать показания стрелочного прибора блока в момент отключения сигнализации АВ и ПР;

переключить контрольные пластины на внешний генератор и установить напряжение частотой около 80 Гц, чтобы показания стрелочного прибора блока были равны 10 мм/с при напряжении питания, равном 220 В;

изменяя напряжение питания в пределах от 198 до 242 В и фиксируя при этом показания стрелочного прибора блока, определить погрешность показаний блока электронного dVH по формуле (6) и погрешность токового выхода dТН по формуле (7) настоящих Методических указаний;

плавно изменяя напряжение генератора, зафиксировать включение сигнализации ПР и АВ при напряжении питания 198 и 242 В относительно установленных порогов срабатывания;

определить погрешность срабатывания предупредительной dа.пр и аварийной dа.ав сигнализации по формуле

                                                                                                                  (9)

где Iу - установленный порог срабатывания предупредительной или аварийной сигнализации, мм/с;

Iи - измеренный порог срабатывания предупредительной или аварийной сигнализации, мм/с.

Устройство BBK-331 считается годным, если погрешность срабатывания сигнализации dа.пр и dа.ав не превышает 5 % установленных порогов; прекращение сигнализации происходит на 1±0,5 мм/с ниже установленных порогов; время горения лампочки ПСВР находится в пределах 5-15 с; погрешность от изменения напряжения питания dVH и dVТ не превышает 2 %.

На устройстве BBK-331 по схеме поочередно отключить и затем снова включить цепи питания усилителя вибропреобразователя +15 В, -15 В, а также ВЫХ1 и ВЫХ2. При этом должна загореться сигнализация ПОВР соответствующих блоков.

2.3.3.11. После окончания монтажа и наладки при необходимости можно провести проверку помехозащищенности устройства BBK-331 следующие образом:

установить поочередно у каждого подшипника турбогенератора и у стойки BBK-331 сварочный трансформатор на минимально возможном расстоянии;

выполнить имитацию помехи путем не менее чем трехкратного включения сварочного трансформатора у каждого подшипника и стойки BBK-331;

величина помехи фиксируется по показывающему прибору электронного блока по каждой составляющей (вертикальная, горизонтальная, осевая). Она не должна превышать 3 мм/с;

результаты испытаний протоколируются с целью фиксирования возникающей помехи и выработки необходимых мероприятий при выполнении по наряду работ, могущих вызвать указанную помеху на действующем устройстве BBK-331;

в случае, если при испытаниях возникающая помеха превышает 3 мм/с, необходимо проверить правильность и качество монтажа, заземления, экранирования (схема рис. 1) и устранить неполадки. Проверку провести повторно.

2.4. Эксплуатация устройства BBK-331

2.4.1. Устройства BBK-331 должны эксплуатироваться в соответствии с требованиями эксплуатационной документации. При эксплуатации необходимо ежедневно проверять работу устройства по показывающим приборам и индикаторным лампочкам. При ежемесячном осмотре нет обходимо проверять надежность заземления экранов кабеля, крепление и заземление защитных металлорукавов, сохранность кабеля, особенно в местах высоких температур и вибраций, надежность изоляции вибропреобразователя и металлорукава от корпуса подшипника генератора, надежность крепления вибропреобразователя и усилителя вибропреобразователя.

Обнаруженные при осмотрах неполадки необходимо устранить.

После проведения ремонтных работ в условиях эксплуатации проверку работоспособности BBK-331 допускается выполнять с помощью виброкалибровочных стендов ВКЭ-1, ВКЭ-2 или аналогичных им и работающих на частоте 50 Гц. Проверка работоспособности не заменяет периодической поверки.

2.4.2. Операции и средства проверки работоспособности

2.4.2.1. Порядок и средства проверки вибропреобразователей должны соответствовать п.2.3.1 (кроме требований к виброкалибровочному устройству).

2.4.2.2. Порядок операций и средства проверки электронных блоков устройства BBK-331 должны соответствовать п. 2.3.1.

2.4.2.3. Требования к переходнику должны соответствовать приложению.

2.4.3. Проведение проверки работоспособности

2.4.3.1. Определение емкости и сопротивления изоляции вибропреобразователей осуществляется по п. 2.3.3.

2.4.3.2. Определение погрешности преобразования вибропреобразователя осуществляется по п. 2.3.3.2 на частоте 50 Гц. При этом расчетное напряжение Up при частоте 50 Гц должно соответствовать табл. 3.

Таблица 3

Размах виброперемещений

50

100

150

200

250

Up при F = 50 Гц, мВ

07,5

175

262,5

350

437,5

2.4.3.3. Проверка нелинейности амплитудной характеристики производится на частоте 50 Гц по п. 2.3.3.3. При этом напряжение Up должно соответствовать табл. 3.

2.4.3.4. Определение неравномерности амплитудно-частотной характеристики вибропреобразователя при постоянном напряжении на выходе генератора производится по схеме рис. 2. Изменение частоты на контрольных пластинах K1 и K2 производится генератором Г3-33. Неравномерность амплитудно-частотной характеристики определяют по формуле (3).

2.4.3.5. Определение относительного коэффициента поперечного преобразования на частоте 50 Гц производится по п. 2.3.3.5.

2.4.3.6. Проверку работоспособности электронных блоков устройства BBK-331 выполнять по пп. 2.3.3.6-2.3.3.10.

Приложение

Обязательное

ТРЕБОВАНИЙ К КОНСТРУКЦИИ ПЕРЕХОДНИКА ДЛЯ КРЕПЛЕНИЯ ПОВЕРЯЕМОГО ВИБРОПРЕОБРАЗОВАТЕЛЯ К ВИБРАТОРУ ОБРАЗЦОВОЙ ВИБРАЦИОННОЙ УСТАНОВКИ

1. Переходник (см. рисунок) должен обеспечивать соосное расположение поверяемого и образцового преобразователей. Допускаемое смещение между рабочей осью поверяемого преобразователя и осью вибратора - не более 0,5 мм.

2. Допускаемое отклонение между направлениями рабочей оси вибратора и направлением рабочей оси поверяемого преобразователя не должно превышать ±0,5°.

3. Резьбовые крепления, используемые для крепления образцового и поверяемого преобразователей, должны быть выполнены по отношению к посадочной плоскости под углом 90±0,5°.

4. Параметр шероховатости по ГОСТ 2789-73 поверхностей переходника в местах соприкосновения с вибратором и преобразователем (образцовым и поверяемым) Р £ 0,10 мкм.

5. Неплоскостность поверхностей переходника в местах соприкосновения с вибратором и преобразователем (образцовым и поверяемым) не более 0,001.

6. Конструкция переходника не должна допускать резонансных явлений в промежутке между поверяемым и образцовым преобразователями, для чего необходимо обеспечить минимальное расстояние между посадочными плоскостями этих преобразователей.

7. Масса переходника с установленным на нем поверяемым преобразователем не должна превышать массы, обусловленной грузоподъемностью вибратора образцовой вибрационной установки.

8. Переходник должен обеспечивать установку поверяемого преобразователя таким образом, чтобы его рабочая ось располагалась под углом 90±0,5° относительно оси вибратора образцовой виброустановки.

9. Переходник должен обеспечить поворот поверяемого преобразователя вокруг рабочей оси на 360° плавно или через 30±2°.

Эскиз переходника

Примечание. Посадочное место выполнить в соответствии с конструкцией стола образцового виброкалибровочного устройства.




Яндекс цитирования



   Copyright © 2007-2026,  www.tehlit.ru.

[ ѓосты, стандарты, нормативы, инструкции, правила, строительные нормы ]