//
ТехЛит.ру
- крупнейшая бесплатная электронная интернет библиотека для "технически умных" людей.
WWW.TEHLIT.RU - ТЕХНИЧЕСКАЯ ЛИТЕРАТУРА

:: Алготрейдинг::


АЛГОТРЕЙДИНГ
шаг за шагом
с нуля по урокам!

Торговые роботы на PYTHON, BackTrader,
Pandas, Pine Script для TradingView. Связка с брокерами, телеграм и легкими приложениями.


 

УТВЕРЖДАЮ

 

Главный инженер

 

ОАО ЛМЗ «Свободный сокол»

 

___________ И.Н. Шищук

 

«___» ____________ 2006 г.

Трубы, фасонные части из высокопрочного чугуна с шаровидным графитом для пожарных трубопроводов

Технические условия

ТУ 1461-072-50254094-2006

Держатель подлинника - ОАО ЛМЗ «Свободный сокол»

Дата введения с

СОГЛАСОВАНО

 

РАЗРАБОТАНО

 

 

 

Начальник технического отдела

ОАО ЛМЗ "Свободный сокол"

 

______________ А.В. Минченков

 

 «___» _________ 2006 г.

Содержание

1 Область применения

Настоящие технические условия распространяются на трубы и фасонные части, изготовленные из высокопрочного чугуна с шаровидным графитом (ЧШГ) и предназначенные для эксплуатации в пожарных трубопроводах.

Трубы и фасонные части имеют фланцевые концы и изготовлены методом литья (трубы - центробежным способом литья, фасонные части – методом литья в песчаные формы).

Настоящие технические условия содержат требования к материалам, размерам, допускам, механическим свойствам, методам испытания труб, фасонных частей, фланцев с условным проходом (Dу) от 100 до 300 мм.

Трубы и фасонные части предназначены для эксплуатации в трубопроводах с допустимыми рабочими давлениями в трубопроводе 10, 16 и 25 бар.

Изготовитель поставляет:

- трубы с приваренными фланцами (тип А или Б)* в комплекте;

- фасонные части.

При заказе на поставку труб необходимо указывать индекс обозначения, условный проход, номинальное давление, номер настоящих технических условий.

Примеры условных обозначений труб и фланцев:

Труба с приваренными фланцами (тип А), длиной 5000 мм,

Dу 300 мм, номинальное давление 16 бар:

труба ЧШГФФСА-300×5000-PN16. ТУ 1461-072-50254094-2006.

Труба с приваренными фланцами (тип Б), длиной 5000 мм, Dу 300 мм, давление 10 бар:

труба ЧШГФФСБ-300×5000-PN10. ТУ 1461-072-50254094-2006.

При заказе на поставку фасонных частей необходимо указывать индекс обозначения, условный проход и, при необходимости, условный проход отростка тройника, номер настоящих технических условий. Наименование и обозначение фасонных частей устанавливаются согласно таблице 1.

Таблица 1

Наименование

Обозначение

Таблица

в схемах

в документе

Тройник фланцевый

ТФ

А.5

Колено фланцевое

УФ

А.6

Отвод фланцевый

ОФ

А.7

Переход фланцевый

ХФ

А.8

Примеры условных обозначений фасонных частей:

Фасонная часть - тройник фланцевый со стволом условного прохода 200 мм и отростком условного прохода 100 мм, номинальное давление 10 бар, обозначается следующим образом:

- ТФ 200×100-PN10. ТУ 1461-072-50254094-2006.

Фасонная часть - колено фланцевое условным проходом 100 мм, номинальное давление 16 бар, обозначается следующим образом:

- УФ 100-PN16. ТУ 1461-072-50254094-2006.

Фасонная часть - отвод фланцевый с углом 300 условным проходом 300 мм, номинальное давление 25 бар, обозначается следующим образом:

- ОФ 300×300-PN25. ТУ 1461-072-50254094-2006.

Фасонная часть - переход фланцевый с условного прохода 300 мм на 250 мм, номинальное давление 25 бар, обозначается следующим образом:

- ХФ 300×250-PN25. ТУ 1461-072-50254094-2006.

2 Нормативные ссылки

В настоящих технических условиях использованы ссылки на следующие стандарты:

ГОСТ 427-75 Линейки измерительные металлические. Технические условия.

ГОСТ 1497-84 Металлы. Методы испытания на растяжение.

ГОСТ 5631-79 Лак БТ-577 и краска БТ-177. Технические условия.

ГОСТ 7293-85 Чугун с шаровидным графитом для отливок. Марки.

ГОСТ 9012-59 Металлы. Метод измерения твердости по Бринеллю.

ГОСТ 10692-80 Трубы стальные, чугунные и соединительные части к ним. Приемка, маркировка, упаковка, транспортирование и хранение.

ГОСТ 27208-87 Отливки из чугуна. Методы механических испытаний.

ПБ 11-562-03 Правила безопасности в трубном производстве.

3 Определения

В настоящих технических условиях используются следующие определения:

3.1 высокопрочный чугун с шаровидным графитом (ЧШГ): Тип чугуна, в котором графит присутствует преимущественно в шаровидной форме.

3.2 труба: Отливка с равномерным каналом, с прямой осью, имеющая гладкий, раструбный или фланцевый концы.

3.3 фасонная часть: Присоединяемое к трубе изделие, которое обеспечивает отклонение, изменение направления трубопровода.

3.4 условный проход (Dу): Округленное цифровое обозначение условного размера, которое является общим для всех компонентов трубопроводной системы.

3.5 допустимое рабочее давление: Внутреннее давление, исключая скачки давления, которое компоненты трубопровода должны безопасно выдерживать при постоянной работе.

3.6 партия: Количество отливок, из которого выбирается образец для испытаний.

4 Технические требования

4.1 Трубы, фланцы и фасонные части должны соответствовать требованиям настоящих технических условий.

4.2 Трубы, фланцы* и фасонные части должны изготавливаться из ЧШГ.

_______________________

* Фланцы могут изготавливаться из стали, обеспечивающей механические свойства по п. 4.4

4.3 Твердость металла не должна превышать 230 HB для труб и 250 HB для фасонных частей и фланцев.

4.4 Механические свойства металла труб, фланцев и фасонных частей, определяемые при испытании образцов на растяжение, должны быть не менее:

Характеристика

Величина (трубы / фланцы, фас. части)

- Временное сопротивление σв, МПа

420 / 420

- Условный предел текучести σт, МПа

300 / 300

- Относительное удлинение δ, %

10,0 / 5,0

Примечание - Величина предела текучести контролируется по требованию потребителя.

4.5 Трубы должны выдерживать испытательное гидравлическое давление не менее 50 бар. Фасонные части должны выдерживать испытательное гидравлическое давление не менее 25 бар или давление сжатым воздухом не менее 1 бар.

4.6 На наружной и внутренней поверхностях труб и фасонных частей допускаются отдельные литейные дефекты глубиной, не превышающих поле допуска на толщину стенки трубы и фасонных частей.

4.7 Допускается исправление дефектов трубы и фасонных частей заваркой с последующей зачисткой мест заварки. После исправления дефектов, трубы и фасонные части должны пройти повторное испытание по 4.5.

4.8 Трубы не должны иметь отклонение от прямолинейности на величину более 0,125 % от их длины.

4.9 Размеры и масса труб, фланцев и фасонных частей должны соответствовать величинам, указанным в таблицах А.1-А.8 и на рисунках А.1-А.8 (приложение А).

Трубы поставляются мерной длиной (L), равной (5000 ±10) мм.

Допустимые отклонения по длине фасонных частей - ±10 мм.

4.10 Предельные отклонения по толщине стенки труб (S) и по наружному диаметру цилиндрической части (Dн) не должны превышать величин, указанных в таблицах А.1-А.2 (приложение А). Плюсовой допуск по толщине стенки труб и фасонных частей ограничивается допуском на массу.

4.11 Отклонение фактической массы труб и фасонных частей от теоретической не должно превышать:

± 8%………. для фасонных частей и труб Dу от 100 до 200 мм включительно;

± 5%………. для труб Dу 250-300 мм включительно.

Примечание - Допускается превышение максимальной массы труб и фасонных частей при соблюдении всех остальных требований настоящих технических условий.

4.12 Трубы и фасонные части должны быть маркированы краской или иметь литую маркировку. На трубах и фасонных частях должны быть нанесены следующие обозначения:

- товарный знак предприятия-изготовителя;

- условный проход*;

- год изготовления;

- обозначение, что материалом является чугун с шаровидной формой графита (ЧШГ).

____________________

* Для фасонных частей указывается условный проход ствола (Dу) и при необходимиости условный проход отростка (dу)

4.13 Упаковка труб и фасонных частей и оформление документации должна производиться в соответствии с требованиями ГОСТ 10692.

4.14 Трубы и фасонные части поставляются без покрытия. По заказу потребителя на трубы и фасонные части может быть нанесено внешнее покрытие битумным лаком по ГОСТ 5631 или другим консервационным материалом.

5 Требования безопасности и охраны окружающей среды

5.1 Трубы и фасонные части взрыво-безопасны, нетоксичны, электро-безопасны и радиационно-безопасны. Специальных мер безопасности в течение всего срока службы труб не требуется.

5.2 Безопасность труб и фасонных частей в процессе эксплуатации обеспечивается:

- механическими и технологическими свойствами;

- высокой хладостойкостью и коррозионностойкостью металла;

- проведением гидро- и пневмоиспытаний;

- применением защитных покрытий.

При испытании, хранении, транспортировании и эксплуатации трубы и фасонные части являются экологически безопасной продукцией.

Отходы производства труб и фасонных частей следует использовать для переработки.

6 Правила приемки

Трубы и фасонные части предъявляются к приемке партиями. Количество проверяемых в партии отливок устанавливается предприятием-изготовителем.

Трубы и фасонные части подвергаются следующим видам контроля:

- визуальный контроль;

- измерительный контроль;

- гидравлическое испытание;

- контроль твердости;

- контроль механических свойств.

Осмотру и измерительному контролю должна быть подвергнута каждая труба и фасонная часть.

Гидроиспытанию должна быть подвергнута каждая труба. Каждая фасонная часть подвергается гидравлическому или пневматическому испытанию.

Проверка твердости и механических свойств металла труб проводится на образцах, изготовленных из любой трубы в проверяемой партии. Проверка твердости и механических свойств металла фасонных частей проводится на одном изделии от партии или отдельно отлитом образце.

При получении неудовлетворительных результатов испытаний хотя бы по одному из показателей, указанных в 4.4, проводятся повторные испытания по этому показателю удвоенного количества образцов взятых от той же партии.

Результаты повторных испытаний распространяются на всю партию.

Допускается в случае неудовлетворительных результатов повторных испытаний подвергать каждое изделие поштучному контролю по невыполняемому показателю.

Результаты гидравлического испытания труб и фасонных частей считаются удовлетворительными, если на их наружной поверхности не обнаружено видимой протечки, выпотевания или другого признака повреждения. Результаты пневматического испытания фасонных частей считаются удовлетворительными, если на поверхности изделия не обнаружено нарушения герметичности.

7 Методы контроля

7.1 Для контроля механических свойств металла труб от гладкого конца отобранной трубы отрезают кольцо, из которого изготавливают 3 образца.

7.2 Для контроля механических свойств металла фасонных частей применяют отдельно отлитые заготовки согласно ГОСТ 7293 или образцы, изготовленные из деталей.

7.3 Изготовление и испытание образцов проводятся согласно ГОСТ 1497 и ГОСТ 27208.

7.4 Испытание на твердость металла труб и фасонных частей проводится по ГОСТ 9012.

7.5 Гидравлическое испытание труб и фасонных частей, а также пневматическое испытание фасонных частей проводится по методике завода-изготовителя.

7.6 Осмотр труб и фасонных частей производится визуально.

7.7 Геометрические размеры труб и фасонных частей контролируются стандартными мерительными инструментами по ГОСТ 427 или инструментом, изготовленным по чертежам завода-изготовителя.

7.8 Проверка прямолинейности труб проводится визуально. В случае сомнения, отклонение может быть измерено линейкой и щупами или другими методами по методике завода-изготовителя.

8 Транспортирование и хранение

8.1 Транспортирование и хранение труб и фасонных частей должны производиться в соответствии с требованиями ГОСТ 10692.

8.2 Трубы транспортируются в пакетах. Фасонные части одного типоразмера увязываются в связки или упаковываются в ящики, решетки или контейнеры.

8.3 Хранение труб на складах и строительных площадках без транспортных пакетов должно производиться в штабелях, уложенных на ровных площадках. Нижние и последующие ряды укладываются на прокладки. Фасонные части должны храниться на ровных площадках.

Допускается складирование труб без прокладок на специальных стеллажах, исключающих раскатывание и повреждение труб.

8.4 При хранении труб высота штабеля согласно ПБ 11-562-03 не должна превышать 2-х метров.

8.5 На каждую отгружаемую потребителю партию труб Поставщик выдает документ о качестве, в котором должны быть указаны: наименование предприятия-изготовителя, диаметр труб, их количество и общая длина в метрах, теоретическая масса, величина гидроиспытания, предел прочности при растяжении, относительное удлинение и твердость металла труб.

8.6 На каждую отгружаемую потребителю партию фасонных частей Поставщик выдает документ о качестве, в котором должны быть указаны: наименование предприятия-изготовителя, индекс обозначения фасонных частей, диаметры условный проход ствола (и при необходимости отростка), количество изделий, теоретическая масса, предел прочности при растяжении, относительное удлинение и твердость металла фасонных частей.

Приложение А

(обязательное)

Рисунок А.1 - Труба с приваренными фланцами (тип А)

Таблица А.1

Размеры в миллиметрах

Dу

Dн

S

Масса одного приваренного фланца, кг

Масса 1 м трубы без фланца, кг

Масса трубы с фланцами, кг при расчетной длине 5000 мм

100

7,2-1,4

2,8

18,2

96,6

150

7,8-1,5

4,5

28,8

153

200

8,4-1,5

6,4

40,9

217,3

250

9,0-1,6

9,0

54,3

289,5

300

9,6-1,6

11,7

69,2

369,4

Рисунок А.2 -Труба с приваренными фланцами (тип Б)

Таблица А.2

Размеры в миллиметрах

Dу

Dн

S

Масса одного приваренного фланца, кг

Масса 1 м трубы без фланца, кг

Масса трубы с фланцами, кг при расчетной длине 5000 мм

100

7,2-1,4

3,4

18,2

97,8

150

7,8-1,5

5,2

28,8

154,4

200

8,4-1,5

7,2

40,9

218,9

250

9,0-1,6

10,0

54,3

291,5

300

9,6-1,6

13,0

69,2

372

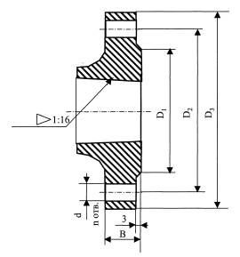
Рисунок А.3 - Фланец (тип А)

Таблица А.3

Размеры в миллиметрах

Dу

D4

PN, бар

D1

D2

D3

d

B

n

Масса фланца, кг

100

118

10

153

180

220

19

19

8

2,8

16

153

180

220

19

19

8

25

159

190

235

23

19

8

150

170

10

209

240

285

23

19

8

4,5

16

209

240

285

23

19

8

25

214

250

300

28

20

8

200

222

10

264

295

340

23

20

8

6,4

16

264

295

340

23

20

12

25

274

310

360

28

22

12

250

274

10

319

350

400

23

22

12

9,0

16

319

355

400

28

22

12

25

331

370

425

31

24,5

12

300

326

10

367

400

455

23

24,5

12

11,7

16

367

410

455

28

24,5

12

25

389

430

485

31

27,5

16

Рисунок А.4 - Фланец (тип Б)

Таблица А.4 Размеры в миллиметрах

Dу

PN, бар

D1

D2

D3

d

B

n

Масса фланца, кг

100

10

153

180

220

19

19

8

3,4

16

153

180

220

19

19

8

25

159

190

235

23

19

8

150

10

209

240

285

23

19

8

5,2

16

209

240

285

23

19

8

25

214

250

300

28

20

8

200

10

264

295

340

23

20

8

7,2

16

264

295

340

26

20

12

25

274

310

360

28

22

12

250

10

319

350

400

23

22

12

10,0

16

319

355

400

28

22

12

25

331

370

425

31

24,5

12

300

10

367

400

455

23

24,5

12

13,0

16

367

410

455

28

24,5

12

25

389

430

485

31

27,5

16

Рисунок А.5 - Тройник фланцевый

Таблица А.5

В миллиметрах

Dу×dу

Ствол

Отросток

S

L

S1

L1

100×100

8,4

360

8,4

180

150×100

150×150

9,1

9,1

380

440

8,4

9,1

205

220

200×100

200×150

200×200

9,8

9,8

9,8

400

460

520

8,4

9,1

9,8

230

245

260

250×100

250×150

250×200

250×250

10,5

10,5

10,5

10,5

425

485

540

600

8,4

9,1

9,8

10,5

270

280

290

300

300×100

300×150

300×200

300×250

300×300

11,2

11,2

11,2

11,2

11,2

450

505

565

620

680

8,4

9,1

9,8

10,5

11,2

300

310

320

330

340

 

Рисунок А.6 - Колено фланцевое

Таблица А.6

В миллиметрах

Dy

S

DН

L

100

7,2

118

180

150

7,8

170

220

200

8,4

222

260

250

9,0

274

350

300

9,6

326

400

Рисунок А.7 - Отвод фланцевый

Таблица А.7

В миллиметрах

Dу

Dn

S

l

α =11°15'

α =22°30'

α =30°

α = 45°

100

118

7,2

140

140

140

140

150

170

7,8

160

160

160

160

200

222

8,4

180

180

180

180

250

274

9,0

245

245

245

245

300

326

9,6

275

275

275

275

Рисунок А.8 - Переход фланцевый

Таблица А.8

В миллиметрах

Dу×dу

Dn

dn

S1

S2

L

150×100

170

118

7,8

7,2

200

200×100

222

118

8,4

7,2

300

200×150

222

170

8,4

7,8

300

250×200

274

222

9,0

8,4

300

300×200

326

222

9,0

8,4

300

300×250

326

274

9,6

9,0

300

9 Лист регистрации изменений

Номер изменения

Дата утверждения

Перечень измененных пунктов

Дата введения в действие изменения

 

 

 

 

 

 

 

 

 

 

 

 

 

 

 

 

 

 

 

 

 

 

 

 

 

 

 

 

 

 

 

 

 

 

 

 

 

 

 

 

 

 

 

 

 

 

 

 

 




Яндекс цитирования



   Copyright © 2007-2026,  www.tehlit.ru.

[ ѓосты, стандарты, нормативы, инструкции, правила, строительные нормы ]