//
|
|
Взрывоопасные среды Часть 1 ОБОРУДОВАНИЕ С ВИДОМ ВЗРЫВОЗАЩИТЫ «ВЗРЫВОНЕПРОНИЦАЕМЫЕ ОБОЛОЧКИ «d»» IEC 60079-1:2007
Предисловие Цели и принципы стандартизации в Российской Федерации установлены Федеральным законом от 27 декабря 2002 г. № 184-ФЗ «О техническом регулировании», а правила применения национальных стандартов Российской Федерации - ГОСТ 1.0-2004 «Стандартизация в Российской Федерации. Основные положения» Сведения о стандарте 1 ПОДГОТОВЛЕН Автономной некоммерческой национальной организацией «Ех-стандарт» (АННО «Ех-стандарт») 2 ВНЕСЕН Техническим комитетом по стандартизации ТК 403 «Взрывозащищенное и рудничное оборудование» 3 УТВЕРЖДЕН И ВВЕДЕН В ДЕЙСТВИЕ Приказом Федерального агентства по техническому регулированию и метрологии от 19 августа 2008 г. № 180-ст 4 Настоящий стандарт модифицирован по отношению к международному стандарту МЭК 60079-1:2007 Взрывоопасные среды. Часть 1. Оборудование с видом взрывозащиты «взрывонепроницаемые оболочки «d» (IEC 60079-1:2007 Explosive atmospheres - Part 1: Equipment protection by flameproof enclosures «d») путем внесения дополнительных требований и технических отклонений 5 ВВЕДЕН ВПЕРВЫЕ Информация об изменениях к настоящему стандарту публикуется в ежегодно издаваемом указателе «Национальные стандарты», а текст изменений и поправок - в ежемесячно издаваемых информационных указателях «Национальные стандарты». В случае пересмотра (замены) или отмены настоящего стандарта соответствующее уведомление будет опубликовано в ежемесячно издаваемом информационном указателе «Национальные стандарты». Соответствующая информация, уведомления и тексты размещаются также в информационной системе общего пользования - на официальном сайте Федерального агентства по техническому регулированию и метрологии в сети Интернет Введение Стандарт разработан для обеспечения Федерального закона «О промышленной безопасности опасных производственных объектов». Стандарт МЭК 60079-1 (пятое издание), на основе которого разработан настоящий стандарт, включен в международную систему сертификации МЭК Ех и европейскую систему сертификации на основе Директивы 94/9 ЕС. Настоящий стандарт полностью повторяет нумерацию и названия пунктов, а также гарнитуру текста стандарта МЭК 60079-1. Для нормативного обеспечения данного вида взрывозащиты следует использовать совместно ГОСТ Р 51330.1-99 (МЭК 60079-1:98) и настоящий стандарт. В настоящий стандарт дополнительно включены требования к резьбе: - пункт 5.3, таблица 4: Резьбы должны соответствовать требованиям R и Rс по ГОСТ 6211-81 или NPT по ANSI/ASME B1.20.1 и иметь профиль, обеспечивающий плотную затяжку. Дополнения выделены курсивом. СодержаниеНАЦИОНАЛЬНЫЙ СТАНДАРТ РОССИЙСКОЙ ФЕДЕРАЦИИ
Дата введения - 2010-07-01 1 Область примененияНастоящий стандарт содержит специальные требования к конструкции и испытанию оборудования с видом взрывозащиты «взрывонепроницаемые оболочки «d», предназначенного для использования во взрывоопасных газовых средах. Требования, установленные настоящим стандартом, дополняют и изменяют общие требования, изложенные в ГОСТ Р 52350.0 для вида взрывозащиты «d». В случае если требования настоящего стандарта вступают в противоречие с требованиями ГОСТ Р 52350.0, то выполняются требования настоящего стандарта. 2 Нормативные ссылкиВ настоящем стандарте использованы нормативные ссылки на следующие стандарты: ГОСТ Р МЭК 86-1-96, Батареи первичные. Часть 1. Общие положения ГОСТ Р 50537-93 (МЭК 127-1-88) Миниатюрные плавкие предохранители. Терминология для миниатюрных плавких предохранителей и общие требования к миниатюрным плавким вставкам ГОСТ Р 50538-93 (МЭК 127-2-89) Миниатюрные плавкие предохранители. Трубчатые плавкие вставки ГОСТ Р 50539-93 (МЭК 127-3-88) Миниатюрные плавкие предохранители. Субминиатюрные плавкие вставки ГОСТ Р 52350.0-2005 (МЭК 60079-0:2004) Оборудование для взрывоопасных газовых сред. Часть 0. Общие требования ГОСТ Р 52350.1.1-2006 (МЭК 60079-1-1:2002) Оборудование для взрывоопасных газовых сред. Часть 1-1. Взрывонепроницаемые оболочки «d». Метод испытания для определения безопасного экспериментального максимального зазора ГОСТ Р 52350.7-2005 (МЭК 60079-7:2006) Оборудование для взрывоопасных газовых сред. Часть 7. Повышенная защита вида «е» ГОСТ Р 52350.11-2005 (МЭК 60079-11:2006) Оборудование для взрывоопасных газовых сред. Часть 11. Искробезопасная электрическая цепь «i» ГОСТ Р 52350.14-2006 (МЭК 60079-14:2002) Электрооборудование для взрывоопасных газовых сред. Часть 14. Электроустановки во взрывоопасных зонах (кроме подземных выработок) ГОСТ Р 52350.26-2007 (МЭК 60079-26:2006) Взрывоопасные среды. Часть 26. Оборудование с уровнем взрывозащиты Ga ГОСТ 6211-81 Основные нормы взаимозаменяемости. Резьба трубная коническая ГОСТ 6357-81 Основные нормы взаимозаменяемости. Резьба трубная цилиндрическая ГОСТ 14254-96 (МЭК 529-89) Степени защиты, обеспечиваемые оболочками (Код IP) ГОСТ 16093-2004 (ИСО 965-1:1998, ИСО 965-3:1998) Резьбы ИСО метрические общего назначения. Допуски. Часть 3. Отклонения для конструкционных резьб ГОСТ 27473-87 (МЭК 112-79) Материалы электроизоляционные твердые. Методы определения нормативного и сравнительного индексов трекингостойкости ГОСТ 28173-89 (МЭК 34-1-83) Машины электрические вращающиеся. Номинальные данные и рабочие характеристики Примечание - При пользовании настоящим стандартом целесообразно проверить действие ссылочных стандартов в информационной системе общего пользования - на официальном сайте Федерального агентства по техническому регулированию и метрологии в сети Интернет или по ежегодно издаваемому информационному указателю «Национальные стандарты», который опубликован по состоянию на 1 января текущего года, и по соответствующим ежемесячно издаваемым информационным указателям, опубликованным в текущем году. Если ссылочный стандарт заменен (изменен), то при пользовании настоящим стандартом следует руководствоваться заменяющим (измененным) стандартом. Если ссылочный стандарт отменен без замены, то положение, в котором дана ссылка на него, применяется в части, не затрагивающей эту ссылку. 3 Термины и определенияВ настоящем стандарте, в дополнение к ГОСТ Р 52350.0, применены следующие термины с соответствующими определениями: 3.1 взрывонепроницаемая оболочка «d» (flameproof enclosure «d»): Оболочка, в которой заключенные в нее части способны воспламенять взрывоопасную газовую среду, и которая способна выдерживать давление внутреннего взрыва взрывоопасной смеси без передачи воспламенения в окружающую взрывоопасную газовую среду, окружающую оболочку. 3.2 объем оболочки (volume): Общий внутренний объем оболочки. Однако, если оболочка содержит встроенные элементы, то объемом оболочки считается оставшийся свободным объем. Примечание - Объем светильника определяется без лампы светильника. 3.3 взрывонепроницаемое соединение (flameproof joint): Соединение поверхностей двух частей оболочки или соединение оболочек, выполненное таким образом, что оно предотвращает распространение внутреннего взрыва во взрывоопасную газовую среду, окружающую оболочку. 3.4 длина взрывонепроницаемого соединения (width of flameproof joint) L: Кратчайшее расстояние по взрывонепроницаемому соединению от внутренней до наружной части взрывонепроницаемой оболочки. Примечание - Настоящее определение не распространяется на резьбовые соединения. 3.5 длина до отверстия (distance) l: Кратчайшее расстояние по взрывонепроницаемому соединению до отверстия, прерывающего длину соединения L, и предназначенное для крепежных деталей для сборки частей взрывонепроницаемой оболочки. 3.6 зазор взрывонепроницаемого соединения (gap of flameproof joint) I: Расстояние между соответствующими поверхностями взрывонепроницаемого соединения после сбора оболочки оборудования. Примечание - Для цилиндрических поверхностей, образующих цилиндрические соединения, зазор - это разность между двумя диаметрами: цилиндрического компонента и отверстия под него (диаметральный зазор). 3.7 безопасный экспериментальный максимальный зазор (для взрывоопасной смеси) БЭМЗ (maximum experimental safe gap (for explosive mixture) MESG): Максимальный зазор соединения длиной 25 мм, предотвращающий передачу взрыва, при проведении десяти испытаний в условиях, указанных в ГОСТ Р 52350.1.1. 3.8 вал (shaft): Деталь круглого поперечного сечения, применяемая для передачи вращательного движения. 3.9 тяга или валик управления (operating rod): Деталь, применяемая для передачи движений управления, которые могут быть вращательными или поступательными, или сочетанием обоих. 3.10 поджатие (pressure - piling): Повышение давления газовой смеси в отсеке или отделении оболочки в результате ее первоначального воспламенения в другом отсеке или отделении оболочки. 3.11 быстрооткрываемая крышка или дверь (quick-acting door or cover): Крышка или дверь, снабженная устройством для открывания и закрывания простым действием (движением рычага или вращением колеса). Устройство сконструировано таким образом, что действие происходит в две стадии: - запирание или отпирание; - открывание или закрывание. 3.12 крышка или дверь, зафиксированная резьбовыми крепежными деталями (door or cover fixed by threaded fasteners): Крышка или дверь, при открытии или закрытии которой используют одну или несколько резьбовых крепежных деталей (винтов, шпилек, болтов или гаек). 3.13 резьбовая крышка или дверь (threaded door or cover): Крышка или дверь, которая монтируется во взрывонепроницаемой оболочке с помощью резьбового взрывонепроницаемого соединения. 3.14 разгрузочное (дыхательное) устройство (breathing device): Устройство, обеспечивающее обмен между средой внутри оболочки и окружающей средой и поддерживающее целостность вида взрывозащиты оболочки. 3.15 дренажное (сливное) устройство (draining device): Устройство, обеспечивающее вытекание водяного конденсата из оболочки и поддерживающее целостность вида взрывозащиты оболочки. 3.16 Ex-заглушка (Ex blanking element): Резьбовая заглушка, испытуемая отдельно от оболочки оборудования, но сертифицируемая в составе оборудования и предназначенная для установки на оболочке оборудования без дополнительного рассмотрения. Примечания 1 Это не исключает сертификацию заглушек как Ex-компонентов в соответствии с ГОСТ Р 52350.0. Примеры Ex-заглушек приведены на рисунке 22. 2 Нерезьбовые заглушки не являются оборудованием. 3.17 резьбовой Ex-переходник (Ex thread adapter): Резьбовой переходник, испытуемый отдельно от оболочки оборудования, но сертифицируемый в составе оборудования и предназначенный для установки на оболочке оборудования без дополнительного рассмотрения. Примечание - Это не исключает сертификацию резьбовых переходников как Ex-компонентов в соответствии с МЭК 60079-0. Примеры резьбовых Ex-переходников приведены на рисунке С.2. 3.18 Ex-компонент оболочка (Ex component enclosure): Пустая взрывонепроницаемая оболочка с сертификатом на Ex-компонент без указания внутреннего оборудования, чтобы пустая оболочка могла быть включена в сертификат на оборудование без необходимости повторного проведения типовых испытаний. 4 Классификация оборудования по группам и температурным классамКлассификация оборудования по группам и температурным классам, принятая в ГОСТ Р 52350.0, по применению взрывозащищенного оборудования во взрывоопасных газовых средах, применима к взрывонепроницаемым оболочкам. Для оборудования группы II также используются подгруппы А, В и С. 5 Взрывонепроницаемые соединения5.1 Общие требованияВсе взрывонепроницаемые соединения, постоянно закрытые и сконструированные для периодического открывания, в отсутствие давления должны удовлетворять соответствующим требованиям раздела 5. Конструкция взрывонепроницаемых соединений должна соответствовать механическим требованиям, применяемым к ней. Размеры, указанные в 5.2 - 5.5 включительно, являются минимальными или максимальными значениями, которые могут применяться с основными параметрами взрывонепроницаемых соединений. В случаях, когда размеры взрывонепроницаемых соединений не соответствуют минимальным или максимальным значениям (например, в целях обеспечения соответствия условиям испытания на взрывонепроницаемость), на оборудование должна быть нанесена маркировка «X» согласно 29.2 перечисление i) ГОСТ Р 52350.0, и условия применения, указанные в сертификате, должны соответствовать одному из следующих требований: a) должны быть четко определены размеры взрывонепроницаемых соединений; или b) должна быть приведена ссылка на специальный рисунок, на котором указаны размеры взрывонепроницаемых соединений; или c) должно быть приведено конкретное руководство о необходимости обращения к изготовителю для получения сведений о размерах взрывонепроницаемых соединений. Поверхности взрывонепроницаемых соединений могут иметь защитное покрытие против коррозии. Не допускается покрытие поверхностей, образующих взрывонепроницаемые соединения, краской или покрытием из порошкового материала. Может быть использован другой материал покрытия, если материал и применяемая процедура нанесения покрытия не нарушают свойства взрывозащиты соединения. Поверхности взрывонепроницаемых соединений до сборки могут быть покрыты консистентной смазкой, препятствующей образованию коррозии. Применяемая смазка не должна затвердевать вследствие старения, содержать испаряемые растворители и не должна вызывать коррозию поверхностей соединений. Проверку возможности применения той или иной смазки следует проводить в соответствии с техническими характеристиками, установленными изготовителем. Поверхности взрывонепроницаемых соединений могут иметь гальваническое покрытие. Толщина покрытия металла должна быть не более 0,008 мм. 5.2 Нерезьбовые соединения5.2.1 Длина соединения Длина соединения L должна быть не менее минимальных значений, указанных в таблицах 1 и 2. Длина соединений цилиндрических металлических деталей, впрессованных в стенки металлических взрывонепроницаемых оболочек, объемом не более 2000 см3 может быть снижена до 5 мм, если: - конструкция не зависит только от неподвижной посадки, предотвращающей смещение детали при проведении испытаний типа по разделу 15; и - компоновочный узел выдерживает испытания на удар по ГОСТ Р 52350.0, учитывая наихудший (по допускам) вариант неподвижной посадки; и - наружный диаметр запрессованной детали, на котором измеряют длину соединения, не превышает 60 мм. Таблица 1 - Минимальная длина соединения и максимальный зазор для оболочек группы I, подгрупп IIА и IIВ
Таблица 2 - Минимальная длина соединения и максимальный зазор для оболочек подгруппы IIС
5.2.2 Зазор Зазор i, при его наличии между поверхностями соединения, не должен превышать максимальные значения, указанные в таблицах 1 и 2. Поверхности взрывонепроницаемых соединений должны быть обработаны так, чтобы средняя шероховатость Ra не превышала 6,3 мкм по ИСО 468 [2]. В плоских соединениях не допускается наличие преднамеренного зазора, за исключением быстрооткрываемых крышек или дверей. В оборудовании группы I должна быть предусмотрена возможность прямой или косвенной проверки зазора плоских соединений крышек и дверей, предназначенных для периодического открывания. На рисунке 1 показан пример конструкции для косвенной проверки взрывонепроницаемого соединения.
Рисунок 1 - Пример конструкции для косвенной проверки плоского взрывонепроницаемого соединения группы I 5.2.3 Плоскоцилиндрические соединения Для определения длины L плоскоцилиндрических соединений учитывают следующие конструкционные особенности: - если соединение состоит из цилиндрической и плоской частей (рисунок 2 а), то зазор не должен превышать максимальных значений, указанных в таблицах 1 и 2; - если соединение состоит только из цилиндрической части (рисунок 2 b), то параметры плоской части могут не соответствовать указанным значениям (см. таблицы 1 и 2). Примечание - Требования к прокладкам приведены в 5.4.
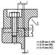
Рисунок 2 - Плоскоцилиндрические соединения 5.2.4 Отверстия во взрывонепроницаемых соединениях Если плоское соединение или плоская часть, или частично цилиндрическая часть поверхности соединения (см. 5.2.6) прерывается отверстиями, предназначенными для сборки частей взрывонепроницаемой оболочки резьбовыми крепежными деталями, то длина до отверстия l должна быть равна или составлять более: - 6 мм при длине соединения L менее 12,5 мм; - 8 мм при длине соединения L, равной или более 12,5 мм, но менее 25 мм; - 9 мм при длине соединения L, равной или более 25 мм. Примечание - Требования к отверстиям с зазорами под крепежные детали приведены в ГОСТ Р 52350.0. Длину до отверстия l определяют следующим образом: 5.2.4.1 Плоские соединения с отверстиями снаружи оболочки (рисунки 3 и 5) Длину до отверстия l следует измерять между каждым отверстием и внутренней частью оболочки. 5.2.4.2 Плоские соединения с отверстиями внутри оболочки (рисунок 4) Длину до отверстия l измеряют между каждым отверстием и внешней частью оболочки. 5.2.4.3 Плоскоцилиндрические соединения, где на участке до отверстия соединение состоит из цилиндрической и плоской частей (рисунок 6) Длину до отверстия l определяют как: - сумму длин цилиндрической а и плоской b частей соединения, если размер фаски f меньше или равен 1 мм, и если зазор цилиндрической части меньше или равен 0,2 мм для оборудования группы I и подгруппы IIА, 0,15 мм - для подгруппы IIВ или 0,1 мм - для подгруппы НС (уменьшенный зазор); или - длину b только плоской части, если одно из указанных выше условий не выполняется.
1 - внутренняя часть оболочки Рисунки 3, 4, 5 - Отверстия на поверхностях плоских соединений Рисунки 6, 7, 8 - Отверстия на поверхностях плоскоцилиндрических соединений 5.2.4.4 Плоскоцилиндрические соединения, у которых на участке до отверстия соединение состоит только из плоской части (рисунки 7 и 8), если допускается применение плоских соединений (5.2.7) Длиной до отверстия l является длина плоской части между внутренней частью оболочки и отверстия, если отверстие находится снаружи оболочки (рисунок 7), или между отверстием и наружной частью оболочки, если отверстие находится внутри оболочки (рисунок 8). 5.2.5 Конические соединения Если соединения включают в себя конические поверхности, то длина соединения и зазор, измеренный по нормали к поверхности, должны соответствовать значениям, указанным в таблицах 1 и 2. Зазор должен быть одинаковым по всей конической части. Для оборудования подгруппы IIС угол конуса не должен превышать 5°. Примечание - Углом конуса является угол между вертикальной осью и поверхностью конуса. 5.2.6 Соединения с частично цилиндрическими поверхностями (для подгруппы IIС - не допускаются) Не допускается преднамеренное наличие зазора между двумя поверхностями (рисунок 9 а). Длина соединения должна соответствовать значениям, указанным в таблице 1. Диаметры цилиндрических поверхностей двух частей, образующих взрывонепроницаемое соединение, и их допуски должны соответствовать требованиям к зазорам цилиндрических соединений, приведенным в таблице 1.
Рисунок 9 а - Пример соединения с частично цилиндрическими поверхностями 5.2.7 Плоские соединения для применения в средах, содержащих ацетилен Для оборудования подгруппы IIС, предназначенного для использования во взрывоопасных газовых средах, содержащих ацетилен, применение плоских соединений не допускается, за исключением, если a) зазор i ≤ 0,04 мм, b) длина L ≥ 9,5 мм и c) объем оболочек не превышает 500 см3. 5.2.8 Зубчатые соединения Параметры зубчатых соединений могут не соответствовать требованиям, указанным в таблицах 1 и 2. Зубчатое соединение должно иметь: a) не менее пяти зубцов с полным зацеплением; b) шаг зубчатого соединения, равный или более 1,25 мм; c) угол профиля (60 ± 5)°. Зубчатые соединения не должны использоваться в движущихся частях. Зубчатые соединения должны удовлетворять требованиям испытаний по 15.2 с испытательным зазором iЕ между сопряженными зубцами, указанным в 15.2, исходя из максимального конструкционного зазора iC, установленного изготовителем. Если значение максимального конструкционного зазора, установленное изготовителем, отличается от указанного в таблицах 1 и 2 для плоских соединений той же длины (определяемого как произведение шага на число зубцов), должны выполняться требования 5.1 (см. рисунок 9 b).
Рисунок 9 b - Пример зубчатого соединения 5.3 Резьбовые соединенияРезьбовые соединения должны соответствовать значениям, указанным в таблицах 3 и 4. Таблица 3 - Цилиндрические резьбовые соединения
Таблица 4 - Конические резьбовые соединения а)
5.4 Уплотнительные прокладки (включая О-образные кольца)Если применяется прокладка из пластичного или эластичного материала (например, для защиты от доступа влаги, пыли или утечки жидкостей), то она должна применяться как дополнение, то есть не должна приниматься во внимание при определении длины взрывонепроницаемого соединения и прерывать ее. Прокладку следует устанавливать таким образом, чтобы она обеспечивала: - допустимый зазор и длину плоских соединений или плоской части плоскоцилиндрических соединений; - минимальную длину цилиндрического соединения или цилиндрической части плоскоцилиндрического соединения до и после сжатия. Эти требования не применяют к кабельным вводам (см. 13.1) или к соединениям, содержащим металлическую прокладку или прокладку из негорючего пластичного материала с металлической обшивкой. Такая уплотнительная прокладка способствует защите от взрыва, и зазор между каждой поверхностью плоской части следует измерять после сжатия. Минимальная длина цилиндрической части должна быть обеспечена до и после сжатия.
Рисунки 10-16 - Требования к прокладкам 5.5 Капилляры, используемые в оборудованииРазмеры зазоров капилляров должны соответствовать значениям, указанным в таблицах 1 и 2 для цилиндрических соединений (цифра 0 обозначает диаметр внутренней части). Если капилляры по размерам зазоров не соответствуют значениям из вышеуказанных таблиц, то оценку оборудования следует проводить испытанием оболочки на взрывонепроницаемость по 15.2. 6 Герметизированные соединения6.1 Общие требованияЧасти взрывонепроницаемой оболочки могут быть заделаны герметично или непосредственно в стенку оболочки, составляя с ней единое целое, или загерметизированы в металлическую оправу так, чтобы весь узел можно было заменить целиком без повреждения герметика. Если герметизированное соединение не отвечает требованиям раздела 5, то оно в отсутствие герметика должно подвергаться испытаниям на теплостойкость и холодостойкость по ГОСТ Р 52350.0. 6.2 Механическая прочностьГерметизированные соединения применяют только для обеспечения герметизации взрывонепроницаемой оболочки, частью которой они являются. Конструкция должна быть такой, чтобы механическая прочность сборки не зависела от одной только адгезии герметика. Избыточное давление и время испытаний герметизированных соединений должны соответствовать требованиям 15.1.3, а результаты испытаний по С.3.1.1. 6.3 Длина герметизированных соединенийКратчайшее расстояние по герметизированному соединению из внутренней в наружную часть взрывонепроницаемой оболочки, объемом V, должно быть: ≥ 3 мм .... при V ≤ 10 см3, ≥ 6 мм .... при 10 см3 < V ≤ 100 см3, ≥ 10 мм .... при V > 100 см3. 7 Тяги и валики управленияТам, где тяги или валики управления проходят сквозь стенку взрывонепроницаемой оболочки, следует соблюдать следующие требования. 7.1 Если диаметр тяги или валика управления превышает минимальную длину соединения, указанную в таблицах 1 и 2, то длина соединения должна быть по меньшей мере равна диаметру тяги или валика управления, но может не превышать 25 мм. 7.2 Если существует вероятность увеличения диаметрального зазора вследствие износа при нормальной эксплуатации, то следует предусмотреть возможность восстановления детали для обеспечения первоначального состояния, например сменой втулки. Увеличение зазора вследствие износа также возможно предотвратить применением подшипников согласно разделу 8. 8 Дополнительные требования к валам и подшипникам8.1 Соединения валовКонструкция взрывонепроницаемых соединений вращающихся электрических машин должна исключать износ при нормальной эксплуатации. Взрывонепроницаемые соединения могут быть: - цилиндрическими (рисунок 17), - лабиринтными (рисунок 18), - с плавающими втулками (рисунок 19).
1 - зазор; 2 - стопор для предотвращения проворачивания втулки Рисунок 19 -
Соединение с плавающими
втулками для валов 8.1.1 Цилиндрические соединения Если цилиндрические соединения содержат маслоулавливающие канавки, участок с канавками не следует учитывать при определении длины взрывонепроницаемого соединения или он не должен прерывать цилиндрические соединения (см. рисунок 17). Минимальный радиальный зазор к (см. рисунок 20) взрывонепроницаемого соединения вала вращающихся электрических машин должен быть не менее 0,05 мм.
k - минимальный радиальный зазор; m - максимальный радиальный зазор с учетом k; D - d - диаметральный зазор Рисунок 20 - Соединение вала с подшипниковым щитом вращающихся электрических машин 8.1.2 Лабиринтные соединения Лабиринтные соединения, параметры которых не соответствуют указанным в таблицах 1 и 2, могут считаться удовлетворяющими требованиям настоящего стандарта, если они выдерживают испытания в соответствии с разделами 14 - 16. Минимальный радиальный зазор k (см. рисунок 20) взрывонепроницаемого соединения вала вращающихся электрических машин должен быть не менее 0,05 мм. 8.1.3 Соединения с плавающими втулками При определении максимальной величины возможного смещения втулки следует принимать в расчет зазор в подшипнике и допустимый износ подшипника, указанные изготовителем. Втулка может двигаться свободно по радиусу с валом и по оси на валу, вместе с тем оставаясь концентричной с ним. Соответствующее устройство должно предотвращать проворачивание втулки (см. рисунок 19). Использование плавающих втулок для оборудования подгруппы IIС не допускается. 8.2 Подшипники8.2.1 Подшипники скольжения Должно быть обеспечено взрывонепроницаемое соединение не только самого подшипника скольжения, но и подшипника скольжения с подшипниковым щитом. При этом длина взрывонепроницаемого соединения должна быть, по меньшей мере, равна диаметру вала, но не более 25 мм. При использовании цилиндрических или лабиринтных соединений во вращающихся электрических машинах с подшипниками скольжения, по меньшей мере одна из поверхностей должна быть выполнена из металла, не образующего искр трения (например из латуни), если воздушный зазор между статором и ротором больше значения минимального радиального зазора k (см. рисунок 20), указанного изготовителем. Минимальная толщина не образующего искр металла должна быть более воздушного зазора. Применение подшипников скольжения во вращающихся электрических машинах подгруппы IIС не допускается. 8.2.2 Подшипники качения В подшипниковых щитах с подшипниками качения, значение максимального радиального зазора m (см. рисунок 20) должно быть не более 2/3 значения максимального зазора, указанного в таблицах 1 и 2. Примечание 1 - Разумеется, что в узлах не могут одновременно использоваться все части с наиболее неблагоприятными размерами. Может потребоваться статистический анализ допусков, таких как среднеквадратичные действующие значения, для проверки m и k. Примечание 2 - Настоящий стандарт не требует проверки расчетов m и k, выполненных изготовителем. Также настоящий стандарт не требует проверки значений m и k путем выполнения измерений. 9 Светопропускающие частиСветопропускающие части не из стекла должны удовлетворять требованиям раздела 19 настоящего стандарта. Примечание - Должны быть приняты меры предосторожности, чтобы монтаж светопропускающих частей не создавал в них нежелательные внутренние механические напряжения. 10 Дыхательные и дренажные устройства как составляющие части взрывонепроницаемой оболочкиДыхательные и дренажные устройства должны включать в себя воздухо- и водопропускающие элементы, выдерживающие давление внутреннего взрыва в оболочке, в которой они установлены, и предотвращающие передачу взрыва во взрывоопасную среду, окружающую оболочку. Данные устройства должны также противостоять динамическим нагрузкам вследствие взрыва внутри взрывонепроницаемой оболочки без остаточных деформаций или повреждений, которые могли бы ухудшать их пламягасящие свойства. Они не предназначены для того, чтобы выдерживать непрерывное горение на их поверхностях. Эти требования также применяют к устройствам передачи звука, но не распространяются на устройства для: - разгрузки давления в случае внутреннего взрыва; - использования с нагнетательными трубопроводами, содержащими газ, способный образовывать взрывоопасную смесь с воздухом, при давлении, превышающем атмосферное в 1,1 раза. 10.1 Дыхательные или дренажные отверстияДыхательные или дренажные отверстия не должны создаваться за счет преднамеренного увеличения зазора плоских соединений. Примечание - Дыхательные и дренажные устройства, если они необходимы по условиям эксплуатации, должны быть сконструированы так, чтобы не создавалась опасность их отказа в условиях эксплуатации (например, вследствие накопления грязи или краски). 10.2 Предельное содержание материаловПредельное содержание материалов, используемых в устройстве, должно быть определено непосредственно или со ссылкой на представленную изготовителем спецификацию. Элементы дыхательных или дренажных устройств, используемые во взрывоопасной газовой среде, содержащей ацетилен, должны содержать не более 60 % меди от общей массы, чтобы ограничить образование ацетиленида. 10.3 РазмерыРазмеры дыхательных и дренажных устройств и их составных частей должны быть указаны. 10.4 Элементы с измеримыми параметрами соединенийПараметры соединений могут не соответствовать значениям, указанным в таблицах 1 и 2, при условии, что элементы выдерживают испытания в соответствии с разделами 14 - 16. Дополнительные требования для гофрированных ленточных элементов приведены в приложении А. 10.5 Элементы с неизмеримыми параметрами соединенийТам, где параметры соединений не могут быть измерены (например, спеченная металлокерамика), элемент должен удовлетворять соответствующим требованиям, приведенным в приложении В. Элементы классифицируют согласно их плотности и размеру пор в соответствии со стандартными методами для данного материала и методами изготовителя (см. приложение В). Примечание - По функциональным соображениям может быть необходимым определение открытой пористости и проницаемости материала для жидкости в соответствии со стандартными методами для данного материала и методами изготовителя (см. приложение В). 10.6 Съемные устройстваЕсли устройство может быть демонтировано, то оно должно быть сконструировано так, чтобы избежать уменьшения или расширения отверстий при повторной сборке. 10.7 Установка элементовДыхательные или дренажные элементы должны быть прикреплены одним из следующих способов: - непосредственно к оболочке, образуя с ней неотъемлемую часть; - подходящим крепежным устройством, которое заделано или ввинчено в оболочку так, чтобы его возможно было заменить как модуль. Альтернативно элемент может быть установлен, например, впрессован (см. 5.2.1), таким образом, чтобы образовывать взрывонепроницаемое соединение, соответствующее требованиям раздела 5. Шероховатость поверхности элемента может не отвечать требованиям 5.2.2, если монтаж элемента выдерживает типовые испытания в соответствии с разделами 14 - 16. В случае необходимости используют зажимное кольцо или подобные средства, чтобы обеспечить целостность оболочки. Дыхательные или дренажные элементы могут быть установлены: - внутри оболочки, когда доступность винтов и зажимных колец будет возможна только изнутри; - снаружи оболочки, при этом крепежные детали должны удовлетворять требованиям раздела 11. 10.8 Механическая прочностьУстройство и его защитное приспособление, если таковое имеется, установленные нормальной сборкой, должны выдерживать испытание на стойкость к удару по ГОСТ Р 52350.0. 10.9 Дыхательные и дренажные устройства, используемые в качестве Ех-компонентовДополнительно к требованиям разделов 10.1 - 10.6 включительно, к дыхательным и дренажным устройствам, которые рассматриваются как Ex-компоненты, следует применять следующие требования. 10.9.1 Установка элементов и узлов Дыхательные или дренажные элементы должны быть припаяны или герметизированы в соответствии с разделом 6, или прикреплены другим способом к монтажной детали, чтобы образовывать монтажный узел. Монтажный узел должен закрепляться зажимом или крепежными деталями или ввинчиваться в оболочку как заменяемый модуль и соответствовать требованиям разделов 5 и 6 и там, где целесообразно, - разделу 11. 10.9.2 Типовые испытания для дыхательных и дренажных устройств, используемых в качестве Ех-компонентов Устройство, выбранное для испытания в качестве образца, закрепляют на торце испытательной оболочки также, как его обычно устанавливают на взрывонепроницаемой оболочке. Испытание проводят на образце, прошедшем испытания на удар (см. 10.8), в соответствии с 10.9.2.1-10.9.2.3. Примечание - Испытание образца на удар может быть проведено отдельно от испытательной оболочки, когда он установлен на пластине, которая образует торцевую часть испытательной оболочки. Для устройств с неизмеримыми параметрами максимальный размер пор образца, определяемый пропусканием газа и замером пузырьков в жидкости, должен быть не менее 85 % указанного в соответствии с В.1.2 (приложение В). 10.9.2.1 Испытание дыхательных и дренажных устройств на давление 10.9.2.1.1 Методика испытания Испытательные значения давления взрыва для каждой группы и подгруппы следующие: - 1200 кПа - для группы I; - 1350 кПа - для группы IIA; - 2500 кПа - для группы IIВ; - 4000 кПа - для группы IIС. Для проведения испытания на внутренних поверхностях дыхательных и дренажных устройств прикрепляют тонкую гибкую мембрану. Давление взрыва определяют в соответствии с группой газов, для которой компонент предназначен. Проводят одно из следующих испытаний на взрывоустойчивость: - с 1,5-кратным эталонным давлением взрыва длительностью не менее 10 с. После чего каждый компонент подвергают контрольному испытанию; - с 4-кратным эталонным давлением, длительностью не менее 10 с. При положительном результате испытания изготовитель может не проводить контрольные испытания всех последующих компонентов проверенного типа. 10.9.2.1.2 Критерии оценки После испытания на взрывоустойчивость устройство не должно иметь остаточных деформаций и повреждений, нарушающих вид взрывозащиты. Устройство используют как испытуемый образец при последующих типовых испытаниях. 10.9.2.2 Тепловые испытания Тепловые испытания дыхательных и дренажных устройств, используемых в качестве Ех-компонентов, должны проводиться на основе максимального значения предполагаемого объема взрывонепроницаемой оболочки, при этом объем должен быть не менее объема испытательной установки, показанной на рисунке 21. Примечание - При использовании испытательной установки, показанной на рисунке 21, значение максимального рассчитанного объема оболочки может приблизительно составлять 2,5 л. Дыхательные и дренажные устройства, предназначенные для многократного использования с любой отдельной взрывонепроницаемой оболочкой, должны быть испытаны дополнительно вместе с оболочкой. 10.9.2.2.1 Порядок проведения испытаний Для проведения испытаний оболочек, объемом менее и равным 2,5 л, следует использовать испытательную установку, собранную из четырех секций, как показано на рисунке 21. При проведении испытаний учитывают следующее: - источник воспламенения должен находиться у входного отверстия оболочки и на расстоянии 50 мм от внутренней торцевой части пластины, закрывающей устройство; - испытательные смеси выбирают в соответствии с 15.4.2.1; - температуру внешней поверхности устройства контролируют в процессе всего испытания; - любое устройство должно функционировать так, как это определено в документации изготовителя. После каждого из пяти испытаний взрывоопасная смесь должна присутствовать на внешней части устройства в течение достаточного времени, чтобы любое непрерывное горение на лицевой стороне устройства стало очевидным, в течение, по меньшей мере, 10 мин с тем, чтобы увеличить температуру внешней поверхности устройства или сделать возможным передачу температуры на внешнюю поверхность устройства; - испытания следует проводить пять раз для каждой газовой смеси для групп и подгрупп, в которых устройство предназначено для применения.
TS - местоположение испытуемого образца; I - входное отверстие; Exh. - выходное отверстие; IG - источник воспламенения; РТ - датчик давления Рисунок 21 - Установка для испытаний дыхательных и дренажных устройств Для проведения испытаний оболочек, объемом более 2,5 л, следует использовать представительный образец оболочки предполагаемого объема и выполнять следующий порядок испытаний: - испытательные смеси выбирают в соответствии с 15.4.2.1; - температуру внешней поверхности устройства контролируют в процессе всего испытания; - любое устройство должно функционировать так, как это определено в документации изготовителя. После каждого из пяти испытаний взрывоопасная смесь должна присутствовать на внешней части устройства в течение достаточного времени, чтобы любое непрерывное горение на лицевой стороне устройства стало очевидным, в течение, по меньшей мере, 10 мин с тем, чтобы увеличить температуру внешней поверхности устройства или сделать возможным передачу температуры на внешнюю поверхность устройства; - испытания следует проводить пять раз для каждой газовой смеси для групп и подгрупп, в которых устройство предназначено для применения. 10.9.2.2.2 Критерии оценки В процессе тепловых испытаний не должно происходить передачи пламени наружу и не должно наблюдаться непрерывного горения. Не должно быть никаких признаков теплового или механического повреждения устройства или деформаций, которые могли бы ухудшать их пламягасящие свойства. Измеренное повышение температуры внешней поверхности устройства должно быть умножено на коэффициент безопасности 1,2 для определения температурного класса оборудования. Примечание - Дыхательные и дренажные устройства, которые не выдерживают хотя бы одно из испытаний по 10.9, не используют в качестве Ex-компонентов устройства. Однако их можно использовать в качестве неотъемлемой части взрывонепроницаемой оболочки при условии, что они будут испытаны с рассматриваемой оболочкой в соответствии с 15.4. 10.9.2.3 Испытание на взрывонепроницаемость Испытание следует проводить на стандартной установке, как показано на рисунке 21, в соответствии с 15.4.3 со следующими дополнениями и изменениями. 10.9.2.3.1 Порядок проведения испытания Источник воспламенения размещают (см. рисунок 21): - в конце входного отверстия; - на расстоянии 50 мм от внутренней торцевой части пластины, закрывающей устройство. Испытательная установка должна быть собрана для газов каждой группы согласно рисунку 21 и иметь следующее число секций: - одна секция испытательной установки для группы I и подгруппы IIА; - четыре секции испытательной установки для подгрупп IIВ и IIС. Газовую смесь воспламеняют внутри оболочки испытательной установки, и испытания проводят по пять раз в каждой точке воспламенения. Для дыхательных и дренажных устройств группы I, подгрупп IIА и IIВ с измеряемыми или неизмеряемыми параметрами соединений проводят испытания на взрывонепроницаемость по 15.2.1. Для дыхательных и дренажных устройств подгруппы IIС с измеряемыми параметрами соединений следует проводить испытания на взрывонепроницаемость по 15.2.2, а также применять испытания по 15.4.3.2.1 или 15.4.3.2.2. Для дыхательных и дренажных устройств подгруппы IIС с неизмеряемыми параметрами соединений следует проводить испытания по 15.4.3.2.1 (метод А) или 15.4.3.2.2 (метод В). 10.9.2.3.2 Критерии оценки В процессе испытания воспламенение не должно распространяться в окружающую испытательную камеру. 10.9.3 Сертификат Ех-компонента В сертификате на Ex-компонент должна быть записана вся информация, позволяющая правильно выбрать дыхательные и дренажные устройства для прикрепления к взрывонепроницаемой оболочке, прошедшей типовые испытания. В сертификате на Ex-компонент должны быть указаны: a) наименование изготовителя и идентифицирующие чертежи и спецификации; b) предельное значение давления взрыва. Примечание - Выбор устройства, применяемого в качестве Ex-компонента, должен проводиться таким образом, чтобы предельное значение давления взрыва устройства было не меньше, чем давление взрыва взрывозащищенной оболочки (испытанной с дыхательными и дренажными устройствами с заглушёнными входами), к которой устройство прикреплено. c) максимальная зарегистрированная температура поверхности, полученная при типовых испытаниях, скорректированная для температуры окружающей среды 40°С или выше; d) группа или подгруппа оборудования (I, IIA, IIB или IIС); e) максимальный допустимый объем оболочки (определенный на основе тепловых испытаний), если он составляет более 2,5 л. Кроме того, в сертификате на Ex-компонент должно быть указано, что каждый Ex-компонент или пакет Ex-компонентов сопровождается копией сертификата вместе с декларацией изготовителя, в которой заявлено: - о соответствии Ex-компонента сертификату; - о соответствии материала и максимальном размере пор, определенных замером пузырьков, и минимальной плотности (при необходимости); - о специальных инструкциях по установке, если таковые имеются. 11 Крепежные детали, отверстия и заглушки11.1 Крепежные детали, доступные снаружи и необходимые для сборки частей взрывонепроницаемой оболочки, должны: - представлять собой специальные крепежные детали (с утопленными головками или головками с охранными кольцами) и отвечать требованиям ГОСТ Р 52350.0 (для группы оборудования I); - представлять собой специальные крепежные детали и отвечать требованиям ГОСТ Р 52350.0 (для оборудования группы II). Примечание - Использование крепежных деталей с утопленными головками или головками с охранными кольцами для оборудования группы I также необходимо для защиты головок деталей от удара. 11.2 Применение крепежных деталей из пластикового материала или легких сплавов не допускается. 11.3 При проведении типовых испытаний по разделу 15 следует использовать винты и гайки, указанные изготовителем. Категория или предел текучести и тип винта или гайки, используемых при испытаниях, должны быть: a) промаркированы на оборудовании в соответствии с 20.2, перечисление а) таблицы 9; или b) указаны в соответствующем сертификате. Примечание - Дополнительные сведения о механических свойствах винтов и гаек приведены в приложении F. 11.4 Шпильки должны соответствовать требованиям 11.3 и быть надежно закреплены, то есть они должны быть сварены или заклепаны, или наглухо прикреплены к оболочке другим не менее эффективным способом. 11.5 Крепежные детали не должны проходить через стенку взрывонепроницаемой оболочки, если они не образуют взрывонепроницаемое соединение со стенкой и единое целое с оболочкой, например, с помощью сварки, заклепки или другого не менее эффективного способа. 11.6 При наличии отверстий под винты или шпильки, которые не проходят через стенки взрывонепроницаемой оболочки, толщина стенки оболочки, окружающей отверстие под крепежный винт или шпильку, должна быть равна не менее одной трети значения номинального диаметра винта или шпильки, но не менее 3 мм. 11.7 В глухих отверстиях в стенках оболочки, после полной затяжки винтов без шайб, должен оставаться запас резьбы не менее одного полного витка резьбы на дне отверстия. 11.8 Отверстия, просверленные по технологическим причинам сквозь стенку оболочки, должны быть заглушены с помощью устройств так, чтобы взрывонепроницаемые свойства оболочки не нарушались. Такие устройства должны быть надежно зафиксированы в соответствии с требованиями для шпилек по 11.4. 11.9 Неиспользованные отверстия (например, для кабельных или трубных вводов) на стенке взрывонепроницаемой оболочки должны быть закрыты заглушками так, чтобы обеспечивались взрывонепроницаемые свойства оболочки. Примеры заглушек для неиспользуемых отверстий приведены на рисунке 22. Заглушки должны соответствовать требованиям приложения С. Конструкция заглушки должна допускать устанавливать или удалять ее с наружной или с внутренней стороны стенки взрывонепроницаемой оболочки. Заглушки, вставленные механическим способом или с помощью запрессовки, должны отвечать требованиям 11.9.1 - 11.9.3. 11.9.1 Если заглушка удаляется снаружи, то это должно быть возможным только после разблокировки стопорного устройства внутри оболочки (см. рисунок 22 а). 11.9.2 Конструкция заглушки должна допускать ее фиксацию и удаление только при помощи инструмента (см. рисунок 22 b). 11.9.3 Заглушающее устройство может быть специальной конструкции, и его установка выполняется другим способом, отличным от указанных в 11.9.1 или 11.9.2, или по специальной методике (см. рисунок 22 с). 11.9.4 Не допускается использование заглушек с адаптерами. 11.10 Резьбовые двери или крышки должны быть дополнительно закреплены установочным винтом с шестигранным отверстием в головке или другим не менее эффективным способом.
Рисунок 22 - Примеры заглушек для неиспользованных отверстий 12 Материалы и механическая прочность оболочек. Материалы внутри оболочек12.1 Взрывонепроницаемые оболочки должны выдерживать испытания в соответствии с разделами 14 - 16. 12.2 При объединении нескольких взрывонепроницаемых оболочек каждая из них отдельно, а также разделяющие их перегородки, проходные изоляторы, тяги и валики управления, которые проходят через перегородки, должны отвечать требованиям настоящего стандарта. 12.3 Если оболочка содержит несколько сообщающихся отсеков или имеется особое расположение ее внутренних частей, то возникающее давление или скорость его повышения может превысить его нормальное значение. Такие явления должны быть устранены конструкцией оболочки, насколько это возможно, или при конструировании оболочки должны быть приняты во внимание возникающие в ней высокие напряжения. 12.4 Марка применяемого чугуна должна быть не ниже 150 по ИСО 185 [3]. 12.5 Во взрывонепроницаемых оболочках не допускается использовать жидкости, если при их разложении есть опасность образования кислорода или взрывоопасной смеси более опасной, чем рассчитанная для оболочки. Тем не менее, они могут быть использованы, если оболочка выдерживает испытания по разделам 14 - 16 для той взрывоопасной смеси, которая в ней может образовываться. Однако окружающая взрывоопасная газовая среда должна соответствовать группе, для которой оборудование было сконструировано. 12.6 Во взрывонепроницаемых оболочках группы I электроизоляционные материалы, находящиеся под электрическим напряжением, способным вызвать дуговые разряды в воздухе при значениях номинальных токов нагрузки, превышающих 16 А (в коммутационных аппаратах, таких как автоматические выключатели, контакторы, разъединители), должны иметь сравнительный индекс трекингостойкости, равный или более СИТ 400 М, согласно ГОСТ 27473. Изоляционные материалы, которые не выдержали испытания на трекингостойкость, могут быть использованы, если их объем менее 1 % общего объема пустой оболочки, или питание, подаваемое в оболочку, отключается соответствующим устройством до того, как возможное разрушение изоляционного материала сможет привести к опасным ситуациям. Присутствие и эффективность такого устройства должны быть проверены. 12.7 Изготовление взрывонепроницаемых оболочек из цинка или сплава с содержанием цинка, равным или более 80 %, не допускается. Примечание - Цинк или сплавы с цинком быстро нарушают свойства оболочки, особенно при теплом влажном воздухе (например, свойства растяжимости). Считается, что цинк является более химически активным, чем большинство других материалов. В связи с этим и введены вышеуказанные ограничения. 13 Вводы взрывонепроницаемых оболочекВзрывонепроницаемые свойства оболочек не нарушаются, если вводы отвечают соответствующим требованиям настоящего раздела. Кроме того, метрические резьбовые отверстия должны иметь поля допусков не более 6Н согласно ГОСТ 16093, и любые фаски или выточки должны быть ограничены максимальной глубиной 2 мм от наружной поверхности стенки. Для резьбовых отверстий в оболочках, чтобы облегчить подключение кабельных или трубных вводов, необходимо обозначить тип резьбы и размер, например М 25 или 1/2 NTP. Для этого используют один из следующих способов: - маркировку конкретного типа и размера резьбы рядом с отверстием по 20.3, перечисление а) таблицы 10; или - обозначение конкретного типа и размера резьбы на маркировочной табличке по 20.3, перечисление а) таблицы 10; или - определение конкретного типа и размера резьбы в инструкции по установке, со ссылкой на маркировочной табличке (словами или обозначениями символом В.1 по ИСО 3864-2 [4]) по 20.3, перечисление b) таблицы 10. В документах на оборудование изготовитель должен указать: a) место установки вводов; b) максимально разрешенное число таких вводов. Для каждого ввода разрешается использовать не более одного резьбового адаптера. Не допускается использование заглушек с адаптерами. 13.1 Кабельные вводыКабельные вводы, составляющие одно целое с оболочкой или являющиеся отдельными частями, должны отвечать требованиям приложения С и образовывать с оболочкой взрывонепроницаемые соединения с длинами и зазорами в соответствии с разделом 5. Там, где кабельные вводы являются неотъемлемой частью оболочки или имеют специфичный вид крепления к корпусу, они должны быть испытаны как часть рассматриваемой оболочки. Если кабельные вводы являются отдельными частями, то: - резьбовые Ex-кабельные вводы могут быть сертифицированы как оборудование. Такие кабельные вводы могут не подвергаться испытаниям по 15.1 и контрольным испытаниям по разделу 16; - другие кабельные вводы могут быть сертифицированы только как Ех-компоненты. 13.2 Трубные уплотнительные устройстваТрубные уплотнительные устройства, составляющие одно целое с оболочкой или являющиеся отдельными частями, должны отвечать требованиям С.2.1.2 и С.3.1.2 (приложение С) при замене «кабельного ввода» на «трубное герметизированное устройство» и образовывать с оболочкой взрывонепроницаемые соединения с соответствующими длинами и зазорами, приведенными в разделе 5. Примечание - Поскольку повторное использование таких конструкций не допускается, то требование С.2.1.2 о том, что допускается установка и извлечение трубных уплотнительных устройств из оборудования без повреждения герметизации по истечении указанного времени затвердевания герметика, не применяется. Если трубные уплотнительные устройства являются неотъемлемой частью оболочки или имеют специальный вид крепления к оболочке, то они должны быть испытаны как часть рассматриваемой оболочки. Если трубные уплотнительные устройства являются отдельными частями, то: - резьбовые Ex-трубные уплотнительные устройства могут быть сертифицированы в составе оборудования. Такие трубные уплотнительные устройства могут не подвергаться испытаниям по 15.1 и контрольным испытаниям по разделу 16; - другие трубные уплотнительные устройства могут быть сертифицированы только как Ех-компоненты. 13.2.1 Применение трубных вводов разрешается только для оборудования группы II. 13.2.2 Герметизирующее устройство, такое как вводная коробка, залитая компаундом, должно быть выполнено как часть оболочки или присоединяться к ней. Оно должно выдерживать типовые испытания для герметика (см. приложение С). Сертифицированное герметизированное устройство может устанавливать пользователь оборудования согласно инструкциям изготовителя. Примечание - Считается, что герметизированное устройство установлено непосредственно на входе во взрывонепроницаемую оболочку, если устройство прикреплено к оболочке либо непосредственно, либо через вспомогательное устройство, необходимое для соединения. Герметик и метод его применения должны быть указаны в сертификате, на вводной коробке или на взрывозащищенном оборудовании. Часть вводной коробки между герметиком и взрывонепроницаемой оболочкой должна рассматриваться как взрывонепроницаемая оболочка, то есть соединения должны удовлетворять требованиям раздела 5, и такая сборка должна подвергаться испытаниям на взрывонепроницаемость по 15.2. Расстояние между герметиком и внешней стенкой оболочки должно быть минимальным, но не более размера трубного ввода либо 50 мм. 13.3 Вилки, розетки и кабельные соединители13.3.1 Вилки и розетки должны быть сконструированы и установлены так, чтобы ни в соединенном, ни в разъединенном состоянии не нарушалась взрывонепроницаемость оболочки, на которой они установлены. 13.3.2 Длины и зазоры взрывонепроницаемых соединений (см. раздел 5) взрывонепроницаемых оболочек вилок, розеток, а также кабельных соединителей следует выбирать исходя из объема оболочки на момент размыкания силовых контактов, за исключением контактов заземления или зануления, или контактов, являющихся частями цепей, соответствующих требованиям ГОСТ Р 52350.11. 13.3.3 Для вилок, розеток, а также кабельных соединителей взрывонепроницаемые свойства оболочки должны обеспечиваться в случае внутреннего взрыва, когда кабельные соединители, а также вилка с розеткой соединены, и в момент размыкания контактов, за исключением контактов заземления или зануления, или контактов, являющихся частями цепей, соответствующих требованиям ГОСТ Р 52350.11. 13.3.4 Требования 13.3.2 и 13.3.3 не распространяются на вилки, розетки, а также кабельные соединители, соединенные и зафиксированные вместе посредством специальных крепежных деталей в соответствии с 11.1, и которые имеют маркировочную табличку с предупреждением по 20.2, перечисление b) таблицы 9. 13.4 Проходные изоляторыПроходные изоляторы, составляющие одно целое с оболочкой или являющиеся отдельными частями, должны отвечать требованиям приложения С и образовывать с оболочкой взрывонепроницаемые соединения с длинами и зазорами в соответствии с разделом 5. Если проходной изолятор является неотъемлемой частью оболочки или используется с конкретной оболочкой, то они должны быть испытаны как часть рассматриваемой оболочки. Если проходные изоляторы являются отдельными частями: - то резьбовые Ex-проходные изоляторы могут быть сертифицированы как оборудование. Такие проходные изоляторы могут не подвергаться испытаниям по 15.1 и контрольным испытаниям по разделу 16; - другие проходные изоляторы могут быть сертифицированы только как Ех-компоненты. 14 Проверки и испытанияТребования ГОСТ Р 52350.0 к проверкам и испытаниям для вида взрывозащиты «d» дополняются следующими требованиями. Определение значения максимальной температуры поверхности по ГОСТ Р 52350.0 следует проводить при условиях, указанных в таблице 5. Таблица 5 - Условия определения максимальной температуры поверхности
15 Типовые испытанияТиповые испытания следует выполнять в следующей последовательности на образце, подвергнутом механическим испытаниям согласно ГОСТ Р 52350.0: a) определение значения давления взрыва (эталонного давления) в соответствии с 15.1.2; b) испытание на взрывоустойчивость в соответствии с 15.1.3; c) испытание на взрывонепроницаемость в соответствии с 15.2. Испытания могут проводиться в другой последовательности. Статическое или динамическое испытание на взрывоустойчивость может быть выполнено после испытания на взрывонепроницаемость или на другом образце, который также был подвергнут испытаниям на механическую прочность. После испытания на взрывоустойчивость остаточные деформации и повреждения взрывонепроницаемых соединений оболочек, нарушающие вид взрывозащиты, не допускаются. Оболочка должна быть испытана со всеми находящимися внутри частями или их эквивалентами. Но если она сконструирована таким образом, что в нее может быть встроено различное оборудование или его компоненты, то испытания должны быть проведены на пустой оболочке, как в наиболее жестких условиях испытаний, а также подтверждено соответствие другим требованиям безопасности по ГОСТ Р 52350.0. Если оболочка сконструирована таким образом, что она может быть использована при отсутствии части находящихся внутри компонентов, то испытания должны быть проведены в самых жестких условиях. В обоих случаях в сертификате должны быть указаны типы оборудования, находящегося внутри оболочки, а также мероприятия по их установке. Съемные части соединений взрывонепроницаемых оболочек должны быть испытаны в наихудших условиях сборки. 15.1 Испытание оболочки давлением15.1.1 Общие требования Целью этих испытаний является проверка способности оболочки выдерживать давление внутреннего взрыва. Оболочка должна быть подвергнута испытаниям в соответствии с 15.1.2 и 15.1.3. Результаты испытаний считают положительными, если остаточные деформации и повреждения оболочки, нарушающие вид взрывозащиты, отсутствуют. Кроме того, в соединениях не должно наблюдаться остаточных расширений, ведущих к изменению параметров взрывонепроницаемого соединения до значений, превышающих допустимые. 15.1.2 Определение давления взрыва (эталонного давления) За эталонное давление принимают максимальное значение сглаженного избыточного давления при атмосферном давлении при проведенных опытах. Для сглаживания давления должен быть использован низкочастотный фильтр со снижением амплитудно-частотной характеристики на 3 dB при частоте 5 кГц ± 10 %. Для электрооборудования, предназначенного для применения при температуре окружающей среды ниже минус 20°С, давление взрыва следует определять одним из следующих способов: - для всего электрооборудования эталонное давление следует определять при температуре не выше минимального значения температуры окружающей среды; - для всего электрооборудования эталонное давление следует определять при нормальной температуре окружающей среды в определенных испытательной(ых) смеси(ях), но при увеличенном давлении. Абсолютное давление испытательной смеси Р, кПа, следует определять по следующей формуле, при Tа, min,°С: Р = [293/(Ta, min +273)]; - для электрооборудования, кроме вращающихся электрических машин (таких, как электрические двигатели, генераторы и тахометры), оболочки которых имеют простую внутреннюю геометрию (см. приложение D), объем пустой оболочки которых составляет не более 3 л, вследствие чего возникновение поджатия маловероятно, давление взрыва следует определять при нормальной температуре окружающей среды и определенных испытательных смесях, но при коэффициенте увеличения испытательного давления взрывоопасной смеси, как описано в таблице 5.1; - для электрооборудования, кроме вращающихся электрических машин (таких, как электрические двигатели, генераторы и тахометры), оболочки которых имеют простую внутреннюю геометрию (см. приложение D), объем пустой оболочки которых составляет не более 10 л, вследствие чего возникновение поджатия маловероятно, значение давления взрыва может быть определено при нормальной температуре окружающей среды и определенных испытательных смесях, но при коэффициенте увеличения испытательного давления взрывоопасной смеси, как описано в таблице 5.1. В качестве альтернативы при проведении типовых испытаний на взрывоустойчивость по 15.1.3.1 в качестве испытательного давления следует использовать эталонное давление, увеличенное в 4 раза. Увеличение давления в 1,5 раза при выполнении контрольных испытаний не допускается. Таблица 5.1 - Коэффициент увеличения испытательного давления во взрывоопасной среде
15.1.2.1 Каждое испытание состоит из воспламенения взрывоопасной смеси внутри оболочки и измерении значения давления, создаваемого взрывом. Взрывоопасная смесь внутри оболочки должна быть воспламенена одним или несколькими источниками воспламенения. Если оболочка имеет встроенное коммутирующее устройство, то оно может быть использовано в качестве источника взрыва (тем не менее, необязательно создавать максимальную мощность, на которую рассчитано оборудование). Значение давления взрыва должно быть измерено и зарегистрировано в процессе каждого испытания. Местоположение источников воспламенения и приборов для измерения давления устанавливает испытательная лаборатория для определения комбинаций, при которых развивается наибольшее давление. Если в оболочке предусмотрены уплотнительные прокладки, то при испытаниях они должны быть смонтированы. Число проводимых испытаний и применяемые взрывоопасные испытательные смеси в объемном соотношении с воздухом при атмосферном давлении следующие: - для электрооборудования группы I - три испытания, содержание метана (9,8 ± 0,5) %; - для электрооборудования подгруппы IIА - три испытания, содержание пропана (4,6 ± 0,3) %; - для электрооборудования подгруппы IIВ - три испытания, содержание этилена (8 ± 0,5) %; - для электрооборудования подгруппы IIС - три испытания, содержание ацетилена (14 ± 1) %, и три испытания, содержание водорода (31 ± 1) %. 15.1.2.2 Вращающиеся электрические машины должны быть испытаны в состоянии покоя и на ходу. При испытаниях на ходу вращающиеся электрические машины могут быть приведены в действие собственным включением или вспомогательным двигателем. Минимальная скорость при испытаниях должна составлять не менее 90 % максимальной номинальной скорости машины. Примечание - Если двигатель предназначен для работы через преобразователь, может потребоваться, чтобы изготовитель рассмотрел возможность указать номинальную скорость, рассчитанную для текущего и последующего применения преобразователя. Все двигатели должны быть испытаны, по крайней мере, с двумя датчиками, каждый из которых должен располагаться в лобовой части на каждом конце двигателя. Взрыв должен быть выполнен по очереди на каждом конце двигателя в состоянии покоя и на ходу. Должно быть проведено четыре испытания. При наличии отделения зажимов, соединенных с двигателем и негерметизированных, необходимо предусмотреть возможность установки устройства из трех датчиков и проведения дополнительной серии испытаний. 15.1.2.3 При испытаниях взрывонепроницаемых оболочек, в которых при взрыве происходит поджатие, должно быть проведено не менее пяти испытаний на каждой смеси, указанной в 15.1.2.1 для соответствующей группы. Для оболочек оборудования подгруппы IIВ проводят впоследствии повторно не менее пяти испытаний в газовоздушной смеси, содержащей водород-метан (24 ± 1) % (85 % водорода и 15 % метана). Примечание 1 - Считается, что возникновение поджатия происходит в одном из следующих случаев: - значения давления, полученные в процессе ряда испытаний, отличаются друг от друга более чем в 1,5 раза; - время нарастания давления менее 5 м/с. Примечание 2 - Необходимость проведения данного повторного испытания основывается на двух принципах: 1 если поджатия не возникает, создается наиболее неблагоприятное представительное давление этилена; 2 если возникает, то наиболее неблагоприятное представительное давление этилена не создается. Поэтому, если поджатие происходит, требуется проведение дополнительного испытания в смеси, содержащей водород-метан (24 ± 1) % (85 % водорода и 15 % метана). 15.1.2.4 Оборудование, предназначенное для применения в среде определенного газа, может быть испытано в смеси этого газа с воздухом в соотношении, образующем наиболее высокое давление взрыва при атмосферном давлении. Такое оборудование должно быть сертифицировано только для данного газа. Соответственно, на оборудовании должны быть указаны ограничения по применению, оговоренные в ГОСТ Р 52350.0 29.2, перечисление е). Если указано, что оборудование не может применяться в среде определенного газа или газов, то оборудование маркируют знаком «X» согласно ГОСТ Р 52350.0 27.2, перечисление i), что должно быть указано в сертификате. Может быть применена двойная маркировка для определенного газа и группы газов нижних групп по отношению к этому газу (например, IIВ + Н2), если оборудование было подвергнуто не только испытаниям для определенного газа, но также и необходимых газов нижней группы. 15.1.3 Испытание на взрывоустойчивость Данное испытание следует проводить по любому из следующих методов, которые рассматриваются как эквивалентные. Для оборудования, предназначенного для использования при температуре окружающей среды ниже минус 20°С, испытание на взрывоустойчивость следует проводить при температуре не выше минимального значения температуры окружающей среды. Если свойства применяемых материалов (предел прочности и предел текучести) не ухудшаются при низких температурах в соответствии со спецификацией материалов, то испытания на взрывоустойчивость могут быть проведены при нормальной комнатной температуре окружающей среды. 15.1.3.1 Испытание на взрывоустойчивость - Метод 1 (Статический метод) За испытательное давление принимают: - 1,5-кратное значение давления взрыва или - 4-кратное значение давления взрыва для оболочек, которые не подвергаются контрольным испытаниям на взрывоустойчивость; или - следующие значения давлений, когда определение давления взрыва является затруднительным из-за малого размера оборудования:
Продолжительность выдержки давления не менее 10 с. Испытание проводят один раз. Оболочку считают выдержавшей испытания на взрывоустойчивость, если удовлетворяются требования 15.1.1 и не была нарушена непроницаемость стенок оболочки. 15.1.3.2 Испытание на взрывоустойчивость - метод 2 (динамический метод) Динамические испытания должны быть выполнены таким способом, чтобы значение максимального давления, которому подвергают оболочку, составляло 1,5-кратное значение давления взрыва. При проведении испытаний со смесями, указанными в 15.1.2.1, для создания 1,5-кратного давления взрыва может быть использован способ предварительного увеличения начального давления в оболочке. Испытания следует проводить один раз, за исключением оболочек оборудования подгруппы IIС, испытания которых следует проводить три раза для каждого газа. Оболочку считают выдержавшей испытания на взрывоустойчивость, если удовлетворяются требования 15.1.1. 15.2 Испытание на взрывонепроницаемостьУплотнительные прокладки (см. 5.4) должны быть удалены. Оболочку помещают в испытательную камеру и заполняют той же взрывоопасной смесью, которой заполняют испытательную камеру при атмосферном давлении. Длина резьбовых взрывонепроницаемых соединений испытуемых образцов должна быть уменьшена до значений, указанных в таблице 6. Таблица 6 - Уменьшение длины резьбовых соединений при испытаниях на взрывонепроницаемость
Длина плоских, цилиндрических и плоскоцилиндрических соединений испытуемых образцов должна быть не более 115 % значений минимальных длин, указанных изготовителем. Зазоры плоских частей плоскоцилиндрических соединений, при которых длина L взрывонепроницаемого соединения состоит только из цилиндрической части (см. рисунок 2b), должны быть увеличены до значений, составляющих не менее: - 1 мм - для группы I и подгруппы IIА; - 0,5 мм - для подгруппы IIВ; - 0,3 мм - для подгруппы IIС. Примечание - Требования для зазоров испытуемых образцов указаны в 15.2.1 (для группы I, подгрупп IIА и IIВ) и 15.2.2 (для подгруппы IIC). Оборудование со взрывонепроницаемыми соединениями, кроме резьбовых, предназначенное для применения при температуре окружающей среды более 60°С, должно проходить испытание на взрывонепроницаемость при одном из следующих условий: - при температуре не менее указанной максимальной температуры окружающей среды; - при нормальной температуре окружающей среды с применением заданных взрывоопасных испытательных смесей при повышенном давлении с учетом коэффициентов, указанных в таблице 7; - при нормальных атмосферном давлении и температуре окружающей среды, но с испытательными зазорами iЕ, увеличенными с учетом коэффициентов, указанных в таблице 7. Если части оболочек изготовлены из материалов с разными температурными коэффициентами расширения и это влияет на размеры зазоров (например, при образовании цилиндрического зазора между смотровым окном и металлической оправой), то испытания на взрывонепроницаемость должны проходить при одном из следующих условий: - расчетный максимальный зазор iс, т с учетом максимального конструкционного зазора при 20°С и увеличения зазора при указанной максимальной температуре окружающей среды Та, mах должен быть проверен увеличением испытательного зазора iЕ по меньшей мере на 90 % расчетного максимального зазора при Ta, mах; - расчетный максимальный зазор iс, т с учетом максимального конструкционного зазора при 20°С и увеличения зазора при указанной максимальной температуре окружающей среды Та, mах, должен быть проверен применением заданной взрывоопасной испытательной смеси при повышенном давлении, рассчитанном по формуле: Pv = (iс, т/iE)·(0,9). Таблица 7 - Коэффициенты для увеличения давления или испытательного зазора (iE)
Требования стандарта ГОСТ Р 52350.14 ограничивают установку оборудования с видом взрывозащиты «d» с плоскими соединениями. В особенности не допускается устанавливать плоские соединения такого оборудования на расстоянии ближе, чем указано в таблице 8, к любому сплошному препятствию, которое не является частью оборудования, если оборудование не было испытано при меньшем расстоянии между ним и препятствием. Если оборудование было испытано при меньшем расстоянии, чем указано в таблице 8, то в сертификате должно быть указано минимальное расстояние. На оборудование также следует нанести маркировку в соответствии с 20.3, перечисление с) таблицы 10. Таблица 8 - Минимальное удаление препятствий от отверстий плоских взрывонепроницаемых соединений «d»
15.2.1 Оборудование группы I, подгрупп IIА и IIВ 15.2.1.1 Зазоры iЕ оболочки должны быть, по крайней мере, равны 90 % максимального конструкционного зазора iC, как указано в чертежах изготовителя (0,9 iС ≤ iЕ ≤ iC). Применяемые в оболочке взрывоопасные испытательные смеси в объемном соотношении с воздухом при атмосферном давлении следующие: - для электрооборудования группы I: содержание метана-водорода (12,5 ± 0,5) % [(58 ± 1) % метана и (42 ± 1) % водорода] (БЭМЗ = 0,8 мм); - для электрооборудования подгруппы IIА: содержание водорода (55 ± 0,5) % (БЭМЗ = 0,65 мм); - для электрооборудования подгруппы IIВ: содержание водорода (37 ± 0,5) % (БЭМЗ = 0,35 мм). Примечание - Для проведения данного испытания при выбранных взрывоопасных смесях гарантируется, что соединения, при известном значении коэффициента безопасности, обеспечивают взрывонепроницаемость. Коэффициент безопасности К есть отношение безопасного экспериментального максимального зазора представительного газа соответствующей группы к безопасному экспериментальному максимальному зазору выбранного испытательного газа. - для электрооборудования группы I: - для электрооборудования подгруппы IIА: - для электрооборудования подгруппы IIВ: Если зазоры испытуемого образца не удовлетворяют установленным условиям, то может быть использован один из следующих альтернативных методов испытания на взрывонепроницаемость: - применение газовоздушной смеси с меньшим значением БЭМЗ:
- предварительное сжатие обычных испытательных смесей, коэффициент предварительного сжатия рассчитывают по формуле
где Рk - коэффициент предварительного сжатия. 15.2.1.2 Если оболочки подгрупп IIА и IIВ при испытаниях по 15.2.1.1 могут быть разрушены или повреждены, то разрешается, чтобы испытания проводились с увеличенными зазорами выше максимальных, указанных изготовителем. Коэффициент увеличения зазора равен 1,42 для подгруппы электрооборудования IIА и 1,85 - для подгруппы электрооборудования IIВ. Применяемые в оболочках взрывоопасные смеси в объемном соотношении с воздухом при атмосферном давлении следующие: - для оборудования подгруппы IIА - содержание пропана (4,2 ± 0,1) %; - для оборудования подгруппы IIВ - содержание этилена (6,5 ± 0,5) %. 15.2.1.3 Испытания по 15.2.1.1 или 15.2.1.2 следует проводить пять раз. Результаты испытаний считаются положительными, если воспламенение не передалось в испытательную камеру. 15.2.2 Оборудование подгруппы IIС Испытания следует проводить одним из следующих методов. Примечание - Приведенные ниже методы испытаний 1 и 2 имеют равные коэффициенты безопасности 1,5 и минимальный испытательный зазор 90 %. Это достигается путем увеличения давления или увеличением размера испытательного зазора подобным образом. 15.2.2.1 Метод 1 Значения всех зазоров взрывонепроницаемых соединений, кроме резьбовых, должны быть увеличены до 1,35iC ≤ iE ≤ 1,5iC, где iC - максимальный конструкционный зазор, указанный на чертежах изготовителя, мм; iЕ - испытательный зазор, мм. Для плоских соединений минимальное значение равно 0,1 мм. Применяемые в оболочках и испытательной камере взрывоопасные испытательные смеси в объемных соотношениях с воздухом при атмосферном давлении следующие: - водорода (27,5 ±1,5) %; - ацетилена (7,5 ±1) %. Должны быть проведены пять испытаний с каждой смесью. Если оборудование предназначено для использования в среде только с водородом или только с ацетиленом, испытания следует проводить только с соответствующей газовой смесью. Примечание - При подготовке испытательного образца, имеющего цилиндрическое соединение вала с подшипниковым щитом вращающихся электрических машин с роликовым подшипником, испытательный зазор iC зависит от диаметрального зазора в соответствии с таблицей 1 или 2, а не от радиального зазора по 8.2.2. 15.2.2.2 Метод 2 Оболочку следует испытывать с испытательным зазором iЕ согласно следующей формуле: 0,9 iC ≤ iE ≤ iC Испытуемую оболочку и испытательную камеру заполняют одной из газовых смесей, указанных в методе 1, при давлении, равном 1,5-кратному значению атмосферного. Испытания следует проводить пять раз с каждой взрывоопасной смесью. Если зазоры испытуемого образца не соответствуют вышеупомянутым условиям, то по решению испытательной организации может быть использован следующий альтернативный метод. Коэффициент предварительного сжатия Рk нормальной испытательной смеси рассчитывают по формуле
Примечание - При подготовке испытательного образца, имеющего цилиндрическое соединение вала с подшипниковым щитом вращающихся электрических машин с роликовым подшипником, испытательный зазор iC зависит от диаметрального зазора в соответствии с таблицей 1 или 2, а не от радиального зазора по 8.2.2. 15.2.2.3 Электрооборудование с законченной конструкцией должно быть испытано пять раз с неизменными зазорами и с каждой взрывоопасной смесью из указанных в 15.2.2.1 при атмосферном давлении и с соблюдением размерных требований по 5.1. 15.3 (Зарезервировано)15.4 Испытания взрывонепроницаемых оболочек с дыхательными и дренажными устройствамиИспытания в соответствии с 15.4.1 - 15.4.3 должны быть выполнены на образце в следующем порядке после испытания на стойкость к удару по 10.8. Для устройств, в которых параметры взрывонепроницаемых соединений не могут быть измерены, максимальный размер пор образца, определенный замером пузырьков, должен быть не менее 85 % указанного значения (см. приложение В). 15.4.1 Испытание оболочки на стойкость к давлению Испытания должны быть проведены в соответствии с 15.1 со следующими дополнениями и изменениями. 15.4.1.1 Для определения давления взрыва в соответствии с 15.1.2 дыхательные и дренажные устройства должны быть заменены плотными заглушками. 15.4.1.2 Для испытания на взрывоустойчивость в соответствии с 15.1.3 внутренние поверхности дыхательных и дренажных устройств должны быть закрыты тонкой гибкой мембраной (например тонкой полимерной пленкой). После испытания на взрывоустойчивость в устройстве не должно наблюдаться остаточных деформаций и повреждений, нарушающих вид взрывозащиты. 15.4.2 Тепловые испытания 15.4.2.1 Порядок проведения испытаний Оболочка с прикрепленным устройством или устройствами должна быть испытана в соответствии с 15.4.3.1 с источником воспламенения, установленным в положение, при котором ожидаются самые неблагоприятные результаты тепловых испытаний. В процессе испытания контролируют температуру внешней поверхности устройства. Испытание проводят пять раз. Содержание пропана в применяемой испытательной смеси должно составлять (4,2 ± 0,1) % в объемном соотношении с воздухом при атмосферном давлении. Кроме того, для устройств, предназначенных для использования в среде ацетилена, должна применяться испытательная смесь ацетилена (7,5 ± 0,1) % в объемном соотношении с воздухом при атмосферном давлении. Если в оболочке возможно возникновение принудительного или наведенного потока потенциально взрывоопасного газа, то она должна быть размещена во время испытаний так, чтобы газ мог проходить через устройство и оболочку. Вентиляционные и пробоотборные системы следует приводить в действие согласно указаниям в документации изготовителя. После каждого из пяти испытаний внешняя взрывоопасная смесь должна присутствовать в течение еще достаточного времени, чтобы любое непрерывное горение на лицевой стороне устройства становилось очевидным (например, в течение не менее 10 мин для увеличения температуры внешней поверхности устройства или для возможности передачи температуры на внешнюю поверхность устройства). 15.4.2.2 Критерии оценки Во время испытаний не должно наблюдаться непрерывного горения и передачи пламени. Для определения температурного класса оборудования измеренное значение повышения температуры внешней поверхности устройства должно быть умножено на значение коэффициента безопасности, равное 1,2. 15.4.3 Испытание на взрывонепроницаемость Данное испытание должно быть проведено в соответствии с 15.2 со следующими дополнениями и изменениями. 15.4.3.1 Порядок проведения испытаний Источник воспламенения должен быть установлен сначала близко к внутренней поверхности разгрузочного или дренажного устройства, а затем в нескольких местах, если существует вероятность возникновения давления взрыва с высоким пиковым значением или с высокой скоростью нарастания давления на внутренней поверхности устройства. Если оболочка имеет несколько идентичных устройств, то следует испытывать устройство с худшими результатами. Испытательную смесь внутри оболочки воспламеняют. Проводят пять испытаний для каждого положения источника воспламенения. 15.4.3.2 Испытание на взрывонепроницаемость для дыхательных и дренажных устройств Для дыхательных и дренажных устройств группы I, подгрупп IIА и IIВ проводят испытания на взрывонепроницаемость по 15.2.1. Для дыхательных и дренажных устройств подгруппы IIС с параметрами взрывонепроницаемых соединений, которые могут быть измерены, должны быть проведены испытания по 15.2.2 и 15.4.3.2.1 или 15.4.3.2.2, а для устройств с параметрами соединений, которые не могут быть измерены,- по 15.4.3.2.1 или 15.4.3.2.2. 15.4.3.2.1 Метод А Для устройств, предназначенных для использования только в среде водорода, испытания следует проводить только с водородно-воздушной смесью. Испытания проводят пять раз с каждой испытательной смесью. Испытания проводят согласно 15.2.2.2 и 15.4.3.1. 15.4.3.2.2 Метод В Использование данного метода накладывает ограничения для перечня газов подгруппы IIС. Ограничения по применению должны быть указаны согласно ГОСТ Р 52350.0 27.2, перечисление е). Если указано, что оборудование не может применяться в среде определенного газа или газов, то оно должно быть промаркировано знаком «X» согласно ГОСТ Р 52350.0 27.2, перечисление i), что должно быть указано в сертификате. Применение дисульфида углерода для оболочек объемом более 100 см3 не допускается. Применяемые взрывоопасные испытательные смеси в объемном соотношении с воздухом при атмосферном давлении следующие: a) водород (40 ± 1) %, кислород (20 ± 1) %, остальное - азот; b) ацетилен (10 + 1) %, кислород (24 + 1) %, остальное - азот. Испытания проводят по пять раз с каждой испытательной смесью в соответствии с 15.4.3.1. Для устройств, предназначенных для использования только в среде водорода, следует применять только испытательную смесь а). 15.4.3.3 Критерии оценки Результаты испытаний считают положительными, если воспламенение не передалось в испытательную камеру. 16 Контрольные испытания16.1 Контрольные испытания предназначены для подтверждения того, что оболочка выдерживает давление без нарушения вида взрывозащиты и на ней не появляются отверстия или трещины, ведущие наружу. Контрольные испытания включают в себя испытания на взрывоустойчивость по одному из методов, описанных в типовых испытаниях по 15.1.3. Для оборудования, предназначенного для использования при температуре окружающей среды ниже минус 20°С, достаточно испытания давлением при нормальной температуре окружающей среды. 16.1.1 Контрольные испытания на взрывоустойчивость могут быть проведены с помощью метода 1, даже если типовые испытания на взрывоустойчивость были проведены с помощью метода 2. Если определение значения давления взрыва затруднено или проведение динамического испытания является опасным для встроенных компонентов (например, обмотки и т. д.), то применяемые значения давлений при статическом испытании следующие:
16.1.2 Контрольные испытания, проводимые по методу 2, включают в себя: - испытания на взрывоустойчивость с соответствующей испытательной смесью, указанной в 15.1.2 (для определения значения давления взрыва), при значении давления внутри и снаружи оболочки, в 1,5 раза превышающем атмосферное; - динамическое испытание на взрывоустойчивость по 15.1.3.2 для типовых испытаний с последующим проведением испытаний на взрывонепроницаемость по 15.2.1.2 или 15.2.2.1 (испытание на взрывонепроницаемость с увеличенными зазорами) внутри и снаружи оболочки при атмосферном давлении; - динамическое испытание на взрывоустойчивость по 15.1.3.2 для типовых испытаний с последующим статическим испытанием и давлением не менее 200 кПа. 16.1.3 Для контрольных испытаний является достаточным проведение испытаний на пустой оболочке. Однако если контрольные испытания являются динамическими и компоненты или оборудование, встроенные в оболочку, подвергают воздействию увеличения давления во время внутреннего взрыва, то при определении условий испытаний это влияние следует учитывать. Отдельные части взрывонепроницаемой оболочки (например, крышки и днища) могут быть испытаны отдельно. Условия испытаний должны быть такими, чтобы возникающие значения напряжения были сопоставимыми с теми, которым подвергаются эти части в окончательно собранной оболочке. 16.2 Контрольные испытания не проводят для оболочек объемом менее или равным 10 см3. Это исключение распространяется также на оболочки с объемом более 10 см3, если были проведены предписанные типовые статические испытания давлением, значение которого в четыре раза превышает давление взрыва. Однако оболочки со сварными конструкциями должны в каждом случае подвергаться контрольным испытаниям. Контрольные испытания проводят также и для оболочек, где определение давления взрыва представляется затруднительным. Контрольные испытания не проводят для проходных изоляторов, неспецифичных для конкретной оболочки, если процедура сборки оговорена в документации (см. С.2.1.4). 16.3 Контрольные испытания считают положительными, если: - оболочка выдерживает давление без остаточных деформаций взрывонепроницаемых соединений и повреждений оболочки; - при статических испытаниях по 16.1.2 (после проведения динамических испытаний) отсутствует утечка сквозь стенки оболочки или при динамических испытаниях отсутствует передача внутреннего воспламенения. 17 Коммутационные аппараты группы IВзрывонепроницаемые оболочки группы I, периодически открывающиеся на месте эксплуатации (например, для настройки или переустановки реле защиты) и содержащие дистанционно управляемые коммутационные контакты, которые могут быть замкнуты или разомкнуты не вручную, а с помощью каких-либо воздействий (например, механических, электрических, электрооптических, пневматических, акустических, магнитных или тепловых) и которые при эксплуатации воспроизводят дуги или искры, способные воспламенять взрывоопасные смеси, должны удовлетворять следующим требованиям. 17.1 Средства защитыВсе доступные проводники, кроме проводников для искробезопасных цепей, в соответствии с ГОСТ Р 52350.11, а также заземления или зануления не должны оставаться под напряжением после открывания взрывонепроницаемых оболочек. Средства защиты этих взрывонепроницаемых оболочек должны удовлетворять требованиям 17.1.1, 17.1.2 или 17.1.3. 17.1.1 Средства защиты следует устанавливать внутри взрывонепроницаемой оболочки. При этом части средств защиты, остающиеся под напряжением после открытия средств защиты, должны: - быть защищенными одним из стандартных видов взрывозащиты по ГОСТ Р 52350.0; - иметь электрические зазоры и пути утечки между фазами и по отношению к земле в соответствии с требованиями ГОСТ Р 52350.7 и быть защищенными дополнительной внутренней оболочкой со степенью защиты не менее IP20 согласно ГОСТ 14254, чтобы устранить возможность касания инструментом к частям, находящимся под напряжением, через любые отверстия. Это требование не относится к частям искробезопасных цепей, остающимся под напряжением в соответствии с ГОСТ Р 52350.11. В любом случае на крышку, которая защищает части внутри оболочки, находящиеся под напряжением, наносят маркировку согласно 20.2, перечисление с) таблицы 9. 17.1.2 Средства защиты должны быть установлены в дополнительной оболочке, отвечающей требованиям одного из видов взрывозащиты в соответствии с ГОСТ Р 52350.0. 17.1.3 Средства защиты должны состоять из вилки и розетки или кабельного соединителя в соответствии с требованиями 13.3. 17.2 Крышки и двери17.2.1 Быстрооткрываемые крышки и двери Быстрооткрываемые крышки и двери должны быть механически сблокированы со средствами защиты. 17.2.1.1 Оболочка должна обеспечивать свойства взрывонепроницаемости и вид взрывозащиты «d», пока средства защиты закрыты. 17.2.1.2 Средства защиты должны закрываться только в том случае, если конструкция крышек и дверей обеспечивает свойства взрывонепроницаемой оболочки и вид взрывозащиты «d». 17.2.2 Крышки и двери, закрепленные винтами На такие крышки и двери должна быть нанесена маркировка в соответствии с 20.2, перечисление с) таблицы 9. 17.2.3 Резьбовые крышки и двери На такие крышки и двери должна быть нанесена маркировка в соответствии с 20.2, перечисление с) таблицы 9. 18 Ламповые патроны и цоколиК ламповым патронам и цоколям, которые вместе образуют взрывонепроницаемую оболочку с видом взрывозащиты «d», для применения их в световых приборах с видом взрывозащиты «е» следует применять следующие требования. 18.1 Устройства, предотвращающие выпадение лампыТребования к устройствам, предотвращающим выпадение лампы, согласно ГОСТ Р 52350.7, с видом взрывозащиты «повышенная надежность «е»», могут не применяться для резьбовых ламповых патронов, при условии наличия быстродействующего выключателя на взрывонепроницаемой оболочке с видом взрывозащиты «d», отключающего все электроды электрических цепей лампы до размыкания контактов. 18.2 Патроны и цоколи ламп с цилиндрическими цоколями18.2.1 Патроны и цоколи трубчатых люминесцентных ламп должны по размерам удовлетворять требованиям спецификации Fa6 МЭК 60061 [6]. 18.2.2 Для других патронов должны применяться требования раздела 5, но длина взрывонепроницаемого соединения между патроном и цоколем должна быть не менее 10 мм в момент размыкания контактов. 18.3 Патроны ламп с резьбовыми цоколями18.3.1 Резьбовая часть патрона должна быть выполнена из материала, стойкого к коррозии при заданных условиях эксплуатации. 18.3.2 В момент размыкания контактов при отвинчивании лампы в зацеплении должно находиться не менее двух полных витков резьбы. 18.3.3 Для резьбовых ламповых патронов типов Е26/Е27 и Е39/Е40 электрический контакт должен быть осуществлен подпружиненным контактным элементом. Кроме того, для оборудования подгрупп IIВ или IIС замыкание и размыкание контакта при установке и удалении лампы должно происходить внутри взрывонепроницаемой оболочки с видом взрывозащиты «d» подгрупп IIВ или IIС, соответственно. Примечание - К резьбовым ламповым патронам типов Е10 и Е14 требования 18.3.3 не применяют. 19 Неметаллические оболочки и неметаллические части оболочекК неметаллическим оболочкам и неметаллическим частям оболочек, за исключением уплотнительных колец кабельных вводов или трубных уплотнительных устройств и неметаллических частей, от которых вид взрывозащиты не зависит, предъявляют следующие требования. 19.1 (Зарезервировано)19.2 Специальные требования к конструкции19.2.1 Трекингостойкость и пути утечки на внутренних поверхностях стенок оболочки Когда взрывонепроницаемые оболочки или ее части из неметаллических материалов служат опорой токоведущих неизолированных частей, то трекингостойкость и пути утечки на внутренних поверхностях стенок оболочки должны соответствовать требованиям ГОСТ Р 52350.7. Однако оболочки оборудования группы I, которые могут находиться под электрическим напряжением, способным вызвать дуговые разряды в воздухе, при значениях номинальных токов нагрузки, превышающих 16 А, должны удовлетворять требованиям, указанным в 12.6. 19.3 Дополнительные требования к типовым испытаниямКроме типовых испытаний по ГОСТ Р 52350.0 следует также проводить дополнительные испытания в соответствии с 19.3.1 и 19.3.2. 19.3.1 Испытания на взрывозащищенность 19.3.1.1 Порядок проведения испытаний Испытания на взрывонепроницаемость проводят в соответствии с порядком, изложенным в 19.3.1.2 - 19.3.1.4. 19.3.1.2 Испытание оболочек давлением Определение давления взрыва по 15.1.2 допускается выполнять на образце, который не был предварительно испытан по ГОСТ Р 52350.0. Испытание повышенным давлением по 15.1.3 следует проводить на всех образцах, предварительно испытанных по ГОСТ Р 52350.0. 19.3.1.3 Испытание на эрозию материала от пламени Данному испытанию подвергают оболочки объемом более 50 см3 с минимум одной взрывонепроницаемой поверхностью из пластического материала. Испытание допускается выполнять на образце, который не был предварительно испытан по ГОСТ Р 52350.0. Образец должен быть подготовлен согласно 15.2 за исключением того, что зазор между плоскими соединениями и между плоскими частями плоскоцилиндрических соединений должен быть от 0,1 до 0,15 мм. Проходные изоляторы, соединяющие два смежных отделения взрывонепроницаемой оболочки, должны быть испытаны в отделении с худшими условиями. Проводят 50 воспламенений взрывоопасных смесей согласно 15.1.2.1 для соответствующей группы и подгруппы. Для электрооборудования группы IIС проводят по 25 воспламенений на каждой из двух взрывоопасных смесей, указанных в 15.1.2.1. Оболочка считается выдержавшей испытания, если она затем выдерживает испытание на взрывонепроницаемость. 19.3.1.4 Испытание на взрывонепроницаемость Испытание проводят по 15.2. Испытание допускается выполнять на образце, который не был предварительно испытан по ГОСТ Р 52350.0. 19.3.2 Испытания на огнестойкость Испытаниям подвергают только оболочки или части оболочек, изготовленные из пластического материала. Испытания проводят в соответствии с МЭК 60695-11-10 [7] (метод V-2). 20 Маркировка20.1 Общие требованияВзрывонепроницаемые оболочки «d» должны маркироваться согласно ГОСТ Р 52350.0, а также на них должна быть нанесена дополнительная маркировка для данного вида взрывозащиты «d»: - предупредительная маркировка по 20.2, перечисления а), b), с), d) таблицы 9; - информационная маркировка по 20.3, перечисления а), b), с), d) таблицы 10. 20.2 Предупредительная маркировкаЕсли требуется нанесение предупредительных надписей, текст таблицы 9 после слова «ПРЕДОСТЕРЕЖЕНИЕ» или «ПРЕДУПРЕЖДЕНИЕ» может быть заменен технически равнозначным. Несколько текстов предупредительных надписей можно объединить в один равнозначный. Таблица 9 - Текст предупредительной маркировки
20.3 Информационная маркировкаЕсли требуется нанесение предупредительных надписей, текст таблицы 10 может быть заменен технически равнозначным. Несколько текстов предупредительных надписей можно объединить в один равнозначный. Таблица 10 - Текст информационной маркировки
Приложение А
| ||||||||||||||||||||||||||||||||||||||||||||||||||||||||||||||||||||||||||||||||||||||||||||||||||||||||||||||||||||||||||||||||||||||||||||||||||||||||||||||||||||||||||||||||||||||||||||||||||||||||||||||||||||||||||||||||||||||||||||||||||||||||||||||||||||||||||||||||||||||||||||||||||||||||||||||||||||||||||||||||||||||||||||||||||||||||||||||||||||||||||||||||||||||||||||||||||||||||||||||||||||||||||||||||||||||||||||||||||||||||||||||||||||||||||||||||||||||||||||||||||||||||||||||||||||||||||||||||||||||||||||||||||||||||||||||||||||||||||||||||||||||||||||||||||||||||||||||||||||||||||||||||||||||||||||||||||||||||||||||||||||||||||||||||||||||||||||||||||||||||||||||||||||||||||||||||||||||||||||||||||||||||||||||||||||||||||||||||||||||||||||||||||||||||||||||||||||||||||||||||||||||||||||||||||||||||||||||||||||||||||||||||||||||||||||||||||||||||||||||||||||||||||||||||||||||||||||||||||||||||||||||||||||||||||||||||||||||||||||||||||||||||||||||||||||||||||||||||||||||
|
М6:…….10 Нм |
М12:…….60 Нм |
|
М8:…….20 Нм |
М14:…….100 Нм. |
|
М10:…...40 Нм |
М16:…….150 Нм |
Кабельный ввод затем разбирают, и его части проверяют.
С.3.2.3 Кабельные вводы, герметизированные герметиком
Резьбовые кабельные вводы следует закручивать в соответствующее резьбовое отверстие жестко смонтированной стальной плиты крутящим моментом, Нм, равным минимальному значению, указанному в С.3.2.1.
Кабельный ввод разбирают, затем его части проверяют.
С.3.2.4 Критерии оценки
Результаты испытания по С.3.2.1 - С.3.2.3 считают положительными, если не произошло повреждений ни одной части кабельного ввода.
Примечание - Какие-либо повреждения уплотнительных колец не принимают во внимание, поскольку испытания должны подтвердить, что механическая прочность кабельных вводов является достаточной для выдерживания условий применения.
С.3.3 Типовые испытания Ех-заглушек
С.3.3.1 Испытание крутящим моментом
Образец Ex-заглушки каждого размера закручивают в жестко смонтированную плиту с вводным резьбовым отверстием, размеры и форма которого соответствуют испытуемому образцу. Образец должен быть затянут соответствующим инструментом, крутящим моментом, значение которого не менее указанных в таблице С.1 (графа 2). Результаты испытаний считают положительными, если обеспечено необходимое зацепление резьбы, и при разборке не обнаружено повреждения частей; повреждением шейки заглушки типа 22с можно пренебречь. Удаление заглушки типа 22b должно быть возможно только с применением соответствующего инструмента.
Заглушки типа 22b должны подвергаться дальнейшим испытаниям крутящим моментом, значение которого не менее указанного в таблице С.1 (графа 3). Результаты испытаний считают положительными, если режущая кромка не зашла полностью в резьбу.
С.3.3.2 Испытание на взрывоустойчивость
Заглушки подвергают типовым испытаниям статическим давлением согласно 15.1.3.1 со значениями:
- 2000 кПа - для электрооборудования группы I;
- 3000 кПа - для электрооборудования группы II.
С.3.4 Типовые испытания резьбовых Ех-переходников
С.3.4.1 Испытание крутящим моментом
Образец резьбового Ex-переходника каждого размера закручивают в жестко смонтированную стальную плиту с вводным резьбовым отверстием, размеры и форма которого соответствуют испытуемому образцу. В проходное отверстие переходника закручивают стальную или латунную резьбовую заглушку соответствующих формы и размера.
Заглушку затягивают крутящим моментом, значение которого не менее указанного в таблице С.1 (графа 2) и соответствующей большему из двух размеров резьбы переходника. Результаты испытания считают положительными, если после разборки конструкции не обнаружено повреждений переходника.
С.3.4.2 Испытание на удар
Образец резьбового Ex-переходника каждого размера закручивают в жестко смонтированную плиту с вводным резьбовым отверстием, размеры и форма которого соответствуют испытуемому образцу. В переходник закручивают нарезанным концом латунный или стальной стержень, диаметр которого соответствует диаметру переходника, а длина обеспечивает выступ, по величине равный входному диаметру переходника, но не менее 50 мм, крутящим моментом, значение которого не менее указанного таблице С.1 (графа 2). Собранный узел подвергают испытанию на удар в соответствии с требованиями ГОСТ Р 52350.0.
Конец стержня подвергают удару под прямым углом к оси и как можно ближе к концу стержня.
С.3.4.3 Испытание на взрывоустойчивость
Резьбовые переходники подвергают типовым испытаниям статическим давлением согласно 15.1.3.1 со значениями:
- 2000 кПа - для электрооборудования группы I;
- 3000 кПа - для электрооборудования группы II.
Таблица С.1 - Значения крутящих моментов
|
Размер резьбы, мм |
Значения крутящих моментов при испытаниях крутящим моментом и на удар, Нм |
Значения крутящих моментов для заглушки типа 22b, Нм |
|
16 |
40 |
65 |
|
20 |
40 |
65 |
|
25 |
55 |
95 |
|
32 |
65 |
110 |
|
40 |
80 |
130 |
|
50 |
100 |
165 |
|
63 |
115 |
195 |
|
75 |
140 |
230 |
|
более 75 |
2 da) |
3,5 da) |
|
а) Переменная величина d - наружный диаметр резьбы, мм. |
||
Рисунок С.2 - Примеры Ех-переходников
D.1 Общие требования
Сертификацию пустых взрывонепроницаемых оболочек проводят с целью получения изготовителем сертификата на оболочку без указания внутреннего оборудования для дальнейшей возможности использования пустой оболочки третьей стороной, изготавливающей оборудование законченной конструкции, что предоставляет возможность не проходить все типовые испытания пустой взрывонепроницаемой оболочки.
Если требуется оформление сертификата на оборудование законченной конструкции, то сертификат на пустую оболочку как Ex-компонент не обязателен.
D.2 Вводные замечания
Настоящее приложение содержит требования к сертификату на пустую оболочку как на Ex-компонент. При этом необходимо учесть, что это не устраняет потребности получения сертификата на оборудование законченной конструкции во взрывонепроницаемой оболочке, а только способствует его получению.
Изготовитель оболочки Ex-компонента обязан гарантировать, что каждое изделие:
a) имеет конструкционные характеристики, идентичные оригинальному изделию, согласно документации, указанной в сертификате на Ех-компонент;
b) подвергнуто требуемым контрольным испытаниям на взрывоустойчивость;
c) удовлетворяет требованиям перечня ограничений, приведенного в сертификате на Ех-компонент.
D.3 Требования к взрывонепроницаемой оболочке
D.3.1 Оболочки должны удовлетворять требованиям ГОСТ Р 52350.0 и настоящего стандарта.
D.3.2 Оболочки в основном должны иметь простую геометрическую форму квадратного, прямоугольного или круглого поперечного сечения с допустимым отклонением на сужение, не превышающем 10 %.
Примечание - Требуется дополнительное рассмотрение, если основные размеры превышают любой другой размер более чем отношение 4:1 для оборудования группы I, подгрупп IIА и IIВ или превышают любой другой размер более чем отношение 2:1.
D.3.3 Взрывонепроницаемые оболочки для электрических вращающихся машин не могут быть сертифицированы как пустые Ех-компоненты.
Примечание - Термин «машины» распространяется на электродвигатели, которые размещены в оболочке.
D.3.4 В оболочках должны быть предусмотрены специальные места для установки и монтажа внутренних компонентов.
D.3.5 В оболочке для механических и электрических целей не допускается просверливать отверстия насквозь или частично, кроме указанных в документации и в соответствующем сертификате на Ех-компонент.
Допускается сверление любых отверстий, если они указаны в сертификате на Ех-компонент и выполнены только держателем сертификата на Ех-компонент.
Максимальное число отверстий, их максимальные размеры и размещение должны быть указаны в документах, прилагаемых к Ех-сертификату.
D.3.6 Для оболочек оборудования групп I, подгрупп IIА и IIВ значение давления взрыва определяется согласно 15.1.2 при ниже перечисленных внесенных изменениях испытуемого образца:
- если ни один из больших размеров отделений не превышает другой больший размер более чем в отношении 2:1, то внесение изменений не требуется;
- во всех остальных допустимых конструкциях устанавливаемое сплошное препятствие (перегородка) должно иметь площадь, составляющую приблизительно 80 % поперечного сечения, находиться в центре малой оси и делить большую ось в соотношении приблизительно 2/3. Сплошное препятствие (перегородка) должно повторять поперечное сечение оболочки.
Для оболочек Ex-оборудования группы IIС значение давления взрыва определяют согласно 15.1.2. Устанавливаемое сплошное препятствие (перегородка) должно иметь площадь, составляющую приблизительно 60 % поперечного сечения оболочки, находиться в центре малой оси и делить большую ось в соотношении приблизительно 2/3. Сплошное препятствие должно повторять поперечное сечение оболочки.
При внесении изменений в испытуемый образец установкой сплошного препятствия источники воспламенения и датчики давления следует устанавливать по обе стороны от сплошного препятствия для одновременного измерения давления.
D.3.7 Оболочки должны выдерживать испытание на взрывоустойчивость при максимальном числе отверстий максимальных размеров при давлении, равном 1,5-кратному значению давления взрыва, определяемого по 15.1.2 для пустой оболочки с отверстиями для кабельных вводов закрытыми соответствующим способом.
Контрольным испытаниям не подвергают оболочки, которые выдержали типовые испытания статическим давлением, значение которого в четыре раза превышает давление взрыва. Оболочки сварной конструкции в любом случае следует подвергать контрольным испытаниям.
Контрольные испытания на взрывоустойчивость должны включать в себя один из следующих видов:
- динамические испытания с соответствующей испытательной смесью, указанной в 15.1.2 (для определения давления взрыва), при давлении внутри и снаружи оболочки, в 1,5 раза превышающем атмосферное;
- статические испытания давлением, в 1,5 раза превышающим значение давления взрыва, но не менее 350 кПа.
D.3.8 Внутренние маркировочные надписи внутри оболочки наносят способом, обеспечивающим долговечность и прочность. Маркировка должна соответствовать 20.3, перечисление d) таблицы 10.
Маркировочные надписи должны удовлетворять также требованиям к маркировке Ex-компонентов, приведенным в ГОСТ Р 52350.0.
Маркировка может не наноситься, если изготовитель оболочки является также держателем сертификата на оборудование законченной конструкции.
D.3.9 Внешняя маркировка оболочки дополняется информационными данными, как для оборудования согласно ГОСТ Р 52350.0.
D.3.10 В сертификате на Ex-компонент должна быть приведена следующая информация как часть перечня ограничений:
- максимальное число отверстий, их максимальный размер и положение должны быть четко указаны или приведена ссылка на номер чертежа;
- не допускается устанавливать внутри оболочки вращающиеся машины или другие устройства, создающие турбулентность;
- не допускается использовать автоматические выключатели с масляным заполнением;
- температурный диапазон (если отличается от диапазона от минус 20°С до плюс 40°С);
- (для оболочек Ex-компонента группы I, подгрупп IIА и IIВ), оборудование оболочки Ex-компонента может иметь любую компоновку при условии, что не менее 20 % площади поперечного сечения оболочки остается свободной для беспрепятственного течения потока газа, чтобы не ограничивать развитие взрыва. Отдельные свободные площади могут суммироваться при условии, что размеры каждого свободного участка в любом направлении будут не менее 12,5 мм;
- (для оболочек Ex-компонента подгруппы IIС) оборудование оболочки Ex-компонента может иметь любую компоновку при условии, что не менее 20 % площади поперечного сечения оболочки остается свободной для беспрепятственного течения потока газа, чтобы не ограничивать развитие взрыва. Отдельные свободные площади могут суммироваться при условии, что размеры каждого свободного участка в любом направлении будут не менее 12,5 мм;
- дополнительные ограничения, необходимые для конкретной конструкции, например максимальная рабочая температура окна.
D.4 Использование сертификата на Ex-компонент для получения сертификата на оборудование
D.4.1 Процедура оформления
Оболочки, имеющие сертификат на Ex-компонент, могут рассматриваться как оборудование для получения сертификата согласно требованиям ГОСТ Р 52350.0 и настоящего стандарта, и как правило, не требуется применять требования, которые уже применены к оболочке Ex-компонента, необходимые для соблюдения требования перечня ограничений, указанного в D.3.10.
Для сертификата на оборудования должны быть подготовлены документы с описанием указанного оборудования, любых допустимых замен или исключений, а также условий монтажа в оболочке Ex-компонента для выявления соответствия перечню ограничений, указанных в сертификате на оболочку Ех-компонента.
Любые отверстия, которые являются допустимыми в соответствии с сертификатом на оболочку Ех-компонента, могут выполняться изготовителем оболочки Ex-компонента или по согласованию между изготовителем оборудования и изготовителем оболочки Ех-компонента.
D.4.2 Применения перечня ограничений
Помимо соответствия перечню ограничений, все вопросы применения должны рассматриваться для подтверждения соответствия требованиям ГОСТ Р 52350.0 и настоящего стандарта.
Е.1 Вводные замечания
Настоящее приложение регламентирует требования к оборудованию с видом взрывозащиты «взрывонепроницаемая оболочка «d»», содержащему одну или несколько батарей для питания электрических цепей.
При использовании электрохимических элементов тока, независимо от их типа, главной целью является предотвращение образования взрывоопасных смесей электролитических газов (обычно водород или кислород) внутри взрывонепроницаемой оболочки. Вследствие этого, применение внутри взрывонепроницаемой оболочки элементов и батарей, способных в нормальном режиме работы (за счет естественной вентиляции или через разгрузочный клапан) выделять электролитические газы не допускается.
Примечание - Данное требование не распространяется на электрохимические элементы, используемые в качестве измерительных устройств (например, кислородо-цинковые элементы по МЭК 60086-1 [11], тип А, используемые для измерения концентрации кислорода).
Е.2 Допустимые к применению электрохимические системы
К применению допускаются только элементы, перечисленные в таблицах Е.1 и Е.2, характеристики которых указаны в соответствующих стандартах МЭК.
Таблица Е.1 - Первичные элементы, допускаемые к применению
|
Тип элемента по МЭК 60086-1 [11] |
Положительный электрод |
Электролит |
Отрицательный электрод |
Номинальное напряжение, В |
Максимальное напряжение разомкнутой цепи, В |
|
- |
Диоксид марганца |
Хлориды аммония, цинка |
Цинк |
1,5 |
1,73 |
|
А |
Соединения кислорода |
Хлорид аммония, хлорид цинка |
Цинк |
1,4 |
1,55 |
|
С |
Диоксид марганца |
Органическое соединение |
Литий |
3,0 |
3,7 |
|
Е |
Хлорид тионила (SOCl2) |
Гидрат неорганического соединения |
Литий |
3,6 |
3,9 |
|
L |
Диоксид марганца |
Гидроксид щелочного металла |
Цинк |
1,5 |
1,65 |
|
S |
Оксид серебра (Ag2O) |
Гидроксид щелочного металла |
Цинк |
1,55 |
1,63 |
|
Т |
Оксиды серебра (АgО, Аg2O) |
Гидроксид щелочного металла |
Цинк |
1,55 |
1,87 |
|
а) |
Диоксид серы |
Гидрат неорганической соли |
Литий |
3,0 |
3,0 |
|
а) |
Ртуть |
Гидроксид щелочного металла |
Цинк |
Нет данных |
Нет данных |
|
а) Может использоваться только при наличии соответствующего стандарта МЭК на элементы Примечание - Элементы из диоксида цинка/марганца описаны в МЭК 60086-1 [11], но не обозначены по типу. |
|||||
Таблица Е.2 - Вторичные элементы, допускаемые к применению
|
Соответствующий тип/стандарт МЭК |
Тип |
Электролит |
Номинальное напряжение, В |
Максимальное напряжение разомкнутой цепи, В |
|
Тип К МЭК 61951-1 [12] МЭК 60623 [13] МЭК 60662 [14] |
Никель-кадмиевые |
Гидроксид калия (плотность 1,3 г/см3) |
1,2 |
1,55 |
|
а) |
Литиевые |
Гидрат неорганической соли |
Данные ожидаются |
Данные ожидаются |
|
МЭК 61436 [15] |
Никель-металлогидридные |
Гидроокись калия |
1,2 |
1,5 |
|
а) Могут использоваться только при наличии соответствующего стандарта МЭК. |
||||
Е.3 Общие требования к элементам (или батареям), установленным внутри взрывонепроницаемой оболочки
Е.3.1 При применении определенных типов элементов действуют следующие ограничения:
- сборка батареи внутри взрывонепроницаемой оболочки из вентилируемых и открытых элементов не допускается;
- герметизированные с разгрузочным клапаном элементы могут устанавливаться внутри взрывонепроницаемой оболочки, но только в целях разрядки;
- герметичные газонепроницаемые вторичные элементы могут заряжаться при условии соответствия требованиям раздела Е.5.
Е.3.2 Взрывонепроницаемые оболочки с установленными внутри батареями должны иметь маркировку по 20.2, перечисление d) таблицы 9.
Данное требование не распространяется на батареи и связанные с ними электрические цепи, удовлетворяющие требованиям ГОСТ Р 52350.11, и на батареи, не заряжаемые при эксплуатации.
Е.3.3 Батареи и связанные с ними устройства защиты должны крепиться надежно (например, зажимами или держателями).
Е.3.4 Должны быть предусмотрены меры, предотвращающие перемещение между батареями и связанными с ними устройствами защиты или устройствами, которые могут нарушить вид взрывозащиты.
Примечание - Соответствие требованиям Е.3.3 и Е.3.4 следует проверять до и после механических испытаний согласно ГОСТ Р 52350.0.
Е.4 Размещение устройств защиты
Е.4.1 Меры, предотвращающие превышение температуры и повреждения элемента
Е.4.1.1 Если при эксплуатации батареи возможны короткие замыкания, то батареи должны иметь устройства защиты согласно Е.4.1.2 или удовлетворять двум следующим требованиям:
- температура наружной поверхности элемента или батареи не должна превышать продолжительную рабочую температуру, указанную изготовителем элемента или батареи с учетом температуры окружающей среды внутри оболочки;
- значение максимального тока разрядки элемента или батареи не должно превышать соответствующие значения, указанные изготовителем.
Е.4.1.2 Если оба требования Е.4.1.1 не могут быть выполнены, то необходимо предусмотреть защитные устройства, удовлетворяющие требованиям к неповреждаемым компонентам в соответствии с ГОСТ Р 52350.11 и расположенные в непосредственной близости к клеммам элемента или батареи. Защитным устройством может служить:
- резистор или токоограничительное устройство, ограничивающие ток до максимально возможных значений, указанных изготовителем батареи;
- плавкий предохранитель, соответствующий требованиям МЭК 60127 [16], выбранный таким образом, чтобы его характеристики были адекватными значениям максимально тока и длительности отключения, указанные изготовителем батареи. Если плавкий предохранитель подлежит замене, то рядом с держателем предохранителя должна быть установлена маркировочная надпись, указывающая тип используемого предохранителя.
Е.4.2 Меры защиты от переполюсовки или обратной зарядки другим элементом в той же батарее
Е.4.2.1 Для батарей
- емкостью 1,5 А·ч или меньше (при номинальной разрядке в течение одного часа) и
- объемом, занимающим менее 1 % свободного объема оболочки, дополнительные меры защиты от выделения электролитического газа, образующегося при переполюсовке или обратной зарядки элемента за счет разряда других элементов этой же батареи, не требуется.
Примечание - Вышеупомянутые требования не должны интерпретироваться как допущение к выделению электролитического газа от таких элементов.
Е.4.2.2 При использовании батарей емкостью и (или) объемом, превышающим вышеуказанные значения, должны быть предусмотрены меры, предотвращающие переполюсовки или обратную зарядку элементов другими элементами внутри батареи.
Это может быть достигнуто следующими способами:
- контролем напряжения элемента (или нескольких элементов) и отключением нагрузки, если напряжение уменьшается до величины менее, чем минимальное значение, указанное изготовителем.
Примечание 1 - Такая защита часто используется, чтобы предотвратить попадание элементов в состояние «глубокого разряда». При контроле напряжения большого числа элементов, соединенных последовательно, защита может не функционировать надежно из-за колебаний напряжений в каждом отдельном элементе и в цепи защиты. В общем случае защитный модуль может быть установлен для контроля не более шести последовательно соединенных элементов.
- использованием шунтирующих диодов, подсоединенных так, чтобы ограничить переполюсовки напряжения по каждому элементу (например, защитные меры для батареи, состоящей из трех последовательно соединенных элементов (схема приведена на рисунке Е.1).

Рисунок Е.1 - Схема подключения диодов из трех элементов, соединенных последовательно
Для эффективного действия таких защитных мер значение прямого падения напряжения на каждом диоде, используемого для предотвращения обратной зарядки элемента, не должно превышать значение безопасного обратного напряжения зарядки данного элемента.
Примечание 2 - Считается, что кремневые диоды удовлетворяют этому требованию.
Е.4.3 Меры защиты от несанкционированной зарядки батареи от других источников напряжения во взрывонепроницаемой оболочке
Если в оболочке есть другие источники напряжения, в том числе другие батареи, то батарея и связанные с ней электрические цепи должны быть защищены от зарядки способами, отличными от специально предназначенных для этих целей цепей. Например, одним из следующих способов:
- отделением батареи и связанных с ней электрических цепей от всех остальных источника напряжения, установленных внутри оболочки, при удовлетворении требований к путям утечки и электрическим зазорам согласно ГОСТ Р 52350.7 для наибольшего значения напряжения;
- отделением батареи и связанных с ней электрических цепей от всех остальных источников напряжения, установленных внутри оболочки, с помощью заземленного металлического барьера/экрана, способного защитить источник внутри оболочки; с помощью заземленного металлического барьера/экрана, выдерживающего максимально возможный ток источника при повреждениях в течение времени его существования (с учетом установленных элементов защиты, таких как предохранитель или защитное заземление);
- отделением только батареи от других источников напряжения при удовлетворении требований к путям утечки и электрическим зазорам согласно ГОСТ Р 52350.7 (таблица 1), при этом должны быть установлены блокирующие диоды (см. рисунок Е.2) для повышения надежности защиты в случае короткого замыкания одного из них.

Рисунок Е.2 - Схема подключения блокирующих диодов (см. Е.4.3)
Требования Е.4.3 не распространяются на электрические цепи, подключенные к батарее с целью стабилизации напряжения или создания источника, предназначенного для зарядки батарей, состоящих из вторичных элементов согласно Е.5.
Е.5 Зарядка вторичных элементов, установленных внутри взрывонепроницаемых оболочек
Е.5.1 Зарядке подлежат только установленные внутри взрывонепроницаемой оболочки герметичные, газонепроницаемые, никель-кадмиевые элементы типа «К», перечисленные в таблице Е.2. Никель-металлогидридные элементы могут заряжаться, только если это предусмотрено соответствующим стандартом МЭК.
Е.5.2 Если элементы или батареи заряжаются внутри взрывонепроницаемой оболочки, то условия зарядки должны полностью соответствовать требованиям, указанным изготовителем, а установленные устройства защиты должны гарантировать, что эти условия не могут быть нарушены.
Е.5.3 При зарядке должны быть предприняты все меры предосторожности, например такие, как предотвращение обратной зарядки.
Е.5.4 Для батарей емкостью 1,5 А·ч или менее (при номинальной разрядке в течение одного часа) и объемом, занимающим менее 1 % свободного объема оболочки, дополнительные меры защиты от выделяемого электролитического газа при зарядке не требуются.
Примечания:
1 Вышеупомянутое требование не должно интерпретироваться как допущение к выделению электролитического газа от таких элементов.
2 Вышеупомянутое требование ограничивает применение не установленных с защитными устройствами элементов (или батареи) таких типов, какие обычно называют «дисковыми элементами», используемых, например, во взрывонепроницаемых оболочках для сохранения памяти программируемых электронных устройств.
Е.5.5 При установке батарей емкостью и (или) объемом, превышающими указанные значения, зарядка их внутри взрывонепроницаемой оболочки возможна при условии, если батарея оснащена устройствами защиты для отключения зарядного тока, для предотвращения повреждения элемента электролитическими газами, а также превышения напряжения на любом элементе батареи максимально допустимого значения, указанного изготовителем элемента.
Е.6 Требования к номинальным параметрам защитных диодов и надежности устройств защиты
Е.6.1 Номинальное значение напряжения защитных диодов, установленных согласно Е.4.2, должно быть не менее максимального значения напряжения разомкнутой цепи батареи.
Е.6.2 Номинальное значение напряжения каждого из последовательно соединенных блокирующих диодов, установленных согласно Е.4.3 (третье перечисление), должно быть не менее максимального амплитудного значения напряжения, возникающего внутри оболочки.
Е.6.3 Значение номинального тока защитных диодов должно быть не менее значения максимального тока разрядки, ограниченного по Е.4.1.
Е.6.4 Устройства защиты, удовлетворяющие требованиям настоящего стандарта, должны образовывать части системы контроля и управления. Изготовитель несет ответственность за то, что устойчивость безопасности системы контроля и управления соответствует уровню безопасности, требуемому настоящим стандартом.
Примечание - Части, связанные с безопасностью и отвечающие требованиям уровня устойчивости безопасности (SIL) 1 МЭК 61508 [17], могут удовлетворять вышеупомянутым требованиям.
При применении требований 11.3 следующая информация может быть полезной
Таблица F.1 - Механические свойства винтов и гаек
|
Материал крепежной детали |
Класс свойств |
Номинальный предел прочности, МПа |
Минимальный предел прочности, МПа |
Номинальный предел текучести, МПа |
Минимальный предел текучести, МПа |
|
Углеродистая сталь |
3,6 |
300 |
330 |
180 |
190 |
|
Углеродистая сталь |
4,6 |
400 |
400 |
240 |
240 |
|
Углеродистая сталь |
4,8 |
400 |
420 |
320 |
340 |
|
Углеродистая сталь |
5,6 |
500 |
500 |
300 |
300 |
|
Углеродистая сталь |
5,8 |
500 |
520 |
400 |
420 |
|
Углеродистая сталь |
6,8 |
600 |
600 |
480 |
480 |
|
Углеродистая сталь |
8,8 ≤ М16 |
800 |
800 |
640 |
640 |
|
Углеродистая сталь |
8,8 > М16 |
800 |
830 |
640 |
660 |
|
Углеродистая сталь |
9,8 |
900 |
900 |
720 |
720 |
|
Углеродистая сталь |
10,9 |
1000 |
1040 |
900 |
940 |
|
Углеродистая сталь |
12,9 |
1200 |
1220 |
1080 |
1100 |
|
Нержавеющая сталь (аустенитная) |
А*-50 |
- |
500 |
- |
210 |
|
Нержавеющая сталь (аустенитная) |
А*-70 |
- |
700 |
- |
450 |
|
Нержавеющая сталь (мартенситная) |
А*-80 |
- |
800 |
- |
600 |
|
Нержавеющая сталь (мартенситная) |
С*-50 |
- |
500 |
- |
250 |
|
Нержавеющая сталь (мартенситная) |
С*-70 |
- |
700 |
- |
410 |
|
Нержавеющая сталь (мартенситная) |
С*-80 |
- |
800 |
- |
640 |
|
Нержавеющая сталь (мартенситная) |
С*-110 |
- |
1100 |
- |
820 |
|
Нержавеющая сталь (ферритная) |
F1-45 |
- |
450 |
- |
250 |
|
Нержавеющая сталь (серритная) |
F1-60 |
- |
600 |
- |
410 |
|
Примечание - Класс свойств для нержавеющей стали А и С - вышеуказанный знак «*» заменяется числовым классом свойств |
|||||
G.0 Введение
В настоящем приложении дано объяснение метода оценки риска, охватывающего уровни взрывозащиты оборудования. Данные уровни взрывозащиты оборудования введены, чтобы сделать возможным применение альтернативного метода выбора Ex-оборудования по сравнению с существующими методами.
G.1 Исторические предпосылки
Исторически было признано, что не все виды взрывозащиты гарантируют одинаковый уровень взрывозащиты при возможном возникновении условия воспламенения. ГОСТ Р 52350.14 на электроустановки определяет конкретные виды взрывозащиты для конкретных зон на основе статистических данных исходя из того, что чем больше вероятность или частота присутствия взрывоопасной среды, тем более высокий уровень безопасности необходим для предотвращения активизации источника воспламенения.
Разделение на взрывоопасные зоны (за исключением угольных шахт) осуществляется в соответствии со степенью опасности. Степень опасности определяют, исходя из вероятности появления взрывоопасной среды. Обычно не учитывают ни потенциальные последствия взрыва, ни другие факторы, например токсичность материалов. Истинная оценка риска учитывает все факторы.
Принято, что допуск оборудования в каждую зону зависит от вида взрывозащиты. В некоторых случаях вид взрывозащиты может разделяться на несколько уровней взрывозащиты, которые также соотносятся с зонами. Например, вид взрывозащиты «искробезопасность» разделен на уровни «ia», «ib» и «ic». Стандарт на вид взрывозащиты «герметизация компаундом «m»» предусматривает два уровня взрывозащиты - «mа» и «mb».
Ранее стандарт по выбору оборудования устанавливал тесную связь между видом взрывозащиты оборудования и зоной, в которой оборудование можно использовать. Как было отмечено выше, нигде в системе взрывозащиты, принятой в МЭК, не учитываются потенциальные последствия взрыва, если он произойдет.
Однако владельцы предприятий часто принимают интуитивные решения относительно расширения (или ограничения) зон на своем предприятии, чтобы компенсировать этот недостаток. Типичным примером является установка оборудования для навигации для зоны класса 1 в зоне класса 2 на морских нефтяных платформах, чтобы навигационное оборудование продолжало функционировать даже в присутствии неожиданного продолжительного газовыделения. С другой стороны, для владельца удаленной небольшой и безопасной насосной станции приемлемо установить электродвигатель для зоны класса 2 в зоне класса 1, если общее количество газа при взрыве будет небольшим и риск для жизни или собственности от такого взрыва можно не принимать в расчет.
Ситуация стала более сложной с публикацией стандарта ГОСТ Р 52350.26, который ввел дополнительные требования к оборудованию, предназначенному для применения в зоне класса 0. До этого уровень взрывозащиты «ia» рассматривали как единственно приемлемый для зоны класса 0.
Было признано, что полезно идентифицировать и маркировать все изделия в соответствии с риском воспламенения, который он представляет. Это облегчит выбор оборудования и даст возможность лучше применять метод оценки риска, когда это уместно.
G.2 Общие требования
Метод оценки риска для Ex-оборудования был введен как альтернатива существующему директивному и относительно негибкому методу, связывающему оборудование с зонами. Для облегчения задачи была создана система уровней взрывозащиты оборудования, чтобы ясно показать риск воспламенения, присущий оборудованию, независимо от используемого вида взрывозащиты.
Система уровней взрывозащиты оборудования следующая.
G.2.1 Угольная промышленность (группа I)
G.2.1.1 Уровень взрывозащиты оборудования Ма
Оборудование для установки в угольной шахте с очень высоким уровнем взрывозащиты, обеспечивающим достаточную безопасность, и для которого маловероятно стать источником воспламенения, даже если оно будет находиться под напряжением при внезапном выделении газа.
Примечание - Обычно линии связи и газоанализаторы конструируют в соответствии с требованиями Ма (например, телефонная линия Ex ia).
G.2.1.2 Уровень взрывозащиты оборудования Mb
Оборудование для установки в угольной шахте с высоким уровнем взрывозащиты, обеспечивающим достаточную безопасность, для которого маловероятно стать источником воспламенения в период времени между выбросом газа и отключением напряжения.
Примечание - Обычно все угледобывающее оборудование конструируют в соответствии с требованиями Mb, например, электродвигатели и распределительные устройства Ex d.
G.2.2 Газы (группа II)
G.2.2.1 Уровень взрывозащиты оборудования Ga
Оборудование для взрывоопасных газовых сред с очень высоким уровнем взрывозащиты, которое не является источником воспламенения в нормальных условиях эксплуатации, при учитываемых неисправностях или при редких отказах.
G.2.2.2 Уровень взрывозащиты оборудования Gb
Оборудование для взрывоопасных газовых сред с высоким уровнем взрывозащиты, которое не является источником воспламенения в нормальных условиях эксплуатации или при учитываемых неисправностях, возникающих нерегулярно.
Примечание - Большинство стандартных видов взрывозащиты обеспечивают этот уровень взрывозащиты оборудования.
G.2.2.3 Уровень взрывозащиты оборудования Gc
Оборудование для взрывоопасных газовых сред с повышенным уровнем взрывозащиты, которое не является источником воспламенения в нормальных условиях эксплуатации и которое может быть снабжено дополнительной взрывозащитой для того, чтобы оно не становилось источником воспламенения при часто и регулярно возникающих неисправностях, таких как разрушение лампы.
Примечание - Обычно это оборудование Ех n.
G.2.3 Пыль (группа III)
G.2.3.1 Уровень взрывозащиты оборудования Da
Оборудование для применения в среде горючей пыли с очень высоким уровнем взрывозащиты, которое не является источником воспламенения в нормальных условиях эксплуатации или при редких неисправностях.
G.2.3.2 Уровень взрывозащиты оборудования Db
Оборудование для применения в среде горючей пыли с высоким уровнем защиты, которое не является источником воспламенения в нормальных условиях эксплуатации или при учитываемых неисправностях, которые возникают нерегулярно.
G.2.3.3 Уровень взрывозащиты оборудования Dc
Оборудование для применения в среде горючей пыли с повышенным уровнем защиты, которое не является источником воспламенения в нормальных условиях эксплуатации и может быть снабжено дополнительной защитой для того, чтобы оно не становилось источником воспламенения при часто и регулярно возникающих неисправностях.
В большинстве ситуаций с типичными потенциальными последствиями взрыва следует руководствоваться следующими правилами применения оборудования в зонах (это не относится к угольным шахтам, для которых принцип зон обычно не применяется).
Таблица G.1 - Традиционная взаимосвязь уровней взрывозащиты оборудования и зон (без дополнительной оценки риска)
|
Уровень взрывозащиты оборудования |
Класс зоны |
|
Ga |
0 |
|
Gb |
1 |
|
Gc |
2 |
|
Da |
20 |
|
Db |
21 |
|
Dc |
22 |
G.3 Обеспечиваемая защита от риска воспламенения
Разные уровни взрывозащиты оборудования должны действовать в соответствии с рабочими параметрами, установленными изготовителем для данного уровня взрывозащиты.
Таблица G.2 - Описание обеспечиваемой защиты от риска воспламенения
|
Обеспечиваемая защита |
Уровень взрывозащиты оборудования |
Характеристики защиты |
Условия работы |
|
Очень высокая |
Ма |
Два независимых средства защиты или безопасность при двух независимо возникающих неисправностях |
Оборудование работает в присутствии взрывоопасной среды |
|
Очень высокая |
Ga |
Два независимых средства защиты или безопасность при двух независимо возникающих неисправностях |
Оборудование работает в зонах 0, 1 и 2 |
|
Очень высокая |
Da |
Два независимых средства защиты или безопасность при двух независимо возникающих неисправностях |
Оборудование работает в зонах 20, 21 и 22 |
|
Высокая |
Mb |
Подходит для нормальных и тяжелых условий эксплуатации |
Оборудование отключают от напряжения в присутствии взрывоопасной среды |
|
Высокая |
Gb |
Подходит для нормальных условий эксплуатации и условий часто возникающих неисправностей или для оборудования, неисправности которого обычно учитывают |
Оборудование работает в зонах 1 и 2 |
|
Высокая |
Db |
Подходит для нормальных условий эксплуатации и условий часто возникающих неисправностей или для оборудования, неисправности которого обычно учитывают |
Оборудование работает в зонах 21 и 22 |
|
Повышенная |
Gc |
Подходит для нормальных условий эксплуатации |
Оборудование работает в зоне 2 |
|
Повышенная |
Dc |
Подходит для нормальных условий эксплуатации |
Оборудование работает в зоне 22 |
G.4 Осуществление
В четвертом издании МЭК 60079-14 [18] (включающем в себя прежние требования МЭК 61241-14 [19]) будут введены уровни взрывозащиты оборудования, чтобы дать возможность применять систему «оценки риска» в качестве альтернативного метода выбора оборудования (см. таблицу G.2). Соответствующая ссылка будет также включена в стандарты по классификации взрывоопасных зон МЭК 60079-10 [20] и МЭК 61241-10 [21].
Дополнительная маркировка и взаимосвязь существующих видов взрывозащиты вводятся в исправленные издания следующих стандартов МЭК:
- МЭК 60079-0 [22] (включает прежние требования МЭК 61241-0 [23])
- МЭК 60079-1 [24]
- МЭК 60079-2 [25] (включает прежние требования МЭК 61241-4 [26])
- МЭК 60079-5 [27]
- МЭК 60079-6 [28]
- МЭК 60079-7 [29]
- МЭК 60079-11 [30] (включает прежние требования МЭК 61241-11 [31])
- МЭК 60079-15 [32]
- МЭК 60079-18[33] (включает прежние требования МЭК 61241-18[34])
- МЭК 60079-26 [35]
- МЭК 60079-28 [36]
Для видов взрывозащиты для взрывоопасных газовых сред необходима дополнительная маркировка уровней взрывозащиты оборудования. Для среды взрывчатой пыли существующая система маркировки зон на оборудовании заменяется маркировкой уровней взрывозащиты оборудования.
Таблица Н.1
|
Обозначение ссылочного национального стандарта Российской Федерации |
Обозначение и наименование ссылочного международного стандарта и условное обозначение его соответствия ссылочному национальному стандарту |
|
ГОСТ Р 50537-93 (МЭК 127-1-88) |
МЭК 60127-1 Миниатюрные плавкие предохранители. Терминология для миниатюрных плавких предохранителей и общие требования к миниатюрным плавким вставкам (MOD) |
|
ГОСТ Р 50538-93 (МЭК 127-2-89) |
МЭК 60127-2 Миниатюрные плавкие предохранители. Трубчатые плавкие вставки (MOD) |
|
ГОСТ Р 50539-93 (МЭК 127-3-88) |
МЭК 60127-3 Миниатюрные плавкие предохранители. Субминиатюрные плавкие вставки |
|
(МЭК 60079-0:2004) |
МЭК 60079-0:2004 Оборудование для взрывоопасных газовых сред - Часть 0: Общие требования (MOD) |
|
(МЭК 60079-1-1:2002) |
МЭК 60079-1-1:2002 Электрооборудование для взрывоопасных газовых сред. Часть 1-1. Взрывонепроницаемые оболочки «d». Метод испытания для определения безопасного экспериментального максимального зазора (IDT) |
|
ГОСТ Р 52350.7-2005 (МЭК 60079-7:2006) |
МЭК 60079-7:2001 Электрооборудование для взрывоопасных газовых сред. Часть 7. Повышенная защита вида «е» (IDT) |
|
(МЭК 60079-11:2006) |
МЭК 60079-11:1999 Электрооборудование для взрывоопасных газовых сред. Часть 11. Искробезопасная электрическая цепь «i» (IDT) |
|
МЭК 60079-14:2002 Электрооборудование для взрывоопасных газовых сред. Часть 14. Электроустановки во взрывоопасных зонах (кроме подземных выработок) (IDT) |
|
|
ГОСТ Р 52350.26-2007 (МЭК 60079-26:2006) |
МЭК 60079-26:2006 Взрывоопасные среды. Часть 26. Оборудование с уровнем взрывозащиты «Ga» (IDT) |
|
ГОСТ Р МЭК 86-1-96 |
МЭК 60086-1:2000 Батареи первичные. Часть 1. Общие положения (IDT) |
|
ГОСТ 2746-90 (МЭК 238-87) |
МЭК 60061 Ламповые цоколи и патроны, а также калибры для проверки их взаимозаменяемости и надежности (NEQ) |
|
ГОСТ 6211-81 |
* |
|
ГОСТ 6357-81 |
ANSI/ASME B1.20.1-1983 (R2001) Основные нормы взаимозаменяемости. Резьба трубная цилиндрическая. (NEQ) |
|
(МЭК 529-89) |
МЭК 60529:1989 Степени защиты, обеспечиваемые оболочками (Код IP) (NEQ) |
|
(ИСО 965-1:1998, ИСО 965-3:1998) |
ИСО 965-1:1998 Резьбы ИСО метрические общего назначения. Допуски. Часть 3. Отклонения для конструкционных резьб ИСО 965-3:1998 Основные нормы взаимозаменяемости. Резьба метрическая. Допуски. Посадки с зазором (NEQ) |
|
(МЭК 112-79) |
МЭК 60112:1979 Материалы электроизоляционные твердые. Методы определения сравнительного и контрольного индексов трекингостойкости во влажной среде (MOD) |
|
ГОСТ 28173-89 (МЭК 34-1-83) |
МЭК 60034-1:2004 Машины электрические вращающиеся. Номинальные данные и рабочие характеристики (NEQ) |
|
* Соответствующий национальный стандарт отсутствует. До его утверждения рекомендуется использовать перевод на русский язык данного международного стандарта. Перевод данного международного стандарта находится в федеральном информационном фонде технических регламентов и стандартов. |
|
|
[1] ИСО 31-0:1992 |
Величины и единицы - Часть 0. Общие принципы |
|
[2] ИСО 468:1982 |
Шероховатость поверхности. Параметры, их значения и общие правила установления технических требований (отменен в |
|
[3] ИСО 185:1988 |
Серый чугун - Классификация |
|
[4] ИСО 3864-2:2004 |
Символы графические. Цвета и знаки безопасности. Часть 2. Принципы проектирования для этикеток безопасности на изделиях |
|
[5] МЭК 60034-1 |
Вращающиеся электрические машины - Часть 1: Номинальные и рабочие характеристики |
|
[6] МЭК 60061 |
Ламповые цоколи и патроны, а также калибры для проверки их взаимозаменяемости и надежности |
|
[7] МЭК 60695-11-10 |
Испытания на пожароопасность. Часть 11-10. Пламя для испытания. Методы испытания горизонтальным и вертикальным пламенем мощностью 50 Вт |
|
[8] ИСО 4003:1977 |
Материалы металлокерамические проницаемые. Определение размера пор путем пропускания газа и замера пузырьков в жидкости |
|
[9] ИСО 2738:1999 |
Материалы металлокерамические, кроме твердых сплавов. Проницаемые металлокерамические материалы. Определение плотности, содержания масла и открытой пористости |
|
[10] ИСО 4022:1987 |
Материалы металлокерамические проницаемые. Определение проницаемости для жидкостей |
|
[11] МЭК 60086-1:2000 |
Батареи первичные - Часть 1: Общие положения |
|
[12] МЭК 61951-1 |
Аккумуляторы и аккумуляторные батареи щелочные или содержащие некислотные электролиты. Переносные индивидуальные герметичные перезаряжаемые аккумуляторы. Часть 1. Никель-кадмиевые элементы |
|
[13] МЭК 60623:2001 |
Аккумуляторы и батареи, содержащие щелочи и другие некислотные электролиты. Элементы аккумуляторные одиночные негерметичные никель-кадмиевые призматические перезаряжаемые |
|
[14] МЭК 60662:2002 |
Лампы натриевые высокого давления |
|
[15] МЭК 61436 |
Аккумуляторы и батареи, содержащие щелочи или другие некислотные электролиты. Герметичные никель-металлические гидридные перезаряжаемые отдельные элементы |
|
[16] МЭК 60127 |
Предохранители плавкие миниатюрные |
|
[17] МЭК 61508 (все части) |
Системы электрические/электронные/программируемые электронные, связанные с функциональной безопасностью |
|
[18] МЭК 60079-14 |
Взрывоопасные газовые среды. Часть 14. Проектирование, выбор и монтаж электрических установок |
|
[19] МЭК 61241-14 |
Электрооборудование для применения в присутствии горючей пыли. Часть 14. Выбор и установка |
|
[20] МЭК 60079-10 |
Оборудование электрическое для взрывоопасных газовых сред. Часть 10: Классификация опасных зон |
|
[21] МЭК 61241-10 |
Электрооборудование для применения в присутствии горючей пыли. Часть 10. Классификация зон, где присутствует или может присутствовать горючая пыль |
|
[22] МЭК 60070-0 |
Взрывоопасные среды. Часть 0. Оборудование. Общие требования |
|
[23] МЭК 61241-0 |
Электрооборудование для применения в присутствии горючей пыли. Часть 0: Общие требования |
|
[24] МЭК 60079-1 |
Взрывоопасные среды. Часть 1. Оборудование с видом взрывозащиты «взрывонепроницаемые оболочки «d» |
|
[25] МЭК 60079-2 |
Электрооборудование для взрывоопасных газовых сред - Часть 2: Оболочки под избыточным давлением «р» |
|
[26] МЭК 61241-4 |
Электрооборудование для применения в присутствии горючей пыли - Часть 4: Защита вида «pD» |
|
[27] МЭК 60079-5 |
Электрооборудование для взрывоопасных газовых сред - Часть 5: Кварцевое заполнение оболочки «q» |
|
[28] МЭК 60079-6 |
Взрывоопасные среды - Часть 6: Масляное заполнение оболочки «о» |
|
[29] МЭК 60079-7 |
Взрывоопасные среды - Часть 7: Оборудование повышенной защиты вида «е» |
|
[30] МЭК 60079-11 |
Взрывоопасные среды - Часть 11: Искробезопасная электрическая цепь «i» |
|
[31] МЭК 61241-11 |
Электрооборудование, применяемое в зонах, опасных по воспламенению горючей пыли - Часть 11: Защита вида искробезопасная цепь в присутствии пыли «iD» |
|
[32] МЭК 60079-15 |
Электрооборудование для взрывоопасных газовых сред - Часть 15: Конструкция, испытание и маркировка неискрящего электрооборудования с видом защиты «n» |
|
[33] МЭК 60079-18 |
Взрывоопасные среды - Часть 18: Электрооборудование. Требования к герметизации компаундом «m» |
|
[34] МЭК 61241-18 |
Электрооборудование, применяемое в зонах, опасных по воспламенению горючей пыли - Часть 18: Защита герметизацией компаундом «mD» |
|
[35] МЭК 60079-26 |
Электрооборудование для взрывоопасных газовых сред - Часть 26: Конструкция, испытание и маркировка электрооборудования группы II для зоны класса 0 |
|
[36] МЭК 60079-28 |
Взрывоопасные среды - Часть 28: Защита оборудования и передающих систем, использующих оптическое излучение |
Ключевые слова: оборудование взрывозащищенное, взрывонепроницаемые оболочки, классификация оборудования по группам, температура, требования к оборудованию, неметаллические оболочки, крепежные детали, блокировка, вид взрывозащиты
|
|
|
|