|
|
ОТКРЫТОЕ АКЦИОНЕРНОЕ ОБЩЕСТВО АКЦИОНЕРНАЯ КОМПАНИЯ ПО ТРАНСПОРТУ НЕФТИ «ТРАНСНЕФТЬ» ОАО «АК «ТРАНСНЕФТЬ» УТВЕРЖДАЮ И.о. Президента ОАО «АК «Транснефть» Ю.В. Лисин 1.10.2007 г. РУКОВОДЯЩИЙ ДОКУМЕНТ НОРМЫ ПРОЕКТИРОВАНИЯ МОЛНИЕЗАЩИТЫ ОБЪЕКТОВ МАГИСТРАЛЬНЫХ РД-91.020.00-КТН-276-07 ПРЕДИСЛОВИЕ1 ДОКУМЕНТ РАЗРАБОТАН ОАО «Инжиниринговая нефтегазовая компания - Всероссийский научно-исследовательский институт по строительству и эксплуатации трубопроводов, объектов ТЭК» (ОАО ВНИИСТ), ЗАО «ВНИИСТ-Нефтегазпроект» 2 УТВЕРЖДЕН И ВВЕДЕН В ДЕЙСТВИЕ приказом ОАО «АК «Транснефть» 1.10.2007 г. 3 ВВЕДЕН ВПЕРВЫЕ 4 СРОК ДЕЙСТВИЯ до замены (отмены) 5 Документ входит в состав информационного фонда ОАО «АК «Транснефть» АннотацияНастоящий документ устанавливает требования по защите от прямых ударов молнии и защите от вторичных проявлений молнии объектов МН и коммуникаций ОАО «АК «Транснефть» и ДАО. В разработке РД принимали участие: от ОАО «АК «Транснефть» - Радченко В.В.; от ЗАО «ВНИИСТ - Нефтегазпроект» - к.ф.-м.н. Батурин Д.М., Мишакин Н.С., Бутин А.И.; от ЗАО «КБ Проминжиниринг» - к.т.н. Вербин В.С., Крылов Р.Ю., Копьев И.М., от ООО «ЭЗОП» - к.ф. - м.н. Матвеев М.В., Носков С.Н. ВведениеРазработанный документ содержит требования к защите от прямых ударов молнии и защите от вторичных проявлений молнии объектов магистральных нефтепроводов, которые позволяют обеспечить комплексную защиту оборудования МН, а также защиту электронных систем автоматизации, телемеханики, КИП, связи и сигнализации от вторичных проявлений молнии. 1 Область применения1.1 Настоящий документ устанавливает требования по защите от прямых ударов молнии и защите от вторичных проявлений молнии объектов МН и коммуникаций ДАО ОАО «АК «Транснефть», а также содержит соответствующие типовые технические и конструктивные решения, которые необходимо применять при проектировании систем молниезащиты. 1.2 Требования настоящего документа распространяются на систему защиты от прямого удара молнии следующих объектов магистральных нефтепроводов и коммуникаций ОАО «АК «Транснефть»: зданий, сооружений и коммуникаций линейной части МН; зданий, сооружений и коммуникаций нефтеперекачивающих станций; резервуаров и коммуникаций резервуарных парков МН; зданий, сооружений и коммуникаций нефтебаз; зданий, сооружений и коммуникаций железнодорожных эстакад; вдоль трассовых ВЛ 6-10 кВ; морских причалов; других объектов МН, а также на защиту от вторичного воздействия молнии применяемого на данных объектах электронного оборудования. 1.3 Выполнение требований в соответствии с данным нормативным документом обеспечивает молниезащиту объектов магистральных нефтепроводов и коммуникаций ОАО «АК «Транснефть» дочерних акционерных обществ от прямого удара молнии и её вторичных проявлений. 1.4 Настоящий РД должен применяться при разработке проектной документации по молниезащите на новое строительство и реконструкцию вышеуказанных объектов, а также капитальный ремонт заземляющих устройств объектов МН в процессе эксплуатации. 1.5 Настоящий документ является отраслевым нормативным документом обязательным для выполнения. 2 Нормативные ссылкиВ настоящем документе использованы ссылки на следующие документы: ГОСТ 10434-82 Соединения контактные электрические. Классификация. Общие технические требования ГОСТ 14254-96 Степени защиты, обеспечиваемые оболочками (код IP) ГОСТ Р 50571.19-2000 (МЭК 60364-4-443-95) Электроустановки зданий. Часть 4. Требования по обеспечению безопасности. Глава 44. Защита от перенапряжений. Раздел 443. Защита электроустановок от грозовых и коммутационных перенапряжений ГОСТ Р 50649-94 Совместимость технических средств электромагнитная. Устойчивость к импульсному магнитному полю. Технические требования и методы испытаний ГОСТ Р 51317.4.5-99 Совместимость технических средств электромагнитная. Устойчивость к микросекундным импульсным помехам большой энергии. Требования и методы испытаний ГОСТ Р 51330.9-99 Электрооборудование взрывозащищенное. Часть 10. Классификация взрывоопасных зон ГОСТ Р 51992-2002 (МЭК 61643-1-98) Устройства защиты от импульсных перенапряжений в низковольтных силовых распределительных системах. Часть 1. Требования к работоспособности и методы испытаний СО 153-34.21.122-2003 Инструкция по устройству молниезащиты зданий, сооружений и промышленных коммуникаций. М.: Издательство МЭИ. 2004 НПБ 105-03 Нормы пожарной безопасности. Определение категорий помещений, зданий и наружных установок по взрывопожарной и пожарной опасности РД-23.040.00-КТН-189-06 Правила антикоррозионной защиты надземных трубопроводов, конструкций и оборудования объектов магистральных нефтепроводов РД 34.21.122-87 Инструкции по молниезащите зданий и сооружений РД-91.010.30-КТН-170-06 Технические требования к проектной документации для строительства, технического перевооружения, реконструкции и капитального ремонта объектов магистральных нефтепроводов ОР-20.02-74.20.11-КТН-009-1-05 Регламент формирования плана ПИР, выдачи заданий на проектирование, разработки и экспертизы ПСД для строительства, технического перевооружения и реконструкции и капитального ремонта объектов ОАО «АК «Транснефть» 3 Термины и определенияВ настоящем документе применены следующие термины с соответствующими определениями: 3.1 Безопасное расстояние (защитное разделение проводников): Минимальное расстояние между двумя проводящими элементами вне или внутри защищаемого объекта, при котором между ними не может произойти опасного искрения. 3.2 Взрывоопасная зона: Помещение или ограниченное пространство в помещении или наружной установке, в котором имеются или могут образовываться взрывоопасные смеси. Классификация взрывоопасных зон определяется в соответствии гл. 7.3 ПУЭ и ГОСТ Р 51330.9. 3.3 Взрывоопасная смесь: Смесь с воздухом, при атмосферных условиях, горючих веществ в виде газа, пара или тумана, горение в которой после начала воспламенения распространяется на весь объем взрывоопасной смеси. 3.4 Внешняя система молниезащиты: Часть системы молниезащиты, предназначенная для защиты от прямого удара молнии. 3.5 Внутренняя система молниезащиты: Часть системы молниезащиты, предназначенная для защиты от вторичных проявлений молнии. 3.6 Вторичное проявление молнии: ЭДС, наведенные в незамкнутых металлических контурах, создающие опасность искрения внутри защищаемого объекта; вторичные разряды (перекрытия); импульсные разности потенциалов в пределах ЗУ и на ЗУ относительно зоны нулевого потенциала; импульсные магнитные поля. 3.7 Выравнивание потенциалов: Снижение разности потенциалов (шагового напряжения) на поверхности земли или пола при помощи защитных проводников, проложенных в земле, в полу или на их поверхности и присоединенных к заземляющему устройству, или путем применения специальных покрытий земли. 3.8 Гальваническая связь: Связь между различными проводящими частями через активное сопротивление. 3.9 Гальваническая развязка: Мероприятие или техническое средство, применение которого направлено на исключение гальванической связи между проводящими частями. 3.10 Главная заземляющая шина: Шина, являющаяся частью заземляющего устройства электроустановки и предназначенная для присоединения проводников с целью заземления и уравнивания потенциалов. 3.11 Главный заземляющий проводник: Проводник, соединяющий главную заземляющую шину с заземляющим устройством. 3.12 Заземлитель: Проводящая часть или совокупность соединенных между собой проводящих частей, находящихся в электрическом контакте с землей непосредственно или через промежуточную проводящую среду. 3.13 Заземляющее устройство: Совокупность заземлителя и заземляющих проводников. 3.14 Заземляющий контур (контур заземления): Заземляющий проводник в виде замкнутой петли вокруг здания (сооружения) в земле или на ее поверхности. 3.15 Заземляющий проводник: Проводник, соединяющий заземляемые части с заземлителем. 3.16 Занос высокого потенциала: Перенесение в защищаемое здание или сооружение по протяженным металлическим промышленным коммуникациям (подземным и надземным трубопроводам, кабелям и т.п.) электрических потенциалов, возникающих при прямых и близких ударах молнии и создающих опасность искрения внутри защищаемого объекта. 3.17 Защищаемый объект: Объект магистральных нефтепроводов и коммуникаций, защищаемый системой молниезащиты. 3.18 Зона защиты молниеотвода: Пространство вблизи молниеотвода, отличающееся тем, что вероятность удара молнии в объект, размещенный внутри защищенного пространства, не превышает заданной величины. 3.19 Зона молниезащиты: Область пространства внутри и снаружи здания, характеризуемая уровнем микросекундных импульсных помех большой энергии и напряженностью импульсного электромагнитного поля. 3.20 Инженерное оборудование: Находящееся внутри объекта оборудование (электрическая система, электронное оборудование и пр.). 3.21 Инженерные коммуникации: Кабельные линии (силовые, информационные, измерительные, управления, связи и сигнализации), проводящие трубопроводы, непроводящие трубопроводы с внутренней проводящей средой, рельсовые пути и т.п. Внутренними инженерными коммуникациями считаются коммуникации, не выходящие за пределы границы защищаемого здания, сооружения. Внешними инженерными коммуникациями считаются коммуникации, которые подводятся к зданиям, сооружениям снаружи. 3.22 Информационное оборудование: Технические средства, выполненные на базе электронных логических элементов (включая микропроцессоры) и (или) первичные измерительные преобразователи, используемые для выполнения функций управления, измерения, сигнализации, связи на объектах НПС и линейной части. 3.23 Легковоспламеняющаяся жидкость: Жидкость, способная самостоятельно гореть после удаления источника зажигания и имеющая температуру вспышки не выше 61°С. 3.24 Молниеотвод: Устройство, воспринимающее удар молнии и отводящее ее ток в землю. Молниеотвод состоит из молниеприемника, токоотвода, несущей конструкции на которой они размещаются и заземлителя. 3.25 Молниеприемник: Часть молниеотвода, предназначенная для перехвата молнии. 3.26 Информационное оборудование нижнего уровня: Информационное (электронное) оборудование, взаимодействующее непосредственно с технологическим и (или) энергетическим оборудованием. 3.27 Информационное оборудование среднего уровня: Информационное (электронное) оборудование, обрабатывающее информацию, поступающую непосредственно с оборудования нижнего уровня (блоки на базе программируемых логических контроллеров, терминалы РЗА и т.п.). 3.28 Информационное оборудование верхнего уровня: Информационное (электронное) оборудование, осуществляющее дальнейшую обработку и хранение информации, поступающей с оборудования среднего уровня, а также обеспечивающее реализацию обмена информацией между оборудованием различных систем и (или) людьми (серверы ввода-вывода, автоматизированные рабочие места, системы связи и т.п.). 3.29 Надежность защиты: Р - вероятность перехвата молнии элементами внешней СМЗ. (1-Р) - вероятность прорыва молнии через зону молниезащиты. 3.30 Опасное искрение: Недопустимый электрический разряд внутри защищаемого объекта. 3.31 Параметры тока молнии: Основные параметры, используемые для расчетов и моделирования действия удара молнии в систему молниезащиты и ее компоненты. 3.32 Прямой удар молнии: Непосредственный контакт канала молнии со зданием или сооружением, сопровождающийся протеканием через него тока молнии. 3.33 Резервуарный парк: Группа (группы) резервуаров, предназначенных для хранения нефти и нефтепродуктов и размещенных на территории, ограниченной по периметру обвалованием или ограждающей стенкой при наземных резервуарах и дорогами или противопожарными проездами - при подземных резервуарах и резервуарах, установленных в котлованах или выемках. 3.34 Система заземления объекта (общее заземляющее устройство, комплексное заземляющее устройство): Совокупность соединенных между собой заземляющих устройств на территории объекта МН (НПС, ПСП и т.д.). 3.35 Система молниезащиты: Система, предназначенная для защиты живых организмов, зданий и оборудования от первичных и вторичных проявлений молниевого разряда. 3.36 Система уравнивания потенциалов: Совокупность проводников, металлоконструкций объекта и устройств защиты от перенапряжений, соединенных с целью снижения разностей потенциалов между ними. 3.37 Сопротивление растеканию заземляющего устройства: Отношение напряжения на заземляющем устройстве к току, стекающему с заземлителя в землю. 3.38 Телекоммуникационное (функциональное) заземление: Составная часть ЗУ объекта, используемая для заземления информационного оборудования, экранов информационных кабелей, а также металлоконструкций кабельных эстакад, лотков и коробов в которых эти кабели проложены. Предназначено для обеспечения нормальных условий работы информационного оборудования при воздействии внешних дестабилизирующих электромагнитных помех 3.39 Токоотвод (спуск): Часть молниеотвода, предназначенная для отвода тока молнии от молниеприемника к заземлителю. 3.40 Точка поражения: Точка, в которой молния соприкасается с землей, зданием или устройством молниезащиты. Удар молнии может иметь несколько точек поражения. 3.41 Травмирование живых организмов: Физические травмы, включая смерть, полученные людьми или животными, в том числе при ударах молнии. 3.42 Удар молнии в землю: Электрический разряд атмосферного происхождения между грозовым облаком и землей, состоящий из одного или нескольких импульсов тока. 3.43 Уровень молниезащиты: Набор параметров тока молнии, который используется для разработки мер защиты. 3.44 Уровень помехоустойчивости (уровень устойчивости к электромагнитной помехе): Максимальный уровень электромагнитной помехи, воздействующей на оборудование, при котором не нарушается заданное качество его функционирования. 3.45 Устройство защиты от импульсных перенапряжений: Устройство, которое предназначено для ограничения переходных импульсных перенапряжений и для отвода импульсов тока. 3.46 Физическое повреждение: Повреждение, нанесенное зданию, сооружению или их содержимому, по причине механического, термического, химического и взрывного воздействия удара молнии. 3.47 Чувствительное оборудование: Оборудование с уровнем помехоустойчивости, достаточным для установки в зону молниезащиты 2 и ниже. Максимальные уровни помех и требования по помехоустойчивости оборудования приведены в таблицах 2 и 3 соответственно. 3.48 Электрическая прочность изоляции: Максимальное действующее значение напряжения промышленной частоты или амплитудное значение импульсного напряжения заданной формы, которое может быть приложено к изоляции без возникновения электрического пробоя изоляции. 3.49 Электромагнитная обстановка: Совокупность электромагнитных явлений, процессов в заданной области пространства, частотном и временном диапазонах. 3.50 Электромагнитная совместимость: Способность технического средства функционировать с заданным качеством функционирования в заданной электромагнитной обстановке и не создавать при этом недопустимых электромагнитных помех другим техническим средствам. 3.51 Электронная система (информационная система): Система, которая содержит электронное оборудование, в том числе телекоммуникационные и информационно-вычислительные системы, системы контроля и управления и пр. 3.52 Электронное оборудование: Построенное на микроэлектронной базе оборудование, используемое для выполнения функций измерения, обработки информации, управления, сигнализации, связи и пр., которое характеризуется определенным уровнем устойчивости к воздействию электромагнитных помех. 4 Обозначения и сокращенияВ настоящем документе приняты следующие обозначения и сокращения: а/д - автомобильная дорога; АРМ - автоматизированное рабочее место; АСТУЭ - автоматизированная система технического учета электроэнергии; АИИСКУЭ - автоматизированная информационно-измерительная системы коммерческого учета электроэнергии; БДР - блок диодно-резисторный; БС - базовая станция системы связи и радиофикации; ВЛ - воздушная линия электропередачи; ВРУ - вводное распределительное устройство; ГЗШ - главная заземляющая шина; ГРП - главная распределительная панель; ГРЩ - главный распределительный щит; ГЗП - главный заземляющий проводник; ГЖ - горючая жидкость; ЕСКД - единая система конструкторской документации; ЕСУ - единая система управления; ж/д - железная дорога; ЗП - заземляющий проводник; ЗУ - заземляющее устройство; ЗО - защищаемый объект; ЗМ - зона молниезащиты; ЗШ - заземляющая шина; КЗ - короткое замыкание; КЗУ - комплексное заземляющее устройство; КТП - комплектная трансформаторная подстанция; ЛВЖ - легковоспламеняющаяся жидкость; ЛВС - локальная вычислительная сеть; МН - магистральный нефтепровод; МШЗ - магистральная шина заземления; НПС - нефтеперекачивающая станция; ОПН - ограничитель перенапряжений; РЗА - релейная защита и автоматика; РП - резервуарный парк; ПКУ - пункт контроля и управления; ППКП - приемо-передающий контроллер системы пожаротушения; ПСП - пункт сдачи и приема нефти; ПТК - пункт технического контроля; ПТЭЭП - правила технической эксплуатации электроустановок потребителей; ПУМ - прямой удар молнии; ПУЭ - правила устройства электроустановок; СИКН - система измерений количества и показателей качества нефти; СКЗ - станция катодной защиты; СМЗ - система молниезащиты; СОД - средство очистки и диагностики; СУП - система уравнивания потенциалов; ТЗ - техническое задание; ТТР - типовое техническое решение; УАТС - учрежденческая автоматическая телефонная станция; УЗД - устройство защиты диодное; УМЗ - уровень молниезащиты; УЗИП - устройство защиты от импульсных перенапряжений; УЗУД - устройство защиты управления двигателем; ЩСУ - щит системы управления; ШОСЗ - шина заземления к основной системе заземления; ЭМО - электромагнитная обстановка; ЭМС - электромагнитная совместимость; ЭМП - электромагнитная помеха; ЭСМЗ - эффективность системы молниезащиты; IT система - система, в которой нейтраль источника питания изолирована от земли или заземлена через приборы или устройства, имеющие большое сопротивление, а открытые проводящие части заземлены; TT система - система в которой нейтраль источника питания глухо заземлена, а открытые проводящие части электроустановки заземлены при помощи заземляющего устройства, электрически независимого от глухозаземленной нейтрали источника; TN система - система, в которой нейтраль источника питания глухо заземлена, а открытые проводящие части электроустановки присоединены к глухозаземленной нейтрали источника посредством нулевых защитных проводников; TN-С система - система TN, в которой нулевой защитный и нулевой рабочий проводники совмещены в одном проводнике на всем ее протяжении; TN-C-S система - система TN, в которой функции нулевого защитного и нулевого рабочего проводников совмещены в одном проводнике в какой-то ее части, начиная от источника питания; TN-S система - система TN, в которой нулевой защитный и нулевой рабочий проводники разделены на всем ее протяжении; PE - защитный проводник (заземляющий проводник, нулевой защитный проводник, защитный проводник системы уравнивания потенциалов); N - нулевой рабочий проводник; PEN - совмещенный нулевой защитный и нулевой рабочий проводники; S - безопасное расстояние. 5 Содержание проектных работ и состав проектной документации5.1 Содержание проектных работ5.1.1 Проектная документация на систему молниезащиты должна разрабатываться с учетом требований действующих отраслевых типовых проектных, технических решений на проектирование объектов МН. 5.1.2 Проектирование системы молниезащиты объектов магистральных нефтепроводов должно осуществляться на основании задания на проектирование объекта магистрального транспорта нефти в соответствии с ОР-20.02-74.20.11-КТН-009-1-05. 5.1.3 Перечень исходных данных, который должен включаться в задание на проектирование молниезащиты, приведен в приложении В. 5.1.4 При выполнении инженерных изысканий для разработки проектной документации на систему молниезащиты реконструируемых объектов должны быть выполнены следующие работы: выбор мест размещения молниеприемников изолированной CМЗ и/или определение возможности использования железобетонных и металлических конструкций зданий и сооружений, а также инженерных коммуникаций в качестве естественных молниеприемников, токоотводов и заземлителей неизолированной СМЗ; инструментально-визуальная съемка на местности площадок для размещения молниеприемников и их заземляющих устройств (включая определение трасс прокладки заземлителей с помощью трассопоискового комплекта) с нанесением наземных и подземных инженерных коммуникаций в масштабе М 1:500; измерение удельного электрического сопротивления грунта (при наиболее неблагоприятных климатических условиях в период грозовой активности); сбор данных о климатических условиях в районе размещения объекта МН (интенсивности грозовой деятельности, скоростном напоре ветра, толщине стенки гололеда), характеристиках грунта с указанием структуры, агрессивности и рода почвы, уровня грунтовых вод; измерение сопротивления растеканию существующего КЗУ объекта; измерения сопротивлений связи с КЗУ объекта ЗУ молниеотводов, зданий и сооружений, определение доли тока, растекающегося с молниеотводов по заземляющим проводникам и проводящим коммуникациям; определение параметров источников электроснабжения, видов и протяженности сигнальных и силовых цепей, помехоустойчивости оборудования. 5.1.5 При выполнении инженерных изысканий для разработки проектной документации на систему молниезащиты новых объектов должны быть выполнены следующие работы: осмотр площадок для размещения молниеотводов и их заземляющих устройств с нанесением наземных и подземных инженерных коммуникаций в масштабе М 1:500 (при необходимости проводится трассировка коммуникаций с использованием трассопоисковых комплектов); измерение удельного электрического сопротивления грунта сбор данных о климатических условиях в районе размещения объекта МН (интенсивности грозовой деятельности, скоростном напоре ветра, толщине стенки гололеда), характеристиках грунта с указанием структуры, агрессивности и рода почвы, уровня грунтовых вод. 5.2 Состав проектной документации5.2.1 Проектная документация на систему молниезащиты объекта МН оформляется отдельным томом и должна включать: пояснительная записка; генплан площадки с размещением объектов (объекта) защиты и зон защиты молниеотводов; расчет зон защиты молниеотводов (в виде таблицы); контур заземления отдельно стоящих молниеотводов с указанием мест и способов соединения с КЗУ объекта; схема телекоммуникационного заземления на объекте; схемы защиты электрических и информационных сетей от вторичных проявлений молниевых разрядов; другие необходимые чертежи и схемы. 5.2.2 Спецификации материалов и оборудования системы молниезащиты, локальные сметы должны входить в общие сборники по проекту. 6 Общие требования к организации молниезащиты6.1 Уровни молниезащиты6.1.1 Классификация уровней внешней молниезащиты в зависимости от требуемого уровня надежности приведена в таблице 1. Таблица 1 - Классификация уровней внешней молниезащиты
6.1.2 Классификация зданий, сооружений и конструкций магистральных нефтепроводов по условиям внешней молниезащиты приведена в таблице 2. Таблица 2 - Классификация зданий, сооружений по условиям внешней молниезащиты
6.2. Зоны молниезащиты6.2.1 Область пространства снаружи и внутри защищаемого здания, сооружения должна быть разделена на зоны молниезащиты. 6.2.2 Каждая зона молниезащиты характеризуется определенными параметрами электромагнитной обстановки: ЗМ 0А - зона, где каждый объект подвержен прямому удару молнии, и поэтому через него может протекать полный ток молнии. В этой области электромагнитное поле имеет максимальное значение; ЗМ 0В - зона, где объекты не подвержены прямому удару молнии, но электромагнитное поле не ослаблено и также имеет максимальное значение; ЗМ 1 - зона, где объекты не подвержены прямому удару молнии, и ток во всех проводящих элементах внутри зоны меньше, чем в зоне 0В. В этой зоне электромагнитное поле ослаблено экранированием и/или расстоянием. К зоне 1 относятся, как правило, места прокладки проводников телекоммуникационного заземления, а также заземленные с их помощью сооружения и оборудование (включая кабельные эстакады); к ЗМ 2 относятся внутренние помещения зданий, заземленные на телекоммуникационный контур. При использовании экранирующих шкафов и экранирующих помещений, их внутренний объем относится к зоне ЗМ 3. 6.2.3 Классификация ЗМ в зависимости от ЭМО приведена в таблице 3. Таблица 3 - Классификация зон молниезащиты в зависимости от параметров ЭМО
6.2.4 Общий принцип разделения объекта на зоны молниезащиты представлен на рис. 6.1.
Рисунок 6.1. Общая схема разделения объекта на ЗМ, а также размещение элементов и защитных устройств в каждой из зон. 6.2.5 Границу ЗМ 0A и ЗМ 0B устанавливает внешняя система молниезащиты. 6.2.6 Определение зон защиты молниеотводов, защищающих от ПУМ здания и сооружения I и II уровней молниезащиты, должно быть выполнено в соответствии с требованиями СО 153-34.21.122-2003, РД 34.21.122-87 и настоящего документа. Формулы для расчета зон молниезащиты одиночного, двойного стержневого и тросового молниеотводов приведены в Приложении Б. 6.2.7 Применяемое оборудование должно соответствовать требованиям по устойчивости к микросекундным импульсным помехам (МИП) и импульсным магнитным полям. Требования к помехоустойчивости оборудования, устанавливаемого во внешних и внутренних зонах молниезащиты, приведены в таблице 3. 6.3 Требования к внешней системе молниезащиты6.3.1 Общие требования к внешней системе молниезащиты6.3.1.1 Внешняя СМЗ предназначена для перехвата удара молнии в здание или сооружение с помощью молниеприемников, отвода тока молнии в землю с помощью токоотводов и рассеивания этого тока в земле посредством заземляющего устройства. 6.3.1.2 По отношению к защищаемому объекту внешняя СМЗ бывает: неизолированная; изолированная. 6.3.1.3 Неизолированная СМЗ представляет собой систему молниеприемников, установленных непосредственно на защищаемом здании, сооружении. В качестве молниеприемников и токоотводов должны максимально использоваться конструктивные элементы здания, сооружения. 6.3.1.4 Изолированная СМЗ представляет собой систему молниеотводов, установленных отдельно от защищаемого здания, сооружения. 6.3.1.5 Для объектов с УМЗ I необходимо использовать изолированную СМЗ. Для объектов с УМЗ II допускается использовать неизолированную СМЗ, если выполнение изолированной СМЗ затруднено. 6.3.1.6 Элементы СМЗ должны выбираться, устанавливаться, закрепляться и соединяться таким образом, чтобы исключить возможность повреждения, деформации или ослабления при воздействиях внешних (погодных, механических и пр.) и электродинамических (протекание тока молнии) факторов. 6.3.1.7 Проводники СМЗ, изготовленные из черного металла, а также узлы креплений и соединений должны быть защищены от коррозии. Соединения проводников СМЗ должны обеспечивать стабильный надежный электрический контакт по ГОСТ 10434. 6.3.1.8 Узлы СМЗ, в которых осуществляется проведение контрольных измерений, должны соединяться с помощью болтовых соединений (зажимов, соединителей и пр.). 6.3.2 Общие требования к молниеприемникам6.3.2.1 В качестве молниеприемников неизолированной СМЗ могут использоваться естественные металлические элементы здания, сооружения, либо специально выполняемые молниеприемные сетки, стержневые и тросовые молниеприемники. 6.3.2.2 Молниеприемники изолированной СМЗ должны быть стержневыми и тросовыми. Тип, конструкцию и устройство молниеотводных мачт изолированной СМЗ следует принимать по типовому проекту [3]. 6.3.2.3 Сечение каждого типа молниеприемников должно соответствовать значениям, приведенным в таблице 4. Таблица 4 - Материал и минимальные сечения молниеприемников
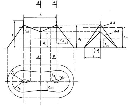
6.3.3 Требования к молниеприемникам неизолированной СМЗ6.3.3.1 В качестве молниеприемников неизолированной СМЗ использовать следующие естественные молниеприемники: а) металлическую кровлю зданий, сооружений при условии надежного электрического контакта между соседними частями кровли. Для защиты кровли от пробоя ударом молнии, локального перегрева или воспламенения, толщина листового металла должна быть не менее значения «a» согласно таблице 5. Если отсутствует необходимость защиты кровли от повреждения, а также отсутствует опасность воспламенения находящихся под кровлей горючих материалов (утеплитель, стропильная конструкция), то толщина листового металла должна быть не менее значения «b» согласно таблице 5; б) металлическую стропильную конструкцию при выполнении следующих условий: сечение стропил соответствует значениям, приведенным в таблице 4; наличие надежного электрического контакта между соседними частями конструкции; отсутствие необходимости защиты кровли от повреждения; отсутствие опасности воспламенения находящихся под кровлей материалов. в) металлические трубы и баки на крыше здания, сооружения. Для защиты от пробоя ударом молнии, локального перегрева или воспламенения, толщина листового металла должна быть не менее значения «a» согласно таблице 5. При отсутствии необходимости защиты от повреждения, а также отсутствии опасности воспламенения содержимого труб и баков, толщина листового металла должна быть не менее значения «b» согласно таблице 5; г) другие расположенные на крыше металлические конструкции, при отсутствии опасности возгорания и повреждения, сечение которых соответствует значениям, приведенным в таблице 4. Таблица 5 - Минимальная толщина листового металла для использования в качестве молниеприемника
6.3.3.2 Для защиты от ПУМ поверхности крыши, не защищенной естественными молниеприемниками, применять молниеприемную сетку. Если часть поверхности крыши защищается естественными молниеприемниками, то необходимо обеспечить соединение молниеприемной сетки с естественным молниеприемником не менее чем двумя проводниками, сечение которых должно соответствовать значениям, приведенным в таблице 4. 6.3.3.3 Размер ячейки молниеприемной сетки выбирать согласно таблице 6. Таблица 6 - Размер ячейки молниеприемной сетки в зависимости от типа СМЗ
6.3.3.4 Допускается использовать молниеприемную сетку с соотношением сторон ячейки отличным от указанного в таблице 6, при условии, что площадь ячейки не превышает 25 м2 для УМЗ I и 100 м2 для УМЗ II. 6.3.3.5 Если существует опасность возгорания или повреждения кровли здания, сооружения, то следует обеспечить расстояние между проводящими частями молниеприемной сетки и кровлей не менее 0,1 м при помощи крепежных кронштейнов. При этом должны выдерживаться допустимые расстояния от сетки и связанных с ней проводников до сторонних проводящих частей согласно Разд. 6.4.5. 6.3.4. Требования к молниеприемникам изолированной СМЗ6.3.4.1 Стержневые или тросовые молниеприемники изолированной СМЗ устанавливать на железобетонные или стальные опоры отдельно стоящих на земле молниеотводов, изолированных от защищаемого здания, сооружения. 6.3.4.2 При использовании изолированных молниеотводов, ЗУ которых соединено с общим ЗУ, обеспечить следующие минимально допустимые расстояния по воздуху от молниеотводов до защищаемых зданий и сооружений: 3 м при удельном сопротивлении грунта р £ 100 Ом×м; 4 м при удельном сопротивлении грунта р > 100 Ом×м. 6.3.4.3 При использовании для защиты зданий и сооружений изолированных молниеотводов с ЗУ обособленным от общего заземляющего устройства, обеспечить расстояние между молниеотводом и защищаемым зданием, сооружением по воздуху не менее 5 м. 6.3.5 Общие требования к токоотводам6.3.5.1 Для эффективного отвода тока молнии от молниеприемника в ЗУ токоотводы располагать таким образом, чтобы: существовало не менее двух путей стекания тока молнии; длина токоотводов была минимальной; трасса прокладки токоотводов была максимально прямолинейна, имела минимум изгибов и петель. При образовании петель, как показано на рис. 6.2, обеспечить безопасное расстояние S между двумя точками проводника согласно требованиям п. 6.4.5. При этом длина l определяется как сумма длин проводников образующих петлю (l1+l2+l3).
Рисунок 6.2 - Образование петли токоотвода 6.3.5.2 Сечение токоотводов должно соответствовать значениям, приведенным в таблице 7. Таблица 7 - Материал и минимальные сечения токоотводов
6.3.6 Требования к токоотводам неизолированной СМЗ6.3.6.1 Обеспечить связь молниеприемников с ЗУ не менее чем двумя токоотводами, равномерно разнесенными по периметру здания. 6.3.6.2 В качестве токоотводов неизолированной внешней СМЗ использовать следующие естественные токоотводы: металлическую арматуру зданий, сооружений при условии ее электрической непрерывности (не использовать железобетонные конструкции зданий и сооружений с предварительно напряженной арматурой); элементы и узлы фасада, поручни, дождевые трубы и другие металлоконструкции, сечение которых соответствует значениям, приведенным в таблице 7, а соединение соседних элементов обеспечивает надежный электрический контакт. 6.3.6.3 Токоотводы, специально выполняемые для целей молниезащиты, необходимо прокладывать по внешней поверхности стен и вдоль открытых наружных углов защищаемого здания, сооружения. При этом следует обеспечить по возможности равномерное разнесение токоотводов по периметру здания, сооружения. Электронное оборудование в зданиях должно размещаться на максимально возможном (при выполнении прочих требований данного документа) удалении от мест прохождения токоотводов. 6.3.6.4 Для зданий, сооружений высотой более 20 м токоотводы соединить между собой замкнутыми горизонтальными контурными проводниками, расстояние между которыми должно быть не более 15 м. 6.3.6.5 Расстояние между элементами внешней СМЗ и стенами зданий и сооружений из горючих материалов должно быть не менее 0,1 м. При этом должны выдерживаться допустимые расстояния от токоотводов и связанных с ними проводников до сторонних проводящих частей согласно Разд. 6.4.5. 6.3.6.6 Обеспечить безопасное расстояние S от элементов внешней СМЗ до любых дверей и окон согласно требованиям п. 6.4.5. 6.3.7 Требования к токоотводам изолированной СМЗ6.3.7.1 Обеспечить связь стержневых молниеприемников отдельно стоящих молниеотводных и прожекторных мачт с заземляющим устройством не менее чем двумя токоотводами. 6.3.7.2 Обеспечить связь тросовых молниеприемников с заземляющим устройством на каждой опорной конструкции не менее чем двумя токоотводами. 6.3.7.3 Допускается в качестве токоотводов использовать электрически замкнутую стальную арматуру железобетонных мачт и металлоконструкции металлических мачт. 6.3.8 Общие требования к заземляющим электродам6.3.8.1 Горизонтальные заземляющие электроды ЗУ молниеотводов прокладывать в грунте на глубине не менее 0,5 м. В многолетнемерзлых и скальных грунтах допускается прокладка на глубине не менее 0,15 м. 6.3.8.2 Материал, заземляющих электродов следует выбирать в соответствие с РД «Нормы и правила проектирования заземляющих устройств объектов МН предприятий группы ОАО АК «Транснефть» РД-91.020.00-КТН-103-07, профиль и минимальные размеры заземляющих электродов следует выбирать по таблице 9. Таблица 9 - Материал, профиль и размеры заземляющих электродов
6.3.9 Заземление неизолированной СМЗ6.3.9.1 Для зданий и сооружений следует использовать ЗУ, представляющее собой либо совокупность электрически непрерывной проводящей арматуры фундамента зданий, сооружений, либо заземляющий контур, более 80 % площади которого находится в грунте на глубине не менее 0,5 м. ЗУ зданий и сооружений необходимо объединить с КЗУ объекта. Сопротивление растеканию ЗУ должно быть не больше значения, приведенного в таблице 10. Таблица 10 - Требования к заземляющ`им устройствам
6.3.9.2 Если сопротивление растеканию ЗУ превышает значения, приведенные в таблице 10, необходимо усилить ЗУ установкой дополнительных заземляющих электродов на расстоянии не более 1 м от каждой из точек соединения токоотводов и заземляющего контура. Характеристики дополнительных заземляющих электродов выбирать исходя из условия, что сопротивление растеканию ЗУ здания, сооружения после установки электродов будет соответствовать значениям, приведенным в таблице 10. 6.3.9.3 Если проводящую арматуру фундамента зданий, сооружений нельзя использовать в качестве естественного заземлителя (возможно нарушение требований по электрической непрерывности; железобетонные конструкции фундамента имеют предварительно напряженную арматуру), или не выполняются требования п. 6.3.9.1 к заглублению элементов ЗУ, необходимо применять ЗУ, которое представляет собой совокупность заземлителей токоотводов, объединенных между собой заземляющим контуром. По периметру здания прокладывается замкнутый контур, к которому присоединятся токоотводы. В месте соединения токоотводов с периметральным заземлителем устанавливаются дополнительные вертикальные заземлители. В случаях, когда использование вертикальных заземлителей невозможно или неэффективно, рекомендуется использование заземлителей типа «сетка» вокруг зданий или непосредственно под зданиями. 6.3.9.4 Расположение элементов молниезащиты относительно телекоммуникационного заземления выполнять согласно Разд. 6.4.9. 6.3.10 Заземление изолированной СМЗ6.3.10.1 Каждый молниеотвод необходимо снабдить собственным ЗУ, значение сопротивления растеканию которого должно соответствовать таблице 11, при этом: для грунтов, удельное сопротивление которых снижается с увеличением глубины, ЗУ молниеотводов выполнить в виде не менее 2 глубинных вертикальных электродов; если использование глубинных вертикальных электродов малоэффективно (скальные, многолетнемерзлые грунты), выполнить поверхностное ЗУ молниеотводов. Таблица 11 - Требования к заземляющим устройствам изолированных молниеотводов.
6.3.10.2 При использовании изолированного молниеотвода с не обособленным ЗУ, ЗУ молниеотвода соединить с магистральными заземлителями системы заземления объекта не менее чем двумя заземляющими горизонтальными электродами. Не допускается соединение ЗУ молниеотвода непосредственно с заземляющим контуром взрыво- и пожароопасных зданий или сооружений, а также с проводниками системы телекоммуникационного заземления. 6.3.10.3 Расстояние от места подключения заземлителя молниеотвода к системе заземления объекта до точки подключения к ЗУ нулевого вывода обмоток силового трансформатора - не менее 15 м. 6.3.10.4 При использовании изолированных молниеотводов с обособленным ЗУ, не связанным с общим заземляющим устройством объекта, необходимо обеспечить минимально допустимое расстояние по земле между ближайшими заземляющими электродами обособленного ЗУ и общего заземляющего контура: 5 м при удельном сопротивлении грунта р £ 100 Ом×м; 6 м при удельном сопротивлении грунта р > 100 Ом×м. 6.4 Требования к внутренней системе молниезащиты6.4.1 Общие положения6.4.1.1 Внутренняя СМЗ предназначена для обеспечения электробезопасности персонала, а также для защиты инженерного оборудования и его коммуникаций от вторичных проявлений молнии и должна быть спроектирована на следующих основных принципах защиты: уравнивание потенциалов; заземление; защита оборудования систем во взрывоопасных зонах; защита оборудования систем от искрения; защита оборудования систем от импульсных перенапряжений; экранирование оборудования и его коммуникаций. 6.4.2 Основная система уравнивания потенциалов6.4.2.1 СУП здания, сооружения обеспечивает уравнивание потенциалов металлоконструкций здания, металлических объектов внутри здания, внешних и внутренних инженерных коммуникаций и других проводящих элементов, расположенных в защищаемом здании, сооружении. 6.4.2.2 В каждом здании, сооружении на территории объекта выполнить СУП посредством соединения с ГЗШ следующих проводящих частей: нулевого защитного проводника РЕ или PEN-проводника питающей линии в системе TN; главного заземляющего проводника, присоединенного к ЗУ здания или сооружения; заземляющего проводника, присоединенного к заземлителю повторного заземления на вводе в здание (если имеется); металлической арматуры каркаса железобетонного здания или сооружения; металлических труб внешних инженерных коммуникаций, экранов и брони кабелей при вводе в здание или сооружение; металлических частей систем вентиляции и кондиционирования; внешней СМЗ; заземляющего проводника телекоммуникационного заземления, если такой имеется, и отсутствуют ограничения на присоединение цепей телекоммуникационного заземления к заземляющему устройству защитного заземления (подробнее см. п. 6.4.9); проводящих полов и других проводящих конструкций внутри помещений. 6.4.2.3 Соединение проводящих элементов с СУП может быть как естественным, так и искусственным. 6.4.2.4 Проводники СУП должны иметь минимально возможную длину. 6.4.2.5 Общая схема СУП здания, сооружения показана на рисунке 6.3. 6.4.3 Главная заземляющая шина6.4.3.1 ГЗШ может выполняться как внутри вводного распределительного устройства электроустановки здания, так и отдельно от него. Внутри вводного устройства в качестве заземляющей шины использовать шину РЕ. При отдельной установке необходимо расположить ГЗШ в доступном и удобном для обслуживания месте, вблизи вводного устройства электроустановки здания. 6.4.3.2 ГЗШ должна быть выполнена из меди сечением не менее 5×60 мм, и обеспечивать возможность присоединения необходимого количества проводников. 6.4.3.3 ГЗШ здания, сооружения соединить с ЗУ главным заземляющим проводником, сечение которого в электроустановках до 1000 В должно быть не менее 75 мм2 по стали. 6.4.3.4 Если здание имеет несколько обособленных вводов, либо несколько встроенных трансформаторных подстанций, то для каждого вводного устройства выполнить отдельную ГЗШ. Отдельные ГЗШ соединить между собой медным проводником, сечение которого должно быть не меньше половины наибольшего сечения РЕ (pen)-проводника, используемого в электроустановке здания, сооружения. Для соединения отдельных ГЗШ между собой допускается использовать сторонние проводящие части конструкции, обеспечивающие непрерывность цепи и необходимую проводимость. 6.4.3.5 Все металлические конструкции и корпуса оборудования и аппаратов, расположенные внутри здания или сооружения, необходимо присоединить к ГЗШ посредством РЕ - или PEN-проводников. При этом необходимо обеспечить безопасное расстояние от металлических конструкций, корпусов оборудования и аппаратов до проводников других ЗМ согласно требованиям п. 6.4.5. 6.4.3.6 Минимальные сечения РЕ - или PEN-проводников, если защитные проводники эквивалентны по проводимости фазным проводникам, приведены в таблице 12. Таблица 12 - Наименьшие сечения РЕ или PEN проводников.
6.4.3.7 Все проводящие части внешних инженерных коммуникаций необходимо соединить между собой и присоединить к ГЗШ в точке их ввода в здание. Минимальное сечение проводников должно быть не менее 6 мм2 по меди или не менее 16 мм2 по стали.
Условные обозначения: М - открытая проводящая часть; С1 - металлические трубы водопровода, входящие в здание; С2 - металлические трубы канализации, входящие в здание; С3 - металлические трубы газоснабжения с изолирующей вставкой на вводе, входящие в здание; С4 - воздуховоды вентиляции и кондиционирования; С5 - система отопления; С6 - металлические водопроводные трубы; С7 -корпус оборудования; С8 - сторонняя проводящая часть в пределах досягаемости от открытых проводящих частей; С9 - арматура железобетонных конструкций; ГЗШ - главная заземляющая шина; Т1 - естественный заземлитель; Т2 - заземлитель молниезащиты (если имеется); 1 - нулевой защитный проводник; 2 - проводник основной системы уравнивания потенциалов; 3 - проводник дополнительной системы уравнивания потенциалов; 4 - токоотвод системы молниезащиты; 5 - контур (магистраль) телекоммуникационного заземления в помещении информационного вычислительного оборудования; 6 - проводник телекоммуникационного (функционального) заземления; 7 - проводник уравнивания потенциалов в системе телекоммуникационного (функционального) заземления; 8 - заземляющий проводник. Рисунок 6.3 - Система уравнивания потенциалов в здании, сооружении 6.4.4 Защита оборудования во взрывоопасных зонах6.4.4.1 Во взрывоопасных зонах любого класса дополнительно к основной СУП, выполненной согласно п.6.4.2, выполняется дополнительная СУП. 6.4.4.2 Дополнительная СУП должна соединять между собой все одновременно доступные прикосновению открытые проводящие части стационарного электрооборудования и сторонние проводящие части, включая доступные прикосновению металлические части строительных конструкций здания, а также нулевые защитные проводники в системе TN и защитные заземляющие проводники в системах IT и TT, включая защитные проводники штепсельных розеток. 6.4.4.3 Для уравнивания потенциалов допускается использовать специально предусмотренные проводники либо открытые проводящие части и сторонние проводящие части, если они удовлетворяют требованиям к защитным проводникам в отношении проводимости и непрерывности электрической цепи. 6.4.4.4 Проходы заземляющих проводников через стены помещений со взрывоопасными зонами должны осуществляться в гильзах или проёмах. Отверстия труб и проёмов должны уплотняться несгораемыми материалами. Соединения в местах проходов не допускаются. 6.4.4.5 Во взрывоопасной зоне должна применяться система TN - S (с раздельным нулевым рабочим (N) и нулевым защитным (РЕ) проводникам). В каждой точке перехода от системы TN - С к системе TN - S нулевой защитный проводник должен быть соединён с основной системой уравнивания потенциалов вне взрывоопасной зоны. 6.4.4.6 При использовании питающей сети системы IT (нейтраль, изолированная от земли или заземленная через сопротивление), необходимо применять устройство контроля изоляции для сигнализации о замыкании на землю. 6.4.4.7 В искробезопасных электрических цепях использовать только изолированные кабели, прочность изоляции которых составляет не менее 500 В переменного тока. 6.4.4.8 Заземление проводящих экранов и оболочек кабелей оборудования расположенного во взрывоопасных зонах должно соответствовать требованиям на применяемое взрывозащищённое оборудование. 6.4.4.9 Броня должна подсоединяться к СУП в устройствах кабельного ввода на каждом конце кабеля, а также в точках нарушения электрической целостности брони (соединение через промежуточные распределительные коробки и пр.). 6.4.4.10 Искробезопасные электрические цепи должны быть: изолированными от земли, технологического оборудования и проводящих конструкций, подключенных к СУП; иметь одну точку соединения с СУП. Разрешается наличие нескольких точек заземления цепи, если это предусмотрено технической документацией на электрооборудование. 6.4.4.11 При установке УЗИП во взрывоопасной зоне, УЗИП должен иметь взрывозащищенное исполнение или должен быть смонтирован в щиток во взрывобезопасном исполнении. 6.4.5 Защита от искрения6.4.5.1 Необходимо обеспечить безопасное расстояние S между проводниками внешней СМЗ и проводящими коммуникациями и элементами СУП здания, сооружения. Минимальное значение расстояния S, м, вычислять по формуле:
где ki- коэффициент изоляции от внешней СМЗ, приведен в таблице 13; kc- коэффициент тока молнии, протекающего по токоотводам, приведен в таблице 14; km- коэффициент электрической изоляции материала приведен в таблице 15; l=l1+l2+l3 - длина проводника внешней СМЗ от точки, в которой определяется безопасное расстояние S, до точки соединения с СУП здания, сооружения (рис. 6.4).
Условные обозначения: ГЗШ - главная заземляющая шина; Т1 - естественный заземлитель; Т2 - заземлитель молниезащиты; 1 - нулевой защитный проводник; 2 - проводник основной системы уравнивания потенциалов; 4 - токоотвод системы молниезащиты; 8 - заземляющий проводник; S - безопасное расстояние. Рисунок 6.4 - Определение безопасного расстояния Таблица 13 - Значение коэффициента ki
Таблица 14 - Значение коэффициента kc
Таблица 15 - Значения коэффициента km
6.4.5.2 Безопасное расстояние S между проводниками, расположенными в разных зонах молниезащиты кроме ЗМ 0 должно быть не менее 0,1 м. 6.4.6 Требования к применению УЗИП6.4.6.1 Технические характеристики УЗИП для защиты по цепям питания переменным током приведены в таблице 16. 6.4.6.2 Технические характеристики УЗИП для защиты сигнальных цепей в зависимости от интерфейса и типа кабеля приведены в таблицах 17-20. 6.4.6.3 Выбор типа УЗИП для защиты сигнальных цепей осуществлять таким образом, чтобы исключить возможность недопустимого затухания и искажения полезного сигнала. Допустимые значения затухания и искажения полезного сигнала в сигнальных цепях приводятся в документации на используемое оборудование. Значения затухания и искажения, вносимого УЗИП в сигнальную линию, также приводятся в технической документации. 6.4.6.4 УЗИП необходимо соединять кратчайшим путем с ГЗШ посредством проводников СУП, сечение которых должно быть не менее значений, указанных в технической документации на УЗИП. 6.4.6.5 Запрещается использовать УЗИП, в которых используются разрядники с поджигающим электродом и разрядники с выбросом ионизированных (высокотемпературных) газов. 6.4.6.6 Все УЗИП должны иметь степень защиты не ниже IP 20 по ГОСТ 14254-96. 6.4.6.7 Типовые схемы подключения УЗИП приведены в разделе 9. 6.4.6.8 Требования к защите искробезопасных цепей с барьерами искрозащиты приведены в п. 6.4.7. 6.4.6.9 УЗИП по цепям передачи данных и УЗИП по цепям питания класса III устанавливать вблизи защищаемого оборудования, но не далее 10 м по кабелю. Таблица 16 - Технические характеристики УЗИП, применяемых в цепях питания переменным током
Таблица 17 - Технические характеристики УЗИП применяемых в цепях передачи данных
Таблица 18 - Технические характеристики УЗИП применяемых в цепях телефонной связи
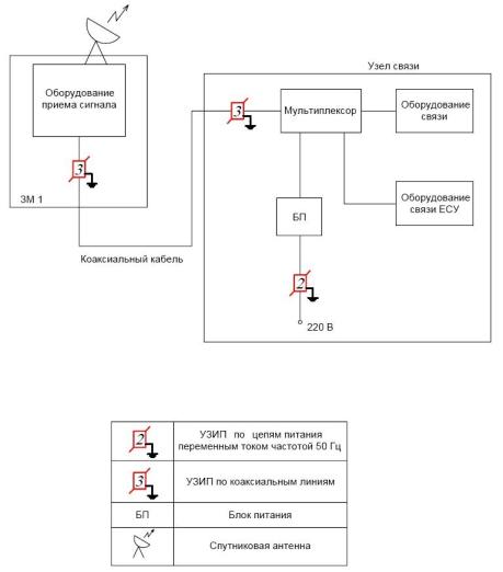
Таблица 19 - Технические характеристики УЗИП применяемых в коаксиальных линиях
Таблица 20 - Технические характеристики УЗИП применяемых в локальных вычислительных сетях, построенных на витой паре
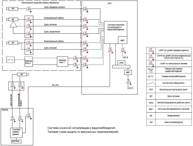
6.4.7 Требования к применению модулей гальванической развязки6.4.7.1 Гальванические развязки следует использовать для обеспечения защиты оборудования по сигнальным цепям, заземление которых осуществляется на обособленные ЗУ, а также для обеспечения искробезопасности цепей. 6.4.7.2 Типы гальванических развязок для защиты оборудования по сигнальным цепям должны выбираться в соответствии с рекомендациями завода изготовителя оборудования в зависимости от используемого в оборудовании интерфейса. 6.4.7.3 Гальванические развязки трансформаторного типа должны применяться в цепях переменного тока на частоте от 50 до 50000 Гц и при значительной передаваемой мощности (например, в системе оповещения). 6.4.7.4 Оптронные гальванические развязки должны применяться в цепях передачи данных переменного и постоянного тока силой до 40 мА и частотой до 100 мГц. 6.4.7.5 Для передачи большого объема информации с высокой скоростью между удаленными объектами необходимо применять оптоволоконные системы передачи данных, которые обеспечивают гальваническую развязку передающего и приемного оборудования. 6.4.7.6 Модули гальванической развязки должны устанавливаться непосредственно в защищаемую сигнальную линию перед интерфейсными разъемами защищаемого оборудования. 6.4.8 Требования к экранированию оборудования6.4.8.2 Экранирующая структура здания, сооружения должна образовывать электромагнитный экран, обеспечивающий снижение уровня магнитного поля до уровня устойчивости оборудования. 6.4.8.3 Уровень устойчивости используемого в ЗМ оборудования должен соответствовать установленному для ЗМ уровню напряженности магнитного поля. Уровни напряженности магнитного поля для ЗМ приведены в таблице 3. 6.4.8.4 При установке оборудования в ЗМ, уровень напряженности магнитного поля которой может превышать уровень устойчивости оборудования, необходимо произвести дополнительное экранирование места размещения оборудования в соответствии с рекомендациями завода изготовителя оборудования. В общем случае: если оборудование занимает небольшой объем, то оно должно быть установлено в металлический шкаф с толщиной стенок не менее 0,8 мм, соединенный с СУП здания. если оборудование занимает большой объем, то выполнить дополнительное экранирование всего помещения с оборудованием путем монтажа вокруг помещения экранирующей сетки, сваренной из стальной арматуры диаметром 10-12 мм с размером ячейки 200 ´ 200 мм, соединенной с СУП здания. На двери должен быть установлен металлический лист толщиной 0,5 мм, имеющий гибкий электрический контакт с экранирующей сеткой помещения минимум в двух точках. На окна установить двойную экранирующую сетку со смещением ячеек, сваренную из стальной арматуры диаметром 10-12 мм и размером ячейки не более 200 ´ 200 мм. При большом размере оконных проемов (более 10% от поверхности стен), часть проемов необходимо закрыть металлическим листом толщиной не менее 0,8 мм и приварить его к экранирующей сетке помещения. 6.4.9 Телекоммуникационное заземление6.4.9.1 Для обеспечения нормальных условий работы распределенной телекоммуникационной системы, в том числе при разрядах молнии, должна быть организована система телекоммуникационного заземления. Элементы телекоммуникационного заземления должны выполняться в зданиях и сооружениях, а также вдоль трасс прокладки проводных сигнальных цепей телекоммуникационного оборудования. 6.4.9.2 Система телекоммуникационного заземления должна быть электрически связана с общей системой заземления объекта. Внутри здания или сооружения должно обеспечиваться соединение ГЗШ системы телекоммуникационного заземления с ГЗШ основной СУП посредством главного проводника системы телекоммуникационного заземления. Схема присоединения телекоммуникационного заземления к ГЗШ внутри здания или сооружения показана на рис. 6.3. 6.4.9.3 Телекоммуникационные заземлители, прокладываемые вдоль трасс прокладки проводных сигнальных цепей телекоммуникационного оборудования размещенного в разных зданиях или сооружениях, присоединять к контуру заземления этих зданий или сооружений. 6.4.9.4 Расстояние по земле от ЗУ молниеотводов до телекоммуникационного заземления должно быть не менее 15 метров. Расстояние между ЗУ молниеотводов и телекоммуникационным заземлением проложенным вдоль естественных и искусственных заземлителей и других проводников должно быть не менее 50 м. 6.4.9.5 В случаях, когда завод изготовитель телекоммуникационного оборудования предписывает заземление оборудования на обособленную (изолированную) систему телекоммуникационного заземления, допускается выполнение его требований при выполнении следующих условий: в сигнальных цепях и цепях питания должна быть выполнена гальваническая развязка, которая обеспечит прочность изоляции достаточную для защиты оборудования от воздействий перенапряжений между проводниками обособленных систем заземления; должны быть выполнены условия электробезопасности персонала; должно быть исключено возникновение искрения между токопроводящими частями. 6.4.9.6 Заземление информационного оборудования внутри здания или сооружения осуществлять присоединением к системе телекоммуникационного заземления. 6.4.9.7 К телекоммуникационному заземлению не допускается подключать оборудование, коммуникации которого проложены в зоне прямого разряда молнии или на несущих конструкциях молниеотводов. 6.4.9.8 Элементы системы телекоммуникационного заземления, проложенные за пределами зданий и сооружений не допускается соединять непосредственно с заземлителями молниеотводов. 6.4.9.9 Телекоммуникационные заземлители на проектных схемах должны быть выделены обозначениями, отличными от других естественных и искусственных заземлителей (буква «Т» зеленого цвета). В местах расположения элементов телекоммуникационного заземления (проводники, шины уравнивания потенциалов, розетки с заземленным третьим электродом и пр.) необходимо размещать соответствующие обозначающие надписи. 6.4.9.10 При размещении информационного оборудования нижнего уровня на территории электроустановок выше 1 кВ, его заземление необходимо осуществлять непосредственно на элементы системы уравнивания потенциалов в электроустановке. Допускается выполнение заземления путем присоединения клеммы РЕ аппаратуры к металлическим конструкциям, на которых эта аппаратура устанавливается (аппаратные шкафы, релейные панели). Аппаратные шкафы, релейные панели должны быть присоединены к СУП в электроустановке кратчайшим путем. 6.4.9.11 Заземление информационного оборудования нижнего уровня в электроустановках до 1 кВ должно осуществляться присоединением к СУП. 6.4.9.12 Заземление информационного оборудования верхнего уровня должно осуществляться присоединением к системе телекоммуникационного заземления. 6.4.9.13 Информационное оборудование среднего уровня в зданиях и сооружениях с промышленным и (или) энергетическим оборудованием должно заземляться аналогично оборудованию нижнего уровня. В зданиях и сооружениях без промышленного и энергетического оборудования (операторные, узлы связи и т.п.) оборудование среднего уровня должно заземляться аналогично оборудованию верхнего уровня. 6.4.9.14 Типовая схема системы телекоммуникационного заземления приведена на рис. 6.5.
Сокращения: Рисунок 6.5 - Схема телекоммуникационного контура заземления 7 Требования к молниезащите объектов магистральных нефтепроводов и коммуникаций7.1 Общие требования7.1.1 Устройства молниезащиты должны приниматься и вводиться в эксплуатацию до начала комплексного опробования технологического оборудования на объекте. 7.1.2 Уровень молниезащиты объектов МН должен соответствовать требованиям приведенным в таблице 2. 7.1.3 В качестве защищаемых от прямого удара молнии объектов магистральных нефтепроводов и коммуникаций в проекте должны быть рассмотрены: отдельные резервуары и резервуарные парки; высоковольтные электроустановки; протяженные коммуникации; сливо-наливные железнодорожные эстакады; узлы пуска средств очистки и диагностики; кабельные эстакады на территории объекта; здания контроля и управления; электрооборудование, размещенное на молниеотводных мачтах. 7.2 Защита отдельных резервуаров и резервуарных парков от прямого удара молнии7.2.1 Защита от прямых ударов молнии резервуаров, оборудованных газоуравнительными системами и дыхательными патрубками, должна выполняться изолированными молниеотводами. 7.2.2 В зону защиты молниеотводов резервуаров должны входить газоуравнительные системы и дыхательные патрубки, дыхательная арматура резервуаров и пространство над обрезом дыхательных патрубков и арматуры, ограниченное полусферой с радиусом 5 м. Если группа резервуаров имеет обвалование, то зона защиты определяется внешними границами обвалования. 7.2.3 По периметру каждого из резервуаров необходимо выполнить индивидуальный заземляющий контур на расстоянии не менее 1 м от грунтового фундамента на глубине не менее 0,5 м. Индивидуальный заземляющий контур резервуара соединить с корпусом резервуара не менее чем в двух местах, равномерно распределенных по периметру, но не ближе 50 м. 7.2.4 Вышеуказанный индивидуальный заземляющий контур резервуара необходимо соединить с общим контуром заземления резервуарного парка не менее чем в двух местах, равномерно распределенных по периметру, но не ближе 50 м. 7.2.5 Общий контур заземления резервуарного парка или отдельно стоящего резервуара необходимо соединить с системой заземления объекта не менее чем в двух местах. 7.2.6 Расположенное на резервуаре оборудование необходимо заземлить на шину заземления, установленную на резервуаре и соединенную с индивидуальным контуром заземления резервуара и корпусом резервуара. 7.2.7 В случае расположения резервуарного парка в районе с многолетнемерзлыми или скальными грунтами для резервуаров, расположенных в каре, необходимо: внутри каре проложить горизонтальные заземляющие электроды, таким образом, чтобы они образовывали структуру сетки с размером ячейки не менее 3´3 м и не более 5´5 м; обеспечить надежный электрический контакт в узлах сетки, а также в узлах пересечения горизонтальных заземляющих электродов с индивидуальным заземляющим контуром резервуара; расположенное в каре резервуара оборудование заземлить кратчайшим путем на узел проложенной сетки. 7.2.8 Обеспечить электрическую связь между заземлённым металлическим корпусом резервуара и плавающей крышей или понтоном с помощью не менее трех перемычек из многопроволочного троса из нержавеющей стали сечением не менее 16 мм2. 7.3 Защита высоковольтных электроустановок7.3.1 По периметру территории электроустановок напряжением выше 1 кВ необходимо выполнить контур заземления на расстоянии не более 1 метра от ее границы. 7.3.2 Указанный контур заземления присоединить к системе заземления объекта не менее чем двумя горизонтальными заземляющими проводниками. Для электроустановок линейной части аналогичным образом выполняются связи с заземлителями смежных электроустановок (включая заземлители ВЛ, площадок узлов задвижек и т.п.). 7.3.3 На вводе коммуникаций на территорию электроустановки необходимо выполнить уравнивание потенциалов. 7.3.4 Заземление электроустановок должно быть выполнено согласно ПУЭ (7 изд.) 7.4 Защита протяженных коммуникаций7.4.1 Общие положения7.4.1.1 На вводе коммуникаций на территорию объекта необходимо выполнить уравнивание потенциалов с заземляющим контуром системы заземления объекта. 7.4.2 Трубопроводы7.4.2.1 Для защиты протяженных трубопроводов, служащих для транспортировки ЛВЖ, фланцевые соединения необходимо шунтировать перемычками с переходным сопротивлением не более 0,03 Ом на каждый фланец медным изолированным проводом сечением не менее 16 мм2. 7.4.2.2 Во взрывоопасных зонах необходимо применять УЗИП во взрывозащищенном исполнении. 7.4.3 Высоковольтные линии7.4.3.1 Сопротивления растеканию ЗУ железобетонных и металлических опор ВЛ в населенной местности, а также на расстоянии менее 3 пролетов ВЛ от объектов МН, должны удовлетворять следующим требованиям: сопротивления растеканию заземляющих устройств опор высотой до 50 м должны соответствовать значениям, приведенным в таблице 11; для опор ВЛ 110 кВ и выше, расположенных в скальных или многолетнемерзлых грунтах, либо на высотах более 700 м над уровнем моря, значения сопротивлений растеканию ЗУ, указанные в таблице 11, могут быть увеличены в 2 раза. 7.4.3.2 Если участок ВЛ находится в ненаселенной местности и удаленность от объектов МН составляет не менее 3 пролетов ВЛ, то минимально допустимое сопротивление растеканию ЗУ каждой опоры должно соответствовать: 30 Ом при удельном сопротивлении грунта р £ 100 Ом×м; 0,3×р Ом при удельном сопротивлении грунта р > 100 Ом×м. 7.4.3.3 Обеспечить электрическую связь заземлителей первых опор ВЛ, подходящих к НПС, ПКУ (КТП) и другим объектам с контурами заземления указанных объектов не менее чем двумя горизонтальными заземляющими электродами. Материал, профиль и размеры заземляющих электродов следует принимать в соответствии с таблицей 9. 7.4.3.4 Заземление высоковольтных разрядников и ОПН, установленных при вводе ВЛ на территорию объекта, необходимо осуществлять на отдельное ЗУ. Указанное отдельное ЗУ соединить с ЗУ ближайших опор ВЛ и с системой заземления объекта не менее чем двумя горизонтальными заземляющими электродами. Расстояние между опорой ВЛ с ОПН (разрядниками) и ПКУ (КТП) должно быть не менее 15 м. 7.5 Защита сливо-наливных железнодорожных эстакад7.5.1 Сливо-наливные железнодорожные эстакады должны защищаться от прямых ударов молнии при помощи изолированной системы молниезащиты II уровня согласно таблице 1. 7.5.2 В зону защиты молниеотводов должно входить пространство над горловинами цистерн, в которые производится открытый налив продукта на наливной эстакаде. 7.5.3 В пределах сливо-наливной эстакады трубопроводы должны представлять собой непрерывную электрическую цепь, которая должна быть присоединена к ЗУ не менее чем в двух точках. 7.5.4 Все металлические нетоковедущие части электрооборудования и стальные строительные конструкции присоединить к ЗУ. Каждая часть электроустановки, подлежащая заземлению, должна быть присоединена к ЗУ при помощи отдельного ответвления. 7.5.5 Металлические кожухи термоизоляции трубопроводов в пределах сливо-наливной эстакады должны обеспечивать непрерывность электрической цепи и быть заземлены через каждые 40-50 м с помощью стальных проводников или путем присоединения непосредственно к заземленным трубопроводам, на которых они смонтированы. 7.5.6 Наливные и сливные устройства эстакад должны быть заземлены. 7.5.7 Рельсы железнодорожных путей в пределах сливо-наливного фронта должны быть электрически соединены между собой и присоединены к ЗУ в двух местах по торцам эстакады. 7.5.8 ЗУ сливо-наливных железнодорожных эстакад не должны быть связаны с заземлением электротяговой сети. 7.6 Защита узлов пуска-приема, пропуска и приема СОД7.6.1 Узлы пуска-приема, пропуска и приема СОД должны защищаться от прямых ударов молнии при помощи изолированной системы молниезащиты II уровня согласно таблице 1. 7.6.2 Защита от ПУМ узла пуска СОД осуществляется отдельно установленным стержневым молниеотводом, в зону защиты которого должно входить пространство над дыхательным клапаном ёмкости утечек, ограниченное полусферой с радиусом 5 м. 7.6.3 По периметру площадки узла пуска СОД и площадки блок-бокса ПКУ выполнить контур заземления. 7.6.4 Контур ЗУ узла пуска СОД и ПКУ присоединить к существующему ЗУ НПС не менее чем двумя горизонтальными заземляющими электродами. 7.6.5 На территории узла пуска СОД выполнить СУП согласно п. 6.4.2. 7.6.6 Обеспечить соединение конструкций кабельных эстакад с ЗУ на концах, а также в точках ответвления эстакады. 7.6.7 Все металлические нетоковедущие части электрооборудования, стальные строительные конструкции, трубы электропроводки присоединить к ЗУ. Каждая часть электроустановки, подлежащая заземлению, должна быть присоединена к ЗУ при помощи отдельного ответвления. 7.6.8 Выполнить уравнивание потенциалов брони и металлических оболочек кабелей с ЗУ узла пуска СОД посредством соединения брони и металлических оболочек кабелей с заземляющим проводником СУП узла пуска СОД в ЩСУ и ВРУ. 7.7 Защита оборудования, размещенного на молниеотводных мачтах7.7.1 Защита электрических цепей оборудования, установленного на молниеотводных мачтах, должна выполняться согласно требованиям раздела 9.2. 7.7.2 Заземляющее устройство молниеотводных мачт должно быть соединено с системой заземления объекта не менее чем двумя горизонтальными заземляющими электродами. Сечение горизонтальных заземляющих электродов должно соответствовать значениям, приведенным в таблице 9. 7.7.3 Прокладку коммуникаций от молниеотводных мачт до ввода в здание, сооружение или кабельные каналы необходимо выполнять отдельно от других проводных коммуникаций бронированным кабелем. Трасса прокладки кабеля должна иметь длину не менее 25 м. 7.7.4 Допускается использовать кабель без брони, при прокладке его в металлической трубе. При этом надземная часть кабеля, прокладываемая по молниеотводной мачте, должна находится в трубе вдоль всей мачты. Подземная часть кабеля со стороны молниеотводной мачты должна прокладываться в трубе, соединенной с ЗУ молниеотводной мачты. Длина трубы должна быть не менее 10 м. 7.7.5 При вводе кабелей в здания, сооружения или кабельные каналы необходимо выполнять уравнивание потенциалов. 7.8 Требования безопасности персонала7.8.1 Защита персонала от шагового напряжения и выравнивание потенциалов обеспечивается выполнением СУП согласно требованиям п. 6.4.2. 7.8.2 Для уменьшения опасности поражения персонала необходимо выполнить следующие мероприятия: размещать молниеотводы на достаточном удалении от мест вероятного нахождения персонала; исключить возможность нахождения во время грозы персонала на территории в пределах 4 м от токоотвода и заземлителей изолированных молниеотводов; увеличить удельное сопротивление поверхностного слоя земли в пределах 4 м от заземлителей молниеотводов до величины не менее 5 кОм×м (например, с помощью асфальтового покрытия) в местах вероятного нахождения людей и животных. 7.9 Защита сливо-наливных морских причалов7.9.1 Сливо-наливные морские причалы, пирсы для нефти и нефтепродуктов должны защищаться от прямых ударов молнии неизолированной системой молниезащиты. 7.9.2 Подверженные прямому удару молнии конструкции и элементы сливо-наливных морских причалов должны соответствовать требованиям к молниеприемникам неизолированной СМЗ (п. 6.3.3). Заземление указанных конструкций осуществлять на общее заземляющее устройство. В качестве токоотводов использовать отдельные заземляющие проводники в соответствии с требованиями п. 6.3.5 или естественные металлические конструкции морских причалов, сечение которых соответствует значениям, приведенным в Таблице 7, а соединение соседних элементов обеспечивает надежный электрический контакт. 7.9.3 Трубопроводы сливо-наливных причалов должны представлять собой непрерывную электрическую цепь, заземленную не менее чем в двух точках. 7.9.4 Все металлические нетоковедущие части электрооборудования и стальные строительные конструкции присоединить к ЗУ. Каждая часть электроустановки, подлежащая заземлению, должна быть присоединена к ЗУ при помощи отдельного ответвления. 7.9.5 Наливные и сливные устройства причалов должны быть заземлены. 8 Типовые технические решения по внешней молниезащите8.1 Общие положенияДля выполнения внешней молниезащиты объектов МН в проектах применять типовые технические решения. 8.2 Молниезащита сливо-наливных железнодорожных эстакад8.2.1 Типовое техническое решение по молниезащите сливо-наливной железнодорожной эстакады представлено в Приложении А. 8.2.2 В ТТР приведен расчет зон молниезащиты конструкции сливо-наливной железнодорожной эстакады системой внешней молниезащиты из отдельно стоящих стержневых молниеотводов высотой 20 м. 8.2.3 Стержневые молниеотводы должны обеспечивать надежность защиты 0,95 на высоте максимального подъема устройства для верхнего слива-налива цистерн. 8.3 Молниезащита резервуаров и резервуарных парков8.3.1 Типовые технические решения по внешней молниезащите резервуаров и резервуарных парков разработаны в соответствии с типовыми проектами [4]-[11]. 8.3.2 Типовое техническое решение по молниезащите вертикального стального резервуара с купольной крышей и понтоном из алюминиевых сплавов номиналом 50000 м3 представлено в Приложении А. 8.3.3 Типовое техническое решение по молниезащите вертикального стального резервуара с плавающей крышей строительным номиналом 50000 м3 представлено в Приложении А. 8.3.4 Типовое техническое решение по молниезащите вертикального стального резервуара с купольной крышей и понтоном из алюминиевых сплавов строительным номиналом 30000 м3 представлены в Приложении А. 8.3.5 Типовое технические решения по молниезащите вертикального стального резервуара с понтоном из алюминиевых сплавов строительным номиналом 20000 м3 представлено в Приложении А. 8.3.6 Типовое техническое решение по молниезащите вертикального стального резервуара с понтоном строительным номиналом 10000 м3 представлено в Приложении А. 8.3.7 Типовое техническое решение по молниезащите вертикального стального резервуара строительным номиналом 10000 м3 для аварийного сброса нефти представлено в Приложении А. 8.3.8 Типовое техническое решение по молниезащите вертикального стального резервуара со стационарной крышей и понтоном из алюминиевых сплавов строительным номиналом 5000 м3 представлено в Приложении А. 8.3.9 Типовое техническое решение по молниезащите вертикального стального резервуара строительным номиналом 5000 м3 для аварийного сброса нефти представлено в Приложении А. 8.4 Молниезащита зданий и сооружений НПС8.4.1 Типовое техническое решение по внешней молниезащите НПС без РП разработано в соответствии с типовым проектом [12] и представлено в Приложении А. 8.5 Молниезащита антенно-фидерных устройств8.5.1 Типовое техническое решение по молниезащите антенно-фидерных устройств представлено на рисунке 8.1. 8.6 Молниезащита узла пуска СОД8.6.1 Типовое техническое решение по молниезащите узла пуска СОД представлено в Приложении А.
1 - расположенный на
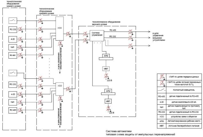
мачте стержневый молниеприемник неизолированной внешней СМЗ Рисунок 8.1 - ТТР по защите антенно-фидерных устройств, установленных на крыше здания (сооружения) 9 Типовые технические решения по внутренней молниезащите9.1 Общие положения9.1.1 В данном разделе приведены типовые технические решения по защите электронного оборудования систем объектов МН и коммуникаций от импульсных перенапряжений при молниевых разрядах. 9.1.2 В разделе 9.2 приведены общие типовые технические решения по защите оборудования систем от перенапряжений по цепям питания 220/380 В. 9.1.3 В разделе 9.3 приведены ТТР по защите оборудования систем автоматизации, телемеханики, КИП, связи и сигнализации от импульсных перенапряжений. ТТР разработаны с учетом типа оборудования, уровней сигналов и особенностей функциональных схем. 9.2 Типовые технические решения по защите оборудования по сети электроснабжения 0,4 кВ9.2.1 Для защиты оборудования от импульсных перенапряжений по цепям питания при кабельном вводе могут применяться два варианта установки УЗИП. 9.2.2 Первый вариант защиты оборудования по цепям питания применяется при сосредоточенных электроустановках, для его реализации необходимо выполнить: а) установить в ВРУ (ГРЩ) здания или сооружения (граница ЗМ 0 и ЗМ 1) комбинированный УЗИП класса I+II со значениями максимального импульсного тока не менее 100 кА (импульс 8/20); б) чувствительное оборудование (степень жесткости испытаний оборудования по цепям питания соответствует требованиям для ЗМ 2) защитить установкой УЗИП класса III в цепь питания оборудования на расстоянии не более 10 м по кабелю (граница ЗМ 2 и 3). а) установить в ВРУ или ГРЩ здания или сооружения (граница ЗМ 0 и 1) УЗИП класса I со значениями максимального импульсного тока не менее 100 кА (импульс 8/20); б) установить в промежуточные распределительные щиты (граница ЗМ 1 и 2) УЗИП класса II, при этом: 1) максимальный импульсный ток должен быть не менее 40 кА (импульс 8/20); 2) должно быть обеспечено расстояние по кабелю между УЗИП I и II классов не менее 10 м. в) Чувствительное оборудование (степень жесткости испытаний оборудования по цепям питания соответствует требованиям для ЗМ 2) защитить установкой УЗИП класса III в цепь питания оборудования на расстоянии не более 10 м по кабелю (граница ЗМ 2 и 3).
9.2.4 При вводе в здание, сооружение трехфазной электрической сети допускается установка трехфазных УЗИП. 9.2.5 Импульсная прочность изоляции электрооборудования, применяемое в электроустановках должна соответствовать требованиям таблицы 22 Таблица 22 - Импульсная прочность изоляции электрооборудования в зависимости от номинального напряжения
9.2.6 Для защиты электроустановки здания, сооружения от проникновения импульсных перенапряжений по внешним цепям питания (например, от фидеров питания проложенных через ЗМ 0), применяется ТТР, показанное на рисунке 9.2. На рисунках 9.3, 9.4, 9.5, 9.6, 9.7 приведены соответственно схемы 1, 2, 3, 4, 5 рисунка 9.2.
Рис. 9.2. Типовая схема защиты электроустановки здания, сооружения Сокращения: УЗИП - устройство защиты от импульсных перенапряжений; УЗУД - устройство защиты и управления двигателем; ЩСУ - щит системы управления 9.2.7 Защита электроустановки от импульсных перенапряжений по цепи питания 220/380 В от КТП (границы ЗМ 0В и ЗМ 1) осуществляется установкой комбинированного УЗИП класса I+II согласно п. 9.2.3 на вводе электропитания в здание. Требования к УЗИП приведены в табл. 16. Схема защиты показана на рис. 9.3.
Рис. 9.3. Схема 1: Защита электроустановки от импульсных перенапряжений по цепи питания 220/380 В. 9.2.8 Защита электроустановки от импульсных перенапряжений по цепи питания двигателя, расположенного в зоне ЗМ 0В, осуществляется установкой УЗИП класса II. Требования к УЗИП приведены в табл. 16. Схема защиты показана на рис. 9.4.
Рис. 9.4. Схема 2: Защита электроустановки от импульсных перенапряжений по цепи питания двигателя, расположенного в зоне ЗМ 0В 9.2.9 Защита электроустановки от импульсных перенапряжений по цепям питания трехфазных нагрузок, расположенных на открытой территории (ЗМ 0В), осуществляется установкой УЗИП класса II. Требования к УЗИП приведены в табл. 16. Схема защиты показана на рис. 9.5.
Рис. 9.5. Схема 3: Защита электроустановки от импульсных перенапряжений по цепям питания трехфазных нагрузок, расположенных на открытой территории (ЗМ 0В) 9.2.10 Защита электроустановки от импульсных перенапряжений по цепям питания однофазных нагрузок, расположенных на открытой территории (ЗМ 0В), осуществляется установкой УЗИП класса II. Требования к УЗИП приведены в табл. 16. Схема защиты показана на рис. 9.6.
Рис. 9.6. Схема 4: Защита электроустановки от импульсных перенапряжений по цепям питания однофазных нагрузок, расположенных на открытой территории (ЗМ 0В) 9.2.11 Защита питающей электроустановки и защита кабелей питания прожекторов от пробоя изоляции, расположенных на прожекторных мачтах с молниеотводами в ЗМ 0В, осуществляется установкой комбинированного УЗИП класса I+II согласно п. 9.2.3 на питающий кабель со стороны электроустановки. Требования к УЗИП приведены в табл. 16. Схема защиты показана на рис. 9.7.
Рис. 9.7. Схема 5: Защита питающей электроустановки и защита от пробоя изоляции кабеля питания прожекторов расположенных на прожекторных мачтах с молниеотводами. 9.3 Типовые технические решения по защите оборудования систем автоматизации, телемеханики, КИП, связи и сигнализации9.3.1 Система автоматики9.3.1.1 Защита по цепям питания 220/380В оборудования системы автоматики обеспечивается выполнением ТТР согласно п. 9.1. 9.3.1.2 Если электронное оборудование системы автоматики нижнего, среднего и верхнего уровня, установленное в определенной ЗМ, имеет степень жесткости испытаний по сигнальным цепям не ниже степени жесткости, требуемой согласно табл. 3 для данной ЗМ, то защита оборудования от импульсных перенапряжений не требуется. 9.3.1.3 Если электронное оборудование системы автоматики нижнего, среднего и верхнего уровня, установленное в определенной ЗМ, имеет степень жесткости испытаний по сигнальным цепям ниже степени жесткости, требуемой согласно табл. 3 для данной ЗМ, то, для защиты от импульсных перенапряжений требуется установить УЗИП в сигнальные цепи (см. таблица 17) в соответствии с типовой схемой защиты от импульсных перенапряжений системы автоматики (см. лист 89 Приложение Б). 9.3.1.4 УЗИП устанавливается в заземленный металлический щиток со степенью защиты не ниже IP 67. Расстояние от щитка с УЗИП до защищаемого оборудования системы автоматики нижнего уровня должно быть не более 10 м. по кабелю. В случае расположения щитка с УЗИП во взрывоопасной зоне, щиток должен быть взрывозащищенного исполнения. 9.3.1.5 Требования п. 9.3.1.2 распространяются на оборудование систем автоматики нижнего, среднего и верхнего уровней. - осуществлять прокладку сигнальных цепей экранированным кабелем; - осуществлять заземление экрана кабеля не менее чем в двух точках на обоих концах кабеля возле оборудования; - выполнять прокладку шин заземления вдоль сигнальных цепей. Расстояние между шинами заземления и сигнальными цепями должно быть минимальным. Допускается не прокладывать шину заземления при прокладке сигнальных цепей в кабельных металлоконструкциях, обеспечивающих проводимость эквивалентную стальной шине сечением 75 мм2. 9.3.1.7 Прокладку сигнальных цепей систем автоматики, проложенных без пересечения ЗМ 0, необходимо осуществлять экранированным кабелем отдельно от силовых цепей, при этом заземление экрана кабеля осуществлять не менее чем в двух точках на обоих концах кабеля возле оборудования. 9.3.1.8 Общая схема снижения помех в сигнальных цепях оборудования систем автоматики показана на рис. 9.10.
Рисунок 9.10 - Общая схема снижения помех в сигнальных цепях оборудования систем автоматики. 9.3.2 Система телемеханики9.3.2.1 Защита оборудования системы телемеханики от импульсных перенапряжений по цепям питания обеспечивается выполнением ТТР согласно п. 9.2. 9.3.2.2 ТТР по защите оборудования системы телемеханики от импульсных перенапряжений по сигнальным цепям аналогичны ТТР по защите оборудования системы автоматики, приведенным в п. 9.3.1. 9.3.3 Типовая схема защита системы телемеханики приведена в Приложении Б.9.3.4 Система измерений количества и показателей качества нефти9.3.4.1 Защита оборудования СИКН от импульсных перенапряжений по цепям питания обеспечивается выполнением ТТР согласно п. 9.2. 9.3.4.2 ТТР по защите оборудования СИКН от импульсных перенапряжений по сигнальным цепям аналогичны ТТР по защите оборудования системы автоматики, приведенным в п. 9.3.1. 9.3.4.3 Типовая схема защита цепей питания и управления узла учета нефти и СИКН пункта сдачи и приема нефти (ПСП) аналогична защите цепей питания автоматики ПСП приведённой в Приложении Б. 9.3.5 Система управления вентиляцией9.3.5.1 Защита оборудования системы управления вентиляцией от импульсных перенапряжений по цепям питания обеспечивается выполнением ТТР согласно п. 9.2. 9.3.5.2 Если электронное оборудование системы управления вентиляцией, установленное в определенной ЗМ, имеет степень жесткости испытаний по сигнальным цепям ниже степени жесткости, требуемой согласно табл. 3 для данной ЗМ, то, для защиты от импульсных перенапряжений оборудования системы управления вентиляцией, требуется установить УЗИП в сигнальные цепи (см. таблица 17) в соответствии с типовой схемой защиты от импульсных перенапряжений показанной в Приложении Б. 9.3.5.3 Защитить цепи передачи данных между электронным оборудованием системы управления вентиляцией выполнением п. 9.3.1.6. 9.3.6 Система пожарной сигнализации и автоматического пожаротушения9.3.6.1 Защита оборудования системы пожарной сигнализации и автоматического пожаротушения от импульсных перенапряжений по цепям питания обеспечивается выполнением ТТР согласно п. 9.2. 9.3.6.2 Шлейфы и соединительные линии пожарной сигнализации должны быть защищены от наводок применением симметричного экранированного кабеля. Экранирующие элементы должны быть заземлены. 9.3.6.3 Если электронное оборудование системы пожарной сигнализации и автоматического пожаротушения, установленное в определенной ЗМ, имеет степень жесткости испытаний по сигнальным цепям ниже степени жесткости, требуемой согласно табл.3 для данной ЗМ, то, для защиты от импульсных перенапряжений, требуется установить УЗИП в сигнальные цепи (см. таблица 17) в соответствии с типовой схемой защиты от импульсных перенапряжений показанной в Приложении Б. 9.3.6.4 Защитить цепи передачи данных между расположенным в разных зданиях электронным оборудованием системы пожарной сигнализации и автоматического пожаротушения выполнением ТТР согласно п. 9.3.1.6. 9.3.6.5 Резервные источники питания оборудования системы сигнализации с категорией жесткости испытаний не более 2 защитить установкой УЗИП класса III по цепям питания (см. таблица 16). 9.3.7 Система магистральной сети связи и автоматической телефонной связи9.3.7.1 Защита оборудования системы автоматической телефонной связи от импульсных перенапряжений по цепям питания обеспечивается выполнением ТТР согласно п. 9.2. 9.3.7.2 Типовая схема защита оборудования системы автоматической телефонной связи приведена в Приложении Б. 9.3.7.3 Защита УАТС по аналоговым и цифровым телефонным линиям обеспечивается установкой в кросс узла связи УЗИП (плинты со встроенной защитой от импульсных перенапряжений) по линиям телефонной связи (см. таблица 18). 9.3.7.4 Если система связи включает в себя несколько территориально распределенных компонентов, то для организации связи с пересечением ЗМ 0 должен быть использован оптоволоконный кабель. Допускается использовать электрический кабель при условии установки УЗИП по линиям телефонной связи в кроссовом исполнении с обоих концов кабеля (см. таблица 18). 9.3.7.5 Если к УАТС подключено ответственное электронное оборудование (модемы, цифровые телефоны), трасса прокладки кабеля которого пересекает ЗМ 0, то необходимо обеспечить защиту оборудования установкой УЗИП по цепям телефонной связи (см. таблица 18) не далее 10 м. от оборудования. 9.3.7.6 Защита оборудования систем диспетчерской связи и связи совещаний аналогична защите оборудования автоматической телефонной связи (см. п.п. 9.3.5.1-9.3.5.5). 9.3.8 Система радиофикации и оповещения9.3.8.1 Защита оборудования системы радиофикации и оповещения от импульсных перенапряжений по цепям питания обеспечивается выполнением ТТР согласно п. 9.2. 9.3.8.2 Типовая схема защиты оборудования системы оповещения и радиофикации приведена в Приложении Б. 9.3.8.3 Для защиты оборудования системы оповещения по радиоканалу, на коаксиальный кабель антенной цепи должно быть установлено УЗИП по коаксиальным линиям (см. таблица 19). УЗИП устанавливается не далее 10 м от оборудования по кабелю. 9.3.8.4 Для защиты стойки системы оповещения по цепям передачи данных с панелью управления, находящейся в другом здании, на входе (выходе) оборудования должно быть установлено УЗИП по цепям передачи данных (см. таблица 17). 9.3.9 Оборудования сетей передачи данных ЛВС, контроллеров ЕСУ, АИИСКУЭ, АСТУЭ9.3.9.1 Защита оборудования систем передачи данных ЛВС, контроллеров ЕСУ, АИИСКУЭ, АСТУЭ от импульсных перенапряжений по цепям питания обеспечивается выполнением ТТР согласно п. 9.2. 9.3.9.2 Типовая схема защиты от импульсных перенапряжений сетей передачи данных ЛВС, контроллеров ЕСУ, АИИСКУЭ, АСТУЭ при помощи УЗИП приведена в Приложении Б. 9.3.9.3 Защитить цепи передачи данных между электронным оборудованием выполнением п. 9.3.1.6. 9.3.9.4 Для защиты оборудования размещаемого в 19-ти дюймовых стойках использовать УЗИП соответствующего исполнения. Технические характеристики приведены в таблице 17. 9.3.9.5 При прокладке цепей передачи данных необходимо исключить параллельное прохождение в одном кабельном лотке цепей, идущих с ЗМ 0 и цепей, не выходящих в эту зону или идущих после УЗИП по ходу импульсной помехи. 9.3.10 Система радиодоступа (DECT)9.3.10.1 Защита оборудования системы радиодоступа от импульсных перенапряжений по цепям питания обеспечивается выполнением ТТР согласно п. 9.2. 9.3.10.2 Типовая схема защиты от импульсных перенапряжений оборудования сети радиодоступа (DECT) приведена в Приложении Б. 9.3.10.3 При прокладке сигнальных цепей электрическим кабелем выполнять требования п.9.3.1.6. 9.3.10.4 Защита оборудования базовых станций (БС) и блоков ввода/вывода контроллеров базовых станций (КБС) по электрическим цепям связи должна быть осуществлена установкой УЗИП по цепям передачи данных (см. таблица 17). Со стороны КБС УЗИП необходимо установить в отдельный заземленный металлический щиток на выходе кабелей из здания (граница зон 0 и 1). Со стороны БС УЗИП необходимо установить по возможности близко с оборудованием БС в заземленном металлическом щитке. 9.3.11 Система спутниковой связи9.3.11.1 Защита оборудования системы спутниковой связи от импульсных перенапряжений по цепям питания обеспечивается выполнением ТТР согласно п. 9.2. 9.3.11.2 Типовая схема защиты системы спутниковой связи от импульсных перенапряжений приведена в Приложении Б. 9.3.11.3 Для защиты приемо-передающего оборудования по коаксиальным линиям связи, выходящим в ЗМ 0, должно быть установлено УЗИП по коаксиальным линиям (см. таблица 19). УЗИП устанавливается не далее 10 м от оборудования по кабелю. 9.3.12 Система охранной сигнализации и видеонаблюдения9.3.12.1 Защита системы охранной сигнализации и видеонаблюдения от импульсных перенапряжений по цепям питания обеспечивается выполнением ТТР согласно п. 9.2. 9.3.12.2 Типовая схема защиты системы охранной сигнализации и видеонаблюдения приведена в Приложении Б. 9.3.12.3 Если телекамеры, установленное в ЗМ 0 имеют степень жесткости испытаний по сигнальным цепям ниже степени жесткости, требуемой согласно табл. 3 для ЗМ 0, то требуется установить УЗИП в сигнальные цепи (см. таблица 17). 9.3.12.4 Для защиты телекамер по цепи передачи видеоизображения по коаксиальному кабелю, должны быть установлены УЗИП по коаксиальным линиям с обоих концов кабеля (см. таблица 19). 9.3.12.5 Со стороны телекамеры все УЗИП устанавливаются в заземленный металлический щиток на расстоянии не более 10 м по кабелю. 9.3.12.6 Со стороны оборудования видеонаблюдения все УЗИП должны быть установлены в отдельный металлический щиток и заземлены. 9.3.12.7 Если оборудование системы охранной сигнализации, установленное в определенной ЗМ, имеет степень жесткости испытаний по сигнальным цепям ниже степени жесткости, требуемой согласно табл. 3 для данной ЗМ, то требуется установить УЗИП в сигнальные цепи (см. таблица 17). Расстояние от УЗИП до защищаемого оборудования и датчиков не должно превышать 10 м по кабелю. 9.3.12.8 Защита особо ответственного оборудования (высший рубеж системы охраны) должна обеспечиваться установкой УЗИП, как в цепи питания, так и в сигнальные цепи. Расстояние от УЗИП до защищаемого оборудования и датчиков не должно превышать 10 м. 9.3.13 Система контроля и управления доступом9.3.13.1 Защита оборудования системы контроля и управления доступом от импульсных перенапряжений по цепям питания обеспечивается выполнением ТТР согласно п. 9.2. 9.3.13.2 Если оборудование системы контроля и управления доступом, установленное в определенной ЗМ, имеет степень жесткости испытаний по сигнальным цепям ниже степени жесткости, требуемой согласно табл. 3 для данной ЗМ, то требуется установить УЗИП в сигнальные цепи (см. таблица 17). Расстояние от УЗИП до защищаемого оборудования и датчиков не должно превышать 10 м по кабелю. 9.3.13.3 Защита особо ответственного оборудования системы контроля и управления доступом (высший рубеж системы охраны) от импульсных перенапряжений по цепям передачи данных осуществляется установкой УЗИП (см. таблица 20) с обеих сторон цепи. 9.3.13.4 Типовая схема защиты системы контроля и управления доступом приведена в Приложении Б. Приложение АТиповые технические решения по внешней молниезащитеА.1. Схема расстановки молниеотводов на сливо-наливной станции
А.2. Зоны защиты молниеотводов резервуара номиналом 50000 м3
А.3. Зоны защиты молниеотводов двух резервуаров номиналом 50000 м3 (вариант А)
А.4. Зоны защиты молниеотводов двух резервуаров номиналом 50000 м3 (вариант Б)
А.5. Зоны защиты молниеотводов резервуара номиналом 50000 м3
А.6. Зоны защиты молниеотводов двух резервуаров номиналом 50000 м3 (вариант А)
А.7. Зоны защиты молниеотводов двух резервуаров номиналом 50000 м3 (вариант Б)
А.8. Зоны защиты молниеотводов резервуара номиналом 30000 м3
А.9. Зоны защиты молниеотводов двух резервуаров номиналом 30000 м3 (вариант А)
А.10. Зоны защиты молниеотводов двух резервуаров номиналом 30000 м3 (вариант Б)
А.11. Зоны защиты молниеотводов четырех резервуаров номиналом 30000 м3
А.12. Зоны защиты молниеотводов двух резервуаров номиналом 20000 м3
А.13. Зоны защиты молниеотводов четырех резервуаров номиналом 20000 м3
А.14. Зоны защиты молниеотводов двух резервуаров номиналом 10000 м3 (вариант А)
А.15. Зоны защиты молниеотводов двух резервуаров номиналом 10000 м3 (вариант Б)
А.16. Зоны защиты молниеотводов двух резервуаров номиналом 10000 м3
А.17. Зоны защиты молниеотводов двух резервуаров номиналом 5000 м3
А.18. Зоны защиты молниеотводов четырех резервуаров номиналом 5000 м3
А.19. Зоны защиты молниеотводов двух резервуаров номиналом 5000 м3
А.20. Зоны защиты молниеотводов промежуточной НПС без РП
А.21. Экспликация зданий и сооружений промежуточной НПС без РП
А.22. Расчет зон молниезащиты молниеприемников
А.23. Схема расстановки молниеотводов системы узла пуска средств очистки и диагностики (СОД)
Приложение БТиповые технические решения по внутренней молниезащитеБ.1. Система автоматики
Б.2. Система телемеханики
Б.3. Система вентиляции
Система вентиляции. Типовая схема защиты от импульсных перенапряжений Б.4. Система пожарной сигнализации и автоматического пожаротушения
Б.5. Автоматическая телефонная связь
Магистральная сеть связи и автоматическая телефонная связь. Типовая схема защиты от импульсных перенапряжений Б.6. Сеть радиофикации и оповещения
Б.7. Сеть передачи данных ЛВС
Б.8. Автоматизированная система технического учета электроэнергии
Б.9. Сети радиодоступа (DECT)
Сети радиодоступа (DECT). Типовая схема защиты от импульсных перенапряжений Б.10. Система спутниковой связи
Система спутниковой связи. Типовая схема защиты от импульсных перенапряжений Б.11. Охранная сигнализация и видеонаблюдение
Б.12. Система контроля управления доступом
Система контроля управления доступом. Типовая схема защиты от импульсных перенапряжений Приложение
В
| ||||||||||||||||||||||||||||||||||||||||||||||||||||||||||||||||||||||||||||||||||||||||||||||||||||||||||||||||||||||||||||||||||||||||||||||||||||||||||||||||||||||||||||||||||||||||||||||||||||||||||||||||||||||||||||||||||||||||||||||||||||||||||||||||||||||||||||||||||||||||||||||||||||||||||||||||||||||||||||||||||||||||||||||||||||||||||||||||||||||||||||||||||||||||||||||||||||||||||||||||||||||||||||||||||||||||||||||||||||||||||||||||||||||||||||||||||||||||||||||||||||||||||||||||||||||||||||||||||||||||||||||||||||||||||||||||||||||||||||||||||||||||||||||||||||||||||||||||||||||||||||||||||||||||||||||||||||||||||||||||||||||||||||||||||||||||||||||||||||||||||||||||||||||||||||||||||||||||||||||||||||||||||||||||||||||||||||||||||||||||||||||||||||||||||||||||||||||||||||||||||||||||||||||||||||||||||||||||||||||||||||||||||||||||||||||||||||||||||||||||||||||||||||||||||||||||||||||||||||||||||||||||||||||||||||||||||||||||||||||||||||||||||||||||||||||||||||||||||||||
|
№ пп |
Наименование параметра |
Размерность |
Организация или отдел, ответственные за информацию |
Подпись ответственного лица, дата |
|
1 |
План размещения зданий, сооружений и коммуникаций на территории объекта |
координаты Х и У, м |
|
|
|
2 |
Проект системы заземления объекта (силовое, защитное, телекоммуникационное и т.п.) |
- |
|
|
|
3 |
Характеристики грунта, результаты геологической разведки |
- |
|
|
|
4 |
Размеры, конструктивные особенности зданий, сооружений и коммуникаций (размеры, материал, трасса и способ прокладки) |
м |
|
|
|
5 |
Типы используемых кабелей и их характеристики (с броней, оболочкой, экраном, прочность изоляции) |
- |
|
|
|
6 |
Расположение взрыво- и пожароопасных зон и их категории (классы) согласно ПУЭ и ГОСТ Р 51330.9 |
- |
|
|
|
7 |
Расположение и характеристики естественных молниеотводов (антенные и прожекторные мачты) |
|
|
|
|
8 |
Места заземления нейтралей трансформаторов |
координаты Х и У, м |
|
|
|
9 |
Места размещения инженерного и информационного оборудования |
координаты Х и У, м |
|
|
|
10 |
Характеристики инженерного и информационного оборудования по электромагнитной совместимости. |
- |
|
|
|
11 |
Наличие изолирующих вставок в трубопроводах |
|
|
|
Стандартной зоной защиты одиночного стержневого молниеотвода высотой h является круговой конус высотой h0 < h, вершина которого совпадает с вертикальной осью молниеотвода (рис. Г.1). Габариты зоны определяются двумя параметрами: высотой конуса h0 и радиусом конуса на уровне земли r0.
Приведенные ниже расчетные формулы (табл. Г.1) пригодны для молниеотводов высотой до 100 м.
Для зоны защиты требуемой надежности (рис. Г.1) радиус горизонтального сечения rx, на высоте hx определяется по формуле:
(Г.1)
Высота отдельно стоящего стержневого молниеотвода, обеспечивающего надежность защиты 0,95, определяется по формуле:
где
hx - высота зоны защиты объекта, м;
rx - радиус зоны защиты на высоте hx защищаемого объекта, м.
Высота отдельно стоящего стержневого молниеотвода, обеспечивающего надежность защиты 0,99, определяется по формуле:
![]()
Таблица Г.1 - Расчет зоны защиты одиночного стержневого молниеотвода
|
Надежность защиты Р3 |
Высота молниеотвода h, м |
Высота конуса h0, м |
Радиус конуса r0, м |
|
0,95 |
От 0 до 100 |
0,92h |
1,5h |
|
0,99 |
от 0 до 30 |
0,85h |
0,8 h |
|
от 30 до 100 |
0,85h |
[0,8-1,43×10-3 (h-30)] h |

Рис. Г.1. Зона защиты одиночного стержневого молниеотвода

L - расстояние между точками подвеса тросов
Рис. Г.2. Зона защиты одиночного тросового молниеотвода
Стандартные зоны защиты одиночного тросового молниеотвода высотой h ограничены симметричными двускатными поверхностями, образующими в вертикальном сечении равнобедренный треугольник с вершиной на высоте h0 < h и основанием на уровне земли 2r0 (рис. 3.2).
Приведенные ниже расчетные формулы (см. табл. Г.2) пригодны для молниеотводов высотой до 100 м.
Здесь и далее под h понимается минимальная высота троса над уровнем земли (с учетом провеса).
Полуширина rх зоны защиты требуемой надежности (рис. Г.2) на высоте hx от поверхности земли определяется выражением:
(Г.2)
Таблица Г.2 - Расчет зоны защиты одиночного троссового молниеотвода
|
Надежность защиты Р3 |
Высота молниеотвода h, м |
Высота конуса h0, м |
Радиус конуса r0, м |
|
0,95 |
От 0 до 100 |
0,92h |
1,7h |
|
0,99 |
от 0 до 30 |
0,85h |
[0,95-7,14×10-4(h-30)]h |
|
от 30 до 100 |
0,85h |
[0,9-10-3(h-100)]h |
При необходимости расширить защищаемый объем к торцам зоны защиты собственно тросового молниеотвода могут добавляться зоны зашиты несущих опор, которые рассчитываются по формулам одиночных стержневых молниеотводов, представленным в табл. Г.1
Высота одиночного тросового молниеотвода, обеспечивающего надежность защиты 0,95, определяется по формуле:
![]()
где
hx - высота зоны защиты объекта, м
rx - радиус зоны защиты на высоте hx защищаемого объекта, м
Молниеотвод считается двойным, когда расстояние между стержневыми молниеприемниками L не превышает предельного значения Lmax. В противном случае оба молниеотвода рассматриваются как одиночные.
Конфигурация вертикальных и горизонтальных сечений стандартных зон защиты двойного стержневого молниеотвода (высотой h и расстоянием L между молниеотводами) представлена на рис. Г.3.
Построение внешних областей зон двойного молниеотвода (полуконусов с габаритами h0, r0) производится по формулам табл. Г.1 для одиночных стержневых молниеотводов. Размеры внутренних областей определяются параметрами h0 и hс.
При расстоянии между молниеотводами L £ Lc граница зоны не имеет провеса (hс = h0). Для расстояний Lс < L > Lmax высота hс определяется по выражению:
(Б.3.1)
Входящие в него предельные расстояния Lmax и Lc вычисляются по эмпирическим формулам табл. Г.3, пригодным для молниеотводов высотой до 100 м.
Таблица Г.3 - Расчет зоны защиты двойного стержневого молниеотвода
|
Надежность защиты Р3 |
Высота молниеотвода h, м |
Lmax, м |
Lс, м |
|
0,95 |
от 0 до 100 |
6h |
2,5h |
|
0,99 |
от 0 до 30 |
4,75h |
2,25h |
|
от 30 до 100 |
[4,75-3,57×10-3(h-30)] h |
[2,25-0,0107(h-30)]h |
Конфигурация вертикальных и горизонтальных сечений стандартных зон защиты двойного стержневого молниеотвода (высотой h и расстоянием L между молниеотводами) представлена на рис. Г.3.

Рис. Г.3. Зона защиты двойного стержневого молниеотвода
Размеры горизонтальных сечений зоны вычисляются по следующим формулам, общим для всех уровней надежности защиты:
- максимальная полуширина зоны rх в горизонтальном сечении на высоте hx
(Г.3.2)
- длина горизонтального сечения lx на высоте hx ³ hс:
(Г.3.3)
причем при hx < hс lx = L/2;
- ширина горизонтального сечения в центре между молниеотводами 2rcx на высоте hx £ hс
(Г.3.4)
Молниеотвод считается двойным, когда расстояние между тросами L не превышает предельного значения Lmax. В противном случае оба молниеотвода рассматриваются как одиночные.
Конфигурация вертикальных и горизонтальных сечений стандартных зон защиты двойного тросового молниеотвода (высотой h и расстоянием между тросами L) представлена на рис. Г.4. Построение внешних областей зон (двух односкатных поверхностей с габаритами h0, r0) производится по формулам табл. Г.4 для одиночных тросовых молниеотводов.
Таблица Г.4 - Расчет зоны защиты двойного тросового молниеотвода
|
Надежность защиты Р3 |
Высота молниеотвода h, м |
Lmax, м |
Lс, м |
|
0,95 |
от 0 до 100 |
5,75h |
2,5h |
|
0,99 |
от 0 до 30 |
4,75h |
2,25h |
|
от 30 до 100 |
[4,75-3,57×10-3(h-30)] h |
[2,25-0,0107(h-30)]h |
Конфигурация вертикальных и горизонтальных сечений стандартных зон защиты двойного тросового молниеотвода (высотой h и расстоянием между тросами L) представлена на рис. Г.4. Построение внешних областей зон (двух односкатных поверхностей с габаритами h0, r0) производится по формулам табл. Г.4 для одиночных тросовых молниеотводов.
Размеры внутренних областей определяются параметрами h0 и hс, первый из которых задает максимальную высоту зоны непосредственно у тросов, а второй — минимальную высоту зоны по середине между тросами. При расстоянии между тросами L £ Lc граница зоны не имеет провеса (hс = h0). Для расстояний Lc £ L £ Lmax высота hc определяется по выражению
(Г.4.1)
Входящие в него предельные расстояния Lmax и Lc вычисляются по эмпирическим формулам табл. Г.4, пригодным для тросов с высотой подвеса до 100 м.
Длина горизонтального сечения зоны защиты на высоте hx определяется по формулам:
(Г.4.2)

Рис. Г.4. Зона защиты двойного тросового молниеотвода
Для расширения защищаемого объема на зону двойного тросового молниеотвода может быть наложена зона защиты опор, несущих тросы, которая строится как зона двойного стержневого молниеотвода, если расстояние L между опорами меньше Lmаx, вычисленного по формулам табл. Г.4. В противном случае опоры рассматриваются как одиночные стержневые молниеотводы.
[1] Правила устройства электроустановок (ПУЭ) (все действующие разделы ПУЭ-6 и ПУЭ-7, с изм. и доп., по состоянию на 15 августа 2005 г.), М.: «Энергоатомиздат», 2005
[2] Правила технической эксплуатации электроустановок потребителей (ПТЭЭП), М.: «Энергосервис», 2003
[3] 3.407.9-172 Типовой проект. Унифицированные прожекторные мачты и отдельно стоящие молниеотводы
[4] Типовой проект резервуара вертикального стального с купольной крышей и понтоном из алюминиевых сплавов строительным номиналом 50000 м3:
ОТТ-23.020.00-КТН-313-06;
ОТТ-23.020.00-КТН-314-06;
ОТТ-23.020.00-КТН-315-06;
ОТТ-23.020.00-КТН-316-06;
ОТТ-23.020.00-КТН-317-06;
ОТТ-23.020.00-КТН-318-06;
ОТТ-23.020.00-КТН-319-06;
ОТТ-23.020.00-КТН-320-06
[5] Типовой проект резервуара вертикального стального с плавающей крышей строительным номиналом 50000 м3:
ОТТ-16.01-73.10.00-КТН-051-1-05;
ОТТ-16.01-73.10.00-КТН-052-1-05;
ОТТ-16.01-73.10.00-КТН-053-1-05;
ОТТ-16.01-73.10.00-КТН-054-1-05;
ОТТ-16.01-73.10.00-КТН-055-1-05;
ОТТ-16.01-73.10.00-КТН-056-1-05;
ОТТ-16.01-73.10.00-КТН-057-1-05
[6] Типовой проект резервуара вертикального стального с купольной крышей и понтоном из алюминиевых сплавов строительным номиналом 30000 м3:
ОТТ-23.020.00-КТН-516-06;
ОТТ-23.020.00-КТН-517-06;
ОТТ-23.020.00-КТН-518-06;
ОТТ-23.020.00-КТН-519-06;
ОТТ-23.020.00-КТН-520-06;
ОТТ-23.020.00-КТН-521-06;
ОТТ-23.020.00-КТН-522-06;
ОТТ-23.020.00-КТН-523-06;
ОТТ-23.020.00-КТН-524-06
[7] Типовой проект резервуара вертикального стального с понтоном из алюминиевых сплавов строительным номиналом 20000 м3:
ОТТ-23.020.00-КТН-055-06;
ОТТ-23.020.00-КТН-056-06;
ОТТ-23.020.00-КТН-057-06;
ОТТ-23.020.00-КТН-058-06;
ОТТ-23.020.00-КТН-059-06;
ОТТ-23.020.00-КТН-060-06;
ОТТ-23.020.00-КТН-061-06;
ОТТ-23.020.00-КТН-062-06;
ОТТ-23.020.00-КТН-063-06;
ОТТ-23.020.00-КТН-064-06;
ОТТ-23.020.00-КТН-065-06;
ОТТ-23.020.00-КТН-066-06;
ОТТ-23.020.00-КТН-067-06;
ОТТ-23.020.00-КТН-068-06;
ОТТ-23.020.00-КТН-069-06;
ОТТ-23.020.00-КТН-070-06
[8] Типовой проект резервуара вертикального стального с понтоном для хранения нефти строительным номиналом 10000 м3:
ОТТ-23.020.00-КТН-303-06;
ОТТ-23.020.00-КТН-304-06;
ОТТ-23.020.00-КТН-305-06;
ОТТ-23.020.00-КТН-306-06;
ОТТ-23.020.00-КТН-307-06;
ОТТ-23.020.00-КТН-308-06;
ОТТ-23.020.00-КТН-309-06;
ОТТ-23.020.00-КТН-310-06;
ОТТ-23.020.00-КТН-311-06;
ОТТ-23.020.00-КТН-312-06
[9] Типовой проект резервуара вертикального стального строительным номиналом 10000 м3 для аварийного сброса нефти:
ОТТ-23.020.00-КТН-338-06;
ОТТ-23.020.00-КТН-339-06;
ОТТ-23.020.00-КТН-340-06;
ОТТ-23.020.00-КТН-341-06;
ОТТ-23.020.00-КТН-342-06;
ОТТ-23.020.00-КТН-343-06;
ОТТ-23.020.00-КТН-344-06;
ОТТ-23.020.00-КТН-345-06;
ОТТ-23.020.00-КТН-346-06;
ОТТ-23.020.00-КТН-347-06
[10] Типовой проект резервуара вертикального стального со стационарной крышей и понтоном из алюминиевых сплавов строительным номиналом 5000 м3:
ОТТ-23.020.00-КТН-430-06;
ОТТ-23.020.00-КТН-431-06;
ОТТ-23.020.00-КТН-432-06
[11] Типовой проект резервуара вертикального стального строительным номиналом 5000 м3 для аварийного сброса нефти:
ОТТ-23.020.00-КТН-352-06;
ОТТ-23.020.00-КТН-353-06;
ОТТ-23.020.00-КТН-354-06;
ОТТ-23.020.00-КТН-355-06;
ОТТ-23.020.00-КТН-356-06
[12] Типовой проект промежуточной НПС без резервуарного парка для магистральных нефтепроводов Ду 700 мм:
ОТТ-75.180.00-КТН-235-06
|
|
|
|