|
| |

ГОСУДАРСТВЕННЫЙ СТАНДАРТ СОЮЗА ССР
БОЛТЫ С ПОТАЙНОЙ
ГОЛОВКОЙ И УСОМ
КЛАССА ТОЧНОСТИ С
ГОСТ 7785-81
СТ СЭВ 217-86
ГОСУДАРСТВЕННЫЙ КОМИТЕТ СССР ПО СТАНДАРТАМ
Москва
ГОСУДАРСТВЕННЫЙ
СТАНДАРТ СОЮЗА ССР
|
БОЛТЫ С ПОТАЙНОЙ ГОЛОВКОЙ И УСОМ
КЛАССА ТОЧНОСТИ С
Конструкция и размеры
Countersunk nibbed head bolts, product grade С.
Construction and dimensions.
|
ГОСТ
7785-81*
(СТ
СЭВ 217-86)
Взамен
ГОСТ 7785-72
|
Постановлением Государственного комитета
СССР по стандартам от 15 января 1981 г. № 1 срок введения установлен
с 01.01.82
Проверен в 1986 г. Постановлением
Госстандарта СССР от 23.06.86 № 1642 срок действия продлен
до 01.01.97
Несоблюдение стандарта
преследуется по закону
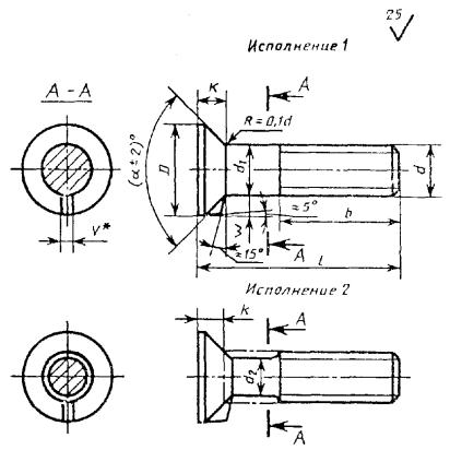
1. Настоящий стандарт
распространяется на болты с потайной головкой и усом класса точности С с номинальным диаметром резьбы от 5 до
24 мм.
Стандарт полностью соответствует СТ СЭВ 217-86.
2. Конструкция и размеры болтов
должны соответствовать указанным на чертеже и в табл. 1 и 2.

d2 примерно равен среднему диаметру резьбы
* Уклон боковых
граней уса не более 5°
Таблица 1
мм
|
Номинальный
диаметр резьбы d
|
5
|
6
|
8
|
10
|
12
|
16
|
20
|
24
|
|
Диаметр головки
D
|
10
|
12
|
16
|
20
|
24
|
32
|
32
|
38
|
|
Высота головки k, не более
|
3,0
|
4,0
|
5,0
|
5,5
|
7,0
|
9,0
|
11,5
|
13,0
|
|
Ширина уса V
|
2,0
|
2,5
|
3,0
|
3,2
|
3,6
|
4,2
|
5,4
|
6,6
|
|
Угол a
|
90°
|
60°
|
|
Высота уса W, не менее
|
2,3
|
2,8
|
3,5
|
4,2
|
5,7
|
7,5
|
5,5
|
6,7
|
|
Длина резьбы b
|
Для l £ 120
|
16
|
18
|
22
|
26
|
30
|
38
|
46
|
54
|
|
Для l > 120
|
-
|
-
|
-
|
32
|
36
|
44
|
52
|
60
|
Пример
условного обозначения
болта с диаметром резьбы d = 12 мм, с крупным шагом резьбы с
полем допуска 8 g, длиной l = 60 мм, класса прочности 4.6, с цинковым покрытием толщиной 6 мкм,
нанесенным способом катодного восстановления, хроматированным:
Болт M12´60.46.016 ГОСТ 7785-81
Таблица 2
мм
|
Длина болта l
|
Номинальный диаметр резьбы d
|
|
5
|
6
|
8
|
10
|
12
|
16
|
20
|
24
|
|
16
|
|
|
-
|
-
|
-
|
-
|
-
|
-
|
|
20
|
|
|
|
|
-
|
-
|
-
|
-
|
|
25
|
|
|
|
|
|
-
|
-
|
-
|
|
30
|
|
|
|
|
|
|
-
|
-
|
|
35
|
|
|
|
|
|
|
-
|
-
|
|
40
|
|
|
|
|
|
|
|
-
|
|
45
|
|
|
|
|
|
|
|
-
|
|
50
|
|
|
|
|
|
|
|
-
|
|
55
|
|
|
|
|
|
|
|
-
|
|
60
|
|
|
|
|
|
|
|
|
|
65
|
|
|
|
|
|
|
|
|
|
70
|
|
|
|
|
|
|
|
|
|
75
|
|
|
|
|
|
|
|
|
|
80
|
|
|
|
|
|
|
|
|
|
90
|
-
|
|
|
|
|
|
|
|
|
100
|
-
|
|
|
|
|
|
|
|
|
110
|
-
|
-
|
|
|
|
|
|
|
|
120
|
-
|
-
|
|
|
|
|
|
|
|
130
|
-
|
-
|
|
|
|
|
|
|
|
140
|
-
|
-
|
|
|
|
|
|
|
|
150
|
-
|
-
|
|
|
|
|
|
|
|
160
|
-
|
-
|
-
|
|
|
|
|
|
|
170
|
-
|
-
|
-
|
-
|
-
|
|
|
|
|
180
|
-
|
-
|
-
|
-
|
-
|
|
|
|
|
190
|
-
|
-
|
-
|
-
|
-
|
|
|
|
|
200
|
-
|
-
|
-
|
-
|
-
|
|
|
|
|
Примечания.
1. Болты изготовляют с длинами, заключенными между
жирными линиями.
2. Болты в области от верхней жирной линии до пунктирной
линии изготовляют с резьбой до уса.
|
3. Резьба - по ГОСТ
24705-81, шаг резьбы - крупный. Сбег и недорез - по ГОСТ
27148-86. Концы болтов - по ГОСТ 12414-66.
(Измененная редакция, Изм. № 1,
2).
3а. Допуски и методы контроля
размеров и отклонений формы и расположения поверхностей - по ГОСТ
1759.1-82.
По согласованию между
изготовителем и потребителем допускается изготовлять болты с полем допуска
резьбы - 6е.
3б. Дефекты поверхности и методы
контроля - по ГОСТ
1759.2-82.
3а, 3б. (Введены
дополнительно, Изм. № 1).
4. Диаметр гладкой части стержня d1 примерно равен среднему диаметру
резьбы или равен номинальному диаметру резьбы.
5. Технические требования - по ГОСТ
1759.0-87.
Механические свойства болтов
должны соответствовать классам прочности 3.6, 4.6, 4.8, 5.6 и 5.8.
(Измененная редакция, Изм. № 1).
6. Допускается:
скругление вершины уса;
изготовлять болты М20 с углом a =
90° и диаметром D = 36 мм.
(Измененная редакция, Изм. № 2).
7. Теоретическая масса болтов
указана в справочном приложении.
ПРИЛОЖЕНИЕ
Справочное
|
Длина болта, l, мм
|
Теоретическая
масса болтов, кг, при номинальном диаметре резьбы d, мм
|
|
5
|
6
|
8
|
10
|
12
|
16
|
20
|
24
|
|
16
|
2,588
|
4,057
|
-
|
-
|
-
|
-
|
-
|
-
|
|
20
|
3,061
|
4,734
|
9,12
|
15,26
|
-
|
-
|
-
|
-
|
|
25
|
3,651
|
5,579
|
10,66
|
17,71
|
26,90
|
-
|
-
|
-
|
|
30
|
4,241
|
6,424
|
12,20
|
20,15
|
30,44
|
59,95
|
-
|
-
|
|
35
|
4,949
|
7,269
|
13,74
|
22,59
|
33,98
|
66,48
|
-
|
-
|
|
40
|
5,421
|
8,114
|
15,28
|
25,03
|
37,52
|
73,00
|
105,5
|
-
|
|
45
|
6,011
|
8,960
|
16,82
|
27,47
|
41,06
|
79,53
|
115,7
|
-
|
|
50
|
6,601
|
9,804
|
18,36
|
29,92
|
44,60
|
86,06
|
125,9
|
-
|
|
55
|
7,191
|
10,649
|
19,90
|
32,36
|
48,14
|
92,58
|
136,2
|
-
|
|
60
|
7,781
|
11,494
|
21,43
|
34,80
|
51,68
|
99,11
|
146,4
|
214,1
|
|
65
|
8,371
|
12,340
|
22,97
|
37,24
|
55,23
|
105,64
|
156,6
|
228,8
|
|
70
|
8,961
|
13,184
|
24,51
|
39,69
|
58,77
|
112,16
|
166,9
|
243,6
|
|
75
|
9,551
|
14,029
|
26,05
|
42,13
|
62,31
|
118,69
|
177,1
|
258,3
|
|
80
|
10,142
|
14,874
|
27,59
|
44,57
|
65,85
|
125,22
|
187,3
|
273,1
|
|
90
|
-
|
16,564
|
30,67
|
49,45
|
72,93
|
138,27
|
207,8
|
302,5
|
|
100
|
-
|
18,255
|
33,75
|
54,34
|
80,01
|
151,33
|
228,3
|
332,0
|
|
110
|
-
|
-
|
36,83
|
59,22
|
87,10
|
164,38
|
248,7
|
361,5
|
|
120
|
-
|
-
|
39,91
|
64,11
|
94,17
|
177,43
|
269,2
|
390,9
|
|
130
|
-
|
-
|
42,99
|
68,99
|
101,25
|
190,49
|
289,7
|
420,4
|
|
140
|
-
|
-
|
46,07
|
73,88
|
108,33
|
203,54
|
310,2
|
449,8
|
|
150
|
-
|
-
|
49,15
|
78,76
|
115,41
|
216,60
|
330,6
|
479,3
|
|
160
|
-
|
-
|
-
|
83,64
|
122,49
|
229,65
|
351,1
|
508,8
|
|
170
|
-
|
-
|
-
|
-
|
-
|
242,70
|
371,6
|
538,3
|
|
180
|
-
|
-
|
-
|
-
|
-
|
255,76
|
392,0
|
567,7
|
|
190
|
-
|
-
|
-
|
-
|
-
|
268,79
|
412,5
|
597,2
|
|
200
|
-
|
-
|
-
|
-
|
-
|
281,87
|
432,9
|
626,7
|
(Измененная редакция, Изм. № 1,
2).
| |
|