|
| |

ГОСУДАРСТВЕННЫЙ СТАНДАРТ СОЮЗА ССР
БОЛТЫ С ПОТАЙНОЙ
ГОЛОВКОЙ
И КВАДРАТНЫМ ПОДГОЛОВКОМ
КЛАССА ТОЧНОСТИ С
ГОСТ 7786-81
СТ СЭВ
2325-80
ГОСУДАРСТВЕННЫЙ КОМИТЕТ СССР ПО СТАНДАРТАМ
Москва
ГОСУДАРСТВЕННЫЙ
СТАНДАРТ СОЮЗА ССР
|
БОЛТЫ С ПОТАЙНОЙ ГОЛОВКОЙ
И КВАДРАТНЫМ ПОДГОЛОВКОМ
КЛАССА ТОЧНОСТИ С
Конструкция и размеры
Countersunk square shoulder bolts, product grade C.
Construction and dimensions
|
ГОСТ
7786-81*
(СТ
СЭВ 2325-80)
Взамен
ГОСТ 7786-72
|
Постановлением Государственного комитета
СССР по стандартам от 15 января 1981 г. № 2 срок введения установлен
с 01.01.82
Проверен в 1986 г. Постановлением
Госстандарта СССР от 23.06.86 № 1642 срок действия продлен
до 01.01.97
Несоблюдение стандарта
преследуется по закону
1. Настоящий стандарт
распространяется на болты с потайной головкой и квадратным подголовком с
номинальным диаметром резьбы от 5 до 20 мм.
Стандарт полностью соответствует
СТ СЭВ 2325-80.
(Измененная редакция, Изм. № 1).
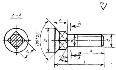
2. Конструкция и размеры болтов
должны соответствовать указанным на чертеже и в табл. 1 и 2.

Таблица 1
мм
|
Номинальный
диаметр резьбы d
|
5
|
6
|
8
|
10
|
12
|
16
|
20
|
|
Диаметр головки
D
|
9
|
11
|
14
|
18
|
23
|
28
|
35
|
|
Высота головки
и подголовка k (js
16)
|
4
|
5
|
6
|
8
|
10
|
12
|
15
|
|
Сторона
квадратного подголовка V
|
5
|
6
|
8
|
10
|
12
|
16
|
20
|
|
Длина резьбы b
|
Для l £ 120
|
16
|
18
|
22
|
26
|
30
|
38
|
46
|
|
Для l > 120
|
-
|
-
|
-
|
32
|
36
|
44
|
52
|
Пример
условного обозначения
болта с диаметром резьбы d = 12 мм, с крупным шагом резьбы с полем допуска 8g, длиной l = 60 мм, класса прочности 3.6, с цинковым покрытием, толщиной 6
мкм, нанесенным способом катодного восстановления, хроматированным:
Болт M12´60.36.016 ГОСТ 7786-81
Таблица 2
мм
|
Длина болта l
|
Номинальный диаметр резьбы d
|
|
5
|
6
|
8
|
10
|
12
|
16
|
20
|
|
20
|
|
-
|
-
|
-
|
-
|
-
|
-
|
|
25
|
|
|
|
|
-
|
-
|
-
|
|
30
|
|
|
|
|
|
-
|
-
|
|
35
|
|
|
|
|
|
-
|
-
|
|
40
|
|
|
|
|
|
|
-
|
|
45
|
|
|
|
|
|
|
-
|
|
50
|
|
|
|
|
|
|
|
|
55
|
|
|
|
|
|
|
|
|
60
|
|
|
|
|
|
|
|
|
65
|
|
|
|
|
|
|
|
|
70
|
|
|
|
|
|
|
|
|
75
|
|
|
|
|
|
|
|
|
80
|
|
|
|
|
|
|
|
|
90
|
-
|
|
|
|
|
|
|
|
100
|
-
|
-
|
|
|
|
|
|
|
110
|
-
|
-
|
-
|
|
|
|
|
|
120
|
-
|
-
|
-
|
|
|
|
|
|
130
|
-
|
-
|
-
|
|
|
|
|
|
140
|
-
|
-
|
-
|
|
|
|
|
|
150
|
-
|
-
|
-
|
|
|
|
|
|
160
|
-
|
-
|
-
|
-
|
|
|
|
|
170
|
-
|
-
|
-
|
-
|
|
|
|
|
180
|
-
|
-
|
-
|
-
|
|
|
|
|
190
|
-
|
-
|
-
|
-
|
|
|
|
|
200
|
-
|
-
|
-
|
-
|
|
|
|
|
Примечания.
1. Болты изготовляют с длинами, заключенными между
жирными линиями.
2. Болты в области от верхней жирной линии до пунктирной
линии изготовляют с резьбой до подголовка.
|
3. Резьба - по ГОСТ
24705-81, шаг резьбы - крупный. Сбег и недорез - по ГОСТ
27148-86. Концы болтов - по ГОСТ 12414-66.
2, 3. (Измененная редакция, Изм,
№ 1, 2).
3а. Допуски и методы контроля
размеров и отклонений формы и расположения поверхностей - по ГОСТ
1759.1-82.
По согласованию между
изготовителем и потребителем допускается изготовлять болты с полем допуска
резьбы 6е.
3б. Дефекты поверхности и методы
контроля - по ГОСТ
1759.2-82.
3а, 3б. (Введены
дополнительно, Изм. № 1).
4. Диаметр гладкой части стержня d1 примерно равен среднему диаметру
резьбы или номинальному диаметру резьбы.
5. Технические требования - по ГОСТ
1759.0-87. Механические свойства болтов должны соответствовать классам
прочности 3.6, 4.6, 4.8, 5.6, 5.8 и 8.8.
4, 5. (Измененная редакция,
Изм. № 1).
6. Теоретическая масса указана в
справочном приложении.
ПРИЛОЖЕНИЕ
Справочное
|
Длина болта, l, мм
|
Теоретическая
масса 1000 шт. болтов, кг, при номинальном диаметре резьбы d, мм
|
|
5
|
6
|
8
|
10
|
12
|
16
|
20
|
|
20
|
2,908
|
-
|
-
|
-
|
-
|
-
|
-
|
|
25
|
3,498
|
5,240
|
9,66
|
16,40
|
-
|
-
|
-
|
|
30
|
4,080
|
6,086
|
11,20
|
18,84
|
30,19
|
-
|
-
|
|
35
|
4,678
|
6,932
|
12,74
|
21,28
|
33,73
|
-
|
-
|
|
40
|
5,268
|
7,777
|
14,28
|
23,72
|
37,27
|
71,71
|
-
|
|
45
|
5,859
|
8,621
|
15,81
|
26,16
|
40,81
|
78,04
|
-
|
|
50
|
6,448
|
9,466
|
17,35
|
28,61
|
44,35
|
84,37
|
131,7
|
|
55
|
7,038
|
10,311
|
18,89
|
31,05
|
47,89
|
91,09
|
141,9
|
|
60
|
7,628
|
11,156
|
20,43
|
33,49
|
51,43
|
97,62
|
152,1
|
|
65
|
8,218
|
12,001
|
21,97
|
35,93
|
54,97
|
104,15
|
162,3
|
|
70
|
8,808
|
12,845
|
23,51
|
38,38
|
58,51
|
110,67
|
172,6
|
|
75
|
9,399
|
13,690
|
25,05
|
40,82
|
62,05
|
117,20
|
182,8
|
|
80
|
9,989
|
14,535
|
26,59
|
43,26
|
65,59
|
123,73
|
193,1
|
|
90
|
-
|
16,225
|
29,67
|
48,27
|
72,67
|
136,78
|
213,5
|
|
100
|
-
|
-
|
32,75
|
56,08
|
79,75
|
149,84
|
234,0
|
|
110
|
-
|
-
|
-
|
58,04
|
86,83
|
162,89
|
254,5
|
|
120
|
-
|
-
|
-
|
62,92
|
93,91
|
175,94
|
274,9
|
|
130
|
-
|
-
|
-
|
67,81
|
100,99
|
188,10
|
295,4
|
|
140
|
-
|
-
|
-
|
72,69
|
108,07
|
202,05
|
315,9
|
|
150
|
-
|
-
|
-
|
77,58
|
115,15
|
215,11
|
336,3
|
|
160
|
-
|
-
|
-
|
-
|
122,23
|
228,16
|
356,8
|
|
170
|
-
|
-
|
-
|
-
|
129,31
|
241,21
|
377,3
|
|
180
|
-
|
-
|
-
|
-
|
136,39
|
254,26
|
397,7
|
|
190
|
-
|
-
|
-
|
-
|
143,47
|
267,31
|
418,2
|
|
200
|
-
|
-
|
-
|
-
|
150,55
|
280,36
|
438,7
|
(Измененная редакция, Изм. № 1).
| |
|