|
| |

ГОСУДАРСТВЕННЫЙ СТАНДАРТ СОЮЗА ССР
БОЛТЫ С
УВЕЛИЧЕННОЙ ПОЛУКРУГЛОЙ ГОЛОВКОЙ
И КВАДРАТНЫМ ПОДГОЛОВКОМ
КЛАССА ТОЧНОСТИ С
ГОСТ 7802-81
СТ СЭВ
2323-80
ГОСУДАРСТВЕННЫЙ КОМИТЕТ СССР ПО СТАНДАРТАМ
Москва
ГОСУДАРСТВЕННЫЙ
СТАНДАРТ СОЮЗА ССР
|
БОЛТЫ С УВЕЛИЧЕННОЙ ПОЛУКРУГЛОЙ
ГОЛОВКОЙ
И КВАДРАТНЫМ ПОДГОЛОВКОМ
КЛАССА ТОЧНОСТИ С
Конструкция и размеры
Increased
cup head square shoulder bolts, product grade С.
Construction and dimensions
|
ГОСТ
7802-81*
(CT СЭВ 2323-80)
Взамен
ГОСТ 7802-72
|
Постановлением Государственного
комитета СССР по стандартам от 15 января 1981 г. № 2 срок введения установлен
с 01.01.82
Проверен в 1986 г. Постановлением
Госстандарта СССР от 23.06.86 № 1643 срок действия продлен
до
01.01.97
Несоблюдение стандарта преследуется
по закону
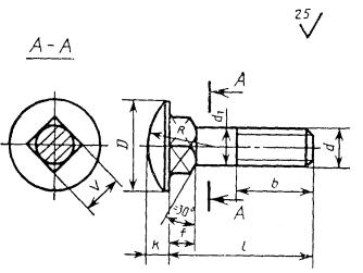
1. Настоящий стандарт
распространяется на болты с увеличенной полукруглой головкой и квадратным
подголовком класса точности С с номинальным диаметром резьбы от 5 до 24 мм.
2. Конструкция и размеры болтов
должны соответствовать указанным на чертеже и в табл. 1 и 2.

Таблица 1
мм
|
Номинальный
диаметр резьбы d
|
5
|
6
|
8
|
10
|
12
|
16
|
20
|
24
|
|
Диаметр головки
D
|
11
|
14
|
18
|
23
|
28
|
35
|
44
|
52
|
|
Высота головки k
|
2,5
|
3,0
|
4,0
|
5,0
|
6,0
|
8,0
|
10,0
|
12,0
|
|
Радиус сферы R »
|
8
|
11
|
14
|
18
|
22
|
26
|
32
|
39
|
|
Размер стороны
квадратного подголовка V
|
5
|
6
|
8
|
10
|
12
|
16
|
20
|
24
|
|
Высота
подголовка f, не менее
|
3
|
4
|
5
|
6
|
8
|
10
|
12
|
15
|
|
Длина резьбы b
|
Для l £ 120
|
16
|
18
|
22
|
26
|
30
|
38
|
46
|
54
|
|
Для l > 120
|
-
|
-
|
-
|
32
|
36
|
44
|
52
|
60
|
Пример условного обозначения болта
с диаметром резьбы d = 12 мм, с крупным шагом резьбы с
полем допуска 8g,
длиной l = 60 мм, класса прочности 3.6, с
цинковым покрытием толщиной 6 мкм, нанесенным способом катодного восстановления,
хроматированным:
Болт M12´60.36.016 ГОСТ 7802-81
Таблица
2
мм
|
Длина болта l
|
Номинальный
диаметр резьбы d
|
|
5
|
6
|
8
|
10
|
12
|
16
|
20
|
24
|
|
12
|
|
|
-
|
-
|
-
|
-
|
-
|
-
|
|
14
|
|
|
|
-
|
-
|
-
|
-
|
-
|
|
16
|
|
|
|
|
-
|
-
|
-
|
-
|
|
20
|
|
|
|
|
|
-
|
-
|
-
|
|
25
|
|
|
|
|
|
|
|
-
|
|
30
|
|
|
|
|
|
|
|
-
|
|
35
|
|
|
|
|
|
|
|
-
|
|
40
|
|
|
|
|
|
|
|
-
|
|
45
|
|
|
|
|
|
|
|
-
|
|
50
|
|
|
|
|
|
|
|
-
|
|
55
|
|
|
|
|
|
|
|
-
|
|
60
|
|
|
|
|
|
|
|
-
|
|
65
|
|
|
|
|
|
|
|
-
|
|
70
|
|
|
|
|
|
|
|
-
|
|
75
|
-
|
|
|
|
|
|
|
|
|
80
|
-
|
|
|
|
|
|
|
|
|
90
|
-
|
|
|
|
|
|
|
|
|
100
|
-
|
|
|
|
|
|
|
|
|
110
|
-
|
-
|
|
|
|
|
|
|
|
120
|
-
|
-
|
|
|
|
|
|
|
|
130
|
-
|
-
|
|
|
|
|
|
|
|
140
|
-
|
-
|
|
|
|
|
|
|
|
150
|
-
|
-
|
|
|
|
|
|
|
|
160
|
-
|
-
|
|
|
|
|
|
|
|
170
|
-
|
-
|
|
|
|
|
|
|
|
180
|
-
|
-
|
|
|
|
|
|
|
|
190
|
-
|
-
|
|
|
|
|
|
|
|
200
|
-
|
-
|
|
|
|
|
|
|
|
220
|
-
|
-
|
|
|
|
|
|
|
|
240
|
-
|
-
|
-
|
|
|
|
|
|
|
260
|
-
|
-
|
-
|
|
|
|
|
|
|
Примечания:
1. Болты
изготовляют с длинами, заключенными между жирными линиями.
2. Болты в
области от верхней жирной линии до пунктирной линии изготовляют с резьбой по
всей длине стержня.
|
3. Резьба - по ГОСТ
24705-81, шаг резьбы - крупный. Сбег и недорез резьбы - по ГОСТ 27148-88.
Концы болтов - по ГОСТ 12414-66.
2, 3. (Измененная редакция,
Изм. № 1, 2).
3а. Радиус под головкой - по ГОСТ
24670-81.
3б. Допуски и методы контроля
размеров и отклонений формы и расположения поверхностей - по ГОСТ
1759.1-82.
По согласованию между
изготовителем и потребителем допускается изготовлять болты с полем допуска
резьбы 6е.
3в. Дефекты поверхности и методы контроля - по ГОСТ
1759.2-82.
3а - 3в. (Введены
дополнительно, Изм. № 1).
4. Диаметр гладкой части стержня d1 примерно равен среднему диаметру
резьбы или номинальному диаметру резьбы.
5. Технические требования - по ГОСТ
1759.0-87.
Механические свойства болтов
должны соответствовать классам прочности 3.6, 4.6, 4.8, 5.6, 5.8, 8.8.
6. Теоретическая масса болтов
указана в справочном приложении.
ПРИЛОЖЕНИЕ
Справочное
|
Длина болта l, мм
|
Теоретическая масса
1000 шт. болтов, кг, при
номинальном диаметре резьбы d, мм
|
|
5
|
6
|
8
|
10
|
12
|
16
|
20
|
24
|
|
12
|
2,699
|
4,612
|
-
|
-
|
-
|
-
|
-
|
-
|
|
14
|
2,936
|
4,950
|
10,10
|
-
|
-
|
-
|
-
|
-
|
|
16
|
3,172
|
5,288
|
10,71
|
19,39
|
-
|
-
|
-
|
-
|
|
20
|
3,644
|
5,964
|
11,94
|
21,34
|
34,76
|
-
|
-
|
-
|
|
25
|
4,235
|
6,809
|
13,48
|
23,79
|
38,30
|
75,60
|
133,4
|
-
|
|
30
|
4,825
|
7,655
|
15,02
|
26,22
|
41,84
|
82,13
|
143,6
|
-
|
|
35
|
5,416
|
8,500
|
16,56
|
28,67
|
45,38
|
88,66
|
153,8
|
-
|
|
40
|
6,006
|
9,345
|
18,10
|
31,11
|
48,92
|
95,18
|
164,1
|
-
|
|
45
|
6,596
|
10,196
|
19,64
|
33,55
|
52,46
|
101,71
|
174,3
|
-
|
|
50
|
7,187
|
11,036
|
21,18
|
35,99
|
56,00
|
108,24
|
184,5
|
-
|
|
55
|
7,746
|
11,881
|
22,72
|
38,44
|
59,54
|
114,77
|
194,8
|
-
|
|
60
|
8,336
|
12,726
|
24,26
|
40,88
|
63,08
|
121,23
|
205,0
|
-
|
|
65
|
8,926
|
13,574
|
25,80
|
43,32
|
66,62
|
127,82
|
215,2
|
-
|
|
70
|
9,516
|
14,417
|
27,34
|
45,76
|
70,17
|
134,35
|
225,5
|
-
|
|
75
|
-
|
15,262
|
28,88
|
48,20
|
73,71
|
140,87
|
235,7
|
366,4
|
|
80
|
-
|
16,107
|
30,42
|
50,65
|
77,25
|
147,40
|
245,9
|
381,2
|
|
90
|
-
|
17,798
|
33,50
|
55,53
|
84,33
|
160,45
|
266,4
|
410,6
|
|
100
|
-
|
19,488
|
36,57
|
60,41
|
91,41
|
173,51
|
286,9
|
440,1
|
|
110
|
-
|
-
|
39,65
|
65,30
|
98,49
|
186,56
|
307,4
|
469,6
|
|
120
|
-
|
-
|
42,73
|
70,18
|
105,57
|
199,62
|
327,8
|
499,0
|
|
130
|
-
|
-
|
45,81
|
75,10
|
112,65
|
212,67
|
348,3
|
528,5
|
|
140
|
-
|
-
|
48,89
|
79,95
|
119,73
|
225,72
|
368,8
|
558,0
|
|
150
|
-
|
-
|
51,97
|
84,84
|
126,81
|
238,78
|
389,2
|
587,4
|
|
160
|
-
|
-
|
55,05
|
89,72
|
133,89
|
251,83
|
409,7
|
616,9
|
|
170
|
-
|
-
|
58,13
|
94,61
|
140,97
|
264,87
|
430,2
|
646,4
|
|
180
|
-
|
-
|
61,21
|
99,49
|
148,05
|
277,94
|
450,6
|
675,8
|
|
190
|
-
|
-
|
64,29
|
104,37
|
155,13
|
290,99
|
471,1
|
705,3
|
|
200
|
-
|
-
|
67,37
|
109,26
|
162,22
|
304,04
|
491,6
|
734,8
|
|
220
|
-
|
-
|
73,53
|
119,02
|
176,38
|
330,15
|
532,6
|
793,8
|
|
240
|
-
|
-
|
-
|
128,79
|
190,54
|
366,26
|
573,6
|
852,8
|
|
260
|
-
|
-
|
-
|
138,56
|
204,70
|
382,37
|
614,6
|
911,8
|
| |
|