//
ТехЛит.ру
- крупнейшая бесплатная электронная интернет библиотека для "технически умных" людей.
WWW.TEHLIT.RU - ТЕХНИЧЕСКАЯ ЛИТЕРАТУРА

:: Алготрейдинг::


АЛГОТРЕЙДИНГ
шаг за шагом
с нуля по урокам!

Торговые роботы на PYTHON, BackTrader,
Pandas, Pine Script для TradingView. Связка с брокерами, телеграм и легкими приложениями.


ГОСУДАРСТВЕННЫЙ КОМИТЕТ РОССИЙСКОЙ ФЕДЕРАЦИИ ПО ГОСУДАРСТВЕННЫМ РЕЗЕРВАМ

МИНИСТЕРСТВО ВНУТРЕННИХ ДЕЛ РОССИЙСКОЙ ФЕДЕРАЦИИ ГОСУДАРСТВЕННАЯ ПРОТИВОПОЖАРНАЯ СЛУЖБА

СВОД ПРАВИЛ

ПО ПРОЕКТИРОВАНИЮ СИСТЕМ ПРОТИВОПОЖАРНОЙ ЗАЩИТЫ РЕЗЕРВУАРНЫХ ПАРКОВ ГОСКОМРЕЗЕРВА РОССИИ

СП 21-104-98

Москва 1998г.

Разработаны        ВНИИПО МВД России

Внесены и подготовлены к согласованию и утверждению Госкомрезервом России

Согласованы Госстроем России письмо № 13-324 от " 1 " июня 1998 г.

Согласованы ГУГПС МВД России письмо № 1799 от " 28 " июля 1998 г.

Утверждены приказом Госкомрезерва России № 177 от «13» ноября 1998 г.

Введены в действие с 13.11.1998 г.

Вводятся впервые

Свод правил по проектированию систем противопожарной защиты резервуарных парков Госкомрезерва России - М:, 1998, 28 стр.

Свод правил содержит требования по проектированию систем противопожарной защиты наземных резервуаров вертикальных стальных (РВС) на объектах Госкомрезерва России и распространяется на проектируемые и реконструируемые объекты.

Настоящие правила не распространяются на:

резервуары с понтонами и плавающими крышами;

склады сжиженных углеводородных газов;

подземные хранилища нефтепродуктов, сооружаемые геотехнологическими и горными способами в непроницаемых для этих продуктов массивах горных пород, и ледогрунтовые хранилища для нефтепродуктов;

склады синтетических жирозаменителей;

подземные металлические и железобетонные резервуары.

С выходом настоящего Свода правил утрачивают силу «Указания на проектирование и эксплуатацию установки типа УППС для тушения пожаров нефтепродуктов в наземных резервуарах». М. : ЦНИИПО, 1968 г. - 35 с.

Свод правил предназначен для инженерно-технических работников, занятых проектированием и эксплуатацией установок пожаротушения в резервуарных парках Госкомрезерва России, и работников пожарной охраны.

Ил. 6, табл.7, прил.З.

Госкомрезерв России

Свод правил по проектированию

СП 21-104-98

 

Свод правил по проектированию систем противопожарной защиты резервуарных парков Госкомрезерва России

Вводятся впервые

1. Общие положения

1.1. СП 21-104-98 разработан в развитие, дополнение и уточнение требований СНиП 2.11.03-93 "Склады нефти и нефтепродуктов. Противопожарные нормы" с учетом специфики эксплуатации резервуарных парков на объектах Госкомрезерва России.

1.2. В соответствии со СНиП 10-01-94 "Система нормативных документов в строительстве. Основные положения" СПххх98 является ведомственным документом для проектирования, реконструкции и технического перевооружения систем пожаротушения в резервуарных парках на объектах Госкомрезерва России.

1.3. При проектировании систем пожаротушения для вновь возводимых и реконструируемых резервуарных парков требования, не оговоренные в СП 21-104-98, должны приниматься по другим действующим в России нормативным документам.

1.4. Для защиты резервуарных парков следует предусматривать системы пожаротушения пеной средней кратности, подаваемой на поверхность горючей жидкости, и пеной низкой кратности, подаваемой в слой нефтепродукта или на его поверхность.

1.5 Проектирование и реконструкцию систем пожаротушения следует осуществлять с учетом требований настоящего Свода правил… и СНиП 2.11.03-93 "Склады нефти и нефтепродуктов. Противопожарные нормы".

1.6. Резервуары номинальным объемом 5000 м и более следует оборудовать стационарными системами пенного пожаротушения с неавтоматическим пуском (ССПТ).

1.7. Резервуары номинальным объемом 5000 м и более, используемые для оказания услуг сторонним организациям, должны оборудоваться системами автоматического пожаротушения в соответствии с требованиями СНиП 2.11.03-93 "Склады нефти и нефтепродуктов. Противопожарные нормы".

1.8. Для наземных резервуаров номинальным объемом менее 5000 м3 допускается предусматривать системы пенного пожаротушения с использованием передвижной пожарной техники (СПТ).

2. Требования к системам пенного пожаротушения наземных вертикальных стальных резервуаров

2.1. Для вертикальных стальных резервуаров (РВС) со стационарной крышей следует применять стационарные системы пожаротушения (ССПТ) и системы пожаротушения от передвижной техники (СПТ).

2.2. Стационарная система пожаротушения с неавтоматическим пуском (ССПТ) состоит из насосной станции, резервуаров для воды и пенообразователя, высоконапорных пеногенераторов для получения пены низкой кратности, задвижек с дистанционным приводом, обратного клапана (при проектировании подслойной системы), дозирующей аппаратуры, трубопроводов для подачи раствора пенообразователя к генераторам пены, пенопроводов для ввода пены в резервуар и средств автоматизации.

Задвижка ССПТ у стенки резервуара ("коренная") должна быть оборудована дистанционным приводом.

Допускается "коренную" задвижку по согласованию с территориальными подразделениями пожарной охраны выполнять с ручным приводом. В этом случае она должна быть в открытом состоянии.

Принципиальная схема ССПТ представлена на рис. 1 (приложение 1).

2.3. Система пожаротушения СТП с использованием от передвижной пожарной техники для подачи пены в резервуары состоит из пенопровода, выведенного за обвалование и оборудованного соединительными головками для подключения пожарных рукавов, обратного клапана (при проектировании подслойной системы), высоко напорного пеногенератора, задвижек. Принципиальная схема СПТ представлена на рис. 2 (приложение I).

2.4. Тушение резервуаров, предназначенных для хранения вязких нефтепродуктов (масла, мазуты), с номинальным объемом 3000 м3 и менее, предусматривается от передвижной пожарной техники.

2.5. Элементы установок УППС-23 и УППС-46, смонтированные на эксплуатируемых резервуарах со светлыми нефтепродуктами объемом 5000 м3 и более, допускается использовать при проектировании ССПТ с подачей пены низкой кратности под слой нефтепродукта.

Узел открытия клапана и сам клапан необходимо демонтировать. Принципиальная схема подачи пены в резервуар, оснащенный стационарной частью УППС приведена на рис. 3 (приложение 1).

2.6. Расчетная площадь тушения пожара в наземных резервуарах со стационарной крышей принимается равной площади горизонтального сечения резервуара.

2.7. Нормативная интенсивность подачи раствора пенообразователя при тушении нефтепродуктов пеной средней или низкой кратности принимается по табл. 1. и табл.2.

Таблица 1

Нормативные интенсивности подачи пены средней кратности для тушения пожаров в резервуарах

Вид нефтепродукта

Нормативная интенсивность подачи раствора

пенообразователя, л м-2 с-1

 

Форэтол, Универсальный, Подслойный

ПО-ЗАИ, ТЭАС.ПО-ЗНП, ПО-6ТС6, ПО-6НП

Нефтепродукты с Тдсп 28°С и ниже

0,05

0,08

Нефтепродукты с Твсп более 28°С

0,05

0,05

Таблица 2

Нормативная интенсивность подачи пены низкой кратности для тушения пожаров нефтепродуктов в резервуарах

Вид нефтепродукта

Нормативная интенсивность подачи раствора пенообразователя,

 л м-2 с-1.

 

Фторсинтетические пенообразователи Форэтол, Подслойный Универсальный

Фторсинтетические пенообразователи

РС-206 Гидрал

Фторпротеиновые пенообразователи Петрофилм

 

на

поверхность

в слой

на поверхность

В слой

на поверхность

в слой

1. Бензин

0,08

0,12

0.08

0,10

0,08

0,10

2 Нефть и нефтепродукты с Твсп 28°С и ниже

0,08

0,10

0.08

0.10

0,08

0.10

3 Нефть и нефтепродукты с Твсп более 28°С

0,06

0,08

0,05

0,08

0,06

0,08

2.8. Расчетное время тушения нефтепродуктов в резервуарах пеной с помощью ССПТ и СПТ (при подаче пены в слой продукта) составляет 10 минут.

При использовании СПТ с подачей пены средней или низкой кратности на поверхность горючей жидкости, а также при подаче пены с помощью мониторов или пеноподъемников расчетное время тушения следует принимать 15 минут.

2.9. Расчетное время продолжительности охлаждения наземных резервуаров (горящего и соседних с ним) следует принимать;

при тушении с помощью ССПТ - 4 часа;

при тушении с помощью СПТ - 6 часов.

2.10. При проектировании систем пожаротушения следует применять оборудование и устройства, серийно выпускаемые промышленностью или прошедшие межведомственные испытания и подтвержденные соответствующими актами.

Применение импортного оборудования должно подтверждаться сертификатами соответствия и пожарной безопасности.

3. Насосная пожаротушения

3.1. Насосную пожаротушения следует проектировать общей для всего склада нефтепродуктов.

Насосная пожаротушения включает в себя: насосы для подачи раствора пенообразователя и воды на пожаротушение, емкости с пенообразователем, дозирующие устройства, пусковые устройства электродвигателей, щит управления. Насосы для подачи воды могут быть размещены в других помещениях.

3.2. Насосные станции пожаротушения следует:

относить к 1 категории надежности действия в соответствии с п.2.57 СНиП 2.04.09-84;

обеспечивать бесперебойное питание электроэнергией от двух независимых источников;

размещать в отдельном здании или в самостоятельном отдельном помещении, отделенном от смежных помещений глухими несгораемыми стенами и перекрытием с пределом огнестойкости не менее 1,5 часа с непосредственным выходом наружу;

оборудовать световым табло "станция пожаротушения", которое располагается на входной двери.

Надежность работы насосной пенотушения может быть обеспечена технологическим резервированием (установкой резервных пожарных насосов с автономным дизельным приводом). При этом для питания средств автоматики и сигнализации рекомендуется предусматривать дизельную электростанцию соответствующей мощности.

3.3. Категория помещений насосных пожаротушения по взрывопожароопасности принимается по НПБ 105-95.

3.4. Пуск насосов основного водопитателя и насосов-дозаторов для приготовления раствора пенообразователя должен производиться дистанционно из диспетчерской караульного помещения ведомственной военизированной охраны (ВВО) и местным включением (из здания насосной).

3.5. С целью повышения надежности работы насосы, как правило, должны находиться под заливом. В случае, когда установка насосов под заливом невозможна или сопряжена со значительными трудностями, допускается применять вакуум-насосы. При этом должно быть предусмотрено автоматическое включение и выключение вакуум-насосов.

3.6. Для сухотрубных систем с электрозадвижками на нагнетательных трубопроводах, на щите управления насосной следует предусматривать устройства, обеспечивающие автоматическое открытие указанных задвижек после завершения запуска электродвигателя основного или резервного насоса, а также их закрытие, когда ни один из насосов не работает.

3.7. Принципиальные схемы оборудования пожарных насосных с подачей пенообразователя в напорную и во всасывающую линии водяных насосов приведены на рис.4 и рис.5 (приложение 1).

4. Требования к дозировке и хранению пенообразователя

4.1. При проектировании систем пожаротушения с применением пены низкой кратности следует применять отечественные пенообразователи типа "Форэтол", "Универсальный" или зарубежные, прошедшие сертификацию. По условиям их использования и хранения должны быть разработаны рекомендации, согласованные и утвержденные в установленном порядке.

Основные характеристики некоторых фторсодержащих пенообразователей приведены в приложение 2.

4.2. Хранение фторированных пенообразователей для ССПТ (СПТ) следует предусматривать в концентрированном виде в соответствии с действующими техническими условиями на пенообразователи.

4.3. Вода для приготовления раствора пенообразователя не должна содержать примесей нефти и нефтепродуктов.

Для получения раствора из отечественных пенообразователей запрещается использовать воду с жесткостью более 30 мг-экв/л.

4.4. Запас пенообразователя и воды на приготовление раствора пенообразователя для ССПТ следует принимать из условия обеспечения трехкратного запаса на один пожар (считая по наибольшему расходу на один резервуар) с учетом заполнения растворопроводов.

На объекте должен быть 100% резерв пенообразователя, который может использоваться для передвижной пожарной техники. Допускается отдельное хранение резерва пенообразователя от основного запаса.

Расчетные запасы пенообразователя и воды на его приготовление для ССП представлены в табл. 1-3 приложения 3.

4.5. Резервуары с пенообразователем для передвижной пожарной техники, как правило, следует устанавливать в помещении. Допускается установка этих резервуаров вне помещения с автомобильными подъездами при условии поддержания в них температур, соответствующих техническим условиям хранения пенообразователей.

Резервуары с пенообразователем следует оборудовать устройствами для заправки пожарной техники. Время заправки пожарной техники не должно превышать 5 минут.

4.6. Автоматическое дозирование пенообразователя в напорную или во всасывающую линии следует осуществлять насосами-дозаторами.

4.7. Количество и тип дозирующих устройств следует выбирать в зависимости от выбранной схемы включения, конструктивного исполнения и их технических характеристик.

4.8. Линия подачи пенообразователя от бака к трубопроводу должна иметь возможно наименьшую протяженность и минимальное число изгибов.

Трубопровод от емкости с фторированным пенообразователем до запорного вентиля должен применяться из нержавеющей стали.

Для надежности работы системы дозирования предусматривается технологическое резервирование (установка резервного насоса-дозатора).

4.9. Дозировка пенообразователя осуществляется в смесительную камеру, устанавливаемую на линии подачи воды. Пенообразователь в смесительную камеру необходимо подавать под давлением, превышающим давление воды не менее, чем на 0,05 МПа.

4.10. При защите резервуаров, требующих различного количества раствора пенообразователя, напорная линия насосов-дозаторов разветвляется по количеству разных значений требуемых расходов и на каждом ответвлении устанавливается расходная (калибровочная) шайба и вентиль с электроприводом перед ней. После расходной шайбы необходима установка обратного клапана (рис,4 и рис.5, приложение 1).

4.11. Дозирование пенообразователя, подаваемого во всасывающую линию, предусматривается с помощью регулировочных клапанов или расходных шайб. Диаметры отверстий расходных шайб расчитываются, исходя из обеспечения необходимой концентрации при заданном расходе пенообразователя. Диаметры отверстий расходных шайб приведены в табл.4 приложения 3.

5. Пожарная сигнализация и автоматизация установок

5.1. Пожарной сигнализацией следует оборудовать резервуары номинальным объемом 5000 м3 и более.

5.2. Приемно-контролъные приборы пожарной сигнализации устанавливаются в помещении с круглосуточным пребыванием людей (диспетчерская караульного помещения ВВО).

В случае отсутствия круглосуточного контроля за работой пожарной сигнализации необходимо предусматривать автоматический пуск системы пожаротушения.

5.3. При выборе датчиков следует учитывать недопустимость их ложного срабатывания при воздействии окружающей среды: температуры, влажности, давления, электромагнитных полей, прямых и отраженных солнечных лучей, электрического освещения, запыленности, химического воздействия.

5.4. Тепловые извещатели должны выбираться и устанавливаться с учетом требований СНиП 2.04.09-84. Допускается использовать датчики инфракрасного излучения или световые. Установку датчиков следует осуществлять, исходя из их технической характеристики и конструктивной особенности защищаемого объекта.

5.5. Дистанционный запуск ССПТ осуществляется дежурным диспетчером при поступлении сигнала, как минимум, от 2-х датчиков пожарной сигнализации, установленных на резервуаре на разных шлейфах. При поступлении сигнала о пожаре от одного и более датчиков на пульте управления должна загораться соответствующая цифровая индикация, указывающая место установки датчика (датчиков), и подаваться звуковой сигнал.

5.6. Система управления пенотушением должна быть оснащена устройствами:

дистанционного (из диспетчерской караульного помещения ВВО), и местного (из здания насосной) включения насосов подачи раствора пенообразователя;

автоматизации залива пожарных насосов;

автоматического дозирования количества пенообразователя;

автоматического и дистанционного открытия электроприводных запорных устройств в системе подачи раствора пенообразователя к защищаемому объекту и запорных устройств в системе подачи воды;

автоматической световой и звуковой сигнализации о возникновении пожара;

сигнализации предельных уровней в резервуаре с пенообразователем.

5.7. Схемы управления насосами и запорными устройствами в ССПТ должны предусматривать возможность автоматического, дистанционного и местного управления.

5.8. На щите управления насосной пожаротушения следует предусматривать:

устройства управления насосами воды и насосами-дозаторами; переключатели способов управления каждым насосом на положения: местное управление из основного водопитателя, отключен, дистанционное управление в режиме основного, дистанционное управление в режиме резервного;

отключение насоса местной кнопкой "Стоп" при любом положении переключателя способов управления;

устройства дистанционного включения резервных насосов;

сигнальные указатели неисправности каждого из насосов, недопустимого снижения уровня в резервуаре с пенообразователем и в резервуаре запаса воды (селективно), недопустимого снижения давления в сети водопровода, наличия напряжения в щите управления, отсутствия напряжения на вводах системы электроснабжения.

5.9. Схема звуковой сигнализации должна предусматривать возможность отмены звукового сигнала дежурным и повторного включения его при появлении другой аварийной ситуации, а также возможность его проверки.

5.10. Сети электропитания и автоматики должны выполняться в соответствии с действующими Правилами устройства электроустановок.

6. Наружные сети и сооружения ССПТ и СПТ. Пеногенерирующая аппаратура.

6.1. Трубопроводы ССПТ для подачи раствора пенообразователя следует предусматривать в виде сухотрубов.

6.2. Трубопроводы ССПТ следует проектировать с подземной или наружной прокладкой.

6.3. При подземной прокладке сухотрубы ССПТ должны быть уложены на глубину не менее 0,5 м ниже глубины промерзания грунта.

При наружной прокладке сухотрубов должны быть обеспечены мероприятиями по незамерзанию в них раствора пенообразователя.

Возможность применения сухотрубной системы должна подтверждаться расчетами на незамерзание раствора пенообразователя.

6.4. В зимний период при низких температурах наружного воздуха во избежание замерзания раствора в сухотрубах в момент пуска ССПТ необходимо обеспечить их быстрый нагрев выше 0°С. Это может быть достигнуто с помощью различных технических решений:

применения «теплоспутника» в головной части потока воды (раствора пенообразователя) при заполнении сухотрубов;

прокладки с трубопроводами систем пожаротушения и охлаждения по всему кольцу теплообменников с горячей водой или паром;

обогрева сухотрубов ССПТ и системы охлаждения с помощью электрических ленточных обогревателей.

Допускается применять и другие технические решения.

6.5. Для более быстрого и полного опорожнения трубопроводов от раствора пенообразователя и воды, после срабатывания или испытания во избежание размораживания системы ССПТ на сухотрубах необходимо устанавливать краны для возможности подсоединения передвижного воздушного компрессора, подающего нагретый воздух.

6.6. Ввод пены в слой горючей жидкости следует выполнять, как правило, через нижний пояс боковых стенок резервуара на отметке выше возможного уровня подтоварной воды. Узлы ввода пены (насадки) должны располагаться равномерно по периметру резервуара. Насадка пеноввода, задвижка и пенопроводы должны опираться на опоры, не передавая нагрузку на стенку резервуара.

6.7. На эксплуатируемых резервуарах, оборудованных установками УППС (ПС-УЮТС-46.02.00), допускается не предусматривать дополнительных врезок для систем подслойного тушения, если на резервуарах номинальным объемом 5000 м3 и 10000 м3 уже предусмотрено соответственно не менее 2-х и 3-х вводов пены низкой кратности. При этом с наружной стороны резервуара на пенопроводе необходимо предусматривать монтажную вставку длиной 1,5 - 2,0 метра (рис.3, приложение 1).

Количество вводов пены низкой кратности в резервуары, не оборудованные установками УППС, должно быть;

РВС - 5000 м3 - не менее 2-х;

РВС - 10000 м3 - не менее 3-х,

РВС - 20000 м3 - не менее 4-х;

6.8. Подключение пенопроводов ССПТ к стационарным частям установок УППС на эксплуатируемых резервуарах и монтаж оборудования следует производить в строгом соответствии с технологическим регламентом при проведении планового профилактического обслуживания резервуаров.

6.9. Выбор диаметров пенопроводов следует осуществлять, исходя из условия обеспечения достаточного напора пены на вводе в резервуар с учетом потерь напора на местные сопротивления обратного клапана и задвижек, изменение проходного сечения и направления пенопровода, линейных потерь пенопровода при транспортировке пены, уровня взлива нефтепродуктов в резервуаре и т.д.

6.10. Высота установки пеногенераторов определяется удобством обслуживания.

6.11. Пеногенераторы должны быть защищены от попадания песка и атмосферных осадков.

6.12. В зимний период необходимо предусмотреть мероприятия по предотвращению попадания подтоварной воды в пенопроводы ССП (СП).

6.13. Для снижения потерь напора на местные сопротивления в русле движения пены следует избегать резких поворотов, изменения профиля трубопроводов, острых кромок. При необходимости угол поворота должен быть плавным и не менее 90°.

6.14. Напор у пеногенераторов следует принимать расчетом в зависимости от вязкости нефтепродукта, длины пенопровода, уровня взлива, коэффициента преобразования давления с учетом НПБ 61-97 «Пожарная техника. Установки пенного пожаротушения. Генераторы пены низкой кратности для подслоиного тушения резервуаров. Общие технические требования».

Определение расчетных расходов средств тушения для резервуаров типа РВС следует осуществлять в соответствии с приложением 3.

6.15. Оконечный участок узла ввода пенопровода вновь проектируемой системы пожаротушения следует выполнять в виде Т- образного соединения с одинаковым внутренним диаметром (рис. 1 приложение 1).

6.16. При подаче пены на поверхность нефтепродукта необходимо обеспечить направление движения пены в соответствии с вариантом 1 или вариантом 2 (рис.6 приложение 1).

Пенные насадки для подачи в верхний пояс резервуара представлены на рис. 6 (приложение 1).

6.17. На растворопроводах ССПТ перед пеногенераторами следует предусматривать отводы с задвижками и соединительными головками для подключения передвижной пожарной техники. В дежурном режиме работы вводы должны быть закрыты заглушками и опломбированы.

6.18. В пенопроводах ССПТ и СПТ, расположенных в обваловании, следует предусматривать фланцевые соединения с негорючими прокладками.

6.19. "Коренные" задвижки систем подслойного пожаротушения, устанавливаемые у резервуара, и обратные клапаны должны иметь стальной корпус. По степени герметичности " коренные " задвижки должны быть 1-го класса.

6.20. В местах присоединения подводящих трубопроводов к общей сети после запорных устройств следует предусматривать спускные краны для проверки

герметичности запорных устройств и опорожнения подводящих трубопроводов в зимнее время.

6.21. Перед "коренной" задвижкой необходимо предусматривать сливной патрубок с заглушкой для промывки водой пеногенераторов и сухотрубов после срабатывания ССПТ.

6.22. Сухотрубы должны прокладываться с уклоном не менее 0,001 к дренажному устройству. При плоском рельефе местности уклон допускается уменьшить до 0,0005.

6.23. Разделительные задвижки на кольцевом растворопроводе следует устанавливать таким образом, чтобы при отключении любого участка сохранялась возможность подачи пены ко всем защищаемым объектам по одному или по двум сухотрубам (вводам к защищаемым объектам).

6.24. Сварка трубопроводов, их прокладка, крепление на опорах и опрессовка проводятся по нормативно-технической документации проектных организаций.

При сварке трубопроводов подачи раствора к пеногенераторам ГНП и пенопроводов к резервуарам необходимо обеспечить положение запорно-регулирующей арматуры соответственно техническим требованиям их работы (обратный клапан на пенопроводе должен стоять горизонтально, крышкой вверх).

Соответствующие требования достигаются необходимой ориентировкой фланцев перед их сваркой с трубопроводами.

6.25. Резервуары для хранения воды, предназначенные для пожаротушения и охлаждения наземных резервуаров, могут предусматриваться железобетонными или металлическими, как подземными, так и наземными.

Резервуары для хранения воды должны быть оборудованы устройствами для забора воды передвижной пожарной техникой.

6.26. При хранении воды в наземных резервуарах, в зависимости от климатических условий, необходимо предусматривать мероприятия против замерзания воды.

6.27. Запрещается совместное хранение воды для питьевых нужд и воды для приготовления раствора пенообразователя.

6.28. Резервуары для воды, пенообразователя следует оборудовать датчиками сигнализации:

верхний уровень (резервуар полон);

аварийный уровень (в результате утечек остался нормативный объем и необходимо пополнение резервуара);

нижний уровень (резервуар пуст, требуется отключить пожарный насос).

7. Пожарная техника и пожарно-техническое вооружение

7.1. При определении численности личного состава и технической оснащенности ведомственной пожарной охраны на объекте следует руководствоваться НПБ 201 - 96 "Пожарная охрана предприятий. Общие требования". Пожарная техника и оборудование должны содержаться в отапливаемых помещениях.

7.2. Для тушения пожаров в резервуарах на каждой нефтебазе целесообразно иметь пенные мониторы, обеспечивающие подачу расчетного расхода пенных средств из-за обвалования в резервуар.

ПРИЛОЖЕНИЕ 1

(РЕКОМЕНДУЕМОЕ)

Принципиальные технологические схемы систем пожаротушения и отдельных их узлов

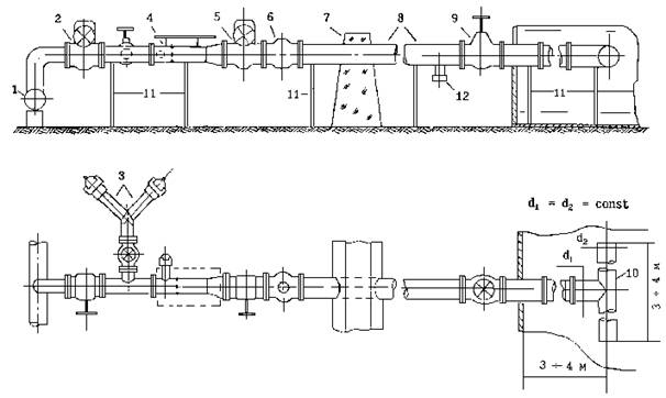
Рис. 1. Принципиальная схема стационарной системы подслойного тушения пожаров горючих жидкостей в резервуарах (ССПТ)

1 - сухотруб ССПТ; 2, 5 - электрозадвижки; 3 - разветвление для подключения передвижной пожарной техники; 4 - высоконапорный генератор пены со смесителем-дозатором и защитным кожухом; 6 - обратный клапан; 7 - обвалование; 8 - пенопровод; 9-задвижка; 10 - пенослив; 11 - опоры; 12 - сливной патрубок.

Рис.12. Принципиальная схема тушения пожаров с горючих жидкостей в резервуарах подслойным способом от передвижной пожарной техники.

1 - разветвление для подключения передвижной пожарной техники; 2 - высоко-напорный генератор пены со смесителем-дозатором и защитным кожухом; 3, 8 -задвижки; 4 - обратный клапан; 5 - обвалование; 6 - пенопровод; 7 - монтажная вставка; 9- пенослив; 10 - опоры; 11 - сливной патрубок.

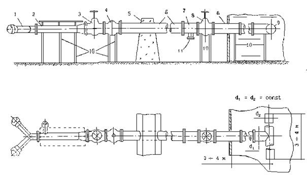
Рис. 3. Принципиальная схема подачи пены в резервуар оснащенный УППС

1 - сухотруб ССПТ; 2 - электрозадвижки; 3 - разветвление для подключения передвижной пожарной техники 4 - высоконапорный генератор пены со смесителем-дозатором и защитным кожухом; 5 - обратный клапан; 6 - обвалование; 7 - пенопровод; 8 - корневая задвижка; 9 - заглушка.

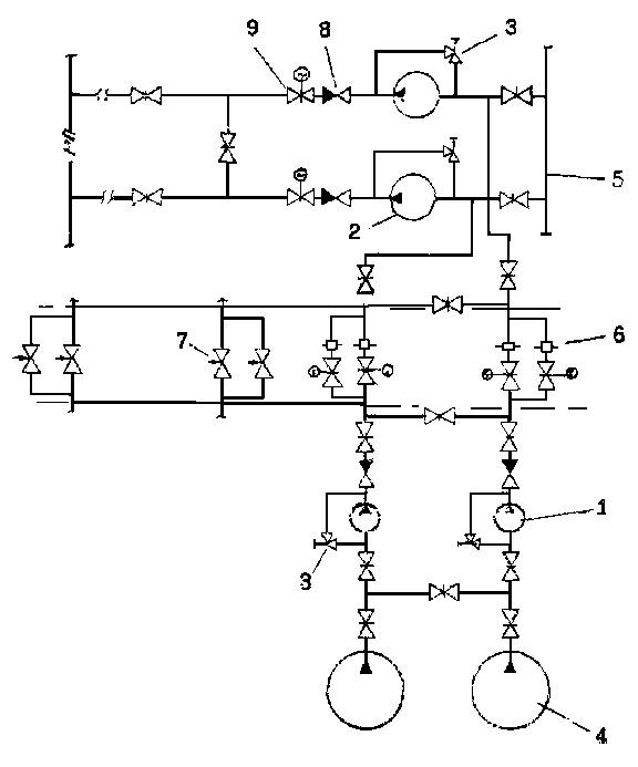
Рис. 4 Принципиальная схема пожарной насосной с подачей пенообразователя (ПО) в напорную линию водяных насосов.

1 - насос для подачи ПО; 2 - насос для подачи воды; 3-предохранительный клапан; 4 - емкость для ПО; 5 - линия подачи воды (от водопитателя); 6 - дозировочные шайбы на расходы Q1. и Q2; 7 - регулируемые клапаны на расходы Q1. и Q2; 8 - обратный клапан; 9 - задвижка с электроприводом.

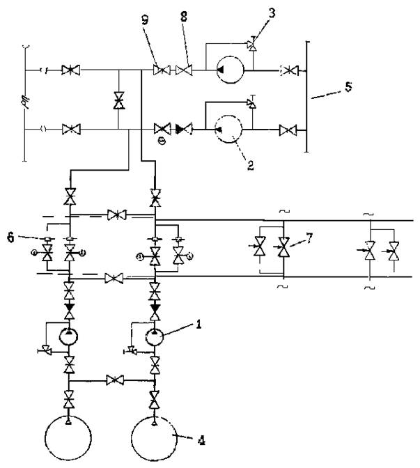
Рис. 5. Принципиальная схема пожарной насосной с подачей пенообразователя (ПС) во всасывающую линию водяных насосов.

1 - насос для подали ПО; 2 - насос для подачи воды; 3 - предохранительный клапан; 4 - емкость для ПО; 5 - линия подачи воды (от водопитателя); 6 - дозировочные шайбы на расходы Q1. и Q2 ; 7 - регулируемые клапаны на расходы Q1. и Q2 ; 8 - обратный клапан; 9 - задвижка с электроприводом.

а) резервуары со стационарной крышей

Вариант 1

А

б) резервуары с понтоном

А

Рис 6. Пенные насадки для подачи пены низкой кратности и верхний пояс резервуара.

ПРИЛОЖЕНИЕ 2

(РЕКОМЕНДУЕМОЕ)

Технические характеристики некоторых пенообразователей

Показатели

ПО-6НП

ПО-ЗАИ

ПО-ЗНП

ТЭАС

ПО-6ТС

Форэтол

Универсальный

РС-203 РС-206

"Петро­филм"

Плотность при 200С, кг*м-3, не менее

1,01-1,1 103

1,02-103

1,1-103

1,0 103

1.0-1.2 103

1.1-103

1,3-103

1,03-103

1,13-103

Кинематическая вязкость при 200С, мм-2 *с-1, не более

30

10

20

40

40

50

10

24

52,1

Температура застывания, °С, не выше минус

8

3

3

8

3

5

10

-20

-40

Температура хранения,°С

+5 - +40

+5-+40

+5 -+40

+5-+40

+5-+40

-2 -+25

-5-+25

-15+25

-15-+25

Водородный показатель, рН

7,0-10,0

8,0-10,0

7.5-10,5

7,0-9,0

7.8-10,0

5,5-7,0

6.5-9.0

8.0

7,2

Концентрация рабочего раствора, % об

6

3

6

6

6

10

10

3 или 6

3 или 6

Гарантийный срок хранения, не менее, лет

1.5

4

-

2,5

1,0

3.0

1,0

более 10 лет

более 10 лет

Биоразлага­емость

б/м

б/м

б/м

б/м

б/м

б/ж

б/ж

б/ж

б/м

ПРИЛОЖЕНИЕ 3

(РЕКОМЕНДУЕМОЕ)

Расчетные расходы средств тушения в резервуарах типа РВС

Таблица 1

Определение расчетного расхода раствора пенообразователя, типа и количества ГНП для тушения пожаров в резервуарах пеной низкой кратности

Тип резервуара

Площадь зеркала горючего, м2

Расчетный расход раствора ПО, л(с м2). Тип и количество ГНП, шт

 

 

Интенсивность подачи раствора ПО, л(с м2)

 

 

0,05-0,06

0,08

0,1

0,12

РВС-1000

120

12

1 ГНП-12

12

1ГНП-12

12

1ГНП-12

24

2ГНП-12

РВС-2000

181

12

1ГНП-12

24

2ГНП-12

24

2ГНП-12

24

2ГНП-12

РВС-3000

283

24

2ГНП-12

24

2ГНП-12

36

ЗГНП-12

36

ЗГНП-12

РВС-5000

344

24

2ГНП-12

36

2ГНП-23

36

2ГНП-23

46

2ГНП-23

РВС-5000

408

24 2ГНП-12

36

2ГНП-23

46

2ГНП-23

46

2ГНП-23

РВС-10000

637

46

ЗГНП-23

58

ЗГНП-23

69

ЗГНП-23

92

1ГНП-46

2ГНП-23

РВС-10000

918

58

ЗГНП-23

92

1 ГНП-46

2 ГНП-23

92

1 ГНП-46

2 ГНП-23

115

2 ГНП-46

1 ГНП-23

РВС-20000

1250

92

4ГНП-23

104

3 ГНП-23

1 ГНП-46

138

2 ГНП-46

2 ГНП-23

150

3 ГНП-46

1 ГНП-23

РВС-20000

1632

104

3 ГНП-23

1ГНП-46

138

2 ГНП-46

2 ГНП-23

184

4 ГНП-46

196

4 ГНП-46

1ГНП-12

Примечание: В числителе дроби приводится расчетный расход раствора пенообразователя, а в знаменателе тип и количество ГНП при расчетном времени тушения пожара.

Таблица 2

Определение требуемого расхода, запаса пенообразователя и воды на приготовление раствора в зависимости от расчетного расхода раствора и концентрации пенообразователя (3%, 6%)

 

Расход

Расчетные расходы ПО (Qпо). воды (Qн2о), запаса ПО (Wпо) и запаса воды (2о) с учетом расчетного времени тушения

пеногенера-

Концентрация пенообразователя в растворе, %

торов по

3%

6%

раствору, л/с

12,0

24.0

36,0

46.0

58,0

69,0

92.0

104,0

115,0

138,0

150.0

184,0

196,0

230.0

Примечание: В числителе дроби приводится расчетный расход и запас пенообразователя, а в знаменателе расчетный расход и запас воды при расчетном времени тушения пожара.

Таблица 3

Определение расчетных расходов средств пожаротушения и нормативного запаса ПО по заполнению растворопроводов на 100 метров длины

Диаметр

Запасы раствора пенообразователя (Wр-р по), пенообразователя (Wпо) и воды (Wн2o)

трубопровода,

Wр-р по, л

Концентрация пенообразователя в растворе, %

мм

 

3%

6%

 

 

Wпо, л

Wн2o, л

Wпо, л

Wн2o, л

100

786

23,6

762,5

47,2

738,8

150

1767

53,1

1714,0

106,0

1661,0

200

3142

94,3

3047,8

188,5

2953,5

250

4909

147,3

4761,8

294,5

4614,5

300

7069

212,1

6857,0

424.0

6645,0

Таблица 4

Диаметр отверстия расходной шайбы смесителя-дозатора для получения раствора необходимой концентрации

Расход раствора пенообразователя, лс

Диаметр отверстия расходной шайбы (мм) при концентрации пенообразователя в растворе

 

3%

6%

12

4,1+0,1

6,0+0.1

23

5,6+0,1

8,0+0,1

36

7,1+0,1

10,0+0,1

46

8,0+0,1

11,0+0,1

69

9,8+0.1

13,5+0,1

92

11,3+0,1

16,0+0,1

Разработаны: ВНИИПО МВД РФ

                          Начальник института: Д.И.Юрченко

                          Руководитель работы: Начальник отдела, к.т.н. И.Ф.Безродный

                          Ответственные исполнители:

                          Зам. начальника отдела - к.т.п. В.А.Меркулов

                          Ст. науч. сотр.- В.А.Колганов

                          Исполнители:

                          Вед. науч. сотр.- к.т.и. А.В. Шариков

                          Науч.сотр.- С.М. Ильин

Согласованы: Госстроем России - письмо от 01.06.98 № 13-324

                          ГУГПС МВД РФ - письмо от 28.07.98 № 1799




Яндекс цитирования



   Copyright © 2007-2026,  www.tehlit.ru.

[ ѓосты, стандарты, нормативы, инструкции, правила, строительные нормы ]