//
ТехЛит.ру
- крупнейшая бесплатная электронная интернет библиотека для "технически умных" людей.
WWW.TEHLIT.RU - ТЕХНИЧЕСКАЯ ЛИТЕРАТУРА

:: Алготрейдинг::


АЛГОТРЕЙДИНГ
шаг за шагом
с нуля по урокам!

Торговые роботы на PYTHON, BackTrader,
Pandas, Pine Script для TradingView. Связка с брокерами, телеграм и легкими приложениями.


ГОСУДАРСТВЕННЫЙ СТАНДАРТ СОЮЗА ССР

ЕДИНАЯ СИСТЕМА КОНСТРУКТОРСКОЙ ДОКУМЕНТАЦИИ

ОБОЗНАЧЕНИЯ УСЛОВНЫЕ ГРАФИЧЕСКИЕ В СХЕМАХ.
ЭЛЕМЕНТЫ ЦИФРОВОЙ ТЕХНИКИ

ГОСТ 2.743-91

 

ГОССТАНДАРТ РОССИИ

Москва – 1992

 

ГОСУДАРСТВЕННЫЙ СТАНДАРТ СОЮЗА ССР

Единая система конструкторской документации

ОБОЗНАЧЕНИЯ УСЛОВНЫЕ ГРАФИЧЕСКИЕ В СХЕМАХ. ЭЛЕМЕНТЫ ЦИФРОВОЙ ТЕХНИКИ

Unified system of design documentation.
Graphical symbols in diagrams.
Elements of digital technique

ГОСТ
2.743-91

Дата введения 01.01.93

 

Настоящий стандарт устанавливает общие правила построения условных графических обозначений (УГО) элементов цифровой техники в схемах, выполняемых вручную или с помощью печатающих и графических устройств вывода ЭВМ во всех отраслях промышленности.

1. ОБЩИЕ ПОЛОЖЕНИЯ

1.1. Элемент цифровой техники (далее - элемент) - цифровая или микропроцессорная микросхема, ее элемент или компонент; цифровая микросборка, ее элемент или компонент. Определения цифровой и микропроцессорной микросхем, их элементов и компонентов - по ГОСТ 17021, определения цифровой микросборки, ее элемента или компонента - по ГОСТ 26975.

Примечание. K элементам цифровой техники условно относят элементы, не предназначенные для преобразования и обработки сигналов, изменяющихся по закону дискретной функции, но применяемые в логических цепях, например конденсатор, генератор и т.п.

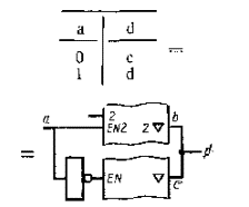
1.2. При построении УГО используют символы «0» и «1» для идентификации двух логических состояний «логический 0» и «логическая 1» (приложение 1).

2. ПРАВИЛА ПОСТРОЕНИЯ УГО ЭЛЕМЕНТОВ

2.1. Общие правила построения УГО

2.1.1. УГО элемента имеет форму прямоугольника, к которому подводят линии выводов. УГО элемента может содержать три поля: основное и два дополнительных, которые располагают слева и справа от основного (черт. 1).

Черт. 1

Примечание. Кроме основного и дополнительных полей УГО элемента может содержать также контур общего блока управления и контур общего выходного элемента (приложение 2).

2.1.2. В первой строке основного поля УГО помещают обозначение функции, выполняемой элементом. В последующих строках основного поля располагают информацию по ГОСТ 2.708.

Примечание. Допускается помещать информацию в основном поле с первой позиции строки, если это не приведет к неоднозначности понимания.

В дополнительных полях помещают информацию о назначениях выводов (метки выводов, указатели).

Допускается проставлять указатели на линиях выводов на контуре УГО, а также между линией вывода и контуром УГО.

2.1.3. УГО может состоять только из основного поля (табл. 1, п. 1) или из основного поля и одного дополнительного, которое располагают справа (табл. 1, п. 2) или слева (табл. 1, п. 3) от основного, а также из основного поля и двух дополнительных (табл. 1, п. 4).

Допускается дополнительные поля разделять на зоны, которые отделяют горизонтальной чертой.

Основное и дополнительные поля могут быть не отделены линией. При этом расстояние между буквенными, цифровыми или буквенно-цифровыми обозначениями, помещенными в основное и дополнительные поля, определяется однозначностью понимания каждого обозначения, а для обозначений, помещенных на одной строке, должно быть не менее двух букв (цифр, знаков), которыми выполнены эти обозначения.

Таблица 1

Наименование

Обозначение

1. УГО, содержащее только основное поле

2. УГО, содержащее основное поле и одно (правое) дополнительное поле

3. УГО, содержащее основное поле и одно (левое) дополнительное поле

4. УГО, содержащее основное поле и два дополнительных, разделенных на зоны. Количество зон не ограничено.

Примечания:

1. Знаками «*» обозначены функции и метки выводов элементов.

2. Допускается элементы, изображенные совмещенным способом, разделят» графически линиями связи, при этом расстояние между концами контурных линий УГО и линиями связи должно быть не менее 1 мм (черт. 2).

Черт. 2

2.1.4. Выводы элементов делят на входы, выходы, двунаправленные выводы и выводы, не несущие логической информации.

Входы элемента изображают с левой стороны УГО, выходы - с правой стороны УГО. Двунаправленные выводы и выводы, не несущие логической информации, изображают с правой или с левой стороны УГО.

2.1.5. При подведении линий выводов к контуру УГО не допускается:

проводить их на уровне сторон прямоугольника;

проставлять на них у контура УГО стрелки, указывающие направление информации.

2.1.6. Допускается другая ориентация УГО, при которой входы располагают сверху, выходы - снизу (черт. 3).

Черт. 3

Примечание. При ориентациях УГО, когда входы находятся справа или снизу, и выходы - слева или сверху, необходимо на линиях выводов (связи) проставлять стрелки, указывающие направление распространения информации, при этом обозначение функции элемента должно соответствовать приведенному на черт. 4.

Черт. 4

2.1.7. Размеры УГО определяют:

по высоте:

число линий выводов;

число интервалов;

число строк информации в основном и дополнительных полях, размером шрифта;

по ширине:

наличием дополнительных полей;

число знаков, помещаемых в одной строке внутри УГО (с учетом пробелов), размером шрифта.

2.1.8. Соотношения размеров обозначений функций, меток и указателей выводов в УГО, а также расстояний между линиями выводов должны соответствовать приведенным в приложении 5.

Минимальная величина шага модульной сетки М выбирается исходя из требования микрофильмирования (ГОСТ 13.1.002).

2.1.9. Надписи внутри УГО выполняют основным шрифтом по ГОСТ 2.304.

При выполнении УГО с помощью устройств выводов ЭВМ применяют шрифты, имеющиеся в них.

2.2. Обозначения функций элементов

2.2.1. Обозначение функций или совокупности функций (далее - функций), выполняемых элементом, образуют из прописных букв латинского алфавита, арабских цифр и специальных знаков, записанных без пробелов.

Количество знаков в обозначении функции не ограничено, однако следует стремиться к их минимальному числу при сохранении однозначности понимания каждого обозначения.

2.2.2. Обозначения функций элементов приведены в табл. 2.

Таблица 2

Наименование

Обозначение

1. Буфер

BUF

2. Вычислитель:

СР

секция вычислителя

CPS

вычислительное устройство

CPU

3. Вычислитель

P-Q или SUB

4. Делитель

DIV

5. Демодулятор

DM

6. Демультиплексор

DX

7. Дешифратор

DC

8. Дискриминатор

DIC

9. Дисплей

DPY

10. Интерфейс периферийный программируемый

PPI

11. Инвертор, повторитель

1

12. Компаратор

СОМР

13. Микропроцессор

MPU

14, Модулятор

MD

15. Модификатор

MOD

16. Память

М

17. Главная память

ММ

18. Основная память

GM

19. Быстродействующая память

FM

20. Память типа «first-in, first-out»

FIFO

21. Постоянное запоминающее устройство (ПЗУ):

ROM

программируемое ПЗУ (ППЗУ)

FROM

ППЗУ с возможностью многократного программирования (РЭПЗУ)

RPROM

репрограммируемое ППЗУ с ультрафиолетовым стиранием (РФПЗУ)

UVPROM

22. Оперативное запоминающее устройство (ОЗУ) с произвольной выборкой:

RAM

ОЗУ с произвольной выборкой статическое (СОЗУ)

SRAM

ОЗУ с произвольной выборкой динамическое (ДОЗУ)

DRAM

энергонезависимое ОЗУ (ЭНОЗУ)

NVRAM

23. Ассоциативное запоминающее устройство

CAM

24. Программируемая логическая матрица (ПЛМ)

PLM

25. Преобразователь

X/Y

Примечания:

1. Буквы Х и Y могут быть вменены обозначениями представляемой информации на входах и выходах преобразователя, например:

 

аналоговый

цифровой

# или D

двоичный

BIN

десятичный

DEC

двоично-десятичный

BCD

восьмеричный

ОСТ

шестнадцатеричный

HEX

код Грея

GRAY

семисегментный

7SEG

уровень ТТЛ

TTL

уровень МОП

MOS

уровень ЭСЛ

ECL

2. Допускаются обозначения:

 

цифро-аналоговый преобразователь

DAC

аналого-цифровой преобразователь

ADC

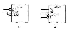
26. Приемо-передатчик шинный

RTX

27. Процессор

P

Секция процессора

PS

28. Регистр

RG

Сдвиговый регистр n-разрядный

SKGn

29. Сумматор

S или SM

30. Счетчик:

CTR

счетчик n-разрядный

CTRn

счетчик по модулю n

CTRDIVn

31. Триггер

Т

Двухступенчатный триггер

TT

Примечание. Допускается не указывать обозначение функции при выполнении УГО триггеров

 

32. Умножитель

n или MPL

33. Усилитель

34. Устройство

DEV

35. Устройство арифметическо-логическое

ALU

36. Устройство приоритета кодирующее

HPRI

37. Коммутирующее устройство, электронный ключ

SW

38. Шина

BUS или В

39. Шифратор

CD

40. Элемент задержки

41. Элемент логический:

³ n или > = n

«большинство»

³ n/2

«исключающее ИЛИ»

EXOR или = 1

«логическое И»

&

Примечание. При выполнении УГО с помощью устройств вывода ЭВМ допускается обозначение функции

 

«логическое И»

И

«логическое ИЛИ»

³ 1 или 1

«n и только n»

= n

«нечетность»

2k + 1 или 2K + 1

«четность»

2k или 2K

42. Элемент монтажной логики:

 

«монтажное ИЛИ»

«монтажное И»

43. Элемент моностабильный, одновибратор:

 

с перезапуском

без перезапуска

44. Элемент нелогический:

*

стабилизатор, общее обозначение

*ST

стабилизатор напряжения

*STU

стабилизатор тока

*STI

45. Наборы нелогических элементов

 

резисторов

*R

конденсаторов

*C

индуктивностей

*L

диодов

*D

диодов с указанием полярности

транзисторов

трансформаторов

*TR

индикаторов

по ГОСТ 2.764

предохранителей

*FU

комбинированных, например, диодно-резисторных

*DR

46. Элемент нестабильный, генератор:

 

общее обозначение

Примечание. Если форма сигнала очевидна, допускается обозначение «G» без «».

 

с синхронизацией пуска

с синхронизацией останова по окончанию импульса

с синхронизацией пуска и останова

генератор серии из прямоугольных импульсов

Gn

генератор с непрерывной последовательностью импульсов

GN

генератор линейно-изменяющихся сигналов

G/

генератор синусоидального сигнала

GSIN

47. Элемент пороговый, гистерезисный

2.2.3. Знак «*»проставляют перед обозначением функции элемента, если все его выводы являются нелогическими.

2.2.4. Допускается справа к обозначению функции добавлять технические характеристики элемента, например:

резистор сопротивлением 47 Ом - *R 47.

Задержку элемента указывают, как показано на черт. 5.

Черт. 5

Если эти две задержки равны, то указывают только одно значение 10 нс.

Примечания

1. Задержку, выраженную в секундах или в единицах, основанных на количестве слов или битов, можно указывать как внутри контура УГО элемента задержки, так и вне его.

2. Допускается указывать значение задержки десятичным числом:

 3 или DEL3, при этом значение единицы задержки должно быть оговорено на поле схемы или в технических требованиях

3. В УГО элемента допускается опускать пробел между числовым значением и единицей измерения, например RAM16K, 10 нс, + 5 В.

2.2.5. При необходимости указать сложную функцию элемента допускается составное (комбинированное) обозначение функции.

Например, если элемент выполняет несколько функций, то обозначение его сложной функции образовано из нескольких более простых обозначений функций, при этом их последовательность определяется последовательностью функций, выполняемых элементом:

четырехразрядный счетчик с дешифратором на выходе CTR4DC;

преобразователь/усилитель двоично-десятичного кода в семисегментный код BCD/7SEG>.

Обозначение сложной функции элемента может также быть составлено из обозначения функции и метки вывода, поясняющей это обозначение функции, при этом метка вывода стоит перед обозначением функции, например:

генератор ускоренного переноса                                  CPG;

регистр данных                                                               DRG;

селектор (устройство селекции)                                   SELDEV.

2.2.6. При использовании обозначений функций элементов, не установленных настоящим стандартом, их необходимо пояснять на поле схемы.

2.3. Обозначение выводов элементов

2.3.1 Выводы элементов подразделяют на несущие и не несущие логическую информацию.

Выводы, несущие логическую информацию, подразделяют на статические и динамические, а также на прямые и инверсные.

2.3.2. На прямом статическом выводе двоичная переменная имеет значение «1», если сигнал на этом выводе в активном состоянии находится в состоянии «логическая 1» (далее - LOG1) в принятом логическом соглашении.

На инверсном статическом выводе двоичная переменная имеет значение «1», если сигнал на этом выводе в активном состоянии находится в состоянии «логический 0» (далее - LOG0) в принятом логическом соглашении.

На прямом динамическом выводе двоичная переменная имеет значение «1», если сигнал на этом выводе изменяется из состояния LOG0 в состояние LOG1 в принятом логическом соглашении.

На инверсном динамическом выводе двоичная переменная имеет значение «1», если сигнал на этом выводе изменяется из состояния LOG1 в состояние LOG0 в принятом логическом соглашении.

2.3.3 Свойства выводов в соответствии с пп. 2.3.1 и 2.3.2 обозначают указателями (табл. 3)

Таблица 3

Наименование

Обозначение

Форма 1

Форма 2

1. Прямой статический вход

2. Прямой статический выход

3. Инверсный статический вход

4. Инверсный статический выход

5. Прямой динамический вход

6. Инверсный динамический вход

7. Статический вход с указателем полярности

8. Статический выход с указателем полярности

9. Динамический вход с указателем полярности

Примечание к пп. 7 - 9. Указатели применяются в случае, когда состоянию LOG1 соответствует менее положительный уровень.

10. Вывод, не несущий логической информации:

 

 

изображенный слева

изображенный справа

Примечания:

1. Форма 1 является предпочтительной.

2. При выполнении УГО с помощью устройств вывода ЭВМ допускается выполнять:

инверсный статический вход, выход                                                - буквой О;

прямой динамический вход                                                                - символом > или /;

инверсный динамический вход                                                          - символом < или \;

вывод, не несущий логической информации                                   - буквой X.

2.3.4. Указатель нелогических выводов не проставляют на выводах УГО элемента, если перед обозначением его функции проставлен знак «*» нелогического элемента.

2.3.5. Функциональное назначение выводов элемента обозначают при помощи меток выводов.

Метку вывода образуют из прописных букв латинского алфавита, арабских цифр и (или) специальных знаков, записанных в одной строке без пробелов.

Количество знаков в метке не ограничивается, но по возможности должно быть минимально при сохранении однозначности понимания каждого обозначения.

Обозначения основных меток выводов элементов приведены в табл. 4.

Таблица 4

Наименование

Обозначение

1. Адрес

ADR или A

2. Байт

BY

3. Бит:

 

младший

LSB

старший

MSB

4. Блокировка:

 

запрет

INH

захват

Н

5. Блокировка сигнала неисправности

ALI

6. Ввод (информации)

I

7. Вектор

VEC

8. Ветвление

ВR

9. Восстановление

REC

10. Вход двухпороговый, вход гистерезисный

11. Вход запроса ассоциативного запоминающего устройства

?

12. Вход обратного счета (вход уменьшения)

- n или DOWN

13. Вход операнда, над которым выполняется одна или несколько математических операций

Рп

Примечания:

1. Параметр n заменяется десятичным эквивалентом этого бита. Если значения всех входов Рn есть степени с основанием 2, n может быть заменен двоичным порядком.

 

2. В случае наличия второго операнда предпочтительно обозначением его является «Q».

 

14. Вход прямого счета (вход увеличения)

+ п или UP

Примечание к пп 12,

14. Параметр n следует заменить значением, на которое увеличивается или уменьшается содержимое счетчика

 

15. Вход, вызывающий изменение состояния на выходе элемента в дополнительное, каждый раз, когда он принимает состояние LOG1

Т

16. Входы цифрового компаратора:

 

больше

>

меньше

<

равно

=

17. Выбор (селекция)

SEL или SE

18. Выбор адреса:

 

столбца

CAS

строки

RAS

19. Выбор кристалла, доступ к памяти

CS

20. Вывод (информации)

O

21. Вывод двунаправленный

< > или «

22. Вывод свободный (не имеющий ни одного внутреннего соединения в элементе)

NC

23. Вывод фиксированного режима (состояния)

«1»

24. Выход, изменение состояния которого задерживается до тех пор, пока вызывающий это изменение сигнал не возвратится в исходный уровень

25. Выход открытый (например выход с открытым коллектором, с открытым эмиттером)

26. Выход открытый Н-типа (например открытый коллектор p-n-р транзистора, открытый эмиттер n-р-n транзистора, открытый сток Р канала, открытый исток N канала)

27. Выход открытый L-типа (например открытый коллектор n-р-n транзистора, открытый эмиттер р-n-р транзистора, открытый исток Р канала, открытый сток N канала)

28 Выход с тремя состояниями

Примечание. При выполнении конструкторской документации с помощью устройства вывода ЭВМ допускается обозначение

Z

29. Выход сравнения ассоциативного запоминающего устройства

!

30. Выход цифрового компаратора:

 

больше

* > * или * >

меньше

* < * или * <

равно

* = * или * =

Примечание. Знак «*» должен быть заменен обозначениями операндов (п. 13)

 

31. Генерирование

GEN

32. Готовность

RDY

33. Группа выводов, объединенных внутри элемента:

 

входов

выходов

34. Группирование битов многобитового входа или выхода

 

Примечание. n ... m заменяют десятичными эквивалентами реальной значимости или двоичным порядком. Промежуточные значения между n и m могут быть опущены

35. Группирование связей:

 

входных

выходных

Примечание. Обозначение используется при необходимости указания того, что для передачи одной и той же информации используется несколько выводов

 

36. Данные:

D

входные

DIN

выходные

DOUT

последовательные

Примечание. Для запоминающих устройств допускаются обозначения:

 

входная информация

D

выходная информация

Q

37. Загрузка (разрешение параллельной записи)

LD

38. Задержка

DEL

39. Задержка двойная

DD

40. Заем:

 

вход, принимающий заем

BI

выход, выдающий заем

ВО

образование заема

BG

распространение заема

ВР

41. Занято

BUSY

42. Запись (команда записи)

WR

43. Запрос

KEQ или RQ

44. Запрос на обслуживание

SRQ

45. Знак

SI

46. Имитация

SIM

47. Инвертирование (отрицание)

N

48. Инструкция, команда

INS

49. Квитирование

АК

50. Код

CODE

51. Коммутация (электронная)

SW

52. Конец

END

53. Коррекция

CORR

54. «логический 0»

LOGO или LOG0

55. «логическая 1»

LOG1

56. Маска, маскирование

MK

57. Маркер

MR

58. Мультиплексирование

MPX

59. Нечетность

ODD

60. Ожидание

WAIT или WT

61. Операция

OP

62. Останов

STOP

63. Ответ

AN

64. Отказ

REJ

65. Очистка

CLR

66. Ошибка

ERR или ER

Слово ошибки

EW

67. Передача

TX

68. Перенос:

 

вход, принимающий перенос

CI

выход, распространяющий перенос

CO

образование переноса

CG

распространение переноса

CP

69. Переполнение

OF

70. Подтверждение приема

ACK

71. Позиция

PO

72. Прерывание:

INT

подтверждение прерывания

INTA

программируемое прерывание

PCI

73. Прием

RX

74. Приоритет

PRI или PR

75. Продолжение

GOON

76. Пуск, начало

START или ST

77. Работа

RUN

78. Разрешение

EN

79. Разрешение прохождения импульсов, работы цепи

CE

80. Разрешение третьего состояния

EN или EÑ

Примечание. При выполнении УГО с помощью устройств вывода ЭВМ допускается обозначение

EZ

81. Режим

M или МО

82. Результат нулевой

RZ

83. Сброс:

 

общий

SR

обнуление

RES или R

84. Сдвиг:

SH

слева направо и сверху вниз (от младшего разряда к старшему)

справа налево или снизу вверх (от старшего разряда к младшему)

Примечание. Параметр n следует заменить действительным значением позиций, на который происходит сдвиг. При n = 1 это значение может быть опущено.

 

влево или вправо

85. Синхронизация

SYNC или SYN

86. Состояние

SA

87. Средний

ML

88. Строб (сигнал выборки)

STR или ST

89. Счет:

CT

вход, задающий содержимое элемента

CT = *

выход, указывающий содержимое элемента

CT*

Примечание. Знак «*» следует заменить на значение содержимого элемента

 

90. Считывание (чтение)

RD

91. Такт

CL или CLK

92. Управление

С

93. Условие

СС

94. Установка в «1»

SET или S

95. Установка JK-триггера:

 

в состояние LOG1 (J-вход)

J

в состояние LOG0 (К-вход)

К

96. Функция

F

97. Четность

EVEN

2.3.6. Обозначение основных меток, указывающих функциональное назначение выводов, не несущих логической информации, приведены в табл. 5.

Таблица 5

Наименование

Обозначение

1. Вывод питания от источника напряжения

Vcc

Примечания:

 

1. При выполнении УГО с помощью устройств вывода ЭВМ допускается обозначение

VCC

2. Допускается обозначение

U

3. Номинал напряжения питания проставляется рядом с УГО над линией вывода или рядом с ней, например

Допускается проставлять номинал напряжения внутри УГО вместо метки вывода, например

4. Перед меткой вывода допускается проставлять поясняющую информацию, например:

 

порядковый номер;

2 Vcc

указатель питания цифровой части элемента;

# Vcc

указатель питания аналоговой части

Vcc

2. Общий вывод, земля, корпус

GND

Примечания:

 

1. Допускается обозначение.

2. Перед меткой вывода допускается проставлять указатель общего вывода цифровой части и указатель общего вывода аналоговой части

# OV

OV

3. Ток

I

Примечания:

 

1. Вместо обозначения «I» можно проставлять его значение, например

4 - 20 мА

2. Перед меткой вывода допускается проставлять порядковый номер, например

2 I

4. Вывод для подключения конденсатора

СХ

5. Вывод для подключения резистора

Х

6. Вывод для подключения индуктивности

LX

7. Вывод для подключения кварцевого резонатора

BQ

8. Выводы полевого транзистора:

 

источник

S

сток

D

затвор

G

9. Выводы n-р-n и р-n-р транзистора:

 

коллектор

К

база

В

эмиттер

Е

эмиттер n-р-n транзистора

эмиттер р-n-р транзистора

2.3.7. При необходимости указать сложную функцию выводов допускается построение составной метки, образованной из основных меток, при этом рекомендуется соблюдать обратный порядок присоединения меток, например:

адрес считывания RDA;

байт данных DBY;

выбор байта BYSEL.

Для обозначения метки вывода, имеющей поочередно две функции, эти функции указывают через наклонную черту, например:

ввод-вывод I/O;

запись/чтение WR/RD;

управление/данные C/D.

Примечания:

1. Порядок следования меток определяет логический уровень разрешающего сигнала: первая функция осуществляется при LOG1, вторая - при LOG0.

2. Порядок следования меток выводов, не несущих логическую информацию, произвольный.

3. При выполнении УГО элемента, имеющего два порта приема и передачи информации: А и В, метка вывода А/В означает разрешение приема информации портом А и передачи информации портом В при логическом уровне сигнала на данном выводе, равном LOG1.

2.3.8. В качестве меток выводов допускается применять обозначения функций, приведенные в табл. 2, например:

сравнение СОМР;

результат операции вычитания Р-Q.

Допускается также составлять сложную метку вывода из обозначения функции и метки вывода, при этом рекомендуется прямой порядок их присоединения, например:

чтение из памяти RDM.

2.3.9. При изображении составной функции или метки вывода допускается выполнять ее в двух строках - друг под другом, например:

RAM;          DOUT.

256´1         < >

2.3.10. Если в УГО необходимо изобразить свободный вывод (не имеющий соединений внутри элемента), то он должен иметь указатель вывода, не несущего логической информации, и иметь метку вывода «NC».

2.3.11. Выводы питания элементов приводят либо в качестве текстовой информации на свободном поле схемы, либо одним из способов, приведенных на черт. 6.

Выводы питания в общем блоке управления ИС DD1

Выводы питания в одном из элементов ИС DD2, изображенной разнесенным способом

Выводы питания ИС DD3 в отдельном контуре

Черт. 6

Примечание. В одном комплекте конструкторской документации допускается применять либо способы, приведенные на черт. 6а и 6б, либо на черт. 6а и 6в.

2.3.12. Нумерацию выводов элементов приводят над их линией выводов слева для входов или справа для выходов от контура УГО или указателя вывода - при его наличии.

Примечание. Допускается приводить нумерацию выводов элементов в разрыве линии вывода.

2.3.13. При использовании меток выводов, не установленных настоящим стандартом, их следует приводить в УГО в скобках и пояснять на поле схемы (черт. 7) или в нормативно-технической документации на изделие.

Черт. 7

Примечание. Допускается дополнять метку вывода, установленную настоящим стандартом, поясняющей меткой вывода, не установленной настоящим стандартом, при этом ее помещают в круглые скобки и при необходимости поясняют на поле схемы, например: EN (P/S) - разрешение параллельного или последовательного соединения триггеров внутри элемента.

2.4. Обозначение групп выводов

2.4.1. Выводы элементов подразделяют на логически равнозначные, т.е. взаимозаменяемые без изменения функции элемента, и логически неравнозначные.

2.4.2. УГО элемента выполняют без дополнительных полей или без правого или левого дополнительного поля, в следующих случаях:

все выводы логически равнозначны;

функции выводов однозначно определяются функцией элемента.

При этом расстояния между выводами должны быть одинаковы, а метки выводов не указываются.

2.4.3. При наличии логически равнозначных входов или выходов элемента они могут быть графически объединены в группу выводов, которой присваивают метку, обозначающую их функцию. Данную метку проставляют на уровне первого вывода группы (черт. 8).

а - группа выводов объединена по И;

б - группа выводов, объединенных по ИЛИ, каждый вывод которой устанавливают в «0»;

в - группа выводов, объединенных по И, выполняющая функцию установки в «0»

Черт. 8

Примечание. Нумерацию выводов таких групп логически равнозначных выводов допускается указывать в произвольном порядке.

2.4.4. Если несколько последовательных выводов имеют части меток, отражающие одинаковые функции, то такие выводы могут быть объединены в группу выводов, а эта часть метки выносится в групповую метку. Групповую метку располагают над группой меток, которые должны быть записаны без интервала между строками (черт. 9).

Черт. 9

2.4.5. Группы выводов разделяют интервалом в одну строку или помещают в отдельную для каждой группы зону.

2.4.6. Из нескольких групповых меток может быть выделена групповая метка более высокого порядка. Эту метку проставляют над группами выводов, к которым она относится, отделяя от них интервалом.

Группы, которые относятся к групповой метке более высокого порядка, помещают в отдельную зону (черт. 10).

Черт. 10

Примечание. Допускается опускать пробел между группами выводов, имеющих метку более высокого порядка.

2.4.7. Номера разрядов в группах выводов обозначаются числами натурального ряда, начиная с нуля. При этом метки выводов присваивают одним из способов, представленных на черт. 11.

Черт. 11

Примечание. Для выходов допускаются метки выводов, состоящие только из номеров разрядов. Обязательными являются только метки открытого выхода и выхода с тремя состояниями.

Если в группе разрядов однозначно определены весовые коэффициенты, то вместо номера разряда может быть проставлен его весовой коэффициент. Например, для двоичного счисления ряд весов имеет вид 20, 21, 22, 23, ... = 1, 2, 4, 8, ... Тогда информационный вход нулевого разряда будет иметь метку D1 или 1, третьего разряда - D8 или 8.

2.4.8. При необходимости пронумеровать группы и разряды внутри группы метка каждого вывода будет состоять из номера группы (первая цифра) и номера разряда в группе, отделенные друг от друга точкой, например: метка информационного входа первого разряда нулевой группы: D0.1.

Примечание. При наличии в элементе двух информационных каналов (портов) допускается их обозначение А и В, которые выносятся в качестве групповой метки для информационных входов и (или) выходов, если это не приведет к неоднозначности понимания меток выводов.

2.4.9. Двунаправленный вывод обозначают меткой «< >» или ««», которую проставляют либо в УГО элемента - над или рядом с меткой функции (групповой меткой функции) вывода (выводов) - черт. 12а и черт. 12б соответственно, либо на выводах элемента (черт. 12в). При этом метки выводов, обозначающих входную и выходную функции, проставляют через наклонную черту.

Примечание. Допускается метки входных и выходных функций вывода проставлять над и под меткой двунаправленного вывода соответственно (черт. 12г).

Черт. 12

2.5. Взаимосвязь выводов

2.5.1. Выводы элементов подразделяют на влияющие и зависимые. Влияющий вывод воздействует на один или несколько зависимых от него выводов.

2.5.2. Для указания взаимосвязи выводов элемента используют обозначение зависимости.

Обозначение зависимости выводов осуществляется путем присваивания им меток выводов:

для влияющего вывода - буквенным обозначением зависимости в соответствии с приложением 3 и порядковым номером, проставленным после буквенного обозначения без пробела;

для каждого зависимого от данного влияющего вывода - тем же порядковым номером, проставленным без пробела перед буквенным обозначением метки вывода, присвоенной ему в соответствии с табл. 4, или вместо нее.

Если влияющий вывод воздействует на зависимый вывод своим дополнительным логическим состоянием, то над порядковым номером, проставленным перед меткой зависимого вывода, ставят черточку (черт. 13а).

В случае, если вывод зависим от нескольких влияющих выводов, порядковый номер каждого из них должен быть указан через запятую (черт. 13б).

Примечание. Допускается дополнять обозначение зависимости меткой, поясняющей функциональное назначение вывода, которая помещается в круглых скобках.

Черт. 13

2.5.3. Если вывод выполняет несколько функций и (или) имеет несколько влияющих воздействий, то обозначение каждой из этих функций и (или) зависимостей соответствующей меткой может быть показано либо в последующих строках, при этом каждой метке может быть поставлен в соответствие указатель (черт. 14а), либо на одной строке через наклонную черту (черт. 14б). Порядок меток, обозначающих несколько функций или зависимостей произволен.

Примечание. При указании нескольких меток одного вывода в последующих строках допускается линии выводов к ним не подводить.

Черт. 14

3. ОБОЗНАЧЕНИЕ МОНТАЖНОЙ ЛОГИКИ

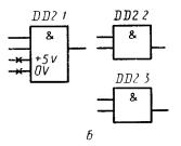
3.1. Непосредственное соединение логических выходов нескольких элементов на общую нагрузку (монтажная логика) следует обозначать, как показано на черт. 15а.

3.2. Монтажную логику можно рассматривать условно как элемент, который изображают в виде УГО элемента монтажной логики (черт.15б).

Примечания к пп. 3.1, 3.2:

1. Термину «элемент монтажной логики» соответствует термин «элемент DOT».

2. В зависимости от вида выполняемой логической функции знак «*» следует заменять знаком «&» («монтажное И») или знаком «1» («монтажное ИЛИ»).

3. Допускается изображать монтажную логику, как показано на черт. 15в, если это не приведет к неоднозначности понимания.

4. Если выходам элементов присвоены метки открытых выходов, допускается изображать монтажную логику в соответствии с черт. 15г.

Черт. 15

4. СОКРАЩЕННОЕ ОБОЗНАЧЕНИЕ ГРУПП УГО

4.1. Для уменьшения объема документации допускается сокращенное обозначение групп УГО.

4.2. УГО элементов могут быть изображены совмещенно, прилегая друг к другу одной или двумя сторонами, параллельными распространению информации (черт. 16а). При этом логическое соединение между данными элементами отсутствует.

Примечание. Допускается изображать УГО элементов с общей стороной, перпендикулярной к распространению информации (черт. 16б). В этом случае существует хотя бы одно логическое соединение между данными элементами. Логические соединения следует указывать в соответствии с приложением 4. При отсутствии таких указаний считается, что имеется только одно логическое соединение между данными элементами (черт. 16в).

Черт. 16

4.3. УГО группы однотипных элементов, изображенных совмещение и имеющих одинаковую информацию и общие выводы, могут содержать общий графический блок - блок управления (приложение 3). Допускается обозначать блок управления, как показано на черт. 17.

Черт. 17

4.4. В группе элементов, изображенных совмещенно и содержащих одинаковую информацию в основном поле УГО, последнюю помещают в верхнем УГО (черт. 18а). Допускается отделять такие элементы друг от друга штриховой линией (черт. 18б).

Две последовательные группы элементов следует изображать, как показано на черт. 18в. Сокращенное обозначение группы из пар элементов показано на черт. 18г.

Группу элементов с идентичными выводами (входами и выходами), имеющих общий блок управления и не имеющих его, допускается изображать, как показано на черт. 18д и черт. 18г соответственно.

Черт. 18

4.5. В схемах, имеющих элементы с большим числом выводов одного функционального назначения, допускается сокращенное обозначение таких элементов (черт. 19).

Номер вывода

8

7

6

5

4

3

2

1

23

22

Метка вывода

А0

А1

А2

A3

А4

A5

A6

А7

A8

A9

Номер вывода

9

10

11

13

14

15

16

17

 

Метка вывода

D0

D1

D2

D3

D4

D5

D6

D7

 

Черт. 19

Примечания:

1. Записи выводов 13 - 17 и 13 ... 17 тождественны.

2. Таблицу (первый способ сокращенного обозначения элементов) следует помещать на поле схемы.

4.6. В схемах с повторяющимися элементами допускается также применять пакетный метод сжатия информации, т.е. пакетное изображение УГО элементов и линий их связи.

4.6.1. Пакет элементов - это группа однотипных элементов, изображенных в виде одного УГО. Пакет сигналов - это группа сигналов (логических связей элементов), изображенных одной линией. Пакеты элементов и сигналов поясняют на схеме при помощи пакетов информации,

4.6.2. Пакет информации - это краткое перечисление следующих данных:

идентификаторов сигналов (логических связей элементов);

конструктивных адресов элементов и сигналов;

координат элементов на схеме;

количество элементов или сигналов в пакете и т.д.

4.6.3. Краткая запись пакета информации может быть представлена следующим образом:

0,1; 0,1; 0,1; 0,1 = (0,1) 4 - последовательность 0,1 повторяется 4 раза;

0, 0, 0, 1, 1, 1 = 3 (0,1) - каждый элемент указанной последовательности повторяется 3 раза подряд.

4.6.4. Пакетное изображение информации применяют при одновременном выполнении следующих условий:

однотипность элементов в группе;

однотипность входных и выходных сигналов элементов группы;

регулярность сигналов в каждом пакете, допускающая их удобное перечисление.

4.6.5. Внутри основного поля УГО пакета элементов помещают:

в первых трех строках информацию - по ГОСТ 2.708;

в последующих строках информацию о пакете.

При недостатке места в основном поле информацию о пакете элементов допускается помещать на поле схемы. Например, справа от УГО пакета элементов.

Пример УГО пакета элементов приведен на черт. 20.

Черт. 20

5. ПРИМЕРЫ УГО ЭЛЕМЕНТОВ

5.1. Примеры УГО элементов приведены в табл. 6 - 15 для соглашения положительной логики. Приведенные буквенные обозначения функций и меток выводов элементов являются обязательными, за исключением альтернативных, приведенных в табл. 2 или в табл. 4 (в круглых скобках). При этом допускается не указывать порядковые номера в метках выводов при обозначении зависимости.

Порядок расположения меток выводов (групп меток выводов - при их наличии) является рекомендуемым.

Указатели выводов элементов приведены в предпочтительной форме 1 табл. 3, однако допускается использовать все формы указателей, приведенных в табл. 3.

5.2. Примеры УГО логических элементов приведены в табл. 6.

Таблица 6

Наименование

Обозначение

1. Элемент «НЕТ»

2. Элемент 3И-НЕ

3. Элемент 2И-НЕ с открытым коллекторным выходом и повышенной нагрузочной способностью

4. Элемент 3ИЛИ-НЕТ

5. Комбинированный элемент 2И-ИЛИ с инвертированным выходом

6. Элемент 4И-НЕТ с открытым коллектором на выходе

7. Элемент 2И-ИЛИ с инвертированным выходом и расширительным входом

8. Расширитель

9. Элемент проверки четности или нечетности

5.3. Примеры УГО приемопередающих элементов приведены в табл. 7.

Таблица 7

Наименование

Обозначение

1. Четыре шинных усилителя с двухпороговым входом и выходом на три состояния с общим входом разрешения третьего состояния

2. Двунаправленный шинный приемопередатчик восьмиканальный

3. Шестиканальный буферный элемент с тремя состояниями на выходе с сигналом разрешения по выходу

5.4. Примеры УГО гистерезисных элементов приведены в табл. 8.

Таблица 8

Наименование

Обозначение

1. Инвертирующий усилитель с порогом Шмитта

2. Триггер Шмитта с логическим элементом 4И на входе

5.5. Примеры УГО преобразователей (дешифраторов) и кодирующих устройств (шифраторов) приведены в табл. 9.

Таблица 9

Наименование

Обозначение

1. Преобразователь двоично-десятичного кода в десятичный код

2. Преобразователь с трех линий на восемь

3. Преобразователь двоичного кода в двоично-десятичный

4. Преобразователь-усилитель двоичного кода в семисегментный.

Примечание. Допускается заменить строчные буквы прописными: А, В, С, D, Е, F, G

5. Кодирующее устройство приоритета (приоритетный шифратор) с 8 линий на 3 линии

(GS - «групповой сигнал»)

6. Два дешифратора, принимающих двухразрядный код.

Примечание. Допускается обозначение дешифраторов А и В, которые изображаются в качестве групповой метки выходов соответствующего дешифратора

7. Преобразователь уровней ТТЛ в уровни МОП

8. Преобразователь уровней ЭСЛ в уровни ТТЛ.

Примечание к пп. 7 и 8. Обозначение функции преобразователя сигналов */* может быть заменено обозначением *//*, если необходимо указать наличие гальванической связи между его входами и выходами

5.6. Примеры УГО мультиплексоров и демультиплексоров, а также коммутаторов цифровых и аналоговых сигналов приведены в табл. 10.

Таблица 10

Наименование

Обозначение

1. Мультиплексор на 8 входов со стробированием.

Примечание. Вход стробирования EN допускается обозначать STR

2. Демультиплексор на 8 линий

3. Мультиплексор четырехканальный по два входа каждый

4. Мультиплексор двухканальный по 4 входа каждый.

Примечание к пп. 3, 4. При обозначении каналов мультиплексора не порядковыми номерами (1, 3 и т.д.), а буквами А, В и т.д.) для устранения неоднозначности понимания входу адреса данных присваивается метка «Выбор»: SEL или SE

5. Электронный коммутатор

5.7. Примеры УГО арифметических элементов приведены в табл. 11.

Таблица 11

Наименование

Обозначение

1. Полный одноразрядный сумматор

2. Четырехразрядный сумматор-вычитатель

3. Полный сумматор на 4 бита

4. Четырехразрядное скоростное АЛУ

5. Генератор ускоренного переноса для АЛУ

6. Четырехразрядный цифровой компаратор

5.8. Примеры УГО триггеров (бистабильных элементов) приведены в табл. 12.

Таблица 12

Наименование

Обозначение

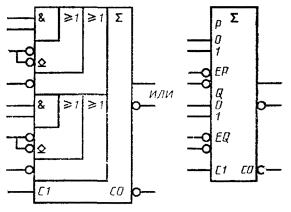
1. Два триггера с раздельным запуском (RS-типа), один с дополнительным входом

2. Два триггера задержки D-типа

3. Шесть D-триггеров с общими входами управления и сброса

4. Триггер D-типа, запускаемый по фронту

5. Триггер JK-типа, запускаемый по фронту

6. Универсальный JK-триггер со структурой «мастер-помощник»

7. Два JK-триггера с общими входами управления и сброса

5.9. Примеры УГО моностабильных (мультивибраторов) и нестабильных элементов приведены в табл. 13.

Таблица 13

Наименование

Обозначение

1. Ждущий мультивибратор с перезапуском

2. Два генератора, управляемых напряжением, с указанием выводов питания

(LOG - питание цифровой части элемента, OSC - питание аналоговой части элемента, FC - управление частотой)

5.10. Примеры УГО регистров и счетчиков приведены в табл. 14.

Таблица 14

Наименование

Обозначение

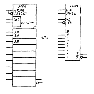
1. Сдвиговый 4-разрядный регистр с параллельными входами

2. Сдвиговый 4-разрядный последовательно-параллельный регистр с прямым и дополнительным кодом на выходе (Т/С - вход переключения кода на выходах: прямой или дополнительный; P/S - вход, управляющий соединением разрядов регистров последовательно или параллельно)

3. Сдвиговый 4-разрядный двунаправленный универсальный регистр

4. Универсальный 8-разрядный регистр

5. Сдвиговый 8-разрядный регистр с двойным последовательным входом и параллельными выходами

6. Сдвиговый 8-разрядный универсальный регистр с последовательным и параллельными входами и выходами (A/S - вход, переключения режимов: асинхронного или синхронного; ALD - вход разрешения параллельной записи информации в канал А)

7. Сдвиговый 8-разрядный регистр с параллельной загрузкой

8. Двоичный 14-разрядный счетчик со сквозным переносом

9. Асинхронный десятичный счетчик, состоящий из делителей на 2 и на 5 с параллельной записью

10. 4-разрядный асинхронный десятичный счетчик, состоящий из делителей на 2 и на 5 с предварительной установкой и синхронным сбросом

11. Синхронный десятичный счетчик с параллельной загрузкой

12. Десятичный синхронный реверсивный счетчик

5.11. Примеры УГО запоминающих устройств (ЗУ) приведены в табл. 15.

Таблица 15

Наименование

Обозначение

1. ПЗУ на 32 слова по 8 битов

2. ОЗУ с произвольной выборкой на 16 слов по 4 бита.

Примечание. Обозначения выводов:

 RD/WR и

 RD/WR тождественны

3. ОЗУ с произвольной выборкой на 4 слова по 4 бита с отдельной адресацией при записи и при считывании

4. Статическое ОЗУ на 4 слова по 4 бита

5. Статическое ОЗУ на 256 слов по 1 биту

5.12. Соотношения размеров основных условных графических обозначений на модульной сетке приведены в приложении 5.

ПРИЛОЖЕНИЕ 1

Рекомендуемое

ЛОГИЧЕСКОЕ СОГЛАШЕНИЕ

1. Двоичная логика имеет дело с переменными, которые могут принимать два логических состояния - состояния «логическая 1» (далее - LOG1) и состояния «логический 0» (далее - LOG0).

Символы логических функций, определенные данным стандартом, представляют собой связь между входами и выходами элементов в терминах логических состояний, не связанных с физической реализацией.

2. При конкретной физической реализации элементов логические состояния представляются физическими величинами (электрический потенциал, давление, световой поток и др.). В логике не требуется знание абсолютного значения величины, поэтому физическая величина идентифицируется просто как более положительная - H и менее положительная - L (черт. 21). Эти два значения называются логическими уровнями.

Черт. 21

3. Соответствия между данными понятиями устанавливаются следующими соглашениями:

Соглашение положительной логики

Более положительное значение физической величины (логический уровень H) соответствует LOG1. Менее положительное значение физической величины (логический уровень L) соответствует LOG0.

Соглашение отрицательной логики

Менее положительное значение физической величины (логический уровень L) соответствует LOG1. Более положительное значение физической величины (логический уровень H) соответствует LOG0.

4. Для указания соответствия между логическими состояниями и значениями этих состояний, применяют два метода:

метод единого соглашения для всей схемы (соглашение положительной логики или соглашение отрицательной логики);

использование указателя полярности.

5. Для установления на схеме однозначного соответствия между логическим состоянием и логическим уровнем на выводе элемента используют указатель инверсии (0) или указатель полярности ( или ).

6. Указатель инверсии используют в том случае если для всей схемы принято единое соглашение (как на черт. 21),

Если в схеме применяют соглашения положительной и отрицательной логики, следует применять указатель полярности выводов, для которых справедливо соглашение отрицательной логики.

В схеме с указателями полярности указатель инверсии не применяют.

7. На поле схемы или в технических требованиях должно быть указано, в какой логике выполнена схема.

8. Логические элементы могут иметь логические эквивалентные формы. Например, элемент, имеющий таблицу истинности, выраженную в уровнях сигнала, которая приведена на черт. 22а, имеет эквивалентные формы в положительной логике и в отрицательной логике, представленные на черт. 22б и черт. 22в соответственно.

1

2

3

L

L

Н

L

Н

Н

Н

L

H

Н

Н

L

 

1

2

3

0

0

1

0

1

1

1

0

1

1

1

0

 

1

2

3

1

1

0

1

0

0

0

1

0

0

0

1

Черт. 22

ПРИЛОЖЕНИЕ 2

Рекомендуемое

Таблица 16

ОБОЗНАЧЕНИЯ КОНТУРОВ

Наименование

Обозначение

1. Основной контур (соответствующий приведенному на черт. 1 настоящего стандарта)

2. Контур общего блока управления

Примечание. Контур общего блока управления располагают над основным контуром

3. Контур общего выходного элемента

Примечание. Контур общего выходного элемента располагают под основным контуром

Примечания:

1. Отношение длины контуров к их ширине не устанавливается и определяется информацией, помещаемой в контуре, и количеством выводов.

2. Допускается общий выходной элемент указывать в контуре общего блока управления (например, выход «СТ-9» УГО счетчика, табл. 14, п. 12).

Примеры УГО с контурами управления и общего выходного элемента приведены на черт. 23а и черт. 23б соответственно.

Черт. 23


ПРИЛОЖЕНИЕ 3

Рекомендуемое

Таблица 17

ВЗАИМОСВЯЗЬ ВЫВОДОВ

Тип зависимости

Буквенное обозначение

Влияние на зависимый вывод

Пример

LOG1*

LOG0*

АДРЕС

А

Действие разрешено (адрес выбран)

Действие заблокировано (адрес не выбран)

УПРАВЛЕНИЕ

С

Действие разрешено

Действие заблокировано

РАЗРЕШЕНИЕ

EN

Действие разрешено

Действие зависимого вывода заблокировано: внешнее состояние «высокий импеданс» (ВИ) задается выходу с открытой цепью или с тремя состояниями: уровень L (Н) ВИ задается выходу с открытой цепью типа Н (L), остальным выходам задается состояние LOG0

И

G

Действие разрешено

Задается состояние LOG0

РЕЖИМ

М

Действие разрешено (режим выбран)

Действие заблокировано

ОТРИЦАНИЕ

N

Дополнительное внутреннее состояние

Внутреннее состояние без изменений

УСТАНОВКА В «0»

R

Внутреннее состояние выхода, как при S = 0,

R = 1

Внутреннее состояние без изменения

УСТАНОВКА В «1»

S

Внутреннее состояние выхода, как при S = 1,

R = 0

Внутреннее состояние без изменения

 

ИЛИ

V

Задается состояние LOG1

Действие разрешено

МЕЖСОЕДИНЕНИЕ

Z

Задается состояние LOG1

Задается состояние LOG0

* В данной графе приводится состояние влияющего вывода.

** Состояние псевдостабильное.


ПРИЛОЖЕНИЕ 4

Рекомендуемое

Таблица 18

ВНУТРЕННИЕ СОЕДИНЕНИЯ*

Наименование

Обозначение

1. Внутреннее соединение (внутреннее состояние LOG1 (LOG0) входа правого элемента соответствует внутреннему состоянию LOG1 (LOG0) выхода левого элемента)

Внутреннее состояние LOG1 (LOG0) правого элемента соответствует внутреннему соединению LOG0 (LOG1) выхода левого элемента).

Примечание. Вертикальная линия может пересекать указатель инверсии «0».

3. Внутреннее соединение с динамической характеристикой (внутреннее состояние LOG1 входа правого элемента появляется только при переходе выхода левого элемента из LOG0 в LOG1, во всех остальных случаях внутреннее состояние входа правого элемента - LOG0)

4. Внутреннее соединение с отрицанием, обладающее динамической характеристикой

5. Внутренний (виртуальный) вход (данный вход находится в состоянии LOG1, если оно не изменено входом с преобладающей или модифицирующей зависимостью, обозначение которой изображается справа от первого входа в соответствии с табл. 17.

6. Внутренний (виртуальный) выход (воздействие этого выхода на внутренний вход, с которым он соединяется, определяется типом зависимости в соответствии с табл. 17, обозначение которой изображается справа от данного выхода)

Примечания к пп. 5 и 6:

1. Внутренние (виртуальные) входы и выходы имеют только одно внутреннее логическое состояние.

2. Ко внутренним (виртуальным) входам и выходам применимы только указатели выводов, приведенные в табл. 3, п. 5 настоящего стандарта.

* Внутреннее соединение представляет собой соединение внутри элемента (внутренних входов и выходов).

ПРИЛОЖЕНИЕ 5

Рекомендуемое

Таблица 19

Соотношения размеров УГО на модульной сетке приведены в табл. 19.

Наименование

Обозначение

1. Минимальное расстояние между линиями выводов

2. Общий блок управления

3. Общий выходной элемент

4. Указатель полярности, например статический вход с указателем полярности

5. Указатель инверсного вывода, например инверсный статический вход

6. Указатель динамического вывода, например инверсный динамический вход

7. Указатель вывода, не несущего логической информации, например изображенный слева

8. Метка двунаправленного вывода, например:

 

показанного со стороны входа

показанного с указателем полярности

9. Метка выхода, изменение состояния которого задерживается до тех пор, пока вызывающий это изменение сигнал не возвратится в исходный уровень

10. Метка вывода «Сдвиг», например, сдвиг вправо

11. Метка выхода с тремя состояниями

12. Метка открытого выхода

например, открытый выход L-типа

13. Метка двухпорогового входа

14. Группирование битов многобитового вывода, например, входа

15. Обозначение функции «Усилитель»

16. Обозначение функции «Элемент задержки»

17. Обозначение функции «Моностабильный элемент», например - с перезапуском

18. Обозначение функции «Умножитель»

19. Обозначение функции «Сумматор»

20. Обозначение функции «Исключающее ИЛИ»

21. Обозначение аналогового сигнала

23. Обозначение цифрового сигнала

ИНФОРМАЦИОННЫЕ ДАННЫЕ

1. РАЗРАБОТАН И ВНЕСЕН Комитетом стандартизации и метрологии СССР

РАЗРАБОТЧИКИ:

В.В. Долгополов, канд. техн. наук; В.Ю. Гуленков, канд. техн. наук; С.С. Борушек, Л.Г. Юрганова, В.В. Гугнина

2. УТВЕРЖДЕН И ВВЕДЕН В ДЕЙСТВИЕ Постановлением Комитета стандартизации и метрологии СССР от 23.12.91 № 2375

3. Стандарт соответствует международному стандарту МЭК 617-12 в части разд. 5

4. ВЗАМЕН ГОСТ 2.743-82

5. ССЫЛОЧНЫЕ НОРМАТИВНО-ТЕХНИЧЕСКИЕ ДОКУМЕНТЫ

Обозначение НТД, на который дана ссылка

Номер пункта

ГОСТ 2.304-81

2.1.9

ГОСТ 2.708-81

2.1.2, 4.6.5

ГОСТ 13.1.002-80

2.1.8

ГОСТ 17021-88

1.1

ГОСТ 26975-86

1.1

 

СОДЕРЖАНИЕ

1. Общие положения. 1

2. Правила построения уго элементов. 1

2.1. Общие правила построения уго.. 1

2.2. Обозначения функций элементов. 4

2.3. Обозначение выводов элементов. 8

2.4. Обозначение групп выводов. 15

2.5. Взаимосвязь выводов. 17

3. Обозначение монтажной логики. 18

4. Сокращенное обозначение групп уго.. 19

5. Примеры уго элементов. 22

Приложение 1 Логическое соглашение. 36

Приложение 2 Обозначения контуров. 37

Приложение 3 Взаимосвязь выводов. 39

Приложение 4 Внутренние соединения* 42

Приложение 5. 42

 




Яндекс цитирования



   Copyright © 2007-2026,  www.tehlit.ru.

[ ѓосты, стандарты, нормативы, инструкции, правила, строительные нормы ]