//
ТехЛит.ру
- крупнейшая бесплатная электронная интернет библиотека для "технически умных" людей.
WWW.TEHLIT.RU - ТЕХНИЧЕСКАЯ ЛИТЕРАТУРА

:: Алготрейдинг::


АЛГОТРЕЙДИНГ
шаг за шагом
с нуля по урокам!

Торговые роботы на PYTHON, BackTrader,
Pandas, Pine Script для TradingView. Связка с брокерами, телеграм и легкими приложениями.


ГОСУДАРСТВЕННЫЙ СТАНДАРТ СОЮЗА ССР

ЗАКЛЕПКИ С ПОЛУКРУГЛОЙ ГОЛОВКОЙ
классов точности В и С.

ГОСТ 10299-80
(СТ СЭВ 1019-78)

ГОСУДАРСТВЕННЫЙ КОМИТЕТ СССР ПО СТАНДАРТАМ
Москва

ГОСУДАРСТВЕННЫЙ СТАНДАРТ СОЮЗА ССР

ЗАКЛЕПКИ С ПОЛУКРУГЛОЙ ГОЛОВКОЙ классов точности В и С.

Технические условия

Button-head rivets classes В and С. Specifications

ГОСТ
10299-80*

(СТ СЭВ 1019-78)

Взамен
ГОСТ 10299-68

Постановлением Государственного комитета СССР по стандартам от 6 мая 1980 г. № 2009 срок введения установлен

с 01.01.81

Проверен в 1985 г. Постановлением Госстандарта от 23.04.85 № 1138 срок действия продлен

до 01.01.91

(Измененная редакция, Изм. № 2).

Настоящий стандарт распространяется на заклепки с полукруглой головкой общемашиностроительного применения с диаметром стержня от 1 до 36 мм классов точности В и С.

Стандарт полностью соответствует СТ СЭВ 1019-78.

Заклепки с полукруглой головкой должны удовлетворять всем требованиям ГОСТ 10304-80 и требованиям, изложенным в соответствующих разделах настоящего стандарта.

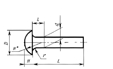
1. РАЗМЕРЫ

1.1. Размеры заклепок должны соответствовать указанным на чертеже и в табл. 1 и 2.

__________

* Размер для справок

(Измененная редакция, Изм. № 2).

1.2. Длина заклепок должна выбираться из следующего ряда: 2, 3, 4, 5, 6, 7, 8, 9, 10, 12, 14, 16, 18, 20, 22, 24, 26, 28, 30, 32, 34, 36, 38, 40, 42, 45, 48, 50, 52, 55, 58, 60, 65, 70, 75, 80, 85, 90, 95, 100, 110, 120, 130, 140, 150, 160, 170, 180 мм.

Таблица 1

мм

Диаметр стержня d

1

1,2

(1,4)

1,6

2

2,5

3

(3,5)

4

5

6

8

10

Диаметр головки D

1,8

2,1

2,5

2,9

3,5

4,4

5,3

6,3

7,1

8,8

11

14

16

Высота головки Н

0,6

0,7

0,8

1,0

1,2

1,5

1,8

2,1

2,4

3,0

3,6

4,8

6,0

Радиус под головкой r, не более

0,2

0,4

0,5

0,6

Радиус сферы головки R

1

1,2

1,4

1,6

1,9

2,4

2,9

3,4

3,8

4,7

6

7,5

8,3

Расстояние от основания головки до места замера диаметра l

1,5

3

4

6

Продолжение табл. 1

мм

Диаметр стержня d

12

(14)

16

(18)

20

(22)

24

30

36

Диаметр головки D

19

22

25

27

30

35

37

45

55

Высота головки Н

7,2

8,4

9,5

11

12

13

16

20

24

Радиус под головкой r, не более

0,8

1,0

1,2

1,6

Радиус сферы головки R

9,8

11,4

13

13,8

15,4

18,3

18,7

22,7

27,8

Расстояние от основания головки до места замера диаметра l

6

8

10

Примечание. Размеры, указанные в скобках, применять не рекомендуется.

Таблица 2

Диаметр стержня d

Длина L

Диаметр стержня d

Длина L

1,0

2-8

10

14-100

1,2

2-10

12

18-110

(1,4)

3-12

(14)

20-140

1,6

3-12

16

20-140

2,0

3-16

(18)

28-140

2,5

3-20

20

34-160

3,0

4-40

(22)

38-170

(3,5)

5-40

24

40-180

4,0

5-50

30

55-180

5,0

7-60

36

55-180

6,0

7-60

8,0

9-70

(Измененная редакция, Изм. № 2).

Пример условного обозначения заклепки с полукруглой головкой класса точности В диаметром стержня d = 8 мм, длиной L = 20 мм, из материала группы 00, без покрытия:

Заклепка 8 ´ 20.00 ГОСТ 10299-80

(Измененная редакция, Изм. № 1, 2).

1.3. Теоретическая масса заклепок указана в справочном приложении.

2. ТЕХНИЧЕСКИЕ ТРЕБОВАНИЯ

2.1. Предельные отклонения высоты головки для размеров Н < 1 мм - плюс 0,28, минус 0,16 мм; для Н = 1 мм - ±0,28 мм.


ПРИЛОЖЕНИЕ
Справочное

Масса стальных заклепок

Длина L, мм

Теоретическая масса 1000 шт. заклепок, кг, при номинальном диаметре стержня d, мм

1

1,2

(1,4)

1,6

2

2,5

3

(3,5)

4

5

6

8

10

12

(14)

16

(18)

20

(22)

21

30

36

2

0,019

0,029

 

 

 

 

 

 

 

 

 

 

 

 

 

 

 

 

 

 

 

 

3

0,025

0,038

0,054

0,077

0,127

0,218

 

 

 

 

 

 

 

 

 

 

 

 

 

 

 

 

4

0,031

0,047

0,066

0,093

0,151

0,257

0,401

 

 

 

 

 

 

 

 

 

 

 

 

 

 

 

5

0,038

0,056

0,078

0,109

0,176

0,295

0,457

0,670

0,924

 

 

 

 

 

 

 

 

 

 

 

 

 

6

0,044

0,064

0,090

0,125

0,201

0,334

0,512

0,746

1,023

 

 

 

 

 

 

 

 

 

 

 

 

 

7

0,050

0,073

0,102

0,140

0,225

0,372

0,568

0,821

1,121

1,906

3,084

 

 

 

 

 

 

 

 

 

 

 

8

0,056

0,082

0,114

0,156

0,251

0,411

0,623

0,896

1,220

2,060

3,306

 

 

 

 

 

 

 

 

 

 

 

9

 

0,091

0,126

0,172

0,275

0,449

0,679

0,972

1,319

2,214

3,528

6,902

 

 

 

 

 

 

 

 

 

 

10

 

0,100

0,138

0,188

0,299

0,488

0,734

1,048

1,417

2,368

3,751

7,296

 

 

 

 

 

 

 

 

 

 

12

 

 

0,163

0,219

0,349

0,565

0,845

1,199

1,615

2,676

4,194

8,085

 

 

 

 

 

 

 

 

 

 

14

 

 

 

 

0,398

0,642

0,956

1,350

1,812

2,985

4,638

8,874

14,23

 

 

 

 

 

 

 

 

 

16

 

 

 

 

0,447

0,737

1,067

1,501

2,009

3,293

5,082

9,663

15,47

 

 

 

 

 

 

 

 

 

18

 

 

 

 

 

0,796

1,178

1,652

2,207

3,601

5,526

10,452

16,70

25,50

 

 

 

 

 

 

 

 

20

 

 

 

 

 

0,873

1,289

1,803

2,404

3,909

5,970

11,242

17,93

27,28

39,11

53,33

 

 

 

 

 

 

22

 

 

 

 

 

 

1,400

1,954

2,601

4,218

6,414

12,203

19,17

29,05

41,53

56,49

 

 

 

 

 

 

24

 

 

 

 

 

 

1,511

2,105

2,798

4,526

6,858

12,820

20,40

30,83

43,94

59,65

 

 

 

 

 

 

26

 

 

 

 

 

 

1,622

2,256

2,996

4,834

7,302

13,609

21,63

32,61

46,36

62,80

 

 

 

 

 

 

28

 

 

 

 

 

 

1,733

2,407

3,193

5,142

7,746

14,398

22,87

34,38

48,78

65,96

86,07

 

 

 

 

 

30

 

 

 

 

 

 

1,844

2,558

3,390

5,451

8,190

15,187

24,10

36,16

51,19

69,12

90,07

 

 

 

 

 

32

 

 

 

 

 

 

1,955

2,709

3,588

5,759

8,633

15,977

25,33

37,93

53,61

72,27

94,06

 

 

 

 

 

34

 

 

 

 

 

 

2,065

2,860

3,785

6,067

9,077

16,766

26,56

39,71

56,03

75,43

98,06

124,2

 

 

 

 

36

 

 

 

 

 

 

2,177

3,011

3,982

6,375

9,521

17,555

27,80

41,48

58,44

78,59

102,10

129,1

 

 

 

 

38

 

 

 

 

 

 

2,288

3,162

4,179

6,684

9,965

18,344

29,03

43,26

60,86

81,74

106,04

134,0

171,4

 

 

 

40

 

 

 

 

 

 

2,399

3,313

4,377

6,992

10,40

19,13

30,26

45,03

63,28

84,90

110

139,0

177,3

226,2

 

 

42

 

 

 

 

 

 

 

 

4,574

7,300

10,85

19,92

31,50

46,81

65,69

88,06

114

143,9

192,3

233,3

 

 

45

 

 

 

 

 

 

 

 

4,870

7,763

11,52

21,11

33,35

49,47

69,32

92,80

120

151,3

201,2

244,0

 

 

48

 

 

 

 

 

 

 

 

5,166

8,225

12,19

22,29

35,20

52,14

72,95

97,53

126

158,7

207,2

254,6

 

 

50

 

 

 

 

 

 

 

 

5,363

8,533

12,63

23,08

36,43

53,91

75,36

100,70

130

163,6

213,1

261,8

 

 

52

 

 

 

 

 

 

 

 

 

8,842

13,07

23,87

37,66

55,69

77,78

103,80

134

168,6

222,1

268,9

 

 

55

 

 

 

 

 

 

 

 

 

9,304

13,74

25,05

39,51

58,35

81,40

108,60

140

176,0

231,1

279,5

462,7

719,7

58

 

 

 

 

 

 

 

 

 

9,766

14,40

26,24

41,36

61,02

85,03

113,30

146

183,3

237,0

290,6

481,5

743,7

60

 

 

 

 

 

 

 

 

 

10,075

14,85

27,03

42,59

62,79

87,45

116,50

150

188,3

251,9

297,3

490,5

759,7

65

 

 

 

 

 

 

 

 

 

 

 

29,00

45,68

67,23

93,49

124,40

160

200,6

266,9

315,0

518,2

799,6

70

 

 

 

 

 

 

 

 

 

 

 

30,97

48,76

71,67

99,53

132,20

170

213,0

281,8

332,8

546,0

839,6

75

 

 

 

 

 

 

 

 

 

 

 

 

51,84

76,11

105,60

140,10

180

225,3

296,7

350,5

573,7

879,5

80

 

 

 

 

 

 

 

 

 

 

 

 

54,93

80,55

111,60

148,00

190

237,6

311,6

368,3

601,5

919,6

85

 

 

 

 

 

 

 

 

 

 

 

 

58,01

84,99

117,70

155,90

200

250,0

326,5

386,0

629,2

959,4

90

 

 

 

 

 

 

 

 

 

 

 

 

61,09

89,43

123,70

163,80

210

262,3

341,5

403,8

657,0

999,4

95

 

 

 

 

 

 

 

 

 

 

 

 

64,17

93,86

129,70

171,70

220

274,6

356,4

421,6

684,7

1039,3

100

 

 

 

 

 

 

 

 

 

 

 

 

67,25

98,30

135,80

179,60

230

287,0

386,2

439,3

712,4

1079,3

110

 

 

 

 

 

 

 

 

 

 

 

 

 

107,20

147,90

195,40

250

311,6

416,1

474,8

769,9

1159,2

120

 

 

 

 

 

 

 

 

 

 

 

 

 

 

160,00

211,20

270

336,3

445,9

510,3

823,4

1239,1

130

 

 

 

 

 

 

 

 

 

 

 

 

 

 

172,00

226,90

290

360,9

475,7

545,8

878,9

1319,0

140

 

 

 

 

 

 

 

 

 

 

 

 

 

 

184,10

242,74

310

385,6

505,6

581,4

934,4

1398,9

150

 

 

 

 

 

 

 

 

 

 

 

 

 

 

 

 

 

410,2

535,6

616,9

989,9

1478,8

160

 

 

 

 

 

 

 

 

 

 

 

 

 

 

 

 

 

434,9

565,3

652,4

1045,4

1558,7

170

 

 

 

 

 

 

 

 

 

 

 

 

 

 

 

 

 

 

595,1

687,9

1100,9

1638,6

180

 

 

 

 

 

 

 

 

 

 

 

 

 

 

 

 

 

 

 

723,4

1156,3

1718,5

Примечание. Для определения массы других заклепок, изготовляемых из других материалов, значения массы, указанные в таблице, должны быть умножены на коэффициенты: 0,356-для алюминиевого сплава; 1,080 - для латуни; 1,134-для меди,

(Измененная редакция, Изм. № 1, 2).




Яндекс цитирования



   Copyright © 2007-2026,  www.tehlit.ru.

[ ѓосты, стандарты, нормативы, инструкции, правила, строительные нормы ]