//
ТехЛит.ру
- крупнейшая бесплатная электронная интернет библиотека для "технически умных" людей.
WWW.TEHLIT.RU - ТЕХНИЧЕСКАЯ ЛИТЕРАТУРА

:: Алготрейдинг::


АЛГОТРЕЙДИНГ
шаг за шагом
с нуля по урокам!

Торговые роботы на PYTHON, BackTrader,
Pandas, Pine Script для TradingView. Связка с брокерами, телеграм и легкими приложениями.


ГОСТ 10495-80

МЕЖГОСУДАРСТВЕННЫЙ СТАНДАРТ

ГАЙКИ ШЕСТИГРАННЫЕ
ДЛЯ ФЛАНЦЕВЫХ СОЕДИНЕНИЙ
НА Ру СВЫШЕ 10 ДО 100 МПа
(СВЫШЕ 100 ДО 1000 кгс/см2)

ТЕХНИЧЕСКИЕ УСЛОВИЯ

ИПК ИЗДАТЕЛЬСТВО СТАНДАРТОВ

Москва

 

МЕЖГОСУДАРСТВЕННЫЙ СТАНДАРТ

ГАЙКИ ШЕСТИГРАННЫЕ ДЛЯ ФЛАНЦЕВЫХ СОЕДИНЕНИЙ НА РУ СВЫШЕ 10 до 100 МПа (свыше 100 до 1000 кгс/см2)

Технические условия

Hexgonal nuts for flanged connections
for Pn 10 - 100 MPa (100 - 1000 kgf/cm2).
Specifications

ГОСТ
10495-80

Дата введения 01.01.82

Настоящий стандарт распространяется на шестигранные гайки для фланцевых соединений арматуры, соединительных частей и трубопроводов, используемых в химической и нефтехимической промышленностях на Ру св. 10 до 100 МПа (св. 100 до 1000 кгс/см2), температурой от минус 50 до плюс 510 °С.

Требования разд. 1 за исключением показателей "Масса, кг", 2 - 4, п.п. 5.1, 5.2, 5.4, 5.6, являются обязательными, другие требования настоящего стандарта являются рекомендуемыми.

(Измененная редакция, Изм. № 2).

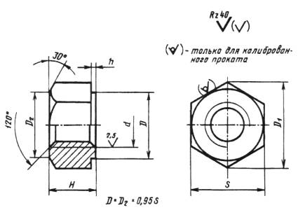
1. КОНСТРУКЦИЯ И РАЗМЕРЫ

1.1. Конструкция и размеры гаек должны соответствовать указанным на чертеже 1 и в табл. 1.

Черт. 1

Таблица 1


Номина-льный диаметр резьбы d

Размер
"под ключ"
S

Диаметр бурта D

Высота H
h14

Диаметр описанной окружности D1

Допускаемое смещение оси отверстия относительно граней, не более

Высота
бурта
h
H14

Масса, кг

номин.

пред. откл.

номин.

пред. откл.

12

19

-0,28

18,0

12

21,9

-0,8

0,35

2.0

0,019

14

22

20,9

14

25,4

-0,9

0,031

16

24

22,8

16

27,7

0,039

20

30

28,5

20

34,6

-1,0

3,0

0,077

22

32

-0,34

30,4

22

36,9

-1,1

0,40

0,093

24

36

34,2

24

41,6

-1,3

0,133

27

41

39,0

27

47,3

0,194

30

46

43,7

30

53,1

-1,4

0,277

33

50

47,5

33

57,7

-1,5

0,50

4,0

0,389

36

55

-0,40

52,3

36

63,5

-1,7

0,446

39

60

57,0

39

69,3

0,637

42

65

61,8

42

75,0

-1,8

5,0

0,777

45

70

66,5

45

80,8

1,100

48

75

71,3

48

86,5

-1,9

1,197

52

80

76,0

52

92,3

0,60

1,420

56

85

-0,87

80,8

56

98,0

-1,2

1,688

 


Пример условного обозначения гайки с диаметром резьбы d=36 мм, из стали марки 35Х, без покрытия:

Гайка М36. 35Х ГОСТ 10495-80

То же, с покрытием 02 толщиной 6 мкм:

Гайка М36. 35Х 026 ГОСТ 10495-80

(Измененная редакция, Изм. № 1).

2. ТЕХНИЧЕСКИЕ ТРЕБОВАНИЯ

2.1. Гайки следует изготовлять в соответствии с требованиями настоящего стандарта по рабочим чертежам, утвержденным в установленном порядке.

2.2. Гайки следует изготовлять из сортового проката и поковок.

2.3. Марки сталей и параметры их применения должны соответствовать указанным в табл. 2.

Таблица 2

Марка стали

Обозначение стандарта

Предельные параметры применения

температура, °С

условное давление,
МПа (кгс/см2)

30Х

ГОСТ 4543

От минус 50
до плюс 200

»63(630)

35Х

От минус 50
до плюс 400

»80(800)

38ХА

40Х

30ХМА

От минус 50
до плюс 510

»100(1000)

35ХМ

25Х1МФ

ГОСТ 20072

Примечание. Допускается по согласованию между потребителем и изготовителем применять стали других марок, разрешенных Госгортехнадзором, если их механические свойства не ниже указанных в табл. 3.

2.4. Заготовки для гаек следует подвергать термической обработке - закалке и отпуску. Режимы термической обработки приведены в приложении.

2.5. Механические свойства заготовок при температуре 20 °С в термически обработанном состоянии должны соответствовать указанным в табл. 3.

Таблица 3

Марка стали

Условный предел текучести , МПа (кгс/мм2)

Временное сопротивление ,
МПА (кгс/мм2)

Относительное удлинение , %

Ударная вязкость , Дж/см2 (кгс×м/см2)

Твердость НВ

не менее

30Х

392 (40)

618 (63)

17

588 (6)

187 ¼ 229

35Х, 38ХА, 40Х

490 (50)

657 (67)

16

212 ¼ 248

30ХМА, 35ХМ, 25Х1МФ

(Измененная редакция, Изм. № 1).

2.6. Сдаточными характеристиками являются временное сопротивление, условный предел текучести, относительное удлинение и ударная вязкость.

2.7. Резьба метрическая с крупным шагом - по ГОСТ 24705 с полем допуска 6Н по ГОСТ 16093.

2.8. Отклонение от перпендикулярности опорной поверхности гайки (угол  на черт. 2) относительно оси резьбы не должно быть более 30¢.

2.9. Допустимый уклон граней (угол  на черт. 2) и их непараллельность не должны быть более 30¢.

Черт. 2.

2.10. Обработанные поверхности гаек не должны иметь трещин, надрывов.

2.11. Резьба должна быть чистой и не должна иметь заусенцев, рванин, ниток с сорванной или неполной резьбой. Вмятины на резьбе, препятствующие ввинчиванию проходного калибра, не допускаются.

2.12. Гайки, применяемые при температуре до 200 °С, по заказу потребителя следует изготовлять с покрытием. Вид покрытия - по ГОСТ 9.303. Толщина покрытия - по ГОСТ 9.306. Условное обозначение покрытия - по ГОСТ 1759.0.

2.13. Защитные покрытия должны быть однородными, пузыри и отслаивания не допускаются.

2.14. Требования к шероховатости под покрытие - по ГОСТ 9.301.

3. ПРАВИЛА ПРИЕМКИ

3.1. Правила приемки - по ГОСТ 17769.

3.2. Каждая гайка должна быть подвергнута проверке на соответствие требованиям п.п. 1.1, 2.7 - 2.14, 5.1, 5.2.

3.3. Гайки следует предъявлять к приемке партиями.

Партия должна состоять из гаек одного обозначения, изготовленных из одной партии заготовок.

3.4. Проверку гаек на соответствие требованиям п. 2.5 следует проводить на основании результатов испытаний каждой партии заготовок.

3.5. Партия заготовок должна состоять из металла одной плавки и одной садки при термической обработке.

3.6. Испытания заготовок на твердость следует проводить в объеме 100 %. При длине заготовки 500 мм и более твердость измеряют на обоих концах и по ее длине с интервалом не более 500 мм.

3.7. Один процент от партии заготовок, но не менее 2 шт., с нижним и верхним значениями твердости в данной партии следует подвергать испытаниям на соответствие требованиям п. 2.5.

Допускается отбирать заготовки для механических испытаний с промежуточными значениями твердости. В этом случае твердость является сдаточной характеристикой.

3.8. Число испытываемых образцов от каждой контролируемой заготовки должно быть: один - на растяжение и два - на ударную вязкость.

3.9. При получении неудовлетворительных результатов испытания механических свойств хотя бы одного образца, следует проводить повторные испытания удвоенного числа образцов из тех же заготовок или других этой же партии с той же твердостью только по виду испытаний, давших неудовлетворительный результат.

3.10. Партию считают годной, если при повторных испытаниях получены положительные результаты.

При получении неудовлетворительных результатов испытаний партия заготовок может быть предъявлена к приемке вновь после испытания заготовок с последующим уровнем твердости.

3.11. Заготовки с твердостью, не обеспечивающей получение требуемых механических свойств, указанных в табл. 3, могут быть допущены к сдаче после повторной термической обработки с проведением соответствующих испытаний.

Число повторных термических обработок должно быть не более двух. Дополнительный отпуск не считают повторной термической обработкой.

4. МЕТОДЫ ИСПЫТАНИЙ

4.1. Внешний осмотр (п.п. 2.10, 2.11, 5.1, 5.2) следует проводить без применения увеличительных приборов.

4.2. Размеры гаек (п. п. 1.1, 2.7 - 2.9) следует проверять предельными калибрами, шаблонами, универсальными измерительными инструментами.

4.3. Определение твердости (п. 2.5) - по ГОСТ 9012.

4.4. Испытание на растяжение (п. 2.5) - по ГОСТ 1497.

4.5. Испытание на ударную вязкость (п. 2.5) - по ГОСТ 9454, образец типа 1.

4.6. Метод отбора проб - по ГОСТ 7564.

4.7. Методы проверки качества и толщины покрытия (п.п. 2.12 - 2.14) - по ГОСТ 9.302. Толщину покрытия проверяют на торцах или гранях гайки.

5. МАРКИРОВКА, УПАКОВКА, ТРАНСПОРТИРОВАНИЕ И ХРАНЕНИЕ

5.1. Маркировка гаек в зависимости от марки стали должна соответствовать указанной в табл. 4.

5.2. На гайках, в местах указанных в табл. 4, должна быть нанесена маркировка с указанием:

- номера партии;

- товарного знака предприятия-изготовителя.

5.3. Высота знаков маркировки:

2,5 мм - для гаек с d £ 27 мм;

4 мм - для гаек с d > 27 мм.

5.4. Знаки маркировки должны быть отчетливо видны невооруженным глазом.

5.5. Маркировку следует проводить ударным способом.

5.6. Партия гаек должна сопровождаться паспортом, удостоверяющим их соответствие требованиям настоящего стандарта.

Паспорт должен содержать следующие данные:

- наименование предприятия-изготовителя;

- условное обозначение гаек;

- число гаек;

- номер партии;

- марку стали;

- результаты испытаний (с указанием даты);

- обозначение настоящего стандарта;

 - вид и толщину покрытия (для гаек с покрытием);

- штамп ОТК.

5.7. (Исключен, Изм. № 1).

5.8. Требования к упаковке, транспортированию, хранению и маркировке тары - по ГОСТ 18160.

5.9. При хранении в закрытом помещении гайки должны находиться в таре.

5.10. Допускается по согласованию между потребителем и изготовителем гайки с покрытием не подвергать консервации.

Таблица 4

Марка стали

Место маркировки

30Х

 

35Х, 38ХА, 40Х

 

30ХМА, 35ХМ, 25Х1МФ

 

Примечание. Маркировка должна сохраняться при замене стали на равноценную.

 

ПРИЛОЖЕНИЕ

Рекомендуемое

Режимы термической обработки заготовок

Марка стали

Закалка

Отпуск

температура нагрева, °С

охлаждающая среда

температура нагрева, °С

охлаждающая среда

30Х

850-870

Масло

580-620

Вода и масло

35Х

850-870

560-600

38ХА

850-870

560-600

40Х

850-870

560-600

30ХМА

850-880

580-620

35ХМ

850-880

590-630

25Х1МФ

930-960

680-720

 

ИНФОРМАЦИОННЫЕ ДАННЫЕ

1. РАЗРАБОТАН И ВНЕСЕН Министерством химического и нефтяного машиностроения СССР

РАЗРАБОТЧИКИ

Е.Я. Нейман; Л.Ф. Березин (руководитель темы)

2. УТВЕРЖДЕН И ВВЕДЕН В ДЕЙСТВИЕ Постановлением Государственного комитета СССР по стандартам от 30.12.80 № 6073

3. ВЗАМЕН ГОСТ 10495-74

4. ССЫЛОЧНЫЕ НОМАТИВНО-ТЕХНИЧЕСКИЕ ДОКУМЕНТЫ

Обозначение НТД, на который дана ссылка

Номер пункта

ГОСТ 9.301-86

2.14

ГОСТ 9.302-88

4.7

ГОСТ 9.303-84

2.12

ГОСТ 9.306-85

2.12

ГОСТ 1497-93

4.4

ГОСТ 4543-71

2.3

ГОСТ 7564-97

4.6

ГОСТ 9012-59

4.3

ГОСТ 9454-78

4.5

ГОСТ 16093-81

2.7

ГОСТ 17769-83

3.1

ГОСТ 18160-72

5.8

ГОСТ 20072-74

2.3

ГОСТ 24705-81

2.7

5. Проверен в 1990 г. Снято ограничение срока действия Постановлением Госстандарта от 25.02.91 № 159

6. ПЕРЕИЗДАНИЕ (декабрь 1998 г.) с Изменениями № 1, 2, утвержденными в июле 1986 г., феврале 1991 г. (ИУС 11-86, 5-91)

 

 




Яндекс цитирования



   Copyright © 2007-2026,  www.tehlit.ru.

[ ѓосты, стандарты, нормативы, инструкции, правила, строительные нормы ]