//
ТехЛит.ру
- крупнейшая бесплатная электронная интернет библиотека для "технически умных" людей.
WWW.TEHLIT.RU - ТЕХНИЧЕСКАЯ ЛИТЕРАТУРА

:: Алготрейдинг::


АЛГОТРЕЙДИНГ
шаг за шагом
с нуля по урокам!

Торговые роботы на PYTHON, BackTrader,
Pandas, Pine Script для TradingView. Связка с брокерами, телеграм и легкими приложениями.


ГОСУДАРТСВЕННЫЙ СТАНДАРТ СОЮЗА ССР

ФЛАНЦЫ С ШИПОМ ИЛИ ПАЗОМ
СТАЛЬНЫЕ НА РУ до 6,4 МПа
(64 кгс/см2) и
Dy до 300 мм

ПРИСОЕДИНИТЕЛЬНЫЕ РАЗМЕРЫ

ГОСТ 22512-77

ГОСУДАРСТВЕННЫЙ КОМИТЕТ СССР ПО СТАНДАРТАМ

Москва

 

ГОСУДАРТСВЕННЫЙ СТАНДАРТ СОЮЗА ССР

ФЛАНЦЫ С ШИПОМ ИЛИ ПАЗОМ СТАЛЬНЫЕ НА РУ до 6,4 МПа (64 кгс/см2) и Dy до 300 мм

Присоединительные размеры

Steel flanges with tongue and groove
for Pnom up to 6,4 MPa (64 kgf/cm2)
and nom to 300 mm.
Connecting dimensions

ГОСТ
22512-77

Постановлением Государственного комитета стандартов Совета Министров СССР от 5 мая 1977 г. № 1155 срок действия установлен

с 01.01.1979 г.

до 01.01.1984 г.

Несоблюдение стандарта преследуется по закону

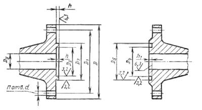
1. Настоящий стандарт распространяется на стальные фланцы с шипом или пазом под фторопластовые прокладки на Ру до 6,4 МПа ( 64 кгс/см2) и Dy до 300 мм для арматуры специальной техники при температуре от 193 до 413 К (от минус 80 °С до плюс 140 °С). Стандарт не распространяется на присоединительные разные размеры внешних присоединительных устройств агрегатов.

2. Присоединительные размеры стальных фланцев с шипом или пазом в зависимости от давления должны соответствовать указанным на чертеже и в табл. 1-6.

 

Примечание. Чертеж не определяет конструкцию фланца.

Таблица 1

Ру до » 0,6 МПа (6 кгс/см2)
мм


Условный проход Dy

D

D1

D2

D3

D4

D5

h

h1

d

n

10

75

50

30

18

18

30

4

3

12

4

15

80

55

34

22

22

34

20

90

65

44

32

32

44

25

100

75

52

40

40

52

5

4

32

120

90

60

48

48

60

14

40

130

100

70

54

54

70

50

140

110

81

65

65

81

65

160

130

101

85

85

101

80

185

150

116

100

100

116

18

100

205

170

138

116

116

138

125

235

200

167

145

145

167

8

150

260

225

192

170

170

192

200

315

280

250

228

228

250

250

370

335

304

282

282

304

6

5

12

300

435

395

357

335

335

357


Таблица 2

Ру » 1 МПа (10 кгс/см2)
мм


Условный проход Dy

D

D1

D2

D3

D4

D5

h

h1

d

n

10

90

60

35

23

23

35

4

3

14

4

15

95

65

40

28

28

40

20

105

75

51

35

35

51

25

115

85

58

42

42

58

5

4

32

135

100

66

50

50

66

18

40

145

110

76

60

60

76

50

160

125

88

72

72

88

65

180

145

110

94

94

110

80

195

160

121

105

105

121

100

215

180

150

128

128

150

8

125

245

210

176

154

154

176

150

280

240

204

182

182

204

18

200

335

295

260

238

238

260

250

390

350

313

291

291

313

6

5

12

300

440

400

364

342

342

364


Таблица 3

Ру » 1,6 МПа (16 кгс/см2)
мм


Условный проход Dy

D

D1

D2

D3

D4

D5

h

h1

d

n

10

90

60

35

23

23

35

4

3

14

4

15

95

65

40

28

28

40

20

105

75

51

35

35

51

25

115

85

58

42

42

58

5

4

32

135

100

66

50

50

66

18

40

145

110

76

60

60

76

50

160

125

88

72

72

88

65

180

145

110

94

94

110

80

195

160

121

105

105

121

100

215

180

150

128

128

150

8

125

245

210

176

154

154

176

150

280

240

204

182

182

204

23

200

335

295

260

238

238

260

12

250

405

335

313

291

291

313

6

5

27

300

460

410

364

342

342

364


Таблица 4

Ру » 2,5 МПа (25 кгс/см2)
мм


Условный проход Dy

D

D1

D2

D3

D4

D5

h

h1

d

n

10

90

60

35

23

23

35

4

3

14

4

15

95

65

40

28

28

40

20

105

75

51

35

35

51

25

115

85

58

42

42

58

5

4

32

135

100

66

50

50

66

18

40

145

110

76

60

60

76

50

160

125

88

72

72

88

65

180

145

110

94

94

110

8

80

195

160

121

105

105

121

100

230

190

150

128

128

150

23

125

270

220

176

154

154

176

27

150

300

250

204

182

182

204

200

360

310

260

238

238

260

12

250

425

370

313

291

291

313

6

5

30

300

485

430

364

342

342

364


Таблица 5

Ру » 4,0 МПа (40 кгс/см2)
мм


Условный проход Dy

D

D1

D2

D3

D4

D5

h

h1

d

n

10

90

60

35

23

23

35

4

3

14

4

 

 

 

 

 

 

8

15

95

65

40

28

28

40

20

105

75

51

35

35

51

25

115

85

58

42

42

58

5

4

32

135

100

66

50

50

66

18

40

145

110

76

60

60

76

50

160

125

88

72

72

88

65

180

145

110

94

94

110

80

195

160

121

105

105

121

100

230

190

150

128

128

150

23

125

270

220

176

154

154

176

27

150

300

250

204

182

182

204

200

375

320

260

238

238

260

30

12

250

445

385

313

291

291

313

6

5

33

16

300

510

450

364

342

342

364


Таблица 6

Ру » 6,4 МПа (64 кгс/см2)
мм


Условный проход Dy

D

D1

D2

D3

D4

D5

h

h1

d

n

10

100

70

35

23

23

35

4

3

14

4

15

105

75

40

28

28

40

20

125

90

51

35

35

51

18

25

135

100

58

42

42

58

5

4

32

150

110

66

50

50

66

23

40

165

125

76

60

60

76

50

175

135

88

72

72

88

65

200

160

110

94

94

110

8

80

210

170

121

105

105

121

100

250

200

150

128

128

150

27

125

295

240

176

154

154

176

30

150

340

280

204

182

182

204

33

200

405

345

260

238

238

260

12

250

470

400

313

291

291

313

6

5

40

300

530

460

364

342

342

364

16


3. Предельные отклонения посадочных мест под прокладку из фторопалста-4 в сопрягаемых деталях должны соответствовать указанным в табл. 7.

Таблица 7

Диаметр (шипа или паза),
мм

Предельные отклонения

Отверстие

Вал

От 18 до 30

Н11

d11

От 30 до 80

От 80 до 130

f9

От 130 до 180

От 180 до 260

От 260 до 500

Н9

4. Предельные отклонения от номинальных размеров h и h1 - не более + 0,5 мм.

5. Фланцы арматуры должны изготовляться только с пазом, по требованию потребителя - с шипом.

 

 




Яндекс цитирования



   Copyright © 2007-2026,  www.tehlit.ru.

[ ѓосты, стандарты, нормативы, инструкции, правила, строительные нормы ]