УТВЕРЖДАЮ
Заместитель Министра здравоохранения
СССР
Главный государственный санитарный
врач СССР
А. И. Кондрусев
15 ноября 1988 г.
№ 4723-88 г.
Санитарные правила устройства и эксплуатации систем централизованного
горячего водоснабжения
1.1. Правила
предназначены для предприятий и организаций, осуществляющих проектирование,
строительство, реконструкцию и эксплуатацию систем централизованного горячего
водоснабжения, а также для органов и учреждений санитарно-эпидемиологической
службы, осуществляющей государственный санитарный надзор, и определяют
санитарно-гигиенические требования, которыми целесообразно руководствоваться
при разработке других нормативных документов (СНиП, ГОСТ и др.).
1.2. Настоящие
правила распространяются на централизованное горячее водоснабжение при закрытых
и открытых системах теплоснабжения, а также на системы теплоснабжения с
отдельными сетями горячего водоснабжения. Техническая характеристика систем
централизованного горячего водоснабжения приведена в приложении
1.
Правила не распространяются на
локальные системы местного горячего водоснабжения с огневым, электрическим или
гелиотермическим подогревом (внутридомовые и поквартирные), а также на системы,
использующие геотермальные воды.
1.3. Правила
регламентируют санитарные требования, выполнение которых обеспечивает
эпидемическую безопасность воды, благоприятные органолептические свойства ее и
предупреждает возможность вредного влияния химического состава воды на организм
человека (кожно-раздражающее действие и др.).
1.4. Горячая
вода, поступающая к потребителю, независимо от применяемой системы и способа
обработки, должна отвечать требованиям ГОСТ 2874-82 "Вода питьевая".
1.5. В целях
предупреждения возможного неблагоприятного влияния на качество горячей воды
реагенты, предлагаемые для использования в процессе водоподготовки, а также
конструкционные материалы, контактирующие с горячей водой, должны пройти
гигиеническую оценку и получить разрешение Минздрава СССР для применения в
практике горячего водоснабжения, а остаточное содержание (концентрации)
вещества в воде не должны превышать гигиенических нормативов.
1.6. Запрещается
в системах централизованного горячего водоснабжения применение
контрольно-измерительных приборов с ртутным заполнением.
1.7. Температура
горячей воды в местах водоразбора независимо от применяемой системы
теплоснабжения должна быть не ниже 60 °С и не выше 75 °С.
Примечание. Для системы горячего водоснабжения из оцинкованных труб при
закрытой системе теплоснабжения допускается иметь температуру воды не ниже 50 °С и не выше
60 °С. В этих условиях после проведения ремонтных работ или
устранения аварийных ситуаций в системах необходимо поддерживать температуру на
уровне 75 °С в течение 48 часов.
1.8. Лабораторно-производственный
контроль за качеством воды на всех этапах подготовки и подачи ее населению
осуществляется ведомственными лабораториями.
1.9.
Государственный санитарный надзор за качеством воды централизованных систем
горячего водоснабжения осуществляется выборочно в местах поступления исходной
воды, перед поступлением в сеть и в распределительной сети.
1.10.
Существующие системы горячего водоснабжения, выполненные с отступлениями от
настоящих Правил, подлежат реконструкции в сроки, согласованные с местными
органами государственного санитарного надзора.
2.1. Исходная
вода для систем горячего водоснабжения, поступающая непосредственно на теплоисточники
и тепловые пункты, должна соответствовать требованиям ГОСТ 2874-82 "Вода
питьевая".
2.2. Тепловая
мощность теплоисточника должна обеспечивать расчетные тепловые нагрузки систем горячего
водоснабжения с учетом перспективы развития населенных пунктов.
2.3. Возможность
применения различных систем горячего водоснабжения определяется проектной
организацией, исходя из качества исходной воды, санитарно-гигиенических
требований к воде в точках водоразбора и технико-экономических обоснований.
Однако с позиций наибольшей надежности в санитарном отношении предпочтение при
проектировании следует отдавать централизованному горячему водоснабжению,
присоединенному к закрытым системам теплоснабжения или системам с отдельными
сетями горячего водоснабжения.
2.4. В целях
обеспечения эпидемической надежности горячей воды при открытых системах
теплоснабжения применяемая деаэрация должна проводиться при температуре не
менее 100° (атмосферная).
2.5. Конструкция
баков-аккумуляторов в системах горячего водоснабжения должна исключать
аварийные ситуации, попадание внутрь бака загрязнений через выхлопные
устройства, а также вынос осадков из нижней части баков в сеть горячего
водоснабжения. Установка баков-аккумуляторов горячей воды в жилых кварталах не
допускается.
Баки-аккумуляторы, расположенные
вне территории нахождения теплоисточника, должны быть ограждены. Высота
ограждения - не менее 2,5 м. Расстояние его от стен резервуаров - не менее 10
м. Доступ посторонних лиц к бакам запрещен.
Внутренняя поверхность
баков-аккумуляторов должна быть защищена от коррозии путем нанесения покрытий,
согласованных с санитарно-эпидемиологической службой.
2.6. Тепловые
сети, независимо от способа прокладки и системы теплоснабжения, не должны
проходить по территории кладбищ, свалок, скотомогильников, земледельческих
полей орошения, полей ассенизации и других участков, могущих представлять
опасность химического и/или биологического загрязнения горячей воды.
Прокладка тепловых сетей горячего
водоснабжения в каналах совместно с сетями бытовой и производственной
канализации не допускается.
Расстояние в свету (поперечном
разрезе) от тепловых сетей до источников возможного загрязнения должно
приниматься в соответствии с табл. 1.
2.7. Запрещается
соединение сетей горячего водоснабжения с трубопроводами иного назначения.
2.8. Отвод воды
из сетей горячего водоснабжения в канализацию должен проводиться с разрывом
струи и осуществляться через воронку, раковину или приямок. Условия сбора
горячей воды в сети канализации согласовываются с органами коммунального
хозяйства.
2.9. Территория
вдоль трассы сооружаемой тепловой сети должна быть заблаговременно очищена и
подготовлена для прокладки труб с тем, чтобы исключить возможность их
загрязнения. Выгребные и помойные ямы, расположенные вблизи трассы на
расстояниях, менее указанных в табл. 1, должны быть до начала
работ очищены, обеззаражены и засыпаны чистым грунтом.
2.10. В целях
предупреждения возможного загрязнения систем горячего водоснабжения следует
предусматривать меры по защите отдельных ее элементов при их изготовлении,
хранении, транспортировке и монтаже.
2.11. Новые
тепловые сети открытых систем теплоснабжения и связанные с ними системы
отопления, а также сети горячего водоснабжения независимо от вида системы
теплоснабжения, должны подвергаться гидро-пневматической промывке. Промывка
производится водой хозяйственно-питьевого качества до полного осветления
промывочной воды с последующей дезинфекцией. Дезинфекция осуществляется
заполнением трубопроводов водой с содержанием активного хлора в дозе 75-100
мг/дм3 при времени контакта не менее 6 часов.
Таблица 1
|
Источник
загрязнения
|
Расстояние
в свету, м не менее
|
|
по
горизонтали при параллельной прокладке, не менее
|
по
вертикали при пересечении, не менее
|
|
а)
сети бытовой и производственной канализации
|
|
|
|
при прокладке тепловых сетей в каналах и
тоннелях (от наружных стенок тоннелей и каналов)
|
1,0
|
0,2
|
|
при бесканальной прокладке тепловых
сетей диаметром до 200 м
|
1,5
|
0,4
|
|
при бесканальной прокладке тепловых
сетей диаметром более 200 м
|
3,0
|
0,4
|
|
б) кладбища, свалки, скотомогильники,
поля орошения и другие объекты, обуславливающие опасность химического и
биологического загрязнения:
|
|
|
|
при отсутствии грунтовых вод
|
10,0
|
-
|
|
при наличии грунтовых вод и в
фильтрующих грунтах
|
50,0
|
-
|
|
в) выгребные и помойные ямы: при отсутствии
грунтовых вод
|
7,0
|
-
|
|
при наличии грунтовых вод и в
фильтрующих грунтах
|
20,0
|
-
|
|
Примечание. При расположении сетей
канализации ниже тепловых сетей при параллельной прокладке расстояния по горизонтали
должны приниматься не менее разности в отметках заложения сетей, а при
расположении сетей канализации выше тепловых - расстояния, указанные в
таблице, должны увеличиваться на разницу в глубине заложения.
|
Скорость водовоздушной
смеси при промывке должна превышать расчетную не менее, чем на 0,5 м/сек на
каждом промываемом участке.
Сброс промывных вод, содержащих
остаточный хлор, осуществляется в соответствии с "Санитарными правилами и
нормами охраны поверхностных вод от загрязнения" № 4630-88.
2.12. Промывка и
дезинфекция тепловых сетей открытых систем теплоснабжения, а также систем
горячего водоснабжения, должны проводиться строительно-монтажной организацией,
лабораторный контроль качества промывки - ведомственной службой. Местные органы
санитарно-эпидемиологической службы ставятся в известность о времени проведения
работ и конкретных адресах для осуществления выборочного контроля.
Промывка и дезинфекция считается
законченной при соответствии результатов бактериологических и физико-химических
анализов требованиям настоящих Правил.
Количество проб воды должно быть
не менее 2, взятых последовательно из одной точки.
Объем анализа: коли-индекс, число
микроорганизмов в 1 см3, мутность, железо, цветность, запах,
привкус.
Результаты промывки и дезинфекции
оформляются актом и представляются в санитарно-эпидемиологическую станцию
вместе с результатами лабораторных исследований.
2.13. Разрешение
на ввод в эксплуатацию систем горячего водоснабжения выдается комиссией. В
работе комиссии принимает участие представитель органов государственного
санитарного надзора, который подписывает акт в случае, если все построенные
сооружения и качество подаваемой горячей воды отвечают требованиям настоящих
Правил.
3.1. В схемах
водоподготовки для горячего водоснабжения необходима специальная обработка
воды, обусловленная технологическими требованиями, при условии обеспечения
качества горячей воды требованиям ГОСТ 2874-82 "Вода питьевая".
3.2. Для
противонакипной обработки воды допускается применение как химических
(реагентных), так и физических (безреагентных) методов.
При химических методах обработки
воды допускается известкование или содоизвесткование (при необходимости с
коагуляцией), подкисление, катионирование.
Химические методы обработки воды
могут применяться только на теплоисточниках.
К физическим методам относится
магнитная обработка воды.
Магнитная обработка воды может
применяться при напряженности магнитного поля не более 2000 эрстед.
3.3. Для
противокоррозионной защиты трубопроводов и оборудования допускается термическая
деаэрация воды, силикатная обработка и обработка воды комплексонатом цинка
(оксиэтилидендифосфоновой кислоты цинковая соль).
Силикатная обработка проводится
путем введения жидкого натриевого стекла (силиката натрия) в водопроводную
воду; при этом суммарная концентрация силиката в пересчете на SiO2 в обработанной
воде должна быть не менее 40 мг/л. Остаточное количество комплексоната цинка не
должно превышать 5,0 мг/л.
3.4. При
использовании подземных вод, содержащих ионы двухвалентного железа в количестве
более 0,5 мг/л, должно производиться обезжелезивание воды.
4.1. Тепловые
сети открытых систем теплоснабжения и непосредственно связанные с ними
отопительные системы, а также сети и системы горячего водоснабжения, после
капитального ремонта подлежат гидропневматической промывке при скоростях
водновоздушной смеси, превышающих расчетные не менее чем на 0,5 м/сек с
последующей дезинфекцией.
4.2. Сети
открытых систем теплоснабжения и горячего водоснабжения, динаметров до 200 мм и
протяженностью до 1 км, а также системы отопления и вентиляции (оборудованные
конвекторами, калориферами, греющими панелями), по согласованию с органами
государственного санитарного надзора, разрешается не подвергать хлорированию, а
дезинфицировать путем промывки горячей водой, имеющей температуру не ниже 85-90
°С.
4.3. В открытых
системах теплоснабжения после окончания отопительного периода системы отопления
подлежат ревизии, ремонту и промывке гидропневматическим способом с последующим
заполнением деаэрированной или водопроводной водой, содержащей ингибиторы
коррозии, которая перед отопительным сезоном подлежит сбросу в канализационную
сеть.
4.4. В период
ежегодных профилактических ремонтов отключение систем горячего водоснабжения не
должно превышать 15 суток. На период ремонта объекты повышенной эпидемической
значимости (предприятия общественного питания, пищевой промышленности, детские
дошкольные и школьные, а также лечебно-профилактические учреждения) подлежат
обеспечению горячей водой от других теплоисточников или от других
тепломагистралей, а при отсутствии такой возможности от собственных резервных
источников.
4.5.
Баки-аккумуляторы подлежат периодической очистке от осадков и обрастаний.
Периодичность очистки определяется местными условиями эксплуатации, но должна
проводиться не реже одного раза в два года.
Периодичность очистки
баков-аккумуляторов, защищенных герметиком, устанавливается по согласованию с
органами государственного санитарного надзора, но не реже одного раза в 2-5
лет.
4.6. Контроль за
качеством промывки систем теплоснабжения и горячего водоснабжения проводится
организацией, эксплуатирующей эти системы.
4.7. В системах
горячего водоснабжения, присоединенных к открытым системам теплоснабжения, по
согласованию с местными органами санитарно-эпидемиологической службы,
допускается отступление от требований ГОСТ 2874-82 "Вода питьевая" по
показателям цветности не более 70° и содержанию железа до 1 мг/дм3
на срок до 14 дней в период сезонных отключений эксплуатируемых систем
теплоснабжения, присоединения новых, а также после их ремонта.
4.8. Не
допускается поступление горячей воды в сети хозяйственно-питьевого
водоснабжения.
4.9. В отдельных
случаях для контроля за герметичностью на теплоисточниках и тепловой сети по
согласованию с местной санитарно-эпидемиологической станцией и с
предварительным оповещением населения допускается использование флуоресцеина
динатриевой соли (уранин А) в концентрациях, при условии что остаточные
количества которого у водопотребителя не будут превышать 0,0025 мг/дм3.
4.10. Запрещается
разбор горячей воды из системы отопления.
4.11.
Лабораторный производственный контроль за качеством горячей воды
осуществляется:
а) в закрытых системах
теплоснабжения:
в местах поступления исходной воды
(водопроводной);
после водонагревателей;
б) в открытых системах
теплоснабжения:
в местах поступления исходной воды
(водопроводной или воды источника;
после водоподготовки (подпиточная
вода);
перед поступлением в сеть горячего
водоснабжения;
в) в системах теплоснабжения с
отдельными сетями горячего водоснабжения:
в местах поступления исходной воды
(водопроводной);
после водонагревателей,
Кроме того, при любой из
вышеуказанных систем теплоснабжения лабораторный производственный контроль за
качеством горячей воды должен осуществляться в распределительной сети в точках,
согласованных с органами государственного санитарного надзора.
4.12.
Лабораторно-производственный контроль за качеством горячей воды в точках,
предусмотренных в п. 4.11, включает определения
следующих показателей:
температура (градусы С);
цветность (градусы);
мутность (мг/дм3);
запах (баллы);
реакция рН;
железо (мг/дм3);
остаточное количество реагентов,
применяемых в процессе водоподготовки (мг/дм3);
допустимое содержание химических
веществ, вымывание которых возможно из материала труб горячего водоснабжения
(меди, цинка и др., мг/дм3);
коли-индекс;
число микроорганизмов в 1 см3.
Кратность отбора проб определяется
в соответствии с табл. 2.
В зависимости от системы горячего
водоснабжения, ее санитарной надежности, количества населения, эпидемической
ситуации и конкретных местных условий допускается по согласованию с
санитарно-эпидемиологической станцией изменять количество (увеличивать или
уменьшать) кратность лабораторно-производственных исследований.
Таблица 2
4.13. При проведении лабораторных исследований проб воды следует
использовать санитарные методы, разработанные для определения показателей ГОСТ
2874-82 "Вода питьевая" или методы, утвержденные Министерством
здравоохранения СССР.
4.14.
Государственный санитарный надзор за качеством воды централизованных систем горячего
водоснабжения осуществляется выборочно в местах поступления исходной воды,
перед поступлением в сеть и в распределительной сети.
4.15.
Ответственность за качество горячей воды, подаваемой потребителю, возлагается
на организации, осуществляющие теплоснабжение и эксплуатирующие сети горячего
водоснабжения.
За качество исходной водопроводной
воды хозяйственно-питьевого назначения, используемой для горячего
водоснабжения, отвечают организации, эксплуатирующие водопроводные сооружения.
* * *
С изданием настоящих
"Санитарных правил" утрачивают силу "Санитарные правила
проектирования и эксплуатации систем централизованного горячего
водоснабжения" № 2270-80 от 26.11.1980.
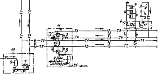
1. Закрытая система
теплоснабжения - система теплоснабжения, при которой вода для горячего
водоснабжения нагревается в водонагревателях (бойлерах) (рис. 1).

Рис. 1. Схема закрытой системы
теплоснабжения
2. Открытая система
теплоснабжения - система теплоснабжения с непосредственным разбором воды из
тепловой сети на горячее водоснабжение (рис. 2).

Рис. 2. Схема открытой системы
теплоснабжения
3. Система
теплоснабжения с отдельными сетями горячего водоснабжения - характеризуется
непосредственным нагревом воды централизованного хозяйственно-питьевого
водоснабжения при отсутствии связи между системами отопления и горячего
водоснабжения (рис.3).

Рис. 3. Схема теплоснабжения с отдельными сетями горячего
водоснабжения
Обозначения к рисункам 1-3
BI - хозяйственно-питьевой водопровод
ВП - то же, после водоподготовки
TI - подающий
трубопровод тепловой сети
Т2 - обратный трубопровод тепловой
сети
ТП - подающий трубопровод системы
отопления
Т21 обратный трубопровод системы
отопления
Т3 - подающий трубопровод горячего
водоснабжения
Т4 - циркулярный трубопровод
горячего водоснабжения
Т9 трубопровод подпиточной воды
1 - водонагреватель
2 - регулятор температуры воды
3 - обратный клапан
4 - нагревательный
прибор системы отопления
5 - точка разбора
горячей воды
6 - элеватор
7 - котел или
пароводяной водонагреватель
8 - регулятор смещения
9 - водоподготовка
10 - источник теплоты
(ТЭЦ, котельная)
11 - точки контроля
качества воды
12 - дроссельная шайба
13 - запорная арматура
14 - индивидуальный тепловой пункт
15 - центральный
тепловой пункт
1. Поваренная
соль - "Хлористый натрий пищевой", ГОСТ 13380-84.
2. Серная кислота
- ГОСТ 2184-77.
3. Едкий натр
очищенный - ГОСТ 11-078-78.
4. Жидкое стекло
натриевое ГОСТ 13078-67.
5. Известь
строительная воздушная негашеная - ГОСТ 9190-77.
СОДЕРЖАНИЕ