//
ТехЛит.ру
- крупнейшая бесплатная электронная интернет библиотека для "технически умных" людей.
WWW.TEHLIT.RU - ТЕХНИЧЕСКАЯ ЛИТЕРАТУРА

:: Алготрейдинг::


АЛГОТРЕЙДИНГ
шаг за шагом
с нуля по урокам!

Торговые роботы на PYTHON, BackTrader,
Pandas, Pine Script для TradingView. Связка с брокерами, телеграм и легкими приложениями.


ГОСУДАРСТВЕННЫЙ СТАНДАРТ СОЮЗА ССР

МЕТАЛЛЫ

МЕТОД ИСПЫТАНИЯ НА УДАРНЫЙ ИЗГИБ ПРИ ПОНИЖЕННОЙ, КОМНАТНОЙ И ПОВЫШЕННЫХ ТЕМПЕРАТУРАХ

ГОСТ 9454-78

(СТ СЭВ 472-77, СТ СЭВ 473-771)

ГОСУДАРСТВЕННЫЙ КОМИТЕТ СССР ПО СТАНДАРТАМ

Москва

ГОСУДАРСТВЕННЫЙ СТАНДАРТ СОЮЗА ССР

МЕТАЛЛЫ

Метод испытания на ударный изгиб
при пониженной, комнатной и повышенной
температурах

Metals. Method for testing the impact strength
at the low, room and high temperature

ГОСТ
9454-78

(СТ СЭВ 472-77,
СТ СЭВ 473-77)

Взамен
ГОСТ 9454-60, ГОСТ 9455-60 и ГОСТ 9456-60

Постановлением Государственного комитета стандартов Совета Министров СССР от 17 апреля 1978 г. № 1021 срок действия установлен

с 01.01. 1979 г.,

в части испытания образцов с концентратором вида Т (п. 1.1.) -

с 01.0,1. 1982 г.

до 01.01. 1989 г.

Изменение № 1 ГОСТ 9454-78 Металлы. Метод испытания на ударный изгиб при пониженной, комнатной и повышенных температурах

Постановлением Государственного комитета СССР по стандартам от 14.10.81 № 4575 срок введения установлен

с 01.01.82

Изменение № 2 ГОСТ 9454-78 Металлы. Метод испытания на ударный изгиб при пониженной, комнатной и повышенных температурах

Утверждено и введено в действие Постановлением Государственного комитета СССР по стандартам от 11.03.88 № 521

Дата введения с 01.09.88

Настоящий стандарт распространяется на черные и цветные металлы и сплавы и устанавливает метод испытания на ударный изгиб при температуре от минус 100 до плюс 1200 °С.

(Измененная редакция, Изм. № 2).

Метод основан на разрушении образца с концентратором посередине одним ударом маятникового копра. Концы образца располагают на опорах. В результате испытания определяют полную работу, затраченную при ударе (работа удара), К или ударную вязкость.

(Измененная редакция, Изм. № 1).

Под ударной вязкостью следует понимать работу удара, отнесенную к начальной площади поперечного сечения образца в месте концентратора.

Стандарт полностью соответствует СТ СЭВ 472-77, СТ СЭВ 473-77, ИСО 83-1976 и ИСО 148-1983.

(Измененная редакция, Изм. № 2).

1. МЕТОД ОТБОРА ОБРАЗЦОВ

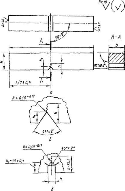
1.1. Форма и размеры образцов для испытания должны соответствовать указанным в таблице и на черт. 1-3.

Размеры, мм

Вид концентратора

Радиус концентратора R

Тип образца

Длина L (пред. откл. ±0,6)

Ширина В

Высота Н (пред. откл. ±0,1)

Глубина надреза h1 (пред. откл. ±0,1)

Глубина концентратора h (пред. откл. ±0,6)

Высота рабочего сечения H1

U

1 ± 0,07*

1

65

10 ± 0,10

10

-

-

8 ± 0,1

2

7,5 ± 0,10

3

5 ± 0,05

4

2 ± 0,05

8

6 ± 0,1

5

10 ± 0,10

10

7 ± 0,1

6

7,5 ± 0,10

7

5 ± 0,05

8

10 ± 0,10

5 ± 0,1

9

7,5 ± 0,10

10

5 ± 0,05

V

0,25 ± 0,025

11

55

10 ± 0,10

10

-

-

 

12

7,5 ± 0,10

8 ± 0,05*

13

5 ± 0,05

 

14

2 ± 0,05

8

 

 

6 ± 0,05

Т

Трещина

16

55

10 ± 0,10

11

1,5

3,0

-

17

7,5 ± 0,10

18

5 ± 0,05

19

2 ± 0,05

9

21

140

25 ± 0,10

25

10,0

12,0

____________

* При контрольных массовых испытаниях допускается изготовление образцов с предельным отклонением ±0,10 мм.

(Измененная редакция, Изм. № 2).

Допускается использовать образцы без надреза и с одной и двумя необработанными, поверхностями, размеры которых по ширине отличаются от указанных в таблице.

Область применения образцов указана в справочном приложении 1.

Испытание образцов типа 4, 14, 18 проводят по требованию потребителя для изделий специального назначения.

(Измененная редакция, Изм. № 2).

1.2. Места вырезки заготовки для изготовления образцов, ориентация оси концентратора, технология вырезки заготовок и изготовления образцов - по ГОСТ 7564-97 для черных металлов, если иное не предусмотрено в нормативно-технической документации на конкретную продукцию.

Для цветных металлов и сплавов все это должно быть указано в нормативно-технической документации на продукцию.

При вырезке заготовок металл образцов должен предохраняться от наклепа и нагрева, изменяющих свойства металла, если не предусмотрено иное в нормативно-технической документации на продукцию.

(Измененная редакция, Изм. № 1, 2).

(Поправка, ИУС 4-2008).

Образец с концентратором вида U

Черт. 1

Образец с концентратором вида V

Черт. 2

Образец с концентратором вида Т (усталостная трещина)

а - общий вид; б - форма концентратора для образцов с 15 по 19 тип; в - форма концентратора для образцов 20 типа

Черт. 3

1.3. Риски на поверхности концентраторов видов U и V, видимые без применения увеличительных средств, не допускаются.

1.4. Концентратор вида Т получают в вершине начального надреза при плоском циклическом изгибе образца. Способ получения начального концентратора может быть любым.

(Измененная редакция, Изм. № 1, 2).

1.5. Максимальный остаточный прогиб, образовавшийся при нанесении на образцах концентратора вида Т, не должен превышать: 0,25 мм - для образцов длиной 55 мм.

Контроль прогиба образца осуществляется с помощью индикаторов часового типа по ГОСТ 577-68 или других средств, обеспечивающих погрешность измерения прогиба не более 0,05 мм на базе длины образца.

(Измененная редакция, Изм. № 1, 2).

1.6. Тип и число образцов, порядок проведения повторных испытаний должны быть указаны в нормативно-технической документации на конкретную продукцию, утвержденной в установленном порядке.

Если в нормативно-технической документации на металлопродукцию не указан тип образца, следует испытывать образцы типа 1 - до 01.01.91.

(Измененная редакция, Изм. № 1, 2).

2. АППАРАТУРА И МАТЕРИАЛЫ

2.1. Маятниковые копры - по ГОСТ 10707-82. Скорость движения маятника в момент удара должна быть:

5 ± 0,5 м/с - для копров с номинальной потенциальной энергией маятника 50,0 (5,0); 150 (15); 300 (30) Дж (кгс×м);

4 ± 0,25 м/с - для копров с номинальной потенциальной энергией маятника 25 (2,5); 15 (1,5); 4,5 (0,75) Дж (кгс×м);

3 ± 0,25 м/с - для копров с номинальной потенциальной энергией маятника 5,0 (0,5) Дж (кгс×м).

Допускается применять копры с другой номинальной потенциальной энергией маятника. При этом номинальное значение потенциальной энергии маятника должно быть таким, чтобы значение работы удара составляло не менее 10 % от номинального значения потенциальной энергии маятника. До 01.01.91 допускается использовать копры с такой номинальной потенциальной энергией маятника, чтобы работа удара составляла не менее 5 % от номинальной потенциальной энергии маятника. Номинальное значение потенциальной энергии маятника должно быть указано в нормативно-технической документации на конкретную продукцию.

Основные размеры опор и ножа маятника должны соответствовать указанным на черт. 4. Для копров другой конструкции допускаются иные радиусы закругления ребра опоры и скорость движения маятника от 4,5 до 7,0 м/с.

(Измененная редакция, Изм. № 1, 2).

2.2. Термостат, обеспечивающий равномерное охлаждение или нагрев, отсутствие агрессивного воздействия окружающей среды на образец и возможность контроля температуры.

2.3. Смесь жидкого азота (ГОСТ 9293-74) или твердой углекислоты («сухого льда») с этиловым спиртом. Применение в качестве охладителя жидкого кислорода и жидкого воздуха не допускается.

(Измененная редакция, Изм. № 1, 2).

Массовая доля кислорода в жидком азоте в процессе охлаждения образцов в термостате не должна быть более 10 %.

2.4. Термометры с погрешностью не более ±1 °С для измерения температуры охлаждающей среды.

(Измененная редакция, Изм. № 2).

2.5. Термометры, включая и преобразователи термоэлектрические (термопары), для измерения температуры нагрева образцов, обеспечивающие измерение с погрешностью, не превышающей:

±5 °С - при температуре нагрева до 600 °С;

±8 °С -   »              »               »      свыше 600 °С.

(Измененная редакция, Изм. № 2).

2.6. Трещину на образцах получают на вибраторах, изготовленных по нормативно-технической документации.

2.7. Штангенциркули должны соответствовать требованиям ГОСТ 166-80. Допускается применять и другие измерительные средства, обеспечивающие измерение с погрешностью, не превышающей указанной в п. 1.1.

(Измененная редакция, Изм. № 2).

Опоры и нож маятника

Черт. 4

(Измененная редакция, Изм. № 2).

3. ПОДГОТОВКА К ИСПЫТАНИЮ

3.1. Перед началом испытаний необходимо проверить положение указателя работы при свободном падении маятника.

Для маятниковых копров с цифровыми отсчетными устройствами указатель работы в исходном положении должен показывать «нуль» при допускаемом отклонении в пределах ширины штриха шкалы по ГОСТ 8.264-77.

(Измененная редакция, Изм. № 2).

3.2. Температурой испытания следует считать температуру образца в момент удара.

Температуру испытания указывают в нормативно-технической документации на конкретную продукцию, утвержденной в установленном порядке.

3.3. Комнатной температурой следует считать температуру 20 ± 10 °С.

3.4. Для обеспечения требуемой температуры испытания образцы перед установкой на копер должны быть переохлаждены (при температуре испытания ниже комнатной) или перегреты (при температуре испытания выше комнатной). Степень переохлаждения или перегрева должна обеспечивать требуемую температуру испытания и должна определяться экспериментальным путем.

Температура переохлаждения или перегрева образцов при условии, что они могут быть испытаны не позднее чем через 3-5 с после извлечения из термостата, указана в справочном приложении 2.

Выдержка образцов в термостате при заданной температуре (с учетом необходимого переохлаждения или перегрева) должна быть не менее 15 мин.

(Измененная редакция, Изм. № 1).

3.5. Соприкасающаяся с образцом часть приспособления для извлечения его из термостата не должна изменять температуру образца при установке его на опоры копра.

4. ПРОВЕДЕНИЕ ИСПЫТАНИЯ

4.1. Образец должен свободно, лежать на опорах копра (см. черт. 4). Установка образца должна производиться с помощью шаблона, обеспечивающего симметричное расположение концентратора относительно опор с погрешностью не более ±0,5 мм. При использовании торцовых ограничителей последние не должны мешать образцам свободно деформироваться.

4.2. Испытание должно проводиться при ударе маятника со стороны, противоположной концентратору, в плоскости его симметрии.

4.3. Работу удара определяют по шкале маятникового копра или аналоговых отсчетных устройств.

(Измененная редакция, Изм. № 2).

5. ОБРАБОТКА РЕЗУЛЬТАТОВ

5.1. За результат испытания принимают работу удара или ударную вязкость для образцов с концентраторами видов U и V и ударную вязкость для образцов с концентратором вида Т.

(Измененная редакция, Изм. № 2).

5.2. Работу удара обозначают двумя буквами (KU, KV или КТ) и цифрами. Первая буква (К) - символ работы удара, вторая буква (U, V или Т) - вида концентратора. Последующие цифры обозначают максимальную энергию удара маятника, глубину концентратора и ширину образца. Цифры не указывают при определении работы удара на копре с максимальной энергией удара маятника 300 (30,0) Дж (кгс×м), при глубине концентратора 2 мм для концентраторов видов U и V и 3 мм для концентратора вида Т и ширине образца 10 мм (образцы 1, 11 и 15 типов).

Допускается обозначать работу удара двумя индексами (Аi): первый (А) – символ работы удара, второй (i) – символ типа образца в соответствии с таблицей.

(Измененная редакция, Изм. № 1).

5.3. Ударную вязкость обозначают сочетанием буки и цифр.

Первые две буквы КС обозначают символ ударной вязкости, третья буква - вид концентратора; первая цифра - максимальную энергию удара маятника, вторая - глубину концентратора и третья - ширину образца. Цифры не указывают в случае, оговоренном в п. 5.2.

Допускается обозначать ударную вязкость двумя индексами (ai); первый (а) - символ ударной вязкости; второй (i) - символ типа образца в соответствии с таблицей.

(Измененная редакция, Изм. № 1).

Для обозначения работы удара и ударной вязкости при пониженной и повышенной температурах вводится цифровой индекс, указывающий температуру испытания. Цифровой индекс ставят вверху после буквенных составляющих.

Например:

КV-40 50/2/2 - работа удара, определенная на образце с концентратором вида V при температуре минус 40 °С. Максимальная энергия удара маятника 50 Дж, глубина концентратора 2 мм, ширина образца 2 мм.

КСТ+100 150/3/7,5 - ударная вязкость, определенная на образце с концентратором вида Т при температуре плюс 100 °С. Максимальная энергия удара маятника 150 Дж, глубина концентратора 3 мм, ширина образца 7,5 мм.

КСU (KCV) - ударная вязкость, определенная на образце с концентратором вида U (V) при комнатной температуре. Максимальная энергия удара маятника 300 Дж, глубина концентратора 2 мм, ширина образца 10 мм.

 - ударная вязкость, определенная на образце типа 11 при температуре минус 60 °С. Максимальная энергия удара маятника 300 Дж.

(Измененная редакция, Изм. № 1).

5.4. Ударную вязкость (КС) Дж/см2 (кгс×м/см2) вычисляют по формуле

,

где К - работа удара, Дж (кгс×м);

So - начальная площадь поперечного сечения образца в месте концентратора, см2, вычисляемая по формуле

Sо = H1B,

где Н1 - начальная высота рабочей части образца, см;

В - начальная ширина образца, м (см).

Н1 и В измеряют с погрешностью не более ±0,05 мм (±0,005 см). So округляют: при ширине образца 5 мм и менее - до третьей значащей цифры, при ширине образца более 5 мм - до второй значащей цифры.

(Измененная редакция, Изм. № 1, 2).

Для образцов с концентратором вида Т значение H¢1 определяют как разность между полной высотой Н, измеренной до испытания с погрешностью не более ±0,05 мм (±0,005 см) и расчетной глубиной концентратора hp, измеренной с помощью любых оптических средств с увеличением не менее 7 на поверхности, излома образца после его испытания по схеме, приведенной на черт. 5, с погрешностью не более ±0,05 мм (±0,005 см).

(Измененная редакция, Изм. № 2).

5.5. Значение КС записывают в протоколе с округлением: до 1 (0,1) Дж/см2 (кгс×м/см2) - при значении КС более 10 (1) Дж/см2 (кгс×м/см2); до 0,1 (0,01) Дж/см2 (кгс×м/см2) - при значении КС менее 10 (1) Дж/см2 (кгс×м/см2).

(Измененная редакция, Изм. № 1).

5.6. Если в результате испытания образец не разрушился полностью, то показатель качества материала считается не установленным. В этом случае в протоколе испытания указывают, что образец при максимальной энергии удара маятника не был разрушен.

Результаты испытаний не учитывают при изломе образцов по дефектам металлургического производства.

(Измененная редакция, Изм. № 2).

5.7. При замене образца причину указывают в протоколе испытания.

5.8. Исходные данные и результаты испытания образца записывают в протоколе испытания. Форма протокола приведена в рекомендуемом приложении 3.

abc - фронт усталостной трещины; I-I - положение визирной линии окуляра микроскопа в начальный момент измерения (совпадает с гранью образца); II-II - положение визирной линии микроскопа при окончании измерения (положение II-II выбирается так, чтобы заштрихованная площадь выше линии была бы равновелика незаштрихованной площади ниже визирной линии)

Черт. 5.

(Измененная редакция, Изм. № 2).

ПРИЛОЖЕНИЕ 1
Справочное

Область применения образцов

Вид концентратора

Тип образца

Область применения

U

1-10

При выборе, приемо-сдаточных испытаниях металлов и сплавов

V

11-14

При выборе, приемо-сдаточных испытаниях металлов и сплавов для конструкций повышенной степени надежности (летательные аппараты, транспортные средства, трубопроводы, сосуды давления и т.п.)

Т

15-20

При выборе и приемочном контроле металлов и сплавов для особо ответственных конструкций, для эксплуатации которых оценка сопротивления развитию трещины имеет первостепенное значение. При исследовании причин разрушения ответственных конструкций

(Измененная редакция, Изм. № 1).

ПРИЛОЖЕНИЕ 2
Справочное

Температура переохлаждения и перегрева в зависимости от температуры испытания

Температура испытания, °С

Температура, °С

переохлаждения

перегрева

Св. минус 100 до минус 60

4-6

 

» минус 80 » минус 40

3-4

-

» минус 40 » плюс 10

2-3

-

» плюс 30 » плюс 200

-

3-5

» плюс 200 » плюс 400

-

5-10

» плюс 400 » плюс 500

-

10-15

» плюс 500 » плюс 600

-

15-20

» плюс 600 » плюс 700

-

20-25

» плюс 700 » плюс 800

-

25-30

» плюс 800 » плюс 900

-

30-40

» плюс 900 » плюс 1000

-

40-50


ПРИЛОЖЕНИЕ 3
Рекомендуемое

ПРОТОКОЛ ИСПЫТАНИЙ НА УДАРНЫЙ ИЗГИБ

Марка копра _______________________________________________________

Максимальная энергия удара маятника при испытании _____________________

Скорость маятника в момент удара _____________________________________

Испытуемый материал _______________________________________________

Номер

Маркировка образца

Номер плавки

Номер партии

Тип образца

Температура испытания, °С

Ширина образца В

Высота образца Н

Глубина концентратора h

Высота рабочего сечения H1

Площадь поперечного сечения Sо, см2

Работа удара К, Дж (кгс×м)

Ударная вязкость КС, Дж/см2 (кгс×м/см2)

Примечание

см

 

 

 

 

 

 

 

 

 

 

 

 

 

 

(Измененная редакция, Изм. № 1).





Яндекс цитирования



   Copyright © 2007-2026,  www.tehlit.ru.

[ ѓосты, стандарты, нормативы, инструкции, правила, строительные нормы ]