//
ТехЛит.ру
- крупнейшая бесплатная электронная интернет библиотека для "технически умных" людей.
WWW.TEHLIT.RU - ТЕХНИЧЕСКАЯ ЛИТЕРАТУРА

:: Алготрейдинг::


АЛГОТРЕЙДИНГ
шаг за шагом
с нуля по урокам!

Торговые роботы на PYTHON, BackTrader,
Pandas, Pine Script для TradingView. Связка с брокерами, телеграм и легкими приложениями.


ГОСУДАРСТВЕННЫЙ СТАНДАРТ СОЮЗА ССР

ЗАКЛЕПКИ С ПОТАЙНОЙ ГОЛОВКОЙ
классов точности В и С.

ГОСТ 10300-80
(СТ СЭВ 1020-78)

ГОСУДАРСТВЕННЫЙ КОМИТЕТ СССР ПО СТАНДАРТАМ

Москва

ГОСУДАРСТВЕННЫЙ СТАНДАРТ СОЮЗА ССР

ЗАКЛЕПКИ С ПОТАЙНОЙ ГОЛОВКОЙ
классов точности В и С.

Технические условия

Countersunk-head rivets classes В and С. Specifications

ГОСТ
10300-80*

(СТ СЭВ 1020-78)

Взамен
ГОСТ 10300-68

Постановлением Государственного комитета СССР по стандартам от 6 мая 1980 г. № 2009 срок введения установлен

с 01.01.81

Проверен в 1985 г. Постановлением Госстандарта от 23.04.85 № 1138 срок действия продлен

до 01.01.91

(Измененная редакция, Изм. № 2).

Настоящий стандарт распространяется на заклепки с потайной головкой общемашиностроительного применения с диаметром стержня от 1 до 36 мм классов точности В и С.

Стандарт полностью соответствует СТ СЭВ 1020-78.

Заклепки с потайной головкой должны удовлетворять всем требованиям ГОСТ 10304-80 и требованиям, изложенным в соответствующих разделах настоящего стандарта.

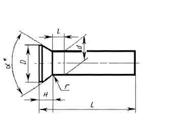
1. РАЗМЕРЫ

1.1. Размеры заклепок должны соответствовать указанным на чертеже и в табл. 1 и 2.

__________

* Размер для справок.

(Измененная редакция, Изм. № 2).

Таблица 1

мм

Диаметр стержня d

1

1,2

(1,4)

1,6

2

2,5

3

4

5

Диаметр головки D

1,9

2,3

2,7

2,9

3,9

4,5

5,2

7,0

8,8

Высота головки Н

0,5

0,6

0,7

0,7

1,0

1,1

1,2

1,6

2,0

Угол a

90°

Радиус под головкой, r, не более

0,1

0,2

Расстояние от основания головки до места замера диаметра l

1,5

3

4

Продолжение табл. 1

Диаметр стержня d

6

8

10

12

(14)

16

20

24

30

36

Диаметр головки D

10,3

13,9

17

20

24

30

36

41

49

Высота головки Н

2,4

3,2

4,8

5,6

6,8

7,2

9

11

14

16

Угол a

90°

75°

60°

45°

Радиус под головкой, r, не более

0,25

0,3

0,4

0,5

0,6

0,8

Расстояние от основания головки до места замера диаметра l

4

6

8

10

Примечание. Размеры, указанные в скобках, применять не рекомендуется.

Таблица 2

мм

Диаметр стержня d

Длина L

Диаметр стержня d

Длина L

1,0

2-8

8

9-60

1,2

3-10

10

16-75

(1,4)

3-12

12

18-85

1,6

3-12

(14)

22-100

2,0

3-16

16

24-100

2,5

4-20

20

38-150

3,0

4-40

24

40-180

4,0

5-50

30

52-180

5,0

8-60

36

60-180

6,0

8-60

(Измененная редакция, Изм. № , 2).

1.2. Длина заклепок должна выбираться из следующего ряда: 2, 3, 4, 5, 6, 7, 8, 9, 10, 12, 14, 16, 18, 20, 22, 24, 26, 28, 30, 32, 34, 36, 38, 40, 42, 45, 48, 50, 52, 55, 58, 60, 65, 70, 75, 80, 85, 90, 95, 100, 110, 120, 130, 140, 150, 160, 170, 180 мм.

Пример условного обозначения заклепки с потайной головкой класса точности В диаметром d = 8 мм, длиной L = 20 мм, из материала группы 00, без покрытия:

Заклепка 8 ´ 20.00 ГОСТ 10300-80

1.1. (Измененная редакция, Изм. № 1).

1.2. (Измененная редакция, Изм. № 1, 2).

1.3. Теоретическая масса заклепок указана в справочном приложении.

2. ТЕХНИЧЕСКИЕ ТРЕБОВАНИЯ

2.1. Предельные отклонения высоты головки для размеров H < 1 мм - плюс 0,28, минус 0,16 мм; для H = 1 мм - ± 0,28 мм.


ПРИЛОЖЕНИЕ
Справочное

Масса стальных заклепок

Теоретическая масса 1000 шт. заклепок, кг, при номинальном диаметре стержня d, мм

Длина L, мм

1

1,2

(1,4)

1,6

2

2,5

3

4

5

6

8

10

12

(14)

16

20

24

30

36

2

0,016

 

 

 

 

 

 

 

 

 

 

 

 

 

 

 

 

 

 

3

0,022

0,033

0,055

0,058

0,104

 

 

 

 

 

 

 

 

 

 

 

 

 

 

4

0,028

0,042

0,067

0,074

0,129

0,195

0,281

 

 

 

 

 

 

 

 

 

 

 

 

5

0,034

0,051

0,079

0,090

0,154

0,233

0,336

0,635

 

 

 

 

 

 

 

 

 

 

 

6

0,040

0,060

0,091

0,106

0,178

0,272

0,392

0,733

 

 

 

 

 

 

 

 

 

 

 

7

0,047

0,069

0,103

0,121

0,203

0,310

0,447

0,832

 

 

 

 

 

 

 

 

 

 

 

8

0,053

0,078

0,115

0,137

0,228

0,349

0,503

0,931

1,522

2,235

4,294

 

 

 

 

 

 

 

 

9

 

0,087

0,127

0,153

0,252

0,387

0,558

1,029

1,677

2,457

4,689

 

 

 

 

 

 

 

 

10

 

0,095

0,140

0,169

0,277

0,426

0,614

1,128

1,831

2,679

5,083

 

 

 

 

 

 

 

 

12

 

 

0,164

0,200

0,326

0,503

0,724

1,325

2,139

3,123

5,478

 

 

 

 

 

 

 

 

14

 

 

 

 

0,376

0,580

0,835

1,522

2,447

3,563

6,656

 

 

 

 

 

 

 

 

16

 

 

 

 

0,425

0,657

0,946

1,719

2,755

4,007

7,445

13,41

 

 

 

 

 

 

 

18

 

 

 

 

 

0,734

1,057

1,917

3,064

4,451

8,234

14,64

19,93

 

 

 

 

 

 

20

 

 

 

 

 

0,811

1,168

2,114

3,372

4,895

9,023

15,88

21,70

 

 

 

 

 

 

22

 

 

 

 

 

 

1,279

2,311

3,680

5,309

9,812

17,11

23,48

33,67

 

 

 

 

 

24

 

 

 

 

 

 

1,390

2,509

3,989

5,783

10,603

18,34

25,26

36,09

44,36

 

 

 

 

26

 

 

 

 

 

 

1,501

2,706

4,297

6,227

11,391

19,58

27,03

38,51

47,52

 

 

 

 

28

 

 

 

 

 

 

1,612

2,903

4,605

6,671

12,180

20,81

28,81

40,93

50,68

 

 

 

 

30

 

 

 

 

 

 

1,723

3,100

4,913

7,115

12,969

22,04

30,58

43,34

53,83

 

 

 

 

32

 

 

 

 

 

 

1,834

3,294

5,222

7,559

13,758

23,28

32,36

45,76

56,99

 

 

 

 

34

 

 

 

 

 

 

1,945

3,495

5,530

8,002

14,547

24,51

34,13

48,18

60,15

 

 

 

 

36

 

 

 

 

 

 

2,056

3,692

5,838

8,446

15,337

25,74

35,91

50,59

63,30

 

 

 

 

38

 

 

 

 

 

 

2,167

3,890

6,146

8,890

16,126

26,97

37,68

53,01

66,46

106,4

 

 

 

40

 

 

 

 

 

 

2,278

4,087

6,455

9,334

16,915

28,21

39,46

55,43

69,62

111,4

164,4

 

 

42

 

 

 

 

 

 

 

4,284

6,763

9,778

17,704

29,44

41,24

57,84

72,77

116,3

171,5

 

 

45

 

 

 

 

 

 

 

4,580

7,225

10,444

18,888

31,29

43,90

61,47

77,51

123,7

182,2

 

 

48

 

 

 

 

 

 

 

4,876

7,688

11,110

20,072

33,14

46,56

65,09

82,24

131,1

192,8

 

 

50

 

 

 

 

 

 

 

5,073

7,996

11,554

20,861

34,37

48,34

67,51

85,40

136,0

199,9

 

 

52

 

 

 

 

 

 

 

 

8,304

11,998

21,650

35,61

50,11

69,93

88,56

140,9

207,0

319,8

 

55

 

 

 

 

 

 

 

 

8,767

12,663

22,834

37,46

52,78

73,55

93,29

148,3

217,7

336,4

 

58

 

 

 

 

 

 

 

 

9,229

13,329

24,017

39,31

55,44

77,18

98,03

155,7

228,3

353,0

 

60

 

 

 

 

 

 

 

 

9,537

13,773

24,806

40,54

57,22

79,60

101,18

160,7

235,4

364,1

529,9

65

 

 

 

 

 

 

 

 

 

 

 

43,62

61,66

85,64

109,07

173,0

253,2

391,9

569,9

70

 

 

 

 

 

 

 

 

 

 

 

46,70

66,09

91,68

116,97

185,3

270,9

419,6

609,8

75

 

 

 

 

 

 

 

 

 

 

 

49,79

70,53

97,72

124,85

197,7

288,7

447,4

649,8

80

 

 

 

 

 

 

 

 

 

 

 

 

74,97

103,80

132,75

210,0

306,5

475,1

689,7

85

 

 

 

 

 

 

 

 

 

 

 

 

79,41

109,80

140,64

222,3

324,2

502,9

729,7

90

 

 

 

 

 

 

 

 

 

 

 

 

 

115,80

148,53

234,7

341,9

530,6

769,9

95

 

 

 

 

 

 

 

 

 

 

 

 

 

121,90

156,42

247,0

359,6

558,4

809,6

100

 

 

 

 

 

 

 

 

 

 

 

 

 

127,90

164,32

259,3

377,5

586,1

849,5

110

 

 

 

 

 

 

 

 

 

 

 

 

 

 

 

284,0

413,0

641,6

929,4

120

 

 

 

 

 

 

 

 

 

 

 

 

 

 

 

308,6

448,5

697,1

1009,3

130

 

 

 

 

 

 

 

 

 

 

 

 -

 

 

 

333,3

484,0

752,6

1089,2

140

 

 

 

 

 

 

 

 

 

 

 

 

 

 

 

358,0

519,5

808,0

1179,1

150

 

 

 

 

 

 

 

 

 

 

 

 

 

 

 

382,6

555,0

863,5

1249,0

160

 

 

 

 

 

 

 

 

 

 

 

 

 

 

 

 

590,6

919,0

1328,9

170

 

 

 

 

 

 

 

 

 

 

 

 

 

 

 

 

626,1

974,5

1408,8

180

 

 

 

 

 

 

 

 

 

 

 

 

 

 

 

 

661,6

1030,0

1488,8

Примечание. Для определения массы заклепок, изготовляемых из других материалов, значения массы, указанные в таблице, должны быть умножены на коэффициенты: 0,356 - для алюминиевого сплава, 1,080 - для латуни, 1,134 - для меди.

(Измененная редакция, Изм. № 1, 2).




Яндекс цитирования



   Copyright © 2007-2026,  www.tehlit.ru.

[ ѓосты, стандарты, нормативы, инструкции, правила, строительные нормы ]